Изучение соединений резисторов и проверка законов Ома и Кирхгофа
Лабораторная работа 5
Тема: "Изучение соединений резисторов и проверка законов Ома и Кирхгофа"
Цель: Проверка на опыте особенностей последовательного и параллельного соединения резисторов.
Оборудование: Стенд №1.
Порядок выполнения работы.
Собрать схему из последовательно соединённых резисторов.
Включить цепь, установить необходимое напряжение. Измерить силу тока в цепи, падение напряжения на каждом участке при 2-х – 3-х значениях сопротивлений реостата. Результаты записать в таблицу 1.
Таблица 1 – Данные опыта и расчёта.
|
№ |
Из опыта |
Из расчёта |
|||||||||||
|
I A |
U>1> B |
U>2> B |
U>3> B |
U B |
R>1> Ом |
R>2> Ом |
R>3> Ом |
R>экв> Ом |
P>1> Вт |
P>2> Вт |
P>3> Вт |
P Вт |
|
|
1 |
1,2 |
70 |
30 |
120 |
220 |
58,3 |
25 |
100 |
183,3 |
84 |
36 |
144 |
264 |
|
2 |
1 |
55 |
55 |
110 |
220 |
55 |
55 |
110 |
220 |
55 |
55 |
100 |
210 |
1) I=1,2A; U>1>=70B; U>2>=30B; U>3>=120B; U=220B

2) I=1A; U>1>=55B; U>2>=55B; U>3>=110B; U=220B



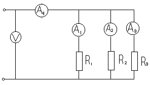
3. Собрать цепь для параллельного соединения резисторов

Рисунок 1- Последовательное соединение резисторов– Рисунок 2 – Параллельное соединение резисторов
4. Включить цепь, установить необходимое напряжение. Измерить силу тока в цепи, падение напряжения на каждом участке при 2-х – 3-х значениях сопротивлений реостата. Результаты записать в таблицу 2.
Таблица 2-Данные опыта и расчёта
|
№ |
Из опыта |
Из расчёта |
|||||||||||||||
|
U В |
I>1> А |
I>2> А |
I>3> А |
I А |
R>1> Ом |
R>2> Ом |
R>3> Ом |
R>экв> Ом |
q>1> См |
q>2> См |
q>3> См |
q>экв> См |
P>1> Вт |
P>2> Вт |
P>3> Вт |
P>экв> Вт |
|
|
1 |
220 |
1,2 |
1,2 |
1 |
3,4 |
183,3 |
183,3 |
220 |
64,5 |
0,005 |
0,005 |
0,004 |
0,014 |
264 |
264 |
220 |
748 |
|
2 |
220 |
1,2 |
0,4 |
1,8 |
3,4 |
183,3 |
122,2 |
550 |
64,5 |
0,005 |
0,001 |
0,008 |
0,014 |
264 |
88 |
396 |
748 |
1) U=220В; I>1>=1,2A; I>2>=1,2A; I>3>=1A; I=3,4A


2) U=220B; I>1>=1,2A; I>2>=0,4A; I>3>=1,8A; I=3,4A;

Контрольные вопросы
При последовательном соединении каждый элемент цепи соединён последовательно, т.е. конец предыдущего элемента соединён с началом следующего, начало первого и конец последнего являются зажимами группы элементов, которыми она может быть подсоединена к другим участкам цепи.
При параллельном соединении группы элементов начала всех элементов соединены в одном зажиме, а концы в другом: этими зажимами группа присоединяется к другим участкам цепи.
R>экв>=R>1>+R>2>+R>3> – при последовательном соединении.
1/ R>экв>=1/ R>1>+1/ R>2>+1/ R>3> – при параллельном соединении.
Законы Кирхгофа:
І закон: в ветвях, образующих узел эл. цепи, алгебраическая сумма токов равна нулю: ΣI = 0.
ІІ закон: в контуре эл. цепи алгебраическая сумма напряжений на его ветвях равна нулю ΣU = 0 или контуре эл. Цепи алгебраическая сумма падений напряжения на пассивных элементах равна алгебраической сумме ЭДС этого контура: Σ IR = Σ E.
4. R=U/I; I=U/R – Закон Ома для участка цепи, не содержащий ЭДС.
I=E/R+r
Отличительной особенностью параллельного соединения является то, что ко всем ветвям приложено одно и то же напряжение.
Ток больше в той ветви, где меньше сопротивление, т. к. I=U/R, U-const.
G=I/U=1/R – проводимость [См].
При параллельном соединении пассивных ветвей общая проводимость между двумя узлами равна сумме проводимостей всех ветвей, т.е.
G = G>1>+G>2>+G>3>
8. P = EI или P = I2R – мощность.