Изучение устройства и принцип действия реле времени
Практическая работа 4
Тема: Изучение устройства и принцип действия реле времени.
Цель: Изучить устройства и принцип действия реле времени.
Ход работы:
Реле времени электродвигательные предназначены для создания выдержки времени при передаче электрических сигналов в системах автоматики и телемеханики, когда требуются выдержки времени свыше 10 с и надо обеспечить строго последовательное коммутирование (программирование) нескольких цепей. Реле выполняются на выдержки времени от 10 до 900 с с числом управляемых цепей до 16 для работы как при переменном, так и при постоянном токе.
Реле состоит из следующих основных узлов:
электродвигателя синхронного трехфазного переменного тока или постоянного тока с насаженным на его вал червяком;
редуктора, замедление (передаточное число) которого соответствует максимальной выдержке времени, создаваемой реле;
контактного устройства, в которое входит контактный набор — соответствующее данному исполнению реле число замыкающих, размыкающих или переключающих контактов и соответствующее ему число переключающих кулачков с устройствами их установки и регулирования;
электромагнитов (электромагнитных реле) с соответствующими устройствами для управления двигателем и муфтами для сцепления и расцепления двигателя с редуктором и редуктора с контактным устройством;
возвратных пружин.
Рабочий цикл реле при включенном электродвигателе начинается с подачи сигнала на сцепление двигателя с редуктором. Вращение двигателя через редуктор передается на рабочее зубчатое колесо и далее на привод кулачков (через общий вал или другое устройство). Кулачки производят переключение контактов в установленной последовательности и с заданной выдержкой времени: Одновременно взводится возвратная пружина.
После полного оборота рабочего зубчатого колеса (вала с кулачками) соответствующие контакты отключают двигатель или муфту сцепления двигателя с редуктором. Кулачки остаются в достигнутом положении. Затем, после снятия команды на работу реле, рабочее зубчатое колесо расцепляется с редуктором и возвратная пружина возвращает кулачки и контакты в исходное положение. Реле готово к новому циклу работы.
Реле собирается на металлическом основании и закрывается кожухом (в соответствии с исполнением по защите). В кожухе имеются окна для наблюдения шкал выдержек времени.
Износостойкость «реле в зависимости от осуществленной выдержки времени доставляет от нескольких тысяч до нескольких десятков тысяч циклов.

Рисунок 1. Реле времени постоянного тока ЗВ-.100
Недостатками реле являются сложность конструкции и малая износостойкость. Достоинства — большие выдержки времени и высокая точность последовательности переключения контактов, что не достигается другими способами.
Реле времени электромагнитное, создающее выдержку при помощи часового механизма, показано на рис. 1, При замыкании цепи катушки 9 электромагнита 10 втягивается якорь .5, пускается в ход заторможенный часовой механизм б, начинают перемещаться подвижные контакты 4 и переключаются контакты мгновенного действия 8, По истечении установленных выдержек времени под действием заводной пружины часового механизма сначала замыкается скользящий контакт 2, а затем замыкающий 1.
Время с момента подачи напряжения на катушку до замыкания контактов 2 и 1 регулируется изменением их положения и указывается стрелками на шкале 3.
С прекращением возбуждения катушки якорь и часовой механизм мгновенно возвращаются в исходное положение под действием пружины электромагнита. Одновременно с этим происходит завод часового механизма.
Реле монтируется в пылезащищенном пластмассовом корпусе, состоящем из основания 11 и кожуха 7 из прозрачного материала.

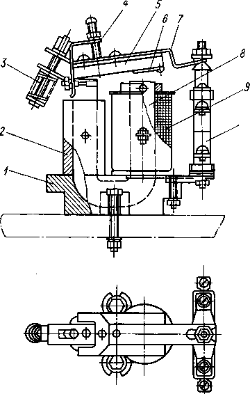
Рисунок 2. Реле времени электромагнитное
1 - силуминовое основание (заливка), служащее для сборки всего реле и как демпфер; 2- медная гильза-демпфер; 3 - отключающая пружина, регулируемая, 4 – упорная скоба с винтом; 5 - якорь; 6 - немагнитная прокладка; 7-тяга; 8 – U-образный сердечник; 9 - катушка; 10 - узел контактов
Реле времени с электромагнитным замедлением (демпфером) выполняются только на постоянном токе, Замедление спадания потока (главным образом при отключении катушки) создается короткозамкнутым медным кольцом (см. гл. 1С). Подобные реле (рис. 2) отличаются моноблочной конструкцией, полностью собираемой и регулируемой до установки в комплектное устройство, В ранее выпускавшихся реле неподвижная часть магнитопровода выполнялась из двух деталей - скобы и сердечника. На стыке между деталями всегда оставался паразитный воздушный зазор. В современной конструкции неподвижная часть магнитопровода (сердечник) представляет собой одну деталь, изогнутую в виде буквы II. Паразитный зазор отсутствует. В данном случае при той же МДС в магнитопровода получается больший поток. В итоге у реле тех же габаритов выдержка времени возрастает Реле строятся на выдержку времени до 10 с.