Исследование биполярного транзистора (работа 2)
Лабораторная работа 2
Тема: Исследование биполярного транзистора
Цель: Получение входных и выходных характеристик транзистора
Приборы и элементы: биполярный транзистор 2N3904; источник постоянной ЭДС; источник переменной ЭДС; амперметры; вольтметры; осциллограф; резисторы.
Ход работы:
1. Получение выходной характеристики транзистора в схеме с ОЭ.

Рисунок 1. Включение биполярного транзистора по схеме с общим эмиттером
Таблица 1. Результат эксперимента
|
Ек(В) |
|||||||
|
Еб(В) |
Iб(мкА) |
0,1 |
0,5 |
1 |
5 |
10 |
20 |
|
1,66 |
9,341 |
-783,3 |
-1,604 |
-1,612 |
-1,637 |
-1,749 |
-1,901 |
|
2,68 |
19,23 |
-1,656 |
-3,453 |
-3,469 |
-3,595 |
-3,753 |
-4,069 |
|
3,68 |
29,32 |
-2,479 |
-5,209 |
-5,233 |
-5,422 |
-5,657 |
-6,129 |
|
4,68 |
39,02 |
-3,269 |
-6,903 |
-6,934 |
-7,182 |
-7,439 |
-8,115 |
|
5,7 |
49,15 |
-4,042 |
-8,568 |
-8,606 |
-8,914 |
-9,299 |
-10,07 |
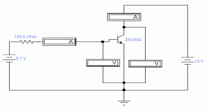
2. Получение входной характеристики транзистора в схеме с ОЭ.
а) На схеме (рис. 2) установить значение напряжения источника Е>к> равным 10 В и провести измерения тока базы i>Б>, напряжения база-эмиттер U6э, тока эмиттера I>Э> для различных значений напряжения источника Eg в соответствии с таблицей 10.2 в разделе "Результаты экспериментов". Обратить внимание, что коллекторный ток примерно равен току в цепи эмиттера.
б) В разделе "Результаты экспериментов" по данным таблицы 10.2 построить график зависимости тока базы от напряжения база-эмиттер.

Рисунок 2
в) Построить схему, изображенную на рис 3. Включить схему. Зарисовать входную характеристику транзистора, соблюдая масштаб, в разделе "Результаты экспериментов".

Рисунок 3
г) По входной характеристике найти сопротивление r>ВХ> при изменении базового тока с 10 µA до 30 µА. Результат записать в раздел "Результаты экспериментов".
Контрольные вопросы
1. Дать определение транзистора.
2. Виды и типы транзисторов.
3. Режимы работы транзисторов.