Исследование системы управления скоростью электропривода с упругим звеном в передаточном механизме
Исходные данные:
|
Режим управления |
Диапазон, отн. ед. |
Тип двигателя |
Тип и величина нагрузки, отн. ед. |
|
|
|
программный |
0,1 … 0,8 |
Д816-150-470 |
вязкое тр.2-ого рода; к=1 |
2 |
10 |
Выполнения работы:
Основные технические характеристики двигателя Д816-150-470:







примечание:
двигатель в данном номинальном режиме используется вместе со стабилизирующей обмоткой.
Расчёт необходимых для синтеза и экспериментирования данных:
а) Электромеханическая часть:









Учитывая диапазон регулирования:


б) Двухмассовая часть:


Учитывая, что для
вязкого трения 2-ого рода зависимость
от
нелинейная, линеаризуем её в рабочем
диапазоне скоростей:
;



Синтез модального регулятора:
Система дифференциальных уравнений объекта регулирования:

Выберем вектор переменных состояний:
,
отсюда имеем:

Сделаем подстановку:




Решая данную систему дифференциальных:

откуда характеристический полином системы:






Нормируем
характеристический полином, выбирая


где





Для отработки программного задания настроим данную систему на модульный оптимум.
Зададимся:

.



Решая данную систему с помощью комплекса MATCAD 2001., находим коэффициенты обратных связей по переменным состояния:



Определим
:

Определим зависимость частоты вращения двигателя от напряжения задания:

Определим зависимость идеальной скорости холостого хода от задания:

Для границ диапазона регулирования имеем:


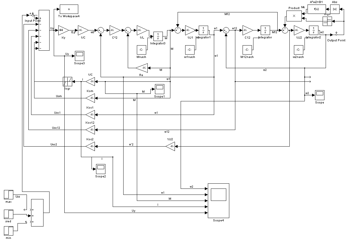
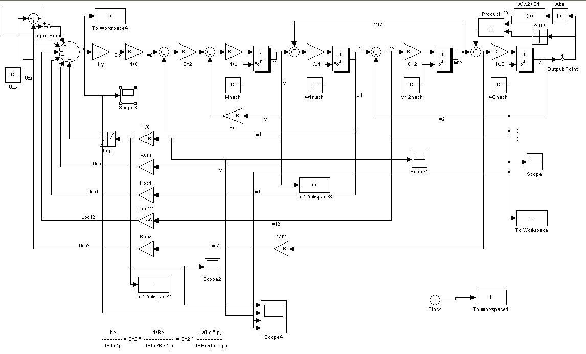
Выполним моделирование электропривода постоянного тока с управляемым преобразователем в цепи якоря и упругой механической частью.
Модель объекта управления с модальным регулятором в среде MATLAB 6.1.:

Результаты моделирования:
Пуск до

П
уск
до

Результаты моделирования:
П
уск
до













Пуск
до














Проверка
отработки задания
,
















,
Гц