Проект оптимизации сводных показателей машиностроительного цеха
АННОТАЦИЯ
В данном дипломном проекте разрабатывается проект оптимизации сводных показателей машиностроительного цеха.
Актуальность проекта заключается в получении наглядной формы отображения применения передового метода производства – поточного. Используя начальные данные и формулы, был производен расчет нужных значений с использованием для дальнейшего расчета.
ANNOTATION
The SUMMARY In the given degree project is developed the project of optimisation of summary indicators of machine-building shop.
The project urgency consists in reception of the evident form of display of application of the advanced method of manufacture – line. Using the initial data and formulas, was производен calculation of the necessary values with use for the further calculation.
Введение
Осуществление специализации и кооперирования производства создает предпосылки для внедрения передовых методов организации производства.
Выбор предприятием на некоторый период времени стратегии процесса производства одного или нескольких изделий (составных частей изделий), ориентированный на продукт, дает ему возможность строить процессы, в полной мере отвечающие принципам рациональной организации производства. Речь идет об обеспечении непрерывного, прямоточного, ритмичного прохождения материальных потоков.
Современные методы организации производства можно разделить на три основных вида: поточные, партионные и единичные. Из них наиболее прогрессивными являются поточные методы. Поточные методы организации производства получили большое распространение в различных отраслях промышленности: в машиностроении и металлообработке, в металлургии, химии, обувной и пищевой промышленности, в деревообработке и промышленности стройматериалов, в швейном производстве и ряде других отраслей. Чрезвычайно разнообразны и производственные условия применения потоков. Они имеют место в массовом, серийном и даже индивидуальном производстве (в судостроении, турбостроении), в условиях непрерывных и прерывных процессов производства.
Поточное производство обладает характерными чертами передовой организации производства – специализацией участков и рабочих мест, ограниченной номенклатурой изготовляемой продукции, пропорциональностью производственных мощностей, ритмичностью и непрерывностью.
В сочетании с широким применением специализированного оборудования, комплексной механизацией и автоматизацией ручных работ поточные методы обеспечивают повышение производительности труда, увеличение выпуска, улучшение качества и снижение себестоимости продукции. В настоящее время на предприятиях, применяющих поточные методы, производится основная масса промышленной продукции.
Цель данной работы – оптимизация сводных показателей машиностроительного цеха.
Структура дипломной работы отражает цели, задачи, логику исследования и построена следующим образом: введение, пять взаимосвязанных глав, заключение, список использованной литературы.
ГЛАВА 1. ПОТОЧНЫЕ ЛИНИИ И ИХ КАЛЕНДАРНО ПЛАНОВЫЕ НОРМАТИВЫ
1.1 Сущность и характеристика поточного производства
Поточным производством называется такая форма организации процессов, которая характеризуется ритмичной повторяемостью согласованных во времени операций, выполняемых на специализированных рабочих листах, расположенных последовательно по ходу производственного процесса.
Производство, организованное по поточному методу, характеризуется рядом признаков: детальное расчленение процессов производства на составные части — операции и закрепление каждой операции за определенным рабочим местом; прямоточное с наименьшими разрывами расположение рабочих мест; поштучная (или небольшими транспортными партиями) передача деталей с одного рабочего места на другое; синхронизация длительности операций; использование для передачи деталей с одного рабочего места на другое специальных транспортных средств.
Первичным звеном поточного производства является поточная линия — группа рабочих мест, на которых производственный процесс осуществляется в соответствии с характерными признаками поточного производства.
1.2 Специфика многопредметных прерывных поточных линий(МППЛ)
По степени непрерывности процесса производства различают непрерывно-поточные и переменно-поточные линии. На непрерывно-поточных линиях операции равны или кратны ритму, т. е. синхронизированы во времени.
На переменно-поточных (прямоточных) линиях нормы времени по операциям не равны и не кратны ритму. Они встречаются в обрабатывающих цехах, где из-за разности производительности и оснащения возможности синхронизации ограничены. Оборудование на таких линиях расставлено по ходу технологического процесса, но транспортные устройства не являются регуляторами темпа работы.
Прерывно-поточные линии наиболее часто организуются в механических цехах, где добиться равенства или кратности такту норм времени по операциям невозможно. Особенностью расчетов прерывно-поточной линии является необходимость определения периода оборота, размеров межоперационных заделов, определения регламента работы рабочих на основании анализа загрузки рабочих мест и составления стандарт-плана (графика работы) линии.
1.3 Расчет календарно-плановых нормативов в МППЛ с последовательно-партийным чередованием объектов
МППЛ применяют в серийном производстве, главным образом в заготовительных и обрабатывающих цехах предприятий.
Организационные формы МППЛ весьма разнообразны. Наиболее распространенными являются МППЛ с последовательно-партийным чередованием изделий (переменно-поточные линии). При организации таких линий период производства партий изделий i-го наименования расчленяют на несколько периодов оборота линий, в каждый из которых изготавливается только один объект производства.
Для всех объектов в данном случае устанавливают:
- одинаковый средний такт и частные ритмы выпуска партий изделий;
- частные такты и частные ритмы;
- одинаковый такт и частные ритмы.
Число рабочих мест (станков) для всех объектов производства может быть как одинаковым, так и различным. За рабочим местом закрепляют одну или несколько операций каждого объекта производства. Состав операций технологического процесса для всех объектов производства может быть одинаковым, а может быть и различным по нескольким операциям. Последовательность операций технологического процесса для всех объектов производства остается прямоточной.
Нормы штучного времени могут быть одинаковыми, различными по нескольким общим операциям, различными по всем общим операциям (причем различие по всем общим операциям одностороннее (либо все увеличиваются, либо все уменьшаются) и двустороннее), а также различными по одной общей операции.
Технологическое оснащение: разное для различных объектов производства, требующее переналадки; одинаковое или разное по отдельным объектам производства, требующее или не требующее переналадки.
Для МППЛ с последовательно-партийным запуском предметов труда, как правило, имеют место типовой технологический процесс с одинаковой последовательностью операций, унифицированное технологическое оснащение по однотипным операциям, поштучная передача деталей (изделий) от операции к операции и цепное расположение оборудования (рабочих мест).
Организация работы МППЛ основывается на расчете двух групп календарно-плановых нормативов.
К первой группе КПН относятся:
-
частный такт (ритм) выпуска изделия j-го
наименования (
),
мин/шт., или (
),
мин/партию;
-
число станков (рабочих мест) по каждой
j-й
операции, по все номенклатуре предметов
труда, объединенных на поточной линии
(
)
Ко второй группе КПН относятся:
-
размер партии изделий (деталей) j-го
наименования (
);
-
периодичность (ритмичность) чередования
партий изделий (деталей) j-го
наименования (
);
-
длительность производственного цикла
обработки партии деталей j-го
наименования (
).
1.3.1 Расчет первой группы календарно-плановых нормативов
Заданием на разработку МППЛ предусмотрен выпуск изделий, имеющих одинаковый (или различный по небольшому количеству) состав операций технологического процесса, при этом сохраняется прямоточность по всем объектам, но детали различных наименований имеют различные нормы штучного времени по всем (или большинству) операциям обработки, технологическое оснащение различное, требуется переналадка оборудования.
В
этом случае изготовление всех изделий
j-го
наименования ведется с частными тактами
и одинаковым количеством рабочих мест,
т.е
=
var,
=
const
.
Частный такт по каждому j-му наименованию продукции определяется по формуле
(1.1)
где
— суммарная трудоемкость обработки
изделия (узла, детали) j-го
наименования с учетом
,
мин.
Количество рабочих мест (станков), необходимых для выполнения каждой i-й операции, определяют по формуле (1.2).
(1.2)
где
— норма штучного времени i-й
операции изделия (детали, узла) для j-го
наименования, мин;
— коэффициент
выполнения норм времени на i-й
операции.
Общее количество рабочих мест на линии определяют по формуле
(1.3)
Коэффициент загрузки оборудования во всех случаях определяют по формуле
(1.6)
где
и
—
соответственно расчетное и принятое
количество единиц оборудования (рабочих
мест).
1.3.2 Расчет второй группы календарно-плановых нормативов
При
определении размера партии изделий
j-го
наименования (
)
на МППЛ должно соблюдаться условие
(1.7)
Желательно, чтобы это отношение было целым числом. Количество изделий, выпускаемых поточной линией за период оборота, определяют по формуле
(1.8)
где
— суммарная занятость поточной линии
изготовлением изделий (деталей) j-го
наименования по всем партиям в плановом
периоде, смен;
—
период
оборота линии при изготовлении деталей
j-го
наименования, смен.
При периоде оборота линии, равном одной смене,
(1.9)
или..
,
и т.д.
Суммарную занятость поточной линии изделиями (деталями)_j-го наименования в плановом периоде устанавливают по формуле
(1.10)
или
,
и тд.
Периодичность чередования партии изделий (деталей) j-го наименования в соответствии с выбранной партией определяется по формуле
(1.11)
или
,
и тд.,
где
— эффективный фонд времени работы
линии, дней.
Длительность производственного цикла (занятость МППЛ обработкой партии изделий j-го наименования) определяют по формуле
(1.12)
или
смен.
Виды транспортных средств для межоперационного и межцехового перемещения изделий выбирают так же, как и для ОППЛ.
Стандарт-план МППЛ строится на период, равный наибольшему периоду чередования, но не более чем на один месяц.
Стандарт-план МППЛ должен отражать:
- чередование изделий на линии;
- время занятости линии изготовлением каждого изделия j-го наименования;
- режим работы линии в периоды, когда она работает со свои частными тактами при изготовлении изделий j-го наименования.
Кроме того, строится т графиков стандарт-планов ОППЛ на период оборота линии, так как когда обрабатывается одно изделие, МППЛ работает как ОППЛ. Другими словами, необходимо построить графики работы линии, графики регламентации труда, рассчитать межоперационные оборотные заделы по каждому j-му наименованию изделий. Если т < 3, то графики строят по всем наименованиям изделий, а если т > 3 то графики стандарт-планов строят только для ведущих изделий (деталей), количество которых не должно превышать 3
Исходными данными для построения стандарт- плана МППЛ являются:
-
месячная (годовая) программа каждого
j-го
наименования изделия (
),
шт.;
-
программа каждого j-го
наименования изделия за период оборота
линии (
)
, шт.;
-
период оборота линии (
),
смен;
- технологический процесс по изготовлению изделий каждого j-го наименования и нормы времени по выполнению каждой i-й операции.
Методика построения стандарт- плана МППЛ с последовательно-партийным чередованием аналогична методике построения стандарт- плана МНПЛ, а методика построения графиков стандарт- планов по каждому j -му наименованию изделия аналогична методике построения стандарт- плана для ОППЛ.
В качестве примера рассмотрим третий вариант расчета первой группы КПН и первую форму смены объектов производства при расчете второй группы КПН.
В механообрабатывающем цехе на МППЛ (переменно-поточной) обрабатываются детали трех наименований : А, Б и В. Месячная программа выпуска деталей каждого наименования: А — 1800, Б— 2400, В — 3600 шт. Нормы времени выполнения каждой операции соответственно составляют (мин):
Таблица 1.1. Нормы времени выполнения операций
|
Деталь |
А |
Б |
В |
|
|
3,1 |
3,2 |
6.25 |
|
|
3,0, |
3.1 |
5.70 |
|
|
3,2 |
3,1 |
4.75 |
|
|
3.0 |
2,9 |
6,15 |
|
|
- |
- |
3,5 |
Режим
работы линии — двухсменный. Продолжительность
рабочей смены — 8 ч. В месяце 20 рабочих
дней. Потери времени на плановые ремонты
составляют 9% номинального фонда времени,
на переналадку единицы оборудования
(
)
— 20 мин. Рассчитаем КПН первой и второй
групп и построим стандарт-план МППЛ.
1. Определяем суммарную трудоемкость по изделиям, обрабатываемым на МППЛ:
=
3,1 + 3,0 + 3,2 + 3.0 = 12.3 мин;
=
3.2 + 3,1 +3,1 +2,9= 12.3 мин;
=
6,25 + 5,70 + 4,75 + 6,15 = 22.85 мин.
С учетом пятой операции
=
6,25 + 5,70 + 4,75 + 6,15 + 3,5 = 26,35 мин.
2. Определяем частные такты по каждому j-му наименованию деталей:
мин/шт.;
мин/шт.;
мин/шт.;
3. Определяем количество рабочих мест, необходимых д: выполнения каждой 1-й операции:

(принимаем
=2)

(принимаем
=2)

(принимаем
=2)

(принимаем
=2)

(применением
=1)
4. Определяем коэффициент загрузки оборудования МППЛ:

5. Определяем размер партии деталей j-го наименования формула

Где
-
допустимый процент потерь времени на
простои рабочих мест при смене партий
предметов на линии (
=2-8%);
-
средняя длительность простоя рабочего
места при переналадке линии, мин.
(принимаем
=
900 шт.);
(принимаем
= 600 шт.);
(принимаем
= 900 шт.).
10. Определяем периодичность чередования партий деталей j -го наименования:
дней;
дней;
дней.
Наиболее общими признаками организации поточного производства являются:
1. Изготовление на поточной линии одного или нескольких наименований изделий, близких между собой по конструктивным особенностям, технологии изготовления и габаритам.
2. Расчленение процесса производства на равные или кратные по трудоемкости операции и установление целесообразной их последовательности. Такое расчленение и синхронизация операций служат предпосылкой непрерывности — одного из признаков передовой организации производства.
3. Закрепление операций за определенными рабочими местами и цепочное расположение последних по ходу технологического процесса в виде поточной линии. Это расположение обеспечивает наиболее короткий путь прохождения обрабатываемого предмета труда и возможность применения межоперационного транспорта постоянного направления.
4. Оснащение рабочих мест поточной линии специальным оборудованием, инструментом и приспособлениями, обеспечивающими высокопроизводительное выполнение закрепленных операций.
5. Одновременное выполнение операций на всех или на большинстве рабочих мест. Этим обеспечивается параллельность — один из основных признаков передовой организации производства.
6. Наличие специального межоперационного транспорта, который перемещает обрабатываемую продукцию и поддерживает заданный ритм производства. На непрерывно-поточных линиях с принудительным ритмом функции перемещения полуфабрикатов выполняют конвейеры.
Основным звеном поточного производства является проточная линия, под которой понимается совокупность рабочих мест, расположенных в последовательности технологического процесса и предназначенных для выполнения определенных, закрепленных за ними операций.)
ГЛАВА 2. РАСЧЕТ ТЕХНИКО-ЭКОНОМИЧЕСКИХ ПОКАЗАТЕЛЕЙ МЕХАНИЧЕСКОГО УЧАСТКА
2.1 Калькулирование продукции
Перечень статей калькуляции, их состав и методы распределения по видам продукции, работ, услуг определяются отраслевыми методическими рекомендациями по вопросам планирования, учета и калькулирования себестоимости продукции (работ, услуг) с учетом характера и структуры производства.
Калькуляционные статьи затрат включают:
1.Материальные затраты на сырье и материалы (за вычетом стоимости отходов).
2.Заработная плата основная и дополнительная производственных рабочих.
3.Отчисления на социальное страхование с заработной платы основной и дополнительной производственных рабочих в размере 26%- единый соцналог.
4.Общецеховые расходы, куда включить:
4.1.Основная и дополнительная зарплата административно- управленческого персонала и вспомогательных рабочих.
4.2.Отчисления в с зарплаты (единый соцналог -26%).
4.3.Расходы на амортизацию основных фондов (здание, оборудование и т.п.)
4.4.Расходы на ремонт и содержание здания и оборудования.
4.5.Затраты на энергоносители.
5.Потери от брака.
Указанные 4 статьи затрат должны образовать цеховую себестоимость. Цеховая себестоимость плюс общезаводские расходы и потери от брака должны составить производственную себестоимость. Производственная себестоимость с общезаводскими расходами и накоплениями- прибылью должны образовать полную себестоимость продукции .Для формирования отпускной розничной цены к полной себестоимости необходимо добавить налог на добавленную стоимость (НДС)-18%.
2.2 Расчет затрат по статье «Сырье, материалы за вычетом реализуемых отходов»
Затраты по данной статье рассчитывают по формуле
(2.1.)
Где
—
норма расхода материала изделия j-го
наименования в единицах измерения
(килограмм, метр, квадратный метр и
т.д.);
,
—
соответственно цены единицы материала
j-го
вида и отходов j-ого
вида, руб;
— коэффициент,
учитывающий транспортно-заготовительные
расходы при приобретении и доставке
материалов (можно принять в размере 5%
цены приобретения).
— количество
реализуемого отхода материала j-го
наименования в принятых единицах
измерения;
Поскольку в эту статью включаются затраты на все материальные ценности (основные и вспомогательные материалы), расчет рекомендуется вести в табличной форме — аналогичную табл. 5.1.
Для упрощения расчетов транспортно-заготовительные расходы можно определить по всей сумме затрат на сырье и материалы, а сумму реализуемых отходов принять условно 1,0% стоимости материалов с учетом транспортно-заготовительных расходов по образцу таблицы 2.1.
Таблица 2.1 Расчет затрат на основные материалы деталей j-го наименования
|
Расчетные показатели |
Единица измерения |
Номенклатура деталей |
||
|
А |
Б |
В |
||
|
1. Программа выпуска |
шт. |
|||
|
2. Наименование материала |
- |
|||
|
3. Норма расхода на деталь |
кг |
|||
|
4. Чистый вес детали |
кг |
|||
|
5. Отходы на одну деталь |
кг |
|||
|
6. Расход материала на месячную программу |
кг |
|||
|
7. Отходы на программу |
руб. |
|||
|
8. Оптовая цена 1 кг металла |
руб. |
|||
|
9. Оптовая цена 1 кг отходов |
руб. |
|||
|
10. Затраты на материалы на месячную программу с учетом транспортно-заготовительных расходов (х 1,05), |
руб. |
|||
|
11. Стоимость реализуемых отходов |
руб. |
|||
|
12. Затраты на материалы за вычетом реализуемых отходов |
руб. |
|||
|
13. Затраты на материалы на одну деталь |
руб. |
2.3 Расчет списочного состава основных и вспомогательных рабочих
Весь персонал цеха может быть поделен на три основные группы:
рабочие основных профессий;
вспомогательные рабочие;
линейные руководители и функциональные специалисты.
А) Списочный состав рабочих основных профессий можно определить исходя из:
принятого количества станков в цехе,
действительного фонда времени работы оборудования,
режима работы цеха,
действительного фонда времени одного рабочего:
Расчет провести по формуле:
,
(2.2.)
где
-списочный
состав рабочих основных профессий
-
действительный годовой фонд времени
работы одного рабочего-станочника, ч
(Принять в расчетах 1620 часов).
-
коэффициент загрузки станка;
– средний
коэффициент выполнения норм времени.
– коэффициент
многостаночного обслуживания (учитывает
возможность совмещения обслуживания
нескольких станков одним рабочим).
Рекомендуемая
величина
зависит
от типа производства и составляет:
для массового и крупносерийного типа производства- 1,5-1,8;
для серийного типа производства – 1,3-1,5;
для единичного типа производства – 1,1-1,2.
Число рабочих по каждой профессии и квалификации, рассчитанное по формуле, подлежит корректировке с учетом конкретных производственных условий: организации труда и профессии рабочих, загрузки по конкретным операциям
Б) Списочный состав вспомогательных рабочих можно определить помощью данных табл. 2.2
Таблица 2.2. Нормативы расчета списочной численности персонала
|
Категория работников |
База расчета |
Норматив, % |
|
Вспомогательные рабочие |
Число рабочих основных профессий |
16-25 |
|
Линейные руководители и функциональные специалисты |
Общее количество рабочих |
10-13 |
Уточняются, после построения организационной структуры управления цехом.
К категории вспомогательных рабочих относятся: контролеры, слесари по ремонту оборудования (механической и энергетической части), транспортные рабочие, уборщики производственных помещений.
Число контролеров (Чкон) укрупненно можно определить:
при серийном типе производства 4-6 % от численности основных рабочих
при массовом типе производства 10-15 % от численности основных рабочих.
Численность слесарей по ремонту оборудования можно рассчитать по формуле
,
(2.3)
Где Чслр – численность слесарей по ремонту оборудования
– суммарная
трудоемкость ремонтных работ по нормам
ППР н/ч связанных с ремонтом механической
части оборудования, рассчитываем как
65% от времени простоя оборудования Ррем
Fэр – эффективный фонд работы ремонтников (принять Fэр = Fд по балансу)
КВ – средний коэффициент выполнения норм времени (взять1,0)
Численность электромонтеров по ремонту оборудования можно рассчитать по формуле
,
(2.4)
Где Чэл – численность электромонтеров по ремонту оборудования
– суммарная
трудоемкость ремонтных работ по нормам
ППР н/ч связанных с ремонтом электрической
части оборудования, рассчитываем как
35% от времени простоя оборудования Ррем
.
Fэр – эффективный фонд работы ремонтников (принять Fэр = Fд по балансу )
КВ – средний коэффициент выполнения норм времени
Транспортных рабочих условно примем 1 человек на смену
Уборщики производственных помещений условно примем 1 человек на смену
При выполнении курсовой работы рекомендуется брать вспомогательных рабочих следующих разрядов:
-наладчиков оборудования — V, VI разряда;
-настройщиков инструмента — V, VI разряда;
-сборщиков приспособлений — V разряда;
-транспортных рабочих — III разряда;
-слесарей по ремонту и обслуживанию оборудования и электрослесарей — IV, V разряда;
-станочников по ремонту и обслуживанию оборудования — V, VI разряда;
-прочих ремонтных и обслуживающих оборудование рабочих — III, IV разряда;
-контролеров — V, VI разряда.
Состав и количество работников определяется сложностью и номенклатурой производимых изделий качеством технологической документации, составом и состоянием используемого оборудования, количеством персонала.
Линейных руководителей и функциональных специалистов должно быть не выше 10% от общего числа работающих на участке.
Д) Линейные руководители основного производства
-начальник участка (может быть при 2 и более мастеров)
-мастер (по нормам управляемости)
2.4 Расчет фонда заработной платы
Расчет фонда заработной платы основных рабочих
Расчет фонда заработной платы основных рабочих по операции рассчитывается по формуле:
(2.5)
Где
– основная заработная плата производственных
рабочих;
–
штучное время
i-той операции;
–
средняя
часовая зарплата основных рабочих по
тарифу, занятых при выполнении i-той
операции;
Часовые тарифные ставки разрабатываются для всех профессий по разрядам с учетом квалификации работ, наличия вредных условий труда по тарифным сеткам, согласованным с профсоюзом табл.2.4.
Таблица 2.4. Часовые тарифные ставки для рабочих предприятий машиностроения
|
Разряд работы |
Часовая тарифная ставка для повременщиков (вспомогательных рабочих), руб |
Часовая тарифная став для сдельщиков, у.е. |
|
1 |
30 |
35 |
|
2 |
35 |
40 |
|
3 |
40 |
45 |
|
4 |
45 |
50 |
|
5 |
50 |
55 |
|
6 |
55 |
60 |
При выполнении производственной программы в срок, соответствия требованиям по качеству продукции, соблюдения правил внутреннего трудового распорядка и техники безопасности предусматривается премия в размере, утвержденного на предприятии «положение о премировании». Для расчета размер премии принять 50% от основной зарплаты.
Фонд дополнительной зарплаты включает в себя средства для оплаты основных и дополнительных отпусков, учебных отпусков, доплаты за работу в ночное время прочих выплат, гарантированных законодательством.
Размер дополнительной зарплаты определяется в % от основной зарплаты, определяемой на основе планового баланса рабочего времени.
При проведении предварительных расчетов принимают размер дополнительной зарплаты 12,5% от суммы основной зарплаты.
Оклад начальника участка (мастера) принять от средней зарплаты основных рабочих с повышающим коэффициентом 1,5 плюс премия 40%.
Оклад уборщика принять по 1 разряду для вспомогательных рабочих.
В расчетах фонд зарплаты вспомогательных рабочих не должен превышать 25% от фонда зарплаты основных рабочих:
2.5 Расчет затрат по статье «Отчисления в единый социальный налог»
Отчисления в фонд социальной защиты населения производятся со всех сумм, выплаченных работающим в размере установленного норматива (Нс.з =26%). Расчет этого показателя производится по формуле
.
(2.6)
Расчет производится для каждого j-го наименования изделий при помощи пересчетных коэффициентов, результаты заносят в таблицу.
2.6 Расчет стоимости и объема амортизации основных средств
К основным средствам относятся средства труда, которые участвуют в производстве длительный период времени, сохраняя свою натурально-вещественную форму. По мере износа объектов основных средств их стоимость частями постоянно переносят на стоимость изготавливаемой продукции. К объектам основных средств, в частности, относятся:
- здание с производственными и бытовыми помещениями;
- технологическое оборудование и рабочие машины, с помощью которых изменяются форма и свойства предметов труда;
- энергетическое оборудование (трансформаторы, электромоторы и т.п.);
- транспортные средства всех видов (автомобили, электрокары, конвейеры, краны всех видов и т.п.);
- измерительные и регулирующие приборы и устройства, предназначенные для измерения, регулирования и контроля различных параметров изделий;
- дорогостоящий инструмент и приспособления со сроком службы более одного года;
- производственный и хозяйственный инвентарь (верстаки, конвейеры, предметы противопожарного назначения) со сроком службы более одного года.
Определение производственной площади участка
Производственная площадь определяется, исходя из удельной площади, занимаемой единицей оборудования и количества единиц оборудования. При определении удельной площади, занимаемой оборудованием, имеется в виду площадь, занимаемая собственно оборудованием, площадь, необходимая для рабочего, проходов ,проездов стеллажей, накопительных площадок.
,
(2.7)
Где
– общее количество оборудования
–
удельная
площадь единицы оборудования
Удельная площадь единицы оборудования рассчитывается по формуле
,
(2.8)
Где
-
удельная площадь i-единицы оборудования
– производственная
площадь, занимаемая единицей оборудования,
м2;
– коэффициент,
учитывающий дополнительную площадь,
приходящуюся на оборудование;
Производственная
площадь
,
занимаемая отдельной единицей оборудования
или рабочим местом, определяется по
справочникам, каталогам, прейскурантам
на оборудование или компоновку.
Коэффициент
учитывает площадь, добавляемую по всему
периметру зоны, обеспечивающую достаточный
разрыв с соседним оборудованием в
соответствии с нормами техники
безопасности и удобством эксплуатации,
а также дополнительную площадь, которая
включает проходы, проезды, служебные и
бытовые помещения. Для металлорежущего
оборудования площадью до 2м2
коэффициент
-
4,0,
от 2м2
до
4 м2
коэффициент
– 3,5,
от 4 м2
до 8м2
коэффициент
–
3,0
Примем высоту помещения цеха от пола до фермы –5м (без крановой нагрузки).
В случае приближенных расчетов (если в процессе расчетов нет возможности найти необходимую нормативную документацию на выбранное оборудование) производственную площадь можно рассчитать исходя из удельных площадей, занятых одним станком (рабочим местом).
Площадь вспомогательных, бытовых и административных помещений принять в размере 30% от производственной площади участка.
Расчет затрат на технологическое оборудование и транспортные средства
Затраты на транспортные средства и технологическое оборудование определяют исходя из оптовой цены единицы транспортного средства и количества единиц транспортных средств и оборудования данной модели . Цены на оборудование устанавливают по прейскурантам. К прейскурантной цене плюсуют затраты на упаковку, транспортировку, монтаж (УТМ) и пусконаладочные работы (эти затраты можно принять равными 10% цены оборудования).
Примечание. Расчет стоимости конвейера производится исходя из его рабочей длины и стоимости одного погонного метра пролетной части.
Расчет общей стоимости основных производственных фондов и амортизационных начислений
Балансовую (первоначальную) среднегодовую стоимость основных производственных фондов принимают равной их первоначальной стоимости на момент расчета (начало или конец или нового периода).
Сумму амортизационных отчислений по каждой видовой группы основных производственных фондов (Р>а.>>j>) определяют по формуле
Р>а.>>j>>
>=
,
(2.9)
Где
- балансовая первоначальная среднегодовая
стоимость основных производственных
фондов j-й
видовой группы, у.е.;
-
норма амортизации основных производственных
фондов j-й
видовой группы на полное восстановление,
% в год;
12 - число месяцев в году
Расчет затрат на комплект дорогостоящей оснастки, УСПО и инструмента
Затраты на дорогостоящую оснастку, УСПО, инструмент (первоначальный фонд) принимают в размере 10% балансовой стоимости технологического оборудования
Расчет затрат на измерительные и регулирующие приборы
При механической обработке деталей используется много различной измерительной техники, регулирующих устройств и систем контроля за состоянием режущего инструмента. В каждом отдельном случае выбирают необходимую номенклатуру и в соответствии с прейскурантом определяют ее оптовую цену. В укрупненных расчетах затраты на все виды оснащения можно принять в размере 2,0% оптовой цены оборудования
Расчет затрат на энергетическое оборудование
Затраты на силовое энергетическое оборудование (электрогенераторы, электрические кабели, трансформаторы электрические и др.) его монтаж, упаковку и транспортировку при укрупненных расчетах определяют исходя из норматива 2000 руб. на 1 кВт установленной мощности технологического и транспортного оборудования.
2.7 Расчет затрат по статье «Амортизационные отчисления основных производственных фондов»
Сумму амортизационных отчислений определяют исходя из балансовой (первоначальной) стоимости основных производственных фондов и норм амортизации. Расчет амортизации (Ра), включаемой в себестоимость единицы продукции j-го наименования, производится по формуле
,
(2.10)
где
- сумма амортизационных отчислений по
всем видовым группам основных
производственных фондов ,руб.;
12 - число месяцев в году, если программа выпуска продукции задана на месяц.
2.8 Расчет электроэнергии, потребляемой оборудованием и транспортными средствами
Для расчета установленной мощности (Р>уст>), потребляемой всеми видами оборудования и транспортными средствами, используют таблицу 2.5
Таблица 2.5 Расчет установленной мощности, потребляемой оборудованием и транспортными средствами
|
Наименование оборудования |
Модель (марка) |
Количество единиц |
Установленная мощность, кВт |
|
|
единицы |
принятого |
|||
|
1. Токарно-винторезный станок |
1К62 |
1 |
11,0 |
11,0 |
|
И т.д. |
||||
|
Электрокар или конвейер |
ЗП201 |
1 |
3,5 |
3,5 |
|
Итого |
13 |
29.9 |
2.9 Расчет себестоимости и цены единицы продукции
Поскольку все затраты, включаемые в себестоимость единицы продукции, различны по своему составу, их необходимо классифицировать по определенным статьям расходов. Каждая статья расходов указывает целевое назначение затрат и их связь с процессом производства. Калькуляционные статьи затрат значительно приближены к экономическим элементам сметы затрат на производство. По приведенным статьям затрат рассчитывают цеховую и С>ц.> полную себестоимость единицы продукции (С>п>), а также отпускную цену предприятия (Ц>n>). Первые три статьи затрат по способу их включения в себестоимость продукции являются прямыми (однородными), их величину определяют на каждую единицу продукции (наименование) прямым расчетом по установленным нормам. Все остальные статьи затрат являются косвенными (комплексными), так как их прямым счетом определить невозможно. Их величины исчисляют по нормативам, установленным по трудоемкости изготавливаемой продукции с помощью пересчетного коэффициента.
2.10 Расчет технико-экономических показателей работы участка с МППЛ
Результаты производственно-хозяйственной деятельности любого производственно-хозяйственного подразделения (предприятия, цеха, участка) оценивают с помощью ряда технико-экономических показателей (ТЭП). Их определение основывается на тщательном экономическом анализе и расчетах, которые дают возможность судить о степени использования материальных, трудовых и финансовых ресурсов подразделения.
Расчет потребности в оборотных средствах
Оборотные средства состоят из оборотных производственных фондов и фондов обращения.
К оборотным производственным фондам относятся производственные запасы (основные и вспомогательные материалы, покупные комплектующие изделия, топливо, тара, запчасти и малоценные быстроизнашивающиеся предметы, малоценный инструмент, инвентарь), незавершенное производство и расходы будущих периодов.
Фонды обращения включают в себя готовую продукцию на складе, денежные средства в расчетах, кассе предприятия и на счетах в банке.
По способу расчета оборотные средства делятся на нормируемые и ненормируемые.
К нормируемым оборотным средствам относятся вес элементы оборотных производственных фондов, а из фондов обращения — готовая продукция, находящаяся на складе.
К ненормируемым оборотным средствам относятся остальные элементы фондов обращения: денежные средства в расчетах, кассе предприятия и на счетах в банке.
В курсовой работе необходимо определить только стоимость нормируемых оборотных средств. Их предлагается установить в размере стоимости материалов, необходимых на три месяца работы участка.
Расчет полной себестоимости планового объема продукции.
Себестоимость товарного выпуска продукции участка за плановый период рассчитывают по формуле
,
(2.11)
где
— полная себестоимость единицы j-го
вида изделия, руб.
Расчет объема реализуемой продукции за плановый период
Продукция участка (цеха) — это продукция, произведенная для реализации на сторону (передачи другому цеху), объем реализуемой продукции определяют по формуле
,
(2.12)
где Тр — продукция участка, оцениваемая в действующих отпускных (свободных) ценах предприятия на плановый период, руб.
— программа
выпуска изделий j-го
наименования по участку на плановый
период, шт.;
—
отпускная
(свободная) цена одного изделия j-го
наименования с учетом НДС. руб./шт.;
Величину НДС принять равным 18%.
Н — номенклатура изготавливаемых изделий на участке на плановый период.
2.11 Расчет уровня рентабельности
Расчет
уровня рентабельности изделия j-го
наименования (
)
производят по формуле
.
(2.13)
Уровень
рентабельности производства (
)
определяют по формуле
,
(2.14)
Где
-прибыль чистая (за вычетом налога 20%),
руб;
-стоимость
производственных фондов, руб
-
размер оборотных средств
Выводы по главе
Используя эту схему вычисления, можно рассчитывать технико-экономические показатели участка с МППЛ при различных режимов работы:
1.1-о,2-ух,3-х сменной работе.
2.с изменением коэффициента загрузки.
3.с изменением коэффициента.
и т.д.
ГЛАВА 3. СПЕЦЧАСТЬ «РАЗРАБОТКА РОБОТОТЕХНИЧЕСКОГО КОМПЛЕКСА»
3.1 Проектирование 3D модели
Выполняем 3D модель в CAD программе Компас версия 8.0

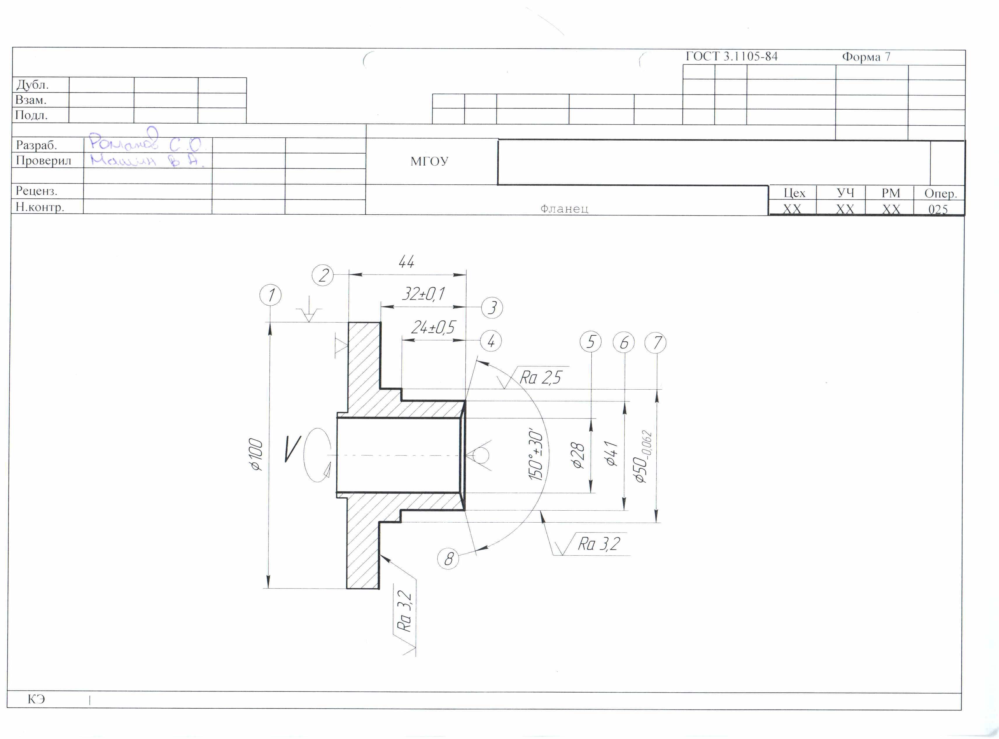
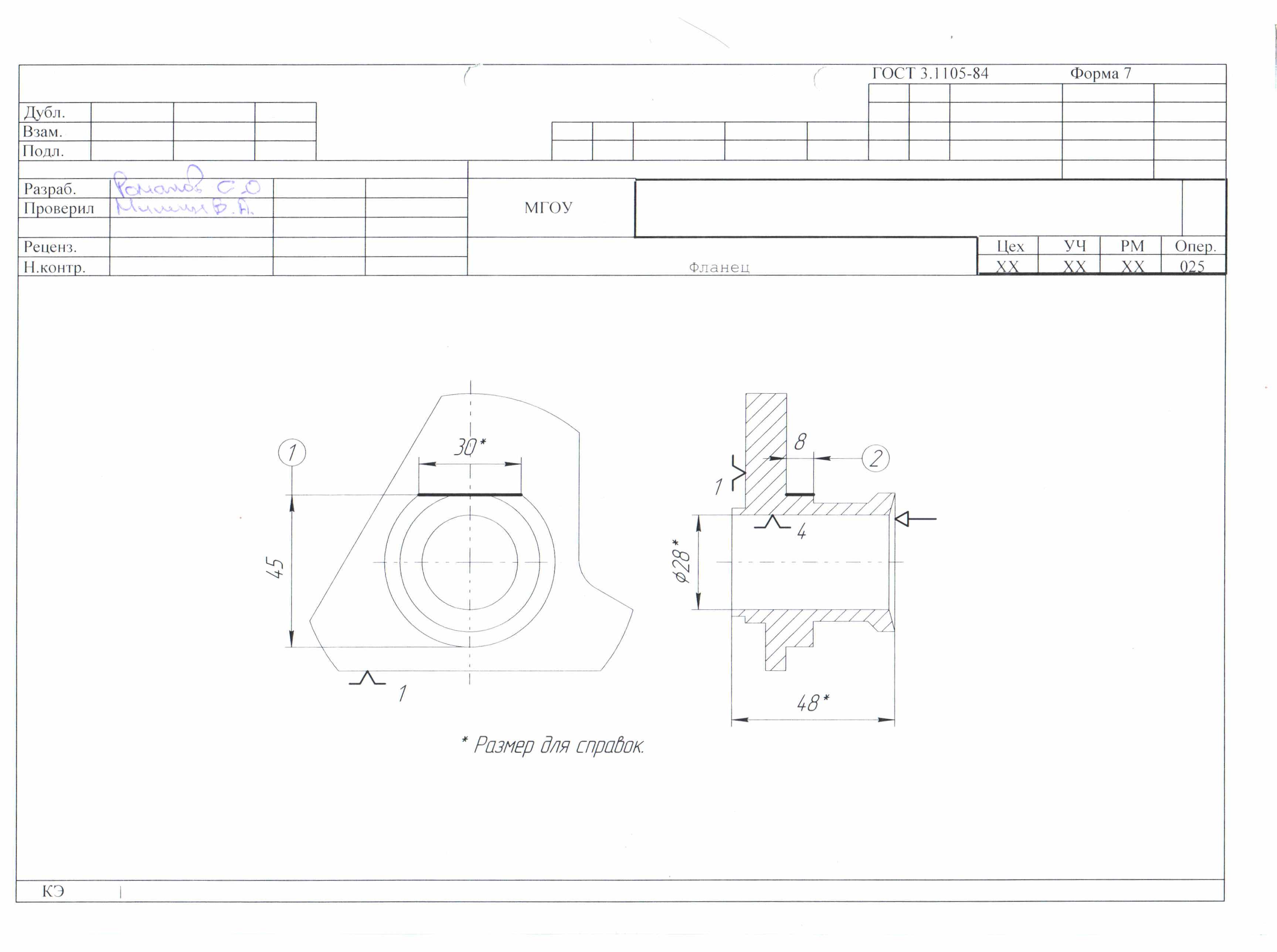
Рисунок 3. 3D модель детали.
Для этого на рабочем поле выбираем плоскость, на котором рисуем осевую линию будущей детали. По размерам чертежа выполняем контур детали. Для завершения операции выполняем команду вращения. Следующий этап построения отверстия. Для этого выбираем плоскость, на которой рисуем окружности по диаметру по размерам с чертежа. Для завершения операции выполняем команду выдавливания. Аналогично выполняем различные уступы и лыски. 3D модель детали готова.
3.2 Разработка рабочего чертежа детали по 3D модели
Для разработки рабочего чертежа в CAD программе «Компас» выбираем опцию создать чертеж. Выбираем формат листа А2, тип ориентации - горизонтальная, масштаб вида 2:1. Выбрав опцию, стандартные виды проецируем 3D деталь на рабочий чертеж. С помощью опции сечение выполняем необходимые сечения и проецируем их на рабочем поле чертежа. Следующие этапы построения чертежа это простановка размеров, шероховатости, допусков расположения поверхностей, заполнения основной надписи и технических требований.
3.3 Расчет режимов резания на токарную операцию с ЧПУ
Назначаем последовательность обработки детали на операции:
1. Точить цилиндрическую поверхность
2. Подрезать торец
3. Точить цилиндрическую поверхность
4. Расточить внутреннюю цилиндрическую поверхность
На станке 16К20Ф3С32 используются резцы с державкой сечением 25х25 мм. Толщина пластины - 6,4 мм.
По приложениям 1 и 5 из условий обработки принимаем марку твердого сплава Т5КI0 - для черновой обработки и Т15К6 - для чистовой обработки.
По приложению 6 выбираем способ крепления пластины – клин прихватом для чистовой обработки - двуплечим прихватом.
По приложению 7 выбираем углы в плане:
φ = 45о; φ>1> = 45о - для обработки поверхностей 1 и 2;
φ = 93о; φ>1> = 32о - для обработки поверхностей 3 и 4;
φ = 90о - для обработки поверхности 5, 6, 7.
Нормативный период стойкости определяем по приложению 13, Т = 30 мин.
Табличные значения подачи и поправочных коэффициентов определяем по карте 3 и заносим в таблицу 3.1.
Окончательно подачу определяем по формуле:
S>o> = S>от> × К>s>>и> × K>sp> × К>s>>д> × K>sh>> >× K>s>>м> × K>s>>у >× K>sn> × К>s>>φ> × K>sj>, мм/об (3.1)
где S>от >- табличное значение подачи, мм/об;
К>s>>и> - поправочный коэффициент в зависимости от инструментального материала;
K>sp> - поправочный коэффициент в зависимости от способа крепления пластины;
К>s>>д> - поправочный коэффициент в зависимости от державки резца;
K>sh>> >- поправочный коэффициент в зависимости от прочности режущей
части;
K>s>>м >- поправочный коэффициент в зависимости от механических свойств обрабатываемого материала;
K>s>>у >- поправочный коэффициент в зависимости от схемы установки заготовки;
Ksn - поправочный коэффициент в зависимости от состояния поверхности заготовки;
Кsφ - поправочный коэффициент в зависимости от геометрических параметров резца;
Ksj - поправочный коэффициент в зависимости от жесткости станка.
Таблица 3.1. Значения режимов резания и коэффициентов
|
Элемент режима резания. |
№ перехода |
||||
|
1 |
2 |
3 |
4 |
||
|
Глубина резания t, мм |
2,2 |
2,2 |
2,0 |
1,8 |
|
|
Диаметр обработки, мм |
41 |
100 |
100 |
28 |
|
|
Табличное Sот мм/об |
0,26 |
0,26 |
0,32 |
0,45 |
|
|
Кsи |
1,15 |
1,15 |
1,15 |
1,15 |
|
|
Ksp |
1 |
1 |
1 |
1 |
|
|
Кsд |
1 |
1 |
1 |
1 |
|
|
Ksh |
1 |
1 |
1 |
1 |
|
|
Ksм |
1,05 |
1,05 |
1,05 |
1,05 |
|
|
Ksу |
1,08 |
1,08 |
1,08 |
1,08 |
|
|
Кsп |
0,85 |
0,85 |
0,85 |
0,85 |
|
|
Кsφ |
1 |
1 |
1 |
1 |
|
|
Ksj |
0,75 |
0,75 |
0,75 |
0,75 |
|
|
Табличное Vт , м/мин |
240 |
240 |
228 |
203 |
|
|
Кvи |
0,85 |
0.85 |
0,85 |
0,85 |
|
|
Кvс |
1 |
1 |
1 |
1 |
|
|
Кvo |
1 |
1 |
1 |
1 |
|
|
Кvj |
0,75 |
0,75 |
0,75 |
0,75 |
|
|
Кvm |
1,1 |
1,1 |
1,1 |
1,1 |
|
|
Кvφ |
1 |
1 |
1 |
1 |
|
|
Kvt |
1 |
1 |
1 |
1 |
|
|
Кvж |
0,75 |
0,75 |
0,75 |
0,75 |
|
|
Мощность N, . кВт |
4,8 |
4,8 |
5,7 |
6,3 |
|
|
KN |
0,85 |
0,85 |
0,85 |
0,85 |
|
|
Принятая So , мм/об |
0,22 |
0,22 |
0,27 |
0,37 |
|
|
Скорость рез.V , м/мин |
126,2 |
126,2 |
119,9 |
106,8 |
|
|
Расчетная n, об/мин |
1313,7 |
1129,2 |
909,3 |
557,4 |
|
|
Фактическая nф, об/мин |
1000 |
1000 |
800 |
500 |
|
|
Фактическая Vф, м/мин |
96,1 |
111,8 |
105,5 |
95,8 |
|
|
Фактическая Nф, кВт |
1,6 |
1,9 |
2,2 |
2,5 |
|
|
Минутная подача SM,мм/мин |
216 |
216 |
213 |
187 |
Рассчитанные подачи для черновой обработки проверяем по осевой Рх
и радиальной Ру составляющим сил резания:
По карте 32 определяем табличные значения сил резания:
для поверхности 1 и 2 - Рх = 1050 Н и Ру = 280 Н
для поверхности 3 и 4 - Рх = 950 Н и Ру = 260 Н
Допустимые значения [Рх] = 8000 Н; [Ру] = 3600 Н, меньше расчетных,
следовательно, обработка возможна.
Табличные значения скорости резания и поправочных коэффициентов
определяем по карте 21 и заносим в таблицу 3.1.
V = Vт × Кvи × Кvс × Кvo × Кvj × Кvm × Кvφ × Kvt × Кvж ,м/мин. (3.2)
где Vт - табличное значение скорости резания;
Кvи - поправочный коэффициент в зависимости от инструментального
материала;
Кvс - поправочный коэффициент в зависимости от группы
обрабатываемости материала;
Кvo - поправочный коэффициент в зависимости от вида обработки;
Кvj - поправочный коэффициент в зависимости от жесткости станка;
Кvm - поправочный коэффициент в зависимости от механических свойств обрабатываемого материала;
Кvφ - поправочный коэффициент в зависимости от геометрических
параметров резца;
Kvt - поправочный коэффициент в зависимости от периода стойкости
режущего инструмента;
Кvж - поправочный коэффициент в зависимости от наличия охлаждающей жидкости.
Определяем частоту вращения шпинделя и результат заносим в таблицу 3.1, об/мин. (3.3)
Так как данный станок оснащен автоматической коробкой скоростей, то принятые значения частот в ращения шпинделя задаются непосредственно в управляющей программе.
Табличные значения мощности и поправочных коэффициентов определяем по карте 21 и заносим в таблицу 3.1.
N=N>T> × K>N >, KBT (3.5)
Проверяем, достаточна ли мощность привода станка.
N>шп> = N>д >× η , KBT (3.6)
где N>д> - мощность двигателя станка, 11 кВт;
η - К.П.д. станка 0,75.
N>шп> = 11> >× 0,75 = 8,25 , KBT
Ни одно из рассчитанных значений не превышает мощность привода главного движения станка. Следовательно, установленный режим резания по мощности осуществим.
Определяем минутную подачу:
S>м> = n>ф >× S>o>> >,мм/мин. (3.7)
Рассчитанные значения заносим в таблицу 3.1.
3.4 Разработка управляющей программы для обработки на станке с ЧПУ

Используем систему ЧПУ для токарных станков 2Р22
%% - начало программы;
001 S3 1000 LF - функция скорости главного движения 3 диапазон
вращения 1000 об/мин;
002 F 216 LF - функция подачи 216 мм/мин;
003 Т1 LF - функция смены инструмента;
004 М08 - функция включения саж
005 Х20,5 Z 5 Е LF - ускоренное перемещение в координату 1;
006 Х20,5 Z -24 LF - рабочее перемещение в координату 2;
007 Х25 Z -24 LF - рабочее перемещение в координату 3;
008 Х25 Z -32 LF - рабочее перемещение в координату 4;
009 Х52 Z -32 LF - рабочее перемещение в координату 5;
010 Х 120 Z20 Е LF - ускоренное перемещение в координату о;
011 Т2 LF - функция смены инструмента;
012 S2 800 LF - функция скорости главного движения 2 диапазон
вращения 800 об/мин;
013 F 213 LF - функция подачи 213 мм/мин;
012 Х21 Z 0 Е LF - ускоренное перемещение в координату 6;
013 Х14 Z -2,5 LF - рабочее перемещение в координату 7;
014 Х 14 Z -50 LF - рабочее перемещение в координату 8;
016 Х 19 Z -50 Е LF - ускоренное перемещение в координату 9;
017 Х 19 Z 5 Е LF - ускоренное перемещение в координату 9;
018 Х 120 Z20 Е LF - ускоренное перемещение в координату 0;
019 М09 - функция отключения СОЖ;
020 М01 - останов с подтверждением.
3.5 Выбор модели промышленного робота
Основным критерием при выборе промышленного робота является его номинальная грузоподъемность, которая равна сумме масс объекта манипулирования и самого схвата:
Q = m>заг> + m>схвата >, (3.8)
Где m>заг >– масса заготовки, кг
m>схвата> – масса схвата , кг
Массу схвата определяем по формуле:
m>схвата> = m>заг> (К>с >× К>n> - 1), (3.9)
Где К>с> – коэффициент, учитывающий массу схвата, 1,3
К>n> - коэффициент, учитывающий тип привода , 1,3(для пневмопривода)
m>схвата> = 1,4 (1,3 × 1,3 - 1) = 0,97 кг
Определяем грузоподъемность робота
Q = m>заг> + m>схвата >= 1,4 + 0,97 = 2,37 кг
Таблица 3.2 Характеристики некоторых промышленных роботов
|
Модель робота |
МА160П |
МП40П.05.01 |
УМ160Ф2.81.01 |
|
Грузоподъемность, кг |
160 |
40 |
160 |
|
Число степеней подвижности |
4 |
5 |
4 |
|
Число рук |
1; 2 |
1 |
1 |
|
Точность позиционирования,мм |
±1,5 |
±1 |
±1,5 |
|
Привод |
Г |
ЭГ |
ЭГ |
|
Наибольшие скорости перемещения ось z - ползуна, м/с ось Х - каретки, м/с α - качение кисти, град/с β - поворот головки, град/с |
0,6 1,2 60 90 |
0,8 0,8 90 90 |
1,8 1,2 30 90 |
|
Габаритные размеры, мм высота, мм длина, мм ширина, мм Масса, кг |
4830 15800 2300 8790 |
3580 1800 1800 3000 |
3850 12000 1640 6500 |
Выбираем промышленный робот типа МП40П.05.01 предназначенного для группового обслуживания оборудования различного технологического назначения, который обладает следующими достоинствами:
- достаточная грузоподъемность;
- достаточное количество степеней подвижности;
- позиционная система управления;
Компоновка РТК (Робототехнического комплекса)

1-Токарный станок 16К20Ф3С32;
2- промышленный робот МП40П.05.000001;
3- устройства управления;
4- тележка;
5-стол;
6- магазин с заготовками.
3.6 Комплект документов на технологический процесс механической обработки






ГЛАВА 4. РАЗРАБОТКА ПРОГРАММЫ ДЛЯ РАСЧЕТА ЭКОНОМИЧЕСКИХ ПОКАЗАТЕЛЕЙ МАШИНОСТРОИТЕЛЬНОГО ЦЕХА
4.1 Формулы, применяемые в алгоритме
В разработке программы и расчетах были использованы следующие формулы:
Эффективный фонд времени работы оборудования за год:
F>эф>
= F>н>.
·
,
(4.1)
Где в = 8% ― простой оборудования в планово-предупредительном ремонте;
Fн ― номинальный фонд времени работы оборудования за год, определяемый по формуле:
F>н.> = ((К>к.д >– К>п.д>) · S-С) · d · 60, (4.2)
Где К>к.д >и К>п.д >― количество календарных, праздничных и выходных дней в году;
S = 2 ― число смен на участке;
С = количество предпраздничных дней;
d = 8 часов ― продолжительность смены.
Расчет потребности основного оборудования по каждому виду работы технологического процесса:
n>с>>i>
=
,
(4.3)
Где К>в.н >― планируемый коэффициент выполнения нормы времени:
, (4.5)
Где К>в.ф >= 1,05 ― фактический коэффициент выполнения нормы времени;
Р = 5% ― планируемый рост производительности труда.
=
1,1. (4.6)
Расчет баланса времени одного рабочего за год представлен в табл. 4.1.
1) Определение потребного количества основных рабочих.
Расчет явочной численности рабочих производится по каждой профессии по формуле:
R>осн>>i>
=
,
(4.7)
где К>м.о >= 1,2 ― коэффициент многостаночного обслуживания.
-
годовая программа
-
штучное время
Таблица 4.1. Баланс времени одного рабочего за год.
|
Состав фонда рабочего времени |
Дни |
Часы |
В % к рабочему времени |
|
1. Календарные дни |
365 |
2920 |
|
|
2. Нерабочие дни |
116 |
928 |
|
|
3. Рабочее время (номинальный фонд времени F>н.р>) |
249 |
1992 |
100 |
|
4. Целодневные невыходы на работу: |
|||
|
а) отпуска (основные и дополнительные) |
15 |
120 |
6 |
|
б) отпуска по беременности и родам |
2,5 |
20 |
1 |
|
в) невыходы по болезни |
10 |
80 |
4 |
|
г) выполнение государственных и общественных обязанностей |
1 |
8 |
0,4 |
|
Итого невыходов: |
28,5 |
228 |
11,4 |
|
5. Явочное рабочее время |
220,5 |
1764 |
|
|
6. Потери внутри рабочего дня: |
|||
|
а) сокращенный рабочий день подростков |
0,75 |
6 |
0,3 |
|
б) перерывы для кормящих матерей |
1,75 |
14 |
0,7 |
|
в) сокращенный рабочий день рабочих с вредными условиями труда |
1,5 |
12 |
0,6 |
|
Итого внутрисменных потерь: |
4 |
32 |
1,6 |
|
7. Эффективный фонд времени (Fэф.р) |
217,5 |
1732 |
Определение потребного количества вспомогательных рабочих
Численность вспомогательных рабочих принимается в размере 40-50% к основным рабочим с распределением их по укрупненным нормативам.
Расчет площади участка включает расчет производственных площадей, контрольных отделений, служебных и бытовых помещений.
Производственная площадь участка:
, (4.8)
где
― количество i-х
станков;
f>ci> ― удельная площадь станка.
k = 1,11,2 – коэффициент, учитывающий проходы и проезды.
Удельная площадь, занимаемая единицей оборудования, м2, для легких станков принимается равной 12 м2, для средних – 25 м2, а для тяжелых – 45 м2 на один станок. Легкие станки – до 10т, средние – от 10 до 100т, тяжелые – свыше 100т.
Площадь бытовых помещений F>б> определяется исходя из числа основных и вспомогательных рабочих, работающих в одну смену. Норматив площади на одного рабочего ― 0,7 м2.
Площадь склада заготовок:
Fс.з
=
, (4.9)
где Q>з> ― годовая масса заготовок:
Q>з> = N>зап> · m>з>; (4.10)
N>зап> – количество заготовок;
m>з> – масса заготовки;
t = 1― норма хранения заготовок и деталей, дней;
Д = 249 ― число рабочих дней в году;
q = 2,5 т/м2 ― грузоподъемность склада;
k = 0,3 ― коэффициент использования площади.
Стоимость зданий и сооружений:
С>зд>
=
·
S>i>
· f>i>
· h
· Ц>зд>
, (4.11)
Где n>ст>>i> ― количество технологического оборудования i-го типоразмера, шт;
S>i> ― удельная площадь, занимаемая i-м станком,( м2/ед);
f>i> ― коэффициент, учитывающий дополнительную площадь, приходящуюся на оборудование i-го типоразмера;
m = количество станков;
h = ― высота помещения;
Ц>зд> ― стоимость 1 м2 производственного здания из ж/б конструкций.
Стоимость оснастки определяется по формуле:
Сосн
=
·
С>i>
, (4.12)
Где n>осн>>i> ― количество единиц оснастки i-го типоразмера, шт;
m ― количество типоразмеров оснастки;
С>i> ― стоимость единицы оснастки i-го типоразмера, руб/ед.
Стоимость дорогостоящего инструмента составляет 10% от стоимости оборудования.
Стоимость основных материалов:
S>о.м >= N>в> · m>д> · Ц>о.м >, (4.13)
Где Ц>о.м> ― цена одного кг металла;
m>д> – масса детали;
N>в> – количество деталей.
Транспортно-заготовительные расходы берутся в размере 4% от стоимости основных материалов.
Отчисление на социальное страхование берется в размере 26 % от основной заработной платы.
Стоимость вспомогательных материалов берется в размере 4% от стоимости основных материалов.
Расчет энергии ведется по формуле:
S>эл>
=
·
n>i>>
>·
К>м>
· К>n>
· Ц>эл>
, (4.14)
Где S>эл> ― стоимость энергии на единицу продукции, руб;
t>шт>>i> ― норма штучного времени на i-ю операцию, н/час;
n>i> ― норма расхода энергии на i-ю операцию или установленная (потребляемая) мощность, кВт.
Затраты на электроэнергию, потребляемую оборудованием:
S>эл> = ω>эл> · Ц>эл> ,
Где ω>эл> ― потребление электроэнергии в год, кВт · ч;
Ц>эл> ― цена 1 кВт · ч электроэнергии, руб.
,
(4.15)
Где
―
общая сумма всего установленного
оборудования;
N>уст>>i> ― установленная мощность i-го типа оборудования, кВт;
К>з>, К>м> ― коэффициент использования оборудования по времени по мощности;
η>с>, η>д> ― коэффициенты, учитывающие потери в сети и КПД двигателя;
F>эф.об >― эффективный фонд времени работы единицы оборудования в год, ч.
Расходы на текущий ремонт оборудования берутся в размере 4% по формуле:
S>т.р.о> = n>с> · С>с> · 0,04 (4.16)
Где n>с> ― количество оборудования;
С>с> ― средняя стоимость оборудования.
Расходы на текущий ремонт транспортных средств берутся в размере 8%.
Расходы на текущий ремонт дорогостоящего инструмента берутся в размере 5%.
Расходы на амортизацию оборудования, транспорта и дорогостоящего инструмента, здания: Затраты по данной статье определяются в соответствии с нормами амортизационных отчислений. Для оборудования амортизационные отчисления равны 12%, амортизационные отчисления для транспорта – 16%, для дорогостоящего инструмента амортизационные отчисления составляют 15,5 % от их стоимости, для здания амортизационные отчисления составляют 3 % от их стоимости.
Расходы на содержание, ремонт и замену малоценных и быстроизнашивающихся инструментов и приспособлений принимаются в размере 8 % от стоимости оборудования.
Фрагменты связей между ячейками таблицы
Вычисление обшецеховых расходов.


Вычисление эффективности фонда времени

Вычисление чистой прибыли

Вычисление цеховой себестоимости

На выходе получаем нужные результаты:
|
наименование показателей |
единица измерения |
показатели |
|
выпуск продукции |
шт. |
36000 |
|
выпуск продукции |
руб. |
29916127,24 |
|
цеховая себестоимость |
руб. |
13863954,22 |
|
цеховая себестоимость единицы изделия |
руб. |
385,11 |
|
прибыль 40% |
руб. |
5545581,69 |
|
прибыль с единицы продукции |
руб. |
154,04 |
|
налог на прибыль |
руб. |
1109116,34 |
|
налог на прибыль с единицы продукции |
руб. |
30,81 |
|
чистая прибыль |
руб. |
4436465,35 |
|
чистая прибыль с единицы продукции |
руб. |
123,24 |
|
срок окупаемости |
год |
5,8 |
|
рентабельность |
% |
17,25 |
|
капитальные вложения |
руб. |
25719553,37 |
4.3 Описание
В данной программе произведен расчет экономических показателей средствами Microsoft Excel. Используя начальные данные и формулы, мы производим расчет нужных нам значений и используем их для дальнейшего расчета. Таким образом, мы можем рассчитать множество вариантов заданных значений. В строчках с 1 по 20 вводятся данные заданные нашими условиям, такие как годовая программа, материал, его стоимость, технологические операции и оборудование, используемое при этом. В строках 22-30 ведется расчет годового фонда времени. Вводим нужные значения и получаем результат. В строках 32-36 ведется автоматический расчет нужного количества оборудования, а в строке 37 производится расчет производственной площади, а в строке 38 расчет количества ламп, который ведется по полученным данным строк 32-37. В строках 40-43 ведется расчет нужного количества рабочих по профессиям, в строчках 44-46 количество вспомогательных рабочих и АУП. В строках 48-65 ведется расчет стоимости оборудования, электроэнергии, расходов на инструмент и стоимости здания. В строках 66-69 рассчитываются амортизационные отчисления. В строках 71-84, учитывая заработную плату работников, цеховые расходы, рассчитывается прибыль, налоги, себестоимость, срок окупаемости и рентабельность. Основные результаты вычислений сводятся в листе «экономика».
ГЛАВА 5 ОРГАНИЗАЦИОННО-ЭКОНОМИЧЕСКАЯ ЧАСТЬ
5.1 Экономическое обоснование дипломного проекта
При внедрении любого нового проекта целесообразно рассматривать не только его новизну и влияние на технологические процессы, но и экономическую выгоду. Существуют экономические показатели, которые наглядно дают обобщенную оценку программного продукта и позволяют анализировать экономические характеристики проекта. Экономическое значение многих параметров может выражаться следующими измерителями:
- прибыль от реализации ПП, чистая прибыль;
- годовая и среднегодовая рентабельность капитальных вложений на создание новых изделий;
- период окупаемости капитальных вложений;
- ожидаемый экономический эффект (сравнительный годовой от внедрения разработанных изделий, интегральный);
- внутренняя норма рентабельности затрат на создание новых изделий.
Экономические показатели дают обобщенную оценку в денежном выражении самых разнообразных достоинств и недостатков системы нового типа, помогают исследовать различные варианты конструкции и экономически оценить каждую новую техническую идею.
При анализе целесообразности данную разработку следует рассматривать как коммерческий продукт, так как потребность в системе оптимизации экономических показателей машиностроительного цеха очень высокая, а реальных продуктов в этой сфере нет. Соответственно продукт может быть реализован с целью получения прибыли, где ценность системы определяется сэкономленными ею средствами.
Основными клиентами разработки являются предприятия машиностроения единичного, мелкоединичного и среднеединичного производства как в Чувашской республике, так и в регионе Поволжья.
5.2 Календарный план-график и трудоемкость работы над проектом
Для определения трудоемкости выполнения над проектом прежде всего, составляется перечень всех основных этапов. При этом особое внимание уделяется логическому упорядочению последовательности выполнения отдельных видов заданий. Типовой перечень этапов и видов работ, содержится в ГОСТ 15.101-80 "Порядок проведения научно-исследовательских работ". В зависимости от характера и сложности стандарт допускает исключение или дополнение этапов и отдельных видов работ, их разделение, совмещение, а также уточнение содержания.
Трудоемкость разработки программной продукции зависит от ряда факторов, основными из которых являются следующие: степень новизны разрабатываемого программного комплекса, сложность алгоритма его функционирования, объем используемой информации, вид ее представления и способ обработки, а также уровень используемого алгоритмического языка программирования. Измеряется в человеко-днях и носит вероятностный характер, так как зависит от множества трудно учитываемых факторов. Расчет оценки ожидаемого значения трудоемкости T>i> и дисперсии D>i> приведен ниже.
, (5.1)
где a>i> - оценки минимально возможной трудоемкости выполнения отдельных видов работ,
b>i>, - оценки максимально возможной трудоемкости, m>i> - оценки наиболее вероятной трудоемкости.
; (5.2)
Дисперсия характеризует степень неопределенности выполнения работы за время Т>i>.
Жизненным циклом программы считается весь цикл от принятия решения о проведении разработок до полного отказа конечного пользователя от применения данного ПП:
- этап работы над ПП составил 4 месяца, что составляет в среднем 120 дней;
- этап сбора информации и обобщение полученного задания – 2 месяц;
- этап реализации и введения – 0,5 месяц;
- этап зрелости: полный переход к автоматизированной системе и устранение недостатков (порядка 1 месяца);
- документальное оформление – 0,5 месяц;
- этап упадка: появление новых технологий и моральное устаревание ПП.
Исходя из календарного графика работы над проектом, составим таблицу экспертных оценок и расчетные величины трудоемкости и дисперсии отдельных видов работ сгруппированных по стадиям работы над проектом, таблица 5.1.
Таблица 5.1 Оценка трудоемкости отдельных видов работ
|
Вид работ |
Расчетные величины, дни |
|
|
|
|
|
|
1. Предпроектное исследование |
129 |
1032 |
|
2. Техническое задание |
37,5 |
300 |
|
3. Разработка и отладка ПП |
262,5 |
2100 |
|
4. Тестирование |
69 |
552 |
|
5. Техническая отчётность |
196,5 |
1572 |
Данный программный продукт реализуется алгоритмом стандартных методов решения задачи и не имеет аналогов. Общий показатель трудоемкости разработки программного продукта удовлетворяет поставленному сроку в 600 дней.
Калькуляция затрат на разработку программной продукции
Затраты на разработку программной продукции могут быть представлены в виде сметы затрат, включающих в себя следующие статьи: материалы; специальное оборудование; основная заработная плата; дополнительная заработная плата; отчисления на социальные нужды; производственные командировки; накладные расходы; контрагентские расходы.
Статья расходные материалы содержит суммарные затраты на материалы, приобретаемые для разработки данной ПП. Затраты состоят из стоимости материалов приобретаемых в розничной сети специализированных сетях:
Пакет Microsoft Office 1 шт. - 7730 руб.
Затраты к информационным ресурсам (часов) - 2100 руб.
Расходные материалы к ЭВМ – 2500 руб.
Канцтовары - 800 руб.
Общая сумма затрат по материалам составила 13130 рублей потребности в транспортно-заготовительных отсутствует.
Для разработки программного продукта количество специалистов по программированию рассчитывают по формуле:
,
(5.3)
где
- количество рабочих данной профессии
и разряда, чел;
-
штучно-калькуляционное время на один
этап, ч.;
-
эффективный фонд рабочего времени
инженера-программиста на разработку
ПП, ч;
Эффективный фонд времени инженера-программиста при пятидневной рабочей неделе с двумя выходными днями может быть рассчитан по формуле:
,
(5.4)
ч.,
где
- количество календарных дней на
разработку программного продукта,
=120
дней;
-
количество выходных и праздничных дней
на период разработки,
=
32 дня;
-
количество предпраздничных дней на
период разработки,
=2
дня;
-
число смен работы инженера-программиста,
=1смена;
-
коэффициент, учитывающий использование
номинального фонда времени из-за неявки
на работу:
,
(5.5)
где
- 9…12% потери номинального фонда времени
из-за невыхода на работу, из них: 5% - на
отпуск (15 дней минимально), 2% - на болезни
(8 дней), 0,5% - на выполнение государственных
и общественных обязанностей (1,25 дней),
0,5% - на перерывы для кормящих матерей
(1,25 дней).
Для разработки ПП на весь период времени требуется (см. формулу 5.3):
[чел.],
Принимаем за 5, следовательно, требуется 5 рабочих
Таблица 5.3 Сводная ведомость основных производственных рабочих
|
Наименование профессии |
Общее количество рабочих |
Месячный оклад |
Основная заработная плата на проект |
|
|
На 1 работника |
Фонд оплаты труда |
|||
|
Руководитель |
1 |
25000 |
25000 |
100000 |
|
Системный администратор |
1 |
22000 |
22000 |
88000 |
|
Программист |
1 |
18000 |
18000 |
72000 |
|
Итого |
3 |
65000 |
260000 |
Дополнительная заработная плата рассчитывается

руб.
Отчисления на социальное страхование. В статье учитываются отчисления в фонды социального обеспечения по установленному законодательством тарифу от суммы основной и дополнительной заработной платы в размере 26 %,
С >сс >= ( С >з.о >+ С >з.д>) ×26 / 100, (5.7)
где С >сс >= (260000* 26 ) / 100 =67600 (руб.)
Суммарный фонд оплаты труда на разработку и внедрение проекта:
ФОТ= С >з.о >+ С >з.д >+ С >СС>=260000+65000+67600=392600 руб.
Амортизационные отчисления определяются по формуле:
,
(5.8)
где
- ориентированная стоимость компьютера
составляет 20000 руб.;
Т - ориентировочный эксплуатационный срок компьютера 5 лет;
-
продолжительность эксплуатации
оргтехники, в месяцах – 4 месяца.
Тогда:
руб.
Затраты на электроэнергию за весь период разработки ПП при восьми часовом рабочем дне равны:
=
К ×
t>к>
×
Р×С,
(5.9)
где Р - мощность компьютера, Р=0,5 кВт/ч;
С - стоимость одного кВт, С=1,8 руб.;
К - количество рабочих дней, К=120 дней.
n – количество оргтехники, n=3
t>к>- продолжительность работы компьютера в течении дня, ч.(6 часов)
Тогда затраты на электроэнергию составляют:
=
120×
0,5×6×1,8
×
3=1944 руб.
Расчет сметной стоимости ПП произведен по каждой статье затрат и результаты сведены в таблицу 5.2.
Таблица 5.2 Затраты на разработку ПП
|
№ п/п |
Наименование статей затрат |
Затраты, руб. |
|
1 |
Расходные материалы |
13130 |
|
2 |
Основная заработная плата |
260000 |
|
3 |
Отчисления в фонд социального обеспечения (26 % от заработной платы) |
67600 |
|
4 |
Амортизационные отчисления |
800 |
|
5 |
Затраты на электроэнергию |
1944 |
|
Итого затрат |
343474 |
По вышеприведенным расчетам сумма всех затрат на программный продукт составляет: 343474 рублей.
5.4 Расчёт цены программного продукта и эффективности проекта
Коммерческие расходы 20% от затрат (себестоимость)
С>кр >= С>об > 20/100 (5.10)
С>кр>=34347420/100=68694,8 руб.
Определяем полную себестоимость:
С>полн>= С>кр>+ С>об >(5.11)
С>полн>=343474+68694,8=412178,8 руб.
Так как программный продукт разрабатывается как коммерческий, ожидаемая прибыль следует рассчитать с учетом уровней инфляция, который за прошлый год составил чуть менее 15%. Следовательно, ожидаемая прибыль принята в размере 25% от полной себестоимости. В результате цена продукта без учета НДС составит:
Ц>пр> = С>полн>1,25 (5.12)
Ц>пр>=412178,81,25=515223,5 руб.
С учетом НДС(18%) цена реализации составит:
Ц>р>=515223,5 1,18=607963,73
Как свидетельствует практика деятельности машиностроительных предприятий данный продукт достаточно востребованный. Следовательно, его можно реализовывать, как в Чувашии, так и в соседних регионах Поволжья.
Возможный объем реализации в год выхода на рынок программного продукта может составить до 5 единиц. Соответственно, выручка он реализации без учета НДС составит:
ВР= Ц>пр>Q (5.13)
Q-количество реализованного продукта
ВР=515223,55=2576117,5 руб.
Таким образом, видно, что данный продукт как коммерческий является экономически выгодным и окупается в первый же год. Тем не менее, по отношению к данному проекту следует подойти с позицией инвестиционного проекта и рассчитать в соответствии с рекомендуемой методикой.
Чистый дисконтированный доход, индекс доходности и срок окупаемости капитальных вложений:
без учета дисконтирования;
с учетом дисконтирования при норме дисконта 11% .
Таблица 5.3 Исходные данные приведены в таблице.
|
Показатели |
1-й год |
2-й год |
3-й год |
|
Объем капиталовложений, руб. |
343474 |
— |
— |
|
Объем реализации продукции (без НДС) |
2576117,5 |
2576117,5 |
2576117,5 |
|
Себестоимость реализованной продукции |
2060894 |
2060894 |
2060894 |
|
в том числе амортизация |
800 |
800 |
800 |
|
Прибыль организации до налогообложения |
515223,5 |
515223,5 |
515223,5 |
|
Налоги и прочие отчисления из прибыли |
123653,64 |
123653,64 |
123653,64 |
|
Чистая прибыль |
391569,89 |
391569,89 |
391569,89 |
|
Сумма приведенных эффектов, руб. |
353486,4 |
88313,41 |
41768,44 |
|
Индекс доходности |
1,021 |
||
|
Срок окупаемости, г. |
0,87 |
Решение
1. Общий объем капиталовложений, руб.:
без дисконтирования — 343474;
с учетом дисконтирования - 343474 / (1 + 0,11) = 309436,1.
2.Валовая прибыль (реализация — себестоимость), тыс. руб.:
1-й г.: 2576117,5- 2060894= 515223,5;
2-й г.: 2576117,5- 2060894= 515223,5;
3-й г.: 2576117,5- 2060894= 515223,5;
3. Чистая прибыль (валовая прибыль – налоги, налог на прибыль 24%), тыс. руб.:
1-й г.: 515223,5 - 123653,64 = 391569,86;
2-й г.: 515223,5 - 123653,64 = 391569,86;
3-й г.: 515223,5 - 123653,64 = 391569,86;
4. Эффект по годам расчета (чистая прибыль + амортизация), тыс. руб.:
1-й г.: 391569,86 + 800 = 392369,86;
2-й г.: 391569,86 + 800 = 392369,86;
3-й г.: 391569,86 + 800 = 392369,86;
5. Сумма приведенных эффектов, тыс. руб.:
1-й г.: 392369,86 / (1 + 0,11) = 353486,4;
2-й г.: 392369,86 / (1 + 0,11)2 = 88313,41;
3-й г.: 392369,86 / (1 + 0,11)3 = 41768,44.
Итого: 316039,13
6. Чистый дисконтированный доход, тыс. руб.:
ЧДД = 316039,13 - 309436,1 =6603,03.
7. Индекс доходности, доли единицы:
ИД = 316039,13 / 309436,1 =1,021.
Так как индекс доходности равен 1,021, т.е. больше единицы, то проект эффективен.
8. Срок окупаемости капиталовложений с учетом дисконтирования капиталовложения окупаются за :
Т>ок >= К/Э>пр >= 309436,1 /353486,4=0,87 г.;
ГЛАВА 6. БЕЗОПАСНОСТЬ И ЭКОЛОГИЧНОСТЬ ПРОЕКТА
6.1 Оценка опасных и вредных производственных факторов
Вредные производственные факторы - это факторы, воздействие которых на рабочего в определенных условиях приводит к заболеванию или снижению работоспособности.
Согласно ГОСТ 12.0.003-74 «Опасные и вредные производственные факторы. Классификация» на работу влияют следующие факторы[30]:
а) Физические - факторы, характеризующие рабочую среду:
- повышенная или пониженная температура воздуха рабочей зоны;
- повышенная или пониженная влажность воздуха;
- повышенная или пониженная подвижность воздуха;
- повышенная или пониженная ионизация воздуха;
- повышенный уровень шума на рабочем месте (шум от механических систем охлаждения компьютеров, неисправных ламп, кондиционеров и т.д.);
- повышенный уровень ионизирующих излучений в рабочей зоне;
- повышенное значение напряжения в электрической цепи, замыкание которой может произойти через тело человека;
- отсутствие или недостаток естественного света;
- недостаточная освещенность рабочей зоны;
- повышенная яркость света;
- пониженная контрастность;
- острые кромки, заусенцы и шероховатость на поверхностях заготовок, инструментов и оборудования;
б) Психофизиологические:
- физические перегрузки;
- нервно-психические перегрузки:
- умственное перенапряжение:
- эмоциональные перегрузки (при нестабильности работы системы);
- перенапряжение анализаторов (ухудшение зрения из-за плохой освещённости, низкого контраста, повышенной яркости);
- монотонность труда;
Химические и биологические вредные и опасные факторы отсутствуют в нормальных условиях производства на рабочем месте оператора ЭВМ.
Комфортные и безопасные условия – один из основных факторов, влияющих на производительность и безопасность труда, здоровье работников. Изучение и решение проблем, связанных с обеспечением здоровых и безопасных условий, в которых протекает труд человека – одна из наиболее важных задач в разработке новых технологий и систем производства. Изучение и выявление возможных причин производственных несчастных случаев, профессиональных заболеваний, аварий, взрывов, пожаров, и разработка мероприятий и требований, направленных на устранение этих причин позволяют создать безопасные и благоприятные условия для труда человека.
Охрана труда – система законодательных актов, социально-экономических, организационных, технических, гигиенических и лечебно-профилактических мероприятий и средств, обеспечивающих безопасность, сохранение здоровья и работоспособности человека в процессе труда.
В настоящее время компьютерная техника широко применяется во всех областях деятельности человека. При работе с компьютером человек подвергается воздействию ряда опасных и вредных производственных факторов: электромагнитных полей, шума и вибрации, статического электричества и др. При использовании программного обеспечения пользователь испытывает значительную нагрузку на тело и на глаза, что приводит к снижению его трудоспособности к концу рабочего дня. Поэтому немалое значение для предотвращения снижения трудоспособности и возникновения профессиональных заболеваний пользователя имеет правильная организация его рабочего места и окружающих условий. Рабочее место пользователя – это место человека в системе “человек-машина”, оснащенное средствами отображения информации, органами управления и вспомогательным оборудованием, на котором осуществляется его трудовая деятельность.
Данный раздел дипломного проекта посвящен проектированию оптимального рабочего места программиста.
6.2 Обеспечение оптимальных условий труда инженера программиста
На рабочем месте должны быть предусмотрены меры защиты от возможного воздействия опасных и вредных факторов производства. Уровни этих факторов не должны превышать предельных значений, оговоренных правовыми, техническими и санитарно-техническими нормами. Эти нормативные документы обязывают к созданию на рабочем месте условий труда, при которых влияние опасных и вредных факторов на работающих либо устранено совсем, либо находится в допустимых пределах.
Правильно спроектированное и выполненное производственное освещение улучшает условия зрительной работы, снижает утомляемость, способствует повышению производительности труда, благотворно влияет на производственную среду, оказывая положительное психологическое воздействие на работающего, повышает безопасность труда и снижает травматизм. Недостаточность освещения приводит к напряжению зрения, ослабляет внимание, приводит к наступлению преждевременной утомленности. Чрезмерно яркое освещение вызывает ослепление, раздражение и резь в глазах. Неправильное направление света на рабочем месте может создавать резкие тени, блики, дезориентировать работающего.
Для обеспечения комфортных условий работы программиста, можно порекомендовать:
– оборудовать рабочее место так, чтобы исключить неудобные позы и напряжения;
– если работа долгая и напряженная, то каждый час в течение 15 минут необходимо заниматься другим делом, не связанным с ЭВМ или провести небольшую разминку;
– не менее одного раза в год проверять свое зрение у врача;
– избегать того, чтобы экран монитора был обращен в сторону окна;
– избавляться от бликов с помощью штор, специальных фильтров;
– не располагать рабочее место под источником света;
– применять защитные экраны, специальные мониторы (Low Radiation), сидеть на расстоянии не менее 1.5 метра от экрана дисплея и не ближе 1.2 м от задних или боковых стенок соседних мониторов.
6.3 Организация оптимального рабочего места
Рабочее место – это часть пространства, в котором программист осуществляет трудовую деятельность, и проводит большую часть рабочего времени. Рабочее место, хорошо приспособленное к трудовой деятельности программиста, правильно и целесообразно организованное, в отношении пространства, формы, размера обеспечивает ему удобное положение при работе и высокую производительность труда при наименьшем физическом и психическом напряжении. Рабочее место включает в себя часть производственного процесса, в котором должны быть расположено все необходимое для работы оборудование и документы.
Согласно ГОСТ 12.2.032-78 [31]конструкция рабочего места и взаимное расположение всех его элементов должно соответствовать антропометрическим, физическим и психологическим требованиям.
Главными элементами рабочего места программиста являются письменный стол и кресло. Основным рабочим положением является положение сидя. Рабочее место для выполнения работ в положении сидя организуется в соответствии с ГОСТ 12.2.032-78.
Рабочая поза сидя вызывает минимальное утомление программиста. При неудобной рабочей позе могут появиться боли в мышцах, суставах и сухожилиях. Требования к рабочей позе программиста следующие:
– голова не должна быть наклонена более чем на 20;
– плечи должны быть расслаблены;
– локти – под углом 80…100;
– предплечья и кисти рук – в горизонтальном положении.
Причина неправильной позы пользователей обусловлена следующими факторами: нет хорошей подставки для документов, клавиатура находится слишком высоко, а документы – низко, некуда положить руки и кисти, недостаточно пространство для ног.
В целях преодоления указанных недостатков даются следующие рекомендации по организации рабочего места программиста. Параметры рабочего места выбираются в соответствии с антропометрическими характеристиками. При использовании этих данных в расчетах следует исходить из максимальных антропометрических характеристик.
Для комфортной работы стол должен удовлетворять следующим условиям:
– высота стола должна быть выбрана с учетом возможности сидеть свободно, в удобной позе, при необходимости опираясь на подлокотники;
– нижняя часть стола должна быть сконструирована так, чтобы программист мог удобно сидеть, не был вынужден поджимать ноги;
– поверхность стола должна обладать свойствами, исключающими появление бликов в поле зрения программиста;
– конструкция стола должна предусматривать наличие выдвижных ящиков;
– высота рабочей поверхности рекомендуется в пределах 680-760мм, ширина рабочего пространства – не менее 700 мм, глубина – не менее 400 мм.
Большое значение придается характеристикам рабочего кресла. Оно выполняется в соответствии с ГОСТ 21.889-76.[32] При проектировании кресла исходят из того, что при любом рабочем положении программиста его поза должна быть физиологически правильно обоснованной, т.е. положение частей тела должно быть оптимальным. Для удовлетворения требований физиологии, вытекающих из анализа положения тела человека в положении сидя, конструкция рабочего сидения должна удовлетворять следующим основным требованиям:
– допускать возможность изменения положения тела, т.е. обеспечивать свободное перемещение корпуса и конечностей тела друг относительно друга;
– допускать регулирование высоты сиденья над уровнем пола в зависимости от роста работающего человека (в пределах от 400 до 550 мм);
– иметь слегка вогнутую поверхность;
– иметь небольшой наклон назад, угол наклона спинки – регулируемый.
Исходя из вышесказанного, приведем параметры рабочего места программиста, сведенные в таблицу 6.1.
Таблица 6.1. Параметры рабочего места программиста
|
№ |
Параметры |
Величина параметра |
|
1 |
Длина стола, мм. |
1300 |
|
2 |
Ширина стола, мм. |
650 |
|
3 |
Высота рабочей поверхности стола над полом, мм. |
750 |
|
4 |
Расстояние между высотой рабочей поверхности и креслом оператора, мм. |
280 |
|
5 |
Высота пространства для ног, мм. |
600 |
|
6 |
Ширина пространства для ног, мм. |
500 |
|
7 |
Глубина пространства для ног, мм. |
400 |
|
8 |
Высота кресла ( регулируется), мм. |
400–550 |
|
9 |
Угол отклонения спинки кресла к поверхности сидения, град. |
100-115 |
|
10 |
Ширина, сидения кресла, мм. |
550 |
|
11 |
Глубина, сидения кресла, мм. |
450 |
|
12 |
Подлокотники (длина х ширина), мм. |
200х50 |
|
13 |
Высота подлокотников над поверхностью сидения, мм |
250 |
|
14 |
Подставка для ног, мм. |
400х300х150 |
|
15 |
Угол наклона подставки для ног, град. |
0-20 |
Рациональная планировка рабочего места предусматривает четкий порядок и постоянство размещения предметов, средств труда и документации. То, что требуется для выполнения работ чаще, расположено в зоне легкой досягаемости рабочего пространства.
Моторное поле – пространство рабочего места, в котором могут осуществляться двигательные действия человека.
Максимальная зона досягаемости рук – это часть моторного поля рабочего места, ограниченного дугами, описываемыми максимально вытянутыми руками при движении их в плечевом суставе.
Оптимальная зона – часть моторного поля рабочего места, ограниченного дугами, описываемыми предплечьями при движении в локтевых суставах с опорой в точке локтя и с относительно неподвижным плечом.
Зоны досягаемости рук в горизонтальной плоскости изображены на рисунке 6.1., где: а – зона максимальной досягаемости;
б – зона досягаемости пальцев при вытянутой руке;
в – зона легкой досягаемости ладони;
г – оптимальное пространство для грубой ручной работы;
д – оптимальное пространство для тонкой ручной работы.

Рис. 5.1. Зоны досягаемости рук в горизонтальной плоскости
Определим оптимальное размещение предметов труда и документации в зонах досягаемости:
Дисплей – размещается в зоне а (в центре);
Системный блок – размещается в предусмотренной нише стола;
Клавиатура – размещается в зоне г/д;
Манипулятор типа “мышь” – размещается в зоне в справа;
Сканер – размещается в зоне а/б (слева);
Принтер – размещается в зоне а (справа);
Документация, необходимая при работе – размещается в зоне легкой досягаемости ладони – в;
Литература, неиспользуемая постоянно – размещается в выдвижных ящиках стола.
Во время пользования компьютером медики советуют устанавливать монитор на расстоянии 50–60 см от глаз. Специалисты также считают, что верхняя часть дисплея должна быть на уровне глаз или чуть ниже, угол считывания (направление взгляда) должен быть на 20 ниже горизонтали к центру экрана, причем экран перпендикулярен этому направлению. Должна быть предусмотрена возможность регулирования экрана: по высоте ±3 см, по наклону от -10 до +20 относительно вертикали, по часовой стрелке и против часовой стрелке относительно вертикальной оси.
Кресло и клавиатура устанавливаются так, чтобы не надо было далеко тянуться. При изменении положения тела (например, с вертикального на наклонное), обязательно надо изменить положение клавиатуры. Клавиатура должна иметь возможность перемещения по горизонтали, должна быть легко достигаема и расположена таким образом, чтобы руки находились на расстоянии 50–75 мм от туловища, что обеспечивает оптимальные условия работы с ней при изменении положения туловища.
6.4 Система оптимизации параметров воздушной среды (микроклимата)
Параметры микроклимата могут меняться в широких пределах, в то время как необходимым условием жизнедеятельности человека является поддержание постоянства температуры тела благодаря терморегуляции, т.е. способности организма регулировать отдачу тепла в окружающую среду. Принцип нормирования микроклимата – создание оптимальных условий для теплообмена тела человека с окружающей средой.
Вычислительная техника является источником существенных тепловыделений, что может привести к повышению температуры и снижению относительной влажности в помещении. В помещениях, где установлены компьютеры, должны соблюдаться определенные параметры микроклимата. В санитарных нормах установлены величины параметров микроклимата, создающие комфортные условия. Эти нормы устанавливаются в зависимости от времени года, характера трудового процесса и характера производственного помещения (таблица 5.2).
Объем помещений, в которых размещены работники вычислительных центров, не должен быть меньше 19,5м3/человека с учетом максимального числа одновременно работающих в смену. Нормы подачи свежего воздуха в помещения, где расположены компьютеры, приведены в таблице 6.3.
Таблица 6.2. Параметры микроклимата для помещений, где установлены компьютеры
|
Период |
Параметр микроклимата |
Величина |
|
Холодный |
Температура воздуха в помещении Относительная влажность Скорость движения воздуха |
20…23°С 40…60% до 0,2м/с |
|
Теплый |
Температура воздуха в помещении Относительная влажность Скорость движения воздуха |
20…25°С 40…60% 0,1…0,2м/с |
Таблица 6.3. Нормы подачи свежего воздуха в помещения, где расположены компьютеры
|
Характеристика помещения |
Объемный расход подаваемого в помещение свежего воздуха, м3 /на одного человека в час |
|
Объем до 20м3 на человека 20…40м3 на человека Более 40м3 на человека |
Не менее 30 Не менее 20 Естественная вентиляция |
Для обеспечения комфортных условий используются как организационные методы (рациональная организация проведения работ в зависимости от времени года и суток, чередование труда и отдыха), так и технические средства (вентиляция, кондиционирование воздуха, отопительная система). Для поддержания необходимых температуры и влажности рабочее помещение оснащено системами отопления и кондиционирования, обеспечивающими постоянный и равномерный нагрев, циркуляцию, а также очистку воздуха от пыли и вредных веществ. Для поддержания в помещениях нормального, отвечающего гигиеническим требованиям состава воздуха, удаления из него вредных газов, паров и пыли используют вентиляцию.
Воздухообмен, обеспечивающий удаление избытков тепла.
Для удаления избытков тепла при отсутствии в воздухе вредных веществ используют механическую вентиляцию. В помещениях с значительными тепловыделениями объем приточного воздуха, необходимого для поглощения избытков тепла, рассчитывают по формуле:
,
(6.1)
где G - объем приточного воздуха, м3 /ч;
Q - теплоизбытки, Вт;
Ср - удельная теплоемкость воздуха (Ср =103 Дж/(кг · С));
r - плотность приточного воздуха ( r =1,29 кг/м3 );
t уд - температура удаляемого воздуха;
t пр - температура приточного воздуха.
Температура приточного воздуха принимается по СНиП-П-33-75 для теплого времени года. Температура удаляемого воздуха определяется по формуле:
tуд = tрз + а · (H-2), (6.2)
где, t - температура в рабочей зоне по ГОСТ12.005.-88 (t =24 C);
а - нарастание температуры на каждый 1м высоты, (а=1);
Н - высота помещения, (Н=2,75м).
Теплоизбытки определяются как разность между теплом Qприх, выделяемом в помещении, и Qрасх, удаляемом из помещения. Тепло, выделяемое в помещении, в котором работает программист, определяется как сумма составляющих тепловыделений от людей, солнечной радиации, источников искусственного освещения и средств вычислительной техники:
Qприх = Qлюд + Qсол + Qосв + Q ВТ, (6.3)
Тепловыделения от людей рассчитываются по формуле:
Qлюд = n · q, (6.4)
где n - число человек, работающих в помещении (n=4);
q - удельная теплота, выделяемая одним человеком (при температуре 20˚С, q=80Вт).
Qлюд = 4 · 80 = 320 Вт.
Расчет тепла, поступающего в помещение от солнечной радиации производится по формуле:
Qсол = Fост · qост · Aост, (6.5)
где Fост - площадь поверхности остекления (Fост=3м2);
qост - тепловыделения от солнечной радиации через 1м2 поверхности остекления (с учетом ориентации окон на восток qост=170 Вт/м2);
Аост - коэффициент учета характера остекления (для двойного остекления в одной раме Аост =1,15).
Qсол = 3 · 170 · 1.15 = 586.5 Вт.
Расчет тепловыделений от источников искусственного освещения производится по формуле:
Qосв= hосв · Nосв, (6.6)
где Nосв - суммарная мощность источников освещения;
hосв - коэффициент тепловых потерь (для люминесцентных ламп h =0,55).
Qосв= 0.55 · (8·40) = 176 Вт.
Тепловыделения от средств вычислительной техники рассчитываются по аналогичной формуле:
QВТ = hВТ · NВТ , (6.8)
где NВТ - суммарная мощность устройств вычислительной техники типа IВМ РС (мощность одной ЭВМ равна 300 Вт, всего ЭВМ в помещении - 4);
h - коэффициент тепловых потерь (для устройств вычислительной техники h=0,6).
QВТ = 0.6 · 4 · 300 = 720 Вт.
Таким образом, получаем:
Qприх = 320 + 586 + 176 + 720 = 1802 Вт.
При открытии дверей и окон естественный расход тепла:
Qрасх = 0.1 · Qприх = 180 Вт.
В результате получим объем вентилируемого воздуха для теплого времени года:

6.5 Проектирование систем вентиляции
Определение поперечных размеров воздуховодов для отдельных участков вентиляционной сети:
Потребная площадь воздуховода определяется по формуле:
(6.9)
где G - объем приточного воздуха (G=1646 м3 /ч);
V - допустимые скорости движения воздуха в воздуховодах(V=4м/с).
f = 0.07 (
)
Для дальнейших расчетов (при определении сопротивления сети) площадь воздуховода принимается равной ближайшей большей стандартной величине, то есть f=0,083 м2 . По справочнику находим, что для площади f=0,083 м2 условный диаметр воздуховода равен d=315 мм.
Подбор вентилятора и электродвигателя.
Требуемое давление, создаваемое вентилятором, с учетом запаса на непредвиденное сопротивление в сети в размере 10%, составит
Pтр = 1.1 · P = 1.1 · 17.7 = 17.47(Па);
В вентиляционной установке для рассматриваемого помещения следует использовать осевой вентилятор, так как сопротивление сети меньше 200 Па. Выберем вентилятор по аэродинамическим характеристикам, то есть зависимостям между полным давлением Ртр, создаваемым вентилятором, и производительностью (G, м3/ч).
С учетом возможных дополнительных потерь или подсоса воздуха в воздуховодах потребная производительность вентилятора увеличивается на 10%:
Gтр = 1.1 · G = 1.1 · 1646 = 1810.6 (м3/ч);
По справочнику выбираем осевой вентилятор О6-300 N4 с КПД вентилятора для первого исполнения (непосредственный привод от электродвигателя, колесо на валу электродвигателя) h в = 0.65. КПД ременной передачи для первого исполнения вентилятора hрп =1.
Мощность электродвигателя рассчитывается по формуле:
(6.11)
где hв, hрп – КПД вентилятора и ременной передачи;
Gтр - производительность вентилятора, м3/ч;
P тр - давление, создаваемое вентилятором, Па.
|
N = |
1810.6 · 17.47 |
*10-6 =0,023 (кВт) |
|
3.6 · 0.65 · 1 |
По мощности выбираем электродвигатель АОЛ2-11-4 с мощностью 0.12 кВт и частотой вращения 1400 об/мин.
6.6 Охрана окружающей среды
Основным видом оборудования в рассматриваемом помещении является вычислительная техника, при работе которой выделяется весьма малое количество загрязняющих веществ, не производится загрязнение окружающего воздуха и водного бассейна.
ВЫВОД ПО ГЛАВЕ
В данном разделе дипломного проекта были изложены требования к рабочему месту программиста. Созданные условия должны обеспечивать комфортную работу. На основании изученной литературы по данной проблеме, были указаны оптимальные размеры рабочего стола и кресла, рабочей поверхности, а также изложены требования к микроклимату на рабочем месте. Соблюдение условий, определяющих оптимальную организацию рабочего места программиста, позволит сохранить хорошую работоспособность в течение всего рабочего дня, повысит как в количественном, так и в качественном отношениях производительность труда инженера программиста, что в свою очередь будет способствовать быстрейшей разработке и отладке программного продукта.
ЗАКЛЮЧЕНИЕ
Осуществление специализации и кооперирования производства создает предпосылки для внедрения передовых методов организации производства.
Поточное производство обладает характерными чертами передовой организации производства – специализацией участков и рабочих мест, ограниченной номенклатурой изготовляемой продукции, пропорциональностью производственных мощностей, ритмичностью и непрерывностью.
За рабочим местом закрепляют одну или несколько операций каждого объекта производства. Состав операций технологического процесса для всех объектов производства может быть одинаковым, а может быть и различным по нескольким операциям. Последовательность операций технологического процесса для всех объектов производства остается прямоточной.
Основным звеном поточного производства является проточная линия, под которой понимается совокупность рабочих мест, расположенных в последовательности технологического процесса и предназначенных для выполнения определенных, закрепленных за ними операций.)
Перечень статей калькуляции, их состав и методы распределения по видам продукции, работ, услуг определяются отраслевыми методическими рекомендациями по вопросам планирования, учета и калькулирования себестоимости продукции (работ, услуг) с учетом характера и структуры производства.
При выполнении производственной программы в срок, соответствия требованиям по качеству продукции, соблюдения правил внутреннего трудового распорядка и техники безопасности предусматривается премия в размере, утвержденного на предприятии «положение о премировании». Для расчета размер премии принять 50% от основной зарплаты.
Фонд дополнительной зарплаты включает в себя средства для оплаты основных и дополнительных отпусков, учебных отпусков, доплаты за работу в ночное время прочих выплат, гарантированных законодательством.
Размер дополнительной зарплаты определяется в % от основной зарплаты, определяемой на основе планового баланса рабочего времени.
Затраты на транспортные средства и технологическое оборудование определяют исходя из оптовой цены единицы транспортного средства и количества единиц транспортных средств и оборудования данной модели.
При механической обработке деталей используется много различной измерительной техники, регулирующих устройств и систем контроля за состоянием режущего инструмента. В каждом отдельном случае выбирают необходимую номенклатуру и в соответствии с прейскурантом определяют ее оптовую цену. В укрупненных расчетах затраты на все виды оснащения можно принять в размере 2,0% оптовой цены оборудования.
Затраты на силовое энергетическое оборудование (электрогенераторы, электрические кабели, трансформаторы электрические и др.) его монтаж, упаковку и транспортировку при укрупненных расчетах определяют исходя из норматива 2000 руб. на 1 кВт установленной мощности технологического и транспортного оборудования.
Поскольку все затраты, включаемые в себестоимость единицы продукции, различны по своему составу, их необходимо классифицировать по определенным статьям расходов. Каждая статья расходов указывает целевое назначение затрат и их связь с процессом производства.
Результаты производственно-хозяйственной деятельности любого производственно-хозяйственного подразделения (предприятия, цеха, участка) оценивают с помощью ряда технико-экономических показателей (ТЭП). Их определение основывается на тщательном экономическом анализе и расчетах, которые дают возможность судить о степени использования материальных, трудовых и финансовых ресурсов подразделения.
В дипломной работе была выполнена 3D модель в CAD программе Компас версия 8.0. Был произведен расчет экономических показателей средствами Microsoft Excel. Используя начальные данные и формулы, был производен расчет нужных значений с использованием для дальнейшего расчета.
Таким образом в ходе проведения расчетов экономических показателей машиностроительного производства были получены такие результаты :
Чистая прибыль с ед. продукции – 123,24 руб.
Рентабельность 17,25%
Капитальные вложения 25719553,37руб.
Срок окупаемости 17,25руб.
Также, в дипломной работе были изложены требования к рабочему месту программиста. Созданные условия должны обеспечивать комфортную работу. На основании изученной литературы по данной проблеме, были указаны оптимальные размеры рабочего стола и кресла, рабочей поверхности, а также изложены требования к микроклимату на рабочем месте. Соблюдение условий, определяющих оптимальную организацию рабочего места программиста, позволит сохранить хорошую работоспособность в течение всего рабочего дня, повысит как в количественном, так и в качественном отношениях производительность труда инженера программиста, что в свою очередь будет способствовать быстрейшей разработке и отладке программного продукта.
СПИСОК ИСПОЛЬЗОВАННОЙ ЛИТЕРАТУРЫ
1. Туровец О.Г. и др. Организация производства и управление предприятием. Учебник для ВУЗ-ов,М,Инфра-М,2005
2. Афонин И.В. Управление развитием предприятия. Стратегический менеджмент,инновации,инвестиции,цены.М,2002
3. Фатхудинов Р.А. Организация производства. Учебник.,М ИНФА-М 2003
4. Хачатурян Н.М. Организация производства на предприятиях машиностроения. учебное пособие., Р на Д.,Феникс,2006.
5. Экономика и управление в машиностроении(под ред. Кожевникова Н.Н),М, «Академия»,2004.
6.Организация и планирование машиностроительного производства под ред.Скворцова Ю.В.),М, «высшая школа»,2003
7.Вороненко В.П. Машиностроительное производство.,Учебник.,М, «Высшая школа»,2001
8. Бухвалов М.И. Внутрифирменное планирование.-М:ИНФА-М,1999
9.Новицкий Н.И Организация производства на предприятиях - М.: Финансы и статистика,2002.
10. Экономика предприятия (под ред. Горфинкеля В.Я., Швандара В.А.), ЮНИТИ.,М.,2007
11.Организация планирование и управление производством.(под ред. Новицкого Н.И.) – М. : КНОРУС, 2006.
12. Климов А.Н, и др. Организация и планирование производства на машиностроительном заводе .МАШИНОСТРОЕНИЕ .Л.О., Ленинград 1979. -463 с.
13. ГОСТ 12.0.002-80 (1999) 5. Система стандартов безопасности труда. Термины и определения.
14. СНиП 23-05-95 Естественное и искусственное освещение (с из.1 на 2003г.).
15. «Экономическое обоснование дипломных проектов»: Методические указания для студентов-дипломников. Составил Н.А.Порфирьев; ЧГУ.
16. Справочник технолога-машиностроителя. В 2-х т. Т.1/ Под ред. А.Г. Косиловой и Р.К. Мещерякова. - М.: Машиностроение, 1985.656 с.
17. Справочник технолога-машиностроителя. В 2-х т. Т.2/ Под ред. А.Г. Косиловой и Р.К. Мещерякова. - М.: Машиностроение, 1986.496 с.
18. Режимы резания металлов: Справочник / Ю.В. Барановский, Л.А. Брахман, И.А. Гдалевич и др. – М.: НИИТавтопром, 1995.-456 с.
19. Безопасность жизнедеятельности: Учебник для вузов/ С.В. Белов, А.В. Ильникая, А.Ф. Козьяков и др.; Под общ. ред. С.В. Белова. 3-е изд., испр. и доп. М.: Высш. шк., 2001. 485 с.
20. http://www.cta.ru/
21 . http://www.ynit.ru/docs/lgau/prib2/
1





,дни
,часы