Проект промышленного здания
1. Эскизное проектирование
1.1 Технико-экономическая характеристика района строительства
Город Владивосток является центром приморского края РФ, конечным пунктом Сибирской железнодорожной магистрали, крупным портом на Тихом океане. Владивосток расположен амфитеатром на сопках южной оконечности полуострова Муравьева-Амурского, вокруг бухты Золотой Рог и вдоль восточного побережья Амурского залива.
Из полезных ископаемых для района Владивостока характерны: каменный уголь - Подгорненское месторождение, буроугольное Артемовское месторождение, олово - Лифудзинское и Хрустальное в Кавалеровском районе, Сталинское месторождение - в Тетюхинском.
Имеются также месторождения строительных материалов: известняка - Спасское, Новицкое, Кузнецовское, Майхинское, Надеждинское месторождения; строительного камня: первореченское, Пушкаревское парфиты, партириты; Сицинское, Липовецкое и Семеновское - граниты; Шкотовское, Раздольнинское, Свиягенское - андезитобазальты; Артемовское - песчаник; Уссурийское, Сучанское месторождения легкоплавких глин; Раздольное, Иман - строительных песков.
Владивостокский пассажирский порт - главные «ворота» пассажирских связей с Сахалином, Камчаткой, Курильскими островами и магаданской областью. Городской железнодорожный узел - крупнейший на Дальнем Востоке. С 1903 г. установлено прямое железнодорожное сообщение с Москвой.
Владивосток - важный промышленный центр. В городе развивается производство машин по обработке рыбы и крабов, горно-шахтного оборудования, конвейеров, насосов, металлических конструкций. Создана приборостроительная, радио- и инструментальная промышленность. Промышленность строительных материалов города представлена заводами железобетонных конструкций и крупнопанельного домостроения. Владивосток - это база дальневосточного китобойного, краболовного, рыбного промыслов и рефрижераторного флота.
1.2 Климатические условия района строительства
Климатические характеристики района строительства приведены в таблице 1.1.
Таблица 1.1. Климатические условия района.
|
Наименование характеристики |
Характеристика |
Источник |
||
|
1. |
2. |
3. |
||
|
1.Место строительства |
Владивосток |
По заданию |
||
|
2.Климатический район и подрайон строительства |
I, I В |
(1, рис. 7с) |
||
|
3.Зона влажности района ст-ва. |
влажная |
(2, табл. 1) |
||
|
4.Расчетная зимняя температура наружного воздуха: |
Для лёгких ограждающих конструкций (средняя температура наиболее холодных суток обеспеченностью 0,92, ° С). |
-27 |
по заданию |
|
|
Для массивных ограждающих конструкций (средняя температура наиболее холодной пятидневки обеспеченностью 0,92, ° С). |
-26 |
(1, прил 1) |
||
|
5.Повторяемость ветра,%;средняя скорость ветра в м/сек. в январе по направлению румбов
|
направление |
% |
м/сек. |
(1, прил 4 ) |
|
С |
74 |
9 |
||
|
СВ |
3 |
4,5 |
||
|
В |
1 |
2 |
||
|
ЮВ |
9 |
4,1 |
||
|
Ю |
1 |
1,9 |
||
|
ЮЗ |
2 |
3 |
||
|
З |
1 |
2,6 |
||
|
СЗ |
8 |
6,1 |
||
|
6.Нормативная глубина промерзания грунта под оголенной поверхностью, в м. |
1,41 |
(1, прил.1) |
||
|
7. Наличие вечномерзлого грунта |
нет |
(1, прил. 1) |
||
|
8.Вес снегового покрова, кПа(кг/м2) |
0,7(70) |
(3, табл. 6) |
||
|
9.Сейсмичность района, баллы |
6 |
(4, табл. 1*) |
||
|
10.Продолжительность периода со среднесуточными температурами воздуха ниже 00С (Z0) в сут. |
138 |
(1, прил. 8) |
||
|
12.Средняя температура наружного воздуха по месяцам / упругость водяных паров наружного воздуха по месяцам, Па (ен). |
январь |
-9,6 |
(1, табл 1) |
|
|
февраль |
-5,736842105 |
|||
|
март |
-1,090909091 |
|||
|
апрель |
+4,1/5 ,6 |
|||
|
май |
1,022727273 |
|||
|
июнь |
0,970149254 |
|||
|
июль |
0,940860215 |
|||
|
август |
0,956937799 |
|||
|
сентябрь |
1,089041096 |
|||
|
октябрь |
1,035294118 |
|||
|
ноябрь |
-0,325 |
|||
|
декабрь |
-5,15 |
|||
|
13. Продолжительность периода со среднесуточной температурой воздуха t Н 8°C, сут. |
201 |
(1, прил. 8) |
||
|
14. Средняя температура периода со среднесуточной температурой воздуха t Н 8°С,°С |
-4,8 |
(1, прил. 8) |
1.3 Требования предъявляемые к зданиям
1.3.1 Технологические требования
В соответствии с заданием объектом проектирования является база комплектаций полуфабрикатов для предприятий крупнопанельного домостроения мощностью 280 тыс.м2 общей площадью в год (вариант №7). В качестве типового решения был принят паспорт типового проекта №409-15-45.
База комплектации полуфабрикатов предусматривает следующие технологические процессы:
- прием, складирование и хранение материалов и изделий, потребных для монтажных и отделочных работ при строительстве крупнопанельных жилых домов;
- изготовление металлоизделий, сантехзаготовок, изделий из кости и других изделий, необходимых при производстве строительно-монтажных работ;
- комплектация готовых материалов и изделий в контейнеры на секцию, секцию-этаж.
Также база комплектации обеспечивает:
- поставку всех материалов на строительные объекты в заданные сроки и в необходимых количествах;
- ликвидацию приобъектных складов;
- полную ликвидацию погрузо-разгрузочных работ;
- уменьшение потерь материалов;
- учет расходов материалов.
В таблице 1.2 даётся перечень помещений, с указанием площадей по типовому проекту и принятых в проекте.
Таблица 1.2. Состав и площади помещений здания
|
Наименование помещения |
Площади помещений |
Примечания или эскиз |
|
|
по типовому проекту |
по проекту |
||
|
1.Ремонтно-механический цех |
324,00 |
324,00 |
|
|
2.Участок огрунтовки |
216,00 |
216,00 |
|
|
3.Отделение заготовки сантехнических узлов |
432.00 |
432.00 |
|
|
4.Отделение металлоизделий |
432,00 |
432,00 |
|
|
5.Отделение изготовления пакетов утепления и резки герметового шнура |
108.00 |
108.00 |
|
|
6.Отделение сборки мусоропровода |
102,00 |
102,00 |
|
|
7.Отделение комплектации |
816,00 |
816,00 |
|
|
8.Москательно-колерное отделение |
216.00 |
216.00 |
|
|
9. Отделение заготовки обоев |
103,00 |
103,00 |
|
|
10. Отделение электротехнических устройств |
108,00 |
108,00 |
|
|
11. Склад отапливаемый |
648.00 |
648.00 |
|
|
12. Отделение раскройки и сварки линолеума |
432,00 |
432,00 |
|
|
13. Насосная |
96.00 |
96.00 |
|
|
14. Цех комплектации столярных изделий |
276,00 |
276,00 |
|
|
15. Склад не отапливаемый |
972.00 |
972.00 |
1.3.2 Санитарно-гигиенические требования
Основные санитарно-гигиенические требования и их параметры приведены в таблице 1.3.
Таблица 1.3. Санитарно-гигиенические требования
|
Наименование требования |
Описание |
Источник |
|
1 |
2 |
3 |
|
I. Санитарный класс промышленного предприятия и ширина защитной зоны. |
IV класс, 100 м |
(5, стр.43) |
|
2. Категория производственных процессов по тяжести работ. |
Средней тяжести |
(5, стр.73) |
|
3. Группы производственных процессов (по загрязнению одежды, рук, тела и т.д.) и требуемые специальные бытовые помещения (кроме основных). |
1а(50%) 1б(50%) специальные бытовые помещения не требуются |
(6, табл.6*) |
|
4. Нормы температуры, относительной влажности и скорости движения воздуха в производственных помещениях. |
Температура 15-20°С, отн. влажность не >75%, скорость движения воздуха не >0,5 м/сек |
(5, стр.73) |
|
5. Разряд основного процесса по точности работ, естественная освещённость основных производственных помещений /к.е.о./ Требуемые типы освещения. |
0,8 при боковом освещение; 3,0 при верхнем и боковом освещение |
(7, табл.1) |
|
6. Допускаемая ориентация здания по странам света. |
продольные оси здания в пределах от 45 до 110° к меридиану |
(8, стр.43) |
|
7. Требование к объёму здания на одного работающего в смену, воздухообмену, устройству тепловых завес. |
Не менее 15 куб.м, естественный воздухообмен, устройство завес не требуется. |
(5, п.3.2, 5.9, 5.21) |
|
8. Допустимые уровни шума в основных помещениях (производственных и бытовых). |
125 Гц-96дБ 500 Гц-88дБ 2000 Гц-83дБ |
(5, табл.8) |
|
9. Допустимые уровни вибрации и обоснование необходимости устройства ванн. |
Поскольку в производстве малое количество процессов связанных с вибрацией и продолжительность её не велика, устройство ванн не требуется. |
(6, стр.43) |
1.3.3 Противопожарные требования и требования долговечности
Основные противопожарные требования и их параметры сведены в таблицу 1.4. Для принятой степени огнестойкости здания определяются противопожарные характеристики основных конструкций, которые приведены в таблице 1.5.
Таблица 1.4. Основные характеристики противопожарных требований.
|
Наименование |
Описание требований |
Источник |
|
|
1. Категория производства по пожарной безопасности. |
В, Д |
(9, п.1.2) |
|
|
2. Требуемая степень огнестойкости, наибольшее количество этажей и предельные площадки между противопожарными преградами. (Для производственных и вспомогательных зданий). |
III, 3 эт., 5200 кв.м |
(9, табл.1*) |
|
|
3. Необходимое количество эвакуационных выходов и допустимые расстояния то рабочего места до выхода. |
производственное здание |
1 выход, 93 м |
(9, табл.2) |
|
вспомогательное здание |
1 выход, 60 м |
(6, п.1.16, табл.3) |
|
|
4. Предельная ширина проходов, коридоров, дверей, лестниц, уклоны лестниц. |
производственное здание |
1,5 м |
(9, табл.4) |
|
вспомогательное здание |
0,8 м |
(6, п.1.18*) |
|
|
5. Устройство наружных пожарных лестниц. |
Не требуется |
(9, п.2.21) |
Таблица 1.5. Противопожарные характеристики основных конструкций
-
Степень огнестойкости здания
Пределы огнестойкости строительных конструкций не менее
Наружные стены
Перекрытия межэтажные и чердачные
Покрытия
Лестничные клетки
II
RE15
REI45
RE15
R45
Класс конструкционной опасности
Класс пожарной опасности строительных конструкций, не менее
несущие стержневые элементы
стены наружные внешней стороны
стены перегородки перекрытия и безчердачные покрытия
стены лестничных клеток и противопожарные преграды
марши, площадки, лестницы
С1
К1
К2
К1
К0
К2
1.3.4 Техника безопасности
Не разрешается пересечение технологических линий людскими потоками в одном уровне. Проходы между оборудованием должны обеспечить безопасное движение людей. Ограничения по уровню шума и вибрации приведены в таблице 1.3.
В производственных помещениях применяются соответствующие виды предупреждающей окраски, а также ограждения для опасных производственных зон.
Находящиеся вне помещения склады кислородных баллонов и горюче-смазочных материалов должны иметь соответствующее ограждение и предупредительные знаки, а также должны быть оборудованы необходимыми средствами пожаротушения.
2. Административно-бытовые помещения
2.1 Расчёт численности рабочих, инженерно-технического персонала и управления
По паспорту типового проекта площадь производственного здания в осях составляет 6480 кв.м. В соответствии с заданием на одного рабочего приходится 50 кв.м производственной площади в смену. Количество рабочих в смену составит:
N=6480/50≈130 рабочих.
Поскольку работа ведётся в две смены, общее число работающих составит 260 человек. По заданию отношение числа рабочих женского пола к числу рабочих мужского пола составляет 1:1, т.е. из 260 человек 130 мужчин и 130 женщин. В соответствии с заданием 10 процентов от этого числа являются служащими, т.е. 26 человек. Из этого числа служащих 15 процентов являются руководящим составом, т.е. порядка 4 человек. Таким образом общее число рабочих составит 260-26=234 человека или 117 человек в смену.
В соответствии с (6, п.2.13, табл.6) в группе 1а на одну душевую сетку приходится 25 человек, на один кран 7 человек; в группе 1б на одну душевую сетку приходится 15 человек, на один кран 10 человек. В соответствии с заданием отношение числа рабочих группы 1а к числу рабочих группы 1б составляет 1:1. Принимая число рабочих группы 1а равным 59 человек (группа 1б – 58 человек) получаем следующее количество душевых сеток и кранов:
Кол-во душевых сеток=59/25+58/15≈3+4=7 шт.
Кол-во кранов=59/7+58/10≈9+6=15 шт.
2.2 Определение необходимого перечня административно-бытовых помещений
Необходимый перечень административно-бытовых помещений устанавливается в соответствии с (6, п.1, 2, 3), а также с использованием (10, п.3.2).
2.2.1 Гардеробные
Поскольку на производстве группы Iа и Iб производственных процессов, гардеробные принимаются общими для всех видов одежды. При гардеробных предусматриваются:
площадь для размещения дежурного персонала из расчета 2м2 на каждые 100 человек, работающих в наиболее многочисленной смене, т.е. 4 м2.
площадь для глажения одежды, чистки обуви, бритья, сушки волос и маникюрных из расчета 2м2 на каждые 200 мужчин и 3м2 на 100 женщин работающих в наиболее многочисленной смене.
В качестве гардеробного оборудования используются шкафы с размерами в плане 0,33х0,5 м и высотой 1,65 м. Количество отделений в шкафах принимается равным: для группы Iа 1 отделение; для группы Iб 2 отделения. Количество мест на вешалках для отдельного хранения уличной одежды принимается равным списочному количеству работающих: 260.
В гардеробных, за исключением гардеробных при производствах с процессами группы Iа, должны предусматриваться скамьи. Поскольку гардеробные являются общими, принимаем установку скамей шириной 25 см расположенных у шкафов по всей длине их рядов. Скамьи располагаются по одной из сторон проходов между шкафами.
Расстояние между лицевыми поверхностями шкафов принимаются 1,4м, между лицевыми поверхностями шкафов и стеной или перегородкой - 1,2м.
При гардеробных предусматриваются отдельные кладовые для хранения чистой и загрязненной специальной одежды, каждая площадью 3 м2.
2.2.2 Душевые
Душевые размещаются смежно с гардеробными. При душевых предусматриваются преддушевые, предназначенные для вытирания тела (2,1 м2 в мужском душе и 2,8 м2 в женском). Душевые оборудованы открытыми кабинами, ограждаемыми с трех сторон и отделяемые друг от друга перегородками из влагостойких материалов высотой от пола 1,8м., не доходящими до пола на 0,2м. Размеры в плане 0,9х0,9 м.
Ширин прохода между рядами душевых кабин принимается 1,5м.
2.2.3 Умывальные
Умывальные должны размещаться смежно с гардеробными.
Расстояние между осями кранов умывальников в ряду принимается 0,7м., а между осью крана крайнего умывальника в ряду и стеной или перегородкой 0,5 м.
Каждый умывальник оборудован смесителем горячей и холодной воды. В умывальных предусмотрены крючки для полотенец и одежды, сосуды для жидкого и полочки для кускового мыла.
2.2.4 Уборные
Уборные оборудованы напольными чашами, размещаемыми в отдельных кабинах с дверями, открывающимися наружу. Кабины отделяются друг от друга перегородками высотой от пола 1,8м, не доходящими до пола на 0,2м. Размеры кабины в плане принимаются 1,2х0,8м. В мужских уборных также предусмотрены писсуары (настенные или напольные). Расстояние между осями писсуаров принимается 0,7м.
Количество санитарных приборов принимается следующее (из расчета 15 человек на 1 санитарный прибор): унитазов в женской уборной 4 шт.; напольных чаш и писсуаров в мужской уборной по 2 шт.
Ширина прохода между рядами кабин и писсуаров принимается 1,5 м, между рядом кабин и стеной 1,3 м.
Вход в уборную устроен через тамбур площадью не менее 1,6 м2 с самозакрывающейся дверью. В каждом тамбуре предусмотрен умывальник.
2.2.5 Курительные
Курительные размещаются смежно с уборными или с помещениями для отдыха. Площадь курительной принимается 10 м2.
2.2.6 Помещения здравоохранения
На предприятии предусмотрен медицинский пункт площадью 18 м2. Медицинский пункт должен иметь оборудование по согласованию с местными органами здравоохранения.
Т.к. количество женщин, работающих в наиболее многочисленной смене составляет порядка 59 человек, для них предусмотрено помещение для гигиенического душа размером в плане 2,4х1,2м. Размещается оно в женской уборной, с входом в него из тамбура уборной.
Размеры процедурной кабины 1,8х1,2м. В кабинах должны быть крючки для одежды и белья.
2.2.7 Предприятия общественного питания
Поскольку на предприятии проектируемого промышленного здания списочное количество работающих в наиболее многочисленной смене менее 200 человек, то столовые не предусматриваются. Вместо них предусмотрены столовые - раздаточные с отпуском горячих блюд, доставляемых из других предприятий общественного питания.
2.2.8 Помещения культурного обслуживания
В проекте предусмотрены красные уголки, размещенные вблизи столовых.
2.2.9 Помещения управления, конструкторские бюро, общественных организаций
Площадь помещений управлений и конструкторских бюро определяется из расчета:
рабочих комнат управлений – 4м2 на одно рабочие место;
рабочих комнат конструкторских бюро – 6м2 на одно рабочие место.
При кабинете руководителя производства предусмотрена приемная, площадью 10м2.
В состав рабочих помещений включены также:
Кабинет главного инженера;
Отдел технологов;
Конструкторское бюро;
Отдел кадров;
Кабинет главного технолога;
Отдел снабжения и сбыта;
Бухгалтерия;
Комнаты общественных организаций и помещения кабинетов по технике безопасности площадью 20м2.
2.3 Определение площади административно-бытовых помещений
Исходя из состава помещений (п.2.2) и руководствуясь (9, табл.3.2), (6, табл.7*) были подсчитаны ориентировочные площади помещений. Результаты занесены в таблицу 2.1.
Таблица 2.1. Ориентировочные площади помещений АБК.
|
Наименование помещений |
Измеритель, кол-во |
Площадь на измеритель, м2 |
Площадь, м2 |
|
|
по СНиП |
Фактическая |
|||
|
1 |
2 |
3 |
4 |
5 |
|
1.Гардеробные 1.1.мужская 1.2.женская 1.3.помещение дежурного персонала 1.4.помещение для глажения одежды, чистки обуви и т.д. 1.5.кладовые для хранения специальной одежды |
чел., 117 чел., 117 4 2 и 3 3 |
1,0 1,0 1,0 1,0 1,0 |
117 117 4,0 2,0; 3,0 3,0 |
110 110 4,56 2,5; 2,5 3,0 |
|
2.Душевые 2.1. мужская (58 чел.) 2.2. женская (59 чел.) |
Душ.сетка, 3 Душ.сетка, 4 |
2,38 2,38 |
7,14 9,52 |
10,3 10,3 |
|
3.Преддушевые 3.1. мужская 3.2. женская |
Душ.сетка, 3 Душ.сетка, 4 |
0,7 0,7 |
2,1 2,8 |
5,4 5,4 |
|
4.Умывальные 4.1. мужская 4.2. женская |
краны, 8 краны, 9 |
1,0 1,0 |
8,0 9,0 |
9,72 9,72 |
|
5.Уборные 5.1. мужская (тамбур) 5.2. женская (тамбур) 5.3. гигиенический душ |
Прибор, 4 Прибор, 4 100 женщин |
2,0 2,0 2,88 |
8,0 (1,3) 8,0 (1,3) 2,88 |
17,8(4,05) 14,0(4,05) 3,73 |
|
6.Курительные 6.1. мужская 6.2. женская |
1 1 |
9,0 9,0 |
9,0 9,0 |
9,46 10,78 |
|
7.Помещения общественных организаций |
2 |
12 |
24 |
23,25 |
|
8.Пункт первой медицинской помощи |
1 |
18 |
18 |
24,51 |
|
9.Столовая-раздаточная 9.1.Зал с раздаточной 9.2.Подсобка 9.3.Моечные |
Мест, 30 Мест, 30 Мест, 30 |
2,0 0,7 0,3 |
60 21 9 |
73,20 21 15 |
|
10.Красный уголок |
Чел. В смену |
0,3 |
35,1 |
34,29 |
|
11.Рабочие комнаты 11.1.Отдел кадров 11.2.Бугалтерия 11.3.Отдел снабжения и сбыта 11.4.Отдел технологов 11.5.Кабинет по технике безопасности |
чел., 3 чел., 3 чел., 3 чел., 3 1 |
4,0 4,0 4,0 4,0 20 |
12 12 12 12 20 |
19,2 19,2 15 19,2 18,6 |
|
13.Конструкторское бюро |
8 |
6,0 |
48 |
48 |
|
14.Кабинеты руководителей 14.1.Директор 14.2.Главный инженер 14.3.Главный технолог 14.4.Приёмная |
1 1 1 1 |
20 15 15 10 |
20 15 15 10 |
20,4 19,4 19,2 14,5 |
|
15.Вестибюль |
Чел. В смену |
0,15 |
17,55 |
48 |
|
ИТОГО: |
åF' |
åF |
||
|
684,69 |
754,32 |
Учитывая площадь, занятую переходами, лестницами, перегородками и стенами в соответствии с (10, стр,29) получим требуемую площадь:
åF=684,69(1,3)=890,1 м2
Принимаем одноэтажное здание. Ширину здания принимаем равной 18 м., а длину в соответствии с шириной производственного здания по типовому проекту L=54 м. Окончательно площадь АБК принимаем 972 м2.
2.4 Объемно-планировочное решение
Объемно-планировочное решение административно-бытового комплекса (план этажа, разрез и фасад) представлено на эскизах 2.1, 2.2 и 2.3 соответственно.
2.5 Конструктивное решение
В качестве конструктивного остова здания АБК принят ж.б. каркас:
В качестве несущих конструкций приняты ж.б. колонны сечением 300х300 марки 2 КО 3.33 (28) одно- и двухконсольные высотой на один этаж. В качестве несущих конструкций покрытия приняты одно- и двухполочные ригели марок РО 6.60 и РД 6.60. Покрытием являются ж.б. многопустотные рядовые и связевые плиты марок ПК 57.15 и ПК 57-12. В качестве ограждения принимаются однослойные керамзитобетонные панели.
3. Производственное здание
3.1 Разработка эскизов производственного здания
3.1.1 Определение габаритных размеров здания и выбор конструктивного остова
В соответствии со схемой размещения оборудования, его габаритами и проходами между ними устанавливаются необходимые минимальные размеры цехов. Размеры пролетов, шагов и общие габариты размера в плане принимаются в соответствии с типовым проектом.
Высота производственного помещения определяется исходя из наличия кранового оборудования. Во всех трёх пролётах здания имеются подвесные краны (кран-балки). В соответствии с (10. п.4.1.1) высота помещения должна составлять:
Н=а + б + в + г + д + А + е(3.1)
Где: а=2,0 м - высота наибольшего технологического оборудования; б=0,5 м - зазор между верхом наибольшего технологического оборудования и низом перемещаемого груза, поднятого в верхнее положение; в=1,0 м - высота перемещаемого груза в транспортном положении; г=1,0 м - расстояние от верха транспортируемого груза до центра крюка; д=1,0 м - расстояние от центра крюка до низа кран-балки; А=0,3 м - высота кран-балки; е=0,2 м - просвет между верхом крана и низом несущих конструкций покрытия (крепление).
Н=2,0+0,5+1,0+1,0+1,0+0,3+0,2=6,0 м
В соответствии с расчётом высота помещения до верха несущих элементов покрытия составляет 6,0 м, что соответствует размерам приведенным в типовом проекте.
3.1.2 Светотехнический расчет производственного здания
Рассмотрим помещение попавшее в разрез (№10 и №11) размерами 18х30 м. На основе требований освещенности рабочего места предварительно определяют необходимую площадь окон при боковом освещении по формуле:
S0= (eн*h0*Sп*Кз*Кзд)/(t0*r1*100)(3.2)
Где:
S0 – требуемая площадь окон, м2;
eн– нормированное значение К.Е.О равное:
eн= eн,бок*m*c(3.3)
eн,бок= 0,8 (табл.1.3).
m – коэффициент светового климата равный 0,9 (7, табл.4).
с – коэффициент расположения окон равный 0,7 (7, табл.5).
eн=0,8*0,9*0,7=0,504
Кз – коэффициент запаса равный 1,2 (7, стр.15).
h0 – световая характеристика окон: h0=18,2 (7, табл.26).
Sп – площадь пола рассматриваемого помещения равная 540 м2.
Кзд – коэффициент, учитывающий изменения внутренней огражденной составляющей К.Е.О. в помещении при наличии противостоящих зданий, при отсутствии таковых Кзд=1,0 (7, табл.27).
t0 – общий коэффициент светопропускания окон, определяемый по формуле:
t0=t1t2t3t4t5(3.4)
t1=0,8 – коэффициент светопропускания материала (7, табл.28);
t2=0,6 – коэффициент, учитывающий потери света в переплетах (7, табл.28);
t3=0,8 – коэффициент, учитывающий потери света в несущих конструкциях (7, табл.28);
t4=1 – коэффициент, учитывающий потери в солнце защитных устройствах (7, табл.29);
t5 – коэффициент учитываемый при наличии фонарей.
t0=0,8*0,6*0,8*1=0,384
r1=3,46 коэффициент, учитывающий повышение КЕО при боковом освещении благодаря свету, отраженному от поверхностей помещения и подстилающего слоя прилегающего к зданию (7, табл.30).
S0=
(eн*h0*Sп*Кз*Кзд)/(t0*r1*100)
= =(0,504*18,2*540*1,2*1)/(0,384*3,46*100)
44,74
м2.
Принимая сплошное остекление получаем высоту окна равную 1,5 м. с учётом типовых размеров оконных блоков окончательно высота окна принимается равной 1,8 м.
Коэффициент естественной освещенности при боковом освещении помещений определяется по формуле:
е
=Еб*q*r1*t0/Кз(3.5)
где Еб – геометрический КЕО в расчетной точке при боковом освещении, учитывающий прямой свет неба, определяемый по графикам А.М.Данилюка.
Еб=0,01*(n1*n2)(3.6)
Где n2 =100, т.к. принято ленточное остекление.
q – коэффициент, учитывающий неравномерную яркость облачного неба; r1, Кз и t0 – тоже что и в формуле 3.4.
Таким образом формула 3.5 примет вид:
е
=
n1*q*r1*t0/Кз(3.7)
Все расчёты сведены в таблицу 3.1.
Таблица 3.1. Светотехнический расчет производственного здания.
|
Номера точек на поперечнике |
n1 |
n2 |
eб=0.01n1n2 |
t0 |
q |
r1 |
eб=eбqt0r1/kз |
е |
m |
en=emc |
|
1 |
12 |
100 |
12 |
0,384 |
1,02 |
1,05 |
4,12 |
0,8 |
0.9 |
0,72 |
|
2 |
11 |
11 |
0,82 |
1,15 |
3,32 |
|||||
|
3 |
9 |
9 |
0,76 |
1,26 |
2,86 |
|||||
|
4 |
6 |
9 |
0,75 |
1,8 |
2,39 |
|||||
|
5 |
4 |
6 |
0,74 |
2,31 |
2,19 |
|||||
|
6 |
2 |
3 |
0,72 |
3,55 |
1,63 |
Как видно из таблицы условие по естественной освещенности выполняется во всех расчётных точках. По данным таблицы 3.1 построен график естественной освещенности (рис. 3.1). В среднем пролёте боковое освещение отсутствует, поэтому без расчёта принимается верхнее освещение. В качестве источника света принимаются зенитные фонари.
3.1.3 Выбор типа ограждающих конструкций
В соответствии с заданием в качестве ограждения принимаются однослойные панели из керамзитобетона объемным весом g=800кг/м3. Необходимо определить толщину панели. Расчётная схема сечения панели показана на рисунке 3.2.

Расчетная температура внутри производственного помещения tвн=160С, влажность jв=60%, а административного здания tвн=180С, jв=60%. Температурой наиболее холодной пятидневки tн5=-270С (табл. 1.1). По (2, прил.2) принимаем группу условий эксплуатации Б.
Определим
требуемое значение сопротивления
теплопередаче стеновых панелей R0тр из
условий гигиены. По (13, табл. 1.24) для
производственного помещения R0тр≈0,618
м2*0С/Вт, для помещения АБК R0тр≈0,726
м2*0С/Вт. По (13, табл. 1.27) для производственного
здания принимаем керамзитобетонную
панель толщиной 200 мм (R0тр=0,69). Для
помещений АБК принимаем керамзитобетонную
панель толщиной 240 мм (R0тр=0,81).
По заданию в качестве покрытия принимаются ж.б. плиты с утеплителем из керамзитобетона g=600кг/м3.
Определим требуемое значение сопротивления теплопередаче из условий теплосбережения по (2, табл.1б*):
Производственное здание:
ГСОП=(16+4,8)х201=4180,8 г-с.
Панели: R0тр≈1,84 м2*0С/Вт
Покрытие: R0тр≈1,84 м2*0С/Вт
АБК: ГСОП=(18+4,8)х201=4582,8 г-с.
Панели: R0тр≈2,57 м2*0С/Вт
Покрытие: R0тр≈2,9 м2*0С/Вт
По (2, прил.3*) коэффициент теплопроводности λ для керамзитобетона при g=800кг/м3 равен 0,31 Вт/м0С, при g=600кг/м3 – 0,26 Вт/м0С.
Требуемая толщина стеновых панелей в производственном здании составит: δ=(1,84-0,69)х0,31=0,36 м=360 мм. Требуемая толщина утеплителя в покрытии: δ=1,84х0,26=0,478 м=478мм.
Требуемая толщина стеновых панелей в здании АБК составит:
δ=(2,57-0,81)х0,31=0,546 м=546 мм. Требуемая толщина утеплителя в покрытии: δ=2,9х0,26=0,754 м=754 мм.
Окончательно принимаем двухслойную панель с утеплителем снаружи.
Схема сечения покрытия и принятой конструкции стеновой панели показана на рисунке 3.3.
3.2 Описание принятого объемно-планировочного решения производственного здания
Производственное здание одноэтажное, имеет прямоугольную форму в плане (102х54м).
Экспликация помещений приведена в таблице 3.2.
Таблица 3.2. Экспликация помещений
|
№ п/п |
Наименование |
Площадь, м |
Категория производства по взрывной, взрывопожарной и пожарной опасности |
|
1. |
Ремонтно-механический цех |
324,00 |
Д |
|
2. |
Участок огрунтовки |
216,00 |
В |
|
3. |
Отделение заготовки сантехнических узлов |
432.00 |
В |
|
4. |
Отделение металлоизделий |
432,00 |
Д |
|
5. |
Отделение изготовления пакетов утепления и резки герметового шнура |
108.00 |
В |
|
6. |
Отделение сборки мусоропровода |
102,00 |
Д |
|
7. |
Отделение комплектации |
816,00 |
В |
|
8. |
Москательно-колерное отделение |
216.00 |
В |
|
9. |
Отделение заготовки обоев |
103,00 |
В |
|
10. |
Отделение электротехнических устройств |
108,00 |
В |
|
11. |
Склад отапливаемый |
648.00 |
В |
|
12. |
Отделение раскройки и сварки линолеума |
432,00 |
В |
|
13. |
Насосная |
96.00 |
Д |
|
14. |
Цех комплектации столярных изделий |
276,00 |
В |
|
15. |
Склад не отапливаемый |
972.00 |
В |

В
качестве транспортных средств во всех
трёх пролётах используются кран-балки
грузоподъемностью 5т. Привязка кранов
к разбивочным осям показана на рисунке
3.3.
Здание имеет 3 пролета по 18м с шагом 12м (по заданию).
Высота до низа несущих конструкций 6 м.
В соответствии с требованиями ЕМС, УТС и УТП использовалась рабочая сетка кратная укрупненному модулю 3М. Привязки колонн к продольным и поперечным разбивочным осям выполнена с учётом унифицированных размеров колонн и крепления к ним панелей.
Примыкание административно-бытового здания к производственному осуществляется по всей длине АБК (в соответствии с типовым проектом).
В качестве несущего остова принят железобетонный каркас.
Поскольку длина производственного здания составляет 102 м (не считая не отапливаемого склада), то необходимо устройство температурного шва. Ось поперечного температурного шва на парных колоннах с пролетами равной высоты совмещена с поперечной координационной осью. Привязка предусматривает смещение геометрических осей сечения колонны на 500 мм в обе стороны от разбивочной оси.
3.3 Описание и выбор основных несущих конструкций
Несущий остов промышленного здания составляет железобетонный каркас, огражденный навесными стенами. Рамный железобетонный каркас состоит из фундаментов, колонн, несущих конструкций (ферм) и связей жёсткости. Конструктивный остов здания показан на рисунке 2.
3.3.1 Колонны
Поскольку во всех пролётах имеются только кран-балки, принимаются колонны постоянного сечения.
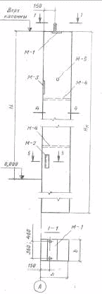
В торце здания, а также у наружного ряда устанавливаются фахверковые колонны. Тип, конструкция и характеристики подобранных основных колонн и фахверков приведены в таблице 3.3.
Таблица 3.3. Спецификация колонн и фахверков.
|
Вид конструкции и эскиз |
Марка |
Размеры, мм. |
Кол-во |
Масса ед., кг |
||
|
L |
B |
H |
||||
|
Колонны крайнего ряда. |
К60-21 |
6800 |
300 |
400 |
21 |
2150 |
|
|
К60-37 |
6800 |
300 |
400 |
21 |
2160 |
|
|
КФ12 |
6900 Нн=4700, Нв=2200 |
300 |
400 |
23 |
1990 |
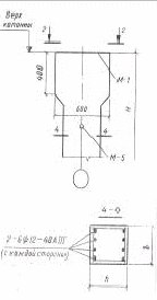
3.3.2 Фундаменты
Поскольку проектируемое здание каркасного типа принимаются фундаменты стаканного типа. Размеры стакана принимаются в соответствии с сечением колонн. Поскольку детальный расчёт фундаментов в данном проекте не ведётся, то размеры подошвы принимаются условно.
Глубину заложения фундамента определим по формуле:
H=dfnkn(3.5)
dfn= 1.41 м. – нормативная глубина промерзания (табл. 1.1);
kn = 0.6 – коэффициент, учитывающий влияние теплового режима здания на промерзание грунта у наружных стен (12, табл.1).
Н=1,41´0,6=0,846 м.
Таблица 3.4. Спецификация фундаментов.
|
Вид конструкции и эскиз |
Марка фундамента |
Сечение колонны |
Размеры стакана и подколонника |
|||
|
а´в |
hc |
а3´в3 |
Расход бетона, м3 |
|||
|
См. рис. 3.4. |
ФА9-1 |
300х400 |
3000´2400 |
800 |
2100´1500 |
3,8 |

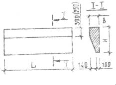
3.3.3 Фундаментные балки
Размеры длин фундаментных балок соответствуют принятому шагу колонн и принимаются в зависимости от размеров подколонников и способов опирания. Ширина поверху соответствует толщине стены.
Узлы опирания балок на фундаменты и опирания стены на фундаментную балку, привязка к уровню пола показаны на рисунках 3.5 и 3.6. Подобранные фундаментные балки приведены в таблице 3.5.
Таблица 3.5.Спецификация фундаментных балок.
|
Вид, конструкции и эскиз |
Марка |
Размеры, мм. |
Масса, кг |
||
|
L |
A |
B |
|||
|
См. рис. 3.5, 3.6. |
ФБН2 |
10700 |
400 |
600 |
5100 |
|
ФБН2-к |
10200 |
4900 |
0100090000032a0200000200a20100000000a201000026060f003a03574d4643010000000000010049eb0000000001000000180300000000000018030000010000006c0000000000000000000000350000006f0000000000000000000000763c0000d131000020454d4600000100180300001200000002000000000000000000000000000000c0120000131a0000cb0000001b010000000000000000000000000000f818030078510400160000000c000000180000000a0000001000000000000000000000000900000010000000450e0000c50b0000250000000c0000000e000080250000000c0000000e000080120000000c00000001000000520000007001000001000000a4ffffff00000000000000000000000090010000000000cc04400022430061006c006900620072006900000000000000000000000000000000000000000000000000000000000000000000000000000000000000000000000000000000001100c09a110010000000249e1100a49b1100524f6032249e11001c9b1100100000008c9c1100089e1100244f6032249e11001c9b110020000000ac762e311c9b1100249e110020000000ffffffff5c2bee0027772e31ffffffffffff0180ffff01803fff0180ffffffff0000010000080000000800004300000001000000000000005802000025000000372e9001cc00020f0502020204030204ef0200a07b20004000000000000000009f00000000000000430061006c006900620072000000000000000000e49b1100bf222e3130ee0f32449f1100509b1100ee39273108000000010000008c9b11008c9b1100187a253108000000b49b11005c2bee006476000800000000250000000c00000001000000250000000c00000001000000250000000c00000001000000180000000c0000000000000254000000540000000000000000000000350000006f0000000100000055558740a0ab87400000000057000000010000004c000000040000000000000000000000480e0000c50b000050000000200056bf3600000046000000280000001c0000004744494302000000ffffffffffffffff460e0000c60b0000000000004600000014000000080000004744494303000000250000000c0000000e000080250000000c0000000e0000800e000000140000000000000010000000140000000400000003010800050000000b0200000000050000000c02e7014f02040000002e0118001c000000fb020300010000000000bc02000000cc0102022253797374656d0000000000000000000000000000000000000000000000000000040000002d010000040000002d01000004000000020101001c000000fb02f1ff0000000000009001000000cc0440002243616c6962726900000000000000000000000000000000000000000000000000040000002d010100040000002d010100040000002d010100050000000902000000020d000000320a0e00000001000400000000004e02e80120150900040000002d010000040000002d010000030000000000

3.3.4 Фермы покрытия
В соответствии с заданием принимаются ж.б. фермы покрытия. Фермы разработаны для применения в скатных и малоуклонных покрытиях одноэтажных промышленных зданий с фонарями при пролетах 18 м и шаге колон 12 м. На рисунке 3.8. показаны узлы опирания фермы.
Таблица 3.6. Спецификация ферм покрытия.
|
Вид конструкции и эскиз |
Марка |
Размеры, мм |
Кол-во |
Масса, кг |
||
|
L |
B |
H |
||||
|
Ж.б. ферма (см. рис. 3.7) |
ФБ181-1 |
17940 |
240 |
3000 |
63 |
600 |

0100090000032a0200000200a20100000000a201000026060f003a03574d4643010000000000010049eb0000000001000000180300000000000018030000010000006c0000000000000000000000350000006f0000000000000000000000763c0000d131000020454d4600000100180300001200000002000000000000000000000000000000c0120000131a0000cb0000001b010000000000000000000000000000f818030078510400160000000c000000180000000a0000001000000000000000000000000900000010000000450e0000c50b0000250000000c0000000e000080250000000c0000000e000080120000000c00000001000000520000007001000001000000a4ffffff00000000000000000000000090010000000000cc04400022430061006c006900620072006900000000000000000000000000000000000000000000000000000000000000000000000000000000000000000000000000000000001100c09a110010000000249e1100a49b1100524f6032249e11001c9b1100100000008c9c1100089e1100244f6032249e11001c9b110020000000ac762e311c9b1100249e110020000000ffffffff5c2bee0027772e31ffffffffffff0180ffff01803fff0180ffffffff0000010000080000000800004300000001000000000000005802000025000000372e9001cc00020f0502020204030204ef0200a07b20004000000000000000009f00000000000000430061006c006900620072000000000000000000e49b1100bf222e3130ee0f32449f1100509b1100ee39273108000000010000008c9b11008c9b1100187a253108000000b49b11005c2bee006476000800000000250000000c00000001000000250000000c00000001000000250000000c00000001000000180000000c0000000000000254000000540000000000000000000000350000006f0000000100000055558740a0ab87400000000057000000010000004c000000040000000000000000000000480e0000c50b000050000000200056bf3600000046000000280000001c0000004744494302000000ffffffffffffffff460e0000c60b0000000000004600000014000000080000004744494303000000250000000c0000000e000080250000000c0000000e0000800e000000140000000000000010000000140000000400000003010800050000000b0200000000050000000c02e7014f02040000002e0118001c000000fb020300010000000000bc02000000cc0102022253797374656d0000000000000000000000000000000000000000000000000000040000002d010000040000002d01000004000000020101001c000000fb02f1ff0000000000009001000000cc0440002243616c6962726900000000000000000000000000000000000000000000000000040000002d010100040000002d010100040000002d010100050000000902000000020d000000320a0e00000001000400000000004e02e80120150900040000002d010000040000002d010000030000000000
3.3.5 Связи жесткости
Для повышения устойчивости здания в продольном направлении предусматривается система вертикальных и горизонтальных связей между колоннами каркаса и в покрытии.
Связи изготавливают из уголков и крепятся к железобетонным конструкциям сваркой.
В пролетах с фонарями в торцах фонарных проемов устанавливают горизонтальные связи.
Крайние подстропильные фермы связываются стальными распорками с верхними поясами стропильных ферм дополнительно к связи, обеспечиваемой диском покрытия.
Горизонтальные усилия от подвесных кранов передаются системой жестких связей на колонны или специальные конструкции.
0100090000032a0200000200a20100000000a201000026060f003a03574d4643010000000000010049eb0000000001000000180300000000000018030000010000006c0000000000000000000000350000006f0000000000000000000000763c0000d131000020454d4600000100180300001200000002000000000000000000000000000000c0120000131a0000cb0000001b010000000000000000000000000000f818030078510400160000000c000000180000000a0000001000000000000000000000000900000010000000450e0000c50b0000250000000c0000000e000080250000000c0000000e000080120000000c00000001000000520000007001000001000000a4ffffff00000000000000000000000090010000000000cc04400022430061006c006900620072006900000000000000000000000000000000000000000000000000000000000000000000000000000000000000000000000000000000001100c09a110010000000249e1100a49b1100524f6032249e11001c9b1100100000008c9c1100089e1100244f6032249e11001c9b110020000000ac762e311c9b1100249e110020000000ffffffff5c2bee0027772e31ffffffffffff0180ffff01803fff0180ffffffff0000010000080000000800004300000001000000000000005802000025000000372e9001cc00020f0502020204030204ef0200a07b20004000000000000000009f00000000000000430061006c006900620072000000000000000000e49b1100bf222e3130ee0f32449f1100509b1100ee39273108000000010000008c9b11008c9b1100187a253108000000b49b11005c2bee006476000800000000250000000c00000001000000250000000c00000001000000250000000c00000001000000180000000c0000000000000254000000540000000000000000000000350000006f0000000100000055558740a0ab87400000000057000000010000004c000000040000000000000000000000480e0000c50b000050000000200056bf3600000046000000280000001c0000004744494302000000ffffffffffffffff460e0000c60b0000000000004600000014000000080000004744494303000000250000000c0000000e000080250000000c0000000e0000800e000000140000000000000010000000140000000400000003010800050000000b0200000000050000000c02e7014f02040000002e0118001c000000fb020300010000000000bc02000000cc0102022253797374656d0000000000000000000000000000000000000000000000000000040000002d010000040000002d01000004000000020101001c000000fb02f1ff0000000000009001000000cc0440002243616c6962726900000000000000000000000000000000000000000000000000040000002d010100040000002d010100040000002d010100050000000902000000020d000000320a0e00000001000400000000004e02e80120150900040000002d010000040000002d010000030000000000
Узлы крепления связей к колоннам показаны на рис. 3.9.
3.4 Описание и выбор ограждающих конструкций
3.4.1 Наружные стены
Материал и конструкция стены принимаются по зданию (крупные однослойные панели длиной 12 м с утеплителем из керамзитобетона толщиной 200 и240 мм).
Основные узлы крепления и сопряжения панелей приведены на рисунках 3.10 и 3.11. Спецификация стеновых панелей сведена в таблицу 3.7.
Таблица 3.7. Спецификация панелей ограждения.
|
Название и эскиз |
Марка |
Размеры, мм |
Кол-во |
Масса, т |
||
|
L |
H |
B |
||||
|
1. Панели стен рядовые с дополнительным утеплителем.0100090000032a0200000200a20100000000a201000026060f003a03574d4643010000000000010049eb0000000001000000180300000000000018030000010000006c0000000000000000000000350000006f0000000000000000000000763c0000d131000020454d4600000100180300001200000002000000000000000000000000000000c0120000131a0000cb0000001b010000000000000000000000000000f818030078510400160000000c000000180000000a0000001000000000000000000000000900000010000000450e0000c50b0000250000000c0000000e000080250000000c0000000e000080120000000c00000001000000520000007001000001000000a4ffffff00000000000000000000000090010000000000cc04400022430061006c006900620072006900000000000000000000000000000000000000000000000000000000000000000000000000000000000000000000000000000000001100c09a110010000000249e1100a49b1100524f6032249e11001c9b1100100000008c9c1100089e1100244f6032249e11001c9b110020000000ac762e311c9b1100249e110020000000ffffffff5c2bee0027772e31ffffffffffff0180ffff01803fff0180ffffffff0000010000080000000800004300000001000000000000005802000025000000372e9001cc00020f0502020204030204ef0200a07b20004000000000000000009f00000000000000430061006c006900620072000000000000000000e49b1100bf222e3130ee0f32449f1100509b1100ee39273108000000010000008c9b11008c9b1100187a253108000000b49b11005c2bee006476000800000000250000000c00000001000000250000000c00000001000000250000000c00000001000000180000000c0000000000000254000000540000000000000000000000350000006f0000000100000055558740a0ab87400000000057000000010000004c000000040000000000000000000000480e0000c50b000050000000200056bf3600000046000000280000001c0000004744494302000000ffffffffffffffff460e0000c60b0000000000004600000014000000080000004744494303000000250000000c0000000e000080250000000c0000000e0000800e000000140000000000000010000000140000000400000003010800050000000b0200000000050000000c02e7014f02040000002e0118001c000000fb020300010000000000bc02000000cc0102022253797374656d0000000000000000000000000000000000000000000000000000040000002d010000040000002d01000004000000020101001c000000fb02f1ff0000000000009001000000cc0440002243616c6962726900000000000000000000000000000000000000000000000000040000002d010100040000002d010100040000002d010100050000000902000000020d000000320a0e00000001000400000000004e02e80120150900040000002d010000040000002d010000030000000000 |
ПС120.12.30-I П-1 ПС120.18.30-I П-1 |
11970 |
1180 1780 |
300 |
40 20 |
5,4 8,2 |
|
2. Панели карнизные
|
ПК 60.7-л |
5980 |
700 |
240 |
20 |
1,3 |

3.4.2 Плиты покрытия
В соответствии с заданием принимаются железобетонные ребристые плиты покрытия. Тип плиты определяется в соответствии с весом конструкции покрытия, а также нагрузок от подвесного транспорта, ветра, снега. Схема плиты в плане и её сечение показано на рисунке 3.12. Узел сопряжения плиты показан на рисунке 3.13.
0100090000032a0200000200a20100000000a201000026060f003a03574d4643010000000000010049eb0000000001000000180300000000000018030000010000006c0000000000000000000000350000006f0000000000000000000000763c0000d131000020454d4600000100180300001200000002000000000000000000000000000000c0120000131a0000cb0000001b010000000000000000000000000000f818030078510400160000000c000000180000000a0000001000000000000000000000000900000010000000450e0000c50b0000250000000c0000000e000080250000000c0000000e000080120000000c00000001000000520000007001000001000000a4ffffff00000000000000000000000090010000000000cc04400022430061006c006900620072006900000000000000000000000000000000000000000000000000000000000000000000000000000000000000000000000000000000001100c09a110010000000249e1100a49b1100524f6032249e11001c9b1100100000008c9c1100089e1100244f6032249e11001c9b110020000000ac762e311c9b1100249e110020000000ffffffff5c2bee0027772e31ffffffffffff0180ffff01803fff0180ffffffff0000010000080000000800004300000001000000000000005802000025000000372e9001cc00020f0502020204030204ef0200a07b20004000000000000000009f00000000000000430061006c006900620072000000000000000000e49b1100bf222e3130ee0f32449f1100509b1100ee39273108000000010000008c9b11008c9b1100187a253108000000b49b11005c2bee006476000800000000250000000c00000001000000250000000c00000001000000250000000c00000001000000180000000c0000000000000254000000540000000000000000000000350000006f0000000100000055558740a0ab87400000000057000000010000004c000000040000000000000000000000480e0000c50b000050000000200056bf3600000046000000280000001c0000004744494302000000ffffffffffffffff460e0000c60b0000000000004600000014000000080000004744494303000000250000000c0000000e000080250000000c0000000e0000800e000000140000000000000010000000140000000400000003010800050000000b0200000000050000000c02e7014f02040000002e0118001c000000fb020300010000000000bc02000000cc0102022253797374656d0000000000000000000000000000000000000000000000000000040000002d010000040000002d01000004000000020101001c000000fb02f1ff0000000000009001000000cc0440002243616c6962726900000000000000000000000000000000000000000000000000040000002d010100040000002d010100040000002d010100050000000902000000020d000000320a0e00000001000400000000004e02e80120150900040000002d010000040000002d010000030000000000
Таблица 3.8. Спецификация плит покрытия.
|
Вид конструкции |
Марка |
Размеры, мм |
Кол-во |
Масса, кг |
||
|
L |
B |
H |
||||
|
Плита покрытия глухая |
2ПГ12-18рПТ |
11960 |
2980 |
455 |
140 |
7400 |
|
Плита покрытия с отверстием |
2ПВ12-18рПТ-7 |
40 |
7900 |


3.4.3 Кровля и система водоотвода
Поскольку в качестве покрытия используются ж.б. плиты принимается кровля из рулонных материалов с битумной пропиткой, уклоном 3 %. Конструкция кровли приведена на рисунке 3.14.
В связи с обширной площадью водосбора принимается внутренний водоотвод. На рисунке 3.15 представлена схема размещения воронок в плане. Воронка и связывающие её с канализацией внутренние водостоки из патрубков диаметром 100 мм. В местах установки водосточных воронок и деформационных швах основной водоизоляционный ковер усиливается двумя слоями стеклоткани. Конструкция кровли в месте деформационного шва и устройство водосточных воронок представлены на рисунках 3.16 и 3.17.

Сопряжение кровли со стеной решается в виде парапета с выступающими над кровлей парапетными панелями.


3.5 Прочие элементы промышленных зданий
3.5.1 Окна, фонари
Размеры окон определяются на основе светотехнического расчета. Высота оконного проема в соответствии с требованиями унификации принимается кратной 600 мм.
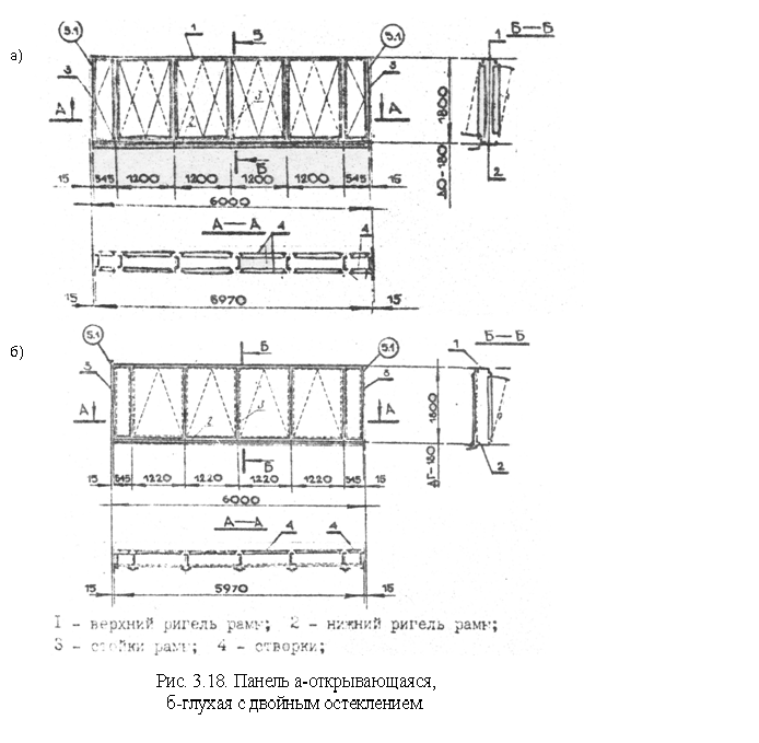
В проекте принято ленточное остекление. В среднем пролёте приняты зенитные фонари с круглым куполом из стеклопластика, диаметром 1500 мм (горизонтальная проекция площади одного фонаря составляет порядка 7 м2). Всего фонарей 20 шт. расположенных в шахматном порядке. Принятые виды заполнения оконных проемов представлены в таблице 3.9. Внешний вид и основные узлы показаны на рисунках 3.18, 3.19 и 3.20.



Таблица 3.9. Спецификация оконных проемов
-
Марка ПОЗ
Обозначение
Наименование
Размер проема, мм
Размер блока, мм
Кол.
ОК-1
ГОСТ 21096-75
ДГ-180 ленточный
1820х6050
1800х6000
20
ОК-2
ГОСТ 21096-75
ДО-180 ленточный
1820х6050
1800х6000
20
3.5.2 Двери и ворота
Спецификация заполнения дверных проемов приведена в таблице 3.10. Внешний вид и узлы дверей показаны на рисунках 3.21 и 3.22 соответсвено.
Таблица 3.10.Спецификация ворот и дверных проемов.
-
Марка
Обозначение
Наименование
Размер проема, мм
Размер блока, мм
Кол-во
1
ГОСТ 14624-84
ДВГ 21-13
1310х2070
1272х2071
2
ГОСТ 14624-84
ДНГ 24-10
1010х2370
984Х2385
3
ГОСТ 14624-84
ДНО 24-10
1010х2370
984Х2385


3.5.3 Полы
В проекте приняты бетонные полы. Экспликация полов представлена в таблице 3.11.
Таблица 3.11.Экспликация полов.
-
Наименование помещения
Тип пола
Схема пола
Элементы пола и их толщина
Площадь пола, м2
Все производственные помещения
Бетонный

1) Цементная стяжка М200 (20 мм.);
2) Бетонный подстил М100 (130 мм.);
3) Уплотненное грунтовое основание
6480
3.5.4 Перегородки
В проекте принимаются сборно-разборные панельные железобетонные перегородки марок ПГ 60.30-2-Л и ПГ 60.30-2-Л-Д1.
4. Технико-экономические показатели
Основные технико-экономические показатели приведены в таблицах 3.12 и 3.13.
Таблица 3.12. ТЭП (Производственное здание)
-
Наименование показателя
Обозначение
Значение
Общая площадь
П
6480
Площадь застройки
Пз
6620
Строительный объем здания
Q
38880
Удельная площадь на одного рабочего
Пуд
24,92
Удельный объем здания на одного рабочего
Qуд
149,54
Таблица 3.13. ТЭП (Вспомагательное здание)
-
Наименование показателя
Обозначение
Значение
Рабочая площадь
Пр
706,32
Подсобная площадь
Ппод
170,64
Общая площадь
Побщ
876,96
Строительный объем здания
Q
3762
К1
К1
0,805
К2
К2
5,326
В соответствии с укрупненными показателями по (14, прил.17) стоимость промышленного здания составляет:
С = 46,6х6655=310,123 тыс.руб. по состоянию на 1992 г.
5. Генеральный план
Уровень пола первого этажа здания расположен на отметке на 150 мм выше отметки примыкающих участков территории. Вдоль наружных стен здания устроена отмостка шириной 500 мм.
На территории предусмотрены зелёные насаждения.
Основные технико-экономические показатели генерального плана приведены в таблице 3.14.
Таблица 3.14. ТЭП генплана.
|
Наименование показателя |
Обозначение |
Значение |
|
Площадь промплощадки, м2 |
Пуч |
25800 |
|
Площадь застройки основными зданиями, м2 |
Пзас |
7700 |
|
Площадь занятая зданиями, дорогами, озеленением, м2 |
Пит |
18600 |
|
Площадь озеленения, м2 |
Позел |
3500 |
|
Коэффициент плотности застройки К1 |
К1 |
0,298 |
|
Коэффициент использования территории К2 |
К2 |
0,721 |
|
Коэффициент озеленения |
Кз |
0,136 |
Список литературы
СНиП 2.01.01-82 Строительная климатология и геофизика.
СНиП II-3-79 Строительная теплотехника / Госстрой СССР.- М.: ЦИТП Госстроя СССР. 1986.- 32 с.
СНиП 2.07.01-89 Планировка и застройка городских и сельских поселений/Госстрой СССР,- М.; ЦИТП Госстроя СССР, 1991.-56 с.
#P 3 0 1001 1 2000000007 0000#G0СНиП II-7-81* Строительство в сейсмических районах
СН 245-71 Санитарные нормы проектирования промышленных предприятий / Госстрой СССР.- М.: 1972. -96 с.
СНиП 2.09.04-87* Административные и бытовые здания.
СНиП 23-05-95 Естественное и искусственное освещение
СНиП II-89-80* Генеральные планы промпредприятий.
СНиП 2.09.02-85* Производственные здания.
К.А. Колосова, П.Н. Григорьев, А.В. Русинов, Методическая разработка к курсовому проекту № 3 по архитектуре “Промышленное здание”. Часть I. – Хабаровcк: ХабИИЖТ, 1992.- 88 с.
СНиП 2.02.01-83 Основания зданий и сооружений / Минстрой России - М: ГП ЦПП, 1995
Трепененков Р. И.. Альбом чертежей конструкций и деталей промышленных зданий. Стройиздат, - М; 1980. – 290 с.
К.А. Колосова, П.Н. Григорьев, А.В. Русинов, Методическая разработка к курсовому проекту № 3 по архитектуре “Промышленное здание”. Часть I. – Хабаровcк: ХабИИЖТ, 1992.- 88 с.
К.А. Колосова, П.Н. Григорьев, А.В. Русинов, Методическая разработка к курсовому проекту № 3 по архитектуре “Промышленное здание”. Часть I I. – Хабаровcк: ХабИИЖТ, 1992.- 89 с.







