Проектирование двухэтажного двухквартирного здания
Проектирование 2-х этажного 2-х квартирного здания
1. Объемно-планировочное решение

Рисунок 1
Здание в плане имеет сложную форму.
Конструктивное схема здания – здание бескаркасное, с продольными несущими стенами блокированного типа, состоит из двух блок-квартир. Квартиры 4 комнатные в двух уровнях.
Основные параметры:
Количество этажей - 2;
Высота этажа – 2,8 м;
Состав квартиры на первом этаже:
гостиная – 20,12 м 2,
прихожая –6,86 м 2,
кладовая – 1,2 м 2,
туалет – 1,2 м 2,
кухня – 8,15 м 2,
тамбур – 1,79 м 2,
веранда – 15,4 м 2.
На втором этаже располагаются:
холл –8,11 м 2,
спальня – 8,15 м 2,
детская –9,89м 2,
спальня – 9,82 м 2,
совмещенный санузел – 3,03 м 2,
Площади квартиры:
S>жилая >=20,12+8,15+9,89+9,82=47,98 м 2
S>подсобная >=8,15+15,4+3,03+1,2+1,2+1,79+6,86+8,11=45,74 м2
S>общая >= S>жилая> + S>подсобная> =47,98+45,74=93,72 м 2
Мероприятия по обеспечению эвакуации людей из здания.
Размеры дверей их расположение, ширина коридоров, размеры лестничных клеток соответствуют СНиП 21.01.-97 “Пожарная безопасность в строительстве”. Эвакуация со второго этажа – через внутриквартирную лестницу, с первого – через 2 наружные двери.
Технико-экономические показатели здания:
Площадь застройки: S>застр >=14,34∙7,17+7,27∙3,3+2∙(4,15∙4,3)=162,5 м 2
Жилая площадь: S>жилая >= S>жилая >∙2=95,96 м 2
Подсобная площадь: S>подсобная >= S>подсобная> ∙2=91,48 м 2
Общая площадь: S>общая >= S>жилая >+S>подсобная> = 95,96+91,48=187,44 м 2
Строительный объем здания:
V>стр.>= S>застр>∙h>зд>=2∙(4,15∙4,3)∙2,8+(14,34∙7,17+7,27∙3,3)∙5,7=822.74м 3
2. Расчеты
2.1 Расчет глубины заложения фундаментов
1. По СНиПу 2.02.01-83* «Основания здания и сооружений» определяю нормативную глубину промерзания грунтов.
По СНиПу 2000-01-01 таблица 3 «Строительная климатология» определяю сумму отрицательных температур t0C за год.
Мt =-36,7 ОС
d >о >- величина в метрах СНиП 2.02.01-83 «Основания зданий и сооружений», для грунтов: супеси, песка мелкого и пылеватого - 0,28;

Рисунок 2
d >fn>=dо∙√Mt
d >fn>=0,28 ∙√36,7=1,7 м
2. Определяю расчетную глубину промерзания грунтов d >f>
d >f>> >=k >n>∙d> >>fn>
k >n>-коэффициент влияния теплового режима здания = 0,6
d> >>f>> >=0,6∙1,7=1,02 м
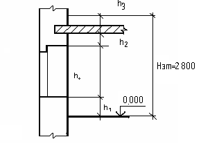
3. Уровень грунтовых вод d >w>=5 м Рисунок 2.2
Согласно таблице 2 глубина заложения не менее d >f>> >от поверхности земли. Принимаю глубину заложения 1 м.
2.2 Расчет и подбор окон
Исходные данные:
Н >эт>=2,8 м
S=20,12 м 2
1)Определяем требуемую площадь окна
S>o>тр≥1/8*S=1/8*20,12=2,51 м 2
2) Определяю требуемую высоту окна
h>o>тр≤Н>эт>-(h >1>+h>2>+h>3>) =2,8-(0,3+0,3+0,7) = 1,5 м
где Н>эт> – высота этажа
h >1>- высота от уровня пола до низа светового проема h>1>=0,7 - 0,85 м
h>2> - высота от уровня верха светового проема до потолка h>2>=0,3 м
h>3> - толщина перекрытия в зависимости от его конструкции
Принимаю h>ок>=1460 мм.
3) Определяю требуемую ширину окна
b>о>тр= S>o>тр/h>о>тр=2,51/1,46=1,72 м.
По ГОСТ 30674-99 «Блоки оконные из ПВХ профилей» принимаю 2 окна:
ОП 1460-1770 (4М1-16Аr-К4)
Остальные окна принимаю конструктивно ОП 1460-1470 (4М1-16Аr-К4).
2.3 Расчет и подбор перемычек
Необходимая длина перемычки определяется в зависимости от ширины перекрываемого проема и глубины опирания перемычки на стены Lоп. Величина опирания определяется:
для ненесущих перемычек – Lоп должна быть не менее 100 мм.
для несущих перемычек: Lоп должна быть не менее 170 мм при Шпр <1,5 м
Lоп должна быть не менее 230 мм при Шпр ≥ 1,5 м

Рисунок 3
ДН 21-10
Несущая l>п>тр=1010+2*170=1350 мм. 1ПР 155.12.22-38Т (1П 15-38)
Ненесущая l>п>тр=1010+2*100=1210 мм. 1ПР 129.12.6-1Т (1П 12-1)
ДО 21-13
Несущая l>п>тр=1310+2*170 = 1650 мм 1ПР 195.12.22-38T
Ненесущая l>п>тр=1310+2*100=1510 мм. 1ПР 155.12.14-2Т (1П 15-2)
ДГ 21-9; ДО 21-9
Несущая l>п>тр=910+2*170=1250 мм. 1ПР 155.12.22-38Т (1П 15-38)
Ненесущая l>п>тр=910+2*100=1110 мм. 1ПР 129.12.6-1Т (1П 12-1)
ДГ 21-7
Несущая l>п>тр=710+2*170=1050 мм. 1ПР 155.12.22-38Т (1П 15-38)
Ненесущая l>п>тр=710+2*100=910 мм. 1ПР 129.12.6-1Т (1П 12-1)
ОП 1460-1470 (4М1-16Аr-К4) и БП 22-7,5
Несущая l>п>тр=(1510+760)+2*230=2730 мм. 1ПР 298.25.22-28Т (1П 29-28)
Ненесущая l>п>тр=1520+760+2*100=2470 мм. 1ПР 285.12.14-4Т (1П 28-4)
ОД ОСП 15-12
Несущая l>п>тр=1810+2*230=2270 мм. 1ПР 246.25.22-38Т (1П 24-38)
Ненесущая l>п>тр=1810+2*100=2010 мм. 1ПР 220.12.14-3Т-Б (1П 22-3Б)
ОП 1460-1470 (4М1-16Аr-К4)
Несущая l>п>тр=1510+2*170=1850 мм. 1ПР 195.12.22-38Т (1П 24-38)
Ненесущая l>п>тр=1510+2*100=1710 мм. 1ПР 180.12.14-3Т (1П 22-3)
ДИ 21-13
Несущая l>п>тр=1310+2170=1650 1ПР 195.12.22

Рисунок 4
2.4 Расчет лестницы
Исходные данные:
Высота этажа Н>эт>=2,8 м.
Уклон лестницы i=1:1,25
Высота подступенка, a=200 мм.
Ширина проступи, b=250 мм.
1. Принимаем ширину лестничной клетки 1 м
2. Определяем количество подступенков
Н>эт>/а=2800/200=14 шт.
3. Определяем количество проступей
14-1=13 шт.
3. Конструктивное решение здания
3.1 Фундаменты
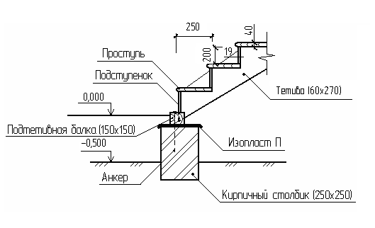
Под стены здания устроен монолитный ленточный, бутобетонный фундамент. Глубина заложения фундамента принимается по расчету. Фундамент устраивают на естественно уплотненный грунт. По верху фундамента устроена гидроизоляция из "Изопласт П" по всему контуру здания. По периметру здания устраивается отмостка из асфальта, шириной 0,8 м с уклоном 3% для защиты основания от поверхностных вод.

Рисунок 5
3.2 Стены
Кирпичная кладка выполняется в соответствии со СНиП 3.03.01-87.
Наружные стены облегченные, толщиной 635 мм, из керамического полнотелого рядового кирпича (250х120х65мм), с утеплителем внутри. Марка кирпича М 100, ГОСТ 530-2007, утеплитель URSA, ГОСТ 25485-89. Кладка на цементно-глиняном растворе М75, ГОСТ 28013-98 в соотношении 1:0,5:5,5, как цемент: глиняное тесто: песок. Обработка швов кладки под расшивку снаружи и в пустошовку изнутри. Кладка многорядная с перевязкой швов через пять рядов.
Наружный облицовочный ряд кладки армируется и крепится к основной стене стальными оцинкованными анкерами, проходящими сквозь слой теплоизоляции, с шагом 600 мм. В качестве утеплителя приняты плиты URSA П-15, уложенные в 2 слоя по 60 мм.
Плиты утеплителя должны укладываться вперевязку со смещением.
Внутренние стены выполнены двухрядной кладкой толщиной 380 мм. Для кладки использован керамический рядовой кирпич М 100, размером (250х120х65мм), ГОСТ 530-2007.

Рисунок 6
3.3 Перекрытия
Плиты перекрытия сборные железобетонные, многопустотные без предварительного напряжения. Опираются плиты двумя короткими сторонами на поперечные стены по слою цементно-песчаного раствора М 100. Глубина опирания не менее 120мм. Для обеспечения пространственной жесткости здания, плиты анкеруют между собой и стенами, монтажными Т-образными анкерами за монтажные петли, швы замоноличиваются цементно-песчаным раствором М 100.
Марки плит: ПК 30-18; ПК 30-15; ПК 36-18;
Рисунок 7
3.4 Перегородки
Перегородки выполнены из кирпича марки М 150, ГОСТ 530-2007, на цементно-глиняном растворе марки М 100, ГОСТ 28013-98, толщиной 120мм. Кладка ведется с перевязкой швов.

Рисунок 8
3.5 Заполнение проемов
Ведомость перемычек


Рисунок 10
3.5.1 Окна
Оконные блоки пластиковые с двойным остеклением. Марки окон: ОП 1460-1770 (4М1-16Аr-К4), ОП 1460-1470 (4М1-16Аr-К4).

Рисунок 11
Оконные блоки в стенах крепят с помощью рамных дюбелей, анкерных пластинок. Зазоры заделывают монтажной пеной «Макрофлекс». В местах стыков прокладывается снаружи паропроницаемая, изнутри пароизоляционная пленка с покрытием из фольги. Снаружи снизу устраивают слив из оцинкованной стали.
Крепление оконного блока

Рисунок 12
3.5.2 Двери
Дверные блоки деревянные, состоящие из дверной коробки и открывающихся полотен. Крепятся дверные блоки к стенам при помощи дюбелей. Зазоры между стеной и коробкой заполняются монтажной пеной «Макрофлекс» и закрываются наличником. Дверные коробки защищают с помощью антисептиков ФБС-211, ГОСТ 28815-96. Остекление дверей производится узорчатым стеклом, толщиной 4-5мм.
Марки дверей: ДН 21-10, ДО 21-13, ДО 21-9, ДГ 21-9, ДГ 21-7, БП 2175-720 (4М1-16Аr-К4)





Рисунок 13
3.6 Лестница
Внутриквартирная лестница выполнена из древесины - дуб III сорта, с забежными ступенями по тетивам с двух сторон. Размеры ступеней: высота 200 мм, ширина 250 мм. Ширина лестницы 1 м. Уклон лестницы 1:1,25.
Тетива имеет толщину 60мм и опирается на подтетивную балку.

Рисунок 14
3.7 Полы
1 этаж - полы по грунту
2 этаж - полы по перекрытию
Таблица 2.2 - Экспликация полов
|
Тип пола |
Схема пола |
Элементы пола и их толщина |
Площадь пола |
|
|
|||
|
|
|||
Примечание: на веранде полы дощатые по лагам площадью 30,8 м2.
3.8 Крыша, кровля, водосток
Крыша скатная по деревянным стропилам с холодным чердаком. Чердачное перекрытие утепленное, состоит из ц/п стяжки –20, URSA М15 -240 мм, пароизоляционной пленки «Изоспан С» -1слой; ж/б плита перекрытия -220мм. Стропила наслоные деревянные. Стропильная нога 50×200 мм с шагом 600мм. Обрешетка деревянная сечением 50х50мм с шагом 350 мм. Элементы крыши крепят на гвозди и саморезы, с помощью металлических накладок. Стропильную систему устраивают на мауэрлат сечением 100х100 мм, уложенный на два слоя толя на мастике. Через одну стропильную ногу систему крепят проволочной скруткой 2 Ǿ 4 Вр I к стенам.
Кровля выполнена из металлочерепицы «Monterrey» толщиной 0,55 мм, массой 5,9 кг/м2. Ширина листа 1100 мм;1250 мм.
Кровельный материал «Ютафол Д» крепят с помощью контррейки 30*50мм.
Водосток наружный неорганизованный.
3.9 Прочие детали
Крыльцо деревянное, оборудовано ограждением деревянным с поручнями высотой 1 м. Стойки заделывают на гвозди.
В стене по оси 3 на кухне и в сан. узлах устроены вентиляционные каналы размером 140*140мм. Вентиляция естественная приточно-вытяжная.
Вентиляционные каналы выходят на крышу и заканчиваются шахтами, покрытыми металлическим зонтом.
Для освещения и вентиляции чердака предусмотрены чердачные окна.
3.10 Обеспечение пространственной жесткости
Сборные железобетонные плиты перекрытия в ходе их установки жёстко заделываются в стены с помощью анкерных креплений и скрепляются между собой сварными или арматурными связями в уровне каждого этажа. Швы между плитами замоноличиваются раствором. Таким образом, получаются достаточно жесткие горизонтальные диски, увеличивающие общую устойчивость здания.
3.11 Спецификация
Таблица 2.3 - Спецификация элементов заполнения
|
Поз. |
Обозначение |
Наименование |
Кол-во |
|
ОК-1 |
ГОСТ 30674-99 |
Блок оконный ОДОСП 15-12 |
2 |
|
ОК-2 |
Тоже |
Блок оконный ОДОСП 15-9 |
12 |
|
1 |
ГОСТ 6629-88 |
Блок дверной ДО 21-9 |
2 |
|
2 |
-//-//-//-//-//- |
Блок дверной ДГ 21-7 |
6 |
|
3 |
-//-//-//-//-//- |
Блок дверной ДО 21-9 |
2 |
|
4 |
ГОСТ 30674-99 |
Дверь балконная БДОСП 22-7,5 |
4 |
Таблица 2.4 - Спецификация сборных ж/б изделий
|
Поз |
Обозначение |
Наименование |
Кол. |
Масса |
Примечание |
||
|
Vб |
Мб |
ст/кг |
|||||
|
1 |
ГОСТ 9561-75 серия 1.141-1 |
Плиты перекрытия ПК 63.18 |
2 |
3175 |
1,27 |
200 |
58,39 |
|
2 |
Тоже |
Тоже ПК 63. 15 |
8 |
2950 |
1,18 |
200 |
58,21 |
|
2 |
-//-//-//-//-//- |
-//-//-//-//-//-ПК 63. 10 |
2 |
1825 |
0,73 |
200 |
41,38 |
|
6 |
ГОСТ 946-84 серия 1.138-1 |
Перемычка 1ПР 298. 25. 22-38Т |
2 |
410 |
0,164 |
- |
17,17 |
|
7 |
Тоже |
Тоже 1ПР 285. 12. 14-4Т |
2 |
120 |
0,048 |
- |
3,93 |
|
8 |
-//-//-//-//-//- |
-//-//-//-//-//- 1ПР 246. 25. 22-38Т |
2 |
338 |
0,135 |
- |
12,73 |
|
9 |
-//-//-//-//-//- |
-//-//-//-//-//- 1ПР 220. 12. 14-3Т |
2 |
93 |
0,037 |
- |
1,15 |
|
10 |
-//-//-//-//-//- |
-//-//-//-//-//- 1ПР 195. 12. 22-38Т |
20 |
128 |
0,051 |
- |
5,93 |
|
11 |
-//-//-//-//-//- |
-//-//-//-//-//- 1ПР 180. 12. 14-3Т |
10 |
75 |
0,03 |
- |
0,65 |
|
12 |
-//-//-//-//-//- |
-//-//-//-//-//- 1ПР 155. 12. 22-38Т |
16 |
102 |
0,041 |
- |
2,58 |
|
13 |
-//-//-//-//-//- |
-//-//-//-//-//- 1ПР 155. 12. 14-2Т |
6 |
65 |
0,026 |
- |
0,44 |
|
14 |
-//-//-//-//-//- |
-//-//-//-//-//- 1ПР 129. 12. 6-1Т |
32 |
25 |
0,01 |
- |
0,41 |
4. Отделка здания
4.1 Отделка фасада
Стены дома выполнены лицевым керамическим кирпичом с перевязкой швов через 5 рядов. Стены выполняются из керамического одинарного кирпича. Обработка швов под расшивку. Цоколь оштукатурен ц/п раствором с добавлением мраморной крошки. Веранда обшита вагонкой и имеет ленточное остекление.
4.2 Внутренняя отделка
Все стены, внутри помещения оштукатуриваются готовыми сухими смесями "Ротбанд". Ведётся оклейка текстурными обоями в жилых комнатах, прихожих, на клею КМЦ на всю высоту стены.
Помещения санузлов облицовываются глазурованной майоликовой плиткой размером 200×250 мм, на эластифицированном плиточном клее «Флексклебер».
Поверхности потолков окрашиваются латексной краской «Стандарт».
Все дверные блоки, а также плинтуса, окрашены на заводе-изготовителе.
Элементы лестницы покрыты лаком.