Проектирование дренажей на базе чертежей базы ГП
Содержание
Содержание 1
1 Введение 5
2.СПЕЦИАЛЬНЫЙ РАЗДЕЛ 9
2.1. Постановка задачи 9
2.1.1 Общие сведения. 9
2.1.2 Назначение и цели создания системы. 9
2.1.3 Характеристика объекта автоматизации. 10
2.1.4 Функциональная часть проекта. 11
2.1.5 Требования к надежности. 13
2.1.6 Требования к видам обеспечения. 13
2.2. Технический (рабочий) проект. 14
2.2.1.Разработка и выбор алгоритмов, методов автоматизируемой деятельности. 14
2.2.2 Работа с графической моделью исходного объекта проектирования. 15
2.2.3 Создание трехмерной модели 15
2.2.4. Визуализация исходной модели. 15
2.2.5. Информационное обеспечение. 15
2.2.6. Лингвистическое обеспечение. 16
2.2.7.Организационное обеспечение. 18
2.2.8.Техническое обеспечение. 19
2.2.9.Методическое обеспечение. 20
2.3 Дренажи 20
2.3.1.Общая часть 20
2.3.2.Типы дренажей 22
2.3.3.Материал дренажных труб. 24
2.3.4.Устойчивость дренажных труб к агрессивному воздействию подземных вод. 28
2.3.5.Исходные данные для проектирования дренажей 29
2.3.6.Общие условия выбора типа дренажа. 30
2.3.6.1Головной дренаж 32
2.3.6.2 Систематический дренаж 36
2.3.6.3Кольцевой дренаж 37
2.3.6.4 Пристенный дренаж 39
2.3.6.5Пластовый дренаж 39
2.3.7 Дренаж подземных каналов 41
2.3.8 Дренаж приямков и заглубленных частей подвальных помещений 42
2.3.9. Другие виды дренажей 43
2.3.10 Трасса дренажа 46
2.3.11 Продольный профиль дренажа 46
2.3.12 Расстановка смотровых колодцев 46
2.3.13 Устройство выпусков 47
2.3.14 Совмещение дренажа с водостоком 48
2.3.15 Дренирующие конструкции и фильтры дренажей 49
2.3.16 Трубофильтры 51
2.3.17 Колодцы 51
2.3.18 Песчаные призмы 51
2.3.19 Колодцы-фильтры 51
2.3.20 Конструкция пластового дренажа 52
3.АРХИТЕКТУРНО-ПЛАНИРОВОЧНЫЙ РАЗДЕЛ 56
3.1Объёмно-планировочное решение участка застройки. 56
3.2 Объемно-планировочное решение жилого здания. 58
3.3. Описание конструктивных решений 58
4. РАСЧЕТНО-КОНСТРУКТОРСКИЙ РАЗДЕЛ 61
4.1 Расчёт коллектора 61
4.1.1 Исходные данные. 61
4.1.2 Давление грунта в траншеи 61
4.1.3 Коэффициент, учитывающий разгрузку трубы грунтом пазух 61
4.1.4 Коэффициент концентрации давления в насыпи. 62
4.1.5 Расчётная приведенная нагрузка на трубу. 63
4.1.6 Расчётная приведенная нагрузка от транспорта. 66
4.1.7 Расчётная приведенная нагрузка от жидкости 66
4.1.8 Расчётная приведенная нагрузка от собственного веса трубы………………………67
4.1.9 Полная приведенная нагрузка. 68
4.1.10 Усилия в трубе от основного срчетания нагрузок. 68
4.1.11 Геометрические характеристики продольного сечения 68
4.1.11.1 Общие данные армирования. 68
4.1.11.2Площадь спиралной арматуры. 69
4.1.11.3 Коэффициент продольного армирования. 69
4.1.11.4 Площадь приведенного сечения. 69
4.1.11.5 Статический момент. 70
4.1.11.6 Расстояние от внутренней грани до цента. 70
4.1.11.7 Момент инерции приведенного сечения. 70
4.1.11.8 Момент сопротивления приведенного сечения. 70
4.1.12 Расчёт на трещиностойкость. 71
4.2 Расчёт фундамента 71
4.2.1 Инженерно-геологические условия. 72
4.2.2 Сбор нагрузок 72
4.2.2.1 Постоянные нагрузки. 73
4.2.2.2 Временные нагрузки. 74
4.2.3 Расчёт фундамента 74
4.2.3.1 Определение глубины промерзания. 75
4.2.3.2 Выбор варианта фундамента. 75
4.2.3.3 Расчёт фундамента на естественном основании. 80
5. ОРГАНИЗАЦИОННО-ТЕХНОЛОГИЧЕСКИЙ 80
5.1 Календарный план 80
5.2 Генеральный план организации строительной площадки 82
5.3 Технологическая карта на уклажку дренажных труб. 82
5.3.1 Организация и технология строительного процесса. 85
5.3.2 Указания по производству работ в зимних условиях…. 85
5.3.4 Сводная ведомость потребности в строительных машинах и механизмов………87
СПИСОК ИСПОЛЬЗОВАННЫХ ИСТОЧНИКОВ 88
1. Введение
Слово «дренаж» происходит от английского глагола «to drain», т. е. «отводить», что достаточно хорошо соответствует самому существу работы дренажных устройств, выполняющих функцию отвода (осушения) подземных вод из водонасыщенной толщи по вновь создаваемым искусственным подземным путям.
Для этого в водоносном пласту прокладывают «каналы-осушители», или «дрены», которые непосредственно отбирают (осушают) воду из грунта и подводят ее к различного рода проводящим (транспортирующим) устройствам, служащих для быстрого вывода дренажных вод в естественные (реки, озера, овраги, моря и т. п.) или искусственные (каналы, пруды, водохранилища, приемные резервуары и т. д.) водоприемники.
Таким образом, подземные дренажи представляют собой особого рода подземные сооружения, которые позволяют искусственно понижать уровень подземных вод (осушать водоносный пласт) на участках с повышенным его положением в течение длительного времени (десятки лет). В ряде случаев тот же эффект может быть достигнут перехватом подземных вод подземным дренажем, проложенным по верхней или нижней (по потоку) границе дренируемой территории.
Подземные дренажи предназначены для улучшения общесанитарных, агротехнических и строительных условий на промышленных площадках и городских территориях, характеризующихся неблагоприятным (повышенным) уровнем подземных вод, или для защиты от подтопления расположенных на этих территориях подземных сооружений и коммуникаций.
Основное требование, предъявляемое к подземным дренажам при промышленном и городском строительстве, состоит в том, чтобы пониженный в результате их действия уровень подземных вод располагался не выше определенной глубины от поверхности земли, т. е. иначе говоря, чтобы была выдержана так называемая норма осушения.
Исходя из общесанитарных требований, глубина залегания подземных вод в условиях промышленной и городской застройки должна быть не менее 1,5 м от поверхности земли; эта глубина обычно отвечает и требованиям предупреждения пучения пылеватых и глинистых грунтов, служащих естественным основанием для дорожных покрытий городских улиц и заводских проездов. Для нормального развития и существования различных древесных и кустарниковых пород также необходимо, чтобы уровень подземных вод не залегал выше определенной глубины, так как в противном случае им угрожает гибель от вымокания. Эта глубина различна для разных пород: например, для тополя она составляет примерно 0,4 м, для сосны около 1 м, для фруктовых деревьев 1—1,5 м и более, что не выходит обычно за пределы нормы осушения, назначаемой по санитарным требованиям.
Основными видами подземных сооружений и коммуникаций в городах и на промышленных предприятиях, нуждающихся в защите от подтопления подземными водами с помощью подземного дренажа, являются фундаменты и подвалы зданий, туннели и подземные галереи, теплофикационные каналы и т. п.
Для защиты указанных сооружений от подтопления необходимо, чтобы пониженный уровень подземных вод располагался ниже их оснований не менее чем на 0,5 м.
Учитывая реальные глубины залегания подземных сооружений, среднее значение нормы осушения для городов с многоэтажной застройкой и крупных промышленных предприятий практически можно принимать равным 3—3,5 м, а для небольших городов и поселков (при отсутствии подвалов и глубоких фундаментов) — 1,5 м.
Генеральный план является основным проектным документом, по которому ведется застройка городских территорий и промышленных зон. Генеральные планы составляют на основе топографической подосновы и геодезической съемки. Рельеф местности изображают в горизонталях в абсолютных или относительных отметках, отсчитываемых от условной нулевой отметки. Cостав основного комплекта рабочих чертежей марки ГП (генеральный план) представлен в табл 1.
Таблица 1.1 - Состав основного комплекта рабочих чертежей генерального плана
|
Наименование чертежа |
Масштабы изображения |
|
Генеральный план |
1:500; 1:1000; 1:5000 |
|
План инженерных сетей, благоустройства территории, |
1:500; 1:1000 |
|
Профили планировки: |
|
|
Горизонтальный |
1:500, 1:1000, 1:2000 |
|
Вертикальный |
1:50, 1:100, 1:200 |
На чертежах генеральных планов условными изображениями показывают расположение существующих и проектируемых зданий и сооружений, дороги и т. п.
Прежде чем приступить к чтению чертежей генеральных планов застройки благоустройства территорий, а также строительных генеральных планов, необходимо познакомиться с условными изображениями и обозначениями элементов генерального плана.
Состав и правила оформления рабочих чертежей генерального плана должны соответствовать требованиям ГОСТ 21.204-93 [1], а в части изображения и обозначения трубопроводных сетей – требованиям ГОСТ 21.604-82 (1992).
Масштабы изображений принимают по табл.1.1. Изображения на чертежах комплекта, в основе которых лежит план территории, выполняют в одинаковом масштабе.
Система отметок высот должна соответствовать системе отметок, принятой при топографической съемке.
На сегодняшний день создано множество профессиональных систем, ориентированных на архитектурно-строительное проектирование, такие как AutoCAD, ArchiCAD. Однако ни одна система не позволяет нам в полной мере в атоматизированном режиме проектирование дренажей на базе чертежей генеральных планов.
Рассмотрим возможности этих профессиональных систем:
ArchiCAD имеет возможность построения трехмерной топографии участка с последующим изображением профиля, но только простейшими примитивами и вручную.
AutoCAD не имеет в своем составе частей отвечающих за автоматизацию проектирования генеральных планов и сетей.
Подземный дренаж в промышленном и городском строительстве широко применяют при освоении новых обводнённых территорий под застройку и при реконструкции уже застроенных.
Важное значение имеют и многочисленные мелкие дренажные сооружения, часто осуществляемые на территориях действующих примышленных предприятий, городов и других населенных пунктов в связи с подъёмом уровня грунтовых вод.
Эффективность любого подземного дренажа в значительной мере зависит от того, насколько он правильно запроектирован и рассчитан, а также от соблюдения при его эксплуатации нормальных условий работы дренажа, предусмотренных проектом и увязанных с местными гидрогеологическими и другими особенностями дренируемой территории.
2. Специальный раздел
2.1 Постановка задачи
2.1.1 Общие сведения
Система, разработанная в дипломном проекте, носит название: «Система по автоматизированию дренажей на чертежах марки генерального плана». В дальнейшем в данном документе этот программный продукт сокращенно будет именоваться «Drenazh 2006».
Перечень документов, на основании которых создается пакет:
распоряжение декана факультета № 645
задание на проектирование,
3. СНиП 2.02.01-83*. Основания зданий и сооружений/Госстрой СССР.-М.: Стройиздат, 1985.-40с.,
4. ГОСТ 539-80 (1997). Трубы и муфты асбестоцементные напорные. Технические условия.
5. ГОСТ 1839-80. Трубы и муфты асбестоцементные для безнапорных трубопроводов. Технические условия.
6. ГОСТ 25100-95. Грунты. Классификация. -М.:МНТКС, 1996. -31с.; 6.
2.1.2 Назначения и цели создания системы
Система "Drenazh 2006" предназначена для автоматизации при проектировании дренажей.
Система может использоваться в учебных целях при курсовом и дипломном проектировании.
Исходными данными являются:
инженерно-геологические условия грунтов;
• конструктивные особенности зданий;
сведения о существующих сетях;
диаметр труб;
рельеф местности;
климатические условия.
В результате расчетов по разработанной программе получены:
генеральный план с указанием дренажных сетей;
построение продольного профиля сетей;
указание отметок колодцев, уклонов сетей;
предоставление справочной информации и справок;
предоставление методических указаний.
2.1.3Характеристика объекта автоматизации
общие сведения
Объектом автоматизации в разработанной системе является дренажная сеть. Система должна содержать необходимую нормативно-техническую справочную информацию.
характеристики системных сред:
При разработке данной системы предпочтение было отдано среде Windows фирмы Microsoft. Это связано с тем, что программный комплекс должен быть ориентирован на пользователя с минимальными знаниями по операционной системе, т.е. интерфейс программной среды должен быть простой в освоении и использовании, что и предоставляет нам фирма Microsoft со своим продуктом Windows. Существует огромное количество прикладных программ, работающих под Windows. Это - текстовые процессоры, электронные таблицы, базы данных, графические редакторы, приложения для работы с сетевым оборудованием и т.д.;
характеристики программных сред:
Система разработана для графического пакета Autodesk Land Desktop и выше.
От пользователя "Drenazh 2006" требуется наличие навыков работы с системой Autodesk Land Desktop.
Система имеет открытый доступ к пользовательскому меню и тексту программы, куда могут быть внесены необходимые изменения и дополнения.
2.1.4 Функциональная часть проекта
В функциональной части проекта выделяются две группы подсистем: основная и обеспечивающая.
По своему назначению основная подсистема представляет собой проектирующую подсистему, в которой при помощи специализированных комплексов средств решаются функционально законченная последовательность задач САПР. Эта подсистема имеет объектную ориентацию и реализует определенный этап проектирования или группу последовательно взаимосвязанных проектных задач. В соответствии с этим при разработке "Drenazh 2006" необходимо учитывать то, что подсистема должна позволять автоматизировать процесс проектирования на уровне формирования эскизного проектного решения и получения отдельных фрагментов архитектурно-конструкторской части проекта.
В обеспечивающие подсистемы входят информационное, программное, лингвистическое, математическое, техническое и организационное обеспечения.

Рис. 2.1 - Схема функциональной структуры комплекса
Информационное обеспечение можно подразделить на условно-постоянную часть (нормативно-справочная информация или НСИ) и условно-переменную часть (входная и выходная информация). НСИ включает в себя сведения из действующих СНиП, ГОСТ. Выходная информация представляет собой выведенную на принтер или плоттер образно-графическую информацию в виде комплекта технической документации. Программное обеспечение включает в себя: программные модули, созданные с использованием среды программирования на AutoLISP (с целью обращения к ним необходимо пользовательское меню) и программные модули для описания диалоговых окон на языке DCL.
Лингвистическое обеспечение состоит из функциональных средств среды Autodesk Land Desktop, дополнительного программного средства – языка программирования AutoLISP и диалоговых окон составленных на языке DCL.
Техническое обеспечение включает в себя персональный компьютер, позволяющий работать с Autodesk Land Desktop.
Организационное обеспечение включает в себя инструкцию пользователя по работе с программой.
Программные модули системы, написанные на AutoLISP, представляют собой дополнительные элементы, которые собираются воедино и операции над которыми вынесены в отдельное меню, полностью заменяющее стандартное.
К подсистеме, при её разработке, необходимо сформулировать следующее требование: предусмотреть “гибкое” размещение файлов на внешних носителях, т.е. предоставить пользователям возможность переноса последних в различные сектора жесткого или гибкого дисков персонального компьютера. При этом нет необходимости разрабатывать программные средства, позволяющие интегрировать результаты работы данной подсистемы в другие программные среды, так как такую возможность предоставляет, собственно, базовая система AutoCAD.
В процессе структуризации составных частей подсистемы ее файлы на внешних носителях должны быть упорядочены по функциональному признаку и содержаться в нескольких директориях.
Информационный обмен между подсистемами осуществляется на программном уровне внутри базовой системы AutoCAD.
Помимо перечисленных выше условий, подсистема должна также предусматривать на перспективу возможность включения дополнительных (новых) блок-модулей для построения отдельных конструктивных элементов.
Перспективы развития системы:
Добавление расчета;
Создание на базе языка DCL диалоговых окон для упрощения ввода информации в конструкторском модуле;
Объединение данного комплекса с другими программами, специализирующимися на фундаментах;
Доработка и улучшение интерфейса программы;
Развитие системы справочной информации.
2.1.5 Требования к надежности
Разрабатываемая система должна быть надежной в работе, не содержать вирусов, прерывающих ее работу и работу операционной системы в целом. Надежность системы должна обеспечиваться наличием всех вспомогательных файлов, каталогов, а также наличием ресурсов компьютера, обеспечением бесперебойного питания и др.
2.1.6 Требования к видам обеспечения
Прежде чем приступить к разработке комплекса, необходимо было ознакомиться с объектом автоматизации, изучив необходимые источники, содержащие информацию о самом объекте и методике его проектирования, расчета и конструирование. С другой стороны требовались надежные источники для правильной постановки задачи. Для этой цели использовались различные нормативные документы, такие как СНиП и ГОСТ.
Техническое обеспечение представляет собой совокупность взаимосвязанных и взаимодействующих технических средств, предназначенных для автоматизированного расчета. Для нормальной эксплуатации программного комплекса требуется персональный компьютер с периферийными устройствами для ввода и отображения информации, накопитель на жестком магнитном диске достаточной емкости, функциональная клавиатура. Как уже ранее отмечалось, подсистема создается для работы с AutoCAD Land Desktop, а это предполагает, что все программные модули будут создаваться с использованием cреды программирования на AutoLISP, представляющий собой модификацию языка программирования ЛИСП (LISP), Техническое обеспечение системы “Drenag 2006” представлено совокупностью взаимосвязанных и взаимодействующих технических средств, предназначенных для автоматизированного проектирования. Использование разрабатываемой системы возможно на любом персональном компьютере, позволяющем работать с AutoCAD Land Desktop, минимальная конфигурация которого следующая: процессор с тактовой частотой 500МГц и выше; оперативная память 32Мб и выше; FDD (дисковод) и HDD (жесткий диск); монитор VGA, поддерживающий разрешение 800х600 и 256 цветов (рекомендуется 1024х768 и выше)
2.2 Технический (рабочий) проект
2.2.1 Разработка и выбор алгоритмов, методов автоматизируемой деятельности
При создании САПР "Drenazh 2006" предполагается применять следующие методы и алгоритмы автоматизируемой деятельности:
1. Работа с графической моделью исходного объекта проектирования;
2. Создание трехмерной модели дренажной сети;
3. Визуализация исходной модели;
2.2.2 Работа с графической моделью исходного объекта проектирования
Графическая модель хранится в виде внешнего блока AutoCAD и вызывается для обработки в графический редактор специальной функцией загрузки. При обращении к функции загрузки выполняются следующие операции:
просматривается таблица блоков текущего чертежа в поисках искомого блока;
если он не найден, ищется файл с тем же именем и расширением "dwg" на жестком диске на путях поиска AutoCAD.
2.2.3 Создание трехмерной модели
Создание модели производится поэтапно:
1. Ввод исходных данных;
2. Построение дренажной сети заданием точек на плане и отметок сети;
3. Построение профиля;
4. Установка указателей уклонов, высотных отметок;
Построение модели генерального плана осуществляется набором команд Autodesk Land Desktop v3.0
2.2.4 Визуализация исходной модели
Визуализация осуществляется посредством изменения точки зрения командой AutoCAD <View>, что приводит к построению планов, фасадов или аксонометрий; Перспективный вид создается путем использования команды <Dview>, скрытое и тонированное изображение могут быть получены командами <Hide> и <Shade>.
2.2.5 Информационное обеспечение
Основу информационного обеспечения САПР составляют данные, которыми пользуются проектировщики в процессе проектирования для выработки проектных решений. Эти данные содержат сведения справочного характера.
При этом данные, являющиеся результатом одного процесса преобразования, могут быть исходными данными для другого процесса. Совокупность данных, используемых всеми компонентами САПР, составляет информационный фонд САПР (ИФ САПР). Основная функция ИФ САПР - ведение информационного фонда, то есть создание, поддержка и организация доступа к данным. ИФ САПР состоит из информационного фонда и средств его ведения.
В состав информационного фонда входят:
нормативно-справочная проектная документация: государственные и отраслевые стандарты, руководящие материалы и указания, типовые проектные решения, регламентирующие документы. В состав ГП "Drenazh" включен перечень ГОСТов и СНиПов, регламентирующих проектирование дренажных сетей.
исходные и результирующие данные, необходимые при выполнении программных модулей в процессе преобразования. Эти данные часто меняются в процессе проектирования, однако их тип постоянен и полностью определяется соответствующим программным модулем.
текущая проектная информация, отражающая состояние и ход выполнения проекта: отображается графически в виде построений примитивов AutoCAD.
Для ведения информационного фонда САПР использована файловая система ОС. Доступ к документам осуществляется посредством стандартной функции поддержки справочной информации AutoCAD. При этом файлы имеют структуру файлов помощи базовой системы.
2.2.6 Лингвистическое обеспечение
Основу лингвистического обеспечения САПР составляют специальные языковые средства, предназначенные для описания процедур автоматизированного проектирования и проектных решений. Основная часть лингвистического обеспечения САПР язык Visual LISP, соединяющий в себе средства алгоритмического языка высокого уровня для решения вычислительных математических задач и специальные языковые средства моделирования геометрических объектов.
Visual LISP – это интегрированная среда разработки программ на языке AutoLISP в системе AutoCAD 2000/2002, значительно облегчающая процесс создания программы, ее изменения, тестирования и отладки.
AutoLISP является мощным дополнительным средством системы автоматизированного проектирования AutoCAD, разработанной фирмой Autodesk Ltd, занимающей ведущее место среди пакетов, автоматизирующих конструкторскую деятельность. Это быстрое выполнение чертежей, в среднем в 2.5-3 раза быстрее, чем при работе с кульманом; повышение точности выполнения чертежей за счет более детального просмотра любого элемента чертежа в любом масштабе; улучшение качества чертежей за счет того, что САПР позволяет быстро вносить исправления без ухудшения качества конечного чертежа.
AutoLISP - это созданный специально для AutoCAD диалект языка LISP, полученный в результате изменения языка XLISP. Он реализует помимо традиционных возможностей языков высокого уровня, таких как выполнение вычислений и ввод-вывод результатов, такие как доступ к базе данных AutoCAD abase, работу с диалоговыми окнами, описанными на языке DCL, доступ к функциям СРП приложений. Использование языка AutoLISP не только значительно ускоряет процесс разработки проектной документации в AutoCAD, но и позволяет создавать в этой среде новые команды графического редактора и специализированные меню, осуществлять доступ к графической базе данных и модернизировать ее, разрабатывать функции для решения самых разнообразных задач и, кроме того, создавать эффективные системы и подсистемы, связанные с обработкой информации, представленной в виде символов и чисел. Система Visual LISP, предназначенная для облегчения и ускорения разработки программ на языке AutoLISP, включает в себя следующие функциональные компоненты:
текстовый редактор, ориентированный на синтаксис языка AutoLISP;
консоль, облегчающая программирование на языке AutoLISP;
форматер, преобразующий текст программы в структурированный вид;
программу проверки синтаксиса, распознавания неправильных конструкций AutoLISP;
компилятор, который обеспечивает эффективное выполнение программ;
встроенную систему проверки;
отладчик, облегчающий процесс отладки программ;
контекстно-зависимые справки для функций AutoLISP;
систему управления проектом.
Visual LISP полностью поддерживает интерфейс Windows. По сравнению с традиционными системами современные среды программирования, к которым относится интегрированная среда Visual LISP, позволяют повысить производительность программирования в несколько раз.
Наличие языка AutoLISP во многом обусловило господство AutoCAD на рынке средств САПР.
Организационное обеспечение
Проектная организация, предполагающая использовать САПР ГП "Drenazh" должна обладать следующей организационной структурой подразделений:
Таблица 2.1
-
Подразделение
Взаимодействие с комплексом средств
Отдел предпроектных исследований
подготовка модели исходного объекта в среде AutoCAD
проектное подразделение
выполнение работ по созданию проекта
2.2.8 Техническое обеспечение
Техническое обеспечение САПР ГП "Drenazh" представляет собой совокупность взаимосвязанных и взаимодействующих технических средств, предназначенных для автоматизированного проектирования. Использование САПР ГП " Drenazh " возможно на любом компьютере, позволяющем работать с AutoCAD 2000/2002 минимальная конфигурация которого следующая:
процессор с тактовой частотой 500МГц и выше;
оперативная память 32Мб и выше;
монитор VGA, поддерживающий разрешение 800х600 и 256 цветов (рекомендуется 1024х768 и выше);
мышь или другое устройство указания, рекомендуется совместимая с Intellimouse.
Необязательные аппаратные средства:
Принтер или плоттер
Периферийные устройства;
Сетевая карта (для сетевой работы)
Модем или подключение к Internet через сеть.
При разработке САПР ГП "Drenazh" использовались технические средства, обладающие следующими характеристиками:
Atlon 1700;
Giga-byte GA-60MM7;
DDR 256 PC2100;
HDD 80 Gb QUANTUM 7200 rpm 2 Mb Cashe ATA100
FDD 3.5" 1.44MB;
LG Flatron 17”, 1024x768, 85Гц.
2.2.9 Методическое обеспечение
Методическое обеспечение САПР "Drenazh" реализовано с помощью стандартной функции организации помощи AutoCAD и доступно пользователю в процессе работы с командами САПР, при этом доступ в произвольный момент работы в среде AutoCAD может осуществляться путем обращения к разделу <Помощь> верхнего меню. В состав методического обеспечения включена инструкция пользователя по эксплуатации автоматизированной системы.
2.3 Дренажи
2.3.1 Общая часть
Для защиты заглубленных частей зданий (подвалов, технических подполий, приямков и т.п.), внутриквартальных коллекторов, коммуникационных каналов от подтопления фунтовыми водами должны предусматриваться дренажи. Конструкции дренажей и устройство гидроизоляции подземной части зданий и сооружений должно выполняться в соответствии со СНиП 2.06.15-85, СНиП 2.02.01-83.
Проектирование дренажей следует выполнять на основании конкретных данных о гидрогеологических условиях места строительства объекта, степени агрессивности подземных вод к строительным конструкциям, объемно-планировочных и конструктивных решений защищаемых зданий и сооружений, а также функциональным назначением этих помещений.
Противокапиллярная гидроизоляция в стенах и обмазочная или окрасочная изоляция вертикальных поверхностей стен, соприкасающихся с грунтом, должна предусматриваться во всех случаях независимо от устройства дренажей.
Устройство дренажей обязательно в случаях расположения:
полов подвалов, технических подполий, внутриквартальных коллекторов, каналов для коммуникаций и т.п. ниже расчетного уровня подземных вод или если превышение полов над расчетным уровнем подземных вод менее 50 см;
полов эксплуатируемых подвалов, внутриквартальных коллекторов, каналов для коммуникаций в глинистых и суглинистых грунтах независимо от наличия подземных вод
полов подвалов, расположенных в зоне капиллярного увлажнения, когда в подвальных помещениях не допускается появления сырости;
полов технических подполий в глинистых и суглинистых грунтах при их заглублении более 1,3 м от планировочной поверхности земли независимо от наличия подземных вод
полов технических подполий в глинистых и суглинистых грунтах при их заглублении менее 1,3 м от планировочной поверхности земли при расположении пола на фундаментной плите, а также в случаях, если с нагорной стороны к зданию подходят песчаные линзы или с нагорной стороны к зданию расположен тальвег.
Для исключения обводнения грунтов территорий и поступления воды к зданиям и сооружениям, кроме устройства дренажей, необходимо предусматривать:
нормативное уплотнение грунта при засыпке котлованов и траншей;
как правило, закрытые выпуски водостоков с кровли зданий;
водоотводящие открытые лотки сечением больше 15 х 15 см с продольным уклоном, больше 1 % при открытых выпусках водостока;
устройство отмосток у зданий шириной больше 100 см с активным поперечным уклоном от зданий больше 2% до дорог или лотков;
герметичную заделку отверстий в наружных стенах и фундаментах на вводах и на выпусках инженерных сетей;
организованный поверхностный сток с территории проектируемого объекта, не ухудшающий отвод дождевых и талых вод с прилегающей территории.
В случаях, когда из-за низких отметок существующей поверхности земли не представляется возможным обеспечить отвод поверхностных вод или достигнуть требуемого понижения подземных вод, следует предусматривать подсыпку территории до необходимых отметок. При невозможности самотечного отвода дренажных вод от отдельных зданий и сооружений или группы зданий следует предусматривать устройство насосных станций перекачки дренажных вод.
Проектирование дренажей новых объектов следует выполнять с учетом существующих или ранее запроектированных дренажей прилегающих территорий.
При общем понижении уровня подземных вод на территории микрорайона отметки пониженного уровня подземных вод следует назначать на 0,5 м ниже полов подвалов, технических подполий, каналов для коммуникаций и других сооружений. В случае невозможности или нецелесообразности общего понижения уровня подземных вод должны предусматриваться местные дренажи для отдельных зданий и сооружений или групп зданий.
2.3.2 Типы дренажей
В зависимости от расположения дренажа по отношению к водоупору дренажи могут быть совершенного или несовершенного типа.
Дренаж совершенного типа закладывается на водоупоре. Грунтовые воды поступают в дренаж сверху и с боков. В соответствии с этими условиями дренаж совершенного типа должен иметь дренирующую обсыпку сверху и с боков (см. рис 2.1).
Дренаж несовершенного типа закладывается выше водоупора. Грунтовые воды отступают в дренажи со всех сторон, поэтому дренирующая обсыпка должна выполняться замкнутой со всех сторон (см. рис. 2.2).

Рис 2.1 – дренаж совершенного типа

Рис 2.2 – дренаж несовершенного типа
2.3.3 Материал дренажных труб
Материал дренажных труб выбирается в зависимости от химического состава грунтовых вод.
Горизонтальные трубчатые дренажи представляют собой сочетание дренажных труб (водопроводящего элемента) с рыхлыми фильтрующими обсыпками из одного или нескольких слоев сортированного материала либо с обертками из минеральных волокнистых материалов. Применяются также трубы с пористыми стенками, так называемые трубофильтры. Все применяемые в настоящее время горизонтальные дренажи можно подразделить на следующие конструктивные виды:
дренажи в отдельных траншеях (линейные, кольцевые);
дренажи, совмещенные с водостоками в общей траншее (линейные) или с коллекторами;
дренажи, устраиваемые под сооружениями проходкой скважин (лучевые).
Для горизонтальных дренажей применяются перфорированные, соединяющиеся муфтами, гладкие свободно стыкующиеся трубы и трубофильтры (рис. 2.3); для лучевых дрен — горизонтальные или наклонные скважины с фильтрами.

Рис.2.3 - трубы применяемые для горизонтальных дренажей
Дренажи с применением перфорированных и гладких стыкующихся труб. Для устройства указанных дренажей применяются керамические, пластмассовые, асбестоцементные, бетонные, железобетонные и металлические трубы.
Керамические, трубы подразделяются на дренажные безраструбные и канализационные раструбные. Длина труб от 33 до 120 см. Керамические трубы (гончарные) выпускаются в основном для мелиоративного строительства с малыми диаметрами (в основном 50 мм). Выпуск труб, применяемых в городском и промышленном строительстве (диаметром 150, 200 и 300 мм), составляет около 2% общего объема производства. Широкое применение для дренажа в промышленном и городском строительстве находят керамические канализационные трубы.
Керамические трубы рекомендуется применять для дренажа как при агрессивных, так и при неагрессивных грунтовых водах, причем укладывают их в траншей на глубину, не превышающую величин, указанных в табл. 2.1
Табл. 2.1 – глубина заложения керамических труб

Отдельные керамические трубы соединяются между собой с помощью раструбов или встык, а вода поступает в остающиеся между сочленяющимися частями зазоры, ширина которых допускается не более 2 мм.
При устройстве дренажа с применением керамических труб возможна кольматация и заиление труб, связанное как с поступлением мелких частиц грунта в них, так и в значительной мере с осаждением окисных соединений железа. Степень заиления керамических труб зависит от ширины зазоров в стыках и от продольного уклона дрен. (см рис. 2.4).
Ширина зазоров в стыках керамических труб на практике составляет в большинстве случаев 3 мм, а иногда достигает 6—9 мм. В практике строительства дренажа зазоры между трубами шириной более 2 мм превышают 20%. Естественно, что при такой ширине зазора опасность заиления велика.

Рис.2.4- зависимость степени заиливания дренажных труб
Основными материалами для пластмассовых труб служат поливинилхлорид и полиэтилен высокой плотности. Достоинством этих материалов является малый вес, стойкость к действию кислот, щелочей и органических растворителей и возможность широко механизировать производство работ по укладке дренажа.
В настоящее время применяются пластмассовые трубы гладкостенные с продольно-щелевой перфорацией и гофрированные с короткими продольными щелями на выступах и впадинах гофров. Для промышленного строительства применяются пластмассовые трубы диаметрами 50, 100 и 150 мм. При применении в горизонтальных дренажах труб диаметром 50 мм, как правило, нужно прокладывать 2—3 ряда труб. Количество, рядов определяется гидравлическим расчетом.
По водозахватной способности пластмассовые трубы одних конструкций уступают керамическим, а других, наоборот, их превосходят. Все зависит от размеров и расположения перфорации пластмассовых труб, через которую поступает грунтовая вода.
Обычно продольно-щелевая прерывистая перфорация выполняется в несколько рядов симметрично по поверхности трубы или делается круглая перфорация. Ширина щелей и диаметры отверстий обычно не превышают 1,5 мм, длина щелей составляет 25 мм.
Все пластмассовые трубы устойчивы в агрессивных средах, однако они могут применяться только при температуре окружающего грунта и воды (притекающей к дренам), не превышающей 40°С, поэтому для их применения требуется наличие режимных данных по температуре грунтов, в которые укладывается дренаж.
Асбестоцементные трубы очень дефицитны и поэтому для дренажа применяются они весьма ограниченно. Асбестоцементные трубы соединяются между собой с помощью муфт из того же материала. Для приема воды на трубах выполняется перфорация в виде щелей или отверстий (табл. 2.2)
Табл. 2.2 – Размеры водоприёмных отверстий

Асбестоцементные трубы допускается укладывать в грунт на всю глубину разрабатываемых траншей.
Трубы из других материалов — бетонные, железобетонные и металлические (в том числе и чугунные) имеют сравнительно невысокий удельный вес при строительстве дренажных систем. Они применяются главным образом при прокладке дрен под сооружениями, оказывающими большое давление на трубы. Бетонные и железобетонные трубы диаметром 500—600 мм применяются также для дренажных коллекторов и однолинейных дренажей, рассчитанных на большой приток воды (например, береговых дренажей).
2.3.4 Устойчивость дренажных труб к агрессивному воздействию подземных вод
Агрессивное воздействие среды на материал дренажных труб определяется свойствами грунтов и гидрохимическим составом грунтовых вод.
При коррозии материалов труб на их поверхности (внешней и внутренней) протекают одновременно физические, химические и микробиологические процессы, на скорость и развитие которых эказывают влияние окружающие условия: температура, влажность, концентрация растворов и пр. Главным фактором коррозии является продолжительность воздействия агрессивной среды на материал.
Особенностью работы дренажей в промышленном и городском строительстве является то, что в большинстве случаев они работают в течение круглого года, в отличие от сельскохозяйственных и дорожных дренажей, для которых характерен сезонный рабочий цикл. Поэтому дренажные трубы в условиях городского и промышленного строительства подвержены в значительной степени агрессивному воздействию.
Агрессивными свойствами по отношению к материалам дренажных труб обладают почвенно-грунтовые растворы и грунтовые воды, содержащие углекислоту, сульфаты, магнезиальные соли, хлориды и др. Вместе с тем нужно иметь в виду, что в засоленных грунтах в результате поступления дождевой воды или фильтрации воды из водоемов агрессивное воздействие среды на дренажные трубы уменьшается
Наиболее устойчивыми в грунтовых водах различного химического состава являются керамические и пластмассовые трубы, а также трубофильтры из полимербетонов. Вместе с тем керамические трубы разрушаются под действием механических сил, если их долгое время хранить на воздухе, так как в керамике происходит кристаллизация солей при поглощении водяных паров и трубы становятся хрупкими. Пластмассовые и полимербетонные трубы неустойчивы в поле высоких температур. В агрессивных средах подвержены сильному разрушению бетонные трубы.
2.3.5 Исходные данные для проектирования дренажей
Для составления проекта дренажа необходимы следующие данные и материалы:
техническое заключение о гидрогеологических условиях строительства; п
план территории в масштабе 1:500 с существующими и проектируемыми зданиями и подземными сооружениями;
проект организации рельефа;
планы и отметки полов подвальных помещений и подполий зданий;
планы, разрезы и развертки фундаментов зданий;
планы, продольные профили и разрезы подземных каналов.
В техническом заключении о гидрогеологических условиях строительства должны быть даны характеристики подземных вод, геолого-литологического строения участка и физико-механических свойств грунтов.
В разделе характеристики подземных вод должны быть указаны:
причины образования и источники питания подземных вод;
режим подземных вод и отметки появившегося, установившегося и расчетного уровней подземных вод, а в необходимых случаях высота зоны капиллярного увлажнения грунта;
данные химического анализа и заключение об агрессивности подземных вод по отношению к бетонам и растворам.
В геолого-литологическом разделе дается общее описание строения участка.
В характеристике физико-механических свойств грунтов должны быть указаны:
гранулометрический состав песчаных грунтов;
коэффициенты фильтрации песчаных грунтов и супесей;
коэффициенты пористости и водоотдачи;
угол естественного откоса и несущая способность грунтов.
К заключению должны быть приложены основные геологические разрезы грунтов по буровым скважинам, необходимые для составления алогических разрезов по трассам дренажей.
При необходимости, в сложных гидрогеологических условиях для проектов дренирования кварталов и микрорайонов к техническому заключению должны быть приложены карта гидроизогипс и карта распространения грунтов.
В случае особых требований к устройству дренажа, вызываемых специфическими условиями эксплуатации защищаемых помещений и сооружений, эти требования должны быть изложены заказчиком в качестве дополнительных исходных материалов для проектирования дренажей.
2.3.6 Общие условия выбора типа дренажа
Система дренажа выбирается в зависимости от характера защищаемого объекта и гидрогеологических условий.
При проектировании новых кварталов и микрорайонов на территориях с уровнем подземных вод должна быть разработана общая схема дренажей.
В состав схемы дренажей входят системы дренажей, обеспечивающие общее понижение уровня подземных вод на территории квартала (микрорайона), и местные дренажи для защиты от подтопления подземными водами отдельных сооружений.
К дренажам, обеспечивающим общее понижение уровня грунтовых вод относятся дренажи:
головной или береговой;
систематический.
К местным дренажам относятся дренажи:
кольцевой,
пристенный;
пластовый.
К местным дренажам относятся также дренажи, предназначенные для защиты отдельных сооружений:
дренаж подземных каналов;
дренаж приямков;
дорожный дренаж;
дренаж засыпаемых речек, ручьев, логов и оврагов;
откосный и застенный дренажи;
дренаж подземных частей существующих зданий.
При благоприятных условиях (в песчаных грунтах, а также в песчаных прослойках при большой площади их распространения) местные дренажи могут одновременно способствовать общему понижению уровня подземных вод.
На территориях, где подземные воды залегают в песчаных грунтах, следует применять системы дренажей, обеспечивающие общее понижение уровня подземных вод.
Местные дренажи в этом случае следует применять для защиты от подтопления грунтовыми водами отдельных особо заглубленных сооружений.
На территориях, где подземные воды залегают в глинистых, суглинистых и других грунтах с малой водоотдачей, необходимо устраивать местные дренажи.
Местные «профилактические» дренажи нужно устраивать также при отсутствии наблюдаемых подземных вод для защиты подземных сооружений, располагаемых в глинистых и суглинистых грунтах.
На территориях со слоистым строением водоносного пласта следует устраивать как общие системы дренажей, так и местные, дренажи.
Общие системы дренажа следует устраивать для осушения обводненных песчаных прослоек, по которым вода поступает на дренируемую территорию. В этой системе могут быть использованы также отдельные местные дренажи, у которых радиус депрессионной кривой захватывает значительную площадь территории. Местные дренажи необходимо устраивать для подземных сооружений, закладываемых на участках, где водоносный пласт не полностью осушается общей системой дренажа, а также в местах возможного появления верховодки.
На застроенных территориях, при строительстве отдельных зданий и сооружений, нуждающихся в защите от подтопления грунтовыми водами, должны устраиваться местные дренажи. При проектировании и строительстве этих дренажей обходимо учитывать их влияние на соседние существующие сооружения.
2.3.6.1 Головной дренаж
Для осушения территорий, подтопляемых потоком подземных вод с областью питания, расположенной вне этой территории, следует устраивать головной дренаж (см. рис. 2.5).


Рис.2.5 – схема головного дренажа
Головной дренаж нужно закладывать по верхней, по отношению к подземному потоку, границе дренируемой территории. Трассу дренажа назначают с учетом размещения застройки и проводят, по возможности, в местах с более высокими метками водоупора.
Головной дренаж должен, как правило, пересекать поток подземных вод по всей его ширине.
При длине головного дренажа, меньшей ширины подземного потока, следует устраивать дополнительные дрены по боковым границам дренируемой территории с целью перехвата подземных вод, поступающих сбоку.
При неглубоком залегании водоупора головной дренаж следует закладывать на поверхности водоупора (с некоторым заглублением в него) с целью полного перехвата подземных вод, как дренаж совершенного типа.
В тех случаях, когда не представляется возможности заложить дренаж на водолоупоре, а по условиям дренирования требуется полностью перехватить поток подземных вод, ниже дренажа устраивается экран из водонепроницаемого шпунтового ряда, который должен быть опущен ниже отметок водоупора.
При глубоком залегании водоупора головной дренаж закладывают выше зодоупора, как дренаж несовершенного типа. В этом случае необходимо произвести расчет депрессионной кривой. Если устройством одной линии головного дренажа не достигается понижение уровня подземных вод до заданных отметок, следует проложить вторую линию дренажа параллельно головному дренажу. Расстояние между дренажами определяется расчетом.
Если часть водоносного пласта, расположенная над дренажом, состоит из песчаных грунтов с коэффициентом фильтрации менее 5 м/сутки, нижняя часть траншеи дренажа должна быть засыпана песком с коэффициентом фильтрации не менее 5 м/сутки (см. рис. 2.6).

Рис.2.6 – схема засыпки траншей
Высота засыпки песком составляет 0,6-0,7Н, где: Н - высота от низа траншеи дренажа до непониженного расчетного уровня подземных вод.
При слоистом строении части водоносного пласта,- расположенного над дренажом, с чередованием прослоек песка и суглинков, засыпка траншеи дренажа песком с коэффициентом фильтрации не менее 5 м/сутки; должна быть произведена на 30 см выше непониженного расчетного уровня подземных вод.
Засыпка песком может производиться на всю ширину траншеи вертикальной или наклонной призмой, толщиной не менее 30 см. Для головного дренажа совершенного типа, когда водоносный пласт не имеет глинистых, суглинистых и субпесчаных прослоев, песчаную призму можно устраивать только с одной стороны траншеи (со стороны притока воды).
Если головной дренаж закладывается в толще сравнительно слабо водопроницаемых грунтов, подстилаемых хорошо водопроницаемыми грунтами, следует устраивать комбинированный дренаж, состоящий из горизонтальной дрены и вертикальных самоизливаюшихся колодцев (см. рис. 2.7).

Рис.2.7 – комбинированный дренаж с вертикальным самоизливающимся колодцем
Вертикальные колодцы должны сообщаться своим основанием с водопроницаемыми грунтами водоносного пласта, а верхней частью с внутренним слоем обсыпки горизонтальной дрены.
Для осушения прибрежных территорий, подтопляемых в связи с подпором горизонта воды в реках и водохранилищах, следует устраивать береговой дренаж (см. рис 2.8) где обозначения: МГ - меженный горизонт водоема, ГПВ - горизонт подпёртых вод водоема.

Рис.2.8 – схема берегового дренажа
Береговой дренаж прокладывается параллельно берегу водоема и заклаывается ниже нормально подпертого горизонта (НПГ) водоема на величину, определяемому расчетом.
В необходимых случаях головной и береговой дренажи могут применяться в сочетании с другими системами дренажа.
2.3.6.2 Систематический дренаж
На территориях, где грунтовые воды не имеют ясно выраженного направления потока, а водоносный пласт сложен песчаными грунтами или имеет слоистое строение с незамкнутыми песчаными прослоями, следует устраивать систематический дренаж (см. рис.2.9).

Рис. 2.9 – схема систематического дренажа
Расстояние между дренами-осушителями систематического дренажа и глубина их заложения определяются расчетом.
В городских условиях систематический дренаж может устраиваться в сочетании местными дренажами. В этом случае при проектировании отдельных дрен следует решать возможность их одновременного использования в качестве местного дренажа, защищающего отдельные сооружения и в качестве элементов систематического дренажа, обеспечивающего общее понижение уровня грунтовых вод на дренируемой территории.
При заложении дрен систематического дренажа в толще грунта со слабой водопроницаемостью, подстилаемого хорошо водопроницаемыми грунтами, следует применять комбинированный дренаж, состоящий из горизонтальных дрен с вертикальными, самоизливающимися колодцами (см. рис. 2.7).
На территориях, подтопляемых потоком грунтовых вод, область питания которых захватывает также и дренируемую территорию, следует применять совместно головной и систематический дренаж.
2.3.6.3 Кольцевой дренаж
Для защиты от подтопления грунтовыми водами подвальных помещений и подполий отдельно стоящих зданий или группы зданий, при заложении их в водоносных песчаных фунтах, следует устраивать кольцевые дренажи (см. рис. 2.10).

Рис 2.10 – схема кольцевого дренажа
Кольцевые дренажи следует устраивать также для защиты особо загубленных подвалов в новых кварталах и микрорайонах при недостаточной глубине понижения уровня грунтовых вод общей системой дренажа территории.
При хорошей водопроницаемости песчаных грунтов, а также при заложении дренажа на водоупоре, можно устраивать общий кольцевой дренаж для группы соседних зданий.
При ясно выраженном одностороннем притоке грунтовых вод дренаж может быть устроен в виде незамкнутого кольца по типу головного дренажа.
Кольцевой дренаж надо закладывать ниже пола защищаемого сооружения на глубину, определяемую расчетом.
При большой ширине здания или при защите одним дренажом нескольких зданий, а также в случае особых требований к понижению грунтовых вод под защищаемым сооружением, глубина заложения дренажа принимается в соответствии с расчетом, в котором должно быть определено превышение пониженного уровня грунтовых вод в центре контура кольцевого дренажа над уровнем воды в дрене. При достаточной глубине заложения дренажа следует устраивать промежуточные дрены.
Кольцевой дренаж следует прокладывать на расстоянии 5-8 м от стены здания. При меньшем расстоянии или большом заглублении дренажа необходимо принять меры против выноса, ослабления и осадки грунта под фундаментом здания.
2.3.6.4 Пристенный дренаж
Для защиты от грунтовых вод подвальных помещений и подполий зданий, закладываемых в глинистых и суглинистых грунтах, следует устраивать пристенные дренажи.
Пристенные "профилактические" дренажи необходимо устраивать также и при отсутствии грунтовых вод в зоне подвалов и подполий, устраиваемых в глинистых и суглинистых грунтах.
При слоистом строении водоносного пласта для защиты подвалов и подполий следует устраивать пристенные или кольцевые дренажи в зависимости от условий
Если отдельные части здания располагаются на участках с различными геологическими условиями, на этих участках можно применять как кольцевой, так пристенный дренажи.
Пристенный дренаж прокладывают по контуру здания с наружной стороны. Расстояние между дренажом и стеной здания определяется шириной фундаментов здания и размещением смотровых колодцев дренажа.
Пристенный дренаж, как правило, должен прокладываться на отметках не ниже подошвы ленточного фундамента или основания фундаментной плиты. При большой глубине заложения фундаментов от отметки пола подвального помещения пристенный дренаж может быть заложен выше подошвы фундаментов при условии принятия мер против просадки дренажа.
2.3.6.5 Пластовый дренаж
Для защиты от подтопления грунтовыми водами подвальных помещений и подполий зданий, устраиваемых в сложных гидрогеологических условиях: в водоносных пластах большой мощности, при слоистом строении водоносного пласта, при наличии напорных подземных вод и т.п., а также в случае недостаточной эффективности применения кольцевого или пристенного дренажа, следует устраивать пластовые дренажи (см. рис.2.11).

Рис.2.11 – схема пластового дренажа
В водоносных пластах большой мощности следует предварительно произвести расчёт возможного понижения уровня подземных вод в центре контура кольцевого дренажа. В случае недостаточного снижения уровня грунтовых вод надо применить пластовый дренаж.
При сложном строении водоносного пласта с изменением его состава и водопроницаемости (в плане и разрезе), а также при наличии обводненных замкнутых зон и линз под полом подвального помещения, устраиваются пластовые дренажи.
При наличии напорных подземных вод следует применять кольцевой или пластовый дренаж в зависимости от местных гидрогеологических условий с расчётным обоснованием.
Для защиты подвальных помещений и сооружений, в которых по условиям эксплуатации не допускается появление сырости, при заложении этих помещений в зоне капиллярного увлажнения грунтов следует устраивать пластовые дренажи.
Пластовые "профилактические" дренажи для таких помещений и сооружений, устраиваемых в глинистых и суглинистых фунтах, рекомендуется предусматривать также и при отсутствии наблюдаемых подземных вод.
Пластовые дренажи устраивают в сочетании с трубчатыми дренажами «кольцевыми и пристенными). Для сопряжения пластового дренажа с наружным трубчатым дренажом через фундаменты здания прокладывают трубчатый дренаж.
Для подполий зданий с фундаментами на свайных ростверках, пластовый дренаж можно устраивать в сочетании с однолинейным дренажом, прокладываемым под зданием.
2.3.7 Дренаж подземных каналов
Для защиты от подтопления грунтовыми водами каналов теплосети и коллекторов подземных сооружений при прокладке их в водоносных грунтах необходимо устраивать линейные сопутствующие дренажи.
"Профилактические" (сопутствующие) дренажи следует устраивать в глинистых и суглинистых грунтах.
Сопутствующий дренаж надо закладывать на 0,3-0,7м ниже подошвы основания канала.
Сопутствующий дренаж следует прокладывать с одной стороны канала на расстоянии 0,7-1,0 м от наружной грани канала. Расстояние 0,7 м необходимо для размещения смотровых колодцев.
При устройстве проходных каналов дренаж можно прокладывать под каналом по его оси. В этом случае на дренаже следует устраивать специальные смотровые колодцы с люками, заделанными в днище канала.
В случае заложения основания канала на глинистых и суглинистых грунтах, а также на песчаных грунтах с коэффициентом фильтрации менее 5 м/сутки, под основанием канала необходимо устраивать пластовый дренаж в виде сплошного песчаного пласта.
Пластовый дренаж должен быть соединен с дренирующей обсыпкой сопутствующего трубчатого дренажа.
При устройстве каналов в глинистых и суглинистых грунтах, в грунтах слоистого строения, а также в песчаных грунтах с коэффициентом фильтрации менее 5 м/сутки, с обеих сторон канала должны быть отсыпаны вертикальные или наклонные призмы из песка с коэффициентом фильтрации не менее 5 м/сутки.
Песчаные призмы предназначаются для приема притекающей с боков воды и устраиваются аналогично песчаным призмам головного и пристенного дренажей.
2.3.8 Дренаж приямков и заглубленных частей подвальных помещений
Дренаж приямков и заглубленных частей подвальных помещений должен решаться в каждом случае в зависимости от местных гидрогеологических условий и принятых конструкций зданий.
Для этой цели могут быть рекомендованы следующие решения: заглубление низового участка дренажа, когда заглубленные помещения и приямки расположены у низовой его части, считая по течению воды в дренаже;
общее понижение дренажа при заложении дренажа и защищаемого сооружения в песчаных грунтах;
разделение общего дренажа на отдельные части с самостоятельными выпусками; устройство дополнительных локальных дренажей.
При дренировании отдельных приямков и заглубленных помещений необходимо обратить особое внимание на мероприятия против выноса грунта из-под фундаментов здания.
При устройстве кольцевых дренажей фундаменты здания могут быть заложены несколько выше дренажа. Превышение фундаментов здания над дренажом и расстояние дренажа от здания должны быть проверены с учетом угла внутреннего трения грунта по формуле:

1>МИН>. - наименьшее расстояние оси дрены от стены здания в м
b - уширение фундамента здания в м,
В - ширина дренажной траншеи в м,
Н - глубина заложения дрены в м,
h - глубина заложения фундамента в м,
Ф - угол внутреннего трения грунта.
При заложении дренажа ниже фундамента зданий с целью исключения суффозии грунтов, особое внимание следует обратить на правильный подбор и устройство дренажных обсыпок, на качество заделки швов и отверстий в колодцах, а также на мероприятия, исключающие вынос грунта при разрытии траншей дренажа.
При большой величине понижения горизонта грунтовых вод под фундаментами (существующими и проектируемыми) следует производить расчет осадки грунта.
При устройстве перепадов на дренаже в пределах зоны влияния нижней дрены, также следует предусматривать мероприятия, перечисленные выше.
Перепадные колодцы должны устраиваться с тщательной заделкой всех швов и отверстий.
Локальные дренажи для отдельных приямков рекомендуется устраивать по типу пластового дренажа.
2.3.9 Другие виды дренажей
В некоторых случаях требуемое понижение уровня грунтовых вод может быть достигнуто системой общего дренирования территории (головным и систематическим дренажом).
Дренажи могут прокладываться совместно с водостоками (см. рис. 2.12). При засыпке речек, ручьев, логов и оврагов; являющихся естественным дренажом грунтовых вод, помимо коллекторов для отвода поверхностных вод необходимо устраивать дренажи для приема грунтовых вод.

Рис. 2.12 – схема прокладки дренажа над водостоком
Дренажам должна быть обеспечена связь с водоносным пластом с обеих сторон водосточного коллектора. При большом притоке подземных вод, а также при заложении коллектора на глинах и суглинках, прокладывают две дрены, располагая их по обе стороны коллектора.
При малом притоке грунтовых вод и расположении водосточного коллектора в песчаных грунтах можно прокладывать одну дрену, располагая ее со стороны большего притока воды. Если при этом песчаные грунты имеют коэффициент фильтрации менее 5 м/сутки, под основанием коллектора должен быть устроен пластовый дренаж в виде сплошного пласта или отдельных призм.
При выклинивании водоносного пласта на склонах и в откосах необходимо. страивать перехватывающие дренажи.
Перехватывающие дренажи закладывают на глубине не меньшей чем глубина промерзания и устраивают их по типу головного дренажа.
Когда водоносные слои выражены неясно и подземные воды выклиниваются по всей площади откоса, устраивают специальные откосные дренажи.
При устройстве подпорных стенок, в местах выклинивания подземных вод, устраивают застенный дренаж. Застенный дренаж представляет собой сплошную засыпку из фильтрующего материала, уложенного за стенкой. При небольшой длине застенный дренаж может быть уложен без трубы. При значительной длине рекомендуется устраивать трубчатый дренаж с дренирующей обсыпкой.
Для улавливания родников, выклинивающихся на склоне, устраивают каптажные колодцы.
Откосные и застенные дренажи и каптажные колодцы должны иметь обеспеченные выпуски воды.
Для защиты существующих подвальных помещений и подполий зданий тип дренажа выбирают в каждом конкретном случае, руководствуясь местными условиями.
В песчаных грунтах устраивают кольцевые и головные дренажи.
В глинистых и суглинистых грунтах при глубоком заложении фундаментов устраивают пристенные дренажи, при условии, что такое решение допускается
конструкцией фундаментов и стен здания.
Пластовый дренаж устраивают в случае, когда в подвале может быть устроен второй пол на более высоких отметках. В этом случае между старым и новым полом насыпают слой фильтрующего материала (крупнозернистого песка с призмами гравия или щебня) и соединяют его с наружным трубчатым дренажом, как и в обычных пластовых дренажах.
При проектировании и строительстве дренажей у существующих зданий должны быть предусмотрены меры против выноса и просадки грунтов.
Разрытие траншеи дренажа в этих случаях следует вести короткими захватками с немедленной укладкой дренажа и обратной засыпкой траншеи.
2.3.10 Трасса дренажа
Трассы кольцевых, пристенных и сопутствующих дренажей определяются привязкой к защищаемому сооружению.
Трассы головных и систематических дренажей определяются в соответствии с гидрогеологическими условиями и условиями застройки.
При заложении дренажа ниже подошвы фундаментов соседних сооружений и сетей расстояния между ними должны быть проверены с учетом угла естественного откоса грунта от края подошвы фундамента сооружения (или сети) до края траншеи дренажа.
2.3.11 Продольный профиль дренажа
Глубина заложения дренажей должна быть не меньше глубины промерзания грунта.
Глубина заложения головных, кольцевых и систематических дренажей определяется гидравлическим расчетом и заглублением защищаемых зданий и сооружений.
Глубина заложения пристенных и сопутствующих дренажей определяется в соответствии с глубиной защищаемых сооружений.
Продольные уклоны дренажа рекомендуется принимать не менее 0,002 для глинистых грунтов и 0,003 для песчаных грунтов.
Наибольшие уклоны дренажей следует определять, исходя из максимально допустимой скорости течения воды в трубах - 1,0 м/сек.
2.3.12 Расстановка смотровых колодцев
Смотровые колодцы следует устанавливать в местах поворотов трассы и изменения уклонов, на перепадах, а также между этими точками при больших расстояниях.
На прямых участках дренажа нормальное расстояние между смотровыми колодцами - 40 м. Наибольшее расстояние между смотровыми колодцами дренажа -50 м.
На поворотах дренажа у выступов зданий и у камер на каналах устройство смотровых колодцев не обязательно, при условии, что расстояние от поворота до ближайшего смотрового колодца не более 20 м. В случае; когда на участке между смотровыми колодцами дренаж делает несколько поворотов, смотровые колодцы устанавливают через один поворот.
2.3.13 Устройство выпусков
Выпуск воды из дренажей производят в водостоки, водоемы и овраги.
Присоединение дренажей к водостокам, как правило, следует осуществлять выше шелыги водостока. В случае присоединения дренажа ниже шелыги трубы водостока, на участке выпуска дренажа необходимо предусматривать обратный клапан. Не рекомендуется присоединение дренажа к водостокам ниже уровня воды в последних при периоде превышения 3 раза в год.
При выпуске в водоем дренаж должен быть заложен выше горизонта воды в водоеме во время паводка. При кратковременном повышении горизонта водоема дренаж в необходимых случаях может быть заложен ниже паводкового горизонта при условии оборудования выпуска дренажа обратным клапаном.
Устьевой участок дренажного выпуска в водоем должен быть заглублен ниже горизонта воды на толщину ледяного покрова с устройством перепадного колодца.
При невозможности устройства выпуска воды из дренажа самотеком необходимо предусмотреть насосную станцию (установку) перекачки дренажных вод, работающую в автоматическом режиме.
2.3.14 Совмещение дренажа с водостоком
При проектировании дренажа следует рассмотреть вариант прокладки его совместно с водостоком.
При достаточной глубине заложения водостока дренаж следует располагать над водостоком в одной вертикальной плоскости с выпуском дренажных вод в каждый смотровой колодец водостока. Расстояние в свету между трубами дренажа и водостока должно быть не менее 5 см.
В случае невозможности из-за глубины заложения расположить дренаж над водостоком следует осуществлять параллельную укладку дренажа в одной траншее с водостоком.
Для дренажа следует применять асбестоцементные трубы.
Исключение составляют дренажи, закладываемые в подземных водах, агрессивных к бетонам и растворам на портландцементе. В этом случае для дренажа следует применять пластмассовые трубы.
Допустимые максимальные глубины засыпки до верха трубчатого дренажа зависят от расчетного сопротивления несущего фунта, материала труб, способов укладки труб (естественное или искусственное основание) и засыпки траншей, а также других факторов.
Необходимые данные по применению асбестоцементных труб имеются в альбоме СК 2111-89, а по пластмассовым трубам - в альбоме СК 2103-84.
Водоприемные отверстия в трубах следует устраивать в виде пропилов шириной 3-5 мм. Длина пропила должна быть равна половине диаметра трубы. Пропилы устраивают с обеих сторон трубы в шахматном порядке. Расстояние между отверстиями на одной стороне - 50 см. Имеется вариант с просверливанием водоприемных отверстий
При укладке труб необходимо проследить, чтобы пропилы оказывались сбоку трубы; верх и низ трубы должен быть без пропилов.
Асбестоцементные трубы соединяют муфтами.
При применении поливинилхлоридных труб (ПВХ) водоприемные отверстия выполняются аналогично асбестоцементным трубам. Гофрированная дренажная труба из полиэтилена (ПНД) выпускается с готовыми водоприемными отверстиями (см. рис. 2.13).

Рис.2.13 – труба перфорированная
2.3.15 Дренирующие конструкции и фильтры дренажей
Дренирующие обсыпки, в соответствии с составом дренируемых грунтов, устраивают однослойными или двухслойными.
При расположении дренажа в песках гравелистых, крупных и средней крупности (при среднем диаметре частиц 0,3-0,4 мм и крупнее) устраивают однослойные обсыпки из гравия или щебня.
При расположении дренажа в песках средней крупности со средним диаметром частиц, меньшим 0,3-0,4 мм, а также в мелких и пылеватых песках, супесях и при слоистом строении водоносного пласта, устраивают двухслойные обсыпки Внутренний слой обсыпки устраивают из щебня, а внешний слой обсыпки - из песка.
Материалы дренирующих обсыпок должны удовлетворять требованиям, предъявляемым к материалам для гидротехнических сооружений.
Для внутреннего слоя дренирующих обсыпок применяют гравий, а при отсутствии его - щебень изверженных горных пород (гранит, сиенит, габбро, липарит, базальт, диабаз и др.) или же особо прочные разновидности осадочных пород (кремнистые известняки и хорошо сцементированные не выветривающиеся песчаники).
Для внешнего слоя обсыпок применяют пески, являющиеся продуктом выветривания изверженных пород.
Материалы для дренирующих обсыпок должны быть чистыми и не содержать более 3-5% по весу частиц с диаметром менее 0,1 мм.
Подбор состава дренирующих обсыпок производят по специальным графикам в зависимости от типа фильтра и состава дренируемых грунтов.
Дренажи следует укладывать в осушенные траншеи. В песчаных грунтах применяют водопонижение иглофильтрами. При заложении дренажа на водоупоре применяют водоотлив с устройством строительных дренажей, замораживание или химическое закрепление грунтов.
Трубы дренажей несовершенного типа укладывают на нижние слои дренирующей обсыпки, которые в свою очередь, укладываются непосредственно на дно траншеи.
Для дренажей совершенного типа основание (дно траншеи) укрепляется втрамбованным в грунт щебнем, а трубы укладываются на слои песка толщиной в 5 см.
В слабых грунтах с недостаточной несущей способностью дренаж должен быть уложен на искусственное основание.
Дренирующие обсыпки могут иметь прямоугольное или трапецеидальное очертание в поперечном разрезе.
Обсыпки прямоугольного очертания устраивают с помощью инвентарных щитов.
Обсыпки трапецеидального очертания насыпают без щитов с откосами 1:1.
Двухслойные дренирующие обсыпки рекомендуется делать прямоугольного очертания с помощью инвентарных щитов.
Толщина одного слоя дренирующей обсыпки должна быть не менее 15 см.
2.3.16 Трубофильтры
Взамен устройства дренажа из труб с гравийно-щебеночным фильтром для профилактических дренажей могут быть применены трубофильтры из пористого бетона или другого материала. Область и условия применения трубофильтров определяется специальными указаниями.
2.3.17 Колодцы
На трубчатых дренажах устраивают колодцы.
Для предохранения от засорения колодцы должны быть снабжены вторыми крышками.
Перепадные колодцы на дренаже должны иметь водобойную часть.
2.3.18 Песчаные призмы
При прокладке дренажа в песчаных грунтах с коэффициентом фильтрации менее 5 м/сутки, а также в грунтах слоистого строения, часть траншеи над дренажом засыпают песком. Засыпанная песчаная призма должна иметь коэффициент фильтрации не менее 5 м/сут.
Засыпку песком траншеи, разработанной в песчаных грунтах, производят на высоту 0,6-0,7 Н, где Н - высота от дна траншеи до уровня подземных вод, но не менее 15 см над верхом дренирующей обсыпки. В грунтах слоистого строения траншею засыпают песком на 30 см выше уровня подземных вод
2.3.19 Колодцы-фильтры
При неоднородном строении водоносного пласта, когда горизонтальная дрена проходит в верхнем менее проницаемом слое, а ниже расположен более проницаемый слой, устраивают комбинированный дренаж, состоящий из горизонтальной дрены и вертикальных самоизливающихся колодцев-фильтров.
Проходку вертикальных колодцев-фильтров можно выполнить гидравлическим способом (погружением с помощью подмыва) или буровым способом. В этих случаях колодцы-фильтры в конструктивном отношении устраиваются аналогично трубчатым колодцам вертикальных дренажей. Устье (верхний конец трубчатого колодца) располагается ниже общего непониженного уровня подземных вод и заделывается в днище смотрового колодца дренажа. Отметка устья трубчатого колодца должна быть выше отметки лотка горизонтальной дрены на 15 см. При небольшой глубине установку колодцев-фильтров можно производить открытым способом. Для этой цели со дна траншеи горизонтального дренажа открывают колодцы, в которых устанавливают вертикально трубы (асбестоцементные или пластмассовые), заполненные гравием или щебнем. Пространство между вертикальной трубой и грунтом заполняют крупнозернистым песком. Нижний конец вертикальной трубы входит в слой гравия или щебня на дне колодца. Верхний конец трубы сопрягается с внутренним слоем обсыпки горизонтальной дрены.
2.3.20 Конструкция пластового дренажа
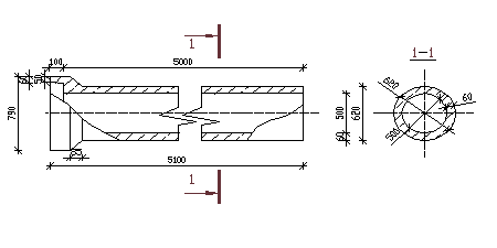
Пластовый дренаж применяется для защиты подвалов зданий, приямков и каналов в тех случаях, когда один трубчатый дренаж не дает необходимого дренирующего эффекта.
Пластовый дренаж устраивается в виде слоя песка, отсыпаемого по дну котлована под здание или траншеи для канала.
Слой песка в поперечном направлении прорезают призмами из гравия или щебня.
Пластовый дренаж необходимо предохранить от засорения во время строительства. При устройстве полов и оснований мокрым способом (с применением монолитного бетона и цементных растворов (необходимо закрыть пластовый дренаж изолирующим материалом (пергамином и т.п.).
Гравийные (или щебеночные) призмы должны иметь высоту не менее 20 см.
Расстояние между призмами - 6 * 12 м (в зависимости от гидрогеологических условий). Прокладываются призмы, как правило, в середине между поперечными фундаментами здания.
При большом притоке воды или для особо ответственных сооружений пластовый дренаж может быть двухслойным по всей площади с нижним слоем из песка и верхним - из гравия или щебня.
При малой ширине защищаемого сооружения и ограниченным притоке воды, в частности под подземными каналами, пластовый дренаж может быть устроен из одного слоя песка или из щебня.
Толщина пластового дренажа под зданиями должна быть не менее 30 см, и под каналами не менее 15 см.
В отдельных случаях, при большой площади дренажа или особых требованиях к понижению зоны капиллярного насыщения, толщина и конструкция пластового дренажа определяются расчетом.
Пластовый дренаж должен выходить за наружные стенки сооружения, а в необходимых случаях - отсыпаться по откосу котлована (траншеи).
Пластовый дренаж должен быть соединен с трубчатым дренажом кольцевым, пристенным или сопутствующим.
При большой площади подземного помещения следует прокладывать дополнительные трубчатые дрены под полом помещения.
В подпольях зданий, возводимых на свайных основаниях, пластовый дренаж может быть устроен в сочетании с однолинейным трубчатым дренажом, расположенным под подпольем.


3. Архитектурно-планировочный раздел
3.1 Объёмно-планировочное решение участка застройки
Вертикальная планировка участка выполнена на основании генплана и инженерно-геологических изысканий, выполненных проектным институтом “Карелпроект” 1990г. И решена с учётом планировочных отметок примыкающих улиц и с учётом существующей застройки. Исходя из геологических и гидрогеологических условий участка, для проведения строительства и дальнейшей успешной эксплуатации здания инженерная подготовка предполагает: вертикальную планировку, поверхностный водоотвод, осушение. Вертикальная планировка выполнена в подсыпке. Предполагается использование грунта, изымаемого при рытье котлована здания в подсыпке газонов.
Поверхностный водоотвод осуществляется по лоткам асфальтового покрытия в направлении прилегающих улиц. Для защиты подвальных помещений от верховодки и грунтовых вод предусматривается пристенный дренаж из асбестоцементных труб D=150мм с 2-хслойной фильтрующей обсыпкой. Выпуск пристенного дренажа запроектирован в проектируемый ливневой коллектор.
Участок застройки расположен в районе микрорайона Перевалка в г. Петрозаводске.
На участке располагается 9-ти этажный 54-х квартирный жилой дом, площадки для отдыха, сушки белья, площадка для контейнеров, детская площадка, хозяйственная площадка, а также площадка для временной остановки легкового транспорта.
Фасад здания обращен на юго-запад, что обеспечивает хорошую степень инсоляции помещений.
Участок имеет следующие характеристики:
Размеры в плане: ширина 123,26 м; длина 157,39 м;
Площадь участка в границах отвода -19400 м2;
Площадь участка в границах благоустройства -19400 м2;
Площадь застройки - 2970 м2;
Площадь проездов, тротуаров, отмостки – 2600м2;
Площадь площадок – 2000 м2;
Дороги шириной 5,5 м;
Тротуары шириной 1,5 м;
Пешеходные дорожки шириной 1,5 м;
Площадь озеленения участка составляет 6000 м2. В табл. 2.1 приведена ведомость элементов озеленения.
Таблица 3.1
|
N п/п |
Наименование |
Ед. изм. |
Примечание |
|
1 |
Шиповник |
шт. |
Саженцы 3 шт. на м2 |
|
2 |
Кизильник |
шт. |
Саженцы 3 шт. на м2 |
|
3 |
Барбарис обыкновенный |
шт. |
Саженцы 3 шт. на м2 |
|
4 |
Газон |
м2 |
Благоустройство площадок выполнено малыми элементами архитектуры (см. табл. 2.2)
Таблица 3.2
|
Наименование |
Количество |
|
Скамья, тип I, с-Iа |
14 |
|
Урна, тип III |
4 |
|
Площадка для контейнеров с мусором |
1 |
|
Качалка-балансир тип II |
2 |
|
Карусель тип I |
2 |
|
Перекладины разновысокие |
2 |
|
Стол со скамьями |
4 |
|
Стойка для чистки ковров. |
2 |
|
Стойка для сушки белья |
4 |
Минимальное расстояние от здания до площадок составляет 12 м, а максимальное 20м.
Планировка участка выполнена в соответствии с требованиями действующих СНиП и ГОСТ.
3.2 Объемно-планировочное решение жилого здания
В рамках данного дипломного проекта согласно исходному заданию на курсовое проектирование разработан проект жилого 9-ти этажного дома, который имеет следующие характеристики.
Таблица 3.3
|
Наименование |
Значение |
|
Количество секций |
2 |
|
Количество этажей |
9 |
|
Количество 2-х комнатных квартир |
18 |
|
Количество 3-х комнатных квартир |
18 |
|
Количество 4-х комнатных квартир |
18 |
|
Площадь общая |
2139.66 м2 |
|
Площадь жилая |
1300.86 м2 |
Здание имеет прямоугольную форму со следующими размерами в плане, ширина 12 м длина 45 м.
В здании техподполье, в котором располагается помещение для разводки санитарно-технических сетей (водопровод, канализация, и.т.д.).
На первом этаже располагается мусорокамера для сбора мусора.
3.3 Описание конструктивных решений
Фасады - с приставными лоджиями
Фундаменты - ленточные из сборных ж/б плит и бетонных блоков –ФЛ 12.12, ФЛ 12.24, ФЛ 16.12, ФЛ16.24, ФЛ12.8, ФЛ16.8
Наружные цокольные панели - Однорядная разрезка, трёхслойные из тяжёлого бетона с утеплителем, толщиной 350 мм
Наружные стены - Однорядная разрезка, трёхслойные из тяжёлого бетона толщиной, 350 мм, с утеплителем 350 мм
Внутренние стены - Несущие ж/б панели толщиной 160 мм
Перегородки - Гипсокартонные толщиной 80 мм
Крыша - С теплым чердаком с рулонной кровлей из наплавляемого рубероида
Перекрытия - Ж/б панели сплошные, толщиной 160 мм
Вентблоки - Самонесущие ж/б панели
Лестницы - Сборные ж/б площадки и марши
Санузлы - Сантехнические кабины
Лоджии - Ж/б панели толщиной 160 мм
Ограждения лоджии - Бетонная панель
Отделка цоколя - Крупноразмерная керамическая плитка
Козырьки над входами - Ж/б плоская плита толщиной 160 мм
Полы в комнатах - Паркетная доска по лагам
Полы в кухнях – Линолеум
Полы в санузлах - Керамическая плитка
Окна - С раздельными переплётами
Двери наружные - Остеклённые и глухие, обшитые рейкой
Двери внутренние – Щитовые
Потолки - Высококачественная клеевая окраска
Отделка стен - Оклейка обоями
Отделка стен санузлов - Масляная окраска
Отделка стен ванной – Кафель
Отделка кухонь - Масляная окраска, кафель
Отделка лестничной клетки - Масляная и эмульсионная окраска
Отделка столярки - Масляная окраска за 2 раза
Водопровод - Хозяйственно-питьевой от внешних сетей
Отопление – Центральное
Вентиляция - Естественная вытяжка из санузлов и кухонь
Горячее водоснабжение - Централизованное от внешних сетей
Канализация - В городскую канализационную сеть
Водостоки - Внутренний в лестничной клетке с выпуском в ливневую канализацию
Электрооборудование - Электроосвещение от сети 380/220 В
Устройство связи - Электроосвещение от сети 380/220 В
Мусоропровод - С камерой на 1 этаже
Лифт - Пассажирский, грузоподъемностью 400кг
Используется конструктивная схема здания с несущими поперечными стенами. Шаг поперечных несущих стен 4,5м и 3м. Наружные несущие стеновые панели трехслойные железобетонные на гибких связях с эффективным утеплителем.
Здание запроектировано с теплым чердаком с рулонной кровлей из наплавляемого рубероида. Кровля выполняется их трёхслойных ж/б плит покрытия с эффективным утеплителем.
Плиты перекрытий предусмотрены сплошными толщиной 160мм. Сплошные плиты перекрытия пролётом 4.5 м, опёртые по тём сторонам, выполняются с обычным сетчатым армированием.
В проекте применено двойное остекление с раздельными переплётами.
Класс здания – II
Степень долговечности – II
Степень огнестойкости – II
4. Расчётно-конструкторский раздел
4.1 Расчёт коллектора
4.1.1 Исходные данные
Требуется рассчитать ж/б безнапорную трубу Ø 500мм с обычным армированием. Трубопровод укладывается в траншею открытым способом на естественном основании. Глубина укладки от поверхности земли до 3 метров до верха трубы, грунт- супесь тугопластичная. Уровень грунтовых вод на глубине 2 м.
Расчётная приведенная внешняя нагрузка P на 1 м трубопровода определяется по формуле, кн/м:
4.1.2 Давление грунта в траншеи
4.1.3 Коэффициент, учитывающий разгрузку трубы грунтом пазух
=250
-нормативный
модуль деформации грунта засыпки пазух,
=300000
-начальный
модуль упругости бетона трубы,
=0,56
м - средний диаметр труб,
=0,62
м – наружный диаметр труб,
В=1,5 м - ширина траншеи на уровне верха трубы,
h = 0,06 м –толщина стенки труб.

Рис.4.1 - Геометрические размеры
4.1.4 Определяем коэффициент концентрации давления в насыпи:
(3.4)
следовательно,
определяем
по формуле:
(3.5)

-
коэффициент концентрации давления в
насыпи,
=1,4
(см. табл.3.1 грунт Г3)
Таблица 4.1. - Значения коэффициента К>н> в зависимости от характеристик основания
|
Грунты основания |
Условная группа |
Коэффициент при отношении H/D бльше 2,5 и укладке труб на основания |
||||
|
плоское грунтовое |
профилированное грунтовое с углом охвата |
бетонное с углом охвата 120 |
||||
|
Скальные, глинистые очень прочные |
Г4 |
1,6 |
1,6 |
1,6 |
1,6 |
1,6 |
|
Пески гравелистые, крупные, средней крупности и мелкие плотные. Глинистые грунты прочные |
Г3 |
1,4 |
1,43 |
1,45 |
1,47 |
1,5 |
|
Пески гравелистые, крупные, средней крупности и мелкие средней плотности. Пески пылеватые плотные, глинистые, грунты средней плотности прочные |
Г2 |
1,25 |
1,28 |
1,3 |
1,35 |
1,4 |
|
Пески мелкие рыхлые. Пески пылеватые средней плотности, глинистые грунты слабые |
Г1 |
1,1 |
1,15 |
1,2 |
1,25 |
1,3 |
|
Пески пылеватые рыхлые, глинистые грунты текучие |
1 |
1 |
1 |
1,05 |
1,1 |
4.1.5 Расчётная приведённая нагрузка на трубу от грунта при укладке в насыпь:
,
=
0,877
(см.рис.4.2),т.к.


Рис. 4.2 –График вертикального давления в зависимости от ширины траншеи и категории грунта засыпки
-ширина
траншеи на уровне середины расстояния
между поверхностью земли и верхом
трубопровода.
Следовательно, расчёт ведём по формуле:
(3.6)
1,15*0,62*1,41*0,97*0,75(18,0*2+5*5)=31,08
кН/м
=1,15-
коэффициент перегрузки для грунта,
=0,97-коэффициент,учитывающий
боковое давление на трубопровод.(см.
табл.3.2)
=0,75
(см. табл.3.3)
Таблица 4.2 - Значение коэффициента η при различном уплотнении засыпки
|
Вид грунта засыпки |
Коэффициенты при степени уплотнения засыпки |
|||||||
|
Нормальной |
Повышенной плотности |
|||||||
|
при укладке труб в |
||||||||
|
траншее |
насыпи |
траншее |
насыпи |
|||||
|
λтр |
η |
λн |
η |
λтр |
η |
λн |
η |
|
|
Пески, кроме пылеватых |
0,1 |
0,95 |
0,3 |
0,86 |
0,3 |
0,86 |
0,5 |
0,78 |
|
Пески пылеватые, суглинки |
0,05 |
0,97 |
0,2 |
0,9 |
0,25 |
0,88 |
0,4 |
0,82 |
|
Глины |
0 |
1 |
0,1 |
0,95 |
0,2 |
0,9 |
0,3 |
0,86 |
Таблица.4.3 - Значение коэффициента β1, β2
|
Способ укладки труб |
Коэффициенты приведения для нагрузок от |
|
|
давление грунта и временных нагрузок |
собственной массы трубопровода и массы транспортируемого продукта |
|
|
На плоское грунтовое основание с подбивкой под круглые трубы |
0,75 |
0,6 |
|
На грунтовое спрофилированное основание с углом охвата трубы |
0,55 |
0,37 |
|
75 |
||
|
90 |
0,5 |
0,32 |
|
120 |
0,45 |
0,25 |
|
На ж/б фундамент с углом охвата трубы 120 |
0,35 |
0,2 |
кН
- с учётом взвешенного действия воды
4.1.6 Расчётная приведенная нагрузка от транспорта

=1-динамический
коэффициент подвижной нагрузки
=1,4-коэффициент
перегрузки для транспорта
=2,06-нормативное
равномерно распределенное давление от
транспорта (табл.3.4)
Таблица.4.4 - значение
от автомобильной нагрузки Н-18 при
различных наружных диаметрах
|
Глубина заложения трубопровода |
Нормативное равномерно распределённое давление от автомобильной нагрузки |
|||||
|
0,3 |
0,5 |
0,7 |
0,9 |
1,1 |
1,3 |
|
|
0.5 |
111.1 |
104 |
92,9 |
83,2 |
75,9 |
69,1 |
|
0.75 |
51,9 |
48,2 |
46,6 |
42,9 |
40 |
38 |
|
1,00 |
28,1 |
27,2 |
25,6 |
24,5 |
23 |
21,6 |
|
1,25 |
18,3 |
17,8 |
17,5 |
16,9 |
16,3 |
15,6 |
|
1,50 |
13,4 |
13,3 |
13,1 |
12,9 |
12,8 |
12,7 |
|
2,00 |
8,43 |
8,43 |
8,43 |
8,43 |
8,43 |
8,43 |
|
3,00 |
5,49 |
5,49 |
5,49 |
5,49 |
5,49 |
5,49 |
|
4,00 |
3,04 |
3,04 |
3,04 |
3,04 |
3,04 |
3,04 |
|
5,00 |
2,06 |
2,06 |
2,06 |
2,06 |
2,06 |
2,06 |
4.1.7 Расчётная приведенная нагрузка от жидкости

=1-коэффициент
перегрузки
=0,6-коэффициент
приведения нагрузки.(табл.4.4)
4.1.8 Расчётная приведенная нагрузка от собственного веса трубы

=1,1
4.1.9 Полная приведенная нагрузка

Контрольная нагрузка 41,2 кН/м по ГОСТ 8482-88
4.1.10 Усилия в трубе от основного сочетания нагрузок


4.1.11 Геометрические характеристики продольного сечения
4.1.11.1 Общие данные армирования
Каркас КП4 А-IØ6 – ГОСТ 5781, 5Вр – 1 – ГОСТ 6727 (спир.) с шагом m=80 мм

Рис.4.3 – Армирование трубы

Рис.4.4 – Каркас КП4
Площадь спиральной арматуры

Коэффициент продольного армирования

Бетон марки В25
4.1.11.4 Площадь приведенного сечения
4.1.11.5 Статический момент


Рис.4.5 – Деталь армирования
4.1.11.6 Расстояние от внутренней грани до центра

Момент инерции приведенного сечения


4.1.11.8 Момент сопротивления приведенного сечения

4.2. Расчёт фундамента
4.2.1 Инженерно-геологические условия
Описание инженерно-геологических элементов (далее ИГЭ):
ИГЭ-1 –насыпной грунт, смесь супеси, гравия, гальки, бытового мусора, мощность 0.7 -1.9 м;
ИГЭ-2 – моренные супеси с гнёздами песков, с гравием и галькой от 10-15% до 25-35%, с валунами 5-10%, мощность 15 м;
Глубина залегания уровня грунтовых вод от 1,8 до 4 м.
Рис.4.6 – Геология скважин

Рис.4.7 – Схема расположения скважин
Таблица 4.5 - Характеристики физико-механических свойств грунтов
|
№ ИГЭ |
>II>, кН/м3 |
W, % |
е д.е. |
>II>, град. |
С>II>, кПа |
W>P>, % |
W>L>, % |
I>P>, % |
I>L>, д.е. |
Е, МПа |
R>0>, кПа |
|
ИГЭ-1 |
16 |
||||||||||
|
ИГЭ-2 |
22,6 |
10 |
0,31 |
26 |
12 |
12 |
17 |
5 |
≤0 |
25 |
300 |
4.2.2 Сбор нагрузок на фундамент
4.2.2.1 Постоянные нагрузки
Таблица 4.6 - Постоянная
нагрузка от покрытия, к
Таблица 1.1.1. кгс/м2
|
Конструкция кровли |
Нормативная нагрузка, |
|
Изопласт, ЭКП |
0,06 |
|
Изопласт, ХПП |
0,06 |
|
Утеплитель «PAROC» |
0,09 |
|
Пароизоляционная пленка «ЮТАФОЛ» |
0,05 |
|
Ж/б плита |
4 |
|
Итого: |
4,26 |
Таблица 4.7 - Постоянная
нагрузка от перекрытия, к
Таблица 1.1.1. кгс/м2
|
Конструкция перекрытия |
Нормативная нагрузка |
|
Паркетная доска, 20 мм |
0,01 |
|
Лаги 50*200 с шагом 500 мм |
0,01 |
|
Плита перекрытия |
4 |
|
Итого: |
4,02 |
|
Временная |
1,5 |
|
Полная: |
5,52 |
От стеновых панелей:
Наружная стена:
11.56
кН/м (вес 3-х слойных стеновых панелей
принят по паспортам изделий серии 75)
Торцевая стена:
15.1
кН/м
Внутренние стены:
30*0,16*25=120
кН/м до отм. -1,90
От лестничных маршей:
=15
кН
=35кН
кН
(1,4*0,08*2,8*3,75)/6=1,96
4.2.2.2 Временные нагрузки
На перекрытия:
Временная нагрузка на
перекрытие -


Временная нагрузка на
перекрытие чердака


Временная нагрузка на
покрытие:


На покрытие:
Снеговая нагрузка
-
нормативная снеговая нагрузка по СНиП
2.01.07-85 “Нагрузки и воздействия” для г.
Петрозаводска (V
снеговой район).
Результирующая нагрузка по сечению 1-1

Результирующая нагрузка по сечению 2-2

Результирующая нагрузка по сечению 3-3


Рис.4.8 - Схема для сбора нагрузок
4.2.3 Расчет фундаментов
4.2.3.1 Определение глубины промерзания
Расчетная глубина сезонного промерзания грунта по формуле:
где k>h>
- коэффициент, учитывающий влияние
теплового режима сооружения,
нормативная глубина сезонного промерзания:
где d>0>
- величина, принимаемая равной для песков
гравелистых, крупных и средней крупности
- 0,30,
-
безразмерный коэффициент, численно
равный сумме абсолютных значений
среднемесячных отрицательных температур
за зиму в г.Петрозаводске.
4.2.3.2 Выбор варианта фундамента
Проанализировав инженерно геологические условия наиболее приемлемыми типами фундаментов являются фундаменты на естественном основании.

Рис.4.9 – Вариант фундамента
фундамент на естественном основании;
4.2.3.3 Расчет фундамента на естественном основании
Исходные данные:
;
;
;
;
Сечение 3-3:
Предварительное определение размеров подошвы фундамента.
Площадь подошвы фундамента:
где
-
условное расчетное сопротивление ИГЭ-2,
-
средний удельный вес материала фундамента
и грунта на его уступах,
-
глубина заложения фундамента от уровня
планировки земли.
Так как фундамент ленточный,
то его длина равна единице, а значит
.
Предварительно принимаем 1.4 м.
Расчетное сопротивление грунта основания определяем по формуле:

где
и
-
коэффициенты условий работы, принимаемые
по таблице 3 [2];
—
коэффициент, принимаемый
равным 1,1;
,
и
—
коэффициенты условий работы, принимаемые
в зависимости от угла внутреннего трения
по
таблице 4 [2];
=0,84
=4,37
=6,9
—
коэффициент, зависящий
от ширины подошвы фундамента (при
);
—
ширина подошвы фундамента;
—
глубина подвала —
расстояние от уровня планировки до пола
подвала;
—
осредненное расчетное
значение удельного веса грунтов,
залегающих ниже подошвы фундамента
(при наличии подземных вод определяется
с учетом взвешивающего действия воды);
—
то же, залегающих выше
подошвы;
—
расчетное значение
удельного сцепления грунта, залегающего
непосредственно под подошвой фундамента;
—
глубина заложения
фундамента:
,
где:
—
толщина слоя грунта выше
подошвы фундамента со стороны подвала;
-
удельное сцепление грунта.
Удельный вес с учетом взвешивающего действия воды:

Осредненные расчетные значения удельного веса грунта залегающего:
ниже подошвы фундамента:


выше подошвы фундамента:
.

Среднее напряжение в грунте под подошвой фундамента:

Проверка условия:
больше 5 %
Принимаем b= 1.1 м.

Среднее напряжение в грунте под подошвой фундамента:

Проверка условия:
условие выполняется
Сечение 2-2:
Предварительное определение размеров подошвы фундамента.
Площадь подошвы фундамента:

-
глубина заложения фундамента от уровня
пола подвала.
Так как фундамент ленточный,
то его длина равна единице, а значит
.
Предварительно принимаем 1.6 м.
Расчетное сопротивление грунта основания определяем по формуле:


Среднее напряжение в грунте под подошвой фундамента:

Проверка условия:
условие выполняется, т.к. разница меньше
5%
Сечение 1-1:
Предварительное определение размеров подошвы фундамента.
Площадь подошвы фундамента:

-
глубина заложения фундамента от уровня
пола подвала.
Так как фундамент ленточный,
то его длина равна единице, а значит
.
Предварительно принимаем 1.6 м.
Расчетное сопротивление грунта основания определяем по формуле:


Среднее напряжение в грунте под подошвой фундамента:

Проверка условия:
условие выполняется, т.к. разница меньше
5%
5. Организационно-технологический раздел
Данный раздел представлен календарным планом на устройство дренажной сети квартала, генеральным планом организации строительной площадки, технологической картой на монтаж дренажных труб.
5.1 Календарный план
По СНиП 1.04.03-85 «Нормы продолжительности строительства и задела в строительстве предприятий, зданий и сооружений» максимальный срок устройства дренажной сети 0,5 мес.
Основные этапы выполнения работ:
•отрыв траншеи;
•строповка трубы;
•укладка трубы;
•поверка;
•стыковка труб;
•подбивка и присыпка трубы;
Подводка электрических сетей, сетей водопровода и канализации осуществляется в подготовительный период.
Фактический срок строительства здания составляет 0,5мес.
Календарное поле смотри в приложении.
5.2 Генеральный план организации строительной площадки
Дороги на строительной площадке:
временные кольцевые шириной 6,5 м, предназначены для передвижения монтажных механизмов;
постоянные дороги используются для подвоза конструкций на строительную площадку.
Временное ограждение строительной площадки устраивается по контуру строительной площадки из железобетонных панелей, включающее в себя все опасные зоны. Для доступа транспорта на строительную площадку в ограждении предусмотрены ворота размером 6 м.
Временные здания и сооружения включают в себя контору, проходную, диспетчерскую, бытовые помещения для рабочих, столовую, санузел, склады и навесы. Все временные сооружения сблокированы вне зоны действия монтажных механизмов и подключены к временным сетям.
Система электроснабжения организована от существующей трансформаторной подстанции, находящейся на строительной площадки по низковольтной схеме.
Временные сети водопровода и теплоснабжения подключаются к существующим магистралям. Обеспечивают бытовые помещения, кроме того, к сетям водопровода подключены пожарные гидранты.
Средствами связи является телефон. Подключается к существующей линии.
Освещение строительной площадки в темное время суток осуществляется прожекторами СПО-200 на мачтах, установленными через 35 - 40 м.
Безопасная организация строительной площадки осуществляется при помощи мер противопожарной защиты – рядом с бытовками устанавливается противопожарный щит, а также пожарными гидрантами.
Безопасность рабочих при монтаже конструкций обеспечивается при помощи сигнальщика, предупреждающего рабочих о начале монтажа.
Культура производства представлена щитом рекламы при въезде на строительную площадку и специальными предупреждающими знаками.
Стройгенплан план смотри в приложении
5.3 Технологическая карта на укладку дренажных труб
5.3.1 Организация и технология строительного процесса
До начала работ необходимо:
отрыть траншею;
отрыть приямки в местах стыковки труб;
обеспечить водоотлив из траншеи;
установить по нивелиру две инженерные обноски на бровке траншеи с учётом уклона лотков трубопровода;
вынести ось трубопровода с установкой вешек в колодцах и траншее;
разложить трубы на бровке вдоль траншеи;
очистить трубы от загрязнений;
Отрывку траншей под проектируемые инженерные сети производить экскаватором типа ЭО-5015 с ковшом емк. 0,5 м3.
Крутизна откосов принимается по СНиП12-04-2002 и составляет для данных геологических условий равной - 1:1.
Грунт при отрывке траншей разрабатывается в основном в отвал на бровку траншеи, на отдельных участках, где размещение грунта на бровке траншеи не возможно, грунт грузится на автосамосвалы и отвозится во временный отвал расстояние до 1,0 км с последующим использованием при обратной засыпке траншей.
При производстве работ ниже уровня грунтовых вод следует предусмотреть открытый водоотлив из траншей насосами производительностью до 30 м3/час.
При пересечении траншей с действующими подземными коммуникациями разработка грунта механизированным способом разрешается согласно п.3.22 СНиП 3.02.01-87 и ПУЭ на следующих минимальных расстояниях:
- для кабельных линий электроснабжения и связи 1 м от кабеля;
- для междугородных линий связи - 2 м от кабеля;
- для стальных сварных, керамических, чугунных и асбестоцементных трубопроводов, каналов и коллекторов - 0,5 м от боковой поверхности и 0,5м над верхом коммуникаций для гидравлических экскаваторов; 2м от боковой поверхности и 1м над верхом коммуникаций для прочих средств механизации.
Оставшийся грунт должен разрабатываться с применением ручных безударных инструментов или специальных средств механизации.
Засыпку траншей с уложенными трубопроводами сетей осушения, водопровода, канализации и теплоснабжения выполнять с соблюдением п. 4.9 СНиП 3.02.01-87.
На первой стадии выполняется засыпка нижней зоны не мерзлым грунтом.
При засыпке не должна повреждаться изоляция труб.
На второй стадии выполняется засыпка верхней зоны траншеи грунтом, не содержащим твердых включений размером свыше диаметра трубы.
При этом должна обеспечиваться сохранность трубопроводов.
Отрывку траншей для прокладки кабельных линий рекомендуется производить при помощи малогабаритных экскаваторов типа ЭО-2621, в стесненных местах - вручную.
Опускание труб в траншеи и монтаж сборных железобетонных колодцев, плит основания производится при помощи трубоукладчиков и автокранов соответствующей грузоподъемности с применением инвентарных грузозахватных приспособлений.
Схема организации строительной площадки смотри на рис. 5.1

Рисунок 5.1 – схема организации рабочего места
Схема производства работ смотри на рис. 5.2

Рисунок 5.2 – схема производства работ
Работы выполняются звеном трубоукладчиков (таблица 5.1).
Таблица 5.1

Необходимые инструменты (табл. 5.2)
Таблица 5.2

5.3.2 Указания по производству работ в зимних условиях
Зимние условия выполнения строительных и монтажных работ определяются среднесуточной температурой наружного воздуха +5°С и ниже и минимальной суточной температурой 0°С и ниже.
При рыхлении грунта применяются клин-баба или дизель-молот, для оттаивания грунтов - прогрев огневым способом.
Грунт, подлежащий разработке в зимних условиях, рекомендуется предварительно предохранять от промерзания дешевыми материалами (опилки, листья и др.).
Грунт для обратных засыпок, устройства насыпей должен отвечать требованиям п.п.3-6 таблицы 7, СНиП 3.02.01-87.
5.3.3 Мероприятия по охране труда
Охрана труда рабочих должна обеспечиваться выдачей администрацией необходимых средств индивидуальной защиты (специальной одежды, обуви, шлемов и др.), выполнением мероприятий по коллективной защите рабочих (ограждения, освещение, вентиляция, защитные и предохранительные устройства, приспособления и т.д.), санитарно-бытовыми помещениями.
Согласно действующим нормам и правилам администрация стройки должна в установленные сроки организовать инструктаж, изучение и проверку знаний рабочих и технического персонала в области техники безопасности с обязательным документальным ее оформлением, оформлять наглядную агитацию в виде плакатов, развешиваемых вблизи рабочих мест, в бытовых помещениях.
Санитарно-гигиенические мероприятия предусматривают осуществление санитарно-гигиенического обслуживания работающих на рабочих местах и в бытовых помещениях. К таким мероприятиям относятся создание на рабочих местах нормальной воздушной среды, освещенности, устранение вредного воздействия вибрации и шума, оборудование необходимых бытовых и санитарных помещений.
Площадка строительства, а также места производства работ при прокладке инженерных сетей, во избежание доступа посторонних лиц, должны быть ограждены. Типы временных ограждений определяются при разработке ППР.
При производстве работ необходимо обеспечивать правильное складирование материалов и изделий, устранять возможность загорания легковоспламеняющихся и горючих материалов, ограждать места производства сварочных работ, своевременно убирать строительный мусор, разрешать курение только в специально отведенных местах, строго соблюдать другие правила пожарной безопасности, а также содержать в постоянной готовности и исправности все средства пожаротушения (пожарные водоемы, линии водопровода с гидрантами, огнетушители, сигнализационные устройства, пожарный инвентарь).
Пожаротушение на период строительства предусмотрено от пожгидрантов, установленных на существующих и проектируемых сетях водопровода, прокладка которых выполняется в подготовительный период.
При производстве работ на участках, примыкающих к существующим проездам, необходимо выставить предупреждающие временные дорожные знаки, согласованные с органами ГИБДД при разработке ППР.
5.3.4 Технико-экономические показатели
Затраты труда на монтаж труб, чел.– дней -78,75;
на I м труб, чел. - дней - 0,2;
выработка на одного рабочего в смену, м -43,5;
5.3.5 Ведомость потребности в основных строительных машинах и механизмах
|
№№ п/п |
Наименование машин и механизмов |
Область применения |
Ед. изм. |
Коли- чество |
|
1 |
Бульдозер ДЗ-42 (мощн. 75 л.с.) |
Планировочные работы, срезка грунта, засыпка траншей |
Шт. |
2 |
|
2 |
Экскаватор ЭО-5015 с ковшом емк. 0,5 м3 |
Отрывка котлованов и траншей |
Шт. |
2 |
|
3 |
Кран-трубоукладчик ТЛ-4 |
Укладка труб в траншею |
Шт |
2 |
|
4 |
Компрессор ЗИФ-55 |
Снабжение сжатым воздухом |
Шт. |
4 |
|
5 |
Пневмоколесный каток ДУ-31А |
Уплотнение грунта |
Шт. |
2 |
|
6 |
Автогрейдер ДЗ-99 |
Устройство проездов |
Шт. |
2 |
|
7 |
Каток с гладкими вальцами ДУ-50 |
Устройство асфальтобе-тонных покрытий |
Шт. |
2 |
|
8 |
Каток с гладкими вальцами ДУ-10А |
Устройство асфальтобе-тонных покрытий |
Шт. |
2 |
|
9 |
Асфальтоукладчик ДС-1 |
Устройство асфальтобе-тонных покрытий |
Шт. |
2 |
|
10 |
Пневмоколесный кран типа КС-5363 или гусеничный кран РДК-25 (ДЭК-25) |
Возведение подземных частей зданий |
Шт. |
2 |
Список использованных источников
1. Абрамов С.К., Подземные дренажи в промышленном и городском строительстве. М., Стройиздат, 1973, 47 с.
2. Симагин В.Г., Ратькова Е.И. Дренажи. Проектирование и устройство горизонтальных трубчатых дренажей. Учебное издание. Петрозаводск, Типография Издательства ПетрГУ, 2002, 240 с.
3. Симагин В.Г., Защита подземной части зданий и сооружений от воздействия грунтовых вод. Петрозаводск, Типография Издательства ПетрГУ, 1983, 67 с. СНиП
4. Моисеев В.Ю., Инженерная подготовка застраеваемой территории. Киев, Изд-во “Будивельник”, 1974, 276 с.
5. Дегтярев Б.М., Защита оснований зданий и сооружений от воздействия подземных вод. М., Стройиздат, 1985, 263 с.
6. Полещук Н.Н. Visual LISP и секреты адаптации AutoCAD. СПб.: БХВ-Петербург, 2001. 576с.
7. Кудрявцев Е.М. AutoLISP. Основы программирования в AutoCAD 2000. М.:ДМК Пресс, 2000. 416 с.
8. Сенкевич Т.П. Железобетонные трубы. М.: Стройиздат, 1989. 272 с.
9. Левченко Г.Е. КТП - Монтаж наружных сетей. М.: Стройиздат, 1982. 40 с.
10. Детали дренажей и городских дорог. г. Петрозаводск, 1992. 50с.
11. Долматов Б.И. Механика грунтов, основания и фундаменты. – М.: Стройиздат, 1981. 480с.
12. СНиП 2.01.01-83*. Основания зданий и сооружений/Госстрой СССР. - М.: Стройиздат, 1985. 40 с.;
13. СНиП 2.01.07-85*. Нагрузки и воздействия. Нормы проектирования. – М.: Стройиздат, 1985. 60 с.;
14. СниП 2.05.03-84. Мосты и трубы. Нормы проектирования. – М.: Стройиздат, 1988. 191 с.;
15. СНиП 2.03.01-84*. Бетонные и железобетонные конструкции/Госстрой СССР. – М.: ЦИТП Госстроя СССР, 1985. 79 с.
1