Проектирование здания детского сада на 320 мест
1. Архитектурно-строительная часть
1.1 Строительно-климатическая характеристика
Проектируемое здание – детский сад на 320 мест.
Требования к зданию:
– функциональная целесообразность, т.е. здание должно полностью отвечать тому процессу для которого оно предназначено;
– архитектурно-художественная, т.е. здание должно быть привлекательным по своему экстерьеру (внешний вид) и интерьеру (внутренний вид);
– степень долговечности – II;
– степень огнестойкости – I;
– класс здания – II.
Район строительства – г. Темиртау.
Рельеф участка спокойный с максимальным перепадом высотных отметок 1,4 м.
Район строительства имеет следующие климатические характеристики:
– снеговой район III.
– ветровой район I.
– грунтовые воды отсутствуют.
Допустимое давление на грунт 3,1 кгс/см2.
Глубина промерзания грунта достигает 1,9 м.
Климатическом район IIIa: средняя месячная температура января -14,5оС; средняя месячная температура июля +20,4оС.
По ветровой нагрузке место строительства относится к I району, величина ветровой нагрузки Wо=480 Н/м2.
Средняя скорость ветра за зимний период 15 м/с.
Средняя месячная относительная влажность воздуха: наиболее жаркого месяца 70%, наиболее холодного месяца 68%.
1.2 Объемно-планировочное решение
Длина здания 70,14 м, ширина 38,81 м.
Площадь застройки – 1863,5 м2.
Площадь общей застройки – 4421,7 м2.
Полезная площадь – 2900,3 м2.
Этажность – 3.
Высота этажа – 3,3 м.
Высота здания – 12,3 м.
Количество входов – 13.
Крыша плоская. Конфигурация здания в плане имеет сложную форму, рисунок 1.
1
2
3
4
1 – Левое крыло здания, 2 – правое крыло здания,
3 – заднее крыло здания, 4 – бассейн.
Рисунок 1 – Конфигурация здания в плане
1.3 Конструктивное решение
Конструктивная система здания – каркасная. Трехэтажное здание – кирпичное и решено с полным железобетонным каркасом. Так же в здании предусмотрен резервуар для бассейна.
Фундаменты: По конструктивному решению фундаменты ленточные сборные под все стены здания, выполнены из сборных ж/б блоков с подушкой. Глубина заложения в связи с наличием техподполья 2,32 м, в помещении бассейна глубина заложения составляет 1,9 м.
Отметка подошвы фундамента – 3,250 м.
Толщина фундаментной стены – 600 мм.
Ширина подушки фундамента – 2000 мм.
Колонны: Основными несущими конструкциями здания являются железобетонные монолитные колонны сечением 640 мм из бетона класса В15, армированных арматурой класса А-III. Фундаменты под колонны приняты сборными на подушках.
Конструкция кровли – плоская, покрытая слоями теплоизоляции PAROC ROS 210 мм и Унифлекса ЭКП 6 мм и 1 слой рубероида на горячем битуме. Водосток наружный.
Стены и перегородки: Наружные и внутренние стены приняты из кирпичной кладки. Наружные стены имеют толщину 640 мм, в качестве утеплителя принят ПЕНОПЛЕКС тип 35, толщиной 50 мм, с внутренней стороны стены отделаны листами гипсокартона (влагостойкий).
Перегородки выполнены из гипсокартонных панелей толщиной 120 мм с опиранием на монолитные железобетонные полы по грунту на первом этаже и на многопустотное перекрытие на остальных этажах.
Стенами подвала являются сборные ж/б блоки, поэтому они требуют вертикальную обмазочную и горизонтальную из рулонных материалов гидроизоляцию.
Перекрытия: Перекрытие этажей решено многопустотным. Перекрытие первого этажа монолитное. Опирание панелей – непосредственно на колонну и несущие стены. Покрытие здания решено аналогичным перекрытию.
Окна: Окна являются основными вертикальными конструкциями для обеспечения естественной освещенности помещений. В конструкцию оконного блока входят: пластиковая оконная коробка, заделанная в стену; оконные спаренные переплеты и подоконная доска.
По материалу конструкции окна выполнены из пластика. Зазор между коробкой и стеной тщательно монтажной пеной. Откосы отштукатурены снаружи и внутри. На строительную площадку оконные блоки были привезены полностью подготовленными к установке (остекленными переплетами из огнеупорного стекла, снабженными приборами). Окна имеют двойное остекление с расстоянием между стеклами 47 мм.
Двери: Двери внутренние – пластиковые. Расположение, количество и размеры определены с учетом числа входов (13), вида здания. Двери состоят из коробок, представляющих рамы, укрепленные в дверных проемах стен, перегородок и полотен, навешенных на дверные коробки.
По количеству полотен двери запроектированы однопольные. По положению в здании: внутренние и наружные. В перегородках зазор между коробкой и стеной закрывают наличником и заполняют монтажной пеной.
Лестницы: В проекте запроектирована железобетонная лестница с металлическими перекладинами. Ширина лестницы 1200 мм. Поручни – металлические высотой 900 мм. Размер ступеней 250 х 152 (h) мм.
1.4 Отделка помещений
Отделку помещений выполняем в следующем порядке, представленном в таблице 1.
Таблица 1 – Ведомость отделки помещений
|
Тип отдел-ки |
Наименование помещений |
Потолок |
Стены или перегородки |
Низ стен или перегородок |
Примечание |
||||
|
Площадь м2 |
Вид отделки |
Площадь м2 |
Вид отделки |
Площадь м2 |
Вид отделки |
Высота мм |
|||
|
Техподполье |
|||||||||
|
1 |
Тепловой пункт помещений ремонта светильников, венткамера |
67,5 |
Затирка, известковая побелка |
||||||
|
Бассейн |
|||||||||
|
2 |
Комната медсестры, комната инструктора |
19,9 |
Затирка водоэмульсионная окраска |
77,3 |
Штукатурка, водоэмульсионная окраска |
||||
|
3 |
Тамбур, вестибюль, коридор, раздевальная, спортинвентарная, галерея |
107,6 |
Затирка, водоэмульсионная окраска |
428,7 153,4 |
Штукатурка Водоэмульсионная окраска |
275,3 |
Масляная окраска |
2000 |
|
|
4 |
Санузел, узел управления, лаборатория анализа воды, комната уборочного инвентаря |
17,2 |
Затирка, водоэмульсионная окраска |
89,8 38,2 |
Штукатурка Водоэмульсионная окраска |
51,6 |
Глазурованная плитка |
1500 |
|
|
5 |
Душевые, санузел инструктора |
21,8 |
Затирка водоэмульсионная окраска |
124,4 |
Штукатурка, глазурованная плитка |
||||
|
6 |
Вентиляционная камера |
15,5 |
Затирка, известковая побелка |
48,0 |
Штукатурка, известковая побелка |
||||
|
7 |
Зал ванны бассейна |
85,1 |
Улучшенная штукатурка Плитка |
175,1 103,9 |
Улучшенная штукатурка Плитка |
71,2 |
Глазурованная плитка |
2500 |
|
|
Детский сад 1 этаж |
|||||||||
|
2 |
Раздевальная, групповая, спальная, кабинет психолога, комната охраны |
271,5 |
Затирка, водоэмульсионная окраска |
840,5 |
Штукатурка, водоэмульсионная окраска |
||||
|
3 |
Тамбур, вестибюль, коридор, холл, комната персонала, сортировка белья, кладовая сухих продуктов, приемная, лифтовый холл |
92,1 |
Затирка, водоэмульсионная окраска |
678,9 331,6 |
Штукатурка, водоэмульсионная окраска |
347,3 |
Масляная окраска |
2000 |
|
|
4 |
Туалетная, буфетная, санузел, помещение пищевых отходов, кладовая уборочного инвентаря, комната личной гигиены женщин, загрузка, кладовая овощей, моечная, заготовочный цех, кухня |
166,6 |
Затирка, водоэмульсионная окраска |
557,6 257,0 |
Штукатурка Водоэмульсионная окраска |
300,6 |
Глазурованная плитка |
1500 |
|
|
5 |
Помещение сушки и глажки, постирочная, душ, процедурная |
42,8 |
Затирка, водоэмульсионная окраска |
142,7 |
Штукатурка, глазурованная плитка |
||||
|
6 |
Электрощитовая, помещение камеры охлаждения |
22,6 |
Затирка, известковая побелка |
88,2 |
Штукатурка, известковая побелка |
||||
|
8 |
Физио-кабинет, медпункт, палата изолятора |
36,5 |
Затирка, водоэмульсионная окраска |
117,8 |
Штукатурка, масляная окраска |
||||
|
9 |
Лестничные клетки |
53,4 |
Затирка, водоэмульсионная окраска |
487,7 195,2 |
Штукатурка, Водоэмульсионная окраска |
292,5 |
Масляная окраска |
1500 |
|
|
2,3 этажи |
|||||||||
|
2 |
Раздевальная, групповая, спальная, методический кабинет, бухгалтерия, кабинет заведующего, комната персонала |
1444 |
Затирка, водоэмульсионная окраска |
2614,7 |
Штукатурка, водоэмульсионная окраска |
||||
|
3 |
Коридор, лифтовый холл, кладовая спортинвентаря, комната кастелянши и чистого белья, хоз. кладовая |
238,5 |
Затирка, водоэмульсионная окраска |
726,5 262,5 |
Штукатурка, Водоэмульсионная окраска |
461,0 |
масляная окраска |
2000 |
|
|
4 |
Туалетная, буфетная, санузел |
316,6 |
Затирка, водоэмульсионная окраска |
847,2 412,8 |
Штукатурка, Водоэмульсионная окраска |
434,4 |
Глазурованная плитка |
1500 |
|
|
8 |
Зал для гимнастических занятий, зал музыкальных занятий |
146,4 |
Затирка, водоэмульсионная окраска |
178,8 |
Штукатурка, масляная окраска |
В помещениях, имеющих умывальную, за умывальником облицевать глазурованной плиткой на ширину 1500 мм, высотой 1800 мм от пола. Расход плитки 16,2 м. Наружная отделка:
1) Наружные стены оштукатуриваются цементно-песчанным раствором марки М50 и окрашиваются фасадной краской
2) Цоколь здания, стенки крылец, входов в подвал облицовывается сплиттерной плиткой.
1.5 Теплотехнический расчет
1) Теплотехнический расчет теплого пола произведен в соответствии с положениями СН РК 2.04–21–2004.
Цементно-песчаная стяжка толщ. 40 мм =0,76, =1,8 т/м3
Утеплитель –80 мм =0,22 =0,6 т/м3
ж/б плита толщ. 220 мм =1,92 =2,5 т/м3
Dd = 5971, Zht =214
Roreq = 0.00035*5971+1.3 = 3,38985 oC/Вт – Нормируемое значение сопротивления теплопередаче
Rоb.c = n Roreq – требуемое сопротивление теплопередаче цокольного перекрытия над «теплым» подвалом
,
(1)
где tint – 16oC – расчетная температура воздуха внутри здания
text –32оС – расчетная температура наружного воздуха
tbint = +5oC – расчетная температура в подвале
Rоb.c = 0,22917 * 3,38985 = 0,777
(2)
|
0.115+0.104+Х/0,22+0,0526+0,1666 = 0,4382+Х/0,22 |
0,777=0,482+Х/0,22; Х=(0,777–0,482)*0,22=0,074536
Принимаем толщину утеплителя =0,6 т/м3 – 80 мм
|
0.115+0.104+0,08/0,22+0,0526+0,1666 = 0,801 |
Условие
стандартов СН РК 2.04–21–2004 и МСП
2.04–101–2001
соблюдено.
2) Теплотехнический расчет наружных стен
Конструкция стены – толщина 640 мм:
Гипсокартон – 20 мм =0,76, =1,8 т/м3
Кирпичная кладка –570 мм =0,41…0,51 =1,65 т/м3
Утеплитель «Пеноплекс» – 50 мм =0.0325 =0,065 т/м3
Dd = 5971, Zht =214
Roreq = 0.00035*5971+1.4 = 3,48985 oC/Вт – Нормируемое значение сопротивления теплопередаче

|
0.115+0.0263+0,373+Х/0,033+0,043 = 0,5573+Х/0,033 |
0.115+0.0263+0,373+Х/0,033+0,043 = 0,5573+Х/0,033
3,48985= 0,5573+Х/0,033; 2,93255 х 0,033 = 0,09677415
Принимаем толщину утеплителя – 50 мм
Конструкция стены цоколя:
Цементно-песчанный раствор толщ. 20 мм – =0,76, =1,8 т/м3
Железобетон –300 мм – =1,92, =2,5 т/м3
Утеплитель экструдированный полистирол – =0.035, =0,038 т/м3
Кирпич –120 мм – =0,41…0,51, =1,65 т/м3
Цементно-песчаный раствор толщ. 20 мм – =0,76, =1,8 т/м3
Dd = 5971, Zht =214
Roreq = 0.0003*5971+1.2 = 2,9913 oC/Вт – Нормируемое значение сопротивления теплопередаче

|
0.115+0.0526+0,156+0.2353+Х/0,035+0,043 =0,6019+Х/0,035 |
2,9913= 0,6019+Х/0,035; 2,3894 х 0,035 = 0,0836
Принимаем толщину утеплителя – 90 мм
3) Теплотехнический расчет кровли:
ж/б плита толщ. 220 мм – =1,92, =2,5 т/м3
Утеплитель – «Paros» -180 кг/м3, =0,037, =0,130т/м3
Цементно-песчаная стяжка толщ. 40 мм – =0,76, =1,8 т/м3
Roreq = 0.00045*5971+1.9 = 4,58695 oC/Вт – Нормируемое значение сопротивления теплопередаче

|
0.115+0.09375+x/0.037+0,0526+0,083 = 0.34435+ x/0.037 4.58695 = 0.34435+ x/0.037; x= 4,2426*0.037 = 0.1569762 метра |
Принимаем толщину утеплителя 180 мм
2. Основания и фундаменты
2.1 Оценка инженерно-геологических условий строительной площадки
Оценить инженерно-геологические условия строительной площадки, данные о грунтах которой приведены в таблице 2.

Рисунок 2 – Геологический разрез по данным визуальных определений
Таблица 2 – Данные лабораторного исследования грунтов
|
№ образца |
№ скважины |
Глубина отбора образца |
Содержание, % частиц размером, мм |
|||||||
|
102 |
20,50 |
0,500,25 |
0,250,10 |
0,100,05 |
0,050,01 |
0,010,005 |
<0,005 |
|||
|
1 |
2 |
3 |
4 |
5 |
6 |
7 |
8 |
9 |
10 |
11 |
|
1 |
1 |
1,5 |
2,0 |
20,0 |
25,0 |
20,0 |
20,0 |
11,0 |
1,0 |
1,0 |
|
2 |
1 |
4,0 |
- |
3,0 |
11,0 |
36,0 |
24,0 |
8,0 |
12,0 |
6,0 |
|
3 |
2 |
6,0 |
- |
3,0 |
9,0 |
75,0 |
10,0 |
1,0 |
1,0 |
1,0 |
|
4 |
2 |
10,0 |
- |
0,4 |
0,2 |
0,6 |
10,0 |
2,2 |
12,0 |
74,6 |
|
WL |
Wр |
s кН/м3 |
кН/м3 |
W0 |
Кф см/с |
mv МПа-1 |
E0 МПа |
С кПа |
φ град |
|
|
12 |
13 |
14 |
15 |
16 |
17 |
18 |
19 |
20 |
21 |
|
|
0 |
0 |
2,68 |
1,85 |
0,15 |
710–9 |
0,0493 |
15,0 |
4,0 |
30 |
|
|
0,18 |
0,13 |
2,72 |
1,60 |
0,16 |
210–9 |
0,0435 |
17,0 |
9,0 |
18 |
|
|
0 |
0 |
2,62 |
2,00 |
0,22 |
810–9 |
0,0231 |
32,0 |
3,0 |
34 |
|
|
0,36 |
0,22 |
2,78 |
2,00 |
0,28 |
210–9 |
0,0207 |
30,0 |
20,0 |
18 |
Определяем вид грунтов, оцениваем состояние и свойства отдельных слоев, затем общую оценку грунтовых условий площадки № Ι.
1) Первый слой грунта (образец № Ι.) СКВ. № Ι. Глубина отбора образца 1,5 м. поскольку по данным лабораторных исследований Wp =0; Wт =0, то грунт песчаный.
Вид песчаного грунта устанавливаем по гранулометрическому составу; масса частиц крупнее 0,1 мм менее 75%, что по ГОСТ 25100–95. «Грунты. Классификация» соответствует почвенно-песчанному.
Плотность сухого грунта:
=
(3)
Коэффициент пористости:
е
=
=
=0,66,
(4)
что соответствует песчаному грунту средней плотности.
Степень влажности:
Sr
=
, (5)
что соответствует влажному песку.
Окончательно устанавливаем: почвенно-песчанный слой, средней плотности, влажный и может служить естественным основанием.
2) Второй слой грунта (образец №2), скв. №1, глубина отбора образца 4 м. Определяем число пластичности
Jp = WL – Wp = 0,18 – 0,13=0,05; (6)
По ГОСТ 25100–95 классифицируем грунт как суглинок.
Коэффициент пористости:
е
=
(7)
Показатель консистенции
JL
=
(8)
Следовательно, грунт находится в мягкопластичном состоянии.
Окончательно устанавливаем: грунт – суглинок. Этот слой грунта является недоуплотненным (е = 0,97), поэтому не может служить естественным основанием.
3) Третий слой грунта (образец №3) скв. №1, глубина отбора образца 6,0 м. Поскольку число пластичности Jp = 0, то грунт сыпучий.
По гранулометрическому составу определяем, что грунт – песок мелкий, так как частиц > 0,1 мм содержится более 75%.
Коэффициент пористости
е
=

Что соответствует плотному песку.
Степень влажности:
Sr
=


Что соответствует насыщенному водой состоянию.
Окончательно устанавливаем: грунт – песок мелкий, плотный, водонасыщенный и может служить естественным основанием.
4) Четвертый слой грунта (образец №4) скв. №4, глубина отбора образца №10,0 м. число пластичности Jp =0,36 – 0,22=0,14; по ГОСТ 25100–95 грунт классифицируется как суглинок, так же здесь находится уровень грунтовых вод.
Коэффициент пористости:
е
=

Показатель текучести (консистенции):
JL
=

Что соответствует суглинку тугопластичному.
Окончательно устанавливаем: грунт-суглинок тугопластичный и может служить естественным основанием.
Общая оценка строительной площадки №1: согласно геологическому разрезу, площадка (рис. 1.1) характеризуется спокойным рельефом с абсолютными отметками 130,5 – 130,8.
Грунт имеет слоистое напластование с выдержанным залеганием слоев. 1, 3 и 4 слои могут служить естественным основанием, 2-ой после уплотнения.
2.2 Выбор глубины заложения фундамента
Определить глубину заложения подошвы фундаментов наружных стен здания детского сада на 320 мест в Темиртау с полами на грунте для следующих условий: несущий слой основания – пылеватый песок, грунтовые воды в период промерзания на глубине dw =2,5 м от поверхности планировки, вынос фундамента от наружной плоскости стены 1 м, температура воздуха в помещении примыкающей к наружным фундаментам 15 С.
По карте нормативных глубин промерзания /1,4/ для города Темиртау с коэффициентом 1,9:
d>fn> = 1,9*185 = 421,8 см = 4,22 м. (9)
Тогда расчетная глубина промерзания будет равна
d>f> =Kh * d f n =0,6*4,22 = 2,53 м, (10)
где Кh =0,6; коэффициент, учитывающий тепловой режим здания, принимаемый по таблице 1 /8/.
Для случая когда d>w> < (d>f> + 2), то есть 2,5 м (1,3+2)=3,3 м при залегании в основании пылеватый песок по таблице 2/8/, глубина заложения фундамента должна быть «не менее d>f>».
Таким образом, при близком расположении УПВ к фронту промерзания пылеватый песок может испытывать морозное пучение.
Поэтому глубина заложения фундамента d должна быть не менее расчетной глубины промерзания грунта.
Окончательно назначаем d = 3,250 м.
2.3 Определение размеров подошвы фундамента одновременно с расчетным сопротивлением грунта основания
Определить
ширину подошвы монолитного ленточного
фундамента под стену и расчетное
сопротивление грунта основания R,
если дано: d
=3,25 м, d>в>
= 2,32 м, здание с жесткой конструктивной
схемой, а отношение его длины к высоте
L/H
= 1,8, Nо
ΙΙ = 400 кН/м, в основании грунт, обладающий
характеристиками: φΙΙ = 300, СΙΙ = 4 кПа,
γΙΙ
=
γ
= 18,5 кН/м3,
γm
=
20 кН/м3
(среднее значение удельного веса
материала фундамента с грунтом на его
обрезах).
Примем первое приближение R ≈ R0, по таблице 1 приложения 3 /8/ R0 = 150 кПа. Тогда ширина подошвы ленточного фундамента:
в = в1 = NоΙΙ / (R –γm * d) = 400 / (150 – 20 * 3,25) = 4 м. (11)
При в = в1 = 4 м; d>в> = 2,32 по формуле (7) /5/ найдем расчетное сопротивление грунта основания
R=
=
=
кПа; (12)
где
– коэффициенты условий работы, принимаемые
по табл. 3 /8/;
К – коэффициент, принимаемый равным: К=1, так как прочностные характеристики грунта (φ и С) определены опытным путем;
,
и
-
коэффициент, принимаемый по табл. 4 /6/ в
зависимости от φΙΙ = 300;
Кz – коэффициент, принимаемый равным: Кz = 1 при в < 10 м;
в-ширина подошвы фундамента, м;
– удельный
вес грунта основания, кН/м3;
– удельный
вес грунта, залегающего выше подошвы
фундамента, кН/м3;
d>1>= 3,25, м.
Определим среднее давление по подошве фундамента
РΙΙ = NoΙΙ / [(в. l) + γср ΙΙ.d] = 400 / (3,2.1,0 + 20.1,3) = 151 кПа.
Так как РΙΙ = 151 кПа << R = 292,9 кПа, то основание недогружено. Примем в = в>2> =1,8 м. Тогда
R
=
(1,15.1.1,8.18,5
+ 5,59.1,3.18,5
+1,95.4)
=225,7кПа;
РΙΙ = 400/1,8.10+20.1,3 = 246,2 кПа
Условие РΙΙ ≈ R выполняется, расхождение менее 5%. Окончательное ширину подошвы ленточного фундамента принимаем: в =2 м.
2.4 Расчет свайного фундамента
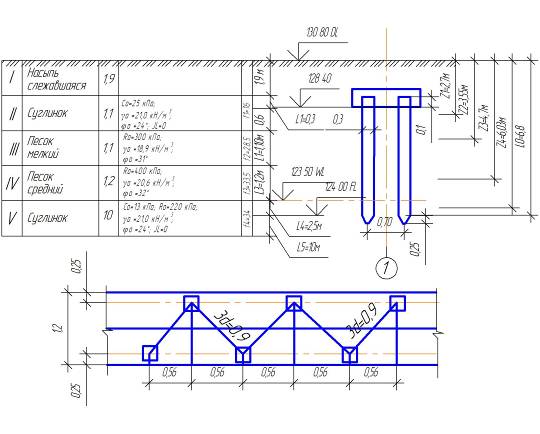
Расчет производим под несущую наружную стену жилого здания. Планировочная отметка – 0,6 м. Отметка пола подвала – 2,30 м. NoΙΙ = 354 кН. Отношение длины здания L = 56 м к его высоте Н=20 м составляет L/H=1,4. Проектируем свайный фундамент с железобетонными забивными сваями. Инженерно-геологические условия показаны на рисунке 3.

Рисунок 3 – Инженерно-геологические условия площадки и план расположения свай
Для определения глубины заложения ростверка конструктивно назначаем его толщиной 60 см, а т. к. здание имеет подвал, глубину заложения ростверка свайного фундамента принимаем 2,32 м.
Принимаем железобетонную сваю; длину сваи устанавливаем по грунтовым условиям 6 м, длина острия 0,25 м.
Определяем несущую способность сваи F>d>:
F>d> = γc (γcr RA+u∑ γcf fi hi); (13)
где R – расчетное сопротивление грунта, под нижним концом сваи;
A – площадь поперечного сечения сваи;
u – наружный периметр сваи;
fi – сопротивление i-гo слоя;
f1 = 6 кПа;
f2 = 29 кПа;
f3 = 31 кПа.
γ>c>, γ>cr> и γ>cf> – коэффициенты условий работы грунта;
γ>c> = γ>cr> = γ>cf> = 1;
hi – толщина i-го слоя;
Fd = 1 [1.2300.0.0,9+1.2.1 (6.1.8+29.2.5+31.2,32) = 382 кН
Расчетная нагрузка составляет 382/1,4 = 273 кН
Определим количество свай на 1 м фундамента
n=424/273–7,5.0,9.2,32.25=1,74 св/м
где Nоi=1,2Nоii =1,2.354=424kH
Определим расстояние между сваями d>P>=l/l, 74=0,57 м,
т. к. n<2 и l, 5d <0.57 <3d, принимаем двухрядное шахматное расположение свай, расстояние между рядами равно:
с>Р> = √ (3d)2 – (dp)2= √(3.0,3)2-0,57 = 0,7 м (14)
Ширина ростверка принимается по формуле
b = d+(m-l) c>P> +2 = 0.3+2.0.1+0.7 = 1,2 м. (15)
Принимаем ширину ростверка равным 1,2 м.
Определим нагрузку, приходящуюся на 1 сваю.
Ncb= 424+15,84/1,74 = 252,7кН
Нагрузку сравним с её расчетной допускаемой величиной:
Ncb=252,7<273 кН – условие выполняется.
Проверяем давление на грунт под подошвой условного фундамента.
Для определения размера условного фундамента вычислим
αm=1/4 (111 + 212 + 313 / ∑1i)=
=l/4 (15. 1,8+32. 2,5+12. 1,7/1,8+2,5+1,7)= 5,38
Определим условную ширину фундамента.
Тогда площадь подошвы условного фундамента равна:
А>усл >= 1.В>усл> = 2,3 м2 (16)
Объём условного фундамента равен:
V>усл> = А>усл> L>усл>=2,3.6,4 = 14,7м3 (17)
Объём ростверка и подземной части стены:
V>P> = 1,2.1.0,5+0,3.1.0,4 = 0,72м3; (18)
Объём сваи на 1 м условного фундамента равен:
Vcb = 1,74.0,09м2.5,9 = 0,92м3; (19)
Объём грунта на 1 м условного фундамента равен:
Vгр = 14,7–0,72–0,92 =13м3; (20)
Вес условного фундамента:
Gгp = 13.18кН/м3 = 286,2кН. (21)
Вес сваи на 1 м стены:
Gcb = 0,92.25 = 23кН. (22)
Вес ростверка равен:
Gp = 0.72.24 =17.3кН. (23)
Тогда давление по подошве условного фундамента равно:
р =354+286+23+17,3/2,3 = 295,6кН/м2. (24)
Вычислим R для тугопластичной глины, расположенной под подошвой условного фундамента:
γс>1> = 1,2 – коэффициент условия работы;
γс>2> = 1 – коэффициент условия работы здания;
к = 1 – коэффициент надежности.
Прочностные характеристики глины СII = 13 кПа; II = 12.
Удельный вес глины определяется по формуле:
γ = 27–10/1+1 = 8,5 кН/м3. (25)
Находим усредненное значение удельного веса грунта для объёма условного фундамента
γ>ср>=19,5 *1,8+19,4. 2,5+18,2*17/1,8+2,5+1,7= 19,1кН/м3,
dв=6,4+0,2.22/19, l=6,6 м (26)
По таблице для значения II = 12, находим коэффициенты: Mq = 0,23; Мg = 1,94; Мc= 4,42;
Тогда расчетное сопротивление:
R = 1,2.1/1 (0,23.1. 8,5. 2,3+1,94. 6,6. 19,1+(1,94–1).2. 19,1+4,42.13) = 410кН/м2. (27)
Среднее давление по подошве равно:
Р = 295,6 кПа R =410 кПа – условие выполняется при расчете свайного фундамента по второй группе предельных состояний.
2.5 Выбор рационального типа фундамента
1 вариант – фундамент ленточный, монолитный b = 3,25 м;
2 вариант – фундамент ленточный, сборный b = 3,25 м;
3
вариант – фундамент свайный, из забивных
железобетонных свай
сечением 3030
и длиной 6 м.
Выбор производится на основе сравнения ТЭП основных видов работ, выполняемых при возведении фундамента на участке стены длиной 1 м.
Таблица 3 – ТЭП вариантов фундаментов
|
№ |
Наименование работ |
Ед. изм. |
Вариант |
Объем |
Стоимость, тг |
Трудоёмкость, ч/дн |
||
|
Ед. |
Всего |
Ед. |
Всего |
|||||
|
1 |
Разработка грунта |
м3 |
1 2 3 |
5,32 5,32 1,16 |
892,52 892,52 892,52 |
4748,1 4748,1 1035,32 |
0,26 0,26 0,26 |
1,38 1,38 0,30 |
|
2 |
Устройство подготовки под фундаменты |
м3 |
1 2 3 |
0,43 0,43 - |
2438 2438 - |
1048,3 1048,3 - |
0,13 0,13 - |
0,06 0,06 - |
|
3 |
Устройство монолитного железобетонного фундамента |
м3 |
1 2 3 |
0,84 - 0,6 |
6000 - 6000 |
5040 - 3600 |
0,38 - 0,38 |
0,32 - 0,23 |
|
4 |
Устройство сборных фундаментов |
м3 |
1 2 3 |
- 0,84 - |
- 9858 - |
- 8280,7 - |
- 0,42 - |
- 0,35 - |
|
5 |
Погружение железобетонной сваи |
шт. |
1 2 3 |
- - 1,08 |
- - 18740 |
- - 20240 |
- - 0,98 |
- - 1,06 |
|
6 |
Гидроизоляция |
м2 |
1 2 3 |
6,4 6,4 5,6 |
127 127 127 |
814,1 814,1 712,32 |
0,047 0,047 0,047 |
0,3 0,3 0,26 |
|
Итого: |
1 2 3 |
11650,5 14891,2 29300,5 |
4,21 4,90 4,59 |
Вывод:
Анализ ТЭП показал, что наиболее выгодным является вариант ленточного монолитного фундамента.
Но так как сборный фундамент по материальным и трудовым затратам отличается незначительно и является более индустриальным, то выбираем второй вариант.
По конструктивному решению фундаменты ленточные сборные под все стены здания, выполнены из сборных железобетонных блоков с подушкой.
Глубина заложения в связи с наличием техподполья 2,32 м, в помещении бассейна глубина заложения составляет 1,9 м.
Отметка подошвы фундамента – 3,250 м.
Толщина фундаментной стены – 600 мм.
Ширина подушки фундамента – 2000 мм.
2.6 Расчет осадки фундамента
Рm = 354 кН/м2; d =0,5 м; 0 = 19,5 кН/м3; b = 3,25 м. (28)
Решение. Определим дополнительное вертикальное давление
Р>0> = Рm – γ>0>.d =354 – 19,5.0.5=344 кН/м2 (29)
Вычислим ординаты эпюры природного давления и вспомогательной эпюры. На поверхности пола подвала (глубина 1,2 м).
σ>zq>=0; 0,2.σ>zq>=0
В первом слое на уровне грунтовых вод (глубина 3 м).
σ>zq>= 1,8*19,5 =35,1 кПа;
σ>zq>.0,2 =7 кПа.
На контакте 1 и 2 слоев (глубина 3,5):
σ>zq>>2>= 35,1+[(22.5–10)/(1+0.42)].0.9 = 39,5 кПа;
0,2.σ>zq>>2> = 7,9 кПа.
На контакте 2 и 3 слоев глубина 6 м
σ>zq>>2>= 39,5+[(26.1–10)/(1+0.72)].2.5 = 63,3 кПа;
0,2.σ>zq>>2> = 12,7 кПа.
В 3 слое на глубине 10 м.
σ>zq>>3>=63,3+[(27–10)/(1+1)].4=97,3 кПа;
0,2.σ>zq>>3>= 19,5 кПа.
Полученные значения ординат наносим на геологический разрез. Ординаты эпюры дополнительного давления определяются по формуле
σ>zq> = p>0>;
где р>0 >- давление по подошве фундамента;
– коэффициент рассеивания напряжений с глубиной.
Глубину сжимаемой толщи определяем из условия σ>zp> < 0,2.σ>zq>;
13,8<16,7кПа; что соответствует Z=6,4 м. Вычислим осадку основания по формуле
S=(β∑σ>zqi>+σ>zq>(i-1)/2).hi/Еi (30)
Осадка первого слоя
S>1>=(344+275/2.0,8+275+138/2,1).0,8/32000=0,011 м
Осадка второго слоя
S>2>=(89,5+55/2.0,8+55+31/.1,1+138+89,5/2.0,6) 0,8/18000=0,007 м
Осадка третьего слоя
S>3>=(27,5+20/2.0,8+31+27,5/2.1, l+20,6+13,8/2.0,8+
+13+10/2.1,6).0,8/9000=0,0074 м
Полная осадка равна S>1>+S>2>+S>3>=0,011+0,007+0,0074=0,026 м=2,6 см10 см (Su)

Рисунок 4 – Расчетная схема для определения осадки основания фундамента
Таблица 4 – Ординаты эпюры напряжений
|
Слой |
z, м |
ξ=2z/b |
α |
σzqi |
Еоi |
|
Первый-супесь |
0,0 0,8 1,8 |
0 0,57 1,29 |
1 0,8 0,4 |
344 275 139 |
32 |
|
Второй-песок |
2,4 3,2 4,3 |
1,7 2,3 3,1 |
0,26 0,16 0,09 |
89,5 55,31 |
18 |
|
Третий-глина |
4,8 5,6 6,4 7,2 8,0 |
3,4 4,0 4,6 5,1 5,7 |
0,08 0,06 0,04 0,03 0,03 |
27,5 20,6 13,2 10,1 |
9 |
3. Расчетно-конструктивная часть
3.1 Расчет и конструирование многопустотной предварительно напряженной плиты перекрытия при временной нагрузке 1500 Н/м2
Ширина полки принимается равной полной ширине панели, а ширина ребра – суммарной толщине ребер. Продольные ребра панели армируются вертикальными каркасами, а полки – плоскими сварными сетками с поперечной рабочей арматурой. Рабочая арматура (напрягаемая) продольных ребер (крайних и промежуточных) – из стали классов А–IV, A–V, A-VI, Aт-IV, Aт-V, Aт-VI, а в сетках полок – A-III, Bр-I.
Монтажная арматура и поперечные стержни из стали классов А-I, А-II, Bр-I. Продольные стержни арматуры в сетке нижней полки участвуют в восприятии усилий от изгиба панели и поэтому учитываются при подборе продольной арматуры ребер. При определении прогибов сечение пустотной панели приводится к эквивалентному двутавровому той же высоты и ширины.
Определение количества пустот для многопустотной панели шириной 1200 мм, длиной 6000 мм, высотой сечения 220 мм и с диаметром пустот 159 мм.
1) Конструктивная ширина панели:
в= вn −10 = 1200 −10 = 1190 (31)
2) Требуемое число отверстий при толщине промежуточных ребер – 30 мм:
n = 1190: (159 + 30) = 6,2 (32)
Принимаем 6 пустот, тогда число промежуточных ребер – 5.
3) Ширина крайних ребер:
(33)
Минимальная толщина крайних ребер при боковых срезах 15 мм: 43–15=28,0 мм.
4) Толщина полок (верхней и нижней) при высоте сечения панели 220 мм и диаметре пустот 159 мм.
(34)
5) Исходные данные: Рассчитывается сборная железобетонная многопустотная панель перекрытия. Марка панели ПК-60.12 (серия 1.141–1, в. 58), бетон марки В 15, предварительно напрягаемая арматура класса Ат-V, способ предварительного напряжения – электротермический, расход бетона 1,18 м3 расход стали 44,96 кг, масса панели 2,95 т, номинальная длина 5,98 м, ширина 1,19 м, высота 0,22 м. Определение нагрузок:
Таблица 5 – Нагрузки на 1 м2 перекрытия
|
Вид нагрузки |
Нормативная нагрузка, Н/м2 |
Коэффициент надежности по
нагрузке
|
Расчетная нагрузка, Н/м2 |
|
– линолеум, 14 кг/м2 – Цементно-песчаная стяжка =20 мм, =1800 кг/м3 – Шлакобетон =20 мм, =1800 кг/м3 – Многопустотная плита перекрытия с омоноличиванием швов =220 мм |
110 360 960 2960 |
1,1 1,3 1,3 1,1 |
121 468 1248 3256 |
|
Постоянная нагрузка g |
4 390 |
- |
5093 |
|
Временная
нагрузка
кратковременная
длительная
|
1500 500 1000 |
- 1,3 1,3 |
1950 650 1300 |
|
Полная
нагрузка
|
5890 |
- |
7043 |
6) Определение расчетного пролета панели: Расчетный пролет панели l0 – принимаем равным расстоянию между осями ее опор. l0 = 5980–120 = 5860 (мм).
Расчетный изгибающий момент от полной нагрузки:
(35)
где l0 – расчетный пролет плиты.
Расчетный изгибающий момент от полной нормативной нагрузки (для расчета прогибов и трещиностойкости) при γf =1:
(36)
Расчетный изгибающий момент от нормативной постоянной и длительной временной нагрузок:
(37)
Расчетный изгибающий момент от нормативной кратковременной нагрузки:
(38)
Максимальная поперечная сила на опоре от расчетной нагрузки:
(39)
Максимальная поперечная сила на опоре от нормативной нагрузки:
(40)
(41)
7) Подбор сечения панели: Для изготовления панели приняты: бетон класса В15, Еb=20,5·103 (МПа), Rb=8,5 (МПа), Rbr=0,75 (МПа), γb2=0.9; продольную арматуру из стали класса Ат-V, Rs=680 (МПа), Еs=190000 (МПа); поперечную арматуру из стали класса Вр-1 диаметром ∅5 мм; Rs = 410 (МПа), RSW= 260 (МПа); армирование – сварными сетками и каркасами; сварные сетки – из стали класса Вр-I диаметром ∅4 мм; RS =410 (МПа). Проектируем панель шести-пустотной. В расчете поперечное сечение пустотной панели приводим к эквивалентному сечению. Вычисляем:
(42)
Приведенная толщина ребер b =116–6х14,3=30,2 (см).
Расчетная ширина сжатой полки b’f = 116 (см).
8) Характеристики прочности арматуры: Предварительное напряжение σSP – арматуры, принимается не более σSP=RSn-р, где RSn – нормативное сопротивление арматуры, RSn = 785 (МПа); р – допускаемое отклонение значения предварительного напряжения:
(43)
Согласно «Руководству по технологии изготовления предварительно напряженных железобетонных конструкций», значение σSP принимается для термически упрочненных сталей не более 550 МПа. Принимаем σSP=550 (МПа). Проверяем выполнение условий:
σSP+р≤ RSn; σSP-р≥0,3 RSn
550+90=640≤785 (МПа); 550–90=460≥0,3.785=236 (МПа)
Вычисляем предельное отклонение предварительного напряжения при числе напрягаемых стержней np = 4:
(44)
ΔγSP ≥ 0.1⇒ принимаем ΔγSP = 0,12. Коэффициент точности натяжения γSP =1−ΔγSP = 1− 0,12 = 0,88. При проверке по образованию трещин в верхней зоне панели при обжатии принимаем γSP=1+0,12=1,12. Предварительное напряжение с учетом точности натяжения σSP=0,88х550 = 485 (МПа). Расчет прочности панели по сечению, нормальному к продольной оси. Расчетное сечение – тавровое с полкой в сжатой зоне. Вычисляем:
(45)
где h0 = h – а = 22 – 3 = 19 (см) защитный слой бетона.
Находим ξ=0,12, η=0,94. Высота сжатой зоны х=ξ·h0=0,12·19 = 2,28 (см) πh’f= 3,8 (см) – нейтральная ось проходит в пределах сжатой полки.
9) Сечение плиты при расчете прочности:
Граничная высота сжатой зоны:
(46)
где ω – характеристика сжатой зоны бетона:
ω=0,85–0,008·Rb=0,85–0,008·0,9·8,5 =0,78
σSC, U – предельное напряжение в арматуре сжатой зоны; σSC, U =500 (МПа),
σSR – напряжение в арматуре:
σSR = RS + 400 – σSP – ΔσSP = 680 + 400 – 485 = 595 (МПа);
ΔσSP = 0 (при электротермическом способе натяжения)

Расчетное сопротивление арматуры RS должно быть умножено на коэффициент:
(47)
где η=1,15 – для арматуры класса АТ – V.

Вычисляем площадь сечения растянутой арматуры:
(48)
Конструктивно принимаем 4∅12 АТ–V RS=4,52 (см2).
Расчет прочности панели по наклонному сечению: Q=25900 (H).
Проверяем условие прочности по наклонной полосе между наклонными трещинами, полагая ϕВ1 =1 (при отсутствии расчетной поперечной арматуры):
(49)
где


Условие соблюдается, размеры поперечного сечения панели достаточны. Вычисляем проекцию расчетного наклонного сечения на продольную ось с. Влияние свесов сжатых полок (при 7 ребрах):
(50)
Влияние продольного усилия обжатия
(51)
Вычисляем (1+ϕf+ϕn)=1+0,4+0,5=1,9φ1,5, принимаем 1,5:
(52)
В расчетном наклонном сечении Qb=QSW=Q/2, тогда
с=Bb/0.5Qc=22,08х105/0,5х25900=171 (см); φ2h0=2·19=38 (см),
принимаем с=2h0=38 (см). В этом случае Qb=Bb/c=22,08·105/38=58105 (Н) φQ= =25900 (H), следовательно, по расчету поперечная арматура не требуется.
В ребрах устанавливаем конструктивно каркасы из арматуры ∅5 класса Вр-1. По конструктивным требованиям при h≤450 мм на при опорном участке l1=l/4 =628/4 = 157 (см) шаг стержней S = h/2 = 22/2 = 11 (см) и S≤15 (см) принимаем S=10 (см). В средней половине панели поперечные стержни можно не ставить, ограничиваясь их постановкой только на приопорных участках.
10) Расчет прочности наклонного сечения на действие изгибающего момента: Расчет производиться исходя из условия:
(53)
где М – момент от внешней нагрузки, расположенной по одну сторону от рассматриваемого наклонного сечения, относительно оси, перпендикулярной плоскости действия момента и проходящей через точку приложения равнодействующей усилий в сжатой зоне;
-
суммы моментов относительно той же оси
соответственно от усилий в хомутах и
продольной арматуре;
zSW, zSP – расстояния от плоскостей расположения соответственно хомутов и продольной арматуры.
Величина
– при хомутах постоянной интенсивности
определяется по формуле:
(54)
где
– усилие в хомутах на единицу длины
элемента в пределах наклонного сечения;
с=2h0=38 (см) – длина проекции наклонного сечения на продольную ось элемента.

Величина
zSP – принимается
равной
.
(55)
где ωР, λР – коэффициенты, определяемые по СНиП, σtp – величина, принятая равной большему из значений RS и σSР с учетом первых потерь (RS = 680 (МПа)).
Величина:

Прочность наклонного сечения на действие изгибающего момента обеспечена.
11) Расчет панели по предельным состояниям второй группы: Определяем геометрические характеристики приведенного сечения:

Площадь приведенного сечения:
(56)
Здесь АSР, А'SР – площадь сечения напрягаемой арматуры, АS, А'S – ненапрягаемой арматуры: А'SР =0, АS = А'S = 0,71 + 0,79 = 1,5 (см2), где 0,71 см2 – площадь сечения продольной арматуры сеток и 0,79 см2 – площадь сечения 4∅5Вр-1 каркасов К-1; для сеток α = 170000/20500 = 8,29.

Статический момент относительно нижней грани сечения панели:


Расстояние от центра тяжести приведенного сечения до нижней грани панели:

Момент инерции приведенного сечения относительно центра тяжести:
(57)
где


Момент сопротивления для растянутой грани сечения:

то же, по сжатой грани сечения:

Расстояние от ядровой точки, наиболее удаленной от растянутой зоны (верхней) до центра тяжести приведенного сечения:
(58)
где
,
то же, наименее удаленной от растянутой
зоны (нижней):
(59)
12) Определение потерь предварительного напряжения при натяжении арматуры на упоры: Предварительное напряжение в арматуре σsр=550 (МПа). При расчете потерь коэффициент точности натяжения арматуры уsр =1. Определяем первые потери:
– от релаксации напряжений в арматуре σ1=0,03: σsр=0,03·500=16,5 (МПа);
– от температурного перепада σ2 = 0, так как при пропаривании форма с упорами нагревается вместе с панелью;
– при деформации бетона от быстро натекающей ползучести последовательно вычисляем:
– усилие обжатия:
(60)
– эксцентриситет
усилия Р1 относительно центра тяжести
приведенного сечения:
.
– напряжение в бетоне при обжатии:
(61)
Устанавливаем значение передаточной прочности бетона из условия:

Значение передаточной прочности бетона к моменту его обжатия принимаем Rbp=11 (МПа). Тогда отношение σbp/Rbp=4.45/11=0.4. Вычисляем сжимающее напряжение в бетоне на уровне центра тяжести напрягаемой арматуры от усилия обжатия Р1 (без учета момента от собственного веса панели перекрытия):

при σbp/Rbp = 3,73/11=0,34πα=0,25+0,025·Rbp =0,25+0,025·7,5=0,44 (что<0,8).
Потери от быстро натекающей ползучести будут:

Суммарное значение первых потерь:
(62)
С учетом первых потерь σlos1 напряжение σbp будет:

Определяем вторые потери:
– от усадки бетона σ8 = 35 (МПа);
– от ползучести бетона при: σbp/Rbp = 3,65/11=0,33π0,75 и к =0,85 для бетона, подвергнутого тепловой обработке при атмосферном давлении:
(63)
Вторые потери напряжений составляют

Суммарные потери предварительного напряжения арматуры составляют:

Усилие обжатия с учетом всех потерь напряжений в арматуре Р2 = АS (σSР -σlos) = 4,52 (550–105) (100) = 201140 (H) = 201,14 (кH)
Расчет панели в стадии изготовления, транспортировки и монтажа:
Определение усилий:
(64)
где qw=2950·1,2=3540 (Н/м) – нагрузка от собственного веса панели.
Панели поднимают за петли, расположенные на расстоянии 0,3 м от торцов. Отрицательный изгибающий момент в сечении панели по оси подъемных петель от собственного веса qc (с учетом коэффициента динамичности kd =1,6).
Потери от быстро натекающей ползучести σ6 – не учитываем; γ5Р = 1,1 – коэффициент условий работы в стадии изготовления и монтажа панели; σ5С, U = ЗЗО (МПа) – снижение предварительного напряжения в арматуре в результате укорочения (обжатия) бетона в предельном состоянии.
13) Расчет прочности сечения панели:
Расчет прочности сечения панели ведем как внецентренно сжатого элемента. Расчетное сопротивление бетона в рассматриваемой стадии работы панели принимаем при достижении бетоном 50% проектной прочности: R0=0,5х15 = 7,5 (МПа); Rb = 4,5 (МПа), а с учетом коэффициента условий работы γb8 = 1,2, при проверке прочности сечений в стадии предварительного обжатия конструкций Rb = 4,5х1,2 = =5,4 (МПа).
Характеристика сжатой зоны бетона:
(65)
Граничное значение ξR:
(66)
где σ5R =RS = 410 (МПа) – для ненапрягаемой арматуры класса Вр-I диаметром 5 мм.
Случайный эксцентриситет определяют из условий:

Тогда эксцентриситет равнодействующей сжимающих усилий будет:

(67)
где h'0=Н-а'S=22–1,5=20,5 (см), считая менее сжатой ту зону сечения, которая более удалена от напряженной арматуры АSР·ξ =0,26πξR=0,634; η=0,87; в расчете учитываем ξ=0,26.
Требуемая площадь сечения арматуры А' S равна:
(68)
Фактически в верхней зоне плиты арматуры не требуется.
Проверка сечения по образованию трещин: усилие в напряженной арматуре:

Изгибающий момент в сечении от собственного веса без учета kd=1,6

Проверяем условие:
(69)
Условие соблюдается, трещин в сечении при действии монтажных и транспортных нагрузок не будет.
Таким образом, сечение и армирование панели перекрытия удовлетворяет требованиям расчета по предельным состояниям первой и второй группы.
14) Расчет по образованию трещин, нормальных к продольной оси:
Расчет производится для выяснения необходимости расчета по раскрытию трещин.
Коэффициент надежности по нагрузке γf=1 и расчетный момент от полной нормативной нагрузки будет Мn= 31,66 (кНм). При Мn ≤ Мсгс (где Мсrc – момент внутренних усилий) трещины не образуются.
Вычисляем момент, воспринимаемый сечением, нормальным к продольной оси элемента, при образовании трещин:
(70)
где
(здесь γ=1,5
для двутавровых сечений при b’f/b=116/30,2
=3,84φ2);
Мгр – ядровой момент усилий обжатия, равный Р02 (е0 р+r) при γSP=0,88.
Усилие предварительного обжатия с учетом всех потерь: при γSP=0,88.
(71)
Значение Мcrc:
,
что больше Мn = 31,66 (кНм), следовательно,
в эксплуатационной стадии работы панели
трещин в ней не будет.
Поэтому расчет на раскрытие трещин не выполняем.
Проверяем, образуются ли трещины в верхней зоне панели при коэффициенте точности γsр =1,12.
Изгибающий момент от собственного веса панели:

Расчетное условие соблюдается, начальные трещины не образуются.
4. Технология и организация строительного производства
4.1 Технологическая карта на пневмобетонирование ванны бассейна
4.1.1 Технология производства работ
Проектная толщина стенки ванны бассейна достигается посредством послойного пневмобетонирования при соответствующем количестве проходок. Толщина первого слоя рекомендуется не более 1,5–2 см, который состоит, в основном из цементного теста и мелкофракционного заполнителя (1,5–2 мм.). Перед нанесением слоя поверхность опалубки увлажняется. При нанесении последующего слоя первый уплотняется и задерживает более крупный заполнитель. Устанавливается стабильный процент отскока (10–15%). Толщина наносимого слоя пневмобетона за одну проходку не должна превышать 4–7 см по избежание явления оплыва бетонной смеси. Перед пневмобетонированием стенки вначале выполняются работы по устройству галтели. Ее проектная толщина достигается несколькими проходками. Пневмобетонирование стенки ванна бассейна рекомендуется вести ярусами-захватками высотой 1,5 м по периметру ванны бассейна. При этом рабочие швы располагается под углом 30° со смещением по высоте захватки. Работы по пневмобетонированию ведутся с подмостей (первая захватка) и инвентарных лесов или передвижной вышки. Основными условиями получения качественного пневмобетонирования являются:
– давление сжатого воздуха, подводимого к приставке, должно быть не менее 5–6 атм.;
– направление факела (вылет смеси из сопла) перпендикулярно к плоскости бетонирования. Этим достигается минимальный отскок, так как большая его часть захватывается струей факела и, уплотняется в массе;
– расстояние сопла до бетонированной поверхности должно быть не менее 0,7 и не более 1,2 м;
– при нанесении пневмобетона сопловщик должен перемещать сопло кругообразными движениями;
– время от момента приготовления до укладки бетонной смеси не должно превышать 40 минут;
– поступающая бетонная смесь должна предварительно в течение 1,5–2 мин. активизироваться в бетоносмесителе;
– сопловщик должен быть хорошо обучен, и иметь твердые практические навыки в работе по пневмобетонированию;
– в случае перерыва в пневмобетонировании арматура, оставшаяся не покрытой бетонной смесью, подлежит очистке от частиц.
4.1.2 Контроль качества
Контроль качества бетонной смеси должен осуществляться систематически в процессе ее приготовления и укладки посредством:
– проверки дозировки составляющих песчаных и бетонных смесей – не реже 2 раз в смену;
– проверки подвижности бетонной смеси у места приготовления (активизации) и у места укладки – не реже 2 раз в смену.
Контроль прочности уложенного бетона должен производиться посредством испытаний серий образцов, хранившихся в условиях твердения бетона, предусмотренных ГОСТом 6901–54.
Для контроля качества пневмобетона рекомендуется изготавливать образцы размером 100 х 100 х 100 мм. Переходный коэффициент прочности от образцов 100 х 100 х 100 мм к стандартным 200 х 200 х 200 мм в соответствии с Инструкцией по приготовлению и применению песчаных бетонов принимается равным 0,85.
Если испытаниями будет установлено, что бетон не удовлетворяет предъявленным к нему требованиям, то состав бетонной смеси для дальнейшего бетонирования должен быть соответственным образом пересмотрен.
Исправление дефектов поверхности бетона должно производиться с соблюдением следующих указаний:
– рябоватая или гравелистая с небольшими раковинами поверхность бетона, не имеющая общей ноздреватости, должна быть подвергнута затирке цементным раствором состава 1:2 – 1:2,5 с предварительной прочисткой проволочными щетками или пескоструйным аппаратом и промывкой струей воды под напором;
– раковины или поверхностные трещины должны быть очищены на всю глубину с удалением слоя слабого бетона и отдельных выступающих зерен заполнителя, с последующей очисткой поверхности бетона проволочными щетками, промывкой струей воды под напором и заделкой раковины бетонной смесью с мелким заполнителем (способом пневмобетонирования).
4.1.3 Испытание ванны бассейна
К испытаниям ванны бассейна следует приступать после окончания всех строительно-монтажных работ по его сооружению (за исключением оклеенной изоляции, если она предусмотрена проектом и обсыпки, которые должны выполняться только по окончании испытаний). Перед испытаниями производится тщательный визуальный осмотр ванны бассейна. При отсутствии дефектов конструкции ж отступлений от проекта составляется акт о готовности ванна бассейна к испытаниям, который подписывается представителями заказчика и строительной организации. Проверка прочности конструкции, водонепроницаемости стен и днища производится посредством заполнения ванна бассейна водой. К испытаниям разрешается приступать только при наличии акта о готовности ванны бассейна к гидравлическим испытаниям. Заполнение ванны бассейна водой разрешается начинать только после монтажа временной системы слива воды. Перед подачей воды необходимо обеспечить плотное закрытие клапанов (на вводах в ванне бассейна) и технологических задвижек (в камере управления). Во время испытания люки на покрытии должны быть закрыты и запломбированы. Заполнение ванны бассейна водой следует производить в два этапа: вначале заливается слой воды высотой до 1 м, выдерживается в течение суток, а затем, если не произойдет заметного падения уровня воды, ванна бассейна наполняется до проектной отметки. Продолжительность наполнения ванна бассейна должна быть не более 5 суток. На наружных поверхностях залитого ванна бассейна допускается только потемнение отдельных мест.
При наличии струйных утечек и потеков воды на стене, даже если количественно потери воды не превышают норму, ванна бассейна считается не выдержавшим испытания. Дефекты подлежат устранению, и ванна бассейна должен быть испытана вторично.
4.1.4 Приемка работ
Приемка выполненных работ по пневмобетонированию должна производиться в процессе выполнения работ и после их окончания при достижении бетоном проектной прочности и должны осуществляться до затирки его поверхности. Промежуточной приемке с составлением актов на скрытые работы подлежат подготовительные под пневмобетонирование поверхности и установленная арматура. При окончательной приемке работ должны представляться:
– акты промежуточной приемки работ;
– справка строительной лаборатории о содержании в примененном для бетона цементе трехкальциевого алюмината и четырехкальциевого алюмоферрита, введение в бетон специальных добавок, а также справка о специальных свойствах бетона;
– данные о результатах испытаний примененных материалов;
– журналы производства всех видов работ, а в случае выполнения работ в зимнее время, температурные листы тепловой обработки железобетонных конструкций.
4.1.5 Организация и методы труда рабочих
Состав бригады по профессиям и распределение работы между звеньями приводятся в таблице 6.
Таблица 6 – Состав бригады по профессиям и распределение работы
|
№ п/п |
Состав бригады по профессиям |
Кол-во чел. |
Перечень работ |
|
1 |
Машинист крана 5 разряда |
1 |
Подача арматуры, элементов опалубки, внутренних лесов, в зону производства работ и др. |
|
2 |
Плотник 4 разр. |
1 |
Плотничные работы (устройство подмостей, укладка щитов настила) |
|
Плотник 2 разр. |
1 |
||
|
3 |
Монтажник конструкций 4 разр. |
1 |
Установка лесов |
|
Монтажник конструкций 3 разр. |
2 |
||
|
Монтажник конструкций 2 разр. |
1 |
||
|
4 |
Машинист 4 разр. |
2 |
Приемка смеси |
|
Подсобный рабочий 2 разр. |
1 |
Обслуживание бетоносмесителя, пневмонасоса |
|
|
Моторист 4 разр. |
1 |
Обслуживание компрессора |
|
|
5 |
Бетонщик – сопловщик 4 разр. |
1 |
Пневмобетонирование стен ванны бассейна |
|
Штукатур 3 разр. |
1 |
Выравнивание и сглаживание поверхности |
Последовательность выполнения основных операций при пневмобетонировании ванны бассейна приводится в таблице 7.
Таблица 7 – Последовательность выполнения рабочих операций
|
№ п/п |
Наименование процесса |
Последовательность рабочих операций |
|
1 |
Пневмобетонирование «мокрым» способом. Пневмонасос C-3I7A |
Раскладка и присоединение звеньев бетоновода (материального шланга). Очистка поверхности (бетонной подготовки опалубки, арматуры). Промывка поверхности водой. Нанесение бетонной смеси. Выравнивание открытой поверхности бетона (ели это предусмотрено проектом ванны бассейна). Контроль качества. Уход за бетоном. |
Работы по пневмобетонированию выполняются двумя рабочими: бетонщик укладывает бетон при помощи сопла имеющего цилиндрическое отверстие, производя соплом вращательные движения: штукатур раскладывает шланги, перемещает их по ходу работ, следит за сигнализацией, выравнивает и сглаживает поверхности. Стыковка звеньев материального шланга производится быстро разъемными соединениями. Сопло в шланге крепится с помощью хомутов, стянутых болтами. Место производства работ освещено в соответствии с действующими нормами. Подмости и леса перед началом работ должны быть проверены и приняты по акту. Перед началом работ необходимо проверить исправность агрегатов, а также материальных, воздушных шлангов.
Таблица 9 – Калькуляция трудовых затрат
|
№ п/п |
Наименование работ |
Ед. изм. |
Объем работ |
Норма времени на ед., чел./час |
Затраты труда, на весь объем, чел./дни |
|
1 |
Устройство подмостей |
м2 |
12,6 |
0,086 |
1,08 |
|
2 |
Установка лесой |
м2 |
23,0 |
0,24 |
5,52 |
|
3 |
Бетонирование днища устройство опалубки, установка арматуры |
м3 |
5,88 |
1,31 |
7,7 |
|
4 |
Пневмобетонирование стен ванны бассейна |
м3 |
6,5 |
1,31 |
8,52 |
|
5 |
Разбор лесов |
м2 |
23,0 |
0,135 |
3,11 |
|
6 |
Разборка подмостей |
м2 |
12,6 |
0,077 |
0,97 |
|
Итого: |
83,58 |
26,9 |
4.1.6 Материально-технические ресурсы
Основные материалы, применяемые на 1 м3 пневмобетона
Таблица 10 – Основные материалы
|
№ п/п |
Наименование |
Марка ГОСТ |
Един. изм. |
Кол-во |
|
1 |
Портландцемент М400 |
ГОСТ 10178–62 |
кг |
480 |
|
2 |
Песок с фракцией 3..8 мм |
ГОСТ 8736–67 |
кг |
1200 |
|
3 |
Сульфатоспиртовая бурда |
кг |
72 |
|
|
4 |
Алюминиевая пудра |
кг |
7,2 |
Номенклатура материалов и их количество приведены для приготовления бетонной смеси с соотношением 1:2,5 при устройстве ванн бассейнов для хранения неагрессивных жидкостей.
4.1.7 Машины оборудование, инструменты
Таблица 11 – Машины, оборудование, инструменты
|
№ п/п |
Наименование |
Тип |
ГОСТ, марка |
Кол-во |
Примечание |
|
А. Машины и транспортные средства |
|||||
|
1 |
Автомобиль |
Самосвал |
ЗШ-585 |
2 |
Доставка сухой смеси |
|
2 |
Автомобиль |
Бортовой |
ГАЗ или ЗИЛ |
1 |
Доставка инструментов, инвентаря, оборудования и пр. |
|
3 |
Плунжерный диафрагменный пневмонасос прямоточного действия |
С-317А |
1 |
Агрегат «Пневмобетон» |
|
|
4 |
Компрессор |
ДК-9 |
1 |
Производительность 9 м3 в 1 минуту |
|
|
5 |
Скиповый подъемник |
местного изготовления |
1 |
С ковшом емкостью 0,25 м3 |
|
|
6 |
Бетоносмеситель |
С-742А или С-742Б |
1 |
Объем смесительного барабана 150–320 л |
|
|
8 |
Приемный бункер вибропитатель |
РЧ 346–69 |
1 |
||
|
Б. Монтажные приспособления и оборудования |
|||||
|
9 |
Ящик-контейнер (для остатков бетонной смеси) |
1 |
0,09 м3 |
||
|
10 |
Строп четырехветвевой |
МН5792–65 |
1 |
Для монтажа элементов лесов и подмостей |
|
|
11 |
Опорный столик под вибросито |
1 |
|||
|
12 |
Подмости инвентарные |
РЧ832 20.00.00 |
|||
|
13 |
Леса трубчатые безболтовые |
||||
|
14 |
Шланг материальный в сборе |
ГОСТ8318–57 |
1 |
Диаметром 50 мм длиной 200 м |
|
|
15 |
Шланг воздушный в сборе |
ГОСТ8318–57 |
1 |
Диаметром 38 мм длиной до 10 м |
|
|
16 |
Сопло |
1 |
Диаметром 28–32 мм |
||
|
17 |
Манометр |
2 |
До 10 атм. |
||
|
18 |
Вибросито |
С-442А |
1 |
||
|
19 |
Быстроразъемное соединение шлангов |
10 |
|||
|
В. Инструменты |
|||||
|
20 |
Отвес |
0–200 |
ГОСТ 7948–63 |
1 |
Для проверки вертикальности |
|
21 |
Рулетка стальная |
ГОСТ 7502–61 |
20 м |
||
|
22 |
Шаблон контрольный |
Собственного изготовления |
1 |
Проверка криволинейности поверхности |
|
|
23 |
Перчатки резиновые |
ГОСТ 10108–62 |
2 |
||
|
24 |
Очки защитные |
ГОСТ 9802–67 |
1 |
||
|
25 |
Резиновые сапоги |
2 |
|||
|
26 |
Молоток штукатурный |
ГОСТ 11042–64 |
1 |
||
|
27 |
Переносной деревянный щит |
Собственного изготовления |
1 |
Для отрегулирования факела |
|
|
28 |
Лопата стальная растворная «ЛР» |
ГОСТ 3620–63 |
1 |
||
|
29 |
Скребок для очистки ковша скипового подъемника и бетоносмесителя от налипшего бетона |
1 |
|||
|
30 |
Скребок на удлиненной ручке для очистки кузова автомобиля-самосвала от налипшего бетона |
1 |
|||
|
31 |
Контрольное правило |
1 |
Для контроля поверхности |
||
|
32 |
Кисть-ручник |
ГОСТ 10597–65 |
2 |
||
|
33 |
Терка пенопластовая |
2 |
Затирка и выравнивание открытой поверхности бетона (если это вызвано требованиями проекта) |
4.2 Технологическая карта на устройство кровли здания
4.2.1 Область применения
Настоящая технологическая карта разработана на устройство плоской кровли здания детского сада в городе Темиртау. Производство работ предусмотрено в нормальных климатических условиях при положительной температуре наружного воздуха.
В состав работ рассмотренных в карте входят:
– установка многопустотных плит покрытия;
– укладка рубероида на горячем битуме;
– укладка теплоизоляции и унифлекса;
– навеска водосточных лотков и труб.
4.2.2 Характеристики применяемых материалов и изделий
При устройстве плоской кровли применяются следующие материалы:
– листы рубероида и теплоизоляции;
– битум;
– неопорбетон;
– молниезащитная сетка;
– унифлекс;
– гвозди – ГОСТ 283;
– болты – ГОСТ 7798–70;
4.2.3 Организация и технология производства работ
Прежде чем приступить к кровельным работам, должны быть закончены каменные работы и монтажные.
Разбиваем здание на 4 захватки.
Вдоль стены укладки натягивается шнур – причалка. Устанавливают шаблоны, после чего устанавливают анкера в проектное положение с шагом 800 мм. Подают готовую бетонную смесь в бадьях объемом 0,33 м3, после чего выполняют укладку бетонной смеси с последующим ее разглаживанием. Производить следующие работы после укладки бетонной смеси можно не ранее чем через 2 дня.
Подготовительные работы выполняет звено бетонщиков в составе 4-го и 2-го разряда.
Работы выполняются звеном плотников в составе 4-го, 3-го и 2-го разряда.
Работы выполняют 2 звена кровельщиков в составе 4-го и 3-го разряда. Перед началом производства работ производят предварительную разметку. Подают краном ходовые мостики, 2 шт. на звено. Устанавливают их в рабочее положение, по мере производства работ кровельщики передвигают их. Перед тем как кровельщики поднимутся на ходовые мостики, они закрепляют свои монтажные пояса за надежные и массивные конструкции. Подаются волнистые листы на специальную площадку, исключающую падение листов. Кровельщик 3-го разряда раскладывает волнистые листы, начиная от карниза. Нахлестка вдоль кровли составляет не менее 150 мм. Нахлестка поперек должна быть не менее чем на одну волну. Просверливает отверстия в листах под гвозди электродрелью. За ним, на своем ходовом мостике идет кровельщик 4-го разряда и крепит уложенные волнистые листы к обрешетке шиферными гвоздями с неопреновой (резиновой) прокладкой. Головки гвоздей должны иметь антикоррозионное покрытие и быть окрашены под цвет кровли. Укладывают 5–6 листов в 1 ряд вдоль захватки здания. Затем верхний и так далее до конька.
Навеску водосточных труб производят в два приема. Сначала устанавливают стремена (ухваты), а затем навешивают элементы водосточных труб. Для крепления штырей ухватов сверлят в стенах отверстия диаметром 30 мм и длиной 100 мм и забивают деревянные пробки. Вертикаль для установки ухватов провешивается. Ухваты должны быть покрыты цинком или покрашены масляной краской. Трубы соединяются между собой с запуском в стыках на 70–100 мм. Воронка крепится ухватом, который изготовлен по отдельному эскизу.
Трубы должны отстоять от стены на 100–150 мм, а расстояние нижней трубы от цокольной панели должно быть 30–40 мм. Высота нижней грани от отмостки должна быть 200–300 мм.
Работа по навеске труб выполняется кровельщиком 4 разряда с а/вышки.
4.2.4 Подбор средств технологического обеспечения строительного процесса
Для производства кровельных работ подбираем необходимые захватные и вспомогательные элементы.
Выбранные захватные и вспомогательные приспособления со всеми характеристиками приведены в таблице 12.
Таблица 12 – Ведомость захватных и вспомогательных приспособлений
|
№ п/п |
Наименование монтажного приспособления |
Назначение монтажного приспособления |
Характеристика приспособления |
Грузоподъемность Q, т |
|
|
масса qc, т |
расчетная высота строповки hс, м |
||||
|
1. |
Траверса |
Установка стропильных ферм длиной 12 м. |
0.53 |
3.31 |
10 |
|
2. |
Строп |
Разгрузка и подача материалов на рабочее место |
0.011 |
0,4 |
5 |
Определяем требуемые монтажные характеристики крана:
Для определения требуемой грузоподъемности определим вес одного блока. Принимаем по максимально тяжелому блоку – плиты покрытия здания, весом 2,95 т, для строительства всего здания, но этот кран также будет использоваться и в процессе устройства кровли.
Определим расчетные параметры крана.
1) Требуемая грузоподъемность крана:
,
(72)
где
– масса тяжелого монтируемого элемента
(плита покрытия);
– масса такелажных устройств
(строп).
2) Высота подъема крюка – расстояние от крюка до уровня стоянки крана:
,
(73)
где
– расстояние от уровня стоянки крана
до опоры сборного элемента;
– запас по высоте, необходимый
при установке элемента и проноса над
ранее смонтированными конструкциями;
– высота монтируемого элемента;
– высота грузозахватного
устройства;
– высота полиспаста в стянутом
положении.
3) Вылет крюка – расстояние по горизонтали от грузового крюка до оси поворота платформы крана:
,
(74)
где
– минимальный зазор между стрелой и
монтируемым элементом;
– расстояние от центра тяжести
до приближенного к стреле края элемента;
– половина толщины стрелы на
уровне верха монтируемого элемента;
– расстояние от уровня стоянки
крана до оси поворота стрелы;
– расстояние от оси вращения
крана до оси поворота стрелы.
4) Длина стрелы – расстояние от верхнего шарнира до опорного шарнира стрелы:
,
(75)
При производстве работ по устройству кровли необходим кран со значительным вылетом и подъемом стрелы. В таких условиях будет требоваться гусеничный стреловой кран со значительными монтажными характеристиками. Для производства работ используем гусеничный кран марки КС81–62, характеристики крана представлены в таблице 13.
Таблица 13 – Характеристики крана КС 81–62
|
Длина стрелы, м |
Грузоподъемность, т |
Вылет, м |
Высота подъема, м |
|
30 |
5–60 |
26–8 |
18–29,5 |

Рисунок 5 – Монтажная схема выбора крана КС 8162
Данный кран использовался при возведении коробки здания. Его использование является выгодным так как не требуется затрат на подготовительные процессы связанные с размещением крана на строительной площадке.
Доставка на стройплощадку бруса производится полуприцепами – плитовозами ПЛ-0906, грузоподъемностью 9т. Длина грузовой площадки – 6.2 м, погрузочная высота – 1.355 м.
мин;
(76)
ч
(77)
мин;
(78)
мин;
(79)
мин.;
(80)
т/см;
(81)
шт.,
(82)
принимаем 2 шт.;
>
>(83)
Доставка на стройплощадку производится автомобилями с бортовой платформой ГАЗ-53–12, грузоподъемностью 4,5 т. Длина грузовой площадки – 3,74 м, ширина – 2,17 м, погрузочная высота – 1,35 м. Листы перевозим в пакетах по 100 шт.
мин;
ч.=14,6 мин;
мин;
мин;
мин;
т/см;
шт.,
принимаем 1 шт.;

Таблица 14 – Перечень машин, механизмов, оборудования, технологической оснастки, инвентаря, приспособлений и инструмента
|
№ п/п |
Наименование |
Тип, марка, завод-изг. |
Назначение |
Основные технические хар-ки |
Кол-во на звено, шт. |
|
1 |
Стреловой гусеничный кран |
КС 8162 |
Монтаж конструкций и подача материала |
грузоподъем. – 30 т; вылет 26 м; высота подъема 29,5 м; |
1 |
|
2 |
Электропила ручная |
Обрезка рубероидных листов |
1 |
||
|
3 |
Молоток стальной |
ГОСТ 11042–72 |
Забивка гвоздей |
4 |
|
|
4 |
Рейка складная универсальная, длина Зм |
КОНДОР-ЗМ |
Проверка уклонов, основания |
1 |
|
|
5 |
Уровень |
Проверка горизонтальности |
1 |
||
|
6 |
Каска |
ГОСТ 9819–61 |
Защита от падения груза |
4 |
|
|
7 |
Пояс |
ГОСТ-14185–69 |
Защита от падения |
4 |
|
|
8 |
Очки защитные |
ГОСТ 9802–61 |
Защита глаз |
4 |
|
|
9 |
Рукавицы |
Защита рук |
4 |
||
|
10 |
Щетка волосяная |
Уборка мусора |
|||
|
11 |
Метр стальной |
ГОСТ 7943 –76 |
Линейные измер-я |
- |
1 |
|
12 |
Трап монтажный |
Передвижение по кровле |
2 |
||
|
13 |
Рейка нивелирная |
ГОСТ 11158–83 |
Проверка отметок |
- |
1 |
|
14 |
Теодолит |
Т-10, ГОСТ 10529–70 |
Разметка и контроль |
Т-10 |
1 |
|
15 |
Нивелир |
НВ-1, ГОСТ 10528–70 |
Контроль отметок |
НВ-1 |
1 |
4.2.6 Контроль качества и приемки работ
Таблица 15 – Контроль качества по устройству покрытия кровли
|
Контролируемый параметр |
Объем контроля |
Периодичность контроля |
Метод контроля (обозначение НТД) |
Средства контроля, испытательное оборудование |
Исполнитель |
Оформление результатов контроля |
||
|
Наименование |
Номинальное значение |
Предельное отклонение |
||||||
|
Входной контроль. |
||||||||
|
Качество материала – древесины |
- |
- |
Каждой партии |
До начала работ |
Визуальный, измерительный |
Стальной метр ГОСТ 7502–80* |
мастер |
- |
|
Качество применяемого материала |
1750 1130 |
+/-15 +/-15 |
Каждой партии |
До начала работ |
Визуальный, измерительный |
Стальной метр ГОСТ 7502–80* |
мастер |
- |
|
Операционный контроль |
||||||||
|
Шаг укладки |
- |
- |
Выборочно, по окончании смены |
В процессе производства работ |
Визуальный, измерительный |
Стальной метр ГОСТ 7502–80* |
мастер |
Общий журнал работ |
|
Нахлестка листов |
- |
150… 300 мм |
Каждые 10 м |
В процессе производства работ |
Визуальный, измерительный |
Стальной метр ГОСТ 7502–80* |
мастер |
Общий журнал работ |
|
Качество крепления, количество и вид крепежных элементов |
- |
- |
Каждые 10 м |
В процессе производства работ |
Визуальный |
мастер |
- |
|
|
Дополнительное крепление противоветровыми скобами |
- |
- |
Каждые 10 м |
В процессе производства работ |
Визуальный |
мастер |
- |
|
|
Карнизный свес |
100 мм |
+/-5 |
Каждые 10 м |
В процессе производства работ |
Визуальный, измерительный |
Стальной метр ГОСТ 7502–80* |
мастер |
- |
|
Устройство примыкания выступающих над крышей конструкциям, высота примыкания, правильность установки |
- |
- |
Каждый элемент |
По окончании |
Визуальный, измерительный |
Стальной метр ГОСТ 7502–80* |
мастер |
Общий журнал работ |
|
Приемочный контроль. |
||||||||
|
Качество выполненных работ |
- |
- |
всех поверхнос тей |
после окончания работ |
визуальный, измерительный |
- |
мастер (прораб) |
Акт освидетельствования скрытых работ. Акт приемки выполненных работ. |
4.2.7 Техника безопасности
При производстве кровельных работ руководствоваться требованиями безопасности в соответствии со СНиП 3.04.01–87 «Изоляционные и отделочные покрытия» и СНиП III-4–80* «Техника безопасности в строительстве». Перед началом производства работ каждый кровельщик проходит вводный инструктаж по технике безопасности, расписывается в журнале по ТБ. При работе на крышах без ограждений, необходимо работать с предохранительными поясами и страховочными веревками. В перерыве между работой все строительные материалы должны быть убраны с крыши или надежно закреплены веревкой. Покрывать карнизные свесы, а также устанавливать водосточные воронки и трубы необходимо с люлек или автовышек. Для выполнения работ кровельщик должен быть обеспечен спецодеждой, спец. обувью по сезону и индивидуальными защитными средствами (очки, предохранительные пояса, капроновые веревки длиной до 10 м). Руководители работ не должны допускать к работе лиц без соответствующей одежды, обуви и средств индивидуальной защиты.
4.2.8 Калькуляция и нормирование затрат труда
Определяем объемы работ согласно чертежам архитектурно-строительной части и локальной сметы на здание детского сада в городе Темиртау.
Таблица 16 – Ведомость объемов работ
|
№ п/п |
Наименование работ |
Ед.изм. |
Объём работ |
Обоснование |
|
|
1 захватка |
2 захватка |
||||
|
1 |
Устройство оклеечной, пароизоляции в 1 слой рубероидом |
м2 |
189,5 |
189,5 |
ЕНиР4–1–49 т. 1 |
|
2 |
Утепление покрытий плитами из минеральной ваты или перлита на битумной мастике в один слой |
м2 |
189,5 |
189,5 |
ЕНиР 6–9 т. 2, |
|
3 |
Установка элементов стропил из брусьев и досок |
м3 |
20 |
20 |
ЕНиР 6–9 т. 5, |
|
4 |
Устройство кровель, среднего профиля по деревянной обрешетке с ее устройством |
м2 |
4 |
4 |
ЕНиР 7–5 п. 3б |
|
5 |
Сборка и навеска водосточ. труб |
1 м |
118.7 |
118.7 |
ЕНиР 7–10 |
4.3 Календарный план строительства здания детского сада на 320 мест
Подсчет объемов работ приведен в таблице 18
Таблица 18 – Ведомость объемов работ
|
№ п/п |
Шифр и № позиции норматива |
Наименование работ и затрат, единица измерения |
Кол-во |
Трудоемкость |
Продолжительность |
|
Раздел 1. Земляные работы |
|||||
|
1 |
Е 1–12–14 |
Разработка грунта 2 группы в отвал экскаваторами «Драглайн» или «обратная лопата» с ковшом емкостью 0,5 м3, м3 |
300 |
3 |
0,4 |
|
2 |
Е 1–163–2 Т. Чп п3.192к=0,8 Т. Чп п3187к=1,2 |
Зачистка дна стенок с выкидкой грунта в котлованах и траншеях разработанных ручным способом, м3 |
25 |
56 |
7,0 |
|
3 |
Е 1–24–10 К=2 |
Перемещение грунта от бровки котлована на расстояние 20 м, м3 |
300 |
6 |
0,8 |
|
4 |
Е 1–27–2 |
Засыпка траншей и котлованов бульдозерами мощностью 59 кВт, м3 |
270 |
2,7 |
0,3 |
|
5 |
Е 1–166–1 |
Засыпка вручную траншей из котлованов и ям в грунтах 1 группы, м3 |
60 |
53,4 |
6,7 |
|
6 |
Е 1–134–1 |
Уплотнение грунта 1,2 групп пневматическими трамбовками, м3 |
270 |
29,7 |
3,7 |
|
Итого: 1225 |
150,8 |
19 |
|||
|
Раздел 2. Фундаменты |
|||||
|
7 |
Е 6–1–1 |
Устройство ленточного сборного фундамента 1000 м2 |
120 |
162 |
20,3 |
|
8 |
Е 6–1–22 |
Устройство щебеночного основания под фундаменты 1000 м2 |
36 |
129,6 |
16,2 |
|
9 |
С 4–1–23 |
Устройство фундаментных плит железобетонных плоских 1000 м2 |
36 |
64,44 |
8,1 |
|
10 |
Е 8–4–7 |
Каркасы и сетки пространственные: сталь периодического профиля класса А-III, d 20–22 мм |
1,27 |
0,27 |
0,033 |
|
11 |
Е 8–4–3 |
Гидроизоляция горизонтальная оклеечная в 2 слоя стен, фундаментов из 2-х слоев рубероида, м2 |
47 |
9,4 |
1,175 |
|
Итого: 240,3 |
366 |
46 |
|||
|
Раздел 3. Стены |
|||||
|
12 |
Е 8–6–1 |
Кладка стен наружных простых при высоте этажа до 4 м, м3 |
290 |
1316,6 |
164,6 |
|
13 |
Е 8–6–7 |
Установка блоков стен внутренних при высоте этажа до 4 м, м3 |
398 |
1743,24 |
217,9 |
|
14 |
Е 7–44–10 |
Укладка перемычек масса до 0,3 т, шт. |
200 |
30 |
3,75 |
|
15 |
Е 7–11–1 |
Укладка перемычек массой от 0,3 до 0,7 т при наибольшей массе монтажных элементов в здании до 5 т, шт. |
31 |
25,11 |
3,14 |
|
16 |
С 30–15–64 |
Перемычки из тяжелого бетона класса В15, м3 |
|||
|
Итого: 919 |
3115 |
389,4 |
|||
|
Раздел 4. Перекрытие |
|||||
|
17 |
Е 7–45–6 |
Устройство монолитных перекрытий 100 м3 |
740 |
1968,4 |
246,05 |
|
18 |
Е 7–45–5 |
Опалубка |
180 |
313,2 |
39,15 |
|
19 |
С 30–17–8 |
Площадочные перекрытия, плиты приведенной толщиной 11 см, приведенные к толщине 13 см, м2 |
140 |
||
|
20 |
С 30–17–8 |
Тоже, приведенной толщиной 12 см, м2 |
20 |
||
|
21 |
Е 6–18–21 |
Устройство балок для перекрытий подкрановых и обвязочных на высоте опорной площади до 6 м при высоте балок до 500 мм, м3 |
1 |
14,4 |
1,8 |
|
22 |
С 4–1–28 |
Арматурные заготовки, не собранные в каркасы и сетки СТ А-III d-8–28 мм, т |
0,26 |
||
|
Итого: 1081,3 |
2296 |
287 |
|||
|
Раздел 5. Покрытие |
|||||
|
23 |
Е 7–45–6 |
Устройство монолитных бетонных покрытий |
26 |
69,16 |
8,65 |
|
24 |
Е 7–45–5 |
Установка опалубок с опиранием на две стороны до 5 м2, шт. |
18 |
31,32 |
3,92 |
|
25 |
С 30–17–8 |
Заливка бетоном, приведенные к толщине 13 см, м2 |
140 |
||
|
26 |
С 30–17–8 |
Тоже, приведенной толщиной 12 см, м2 |
20 |
||
|
27 |
Е 6–18–21 |
Устройство балок для перекрытий подкрановых и обвязочных на высоте опорной площади до 6 м при высоте балок до 500 мм, м3 |
2 |
28,8 |
3,6 |
|
28 |
С 4–1–28 |
Арматурные заготовки, не собранные в каркасы и сетки СТ А-III d-8–28 мм, т |
0,14 |
||
|
Итого: 206,14 |
129,28 |
16,2 |
|||
|
Раздел 6. Кровля |
|||||
|
29 |
Е 12–15–1 |
Устройство оклеечной, пароизоляции в 1 слой рубероидом, м2 |
379 |
60,64 |
7,58 |
|
30 |
Е 12–13–3 |
Утепление покрытий плитами из минеральной ваты или перлита на битумной мастике в один слой, м2 |
379 |
151,6 |
18,95 |
|
31 |
С 1–3–100 |
Стоимость минираловатных плит, м3 |
40 |
||
|
32 |
С 1–2–12 |
Бруски образные из хвойных пород дл. До 6,5 л, м3 |
8 |
||
|
33 |
Е 10–14–1 |
Установка элементов стропил из брусьев и досок, м3 |
8 |
176,8 |
22,1 |
|
34 |
Е 12–7–2 |
Устройство кровель, среднего профиля по деревянной обрешетке с ее устройством, м2 |
8 |
3,36 |
0,42 |
|
35 |
Прайс-лист от 1,07,2009 |
Стоимость ондулина, м2 |
380 |
||
|
Итого: 1202 |
392,4 |
49 |
|||
|
Раздел 7. Перегородки |
|||||
|
36 |
Е 8–7–5 |
Кладка перегородок неармированных толщиной в 1/2 кирпича при высоте этажа до 4 м, м2 |
504 |
609,84 |
76,23 |
|
37 |
Е 8–7–3 |
Кладка перегородок армированных толщиной в 1/2, м2 |
53 |
75,79 |
9,47 |
|
38 |
С 4–1–88 |
Каркасы и сетки плоские: проволока арматурная из СТ В-1, т |
0,2 |
||
|
Итого: 557,2 |
685,6 |
85,7 |
|||
|
Раздел 8. Двери |
|||||
|
39 |
Е 10–23–1 |
Установка блоков в наружных и внутренних дверных проемах в каменных стенах, площадью до 3 м2, м2 |
4 |
3,6 |
0,45 |
|
40 |
Е 10–23–3 |
Тоже в перегородках и деревянных нерубленных стен пл. до 3 м2, м2 |
2 |
2,3 |
0,29 |
|
41 |
С 6–3–4 |
Стоимость наружных дверных блоков, м2 |
6 |
||
|
42 |
С 6–2–2 |
Блоки дверные однопольные внутренние, м2 |
600 |
||
|
43 |
С 1–1–789 |
Скобяные изделия для дверей, компл. |
800 |
||
|
Итого: 1412 |
5,9 |
0,74 |
|||
|
Раздел 9. Окна |
|||||
|
44 |
Е 9–44–4 |
Установка оконных блоков из металлопластика, м2 |
66 |
251,46 |
31,43 |
|
45 |
Цена фирмы «Винпласт» |
Стоимость металлопластиковых окон, м2 |
66 |
||
|
46 |
Е 10–22–2 |
Установка деревянных подоконных досок в каменных стенах высотой до 2 м, м2 |
66 |
38,94 |
4,87 |
|
47 |
Прайс-лист от 27,01,2005 |
Стоимость подоконных досок из ламинированного ДСП, м2 |
66 |
||
|
48 |
Е 7–87–8 |
Герметизация металлопластиковых окон и подоконных досок, м |
180 |
27 |
3,375 |
|
Итого: 444 |
317,4 |
39,7 |
|||
|
Раздел 10. Полы |
|||||
|
49 |
Е11–9–1 |
Утепление минераловатными плитами, м2 |
2088 |
542,88 |
67,86 |
|
50 |
С 1–3–100 |
Стоимость минераловатных плит, м3 |
140 |
||
|
51 |
Е 11–5–2 |
Гидроизоляция п/э пленкой в 1 слой, м2 |
2088 |
2025,36 |
253,17 |
|
52 |
Е 11–11–5 |
Устройство цементных стяжек толщиной 20 мм, м2 |
1152 |
518,4 |
64,8 |
|
53 |
Е 11–27–3 |
Устройство покрытий на цементном растворе из керамических плиток, м2 |
256 |
115,2 |
14,4 |
|
54 |
Е 11–39–4 |
Устройство плинтусов из керамических плиток, м |
1420 |
1505,2 |
188,15 |
|
55 |
Е 11–36–1 |
Устройство покрытий на клее «Бустилат», м2 |
644 |
51,52 |
6,44 |
|
56 |
Е 11–9–2 |
Устройство и тепло-звукоизоляции сплошной из плит древесноволокнистых толщиной 5 мм, м2 |
1188 |
83,16 |
10,40 |
|
Итого: 8976 |
4842 |
605,22 |
|||
|
Раздел 11. Лестницы |
|||||
|
57 |
Е 7–47–4 |
Установка лестничных маршей массой более 1 т, шт. |
30 |
66 |
8,25 |
|
58 |
С 30–21–4 |
Лестничные площади с чистой бетонной поверхностью, м2 |
113 |
||
|
59 |
Е 7–60–2 |
Установка металлических ограждений с поручнями из хвойных пород, м |
88 |
117,92 |
14,74 |
|
60 |
С 2–2–16 |
Стоимость ограждений |
40 |
||
|
Итого: 271 |
183,92 |
23,0 |
|||
|
Раздел 12. Внутренняя отделка |
|||||
|
61 |
Е 15–69–4 |
Отделка из сборных элементов и плит под окраску или оклейку обоями потолков сборных, м2 |
712 |
213,6 |
26,7 |
|
62 |
Е 15–180–4 |
Улучшенная окраска оштукатуренных потолков водоэмульсионными составами, м2 |
712 |
348,9 |
43,6 |
|
63 |
Е 15–61–3 |
Оштукатуривание улучшенных поверхностей цементно-известковым раствором, м2 |
1995 |
1476,3 |
184,5 |
|
64 |
Е 15–165–8 |
Улучшенная окраска стен колером масляным, м2 |
1995 |
937,7 |
117,2 |
|
65 |
Прайс-лист 2006 г. |
Стоимость смеси «Бетонит», кг |
2937 |
||
|
Итого: 8351 |
2976,5 |
372 |
|||
|
Раздел 13. Наружная отделка |
|||||
|
66 |
Е 15–14–2 |
Облицовка цоколя бетонной фасадной плиткой на цементном растворе, м2 |
39 |
105,3 |
13,2 |
|
67 |
Прайс-лист |
Стоимость бетонной фасадной плитки, м2 |
39 |
||
|
68 |
Е 34–56–1 |
Устройство каркаса металлического для утепления наружных стен, м2 |
354 |
506,2 |
63,3 |
|
69 |
Е 34–57–2 |
Заполнение каркаса минераловатными плитами, м2 |
1 |
0,7 |
0,1 |
|
70 |
С 1–3–100 |
Стоимость минераловатных плит, м3 |
354 |
||
|
71 |
Е 15–70–1 |
Оштукатуривание фасада по сетке, м2 |
27 |
31,1 |
3,9 |
|
72 |
Е 15–16–2 |
Окраска фасада, м2 |
354 |
46,0 |
5,8 |
|
Итого: 1168 |
689,3 |
86,3 |
4.14 Технико-экономические показатели
Технико-экономические показатели приведены в таблице 19.
Таблица 19 – Технико-экономические показатели
|
№ |
Наименование показателя |
Значение |
|
1 |
СМР |
11959,6 |
|
1 |
Общая сметная стоимость, в том числе стоимость строительно-монтажных работ, тыс. тенге |
29493 |
|
2 |
Объем здания, м3 |
35673,69 |
|
3 |
Полезная площадь здания, м2 |
2900,3 |
|
4 |
Общие затраты труда, чел./дн. |
2663 |
|
5 |
Стоимость на единицу объема, тенге/м3 |
826,7 |
|
6 |
Стоимость на единицу площади, тенге/м2 |
10168,9 |
|
7 |
Затраты труда на единицу объема, м3 |
0,1 |
|
8 |
Затраты труда на единицу площади, м2 |
0,92 |
|
9 |
Средняя выработка на чел./день, тенге |
11074,13 |
|
10 |
Продолжительность строительства объекта, месяц |
|
|
нормативная СНиП 1.04.03–85 |
13 |
|
|
проектная |
12,5 |
|
|
11 |
Экономический эффект от сокращения продолжительности строительства, тенге |
1134 |
4.4 Стройгенплан
4.4.1 Принципы проектирования стройгенплана
Решения стройгенплана должны быть увязаны с остальными разделами ПОС и ППР.
Решения стройгенплана должны соответствовать действующим нормативным документам. Строительная площадка должна иметь наименьшую площадь, необходимую для строительства.
Решения СГП должны предусматривать рациональную организацию людских и грузовых потоков.
Временные здания, сооружения и установки располагаются на территории, не предназначенной под застройку до окончания строительства.
Временное строительство должно быть минимальным за счет использования постоянных зданий, дорог и коммуникаций.
Временные здания должны быть инвентарными.
Производственные установки надо размещать у мест наибольшего потребления. Размещение крана должно быть выполнено по принятым технологиям.
Приобъектные склады должны размещаться вблизи дорог в зонах работы крана.
Строительная площадка должна быть ограждена, на ней обозначены опасные зоны, оборудована средствами пожарной безопасности, средствами связи, должно быть выполнено освещение.
4.4.2 Расчёт потребности во временных зданиях и сооружениях
По календарному плану на объекте работает максимальное количество людей – 20 чел., таким образом, численность работающих составит:
N=
Определяем число ИТР:
=
(84)
Число служащих:
(85)
=
Число МОП:
(86)
=
Общее число людей:
(87)
=
Таблица 20 – Вспомогательные и временные сооружения
|
Временные здания |
Количество работников |
Количество пользующихся данным помещением, % |
Площадь помещения |
Тип временного здания |
Размеры здания |
|
|
На 1 чел. работающего |
Общая |
|||||
|
Служебные |
||||||
|
Конторы |
4 |
100 |
4 |
16 |
Передвижной вагон |
6х2,7 |
|
Диспетчерская |
1 |
100 |
7 |
7 |
Передвижной вагон |
6х2,7 |
|
Проходная |
– |
– |
– |
6 |
Сборно-разб. |
2х3 |
|
Санитарно-бытовые |
||||||
|
Гардеробная |
28 |
70 |
0,7 |
13,72 |
Передвижной вагон |
6х2,7 |
|
Душевая |
28 |
50 |
0,54 |
7,56 |
Передвижной вагон |
6х2,7 |
|
Умывальная |
28 |
50 |
0,2 |
2,8 |
||
|
Продолжение таблицы 20 Сушилка (для одежды и обуви) |
28 |
40 |
0,2 |
2,24 |
Передвижной вагон |
6х2,7 |
|
Помещение для обогрева работающих |
28 |
50 |
0,1 |
1,4 |
Контейнерый |
6х3 |
|
Бытовка |
28 |
50 |
1 |
14 |
||
|
Туалет и умывальник |
28 |
100 |
0,1 |
2,8 |
Контейнерый |
|
|
Производственные |
||||||
|
Мастерские электротехнические |
– |
– |
– |
– |
Передвижной вагон |
4,1х2,2 |
|
Мастерские санитарно-технические |
– |
– |
– |
– |
Передвижной вагон |
|
|
Мастерские столярно-плотничные |
– |
– |
– |
– |
Передвижной вагон |
4,1х2,2 |
|
Малярная станция |
– |
– |
– |
– |
Передвижной вагон |
8х2,8 |
|
Штукатурная |
– |
– |
– |
– |
Передвижной вагон |
4,5х2,5 |
4.4.3 Расчёт потребности строительства в воде
Водоснабжение строительства осуществляется от действующих систем водоснабжения. На строительной площадке вода расходуется на следующие нужды:
Производственные (Впр);
Хозяйственно-бытовые (Вхоз);
Душевые установки (Вдуш);
Пожаротушение (Впож).
Полная потребность в воде составляет:
=
(88)
Расход воды на производственные нужды определяется на основании календарного плана и норм расхода воды.
По максимальной потребности находим секундный расход на производственные нужды:
=
=
(89)
где R1 – коэффициент неравномерности потребления воды равен 1.5;
T1-это количество часов в смену (8 ч).
Количество воды на хозяйственно-бытовые нужды рассчитываем на основании максимального количества работающих (nобщ), пользующихся услугами и нормами воды на одного человека.
Максимальный расход воды на хозяйственно-бытовые нужды в смену:
=
=
л
Секундный расход воды на хозяйственно-бытовые нужды:
=
=

где R2 – коэффициент неравномерности потребления воды равен 1.5;
t2 – это количество часов в смену (8 ч).
Максимальный расход воды на душевые установки:
=
=
л
Секундный расход воды на душевые установки:
=
=

где R3 – коэффициент неравномерности потребления воды равен 1
t3 – время принятия душа (0,75 ч)
Количество воды на пожаротушение принимаю 10 л в сек., т.е. предусматриваем одновременное действие двух гидрантов по 5 л\с. Радиус действия одного гидранта 50 м.
=

Диаметр трубопровода для временного водопровода:
D=
=
мм (90)
Скорость движения воды =1,5 м\с.
Принимаем диаметр трубы 100 мм с наружным диаметром 114 мм.
4.4.5 Расчёт потребности строительства в электроэнергии
Электроснабжение осуществляется от действующих систем, через транспортную подстанцию.
Электроэнергия расходуется для питания машин и механизмов, электросварки, для освещения строй площадки и временных зданий.
Мощность силовой установки для производственных нужд:
=
(91)
где Rc – коэффициент спроса;
cos – коэффициент мощности;
Рпр – мощность двигателя.
=
кВт
Мощность электросети для освещения территории производства работ.
Таблица 21 – Мощность сети для наружного освещения
|
Потребители электроэнергии |
Един. изм. |
Количество |
Норма освещенности, кВт |
Мощность, кВт |
|
Монтаж сборных конструкций |
1000м2 |
0,374 |
2,4 |
0,8976 |
|
Открытые склады |
1000м2 |
0,42 |
1,2 |
0,504 |
|
Внутрипостроечные дороги |
км |
0,147 |
2,0 |
0,294 |
|
Охранное освещение |
км |
0,295 |
1,0 |
0,295 |
|
Прожектора |
шт |
4 |
0,5 |
2 |
|
Итого: |
3,9906 |
=
=
кВТ
(92)
Таблица 22 – Мощность сети внутреннего освещения
|
Потребители электроэнергии |
Един. изм. |
Коли-чество |
Норма освещен-ности, кВт |
Мощ-ность, кВт |
|
Контора |
100м2 |
0,162 |
1,5 |
0,243 |
|
Диспетчерская |
100м2 |
0,162 |
1,5 |
0,243 |
|
Проходная |
100м2 |
0,06 |
1,0 |
0,06 |
|
Гардеробная |
100м2 |
0,162 |
1,5 |
0,243 |
|
Душевая |
100м2 |
0,162 |
1,0 |
0,162 |
|
Сушильная |
100м2 |
0,162 |
1,0 |
0,162 |
|
Для обогрева и приема пищи |
100м2 |
0,18 |
1,0 |
0,18 |
|
Туалет с умывальником |
100м2 |
0,18 |
1,0 |
0,18 |
|
Технические мастерские |
100м2 |
0,09 |
1,3 |
0,117 |
|
Электротехнические мастерские |
100м2 |
0,09 |
1,3 |
0,117 |
|
Закрытые склады |
100м2 |
0,09 |
1,0 |
0,09 |
|
Итого: |
1,797 |
Мощность сети для внутреннего освещения:
=
=
кВт
(93)
Определяем общую мощность сети:
=
кВт
(94)
Определяем мощность трансформатора:
=
кВт (95)
Подбираю трансформатор ТМ-100/6
5. Инженерные сети
5.1 Исходные данные
Температура наружного воздуха в зимний период: самая холодная пятидневка –32 °С, самые холодные сутки – 39 °С, летняя температура 25,8 °С
Внутренние температуры помещений: 20 °С
Каркас здания монолитный железобетонный, монолитными приняты стены-диафрагмы, включая лестничную клетку и лифтовые шахты, колонны, лестничные площадки, перекрытия.
Гарантированный напор городской сети водоснабжения (Нгар) – 25 м.вод. ст
Требуемый воздухообмен в помещении для механической вентиляции – 250 м3/ч0
Параметры тепловой сети для центрального теплоснабжения – 120–70
Суточный расход хозяйственно-питьевой воды – 780 л/сут.
Суточный расход горячей воды – 440 л/сут.
5.2 Система отопления
Централизованная система отопления.
Закрытая система отопления.
Водяная система отопления.
Естественная система отопления.
Двухтрубная, горизонтальная, с нижней разводкой, с попутным (в одном направлении) движением воды в подающей и обратной магистралях.
Основные приборные узлы – проточные, регулируемые с осевыми замыкающими участками, регулируемые со смещенными замыкающими участками. Одностороннее присоединение отопительных приборов.
Скрытая прокладка трубопроводов. В качестве отопительных приборов принимаем: чугунные радиаторы. Диаметры используемых труб: 25 мм, 40 мм и 50 мм. Так как здание имеет 3 этажа и имеет сложную конфигурацию, то запорно-регулирующая арматура ставится на каждом этаже (краны двойной регулировки, вентили).
Изоляция системы – тепловая, наносится мастика, местами трубы обматываются слоями стекловаты.
По упрощенной схеме теплопотери можно рассчитать так:
1. Вычислить теплопотери через стены.
2. Вычислить теплопотери через окна.
3. Вычислить теплопотери через двери.
4. Вычислить теплопотери через перекрытие.
5. Вычислить теплопотери через пол.
6. Сложить все полученные значения.
7. Учесть от 10% до 40% теплопотерь на вентиляцию.
Вычисление теплопотерь через ограждающие конструкции (пункты 1–5):
Q = S * T / R, (96)
где Q – теплопотери, Вт
S – площадь конструкции, м2
T – разница температур между внутренним и наружным воздухом, °C
R – значение теплосопротивления конструкции, м2·°C/Вт
Любая конструкция может быть однослойной или многослойной. Расчет теплосопротивления ведется для каждого слоя, затем полученные значения складываются.
Теплосопротивление слоя равно толщине слоя, деленного на коэффициент теплопроводности материала.
R>слоя> = V/K (97)
где V – толщина слоя в м,
К – коэффициент теплопроводности, взятый из таблицы СНиП II-3–79.
Рассчитаем значение теплосопротивления для трехслойной стены, состоящей из слоя кирпичей 570 мм, утеплителя «Пеноплекс» 50 мм и еще одного слоя гипсокартона 20 мм:
R>слоя1> = 0,57 м / 1,86 Вт/(м·°C) = 0,306 м2·°C/Вт
R>слоя2> = 0,05 м / 0,06 Вт/(м·°C) = 0,833 м2·°C/Вт
R>слоя3> = 0,02 м / 1,86 Вт/(м·°C) = 0,011 м2·°C/Вт
И общее сопротивление теплопередаче стены в целом составит:
R>стены> = R>слоя1> + R>слоя2> + R>слоя3> = 0,306 + 0,833 + 0,011 = 1,15 м2·°C/Вт (98)
Аналогично производится расчет и теплосопротивления перекрытий.
Рассчитаем значение теплосопротивления для конструкции пола, состоящей из слоя ж/б плиты 220 мм, утеплителя 80 мм и еще одного слоя цементно-песчанной стяжки 40 мм:
R>слоя1> = 0,22 м / 1,86 Вт/(м·°C) = 0,118 м2·°C/Вт
R>слоя2> = 0,08 м / 0,06 Вт/(м·°C) = 1,333 м2·°C/Вт
R>слоя3> = 0,04 м / 1,86 Вт/(м·°C) = 0,022 м2·°C/Вт
И общее сопротивление теплопередаче стены в целом составит:
R>пола> = R>слоя1> + R>слоя2> + R>слоя3> = 0,118 + 1,333 + 0,022 = 1,473 м2·°C/Вт
Рассчитаем значение теплосопротивления для конструкции кровли, состоящей из слоя железобетонной плиты 220 мм, утеплителя 180 мм и еще одного слоя гипсокартона 40 мм:
R>слоя1> = 0,22 м / 1,86 Вт/(м·°C) = 0,118 м2·°C/Вт
R>слоя2> = 0,18 м / 0,06 Вт/(м·°C) = 3 м2·°C/Вт
R>слоя3> = 0,04 м / 1,86 Вт/(м·°C) = 0,022 м2·°C/Вт
И общее сопротивление теплопередаче стены в целом составит:
R>стены> = R>слоя1> + R>слоя2> + R>слоя3> = 0,118 + 3+ 0,022 = 3,14 м2·°C/Вт
Q = 4421,7 * (+22 – (-14,5)) / (1,15+1,473+3,14) =
= 4421,7*(7,5/5,763)=5 754,4Вт,
Т.е. выбранная теплоизоляция конструкций здания по нормативным параметрам вполне достаточная и требуется только установка обогревательных приборов (радиаторы центрального отопления).
5.3 Система вентиляции
Естественная и механическая вентиляция. Организованная вентиляция. Общеобменная вентиляция. Приточно-вытяжная с механическим побуждением.
Вентиляционные каналы устраиваем в кирпичных перегородках, а также используем приставные воздуховоды из гипсоволокнистых плит и листовой стали. Принимаем вытяжную шахту с объединенными каналами, выполненную из легкого бетона, состоящую из дефлектора, дроссель-клапана, люка, с заполнением пенопластом.
Дефлектор подбираем по диаметру его патрубка, который равен 600 мм, все остальные размеры являются долями диаметра его патрубка.
Аэрация здания осуществляется через открывающиеся фрамуги в окнах и витражах. Используем осевые и потолочные вентиляторы.
Для глушения шума в системах вентиляции применяем диссипативные глушители шума с поглощающим материалом.
5.4 Система хозяйственно-питьевого водоснабжения
Источник водоснабжения – городской водовод. Характеристика системы водоснабжения: единая, прямоточная, тупиковая. Тип ввода: перпендикулярный. Параметры ввода: диаметр – 100 мм, материал – РР, уклон – 0,005, в сторону водовода, глубина заложения от верха трубы – 2,2 м. Тип и калибр счетчика: скоростной крыльчатый, калибра 25 мм. Трубопроводы: диаметры – 20–30 мм, материал – РР, трубы покрываем слоями гидроизоляции из битумных материалов, теплоизоляция минватой. Противопожарные системы водопровода: водяная спринклерная система, 9 ПК. Прокладка трубопроводов – скрытая. Два поливочных крана, диаметром 20 мм.
5.5 Система горячего водоснабжения
Централизованная с внешним источником тепла. Двухтрубная, тупиковая. Вода в качестве теплоносителя. Трубопроводы из пластиковых труб.
5.6 Система канализации
Бытовая системы канализации. Центральная (городская) система канализации. Количество выпусков на здание: 1. Размер проема в фундаменте для выпуска 300х300 мм. Параметры выпусков: диаметр – 100 мм, длина – 6 м, глубина заложения от верха трубы – 1,5 м. Параметры подвальной разводки, стояков и квартирной разводки: чугунные канализационные трубы диаметром 150 мм
Прокладка трубопроводов – скрытая в коробах.
Водостоки здания: организованные наружные.
Типы санитарных приборов: умывальники, унитазы, мойки.
6. Охрана труда
6.1 Анализ режима труда на строительной площадке
В процессе строительства на человека кратковременно или длительно воздействуют вредные факторы. Основными источниками вредного воздействия на организм рабочих является запыленность, загазованность, неблагоприятный микроклимат, шум, создаваемый работой оборудования в процессе строительства здания. Эти факторы оказывают раздельное или совместное вредное воздействие на человека в условиях производства.
При выполнении строительных работ:
– на открытом воздухе происходит нарушение нормального метеорологического режима (перегрев), что приводит к тепловым ударам;
– дробление, размол и транспортирование сыпучих материалов, электросварка, пескоструйные работы ведут к повышенной запыленности воздуха наличие в воздухе пыли. В процессе разрушения твердых материалов (например, во время размалывания или шлифовки твердых минералов) образуются аэрозольные пыли, также при рассеивании в воздухе мелкого порошка (работа с цементом, мукой и подобными материалами). Некоторые пыли могут принимать аэрозольный характер в виде волокон, например, стекловолокно или другие синтетические волокна. Длина волокон, по крайней мере, в три раза больше их ширины и такая форма обуславливает специфику их осаждения в респираторном тракте.
– отделочных (малярные и др.), асфальтобетонные и кровельные работы с использованием битумных мастик, пропитка древесины специальными составами происходит воздействие токсических веществ и материалов (длительный контакт с нефтепродуктами с раздражающими химическими веществами) после чего наблюдаются острые и хронические отравления, пневмосклерозы, поражение кожи, химические ожоги;
– электро- и газосварочных работ систематически воздействует лучистая энергия высокой интенсивности (инфракрасное излучение, токи высокой частоты), которая вызывает болезни глаз: катаракта, конъюнктивиты и др.
– на высоте при не неверном подборе конструкций лесов по прочности и без специального страховочного оборудования могут произойти несчастные случаи.
6.2 Средства защиты от шумов, вибраций и вредных выделений веществ
Для защиты органов дыхания от вредных газов и пыли пользуются фильтрующими и изолирующими приборами: противогазами и респираторами, пневмошлемами (согласно ГОСТ 12.4.119–82 ССБТ. Средства индивидуальной защиты органов дыхания). Принцип их действия заключается в изоляции органов дыхания от окружающей среды и обеспечении подачи чистого воздуха для дыхания.
Противогаз является фильтрующим прибором, в котором воздух предварительно очищается на фильтрах от вредной пыли или других примесей; респиратор изолирует органы дыхания человека (легкие) от окружающей его атмосферы. Для защиты органов дыхания человека от нетоксичной пыли применяют респираторы, которые состоят из резиновой полумаски и пористого фильтра (двух фильтрующих секций) из различных бумажных, матерчатых, фетровых, ватных материалов.
Когда необходимо кроме дыхательных путей защищать от едкой пыли лицо, шею и голову (например, при работе с пескоструйными аппаратами), применяют вместе с респираторами специальные шлемы, пневмокостюмы, гидроизолирующие костюмы и другие средства защиты.
Из применяемых респираторов необходимо отметить респираторы РПК, РУ-71, РН-16, РН-21, РПР-1, РПБ-5, ПРШ2–59, Астра-2 для защиты от известковой, цементной, асбестовой и другой минеральной пыли; респираторы Ф-45 и Ф-46 – от известково-цементной металлической, корундовой и органической пыли при диаметре частиц до 1 мкм; универсальные респираторы РУ-60М, Р-2 и Ф-46К, которые одновременно защищают органы дыхания от пыли и газов. Респиратора выбирают в зависимости от характеристики аэрозолей и их предельно допустимой концентрации.
Опасные зоны должны быть обозначены знаками безопасно знаками надписями установленной формы. К зонам постоянно действующих опасных производственных факторов следует относить зоны:
– вблизи от неизолированных токоведущих частей электроустановок;
– вблизи от не огражденных перепадов по высоте на 1,3 м и более;
– в местах, где содержатся вредные вещества в концентрациях выше предельно допустимых или воздействует шум интенсивностью выше предельно допустимой.
Производство строительно-монтажных работ в этих зонах допускается в соответствии – ПЛР, содержащими конкретные решения по защите работающих. Границы опасных зон в местах, над которыми происходит перемещение грузов грузоподъемными кранами, а также вблизи строящихся зданий или сооружений. Строительная площадка в населенных местах или на территории действующих предприятий во избежание доступа посторонних лиц должна быть ограждена. Конструкция ограждений должна удовлетворять требованиям ГОСТ 23407–78. Ограждения, примыкающие к местам массового прохода людей, необходимо оборудовать сплошным защитным козырьком.
При размещении временных сооружений, ограждений, складов и лесов следует учитывать требования по габаритам принижения строений к движущимся вблизи средствам транспорта. Электробезопасность на строительной площадке, участках и рабочих местах должна обеспечиваться: а соответствии с требованиями ГОСТ 12.1.013–78.
При выполнении строительно-монтажных работ на территории или в цехах действующих промышленных предприятий контроль за соблюдением санитарно-гигиенических норм должен осуществляться в порядке, установленном для данного предприятия. Перемещение, установка и работа машин вблизи выемок (котлованов, траншеи, канав и т.п.) с неукрепленными откосами разрешается только за пределaми призмы обрушения грунта на расстоянии, установленном проектом производства работ. До начала производства земляных работ в местах расположения действующих подземных коммуникаций должны быть разработаны и согласованы с организациями, эксплуатирующими коммуникации, мероприятия по безопасным условиям труда, а расположение подземных коммуникаций на местности обозначено соответствующими знаками или надписями. Производство малярных работ в зоне действующих подземных помещений следует осуществлять непосредственным руководством при мастере, а в охранной зоне кабелей, находящихся под напряжением или действующего газопровода, кроме того, под наблюдением электро- или газового хозяйства. Устанавливать крепления необходимо в направлении сверху вниз по мере разработки выемки на глубину не более 0,6 м. Разборку креплений следует производить в направлении снизу вверх по мере обратной засыпки выемки.
6.3 Электробезопаснсоть. Расчет освещения помещений детского сада на 320 мест
Электрическое освещение – широко распространённый вид использования электроэнергии, способствующий не только увеличению продолжительности светового дня, но и улучшению бытовых условий жизни граждан.
Электрическая энергия, преобразованная источником света – светильником, с расположенной в нём лампой, в световую, служит в дальнейшем для создания в помещениях трёх основных систем искусственного освещения: общего, местного и комбинированного.
Общее освещение распространяется во всём помещении или его части более или менее равномерно. Светильники при этом располагают так же равномерно всему помещению или локализовано. В последнем случае достигается большая освещённость на определённых участках помещений и меньшая освещённость на других участках помещения.
Производя расчёт электроосвещения не стоит забывать, что разные светильники и лампы дают различный световой поток, силу света и яркость, что влияет на освещённость помещений.
Для приближённого, но вполне приемлемого расчёта освещения помещения по мощности источника света, расходуемой при системе общего освещения можно принять за основу, что лампы накаливания мощностью 20Вт достаточно для освещения одного квадратного метра жилой площади.
Для освещения помещений следует предусматривать, как правило, разрядные лампы. В случае невозможности или технико-экономической нецелесообразности применения разрядных ламп, а также для обеспечения архитектурно-художественных требований допускается предусматривать лампы накаливания.
6.3.1 Естественное освещение. Помещения с постоянным пребыванием людей должны иметь, как правило, естественное освещение
Без естественного освещения допускается проектировать помещения, которые определены соответствующими главами СНиП на проектирование зданий и сооружений, нормативными документами по строительному проектированию зданий и сооружений отдельных отраслей промышленности, утвержденными в установленном порядке, а также помещения, размещение которых разрешено в подвальных и цокольных этажах зданий и сооружений.
Естественное освещение подразделяется на боковое, верхнее и комбинированное (верхнее и боковое).
Требуется определить размеры световых проемов групповой детского сада.
Исходные данные. Район расположения детского сада – первая группа административных районов по ресурсам светового климата Карагандинской области; глубина класса d>п> = 7,74 м; ширина b>п> = 7,04 м; высота h = 3 м; высота световых проемов h>o> = 2,1 м (высота подоконника h>пд> = 0,9 м); остекление двойное в раздельных деревянных переплетах; средневзвешенный коэффициент отражения стен пола и потолка r>ср> = 0,50.
План групповой приведен на рисунке 6.

Рисунок 6 – План групповой детского сада на 320 мест
Решение: Предварительный расчет относительной ширины световых проемов:
1) Определяют площадь пола: Ап = 6,42 · 8,69 = 48,8 м2.
2) Находят отношение глубины помещения dп к высоте окна от уровня условной рабочей поверхности h01: dп/h01 = 8,69/2,2 = 3,95.
3) По графику на соответствующей кривой е = 1,5% находят точку с абсциссой d>п>/h>01> = 3,95, по ординате этой точки определяют А>с.о>/А>п> = 24%.
4) Вычисляют площадь световых проемов: А>с.о>> >= А>п> · 0,24 = 48,8 · 0,24 = 11,7 м2 и суммарную ширину окон b>co> = 11,7/2,1 = 5,6 м.
5) Принимают два блока размером 2,1 х 2,4 м и один блок размером 2,1 х 1,8 м.
6.3.2 Расчет искусственного освещения. Расчет искусственного освещения по методу коэффициента использования светового потока
В процессе выполнения расчетной части необходимо:
а) выбрать систему освещения, источник света, тип светильника для заданного участка или рабочего помещения;
б) произвести расчет общего освещения рабочего помещения.
Цель расчета общего освещения – определить количество светильников необходимых для обеспечения Еmin и мощность осветительной установки, необходимых для обеспечения в цехе нормированной освещенности. Ниже рассмотрен расчет общего освещения методом коэффициента использования светового потока.
При расчете по указанному методу необходимый световой поток одной лампы определяется по формуле:
(99)
или количество светильников:
(100)
где Еmin – минимальная нормированная освещенность, лк;
k – коэффициент запаса;
S – освещаемая площадь, м2;
Z – коэффициент минимальной освещенности (коэффициент неравномерности освещения);
N – число светильников;
n – число ламп в светильнике;
h – коэффициент использования светового потока в долях единицы.
Мощность осветительной установки Р определяется из выражения:
(101)
где Рi – потребляемая мощность одной лампы, кВт.
Рекомендуемый алгоритм расчета
Расчет общего освещения рекомендуется выполнять в следующей последовательности:
1) Выбор системы освещения. В настоящей работе рассматривается только рабочее освещение, которое может быть общим и комбинированным. Устройство в общественных помещениях только местного освещения запрещено.
Выбор системы освещения зависит, прежде всего, от такого важнейшего фактора, как точность выполняемых зрительных работ (наименьший размер объекта различения), согласно действующим нормам следует применять систему комбинированного освещения.
Выбор системы освещения производится одновременно с выбором нормированной освещенности.
Выбираем систему освещения – общая система освещения.
2) Выбор нормированной освещенности. Количественные и качественные показатели искусственного освещения определяют согласно действующим нормам [1].
В качестве количественной характеристики освещенности принята наименьшая освещенность поверхности Еmin, которая зависит от разряда зрительных работ, фона и контраста объекта с фоном и системы освещения. Разряд зрительных работ определяется минимальным размером объекта различения, т.е. размером предмета, его части или дефекта на нем, которые необходимо обнаружить или различить в процессе производственной деятельности.
Качественные показатели освещения (коэффициент пульсации и показатель ослепления) в данной работе не рассматриваются.
Можно принять значение Еmin для точных работ 300–500 лк, для средней точности 150 -300 лк, для работ малой точности 100 -150 лк. Меньшее значение освещенности в каждом разряде для светлого фона и большого контраста, большее для темного фона и малого контраста.
Выбираем для данного помещения – Еmin=150 лк.
3) Выбор источников света. Определяющими параметрами при выборе экономичного источника света являются строительные параметры, архитектурно – планировочное решение, состояние воздушной среды, вопросы дизайна и экономические соображения.
Окончательный выбор источника света должен осуществляться одновременно с выбором типа светильника, частью которого он является.
Выбираем для данного типа помещения – лампы накаливания.
4) Выбор светильника. Выбор светильников общего освещения производится на основе учета светотехнических, экономических требований, условий воздушной среды.
Для данного помещения выбираем светильник – стандартный с лампами накаливания.
5) Коэффициент запаса.
Коэффициент запаса k учитывает запыленность помещения, снижение светового потока ламп в процессе эксплуатации. Значения коэффициента k приведены в таблице 23.
Таблица 23 – Значения коэффициента k
|
Помещения |
Примеры помещений |
Коэффициент запаса k |
|
|
Газоразрядные лампы |
Лампы накаливания |
||
|
Запыленность значительно менее 1 мг/м3, отсутствие паров кислот и щелочей |
Жилые, административные и офисные и т.п. помещения |
1,2 |
1,1 |
Выбираем для данного помещения k=1.1.
6) Коэффициент минимальной освещенности Z. Коэффициент минимальной освещенности Z характеризует неравномерность освещения. Он является функцией многих переменных, точное его определение затруднительно, но в наибольшей степени он зависит от отношения расстояния между светильниками к расчетной высоте (L/h).
При расположении светильников в линию (ряд), если выдержано наивыгоднейшее отношение L / h, рекомендуется принимать Z = 1,1 для люминесцентных ламп и Z = 1,15 для ламп накаливания и ДРЛ.
Для данного помещения выбираем Z=1,15.
7) Коэффициент использования светового потока h. Для определения коэффициента использования светового потока h находят индекс помещения i и предполагаемые коэффициенты отражения поверхностей помещения: потолка rп, стен rс, пола rр.
Обычно для светлых административно-конторских помещений: r>п> = 70%, r>с> = 50%, r>р> = 30%.
8) Индекс помещения i. Индекс помещения определяется по следующему выражению:
(102)
где А, В, h – длина, ширина и расчетная высота (высота подвеса светильника над рабочей поверхностью) помещения, м.
(103)
где H – геометрическая высота помещения;
hсв – свес светильника. Обычно hсв = 0,2…0,8 м;
hp – высота рабочей поверхности. hp = 0,8…1,0 м.
По найденному ФЛ выбирают ближайшую, стандартную лампу в пределах допусков – 10 ¸ +20%.
Таблица 24 – Значение коэффициента использования h для светильников с лампами накаливания, %
|
I |
rп, % 70, rс, % 50, rр, % 30 |
50, 30, 10 |
30, 10, 10 |
|
0,5 |
28 |
21 |
18 |
|
1,0 |
49 |
40 |
36 |
|
3,0 |
73 |
61 |
58 |
В таблице приведены расчетные значения светового потока наиболее распространенных источников света ФЛ. Вывод: окончательно принимаем к установке энергосберегающие лампы мощностью – 100 Вт, в количестве – 14 шт., расположенные в 2 ряда.
6.4 Пожаробезопасность
Строящиеся и подсобные здания и сооружения обеспечивают первичными средствами пожаротушения по нормам в соответствии с ГОСТ 12.1.004–98 ССБТ. Пожарная безопасность. Общие требования. При загорании изоляции проводов или обмоток электродвигателей, прежде всего, обесточивают электрическую сеть (это делает дежурный электрик или другое лицо, обслуживающее электроустановку). Горение различных жидкостей ликвидируют при помощи пенных и порошковых огнетушителей, сухого песка, асбестового покрывала или кошмы. До начала основных строительных работ участок строительства рекомендуется обеспечивать постоянным водопроводом и устанавливать на сети пожарные гидранты. Пожарные гидранты устанавливают в закрытых колодцах, располагаемых вдоль дорог и не более 5 м от стен зданий. Места установки гидрантов обозначают специальными указателями.
В зимний период колодцы гидрантов утепляют, чтобы исключить замерзание воды в стояках. При невозможности устройства постоянного наружного водопровода до начала основных строительных работ и при отсутствии вблизи строительства естественных водоисточников укладывают временные противопожарные водопроводы либо устраивают временно пожарные водоемы вместимостью не менее 100 м3. Если на строительной площадке или на вооружении пожарной части имеются мотопомпы, это расстояние принимают соответственно 100…150 м (в зависимости от типа мотопомпы).
7. Промышленная экология
Общие сведения о детском саде на 320 мест приведены в таблице 25.
Таблица 25 – Общие сведения
|
Наименование данных |
На момент составления паспорта |
Изменения и дата внесения изменений |
|
Наименование здания |
Детский сад на 320 мест |
|
|
Адрес расположения здания: почтовый, телеграфный телетайп |
г. Темиртау, Ул. Иванова1, телефон: 45–18–62 |
|
|
Фамилия, инициалы и служебные телефоны строительной организации: – директора – главного инженера – должностного лица – ответственного за охрану природы |
Макеев К.К. тел. 52–82–42 Дыбин Р.Б. тел. 42–12–62 Мустафина К.С. тел. 45–18–63 Конев А.А. тел. 45–18–34 |
|
|
Номер банковского счета и наименование банка |
№3457020091826 Казкоммерцбанк |
|
|
Наименование и адрес организации генпроектировщика |
Промстройпроект, ул. Н. Абдирова1 |
|
|
Фамилия, инициалы и служебные телефоны: – директора – главного инженера – главного инженера проекта |
||
|
Наименование, адрес и телефоны контролирующих организаций: – районный акимат – министерство здравоохранения республики Казахстан – СЭС Минздрава Казахстана |
Акимат Казыбекбийского района, ул. Муканова 5 тел. 73–53–10 ул. Джамбыла 56 тел. 56–46–30 Городская СЭС ул. Гоголя |
|
|
– орган Госкомприроды Казахстана – другие органы государственного контроля и надзора |
48/2 тел. 51–02–13 Карагандинский орган Госкомприроды ул. Ленина 35 тел. 56–22–87 Пожарная служба ул. Ерубаева 46 тел. 01 |
Конструктивная система здания – каркасная. Трехэтажное здание – кирпичное и решено с полным железобетонным каркасом. Так же в здании предусмотрен резервуар для бассейна.
Фундаменты: По конструктивному решению фундаменты ленточные сборные под все стены здания, выполнены из сборных ж/б блоков с подушкой. Глубина заложения в связи с наличием техподполья 2,32 м, в помещении бассейна глубина заложения составляет 1,9 м. Отметка подошвы фундамента – 3,250 м. Толщина фундаментной стены – 600 мм. Ширина подушки фундамента – 2000 мм.
Колонны: Основными несущими конструкциями здания являются железобетонные монолитные колонны сечением 640 мм из бетона класса В15, армированных арматурой класса А-III. Фундаменты под колонны приняты сборными на подушках.
Конструкция кровли – плоская, покрытая слоями теплоизоляции PAROC ROS 210 мм и Унифлекса ЭКП 6 мм и 1 слой рубероида на горячем битуме. Водосток наружный.
Стены и перегородки: Наружные и внутренние стены приняты из кирпичной кладки. Наружные стены имеют толщину 640 мм, в качестве утеплителя принят ПЕНОПЛЕКС тип 35, толщиной 50 мм, с внутренней стороны стены отделаны листами гипсокартона (влагостойкий).
Перегородки выполнены из гипсокартонных панелей толщиной 120 мм с опиранием на монолитные железобетонные полы по грунту на первом этаже и на многопустотное перекрытие на остальных этажах.
Стенами подвала являются сборные ж/б блоки, поэтому они требуют вертикальную обмазочную и горизонтальную из рулонных материалов гидроизоляцию. Перекрытия: Перекрытие этажей решено многопустотным. Перекрытие первого этажа монолитное. Опирание панелей – непосредственно на колонну и несущие стены. Покрытие здания решено аналогичным перекрытию. Окна: Окна являются основными вертикальными конструкциями для обеспечения естественной освещенности помещений. В конструкцию оконного блока входят: пластиковая оконная коробка, заделанная в стену; оконные спаренные переплеты и подоконная доска.
По материалу конструкции окна выполнены из пластика. Зазор между коробкой и стеной тщательно монтажной пеной. Откосы отштукатурены снаружи и внутри. На строительную площадку оконные блоки были привезены полностью подготовленными к установке (остекленными переплетами из огнеупорного стекла, снабженными приборами). Окна имеют двойное остекление с расстоянием между стеклами 47 мм.
Двери: Двери внутренние – пластиковые. Расположение, количество и размеры определены с учетом числа входов (13), вида здания. Двери состоят из коробок, представляющих рамы, укрепленные в дверных проемах стен, перегородок и полотен, навешенных на дверные коробки.
По количеству полотен двери запроектированы однопольные. По положению в здании: внутренние и наружные. В перегородках зазор между коробкой и стеной закрывают наличником и заполняют монтажной пеной.
Лестницы: В проекте запроектирована железобетонные лестница с металлическими перекладинами. Ширина лестницы 1400 мм. Поручни – металлические высотой 900 мм. Размер ступеней 250 х 152 (h) мм. Во всех помещениях предусмотрено искусственное освещение в сочетании с естественным освещением через окна и витражи. Выбранный под строительство участок имеет спокойный рельеф и обладает следующими преимуществами:
1) расположен рядом с большими жилыми районами, что обеспечивает рентабельность проектируемого объекта;
2) имеет удобные транспортные связи с районами города;
3) расположение участка вблизи с коммуникационными системами жилого района (канализация, водопровод);
При разработке дипломного проекта были учтены местные климатические условия. Климат резко-континентальный и крайне засушливый.
Величина годовых суммарных радиаций достигает около 100 ккал/см2, а расчетной – до 48 ккал/см2.
Средняя температура июля колеблется от 18,5 до 20,4ºС. Максимальная температура воздуха достигает +39ºС и отмечается в среднем за июль на протяжении от 7–8 дней до 10–15 дней. Продолжительность теплового периода – до 285 дней. В теплый период года относительная влажность воздуха убывает в направлении с севера на юг. В июне-июле отличается низкая относительная влажность воздуха (53 – 58%).
Зима в Темиртау продолжительностью 5–5,5 месяцев. Снежный устойчивый покров образуется обычно в середине ноября на срок 120–150 дней. В январе происходит заметное усиление морозов. Снежный покров достигает высоты 20–26 см, в наиболее снежные зимы – 32–50 см. Самый ранний сход снега отмечается 16–28 марта, поздний 20–25 апреля. Зимой устанавливается ясная погода, средняя температура января колеблется от – 14,4ºС до – 17,9ºС. Абсолютный минимум составляет – 39ºС.
Безморозный период равен соответственно 90–100 и 110–135 дней. Сложный рельеф, сформированный городской застройкой, обуславливает значительное различие в скорости и направлении ветра.
Средняя годовая скорость ветра 4,5–5 м/сек., регион активно инсолируется, т.е. отличается повышенной радиацией. В таблице 26 показаны температуры среднемесячные. В таблице 27 представлено использование земельных ресурсов.
Таблица 26 – Среднемесячные температуры воздуха (оС) для г. Темиртау
|
Населен. пункт |
Месяц |
|||||||||||
|
1 |
2 |
3 |
4 |
5 |
6 |
7 |
8 |
9 |
10 |
11 |
12 |
|
|
Темиртау |
-14,5 |
-14,2 |
-7,7 |
4,6 |
12,8 |
18,4 |
20,4 |
17,8 |
12,0 |
3,2 |
-6,3 |
-12,3 |
Таблица 27 – Использование земельных ресурсов
|
Земельный отвод, м2 |
Санитарно-защитная зона, (м) |
Дороги |
Трубопроводы |
Линии электропередач |
|||||
|
Всего |
в том числе |
||||||||
|
Под здания |
Твердые покрытия территории |
Хранилища, свалки, отвалы твердых отходов |
Газоны, озеленения |
||||||
|
Основного производства |
Администра-тивно-бытового назначения |
||||||||
|
1 |
2 |
3 |
4 |
5 |
6 |
7 |
8 |
9 |
10 |
|
10885 |
- |
554,7 |
- |
100 |
3510 |
50 |
956 |
- |
- |
В качестве мероприятия по защите возводимого здания от транспортных магистралей, определяем создание санитарно-защитной зоны. Это мероприятие понижает уровень шума, создаваемый автотранспортом, а также понижает концентрацию вредных веществ, выделяемых автомобилями. Поправка размеров санитарно-защитной зоны производится по формуле:
,
(104)
где L – расстояние от здания до границы санитарно-защитной зоны с учетом поправки, м;
l>0> – нормативная величина санитарно-защитной зоны, для возводимого объекта принимается равной 50 м;
Р – среднегодовая повторяемость ветра рассматриваемого румба, %;
Р>0> – повторяемость ветра при круговой розе ветров.
Для восьмирумбовой розы ветров Р>0>=100:8=12,5%.
Таблица 28 – Расчет санитарно-защитной зоны
|
Румбы |
||||||||
|
С |
СВ |
В |
ЮВ |
Ю |
ЮЗ |
З |
СЗ |
|
Р, % для января |
1 |
14 |
7 |
18 |
19 |
30 |
9 |
2 |
|
Р>0>, % |
12,5 |
12,5 |
12,5 |
12,5 |
12,5 |
12,5 |
12,5 |
12,5 |
|
L>янв>, м |
76 |
120 |
36 |
8 |
4 |
56 |
28 |
72 |
|
Р, % для июля |
12 |
19 |
10 |
10 |
8 |
11 |
14 |
16 |
|
Р>0>, % |
12,5 |
12,5 |
12,5 |
12,5 |
12,5 |
12,5 |
12,5 |
12,5 |
|
L>июля>, м |
32 |
44 |
56 |
64 |
48 |
76 |
40 |
40 |

Рисунок 7 – Графическое изображение санитарно-защитной зоны с учетом розы ветров
Экономическая оценка ущерба, причиняемого годовым выбросом загрязнений в воздушный бассейн от деятельности определяется по формуле, согласно СНиП РК 4.02–05–2001, СанПиН 2.2.1/2.1.1.1200–03 «Санитарно-защитные зоны и санитарная классификация предприятий, сооружений и иных объектов»:
Уа = σхγхfхМ, тенге/год, (105)
где γ – стоимостная оценка 1 усл. т загрязняющих веществ, выброшенных в атмосферу, принимаем 650 тенге/усл. т;
σ – показатель, характеризующий относительную опасность загрязнения атмосферы в зависимости от типа территории равны 4;
f – коэффициент, учитывающий характер рассеивания примеси в атмосфере равный 10;
М – приведенная масса годового выброса загрязняющих веществ из источника, усл. т./год.
В районе детского сада предусмотрена автостоянка для автомобилей родителей и персонала, рассчитанная на 50 машин.
М = mсо х Асо + mсн х Асн+ mNо х АNо, усл. т./год, (106)
где mсо, mсн, mNо – масса годового выброса соответствующих примесей в атмосферу, т/год;
Асо, Асн, АNo – показатель относительной агрессивности примеси, усл. т./год (1, 3,16 и 41,1 соответственно).
М = 0,657х1+0,073х3,16+0,0205х41,1 = 1,731 усл. т./год,
Уа = 4х650х10х1,731 = 45006 тенге/год.
Выводы:
Здание детского сада предположительно относится к IV – категории опасности, поэтому не может причинить большого вреда окружающей среде. Здание находится на центральном отоплении, питается электроэнергией от ТЭС, предусматривается санитарно-защитная зона, равная 50 метрам, так как проектируется автостоянка вблизи здания.
8. Экономическая часть
Строительные сметы
Для определения сметной стоимости строительства зданий и сооружений или их очередей составляется сметная документация, состоящая из локальных смет, объектных смет, сводных сметных расчетов стоимости строительства и др.
Сметная документация составляется в установленном порядке независимо от метода осуществления строительства – подрядным или хозяйственным способом.
В локальной смете на обще строительные работы здания сметные расчеты составляются в виде таблиц установленной формы.
Локальные сметы являются первичными сметными документами и составляются на отдельные виды работ и затрат по зданиям и сооружениям или по общеплощадочным работам на основе объемов, определяемых проектной документацией. Локальные сметные расчеты составляются на отдельные виды работ и затрат по зданиям и сооружениям или по общеплощадочным работам в тех случаях, когда объемы работ и размеры затрат окончательно не определились и подлежат уточнению. При расчете необходимо учитывать территориальный признак, а при отсутствии в сборниках необходимой нормы подбирается наиболее низкая по содержанию норма.
Локальная смета дана в приложении А.
Все расчеты произведены в ценах ЕНиР 2001 года. Чтобы перевести в цены 2009 года их необходимо умножить на индекс, который рассчитывается по следующей формуле:

Объектная смета объединяет в своем составе данные из локальных смет на объект и являются сметными документами.
Объектные сметные расчеты объединяют в своем составе в целом данные из локальных сметных расчетов и локальных смет стоимость объекта и подлежат уточнению.
Объектная смета составляется по установленной форме, приведенной в приложении.
Данные о сметной стоимости общестроительных работ по зданию переносятся из локальной сметы в первую строку.
Показатели по специальным строительным работам определяются в данной работе исходя из усредненных соотношений между сметными стоимостями этих и общестроительных работ.
Сметные расчеты стоимости строительства предприятий, зданий, сооружений или их очередей составляются на основе объектных, локальных и сметных расчетов на отдельные виды затрат.
Сводные сметные расчеты стоимости строительства – это сметный документ, определяющий стоимость строительства зданий сооружений и дан в приложении.
Составление начинается с заполнения строки, относя к главе 2, путем переноса итоговой строки объектной сметы по основному производственному корпусу. Все расчеты сведены в приложение В.
Оценку объемно-планировочного и конструктивного решений производят по следующим показателям:
– площадь
застройки (S
)
определяют по внешнему периметру здания
на уровне цоколя:
S
=4421,7 м
– строительный объем (V) определяют умножением полезной площади на высоту здания:
V=2900,3*12,3=35673,7 м
(107)
– полезная
площадь (S
)
определяется как сумма площадей
помещений, предназначенных для работы
и отдыха:
S
=
2900,3 м
– планировочный
коэффициент (К
)
определяется как отношение полезной
площади к общей площади:
(108)
Данный коэффициент определяет эффективность планировочного решения.
– объемный
коэффициент (К
)
определяется как отношение объема
здания к полезной площади:
(109)
Этот коэффициент указывает на рациональность использования здания.
Технико-экономические показатели и эффективность строительного проекта:
Таблица 29 – Технико-экономические показатели
|
№ |
Наименование показателя |
Значение |
|
1 |
СМР (проиндексировать без НДС) |
11959,6 |
|
1 |
Общая сметная стоимость, в том числе стоимость строительно-монтажных работ, тыс. тенге |
29493 |
|
2 |
Объем здания, м3 |
35673,69 |
|
3 |
Полезная площадь здания, м2 |
2900,3 |
|
4 |
Общие затраты труда, чел./дн. |
2663 |
|
5 |
Стоимость на единицу объема, тенге/м3 |
826,7 |
|
6 |
Стоимость на единицу площади, тенге/м2 |
10168,9 |
|
7 |
Затраты труда на единицу объема, м3 |
0,1 |
|
8 |
Затраты труда на единицу площади, м2 |
0,92 |
|
9 |
Средняя выработка на чел./день, тенге |
11074,13 |
|
10 |
Продолжительность строительства объекта, месяц |
|
|
нормативная СНиП 1.04.03–85 |
13 |
|
|
проектная |
12,5 |
|
|
11 |
Экономический эффект от сокращения продолжительности строительства, тенге |
1134 |
Из данного расчета можно заключить следующее: в ходе сокращения времени строительства и улучшения, механизирования строительных работ, были снижены затраты на строительства здания в целом. В результате применения поточного метода работ мы получили:
– использование минимального количества машин: основных строительных машин, машины и механизмы малой механизации, машин «тяжелой» механизации.
– проведение работ в 2 смены;
– практически равномерное потребление ресурсов;
– отсутствие простоев;
– ритмичность выпуска готовой продукции;
– благоприятные условия для смежников, которые загружены равномерно;
– коэффициент равномерности потока производимых работ равный ~ 1.68 (в пределах 1.51.7 коэффициент равномерности потока считается оптимальным).
В результате строгого
соблюдения указаний СНиП, широкого
применения в процессе строительства
эффективных устройств для автоматического
регулирования машин и средств малой
механизации, использования прогрессивных
методов контроля качества с использованием
изотопов, ультразвука и т.п., мы получили
строительную продукцию, т.е. здание,
высокого качества.












,
в том числе:

