Проектирование колонн и стропильных балок одноэтажного производственного здания
Министерство образования Российской Федерации
Сибирская государственная автомобильно-дорожная академия
(СибАДИ)
Кафедра "Строительные конструкции"
Пояснительная записка к курсовому проекту:
Проектирование колонн и стропильных балок одноэтажного производственного здания
Омск-2010
Содержание
Компоновка поперечника
Определение расчетных нагрузок и параметров
Определение усилий в стойках
Проектирование стоек
Расчет сборной железобетонной предварительно-напряженной двутавровой балки покрытия
Компоновка поперечника
Поперечная рама состоит из колонн, заделанных в фундамент и стропильной конструкции, свободно опирающейся на колонны.
Определяем размеры колонны
Высота надкрановой части:
>
>,
м
где Нкр - крановый габарит здания.
>
>
(0,15+hпб) – высота подкрановой балки с рельсом, м
Высота подкрановой части колонн от верха фундамента:
>
>,
где
Н>1>=Нг.р.+0,15,
где 0,15 – глубина заложения верха фундамента,
>
>,
>
>,
– (кратна модулю 0,6 м для стеновых панелей).
Определяем размеры поперечного сечения колонны
Привязка колонн к разбивочным осям
"0" - при шаге колонн 6 м и кранах с G ≤ 30 тс;
Размеры сечений
bк = 400 мм – при шаге колонн 6 м;
hв = 400 мм – при "0" привязке и кранах G < 20 тс;
>
>
с округлением в меньшую сторону с модулем 50 мм.
Глубина заделки колонны в стакан фундамента равна наибольшему из 1,5 bк или hн , и получаем отметку (-) (Нзад. + 0,15)=1,2+0,15=1,35.
Расстояние от оси кранового пути до внутренней грани подкрановой части колонны поверху: к< 250 мм при В = 6 м;
При ("привязка" + 750 + к)=0+750+250=1000мм < hн=1200мм , значит
(750+100)+(250+100)=1200мм

Конструирование стен

модуль 0,6 м; высота стеновых панелей и блоков остекления 1,2 м и 1,8 м; δ>пан>=300 мм (принять).
2. Определение расчетных нагрузок и параметров
Постоянные нагрузки
от покрытия Fп
Fп = >
>,
где g>к>=1 кН/м2+1,5 кН/м2=2,5 кН/м2 – расчетная нагрузка от веса 1 м2 кровли и плит покрытия;
В=6м – шаг колонн, м;
L=12м – пролет рамы, м;
Qp=40,2тс- ориентировочный вес стропильной конструкции, кН;
от собственной массы (бз эксцентриситета)
>
>
>
>
где γ>f> = 1,1 – коэффициент надежности по нагрузке;
γ = 25 кН/м3 – объемный вес железобетона
от стен и остекления (бз эксцентриситета)
>
>
>
>,
где В – шаг колонн, м;
g>ст>, g>ост> – расчетные нагрузки от веса 1 м2 стеновых панелей и оконных блоков, навешанных на надкрановую или подкрановую части колонны (табл. 5)
h>ст>, h>ост> – высота панелей и остекления, м;
от массы подкрановой балки с рельсом (бз эксцентриситета)
Fпб = 41,2 кН
Временные нагрузки
от снега СНиП 2.01.07-85 (5 раздел)
Fсн = >
>
,
где Sg =1,8 кН/м2 снеговая нагрузка в зависимости от района строительства; μ = 1, Fсн прикладывается так же как и Fп.
от крана СНиП 2.01.07-85 (4 раздел)
вертикальная
Dmax=287 кН, Dmin=59,6 кН.
горизонтальная
Т=10,3 кН
ветровая СНиП 2.01.07-85 (6 раздел, п. 6.3)
Wmi =Wо*k,
где Wо – 0,3 кН/м2
k - табл. 6(СНиП 2.01.07-85)
Фактическая ветровая эпюра приводится к эквивалентной по моменту в защемлении с ординатой
-
до
5 м
0,75
10 м
1
20 м
1,25
40 м
1,5
Wm5=W0*k=0,3*0,75=0,225 кН/м2
Wm10=W0*k=0,3*0,71=0,3 кН/м2
Wm20=W0*k=0,3*1,25=0,375 кН/м2
Wm21.6=W0*k=0,3*1,27=0,381 кН/м2
Wm23.4=W0*k=0,3*1,29=0,387 кН/м2
>
>
на высоте Н:
>
>;
>
>

Сосредоточенная сила в уровне верха колонны:
W>Н> = >
>
W>отс.> =>
>
где с = 0,8 – с наветренной и с = 0,6 – с заветренной сторон
γ>f> = 1,4 – коэффициент надежности по нагрузке;
Равномерно распределенная погонная нагрузка:

>
>
>
>
>
>
Расчетная схема (статически неопределимая)

Ригель считается абсолютно жестким.
Основная система метода перемещений (одно неизвестное).
3. Определение усилий в стойках
>
>
>
>
>
>
>
>;
Постоянной – нагрузка от собственного веса, стен и подкрановых балок – приложена по оси колонны.
От покрытия Fп (симметричное воздействие)
y=0*H>B>;
Сила Fп приложена на расстоянии 150 мм от разбивочной оси, поэтому эксцентриситет приложения силы относительно оси надкрановой части колонны:
e = hн/2 – hв/2=1,2/2-0,4/2=0,4м;
Rв← (+); →(-);



>
>
K1=2,152 ,K1=1,314 [3, тб.16.1]
при привязке "0", а>В>= 50 мм – при в>к>= 40 см от покрытия
М>I>>
>= >
>
М>II>>
>= >
>
N>I> = N>II>=F>п>=110,1 кН
От стен, собственного веса, подкрановых балок
М>I>> >= М>II>> >=0
N>I>
=>
>
N>II>
=>
>
От постоянной нагрузки суммарная
М>I>> >=∑ М>I>=2.34+0=2,34кН*м
М>II>> >=∑ М>II>=-3,44+0=-3,44кН*м
N>I>> >=∑ N>I>=110,1+45,08=155,18 кН
N>II>> >=∑ N>II>=110,1+477,18=587,28 кН
Временная нагрузка
Снеговая F>сн> – изгибающие усилия от покрытия умножаются на коэффициент
F>сн> / F>п >=64,8/110,1=0,59
М>I>> >=2,34*0,59=1,38 кН*м
N>I> = N>II>=F>сн>=64,8 кН
М>II>> >=-3,44*0,59=-2,03 кН*м
Крановая вертикальная D>max>> >; (y = 1*H>н >,)

а>н> = "привязка" + 750 – hн/2=0+850-1200/2=250мм
а>н> = hн/2 - "привязка" - 750=1200/2-0-850=-250мм
K2=1,304 [3,тб.16.2]
>
>
>
>
>
>
- со своими знаками,
R>11> – реакция в дополнительной связи от перемещения
>
>,
>
>;
-
Стойка А
Стойка Б
>
>N>I> = 0

N>II> =D>max>=287 кН
>
>N>I> = 0
>
>N>II> =D>min>=59,6 кН
Крановая горизонтальная ТА, ТБ
>
>

K3=0,775 [3, тб.16.3]
>
>
>
>
>
>
>
>
-
Стойка А
Стойка Б

N>I> = 0

N>II> =0

N>I> = 0

N>II> =0
Ветровая (слева)

K7=0,363 [3, тб.16.7]
>
>;
>
>;
>
>;
>
>;
>
>;
-
Стойка А
Стойка Б

N>I> = 0

N>II> =0

N>I> = 0

N>II> =0
4. Проектирование стоек
Материал
Бетон В25
γ>в2> = 1,1 (табл. 15 [1])
Rв =14,5МПа*1,1=15,95МПа (табл. 13 [1] с учетом γ>в2>)
Eв =27,0*103МПа (табл. 18 [1])
Арматура А-III (Ø10 ÷ 40)
Rs =Rsc =365МПа (табл. 2.2 [1])
Es =200*103МПа (табл. 29 [1])
>
>
- коэффициент приведения
>
>;
>
>;
где
ω=α – 0,008
Rв=0,85-0,008*15,95=0,722 (п. 3.12 [1])
α=0,85 – для тяжелого бетона
σ>SR>=R>s>=365МПа
σ>Sc>>,>>U>=400 МПа, т.к. γ>в2> >1,0
Надкрановая часть (армирование симметричное)
-
Исходные данные
Нв
370
см
hв
40
см
в>к>
40
см
J
213333
см4
lo
2,5Нв=925
см
i
0,289hв=11,56
см
Если λ=lo/I=925/11,56=80 >14, то учитываем выгиб колонны
Определение зависимости "Ncr – As"
>
>,
если
>
>
и φ>р>
= 1 (ф. 58)
где
Eв = МПа ·100 = Н/см2 ;
As и A’s – см2 ;
lo, ho, a’ – см ;
J – см4 ; Ncr – H ;
После преобразования формулы Ncr , получаем
>
>;
>
>;
>
>;
Таблица 1
-
Показатели
Сочетание усилий
Мmax=23,06 кНм
Мmin=-49,13 кНм
N=220 кН
N=155,18 кН
1.
М , Нсм
2306000
-4913000
2.
N , Н
220000
155180
3.
,
см10,48
31,66
4.
Мдл , Нсм
234000
234000
5.
Nдл , Н
155180
155180
6.

0,5-0,01*925/40-
0,01*15,95=0,11
0,5-0,01*925/40-
0,01*15,95=0,11
7.
,
(п. 3.6)

Принимаем δе
0,26
0,79
8.



9.



10.
где
β
= 1 (т.36)

11.



12.



13.

29321,3(41,08+(Аs+A’s))
29321,3(25,85+(Аs+A’s))
А>Smin>= А’>Smin> =μ>min>в>к>h>o>=0,002*40*34=2,72 см2
А>Smin>= А’>Smin> =4,02 см2 ( 2 Ø16)
Принимаем по наибольшему n, Ø с A>Smin> = A’>Smin> =4,02 см2 (2Ø16)
Конструктивный расчет по наиневыгоднейшему сочетанию (армирование симметричное)
Таблица 2
-
Показатели
Вычисления по сочетанию
М=-4913000Нсм;
Nсоотв= 155180Н.
1.




2.
Принимаем А>S>>1> = A’>S>>1>= А>SMIN>
4,02см2
3.
Ncr (табл. 1)
Astot = A>S1>+ A’>S1>=4,02+4,02=8,04 см2
Ncr=29321,3,(25,85+
8,04)=993699 Н
4.
(ф. 19)
5.
,см
6.


7.
Т.к. А>S>>2>≤А>S>>1 >, то А>S> = A’>S>= 4,02 см2 2О16
Проверка прочности по другому, сочетанию, армирование А>S> = A’>S>=4,02см2 (табл. 2)
Таблица 3
-
Показатели
Вычисления
М=2306000 Н*см
N=220000 Н
1.

x = ξh>o> (см)


2.
N>cr> (табл. 1 и 2), Н
1440262
3.


4.


5.
N·e (ф. 36 п. 3.20)
>
>6.


7.
Если п.5 ≤ п.6, то прочность обеспечена
5385600<11114956
Прочность обеспечена
Подкрановая часть
-
Исходные данные
Нн=
1805
см
hн=
120
см
в>к>=
40
см
J=
5760000
см4
lo=
2707,5
см (табл.32)
i=
34,68
см
λ=l>o>/i=2707,5/34,68=78 >14,
то учитываем выгиб колонны.
1)А>Smin>= А’>Smin> =μ>min>в>к>h>o>=0,002*40*114=9,12 см2
2) А>Smin>= А’>Smin> 4,02 , см2 ( 2 Ø16)
Принимаем по наибольшему n, Ø с A>Smin> = A’>Smin> =9,82 см2 (2Ø25)
Таблица 4
-
Показатели
Сочетание усилий
Мmax=594,2 кНм
Мmin=-596,08 кНм
N=587,28 кН
N=652,08 кН
1.
М , Нсм
59420000
-59608000
2.
N , Н
587280
652080
3.
,
см

4.
Мдл , Нсм
-344000
-34000
5.
Nдл , Н
587280
587280
6.
0100090000032a0200000200a20100000000a201000026060f003a03574d46430100000000000100c9960000000001000000180300000000000018030000010000006c000000000000000000000008000000100000000000000000000000900b0000c903000020454d4600000100180300001200000002000000000000000000000000000000900600001a040000b801000013010000000000000000000000000000c0b6060038320400160000000c000000180000000a00000010000000000000000000000009000000100000007100000025000000250000000c0000000e000080250000000c0000000e000080120000000c00000001000000520000007001000001000000f1ffffff00000000000000000000000090010000000000cc04400022430061006c006900620072006900000000000000000000000000000000000000000000000000000000000000000000000000000000000000000000000000000000001100dc5f11001000000040631100c060110052516032406311003860110010000000a8611100246311002451603240631100386011002000000049642f31386011004063110020000000ffffffff7c3ef700d0642f31ffffffffffff0180ffff0180efff0180ffffffff0000000000080000000800004300000001000000000000006000000025000000372e9001cc00020f0502020204030204ef0200a07b20004000000000000000009f00000000000000430061006c00690062007200000000000000000000611100dee32e31e88d0832606411006c6011009c3827310900000001000000a8601100a8601100e878253109000000d06011007c3ef7006476000800000000250000000c00000001000000250000000c00000001000000250000000c00000001000000180000000c00000000000002540000005400000000000000000000000800000010000000010000001886d1411886d141000000000d000000010000004c0000000400000000000000000000007100000025000000500000002000ffff0900000046000000280000001c0000004744494302000000ffffffffffffffff7300000026000000000000004600000014000000080000004744494303000000250000000c0000000e000080250000000c0000000e0000800e000000140000000000000010000000140000000400000003010800050000000b0200000000050000000c0225007100040000002e0118001c000000fb021000070000000000bc02000000cc0102022253797374656d0000000000000000000000000000000000000000000000000000040000002d010000040000002d01000004000000020101001c000000fb02f1ff0000000000009001000000cc0440002243616c6962726900000000000000000000000000000000000000000000000000040000002d010100040000002d010100040000002d010100050000000902000000020d000000320a0d00000001000400000000007100250020f80900040000002d010000040000002d010000030000000000
0,5-0,01*2707,5/120-
0,01*15,95=0,11
0,5-0,01*2707,5/120-
0,01*15,95=0,11
7.
,
(п. 3.6)

Принимаем δе
0,84
0,76
8.
0100090000032a0200000200a20100000000a201000026060f003a03574d46430100000000000100c9960000000001000000180300000000000018030000010000006c000000000000000000000008000000100000000000000000000000900b0000c903000020454d4600000100180300001200000002000000000000000000000000000000900600001a040000b801000013010000000000000000000000000000c0b6060038320400160000000c000000180000000a00000010000000000000000000000009000000100000007100000025000000250000000c0000000e000080250000000c0000000e000080120000000c00000001000000520000007001000001000000f1ffffff00000000000000000000000090010000000000cc04400022430061006c006900620072006900000000000000000000000000000000000000000000000000000000000000000000000000000000000000000000000000000000001100dc5f11001000000040631100c060110052516032406311003860110010000000a8611100246311002451603240631100386011002000000049642f31386011004063110020000000ffffffff7c3ef700d0642f31ffffffffffff0180ffff0180efff0180ffffffff0000000000080000000800004300000001000000000000006000000025000000372e9001cc00020f0502020204030204ef0200a07b20004000000000000000009f00000000000000430061006c00690062007200000000000000000000611100dee32e31e88d0832606411006c6011009c3827310900000001000000a8601100a8601100e878253109000000d06011007c3ef7006476000800000000250000000c00000001000000250000000c00000001000000250000000c00000001000000180000000c00000000000002540000005400000000000000000000000800000010000000010000001886d1411886d141000000000d000000010000004c0000000400000000000000000000007100000025000000500000002000ffff0900000046000000280000001c0000004744494302000000ffffffffffffffff7300000026000000000000004600000014000000080000004744494303000000250000000c0000000e000080250000000c0000000e0000800e000000140000000000000010000000140000000400000003010800050000000b0200000000050000000c0225007100040000002e0118001c000000fb021000070000000000bc02000000cc0102022253797374656d0000000000000000000000000000000000000000000000000000040000002d010000040000002d01000004000000020101001c000000fb02f1ff0000000000009001000000cc0440002243616c6962726900000000000000000000000000000000000000000000000000040000002d010100040000002d010100040000002d010100050000000902000000020d000000320a0d00000001000400000000007100250020f80900040000002d010000040000002d010000030000000000


9.
0100090000032a0200000200a20100000000a201000026060f003a03574d46430100000000000100c9960000000001000000180300000000000018030000010000006c000000000000000000000008000000100000000000000000000000900b0000c903000020454d4600000100180300001200000002000000000000000000000000000000900600001a040000b801000013010000000000000000000000000000c0b6060038320400160000000c000000180000000a00000010000000000000000000000009000000100000007100000025000000250000000c0000000e000080250000000c0000000e000080120000000c00000001000000520000007001000001000000f1ffffff00000000000000000000000090010000000000cc04400022430061006c006900620072006900000000000000000000000000000000000000000000000000000000000000000000000000000000000000000000000000000000001100dc5f11001000000040631100c060110052516032406311003860110010000000a8611100246311002451603240631100386011002000000049642f31386011004063110020000000ffffffff7c3ef700d0642f31ffffffffffff0180ffff0180efff0180ffffffff0000000000080000000800004300000001000000000000006000000025000000372e9001cc00020f0502020204030204ef0200a07b20004000000000000000009f00000000000000430061006c00690062007200000000000000000000611100dee32e31e88d0832606411006c6011009c3827310900000001000000a8601100a8601100e878253109000000d06011007c3ef7006476000800000000250000000c00000001000000250000000c00000001000000250000000c00000001000000180000000c00000000000002540000005400000000000000000000000800000010000000010000001886d1411886d141000000000d000000010000004c0000000400000000000000000000007100000025000000500000002000ffff0900000046000000280000001c0000004744494302000000ffffffffffffffff7300000026000000000000004600000014000000080000004744494303000000250000000c0000000e000080250000000c0000000e0000800e000000140000000000000010000000140000000400000003010800050000000b0200000000050000000c0225007100040000002e0118001c000000fb021000070000000000bc02000000cc0102022253797374656d0000000000000000000000000000000000000000000000000000040000002d010000040000002d01000004000000020101001c000000fb02f1ff0000000000009001000000cc0440002243616c6962726900000000000000000000000000000000000000000000000000040000002d010100040000002d010100040000002d010100050000000902000000020d000000320a0d00000001000400000000007100250020f80900040000002d010000040000002d010000030000000000


10.
б
где β
= 1 (т.36)

11.



12.



13.

50916,7(31,61+(Аs+A’s))
50916,7(45,36+(Аs+A’s))
Конструктивный расчет подкрановой части (армирование несимметричное)
Таблица 5
-
Показатели
Вычисления по сочетанию
M>max>=59420000 Н*см , N>соотв>=587280 Н
1.
А’>S>>1>= А>Smin>
9,82см2
2.
А>S>>1>= 2А>Smin>
10,33см2
3.
,Н50916,7(31,61+(9,82+10,33))=2635448
4.


5.


6.


7.
Если А’>S>>2 >≤ А’>S>>1>, то А’>S>>2 >= А’>S>>1>=9,82см
9.


10.


11.


12.


13.
≤ 5%,
Принимаем 2Ø28, с А>s>=12,32 см2.
Принимаем 2Ø25, с А>s>=9,82 см2.
Таблица 6
-
Показатели
Вычисления по сочетанию
M>min>=-59608000 Н*см , N>соотв>=652080 Н
1.
А’>S>>1>= А>Smin>
9,82 см2
2.
А>S>>1>= 2А>Smin>
10,33 см2
3.
,Н50916,7(45,36+(9,82+10,33))=3335553
4.


5.


6.

7.
Т.к. А’>S>>2 >≤ А’>S>>1>, то А’>S>>2 >= А’>S>>1>=9,82см
9.


10.


11.


12.


13.
≤ 5%,
Принимаем 2Ø25, с А>s>= А>s> =9,82 см2.
Окончательное конструирование продольной арматуры (п. 5.18)
Окончательное армирование
Принимаем правую арматуру 2Ø28, с А>s>=12,32 см2, левую 2Ø25, с А>s>= 9,82 см2.
Проверка на ЭВМ
-
Показатели
Сочетание 1
Сочетание 2
Мmax=594,2 кНм
Мmin=-596,08 кНм
N=587,28 кН
N=652,08 кН
1.
Уточнение

;

2.



3.



4.
,
см


Расчет сборной железобетонной предварительно-напряженной двутавровой балки покрытия.
Конструктивная схема покрытия
Покрытие представлено ребристыми плитами шириной 3м, опирающимися продольными ребрами на двускатные стропильные балки.
Предварительное конструирование балки
hmax=890+1/12(0,5L-25)=890+1/12(0,5*12000-25)=1388 мм
hx=890+1/12(x+125)=890+1/12(4329+125)=1260 мм
3. Расчетная схема балки

l>0>=11,7м; x=4,329м.
>
>
>
>
>
>
>
>
Qmax=q*l0/2=32,22*11,7/2=188,5 кН
Сбор нагрузок на балку
-
Вид нагрузки
Нормат. кН/м2
γ>f>
Расчетн кН/м2
Шаг колонн, В, м
Нормат. кН/м
Расчетн кН/м
I. Постоянные
1. Стяжка, пароизоляция, ковер
0,6
1,3
0,78
6
3,6
4,68
Утеплитель (для отапливаемых)
0,4
1,3
0,52
2,4
3,12
3. Плиты покрытия
1,5
1,1
1,65
9
9,9
4. Балка
0,56> >
1,1
0,62
6
3,36
3,72
gн =18,36
g =21,42
II. Временные
1. Длительно-действующая
0,63
1,43
0,9
6
3,78
5,4
2. Кратковременно-действующая.
0,63
1,43
0,9
6
3,78
5,4
pн=27
p=37,8
qн=68,748
q=86,604
В том числе

Нагрузка от собственной массы балки:
Вес балки нормативный, кН –
G>б> = 40,2кН,
где
Нормативная нагрузка на 1 м2 покрытия:
>
>
4. Расчет прочности нормального сечения балки покрытия

Расчетное опасное сечение находится на расстоянии равном приблизительно 0,37 lo.
Принимаем а’=3 см; а>sp>=8 см;
Бетон В25, арматура АIII, преднапрягаемая арматура АV
Определение площади сечения напрягаемой арматуры
Определяем граничное значение относительной высоты сжатой зоны бетона ξ>R> (см. ф. 25 п.3,12). В этой формуле
γ>в2>=0,9; σ>sp>=(0,6÷0,8)R>s>>,>>ser>=0,7*785=550 МПа> >;
для упрощения
∆σ>sp>=0.
sSR=RS+400-sSsp-Dssp=680+400-550-0=530 МПа
>
>
w=a-0,008*Rb=0,85-0,008*13,05=0,75
Кроме этого определяем
>
>
Определяем необходимость постановки арматуры в сжатой зоне А’>S> по расчету (из предельного условия ξ=ξ>R>> >):
>
>
Т.к.A’>S>>треб.>< A’>Smin> , то A’>S>>треб.>=A’>Smin>=4,52 см2 (4 Ø12 АIII);>.>
Принимаем
A’>S>> факт>=4,52 см2 (4 Ø12 АIII)
Определяем положение нейтральной оси в расчетном сечении : если
>
>
то нейтральная ось находится в ребре, тогда
>
>
0,22≤ a>R>=0,4
à
x=
>
>
>
>
Коэффициент γ>s>>6> определяется по п. 3,13. (формула 27), принимаем
>
>
Фактическое значение А>sp>
принимают по сортаменту >
>.
A>sp>факт7,64см2 (4 Ø 18 А-V)
Арматуру размещают в нижней полке балки с учетом конструктивных требований п.5.5 и 5.12., и назначают размеры нижнего пояса балки. При этом без перерасчета уточняют значения a и h>o> .
Проверка прочности балки по нормальному сечению
Нейтральная ось проходит в полке, если
>
>,
тогда высота сжатой зоны бетона определяется
>
>,
Несущая способность сечения (Нсм)
>
>
прочность сечения обеспечена.
5. Расчет прочности наклонного сечения балки покрытия
Задаемся Ø 10 АIII, S>1>=150 мм; n=2;
>
>
>
>
>
>
- учитывает влияние сжатых полок

>
>
- учитывает влияние продольных
сил
>
>,
кроме этого (1+φ>f>
+ φ>n>)
≤ 1,5
>
>
С=bпл-0,15=3-0,15=2,85 м
>
>;
>
>;
>
>;
>
>
>
>;
>
>
>
>
>
>
Проверка прочности наклонной полосы
>
>
Где
>
>,
β=0,01;
R>в>
в МПа
>
>
>
>;
>
>;
Расчет балок покрытия по II группе предельных состояний
Назначение величины предварительного напряжения арматуры
Исходные данные: способ натяжения; длина натягиваемого стержня (l=12,25м) в метрах нормативное сопротивление арматуры R>sp>>,>>ser>=785 МПа.
Назначаемая величина предварительного напряжения арматуры σ>sp>=550 МПа должна удовлетворять двум условиям (см. п. 1.23 СНиПа)
>
>
>
>
Вычисление геометрических характеристик сечения

Исходные данные: размеры поперечного сечения балки в наиболее напряженном месте в (см);
A>s>=2,26 см2> >,
A>sp>=7,64 см2 , A’s=4,52см2, a=3см, a>sp>=8 см , a’=3см, E>s>=200000 МПа> >,
E>sp>=190000 МПа> >,
E’>s>=200000 МПа> >,
E>в>=27000 МПа> >;
Коэффициенты приведения арматуры к бетону:
>
>
>
>
>
>
Приведенная к бетону площадь сечения:
>
>
Статический момент приведенного сечения относительно оси проходящей по нижней грани:
>
>
Расстояние от нижней грани сечения до его центра тяжести:
>
>
Момент инерции приведенного сечения:
>
>
Момент сопротивления сечения на уровне сжатой грани:
>
>
Момент сопротивления сечения на уровне сжатой арматуры:
>
>
Момент сопротивления сечения на уровне растянутой напряженной арматуры:
>
>
Момент сопротивления сечения на уровне растянутой грани:
>
>
Упругопластический момент сопротивления по нижней грани сечения:
>
>
Упругопластический момент сопротивления по верхней грани сечения:
>
>
здесь γ=1,5 – коэффициент упругопластичности для двутаврового сечения.
Определение потерь предварительного напряжения арматуры.
Исходные данные: тип арматуры (стержневая); способ натяжения (механический); σ>sp>=550 МПа, R>sp>>,>>ser>785 МПа, передаточная прочность бетона R>вр>=к·В=0,8*25=20 МПа, где В – класс бетона, к – коэффициент предаточной прочности (например, при 80% предаточной прочностик=0,8); A>sp>>=>7,64 см2; A>red>=1673см2; W>s>>=>54494,6 см3; y>н=>70 см; a>sp>=8> >см; M>св> н5360000 Нсм – нормативный изгибающий момент в расчетном сечении от собственного веса балки.
При механическом способе натяжения дополнительно
Ø (мм)=18мм - диаметр преднапряженной арматуры;
L (мм)=13000мм - длина натягиваемого стержня;
E>sp>190000 МПа.
А. Первые потери
σ>1>=0,1* σ>sp>-20=0,1*550-20=35 МПа – потери от релаксации напряжений арматуры (см. п. 1.26, табл. 5 СНиПа );
σ>2>=1,25*Δt=1,25*65=81,25 МПа – потери от температурного перепада (см. п. 1.26, табл. 5 СНиПа );
σ>3>=>
>
МПа –
потери деформации анкеров, расположенных у натяжных устройств;
(см. п. 1.26, табл. 5 СНиПа );
σ>4>=0 – потери от трения арматуры, принимаются равным 0;
σ>5>=30 МПа – потери от деформации стальной формы
(см. п. 1.26, табл. 5 СНиПа );
Определяем усилие обжатия в бетоне при обжатии в уровне центра тяжести преднапряженной арматуры:
>
>
>
>
>
>
– потери от быстронатекающей ползучести бетона (см. п. 1.26, табл. 5 СНиПа );
Б. Вторые потери
σ>7>=0 – потери от релаксации напряжений арматуры, принимаются равным
σ>8>=35 МПа – потери от усадки бетона
(см. п. 1.26, табл. 5 СНиПа );
Определяем усилие обжатия с учетом первых потерь:
>
>
Определяем напряженияв бетоне от усилия обжатия:
>
>
>
>
– потери от ползучести бетона (см. п. 1.26, табл. 5 СНиПа );
Определяем сумму всех потерь и усилие обжатия:
Σσ>i> – σ>1>+ σ>2>+ σ>3>+ σ>4>+ σ>5>+ σ>6>+ σ>7>+ σ>8>+ σ>9>=35+81,25+66,76+0+30+8,16+0+
+35+25,31=236,37 ≥ 100 (МПа);
>
>,
Оценка трещиностойкости верхней зоны балки при отпуске арматуры
Исходные данные:
P>1>=285690,2 (H); М>с>н>в>=5360000 (Нсм);
W’>red> =60333,3 (см3); W’>pl> =90500 (см3); y>н>=70 (см);
H=126 (см); a>sp>=8 (см); k=0,8; R>вр,>>ser>=k R>в,>>ser> =14,8 (МПа);
R>в>>t>>р>>,ser>=k R>в>>t,ser> =1,28 (МПа);
A>red>> >=1673> >(см2); I>red>=3378662,2 (см4).
Для возможной корректировки жесткости конструкции и прогибов необходимо выполнить оценку трещиностойкости верхней зоны балки при отпуске арматуры. Условие возникновения верхних трещин оценивается по условию:
>
>
Где >
>
>
>,
>
>
- при неблагоприятном влиянии преднапряжения
При механическом способе натяжения
>
>,
>
>
(см)
r’ – расстояние от центра тяжести приведенного сечения до ядровой точки, наиболее удаленной от растянутой зоны:
>
>,
(см)
где
>
>;
>
>
>
>
>
>
-верхних трещин нет, l1=0
Оценка трещинообразования нижней зоны балки в стадии эксплуатации
Исходные данные:
P>2>=239613,3 (H); h=126 (см); y>н> =70 (см);
a>sp> =8 (см); A>red>> >1673 (см2);
I>red> =3378662,2 (см4); W>red> =48266,6 (см3); W>pl> =72400 (см3); A>s>> >=2,26 (см2); A>sp>>= >7,64 (см2); A’>s>> =>4,52> >(см2);
R>в,>>ser> =18,5 (МПа); R>в>>t>>,>>ser>> >1,6> >(МПа); М н=41350000 (Нсм);
К трещиностойкости балки предъявляют требования 3-ей категории (п. 1.16 СНиПа). Расчет по образованию трещин производят на действие полных нормативных нагрузок. Расчет заключается в проверке условия:
>
>
>
>
>
>
>
>
>
>
- при благоприятном влиянии преднапряжения
>
>
- см. п. 4
е>ор> - см. п. 4
>
>
>
>
>
>
>
>
41350000<31175984,2 – нижние трещины.

Определение раскрытия трещин в нижней зоне
Исходные данные:
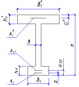
b=8 (см); в>f>=20 (см); в’>f> =35 (см);
h>0> =118 (см); h>f> =13 (см);
h’>f> =15 (см);
а=3 (см); а>sp> =8 (см); а’ =3 (см);
E>sp> =190000 (МПа);
E>s> =200000 (МПа);
E’>s> =200000 (МПа);
A>sp> =7,64 (см); A>s> =2,26 (см);
A’>s> =4,52 (см);
R>в>>,ser> =18,5 (МПа); P>2> =239613,3 (H);
γ>sp>>1> = 0,9;
Выполняют расчеты по непродолжительному раскрытию трещин на действие полных нормативных нагрузок и по продолжительному раскрытию на действие постоянных и временных нормативных нагрузок (п. 4.14 СНиПа).
Расчет сводится к проверке условий трещиностойкости:
>
>
>
>
Здесь >
>
- приращение ширины раскрытия от действия
кратковременных нагрузок;
>
>
- ширина продолжительного
раскрытия трещин.
Предельно допустимые значения
>
>,
>
>,
указаны в табл. 2 СНиПа.
Параметры >
>,
>
>,
и >
>,
рассчитывают по следующему алгоритму:
При определении >
>
принимают М=М н
; φ>е>=1;
ν=0,45.
При определении >
>
принимают М=М>дл>н
; φ>е>=1;
ν=0,45.
При определении >
>
принимают М=М>дл>н
; φ>е>=1,6-15>
>;
ν=0,15.
>
>
>
>;
>
>;
>
>
;
>
>;
>
>;
>
>;
>
>
>
>;
Плечо внутренней пары сил ф-ла (166,)[1]
>
>
Напряжения в растянутой арматуре ф-ла (147), [1]
>
>
Вычисляем ширину раскрытия трещин: [1, п.4.14]
>
>
(ф. 144)
>
>;
>
>
>
>;
>
>
;
>
>;
>
>;
>
>;
>
>
>
>;
Плечо внутренней пары сил ф-ла (166,)[1]
>
>
Напряжения в растянутой арматуре ф-ла (147), [1]
>
>
Вычисляем ширину раскрытия трещин: [1, п.4.14]
>
>
(ф. 144)
>
>
>
>;
>
>;
>
>;
>
>;
>
>;
>
>;>
>
>
>;
Плечо внутренней пары сил ф-ла (166,)[1]
>
>
Напряжения в растянутой арматуре ф-ла (147), [1]
>
>
Вычисляем ширину раскрытия трещин: [1, п.4.14]
>
>
(ф. 144)
Мероприятия по обеспечению прочности и трещиностойкости опорного участка
Согласно п. 5.58 СНиПа у торцов балки предусматривают дополнительную ненапрягаемую арматуру, т. к. напрягаемая продольная арматура сосредоточена у нижней грани. Площадь сечения одного стержня поперечной арматуры класса А-III равна:
>
>,
где n – число стержней (4 или 6), надежно закрепленных приваркой к опорным деталям.
Принимаем стержень Ø10мм, А>s>=0,785см2.
У концов балки устанавливают дополнительную косвенную арматуру (сетки или хомуты с шагом 5 – 10 см, охватывающие все напрягаемые продольные стержни) на длине участка не менее 0,6 l>p>=21,6см и 20 см (п. 5.61).
>
>
0,6*lp =0,6*25,4=15,2<20 см, то Принимаем длину участка равной 20см.
Армирование балки
Ребро балки армируют двумя вертикальными каркасами из расчетных поперечных стержней (п. 5.27), объединенных продольными стержнями .
Верхнюю полку армируют горизонтальным каркасом, состоящим из двух продольных стержней Ø12 А-III и гнутых поперечных стержней Ø5 Вр-I, расположенных с шагом 20 см.
Нижнюю полку армируют замкнутыми хомутами Ø5 Вр-I, с шагом не менее 2 h>f> Хомуты связаны в пространственные каркасы продольной арматурой Ø5 Вр-I.
Балка имеет закладные детали для крепления плит покрытия. Подъем балки осуществляют с помощью специальных захватов, для чего в ней предусмотрены монтажные отверстия.
Литература
СНиП 2.03.01-84* Бетонные и железобетонные конструкции. М, 1989г.
СНиП 2.01.07-85 Нагрузки и воздействия.; М, 1986.
Улицкий И,И, Железобетонные конструкции. Киев, 1973г.
Методические указания по применению ЭВМ в курсовом проекте.