Проектирование металлической балочной конструкции
Федеральное агентство по образованию
Государственное образовательное учреждение высшего
профессионального образования
Кафедра: Строительных конструкций
Курсовой проект по дисциплине
"Металлические конструкции"
На тему: "Проектирование металлической балочной конструкции"
Выполнил: ст. гр. ПГС
Маковецкий А.О.
Проверил :
Тонков Л.Ю.
Пермь 2009
Содержание
1. Исходные данные
2. Компоновочное решение
3. Расчет и конструирование балок
3.1 Вспомогательные балки
3.1.1. Сбор нагрузок
3.1.2. Силовой расчет
3.1.3. Назначение типа сечения вспомогательных балок и марки стали
3.2 Главные балки
3.2.1 Силовой расчет
3.2.2 Компоновка сечения и проверка прочности и общей устойчивости
3.2.3 Изменение сечения главной балки
3.2.4 Проверка общей устойчивости и деформативности балок
3.2.5 Проверка местной устойчивости балок
3.2.6 Расчет поясных швов, опорных частей балок, узлов сопряжений балок
4. Расчет и конструирование колонн
4.1 Выбор расчетной схемы
4.2 Компоновка сечения колонны
4.3 Проверка сечения колонны
4.4 Конструирование и расчет оголовка колонны
4.5 Конструирование и расчет базы колонны
4.6 Подбор сечения связей по колоннам
Литература
Исходные данные
-
Длинна пролета
L
10.2
м
Длинна второстепенной балки
l
6.2
м
Высота колоны
H>к>
7.8
м
Толщина плиты настила
t>пл>
8
см
Нагрузка
qн
13
кН/м2
Схема пролета

Компоновочное решение
Проектирование сооружения начинаем с назначения компоновочной схемы, в которой за основу, принимаем балочную клетку нормального типа, опирающуюся на центрально-сжатые колонны. Устойчивость сооружения в плоскости главных балок обеспечивается путем примыкания этих балок к жесткому блоку (для рабочих площадок – это каркас здания цеха). В плоскости, перпендикулярной главным балкам, устойчивость сооружения обеспечивается путем постановки связей по колоннам, т.е. созданием диска.

Расчет и конструирование балок
3.1 Вспомогательные балки
3.1.1 Сбор нагрузок
Нагрузка на вспомогательные и все нижележащие конструкции состоит из постоянной составляющей и временной (полезной) нагрузки.
Сбор нагрузок на рабочую площадку:
-
№ п/п
Наименование нагрузки
Нормативная нагрузка, кН/м2

Расчетная нагрузка, кН/м2
Постоянная нагрузка
1
Пол асфальтобетонный:
0.72
1.3
0.94
t=
40
мм
=18
кН/м3
2
Монолитная ж/б плита:
2.00
1.1
2.2
t=
8
мм
=25
кН/м3
3
Собственный вес второстепенных балок:
0,20
1.05
0.21
Итого постоянная нагрузка q:
2.92
3.35
4
Полезная нагрузка p:
13
1.2
15.6
Всего нагрузка (q+p):
15.92
18.95
Силовой расчет


Погонная нагрузка на вспомогательные балки равна:
g = (p + q)·a = 18.95·1.7 = 32.215 кН/м.
Опорные реакции:
V>A> = V>B> = g·l/2 = 32.215·6.2 / 2 = 99.867 кН.
Максимальный изгибающий момент:
M>max> = g·l2/8 = 32.215·6.2² / 8 = 154.793 кНм.
Максимальная поперечная сила:
Q>max> = V>A> = 99.867 кН.
Назначение типа сечения вспомогательных балок и марки стали
Сечение принимаем в виде стального горячекатаного двутавра с параллельными гранями полок по ГОСТ 26020-83.
Марка стали С255. Расчетное сопротивление марки стали R>y> (по пределу текучести) принимаем по СНиПу II-23-81*: R>y> = 240Мпа.
Сечение балок назначаем из условия прочности:
σ = M>max>· γ>n> / C>1>·W>n,min> R>y>· γ>c>, (3.1.1)
где М>max> – максимальный расчетный изгибающий момент в балке;
W>n>>,>>min> – момент сопротивления сечения балки, т.е. требуемый Wтр;
γ>с> – коэффициент условия работы балки, γ>c> = 1 (СНиП II-23-81*);
γ>n>> >– коэффициент надёжности, γ>n>=0.95;
С>1> – коэффициент, принимаем равный С>1> = С = 1.12 (СНиП II-23-81*).
Из условия прочности (3.1.1) находим требуемый момент сопротивления:
W>тр> = М>max>· γ>n> / C>1>·R>y>·γ>c>, (3.1.2)
W>тр> =154.793·103·0.95 / 1.12·240·106·1 = 547.073 см³.
Зная W>тр> = 547.073 см³, подбираем по сортаменту СТО АСЧМ 20-93 Б, ближайший номер профиля с избытком, W>x> > W>тр> и выписываем из сортамента для него геометрические характеристики:
Двутавр 35 Б1:
W>y> = 641.3 м³; W>z> = 91 м³;
I>y> = 11095 см4; I>z> = 791.4 см4;
i>y> = 14.51 см; i>z> = 3.88 см;
S>y> = 358.1 м³; I>t> = 13.523 см4;

A = 52.68 см2 ;
t = 9 мм;
b = 174 мм;
h = 346 мм ;
s = 6 мм.
Проводим проверки прочности:
σ = M>max>· γ>n> / C>1>·W>y> R>y>· γ>c>, (3.1.3)
где по СНиПу II-23-81* C1 = 1.09.
σ = 154.793·10³·0.95 / 641.3·10-6·1.09 = 210.4 МПа.
σ = 210.4 МПа < R>y>· γ>c>> >= 240 МПa,
τ = Qmax· γ>n >/ hw·tw (3.1.4)
τ = 99.867·10³·0.95 / 6·10-3·328·10-3 = 48.21 МПа.
проверка прочности выполняются.
Проверку деформативности балок производим от действия нормативных нагрузок и при равномерно распределенной нагрузке используем формулу:
ƒ/l = 5·gн·l3/384·E·I>y> [ƒ/l], (3.1.5)
где l - пролет балки, равный l = 6.2 м;
gн = (pн + qн) · a = 27.064 кН/м;
Е = 2,06·105 МПа;
[ƒ/l] - нормируемый относительный прогиб балки,
принимаем по СНиПу II-23-81*: [ƒ/l] = 1/200.556.
ƒ/l = 5·27.064·103·6.23/384·2.06•106·11095·10-6 = 6.375·10-3.
ƒ/l = 6.375·10-3 < [ƒ/l]= 4.986·10-3,
проверка деформативности выполняется.
Проверка общей устойчивости балок производится по формуле:
σ = M>max>· γ>n> /φ>b>·W>y> R>y>· γ>c>, (3.1.6)
W>y> – принятый момент сопротивления балки;
γ>с> = 0.95 при проверке устойчивости;
φ>b> – коэффициент, определяемый по СНиПу II-23-81*.
Определяем φ>b>> >, находим по формулe:
φ>1> = ψ·I>z>/I>y>·(h/l>ef>)²·E/R>y> (3.1.7)
где h – высота сечения балки;
ψ – коэффициент, определяем по формуле:
ψ = 1,6 + 0.08·α (3.1.8)
α = 1.54·It/ Iz·(l>ef>/h)² (3.1.9)
α = 1.54·13.523/791.4·(6.2/0.346)2 = 8.449;
ψ = 1.6+0.08∙8.449 = 2.276;
φ>1> = 2.276·791.4/11095·(0.346/6.2)2·2.06·105/240 = 0.434;
φ>1> < 0.85 → φ>b >= φ>1>;
σ = 154.793·103·0.95/641.3·10-6·0.434 = 528.4 МПа;
Проверка общей устойчивости не выполняется. В связи с тем, что настил ж/б устойчивость обеспечится.
3.2 Главные балки
3.2.1 Силовой расчет



F=2·Rв.б.·α = 2·99.867·1.05 = 209.721 кН;
V>A> = V>B> = 30.6·F / L = 30.6·209.721 / 10.2 = 629.763 кН;
M>max> = 5.1· V>A> - 7.65·F= 5.1·629.163 – 7.65·209.721 = 1604.366 кНм;
Q>max> = V>A >= 629.763 кН.
Компоновка сечения и проверка прочности и общей устойчивости
Главные балки проектируются сварными составного сечения. Тип сечения – симметричный двутавр. Компоновка сечения начинается с назначения высоты балки 'h'. В нашем случае высота балки назначается исходя из двух критериев:
1. Из условия экономичности.
2. Из условия жесткости балки.
Исходя, из условия минимального расхода стали, высота балки определяется при h ≤ 1.3 по формуле:
h>опт> = k·W>т р>/ t>w>, (3.2.1)
где h – высота балки, определяется в первом приближении как h ≈ 0.1•L, h ≈1.02<1.3 м;
L – пролет главной балки;
к = 1.15 – для балок постоянного сечения;
γ>с> = 1.
W>тр> = M>max>·γ>n> / R>y>· γ>c>, (3.2.2)
W>тр> = 1604.366·103·0.95 / 240·106·1 = 6351 см³,
t>w> = [7 + 3· (h,м)], 3.2.3)
t>w> = 7 + 3·1.02 = 10.06 мм, округляем кратно 2 мм: t>w> = 12 мм,
h>опт> = 1.15·6351 / 1.2 = 83.662 cм < 1.3 м.
Из условия обеспечения требуемой жесткости:
h>min> = 5·R>y> ·γ>c>·L· [L/ƒ] ·(pн+ qн) / [24·E·(p + q) ·γ>n>], (3.2.4)
где по СНиПу II-23-81*: [L/ƒ] = 1/211.667,
h>min> = 5·240·106·1·10.2·211.667·15.92 / [24·2.06·106·18.95·0.95] = 47.7 см.
Из полученных высот h>опт>, h>min> принимаем большую h = h>опт> = 83.662 см, следуя рекомендациям при h < 1м – принимаем h кратную 5 см, т.е. h = 85 см. Минимально допустимая толщина стенки из условия прочности на срез определяется по формуле:
t>w>>(>>min>>)> 1.5·Q>расч>·γ>n>> >/ h>ef>·R>s>·γ>c>, (3.2.5)
где R>s> – расчетное сопротивление стали сдвигу в зависимости от значения R>y>:
R>s> = 0.58·R>y>;
R>s> = 0.58·240·106 = 139.2 МПа;
h>ef> – расчетная высота стенки, равная h>ef> = 0.97·h.
h>ef> = 0.97∙85=82 см;
t>w>>(>>min>>)> 1.5·629.163·103·0.95 / 0.82·139.2·106 = 7.86 мм.
Т.к. t>w>>(>>min>>)>> >> 6 мм, то согласно сортаменту, толщиной кратной 2 мм., принимаем толщину стенки t>w> = 8 мм.
Повторяем вычисления:
h>опт> = 1.15·6351 / 0,8 = 102.465 cм > 1 м округляем кратно 10 см → h=110 см
t>w>>(>>min>>)> 1.5·629.163·103·0.95 / 1.1·139.2·106 = 6.036 мм > 6 мм → t>w>> >= 8 мм.
Для определения значений b>f>, t>f> необходимо найти требуемую площадь пояса А>f> по формуле:
A>f> = 2·(I>y> – I>w>)/h², (3.2.6)
где I>y> – требуемый момент инерции, определяемый по формуле:
I>y> = W>тр>·h/2, (3.2.7)
I>w> – момент инерции стенки сечения, определяемый по формуле:
I>w> = t>w>·h>ef> 3/12, (3.2.8)
I>y> = 6351·110/2 = 349300 см4,
I>w> = 0.8·106.7³/12 = 80980 см4,
получаем:
A>f> = 2·(349300 – 80980)/110² = 44.35 см².
Ширину пояса выбираем из условия:
b>f> = (1/3 - 1/5) ·h, (3.2.9)
t>f> = A>f>/b>f>, (3.2.10)
b>f> и t>f> назначаем с учетом сортамента на листовую сталь, при этом должно выполняться условие:
b>f>/t>f> < |b>f>/t>f>| E/R>y>. (3.2.11)
b>f> = (1/3 - 1/5)·110 = 289.5 мм, округляем кратно 20 мм → b>f> = 300 мм;
тогда
t>f> = 44.35/30 = 1.49 см, округляем кратно 2 мм → t>f> = 16 мм;
В соответствии с сортаментом и расчетом принимаем следующие величины по ГОСТ 82-70: t>f> = 16 мм, b>f> = 300 мм.
Окончательное значение:
A = A>w> + 2·A>f>> >,
A>w> = h>ef>> >·t>w> = 106.8·0.8 = 85.14 cм²,
тогда
А = 85.14 + 2•44.35 =174.14 cм²,
I>y> = t>w>·h>ef>3/12 + 2·( b>f >· t>f>3/12 + b>f >· t>f >·(h/2 - t>f> /2)2) (3.2.12)
I>y> = 0.8·106.83/12 + 2· ( 30· 1.63/12 + 30·1.6·(110/2 – 1.6 /2)2) = 363200 cм4,
тогда
W>y> = I>y >/ (h/2), (3.2.13)
W>x> = 363200·2/110 = 6604 cм³,
W>y> = 6604 cм³ > W>тр> = 6351 см³
S>y> = b>f >· t>f> · h>0>/2 + (h>ef >· t>w>/2·h>ef>/4) (3.2.14)
S>y> = 30·1.6·108.4/2 + (106.8·0.8/2·106.8/4) = 3742 cм³.
Прочность сечения проверяем, исходя, из предположения упругой работы стали:
σ = M>max>·γ>n> / W>x> R>y>·γ>c>, (3.2.15)
по СНиПу II-23-81*: R>y>> >= 240 МПа,
σ = 1604.366·103·0.95/6604·10-6 = 230.8 МПа<240 МПа
Проверка по касательным напряжениям:
τ = Q>max>·S>y>·γ>n>/I>y>·t>w> R>s>·γ>c> (3.2.16)
τ = 629.163·103·0.95/363200·10-8·0.008 = 76.98 МПа
τ = 76.98 МПа < 139.2 МПа
Проверка прочности стенки на совместное действие σ>y> и τ> >>yz>:
σ>y>² + 3· τ> >>yz>² 1.15·R>y>·γ>c>> >, (3.2.17)
σ>y> = M>max>·γ>n>· h>ef> / 2· I>y>> >, (3.2.18)
σ>y> = 1604.366·103·0.95·1.068 / 2·363200·10-8 = 224.1 МПа;
τ>yz> = Q>max>·γ>n>> >/ t>w>·h>ef>> >(3.2.19)
τ>yz> =629.163·103·0.95/0.008·1.068 =69.96 МПа;
224.1² + 3·69.96² 1.15·240·1,
254.763 МПа < 276 МПа.
3.2.3 Изменение сечения главной балки

В однопролетных шарнирно опертых балках целесообразно изменять ее сечение в соответствии с эпюрой изгибающих моментов. Следуя рекомендациям, изменение сечения производим путем уменьшения b>f>, оставляя без изменения h, t>f>, t>w>.
Для этого ширину пояса b>f>>1> в концевой части балки назначаем равной (0.5 – 0.75)•b>f>, принятой для сечения с расчетным моментом М>расч>. При этом, соблюдая условия:
b>f>>1> 0.1·h и b>f>>1> 160 мм (3.2.20)
b>f>>1> = (0.5÷0.75) ·b>f> = 220 мм,
220 > 110 мм,
b>f>>1> = 220 мм.
Для назначенной ширины пояса b>f>>1> = 22 см, дополнительные условия выполняются.
После назначения b>f>>1> находим геометрические характеристики I>y>>1>, W>y>>1>, S>y>>1>.
I>y1>=I>w>+2· I>f1> = t>w>·h>ef>3/12 + 2·( b>f1>· t>f>3/12 + b>f1>· t>f >·(h/2 - t>f> /2)2)
I>y1>= 0.8·106.83/12 + 2·( 22·1.63/12 + 22·1.6> >·(110/2 – 1.6 /2)2) =292700 cм4;
W>y1> = 2·I>y1>/h = 292700·2/110 = 5321.82 cм3;
S>y1> = h>ef >· t>w> /2·h>ef>/4 + b>f1 >· t>f> · h>0>/2 = 106.2·0.8/2·106.2/4 + 22·1.6·108.4/2 = 3092 cм3;
Изгибающий момент, который может быть воспринят измененным сечением, определяется по формуле:
M>1> = W>x>>1>·R>y>·γ>c>, (3.2.21)
где γ>с> = 1.
M>1> = 5321.82·10-6·240·106·1 = 1224 кНм.
Далее находим расстояние от опоры балки до ординаты М>1>.

M>1> - V>A>· x + 2·F· x – 713.052 = 0;
Решаем уравнение относительно x:
1224 – 629.163· x + 2·209.721· x – 713.052 = 0;
x = 2.436 м → x = 2.4 м.
Стык поясов в балках относим от сечения с ординатой М>1> в сторону опор на 300 мм.
x – 300 = 2.4 – 0.3 = 2.1 м. Принимаем: x = 2.1 м.
Изгибающий момент в полученном сечении, будет равен:
M>расч> = V>A>·2,1 - F· 1.25 = 629.163·2,1 – 209.721·1.25 = 1059 кНм.
В месте изменения сечения балки проводим проверки:
σ = M>расч>·γ>n>> >/ W>y>>1> R>y>·γ>c>, (3.2.22)
σ = 1059·103·0.95 / 5231.82·10-6 = 189 МПа < 240 МПа;
τ = Q>расч>·S>y>>1>·γ>n>> >/ I>y>>1>·t>w> R>s>·γ>c>, (3.2.23)
Q>расч> = V>A> - F = 629.163 –209.721 = 419.442 кН,
τ = 419.442·103·3092·10-6·0.95 / 292700·10-8·0.008 = 52.62 МПа < 139.2 МПа.
Проверка общей устойчивости и деформативности балок
f/l = Mmaxn·L / 9.6·EIy [f/L] = 1/211.667 (по СНиПу II-23-81*) (3.2.24)
Mmaxn =Mmax / k, (3.2.25)
где k = (p+q) р/(p+q) н, (3.2.26)
k = 18.95/15.92 = 1.19 > 1;
Mmaxn = 1604.366/1.19 = 1348.21 кНм;
f/l = 1348.21·103·10.2 / 9.6·2.06·105·106·363200·10-8 = 2.278·10-3 < 4.724·10-3
Проверка местной устойчивости балок

Стенки балок для обеспечения их местной устойчивости следует укреплять поперечными ребрами, поставленными на всю высоту стенки. Ребра жесткости нужны в том случае, если значение условной гибкости стенки:
λ>w> = h>ef>/t>w>· R>y>/E > 3.2, (3.2.27)
при отсутствии подвижной нагрузки
λ>w> = 106.8/0.8· 240/2.06·105= 4.557 > 3.2.
При этом расстояние между поперечными ребрами вдоль балки принимаем, а=1,7м, которое не должно превышать, а 2·h>ef>. Поперечные ребра также устанавливаться в местах приложения неподвижных сосредоточенных нагрузок, от вспомогательных балок и на опорах.
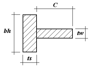
Ширина выступающей части ребра:
b>h> h>ef>/30 + 40мм, (3.2.28)
b>h> 1068/30 + 40 = 75.6 мм,
после округления до размера кратного 10 мм, получим b>h> = 100 мм.
Толщина ребра:
t>s> 2·b>h> · R>y>/E, (3.2.29)
t>s> = 2·100· 240/2.06·105 = 6.827 мм,
принимаем по сортаменту t>s> = 7 мм.
Расчет на устойчивость стенки проверяем по формуле:
(σ/σ>cr>)² + (τ/τ>cr>)² 1, (3.2.30)
σ>cr> = C>cr>·R>y>/λ>w>², (3.2.31)
C>cr> = 35.5,
σ>cr> = 35.5·240·106 / 4.557² = 410.281 МПа;
τ>cr> = 10.3· (1 + (0.76/μ²))·R>s>/λ>ef>², (3.2.32)
μ – отношение большей стороны отсека балки к меньшей, т.е.:
μ = a/h>ef> = 1.7/1.068 = 1.59,
λ>ef> = (d/t>w>) ·R>y>/E, (3.2.33)
d – меньшая из сторон отсека балки, т.е. h>ef> = 106.8 cм;
λ>ef> = (106.8/0.8) ·240/2.06·105 = 4.557,
τ>cr> = 10.3·(1 + (0.76/1.59²))·0.58·240·106/4.557² = 89.799 МПа;
σ = (Мср·γ>n> /I>y>)·y, (3.2.34)
τ = Q·γ>n> /(t>w>·h>ef>), (3.2.35)
y = h>ef>/2=106.8/2=53.4 см.
На устойчивость проверим 2-ой отсек:
Мср = 891.314 кНм,
Q = 419.442 кН,
σ = (891.314·103·0.95/292700·10-8)·0.534 = 154.5 МПа;
τ = 419.442·103· 0.95/(0.008·1.068) = 46.64 МПа;
(154.5/410.281)² + (46.64/89.799)² = 0.642 1;
На устойчивость проверим 1-ой отсек:
Мср = 267.395 кНм,
Q = 629.163 кН,
σ = (267.395·103·0.95/292700·10-8)·0.534 = 46.34 МПа;
τ = 629.163·103· 0.95/(0.008·1.068) = 69.96 МПа;
(46.34/410.281)² + (69.96/89.799)² = 0.787 1;
На устойчивость проверим 3-ой отсек:
Мср = 1426.103 кНм,
Q = 209.721 кН,
σ = (1426.103·103·0.95/363200·10-8)·0.534 = 199.2 МПа;
τ = 209.721·103· 0.95/(0.008·1.068) = 23.32 МПа;
(199.2/410.281)² + (23.32/89.799)² = 0.551 1;
На устойчивость проверим 4-ой отсек:
Мср = 1604.366 кНм,
Q = 0 кН,
σ = (1604.366·103·0.95/363200·10-8)·0.534 = 224.1 МПа;
τ = 0·103· 0.95/(0.008·1.068) = 0 МПа;
(224.1/410.281)² + (0/89.799)² = 0.546 1;
Расчет поясных швов, опорных частей балок, узлов сопряжений балок
Расчет поясных швов сводится к определению требуемого катета углового сварного шва k>f>. В балках, проектируемых, из одной марки стали, при статической нагрузке требуемый катет шва равен:
k>f> (Q>расч>·S>f>)/(2·I>y>·β>f>·R>wf>·γ>wf>·γ>c>), (3.2.36)
где S>f> – статический момент полки балки;
β>f> = 1.1 – коэффициент, для автоматической сварки стали с R>y> до 580 МПа;
γ>wf> = 1 – коэффициент условия работы шва;
R>wf> = 180 МПа – расчетное сопротивление сварного углового шва условному срезу, γ>с> = 1.
k>f> (419.442·103·0.95·3092·10-6)/(2·292700·10-8·1.1·180·106·1·1) = 1.06 мм,

Принимаем k>f> = 6 мм.
Участок стенки составной балки над опорой должен укрепляться опорным ребром жесткости и рассчитываться на продольный изгиб из плоскости как стойка высотой l>s> = h, нагруженная опорной реакцией V>r>. В расчетное сечение включается, кроме опорных ребер и часть стенки.
Площадь опорного ребра определим из условия смятия торца по формуле:
A>s> = b>h>·t>s> = V>r>·γ>n> /R>p>, (3.2.37)
R>p> = R>un> / γ>m>> >по СНиПу II-23-81*: R>un> = 370 МПа, γ>m> = 1.025,
R>p> = 370/1.025 = 368.975 МПа,
A>s> = 629.163·103·0.95/368.975·106 = 17.05 м2
Находим ts:
t>s> = A>s >/bh=17.05/22 = 0.758 см ≈ 8 мм → t>s> = 12 мм.
Тогда
δ 1.5· t>s> = 1.5·12 = 18 мм.
Проверка устойчивости опорной стойки относительно оси x-x производится по формуле:
σ = V>r>·γ>n> /φ·A R>y>·γ>c>, (3.2.38)
где А – расчетная площадь стойки, равная:
A = b>h>·t>s> + 0.65·t>w>² ·E/R>y>, (3.2.39)
A = 22·1.2+ 0.65·0.8²·2.06·105/240 = 39.188 см²;
φ – коэффициент продольного изгиба, определяемый по СНиПу II-23-81*, в зависимости от гибкости:
λ = l>ef>/i>x>, l>ef> = h = 110 см
i>x> = I>x>/A,
где I>x> – для расчетного сечения:
I>x> = (t>s>·b>h>³)/12 + (0.65·t>w>·E/R>y>·t>w>³)/12 =
= (1.2·22³)/12 + (0.65·0.8·2.06·105/240·0.8³)/12 = 1140 см4,
тогда:
i>x> = 1140/39.188 = 5.394 см, λ = 110/5.394 = 20.393,
принимаем: φ = 0,96,
σ = 629.163·103·0.95/0.96·39.188·10-4 = 158.9 МПа < 240 МПа.
Сопряжение вспомогательных балок с главными, по условиям задания рассчитываем для случая примыкания вспомогательной балки к поперечному ребру жесткости главной балки. Сопряжение производим на сварке.
Расчет сопряжения заключается в назначении требуемого катета шва k>f>. Длина шва l>ω>, определяется высотой стенки вспомогательной балки l>ω> = h>ef> –1см, где h>ef> = 0.85·h – высота стенки прокатной балки до закругления. При проектировании ребер главных и вспомогательных балок из одной стали катет шва, равен:
k>f> V·γ>n> /(β>f>> >·l>ω>·R>y>·γ>ωf>> >·γ>c>), (3.2.40)
где V – реакция вспомогательной балки;
h>ef> = 0.85·30 = 25.5 см,
l>ω> = 25.5 – 1 = 24.5 см,
k>f> 99.867·103·0.95/(1.1·0.245·240·106·1·1) = 1.467 мм.
Принимаем k>f> = 6 мм.
4. Расчет и конструирование колонн

Выбор расчетной схемы
Определение расчетной сжимающей силы на колонну производим суммированием опорных реакций главных балок:
N = 2·k·V, (4.1.1)
где k = 1.03 – 1.05 – коэффициент, учитывающий собственный вес колонны;
N = 2·(1.03–1.05)·629.163 = 1309 кН.
Условия опирания колонн на фундаменты и схема связей по колоннам определяется следующими требованиями. Необходимо обеспечить геометрическую неизменяемость сооружения в плоскости и из плоскости главных балок. Из плоскости главных балок геометрическая неизменяемость, как правило, обеспечивается установкой вертикальных связей по колоннам. В плоскости главных балок путем прикрепления их к неподвижным точкам (каркасу здания).
При этом необходимо стремиться к обеспечению равно устойчивости колонн: i>x>/i>y> = l>ef>>,>>x>/l>ef>>,>>y>. Это достигается путем рационального выбора типа сечения и правильной ориентации его в плане сооружения.
Компоновка сечения колонны
Стержень колонны конструируем в виде прокатного швеллера.
Требуемую площадь сечения колонны, определяем по формуле:
A>тр> = N·γ>n> /2 ·φ·R>y>·γ>c>, (4.2.1)
где φ – коэффициент, на этапе компоновки определяем по предварительно заданной гибкости λ>з>, значение которой принимаем по графику [1], рис.7. При N = 1309 кН, λ>з> = 80, тогда φ = 0.686.
А>тр> = 1309·103·0.95/2·0.686·240·106·1 = 37.77 см².
Используя сравнительно постоянную зависимость между радиусом инерции и габаритами сечения, оцениваем ориентировочные размеры швеллера.
i>x,>>тр> = L>ef,x>/ λ>з>, (4.2.2)
где L>ef,x >= L>ef,y >= lг
lг = H к + 0.5м = 7.8 + 0.5 = 8.3 м,
i>x>>,тр> = 830/80 = 10.375 см;
По сортаменту ГОСТ 8240-89 принимаем два швеллера № 30
А>0> = 40.5 см2 ; I>x>>0> = 5810 см4;
I>y>>0>= 327 см4; b = 100 мм;
t = 11 мм; i>x>>0 >= 12 см;
h = 300 мм; i>y>>0> = 2.84 см;
z>0> = 2.52 см; s = 6.5 мм;
Задаваясь гибкостью отдельной ветви относительно собственной оси λ>з> = 35 и шириной планки ds = 250 мм, находим количество планок на колонне:
m lг /(λ1·i1 + ds) – 1, (4.2.3)
где i1= i>y0>,
λ1= λ>з>,
m 830 /(35·2,84 + 25) – 1 = 5,672
m =6,
lв= lг/(m+1) – ds, (4.2.4)
lв= 830/(6+1) – 25 = 96.571 см ≈ 94 см,
λ1 = lв/ i1, (4.2.5)
λ1 = 94/ 2.84 = 33.099,
λx= L>ef,x> /i>x0>, (4.2.6)
λx= 830/12 = 69.167.
Для нахождения ширины сечения используют условие равноустойчивости:
λx = L>ef>>,>>x> = λy2 + λ12
λy = λx2 – λ12, (4.2.7)
λy = 69.1672 – 33.0992 = 60.733,
i>y,>>тр> = L>ef,y>/ λ>y>, (4.2.8)
i>y,>>тр> = 830/ 60.733 = 13.66,
Используя известную зависимость между радиусом инерции и габаритом сечений, находят значение:
bтр = i>y>>,тр >/ 0.44, (4.2.9)
bтр = 13.66 / 0.44 = 31.059 см,
b = 31 см.
Принятый размер b должен обеспечивать необходимый зазор между кромками полок ветвей:
b 2·bf + 100 мм,
b 2·100 + 100 = 300 мм,
Конструирование планок:
Для обеспечения работы колоны, как безраскосной фермы планки должны обладать достаточной изгибной жесткостью относительно свободной оси х-х. Высота планки:
d>s> = (0.5÷0.8)·b (4.2.10)
d>s> = (0.5÷0.8)·310 = 190 мм.
Длина планки l>s> назначается такой, чтобы нахлест на каждую ветвь был не менее 5t, где t - наименьшая толщина соединяемых элементов. Толщину планок назначают в пределах 6…12 мм. таким образом, чтобы обеспечить ее местную устойчивость:
t>s> = (1/10…1/25)·d>s> (4.2.11)
Принимаем: t>s>= 8 мм; d>s> = 180 мм; l>s> = 250 мм.
Проверка сечения сквозной колонны
Для принятого сечения определяем фактические геометрические характеристики А, I>x>, I>y>, i>x>, i>y> и проводим проверки.
А =2·А0 =2·40.5 = 81 см²; (4.3.1)
I>x> = 2·I>x>>0> =2·5810 = 11620 см4; (4.3.2)
I>y> = 2• [I>y0> + A>0> ·(b>1>/2)2] = 2· [327+40.5· (25.96/2)2] = 14300 см4; (4.3.1)
i>x> = i>х>>0> = 12 см; (4.3.3)
i>y> = I>y>/A = 14300/81 = 13.287 см. (4.3.1)

λ>y>= L>ef,>>у>/ i>у>> >(4.3.4)
λ>y >= 830/13.287 = 62.467
λ>х>= L>ef,>>х>/ i>x >(4.3.5)
λ>х >= 830/12 = 69.167;
Проводим проверки прочности гибкости и общей устойчивости стержня колоны.
Проверка общей устойчивости выполняется по формуле:
N·γ>n> /φ>min>·A R>y>·γ>с>, (4.3.6)
где φ>min> – определяется по максимальной величине λ>x>, λ>y>;
принимаем φ>min> = 0.758, тогда:
1309·103·0.95/0.758·81 = 202.5 МПа < 240 МПа.
Проверка выполняется, тогда автоматически выполняется проверка прочности.
Проверку гибкости колонн, производим по формулам:
λ>x> = L>ef>>,>>x>/i>x> |λ|, λ>y> = L>ef>>,>>y>/i>y> |λ|, (4.3.7)
где |λ| - предельная гибкость колонн, определяем по СНиПу II-23-81*:
|λ| = 180 – 60·α, (4.3.8)
α = N·γ>n> /R>y>·γ>c>·A·φ>min> = 1309·103·0.95/240·106·1·81·10-4·0.758 = 0.844; (4.3.9)
|λ| = 180 – 60·0,893 = 129.36
тогда:
λ = 830/12 = 69.17 < 129.36; λ = 830/13.287 = 62.47 < 129.36,
гибкость колонн обеспечена.
Расчет планок центрально-жатых колон и их соединений ведут на усилия, возникающие от условной поперечной силы, которую принимают постоянной по всей длине колонны:
Q>fic> = 7.15∙10-6·(2330 – E/R>y>)·N·γ>n> /φ ; (4.3.10)
Q>fic> = 7.15·10-6· (2330-2.06∙105/240)·1309·103·0.95/0.758=17.26 кН,
где φ – коэффициент продольного изгиба, принимается в плоскости соединительных элементов по λ>ef>> >. Условная поперечная сила распределяется поровну между планками двух граней:
Q>s> = Q>fic>> >/2 (4.3.11)
Q>s> = 17.26/2 = 8.63 кН,
В каждой планке, как в стойке безраскосной фермы возникает поперечная сила:
F>s>=Q>s>·l/b (4.3.12)
F>s>= 8.63·103·0.25/0.31 =6.96 кН,
и изгибающий момент в месте прикрепления к ветвям:
M>s>=Q>s>·l/2 (4.3.13)
M>s>=8.63·103·0.25/2 = 1.09 кНм,
Проверка прочности планок:
σ =M>s>·γ>n> /W>s>≤ R>y>·γ>c>> >(4.3.14)
W>s>=t>s>·d>s>2/6 (4.3.15)
W>s>= 0.8·192/6 =48.133 см3
σ = 1.09·103·0.95/48.133·10-6 = 39.18 МПа < 240 МПа.
Сварные угловые швы, прикрепляющие планки к ветвям колоны, рассчитываются на совместное действие усилий в планке M>s> и F>s> по формулам (проверка прочности по металлу):
σ>ω>2 + τ>ω>2 ≤ R>ωf>> >·γ>ωf>> >·γ>c>> >(4.3.16)
σ>ω>= M>s>·γ>n> /W>ω>> >(4.3.17)
σ>ω>=1.09·103·0.95/30.24·10-6 = 34.24 МПа
τ>ω>=F>s>·γ>n> /A>ω>> >(4.3.18)
τ>ω>=6.96·103·0.95/10.08·10-4 = 6.56 МПа
W>ω>=β>f> · k>f> · l>ω>2/6 (4.3.19)
W>ω>=0.7∙0.8·182/6 = 30.24 см3
A>ω>= β>f> · k>f> ·l>ω>> >(4.3.20)
A>ω>= 0.7·0.8·18 = 10.08 см2
34.242 + 6.562 = 34.863 ≤ 180 МПа
где β>f> - коэффициент проплавления углового шва β>f> =0,7мм.
l>ω> - расчетная длина сварного шва:
l>ω>=d>s>> >– 10мм (4.3.21)
l>ω>> >= 190 - 10 = 180 мм.
катет шва принимается в пределах 6мм≤ K>f> ≤1.2·t>s>> >Принимаем: K>f> = 8 мм. Стержень колоны должен укрепляться сплошными диафрагмами, располагаемые у концов отправочного элемента и по длине колоны не реже чем через 4м. Диафрагмами служат опорные плиты базы и оголовка колоны.
Конструирование и расчет оголовка колонны
Следуя рекомендациям, располагаем главные балки на колонне сверху с передачей нагрузки на вертикальные консольные ребра.
Расчетными параметрами оголовка являются:
габариты консольных ребер: ширина b>s>, высота h>s> и толщина t>s>;
катеты швов крепления ребер к стенке балки k>f>>1> и опорной плиты k>f>>2>;
толщина стенки стержня колонны в пределах высоты ребер.
Высоту ребер h>f> назначаем из условия прочности сварных швов, крепящих ребра к стенке колонны, не менее 0.6·h, где h – высота сечения колонны:
-
h>s> (l>ω>>,тр>/4) + 1см, h>s> 0.6·h,
(4.4.1)
l>ω,>>тр>> >= N·γ>n>/β>f >·k>f >·R>ωf >·γ>ωf >·γ>c>,
где N – продольная сила в колонне;
k>f> – принимаем по наименьшей толщине свариваемых элементов, но не менее 6мм;
l>ω>>,тр>> >= 1309·103·0.95/0.7·0.008·180·106·1·1 = 123.4 см,
h>s> (123.4/4) + 1 = 23.425 см, h>s> 0.6·30 = 31.85 см,
Принятая высота ребра ограничивается величиной:
85·β>f>> >·k>f> = 85·1.1·0.6 = 56.1 см.
Принимаем h>s>> >= 32 см.
Толщину ребра t>s> назначаем из условия среза:
t>s> 1.5·Q·γ>n>/h>s>·R>s>·γ>c>, Q = N/2, (4.4.2)
Q = 1309·103/2 = 654.5 кН,
t>s> 1.5·654.5·103·0.95/0.24·139.2·106·1 = 2.1 см.
Принимаем t>s>> >= 2.2 см.
Ширину ребра b>s> назначаем :
b>s> = 300 - 2·6.5 = 287 мм = 28.7 см.
Принятая толщина и ширина ребра должны удовлетворять условию сопротивления смятию торца под давлением опорного ребра балки и условию обеспечения местной устойчивости. Из условия смятия:
t>s> N·γ>n>/R>p>·b>см>, (4.4.3)
где R>p> – определяем по СНиПу II-23-81*;
b>см> – расчетная длина площадки смятия: b>см> = b>s> + 2·t,
b>s> – ширина опорного ребра балки;
t – толщина опорной плиты колонны;
b>см> = 22 + 2·2 = 26 см,
t>s> 1309·103·0.95/368.975·106·0.26 = 1.3 см.
Из условия местной устойчивости:
b>s>/t>s> 0.5·E/R>y>, (4.4.4)
28.7/2.2 = 13.0.5 0.5· 2.06·105/240 = 14.65.
Проверяем стенку колонны на прочность по срезу в сечениях, где примыкают консольные ребра:
τ = 1.5·N·γ>n>/2·t>w>·h>s>, (4.4.5)
τ = 1.5·1309·103·0.95/4·0.011·0.32 = 132.5 МПа ≤ 139.2 МПа.
Низ опорных ребер обрамляется горизонтальными поперечными ребрами толщиной 6 мм, чтобы придать жесткость ребрам, поддерживающим опорную плиту, и укрепить от потери устойчивости стенку стержня колонны.
Конструирование и расчет базы колонны
Конструкция базы должна обеспечивать равномерную передачу нагрузки от колонны на фундамент, а также простоту монтажа колонн. Следуя рекомендациям, принимаем базу с траверсами, служащими для передачи усилия с поясов на опорную плиту.
Расчетными параметрами базы являются размеры опорной плиты. Размеры опорной плиты определяем из условия прочности бетона фундамента в предположении равномерного распределения давления под плитой.

Требуемая площадь плиты:
А>пл> = N·γ>n>/R>ф>, (4.5.1)
где R>ф> – расчетное сопротивление бетона фундамента:
R>ф> = R>пр.б >·³А>ф>/А>пл>, (4.5.2)
А>ф>/А>пл> – отношение площади фундамента к площади плиты, предварительно принимаем равным: 1.1 – 1.2;
R>пр. б>> >– призменная прочность бетона, принимаем в зависимости от класса бетона, для бетона В12.5: R>пр.б> = 7.5 МПа;
R>ф> = 7.5·³1.1 = 7.742 МПа,
А>пл> = 1309·103·0.95/7.742·106 = 1610 см².
Для определения размеров сторон плиты задаемся ее шириной:
B>пл> = b>f> + 2·t>s> + 2·c, (4.5.3)
t>s> – толщина траверсы, принимаем 10мм;
c – ширина свеса, принимаемая 60 – 80мм;
В>пл> = 31 + 2·1 + 2·7 = 47 см.
Требуемая длина плиты:
L>пл> = А>пл>/В>пл>, (4.5.4)
L>пл> = 1610/47 = 34.26 см,
L>пл> = 35 см.
Из конструктивных соображений принимаем размеры плиты равными: В>пл> = 48 см, L>пл> = 52 см. Должно выполняться условие:
L>пл>/В>пл> = 1 – 2, (4.5.5)
52/48 = 1.08.
Толщину плиты определяем из условия прочности при работе плиты на изгиб, как пластины, нагруженной равномерно распределенной нагрузкой по площади контакта отпором фундамента.
q = N·γ>n> /L>пл>·В>пл>, (4.5.6)
q = 1309·103·0.95/0.52·0.48 = 4982 кН/м².
Опорную плиту представляем, как систему элементарных пластинок, отличающихся размерами и характером опирания на элементы базы: консольные (тип 1), опертые по двум сторонам (тип 2), опертые по трем сторонам (тип 3), опертые по четырем сторонам (тип 4).
В каждой элементарной пластинке определяем максимальный изгибающий момент, действующий на полоске шириной 1см.
M = q · α · d², (4.5.7)
где d – характерный размер элементарной пластинки;
α – коэффициент, зависящий от условия опирания и определяется по таблицам Б.Г.Галеркина;
Тип 1: Для консольной пластинки по аналогии с балкой:
М = 4982·0.5·0.08² = 15.942 кНм.
Тип 3:
b>1>/a>1> = 10.5/30 = 0.35,
b>1> = (Lпл–hк)/2 = (52 – 31)/2 = 10.5 см,
a>1> = 30 см,
→ α= 0.5
d = b>1>,
M = 4982·0.5·0.105² = 27.46 кНм.
Тип 4:
b/a = 29.7/27.8 = 1.07,
b = 31 – 2·0.65 = 29.7,
a = 30 – 2·1.1 = 27.8 см,
→ α= 0.0529
d = a,
M = 4982·0.0529·0.278² =20.368 кНм.
Толщину плиты определяем по большему из моментов на отдельных участках:
t>пл> 6·M>max>> >/R>y>·γ>c>, (4.5.8)
t>пл> 6·27.46·103/240·106·1 = 2.6 см,
принимаем t>пл> = 2.6 см = 26 мм.
Высоту траверсы определяем из условия прикрепления ее к стержню колонны сварными угловыми швами, полагая при этом, что действующее в колонне усилие равномерно распределяется между всеми швами. k>f> = 8 мм.
Требуемая длина швов:
l>ω>>,тр>> >= N·γ>n>/β>f>> >·k>f>> >·R>ωf>> >·γ>ωf>> >·γ>c>, (4.5.9)
l>ω>>,тр>> >= 1309·103·0.95/0.9·0.008·180·106·1·1 = 96 см,
h>m> (l>ω>>,тр>/4) + 10 мм, (4.5.10)
h>m> (96 /4) + 1 = 25 см.
Принимаем h>m>=25 см.
Траверсу проверяем на изгиб и на срез, рассматривая ее как однопролетную двух консольную балку с опорами в местах расположения сварных швов и загруженную линейной нагрузкой:
q>1> = q·B>m>, (4.5.11)
где В>m> – ширина грузовой площадки траверсы;
В>m> = В>пл >/2 = 48/2 = 24 см.
q>1> = 4982·103·0.24 = 1196 кН/м.
При этом в расчетное сечение включаем только вертикальный лист траверсы толщиной t>s> и высотой h>m>.
σ = 6·M>max>·γ>n> /t>s>·h>m>² R>y>·γ>c>, (4.5.12)
τ = 1.5·Q>max>·γ>n> /t>s>·h>m> R>s>·γ>c>, (4.5.13)
где M>max> и Q>max> – максимальное значение изгибающего момента и поперечной силы в траверсе.
M>max> = 7.24 кНм,
Q>max>> >= 179.4 кН,
σ = 6·7.24·103·0.95/0.01·0.252= 66.03 МПа 240 МПа,
τ = 1.5·179.4·103·0.95/0.01·0.25 = 102.3 МПа 139.2 МПа.
База колонны крепится к фундаменту двумя анкерными болтами, диаметром d = 24 мм.
Подбор сечения связей по колоннам
Связи по колоннам служат для обеспечения геометрической неизменяемости сооружения и для уменьшения расчетной длины колонн. Связи по колоннам включают диагональную связь, образующую совместно с колоннами и распоркой жесткий диск и систему распорок, прикрепляющую соединение колонны к этому жесткому диску. Угол наклона диагоналей к горизонтальной плоскости α = 350.
Подбор сечения связей производим по предельной гибкости. Расчетная длина распорок и диагональных связей в обеих плоскостях принимается равной их геометрической длине.
При этом распорки связи считаются сжатыми, а элементы диагональных связей растянутыми.
Требуемый радиус инерции сечения стержня:
i>тр> = l>ef>/|λ|, (4.6.1)
где |λ| - предельная гибкость элементов, принимаем по СНиПу II-23-81*,
|λ| = 400 – для растянутых элементов, |λ| = 200 – для сжатых элементов;
l>ef> – расчетная длина.
Подбор сечения диагональных связей.
- геометрическая длина равна:
l = L² + l>г>² = 6.2² + 8.3²=10.36 м,
- расчетная длина равна:
l = l>ef> = 10.36 м,
- требуемый радиус инерции сечения стержня равен:
i>тр> = 10.36/400 = 0.0259 м = 2.59 см,
- по сортаменту , ГОСТ 8509-93, принимаем размер уголков, a = 10 мм: 56 56 5
Подбор сечения распорок:
- геометрическая длина равна:
l = B = 6.2 м,
- расчетная длина равна:
l>ef> = l = 6.2 м,
- требуемый радиус инерции сечения стержня:
i>тр> = 6.2/200 = 0.031 м = 3.1 см,
i = 0.21·b,
b = 14.76 см,
- по сортаменту, принимаем размер уголков: 75 75 5
Литература
Методические указания к РГУ по курсу ‘Металлические конструкции’. Новосибирск: НГАСУ, 1998.
СНиП II-23-81*. Стальные конструкции / Госстрой России. – М.: ГУП ЦПП, 2003. – 90 С.
СНиП 2.01.07-85*. Нагрузки и воздействия. – М.: ФГУП ЦПП, 2007. – 44 с.
Металлические конструкции: Общий курс: Учеб. для вузов / Г.С.Веденников, Е.И.Беленя, В.С. Игнатьева и др.; Под ред. Г.С.Веденникова. – 7-е изд., перераб. и доп. – М.: Стройиздат, 1998. – 760с.: ил.
Металические конструкции. В 3 т. Т 1. Элементы конструкций / В.В.Горев, Б.Ю.Уваров, В.В.Филипов и др.; Под ред. В.В.Горева. – 3-е изд., стер. – М.: Высш.шк., 2004. –551 с.: ил.