Проектирование производственного здания с мостовыми кранами
МИНИСТЕРСТВО ОБРАЗОВАНИЯ И НАУКИ РОССИЙСКОЙ ФЕДЕРАЦИИ
ГОСУДАРСТВЕННОЕ ОБРАЗОВАТЕЛЬНОЕ УЧРЕЖДЕНИЕ ВЫСШЕГО ПРОФЕССИОНАЛЬНОГО ОБРАЗОВАНИЯ
«ПЕРМСКИЙ ГОСУДАРСТВЕННЫЙ ТЕХНИЧЕСКИЙ УНИВЕРСИТЕТ»
Кафедра «Строительные конструкции»
Курсовой проект
по дисциплине «Железобетонные и каменные конструкции»
на тему: Проектирование производственного здания с мостовыми кранами
Выполнил: студент группы ПГС-53
Арсенов Н.В.
Руководитель: к. т. н., доцент каф. СК
Лопатин А.Н.
Пермь 2010
СОДЕРЖАНИЕ
Исходные данные для проектирования
КОМПОНОВКА ПОПЕРЕЧНОЙ РАМЫ
Определение размеров колонн по высоте
Привязка колонн. Выбор типов колонн и назначение размеров поперечных сечений колонн
Выбор и компоновка стенового ограждения и покрытия
ОБЕСПЕЧЕНИЕ ПРОСТРАНСТВЕННОЙ ЖЕСТКОСТИ ЗДАНИЯ
СБОР НАГРУЗОК НА ПОПЕРЕЧНУЮ РАМУ
Расчетная схема поперечной рамы
Определение постоянных нагрузок на поперечную раму
СТАТИЧЕСКИЙ РАСЧЕТ ПОПЕРЕЧНОЙ РАМЫ
Определение усилий
Сочетание усилий в расчетных сечениях крайней колонны
ПРОЕКТИРОВАНИЕ СТРОПИЛЬНОЙ КОНСТРУКЦИИ
Исходные данные для расчета
Материалы
Статический расчет
Нормативные нагрузки
Расчетные нагрузки
Расчет нижнего пояса
Расчет по первой группе предельных состояний
Расчет по второй группе предельных состояний
Расчет верхнего пояса
Расчет раскосов
Расчет стоек
Расчет узлов
Узел 1 – опорный узел фермы
Узел 2 – промежуточный верхний узел
ПРОЕКТИРОВАНИЕ КОЛОННЫ
Исходные данные
Расчет прочности нормальных сечений колонны в плоскости рамы
Определение расчетных длин и минимальной площади продольной арматуры
Расчет надкрановой части колонны
Расчет подкрановой части колонны
Расчет прочности нормальных сечений колонны из плоскости рамы
Определение расчетных длин
Расчет надкрановой части колонны
Расчет подкрановой части колонны
Расчет подкрановой консоли колонны
Конструирование колонны сплошного прямоугольного сечения
ПРОЕКТИРОВАНИЕ ФУНДАМЕНТА
Исходные данные для расчета
Предварительный выбор основных размеров фундамента
Глубина заложения фундамента
Размеры стаканной части фундамента
Размеры подошвы фундамента
Расчет и конструирование плитной части фундамента
Конструирование плитной части фундамента
Проверка плитной части фундамента на продавливание
Армирование подошвы фундамента
Расчёт и конструирование подколонника
Проверка прочности подколонника по нормальным сечениям
Проверка прочности подколонника по наклонным сечениям
Армирование подколонника
Список использованных источников
ИСХОДНЫЕ ДАННЫЕ ДЛЯ ПРОЕКТИРОВАНИЯ
Исходные данные для проектирования находим по трехзначному шифру, который определяем по номеру зачетной книжки.
Номер зачетной книжки – 06076.
Сумма второй и пятой цифр номера зачетной книжки: 6 + 6 = 12, принимаем первую цифру шифра – 2. Вторая и третья цифры равны соответственно двум последним в номере зачетной книжки. Итак, шифр – 276.
Исходные данные для проектирования по шифру 276:
- район строительства – г. Хабаровск;
- пролет здания – L = 18 м;
- шаг колонн – a = 6 м;
- грузоподъемность крана – Q = 20 т;
- отметка кранового рельса – Hр = 11 м;
- расчетное сопротивление грунта – R0 = 0.2 МПа;
- плотность утеплителя – ρ0 = 125 кг/м3;
- поперечная рама – однопролетная с ригелем в виде сегментной раскосной фермы.
1 Компоновка поперечной рамы
Определение размеров колонн по высоте
Высота надкрановой части колонны:
Нв = Нкр + (hп.б. + а1) + а2,
где Нкр = 2.4 м – габаритный размер крана;
hп.б. = 0.8 м – высота подкрановой балки;
а1 = 0.15 м – высота кранового рельса;
а2 = 0.15 м – зазор между низом стропильной конструкции и верхом крановой тележки.
Нв = 2.4 + (0.8 + 0.15) + 0.15 = 3.5 м.
Ориентировочно высота помещения определяется по формуле:
Нп0 = Нр + Нкр + а2,
Нп0 = 11 + 2.4 + 0.15 = 13.55 м.
Принимаем высоту помещения здания Нп = 14.4 м.
Отметка кранового рельса:
Нр = Нп - Нкр - а2,
Нр = 14.4 - 2.4 - 0,15 = 11.85 м.
Высота подкрановой части колонн:
Нн = Нп - Нв + а3,
где а3 = 0,15 м – расстояние от уровня чистого пола до обреза фундамента,
Нн = 14.4 - 3.5 + 0.15 = 11.05 м.
Высота колонн:
Н = Нн + Нв,
Н = 11.05 + 3.5 = 14.55 м.
Привязка колонн. Выбор типов колонн и назначение размеров поперечных сечений колонн
Для зданий с шагом колонн a = 6 м при грузоподъемности крана Q = 20 т и при среднем или легком режиме работы принимается привязка колонн 0 м.
При Нп = 14.4 м, Q = 20 т и a = 6 м – принимаю марку крайней колонны – К3 с размерами:
hв = 0.38 м, hн = 0.8 м, bк = 0.4 м.
1.3 Выбор и компоновка стенового ограждения и покрытия
Стеновое ограждение - стеновые панели из ячеистого бетона класса В2.5 по ГОСТ 11118-73 «Панели из автоклавных ячеистых бетонов для наружных стен зданий».
Толщину стеновых панелей и утеплителя кровли определим из теплотехнического расчета, выполним его в программе ТеРеМОК.

Принятая конструкция покрытия приведена на рисунке 1.
Принимаем однослойные стеновые панели из ячеистого бетона толщиной ст = 300 мм.
Ориентировочная высота остекления в надкрановой части здания определяется по формуле:
h20 = HBk - (hп.б. + а1) - 0.6,
h20 = 3.5 - (0.8 + 0.15) - 0.6 = 1.95 м.
Принимаю высоту остекления h2 = 1.8 м.
Высота здания от обреза фундамента до верха стенового ограждения:
Hl = Hn + h1 - 0.6 + 0.15,
Hl = 14.4 + 3 - 0.6 + 0.15 = 16.95 м.
Компоновка поперечной рамы представлена на рисунке поперечного разреза здания (рисунок 2).
2 ОБЕСПЕЧЕНИЕ ПРОСТРАНСТВЕННОЙ ЖЕСТКОСТИ ЗДАНИЯ
Пространственная жесткость одноэтажного промышленного здания и диска покрытия обеспечивается защемлением колонн в фундаментах и устройством специальных связей.
В поперечном направлении жесткость здания обеспечивается поперечными рамами, образованными колоннами, жестко защемленными в фундаментах, и ригелями, шарнирно связанными с колоннами.
В продольном направлении жесткость здания частично обеспечивается продольными рамами (колонны и шарнирно связанные с ними подкрановые балки и плиты покрытия). Для повышения пространственной жесткости здания в продольном направлении и обеспечения устойчивости колонн при действии крановых тормозных и ветровых сил, в подкрановой части колонн устанавливаются (рисунки 2, 3, 4):
1) вертикальные крестовые связи ВС1 из двух уголков,
2) горизонтальные связевые фермы ГС1 в уровне консолей из двух швеллеров №16 соединённых распорками из швеллеров №6.5.

Рисунок 2. Поперечный разрез здания

3 сбор нагрузок на поперечную раму
3.1 Расчетная схема поперечной рамы
Принимаем жесткое защемление колонн в фундаментах. Крайняя колонна в расчетной схеме заменяется стержнем ломаного очертания. Стропильную ферму ввиду её большой жесткости в плоскости рамы считаем абсолютно жесткой. Соединение стропильной конструкции с колонной считаем шарнирным. Расчетная схема поперечной рамы изображена на рисунке 5.

Рисунок 5. Расчетная схема поперечной рамы
3.2 Определение постоянных нагрузок на поперечную раму
Нагрузка от веса покрытия определена в таблице 1 (конструкция покрытия - рисунок 1).
Таблица 1
Нагрузка от веса покрытия
|
Нагрузка |
Нормативная нагрузка, кН/м2 |
Коэффициент надежности по нагрузке |
Расчетная нагрузка, кН/м2 |
|
Слой изопласта К qк1 = 5,0 кг/м2 (ТУ 5774-005-05766480-95) |
qк1 * q * 10-3 * γn = 5.0 * 9.81 * 10-3 * 0.95 = 0.047 |
1.3 |
0.064 |
|
Слой изопласта П qк2 = 5,5 кг/м2 (ТУ 5774-005-05766480-95) |
qк2 * q * 10-3 * γn = 5.5 * 9.81 * 10-3 * 0.95 = 0.051 |
1.3 |
0.070 |
|
Цементно-песчаная стяжка ст = 0,02 м, ст = 1800 кг/м3 |
ст * ст * q * 10-3 * γn = 1800 * 0.02 * 9.81 * 10-3 * 0.95 = 0.336 |
1.3 |
0.459 |
|
Минераловатные плиты о = 0,14 м, о = 125 кг/м3 (ГОСТ 9573-96) |
о * о * q * 10-3 * γn = 125 * 0.14 * 9.81 * 10-3 * 0.95 = 0.163 |
1.2 |
0.206 |
|
Слой рубероида qр = 5,0 кг/м2 (ГОСТ 10923-93) |
qр * q * 10-3 * γn = 5 * 9.81 * 10-3 * 0.95 = 0.047 |
1.3 |
0.064 |
|
Ж/б ребристые плиты покрытия размером 3 * 6 м qпл = 157 кг/м2 (с заливкой швов) (ГОСТ 28042-89) |
qпл * q * 10-3 * γn = 157 * 9.81 * 10-3 * 0.95 = 1.463 |
1.1 |
1.694 |
|
ИТОГО |
qн = 2.106 |
- |
qр = 2.429 |
Массу стропильной фермы пролетом 18 м при шаге колонн 6 м примем Gр = 6000 кг.
Нормативное значение снеговой нагрузки на 1 м2 горизонтальной поверхности земли:
Sn = S0 * γf,
где S0 - расчетное значение снеговой нагрузки на 1 м2 горизонтальной поверхности земли, город Хабаровск находится во II снеговом районе, S0 = 120 кг/м2;
γf = 0.7 - коэффициент надежности по снеговой нагрузке.
Sn = 120 * 0.7 = 84 кг/м2.
Хабаровск находится в III ветровом районе, нормативное значение ветрового давления - 0 = 38 кг/м2.
Максимальное и минимальное давления колеса крана Fmax = 170 кН, Fmin = 71.5 кН.
4 СТАТИЧЕСКИЙ РАСЧЕТ ПОПЕРЕЧНОЙ РАМЫ
4.1 Определение усилий
Статический расчет поперечной рамы проведем в программе «Poperechnik», исходные данные для которой собраны в таблице 2.
Таблица 2
Исходные данные для расчета программы «Poperechnik»
|
№ п/п |
Исходная величина для расчета |
Обозначение и размерность |
Численное значение |
|
1 |
Фамилия и номер варианта |
- |
276 |
|
2 |
Пристройка слева здания |
- |
нет |
|
3 |
Пристройка справа здания |
- |
нет |
|
4 |
Высота сечения надкрановой части крайней колонны |
hвк, м |
0.38 |
|
5 |
Высота сечения подкрановой части крайней колонны |
hнк, м |
0.8 |
|
6 |
Высота надкрановой части крайней колонны |
Hвк, м |
3.5 |
|
7 |
Высота подкрановой части крайней колонны |
Hнк, м |
11.05 |
|
8 |
Ширина сечения крайней колонны |
bк, м |
0.4 |
|
9 |
Высота сечения надкрановой части средней колонны |
hвс, м |
0 |
|
10 |
Высота сечения подкрановой части средней колонны |
hнс, м |
0 |
|
11 |
Высота надкрановой части средней колонны |
Hвс, м |
0 |
|
12 |
Высота подкрановой части средней колонны |
Hнс, м |
0 |
|
13 |
Ширина сечения средней колонны |
bc, м |
0 |
|
14 |
Расчет усилий в расчетном сечении средней колонны |
- |
Нет |
|
15 |
Модуль упругости бетона колонн |
Ев, МПа |
32500 |
|
16 |
Размер привязки |
δ, м |
0 |
|
17 |
Расчетная нагрузка от веса покрытия и кровли |
qp, кН/м2 |
2.43 |
|
18 |
Масса ригеля |
Gр, кг |
6000 |
|
19 |
Масса снегового покрова на 1 м2 поверхности земли |
S0, кг/м2 |
120 |
|
20 |
Напор ветра на высоте 10 м |
0, кг/м2 |
38 |
|
21 |
Грузоподъемность основного крюка крана |
Q, т |
20 |
|
22 |
Максимальное давление колеса крана |
Fmax, кН |
170 |
|
23 |
Минимальное давление колеса крана |
Fmin, кН |
71.5 |
|
24 |
Шаг крайних колон здания |
а, м |
6 |
|
25 |
Пролет здания |
L, м |
18 |
|
26 |
Высота здания до верха стенового ограждения |
Hl, м |
16.95 |
|
27 |
Суммарная высота остекления в надкрановой части |
Σhoc, м |
1.8 |
|
28 |
Суммарная высота панелей в надкрановой части |
Σhсп, м |
4.2 |

4.2 Сочетание усилий в расчетных сечениях крайней колонны
Таблица 3
Сочетание усилий в расчетных сечениях крайней колонны однопролетной рамы
|
Коэффициент сочетания |
Сочетание усилий |
Сечение |
|||
|
1-1 |
2-2 |
3-3 |
4-4 |
||
|
0.9 |
загружения |
1+3 |
1+3+15 |
1+5+7+15 |
1+3+5+7+15 |
|
Mmax Nсоот Qсоот |
-9.2 231.5 - |
41.2 245.1 - |
62.6 567.9 - |
322.5 734.7 38.9 |
|
|
загружения |
1+3 |
1+5+7+17 |
1+3+17 |
1+5+7+17 |
|
|
Mmin Nсоот Qсоот |
-9.2 231.5 - |
-57.7 169.0 - |
89.8 201.9 - |
-186.6 658.6 -33.6 |
|
|
загружения |
1+3 |
1+3+15 |
1+3+5+7+15 |
1+3+5+7+15 |
|
|
Nmax Mсоот Qсоот |
231.5 -9.2 - |
245.1 41.2 - |
644.0 49.9 - |
734.7 322.5 38.9 |
|
|
1 |
загружения |
1+2 |
1+2 |
1+4 |
1+4 |
|
M N Q |
-9.6 239.9 - |
18.5 253.5 - |
36.3 600.1 - |
2.3 690.8 -3.1 |
|
|
загружения |
1 |
1 |
1 |
1 |
|
|
Ml,max Nl,соот Ql,соот |
-6.2 155.4 - |
14.9 169.0 - |
-44.6 278.0 - |
22.0 368.7 6.0 |
5 ПРОЕКТИРОВАНИЕ СТРОПИЛЬНОЙ КОНСТРУКЦИИ
5.1 Исходные данные для расчета
Пролет фермы – L = 18 м;
Шаг колонн – a = 6 м;
Плиты покрытия – 3 * 6 м;
Район строительства – г. Хабаровск.
5.2 Материалы
Принимаем в качестве предварительно напрягаемой арматуры канаты класса К1500, в качестве ненапрягаемой арматуры горячекатаную стержневую арматуру класса А400 и бетон класса В30. В качестве конструктивной арматуры принимаем стержневую арматуру А240 и проволочную арматуру В500.
Характеристики напрягаемой арматуры - канатов класса К1500:
Rsp.ser = 1500 МПа; Rsp = 1250 МПа; Esp = 180000 МПа.
Характеристики ненапрягаемой арматуры класса А400:
Rs = 355 МПа; Rsc = 355 МПа; Rsw = 285 МПа; Es = 200000 МПа.
Характеристики бетона класса В30:
Rbt.ser = 1.75 МПа; Rb.ser = 22 МПа; Rbt = 1.15 МПа; Rb = 17 МПа; γb2 = 0.9; Eb = 32500 МПа.
5.3 Статический расчет
5.3.1 Нормативные нагрузки
Нормативная нагрузки от веса покрытия рассчитана в таблице 1 и равна qn = 2.11 кН/м2.
Принимаем ферму марки 2ФС18-2.
Нагрузка от собственного веса фермы:
qф.ser = Gр * g / (L * a),
qф.ser = 6000 * 10-3 * 9.81 / (18 * 6) = 0.55 кН/м2.
Нормативная кратковременная снеговая нагрузка на 1 м2 поверхности покрытия:
Sser = S0 * 0,7 * μ1,
где μ1 = 1 – коэффициент.
Sser = 1.2 * 0.7 * 1 = 0.84 кН/м2.
Нормативная длительная снеговая нагрузка:
Sl,ser = Sser * k,
Sl,ser = 0.84 * 0.5 = 0.42 кН/м2.
5.3.2 Расчетные нагрузки
Расчетная нагрузки от веса покрытия рассчитана в таблице 1 и равна q = 2.43 кН/м2.
Расчётная нагрузка от собственного веса фермы:
qф = qф.ser * γf,
qф = 0.55 * 1.1 = 0.61 кН/м2.
Расчётная нагрузка от снегового покрова:
S = S0 * μ1,
S = 1.2 * 1 = 1.2 кН/м2.
Расчётная длительная снеговая нагрузка:
Sl = S * 0.5,
Sl = 1.2 * 0.5 = 0.6 кН/м2.
Узловые (сосредоточенные) нагрузки:
- нормативные:
Рn,ser = 2.11 * 6 * 3 = 37.98 кН;
Рф,ser = 0.55 * 6 * 3 = 9.90 кН;
Рs,ser = 0.84 * 6 * 3 = 15.12 кН;
Рsl,ser = 0.42 * 6 * 3 = 7.56 кН;
- расчётные:
Рn = 2.43 * 6 * 3 = 43.74 кН;
Рф = 0.61 * 6 * 3 = 10.98 кН;
Рs = 1.2 * 6 * 3 = 21.6 кН;
Рsl = 0.6 * 6 * 3 = 10.8 кН.
Нормативная и расчетная нагрузки от собственного веса покрытия с учётом веса фермы:
Рser = Рn,ser + Рф,ser,
Р = Рn + Рф,
Рser = 37.98 + 9.90 = 47.88 кН,
Р = 43.74 + 10.98 = 54.72 кН.
Геометрическая схема фермы изображена на рисунке 6, расчёт усилий в элементах фермы от постоянной и временной (снеговой) нагрузок приведен в таблице 4.

Рисунок 6. Геометрическая схема фермы
Нормативные полное и длительное усилия определяем только в наиболее растянутых элементах для расчёта по второй группе предельных состояний:
- нижний пояс:
U2,ser = Nser = (37.98 + 9.90 + 15.12) * 5.33 = 335.79 кН,
U2l,ser = Nl.ser = (37.98 + 9.90 + 7.56) * 5.33 = 295.50 кН;
- раскос:
D2,ser = Nser = (37.98 + 9.90 + 15.12) * 0.78 = 49.14 кН,
D2l,ser = Nl,ser = (37.98 + 9.90 + 7.56) * 0.78 = 43.24 кН.
Таблица 4
Расчёт усилий в элементах фермы от постоянной и временной нагрузок
|
Стержни фермы |
Обозначения |
Усилия от единичной нагрузки |
Усилия от нагрузки, кН |
Усилия от сочетаний нагрузок, кН |
||||||||
|
односторонней (слева) |
симметричной |
собственного веса 54.72 |
снеговой |
76.32 |
65.52 |
|||||||
|
кратковременной 21.6 |
длительной 10.8 |
односторонней (слева) |
симметричной |
односторонней |
||||||||
|
односторонней (слева) |
симметричной |
|||||||||||
|
односторонней |
симметричной |
односторонней |
симметричной |
|||||||||
|
ВП |
O1 |
-3.86 |
-5.51 |
-301.51 |
-83.38 |
-119.02 |
- |
-59.51 |
- |
-420.52 |
- |
-361.02 |
|
O2 |
-2.70 |
-5.42 |
-296.58 |
-58.32 |
-117.07 |
- |
-58.54 |
- |
-413.65 |
- |
-355.12 |
|
|
O3 |
-4.18 |
-6.60 |
-361.15 |
-90.29 |
-142.56 |
- |
-71.28 |
- |
-503.71 |
- |
-432.43 |
|
|
НП |
U1 |
3.44 |
4.93 |
269.77 |
74.30 |
106.49 |
- |
53.24 |
- |
376.26 |
- |
323.01 |
|
U2 |
2.67 |
5.33 |
291.66 |
57.67 |
115.13 |
- |
57.56 |
- |
406.79 |
- |
349.22 |
|
|
Р |
D1 |
-0.13 |
0.41 |
22.44 |
-2.81 |
8.86 |
-1.40 |
4.43 |
-9.92 |
31.29 |
-8.52 |
26.86 |
|
D2 |
0.78 |
-0.11 |
-6.02 |
16.85 |
-2.38 |
8.42 |
-1.19 |
59.53 |
-8.40 |
51.11 |
-7.21 |
|
|
С |
V1 |
-0.45 |
-0.10 |
-5.47 |
-9.72 |
-2.16 |
-4.86 |
-1.08 |
-34.34 |
-7.63 |
-29.48 |
-6.55 |
5.4 Расчет нижнего пояса
5.4.1 Расчет по первой группе предельных состояний
Сечение нижнего пояса h * b = 200 * 250 мм.
Наибольшее расчётное усилие в нижнем поясе U2 = N = 406.79 кН.
Изгибающий момент, возникающий от собственного веса рассчитываемого пояса:
М2 = 0.02 * (Р + Рs),
М2 = 0.02 * (54.72 + 21.6) = 1.53 кН*м.
Эксцентриситет силы N относительно центра тяжести сечения:
е0 = М2 / N,
е0 = 1.53 / 406.79 = 0.00376 м.
е0 < h / 2 - a = 0.2 / 2 - 0.05 = 0.05 м > 0.00376 м, следовательно, сила N приложена между равнодействующими усилий в арматуре S и S’.
Требуемая площадь сечения арматуры:
Asp′ = N * e / (γsb6 * Rsp * (h0 - a′)),
Asp = N * e′ / (γsb6 * Rsp * (h0 - a′)),
где γsb6 – коэффициент условий работы арматуры равный 1.15,
e = h / 2 - a′ - е0 = 20 / 2 - 5 - 0.376 = 4.62 cм,
e′ = h / 2 - a′ + е0 = 20 / 2 - 5 + 0.376 = 5.38 cм,
h0 = h - a′ = 20 - 5 = 15 cм,
Asp′ = 406.79 * 10 * 4.62 / (1.15 * 1250 * (15 - 5)) = 1.31 см2,
Asp = 406.79 * 10 * 5.38 / (1.15 * 1250 * (15 - 5)) = 1.52 см2.
Принимаем Ø12 К1500, Asp = Asp′ = 0.906 см2, тогда число канатов:
n' = 1.31 / 0.906 = 1.46
n = 1.52 / 0.906 = 1.68.
Принимаем 2 Ø12 К1500 с площадью поперечного сечения арматуры Asp = Asp′ = 1.812 см2.
5.4.2 Расчет по второй группе предельных состояний
a) Определение предварительного напряжения напрягаемой арматуры, расчётных усилий в нижнем поясе, площади приведённого поперечного сечения
Предварительные напряжения в напрягаемой арматуре класса К1500:
0.3 * Rsp,ser ≤ σsp ≤ 0.8 * Rsp,ser,
0.3 * 1500 = 450 МПа ≤ σsp ≤ 0.8 * 1500 = 1200 МПа.
Принимаем σsp = 1200 МПа.
Передаточная прочность бетона в момент отпуска арматуры назначается из условий:
Rвр ≥ 15 МПа;
Rвр ≥ 0.5 * В,
Rвр ≥15 МПа;
Rвр ≥ 0.5 * 30 = 15 МПа.
Принимаем Rвр = 0.7 * 30 = 21 МПа.
Расчётные усилия в нижнем поясе:
U2,ser = Nser = 335.79 кН,
U2l,ser = Nl.ser = 295.50 кН;
М2,ser = 0.02 * (37.98 + 9.90 + 15.12) = 1.26 кН*м,
М2l,ser = 0.02 * (37.98 + 9.90 + 7.56) = 1.09 кН*м.
Площадь приведённого поперечного сечения:
Ared = Ab + α * Asp + α * Asp’,
где Ab – площадь сечения бетона;
α – коэффициентом приведения арматуры к бетону:
α = Esp / Eb,
Asp, Asp’ – площадь сечения напрягаемой арматуры.
α = 180000 / 32500 = 5.54.
Ared = 25 * 20 + 5.54 * 1.812 + 5.54 * 1.812 = 520.08 см2.
б) Первые потери
1) Потери от релаксации напряжения арматуры для арматуры класса К1500 при механическом способе натяжения:
∆σ1 = (0.22 * σsp / Rsp,ser - 0.1) * σsp,
∆σ1 = (0.22 * 1200 / 1500 - 0.1) * 1200 = 91.20 МПа.
2) Потери от температурного перепада ∆t = 65˚ при тепловой обработке бетона:
∆σ2 = 1.25 * Δt,
∆σ2 = 1.25 * 65 = 81.25 МПа.
3) Потери от деформации стальной формы (упоров) при неодновременном натяжении арматуры на форму:
∆σ3 = 30 МПа.
4) Потери от деформации анкеров, расположенных у натяжных устройств:
∆σ4 = ∆l * Еsp / l,
∆σ4 = 2 * 180000 / 18000 = 20 МПа.
Сумма первых потерь:
Δσsp(1) = ∆σ1 + ∆σ2 + ∆σ3 + ∆σ4,
Δσsp(1) = 91.20 + 81.25 + 30 + 20 = 222.45 МПа.
в) Вторые потери
1) Потери от усадки бетона:
∆σ5 = εb.sh * Еsp,
где εb,sh - деформация усадки бетона, принимаемая равной для бетона класса В35 и ниже равной 0.0002.
∆σ5 = 0.0002 * 180000 = 36 МПа.
2) Потери напряжений в рассматриваемой напрягаемой арматуре (S или S') от ползучести бетона:
6 = 0.8 * b,cr * * bp / [1 + * sp * (1 + e0p1 * asp * Аred / Ired) * (1 + 0.8 * b,cr)],
где φb,сr =2.3 – коэффициент ползучести для бетона класса B30 при нормальной влажности воздуха;
μsp – коэффициент армирования, равный:
μsp = Аsp / А,
где А и Аsp – площади поперечного сечения соответственно элемента и рассматриваемой напрягаемой арматуры (Asp и Asp');
μsp = 3.624 / (20 * 25) = 0.00724.
σbp – напряжение в бетоне на уровне центра тяжести рассматриваемой напрягаемой арматуры, определяемое по приведенному сечению согласно формуле:
bp = P(1) / Ared + P(1) * е0р1 * уs / Ired,
где P(1) – усилие предварительного обжатия с учетом первых потерь:
P(1) = (Asp + A'sp) * (σsp - Δσsp(1)),
P(1) = (1.812 + 1.812) * (1200 - 222.45) /10 = 354.26 кН.
e0p1 – эксцентриситет усилия P(1) относительно центра тяжести приведенного сечения элемента равный 0, так как ysp = y'sp.
bp = 354.26 *10 / 520.08 = 6.81 МПа < 0.9 * Rbp = 0.9 * 21 = 18.9 МПа.
6 = 0.8 * 2.3 * 5.54 * 6.81 / [1 + 5.54 * 0.00724 * 1 * (1 + 0.8 * 2.3)] = 62.32 МПа.
Сумма вторых потерь:
Δσsp(2) = ∆σ5 + ∆σ6,
Δσsp(2) = 36 + 62.32 = 98.32 МПа.
г) Определение усилия обжатия бетона
Суммарные потери напряжения:
Δσsp = Δσsp(1) + Δσsp(2),
Δσsp = 222.45 + 98.32 = 320.77 МПа.
Проверим выполнение условия:
100 (МПа) < Δσsp < 0.35 * σsp,
100 МПа < Δσsp = 320.77 МПа < 0.35 * 1200 = 420 МПа => Δσsp = 320.77 МПа.
Усилие обжатия бетона с учётом всех потерь:
P(2) = (Asp + A'sp) * (σsp - Δσsp),
P(2) = (1.812 + 1.812) * (1200 - 320.77) / 10 = 318.63 кН.
С учётом γsp = 0.9 усилие обжатия бетона:
P(2) = 0.9 * 318.63 = 286.77 кН.
д) Расчёт по образованию трещин
Расчёт внецентренно растянутых элементов по образованию трещин производится из условия:
M ≤ Mcrc,
где М - изгибающий момент от внешней нагрузки:
M = Nser * (e0 + r),
e0 = M2,ser / Nser,
e0 = 1.26 / 335.79 = 0.0037 м,
r - расстояние от центра тяжести приведенного сечения до ядровой точки:
r = Wred / Ared,
Wred - момент сопротивления приведенного сечения для крайнего растянутого волокна, определяемый как для упругого тела по формуле:
Wred = 2 * Ired / h,
Ired = b * h3 / 12 + α * Is,
Ired = 25 * 203 /12 + 5.54 * 2 * 1.812 * 52 = 17168.59 cм4,
Wred = 2 * 17168.59 / 20 = 1716.86 cм3,
r = 1716.86 / 520.08 = 3.30 cм,
M = 335.79 * (0.0037 + 0.033) = 12.32 кН*м;
Mcrc изгибающий момент, воспринимаемый нормальным сечением элемента при образовании трещин:
Mcrc = γ * Wred * Rbt,ser + P(2) * (e0p + r),
γ – коэффициент равный 1.3 для прямоугольного сечения;
e0p - эксцентриситет усилия обжатия P(2) относительно центра тяжести приведенного сечения, e0p = 0.
Mcrc = 1.3 * 1716.86 * 1.15 / 1000 + 318.63 * 0.033 = 13.08 кН*м.
M = 12.32 кН*м < Mcrc = 13.08 кН*м => трещины в сечениях нижнего пояса не образуются.
5.5 Расчет верхнего пояса
Сечение верхнего пояса h * b = 180 * 250 мм.
Наибольшее сжимающее усилие:
O3 = N = 503.71 кН;
O3,l = Nl = 432.43 кН;
М3 = М3,l = 0.
Расчётная длина в плоскости и из плоскости фермы:
l0 = 0.9 * l,
l0 = 0.9 * 301 = 271 см.
При гибкости пояса l0 / h = 271 / 18 = 15 см > 4 см следует учитывать влияние прогиба пояса на величину изгибающего момента.
1) Изгибающие моменты относительно оси арматуры:
М1 = М3 + 0.5 * N * (h0 - a′),
М1l = М3l + 0.5 * Nl * (h0 - a′),
h0 = h - a3,
h0 = 0.18 - 0.045 = 0.135 м,
М1 = 0 + 0.5 * 503.71 * (0.135 - 0.045) = 22.67 кН*м,
М1l = 0 + 0.5 * 432.43 * (0.135 - 0.045) = 19.46 кН*м.
2) Гибкость пояса:
l0 / h = 271 / 18 = 15 > 10.
3) Изгибающие моменты М1 и М1l одного знака.
4) Коэффициент φl, учитывающий влияние длительного действия нагрузки на прогиб пояса:
φl = 1 + M1l / M1,
φl = 1 + 19.46 / 22.67 = 1.86 < 2.
5) Пояс является статически определимой конструкцией.
6) Случайные эксцентриситеты:
еа = l0 / 600,
еа = h0 / 30,
еа = 271 / 600 = 0.45 см,
еа = 25 / 30 = 0.6 см.
Принимаем е0 = еа = 0.6 см.
7) Коэффициенты:
δe,min = 0.5 - 0.01 * l0 / h - 0.01 * γb2 * Rb,
δe = е0 / h,
δe,min = 0.5 - 0.01 * 271 / 18 - 0.01 * 0.9 * 17 = 0.196,
δe = 0.6 / 25 = 0.033.
Принимаем δe = 0.196.
8) α1 = 200000 / 32500 = 6.15.
9) φр = 1, так как в верхнем поясе отсутствует напрягаемая арматура.
10) Определим жесткость при коэффициенте армирования μ = 0.01:
D = Eb * b * h3 * [0.0125 / (φl * (0.3 + δe)) + 0.175 * μ * α1 * ((h0 - a’) / h)2],
D = 32500 * 25 * 183 * [0.0125 / (1.86 * (0.3 + 0.196)) + 0.175 * 0.01 * 6.15 * ((13.5 - 4.5)/18)2] / 100000 = 769.53 кН*м.
Условная критическая сила:
Ncr = π2 * D / l02,
Ncr = π2 * 769.53 / 2.712 = 1034.16 кН.
N = 503.71 кН < Ncr = 1034.16 кН.
11) Коэффициент:
η = 1 / (1 - N / Ncr),
η = 1 / (1 - 503.71 / 1034.16) = 1.95.
12) Расстояние от усилия N до арматуры:
е = η * е0 + 0.5 * (h0 - a′),
е = 1.95 * 0.6 + 0.5 * (13.5 - 4.5) = 5.67 см.
13) Относительная величина продольной силы:
αn = N / (γb2 * Rb * b * h0),
αn = 503.71 *10 / (0.9 * 17 * 25 * 13.5) = 0.98.
14) Граничная относительная высота сжатой зоны бетона:
R = 0.8 / (1 + Rs / 700),
R = 0.8 / (1 + 355 / 700) = 0.531.
15) αn = 0.98 > R = 0.531.
16) δ = a′ / h0 = 4.5 / 13.5 = 0.333.
17) αm = N * e / (γb2 * Rв * b * h02) = 503.71 * 5.67 *10 / (0.9 * 17 * 25 * 13.52) = 0.41.
18) = ( m - n * (1 - 0.5 * n)) / (1 - δ) = (0.41 - 0.98 * (1 - 0.5 * 0.98)) / (1 - 0.333) = - 0.134 < 0 => принимаем 4 Ø12 А400, As = Asc = 2.26 см2.
19) Коэффициент армирования
μ1 = (As′ + As) / (b * h0) = (2.26 + 2.26) / (25 * 13.5) = 0.013.
20) Проверяем условие
μmin ≤ μ1 ≤ μmax,
Гибкость λ = l0 / i = l0 / (0.289 * h) = 271 / (0.289 * 18) = 52.
35 < λ = 52 < 83 => μmin = 0.002.
μmin = 0.002 ≤ μ1 = 0.013 ≤ μmax = 0.035.
21) Диаметр поперечных стержней определяем из условий:
dsw ≥ 0.25 * ds,
dsw ≥ 6 мм,
dsw = 0.25 * 12 = 3 мм.
Принимаем Ø6 А400.
21) Шаг поперечных стержней вычисляем из условий:
S
≤ 20 * ds,
S ≤ 500 мм.
S
≤ 20 * 12 = 240
мм;
S ≤ 500 мм.
Принимаем S = 200 мм.
5.6 Расчет раскосов
Сечение раскоса h * b = 120 * 150 мм.
а) Расчет по прочности
Расчётное растягивающее усилие в раскосе N = D2 = 59.53 кН.
Требуемая площадь сечения рабочей продольной арматуры:
Аs = N / Rs,
Аs = 59.53 * 10 / 355 = 1.67 см2.
Принимаем с учётом конструктивных требований 4 Ø12 А400 с Аs = 4.52 см2.
Шаг поперечных стержней:
S ≤ 20 * 12 = 240 мм;
S ≤ 500 мм.
Принимаем S = 200 мм.
Диаметр поперечных стержней принимаем из условии: dsw ≥ 0.25 * ds = 0.25 * 12 = 3 мм, dsw ≥ 6 мм, принимаем Ø6 А400.
б) Расчет по раскрытию трещин
Коэффициент армирования раскоса:
μ = As / b * h0,
μ = 4.52 / (15 * 9) = 0.03.
Напряжения в арматуре от непродолжительного и продолжительного действия нагрузок:
σs = Nser / As,
σs,l = Nl,ser / As,
σs = 49.14 * 10 / 4.52 = 108.72 МПа,
σs,l = 43.24* 10 / 4.52 = 95.66 МПа.
Ширина раскрытия нормальных трещин:
acrc = φ1 * φ2 * φ3 * ψs * σi * ls / Es,
где σi - напряжение в продольной растянутой арматуре в нормальном сечении с трещиной от соответствующей внешней нагрузки;
ls - базовое (без учета влияния вида поверхности арматуры) расстояние между смежными нормальными трещинами:
ls = 0.5 * Abt * ds / As,
ls = 0.5 * 0.5 * 12 * 15 * 1.2 / 4.52 = 11.95 см;
ψs - коэффициент, учитывающий неравномерное распределение относительных деформаций растянутой арматуры между трещинами; допускается принимать ψs = 1;
φ1 - коэффициент, учитывающий продолжительность действия нагрузки и принимаемый равным:
1.0 - при непродолжительном действии нагрузки;
1.4 - при продолжительном действии нагрузки;
φ2 - коэффициент, учитывающий профиль продольной арматуры и принимаемый равным 0,5 - для арматуры периодического профиля (классов А300, А400, А500, В500);
φ3 - коэффициент, учитывающий характер нагружения и принимаемый равным 1,2 - для растянутых элементов.
Ширина раскрытия трещин от непродолжительного действия полной нагрузки:
acrc1 = 1 * 0.5 * 1.2 * 1 * 108.72 * 119.5 / 200000 = 0.039 мм.
Ширина раскрытия трещин от непродолжительного действия постоянной и длительной нагрузок:
acrc2 = 1 * 0.5 * 1.2 * 1 * 95.66 * 119.5 / 200000 = 0.034 мм.
Ширина раскрытия трещин от продолжительного действия постоянной и временной нагрузок:
acrc3 = 1.4 * 0.5 * 1.2 * 1 * 95.66 * 119.5 / 200000 = 0.048 мм.
Непродолжительная ширина раскрытия трещин:
acrc = acrc1 - acrc2 + acrc3,
acrc = 0.039 - 0.034 + 0.048 = 0.053 < 0.4 мм.
Продолжительная ширина раскрытия трещин:
acrc = acrc3 = 0.048 мм < 0.3 мм.
Условия трещиностойкости выполняются.
5.7 Расчет стоек
Сечение стойки h * b = 120 * 150 мм.
Наибольшие сжимающие усилия:
N = V1 = 34.34 кН;
Nl = V1,l = 29.48 кН.
Расчётная длина стойки в плоскости и из плоскости фермы:
l0 = 0.9 * l = 0.9 * 220 = 198 см.
При гибкости стойки l0 / h = 198 / 12 = 16.5 > 4 следует учитывать влияние прогиба стойки на величину изгибающего момента.
1) Изгибающие моменты относительно оси арматуры:
М1 = М + 0,5 * N * (h0 - a′),
М1l = Мl + 0,5 * Nl * (h0 - a′),
h0 = h - a3,
h0 = 0.12 - 0.03 = 0.09 м,
М1 = 0 + 0.5 * 34.34 * (0.09 - 0.03) = 1.03 кН*м,
М1l = 0 + 0.5 * 29.48 * (0.09 - 0.03) = 0.88 кН*м.
2) Гибкость пояса:
l0 / h = 16.5 > 10.
3) Изгибающие моменты М1 и М1l одного знака.
4) Коэффициент φl, учитывающий влияние длительного действия нагрузки на прогиб пояса:
φl = 1 + M1l / M1,
φl = 1 + 0.88 / 1.03 = 1.85 < 2.
5) Стойка является статически определимой конструкцией.
6) Случайные эксцентриситеты:
еа = l0 / 600,
еа = h0 / 30,
еа = 198 / 600 = 0.33 см,
еа = 9 / 30 = 0.3 см.
Принимаем е0 = еа = 0.33 см.
7) Коэффициенты
δe,min = 0.5 - 0.01 * l0 / h - 0.01 * γb2 * Rb,
δe = е0 / h,
δe,min = 0.5 - 0.01 * 198 / 12 - 0.01 * 0.9 * 17 = 0.182,
δe = 0.33 / 12 = 0.028.
Принимаем δe = 0.182.
8) α1 = 200000 / 32500 = 6.15.
9) φр = 1, так как в стоиках отсутствует напрягаемая арматура.
10) Определим жесткость при коэффициенте армирования μ = 0.01:
D = Eb * b * h3 * [0.0125 / (φl * (0.3 + δe)) + 0.175 * μ * α1 * ((h0 - a’) / h)2],
D = 32500 * 15 * 123 * [0.0125 / (1.85 * (0.3 + 0.182)) + 0.175 * 0.01 * 6.15 * ((9 - 3) / 12)2] / 100000 = 140.75 кН*м2.
Условная критическая сила:
Ncr = π2 * D / l02,
Ncr = π2 * 140.75 / 1.982 = 354.34 кН.
N = 34.34 кН < Ncr = 354.34 кН.
11) Коэффициент
η = 1 / (1 - N / Ncr),
η = 1 / (1 - 34.34 / 354.34) = 1.11.
12) Расстояние от усилия N до арматуры:
е = η * е0 + 0.5 * (h0 - a′),
е = 1.11* 0.33 + 0.5 * (9 - 3) = 3.37 см.
13) Относительная величина продольной силы:
αn = N / (γb2 * Rb * b * h0),
αn = 34.34 *10 / (0.9 * 17 * 15 * 9) = 0.17.
14) Граничная относительная высота сжатой зоны бетона:
R = 0.8 / (1 + Rs / 700),
R = 0.8 / (1 + 355 / 700) = 0.531.
15) αn = 0.17 < R = 0.531.
16) δ = as′ / h0 = 3 / 9 = 0.333.
17) αm = N * e / (b2 * Rв * b * h02) = 34.34 * 3.49 *10 / (0.9 * 17 * 15 * 92) = 0.06.
18) = (m - n * (1 - 0.5 * n)) / (1 - δ) = (0.06 - 0.17 * (1 - 0.5 * 0.17)) / (1 - 0.333) = - 0.14 < 0 => принимаем 4 Ø12 А400, As = Asc = 2.26 см2.
19) Коэффициент армирования
μ1 = (As′ + As) / (b * h0) = (2.26 + 2.26) / (15 * 9) = 0.03.
20) Проверяем условие
μmin ≤ μ1 ≤ μmax,
Гибкость λ = l0 / i = l0 / (0.289 * h) = 198 / (0.289 * 12) = 57
35 < λ = 57 < 83 => μmin = 0.002.
μmin = 0.002 ≤ μ1 = 0.03 ≤ μmax = 0.035,
21) Диаметр поперечных стержней определяют из условия свариваемости:
dsw ≥ 0.25 * ds,
dsw ≥ 6 мм,
dsw = 0.25 * 12 = 3 мм.
Принимаем Ø6 А400.
21) Шаг поперечных стержней вычисляем из условий:

S ≤ 20 * ds,
S ≤ 500 мм.

S ≤ 20 * 12 = 240 мм;
S ≤ 500 мм.
Принимаем S = 200 мм.
5.8 Расчет узлов
5.8.1 Узел 1 – опорный узел фермы
Опорный узел фермы армируется самоанкерующейся предварительно напряженной арматурой, натянутой на упоры.
Рассчитываем: а) нижний пояс на отрыв в месте соединения с опорным узлом, б) поперечную арматуру на прочность из условия обеспечения надёжности анкеровки продольной арматуры, в) поперечную арматуру на прочность по наклонному сечению на действие изгибающего момента.
а) Расчёт нижнего пояс на отрыв в месте соединения с опорным узлом
Расчётное растягивающее усилие в приопорной панели нижнего пояса N = 376.26 кН. Требуемая площадь поперечного сечения продольных ненапрягаемых стержней:
As = 0.2 * N / Rs,
As = 0.2 * 376.26 * 10 / 355 = 2.12 см2.
Принимаем с учётом конструктивных требований 4 Ø12 А400 с As = 4.52 см2.
б) Расчёт поперечной арматуры на прочность из условия обеспечения надёжности анкеровки продольной арматуры
Длина заделки напрягаемой арматуры lan,sp обеспечивающей полное использование расчётного сопротивление, для канатов Ø12 К1500 принимается не менее 1500 мм.
Фактическая величина заделки канатов
l1,sp = lузл - l2 = lузл - h1 * tg,
где – угол наклона лини трещины к продольной оси растянутой панели ( = 29º30′).
l1,sp = 120 - 39 * 1.77 = 50.97 см.
Величина заделки ненапрягаемой арматуры, обеспечивающая полное использование её расчётного сопротивления:
lan,sp = 35 * ds,
lan,sp = 35 * 1.2 = 42 см.
Фактическая длина заделки ненапрягаемой арматуры:
l2,s = lузл - l2 = lузл - H3 * tg,
l2,s = 120 - 52 * 1.77 = 28 см.
Число поперечных стержней в узле, пересекающих линию АВ, при двух каркасах n = 10 * 2 = 20 шт. Площадь сечения одного поперечного стержня определяем по формуле:
Asw(1) = (N - Rsp * Asp * l1,sp / laп,sp - Rs * As * (l1,s / lоп,sp)) / (n * Rsw * ctg),
Asw(1) = (376.26 * 10 - 1250 * 4.52 * 50.97 / 150 - 355 * 4.52 * 28 / 42) / (20 * 285 * 1.77) = 0.077 см2.
в) Расчёт поперечной арматуры на прочность по наклонному сечению на действие изгибающего момента
Усилие в приопорной панели верхнего пояса N = 420.52 кН.
Расстояние от верхней грани узла до центра тяжести напрягаемой и ненапрягаемой арматуры:
hо,s = hо,sp = hузл - hнп / 2,
hо,s = 78 - 20 / 2 = 68 см.
Расстояние от торца фермы до точки пересечения осей верхнего и нижнего поясов а = 12 см.
Высота сжатой зоны бетона:
x = (Rsp * Asp * l1,sp / lоп,sp + Rs * As) / (γb2 * Rb * b),
x = (1250 * 2* 1.812 * 50.97 / 150 + 355 * 4.52) / (0.9 * 17 * 25) = 8.22 см
zх = 0.6 * h0.sp,
zх = 0.6 * 82.2 = 49.2 см.
Требуемая площадь поперечного сечения одного стержня:
Аsw(2) = [N * (lузл - a) * sinβ - Rsp * Asp * (l1,sp / lоп,sp) * (ho,sp - x / 2) - Rs * As * (l1,s / lоп,s) * (ho,sp - x / 2)] / (n * Rsw * zх),
Аsw(2) = [420.52 * 10 * (120 - 12) * 0.5 - 1250 * 2* 1.812 * (50.97 / 150) * (68 - 8.22 / 2) - 355 * 4.52 * (28 / 42) * (68 - 8.22 / 2)] / (20 * 285 * 49.2) = 0.215 см2.
Принимаем Аsw = 0.283 см2. С учётом конструктивных требований назначаем поперечные стержни Ø8 А400.
Для предотвращения разрушения от растягивающих усилий узел должен иметь поперечные стержни, привариваемые к закладной детали с площадью сечения
Аs,o = μ0 * N / Rs,
где μ0 – эмпирический коэффициент.
Аs,o = 0.2 * 420.52 * 10 / 355 = 2.36 см2.
Принимаем 8 Ø12 А400 с Аs = 9.05 см2.
5.8.2 Узел 2 – промежуточный верхний узел
а) Расчёт поперечной арматуры
Фактическая длина заделки продольных стержней раскоса за линию АВС l1 = 27 см.
Длина заделки стержней из условия полного использования расчётного сопротивления арматуры:
lan,sp = 35 * ds,
lan,sp = 35 * 1.2 = 42 см.
Проверяем условие:
l1’ = 16 * ds * N / (214 * As) > l1,
l1’ = 16 * 1.2 * 59.53 * 10 / (214 * 4.52) = 11.82 см < l1 = 27 см, следовательно, соединение продольных стержней верхнего пояса в узле не требуется.
Требуемая площадь поперечного сечения поперечных стержней определяется из условия:
Аsw ≥ [N * (1 - (γ2 * l1 + a) / (γ1 * lan,s))] / n * Rsw * cosφ,
где γ1 = N / (Rs * Аs) = 59.53 * 10 / (355 * 4.52) = 0.37;
γ2 – коэффициент условий работы верхнего пояса (γ2 = 1);
φ – угол наклона нисходящего раскоса;
а – условное увеличение длины заделки растянутой арматуры (а = 5 * ds = 5 * 12 = 60 мм)
Аs = [59.53 *·10 * (1 - (1 * 27 + 6) / (0.37 * 42))] / (2 * 285 * 0.45) = - 2.61 см2 < 0, следовательно, поперечные стержни в узле не требуются.
б) Расчёт окаймляющих стержней
Площадь поперечного сечения окаймляющего стержня:
Аs = k * N / (n0 * Rso),
где n0 = 2 – число стержней в узле;
Rso = 90 МПа – расчётное сопротивление арматуры, принимаемое из условия ограничения раскрытия трещин в вуте;
k = 0.04 – эмпирический коэффициент.
Аs = 0.04 * 59.53 * 10 / (2 * 90) = 0.132 см2.
С учётом конструктивных требований принимаем 2 Ø12 А400 с Аs = 2.26 см2.
6 ПРОЕКТИРОВАНИЕ КОЛОННЫ
6.1 Исходные данные
Шифр колонны – К3.
Геометрические размеры сечений колонны:
- высота поперечного сечения надкрановой части колонны – hв = 0.38 м;
- высота сечения подкрановой части колонны – hн = 0.8 м;
- ширина сечения колонны – b = 0.4 м.
Размеры колонны по высоте:
- высота надкрановой части колонны Нв = 3.5 м;
- высота подкрановой части колонны Нн = 11.05 м;
Принимаем в качестве ненапрягаемой арматуры горячекатаную стержневую арматуру класса А400 и бетон класса В30.
Характеристики ненапрягаемой арматуры класса А400:
Rs = 355 МПа; Rsc = 355 МПа; Rsw = 285 МПа; Es = 200000 МПа.
Характеристики бетона класса В30:
Rbt.ser = 1.75 МПа; Rb.ser = 22 МПа; Rbt = 1.15 МПа; Rb = 17 МПа; γb2 = 0.9; Eb = 32500 МПа.
Сочетания усилий в расчетных сечениях колонны от различных нагрузок представлены в таблице 3.
6.2 Расчет прочности нормальных сечений колонны в плоскости рамы
Точный расчет прямоугольных колонн сплошного сечения одноэтажных промзданий с мостовыми кранами представляет значительные трудности, поэтому для упрощения расчета рассчитываем отдельно подкрановую и надкрановую части. Взаимовлияние этих частей учтем назначением условных расчетных длин подкрановой и надкрановой частям.
6.2.1 Определение расчетных длин и минимальной площади продольной арматуры
Расчетная длина надкрановой части колонны в плоскости поперечной рамы:
- при учете нагрузки от кранов:
l0в = 2 * Hв,
l0в = 2 * 3.5 = 7 м;
- без учета нагрузки от кранов:
l0в = 2.5 * Hв,
l0в = 2.5 * 3.5 = 8.75 м.
Расчетная длина подкрановой части колонны в плоскости поперечной рамы:
- при учете нагрузки от кранов:
l0н = 1.5 * Hн,
l0н = 1.5 * 11.05 = 16.575 м;
- без учета нагрузки от кранов:
l0н = 1.5 * H,
l0н = 1.5 * 14.55 = 21.825 м.
Минимальная площадь продольной арматуры в надкрановой части колонны, определяется:
- по конструктивным требованиям: As.min = As.min’ = 0.000402 м2 (2 16 A400);
- из условия работы на внецентренное сжатие:
μs.min = As.min * 100 % / (b * h0),
где h0 = hв - a = 0.38 - 0.05 = 0.33 м – рабочая высота сечения надкрановой части колонны;
а = 0.05 м – расстояние от центра тяжести растянутой арматуры до наружной грани сечения;
μs.min – коэффициент при l0в / i = 8.75 / 0.11 = 79.5 > 35 (i = 0.289 * hв = 0.289 * 0.38 = 0.11 м – радиус инерции сечения надкрановой части колонны), μs.min = 0.2 %.
Учитывая симметричность армирования получим:
As.min = As.min’ = μs.min * b * h0 / 100 = 0.2 * 0.4 * 0.33 / 100 = 0.000264 м2.
Принимаем минимальную площадь продольной арматуры в надкрановой части колонны равной: As.min = As.min’ = 0.000402 м2 (2 16 A400).
Минимальная площадь продольной арматуры в подкрановой части колонны, определяется:
- по конструктивным требованиям: As.min = As.min’ = 0.000402 м2 (2 16 A400);
- из условия работы на внецентренное сжатие:
μs.min = As.min * 100 % / (b * h0).
Рабочая высота сечения подкрановой части колонны:
h0 = hн - a = 0.8 - 0.05 = 0.75 м,
где а = 0.05 м – расстояние от центра тяжести растянутой арматуры до наружной грани сечения.
При l0н / i = 21.825 / 0.2312 = 94.4 > 83 (i = 0.289 * hн = 0.289 * 0.8 = 0.2312 м – радиус инерции сечения надкрановой части колонны), μs.min = 0.25 %.
Учитывая симметричность армирования получим:
As.min = As.min’ = 0.25 * 0.4 * 0.75 / 100 = 0.00075 м2.
Принимаем минимальную площадь продольной арматуры в подкрановой части колонны равной: As.min = As.min’ = 0.000804 м2 (4 16 A400).
6.2.2 Расчет надкрановой части колонны
Расчетные усилия для расчета надкрановой части - в сечении 2-2 от загружения 1 + 3 + 15:
M = 41.2 кН*м,
N = 245.1 кН.
Расчетные усилия от длительной нагрузки для расчета надкрановой части - в сечении 2-2 от загружения 1 + 3 + 15:
Мl = 14.9 + 3.3 * 0.5 = 16.55 кН*м,
Nl = 169 + 76.1 * 0.5 = 207.05 кН.
Случайный эксцентриситет еа:
е
а
≥ Hв
/ 600;
еа ≥ hв / 30;
еа ≥ 10 мм.
е
а
≥ 3500 / 600 = 5.8 мм;
еа ≥ 380 / 30 = 12.7 мм;
еа ≥ 10 мм.
Относительный эксцентриситет:
e0 = М / N,
e0 = 41.2 / 245.1 = 0.168 м.
Принимаем e0 = 0.168 м.
Определяем моменты М1 и М1l относительно растянутой арматуры соответственно от всех нагрузок и длительных нагрузок:
М1 = М + 0.5 * N * (h0 - as’),
M1l = Мl + 0.5 * Nl * (h0 - as’),
М1 = 41.2 + 0.5 * 245.1 * (0.33 - 0.05) = 75.51 кН*м.
M1l = 16.55 + 0.5 * 207.05 * (0.33 - 0.05) = 45.54 кН*м.
Коэффициент приведения арматуры к бетону:
α = Es / Eb,
α = 200000 / 32500 = 6.15.
Коэффициенты
δe,min = 0.5 - 0.01 * l0 / h - 0.01 * γb2 * Rb,
δe = е0 / h,
δe,min = 0.5 - 0.01 * 7 / 0.38 - 0.01 * 0.9 * 17 = 0.162,
δe = 0.168 / 0.38 = 0.442 > 0.162 => примем δe = 0.442.
Коэффициент, учитывающий влияние длительного действия нагрузки на прогиб элемента:
φl = l + М1l / М1, но не более 2,
φl = 1 + 16.55 / 41.2 = 1.401.
Коэффициент армирования:
μ = (As.min + As.min’) / (b * h0),
μ = (0.000402 + 0.000402) / (0.4 * 0.33) = 0.0061.
Определим жесткость по формуле:
D = Eb * b * h3 * [0.0125 / (φl * (0.3 + δe)) + 0.175 * μ * α1 * ((h0 - a’) / h)2],
D = 32500 * 40 * 383 * [0.0125 / (1.401 * (0.3 + 0.442)) + 0.175 * 0.0061 * 6.15 * ((75 - 5) / 80)2] / 100000 = 12163 кН*м2.
Условная критическая сила:
Ncr = π2 * D / l02,
Ncr = π2 * 12163 / 8.752 = 1567 кН.
Коэффициент продольного изгиба:
η = 1 / (1 - N / Ncr),
η = 1 / (1 - 245.1 / 1567) = 1.185.
Расчетный момент:
M = M * η,
M = 41.2 * 1.185 = 48.82 кН*м.
αn = N / (Rb * b * h0) = 245.1 / (17 * 103 * 0.4 * 0.33) = 0.109.
ξR = 0.531
αn = 0.109 < ξR =0.531
Расчет ведем для случая αn ≤ ξR:
As = As’ = Rb * b * h0 * (αm - αn * (1 - αn / 2) / (Rs * (1 - δ)),
где αm = (M + N * (h0 - as’) / 2) / (Rb * b * h02) = (48.82 + 245.1 * (0.33 - 0.05) / 2) / (17000 * 0.4 * 0.332) = 0.112.
δ = as′ / h0 = 5 / 33 = 0.152.
As = As’ = 17 * 104 * 0.4 * 0.33 * (0.112 - 0.109 * (1 - 0.109 / 2)) / (355 * (1 - 0.152)) = 0.67 cм2.
Принимаем продольную арматуру колонны 2 16 A400 (As = As’ = 4.02 cм2).
6.2.3 Расчет подкрановой части колонны
Расчетные усилия для расчета подкрановой части - в сечении 4-4 от загружения 1 + 3 + 5 + 7 + 15:
M = 322.5 кН*м,
N = 734.7 кН.
Расчетные усилия от длительной нагрузки для расчета надкрановой части - в сечении 4-4 от загружения 1 + 3 + 5 + 7 + 15:
Мl = 22 + 7.3 * 0.5 - 17.7 * 0.5 = 16.8 кН*м,
Nl = 368.7 + 76.1 * 0.5 +289.9 * 0.5 = 551.7 кН.
Случайный эксцентриситет еа:
е
а
≥ Hн
/ 600;
еа ≥ hн / 30;
еа ≥ 10 мм.
еа ≥ 11050 / 600 = 18.42 мм;
еа ≥ 800 / 30 = 26.67 мм;
еа ≥ 10 мм.
Относительный эксцентриситет:
e0 = М / N,
e0 = 322.5 / 734.7 = 0.439 м.
Принимаем e0 = 0.439 м.
Определяем моменты М1 и М1l относительно растянутой арматуры соответственно от всех нагрузок и длительных нагрузок:
М1 = М + 0.5 * N * (h0 - as’),
M1l = Мl + 0.5 * Nl * (h0 - as’),
М1 = 322.5 +0.5 * 734.7 * (0.75 - 0.05) = 579.65 кН*м.
M1l = 16.8 + 0.5 * 551.7 * (0.75 - 0.05) = 209.89 кН*м.
Коэффициент приведения арматуры к бетону:
α = Es / Eb,
α = 200000 / 32500 = 6.15.
Коэффициенты
δe,min = 0.5 - 0.01 * l0 / h - 0.01 * γb2 * Rb,
δe = е0 / h,
δe,min = 0.5 - 0.01 * 21.825 / 0.8 - 0.01 * 0.9 * 17 = 0.074,
δe = 0.439 / 0.8 = 0.549 > 0.074 => принимаем δe = 0.549.
Коэффициент, учитывающий влияние длительного действия нагрузки на прогиб элемента:
φl = l + М1l / М1, но не более 2,
φl = 1 + 209.89 / 579.65 = 1.362.
В первом приближении принимаем коэффициент армирования:
μ = (As.min + As.min’) / (b * h0),
μ = (0.000804 + 0.000804) / (0.4 * 0.75) = 0.0054.
Определим жесткость по формуле:
D = Eb * b * h3 * [0.0125 / (φl * (0.3 + δe)) + 0.175 * μ * α1 * ((h0 - a’) / h)2],
D = 32500 * 40 * 803 * [0.0125 / (1.362 * (0.3 + 0.549)) + 0.175 * 0.0054 * 6.15 * ((75 - 5) / 80)2] / 100000 = 101567 кН*м2.
Условная критическая сила:
Ncr = π2 * D / l02,
Ncr = π2 * 101567 / 16.5752 = 3648 кН.
Коэффициент продольного изгиба:
η = 1 / (1 - N / Ncr),
η = 1 / (1 - 734.7 / 3648) = 1.252.
Расчетный момент:
M = M * η,
M = 322.5 * 1.252 = 403.77 кН*м.
αn = N / (Rb * b * h0) = 734.7 / (17 * 103 * 0.4 * 0.75) = 0.144.
ξR = 0.531
αn = 0.144 < ξR =0.531
Расчет ведем для случая αn ≤ ξR:
As = As’ = Rb * b * h0 * (αm - αn * (1 - αn / 2) / (Rs * (1 - δ)),
где αm = (M + N * (h0 - as’) / 2) / (Rb * b * h02) = (403.77 + 734.7 * (0.75 - 0.05) / 2) / (17000 * 0.4 * 0.752) = 0.173.
δ = as′ / h0 = 5 / 75 = 0.067.
As = As’ = 17 * 104 * 0.4 * 0.75 * (0.173 - 0.144 * (1 - 0.144 / 2)) / (355 * (1 - 0.067)) = 6.06 cм2.
Принимаем продольную арматуру колонны 4 16 A400 (As = As’ = 8.04 cм2).
6.3 Расчет прочности нормальных сечений колонны из плоскости рамы
6.3.1 Определение расчетных длин
Рассчитываем отдельно подкрановую и надкрановую части колонны. Взаимовлияние этих частей учтем назначением условных расчетных длин подкрановой и надкрановой частям.
Расчетная длина надкрановой части колонны из плоскости поперечной рамы:
- при учете нагрузки от кранов:
l0в = 2 * Hв,
l0в = 2 * 3.5 = 7 м;
- без учета нагрузки от кранов:
l0в = 2 * Hв,
l0в = 2 * 3.5 = 7 м.
Расчетная длина подкрановой части колонны из плоскости поперечной рамы:
- при учете нагрузки от кранов:
l0н = 1.2 * Hн,
l0н = 1.2 * 11.05 = 13.26 м;
- без учета нагрузки от кранов:
l0н = 1.2 * H,
l0н = 1.2 * 14.55 = 17.46 м.
6.3.2 Расчет надкрановой части колонны
Надкрановую часть колонны рассчитываем на действие продольных сил N = 253.5 кН и Nl = = 169 +0.5 * 84.5 = 211.3 кН (от сочетания нагрузок 1+2) приложенных с эксцентриситетом:
е
а
≥ Hв
/ 600;
еа ≥ hв / 30;
еа ≥ 10 мм.
е
а
≥ 3500 / 600 = 5.83 мм;
еа ≥ 400 / 30 = 13.3 мм;
еа ≥ 10 мм.
Принимаем е0 = еа = 0.0133 м.
M = N * е0
M = 253.5 * 0.0133 = 3.37 кН*м.
Ml = 211.3 * 0.0133 = 2.81 кН*м.
Определяем моменты М1 и М1l относительно растянутой арматуры соответственно от всех нагрузок и от постоянных и длительных нагрузок:
М1 = М + 0.5 * N * (h0 - as’),
M1l = Мl + 0.5 * Nl * (h0 - as’),
М1 = 3.37 + 0.5 * 253.5 * (0.35 - 0.05) = 41.40 кН*м,
M1l = 2.81 + 0.5 * 211.3 * (0.35 - 0.05) = 34.51 кН*м.
Коэффициенты
δe,min = 0.5 - 0.01 * l0 / h - 0.01 * γb2 * Rb,
δe = е0 / h,
δe,min = 0.5 - 0.01 * 7 / 0.4 - 0.01 * 0.9 * 17 = 0.172.
δe = 0.0133 / 0.4 = 0.033 < 0.172 => принимаем δe = 0.172.
Коэффициент:
φb = 1 + β * Nl / N,
где = 1 – коэффициент, принимаемый в зависимости от вида бетона.
φb = 1 + 1 * 211.3 / 253.5 = 1.834.
Коэффициент армирования (из расчета надкрановой части в плоскости рамы) μ = 0.0061.
Определим жесткость по формуле:
D = Eb * b * h3 * [0.0125 / (φb * (0.3 + δe)) + 0.175 * μ * α1 * ((h0 - a’) / h)2],
D = 32500 * 38 * 403 * [0.0125 / (1.834 * (0.3 + 0.172)) + 0.175 * 0.0061 * 6.15 * ((35 - 5) / 40)2] / 100000 = 14332 кН*м2.
Условная критическая сила:
Ncr = π2 * D / l02,
Ncr = π2 * 14332 / 72 = 2886 кН.
Коэффициент продольного изгиба:
η = 1 / (1 - N / Ncr),
η = 1 / (1 - 253.5 / 2886) = 1.096.
Расчетный момент:
M = M * η,
M = 3.37 * 1.096 = 3.69 кН*м.
αn = N / (Rb * b * h0) = 253.5 / (17 * 103 * 0.38 * 0.35) = 0.112.
ξR = 0.531
αn = 0.112 < ξR =0.531
Расчет ведем для случая αn ≤ ξR:
As = As’ = Rb * b * h0 * (αm - αn * (1 - αn / 2) / (Rs * (1 - δ)),
где αm = (M + N * (h0 - as’) / 2) / (Rb * b * h02) = (3.69 + 253.5 * (0.35 - 0.05) / 2) / (17000 * 0.38 * 0.352) = 0.053.
δ = as′ / h0 = 5 / 35 = 0.143.
As = As’ = 17 * 104 * 0.38 * 0.35 * (0.053 - 0.112 * (1 - 0.112 / 2)) / (355 * (1 - 0.143)) = - 4 cм2.
Прочность обеспечена.
6.3.3 Расчет подкрановой части колонны
Подкрановую часть колонны рассчитываем на действие продольных сил N = 734.7 кН и Nl = = 368.7 + 76.1 * 0.5 + 289.9 * 0.5 = 551.7 кН (от сочетания нагрузок 1 + 3 + 5 + 7 + 15) приложенных с эксцентриситетом:\
е
а
≥ Hв
/ 600;
еа ≥ hв / 30;
еа ≥ 10 мм.
е
а
≥ 11050 / 600 = 18.42 мм;
еа ≥ 400 / 30 = 13.3 мм;
еа ≥ 10 мм.
Принимаем е0 = еа = 0.0184 м.
M = N * е0
M = 734.7 * 0.0184 = 13.52 кН*м.
Ml = 551.7 * 0.0184 = 10.15 кН*м.
Определяем моменты М1 и М1l относительно растянутой арматуры соответственно от всех нагрузок и от постоянных и длительных нагрузок:
М1 = М + 0.5 * N * (h0 - as’),
M1l = Мl + 0.5 * Nl * (h0 - as’),
М1 = 13.52 + 0.5 * 734.7 * (0.35 - 0.05) = 123.73 кН*м,
M1l = 10.15 + 0.5 * 551.7 * (0.35 - 0.05) = 92.91 кН*м.
Коэффициенты
δe,min = 0.5 - 0.01 * l0 / h - 0.01 * γb2 * Rb,
δe = е0 / h,
δe,min = 0.5 - 0.01 * 13.26 / 0.4 - 0.01 * 0.9 * 17 = 0.015.
δe = 0.0184 / 0.4 = 0.046 > 0.015 => принимаем δe = 0.046.
Коэффициент:
φb = 1 + β * Nl / N,
где = 1 – коэффициент, принимаемый в зависимости от вида бетона.
φb = 1 + 1 * 551.7 / 734.7 = 1.751.
Коэффициент армирования (из расчета подкрановой части в плоскости рамы) μ = 0.0054.
Определим жесткость по формуле:
D = Eb * b * h3 * [0.0125 / (φb * (0.3 + δe)) + 0.175 * μ * α1 * ((h0 - a’) / h)2],
D = 32500 * 80 * 403 * [0.0125 / (1.751 * (0.3 + 0.046)) + 0.175 * 0.0054 * 6.15 * ((35 - 5) / 40)2] / 100000 = 39771 кН*м2.
Условная критическая сила:
Ncr = π2 * D / l02,
Ncr = π2 * 39771 / 13.262 = 2232 кН.
Коэффициент продольного изгиба:
η = 1 / (1 - N / Ncr),
η = 1 / (1 - 734.7 / 2232) = 1.49.
Расчетный момент:
M = M * η,
M = 13.52 * 1.49 = 20.15 кН*м.
αn = N / (Rb * b * h0) = 734.7 / (17 * 103 * 0.8 * 0.35) = 0.154.
ξR = 0.531
αn = 0.154 < ξR =0.531
Расчет ведем для случая αn ≤ ξR:
As = As’ = Rb * b * h0 * (αm - αn * (1 - αn / 2) / (Rs * (1 - δ)),
где αm = (M + N * (h0 - as’) / 2) / (Rb * b * h02) = (20.15 + 734.7 * (0.35 - 0.05) / 2) / (17000 * 0.8 * 0.352) = 0.078.
δ = as′ / h0 = 5 / 35 = 0.143.
As = As’ = 17 * 104 * 0.8 * 0.35 * (0.078 - 0.154 * (1 - 0.154 / 2)) / (355 * (1 - 0.143)) = - 10 cм2.
Прочность обеспечена.
6.4 Расчет подкрановой консоли колонны
а) Расчёт продольной арматуры
Рабочая высота консоли колонны:
hok = hк - aк,
hok = 0.7 - 0.05 = 0.65 м.
Эксцентриситет усилия Qк относительно грани колонны внизу консоли:
eк = - hнk,
eк = 0.75 - 0.8 = -0.05 м.
Поперечная сила, действующая на консоль, от постоянных и крановых нагрузок:
Qк = F4 + D2max,
Qк = 40 + 322.1 = 362.1 кН.
Изгибающий момент относительно грани колонны внизу консоли:
Мк = 1.25 * Qк * eк,
Мк = 1.25 * 362.1 * (-0.05) = -22.63 кН*м < 0 => площадь продольной арматуры консоли колонны определим из условия работы консоли на изгиб:
Ask.min = 0.0005 * b * hok,
Ask.min = 0.0005 * 40 * 65 = 1.3 см2.
Принимаем продольную арматуру консоли колонны: 2 16 A400 Ask = 4.02 см2.
б) Расчёт поперечной арматуры
Рассчитываемая консоль колонны относится к типу коротких консолей, так как:
lk = 0.25 < 0.9 * hok = 0.9 * 0.65 = 0.585 м.
Предельное усилие, воспринимаемое бетоном наклонной полосы консоли:
Qbk = 0.8 * Rb * b2 * 1000 * b * bf * sin2,
где sin = hк / (hк2 + (bf / 2 + ek)2)0.5 = 0.7 / (0.72 + (0.3 / 2 - 0.05)2)0.5 = 0.99 – синус угла наклона сжатой полосы бетона к горизонтали,
Qbk = 0.8 * 17 * 1.1 * 1000 * 0.4 * 0.3* 0.992 = 1759 кН.
2.5 * Rbt * b2 * 1000 * b * hok = 2.5 * 1.15 * 1.1 * 1000 * 0.4 * 0.65 = 822.25 кН,
3.5 * Rbt * b2 * 1000 * b * hok = 3.5 * 1.15 * 1.1 * 1000 * 0.4 * 0.65 = 1151.15 кН.
Принимаем Qbk = 1151.15 кН.
Поперечная арматура в консоли колонны по расчету не требуется, так как выполняется условие:
Qk = 362.1 кН < Qbk = 1151.15 кН.
Принимаем поперечную арматуру консоли колонны по конструктивным требованиям: 2 8 A400 Ask = 1.57 см2.
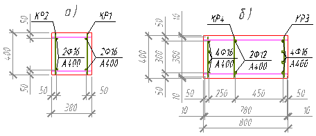
6.5 Конструирование колонны сплошного прямоугольного сечения
Армирование надкрановой и подкрановой частей колонны представлено на рисунке 7.

Рисунок 7. Армирование колонны: а) надкрановая часть; б) подкрановая часть
Надкрановая часть колонны армируется каркасом КР1.
Диаметр поперечных стержней каркаса примем конструктивно из условий:
dsw ≥ 0.25 * ds max (условие свариваемости),
d
sw
≥ 6 мм,
d
sw
≥ 0.25 * 16
= 4
мм.
dsw ≥ 6 мм.
Шаг поперечных стержней примем конструктивно из условий:
S
≤ 15 * ds max,
S
≤ 300 мм
S ≤ 15 * 16 = 240 мм,
S ≤ 300 мм.
Принимаем поперечную арматуру каркаса из арматуры класса A400 диметром dsw = 6 мм, с шагом S = 200 мм.
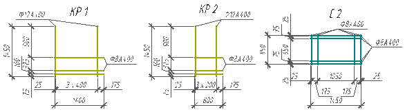
Длина плоского каркаса КР1 равна:
l = Нв - 20 + lan,
l = 3500 - 20 + 700 = 4180 мм,
где lan – расстояние заглубления каркаса от консоли принятое из условий:
lan ≥ (0.7 * 355 / (0.9 * 8.5) + 11) * 16 = 696 мм.
lan ≥ 20 * 16 = 320 мм.
Расстояние от верха каркаса до поперечных стержней:
b 20 + 3 * 70 + 200 = 430 мм.
На всю длину колонны устанавливается каркас КР2.
Диаметр поперечных стержней каркаса примем конструктивно из условий:
d
sw
≥ 0.25 * ds
max
(условие свариваемости),
dsw ≥ 6 мм,
d
sw
≥ 0.25 * 16
= 4
мм.
dsw ≥ 6 мм.
Шаг поперечных стержней примем конструктивно из условий:
S
≤ 15 * ds max,
S ≤ 300 мм

S ≤ 15 * 16 = 240 мм,
S ≤ 300 мм.
Принимаем поперечную арматуру каркаса из арматуры класса A400 диметром dsw = 6 мм, с шагом S = 200 мм.
Длина плоского каркаса КР2:
l = Н - 30,
l = 15450 - 30 = 15420 мм.
В подкрановой части колонны устанавливается плоский каркас КР3. Поперечная арматура каркаса класса A400 диметром dsw = 6 мм, с шагом S = 200 мм.
Длина плоского каркаса КР3:
l = Н - Нв - 110,
l = 15450 - 3500 - 110 = 11840 мм.
В подкрановой части колонны устанавливается также плоский каркас КР4. Продольная и поперечная арматура каркаса принимается по конструктивным требованиям: ds = 12 мм, dsw = 6 мм, S = 200 мм.
Диаметр продольных и поперечных стержней горизонтальной сетки С2 и наклонной сетки С3 принимается по конструктивным требованиям 8 A400.
Диаметр поперечных стержней, объединяющих плоские каркасы в пространственный, назначается из условия свариваемости: dw = 0.25 * 20 = 5 мм, dw ≥ 6 мм, принимаю dw = 6 мм.
Объем бетона колонны:
V = (hв * Hв + hн * Hн + 0.5 * Lкон * (hкmax + hкmin) * b,
где Lкон – вылет консоли от подкрановой части колонны,
hкmax – высота консоли у подкрановой части колонны,
hкmin – минимальная высота консоли.
V = (0.38 * 3.5 + 0.8 * 11.95 + 0.5 * 0.67 * (0.7 + 0.45)) * 0.4 = 4.51 м3.
7 ПРОЕКТИРОВАНИЕ ФУНДАМЕНТА
7.1 Исходные данные для расчета
Для проектируемого здания применены отдельные железобетонные фундаменты ступенчатого типа под колонны из бетона класса В20 армированные арматурой класса А400.
Характеристики арматуры класса А400:
Rs = 355 МПа; Rsc = 355 МПа; Rsw = 285 МПа; Es = 200000 МПа.
Характеристики бетона класса В20:
Rbt.ser = 1.35 МПа; Rb.ser = 15 МПа; Rbt = 0.9 МПа; Rb = 11.5 МПа; γb2 = 0.9; Eb = 27500 МПа.
Расчетное сопротивление грунта – R0 = 0.2 МПа.
Расчетные и нормативные усилия на уровне обреза фундамента (сечение 4-4):
Мmax = 322.5 кН*м;
Nсоот = 734.7 кН;
Qсоот = 38.9 кН;
Мser = Мmax / 1.15 = 322.5 / 1.15 = 280.4 кН*м;
Nо ser = Nсоот / 1.15 = 734.7 / 1.15 = 638.9 кН;
Qser = Qсоот / 1.15 = 38.9 / 1.15 = 33.8 кН.
7.2 Предварительный выбор основных размеров фундамента
7.2.1 Глубина заложения фундамента
Нормативная глубина сезонного промерзания грунтов:
dfn = d0 * Мt0.5,
где d0 = 0.23 – для суглинков и глин;
Mt = 18.5 + 22.3 + 17.2 = 58 – коэффициент, численно равный сумме абсолютных значений среднемесячных отрицательных температур за зиму в данном районе.
dfn = 0.23 * 580.5 = 1.75 м.
Расчетная глубина сезонного промерзания грунта:
df = kh * dfn,
где kh = 0.5 – коэффициент, учитывающий влияние теплового режима здания без подвалов при температуре внутреннего воздуха +20оС.
df = 0.5 *·1.75 = 0.875 м.
Предварительно принимаем минимальную глубину заложения фундаментов: d = 1.65 м.
7.2.2 Размеры стаканной части фундамента
Величина заделки сплошной колонны в фундамент:
hз = hкол = 0.8 м.
Глубина стакана:
hс = hз + 0.05,
hс = 0.8 + 0.05 = 0.85 м.
Принимаем hс = 0.95 м, тогда hз = 0.9 м.
Минимальная высота фундамента:
Hf min = hс + 0.2,
Hf min = 0.95 + 0.2 = 1.15 м.
Принимаем для дальнейшего расчета высоту фундамента: Hf = 1.5 м.
Минимальные длина и ширина подоколонника:
lп = hкол + 2 * 0.075 + 2 * lw,
bп = bкол + 2 * 0.075 + 2 * bw,
где lw = bw = 0.175 м – минимальные толщины стенок стакана расположенные соответственно параллельно и перпендикулярно плоскости действия изгибающего момента.
lп = 0.8 + 2 * 0.075 + 2 * 0.175 = 1.3 м,
bп = 0.4 + 2 * 0.075 + 2 * 0.175 = 0.9 м.
Принимаем следующие размеры подоколонника:
lп = 1.5 м,
bп = 0.9 м.
Толщина стенки стакана расположенной параллельно плоскости действия изгибающего момента:
lw = (lп - hкол - 0.15) / 2,
lw = (1.5 - 0.8 - 0.15) / 2 = 0.275 м.
Толщина стенки стакана расположенной перпендикулярно плоскости действия изгибающего момента:
bw = (bп - bкол - 0.15) / 2,
bw = (0.9 - 0.4 - 0.15) / 2 = 0.175 м.
7.2.3 Размеры подошвы фундамента
Расчетное значение момента на уровне подошвы фундамента:
М = Мmax + Qсоот * Hf,
М = 322.5 + 38.9 * 1.5 = 380.85 кН*м.
Длина и ширина подошвы:
l = (Nо ser / (m * (R0 - * d))0.5, b = l * m,
l = (638.9 / (0.6 * (200 - 20 * 1.65)))0.5 = 2.53 м,
b = 2.53 * 0.6 = 1.52 м.
Принимаем предварительно размеры подошвы: l = 2.7 м, b = 2.1 м.
Для внецентренно нагруженного фундамента должны выполняться следующие условия:
1) для среднего давления:
Р < R0,
где Р – среднее давление на грунт:
Р = Nser / (b * l),
Nser – сила под подошвой фундамента:
Nser = * b * l * d + Nо ser,
Nser = 20 * 2.1 * 2.7 * 1.65 + 638.9 = 826.01 кН.
Р = 826.01 / (2.1 * 2.7) = 145.68 кПа < R0 = 200 кПа - условие выполняется.
2) для максимального краевого давления при эксцентриситете относительно одной главной оси инерции подошвы фундамента:
Pmax 1.2 * R0,
где Pmax – максимальное давление на грунт:
Pmax = Nser / (b * l) + Мser / (b * l2 / 6),
Pmax = 826.01 / (2.1 * 2.7) + 280.4 / (2.1 * 2.72 / 6) = 255 кПа.
Pmax = 255 кПа > 1.2 * R0 = 1.2 * 200 = 240 кПа - условие не выполняется, принимаем размеры подошвы: l = 3 м, b = 2.4 м.
1) Сила под подошвой фундамента:
Nser = 20 * 2.4 * 3 * 1.65 + 638.9 = 876.5 кН.
Среднее давление на грунт:
Р = 876.5 / (2.4 * 3) = 121.74 кПа < R0 = 200 кПа - условие выполняется.
2) Максимальное давление на грунт:
Pmax = 876.5 / (2.4 * 3) + 280.4 / (2.4 * 32 / 6) = 199 кПа < 1.2 * R0 = 1.2 * 200 = 240 кПа - условие выполняется, принимаем окончательно: l = 3 м, b = 2.4 м.
7.3 Расчет и конструирование плитной части фундамента
7.3.1 Конструирование плитной части фундамента
Плитная часть фундамента рассчитывается по двум группам предельных состояний.
Расчет по первой группе включает проверку прочности на продавливание плитной части в целом и по каждой ступени в отдельности, а также расчет на изгиб консольных выступов в сечениях по граням ступеней и подколонника.
Расчет по второй группе предельных состояний – на образование и раскрытие трещин в подошве фундамента.
Толщина дна стакана:
hbot = Hf - hс,
hbot = 1.5 - 0.95 = 0.55 м.
Минимальная рабочая высота плитной части:
H0мин = - 0.25 * (hкол + bкол) + 0.5 * (N / (0.85 * b2 * b9 * Rbt + P))0.5,
H0 = - 0.25 * (0.8 + 0.4) + 0.5 * (734.7 / (0.85 * 1 * 1 * 900 + 121.74))0.5 = 0.155 м.
Минимальная высота плитной части:
Hмин = H0 + а,
где а – расстояние от подошвы фундамента до центра тяжести рабочей арматуры плитной части.
Hмин = 0.155 + 0.05 = 0.205 м.
Вылет плитной части по длине:
lв = (l - lп) / 2,
lв = (3 - 1.5) / 2 = 0.75 м.
Вылет плитной части по ширине:
bв = (b - bп) / 2,
bв = (2.4 - 0.9) / 2 = 0.75 м.
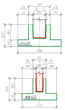
Принимаем фундамент Ф7-1-3-1 с подошвой 3 * 2.4 м, одноступенчатый в двух направлениях, с подколонником размером 1.5 * 0.9 м, высотой 1.5 м, высотой плитной части H = 450 мм:
- по длине фундамента – 1 ступень высотой h1 = 450 мм, вылетом l1 = 750 мм,
- по ширине фундамента – 1 ступень высотой h1 = 450 мм, вылетом l1 = 750 мм.
7.3.2 Проверка плитной части фундамента на продавливание
Проверим условие:
hn - hз < bw + 0.075
где hn – высота подколонника:
hn = Hf - H,
hn = 1.5 - 0.45 = 1.05 м.
1.05 - 0.9 = 0.15 < 0.175 + 0.075 = 0.25, следовательно, необходимо произвести расчет на продавливание фундамента колонной дна стакана и на раскалывание фундамента колонной при действии только расчетной нормальной силой N0’.
а) Расчет на продавливание фундамента колонной дна стакана
Прочность фундамента на продавливание колонной дна стакана обеспечена при выполнении условия:
N0’ ≤ b * l * Rbt / (’ * A0) + Um * hbot,0,
где N0’ = A0 * Pmax,
A0 – площадь многоугольника продавливания:
А0 = 0.5 * b * (l - lс - 2 * hbot.0) - 0.25 * (b - bc - 2 * hbot.0)2,
lс, bc – длина и ширина стакана:
hbot.0 – рабочая высота дна стакана:
hbot.0 = hbot - а,
hbot.0 = 0.55 - 0.05 = 0.5 м.
А0 = 0.5 * 2.4 * (3 - 0.9 - 2 * 0.5) - 0.25 * (2.4 - 0.5 - 2 * 0.5)2 = 1.118 м2,
N0’ = 1.118 * 199 = 224.48 кН.
Um – средний размер грани и пирамиды, образующейся при продавливании, в пределах рабочей высоты:
Um = bc + hbot,0,
Um = 0.5 + 0.5 = 1 м.
’ – коэффициент, учитывающий частичную передачу продольной силы на плитную часть фундамента через стенки стакана:
’ = 1 - 0.4* Rbt * Ащ / N0’ ≥ 0.85,
Ащ – площадь боковой поверхности колонны, заделанной в стакан фундамента:
Ащ = 2 * hз * (bкол + hкол),
Ащ = 2 * 0.9 * (0.4 + 0.8) = 2.16 м2.
’ = 1 - 0.4 * 900 * 2.16 / 224.48 = -2 < 0.85 принимаем ’ = 0.85.
N0’ = 224.48 ≤ 0.4 * 0.8 * 900 / (0.85 * 1.118) + 1 * 0.5 = 305.56 кН - условие выполняется, следовательно, прочность фундамента на продавливание колонной дна стакана обеспечена.
б) Расчет на раскалывание фундамента
Расчет на раскалывание фундамента производим на действие расчетной нормальной силы.
Площади вертикальных сечений фундамента в плоскостях, проходящих по осям колонны параллельно длинной и короткой сторонам подошвы фундамента, за вычетом стакана фундамента, соответственно (см. рисунок 8):

Рисунок 8. Схема к определению площадей вертикальных сечений фундамента
Afl = 2.05 м2,
Afb = 1.53 м2.
bкол / hкол = 0.4 / 0.8 = 0.5 < Afb / Afl = 1.53 / 2.05 = 0.75, следовательно, проверку фундамента по прочности на раскалывание производим из условия:
N ≤ 0.975 * Afl * Rbt * (1 + bкол / hкол),
N = 734.7 кН < 0.975 * Afl * Rbt * (1 + bкол / hкол) = 0.975 * 2.05 * 900 * (1 + 0.4 / 0.8) = 2698 кН - условие выполняется, следовательно, прочность фундамента на раскалывание обеспечена.
в) Проверка ступени по прочности на продавливание
Условие прочности ступени на продавливание:
F < Rbt * bm1 * b2 * h01,
где bm1 = h01 + bп = 0.4 + 0.9 = 1.3 м,
F – расчетная продавливающая сила:
F = A0 * Pmax,
где А0 = 0.63 м2 – площадь многоугольника продавливания (см рисунок 9).
F = 0.63 * 199 = 125.37 кН.
F = 125.37 кН < Rbt * bm1 * b2 * h01 = 900 *1.3 * 0.9 * 0.4 = 421.2 кН - условие выполняется, следовательно, прочность ступени на продавливание обеспечена.

Рисунок 9. Схема к определению площади продавливания
7.3.3 Армирование подошвы фундамента
Армирование подошвы фундамента размером 3 м * 2.4 м производится одной сеткой С1 с рабочими стержнями с шагом S = 200 мм в продольном и поперечном направлениях.
Площадь сечения арматуры на всю ширину (длину) подошвы фундамента:
Asl(sb) = Mbi(li) / (0.9 * Rs * h0i),
где Mbi(li) – изгибающий момент в i - ом сечении фундамента проходящий через центр тяжести сечения и параллельный стороне b (l):
Mbi = Nсоот * cli2 / (2 * l) * (1 + 6 * e0 / l - 4 * (e0 * cli / l2)),
Mli = Nсоот * cbi2 / (2 * b),
cli (cbi) – расстояние от наиболее нагруженного края до рассматриваемого сечения,
е0 – эксцентриситет:
е0 = (Mmax + Qсоот * d) / (Nсоот + 20 * b * l * d),
h0i – рабочая высота плитной части фундамента в i - ом сечении.
Сечение на границе первой ступени и подколонника:
h01 =0.4 м,
cl1 = 0.75 м,
cb1 = 0.75 м,
е0 = (322.5 + 38.9 * 1.65) / (734.7 + 20 * 2.4 * 3 * 1.65) = 0.398 м,
Mb1 = 734.7 * 0.752 / (2 * 3) * (1 + 6 * 0.398 / 3 - 4 * (0.398 * 0.75 / 32)) = 114.567 кН,
Ml1 = 734.7 * 0.752 / (2 * 2.4) = 86.098 кН,
Asl1 = 114.57 / (0.9 * 0.355 * 0.4) = 896 мм2,
Asb1 = 86.098 / (0.9 * 0.355 * 0.4) = 674 мм2.
Количество стержней в сетке по длине и ширине:
nl(b) = b (l) / S,
nl = 2400 / 200 = 12 шт,
nb = 3000 / 200 = 15 шт.
Минимальный диаметр стержней в сетке по длине и ширине:
dsl(b) = (4 * Asl1(sb1) / (π * nl(b))0.5,
dsl = (4 * 896 / (π * 12)0.5 = 9.8 мм.
dsb = (4 * 674 / (π * 15)0.5 = 7.6 мм.
Принимаем сетку С1 –
.
7.4 Расчёт и конструирование подколонника
7.4.1 Проверка прочности подколонника по нормальным сечениям
Проверка прочности подколонника проводится по двум сечениям: в уровне плитной части (сечение 1-1) и в уровне торца колонны (сечение 2-2) (см. рисунок 9).
а) Сечение 1-1
Случайный эксцентриситет:
ea = lп / 30,
ea = 1.5 / 30 = 0.05 м.
Приведенный момент в сечении:
M1 = Мmax + Ncooт * ea + Qcooт * hп,
M1 = 322.5 + 734.7 * 0.05 + 38.9 * 1.05 = 400.08 кН*м.
Эксцентриситет продольного усилия:
е1 = M1 / Nсоот + еа,
е1 = 400.08 / 734.7 + 0.05 = 0.595 м.
Площадь сжатой зоны:
Аbc = bп * lп * (1 - 2 * * е1 / lп),
Аbc = 0.9 * 1.5 * (1 - 2 * 1 * 0.595 / 1.5) = 0.279 м2.
Проверяем условие прочности подколонника в уровне плитной части:
Nсоот < b3 * b9 * Rb * Abc,
b3 * b9 * Rb * ABC = 0.85 * 0.9 * 11500 * 0.279 = 2454 кН.
Nсоот = 734.7 кН < b3 * b9 * Rb * Abc = 2454 кН - условие выполняется, следовательно подколонник между сечениями 1-1 и 2-2 армируется конструктивно.
б) Сечение 2-2
Сечение 2-2 в уровне торца колонны коробчатое, приводим его к эквивалентному двутавровому с высотой полки, толщиной стенки и шириной стенки:
hf = hf’ = lw1 = lw = 0.275 м;
b = 2 * bw1 = 2 * bw = 2 * 0.175 = 0.35 м;
bf = bf’ = bп = 0.9 м.
Площадь боковой поверхности колонны, заделанной в стакан фундамента: Ащ = 2.16 м2.
Коэффициент, учитывающий частичную передачу продольной силы на плитную часть фундамента через стенки стакана: ’ = 0.85.
Продольная сила, передаваемая через бетон замоноличивания на стенки стакана:
N
min
c = 0.4 * Rbt * b2 * Aщ,Nc = (1 - ’) * Nсоот,
Nc = 0.4 * 900 * 0.9 * 2.16 = 699.84 кН,
Nc = (1 - 0.85) * 734.7 = 110.21 кН.
Nc = 110.21 кН.
Проверяем условие:
Nс < Rb * bf’ * hf’,
Nс = 110.21 кН < Rb * bf’ * hf’= 1150 * 0.9 * 0.275 = 284.625 кН - условие выполняется, следовательно, граница сжатой зона проходит в полке, и сечение рассчитывается как прямоугольное с шириной b = 0.9 м.
Приведенный момент в сечении:
M2 = Мmax - Nc * ea + Qcooт * hс,
M2 = 322.5 + 110.21 * 0.05 + 38.9 * 0.8 =359.13 кН*м.
Эксцентриситет продольного усилия:
е1 = M2 / Nс + еа,
е1 = 359.13 / 110.21 + 0.05 = 3.309 м.
Площадь сжатой зоны:
Аbc = bп * lп * (1 - 2 * * е1 / lп),
Аbc = 0.9 * 1.5 * (1 - 2 * 1 * 3.309 / 1.5) = -4.6 < 0, следовательно, сила приложения находится за пределами сечения подколонника.
αn = Nсоот / (Rb * b * h0) = 734.7 / (11500 * 0.9 * 1.45) = 0.049.
ξR = 0.531
αn = 0.049 < ξR =0.531
Расчет ведем для случая αn ≤ ξR:
As = As’ = Rb * b * h0 * (αm - αn * (1 - αn / 2) / (Rs * (1 - δ)),
αm = (M2 + Nс * (h0 - as’) / 2) / (Rb * b * h02) = (359.13 + 110.21 * (1.45 - 0.05) / 2) / (11500 * 0.9 * 1.452) = 0.02.
δ = as′ / h0 = 5 / 145 = 0.035.
As = As’ = 11.5 * 104 * 0.9 * 1.45 * (0.02 - 0.154 * (1 - 0.154 / 2)) / (355 * (1 - 0.035)) = - 53 cм2.
Принимаем:
2 каркаса КР1 4 12 А400 с Аs’ = Аs = 0.000452 м2> 0.0004 * Aп = 0.0004 * 1.03 = 0.000412 м2,
2 каркаса КР2 4 12 А400 с Аs’ = Аs = 0.000452 м2> 0.0004 * Aп = 0.0004 * 1.03 = 0.000412 м2.
7.4.2 Проверка прочности подколонника по наклонным сечениям
Проверку прочности подколонника проводим по одному из двух наклонных сечений: 3-3 или 4-4, в зависимости от величины расчетного эксцентриситета.
Расчетный эксцентриситет:
е’ = (Мmax + Qсоот * hc) / Nсоот,
е’ = (322.5 + 38.9 * 0.95) / 734.7 = 0.489 м.
е’ = 0.489 м > hкол / 2 = 0.8 / 2 = 0.4 м, тогда расчетное сечение 4-4 с расчётным моментом:
МВ = Мmax + Qсоот * hc - 0.7 * Nсоот * е’,
МВ = 322.5 + 38.9 * 0.95 - 0.7 * 734.7 * 0.489 = 107.97 кН*м.
Площадь рабочей арматуры одной сетки С2:
Аs = МВ / (Rs * zi),
где zi – расстояние от каждого ряда сетки С2 до торца колонны.
zi = z1 + z2 + z3 + z4 + z5 = 0.2 + 0.4 + 0.6 + 0.8 = 2 м.
Аs = 107.97 / (35.5 * 2) = 1.52 см2.
Так как полученная по расчету площадь меньше предельно допустимой, то принимаем минимально допустимое армирование на одну сетку C2 – 4 8 А400 с Аs = 2.01 см2.
7.4.3 Армирование подколонника
Подколонник фундамента армируется четырьмя вертикальными каркасами КР1, КР2 образующих пространственный каркас и пятью горизонтальными сетками С2 (рисунок 10).
Сетки С2 располагаются горизонтально по высоте от верха фундамента с шагом 200 мм. Стержни сеток С2 расположены с таким расчетом, что стержни продольной арматуры каркасов КР1, КР2 подколонника проходят внутри ячеек сетки. Толщина защитного слоя бетона для рабочей арматуры подколонника 50 мм в поперечном и продольном направлениях.

Рисунок 10. Изделия для армирования подколонника
Список использованных источников
ГОСТ 11118-73. Панели из автоклавных ячеистых бетонов для наружных стен зданий. Технические требования. Москва.
ГОСТ 13840-68*. Канаты стальные арматурные 17. Технические условия. Издательство стандартов. Москва.
ГОСТ 14098-91. Соединения сварные арматуры и закладных изделий железобетонных конструкций типы, конструкции и размеры.
ГОСТ 23279-85. Сетки арматурные сварные для железобетонных конструкций и изделий. Москва. Госстрой СССР. 1985.
ГОСТ 5781-82. Сталь горячекатаная для армирования железобетонных конструкций. Технические условия.
ГОСТ 6727-80*. Проволока из низкоуглеродистой стали холоднотянутая для армирования железобетонных конструкций. Технические условия. Госстрой СССР. Москва. 1994.
Пособие по проектированию бетонных и железобетонных конструкций из тяжелого бетона без предварительного напряжения арматуры (к СП 52-101-2003). ГУП НИИЖБ Госстроя России. Москва. 2005.
Пособие по проектированию предварительно напряженных железобетонных конструкций из тяжелого бетона (к СП 52-102-2004). ГУП НИИЖБ Госстроя РФ.
Серия 1.412.1-16. Фундаменты монолитные железобетонные на естественном основании под типовые железобетонные колонны одноэтажных и многоэтажных зданий.
Серия 1.424.1-5. Колонны железобетонные прямоугольного сечения для одноэтажных производственных зданий высотой 8,4-14,4 м оборудованных мостовыми опорными кранами грузоподъемностью до 32 тонн.
Серия 1.463.1-16. Фермы стропильные железобетонные сегментные для покрытий одноэтажных производственных зданий пролетами 18 и 24 м.
СНиП 2.01.07-85*. Нагрузки и воздействия. Минстрой РФ. Москва. 1996.
СНиП 52-01-2003. Бетонные и железобетонные конструкции Основные положения. ГУП НИИЖБ Госстроя России. Москва. 2004.
СП 52-101-2003. Бетонные и железобетонные конструкции без предварительного напряжения арматуры. ГУП НИИЖБ Госстроя России.
СП 52-102-2004. Предварительно напряженные железобетонные конструкции. ГУП НИИЖБ Госстроя России.
Железобетонные конструкции. Байков В. Н., Сигалов Э. Е. Москва. Стройиздат. 1985.
Строительные конструкции. Учебное пособие. Малбиев С.А., Телоян А.Л., Лопатин А.Н. Пермь. 2006.