Проектирование свайных и ленточных фундаментов
Содержание
1. Исходные данные на проектирование
2. Анализ инженерно-геологических условий строительной площадки
3. Проектирование фундаментов мелкого заложения на естественном основании
3.1. Определение глубины заложения подошвы фундамента
3.2. Определение размеров подошвы фундамента
3.3. Определение расчетного сопротивления грунта основания
3.4. Конструирование фундамента
3.5. Расчет осадки фундаментов
3.6. Проверка прочности подстилающего слоя грунта основания
3.7. Расчет устойчивости фундаментов на плоский сдвиг
3.8. Расчет устойчивости фундаментов на воздействие касательных сил морозного пучения грунта
4. Проектирование свайных ленточных и кустовых фундаментов
4.1. Определение расчетных нагрузок
4.2. Назначение размеров ростверка и глубины его заложения
4.3. Выбор типа свай и их предварительных размеров
4.4. Определение несущей способности свай по грунту
4.5. Определение несущей способности сваи по материалу
4.6. Определение количества свай в ростверке
4.7. Конструирование свайных фундаментов
4.8. Определение фактической нагрузки на сваи
4.9. Расчет свай на горизонтальные нагрузки
4.10. Проверка давлений в основании свайного фундамента как условно массивного
4.11. Расчет осадки основания свайного фундамента как условно массивного
5. Технико-экономическое сравнение вариантов фундаментов
5.1 Подготовительные работы
5.2 Геодезические работы
5.3 Разработка грунта
5.4 Подготовка основания
5.5 Засыпка пазух котлованов
5.6 Техника безопасности при возведении фундаментов
1. Исходные данные на проектирование
В соответствие с заданием в курсовом проекте необходимо запроектировать фундаменты для ремонтного цеха в двух вариантах:
1)Фундамент мелкого заложения на естественном основании
2)Свайный фундамент
Схема здания представлена на рисунке 1.1.
Нагрузки, действующие в уровне обреза фундамента, приведены в таблице 1.1.
Таблица 1.1.
Нормативные нагрузки на обрезах фундамента
|
Варианты схем зданий и их назначение |
Номер фундамента |
Нагрузки |
||
|
N>11>, кН |
M>11>,
|
F>h>>11>, кН |
||
|
5. Ремонтный цех |
1 2 5 |
1090 750 1560 |
42 - -200 |
- - -12 |
Вариант геологического разреза приведен в таблице 1.2.
Таблица 1.2.
Варианты геологических разрезов
|
Номер геологического разреза |
Отметка подошвы слоя |
Отметка У.П.В. |
|||
|
9 |
9
|
4,4 |
12,4 |
|
-6,400 |
Нормативные характеристики грунтов даны в таблице 1.3.
Таблица 1.3.
Нормативные характеристики грунтов
|
Номер грунта |
Наиме-нование грунта |
Удель-ный вес
|
Удельный вес час- тиц грун- та
|
Влаж- ность W, доли единиц |
Влаж- ность на границе текучес-ти W>l>, % |
Влаж- ность на грани-це раска-тыва-ния W>P>, % |
Удель- ное сцеп-ление с, кПа |
Угол внут- рен- него тре- ния
град |
Мо-дуль общей де-фор- мации E, кПа |
|
9 |
Супесь |
17,2 |
26,7 |
0,19 |
22 |
16 |
2 |
18 |
4000 |
|
35 |
Глинис-тый грунт |
19,1 |
27,2 |
0,18 |
30 |
18 |
25 |
21 |
19000 |
|
25 |
Песок |
17,3 |
26,0 |
0,10 |
- |
- |
4 |
30 |
10000 |
|
39 |
Глинис- тый грунт |
20,0 |
27,3 |
0,21 |
35 |
19 |
38 |
20 |
30000 |
Таблица 1.4.
Гранулометрический состав песчаных грунтов
|
№№ грунтов |
Размер частиц, мм |
|||||||
|
>10 |
10-5 |
5-2 |
2-1 |
1-0,5 |
0,5-0,25 |
0,25-0,1 |
<0,1 |
|
|
25 |
- |
- |
5 |
10 |
11 |
11 |
33 |
30 |
Фундаменты проектируются в Завитинске. Геологический разрез строительной площадки представлен на рисунке 1.2.
Нормативная глубина промерзания составляет 232 см.
Уровень подземных вод – 6,4 м.

Рисунок 1.2. – Геологический разрез
2. Анализ инженерно-геологических условий строительной площадки
На основе исходных данных о грунтах определяются недостающие (вычисляемые) характеристики грунтов каждого слоя основания и результаты вычисления записываются в таблицу 2.1, где даны все необходимые для расчета формулы.
Таблица 2.1.
Сводная таблица физико-механических свойств грунтов
|
Показатель |
Обозначение и единица измерения |
Номер геологического слоя |
Формула для расчета |
|||
|
1-й |
2-й |
3-й |
4-й |
|||
|
Удельный вес твердых частиц Удельный вес грунта Влажность Удельный вес скелета грунта Коэффициент пористости Удельный вес грунта во взвешенном состоянии Степень влажности Граница текучести Граница раскатывания Число пластичности Показатель текучести Модуль общей деформации Угол внутреннего трения грунта Удельное сцепление |
W, д.е.
е
S>r> W>l>, % W>P>, % I>P>, % I>l>, % E, кПа
с, кПа |
26,7 17,2 0,19 14,45 0,85 9,03 0,60 22 16 6 0,50 4000 18 2 |
27,2 19,1 0,18 16,19 0,68 10,24 0,72 30 18 12 0 19000 21 25 |
26,0 17,3 0,10 15,73 0,65 9,70 0,40 - - - - 10000 30 4 |
27,3 20,0 0,21 16,53 0,65 10,49 0,88 35 19 16 0,13 30000 20 38 |
Из задания То же То же
Из задания Из задания I>P>=W>l>-W>P>
Из задания То же То же |
|
Показатель |
Обозначение и единица измерения |
Номер геологического слоя |
Формула для расчета |
|||
|
1-й |
2-й |
3-й |
4-й |
|||
|
Наименование песчаных грунтов по e и S>r> наименование глинистых грунтов по I>p> и I>l> Расчетное сопротивление грунтов |
R>0>, кПа |
Супесь пластичная Не нормируется |
Су-глинок полу-твердый 255 |
Песок пылеватый, средней плотности, маловлажный 250 |
Су-глинок полутвердый 257,3 |
Суглинок полутвердый:

Суглинок полутвердый:

Строим геологическую колонку и эпюру расчетных давлений.

Рисунок 2.1. – Геологическая колонка и эпюра R>0>
Во всех последующих расчетах используются расчетные характеристики грунтов X
,
где Х>n>
– нормативное значение данной
характеристики грунта;
- коэффициент надежности по грунту.
Таблица 2.2.
Расчетные характеристики грунтов
|
Номер слоя грунта |
Наименова- ние грунта |
Норм. |
1,3 |
1,1 |
Норм. |
1,1 |
1,05 |
Норм. |
1,1 |
1,05 |
1,0 |
|
С>Н> |
С>I> |
C>II> |
|
|
|
|
|
|
E>II> |
||
|
1 |
Супесь пластичная |
2 |
1,54 |
1,82 |
15 |
16,36 |
17,14 |
17,2 |
15,64 |
16,38 |
4000 |
|
2 |
Суглинок полутвердый |
25 |
19,23 |
22,73 |
21 |
19,09 |
20,00 |
19,1 |
17,36 |
18,19 |
19000 |
|
3 |
Песок пыле- ватый, сред- ней плотности, маловлажный |
4 |
3,08 |
3,64 |
30 |
27,27 |
28,57 |
17,3 |
15,73 |
16,48 |
10000 |
|
4 |
Суглинок полутвердый |
38 |
29,23 |
34,55 |
20 |
18,18 |
19,05 |
20,0 |
18,18 |
19,05 |
30000 |
3. Проектирование фундаментов мелкого заложения на естественном основании
3.1. Определение глубины заложения подошвы фундамента
Глубина заложения подошвы фундамента должна приниматься с учетом следующих факторов:
назначения и конструктивных особенностей проектируемого сооружения, нагрузок и воздействий на его фундаменты;
глубины заложения фундаментов примыкающих сооружений, а также глубины прокладки инженерных коммуникаций;
существующего и проектируемого рельефа застраиваемой территории;
инженерно-геологических условий площадки строительства (физико-механических свойств грунтов, характера напластований, наличия слоев, склонных к скольжению, карманов выветривания, карстовых полостей и др.);
гидрогеологических условий площадки и возможных их изменений в процессе строительства и эксплуатации;
возможного размыва грунта у опор сооружений, возводимых в руслах рек (мостов, переходов, трубопроводов и др.);
глубины сезонного промерзания грунта.
Конструктивными особенностями возводимых сооружений являются:
величина и характер нагрузок, передаваемых на фундаменты;
наличие подземных этажей, подвалов, подполий, приямков и других устройств, заглубленных в грунт;
характер конструкций, через которые нагрузка передается на фундаменты (колонна каркаса, инженерные болты, несущие стены, распорные конструкции);
чувствительность надземных конструкций к возможному развитию неравномерных осадок.
Определяем глубину заложения под колонну 1 сечением 600x400 мм:
d>1>=0,15+Н>Ф>=0,15+0,6+0,05+0,2=1м=1,05 м
d>2> не рассчитывается, так как фундамент закладывается в грунте, обладающем несущей способностью.
- данная величина в расчет не принимается,
так как глубина заложения фундамента
ниже глубины промерзания грунта.
Сравнивая данные глубины заложения фундамента по конструктивным соображениям принимаем глубину заложения d>1>=1,05 м, h>Ф>=0,9 м.
Определяем глубину заложения фундамента под колонну 2 сечением 400х400 мм:
d>1>=0,15+Н>Ф>=0,15+0,4+0,05+0,2=0,8м=0,9 м
d>2>=h>1>+0,5=0,4+0,5=0,9 м – в расчете не учитывается, так как фундамент закладывается в грунте, обладающем несущей способностью.
d>3> – не рассчитывается, так как глубина заложения фундамента ниже глубины промерзания грунта.
Сравнивая данные глубины заложения фундамента по конструктивным соображениям принимаем глубину заложения d>1>=0,9 м, h>Ф>=0,75 м.
Определяем глубину заложения фундамента под колонну 5 сечением 400х400 мм:
d>1>=0,15+Н>Ф>=0,15+0,4+0,05+0,2=0,8м=0,9 м
d>2>=h>1>+0,5 – в расчете не учитывается, так как фундамент закладывается в грунте, обладающем несущей способностью.
d>3> – не рассчитывается, так как глубина заложения фундамента ниже глубины промерзания грунта.
Сравнивая данные глубины заложения фундамента по конструктивным соображениям принимаем глубину заложения d>1>=0,9 м, h>Ф>=0,75 м.
3.2. Определение размеров подошвы фундамента
Определим площадь подошвы фундамента под колонну 1 в первом приближении:

где N>0>>II>
– рассчетная нагрузка, приложенная к
обрезу фундамента, кН; R>0>
– расчетное сопротивление грунта
основания, кПа;
- средний удельный вес грунта и материала
при наличии подвала; d>1>
– глубина заложения фундамента от
планировочной отметки, м.

Определим коэффициент соотношения сторон К>n>:

Определим площадь подошвы фундамента под колонну 2 в первом приближении:

Определим коэффициент соотношения сторон К>n>:


Определим площадь подошвы фундамента под колонну 5 сечением 400х400 мм в первом приближении:

Определим коэффициент соотношения сторон К>n>:


3.3. Определение расчетного сопротивления грунта основания
Сечение №1
По полученной в пункте 3.2 величине b и глубине заложения d>1>, определяем расчетное сопротивление грунта основания R, кПа:

;
;
k=1;
;
;
;
k>Z>=1;
b=1,8 м;





Для среднего давления по подошве P>CP><R
<
R (382,618 кПа)
Для максимального
краевого давления P>max
>1,2R
Для минимального
краевого давления P>min>
0

P>MAX>=274,087 кПа < 1,2R (459,142 кПа)
P>MIN>=216,473 кПа >0
Недогруз фундамента, следовательно необходимо уменьшить размеры до 1,5х2,1 м



P>MAX>=420,362 кПа < 1,2R (454,542 кПа)
Недогруз
составляет

P>MIN>=313,702 кПа >0
Окончательно принимаем размеры подошвы фундамента для колонны 1: 1,5х2,1 м
Эксцентриситет е>0>:

Относительный эксцентриситет е>1>:
-
краевые давления допускается не проверять.
Сечение №2
По полученной в пункте 3.2 величине b и глубине заложения d>1>, определяем расчетное сопротивление грунта основания R, кПа:

;
;
k=1;
;
;
;
k>Z>=1;
b=1,8 м;





Для среднего давления по подошве P>CP><R
<
R (373,391 кПа)
Недогруз
составляет

Следовательно необходимо уменьшить размеры до 1,5х1,5 м

<R
=369,564 кПа
Недогруз
составляет

Окончательно принимаем размеры подошвы фундамента для колонны 1: 1,5х1,5 м
Сечение №5
По полученной в пункте 3.2 величине b и глубине заложения d>1>, определяем расчетное сопротивление грунта основания R, кПа:

;
;
k=1;
;
;
;
k>Z>=1;
b=2,7 м;





Для среднего давления по подошве P>CP><R
<
R (382,637 кПа)
Для максимального
краевого давления P>max
>1,2R
Для минимального
краевого давления P>min>
0

P>MAX>=292,958 кПа < 1,2R (459,164 кПа)
Недогруз
составляет

P>MIN>=216,473 кПа >0
Недогруз фундамента, следовательно необходимо уменьшить размеры до 2,4х2,4 м

<R=378,8
кПа

P>MAX>=375,639 кПа < 1,2R (454,56 кПа)
Недогруз
составляет

P>MIN>=202,027 кПа >0
Недогруз фундамента, следовательно необходимо уменьшить размеры до 2,1х2,4 м

<R=374,984
кПа

P>MAX>=440,903 кПа < 1,2R (449,981 кПа)
Недогруз
составляет

P>MIN>=214,143 кПа >0
Окончательно принимаем размеры подошвы фундамента для колонны 5: 2,1х2,4 м

Рисунок 3.1. – Расчетная схема здания
3.4. Конструирование фундамента
Сечение №1

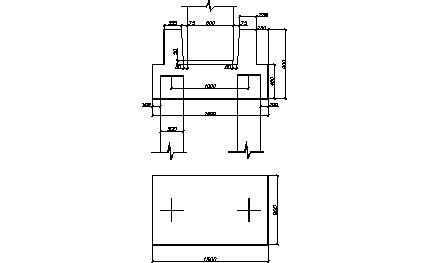
Рисунок 3.2. – Конструкция монолитного отдельного фундамента под колонну 1
Сечение №2

Рисунок 3.3. – Конструкция монолитного отдельного фундамента под колонну 2
Сечение №5

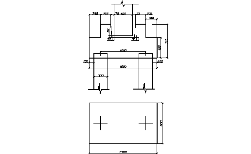
Рисунок 3.3. – Конструкция монолитного отдельного фундамента под колонну 5
3.5. Расчет осадки фундаментов
Для расчета осадок фундаментов шириной менее 10 м рекомендуется метод послойного суммирования деформаций слоев грунта, на которые разбивается сжимаемая толща основания.
Расчет осадки фундамента под колонну 1:

Рисунок 3.4. – Схема к расчету осадки фундамента под колонну 1
P>MAX>=420,362 кПа




|
|
|
|
|
|
|
|||||||||
|
№ слоя |
Zi, м |
hi, м |
Ei |
Si |
|||||||||||
|
0 |
0 |
0 |
- |
- |
19,1 |
0 |
1 |
401,262 |
- |
- |
- |
||||
|
1 |
0,35 |
0,35 |
18,19 |
6,367 |
25,4665 |
0,46667 |
0,9513 |
381,734 |
391,498 |
19000 |
0,5769 |
||||
|
2 |
0,95 |
0,6 |
16,48 |
9,888 |
35,3545 |
1,26667 |
0,657 |
263,629 |
322,681 |
10000 |
1,5489 |
||||
|
3 |
1,55 |
0,6 |
16,48 |
9,888 |
45,2425 |
2,06667 |
0,3992 |
160,172 |
211,9 |
10000 |
1,0171 |
||||
|
4 |
2,15 |
0,6 |
16,48 |
9,888 |
55,1305 |
2,86667 |
0,2517 |
100,986 |
130,579 |
10000 |
0,6268 |
||||
|
5 |
2,35 |
0,2 |
16,48 |
3,296 |
58,4265 |
3,13333 |
0,2183 |
87,6075 |
94,2966 |
10000 |
0,1509 |
||||
|
6 |
2,95 |
0,6 |
9,7 |
5,82 |
64,2465 |
3,93333 |
0,1497 |
60,0569 |
73,8322 |
10000 |
0,3544 |
||||
|
7 |
3,55 |
0,6 |
9,7 |
5,82 |
70,0665 |
4,73333 |
0,108 |
43,3363 |
51,6966 |
10000 |
0,2481 |
||||
|
8 |
4,15 |
0,6 |
9,7 |
5,82 |
75,8865 |
5,53333 |
0,081 |
32,5022 |
37,9193 |
10000 |
0,182 |
||||
|
9 |
4,75 |
0,6 |
9,7 |
5,82 |
81,7065 |
6,33333 |
0,0633 |
25,4119 |
28,9571 |
10000 |
0,139 |
||||
|
10 |
5,35 |
0,6 |
9,7 |
5,82 |
87,5265 |
7,13333 |
0,05 |
20,0631 |
22,7375 |
10000 |
0,1091 |
||||
|
S= |
4,9533 см |
Расчетная осадка фундамента под колонну 1 меньше предельной, следовательно перепроектирование фундамента не требуется.
Расчет осадки фундамента под колонну 2:

Рисунок 3.5. – Схема к расчету осадки фундамента под колонну 2
P>MAX>=333,333 кПа




|
№ слоя |
Zi, м |
hi,м |
|
|
|
|
|
|
|
Ei |
Si |
|
0 |
0 |
0 |
- |
- |
16,371 |
0 |
1 |
316,962 |
- |
- |
- |
|
1 |
0,5 |
0,5 |
18,19 |
9,095 |
25,466 |
0,66667 |
0,8203 |
260,013 |
288,488 |
19000 |
0,6073 |
|
2 |
1,1 |
0,6 |
16,48 |
9,888 |
35,354 |
1,46667 |
0,4423 |
140,202 |
200,108 |
10000 |
0,9605 |
|
3 |
1,7 |
0,6 |
16,48 |
9,888 |
45,242 |
2,26667 |
0,2377 |
75,3324 |
107,767 |
10000 |
0,5173 |
|
4 |
2,3 |
0,6 |
16,48 |
9,888 |
55,13 |
3,06667 |
0,1417 |
44,904 |
60,1182 |
10000 |
0,2886 |
|
5 |
2,5 |
0,2 |
16,48 |
3,296 |
58,426 |
3,33333 |
0,122 |
38,6694 |
41,7867 |
10000 |
0,0669 |
|
6 |
3,1 |
0,6 |
9,7 |
5,82 |
64,246 |
4,13333 |
0,0824 |
26,1018 |
32,3856 |
10000 |
0,1555 |
|
7 |
3,7 |
0,6 |
9,7 |
5,82 |
70,066 |
4,93333 |
0,059 |
18,7008 |
22,4013 |
10000 |
0,1075 |
|
S= |
2,7035 |
Расчетная осадка фундамента под колонну 1 меньше предельной, следовательно перепроектирование фундамента не требуется.
Расчет осадки фундамента под колонну 5:

Рисунок 3.6. – Схема к расчету осадки фундамента под колонну 5
P>MAX>=440,903 кПа




|
№ слоя |
Zi |
hi |
|
|
|
|
|
|
|
Ei |
Si |
|
|
0 |
0 |
0 |
- |
- |
16,371 |
0 |
1 |
424,523 |
- |
- |
- |
|
|
1 |
0,5 |
0,5 |
18,19 |
9,095 |
25,466 |
0,47619 |
0,9252 |
392,752 |
408,637 |
19000 |
0,8603 |
|
|
2 |
1,34 |
0,84 |
16,48 |
13,84 |
39,3092 |
1,27619 |
0,5658 |
240,212 |
316,482 |
10000 |
2,1268 |
|
|
3 |
2,18 |
0,84 |
16,48 |
13,84 |
53,1524 |
2,07619 |
0,3164 |
134,306 |
187,259 |
10000 |
1,2584 |
|
|
4 |
2,5 |
0,32 |
16,48 |
5,274 |
58,426 |
2,38095 |
0,2574 |
109,259 |
121,783 |
10000 |
0,3118 |
|
|
5 |
2,82 |
0,32 |
9,7 |
3,104 |
61,53 |
2,68571 |
0,2146 |
91,1026 |
100,181 |
10000 |
0,2565 |
|
|
6 |
3,66 |
0,84 |
9,7 |
8,148 |
69,678 |
3,48571 |
0,1381 |
58,6436 |
74,8731 |
10000 |
0,5031 |
|
|
7 |
4,5 |
0,84 |
9,7 |
8,148 |
77,826 |
4,28571 |
0,0957 |
40,6226 |
49,6331 |
10000 |
0,3335 |
|
|
8 |
5,34 |
0,84 |
9,7 |
8,148 |
85,974 |
5,08571 |
0,0697 |
29,5765 |
35,0996 |
10000 |
0,2359 |
|
|
9 |
6,18 |
0,84 |
9,7 |
8,148 |
94,122 |
5,88571 |
0,0527 |
22,3893 |
25,9829 |
10000 |
0,1746 |
|
|
S= |
6,0608 |
Расчетная осадка фундамента под колонну 5 меньше предельной, следовательно перепроектирование фундамента не требуется.
3.6. Проверка прочности подстилающего слоя грунта основания
Так как в пределах сжимаемой толщи основания грунт с малым модулем деформации отсутствует, то проверку прочности слабого слоя грунта производить не требуется.
3.7. Расчет устойчивости фундаментов на плоский сдвиг
Целью расчета оснований по несущей способности является обеспечение прочности и устойчивости оснований, а также недопущение сдвига фундамента по подошве и его опрокидывания.
Расчет устойчивости фундаментов на сдвиг по подошве производится при действии больших горизонтальных нагрузок, действующих на фундамент (горизонтальные силы и боковое давление грунта засыпки на фундаментную стенку в подвальных помещениях).
Так как горизонтальная сила F>hII>=12 кН невелика, а стенка из фундаментных блоков отсутствует, то расчет устойчивости фундаментов на плоский сдвиг не требуется.
3.8. Расчет устойчивости фундаментов на воздействие касательных сил морозного пучения грунта
Так как здание ремонтного цеха проектируется с подвалом и все проектируемые фундаменты находятся в подвале на глубине, где отсутствует промерзание, то проверку устойчивости фундаментов на воздействие касательных сил морозного пучения грунта можно не производить.
4. Проектирование свайных ленточных и кустовых фундаментов
4.1. Определение расчетных нагрузок
Расчет свайных фундаментов и их оснований производят по предельным состояниям двух групп:
1) по первой группе – по прочности конструкций свай, свайных ростверков; по несущей способности грунта основания свайных фундаментов и свай; по устойчивости оснований свайных фундаментов в целом при горизонтальных нагрузках или основаниях, ограниченных нисходящими откосами;
2) по второй группе – по осадкам оснований свайных фундаментов от вертикальных нагрузок; по перемещениям свай от действия вертикальных, горизонтальных нагрузок и моментов; по образованию или раскрытию трещин в элементах железобетонных конструкций.
При выполнении расчетов по первой группе предельных состояний принимают расчетные нагрузки, которые вычисляют по формулам:
;
,
где N>I>
, M>I>
–соответственно расчетные значения
нагрузки и момента, действующих на сваи;
- коэффициент надежности по нагрузке
(
);
Nn ,
Mn –
соответственно нормативные значения
нагрузки и момента.
Для фундамента 1:


Для фундамента 2:

Для фундамента 5:


4.2. Назначение размеров ростверка и глубины его заложения
Расчет свайного варианта фундаментов начинается с составления расчетной схемы, где изображается геологический разрез с основными характеристиками грунтов. В дальнейшем по указанному разрезу выбирается опорный слой для свай и длина свай.
При проектировании свайного фундамента под его минимальные размеры в плане определяются количеством свай в кусте. Принимаем минимальные размеры ростверка в плане 1,5х1,5 м. Размеры ростверков по высоте принимаются кратными 15 см. Отметка обреза принимается на 15-20 см ниже планировочной отметки или отметки пола помещения.
Глубина заложения подошвы ростверка зависит от факторов, указанных для фундаментов мелкого заложения, но в первую очередь от конструктивных особенностей здания и сооружения и от пучиноопасности верхнего слоя грунта, в котором будет располагаться ростверк.
4.3. Выбор типа свай и их предварительных размеров
Выбор типа свай зависит от инженерно-геологических условий стройплощадки, величины и характера нагрузок, действующих на фундаменты, наличия в строительных организациях необходимого сваебойного оборудования, стесненности условий строительства.
Сваи по характеру работы разделяют на сваи-стойки и висячие (сваи трения). Свая-стойка работает как сжатая стойка. Она передает нагрузку только нижним концом на крупнообломочные, скальные или малосжимаемые пылевато-глинистые грунты. Когда под нижним концом сваи залегают сжимаемые грунты, нагрузка передается на грунты основания и боковой поверхностью, и свая является висячей или сваей трения. Такие сваи более экономичны при малом поперечном сечении и большой длине. Выбор типа свай производят на основании данных инженерно-геологических изысканий.
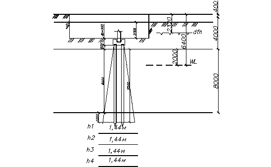
В проекте используем сваи С 6 30 – сваи квадратного поперечного сечения диаметром 30 см и длиной 6м.

Рисунок 4.1. – Расчетная схема свайного фундамента под колонну 1

Рисунок 4.2. – Расчетная схема свайного фундамента под колонну 2
4.4. Определение несущей способности свай по грунту
Допускаемая нагрузка на сваю определяется из условия ее несущей способности по грунту и материалу. При определении числа свай на фундамент используется меньшее значение допускаемой нагрузки на сваю.
Свайные фундаменты и отдельные сваи по несущей способности грунтов основания (несущая способность свай по грунту) рассчитываются по формуле:
,
где N – полная расчетная вертикальная нагрузка на сваю, которая складывается из расчетных нагрузок: N>01> – приложенной в уровне обреза фундамента; N>P>>1> – веса ростверка; N>ГР1> – веса грунта на консолях ростверка.
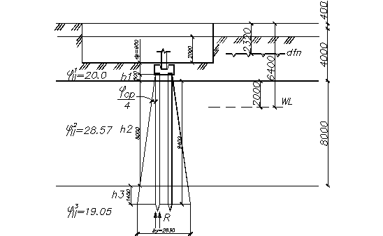
Рассчитаем несущую способность сваи для фундамента под колонну 5, к обрезу которого прикладывается наибольшая нагрузка.
В проекте N находится по формуле:


=1872
кН+50,625 кН=1922,625 кН

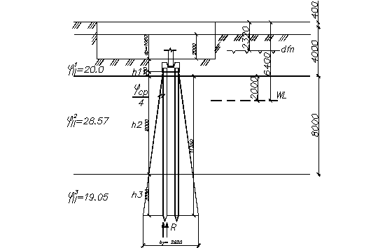
Рисунок 4.3. – Расчетная схема к оценке несущей способности висячей забивной сваи по грунту
Несущая способность висячих свай определяется как сумма сопротивлений грунтов оснований под нижними концами свай и по их боковой поверхности по формуле:
,
где
,
,
- наружный периметр поперечного сечения
сваи.
Таблица 4.1
Определение

|
Характеристика грунта |
z>i>, м |
h>i>, м |
f>i> |
|
|
|
1,15 |
0,5 |
32,9 |
16,45 |
|
Песок пылеватый, средней плотности, маловлажный |
2,4 |
2 |
22,6 |
45,2 |
|
4,4 |
2 |
27,4 |
54,8 |
|
|
6 |
1,2 |
31 |
37,2 |
Расчетное сопротивление под нижним концом сваи R:
R=

4.5. Определение несущей способности сваи по материалу
Несущая способность сваи по материалу на сжатие для железобетонных свай определяется по формуле:

где F>m>
– несущая способность сваи по материалу,
кПа;
- коэффициент условий работы сваи
=1
(при размере поперечного сечения сваи
более 200 мм);
- коэффициент, учитывающий условия
загружения, гибкость и другое (для свай,
полностью находящихся в грунте,
=1);
R>b> –
расчетное сопротивление бетона при
осевом сжатии (призменная прочность),
кПа; А – площадь поперечного сечения
сваи, м2; R>st>
– расчетное сопротивление арматуры
сжатию, кПа; A>S>
– площадь всех продольных стержней
арматуры.
R>b>=14500 кПа
R>АРМ>=280000 кПа
S>АРМ>=
S>b>=0,09м2

Для дальнейшего расчета принимаем несущую способность сваи по грунту F>d>=383,1 кПа
4.6. Определение количества свай в ростверке
Требуемое количество свай определяется по формуле:
,
где N>1>
– полная расчетная нагрузка, передаваемая
на сваи, приведенная к подошве плиты
ростверка, кН; F>d>
– несущая способность сваи по грунту;
- коэффициент надежности (
=1,4);
- коэффициент, учитывающий работу свай
при наличии момента внешних сил в уровне
подошвы ростверка и принимаемый равным
1,1 – 1,2.

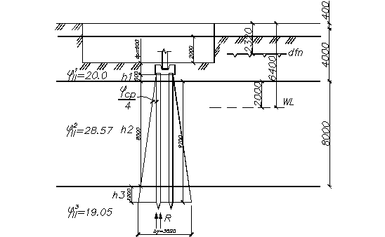
Необходимо увеличить длину свай до 12 м для уменьшения их количества в ростверке.

Рисунок 4.4 – Расчетная схема к оценке несущей способности сваи по грунту для колонны 5
Таблица 4.2
Определение
|
Характеристика грунта |
z>i>, м |
h>i>, м |
f>i> |
|
|
|
1,15 |
0,5 |
36,05 |
18,025 |
|
Песок пылеватый, средней плотности, маловлажный |
2,4 |
2 |
44,4 |
88,8 |
|
4,4 |
2 |
54,2 |
108,4 |
|
|
6,4 |
2 |
58,8 |
117,6 |
|
|
8,4 |
2 |
62,6 |
125,2 |
|
|
Суглинок полутвердый I>L>=0,30 |
10 |
1,2 |
46,0 |
55,2 |
Расчетное сопротивление под нижним концом сваи R:
R=


сваи длиной по 10 м
Рассчитаем несущую способность сваи для фундамента под колонну 2:
В проекте N находится по формуле:


=900
кН+50,625 кН=950,625 кН
Таблица 4.3.
Определение
|
Характеристика грунта |
z>i>, м |
h>i>, м |
f>i> |
|
|
|
1,15 |
0,5 |
36,05 |
18,025 |
|
Песок пылеватый, средней плотности, маловлажный |
2,4 |
2 |
44,4 |
88,8 |
|
4,4 |
2 |
54,2 |
108,4 |
|
|
6,4 |
2 |
58,8 |
117,6 |
|
|
8,4 |
2 |
62,6 |
125,2 |
|
|
Суглинок полутвердый I>L>=0,30 |
10,1 |
1,4 |
46,1 |
92,2 |

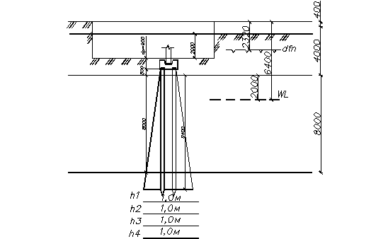
Рисунок 4.5. – Расчетная схема к оценке несущей способности сваи по грунту под колонну 2
Расчетное сопротивление под нижним концом сваи R:
R=


сваи длиной по 10м
Рассчитаем несущую способность сваи для фундамента под колонну 1:
В проекте N находится по формуле:


=1308
кН+50,625 кН=1358,625 кН
Таблица 4.4.
Определение
|
Характеристика грунта |
z>i>, м |
h>i>, м |
f>i> |
|
|
|
1,225 |
0,35 |
36,575 |
18,2875 |
|
Песок пылеватый, средней плотности, маловлажный |
2,4 |
2 |
44,4 |
88,8 |
|
4,4 |
2 |
54,2 |
108,4 |
|
|
6,4 |
2 |
58,8 |
117,6 |
|
|
8,4 |
2 |
62,6 |
125,2 |
|
|
Суглинок полутвердый I>L>=0,30 |
10,4 |
2 |
46,1 |
92,2 |
|
12,075 |
1,35 |
48,075 |
64,90125 |

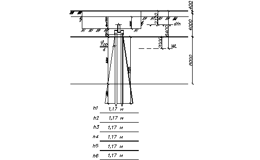
Рисунок 4.6. – Расчетная схема к оценке несущей способности сваи по грунту под колонну 1
Расчетное сопротивление под нижним концом сваи R:
R=


сваи длиной по 12 м
4.7. Конструирование свайных фундаментов
Свайные фундаменты в зависимости от размещения свай в плане следует проектировать в виде:
а) одиночных свай – под отдельно стоящие опоры;
б) свайных лент – под стены зданий и сооружений при передаче на фундамент распределенных по длине нагрузок с расположением свай в два ряда и более;
в) свайных кустов – под колонны с расположением свай в плане на участке квадратной, прямоугольной и других форм;
г) сплошного свайного поля – под тяжелые сооружения со сваями, равномерно расположенными под всем сооружением и объединенными сплошным ростверком, подошва котого опирается на грунт.

Рисунок 4.7. – Конструирование свайного фундамента под колонну 1

Рисунок 4.8. – Конструирование свайного фундамента под колонну 2

Рисунок 4.9. – Конструирование свайного фундамента под колонну 5
4.8. Определение фактической нагрузки на сваи
Расчет заключается в определении фактических нагрузок, действующих на сваи свайного фундамента, и сравнении их с расчетной нагрузкой, допускаемой на сваю (по грунту). Для центрально нагруженного свайного фундамента проверяется условие

Для внецентренно нагруженного свайного фундамента:
,
где N>I>, M>xI>>, >M>yI>> - >соответственно расчетная вертикальная нагрузка, моменты относительно центральных осей X и Y плана свайного фундамента в плоскости подошвы ростверка; X и Y – расстояния от центральных осей до наиболее удаленной свай, для которой вычисляется фактическая нагрузка; X>I> и Y>I> – расстояния от центральных осей до оси каждой оси сваи фундамента.
Необходимо
соблюдать условие:

Если
,
необходимо увеличить число свай или их
длину с целью повышения несущей
способности свай по грунту.
Не следует допускать недоиспользование несущей способности свай более чем на 15 %, перегрузку свай от постоянных и длительных нагрузок более чем на 5 %.
При N>Ф >< 0 следует рассчитать сваи на выдергивающую нагрузку (при этом необходимо, чтобы N>Ф>>MIN>> >< N>b>>)>.
Расчет свайного фундамента № 1

704,4 < 765,82 кН , условие выполняется с 8 % недоиспользованием несущей способности сваи.
Расчет свайного фундамента № 2

450 < 697,26 кН , условие выполняется с 35,5 % недоиспользованием несущей способности сваи. Уменьшение количества свай до 1 не производится из конструктивных соображений.
Расчет свайного фундамента № 5

588 < 664, 9, условие выполняется с 11,6 % недоиспользованием несущей способности свай.
4.9. Расчет свай на горизонтальные нагрузки
Расчет свай на совместное действие вертикальных, горизонтальных нагрузок и моментов должен включать:
а) расчет деформаций свай, который сводится к проверке соблюдения условий:

где U>P>
и
- расчетные величины горизонтального
перемещения головы сваи и угла ее
поворота; U>U>
и
- предельно допустимые величины указанных
деформаций;
б) расчет устойчивости грунта основания, окружающего сваю;
в) проверку сечений свай на прочность (трещиностойкость).
Строгое решение указанных задач дается в СНиП 2.02.03 – 85 и руководстве к нему.
В данном курсовом проекте расчет свай на горизонтальные нагрузки не производится.
4.10. Проверка давлений в основании свайного фундамента как условно массивного
Расчет кустовых свайных фундаментов под промышленные и гражданские здания по деформациям производится как для условно массивного фундамента на естественном основании. Перед расчетом осадки проверяют прочность основания фундамента в уровне острия свай.
Границы
условного фундамента определяются
снизу – плоскостью АД, проходящей через
нижние концы свай; с боков – вертикальными
плоскостями АБ и ДВ, отстоящими от
наружных граней крайних рядов вертикальных
свай на расстоянии
сверху - поверхностью планировки грунта
БВ. Здесь
- рабочая длина сваи, равная сумме толщин
слоев грунта, прорезаемых висячими
сваями:

где
- расчетные значения угла внутреннего
трения грунта в
пределах соответствующих участков сваи h>1>, h>2>, …,h>n>.

Рисунок 4.10. – Расчетная схема к проверке давления в основании свайного фундамента 1




Расчетом проверяется условие:

где N>II> – сумма расчетных нагрузок в плоскости подошвы свайного фундамента, кН;
R – расчетные сопротивления грунта основания условного массива в уровне острия сваи;
N>II>=N>0>>II>+N>PII>+N>CBII>+N>ГР>>II>,
где N>0>>II> – заданная нагрузка, приложенная к обрезу ростверка, кН; N>PII> – вес ростверка, кН;
N>CBII> – вес свай, кН; N>ГР>>II>> - >вес грунта в объеме условного массива, кН;

где b>P>,
l>P>, d>P>>
- >соответственно ширина, длина и
высота ростверка, м;
- удельный вес бетона, принимаемый равным
24 кН/м3 .

Вес сваи определяется по формуле:

где n>C>
– число свай в ростверке; d
– размер поперечного сечения сваи, м;
l – длина сваи, м;
- удельный вес железобетона, принимаемый
равным 25 кН/м3 .

Вес грунтового массива определяется по формуле:

где h>1>,
h>2>, …h>n>
– мощность слоев грунта в пределах от
подошвы ростверка до острия сваи, м;
- удельный вес соответствующих слоев
грунта в пределах рабочей длины сваи,
кН/м3, с учетом взвешивающего
действия воды.

N>II>=N>0>>II>+N>PII>+N>CBII>+N>ГР>>II>>=
>


проверка выполняется.
Расчет свайного фундамента № 2

Рисунок 4.11. – Расчетная схема к проверке давления в основании свайного фундамента 2








N>II>=N>0>>II>+N>PII>+N>CBII>+N>ГР>>II>>=
>


проверка выполняется.
Расчет свайного фундамента №5

Рисунок 4.12. – Расчетная схема к проверке давления в основании свайного фундамента 5







N>II>=N>0>>II>+N>PII>+N>CBII>+N>ГР>>II>>=
>


проверка выполняется.
4.11. Расчет осадки основания свайного фундамента как условно массивного
Расчет осадки кустового свайного фундамента условно массивного производится так же, как фундамента мелкого заложения.
Расчет осадки свайного фундамента 1 методом послойного суммирования деформаций:
P>II>= 268 кПа – фактическое среднее давление;
- природное давление в уровне подошвы;
- дополнительное давление;
h>1>=0,4b>y>=
- толщина элементарных слоев.
Соотношение
сторон подошвы



S=0,506 см < S>U> = 8 см - условие выполняется.
Расчет осадки свайного фундамента 2 методом послойного суммирования деформаций:
P>II>= 212,67 кПа – фактическое среднее давление;
- природное давление в уровне подошвы;
- дополнительное давление;
h>1>=0,4b>y>=
- толщина элементарных слоев.
Соотношение
сторон подошвы



S=0,4122 см < S>U> = 8 см - условие выполняется.
Расчет осадки свайного фундамента 5 методом послойного суммирования деформаций:
P>II>= 254,87 кПа – фактическое среднее давление;
- природное давление в уровне подошвы;
- дополнительное давление; h>1>=0,4b>y>=
- толщина элементарных слоев.
Соотношение
сторон подошвы



S=0,7917 см < S>U> = 8 см - условие выполняется.
5. Технико-экономическое сравнение вариантов фундаментов
Технико-экономическое сравнение вариантов позволяет сделать выбор наиболее эффективного варианта.
Экономическое сравнение выполняется следующим образом. По рассчитанным вариантам определяют объемы, м3: земляных работ, фундамента, подготовки под фундамент, ростверка и свай, обратной засыпки грунта. Для облегчения расчетов объемы работ определяются на один фундамент под колонну. При этом необходимо учитывать указания норм по допускаемой величине крутизны откосов в зависимости от вида грунта и глубины разработки котлована.
Зная все объемы строительных работ, можно определить стоимость возведения фундаментов мелкого заложения и свайного. Подобные расчеты производят в соответствии с ЕРЕР применительно к району проектирования. В данном курсовом проекте используются укрупненные расценки.

Рисунок 5.1. – Схемы для расчета объемов земляных работ при сооружении фундаментов.













Таблица 5.1.
Ведомость объемов и стоимости основных работ по сооружению фундамента
|
Вариант 1. Фундамент на естественном основании |
||||
|
Наименование работ |
Ед. изм. |
Объем работ |
Стоимость, руб. |
|
|
единицы |
общая |
|||
|
Разработка грунта Монтаж фундамента Засыпка пазух |
м3 м3 м3 |
8,14 2,25 5,89 |
2 59,2 2 |
16,28 133,2 11,78 |
|
|
||||
|
Вариант 2. Свайный фундамент |
||||
|
Разработка грунта Погружение свай Бетонирование ростверка Засыпка пазух |
м3 м3 м3 м3 |
4,99 4,21 1,15 3,84 |
2 85,2 29,6 2 |
9,98 358,6 34,04 7,68 |
|
|
Вариант 1 с меньшей стоимостью считается более эффективным, поэтому производство работ по устройству фундаментов будет посвящено устройству столбчатых фундаментов мелкого заложения.
Производство работ по устройству фундаментов, сооружаемых в открытых котлованах
В данном разделе на основе изученного курса “Технология строительного производства” даются краткие указания по производству работ при устройстве фундаментов, сооружаемых в открытых котлованах, в порядке их технологической последовательности.
5.1 Подготовительные работы
Подготовительные работы предусматривают очистку территории площадки от пней, строений, мусора, планировку территории, устройство водоотводящих сооружений, перенос подземных коммуникаций, устройство временных дорог, подводку электроэнергии для работы машин и освещения, ограждение территории строительства, устройство складских и служебных помещений и т.д.
5.2 Геодезические работы
Перед началом производства работ необходимо произвести разбивку осей зданий, то есть привязку главных разбиваемых линий к координатам строительной сетки, после чего осуществляется разбивка котлована и траншей под фундаменты. Оси главных, разбивочных линий представляют собой продольные и поперечные оси здания, затем отмеряются расстояния до осей стен или колонн. Эти оси закрепляют на расстоянии 2 – 3 м от бровки котлована на специально установленной обноске, которая устраивается из столбов с прибитыми к ней досками. Верхняя кромка столбиков должна иметь остроконечную поверхность. Верхние концы всех досок должны находиться на одной отметке. Оси стен и котлованов должны быть обозначены и пронумерованы краской, а в доски вбиты гвозди, к которым крепится проволока для переноса границы котлована или оси фундамента в котлован. На поверхности земли контуры котлована отмечают колышками.
5.3 Разработка грунта
Разработка грунта в котлованах производится тремя основными способами: механическим (экскаваторами, бульдозерами, скреперами), гидромеханическим (с применением землесосных снарядов и гидромониторов) и взрывом.
В практике городского строительства наиболее распространенным является механический способ разработки грунта, когда грунт отвозится автомобилями или разработка производится в отвал. Грунт в котлованах не добирается до проектной отметки на 20-25 см.
Выбор механизма для отрывки котлована производится с учетом вида грунта. При маловлажных грунтах и неглубоких котлованах в случае, когда отвальный грунт остается на месте постройки, для устройства котлованов могут применяться бульдозеры, экскаваторы с прямой и обратной лопатой и драглайны. При очень влажных и насыщенных водой грунтах, отрывка может производиться лишь с поверхности, так как установка экскаватора на дне котлована и движение автомобилей, отвозящих грунт, приводят к нарушению структуры грунта, служащего основанием сооружения.
5.4 Подготовка основания
Подготовка основания является ответственным процессом при возведении фундаментов. Непосредственно перед возведением фундаментов производится разработка недобора грунта в котловане малыми средствами механизации.
При устройстве монолитных фундаментов, когда неровности дна котлована заполняются раствором или бетоном и тем самым обеспечивают контакт фундамента с основанием, зачистка может выполняться с некоторыми неровностями. В зимнее время последний слой грунта следует удалять непосредственно перед укладкой фундамента.
Если была допущена разработка грунта ниже проектной отметки дна котлована, то производят подсыпку местным грунтом с уплотнением его до естественной плотности. Если нет механизмов для уплотнения, то подсыпают песок, щебень или гравий.
Если дно котлована было замочено после его отрывки, то размокший грунт должен быть удален до глубины, при которой он сохранил свою естественную влажность. После этого подсыпают местный грунт с уплотнением до проектной отметки. Можно не срезать размокший грунт, а втрамбовывать в него кирпичный щебень, который “отсасывает” воду из грунта и уменьшает его влажность. Поверхность щебня покрывают так называемой “стяжкой” в виде тонкого слоя слоя цементного раствора.
При сборных фундаментах на дно котлована укладывают слой крупного песка толщиной 10-15 см. Ширина песчаной подготовки должна быть на 50 – 60 см больше ширины подошвы фундамента. Затем шаблоном (доской) разравнивают песок и уплотняют его механическими трамбовками или вручную.
Окончание работ по подготовке основания фиксируется специальным актом приемки котлована. В акте должна быть указана глубина котлована. Вид и состояние грунта, соответствие с характеристиками, указанными в проекте.
Монтаж сборных и бетонирование монолитных фундаментов
Монтаж сборных фундаментов может осуществляться либо с бровки котлована, либо со дна котлована, либо комбинированным способом. Выбор способа монтажа зависит от многих факторов, главными из которых являются грунтовые условия площадки, конфигурация здания и его размеры, вид механизма и его параметры. Монтаж фундаментов может производиться тракторными, автомобильными или башенными кранами.
Выбор типа крана для монтажа фундаментов осуществляется в зависимости от максимального веса конструкции и вылета стрелы крана.
Возведение монолитных фундаментов, применяемых под колонны или столбы, осуществляется в опалубке. Комплексный процесс сооружения отдельных монолитных фундаментов включает устройство опалубки, сборку и установку арматурных каркасов, подачу и уплотнение бетонной смеси и уход за ней.
В зависимости от местных условий и имеющегося оборудования возведение монолитных фундаментов может осуществляться по любой технологической схеме. При этом грузоподъемность кранов на максимальном вылете крюка должна быть не менее 3 тонн. Необходимый вылет крюка крана определяется для каждого объекта отдельно.
Если фундаменты возводятся ниже уровня грунтовых вод, то после окончания бетонирования следует прекратить откачку воды.
Опалубка снимается с фундаментов после затвердевания бетона до такой прочности, при которой можно не опасаться откалывания углов и кромок. Как правило распалубка производится через 3 – 4 дня.
Бетонные фундаменты при минимальной суточной температуре –30 С должны возводиться из теплого бетона. Для этого инертные материалы и вода подогреваются, после чего приготавливается бетон. Затем должны быть предусмотрены меры, обеспечивающие твердение его, во всяком случае, до 50 % проектной прочности. Это достигается применением одного из следующих способов подогрева бетона: пароподогрев, электропрогрев или обогрев бетона в тепляках.
При укладке фундаментов многоэтажных зданий можно применять при небольших отрицательных температурах способы, ускоряющие твердение бетона, добавлением в него хлористого кальция, сохраняя невозможность вымораживания влаги.
5.5 Засыпка пазух котлованов
Обратная засыпка пазух котлованов должна производиться сразу после сооружения фундаментов, а обратная засыпка пазух стен подвалов – после устройства перекрытий над подвалом.
Во избежание попадания поверхностных вод в пазухи котлованов уплотнение грунта рекомендуется выполнять немедленно после засыпки его в пазухи. Засыпка грунта в пазухи котлованов и его уплотнение должно производиться послойно. При этом следует применять пневмо - и электротрамбовки, трамбующие и вибротрамбующие навесное малогабаритное оборудование. Засыпаемый в пазухи грунт не должен содержать органических включений. Толщина слоев при заполнении пазух не должна быть более 10 см.
Во избежание повреждения фундаментов грунт вокруг них в стесненных условиях должен быть уплотнен механическими трамбовками на ширину 1 м от обрезов фундаментов или других подземных сооружений и на высоту не менее 0,4 м над верхом фундамента. В этих местах запрещается трамбовать грунт ближе чем на 1 м от обреза фундаментов трамбующими и вибротрамбующими машинами.
Пазухи, расположенные ниже уровня грунтовых вод, засыпаются песком с коэффициентом фильтрации не менее 5 м в сутки.
Вдоль наружных стен здания устраивают отмостку из водонепроницаемых материалов и на 15 см выше отметки – горизонтальную изоляцию помещений от грунтовой влаги.
5.6 Техника безопасности при возведении фундаментов
Прежде чем приступить к возведению фундаментов, все рабочие, занятые на монтаже, должны пройти специальный инструктаж по технике безопасности. Знания правил техники безопасности рабочими и инженерно-техническими работниками должны проверяться не реже 1 раза в год.
Основные положения по технике безопасности должны быть отражены в проекте организации работ по строительству объекта. С этими положениями следует ознакомить весь персонал, занятый монтажными работами. Для этого нужно перед началом работ вывесить плакаты, указывающие безопасные приемы монтажа, предупредительные надписи; отметить места складирования элементов. Опасные для движения людей и механизмов зоны должны быть огорожены или оборудованы предупредительными сигналами.
Осуществлять монтажные работы в ночное время допускается лишь при хорошем искусственном освещении. Освещать следует не только места установки элементов, но и приобъектные склады, а также зоны перемещения конструкций.
Перемещать сборные элементы над рабочими местами запрещается.
Строповку блоков следует производить только за монтажные петли, заделанные в блоках, а подъем их осуществлять специальными траверсами или стропами, прочность и надежность которых должны периодически проверяться.
Перед подъемом блока рабочий должен убедиться в правильности его строповки, после чего следует приподнять блок на высоту не более 30 см и убедиться в надежности его закрепления. Поднимать и опускать блок следует плавно, без рывков и раскачивания, строго по вертикали. Во время подъема и опускания не допускается перекручивание троса крана. Чтобы избежать этого, следует удерживать блок в определенном положении при помощи оттяжек. Не допускается подтягивание или подталкивание элементов во время их подъема и опускания.
Если возникает необходимость в этом, то подтягивание можно допустить при неподвижном положении стрелы или крана и троса в случае, когда блок находится на расстоянии не более 50 см по вертикали от места укладки. Во время подъема блока и подачи к месту укладки в зоне его движения не должны находиться люди.
Перед установкой блока он должен быть опущен над местом укладки примерно на 0,5 м от поверхности грунта, после чего осуществляется центровка и установка блока в рабочее положение. Снятие крюков с петель блока разрешается после полного окончания выверки и утановки элемента на свое место.
Оставлять поднятые блоки на время перерыва в работе не допускается. При горизонтальном перемещении поднятого элемента он должен проходить на высоте не менее 1 м от верха самого высокого предмета, находящегося на его пути.
Особое внимание должно уделяться надежности установки крана. Башенные краны допускаются к работе после осмотра их путей. Нельзя приступать к работе, если подкрановые пути будут иметь отклонения от нормального положения. В период оттаивания грунта подкрановые пути проверяются 2 раза в день.
Самоходные краны, устанавливаемые на бровке котлована, должны находиться на таком расстоянии от края откоса, при котором обеспечивается его устойчивость. В зимнее время рабочие места, проходы, трапы и т.п. должны очищаться от снега, наледи, мусора и посыпаться песком. Не допускается поднимать элементы, примерзшие к земле или друг к другу.

Номера
грунтов
0,4
35
25
39
,






































161,26