Проектирование спортивного комплекса "Дворец спорта" в г. Коломне Московской области
Оглавление
Введение
1. Общие исходные данные
2. Функционально-технологические условия
3. Технико-экономическое обоснование принятого варианта
4. Архитектурно – строительная часть
4.1 Решение генерального плана
4.2 Объемно-планировочное решение здания
4.3 Конструктивное решение здания
5. Санитарно-технологическое оборудование
6. Расчетно-конструктивная часть
7. Технология, организация, планирование и управление строительства
7.1 Выбор методов производства работ
7.2 Проектирование технологии производства работ
7.3 Технологическая карта на монтаж каркаса покрытия
7.4 Выбор рациональных методов организации работ
7.5 Проектирование плана финансирования строительства
7.6 Календарные планы строительства объекта
7.7 Разработка планов обеспечения ресурсов
7.8 Строительный генеральный план
8. Экономическая часть и технологические показатели
8.1 Сетевое планирование
9. Техника безопасности и охрана труда
Список использованной литературы
ВВЕДЕНИЕ
На дипломное проектирование было получено задание на разработку строительства спортивного комплекса «Дворец спорта» в г. Коломне Московской области.
В данном дипломном проекте рассмотрены следующие вопросы:
- технико-экономическое обоснование принятого варианта;
- архитектурное решение здания;
- расчетно-конструктивная часть;
- технология, планирование и управление строительством;
-экономическая часть и технологические показатели;
-техника безопасности.
В архитектурно-строительной части представлено: архитектурно-конструктивное и объемно-планировочное решение здания; теплотехнический расчет наружной стены, решение фасада здания и план озеленения территории.
В расчетно-конструктивной части произведен расчет и конструирование основных элементов поперечной рамы тренировочной спортивной арены дворца спорта: стропильной фермы, колонны и фундамента под нее.
В разделе «Технология, организация, планирование и управление строительства» разработана технологическая карта на монтаж конструкций шатра покрытия, представлена калькуляция затрат труда, машинного времени и заработной платы, разработан календарный план производства работ, графики потребления ресурсов, рассчитаны параметры строигенплана.
В экономической части посчитана локальная, объектная сметы и выполнен сводный сметный расчет. В результате определена полная сметная стоимость в ценах 2009 г. и стоимость 1кв.м площади.
В разделе «Техника безопасности и охрана труда» определены опасные и вредные факторы на строительной площадке, рассмотрена пожарная безопасность на период производства работ по возведению здания, рассмотрены основные правила техники безопасности на период строительства.
1. Общие исходные данные
Спортивный комплекс «Дворец спорта» в г. Коломне Московской области с двумя спортивными аренами – основной и тренировочной - представляет собой здание сложной конфигурации переменной высоты с 1-2-х этажными объемами. Спортивный комплекс предназначен для проведения соревнований областного характера и проведения тренировок.
Климатический район строительства Ледового дворца умеренно-континентальный, преобладание ветров западного направления, ветровой район I, снеговой район III. Минимальные температуры приходятся на январь и февраль, максимальные – на июль и август. Значение осадков как элемента велико. В течение года максимум приходится на летние месяцы. Наиболее резкий прирост осадков наблюдается в мае - июне, минимальное количество – в январе. Количество осадков за год 704 мм.
В данном районе преобладает песчаный грунт. К специфическим грунтам, имеющим распространение на площади застройки, отнесен техногенный грунт, который представляет собой свалку грунтов и строительного мусора (в основном песок с гравием, галькой, обломками кирпича, древесины).
2. Функционально-технологические условия
Данный проект предусматривает здание Спортивного комплекса «Дворец спорта» на 2500 мест, предназначенный для соревнований областного уровня по хоккею и фигурному катанию. Площадь территории, отведенной под строительство, составляет 2,4 га. Участок распложен в центральной части г. Коломны Московской области в зоне жилой застройки. Спортивный комплекс находится в непосредственной близости от пересечения двух городских магистралей: ул. Парковой и проспекта Ленина. Окружающая застройка – здания (1-9 эт.), расположенные с южной, западной и восточной сторон Ледового дворца.
С севера участок граничит с «Городским парком культуры и отдыха», с востока ограничен территорией детского сада, с южной – домом культуры, с западной – ул. Парковой.
На территории спортивного комплекса предусмотрено устройство гостевых автостоянок и стоянок служебного автотранспорта общей вместительностью 84 м/мест, а также стоянки для 3-х автобусов.
Подъезд пожарных машин, машин скорой помощи и другого специального транспорта обеспечен со всех сторон здания.
3. Технико-экономическое обоснование принятого варианта
Спортивный комплекс «Дворец спорта» в г. Коломна с двумя спортивными аренами – основной и тренировочной, представляет собой здание сложной конфигурации переменной высоты с 1-2-х этажными объемами.
Основная спортивная арена с 2500 зрительскими местами (отметка верха кровли 17,600), предназначенная для проведения соревнований областного характера и арена для проведения тренировок (отметка верха кровли 11,300).
Большое внимание при проектировании ледового дворца следует уделить выбору покрытия ледовых арен. Так как длина пролета большого ледового поля составляет 54 м, а его площадь составляет 54 х 64,8 = 3499,2 м2, следует задуматься о его конструктивном решении.
Ввиду архитектурных особенностей здания, его внешнего вида и достаточно большой величины пролета покрытие может представлять собой фермы из замкнутых профилей, фермы из уголков или арки.
Для пролета 54 метра по сортаменту и ГОСТ 27772-88 «Стальные конструкции» определяется марка стали и наименование составляющих компонентов для вышеуказанных конструктивных элементов.
Ферма из замкнутых профилей:
Пояса: - верхний – I 30 К2, сталь С 390
- нижний – I 30 К1, сталь С 390
Раскосы: - опорный – I 20 К2, сталь С 390
- решетки – Гн 200 х 160 х 8
Гн 180 х 140 х 7
Гн 160 х 120 х 5, сталь С 390, С 255
Стойки: Гн 100 х 100 х 4
Гн 120 х 60 х 4, сталь С 255, С 245
Ферма из уголков:
Пояса: - верхний – Т 200 х 200 х 20, сталь С 390
- нижний – 180 х 180 х 16, сталь С 390
Раскосы: - опорный – Т 200 х 200 х 14, сталь С 390
- решетки – Т 160 х 160 х 12, сталь С 245
Стойки: Т 100 х 100 х 10, сталь С 245
Арка:
Затяжка: сечение – трубы электросварные прямошовные по ГОСТ 10704-91 219 х 9, сталь С 255;
Дуга: I 70 Б1, сталь С 255 ГОСТ 26020-83 «Двутавры стальные горячекатанные»
В качестве сравнения можно привести анализ весовых, стоимостных характеристик данных конструктивных элементов, а также трудоемкости их изготовления и монтажа.
Для покрытия главной арены в осях 11-19, А-М пролетом 54м используются фермы из замкнутых профилей.
В таблице 5.1 приведен подобранный в программе SCAD расход стали и сравнение характеристик трудоемкости изготовления и стоимости (Турбо-смета), доказывающие правильность решения.
Таблица 5.1
-
Пример покрытия
Расход стали, кг
Трудоемкость изготовления/монтажа ч/час
Стоимость изготовления / монтажа руб.
Ферма из замкнутых профилей
14966
1475 ч/час
136 ч/час
261510
81132
Ферма из уголков
15897
1569 ч/час
145 ч/час
278114
86300
Арка
13966
1382 ч/час
216 ч/час
244956
72054
Ферма из замкнутых профилей (54 м),
G = 241 кг/п.м.
Масса фермы (М) составит:
m = 241 кг/п.м. х 54 м. = 13014 кг
М = m + 15% = 13014 кг + 1952 кг. = 14966 кг
Ферма из уголков (54 м.),
G = 256 кг/п.м.
Масса фермы (М) составит:
m = 256 кг/п.м. х 54 м. = 13824 кг
М = m +15% = 13824 кг + 2073 кг = 15897 кг
Арка:
затяжка (54м) G=46.5 кг/п.м.
m>1> = 46,5 кг/п.м. х 54 м. = 2511 кг
дуга (74,5 м) G = 129,3 кг/п.м.
m>2> = 129,3 кг/п.м. х 74,5 м. = 9633 кг
m = m>1> + m>2> = 2511 кг + 9633 кг = 12144 кг
В итоге масса арки (М) составит:
М = m + 15 %= 12144 кг + 1822 кг = 13966 кг
Высота дуги арки для данного пролета составляет 7 м., что противоречит архитектурному решению здания и, несмотря на более экономичный расход стали и меньшую стоимость, данный конструктивный элемент не используется при строительстве ледового дворца.
Как видно из показателей в Таблице 5.1, трудоемкость и стоимость изготовления и монтажа фермы из замкнутых профилей гораздо экономичнее показателей фермы из уголков. Наиболее подходящим вариантом покрытия по расходу стали, трудоемкости и стоимости является ферма из замкнутых профилей.
4. Архитектурно-строительная часть
4.1 Решение генерального плана
С северной стороны участок застройки примыкает к Городскому парку культуры и отдыха, с восточной - ограничен территорией детского сада, с южной - существующим корпусом реконструируемого кинотеатра «Октябрь», с западной - ул. Парковой.
Главный остекленный фасад спортивного комплекса сориентирован в сторону Парковой улицы. Центральный цилиндрический объем двухсветного вестибюля осью главного входа направлен на входную зону парка, что позволяет в дальнейшем включить проектируемый объект в общую композицию парка.
На территорию Спортивного комплекса предусмотрен въезд автотранспорта с ул. Парковой, вдоль южной границы участка, что позволит разделить потоки автотранспорта и пешеходные потоки к главному входу.
Подъезд пожарных машин, машин скорой помощи и другого специального транспорта обеспечен со всех сторон здания.
Для обеспечения безопасности и организации движения автотранспорта в соответствии с нормами СНиП 9.05.02-85 проектом предусматривается установка дорожных знаков и нанесение дорожной разметки.
Площадки, тротуары и отмостки приняты шириной 1,2 –2,0м и выполняются из бетонной тротуарной плитки или асфальтобетона толщиной 8 см. по щебеночному основанию.
Тип покрытия автоподьездов, площадок и тротуаров - асфальтобетон см. рисунок 6.1
Тип 1 . Конструкция дорожной одежды

Тип 2. Конструкция тротуаров.

Тип 3. Конструкция покрытия площадок и пешеходных дорожек.

Тип.4 Конструкция покрытия площадки для игр детей дошкольного возраста

Рисунок 6.1 – Конструкции площадок, дорожной одежды и пешеходных дорожек.
Проект благоустройства и озеленения территории выполнен с учетом максимально возможного сохранения имеющихся на участке высокорослых деревьев и сохранения верхнего, плодородного слоя почвы. Вырубке подлежат только те деревья, которые попадают непосредственно в зону застройки. Озеленение территории носит в основном архитектурно-декоративный характер. Во внутреннем дворе, между территорией детского сада и автостоянки планируется создание аллеи из высокорослых деревьев лиственных пород, обладающих высокими декоративными свойствами, а также одиночная и групповая посадка деревьев и кустарников. Вся свободная от застройки и проездов территория покрывается газоном. Перед главным входом намечена установка цветочниц. В зоне автостоянок планируется посадка декоративного кустарника в группы и создание живой изгороди.
4.2 Объемно-планировочное решение здания.
Спортивный комплекс, представляющий сложной конфигурации 1-2 этажное здание с двумя залами катков: универсальным спортивным залом с искусственным льдом и трибунами на 2500 мест и тренировочным ледовым залом, размещен таким образом, чтобы главный фасад здания ориентирован в сторону ул. Парковой. Такое решение позволит в дальнейшем реализовать главную композиционную идею единого комплекса, объединяющего здание Ледового дворца и главного входа Городского парка в единый архитектурный ансамбль, при соблюдении всех противопожарных и санитарных разрывов.
Основная спортивная арена с 2500 зрительскими местами (отметка верха кровли 17.600) для соблюдения требований норм по инсоляции жилых помещений максимально удалена от жилой застройки, расположенной на Парковой улице.
На первом этаже (высотой 5.1м и 4.35м) в зоне для зрителей и посетителей расположены следующие основные помещения:
-главный двухсветный вестибюль с двумя парадными криволинейными лестницами, ведущими на 2-й этаж,
-фойе с гардеробами для зрителей;
-женский и мужской санузлы;
-три входа (люка), ведущих на нижние ряды трибун;
-2 буфета для зрителей (на 36 человек);
-кафе быстрого обслуживания (типа «Пицца Хат» на 75 мест) с отдельным входом;
-помещение службы безопасности с комнатой отдыха и санузлом;
-помещения кассы (2 кассы и комната администратора);
-лифт для обслуживания маломобильных посетителей;
-магазин спортивной атрибутики с отдельным входом.
В северной части здания на 1-м этаже в осях 20-11 и А-В располагаются:
-отдельный вход на лестницу, ведущую на VIP трибуну;
-помещение проката спортивного инвентаря, обслуживающего жителей города;
-складские, производственные и вспомогательные помещения ресторана;
-водомерный узел, венткамера.
В зоне предназначенной для спортсменов и технического обслуживания «Ледового дворца» на 1-м этаже расположены следующие помещения:
-две раздевалки для команд-хозяев, с душевыми, санузлами и помещениями для сушки спортивной формы;
-шесть раздевалок для игроков и фигуристов с душевыми, санузлами, и помещениями для сушки спортивной формы;
-помещения для хранения и проката спортинвентаря, по две комнаты судей и тренеров с душевыми и санузлами, 4 комнаты для сушки спортивной формы, постирочная;
-медпункт, процедурный и массажный кабинеты, сауна на 8 человек с ванной глубиной 1,2м, четырьмя душевыми сетками, раздевалкой, комнатой отдыха и санузлом;
-стоянка для двух машин по уходу за льдом, с приямком размером 3х1х1м., предназначенным для таяния снежной стружки и закрытым решеткой заподлицо с полом;
-помещение заточки коньков;
-встроенная трансформаторная подстанция на 3трансформатора и два РУ на 10КВт и 0,4КВт, электрощитовая;
-венткамеры, И.Т.П., помещения уборочного инвентаря;
-хладоцентр с двумя холодильными.
На втором этаже (h=3,4 м до отметки подвесного потолка) располагаются следующие основные помещения:
-фойе с гардеробами для зрителей и посетителей интернет-кафе и шахматного клуба, два буфета для зрителей на 96 мест;
-три входа (люка) на верхние ряды трибун;
-шахматный клуб и интернет-кафе на 50 мест с баром на 16 мест;
-ресторан на 80 мест, расположенный в торце главной спортивной арены (в осях А-Б, 20-12) с залом и шестью кабинетами с видом на ледовое поле;
-помещения 2-х буфетов на 48 мест расположенных в осях М-Н, 5-12 над тренировочной ареной, предназначенных для обеспечения питанием занимающихся, сопровождающих детей, журналистов и персонала спорткомплекса;
-фитнес-центр с раздевалками оборудованными душевыми и санузлами, специальными раздевалками для маломобильных посетителей, фитнес-баром, хореографическим и тренажерным залами, предназначенными для посменного использования посетителями и спортсменами;
-помещение для прессы и зал пресс-конференций;
-помещения администрации (в осях Н-У, 1-3), венткамеры, электрощитовая.
На трибуне основной спортивной арены запроектировано 22 ряда, глубина ряда – 0,85м., ширина мест – 0,45м., глубина сидений – 0,4м.
Общая численность мест на трибуне – 2540.
Отметка первого ряда трибун (+0.750) на 1,05м. выше ледового поля арены (- 0.300), что обеспечивает комфортные условия для зрителей первых рядов.
Кресла – пластиковые консольного типа. Вдоль первого ряда трибун предусмотрено ограждение высотой 0,8м. Расстояние от первого ряда до бортов площадки – 3м., а от пола последнего ряда до конструкций фермы – не менее 2,2м. Эвакуация с трибун осуществляется через 6 люков (шириной 1,4м), ведущих в фойе 1-го и 2-го этажей.
Размеры основного и тренировочного ледовых полей 60 и 30м. Высота хоккейных бортов 1,2м. По периметру охлаждающей плиты катка запроектирован канал для отвода воды от таяния льда.
На главной арене предусмотрены 8 мест для маломобильных зрителей, по 4 с каждой стороны трибуны. Доступ зрителей на инвалидных колясках к зрительским местам обеспечивается по пандусам с уклоном 10%. Для маломобильных посетителей фитнес-центра предусмотрен лифт (кабина 1100х1400мм, ширина дверей 900мм.) из главного вестибюля на 2-ой этаж и две раздевалки с санузлами (размер 1650х1850мм.) и душевыми кабинами (размер 1800х1850мм.). На 1-м этаже в общих санузлах для зрителей запроектированы по одной кабине и одному умывальнику для маломобильных посетителей.
4.3 Конструктивное решение здания
4.3.1 Конструктивная схема здания
Конструктивная схема здания – каркасная. Элементы каркаса – стальные сборные.
4.3.2 Фундаменты
Фундаменты – монолитные, железобетонные, отдельно стоящие столбчатого типа из бетона класса В25 и арматуры класса АI и AIII на естественном основании – пески средние, коричневатые, с мелким редким гравием, средней плотности, среднеуплотненные, малой степени водонасыщения, сильноводопроницаемые, а также пески мелкие, коричневатые, средней плотности, среднеуплотненные.
Под наружные стены устраиваются монолитные железобетонные рандбалки на которые устанавливаются стойки фахверка.
4.3.3 Решение каркаса
Каркас – стальные рамы с шагом 7,2 м и 6,0 м. Шаг второстепенных балок 2 м. Элементы рам предлагается выполнять из прокатных двутавров.
Несущими конструкциями трибуны предлагается выполнить в виде наклонных балок из прокатных двутавров опирающихся одним концом на отдельно стоящие монолитные железобетонные фундаменты, по оси 14, и другим на колонны по оси 11.
Пространственная жесткость и устойчивость каркаса обеспечивается рамными узлами, наклонными подтрибунными балками, системой вертикальных и горизонтальных связей, совместной работой монолитных железобетонных перекрытий и каркаса здания.
4.3.4 Решение торцевого фахверка
Стальные колонны торцевого фахверка выполняются из сварных двутавров высотой 0,5 м. Колонны торцевого фахверка воспринимают ветровую нагрузку и массу панельных стен. Оголовки фахверковых колонн располагаются на одном уровне с оголовками основных колонн.
4.3.5 Наружные стены и перегородки
Цокольная часть стены состоит из наружного и внутреннего слоев монолитного ж/б и среднего слоя - утеплителя, отделанный снаружи гранитными плитами темно-серого цвета.
Стеновые прогоны выполняются из холодногнутых профилей, изготовленных из оцинкованной стали.
Стены - выполняются из трехслойных структурных панелей типа «Сэндвич» с эффективным утеплителем из конструкционной минеральной ваты.
Толщина панели определяется теплотехническим расчетом.
Наружная и внутренняя обшивка панелей - оцинкованная листовая сталь, которая крепится к утеплителю при помощи клея. Крепление панелей к каркасу осуществляется при помощи самонарезающих винтов или клямеров.
Внутренние стены и перегородки – кирпичные, из кирпича глиняного обыкновенного толщиной 120мм. и 250мм.
Теплотехнический расчет стеновой панели.
Строительство ведется в г. Коломне Московской области.
Влажностный режим – умеренный.
I. Требуемое сопротивление теплопередаче ограждающих конструкций (за исключением светопрозрачных), отвечающим санитарно-гигиеническим и комфортным условиям, определяется по формуле (1) СНиП II-3-79*
где n - коэффициент, принимаемый в зависимости от положения наружной поверхности ограждающих конструкций по отношению к наружному воздуху по табл. 3* СНиП II-3-79*;
t>в >– расчетная температура внутреннего воздуха, °С, принимаемая согласно ГОСТ 12.1.005-88 и нормам проектирования соответствующих зданий и сооружений;


t>н >– расчетная зимняя температура наружного воздуха, °С, равная средней температуре наиболее холодной пятидневки обеспеченностью 0,92 по СНиП 2.01.01-82;
Дtн – нормативный температурный перепад между температурой внутреннего воздуха и температурой внутренней поверхности ограждающей конструкции, принимаемый по табл. 2* СНиП II-3-79* ;
б>в> – коэффициент теплопередачи внутренней поверхности ограждающих конструкций, принимаемый по табл. 4* СНиП II-3-79* .
где n = 1;
t>в >= 20 °С; t>н >= – 26°С; Дtн = 4,0°С.
(м2·
°С)/Вт
II. Градусо-сутки отопительного периода (ГСОП) определяем по формуле (1а) СНиП II-3-79*
ГСОП=(t>в>-t>от.пер.>)z>от.пер.>
где t>в >– то же что и в формуле 1;
z>от.пер >– средняя температура , °С, и продолжительность, сут, периода со средней суточной температурой воздуха ниже или равной 8 °С по СНиП 2.01.01–82.
ГСОП = (20+3,6) Ч 213 = 5026,8 °С·сут
где t>в >= 20 °С; t>от.пер .>= – 3,6°С; z>от.пер >= 213 сут.
III. Термическое сопротивление R (м2· °С)/Вт, слоя многослойной ограждающей конструкции определяем по формуле 3 СНиП II-3-79*
где д– толщина слоя, м;
л – расчетный коэффициент теплопроводности материала слоя, Вт/ (м · °С), принимаемый по прил. 3* СНиП II-3-79*.
Сопротивление теплопередаче ограждающей конструкции в трехслойной панели типа «Сэндвич» достигается за счет эффективного утеплителя, сопротивлением теплопередачи стальных профилированных листов можно пренебречь.
Плиты минераловатные полужесткие (ГОСТ 12394-66), плотностью 50 кг/м3
(м2
·°С)/Вт
V. Сопротивление теплопередаче R>0> (м2· °С)/Вт ограждающей конструкции следует определять по формуле (4) СНиП II-3-79*
где б>в >то же, что в формуле (1);


R>к> – термическое сопротивление ограждающей конструкции, (м2· °С)/Вт;
б>н> – коэффициент теплопередачи (для зимних условий) наружной поверхности ограждающих конструкций, Вт/( м 0С), принимаемый по таблице 6*.
VI. Термическое сопротивление R>к> (м2· °С)/Вт, ограждающей конструкции с последовательно расположенными однородными слоями следует определять как сумму термических сопротивлений отдельных слоев
R>к
>=
3,12 (м2·
°С)/Вт
Полученный результат сравниваем с R>0>тр, полученным из табл. 1 б* СНиП II-3-79* в зависимости от ГСОП: R>0>тр=3,16 (м2· °С)/Вт
R>0>=3,28 (м2· °С)/Вт > R>0>тр=3,16 (м2· °С)/Вт (103,8% от предельного значения)
Запроектированная ограждающая конструкция отвечает требованиям СНиП II-3-79*.
4.3.6 Лестницы
Стены лестничных клеток выполняются из глиняного полнотелого кирпича, лестницы - монолитные железобетонные ступени по стальным косоурам.
4.3.7 Перекрытия, покрытия и кровля
Перекрытия – монолитные железобетонные по профилированному листу.
Покрытие – над главной ареной в осях 11-19, А-М пролетом 54м и тренировочной арены в осях 3-14, Н-Ч пролетом 36м представляет собой фермы из замкнутых профилей. Элементы рам предлагается выполнять из замкнутых профилей. В местах установки технологического оборудования покрытие монолитное железобетонное, в остальных местах металлическое. Конструкция аналогична стеновым панелям.
Кровельные прогоны выполняются из холодногнутых профилей, изготовленных из оцинкованной стали.
Кровля над спортивными аренами:
профилированный лист – 75 мм;
полиэтиленовая пленка;
плиты-утеплитель - 150 мм.;
ПВХ мембрана на механическом креплении
Плоские участки кровли:
-гидроизоляция;
защитная стяжка из цементно-песчаного раствора – 20мм.;
утеплитель -120мм.;
полиэтиленовая пленка;
выравнивающая стяжка из цементно-песчаного раствора – 20мм.;
керамзитобетон – 135-250мм.;
профилированный лист –75мм.
Водосток – внутренний, организованный.
4.3.8 Полы
Конструкция пола см. табл. 6.1.
Таблица 6.1 Экспликация полов
|
Номер помещения |
Тип пола |
Схема пола или тип пола по серии |
Данные элементов пола (наименование, толщина, основание и др.), мм. |
Площадь, м2 |
|
1.01,1.02,1.03,1.04,1.07,1.14,1.21,1.22,1.30,1.31,1.32,1.33,1.34,1.35,1.36 |
Плитка «керамо-гранит» по грунту |
|
Облицовочная плитка-«керамический гранит» 10 Прослойка из быстротвердеющей мастики 5 Стяжка из цем.-песчанного р-ра М150 30 Подстилающий слой бетона класса В7.5, армированный сеткой 4ВрI 120 Грунт основания с втрамбованным щебнем, крупностью 40-60мм. 100 |
1321.7 |
|
1.08,1.11,1.16,1.17,1.18,1.44,1.45,1.55,1.64,1.65,1.70,1.72,1.73,1.76,1.104 |
Керамическая плитка по грунту |
|
Керамическая плитка 5 Стяжка из цем.-песчанного р-ра М150 30 Два слоя гидроизола 6-8 Подстилающий слой бетона класса В7.5, армированный сеткой 4ВрI 160 Грунт основания с втрамбованным щебнем, крупностью 40-60мм. 100 |
421.3 |
|
1.19,1.82,1.83,1.86,1.108 |
Линолеум по грунту |
|
Линолеум на теплоизолирующей подоснове 5 Прослойка из клеящей мастики 5 Стяжка из цем.-песчанного р-ра М150 30 Подстилающий слой бетона класса В7.5, армированный сеткой4ВрI 160 Грунт основания с втрамбованным щебнем, крупностью 40-60мм. 100 |
113.4 |
|
1.109 |
Бетонный по грунту |
|
Слой бетонного раствора М200 30 Стяжка из цем.-песчанного р-ра М150 30 Подстилающий слой бетона класса В7.5, армированный сеткой 4ВрI 160 Грунт основания с втрамбованным щебнем, крупностью 40-60мм. и пропитанный битумом 100 |
63.4 |
|
2.01,2.02,2.03,2.07,2.08,2.11,2.17,2.49,2.50,2.51,2.52,2.54,2.56,2.57,2.59 |
Плитка «керамический гранит» |
|
Облицовочная плитка-«керамический гранит» 10 Прослойка из быстротвердеющей мастики 5 Цементно-песчанный раствор М150 30 Стяжка поризованная из фосфогипса 18 Подстилающий слой из легкого бетона 50 Ж/б плита перекрытия 220 |
897.4 |
|
2.05,2.06,2.12,2.20,2.21,2.22,2.23,2.24,2.36,2.37,2.38,2.42,2.43,2.44,2.53 |
Керамическая плитка |
|
Керамическая плитка 6 Цементно-песчанный раствор М150 30 Стяжка поризованная из фосфогипса 18 Два слоя гидроизола 6 Подстилающий слой из бетона класса В7.5 25 Ж/б плита перекрытия 220 |
478.1 |
|
2.25,2.27,2.28,2.30,2.32,2.35 |
Линолеум |
|
Линолеум на теплоизолирующей подоснове 5 Прослойка из клеящей мастики 5 Стяжка из цем.-песчанного р-ра М150 30 Теплоизоляционный слой из керамзита 40 Ж/б плита перекрытия 220 |
127.2 |
4.3.9 Окна, двери
Витражи и окна из алюминиевого профиля с однокамерными стеклопакетами. Двери – деревянные, остекленные и глухие.
4.3.10 Наружная и внутренняя отделка
Наружная и внутренняя обшивка панелей - оцинкованная листовая сталь, которая крепится к утеплителю при помощи клея. Крепление панелей к каркасу осуществляется при помощи самонарезающих винтов или клямеров.
Во внутренней отделке стен применяются штукатурка под покраску, облицовка керамической плиткой в санузлах, душевых и производственных помещениях буфетов ресторана и кафе, оклейка обоями кабинетов.
В хореографическом зале предусмотрена отделка стен зеркалами и установка стационарных хореографических станков.
Отделка вестибюлей фойе и других помещений для зрителей и посетителей выполняется из гранита и керамогранита.
Потолки подвесные, реечные, металлические в технических помещениях – покраска.
В тренажерном и хореографическом залах, для обеспечения необходимой высоты–4м., подвесной потолок не используется.
Вся отделка на путях эвакуации выполняется из современных высококачественных сертифицированных материалов с пожарной опасностью, нормированной СниП 21-01-97*
Декоративные элементы фасада – козырьки и пилястры двухсветного цилиндрического вестибюля и торцевые фрагменты криволинейного покрытия спортивных арен выполняются из алюминиевых композитных материалов.
5. Санитарно-технологическое оборудование
Врезка проектируемого водопровода предусмотрена в магистральный трубопровод диаметром 150мм., проходящий в минимальном приближении к проектируемому спортивному комплексу на расстоянии 7.5м. На месте врезки устанавливается отключающая арматура (задвижка), пожарный гидрант и монтируется ж/б колодец. Трубопроводы запроектированы из стальных труб. Хозяйственно-фекальные сточные воды с территории проектируемого спортивного комплекса отводятся в существующую сеть канализации, расположенной рядом. Водопроводные и канализационные колодцы выполнены из сборных ж/б элементов.
Водосток – внутренний, организованный.
Вентиляция спортивного комплекса запроектирована приточно-вытяжная с механическим побуждением. Воздух подается в верхнюю зону помещений через жалюзийные решетки. Удаление воздуха происходит по воздуховодам, с помощью канальных вентиляторов. Вытяжной воздух выбрасывается выше уровня парапета на 0.5 м.
Здание снабжено электроэнергией от внешних сетей напряжением 380/220В. Предусматривается рабочее, аварийное и эвакуационное освещение. Используются светильники с люминесцентными лампами и лампами накаливания. Управление освещением осуществляется индивидуальными выключателями.
6. Расчетно-конструктивная часть
6.1 Расчет фермы
Исходные данные для проектирования:
пролет фермы 35 м;
шаг ферм 6 м;
тип кровли теплая облегченная.
Конструкция предназначена для применения в отапливаемом здании с неагрессивной средой, возводимом во III районе по весу снегового покрова, в I районе по скоростному напору ветра. Решётка ферм и основные геометрические размеры показаны на рис. 8.1.

Рисунок 8.1 – Схема фермы.
Кровля над спортивными аренами представляет собой:
стальные прогоны;
профилированный лист – 75 мм (профилированный лист используется в конструкции кровли исходя из его высокой механической прочности, надежности в эксплуатации, коррозионной стойкости, быстрого и простого монтажа, удобства транспортировки);
полиэтиленовая пленка;
плиты-утеплитель «Нобасил» - 200 мм. (изоляция Нобасил обеспечивает тепловую, акустическую и противопожарную защиту, то есть позволяет защитить кровлю от воздействия огня и значительно повышают ее звукоизоляцию. Изоляция имеет поверхностную отделку, облегченный монтаж, защищает поверхность и улучшает ее сцепление с конструкцией. Как правило изоляция защищается дополнительной отделкой поверхности);
ПВХ мембрана на механическом креплении (Полимерная мембрана рулонный гидроизоляционный материал, отличающийся высокой прочностью, эластичностью, морозостойкостью, стойкостью к атмосферным воздействиям, окислению и ультрафиолетовому излучению);
Все нагрузки, действующие на ферму, передаются, на узлы фермы к которым присоединяются элементы поперечной конструкции (прогоны кровли).
Нагрузка, действующая на ферму состоит из постоянной (вес покрытия) и временной (вес снега).
Таблица 8.1 Сбор нагрузок
|
Наименование конструкции |
Вид нагрузки |
Наименование нагрузки |
Нормативная нагрузка кН/м2 |
Коэффициент надежности по нагрузке |
Расчетная нагрузка кН/м2 |
Примечание |
|
Покрытие |
Постоянная |
Профнастил Н75-750-0.8 |
0.096 |
1.05 |
0.11 |
|
|
Утеплитель «Нобасил» = 210 кг/м3 t =200мм |
0.42 |
1.3 |
0.55 |
|||
|
ПВХ мембрана |
0.05 |
1.05 |
0.05 |
|||
|
Собственный вес металлоконструкций |
0.40 |
1.05 |
0.42 |
|||
|
Итого |
0.57 |
− |
1.13 |
|||
|
Временная |
Снег, III район |
1.26 |
1.43 |
1.80 |
Расчет усилий в стержнях ферм определяем при помощи программы Structure CAD.
Постоянная нагрузка

Снеговая нагрузка
Первый вариант загружения

Снеговая нагрузка
Второй вариант загружения

Рисунок 8.2 – Расчетная схема стропильной фермы
Таблица 8.2. Комбинации нагрузок на ферму.
|
Номер |
Наименование |
|
1 |
Постоянная +снег (1-й вариант загружения) |
|
2 |
Постоянная +снег (2-й вариант загружения) |
Таблица 8.3. Усилия и напряжения в элементах при комбинации загружений фермы .
|
Номер эл-та |
Номер комб. |
Усилия и напряжения |
||
|
N (кН) |
M (кН*м) |
Q (кН) |
||
|
1 |
1 |
552.4 |
0. |
0. |
|
2 |
321.6 |
0. |
0. |
|
|
2 |
1 |
-475.1 |
0. |
0. |
|
2 |
-276.5 |
0. |
0. |
|
|
3 |
1 |
-87,1 |
0. |
0. |
|
2 |
-20.4 |
0. |
0. |
|
|
4 |
1 |
-475.1 |
0. |
0. |
|
2 |
-276.5 |
0. |
0. |
|
|
5 |
1 |
50.8 |
0. |
0. |
|
2 |
19.7 |
0. |
0. |
|
|
6 |
1 |
502.0 |
0. |
0. |
|
2 |
301.9 |
0. |
0. |
|
|
7 |
1 |
-256.1 |
0. |
0. |
|
2 |
-154.0 |
0. |
0. |
|
|
8 |
1 |
-579.7 |
0. |
0. |
|
2 |
-362.4 |
0. |
0. |
|
|
9 |
1 |
231.8 |
0. |
0. |
|
2 |
161.0 |
0. |
0. |
|
|
10 |
1 |
431.8 |
0. |
0. |
|
2 |
259.7 |
0. |
0. |
|
|
11 |
1 |
-51.0 |
0. |
0. |
|
2 |
-19.7 |
0. |
0. |
|
|
12 |
1 |
-579.7 |
0. |
0. |
|
2 |
-362.4 |
0. |
0. |
|
|
13 |
1 |
-165.6 |
0. |
0. |
|
2 |
-135.4 |
0. |
0. |
|
|
14 |
1 |
685.3 |
0. |
0. |
|
2 |
448.9 |
0. |
0. |
|
|
15 |
1 |
0 |
0. |
0. |
|
2 |
0 |
0. |
0. |
|
|
16 |
1 |
-748.7 |
0. |
0. |
|
2 |
-519.0 |
0. |
0. |
|
|
17 |
1 |
99.3 |
0. |
0. |
|
2 |
109.8 |
0. |
0. |
|
|
18 |
1 |
685.3 |
0. |
0. |
|
2 |
448.9 |
0. |
0. |
|
|
19 |
1 |
-51.0 |
0. |
0. |
|
2 |
-19.7 |
0. |
0. |
|
|
20 |
1 |
-748.7 |
0. |
0. |
|
2 |
-519.0 |
0. |
0. |
|
|
21 |
1 |
-33.1 |
0. |
0. |
|
2 |
-84.2 |
0. |
0. |
|
|
22 |
1 |
769.8 |
0. |
0. |
|
2 |
572.8 |
0. |
0. |
|
|
23 |
1 |
-33.1 |
0. |
0. |
|
2 |
18.0 |
0. |
0. |
|
|
24 |
1 |
-748.7 |
0. |
0. |
|
2 |
-584.3 |
0. |
0. |
|
|
25 |
1 |
-51.0 |
0. |
0. |
|
2 |
-51,0 |
0. |
0. |
|
|
26 |
1 |
-748.7 |
0. |
0. |
|
2 |
-584.3 |
0. |
0. |
|
|
27 |
1 |
99.3 |
0. |
0. |
|
2 |
48.1 |
0. |
0. |
|
|
28 |
1 |
685.3 |
0. |
0. |
|
2 |
553.5 |
0. |
0. |
|
|
29 |
1 |
0 |
0. |
0. |
|
2 |
0 |
0. |
0. |
|
|
30 |
1 |
-579.7 |
0. |
0. |
|
2 |
-480.6 |
0. |
0. |
|
|
31 |
1 |
-165.6 |
0. |
0. |
|
2 |
-114.4 |
0. |
0. |
|
|
32 |
1 |
685.3 |
0. |
0. |
|
2 |
553.5 |
0. |
0. |
|
|
33 |
1 |
-51.0 |
0. |
0. |
|
2 |
-51,0 |
0. |
0. |
|
|
34 |
1 |
431.8 |
0. |
0. |
|
2 |
365.3 |
0. |
0. |
|
|
35 |
1 |
231.8 |
0. |
0. |
|
2 |
180.6 |
0. |
0. |
|
|
36 |
1 |
-579.7 |
0. |
0. |
|
2 |
-480.6 |
0. |
0. |
|
|
37 |
1 |
-256.1 |
0. |
0. |
|
2 |
-216.6 |
0. |
0. |
|
|
38 |
1 |
-475.1 |
0. |
0. |
|
2 |
-408.6 |
0. |
0. |
|
|
39 |
1 |
50.8 |
0. |
0. |
|
2 |
50.8 |
0. |
0. |
|
|
40 |
1 |
502.0 |
0. |
0. |
|
2 |
424.7 |
0. |
0. |
|
|
41 |
1 |
-52.4 |
0. |
0. |
|
2 |
-52.4 |
0. |
0. |
|
|
42 |
1 |
-475.1 |
0. |
0. |
|
2 |
-408.6 |
0. |
0. |
|
|
43 |
1 |
925.6 |
0. |
0. |
|
2 |
475.2 |
0. |
0. |
Результаты max расчётных усилий сведём в табл. 8.4.
Таблица 8.4. Значение max расчётных усилий в стержнях фермы.
|
Элемент фермы |
Номер элемента |
Расчётное усилие, кН |
|
|
сжатие |
растяжение |
||
|
Верхний пояс |
2 4 8 12 16 20 24 26 30 36 38 42 |
475.1 475.1 579.7 579.7 748.7 748.7 748.7 748.7 579.7 579.7 475.1 475.1 |
- - - - - - - - - - - - |
|
Нижний пояс |
1 6 10 14 18 22 28 32 34 40 43 |
- - - - - - - - - - - |
552.4 502.0 431.8 685.3 685.3 769.8 685.3 685.3 431.8 502.0 552.4 |
|
Стойки |
3 7 11 15 19 25 29 33 37 41 |
52.4 256.1 51.0 0 51.0 51.0 0 51.0 256.1 52.4 |
- - - - - - - - - - |
|
Раскосы |
5 9 13 17 21 23 27 31 35 39 |
- - 165.6 - 84.2 33.1 - 165.6 - - |
50.8 231.8 - 109.8 - - 99.3 - 231.8 50.8 |
Для удобства изготовления и комплектования сортамента металла при проектировании ферм обычно устанавливают 4-6 разных калибров профиля, из которых набирают все элементы фермы. Расчет сечений стержней фермы определяем при помощи программы Structure CAD
Необходимые данные для расчёта:
марка
стали ВСт3пс6-1 (
=240
МПа) [СНиП II-23-81*,
табл. 51*];
N – расчётное продольное усилие;
-
коэффициент условия работы конструкции;
l>ef> – расчетные длины.
Таблица 8.5. Сечения элементов стропильной фермы.
|
Элемент верхнего пояса фермы Номер элемента 2 Расчётное продольное усилие N = -475.1 кН Длина элемента 3,0 м Коэффициент
условий работы
|
Двутавр колонный по ГОСТ 26020-83 I 30К1 |
|
Элемент верхнего пояса фермы Номер элемента 4 Расчётное продольное усилие N = -475.1.0 кН Длина элемента 2,9 м Коэффициент
условий работы
|
Двутавр колонный по ГОСТ 26020-83 I 30К1 |
|
Элемент верхнего пояса фермы Номер элемента 8 Расчётное продольное усилие N = -579.7 кН Длина элемента 2,9 м Коэффициент
условий работы
|
Двутавр колонный по ГОСТ 26020-83 I 30К1 |
|
Элемент верхнего пояса фермы Номер элемента 12 Расчётное продольное усилие N = -579.7 кН Длина элемента 2,9 м Коэффициент
условий работы
|
Двутавр колонный по ГОСТ 26020-83 I 30К1 |
|
Элемент верхнего пояса фермы Номер элемента 16 Расчётное продольное усилие N = -748.7.кН Длина элемента 2,9 м Коэффициент
условий работы
|
Двутавр колонный по ГОСТ 26020-83 I 30К2 |
|
Элемент верхнего пояса фермы Номер элемента 20 Расчётное продольное усилие N = -748.7 кН Длина элемента 2,9 м Коэффициент
условий работы
|
Двутавр колонный по ГОСТ 26020-83 I 30К2 |
|
Элемент верхнего пояса фермы Номер элемента 24 Расчётное продольное усилие N = -748.7 кН Длина элемента 2,9 м Коэффициент
условий работы
|
Двутавр колонный по ГОСТ 26020-83 I 30К2 |
|
Элемент верхнего пояса фермы Номер элемента 26 Расчётное продольное усилие N = -748.7 кН Длина элемента 2,9 м Коэффициент
условий работы
|
Двутавр колонный по ГОСТ 26020-83 I 30К2 |
|
Элемент верхнего пояса фермы Номер элемента 30 Расчётное продольное усилие N = -579.7 кН Длина элемента 2,9 м Коэффициент
условий работы
|
Двутавр колонный по ГОСТ 26020-83 I 30К1 |
|
Элемент верхнего пояса фермы Номер элемента 36 Расчётное продольное усилие N = -579.7 кН Длина элемента 2,9 м Коэффициент
условий работы
|
Двутавр колонный по ГОСТ 26020-83 I 30К1 |
|
Элемент верхнего пояса фермы Номер элемента 38 Расчётное продольное усилие N = -475.1 кН Длина элемента 2,9 м Коэффициент
условий работы
|
Двутавр колонный по ГОСТ 26020-83 I 30К1 |
|
Элемент верхнего пояса фермы Номер элемента 42 Расчётное продольное усилие N = -475.1 кН Длина элемента 3,0 м Коэффициент
условий работы
|
Двутавр колонный по ГОСТ 26020-83 I 30К1 |
|
Элемент нижнего пояса фермы Номер элемента 1 Расчётное продольное усилие N = 552.4 кН Длина элемента 3,49 м Коэффициент
условий работы
|
Двутавр колонный по ГОСТ 26020-83 I 26К1 |
|
Элемент нижнего пояса фермы Номер элемента 6 Расчётное продольное усилие N = 502.0 кН Длина элемента 3,37 Коэффициент
условий работы
|
Двутавр колонный по ГОСТ 26020-83 I 26К1 |
|
Элемент нижнего пояса фермы Номер элемента 10 Расчётное продольное усилие N = 431.8 кН Длина элемента 2, Коэффициент
условий работы
|
Двутавр колонный по ГОСТ 26020-83 I 26К1 |
|
Элемент нижнего пояса фермы Номер элемента 14 Расчётное продольное усилие N = 685.3 кН Длина элемента 2,9 Коэффициент
условий работы
|
Двутавр колонный по ГОСТ 26020-83 I 26К1 |
|
Элемент нижнего пояса фермы Номер элемента 18 Расчётное продольное усилие N = 685.3 кН Длина элемента 2,9 м Коэффициент
условий работы
|
Двутавр колонный по ГОСТ 26020-83 I 30К1 |
|
Элемент нижнего пояса фермы Номер элемента 22 Расчётное продольное усилие N = 769.8 кН Длина элемента 5,8 м Коэффициент
условий работы
|
Двутавр колонный по ГОСТ 26020-83 I 30К1 |
|
Элемент нижнего пояса фермы Номер элемента 28 Расчётное продольное усилие N = 685.3 кН Длина элемента 2,9 м Коэффициент
условий работы
|
Двутавр колонный по ГОСТ 26020-83 I 30К1 |
|
Элемент нижнего пояса фермы Номер элемента 32 Расчётное продольное усилие N = 685.3 кН Длина элемента 2,9 м Коэффициент
условий работы
|
Двутавр колонный по ГОСТ 26020-83 I 26К1 |
|
Элемент нижнего пояса фермы Номер элемента 34 Расчётное продольное усилие N = 431.8 кН Длина элемента 2,9 м Коэффициент
условий работы
|
Двутавр колонный по ГОСТ 26020-83 I 26К1 |
|
Элемент нижнего пояса фермы Номер элемента 40 Расчётное продольное усилие N = 502.0 кН Длина элемента 3,37 м Коэффициент
условий работы
|
Двутавр колонный по ГОСТ 26020-83 I 26К1 |
|
Элемент нижнего пояса фермы Номер элемента 43 Расчётное продольное усилие N = 552.4 кН Длина элемента 3,49 м Коэффициент
условий работы
|
Двутавр колонный по ГОСТ 26020-83 I 26К1 |
|
Стойка Номер элемента 3 Расчётное продольное усилие N = -52.4 кН Длина элемента 1,78 м Коэффициент
условий работы
|
Труба прямоугольная по ГОСТ 8645-68 120х80х5 |
|
Стойка Номер элемента 7 Расчётное продольное усилие N = -256.1 кН Длина элемента 3,5 м Коэффициент
условий работы
|
Труба прямоугольная по ГОСТ 8645-68 180х140х5 |
|
Стойка Номер элемента 11 Расчётное продольное усилие N = -51.0 кН Длина элемента 3,5 м Коэффициент
условий работы
|
Труба прямоугольная по ГОСТ 8645-68 120х80х5 |
|
Стойка Номер элемента 15 Расчётное продольное усилие N = 0 кН Длина элемента 3,5 м Коэффициент
условий работы
|
Швеллер по ГОСТ 8240-89 12 |
|
Стойка Номер элемента 19 Расчётное продольное усилие N = -51.0 кН Длина элемента 3,5 м Коэффициент
условий работы
|
Труба прямоугольная по ГОСТ 8645-68 120х80х5 |
|
Стойка Номер элемента 25 Расчётное продольное усилие N = -51.0 кН Длина элемента 3,5 м Коэффициент
условий работы
|
Труба прямоугольная по ГОСТ 8645-68 120х80х5 |
|
Стойка Номер элемента 29 Расчётное продольное усилие N = 0 кН Длина элемента 3,5 м Коэффициент
условий работы
|
Швеллер по ГОСТ 8240-89 12 |
|
Стойка Номер элемента 33 Расчётное продольное усилие N = -51.0 кН Длина элемента 3,5 м Коэффициент
условий работы
|
Труба прямоугольная по ГОСТ 8645-68 120х80х5 |
|
Стойка Номер элемента 37 Расчётное продольное усилие N = -256.1 кН Длина элемента 3,5 м Коэффициент
условий работы
|
Труба прямоугольная по ГОСТ 8645-68 180х140х5 |
|
Стойка Номер элемента 41 Расчётное продольное усилие N = -52.4 кН Длина элемента 1,78 м Коэффициент
условий работы
|
Труба прямоугольная по ГОСТ 8645-68 120х80х5 |
|
Раскос Номер элемента 5 Расчётное продольное усилие N = 50.8 кН Длина элемента 3,4 м Коэффициент
условий работы
|
Труба прямоугольная по ГОСТ 8645-68 120х80х5 |
|
Раскос Номер элемента 9 Расчётное продольное усилие N = 231.8 кН Длина элемента 4,55 м Коэффициент
условий работы
|
Труба квадратная по ГОСТ 8639-68 150х8 |
|
Раскос Номер элемента 13 Расчётное продольное усилие N = -165.6 кН Длина элемента 4,55 м Коэффициент
условий работы
|
Труба квадратная по ГОСТ 8639-68 150х8 |
|
Раскос Номер элемента 17 Расчётное продольное усилие N = 109.8 кН Длина элемента 4,55 м Коэффициент
условий работы
|
Труба квадратная по ГОСТ 8639-68 140х6 |
|
Раскос Номер элемента 21 Расчётное продольное усилие N = -84.2 кН Длина элемента 4,55 м Коэффициент
условий работы
|
Труба квадратная по ГОСТ 8639-68 140х6 |
|
Раскос Номер элемента 23 Расчётное продольное усилие N = -33.1 кН Длина элемента 4,55 м Коэффициент
условий работы
|
Труба квадратная по ГОСТ 8639-68 140х6 |
|
Раскос Номер элемента 27 Расчётное продольное усилие N = 99.3 кН Длина элемента 4,55 м Коэффициент
условий работы
|
Труба квадратная по ГОСТ 8639-68 140х6 |
|
Раскос Номер элемента 31 Расчётное продольное усилие N = -165.6 кН Длина элемента 4,55 м Коэффициент
условий работы
|
Труба квадратная по ГОСТ 8639-68 150х8 |
|
Раскос Номер элемента 35 Расчётное продольное усилие N = 231.8 кН Длина элемента 4,55 м Коэффициент
условий работы
|
Труба квадратная по ГОСТ 8639-68 150х8 |
|
Раскос Номер элемента 39 Расчётное продольное усилие N = 50.8 кН Длина элемента 3,4 м Коэффициент
условий работы
|
Труба прямоугольная по ГОСТ 8645-68 120х80х5 |
Расчет и конструирование узлов фермы.
При расчёте узлов фермы определяют размеры сварных швов и назначают габариты фасонок с таким расчётом, чтобы на них уместились все сварные швы стержней.
Исходные данные для расчёта:
R>wf> = 180 МПа - расчётное сопротивление угловых сварных швов условному срезу по металлу шва;
R>un> = 370 МПа - расчётное сопротивление стали по временному сопротивлению (для стали марки ВСт3пс6-1);
R>wz>= 0,45∙R>un> = 0,45∙370 = 166,5 МПа…расчётное сопротивление угловых сварных швов условному срезу по металлу границы сплавления;
г>wf>> >= 1 ,коэффициент условия работы сварного соединения угловыми швами при расчёте по металлу шва (при R>y>< 580 МПа и климатических районах с t° > – 40);
г>wz> = 1, коэффициент условия работы сварного соединения угловыми швами при расчёте по металлу границы сплавления (при R>y>> >< 580 МПа и климатических районах с t° > – 40);
При изготовлении фермы принимаем ручную сварку электродами Э42 и Э42А по ГОСТ 9467–75;
в>f> = 0,7, коэффициент сварного соединения угловыми швами при расчёте по металлу шва;
в>z> = 1, коэффициент сварного соединения угловыми швами при расчёте по металлу границы сплавления;
г>c> = 1, коэффициент условия работы конструкции;
в>f> ∙ R>wf> = 0,7 ∙ 180 = 126 МПа
в>z> ∙ R>wz> = 1 ∙ 166,5 = 126 МПа
Следовательно, расчёт будем вести по металлу шва. Так как сварка ручная то, наиболее эффективно принять катет шва равный 6мм (K>f> = 6мм).
Расчёт опорного узла стропильной фермы.
Находим требуемую площадь сечения ребра по формуле

где Q-поперечная сила на опоре фермы (Q=308,4кН);
,
Где R>un>-временное сопротивление стали (для марки стали ВСт3пс6-1, R>un>=370МПа)
-коэффициент
надежности по материалу, принимаемый
по табл. 2*[СНиП II-23-81*]


Принимая ширину опорного ребра 220мм, получаем толщину ребра
,
примем t>p>=25
мм.

Рис.8.3. Опорный узел фермы
Расчет верхнего монтажного узла.
Монтажный стык испытывает сжимающие усилия. Фланцы выполняем из стали марки ВСт3пс6-1 толщиной 22мм. Стык верхнего монтажного узла рассчитываем на обычных болтах из конструктивных соображений. Принимаем 4 болта М20 класса прочности 5.6. Размещение болтов осуществляется при соблюдении конструктивных требований.
Усилие
в стыке:

Определяем длину швов прикрепления уголков к фланцу:

Расчёт и конструирование монтажного стыка нижнего пояса.
Монтажный стык проектируем на высокопрочных болтах из стали марки 40Х "Селект", d>b>=24 мм и d>отв>=27 мм в качестве накладки используем 2 L 120х15 – того же профиля, что и сечение нижнего пояса, с расчётным усилием N=768,80 Кн.
Исходные данные для расчёта:
d>b>=24 мм.-диаметр болта;
d>отв>=27 мм.-диаметр отверстия под болт;
A>bn>=3,52 см2-площадь сечения болта нетто;
R>bun>=110 кН/см2-наименьшее временное сопротивление стали болтов марки 40Х "Селект";
R>bh>=0,7∙R>bun>=0,7∙110=77 кН/см2 – расчётное сопротивление высокопрочных болтов растяжению;
µ=0,35-коэффициент трения, обработка соединяемых поверхностей производится стальными щетками;
г>h>=1,17-коэффициент надёжности при статической нагрузке и разности диаметров болта и отверстия д=1…4 мм, способе регулирования натяжения болтов по углам поворота гайки;
г>b>=0,9-коэффициент условий работы соединения при количестве болтов 5…10;
k=2-количество поверхностей трения соединяемых элементов;
Усилие
в стыке:

Несущая способность одного высокопрочного болта:

Количество болтов:

Принимаем n = 16 шт. Размещение болтов осуществляется при соблюдении конструктивных требований.
8.2 Расчет поперечной рамы
На рисунке 8.3 представлена поперечная рама тренировочной спортивной арены.

Рисунок 8.4 – Поперечная рама тренировочной спортивной арены
Сбор нагрузок на поперечную раму тренировочной спортивной арены:
Постоянная нагрузка

Рисунок 8.5 – Расчётная схема рамы при расчёте на постоянную нагрузку




Снеговая нагрузка
Рисунок 8.6 – Расчётная схема рамы при расчёте на снеговую нагрузку


Сбор ветровых нагрузок
Для местности типа В (местность с оврагами и лесами, застройка населённых пунктов высотой 1025 м) коэффициенты, учитывающие изменения ветрового давления по высоте:
К>5>=0,5;
К>10>=0,65;
К>11,3>=0,68;
К>20>=0,85.

Рисунок 8.7 – К расчету рамы на ветровую нагрузку


С наветренной стороны:

.
С заветренной стороны:

где г>f>> >= 1,4 – коэффициент надёжности по нагрузке;
W>0 >=0,23 кПа – нормативное значение ветровой нагрузки для I-го ветрового района;
К>экв>=0,81 – равномерно распределённое эквивалентное ветровое давление;
C=0,8 – аэродинамический коэффициент, учитывающий форму зданий и сооружений с наветренной стороны;
C/=0,6 – аэродинамический коэффициент, учитывающий форму зданий и сооружений с заветренной стороны;
Расчет усилий в поперечной раме
тренировочной спортивной арены, их
комбинаторику, и подбор поперечного
сечения колонны ведем в программе
Structure
CAD.
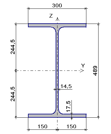
Получаем поперечное сечение колонны -
двутавр 50Ш2, марка стали - ВСт3пс6-1 (
=240
МПа). Сечение изображено на рисунке 8.7.

Рисунок 8.8 – Сечение колонны
Конструирование и расчет базы колонны.
Примем класс прочности бетона на сжатие В25, что соответствует Rпр=14,5 МПа.
Расчетное сопротивление бетона смятию

где R>пр >– расчетное сопротивление бетона осевому сжатию;
Требуемая площадь плиты в плане

Размеры плиты назначаем конструктивно, принимая В = 750 мм, С = 550 мм.
Фактическая площадь плиты 75х55=4125 см2, что больше требуемой, равной 593,2 см2 .
Фактическое давление фундамента на плиту

Согласно принятой конструкции плита имеет три участка для определения изгибающих моментов. Произведем их расчет программным пакетом SCAD OFFICE.
Участок 1 – опирание плиты на четыре канта.
Группа конструкции по таблице 50* СНиП:
Расчетное сопротивление стали R>y>= 23,544 кН/см2
Коэффициент условий работы 1,1
Коэффициент надежности по ответственности 1,15
Размеры:
Нагрузка 0,271 кН/см2
Коэффициент ответственности 1,15
Коэффициент условий работы 1,1
Расчетное сопротивление стали по пределу текучести R>y>= 23,544 кН/см2
Требуемая толщина плиты 40,0 мм
Участок 2 – опирание плиты на три канта.
Расчет произведен программным пакетом SCAD OFFICE.
Группа конструкции по таблице 50* СНиП:
Расчетное сопротивление стали R>y>= 23,544 кН/см2
Коэффициент условий работы 1,1
Коэффициент надежности по ответственности 1,15
Нагрузка 0,271 кН/см2
Коэффициент ответственности 1,15
Коэффициент условий работы 1,1
Расчетное сопротивление стали по пределу текучести R>y>= 23,544 кН/см2
Требуемая толщина плиты 20,0 мм
Участок 3 – консольный.
Расчет произведен программным пакетом SCAD OFFICE.
Группа конструкции по таблице 50* СНиП:
Расчетное сопротивление стали R>y>= 23,544 кН/см2
Коэффициент условий работы 1,1
Коэффициент надежности по ответственности 1,15
Нагрузка 0,271 кН/см2
Коэффициент ответственности 1,15
Коэффициент условий работы 1,1
Расчетное сопротивление стали по пределу текучести R>y>= 23,544 кН/см2
Требуемая толщина плиты 10,0 мм
Примем толщину плиты 40мм.
Проведем расчет сварных швов, прикрепляющих колонну к плите базы.
Назначим полуавтоматическую сварку проволокой диаметром 1,4-2,0 мм, для которой в>z> = 1.0, в>f>= 0.8 при K>f>=9…12 мм, R>wz>=166.5 МПа , R>wf>=180 МПа.
При в>f>R>wf>> >= 0,8*180 = 144 МПа < в>z>R>wz>> >= 1.0*165.5 = 166.5 МПа расчет выполняем по металлу шва.
В расчетную длину сварных швов включаются длина швов, прикрепляющих колонну по контуру:

Требуемый катет шва

Принимаем катет шва K>f>> >= 7 мм.
k>f>=7 мм t k>f>, >min>=7 мм (100% от предельного значения) - условие выполнено.
Расчет анкерных болтов колонн.
М=21,73кНм; N=161,5 кН.
С учётом перехода от расчётной нагрузки к нормативной, а затем опять к расчётной, N необходимо домножить на коэффициент 0,8.
N/=161,5.0,8=129,2кН;
Принимаем восемь болтов (n=8), тогда усилие в одном болте:

Требуемая площадь сечения болта нетто:

где R>bn>=185 МПа – расчётное сопротивление растяжению фундаментных болтов из стали марки ВСт3кп2;
Окончательно принимаем 8 болтов 20 мм, с А>bn>=2,45 см2.
8.3 Расчет фундаментов
Оценка инженерно-геологических условии строительной площадки.
Физические характеристики грунтов:
Плотность грунта




;
.
Плотность
частиц грунта
;

;
;
;
.
Коэффициент
пористости

;
;
;
.
Коэффициент
водонасыщения

;
;
;
.
Число
пластичности

;
.
Показатель
консистенции

;
.
Условное
расчётное давление
(кПа)
;
;
;
;
Все физические характеристики грунтов сведём в табл. 8.6.
Табл.8.6. Физические характеристики грунтов.
|
№ слоя |
|
|
e |
|
|
|
Литологическое описание грунта |
|
|
1 |
1,83 |
2,66 |
0,67 |
0,6 |
– |
– |
песок пылеватый, средней плотности, влажный |
150 |
|
2 |
2,0 |
2,66 |
0,66 |
1,0 |
– |
– |
песок мелкий, средней плотности, насыщенный водой |
200 |
|
3 |
2,0 |
2,74 |
0,74 |
1,0 |
0,18 |
0,22 |
глина полутвёрдая |
300 |
|
4 |
2,17 |
2,67 |
0,43 |
1,0 |
0,07 |
0,44 |
супесь тугопластичная |
300 |
Определение глубины заложения фундамента.
Расчётная глубина промерзания грунта

где,
=0,6
– коэф., учитывающий влияние теплового
режима сооружения. табл.1 [7],
-
нормативная глубина промерзания для
г. Коломны Московской области.
,
где
=6,0
м - уровень подземных вод
0,9
+ 2,0 = 2,9 м < 6,0 м , принимаем
=
0,9 м.
Фундамент проектируется ступенчатый монолитный из бетона класса В 25 с расчётными характеристиками при коэффициенте
:
;
.
Арматура
подошвы класса A-III
(
).
Под фундаментом предусмотрена бетонная подготовка толщиной 100 мм из бетона класса В 7,5.
Расчет выполняют на наиболее опасную комбинацию расчетных усилий: М = 79,0 кН·м, N =1118,3 кН, Q =8,7 кН.
Нормативное значение усилий определено делением расчетных усилий на усредненный коэффициент надежности по нагрузке г>f> = 1,15, т.е М = 68,7 кН·м, N =972,4 кН, Q =7,6 кН
Предварительно глубину заложения фундамента принимаем из конструктивных соображений d = 1,8 м .

Из
конструктивных соображений принимаем
;
;
;


Фактическое сопротивление под подошвой фундамента:

Уточним расчетное сопротивление грунта основания:

где
1,25;
1,12;
4
кПа;
30
;
1,1
;
=1,0
1,15;
5,59;
7,95.
обозначения см. п. 2.40 [7]

141,9
кПа <
157,2
кПа, недонапряжение составляет 9,1 %
Определяют краевое давление на основание. Изгибающий момент в уровне подошвы М>п>>f> = М>п >+ Q>n>·H = 68,7+7,6 ·1,8 = 82,4 кН·м.
Нормативная нагрузка от веса фундамента и грунта на его обрезах
Q=339,3 кН. При условии, что


<
м
<1,2·R=1,2·157,2=188,6
кH/м2.

кН/м2
> 0
Расчет арматуры фундамента.
Определяем напряжение в грунте под подошвой фундамента в направлении длинной стороны а без учета веса фундамента и грунта на его уступах от расчетных нагрузок:

кH/м2

кH/м2
где М>f> = M + Q·H =79,0+8,7·1,8=94,7 кН·м.
Расчетные изгибающие моменты: в сечении I – I:


=178,6 кH·м
где a>i>> >=a>1>=2,6м,

кH/м2
в сечении II – II:

=331,6 кH·м
в сечении III – III:

=437,6 кH·м
Требуемое сечение арматуры:

см2

см2

см2
Принимаем 22 Ш 12 с А>S>> >= 24,88 см2.
Процент
армирования
м
=
= 0,157 % >
м>min>
= 0,05%
Арматура, укладываемая параллельно меньшей стороне фундамента, определяется по изгибающему моменту в сечении IV - IV:

кН/м2

кН·м

см2
принимаем 14 Ш 12 с А>s> =18,38 см2 с шагом s = 300 мм.
Процент
армирования: м
=
% >
м>min>
= 0,05
Определим осадку фундамента.
Исходные
данные: b
= 2,2 м; d
= 1,8 м;
141,9
кПа.
Определяем
ординаты эпюры вертикального напряжения
от действия собственного веса грунта
и вспомогательной эпюры


где i – число пластов,
-
удельный вес пласта,
-
мощность пласта.





Удельный вес 3-го (по табл.8.6 2-го) слоя с учётом взвешивающего действия воды




Определяем
ординаты эпюры дополнительного давления

,
где

-
коэф. учитывающий уменьшение дополнительного
напряжения по глубине
Разобьём сжимаемою толщу на элементарные слои толщиной

Для
удобства примем
=
0,64 м












Определяем полную осадку фундамента

где
=
0,8 – коэф. зависящий от напряжения
состояния и характера грунта,
-
начальный модуль деформации грунта
i-го
слоя (взят из СНиП 2.02.01-83* Основания
зданий и сооружений),
-
среднее дополнительное напряжение
возникающее на подошве i
и i-1
слоёв.


Рисунок 8.9 – Эпюра природного и дополнительного давления для фундамента Фм-1
9. ТЕХНОЛОГИЯ, ОРГАНИЗАЦИЯ, ПЛАНИРОВАНИЕ И УПРАВЛЕНИЕ СТРОИТЕЛЬСТВА
9.1 Выбор метода производства работ
Возведение (монтаж) сооружения в целом, а также отдельных его частей и конструкций можно выполнить различными методами. Совокупность этих методов образует варианты методов монтажа отдельных конструкций и всего сооружения.
Процесс формирования вариантов методов монтажа является одним из наиболее ответственных этапов проектирования технологии монтажа. От правильно научно обоснованного выбора окончательного решения во многом зависят производительность труда, себестоимость работ и их качество, эффективность использования капитальных вложений.
Разработку вариантов процесса монтажа производят на основе анализа следующих исходных данных:
архитектурно – планировочного и конструктивного решений возводимого объекта;
- рекомендуемых методов производства работ;
технологических, технических, климатических и других условий;
материально – технических возможностей монтажной организации.
Определяющим для разработки вариантов методов монтажа является анализ архитектурно – планировочного и конструктивного решений объекта, а именно:
определение массы отправочных элементов и их количества, отдельных частей или блоков;
определение высот подъема отдельных элементов или блоков, глубины их подачи;
определение насыщенности возводимого объекта технологическим оборудованием.
Во всех случаях варианты методов монтажа должны формироваться с максимальным применением принципов индустриализации.
Выбор комплекта монтажных средств заключается в подборе для каждого варианта монтажа возводимого объекта такой строительной техники, которая обеспечит его реализацию.
Подбор строительной техники для каждого варианта монтажа включает в себя подбор ведущей машины (одной или несколько), которая обеспечивает теми выполнения работ, и вспомогательных, обеспечивающих производительную работу ведущей.
Ведущей машиной, как правило, является монтажный кран, а вспомогательными краны меньшей грузоподъемности и различные транспортные средства.
Схема определения рабочих параметров крана при монтаже стропильных ферм и прогонов приведена на рисунке 9.1.

Рисунок 9.1 – Схема определения рабочих параметров крана при монтаже стропильных ферм и прогонов
Таблица № 9.1 Требуемые характеристики кранов
1.1.Показатели |
|
1.2.Прогон |
|
Q, т |
7.9 |
0.135 |
|
Н, м |
24.8 |
14.7 |
|
L, м |
23.7 |
18.7 |
Полученным результатам удовлетворяет кран СКГ-25.

Рисунок
9.2 – Грузовые и высотные характеристики
крана СКГ-25, L=25м,
.
9.2 Проектирование технологии производства работ
Подготовительные работы:
Для начала работ необходимо выполнить работы подготовительного периода:
ограждение территории строительства временным металлическим забором на стойках;
снос ТП с перекладкой высоковольтных и низковольтных кабелей, попадающих в пятно застройки;
разборку существующих зданий и сооружений с вывозом строительного мусора;
разбивку геодезической основы;
вырубку, пересадку и защиту деревьев, согласно порубочной ведомости (порубочного билета), с последующей вывозкой бревен;
устройство временного городка строителей с прокладкой временных коммуникаций;
разборку и перекладку коммуникаций, попадающих в пятно застройки и мешающих строительству;
демонтаж существующих опор освещения;
перемещение ЛЭП за пределы строительной площадки;
срезку растительного грунта;
вертикальную планировку территории;
устройство временных дорог и площадок;
устройство мойки колес автотранспорта.
После расчистки территории строительства выполняются работы по геодезической привязке площадочной опорной сети к государственным геодезическим знакам, а так же по установке обноски и геодезической разбивке здания в следующем порядке:
от репера или отдельно стоящего объекта откладывают угол;
перпендикулярно откладывают ширину и длину объекта;
полученные крайние оси выносят из зоны отрывки грунта в виде обноски на расстояние, необходимое для свободного передвижения экскаватора и бульдозера.
Земляные работы:
срезка растительного слоя;
планировка площадки;
разработка грунта экскаватором;
ручная доработка грунта;
обратная засыпка грунта бульдозером;
уплотнение грунта (на 0,3м.) механизировано.
Срезка растительного слоя выполняется бульдозером ДЗ-18: снимается плодородный слой почвы, с целью дальнейшего использования для благоустройства территории объекта. Бульдозером срезают и перемещают грунт, укладывая его в промежуточные валики, которые затем окучиваются для погрузки в самосвал ЗИЛ-ММЗ-555 экскаватором. Разработка грунта в выемках осуществляется экскаватором ЭО-2141А, оборудованным обратной лопатой, разработка ведется ниже уровня стоянки. Обратная засыпка выполняется бульдозером ДЗ-18 после возведения фундаментов. Уплотнение осуществляется с помощью прицепного катка ДУ-39А.
Нулевой цикл:
устройство щебеночного подстилающего слоя;
устройство бетонного подстилающего слоя;
сборка опалубки;
установка горизонтальных арматурных сеток;
установка вертикальных арматурных сеток;
укладка бетонной смеси;
демонтаж опалубки;
поливка бетонной поверхности водой;
монтаж фундаментных балок;
обмазочная гидроизоляция.
устройство отмостки
Выполняется щебеночная подготовка, поверх нее выполняется бетонный подстилающий слой с последующей утрамбовкой вручную. Элементы опалубки складируют возле сборки и установки. Арматурные сетки при установке и закреплении в опалубку вяжут в пространственные каркасы. Бетонную смесь сначала заливают в ленточный фундамент, а потом в столбчатый. В течении набирания несущей способности бетон поливают водой один раз. Устанавливают фундаментные балки и всю поверхность бетона обмазывают горячим битумом.
Монтаж каркаса:
выверочный монтаж колонн;
монтаж крестовых связей по колоннам;
монтаж стержневых связей по колоннам;
монтаж фахверковых колонн;
монтаж ферм;
монтаж стержневых связей по фермам;
При монтаже колонн, стоек укладка конструкций ведется в положение, удобное для подъема. Устанавливают опорных деталей на фундамент (при установке колонн). Удерживают оттяжками при подъеме и установке конструкций. Выверка. Все свариваемые элементы после монтажа привариваются. Монтаж колонн осуществляется с их предварительной раскладкой. До начала подъема колонны должны быть обстроены подмостями, лестницами и площадками, а также монтажными стяжными приспособлениями. Перед установкой колонну переводят из горизонтального положения в вертикальное, в этом положении подают к месту установки и опускают на фундамент, наводя на анкерные болты. Кран, перемещаясь вдоль ряда колонн, в направлении башмака колонны, поднимает колонну грузовым полиспастом, поворачивая её вокруг опоры до вертикального положения. При подъеме не следует допускать отклонения грузового полиспаста от вертикального более чем на 1.5є. Расстроповку можно выполнить только после надлежащего закрепления установленных колонн. Устанавливают опорных деталей на фундамент (при установке колонн). Удерживают оттяжками при подъеме и установке конструкций. После монтажа крестовых связей по колоннам приваривают их сваркой – работы ведется специализированной бригадой.
Наводку и установка конструкции производят после приведения её в проектное положение, которое обеспечивается путём выверки. Её выполняют в процессе установки конструкции, когда последнюю удерживают краном или после временного (монтажного) закрепления с помощью специальной оснастки, когда произведена расстроповка
Монтаж стенового ограждения и внутренних перегородок:
монтаж стеновых панелей площадью до 10м2;
герметизация горизонтальных стыков;
герметизация вертикальных стыков;
кирпичная кладка;
укладка брусковых перемычек;
монтаж оконных переплетов;
заполнение дверных проемов;
устройство пожарных лестниц.
Стеновое ограждение выполнено из панелей типа «сэндвич» прикрепляемые к колоннам через собственный каркас-швеллера болтами. Внутренние перегородки выполнены из кирпича толщиной 120, 250 и 380мм и отделаны штукатуркой. При сплошной кладке стен последовательно выполняют следующие операции:
1.Устанавливают и перестанавливают причалку для того, чтобы обеспечить правильное расположение горизонтальных рядов кирпича. Её необходимо устанавливать с обеих сторон возводимой стены , прикрепляя с помощью скоб к порядовым или к предварительно уложенным кирпичам.
2. Подают и раскладывают кирпич таким образом, чтобы было удобно как для исполнителя (подручного), так и для каменщика.
3. Подают и расстилают раствор.
4. Укладывают кирпич на раствор, заполняют швы и проверяют правильность кладки. Правильность кладки проверяют с помощью контрольно – измерительных инструментов и приспособлений по мере их возведения не реже 2 раз на каждый метр высоты . При этом проверяют прямолинейность стен, вертикальность поверхностей и углов кладки , горизонтальность рядов, правильность перевязки клаки и толщину швов.
5. При необходимости производят околку и тёску кирпича, и расшивку швов.
Пожарные лестницы устанавливают с шагом по периметру не более 120м.
Кровельные работы:
установка прогонов;
монтаж проф. листа;
устройство пароизоляции;
устройство теплоизоляции;
покрытие ПВХ мембраной;
По прогонам укладывают проф. листы поштучно, скрепляемые между собой заклепками и прикрепляемые к прогонам саморезами. Порядок работы: удерживание оттяжек при подаче листов в пачке на кровлю; раскладка и укладка листов вручную с подгонкой; комплектовка заклепок и винтов; сверление отверстий под заклепки и винты; установка заклепок и винтов. Поверх укладывают пароизоляцию, утеплитель и гидроизоляцию.
Устройство полов:
устройство щебеночного подстилающего слоя;
устройство бетонного подстилающего слоя;
устройство цементного пола.
Устраивают подстилающий слой из щебня, бетона с уплотнением. При устройстве асфальтобетонного пола сначала устанавливают маячные рейки, потом укладывают цементный раствор, разравнивают смесь, снимают маячные рейки и заделывают борозды.
Отделочные работы:
оштукатуривание внутренних стен;
внутренняя окраска;
окраска металлических поверхностей;
окрашивание оконных проемов;
окрашивание фасада.
Оштукатуривание поверхности (высококачественное): провешивание поверхностей, нанесение обрызга, нанесение грунта с разравниванием, затирка поверхности с разделкой углов, установка и снятие правил (при разделке углов), подбор отскоков раствора с наброской его на поверхность вручную, переноска рукавов по ходу работ. Окраска поверхности: очистка поверхности, грунтование очищенной поверхности, заполнение трещин и раковин, очистка и обеспыливание, окрашивание. Окраска фасадов: очистка, расшивка трещин, подмазывание, шлифование, шпатлевание, шлифование, первое окрашивание, второе окрашивание.
Прочие работы:
сантехнические работы;
электромонтажные работы.
Устанавливаются сантехнические приборы, производится разводка и подводка водопроводных и отводящих труб. Электромонтаж сетевых кабелей и малоточной проводки.
Вышеперечисленные работы сведем в таблицу 9.2
Таблица 9.2 Номенклатура и объемы строительно-монтажных работ
|
№ п/п |
Наименование работ и процессов |
Ед. измер. |
Объём работ |
|
1 |
Подготовительные работы: очистка территории от мусора, камней, срезка кустарников, деревьев |
%СМР |
5 |
Земляные работы |
|||
|
2 |
Срезка растительного слоя грунта бульдозером |
1000м2 |
4,73 |
|
3 |
Планировка площадки |
1000м2 |
4,73 |
|
4 |
Разработка грунта в котловане |
100м3 |
54,7 |
|
5 |
Добор грунта вручную |
1м3 |
9,5 |
|
6 |
Обратная засыпка пазух котлована бульдозером |
100м3 |
51,6 |
|
7 |
Уплотнение грунта в пазухах котлована |
100 м2 |
27,1 |
|
Нулевой цикл |
|||
|
8 |
Устройство щебеночного подстилающего слоя |
100 м2 |
2,5 |
|
9 |
Устройство бетонного подстилающего слоя |
100 м2 |
2,5 |
|
10 |
Сборка опалубки |
1м2 |
620,8 |
|
11 |
Установка горизонтальных арматурных сеток |
1сетка |
288 |
|
12 |
Установка вертикальных арматурных сеток |
1сетка |
864 |
|
13 |
Укладка бетонной смеси |
1м3 |
166,6 |
|
14 |
Демонтаж опалубки |
1м2 |
620,8 |
|
15 |
Поливка бетонной поверхности водой |
100м2 |
6,2 |
|
16 |
Монтаж фундаментных балок |
1 эл-т |
11 |
|
17 |
Обмазочная гидроизоляция |
100м2 |
6,8 |
|
18 |
Устройство отмостки |
100 м2 |
0,7 |
|
Монтаж каркаса |
|||
|
19 |
Выверочный монтаж колонн |
1 эл-т |
24 |
|
20 |
Монтаж крестовых связей по колоннам |
1 эл-т |
4 |
|
21 |
Монтаж стержневых связей по колоннам |
1 эл-т |
52 |
|
22 |
Монтаж фахверковых колонн |
1 эл-т |
8 |
|
23 |
Монтаж ферм |
1 эл-т |
12 |
|
24 |
Монтаж стержневых связей по фермам |
1 эл-т |
42 |
|
Монтаж стенового ограждения |
|||
|
25 |
Монтаж стеновых панелей площадью до 10м2 |
1 панель |
385 |
|
26 |
Герметизация горизонтальных стыков |
10 м стыка |
46,2 |
|
27 |
Герметизация вертикальных стыков |
10 м стыка |
62.1 |
|
28 |
Кирпичная кладка |
1 м3 |
298 |
|
29 |
Укладка брусковых перемычек |
1 проем |
3 |
|
30 |
Монтаж оконных переплетов |
1 эл-т |
20 |
|
1. |
2. |
3. |
4. |
|
31 |
Заполнение дверных проемов |
1 эл-т |
3 |
|
32 |
Устройство пожарных лестниц. |
1т. |
2 |
|
Кровельные работы |
|||
|
33 |
Установка прогонов |
1 эл-т |
130 |
|
34 |
Монтаж профилированного листа |
100м2 |
23,1 |
|
35 |
Устройство пароизоляции |
100м2 |
23,1 |
|
36 |
Устройство теплоизоляции |
100м2 |
23,1 |
|
37 |
Покрытие ПВХ мембраной |
100м2 |
23,1 |
|
Устройство полов |
|||
|
38 |
Устройство щебеночного подстилающего слоя |
100м2 |
23,1 |
|
39 |
Устройство бетонного подстилающего слоя |
100м2 |
23,1 |
|
40 |
Устройство цементных полов |
100м2 |
23,1 |
|
Отделочные работы |
|||
|
41 |
Крепление штукатурной сетки с обмазкой раствором |
1м2 |
745,8 |
|
42 |
Нанесение грунта на оштукатуриваемые поверхности |
100м2 |
7,5 |
|
43 |
Нанесение обрызга на оштукатуриваемые поверхности |
100м2 |
7,5 |
|
44 |
Оштукатуривание поверхностей внутри помещений |
100м2 |
7,5 |
|
45 |
Грунтование оштукатуренных поверхностей внутри помещений |
100м2 |
7,5 |
|
46 |
Окрашивание оштукатуренных поверхностей внутри помещений |
100м2 |
7,5 |
|
47 |
Грунтование металлических поверхностей внутри помещений |
100м2 |
4,7 |
|
48 |
Окрашивание металлических поверхностей внутри помещений |
100м2 |
4,7 |
|
49 |
Окрашивание оконных проемов |
100м2 |
0,4 |
|
50 |
Окрашивание фасадов |
100м2 |
7,5 |
|
Различные работы |
|||
|
51 |
Внутренние сантехнические работы |
%СМР |
12 |
|
52 |
Внутренние электромонтажные работы |
%СМР |
8 |
|
53 |
Благоустройство |
%СМР |
10 |
|
54 |
Неучтённые работы |
%СМР |
5 |
Произведем калькуляцию трудозатрат на производство строительно-монтажных работ.
Таблица 9.3 Калькуляция трудозатрат и стоимость СМР.
|
№ п/п |
Наименование работ |
Объем |
Трудоемкость чел.-час. |
Трудоемкость маш.-час. |
Заработная плата |
Состав звена |
Наименование машин |
Обоснование |
||||
|
Ед. изм. |
Кол-во |
Ед. |
Всего |
Ед. |
Всего |
Ед. |
Всего |
|||||
|
1 |
2 |
3 |
4 |
5 |
6 |
7 |
8 |
9 |
10 |
11 |
12 |
13 |
|
Подготовительные работы. |
||||||||||||
|
1 |
Общеплощадочные и инженерная подготовка |
%СМР |
5 |
324,8 |
240-5 |
|||||||
|
Земляные работы. |
||||||||||||
|
1 |
Срезка растительного слоя бульдозером марки ДЗ-18 группы грунта I. |
1000м2 |
4,73 |
- |
- |
0,69 |
3,3 |
0-73,1 |
3-4 |
маш.6 разр. |
БульдозерДЗ-18 |
Е2-1-5 |
|
1 |
2 |
3 |
4 |
5 |
6 |
7 |
8 |
9 |
10 |
11 |
12 |
13 |
|
2 |
Окончательная планировка площадки бульдозером ДЗ-18 при рабочем ходе в одном направлении |
1000м2 |
4,73 |
- |
- |
0,28 |
1,3 |
0-28,6 |
1-3 |
маш.6 разр. |
БульдозерДЗ-18 |
Е2-1-36 |
|
3 |
Разработка грунта в котловане одноковшовым экскаватором, оборудованным обратной лопатой марки ЭО-2141А с погрузкой в транспортные средства. |
100 м3 |
54,7 |
- |
- |
1,6 |
87,5 |
1-70 |
93-0 |
маш.6 разр. |
Экскаватор ЭО-2141А |
Е2-1-13 |
|
4 |
Разработка не мерзлого грунта в котловане, при послойной разработке. |
1м3 |
14,5 |
0,85 |
12,3 |
- |
- |
0-54,4 |
7-9 |
зем. 2разр. |
- |
Е2-1-47 |
|
5 |
Засыпка пазух котлована бульдозером ДЗ-18, перемещая грунт на 8м. |
100 м3 |
51,6 |
- |
- |
0,79 |
40,8 |
0-83,9 |
43-3 |
маш.6 разр. |
БульдозерДЗ-18 |
Е2-1-34 |
|
6 |
Уплотнение грунта поверхности прицепным катком ДУ-39А при четырех проходах по одному следу |
100 м2 |
27,1 |
- |
- |
1,01 |
27,3 |
1-06 |
28-7 |
маш.6 разр. |
Каток ДУ-39А |
Е2-1-29 |
|
Нулевой цикл. |
||||||||||||
|
1 |
Устройство щебеночного подстилающего слоя до 150мм. |
100 м2 |
2,5 |
21 |
52,5 |
- |
- |
14-07 |
32-2 |
бет.3разр. бет.2разр. |
- |
Е19-39 |
|
2 |
Устройство бетонного подстилающего слоя до150мм., уплотняя вручную. |
100 м2 |
2,5 |
14,5 |
36,3 |
- |
- |
9-72 |
24-3 |
бет.3разр. бет.2разр. |
- |
Е19 -38 |
|
3 |
Укрупнительная сборка элементов деревянной опалубки в щиты площадью до 1м2. |
1м2 |
620,8 |
0,62 |
384,9 |
- |
- |
0-44,3 |
275-0 |
плот.4разр плот.2разр |
- |
Е4-1-34 |
|
4 |
Установка арматурных горизонтальных сеток краном массой до 0,3т., диаметром арматуру до 32мм. |
1сетка |
288 |
0,42 |
121,0 |
- |
- |
0-28,5 |
82-1 |
арм.4разр. арм.2разр.-3 |
- |
Е4- 1-44 |
|
5 |
Установка арматурных вертикальных сеток краном массой до 0,3т., диаметром арматуру до 32мм. |
1сетка |
864 |
0,79 |
682,6 |
- |
- |
0-53,5 |
462-2 |
арм.4разр. арм.2разр.-3 |
- |
Е4- 1-44 |
|
6 |
Укладка бетонной смеси в отдельные фундаменты, краном в бадьях в конструкцию объемом до 3 м3 |
1м3 |
166,6 |
0,42 |
70,0 |
- |
- |
0-30 |
50-0 |
бет.4разр. бет.2разр. |
- |
Е4-1-49 |
|
7 |
Разборка элементов деревянной опалубки в щиты площадью до 1м2. |
1м2 |
620,8 |
0,25 |
155,2 |
- |
- |
0-10,4 |
64-6 |
плот. 3разр. плот. 2разр. |
- |
Е4-1-34 |
|
1 |
2 |
3 |
4 |
5 |
6 |
7 |
8 |
9 |
10 |
11 |
12 |
13 |
|
8 |
Поливка бетонной поверхности водой за 1 раз из брандспойта. |
100м2 |
31 |
0,14 |
4,5 |
- |
- |
0,09 |
2-8 |
бет.2разр. |
- |
Е4-1-54 |
|
9 |
Установка фундаментных балок массой до 1,5т. |
1 эл-т |
11 |
1,1 |
12,1 |
0,22 |
2,42 |
0-82,3 |
9-1 |
монт.5разр монт.4раз монт. 3раз.-2 монт.2рар маш.6разр |
Кран К162 L=22м. |
Е4-1-6 |
|
10 |
Выполнение окрасочной гидроизоляции механизированным способом горячим битумом при малом угле наклона. |
100м2 |
6,8 |
1,6 |
10,9 |
- |
- |
1-14 |
7-8 |
гидроизол. 4разр. и 2разр. |
- |
Е11-37 |
|
11 |
Устройство отмостки |
100м2 |
0,7 |
21 |
14,7 |
- |
- |
15-3 |
10-7 |
бет.4разр. бет.2разр.-2 |
- |
Е7-15 |
|
Монтаж каркаса. |
||||||||||||
|
1 |
Выверочный монтаж колонн массой до 5т. |
1 эл-т |
24 |
7,25 |
174,0 |
1,3 |
31,2 |
5-88 |
141-1 |
монт.6разр монт.4раз.-2 монт 3разр маш. 6разр |
Кран МКГ-20 L=22,5м. |
Е5-1-9 |
|
2 |
Монтаж крестовых связей по колоннам. |
1 эл-т |
4 |
0,43 |
1,7 |
0,11 |
0,52 |
0-31,4 |
1-3 |
монт.5разр монт.4разр монт.3разр маш.6разр |
Кран МКГ-20 L=22,5м |
Е5-1-6 |
|
3 |
Монтаж стержневых связей по колоннам |
1 эл-т |
52 |
0,33 |
17,2 |
0,11 |
5,72 |
0-26,4 |
13-7 |
монт.5разр монт.4разр монт.3разр маш.6разр |
Кран МКГ-20 L=22,5м. |
Е5-1-6 |
|
4 |
Монтаж фахверковых колонн. |
1 эл-т |
8 |
5,96 |
47,7 |
1,32 |
10,56 |
4-76,8 |
38-1 |
монт.5разр монт.4разр монт.3разр маш.6разр |
Кран СКГ-25 L=25м, l=5м. |
Е5-1-6 |
|
5 |
Монтаж ферм массой до 10 т. |
1 эл-т |
12 |
5,55 |
66,6 |
1,13 |
13,56 |
4-59 |
55-1 |
монт.6разр монт.4раз.-3 монт 3разр Маш 6разр |
Кран СКГ-25 L=25м, l=5м. |
Е5-1-6 |
|
6 |
Монтаж стержневых связей по фермам; |
1 эл-т |
42 |
0,33 |
13,9 |
0,11 |
4,62 |
0-26,4 |
11-1 |
монт.5разр монт.4разр монт.3разр маш.6разр |
Кран СКГ-25 L=25м, l=5м.. |
Е5-1-6 |
|
Монтаж стенового ограждения. |
||||||||||||
|
1 |
Монтаж стеновых панелей площадью до 10м2 |
1 панель |
385 |
3 |
1155,0 |
0,75 |
288,75 |
2-28 |
877-8 |
монт.5разр монт.4разр монт.3разр монт.2разр маш.6разр |
Кран К-162 L=22м. |
Е4-1-8 |
|
2 |
Герметизация горизонтальных стыков |
10 м стыка |
46,2 |
1,4 |
64,7 |
- |
- |
0-82,6 |
38-2 |
Монтани-ки 4 р. – 13 р. - 1 |
ПВС-12 |
Е4-11-9 |
|
1 |
2 |
3 |
4 |
5 |
6 |
7 |
8 |
9 |
10 |
11 |
12 |
13 |
|
3 |
Герметизация вертикальных стыков |
10 м стыка |
62,1 |
1,15 |
71,4 |
- |
- |
0-67,9 |
42-2 |
монтажники 4 р. – 13 р. - 1 |
ПВС-12 |
Е4-11-9 |
|
4 |
Кирпичная кладка, при заполнении стен каркасных зданий, под штукатурку |
1 м3 |
298 |
3 |
894,0 |
- |
- |
2-10 |
625,8 |
кам. 3разр. |
- |
Е3-3 |
|
5 |
Укладка брусковых перемычек массой до 0,5т. |
1 проем |
3 |
0,45 |
1,4 |
0,15 |
0,45 |
0-32 |
1-0 |
кам. 4разр кам. 3разр. кам. 2разр. маш.5разр |
Кран К-162 L=22м. |
Е3-16 |
|
6 |
Монтаж оконных переплетов. |
1 эл-т |
20 |
0,57 |
11,4 |
0,25 |
4,6 |
0-45 |
9-0 |
монт.5разр монт.4разр монт.3разр свар.4разр. маш.6разр |
Кран К-162 L=22м.. |
Е5-1-15 |
|
7 |
Заполнение дверных проемов |
1 эл-т |
3 |
0,97 |
2,9 |
- |
- |
0,81 |
2-4 |
Плотник 4разр., 3разр.-2 |
- |
Е6-13 |
|
8 |
Устройство пожарных лестниц массой до 0,16т. |
1т. |
2 |
11,0 |
22,0 |
3,7 |
7,4 |
2-45 |
4-9 |
монт.4разр монт.3раз.-2 свар 4разр. Маш 6разр |
Кран К-162 L=22м. |
Е5-1-10 |
|
Кровельные работы. |
||||||||||||
|
1 |
Установка прогонов |
1 эл-т |
130 |
0,3 |
39,0 |
0,1 |
13,0 |
0-24 |
31-2 |
монт.5разр монт.4разр монт.3разр маш.6разр |
Кран СКГ-25 L=25м, l=5м.. |
Е5-1-6 |
|
2 |
Установка стального профилированного настила кровли отдельными листами длиной до 12м |
100м2 |
23,1 |
10,5 |
242,6 |
3.1 |
71,6 |
7-90 |
182-5 |
монт.5разр монт.4разр монт.3раз.-2 маш 6разр |
Кран СКГ-25 L=25м, l=5м. |
Е5-1-20 |
|
3 |
Устройство пароизоляции основания под кровлю рулонными материалами. |
100м2 |
23,1 |
6,7 |
154,8 |
- |
- |
4-49 |
103-7 |
изолир. 3разр. и 2разр. |
- |
Е7-13 |
|
4 |
Устройство теплоизоляции из минеральной ваты толщиной до 100 мм с заделкой швов и углов |
100м2 |
23,1 |
8,7 |
201,0 |
- |
- |
5-83 |
134-7 |
изолир. 3разр. и 2разр. |
- |
Е7-14 |
|
5 |
Покрытие крыш материалами вручную, при покрытии насухо в закрой |
100м2 |
23,1 |
6,5 |
150,2 |
- |
- |
4-36 |
100-7 |
кров. 3разр. и 2разр. |
- |
Е7-3 |
|
Устройство пола. |
||||||||||||
|
1 |
Устройство щебеночного подстилающего слоя до 100мм. |
100 м2 |
23,1 |
15 |
346,5 |
- |
- |
10-05 |
232-2 |
бет. 3 разр. бет. 2 разр. |
- |
Е19-39 |
|
2 |
Устройство бетонного подстилающего слоя до 100мм |
100 м2 |
23,1 |
11,5 |
265,7 |
- |
- |
7,71 |
178-1 |
бет. 3 разр. бет. 2 разр. |
- |
Е19-38 |
|
1 |
2 |
3 |
4 |
5 |
6 |
7 |
8 |
9 |
10 |
11 |
12 |
13 |
|
3 |
Устройство цементных полов с толщина слоя покрытия 30мм. |
100м2 |
23,1 |
14 |
323,4 |
- |
- |
9-94 |
229-6 |
бет.4разр. бет. 3 разр. бет. 2 разр |
- |
Е19-32 |
|
Отделочные работы. |
||||||||||||
|
1 |
Крепление штукатурной сетки с обмазкой раствором |
1м2 |
745,8 |
0,49 |
365,4 |
- |
- |
0,33 |
246-1 |
штукатур 3разр,2разр. |
- |
Е8-1-1 |
|
2 |
Нанесение грунта растворонасосом |
100м2 |
7,5 |
20 |
150,0 |
- |
- |
14-00 |
105-0 |
штукатур 4 разр. 3разр |
- |
Е8-1-2 |
|
3 |
Нанесение обрызга растворонасосом |
100м2 |
7,5 |
10,5 |
78,8 |
- |
- |
7-35,0 |
55-1 |
штукатур 3разр. |
- |
Е8-1-2 |
|
4 |
Затирка с разделкой углов вручную. |
100м2 |
7,5 |
16 |
12,0 |
- |
- |
11-20 |
84-0 |
штукатур 3разр. |
- |
Е8-1-2 |
|
5 |
Грунтование поверхностей внутри помещений по штукатурке водоэмульсионными составами электрокраскопультом. |
100м2 |
7,5 |
1,9 |
14,3 |
- |
- |
1-5 |
7-9 |
маляр 4разр. |
- |
Е8-1-15 |
|
6 |
Высококачественное окрашивание поверхностей внутри помещений по штукатурке водоэмульсионными составами электрокраскопультом. |
100м2 |
7,5 |
2,5 |
18,8 |
- |
- |
2-28 |
17-1 |
маляр 5разр. |
- |
Е8-1-15 |
|
7 |
Грунтование поверхностей внутри помещений по металлу масляными составами пистолетом-распылителем. |
100м2 |
4,7 |
2,4 |
11,3 |
- |
- |
1-9 |
5-1 |
маляр 4разр. |
- |
Е8-1-15 |
|
8 |
Простое окрашивание поверхностей внутри помещений по металлу масляными составами пистолетом-распылителем. |
100м2 |
4,7 |
3,2 |
15,0 |
- |
- |
2-91 |
13-7 |
маляр 5разр. |
- |
Е8-1-15 |
|
9 |
Простое окрашивание оконных проемов по металлу масляными составами кистью. |
100м2 |
0,4 |
11,5 |
4,6 |
- |
- |
9-09 |
3-6 |
маляр 4разр. |
- |
Е8-1-15 |
|
10 |
Окрашивание фасадов перхлорвиниловыми составами пистолетом-распылителем с люлек с электроприводом |
100м2 |
7,5 |
3,6 |
27,0 |
- |
- |
3-28 |
24-6 |
маляр 5разр. |
- |
Е8-1-18 |
|
Прочие работы |
||||||||||||
|
1 |
Сантехнические работы. |
%СМР |
12 |
324,8 |
240-5 |
|||||||
|
1 |
2 |
3 |
4 |
5 |
6 |
7 |
8 |
9 |
10 |
11 |
12 |
13 |
|
2 |
Электромонтажные работы. |
%СМР |
8 |
519,8 |
384-8 |
|||||||
|
3 |
Благоустройство территории |
%СМР |
10 |
649,6 |
481-0 |
|||||||
|
Неучтенные работы |
||||||||||||
|
1 |
%СМР |
5 |
324,8 |
240-5 |
||||||||
|
Итого по всей калькуляции( зарплата с учетом коэф. 50 и 1,7) |
9241,5 |
558,4 |
543770-5 |
9.3 Технологическая карта на монтаж конструкций шатра покрытия
Ведущим процессом является каменная монтаж конструкций шатра покрытия, на который и составляется данная технологическая карта.
Технологическая карта – один из основных элементов проекта производства работ, содержащий комплекс информативных указаний по рациональной организации и технологии строительного производства.
Технологическая карта на монтаж конструкций шатра покрытия разрабатывается с учетом:
применения прогрессивной технологии и передовых методов выполнения строительных процессов;
внедрения комплексной механизации с применением высокопроизводительных машин;
поточности выполнения строительного процесса;
обоснования методов производства работ технико-экономическими расчетами, соблюдение правил охраны труда и техники безопасности.
Монтаж конструкций шатра покрытия осуществляется на основании рабочих чертежей в соответствии с правилами производства и приемки монтажных работ и правилами техники безопасности в строительстве.
Раздел предусматривает основные решения и организационно-технические мероприятия по монтажу конструкций шатра покрытия здания 2-го этапа строительства спортивного комплекса «Ледовый дворец» в г. Коломна Московской области.
На период производства работ предусматривается использование для нужд строительства временных и постоянных автодорог, сетей электроэнергии и водоснабжения.
Монтаж строительных конструкций здания ведется в условиях нового строительства. Строительная площадка расположена на открытой местности свободной от застройки.
Работы по монтажу конструкций предусматривается вести в определенной последовательности, в светлое время суток.
Временное складирование и укрупнительная сборка конструкций производится непосредственно у мест монтажа и на приобъектных складах металлоконструкции.
Подача конструкций с приобъектных складов осуществляется автотранспортом по временным автодорогам.
Разгрузка и складирование конструкций у мест монтажа выполняется монтажными кранами СКГ-25, а на приобъектной площадке складирования автокраном типа К-162.
Требования к генподрядчику :
До начала производства монтажных работ необходимо выполнить:
устройство постоянных и временных автодорог для подачи конструкций и работы монтажных кранов;
устройство площадок складирования металлоконструкций с отводом поверхностных вод;
подвод электроэнергии на территорию строительства; расстановку источников света наружного освещения;
- разбивку осей сооружения и реперов, которые должны обеспечивать использование их в течение всего периода производства работ;
-устроить фундаменты под установку колонн и сдать их по акту, смонтировать колонны и связи между ними.
Обеспечить монтажную площадку энергоресурсами с установкой шка фов электропитания для подключения установок электропотребителей монтажной организации.
В случае необходимости производства работ в темное время суток, ис пользовать установки источников света для обеспечения места проведения работ общим равномерным освещением с освещенностью не менее 2 лк и местным - с освещенностью не менее 30 лк в горизонтальной и вертикальной плоскостях.
Количество и места расположения источников света уточнить при разработке проекта освещения.
Выделить место на территории бытового городка под бытовые помещения подрядчика с подключением их к сетям водо- и электроснабжения.
Освободить от строительного мусора площадки для работы монтажных кранов. Спланировать и уплотнить их основание, подсыпать выравнивающим слоем щебня (5 = 150 мм) и выстелить железобетонными плитами.
Разработать совместно с подрядчиком мероприятия по безопасности труда и пожарной безопасности.
Требования к исполнителю работ:
Назначить приказом лицо, ответственное за безопасное производство работ кранами из числа мастеров, прорабов или начальников участков.
Подготовить необходимое подъемно-транспортное и сварочное оборудование, средства малой механизации и инструмент.
Подобрать из имеющихся в наличии или изготовить необходимое количество монтажных и съемных грузозахватных приспособлений.
Обеспечить монтажную площадку наглядной агитацией, знаками пожарной безопасности, а также первичными средствами пожаротушения в соответствии с действующими нормами (Приложение 3 к ППБ 01-93**), установить контроль за исправным содержанием и постоянной готовностью к применению средств пожаротушения, сигнализации и связи.
Основные технические решения:
Монтаж конструкций здания первого этапа строительства осуществляется при помощи гусеничного крана CКГ-25 в башенно-стреловом исполнении (L>CTp> = 25 м, l>г> = 5 м).
Укрупнение ферм в монтажные блоки выполнять в пролете у мест монтажа при помощи монтажного крана СКГ-25 или автокрана типа К-162. Монтируются фермы, связи по фермам, прогоны, затем по ним укладывается профилированный лист, пароизоляция, утеплитель и ПВХ-мембрана.

Рисунок 9.3 – Схема монтажа стропильных ферм.

Рисунок 9.4 – Монтаж стропильных ферм.

Рисунок 9.4 – Схема строповки стропильных ферм.

Рисунок 9.5 – Монтаж прогонов.

Рисунок 9.5 – Монтаж профлиста.
9.4 Выбор рациональных методов организации строительства
В строительстве известны следующие наиболее применяемые методы организации участков строительства или строительного производства :
- последовательный
- параллельный
- поточный
- вахтовый
- мачтовый
Последовательный метод организации предусматривает выполнение исполнителем отдельных видов работ или видов инженерных услуг последовательно, т.е. без одновременного пребывания в каком либо интервале на площадке или при исполнении работ рабочих машин или механизмов. Последовательный метод характеризуется максимальной продолжительностью строительства, но уровень потребления ресурсов (рабочих кадров, машин, материалов) будет минимальным: r = R / T>0> (где R – количество ресурсов на весь объем строительства; Т>0> – общий срок строительства), а длительность потребления – максимальной. Каждый из видов ресурсов будет участвовать кратковременно, так как в процессе сооружения объекта периодически требуются рабочие разных специальностей, различные машины, механизмы и материалы. Неизбежны также простои машин и потери на их перебазировку. Частая смена видов материалов, изделий и конструкций вносит большие трудности в работу предприятий-изготовителей, транспорта и органов снабжения.
Параллельный метод организации используется при наличии избыточного объема имеющихся мощностей, рабочих и механизмов. Он позволяет сократить продолжительность работ, но при этом требует разделения объемов или объектов на рациональные площадки застройки, которые называют участками и в пределах которых не нарушается техника безопасности. При параллельном методе общая продолжительность строительства принимается по продолжительности максимальной одного участка или объекта , но для всей стройки будет минимальной . Параллельный метод обеспечивает минимальную продолжительность, так как срок возведения объекта равен продолжительности максимально продолжительного процесса. Потребление ресурсов – максимальное. Но современный уровень строительного производства, когда строительно-монтажные работы в основном ведутся силами подрядных общестроительных организаций, исключает использование последовательного и параллельного методов строительства в чистом виде. Это связано в первую очередь с необходимостью равномерного использования ресурсов (машин, рабочих бригад и т.п.), а также с ограниченностью этих ресурсов.
Например, при строительстве любого объекта по мере выполнения работ в установленной технологической последовательности освобождаются механизмы и бригады, закончившие работы определенного этапа. Так, вначале освобождается землеройная техника, затем бригады монтажников, монтажные краны и т.д. Для того, чтобы эти мощности не простаивали, их необходимо переключить на строительство другого объекта.
Вахтовый метод организации предусматривает проектирование рациональной смены на строительстве задействованных мощностей. Период нахождения мощностей на строительной площадке называется вахтовым. Этот период не дает снижения продолжительности - Вахтовый метод проектируется для условий строительства объектов, при которых место строительства задано на больших расстояниях от существующих дислокации строительных баз управлений и т.д.
Мачтовый метод предусматривает большие затраты на производство конструкций и их сварку в заводских условиях и минимальные затраты на монтаж на площадке. При мачтовом методе строители значительно экономят целосменные простои и потери рабочего времени на стройплощадке за счет переноса большого комплекса монтажных работ в заводские условия .
Поточный метод, сохраняя соответствующие преимущества последовательного и параллельного методов, позволяет избежать их недостатков. Для поточного метода характерны следующие черты:
расчленение работы на составляющие процессы в соответствии со специальностью и квалификацией исполнителей;
расчленение фронта работ на отдельные участки для создания наиболее благоприятных условий работ отдельным исполнителям;
максимальное совмещение процессов по времени;
Интенсивность потребления ресурсов здесь будет также больше, чем при
последовательном методе, но меньше, чем при параллельном; при этом создаются благоприятные условия для работы организаций-смежников: подрядных организаций заводов-поставщиков, транспорта, снабженческих структур.
Исходя из вышеуказанного, принимаем поточный метод производства работ по возведению здания.
Поточная организация строительства:
Поточная организация строительства позволяет сократить сроки , теоретически и практически выполнить расстановку кадров, позволяет выполнить расчеты возможных сроков завершения работ бригад на отдельных частях зданий , добиваться стоимостных эффектов.

N - число объектов (число потоков специализированных или частных)
n>з> - число захваток
t>р> - ритм потока (время выполнения работ на захватке)
Проектирование поточного метода заключается в определении рационального числа захваток на объекте.
Захватка — это часть объекта , где без нарушения техники безопасности отдельно взятое звено или бригада рабочих может выполнять вид или комплекс работ с необходимым для этого расчетным временем.
Расчетное время для завершения работ на захватке называется ритмом работ. По величине ритма производится деление основных элементов потока. Поточной организацией строительства - называется метод организации при котором достигается максимальное сокращение времени одной бригады или звена на выполнение одного вида работ , за счет сокращения внутрисменных потерь. Количество захваток может назначаться по опыту других объектов, при этом учитывается деление объекта в плане или по объему на равновеликие участки на которых объем работ приблизительно равен.
При проектировании потоков первоначально строят циклограммы . Циклограммы это модель организации строительства.
Циклограммы строятся на определенные потоки:
Строительные потоки различают:
1) по структуре и виду продукции - частные , специализированные , объектные и комплексные.
Частный - это элементарный строительный поток , состоящий из одного или нескольких процессов , выполняемый бригадой или звеном на частных фронтах работ.
Специализированный поток — совокупность технологически связанных частных потоков , объединенных единой системой параметров и схемой потока. Объектный поток - совокупность технологических и организационно связанных специализированных потоков, совместной продукцией которых являются законченные здания.
Комплексный поток - совокупность организационно связанных объектных потоков, объединенных общей продукцией в виде комплекса зданий и сооружений.
2) по характеру ритмичности - ритмичные, разноритмичные и неритмичные потоки.
Ритмичный - в котором все составляющие потоки имеют единый ритм , т.е. продолжительность выполнения работ каждой отдельной бригадой на частных фронтах работ одинакова.
Разноритмичный - в котором составляющие его потоки имеют одинаковые ритмы однотипных работ и разные ритмы разнотипных работ.
Неритмичный - в котором продолжительность выполнения каждой отдельной бригадой работ на частных фронтах неодинакова.
3) по продолжительности потоки бывают кратковременные и долговременные.
Кратковременные - поток организуют при возведении отдельных зданий или групп объектов, продолжительность строительства которых не превышает одного года.
Долговременный - при строительстве объектов или комплексов, продолжительность строительства которых составляет более одного года.
При возведении спортивного комплекса проектируются неритмичные потоки, т.е. составляющие общего потока, продолжительность каждой из работ выполняемой отдельной бригадой различаются.
При выполнении работ по возведению данного объекта существуют промежутки времени в течении которых работы на захватках не ведутся из-за технологического перерыва (например связанного с твердением бетона).
9.5 Проектирование плана финансирования строительства
Общая сумма затрат на производство строительно–монтажных работ определяется суммированием затрат по элементам, включая прочие затраты и накладные расходы. Материальные затраты определяются исходя из потребности в материальных ресурсах согласно производственным нормам расхода и физическим объемам работ, а их стоимость рассчитывается по планово – расчетным ценам. В составе стоимости материальных ресурсов выделяются затраты на их доставку транспортом общего пользования, а также транспортом строительных организаций.
На снижение стоимости строительно–монтажных работ оказывают влияние многие факторы:
- применение более производительных машин и лучшего их использования; снижение норм расхода топлива и электроэнергии; снижение затрат на ремонт и техническое обслуживание.
- повышение сменности и изменение режима работы строительных организаций; совершенствование работы транспорта, занятого на перевозках в пределах стройки; улучшение контроля за качеством работ и сокращению брака; внедрение прогрессивных технологии и способов производства строительно – монтажных работ.
- совершенствование управлением строительством за счет повышения уровня специализации и укрупнения строительных организаций; внедрение передовых форм организации труда рабочих в строительстве (включая коллективный и бригадный подряд); сокращение текучести кадров и потерь рабочего времени.
- снижение норм расхода материалов; сокращение потерь материалов при транспортировке, погрузке, выгрузке и хранении; снижение заготовительно-складских расходов путем выбора рациональных форм снабжения, механизации складских операций, улучшения использования тары и упаковочных материалов, сокращения потерь материалов при хранении.
Нормы задела по капитальным вложениям (строительно-монтажным работам) установлены в зависимости от продолжительности строительства для равномерного ввода общей площади планируемого периода составляет 4 месяца.
Таблица 9.4 Нормативные показатели задела.
|
Продолжительность строительства, мес. |
Готовность на конец месяца нарастающим итогом, % сметной стоимости |
|||
|
1 |
2 |
3 |
4 |
|
|
4 |
16 |
36 |
70 |
100 |
Используя календарный план производства работ определяем фактическую потребность в капитальных вложениях.
Таблица 9.5 Фактическая потребность в капитальных вложениях.
|
Продолжительность строительства, мес. |
Готовность на конец месяца нарастающим итогом, % сметной стоимости |
|||
|
1 |
2 |
3 |
4 |
|
|
4 |
18 |
40 |
74 |
100 |
Сравниваем графики финансирования фактический и нормативный оцениваем достаток вложения капитальных.
9.6 Календарные планы строительства объекта
Календарный план разрабатывается для определения последовательности и сроков выполнения общестроительных, специальных и монтажных работ при возведении объекта.
Чтобы построить здание в короткие сроки с наилучшими технико-экономическими показателями, необходимо заранее проанализировать и исследовать варианты решения и найти наиболее целесообразное из них. Для этого процесс строительства объекта следует представить в виде модели, с помощью которой анализируются все возможные производственные ситуации.
Такой моделью служит календарный план, представляющий собой технологическую и организационную модель строительства.
Являясь основным документом проекта производства работ, календарный план охватывает весь комплекс работ по возведению здания, начиная подготовительными работами и заканчивая пусконаладочными.
При разработке календарного плана учитываются требования технических условий на производство работ, правила охраны труда, меры для обеспечения надлежащего качества работ.
На основе календарного плана устанавливается общая продолжительность строительства объекта, определяется потребность в трудовых и материальных ресурсах, сроки поставки конструкций и оборудования и т.д.
Соблюдение правильной технологической последовательности при выполнении строительных процессов имеет первостепенное значение при составлении календарного плана.
Большое значение на выбор последовательности производства работ оказывает время года. Необходимо по возможности перенести на теплый период те работы, выполнение которых в зимнее время связано с наибольшим удорожанием.
Календарный план должен отвечать требованиям равномерной и бесперебойной загрузки рабочих. Для этого составляется график движения рабочих во времени. Такой график строится под календарным планом на листе графической части. Над линиями, указывающими срок выполнения работ, в календарном плане проставляется число рабочих, ежедневно занятых на данном виде работ, затем суммируют количество рабочих по вертикали, т.е. ежедневное потребное число рабочих получают суммированием количества рабочих, работающих в этот день.
При составлении календарного плана должны соблюдаться следующие принципы:
1. Соблюдение правильной технологической последовательности выполнения отдельных строительных процессов.
2. Максимальное совмещение отдельных строительных процессов во времени.
3. Соблюдение требований охраны труда.
Календарный план устанавливает последовательность работ и сроки выполнения на объекте. Он служит средством повседневного контроля за ходом работ, является основой для выполнения планов завоза материалов, конструкций. Календарный план составляется на основе сравнения различных вариантов и выбора такого, в котором намечено выполнение работ передовыми методами в заданный срок, с минимальными затратами материальных ресурсов и соблюдение требований охраны труда.
Продолжительность возведения объекта не должна превышать директивных норм, предусмотренных СНиП 1.04.03.85.
Последовательность разработки календарного плана: определяется перечень работ и их объемы, проводится выбор методов производства работ и ведущих машин и механизмов по калькуляции, рассчитываем нормативную машино- и трудоемкость, выявляется технологическая последовательность производства работ, устанавливается сменность работ, определяется продолжительность отдельных работ и их совмещение между собой, сравнивается расчетная продолжительность с нормативной и вводятся необходимые поправки. Исходными данными для разработки календарного плана являются рабочая документация, норматив продолжительности строительства.
Трудоемкость работ и затраты машинного времени рассчитываем по калькуляции на основе ЕНиРов. Продолжительность выполнения работ:
Т = Q / 8,2 х R x n, где Q – норма времени х объем:
R – число человек в звене.
n - количество смен в сутки, (1) - для ручных работ; (2) - для работ с использованием механизмов; иногда при больших объемах ручных работ целесообразно применять n=2;
t = 8,2 - количество часов в смене.
С позиции равномерности использования рабочих календарный план работ оценивают по коэффициенту неравномерности движения рабочих:
(1К1,8),
где R>max> – максимальное число рабочих, занятых на строительстве (принимается после составления графика движения рабочих), чел.;
R>ср> – среднее число рабочих, чел., определяется по формуле:
;
где
– общие трудозатраты выполнения работ;
Т – общая продолжительность строительства по календарному плану, дн.
Для определения коэффициента неравномерности распределения рабочих вычисляем:
,
.
9.7 Разработка планов обеспечения ресурсов
Для составления графика поступления на объект строительных конструкций, изделий, материалов и оборудования составляем ведомость потребности в основных строительных материалах, которая выполняется в виде таблицы.
Таблица 9.6 Ведомость потребности в основных строительных материалах.
|
№ п/п |
Наименование работ |
Ед. изм. |
Кол-во |
Потребность в материальных ресурсах |
|||
|
Наименование материала |
Ед. изм. |
Норма на ед. объема работ |
Кол-во на весь объем |
||||
|
1 |
Устройство щебеночного подстилающего слоя до 150мм. |
100 м2 |
2,5 |
Щебень |
м3 |
10,1 |
25,2 |
|
2 |
Сборка элементов деревянной опалубки в щиты площадью до 1 м2. |
10м2 |
62,1 |
Пиломатериалы хвойных пород. Доски обрезные длиной 4-6,5 м, шириной 75-150 мм, толщиной 25 мм III сорта Гвозди строительные |
м3 т |
0,038 0,006 |
2,36 0,37 |
|
3 |
Укладка бетонной смеси. |
100м3 |
1.7 |
Бетон |
м3 |
101,5 |
172,6 |
|
Рогожа |
м2 |
10,1 |
17,2 |
||||
|
4 |
Установка арматуры |
т |
148.8 |
Сталь стержневая арматурная |
т |
1 |
148.8 |
|
5 |
Установка фундаментных балок массой до 1,5т. |
100 шт. |
0.11 |
Бетон (класс по проекту) |
м3 |
2,84 |
0,31 |
|
Раствор готовый кладочный цементный, марка 50 |
м3 |
0,52 |
0,06 |
||||
|
Щиты из досок толщиной 25 мм |
м2 |
11,03 |
1,21 |
||||
|
6 |
Устройство обмазочной гидроизоляции |
100м2 |
6,8 |
Битум |
т |
1,183 |
8,04 |
|
7 |
Кирпичная кладка |
1м3 |
298 |
Кирпич глиняный обыкновеный Раствор готовый кладочный цементный, марка 50 |
тыс.шт м3 |
0,38 0,23 |
113 68 |
|
8 |
Устройство кровли |
100м2 |
23,1 |
Материалы рулонные кровельные |
м2 |
460 |
10626 |
|
Мастика кровельная |
т |
1.26 |
29,1 |
||||
|
1 |
2 |
3 |
4 |
5 |
6 |
7 |
8 |
|
9 |
Оштукатуривание поверхностей. |
100м2 |
7,5 |
Раствор готовый отделочный тяжелый, известковый 1:2,5 |
м3 |
1,4 |
10,5 |
|
Сетка тканая с квадратными ячейками № 05 без покрытия |
м2 |
2,64 |
1,98 |
||||
|
10 |
Окрашивание поверхностей: внутренняя поверхность; фасады |
100м2 |
7,7 |
Краски масляные готовые к применению для внутренних работ |
т |
0,027 |
0,2 |
|
7,5 |
Краски перхлорвиниловые |
т |
0,059 |
0,44 |
Поэлементные поставки:
местные строительные материалы: щебень, раствор, бетон;
Производственный запас (временной): щебень 6 дней.
фондируемые: пиломатериалы, кирпич, материалы рулонные кровельные, краски.
Производственный запас (временной): пиломатериалы – 10 дней, кирпич – 7 дней, материалы рулонные кровельные – 7дней, краски – 7 дней.
Комплектные поставки:
Рейсовый комплект Кп1: колонны К1 (2 шт.), фахверковые стойки (1 шт.), кондукторы (2 шт.), ферма Ф1 (1 шт.), прогоны (14 шт.), проф. лист (4 шт.).
Рейсовый комплект Кп2: стеновая панель (4 шт.), оконный переплет (1шт.).
График смотри графическую часть.
По графику поставки материалов и конструкций определяем:
1.Запас по объёму – тот запас материалов, который обеспечит ритм работы в первые две смены (подготовительный страховой запас) = 30% от общего объёма материалов и конструкций. Остальной объём завозят равномерно в дни производства работ.
2.Запас по времени – участок времени от начала производства в дело, который соответствует нормам СНиП и предназначен для исключения всех рисков и возможности задержки поставки во время производства работ.
Составим полную ведомость машин, механизмов и механизированного инструмента.
Таблица 9.7 Ведомость машин и механизмов
|
№ п/п |
Наименование |
Основные параметры |
|
1 |
Бульдозер ДЗ-18 |
тип отвала – поворотный; длина отвала – 3,97 м; высота отвала – 1,0м; управление – гидравлическое; мощность – 79 кВт; марка трактора – Т–100 |
|
2 |
Экскаватор ЭО-2141А |
база – КРаЗ–25В; ковш – обратная лопата зубьями; вместимость – 1 м3; длина стрелы – 5,5 м; наибольший радиус резания – 9,2 м; наибольшая глубина копания – 5,6 м; радиус выгрузки в транспорт – 5 м; высота выгрузки в транспорт – 2,3 м; мощность – 59 кВт; |
|
3 |
Автосамосвал платформой ЗИЛ-ММЗ-555 |
грузоподъемность – 4,5 т; максимальная скорость – 65 км/ч; выгрузка – назад; размеры: длина – 5940мм; ширина – 2290мм; высота – 2160мм; емкость кузова – 3 м3; |
|
4 |
Кран автомобильный К-162 L=22м. |
длина стрелы –22м; мощность Эл. двигателя – 24,5 кВт. |
|
5 |
Кран гусеничный МКГ-20 L=22,5м. |
длина стрелы –22,5м; мощность Эл. двигателя – 25 кВт. |
|
6 |
Кран гусеничный СКГ-25 L=25м,l=5м. |
длина стрелы –25м; гусёк 5м; мощность Эл. двигателя – 30 кВт. |
|
7. |
Битумно-краскорассыпательная установка с распылителем УМБР-1 |
производительность – 400 м2/ч; тип насоса – АШ – 50; мощность – 2,2 кВт; масса – 120 кг. |
|
8 |
Колоновоз ППК-14 |
Длина 15м. Ширина 2,5м. Грузоподъемность 14 т. МАЗ-504Б |
|
9 |
Фермовоз 65ПФН2124 |
Длина 25м. Грузоподъемность 12 т. МАЗ-504 |
|
10 |
Автобетоносмеситель |
Объем 2,5м3 МАЗ-504 |
|
11 |
Электросварочный аппарат Стан-500 |
Мощность – 14кВт, напряжение 220/380В |
|
12 |
Мойка для колес автомашин «Мойдодыр» |
Рабочее давление 0,5МПа, масса – 70 кг |
|
13 |
Грузовой подъемник С-447М |
Производительность – 100т/час, |
По графику потребности в машинах и механизмах определяем:
-
коэффициент использования машин и
механизмов, где
-плановые
машинозатраты;
-время,
которое техника находится на объекте.
График движения основных машин по объекту смотри графическую часть.
9.8 Строительный генеральный план
Строительным генеральным планом, называется план строительной площадки, на котором нанесены как строящиеся объекты, так и все временные сооружения, необходимые для осуществления строительства.
На стройгенплане показываются:
- постоянные здания и сооружения, в том числе железные и автомобильные дороги, сети водопровода, канализации, электроснабжения и другие коммуникации с выделением условным обозначением объектов, строящихся в подготовительный период для нужд строительства;
- временные административно – бытовые и производственные здания, механизированные установки, склады, коммуникации, временные дороги;
- существующие здания и сооружения.
При разработке стройгенплана должны соблюдаться следующие принципы:
- рациональное использование строительной площадки;
- обеспечение организации и технологии возведения здания;
- рациональное размещение на стройплощадке производственных установок, складского хозяйства, сетей и устройств временного водо- и энергоснабжения, дорог и временных зданий и сооружений, необходимых для бесперебойного обслуживания производства работ при возведении объекта;
- соблюдение требований по технике безопасности и противопожарных правил;
- обеспечение санитарно-бытового обслуживания рабочих на строительстве объекта.
Данный проект предусматривает здание Спортивного комплекса «Ледовый дворец» на 2500 мест, предназначенный для соревнований областного уровня по хоккею и фигурному катанию. Площадь территории, отведенной под строительство, составляет 2,4 га. Участок распложен в центральной части г. Коломна Московской области в зоне жилой застройки. Спортивный комплекс находится в непосредственной близости от пересечения двух городских магистралей: ул. Парковой и проспекта Ленина. Окружающая застройка – кирпичные здания (1-4эт.), расположенные с южной, западной и восточной сторон Ледового дворца.
С севера участок граничит с «Городским парком культуры и отдыха», с востока ограничен территорией детского сада, с южной – домом культуры, с западной – ул. Парковой.
На территории спортивного комплекса предусмотрено устройство гостевых автостоянок и стоянок служебного автотранспорта общей вместительностью 84 м/мест, а также стоянки для 3-х автобусов.
Подъезд пожарных машин, машин скорой помощи и другого специального транспорта обеспечен со всех сторон здания.
Временные дороги и площадки устраиваются из плит типа «ПДП» на песчаном основании. Временные помещения для нужд строительства контейнерного типа 1 и 2 яруса устанавливаются на территории строительной площадки и рассчитаны на размещение 144 человек. На период отделочных и специальных работ размещение рабочих осуществляется в помещениях возведенного комплекса с последующим косметическим ремонтом или на резервной территории.
Площадку под установку инвентарных вагончиков бытовых помещений уплотнить и подсыпать щебнем. Предусмотреть отвод поверхностных вод.
Обеспечить безопасный и удобный подход к бытовым помещениям, а также подключение их к сетям водо- и электроснабжения. Обеспечить бытовые помещения телефонной связью и питьевой водой, качество которой должно соответствовать санитарным требованиям.
Питание рабочих осуществляется в городской столовой по договору, заключенному заказчиком.
Проектом предусмотрена мойка колес автомашин на выезде со стройплощадки.
9.8.1 Определение зон влияния крана
В целях создания условий безопасного ведения работ действующие нормативы предусматривают различные зоны: монтажную, зону обслуживания крана, перемещения груза, опасную зону работ крана, зону работы подъемника, опасную зону дорог, опасную зону монтажа конструкции.
Монтажной зоной называют пространство, где возможно падение груза при установке и закреплении элементов. Согласно СНиП III–4–80эта зона является потенциально опасной. Она равна контуру здания + 7 метров при высоте здания до 20 метров. На стройгенплане зоны обозначают пунктиром, а на местности хорошо видимыми предупредительными знаками или надписями, места проходов через монтажную зону снабжают навесами.
Зоной обслуживания крана, или рабочей зоной крана, называют пространство, находящееся в пределах линии, описываемой крюком крана.
Для стреловых кранов эту зону определяют радиусом, соответствующему максимальному рабочему вылету стрелы крана, показывают отдельными стоянками.
Зоной перемещения грузов называют пространство, находящееся в пределах возможного перемещения груза, подвешенного на крюке крана. Границы зоны определяются суммой максимального рабочего вылета и ширины зоны, принимаемой равной половине длины самого длинного перемещаемого груза.
Опасной зоной работы крана R>оп> называют пространство, где возможно падение груза при его перемещении с учетом возможного рассеивания при падении.
,
где R>max> – максимальный рабочий вылет стрелы крана, м,
0,5l>max> – половина длины наибольшего перемещаемого элемента (прокатная балка),
l>без> – дополнительное расстояние для безопасной работы, принимаемое по СНиП, м, l>без>=7м,
м.
Монтажная зона равна контуру здания плюс 7метров.
Опасная
зона поворотной платформы
=
R>пов>+
=4+1=5м.
Опасные зоны дорог — участки подъездов и подходов в пределах указанных зон, могут находиться люди, не участвующие в совместной с краном работе; осуществляется движение транспортных средств или работа других механизмов. Эти зоны на стройгенплане выделяются особо
9.8.2 Временные построечные дороги
Запроектирована кольцевая построечная автодорога обеспечивающая подъезд в зону действия монтажного крана, погрузочно-разгрузочных механизмов, складам. При трассировке дорог должны соблюдаться минимальные расстояния, между дорогой и складской площадкой - 1 м, до забора, ограждающего площадку не менее 1м. Не допускается размещение временных дорог над подземными сетями в непосредственной близости к проложенным и подлежащим прокладке подземными коммуникациям, так как это ведет к осадке грунта откосов или засыпке и деформации дорог. Построечные временные дороги выполняются из сборных железобетонных плит уложенных на песчаную постель. Толщина слоя песка назначается в зависимости от группы грунтов земляного полотна и степени увлажнения и назначается порядка 10 - 25 см. При поперечном пересечении подземных сетей траншеи под дорогой должны засыпаться на всю глубину песком. Если это условие не может быть выполнено, следует пройти место пересечения с определенным подъемом, величина которого должна быть пропорциональна коэффициенту разрыхления грунта. По мере уплотнения грунта этот участок дороги в продольном направлении примет горизонтальное положение.
9.8.3.Временные здания на строительной площадке
Потребность строительства в административных и санитарно-бытовых зданиях определяется из расчетной численности персонала. Число работников на стадии ППР определяется, исходя из календарных планов и графиков движения рабочей силы. Общая численность персонала, занятого на строительстве в смену определяется:
,
где R>max> – максимальная численность рабочих в смену (по графику движения рабочих), R>max>=33,
R>итр> – численность ИТР, принимаем: прораб – 1, мастер -2, геодезист –1
R>моп> – численность МОП и охраны, равная 0,03 R>max>=1,
1,06 – коэффициент, учитывающий невыходы на работу.
чел.
Объем инвентарных зданий должен быть минимальным, но обеспечивающим нормальные производственные и бытовые условия рабочих и рациональную организацию строительной площадки. Площади временных зданий рассчитываем в табличной форме по нормативам.
Принятый тип здания и его показатели заносим в таблицу 9.8.
Таблица 9.8 Расчет временных зданий и сооружений
|
№ п/п |
Наименование инвентарных зданий |
Численность персонала |
Норма на 1 чел. |
Расчетная площадь, м2 |
||
|
Всего |
Одновременно пользующихся |
Ед. изм. |
Величина показателя |
|||
|
1 |
Прорабская |
4 |
4 |
м2 |
4 |
16 |
|
2 |
Диспетчерская |
1 |
1 |
м2 |
7 |
7 |
|
3 |
Гардеробная |
36 |
36 |
м2 |
0,9 |
32,4 |
|
4 |
Уборная |
36 |
4 |
м2 |
3,0 |
12 |
|
5 |
Душевая |
36 |
5 |
м2 |
3 |
15 |
|
6 |
Помещение для обогрева |
36 |
36 |
м2 |
0,2 |
7,2 |
|
7 |
Комната приема пищи |
36 |
36 |
м2 |
0,25 |
9 |
|
8 |
Медпункт |
31 |
1 |
м2 |
10 |
10 |
9.8.4.Организация приобъектных складов
Емкость складов определяют с учетом номенклатуры подлежащих хранению материалов и конструкций, условий их хранения и способа укладки. При этом исходят из необходимого запаса строительных материалов и максимального дневного их потребления. Рассчитывая емкость склада, принимают во внимание вид применяемого транспортного грузоподъемного оборудования.
Площадь склада определяют в такой последовательности:
1.Устанавливают запас материала Р, подлежащего хранению на складе, по формуле

,
где Q- количество материала, необходимого для осуществления строительства в течении расчетного периода;
а- коэффициент неравномерности поступления материалов на склады строительства а=1,1;
Т- продолжительность расчетного периода, дни;
n1- норма запаса материала , 15 дней;
К- коэффициент неравномерности потребления материалов К=1,3.
2.Полезную площадь склада S, необходимую для размещения строительных материалов и конструкций, определяют по формуле:
Sполезн=Р/V, где
V- количество материала, укладываемого на 1 м2 площади склада.
При установлении общей площади склада Sобщ следует учитывать площадь, занятую проходами и проездами:
Sобщ=Sполезн
,
где
-
коэффициент, учитывающий площадь склада,
занятую проходами и проездами ( обычно
принимают 1,2-1,4).
Полученное значение общей площади склада уточняют с точки зрения размещения на плане склада штабелей, стеллажей, проездов исходя из удобства загрузки и выдачи материалов. Ширину склада принимают, ориентируясь на зоны обслуживания используемых в процессе погрузочно-разгрузочных работ механизмов.
Определяем общую площадь складов для хранения материалов по формуле:
,
где Q – требуемый запаса материалов, м3;
– норма
складирования материалов на 1 м2
площади склада, определяют из таблицы;
К1 – коэффициент, учитывающий проходы, проезды на территории склада = 1,2;
К2 – коэффициент, учитывающий неравномерность использования складов = 0,8.
Определим площади складирования для 4 видов материалов:
1. Строительные материалы, складируемые в закрытом складе – минераловатные плиты.
Общий объём минераловатных плит Q=17710 м2.
Общая
площадь склада:

2. Строительные материалы, складируемые под навесом – стеновые панели.
Общий объём стеновых панелей Q=3903 м2.
Общая
площадь склада:

3. Строительные материалы и конструкции, складируемые на открытых площадках – щебень.
Объём запаса щебня Q=7,6м3.
Общая
площадь склада:

4. Также необходимо предусмотреть площадки для приёмки раствора.

9.8.5 Расчёт энергоснабжения
Силовые и осветительные установки при работе во временной схеме электроснабжения должны иметь напряжение 380/220 В.
Расчет потребности строительства в электроресурсах произведен по основным потребителям электрической энергии, необходимым для осуществления строительства.
Освещение строительной площадки в вечернее и ночное время осуществлять в соответствии с «ССБТ Строительство. Нормы освещения строительных площадок».
Для освещения площадок и дорог рекомендуется установка прожекторов на временных столбах (опорах) или на существующих зданиях.
При освещении рабочих мест могут быть использованы легкие переносные светильники и переносные прожекторные вышки. На стройплощадке должно быть предусмотрено охранное и аварийное электроосвещение.
Подача электроэнергии к монтажным механизмам осуществляется по изолированным электрокабелям.
Электроэнергия на строительной площадке необходима для работы строительных машин и механизмов, ручного механизированного инструмента и средств малой механизации, подъемников. Она используется для производства электросварочных работ, для технологических нужд, для освещения территории строительной площадки и строящихся объектов, для отопления.
В ходе проектирования электроснабжения строительной площадки необходимо учитывать:
обилие потребителей и неравномерное их размещение на территории строительства;
возможность изменение мест подсоединения нагрузок;
требования техники безопасности и ряд других моментов.
Запроектированная сеть энергоснабжения строительной площадки должна при минимальных затратах на ее устройство обеспечить надежную подачу энергии к местам потребления при небольших потерях энергии в сети. Наиболее экономичным решением является подача электроэнергии на строительной площадке по постоянному кабелю, уложенному в подготовительный период строительства, с использованием постоянных энергетических сооружений.
Проект энергоснабжения разрабатывают в такой последовательности: определяют потребителей электроэнергии, их мощность и места расположения; выбирают источники получения электроэнергии; намечают места установки и подбирают понижающие трансформаторы; проектируют электросети; выбирают инвентарные распределительные устройства, электроустановки и электрооборудование.
Мощность Р, источника энергоснабжения, необходимая для работы отдельных видов потребителей энергии, без учета потери мощности в разводящей сети определяют по формуле:

К>с> - коэффициент спроса (0,1-1);
P>у> - установленная мощность токоприемников, определяемая на основании паспорта применяемого оборудования;
-
средне расчетный коэффициент использования
мощности ( 0,4-1).
Общую мощность источника энергоснабжения строительной площадки Р определяют суммированием мощностей, необходимых для работы силовых и технологических потребителей, а также неиспользуемых для освещения и обогрева с учетом потерь мощности в разводящей сети:
,
где cosц – коэффициент мощности;
K = 1,1 – коэффициент учитывающий потери мощности в сети;
P>с> – силовая мощность машины или установки, кВт;
P>m> – потребная мощность на технологические нужды, кВт;
P>ов> – потребная мощность необходимая для внутреннего освещения, кВт;
P>он> – потребная мощность необходимая для наружного освещения, кВт;
K>1>, K>2>, K>3>, K>4> –коэффициенты спроса, зависящие от числа потребителе
-
средне расчетные коэффициенты
использования мощности.
Определив необходимую мощность источников, выбирают источник энергоснабжения.
Таблица 9.9 Расчет потребности во временном энергоснабжении.
|
№ п\п |
Наименование потребителей |
Ед. изм. |
Кол-во |
Удельн. мощн. на ед. изм. |
Коэф. спроса |
Коэф. мощн. |
Трансформ. мощн. |
|
1. |
Силовая энергия -сварочный аппарат - краскопульт |
шт шт |
1 1 |
48,5 2,2 |
0,5 0,1 |
0,4 0,4 |
19,4 0,52 |
|
2 |
Внутреннее освещение: - инвентарных зданий -склады закрытые -под навесом |
м2 |
125 57 84 |
0,015 0,015 0,003 |
0,8 0,35 0,35 |
1 1 1 |
1,5 0,27 0,1 |
|
3 |
Наружное освещение -основные дороги -открытые склады -фронт производства работ |
км 100 м2 100 м2 |
0,4 0,17 37,8 |
5 0,05 0,015 |
- |
- |
2 0,01 0,57 |
|
4 |
Охранное освещение |
100 м2 |
312,4 |
0,015 |
- |
- |
4,7 |
|
Итого |
29,1 |
Расчетная трансформаторная мощность:
кВт.
По данным расчета принимаем трансформаторную подстанцию закрытой конструкции КТП СКБ Мосстроя 3,33Ч2,22м..
Определяем требуемое количество прожекторов для освещения строительной площадки:
,
где S – площадь освещаемой территории, м2;
P – удельная мощность, Вт/м2;
P>л> – мощность лампы прожекторов, Вт.
Удельная мощность:
,
где Е – минимальная расчетная горизонтальная освещенность, лк;
K>1> – коэффициент запаса.
Вт/м2.
,
принимаем n
= 11 шт.
При проектировании стройгенплана необходимо предусмотреть рабочее, охранное и аварийное освещение строительной площадки.
Для освещения территории строительства применяют светильники, устанавливаемые в зависимости от их типа и мощности на высоте от 2 до 8 м над освещаемой площадкой. В случае, если использование светильников невозможно или нерационально, применяют прожекторы. Прожекторы устанавливают на столбах, инженерных сооружениях, специальных мачтах.
Освещенность рабочих мест принимается в соответствии с видом выполняемой работы. Она колеблется в пределах 0,5-100 лк и не должна быть ниже значений, приведенных в нормах.
Для организации охранного освещения территории строительной площадки и ее границ устанавливают прожекторы; их размещают на высоте 8-10 м через каждые 150-200 м. Освещенность, создаваемая охранным освещением, не должна быть менее 0,5 лк.
Аварийное освещение должно обеспечивать освещенность мест, где предусмотрены основные спуски и проходы. Питание сети аварийного освещения производиться от отдельной линии независимо от питания сети рабочего освещения.
9.8.6 Проектирование водоснабжения
На строительной площадке вода используется для производственно-технологических и хозяйственно-питьевых нужд, для устройства душа и организации противопожарной защиты возводимых сооружений и объектов строительного хозяйства.
В качестве источника водоснабжения строительной площадки следует стремиться использовать сети постоянного водопровода, выполненные в подготовительный период. В этом случае сеть проектируется в виде тупиковых ответвлений от постоянных сетей к местам водопотребления.
При невозможности использовать постоянный водопровод проектируют разводящую сеть временного водоснабжения.
Пожарные гидранты в соответствии с правилами противопожарного надзора устраивают на расстоянии не более 100 м один от другого, с тем чтобы тушение пожара в любой точке строительной площадки могло осуществляться с подачей воды из двух гидрантов. Расстояние от здания до ближайшего гидранта не должно превышать 50 м. Устройство гидрантов вдоль дорог предусматривается на расстоянии не более 2 м от края дороги и не менее 5 м от здания.
Расход воды на производственные нужды Qпр, л/с, определяют по формуле:
л/с,
где
S – удельный расход воды на единицу объема работ;
А – объём строительных работ, выполняемых в смену с максимальным водопотреблением;
K1ч – коэффициент часовой неравномерности водопотребления; принимается равным для строительных работ – 1,5;
N – число часов работы в смену.
Расход воды устанавливается по всем работам, выполняемым в период максимального водопотребления.
Расход воды на хозяйственно-питьевые нужды Qхоз, л/с, определяют по формуле:
,
где
b – норма расхода воды на хозяйственно-питьевые нужды на одного человека в смену;
N1 – максимальное число работающих в одну смену;
К2ч- часовой коэффициент потребления, принимаемый равным 2-3.
Расход воды на душевые установки Qдуш, л/с, определяют по формуле:
;
Общий
расход воды на строительстве
,
л/с, определяют по формуле:

Потребность в воде рассчитывается на период максимального водопотребления, чтобы сети водопровода могли обеспечивать потребителей водой в часы максимального водоразбора и на случай пожара.
Диаметр труб определяют по формуле
,
где
Q – расчетный расход воды, л/с;
V – скорость движения воды по трубам ( принимается равной 1,5 л/с).
Для водоснабжения строительной площадки наиболее рационально использовать действующий водопровод, расположенный в районе строительства. Принимаем диаметр труб 200мм.
9.8.7 Технико-экономические показатели стройгенплана.
Площадь строящегося здания F1=10750 м2
Площадь открытых складов F2=1241 м2
Площадь закрытых складов и навесов F3=64 м2
Площадь дорог F4=3230м2.
Общая площадь участка F5=24102 м2
Общая протяженность дорог - 736м.
Общая протяженность электросетей - 698м.
Общая протяженность водопроводных сетей - 346м.
Мощность временной трансформаторной подстанции - 70 кВт
Коэффициент использования территории - 0,85
10. ЭКОНОМИЧЕСКАЯ ЧАСТЬ И ТЕХНОЛОГИЧЕСКИЕ ПОКАЗАТЕЛИ
10.1 Локальная смета на общестроительные работы
Для определения сметной стоимости строительства проектируемых зданий, сооружений или их очередей составляется сметная документация, состоящая из локальных смет, локальных сметных расчетов, объектных смет, объектных сметных расчетов, сметных расчетов на отдельные виды затрат, сводных сметных расчетов стоимости строительства, сводок затрат и др.
При подсчете объемов работ необходимо соблюдать следующие требования:
перечень работ следует разбить по разновидностям, предусмотренным в сметных нормах;
объемы работ должны быть выражены в измерителях, принятых в сметных нормах;
итоги следует подсчитать с точностью до двух знаков.
После определения объемов работ необходимо приступить к составлению сметы, которая составляется по сборникам единичных расценок - ТЕР.
По каждому разделу сметы подсчитываются итоги. В конце сметы показываются затраты на неучтенные работы – 3% от общего итога. На сумму прямых затрат начисляются накладные расходы – 118%. После составления локальной сметы определяется: сметная стоимость общестроительных работ, сметная зарплата и нормативная трудоемкость (трудозатраты). Трудоёмкость рабочих-строителей обслуживающих машины определяется путём умножения з/п машинистов на коэффициенты: 0,076 – для земляных работ с применением строительных машин; 0,068 – для остальных работ.
Форма №4 ЕР
Локальная смета №1
на общестроительные работы.
Дворец спорта в г. Коломна
Составлена в ценах на 2001 г.
с пересчетом в цены 2009 г. по индексам и коэффициентам.
Сметная стоимость 39868705,7 руб.
Нормативная трудоемкость 33869 чел.-ч
Сметная заработная плата 1820138,8 руб.
|
№ п/п |
Шифр и № позиции норматива |
Наименование работ и затрат, материалов, изделий и конструкций |
Ед. изм. |
Кол-во |
Стоимость ед, руб. |
Общая стоимость, руб. |
Затраты труда рабочих, чел.-ч., не занятых обсл. машин |
||||
|
Всего осн. зарплата |
Эксплуатац. машин в т.ч. зарплата машинистов |
Всего |
Основной зарплаты |
Эксплуатац. машин в т.ч. зарплата машинистов |
|||||||
|
обслуж. машины |
|||||||||||
|
на един. |
всего |
||||||||||
|
1 |
2 |
3 |
4 |
5 |
6 |
7 |
8 |
9 |
10 |
11 |
12 |
|
Раздел 1. Земляные работы. |
|||||||||||
|
1 |
ТЕР 01-01-031-7 |
Срезка растительного слоя бульдозером группы грунта I |
1000м3 |
1,42 |
2787,19- |
2787,19 342,39 |
3960,65 |
- |
3960,65 486,19 |
_-_ 3,3 |
- 4,69 |
|
2 |
ТЕР 01-01-036-1 |
Окончательная планировка площадки бульдозером при рабочем ходе в одном направлении |
1000м2 |
4,73 |
1472,13 - |
1472,13 186,71 |
6963,17 |
- |
6963,17 883,14 |
_-_ 1,3 |
- 6,15 |
|
3 |
ТЕР 01-01-002-1 |
Разработка грунта в котловане одноковшовым экскаватором, оборудованным обратной лопатой с погрузкой в транспортные средства |
100 м3 |
54,7 |
2120,65 50,57 |
2070,08 202,63 |
115999,56 |
2766,18 |
113233,38 11083,86 |
6,1 15,4 |
333,67 842,38 |
|
4 |
ТЕР 01-02-056-1 |
Разработка грунта вручную в котловане |
100 м3 |
0,15 |
1660,5 1660,5 |
- - |
249,08 |
249,08 |
- - |
162,0 - |
24,30- |
|
5 |
ТЕР 01-01-035-1 |
Засыпка котлована бульдозером, перемещая грунт на 8м. |
100 м3 |
51,6 |
316,76- |
316,76- |
16344,82 |
- |
16344,82 |
-3,84 |
198,14 |
|
6 |
ТЕР 01-02-001-7 |
Уплотнение грунта поверхности прицепным катком на пневмоколесном ходу при четырех проходах по одному следу |
1000 м3 |
1,52 |
2197,51 |
2197,51 343,97 |
3340,22 |
- |
3340,22 522,83 |
-3,98 |
-6,05 |
|
Раздел 2. Фундамент. |
|||||||||||
|
7 |
ТЕР 11-01-002-4 |
Устройство щебеночного подстилающего слоя |
1 м3 |
37,5 |
299,38 41,61 |
31,61 6,73 |
11226,75 |
1560,38 |
1185,38 252,38 |
3,73 0,79 |
139,88 29,63 |
|
Материалы |
196,5 |
7368,75 |
|||||||||
|
8 |
ТЕР 06-01-001-1 |
Устройство бетонной подготовки |
100 м3 |
0,38 |
5016,01 1569,21 |
1055,52 165,55 |
1906,08 |
596,30 |
401,10 62,91 |
483,80 53,71 |
183,84 20,41 |
|
Материалы |
45200 |
17176,00 |
|||||||||
|
1 |
2 |
3 |
4 |
5 |
6 |
7 |
8 |
9 |
10 |
11 |
12 |
|
9 |
ТЕР 06-01-001-16 |
Устройство железобетонных фундаментов под колонны объемом до10 м3 |
100 м3 |
3,48 |
11154,90 5096,49 |
2546,15 398,73 |
38819,05 |
17735,79 |
8860,60 1387,58 |
483,80 43,61 |
1683,62 151,76 |
|
Материалы |
79851,68 |
277883,85 |
|||||||||
|
10 |
ТЕР 06- 07-01-001-2 |
Установка фундаментных балок массой до 1,5т. |
100 шт. |
0,11 |
6050,30 991,81 |
3067,49 531,66 |
665,53 |
109,10 |
337,42 58,48 |
91,58 15,26 |
10,07 1,68 |
|
Материалы |
125381,25 |
13791,94 |
|||||||||
|
11 |
ТЕР 11-01-004-5 |
Выполнение окрасочной гидроизоляции горячим битумом |
100 м2 |
6,8 |
1243,58 275,36 |
153,04 1,79 |
8456,34 |
1872,45 |
1040,67 12,17 |
26,97 0,12 |
183,40 0,82 |
|
Материалы |
815,18 |
5543,22 |
|||||||||
|
Раздел 3. Каркас здания. |
|||||||||||
|
12 |
ТЕР 09-01-001-12 |
Монтаж каркаса гражданского здания высотой до 25 м |
1 т |
741 |
1005,23 308,79 |
368,72 46,60 |
744875,43 |
228813,39 |
273221,52 34530,60 |
24,75 4.57 |
18339,75 3386,37 |
|
Материалы |
11452,27 |
8485932,1 |
|||||||||
|
Раздел 4. Стены. |
|||||||||||
|
13 |
ТЕР 08-02-001-3 |
Монтаж стеновых панелей площадью до 10м2 |
100 шт. |
3,85 |
17963,18 6082,94 |
9132,94 1419,97 |
69 158,24 |
23 419,32 |
35 161,825 466,88 |
511,70 112.91 |
1 970,05 434,70 |
|
Материалы |
165365,29 |
636 656,37 |
|||||||||
|
14 |
ТЕР 08-02-001-3 |
Кладка кирпичных стен средней сложности из керамического кирпича |
1 м3кладки |
298 |
690.28 47.35 |
30,17 4,84 |
205703,44 |
14110,3 |
8 990,66 1 442,32 |
5.66 0,33 |
1 686,68 98,34 |
|
Материалы |
1864,27 |
555 552,46 |
|||||||||
|
15 |
ТЕР 07-01-021-5 |
Укладка перемычек массой до 0,7 т |
100 шт. |
0,03 |
4685,551035,22 |
3577,19 566,27 |
140,57 |
31,06 |
107,32 16,99 |
96,75 45,24 |
2,90 1,36 |
|
Материалы |
46892,32 |
1406,77 |
|||||||||
|
16 |
ТЕР 10-01-027- 2 |
Установка в общественных зданиях оконных блоков |
100 м2 |
1,2 |
8498.84 1243.25 |
601.23 64.53 |
10198,6 |
1491,9 |
721,48 77,44 |
134.52 4,29 |
161,42 5,14 |
|
Материалы |
15755,18 |
18906,2 |
|||||||||
|
Раздел 4. Покрытие. |
|||||||||||
|
17 |
ТЕР 10-02-035-1 |
Установка прогонов и связей при устройстве кровли |
100 м2 |
23,1 |
1010.73 456,09 |
129,69 7,62 |
23347,86 |
10 535,68 |
2 995,84 176,02 |
58,1 0,52 |
1 342,11 12,01 |
|
Материалы |
7452,27 |
172147,4 |
|||||||||
|
18 |
ТЕР 12-01-017-1 |
Установка стального профилированного настила кровли отдельными листами длиной до 12м |
100 м2 |
23,1 |
|
|
29460,82 |
3659,73 |
4992,6 449,75 |
27,22 1,34 |
628,78 30,95 |
|
Материалы |
9585.2 |
221418,12 |
|||||||||
|
19 |
ТЕР 12-01-015-1 |
Устройство пароизоляции рулонными материалами |
100 м2 |
23,1 |
1856,95 154,09 |
76,42 2,18 |
42 895,55 |
3 559,48 |
1 765,30 50,36 |
17,51 0,15 |
404,48 3,47 |
|
Материалы |
68,24 |
1 576,34 |
|||||||||
|
20 |
ТЕР 12-01-014-2 |
Утепление конструкций плитными материалами |
100 м2 |
23,1 |
3780,2 210,16 |
76,52 2,28 |
87 322,62 |
4 854,70 |
1 864,70 52,71 |
11,04 0,46 |
255,02 10,63 |
|
Материалы |
13271,44 |
306 570,26 |
|||||||||
|
21 |
ТЕР 12-01-001-2 |
Устройство плоской кровли из листовых кровельных материалов |
100 м2 |
23,1 |
6605,48 239,89 |
356,32 14,7 |
152 586,59 |
5 541,46 |
8 230,99 339,57 |
27,26 0,99 |
629,71 22,87 |
|
Материалы |
6009,27 |
138 814,14 |
|||||||||
|
Раздел 5. Устройство полов |
|||||||||||
|
22 |
ТЕР 11-01-002-4 |
Устройство щебеночного подстилающего слоя до 100мм. |
1 м3 |
231 |
299,38 41,61 |
31,61 6,73 |
69 156,78 |
9 611,91 |
7 301,91 1 554,63 |
3,73 0,59 |
861,63 136,29 |
|
Материалы |
196,5 |
45 391,50 |
|||||||||
|
23 |
ТЕР 11-01-032-4 |
Устройство бетонного подстилающего слоя до 100мм |
100 м2 |
23,1 |
1341,22 293,56 |
28,35 12,62 |
30 982,18 |
6 781,24 |
654,89 291,52 |
39,51 0,86 |
912,6819,87 |
|
Материалы |
4052,1 |
93 603,51 |
|||||||||
|
24 |
ТЕР 11-01-027-2 |
Устройство цементных полов с толщина слоя покрытия 30мм. |
100м2 |
23,1 |
10898,74 981,0 |
91,37 26,07 |
251 760,89 |
22 661,10 |
2 110,65 602,22 |
119,78 1,77 |
2 766,92 40,89 |
|
Материалы |
3058,74 |
70 656,89 |
|||||||||
|
Раздел 6. Отделочные работы. |
|||||||||||
|
25 |
ТЕР 15-02-001- 1 |
Высококачественная штукатурка поверхностей цементным раствором |
100м2 |
7,5 |
1700,38 637,92 |
59,03 25,02 |
12 752,85 |
4 784,40 |
442,73 187,65 |
70,88 1,77 |
531,60 13,28 |
|
Материалы |
2923,43 |
21 925,73 |
|||||||||
|
26 |
ТЕР 15-04-030-3 |
Масляная окраска металлических поверхностей за 2 окраски |
100м2 |
4,7 |
847,45 336,49 |
1,93 0,1 |
3 983,02 |
1 581,50 |
9,07 0,47 |
40,59 0,0068 |
190,77 0,03 |
|
Материалы |
40714,56 |
191 358,43 |
|||||||||
|
27 |
ТЕР 15-04-025-7 |
Высококачественная окраска масляным колером по штукатурке |
100м2 |
7,5 |
574,5 340,6 |
1,35 0,1 |
4 308,75 |
2 554,50 |
10,13 0,75 |
40,07 0,0068 |
300,53 0,05 |
|
Материалы |
40714,56 |
305 359,20 |
|||||||||
|
28 |
ТЕР 15-04-005-2 |
Окраска перхлорвиниловыми составами наружных стен здания |
100м2 |
7,5 |
1100,52 142,13 |
5,41 0,1 |
8 253,90 |
1 065,98 |
40,58 0,75 |
16,94 0,0068 |
127,05 0,05 |
|
Материалы |
32715,62 |
245 367,15 |
|||||||||
|
Прямые затраты в базовых ценах |
- |
- |
- |
- |
1954819 |
369946,9 |
503257,2 60034,3 |
- |
33869 5279,87 |
||
|
Расч. инд. РХЦЦС 2006 |
Индекс на зарплату рабочих |
руб. |
k=4,92 |
- |
- |
- |
1820138,8 |
- |
- |
- |
|
|
Индекс на эксплуатацию машин |
руб. |
k=4,99 |
- |
- |
- |
- |
2511253,4 |
- |
- |
||
|
В том числе на зарплату машинистов |
руб. |
k=4,92 |
- |
- |
- |
- |
295368,8 |
- |
- |
||
|
Индекс на материалы |
руб. |
k=2,64 |
- |
- |
31242833 |
- |
- |
- |
- |
||
|
МДС 81 -33.2004 |
Накладные расходы |
руб. |
118% |
- |
- |
2496299 |
- |
- |
- |
- |
|
|
Итого с накладными расходами |
руб. |
- |
- |
38070524 |
- |
- |
- |
- |
|||
|
МДС 81- 25.2004 |
Сметная прибыль |
руб. |
85% |
- |
- |
1798181,5 |
- |
- |
- |
- |
|
|
Всего сметная стоимость |
39868706 |
1820139 |
2511253 295369 |
- |
33869 5280 |
10.2 Объектная смета на строительство Дворца спорта в г. Коломна
Результат сметных расчетов по общестроительным, санитарно-техническим, электрическим работам сводятся в смету на объект, которая составляется в соответствии с инструкцией СН 202-81. Суммой сметной стоимости всех работ и затрат на строительство здания определяется сметная стоимость СМР по зданию (Ссмр). Показатель единичной стоимости строительства здания рассчитывается отношением Ссмр к общей площади здания.
Форма №3
Объектная смета № 1.
Дворец спорта в г. Коломна.
Сметная стоимость 46643,99 тыс. руб.
Средства на оплату труда 2129,45 тыс. руб.
Расчетный измеритель единичной стоимости 20,19 тыс. руб./м2
Составлено в ценах на апрель 2009 года.
|
№ п/п |
Номера сметных расчетов (смет) |
Наименование работ и затрат |
Сметная стоимость, тыс. руб. |
Средства на оплату труда, тыс. руб. |
Показатели ед. стоимости |
||||
|
Строительных работ |
Монтажных работ |
Оборудования, мебели, инвентаря |
Прочих затрат |
Всего |
|||||
|
1 |
ЛC №1 |
Общестроительных работ |
39868,71 |
– |
– |
– |
39868,71 |
1820,14 |
17,26 |
|
2 |
Отопление 5% |
1993,44 |
– |
– |
– |
1993,44 |
91,01 |
0,86 |
|
|
3 |
Вентиляция 2% |
797,37 |
– |
– |
– |
797,37 |
36,40 |
0,35 |
|
|
4 |
Внутренний водопровод 3% |
1196,06 |
– |
– |
– |
1196,06 |
54,60 |
0,52 |
|
|
5 |
Канализация 2% |
797,37 |
– |
– |
– |
797,37 |
36,40 |
0,35 |
|
|
6 |
Электроосвещение 1% |
398,69 |
– |
– |
– |
398,69 |
18,20 |
0,17 |
|
|
7 |
Электросиловое оборудование |
– |
– |
– |
– |
– |
– |
– |
|
|
8 |
Технологическое оборудование |
– |
– |
– |
– |
– |
– |
– |
|
|
9 |
Приспособления, инвентарь, инструмент ( 3% от (8) ) |
– |
– |
– |
– |
- |
– |
– |
|
|
Итого по гл. 1 – 9 |
45051,64 |
– |
– |
– |
45051,64 |
2056,76 |
19,50 |
||
|
10 |
ГЭСН 81-05-01-2001 |
Временные здания и сооружения 1,1% |
495,57 |
– |
– |
– |
495,57 |
– |
0,22 |
|
Итого по гл. 1 – 10 |
45547,21 |
– |
– |
– |
45547,21 |
2056,76 |
19,72 |
||
|
11 |
ГЭСН 81-05-02-2001 |
Зимнее подорожание 0,4% |
171490,94 |
– |
– |
– |
182,19 |
8,32 |
0,08 |
|
12 |
По факту или по плану |
Приобретение хоз. инвентаря (0,3% от (8)) |
– |
– |
– |
– |
– |
– |
– |
|
Итого по гл. 1 – 12 |
45729,40 |
– |
– |
– |
45729,40 |
2087,70 |
19,80 |
||
|
13 |
Резерв на непредвиденные работы и затраты 2% |
914,59 |
– |
– |
– |
914,59 |
41,75 |
0,40 |
|
|
14 |
Всего по смете |
46643,99 |
– |
– |
– |
46643,99 |
2129,45 |
20,19 |
10.3 Сводный сметный расчет стоимости строительства.
Форма N 1
Заказчик Капиталстрой
«Утвержден» «31» июнь 2009 года.
Сводный сметный расчет в сумме 3899,2 т. руб.
Сводный сметный расчет стоимости строительства
Дворец спорта в г. Коломна.
Составлен в ценах на апрель 2009 года.
|
№ п/п |
Номера сметных расчетов (смет) |
Наименование глав, объектов, работ и затрат |
Сметная стоимость, тыс. руб. |
Общая сметная стоимость |
|||
|
Строительных работ |
Монтажных работ |
Оборудования, мебели, инвентаря |
Прочих затрат |
||||
|
1 |
Глава 1. Подготовка территории строительства 2% |
932,88 |
– |
– |
– |
932,88 |
|
|
2 |
Объектная смета № 1. |
Глава 2. Основные объекты строительства |
46643,99 |
– |
– |
– |
46643,99 |
|
3 |
Глава 3. Объекты подсобного назначения |
– |
– |
– |
– |
– |
|
|
4 |
Глава 4. Объекты электрического хозяйства 5% |
2332,20 |
– |
– |
– |
2332,20 |
|
|
5 |
Глава 5. Объекты транспортного хозяйства и связи 2% |
932,88 |
– |
– |
– |
932,88 |
|
|
6 |
Глава 6. Наружные сети и сооружения водоснабжения 10% |
4664,40 |
– |
– |
– |
4664,40 |
|
|
7 |
Глава 7. Благоустройство и озеленение территории 2% |
932,88 |
– |
– |
– |
932,88 |
|
|
8 |
ГЭСН 81-05-01-2001 |
Глава 8. Временные здания и сооружения 1,1% |
513,08 |
– |
– |
– |
513,08 |
|
9 |
ГЭСН 81-05-02-2001 |
Глава 8. Прочие работы и затраты 0,4% |
186,58 |
– |
– |
– |
186,58 |
|
10 |
Постановление № 17 от 13 февраля 2003 г. Госстрой. |
Глава 10. Содержание дирекции 1,1% |
513,08 |
– |
– |
– |
513,08 |
|
12 |
Глава 11. Подготовка кадров |
– |
– |
– |
– |
– |
|
|
13 |
Постановление Госстроя от 18.08.97 №18-44 |
Глава 12. Проектные и изыскательные работы 1,1% |
513,08 |
— |
— |
— |
513,08 |
|
Всего по сводному сметному расчету |
58165,06 |
– |
– |
– |
58165,06 |
10.4 Технико-экономические показатели проекта
На основании сметных расчетов произведен экономический анализ эффективности принятого варианта проекта.
Технико-экономические показатели стоимости строительства:
Общая трудоемкость - 4130,4 чел-дн.
Трудоемкость строительства на 1м2 площади здания - 1,79 чел-дн./ м2;
Сметная стоимость СМР по локальной смете – 39868,7 тыс. руб;
Сметная стоимость строительства - 46643,99 тыс. руб;
5. Полная сметная стоимость строительства в текущих ценах – 58165,06
тыс. руб;
Стоимость 1м2 общей площади –20,19 тыс. руб/ м2;
Стоимость 1 м3 объема здания –1,83 тыс. руб;
Фонд оплаты труда рабочих – 2129,45 тыс. руб.
Из расчетов технико-экономических показателей можно сделать вывод о том, что выполненный проект здания соответствует требованиям экономической эффективности и целесообразности заложенных в него объемно-планировочных и архитектурно-конструктивных решений, а также принципам передовых методов и технологий ведения строительного процесса.
СЕТЕВОЕ ПЛАНИРОВАНИЕ
Основными организующими документами в проектно-строительном процессе считаются линейные календарные графики, но они обладают малой информативностью и не могут оперативно изменять процесс выполнения конкретной работы или комплекса работ. Они не отражают взаимозависимость между отдельными процессами и не выделяют работы, определяющие срок окончания планируемого процесса в целом.
В современных рыночных условиях при возрастающих объемах и темпах проектирования и строительства от руководителя требуется: глубокая научная обоснованность планирования; оперативность в управлении и проведении контроля; умение манипулировать резервами в зависимости от важности и первоочередности работ.
Система сетевого планирования и управления (СПУ) используется для перспективного и текущего планирования во многих отраслях народного хозяйства. Эта система представляет собой эффективный, постоянно действующий механизм, обеспечивающий выбор управленческих решений и оптимально- определяющий режим деятельности каждого участника проектно- строительного комплекса.
Построение сетевой модели — поисковый процесс, который проходит через определенные взаимоувязанные фазы: изложение заказчиком своих намерений; выбор строительной площадки; сбор предпроектных технических условий; предпроектные исследования и изыскания: подготовка исходно-разрешительной документации; технико-экономическое обоснование инвестиции: стадийность проектирования и другие фазы архитектурной концепции.
Поисковый процесс заключается в определении главной конечной цели предполагаемого процесса. Поисковый процесс начинается с первой встречи заказчика с представителем проектной группы (мастерской) и осуществляется руководителем — менеджером проекта.
Сетевая модель представляет собой графическое изображение процессов осуществления проекта, где все работы (организационные, творческие, технические, финансовые и др.) показаны в определенной технологической последовательности и необходимой взаимосвязи и зависимости.
Сетевой график, является моделью, отображающей логическую последовательность и взаимозависимость отдельных видов работ (процессов). Следовательно, продолжительность планируемой работы зависит от сроков их выполнения.
Расчетные параметры графика определяют параметры оптимальных сроков начала и окончания каждой конкретной работы.
Выявляется цепочка взаимосвязанных работ, от сроков выполнения которых зависит общая (максимальная) продолжительность планируемых работ.
Контроль и ответственность за выполнение этих работ возлагается на руководителя проекта (директора института, руководителя мастерской, главного архитектора, инженера).
Система также выявляет работы, не влияющие на срок окончания общего процесса. Эта часть работы делегируется в подразделения — отделы (руководитель бригады и т.п.).
При построении сетевой модели используются три основных понятия: работа (включая ожидание и зависимость), событие и путь.
ПРАВИЛА ПОСТРОЕНИЯ СЕТЕВЫХ МОДЕЛЕЙ
Стрелки между событиями, изображающими производственный процесс — безразмерны, а его фактические параметры обозначаются под стрелкой. События кодируются последовательно, от меньшего номера к большему. Над стрелкой при необходимости делается надпись выполняемой работы (процесса), под стрелкой пишутся исходные параметры: продолжительность, количество исполнителей, цена.
При кодировании сетевых моделей следует учитывать, что все события имеют самостоятельные номера; кодируются числами натурального ряда (без пропусков); номер последующего события присваивается после присвоения номера предшествующего; стрелка (работа) должна быть всегда направлена слева направо, от меньшего номера к большему номеру события.
Имеют место случаи, когда две или более работы выходят из одного и того же события, выполняются параллельно и заканчиваются одним н тем же событием. В этом случае получаются две работы с одним и тем же кодом, т.е. 1 —2, что недопустимо. В сетевой модели между двумя событиями может проходить только одна стрелка. Применяется понятие зависимость.
Правило организационно-технологических связей. Для построения сетевого графика необходимо в технологической последовательности установить работы, которые должны быть завершены до начала данной работы, после завершения данной работы; работы, которые необходимо выполнить одновременно (параллельно).
В сетевой модели учитывается только непосредственная связь через зависимость. Работе 4 — 5 (J-k) предшествует работа 2 — 4 (/-у). Для начала работы 4--5 (j-k) необходимо учесть окончание работы 2—3, о чем свидетельствует штриховая стрелка (зависимость)
предшествующая данная последующая
работа работа работа

Знание правил расчета параметров сетевого графика дает возможность руководителю проекта осуществлять маневрирование ресурсами, повышать уровень эффективности управления.
РАСЧЕТ ПАРАМЕТРОВ СЕТЕВОГО ГРАФИКА
Кроме цифрового кода работ в сетевом планировании применяется аналитический способ (алгоритм) кодирования работ
Основные расчетные параметры сетевого графика следующие: раннее начало работы (РН); раннее окончание работы (РО); позднее начало работы (ПН); позднее окончание работы (ПО); полный резерв времени (R); частный резерв времени (г); продолжительность работы (t); продолжительность критического пути (T).
Для расчета основных параметров сетевого графика каждое событие делится на четыре сектора, в каждом из которых записывается информация.
Таким образом, система расчета сетевого графика (непосредственно на графике) сводится к определению всего двух параметров из обозначенных выше: РН - самого возможно раннего срока начала последующей (или последующих) работы; по — самого позднего максимального срока окончания предшествующей (или предшествующих) работы.

Эти расчетные параметры между двумя событиями показывают тот допустимый промежуток времени Т, в пределах которого возможно выполнение данной работы. А также позволяют определить наличие запаса времени.
11. ТЕХНИКА БЕЗОПАСНОСТИ И ОХРАНА ТРУДА
11.1 Анализ основных опасных и вредных факторов производственного процесса
11.1.1 Химические факторы
Производственная пыль.
Производственная пыль образуется при земляных работах, монтаже строительных конструкций, отделочных работах, очистке и окраске строительных изделий, при транспортировке материалов, сжигании топлива и т.п.
Вредность пыли зависит от ее состава, концентрации в воздухе и крупности частиц. В легких человека при дыхании задерживаются частицы размером от 0,2 до 0,7 мкм.
Для нормализации воздуха при производстве работ на строительном участке запланированы следующие мероприятия:
- максимальная механизация и автоматизация производственных процессов;
- применение герметичного оборудования, герметичных устройств для транспортировки пылящих материалов;
- тщательная и систематическая уборка рабочих мест с помощью вакуумных установок
- применение индивидуальных средств защиты от пыли - респираторов (лепестковых, шланговых и др.), очков и противопыльной спецодежды.
Вредные вещества.
При строительстве объекта исключено использование сильнодействующих ядовитых веществ. Но при различных технологических процессах может выделяться ряд вредных веществ, описание которых приведено ниже. ГОСТ 12.1.005-88 "Общие санитарно-гигиенические требования к воздуху рабочей зоны" устанавливает предельно допустимые концентрации (ПДК) вредных веществ в воздухе рабочей зоны.
Бензин - смесь углеводородов, прозрачная бесцветная жидкость, легко испаряющаяся, с характерным запахом. В строительстве применяется в качестве растворителей красок при малярных работах. Бензин может поступать в организм через органы дыхания. желудочно-кишечный тракт и кожу. ПДК для бензина - 100 мг/м3.
Ацетон СН>3>СОСН>3> - бесцветная жидкость с неприятным запахом. Применяется в качестве растворителя и разбавителя нитрокрасок. Оказывает на организм наркотическое действие. ПДК составляет 200 мг/м3.
При сварке выделяются вредные аэрозоли (марганец). Токсические материалы выделяются при малярных, изоляционных работах, работах с полимерными материалами; при асфальтобетонных и кровельных работа с применением битумных мастик.
Для предотвращения отравления вредными веществами необходимо вести регулярный контроль их содержания в воздухе рабочей зоны в соответствии со СНиП 12.1.007-76. Для анализа воздушной среды используется хроматограф ЛК-2.
Работы с вредными отравляющими веществами необходимо свести к минимуму или вообще исключить.
Все рабочие должны быть обучены технике безопасности и знать начальные признаки действия вредных веществ, должны уметь оказать первую помощь.
Для защиты частей тела рабочих применяется спецодежда:
для защиты рук перчатки или рукавицы, прорезиненные или из кислостойких материалов;
органы дыхания защищаются специальным противогазом при проведении малярных работ в закрытом помещении;
- для предупреждения заболеваний кожи применяются мази (пасты) и моющие средства.
11.1.2 Физические факторы
Строительно-монтажные работы второго этапа строительства Дворца спорта выполняются в весенне-летний период.
Оптимальная величина температуры воздуха рабочей зоны установлена ГОСТ 12.1.005-88 и колеблется пределах от16 до 25 С°, в зависимости от выполняемой работы и времени года.
Оптимальная относительная влажность установлена ГОСТ 12.1.005-88 и составляет 40-60%. Допустимая величина может быть до 75% в зависимости от сочетания температуры воздуха со скоростью его движения.
Тепловое самочувствие человека в значительной мере зависит от скорости движения воздуха. В теплый период года скорость движения воздуха в рабочей зоне составляет от 0,2 до 1,0 м/с, а в холодный - от 0,2 до 0,5 м/с.
Для обеспечения удовлетворительной работы необходимо предусматривать:
- защиту рабочих от переохлаждения путем обеспечения теплой одеждой и теплой обувью в период холодного времени года, с периодическими перерывами для обогрева в специальных помещениях;
- для исключения нарушения водно-солевого баланса в организме человека предусмотрено установление сатуратора, снабжающего работающих газированной водой с добавлением 0,2-0,5% поваренной соли.
Шум. Основными источниками шума на строительной площадке являются:
- передвижные строительные машины- экскаватор, бульдозер, башенный кран, электровибратор, компрессорная установка;
- бетоносмесительная установка, бетоноукладчики;
- ручной механизированный инструмент.
При строительстве жилого дома следует обеспечить следующие мероприятия:
- максимально исключить виброакустическое оборудование;
- по возможности сократить число рабочих, работающих в непосредственной близи с источником шума;
- применить средства индивидуальной защиты от шума - наушники, вкладыши и шлемы;
- проводить санитарно-профилактические мероприятия для рабочих, занятых на акустическом оборудовании;
- применить звукоизоляцию шумных машин (например компрессор) в виде кожуха;
Существенное ослабление шума достигается качественным монтажом отдельных узлов машин, их динамической балансировкой и своевременным проведением планово-предупредительных ремонтов. Необходимо регулярно проверять работу подшипников, устранять удары и биение деталей при возникновении зазоров.
Для возведения нашего объекта подбирались исправные машины и механизмы, у которых уровни звукового давления были пределах нормы
Вибрация.
При строительстве жилого дома будут выполнятся работы по бетонированию, следовательно, главным источником вибрации являются машины для приготовления, распределения и виброуплотнения бетонной смеси - бетоносмесители, виброплощадки. Также источниками вибрации на стройплощадке являются бульдозер, кран, передвижные компрессорные установки.
Защита от вибрации:
- при работе с ручным механизированным инструментом использовать средства индивидуальной защиты - рукавицы или перчатки, а также виброзащитную обувь, виброзащитные прокладки и пластины.. Требования, предъявляемые к упругим ставкам виброзащитных рукавиц, эффективность виброзащиты, толщина упругих вставок, а также сила нажатия на ручную машину установлены в ГОСТ 12.4.002-74 "Средства индивидуальной зашиты рук от вибрации. Общие технические требования".
- для защиты от вредной вибрации рабочие места бетонщиков располагают на массивной железобетонной плите, опирающейся с помощью стальных пружин виброизоляторов на колеблющееся основание.
Искусственное освещение
Для охраны строительной площадки из рабочего освещения необходимо выделить несколько осветительных вышек, которые обеспечат горизонтальную на уровне земли или вертикальную на плоскости ограждения освещенность, равную 0,5 лк.
Аварийное освещение, устраивается в местах производства работ по бетонированию особенно ответственных конструкций в тех случаях, когда перерыв в укладке бетона недопустим - это бетонирование фундаментов.
При необходимости часть светильников рабочего или аварийного освещения может использоваться для дежурного освещения.
Эвакуационное освещение устроено в местах основных путей эвакуации через два входа на территорию строительства.
Произведем расчет прожекторного освещения
Прожектора размещены по два на одной мачте высотой H=20м. Вид освещения - рабочее. Размеры площадки: длина 50м, ширина 80м. Угол наклона оптической оси 180.

Рис. 11.1. Построения при расчете освещенности в точке А.
В соответствии с СНиП 23-05-95 Е>н>=2 лк, k=1.5 подбираем подходящий тип прожектора ПЗС-35 с лампой накаливания Г 215-225-500. Тогда
N=E>н>kS/FлpuZ, где
Eн – нормативная освещенность, Ен=2лк
К – коэффициент запаса, к=1,5
S – освещаемая площадь, S=4000 кв.м
Fл – световой поток лампы, Fл=8000 (для ПЗС- 35)
p - КПД прожектора, p=0,8 (для ПЗС-35)
u - коэффициент использования светового потока, u = 0.8
Z – коэффициент неравномерности освещения, Z = 0.75
N – количество прожекторов типа ПЗС

ЛН
Г 215-225-500 имеет максимальную силу света
I>max>=8300кд,
а следовательно минимальная высота
установки прожекторов над освещаемой
поверхностью, h>min>=
=6м
Произведем
расчет прожекторного освещения методом
изолюкс. Полагаем, что для освещения
стройплощадки выбран прожектор ПЗС-35
с ЛН Г 215-225-500, высота установки дана
равной 20м. Угол наклона оптической оси

Световой
поток лампы при напряжении 220 В Ф>л>=8300
лм, угол рассеяния прожектора в
вертикальной плоскости
,
угол рассеяния в горизонтальной плоскости
.

Где
L>0
>,м>
>-
расстояние от основания прожекторной
мачты до освещаемой зоны. Расстояние
неосвещенной зоны

м
Мощность лампы 500Вт, мощность двух ламп 1000 Вт.
Удельная
мощность освещения
Вт/м2.
Для
рассматриваемой площадки рекомендуется
4 прожектора ПЗС - 45 с лампой 215-225-500,
расстояние между мачтами 50 м, количество
прожекторов на каждой мачте N=1
высота мачты h=20
м, угол наклона прожекторов
=180.
Подъездные пути и ограждения.
Для выделения территории стройплощадки, участков производства работ строительно-монтажных и опасных зон предусмотрено устройство ограждений, показанных на стройгенплане. Ограждения выполнены с учетом требований ГОСТ 23407-78. Для обеспечения безопасной и безаварийной работы транспорта на строительной площадке предусмотрены подъездные пути и внутрипостроечные дороги. Дороги имеют твердое покрытие и обеспечивают свободный доступ транспортных средств и строительных машин к участкам производства работ.
Опасными зонами являются зоны проезда транспортных средств. На границах зоны перемещения транспортных средств должны быть установлены защитные ограждения, а в зоне потенциально возможного перемещения транспортных средств – сигнальные ограждения и знаки безопасности.
Работа на высоте
Рабочие места и проходы к ним, расположенные на покрытиях на высоте более 1,3 м и на расстоянии менее 2 м от границы перепада по высоте ограждены защитными или страховочными ограждениями, а при расстоянии более 2 м – сигнальными ограждениями, соответствующими требованиям государственных стандартов. При невозможности или экономической нецелесообразности применения защитных ограждений допускается производство работ с применением предохранительного пояса для строителей, соответствующего государственным стандартам, и оформлением наряда-допуска. При выполнении работ на высоте, внизу, под местом работы выделяются опасные зоны. При совмещении работ по одной вертикали нижерасположенные места оборудованы соответствующими защитными устройствами (настилами, сетками, козырьками), установленными на расстоянии не более 6 м по вертикали от нижерасположенного рабочего места.
11.2 Пожарная безопасность
До начала строительства площадка была обеспечена противопожарным водоснабжением и телефонной связью – для вызова пожарной части в случае возникновения пожара.
Пожарные гидранты установлены на площадке в закрытых колодцах вдоль дорог. У места расположения пожарного гидранта расположен информационный указатель с нанесенным буквенным индексом ПГ.
На территории строительной площадки предусмотрено размещение мест складирования строительных отходов, а также размещены пункты-щиты с набором огнетушителей, пожарного инвентаря и ручного инструмента.
В целях пожарной безопасности на строительной площадке рабочий должен выполнять следующие требования:
курить только в специально отведенных местах, обеспеченных средствами пожаротушения;
не разводить костры, не сжигать мусор и отходы;
горючие строительные отходы убирать ежедневно после работы с рабочих мест и непосредственно со строительной площадки в специально отведенные места на расстояние не ближе 50 метров от зданий и складов;
не загромождать доступы и проходы к противопожарному инвентарю.
Производственные территории оборудованы средствами пожаротушения согласно ППБ-01, зарегистрированных Минюстом России 27 декабря 1993 г. № 445.
На рабочих местах, где применяются или приготовляются клеи, мастики, краски и другие материалы, выделяющие взрывоопасные или вредные вещества, не допускаются действия с использованием огня или вызывающие искрообразование. Эти рабочие места должны проветриваться. Электроустановки в таких помещениях (зонах) должны быть во взрывобезопасном исполнении. Кроме того, должны быть приняты меры, предотвращающие возникновение и накопление зарядов статического электричества.
Рабочие места, опасные во взрыво- или пожарном отношении, укомплектованы первичными средствами пожаротушения и средствами контроля и оперативного оповещения об угрожающей ситуации.
11.3 Электробезопасность
Временное наружное освещение при строительстве ледового дворца располагают на высоте:
2,5 м над рабочим местом;
3,5 м над проходом
6,0 м над проездом
Все выключатели, рубильники, а также токоведущие части электроустановок изолируются и ограждаются.
Металлические части строительных машин и оборудования с электроприводом имеют защитное заземление.
Предусмотрено обеспечение обслуживающего персонала средствами индивидуальной защиты.
Устройство и эксплуатация электроустановок соответствует требованиям ГОСТ 12.1.038-82, правилам устройства электроустановок, правилам эксплуатации электроустановок потребителей.
К обслуживанию электроустановок допускаются лица, обученные правилам техники безопасности, сдавшим экзамен с последующей проверкой знаний. При эксплуатации машин, приборов, аппаратов, инструмента соблюдать требования правил устройства электроустановок и соответствующих конструкций.
11.4 Расчёт устойчивости крана
Расчет производится для гусеничного крана СКГ-25 L=25м,l=5м.
Безопасная эксплуатация грузоподъёмных механизмов при выполнении монтажных работ обеспечивается правильным выбором параметров кранов и их устойчивостью.
Грузовая устойчивость крана обеспечивается при условии
К>1 > М>г > М>II>, где
К>1> – коэффициент грузовой устойчивости принимаемый для горизонтального пути – 1,4;
М>г> – момент, создаваемый рабочим грузом относительно ребра опрокидывания.
Грузовой момент:
М>г>=Q(a-b)=7,9(17.5-6,0)=90,9кНм, где
Q – вес наибольшего рабочего груза (кН);
а – расстояние от оси вращения крана до центра тяжести максимального рабочего груза (м);
b – расстояние от оси вращения до ребра опрокидывания (м).
Удерживающий момент, возникающий от действия основных и дополнительных нагрузок:
М>II >= М>в>’ - M>у >- М>ц.с .>- М>и >- М>в>, где
М>в>’ – восстанавливающий момент от действия собственного веса крана:
М>в>’= G (b+c) cos, где
G – вес крана СКГ-25, G=30т;
с – расстояние от оси вращения крана до его центра тяжести, с=0,5м;
- угол наклона пути крана, =5;
М>в>’ = 30 (6,0+0,5)cos5 = 194,3 кНм.
М>y> – момент возникающий от действия собственного веса крана при уклоне пути,
M>y >= Gh>1>sin = 304sin5 = 8,7 кНм
h>1> – расстояние от центра тяжести до плоскости, проходящей через точки опорного контура – 4м;
М>ц.с.> – момент от действия цетробежных сил,
М>ц>>.>>с>>.>= Qn2ah / (900-n2H) = 50,6217,525 / (900-0,6223,7) = 0,88кНм,
n – частота вращения крана вокруг вертикальной оси – 0,6 об/мин;
Н – расстояние от оголовка стрелы до центра тяжести подвешенного груза – 23,7м;
h – расстояние от оголовка стрелы до плоскости, проходящей через точку опорного контура – 25м.
М>и> – момент от силы инерции при торможении опускающегося груза,
М>и >= QU(a-b)/gt = 50,06(17,5-6)/9,810,05 = 8,3 кНм, где
U – скорость опускания груза – 0,06 м/с;
g – ускорение свободного падения;
t – время неустановившегося режима работы механизма подъёма – 3м/мин, 0,05м/сек.
М>в> – ветровой момент,
М>в >= М>в.к.>+М>в.г.>= W + W>1>>1>, где
М>в.к.> – момент от действия ветровой нагрузки на подвешенный груз;
W – ветровая нагрузка, действующая параллельно плоскости, на которой установлен кран, на наветренную площадь крана, W=100Па;
W>1> – ветровая нагрузка, действующая параллельно плоскости, на которую установлен кран, на подветренную площадь груза, W>1>=50Па;
=h>1>; >1>=h – расстояние от плоскости, проходящей через точки опорного контура, до центра приложения ветровой нагрузки.
Давление ветра на кран
W = q>н>сF, где
F – наветренная поверхность крана;
q>н>с – статическая составляющая ветровой нагрузки, q>н>с=q>о>к>с>;
q>о> – скоростной напор;
к>с> – коэффициент, учитывающий изменение скоростного напора по высоте.
М>в>=10020+5040 = 4000 Нм = 4 кНм.
М>II >= М>в>’ - M>у >- М>ц.с. >- М>и >- М>в >= 194,3 – 8,7 – 0,88 – 8,3 - 4 = 172,4 кНм
К>1>М>г >= 1,490,9 = 127,3 кНм М>II >= 172,4 кНм.
Вывод: устойчивость крана обеспечена.
11.5 Техника безопасности на строительной площадке при выполнении работ
Земляные работы.
Строительно-монтажные работы нулевого цикла должны производиться в соответствии со СНиП 12-03-2001 ч. 1, СНиП 12-04-2002 ч. 2, ППБ-01-03, ПБ 10-382-00.
До начала производства земляных работ в местах расположения действующих подземных коммуникаций разработать и согласовать с организациями, эксплуатирующими эти коммуникации, мероприятия по безопасным условиям труда, а расположение подземных коммуникаций на местности обозначено соответствующими знаками или надписями.
Место работ очистить от валунов и деревьев, принять меры по отводу поверхностных вод
Производство земляных работ в зоне действующих подземных коммуникаций осуществляться под непосредственным руководством прораба или мастера, а в охранной зоне кабелей, находящихся под напряжением, или действующего газопровода, кроме того, под наблюдением работников электро- или газового хозяйства.
При обнаружении взрывоопасных материалов земляные работы в этих местах следует немедленно прекратить до получения разрешения от соответствующих органов.
Котлован огорожен защитным ограждением. На ограждении необходимо установлены предупредительные надписи и знаки, а в ночное время — сигнальное освещение.
Грунт, извлеченный из котлована, следует размещать на расстоянии не менее 0,5 м от бровки выемки. Валуны и камни, а также отслоения грунта, обнаруженные на откосах, должны быть удалены.
При производстве работ принять крутизну откосов 1:1 при глубине разработке до 3 м.
Проход людей на рабочие места (в котлован) оборудовать приставными деревянными лестницами шириной не менее 0,6 м.
При работе экскаватора не разрешается производить другие работы со стороны забоя и находиться работникам в радиусе действия экскаватора +5 м.
Автомобили-самосвалы при разгрузке и обратной засыпке котлованов устанавливать не ближе 1 м от бровки естественного откоса, разгрузка с эстакад, не имеющих защитных брусьев запрещается
Погрузка грунта на автосамосвалы должна производиться со стороны заднего или бокового борта.
Безопасность при производстве бетонных работ.
При подаче, укладке и уходе за бетоном, установке арматуры, а также установке и разборке опалубки (далее - выполнении бетонных работ) необходимо предусматривать мероприятия по предупреждению воздействия на работников опасных и вредных производственных факторов, связанных с характером работы:
- расположение рабочих мест вблизи перепада по высоте 1,3 м и более;
- движущиеся машины и передвигаемые ими предметы;
- обрушение элементов конструкций;
- шум и вибрация;
- повышенное напряжение в электрической цепи, замыкание которой может произойти через тело человека.
Размещение на опалубке оборудования и материалов, не предусмотренных ППР, а также нахождение людей, непосредственно не участвующих в производстве работ на установленных конструкциях опалубки, не допускаются.
Ходить по уложенной арматуре допускается только по специальным настилам шириной не менее 0,6 м, уложенным на арматурный каркас.
Элементы каркасов арматуры необходимо пакетировать с учетом условий их подъема, складирования и транспортирования к месту монтажа.
Ежедневно перед началом укладки бетона в опалубку необходимо проверять состояние тары, опалубки и средств подмащивания. Обнаруженные неисправности следует незамедлительно устранять.
При подаче бетона с помощью бетононасоса необходимо:
- осуществлять работы по монтажу, демонтажу и ремонту бетоноводов, а также удалению из них пробок только после снижения давления до атмосферного;
- удалять всех работающих от бетоновода на время продувки на расстояние не менее 10 м;
- укладывать бетоноводы на прокладки для снижения воздействия динамической нагрузки на арматурный каркас и опалубку при подаче бетона.
Удаление пробки в бетоноводе сжатым воздухом допускается при условии:
- наличия защитного щита у выходного отверстия бетоновода;
- нахождения работающих на расстоянии не менее 10 м от выходного отверстия бетоновода;
- осуществления подачи воздуха в бетоновод равномерно, не превышая допустимого давления.
При невозможности удаления пробки следует снять давление в бетоноводе, простукиванием найти место нахождения пробки в бетоноводе, расстыковать бетоновод и удалить пробку или заменить засоренное звено.
При уплотнении бетонной смеси электровибраторами перемещать вибратор за токоведущие кабели не допускается, а при перерывах в работе и при переходе с одного места на другое электровибраторы необходимо выключать.
Изоляционные работы.
При выполнении изоляционных работ с применением огнеопасных материалов, а также выделяющих вредные вещества следует обеспечить защиту работающих от этих факторов. Рабочие имеют специальную обувь, предохраняющую от ожогов.
Для подогрева битумных составов внутри помещений не применять устройства с открытым огнем.
При выполнении работ с применением горячего битума несколькими рабочими звеньями расстояние между ними должно быть не меньше 10м.
Не допускается использовать в работе битумные мастики температурой выше 180°С.
Котлы для варки и разогрева битумных мастик должны быть оборудованы приборами для замера температуры мастики и плотно закрывающимися крышками. Загружаемый в котел наполнитель должен быть сухим. Возле варочного котла должны быть средства пожаротушения.
При приготовлении грунтовки, состоящей из растворителя и битума, следует расправленный битум вливать в растворитель.
Не допускается вливать растворитель в расплавленный битум.
При выполнение работ по гидроизоляции и приготовление грунтовки запрещается курить, разводить огонь, проводить сварочные работы в радиусе 25 м
Меры безопасности при производстве монтажных работ.
При производстве строительно-монтажных работ должны выполняться правила техники безопасности и производственной санитарии, предусмотренные СНиП 12-03-2001 часть 1 и СНиП 12-03-2002 часть 2 «Безопасность труда в строительстве», стандартами, организация охраны труда, предусмотренная пунктом 6,7 СНиП 3.01.01-85* и другими нормативными документами.
Перед началом работ ответственному производителю работ проинст руктировать монтажников о мерах безопасности, сделать запись в специальном журнале под подпись всех членов бригады.
Эксплуатацию грузоподъемных кранов, механизмов и средств малой механизации осуществлять в соответствии с требованиями ГОСТ 12.3.033-84
Строительные машины. Общие требования безопасности при эксплуатации; Правил устройства и безопасной эксплуатации грузоподъемных кранов ПБ 10-382-00,утвержденных Госгортехнадзором России 31.12.99 г.
Производителю работ назначить ИТР, ответственного за безопасное производство работ кранами, из числа лиц, прошедших проверку знаний правил ПБ 10-382-00 и производственных инструкций для крановщиков и стропальщиков.
Отклонение грузового полиспаста крана от плоскости подвеса стрелы при подъеме и перемещении конструкций не должно превышать значений, указанных в инструкции завода-изготовителя.
Стропальщик может находиться возле груза во время его подъема и пе ремещения, если последний расположен на высоте не более 1м от уровня площадки (земли, перекрытия, и пр.), где находится стропальщик. При монтаже конструкция или монтажный блок наводится монтажником на место ее установки при нахождении груза на высоте не более 30 см от его проектного положения.
Съемные грузозахватные приспособления в процессе эксплуатации должны подвергаться техническому осмотру лицом, ответственным за их исправ ное состояние, в сроки, установленные ПУ и БЭГК (ПБ 10-382-00 п. 9.3.25).
Строповку грузов производить инвентарными стропами. При пере мещении конструкций расстояние между ними и выступающими частями ранее установленных конструкций должно быть по горизонтали не менее 1м, по вертикали- 0,5 м.
Элементы монтируемых конструкций во время перемещения должны удерживаться от раскачивания и вращения оттяжками из капронового каната.
Не допускается пребывание людей на элементах конструкций или блоках во время их подъема и перемещения.
Не допускается нахождение людей под монтируемыми конструкция ми до установки их в проектное положение и закрепление.
Работу на высоте выполнять с использованием предохранительных поясов по ГОСТ Р 50 849-96, стропами которых крепиться к надежно закреплен ным конструкциям здания.
Подачу материалов и строительных конструкций к рабочим местам осуществлять в технологической последовательности их установки, обеспечивающей безопасность проведения монтажных работ.
При работе на высоте монтажники имеют предохранительные пояса и каски. Конструкции поднимают плавно, без рывков и раскачивания, применяя оттяжки (при установке длинномерных и громоздких элементов). При перемещении сборных конструкций монтажники находятся вне контура устанавливаемых элементов или с противоположной стороны подачи конструкции краном.
Расстроповку установленных элементов выполнять только после прочного и надёжного их закрепления
Перемещение уложенной конструкции после снятия крепления запрещено.
В темное время суток строительная площадка и рабочие места освещены. Монтажные работы прекращать при гололёде, сильном снегопаде, дожде, при ветре более 6 баллов.
На всех стадиях монтажа предусматривать меры по обеспечению устойчивости, неизменяемости и прочности как отдельных смонтированных элементов , так и всего здания в целом.
На участке, где ведутся монтажные работы, не допускается выполнение других работ и нахождение посторонних лиц.
Способы строповки элементов конструкций и оборудования обеспечивают их подачу к месту установки в положении, близком к проектному. Установленные в проектное положение элементы конструкций или оборудование закреплены так, что обеспечивается их устойчивость и геометрическую неизменяемость.
Очистку подлежащих монтажу элементов конструкций от грязи производить до их подъема.
Во время перерывов в работе не допускается оставлять поднятые элементы конструкций и оборудования на весу.
Не допускается выполнять монтажные работы на высоте в открытых местах при скорости ветра 15 м/с и более, при грозе или тумане, исключающем видимость в пределах фронта работ. Работы по перемещению и установке вертикальных панелей и подобных конструкций с большой парусностью следует прекращать при скорости ветра 10м/с и более.
До выполнения монтажных работ установлен порядок обмена условными сигналами между лицом, руководящим монтажом, и машинистом (мотористом). Все сигналы подаются только одним лицом (бригадиром монтажной бригады, звеньевым, такелажником-стропальщиком), кроме сигнала "Стоп", который может быть подан любым работником, заметившим явную опасность.
При перемещении конструкций расстояние между ними и другими конструкциями должно быть по горизонтали не менее 1 м, по вертикали — 0,5 м.
Углы отклонения от вертикали грузовых канатов и полиспастов крана в процессе монтажа не должны превышать величину, указанную в паспорте крана.
Навесные монтажные площадки, лестницы и другие приспособления, необходимые для работы монтажников на высоте, следует устанавливать и закреплять на монтируемых конструкциях до их подъема.
Меры безопасности при погрузочно-разгрузочных работах.
При погрузочно-разгрузочных работах запрещается:
поднимать или отрывать примёрзшие или засыпанные конструкции;
подтаскивать сборные элементы поворотом крана или косым натяжением грузового каната;
оставлять конструкции в подвешенном состоянии даже на короткое время;
проходить и находиться под грузом и стрелой крана.
Погрузку на транспортные средства выполнять в соответствии с разработанными схемами укладки сборных изделий. При этом укладываемые штучные грузы в кузов машин и прицепов должны находиться от края бортов не ближе 50 – 100 мм. Для подъёма в кузова автомобилей и на штабеля конструкции использовать приставные лестницы. Спрыгивать со штабелей и кузовов автомобилей запрещено.
Для подъёма грузов используют грузозахватные устройства и стропы, имеющие клеймо или бирку, в которых указывается предельная грузоподъёмность и дата освидетельствования. Способы строповки должны исключать возможность падения или скольжения застропованного груза. При выполнении погрузочно-разгрузочных работ не допускается строповка груза, находящегося в неустойчивом положении, а также смещение строповочных приспособлений на приподнятом грузе.
Грузы строповать в соответствии с утвержденными схемами строповки, обеспечивающими безопасность работ.
При загрузке или погрузке транспортных средства запрещается перемещение стрелы или крюка крана над кабиной водителя. Крюк подъёмного механизма подавать вертикально над поднимаемым грузом. До подъёма груза проверять исправность строповки, затем выходить из опасной зоны и после этого подавать сигнал машинисту крана. Подаваемый к месту укладки груз запрещается перемещать над работающими людьми.
При подъёме груза находиться вне опасной зоны, со стороны, противоположной подаче (на расстоянии 7 – 10 м от места приёмки). Разрешается подходить к опускаемому грузу, когда он опущен на высоту 0,5 – 1,0 м над местом установки.
Перед разгрузкой панелей, блоков и других сборных железобетонных конструкций монтажные петли должны быть осмотрены, очищены от раствора или бетона и при необходимости выправлены без повреждения конструкции.
При загрузке автомобилей экскаваторами или кранами шоферу и другим лицам запрещается находиться в кабине автомобиля, не защищенного козырьками.
Площадки для разгрузо–погрузочных работ, должны быть спланированы и, иметь уклон не более 5%.
Каменные работы.
При перемещении и подаче на рабочее место грузоподъемными кранами кирпича, керамических камней и мелких блоков применять поддоны, контейнеры и грузозахватные устройства, исключающие падение груза при подъеме.
При кладке стен зданий на высоту до 0,7 м от рабочего настила и расстоянии от его уровня за возводимой стеной до поверхности земли (перекрытия) более 1,3 м необходимо применять средства коллективной защиты (ограждающие или улавливающие устройства) или предохранительные пояса.
При кладке стены на уровне более 7 м необходимо применять защитные козырьки по периметру здания, удовлетворяющие следующим требованиям:
- ширина защитных козырьков не менее 1,5 м, и они установлены с уклоном к стене так, чтобы угол, образуемый между нижней частью стены здания и поверхностью козырька, был 110°, а зазор между стеной здания и настилом козырька не превышал 50 мм;
- защитные козырьки должны выдерживать сосредоточенную нагрузку не менее 1600 Н (160 кгс), приложенную в середине пролета;
- первый ряд защитных козырьков имеет сплошной настил на высоте не более 6 м от земли и сохраняться до полного окончания кладки стен, а второй ряд, изготовленный сплошным или из сетчатых материалов с ячейкой не более 50х50 мм, — устанавливаться на высоте 6-7 м над первым рядом, а затем по ходу кладки переставляться через каждые 6-7 м.
Рабочие, занятые на установке, очистке или снятии защитных козырьков, должны работать с предохранительными поясами. Ходить по козырькам, использовать их в качестве подмостей, а также складывать на них материалы не допускается.
Кровельные работы.
Допуск рабочих к выполнению кровельных работ разрешается после осмотра прорабом или мастером совместно с бригадиром исправности несущих конструкций крыши и ограждений.
Размещать на крыше материалы только в местах, предусмотренных проектом производства работ, с принятием мер против их падения, в том числе от действия ветра.
Не допускается проведение кровельных работ во время гололеда, тумана, исключающего видимость в а пределах фронта работ, грозы и ветра со скоростью 15 м/с и более.
Отделочные работы.
Средства подмащивания, применяемые при отделочных работах, в местах, под которыми ведутся работы или есть проход, имеют настил без зазоров. При производстве штукатурных работ с применением растворонасосных установок обеспечена двустороннюю связь оператора с машинистом установки.
Для просушивания помещений строящихся зданий и сооружений при невозможности использования системы отопления применять воздухонагреватели (электрические или работающие на жидком топливе). При их установке выполнять требования Правил пожарной безопасности . Запрещается обогревать и сушить помещение жаровнями и другими устройствами, выделяющими в помещение продукты сгорания топлива.
Малярные составы следует готовить централизованно. При их приготовлении на строительной площадке использовать для этих целей помещения, оборудованные вентиляцией, не допускающей предельных концентраций вредных веществ в воздухе рабочей зоны.
Запрещается приготовление малярные составы, нарушая требования инструкции завода-изготовителя, краски, а также применять растворители, на которых нет сертификата с указанием о наличии и характере вредных веществ.
Тару с взрывоопасными материалами (лаками, нитрокрасками и т.п.) во время перерывов в работе следует закрывать пробками или крышками и открывать инструментом, не вызывающим искрообразования. Электропроводка в этих местах должна быть обесточена или выполнена во взрывобезопасном исполнении.
Места, над которыми производятся стекольные работы ограждать.
До начала стекольных работ необходимо визуально проверить прочность и исправность оконных переплетов. Подъем и переноску стекол к месту их установки следует производить с применением соответствующих безопасных приспособлений или в специальной таре.
11.5 Охрана окружающей среды
При проектировании данного объекта были учтены все требования СНиП 11-01-95, а именно:
- при проведении вертикальной планировки проектные отметки территории назначены исходя из условий максимального сохранения естественного рельефа, почвенного покрова и существующих древесных насаждений, отвода поверхностных вод со скоростями, исключающими возможность эрозии почвы, минимального объема земляных работ с учетом использования вытесняемых грунтов на площадке строительства;
- все строительные материалы, используемые при строительстве, имеют сертификат качества и экологической безопасности для применения на территории России;
- накопленный строительный мусор и отходы будут в обязательном порядке утилизироваться или вывозиться на территорию городской свалки;
- в связи с небольшим количеством строительно-монтажных работ негативные воздействия на жизнь городского населения будут минимальны;
- количество вредных веществ, выбрасываемых автомобильным транспортом и строительными машинами, не превышает предельно допустимых.
- после завершения строительства вся окружающая территория будет благоустроенна, озеленена, правильно (в соответствии с проектом) подобран набор пород деревьев, зеленых насаждений.
Производство работ будет вестись с обеспечением максимальной сохранности зеленых насаждений.
Зеленые насаждения, не подлежащие вырубке на строительной площадке, должны выгораживаться оградой. Стволы отдельно стоящих деревьев предохраняются от повреждения путем обшивки пиломатериалами высотой не менее 2 метров.
В период свертывания строительных работ все строительные отходы необходимо вывезти с благоустраиваемой территории для дальнейшей утилизации.
Использование переработанного строительного мусора и вторичного щебня допускается при условии его сертификации на предмет соответствия СНиПам и ГОСТам на инертные материалы и части гранулометрического состава и содержания органических и вредных веществ.
После вывоза отсортированных отходов строительства осуществляется механизированная уборка территории строительной площадки с применением бульдозеров и поливочно-уборочной техники. Образовавшийся в процессе уборки территории смет загружается в отдельный бункер-накопитель, который в последствии вывозится на захоронение. Все автотранспортные средства (самосвалы и контейнеровозы, перевозящие открытые бункер накопители с отходами) должны перед выездом оснащаться брезентовым тентом, а также подвергаться мойке колес.
Сжигание горючих отходов и строительного мусора на участке в пределах городской застройки запрещается. В проекте предусматривается мойка колес автомашин. Мойка колес производится на посту (ж.б. плите) одновременно с двух сторон по отдельным осям автомобиля. Автомобиль заезжает на пост мойки по аппарели. По команде операторов моечной установки автомобиль продвигается вперед для обмыва следующей оси. При мойке колес и в момент прохождения автомобиля по аппарели с колес падают на аппарель и ж.б. плиту комья глины (грязи). После рабочей смены требуется обязательная уборка от грязи поста мойки и аппарели. Потребность в воде для мойки автомашин – 0,2 л/сек или 720 л/час. За 1 час мойку колес могут пройти 4 машины.
СПИСОК ИСПОЛЬЗОВАННОЙ ЛИТЕРАТУРЫ
ГОСТ 2.07.01-89. Градостроительство. Планировка и застройка городских и сельских поселений. / Госстрой СССР. - М. ЦИТП, 1990.
ГОСТ 21.501-93 СПДС Правила выполнения архитектурно-строительных рабочих чертежей. / Минстрой России. - М. ГП ЦПП, 1996.
ГОСТ 21.101 – 97. Основные требования к проектной и рабочей документации. – М.: Госстрой России, ГП ЦНС, ГУП ЦПП, 1998. – 42с.
ЕНиР. Сборник Е2, Е3, Е4, Е5, Е6, Е7, Е8, Е11, Е19, Е22 / Госстрой СССР. – М.: Стройиздат. 1989.
СНиП II-3-79*. Строительная теплотехника. - М .: Стройиздат, 1998. - 32 с.
СНиП 2.09.02-85*. Производственные здания / Госстрой СССР. – М.: АПП ЦИТП, 1991. – 16 с
СНиП 2.01.07 – 85. Нагрузки и воздействия. Нормы проектирования. – М.: Стройиздат, 1986. – 35с.
СНиП 2.02.01-83. Основания зданий и сооружений. – М.: Стройиздат, 2000. – 86 с.
СНиП 2.03.01-84. Бетонные и железобетонные конструкции. – М.: Стройиздат, 1989. – 80 с.
СНиП 1.04.03-85*. Нормы продолжительности строительства и задела в строительстве предприятий, зданий и сооружений. Часть I/ Госстрой СССР, Госплан СССР. – М.: АПП ЦИТП, 1991. – 280с.
СНиП 2.01.02 – 85. Противопожарные нормы / Госстрой СССР. – М.: ЦИТП Госстроя СССР, 1986. – 16 с.
СНиП III – 4 – 80*. Техника безопасности в строительстве / Госстрой России. – М.: ГУП ЦПП, 2000. – 98 с.
СНиП IV - 5 – 82. Сборник 5, 6, 7, 8, 10, 15, 26 / Госстрой СССР. – М.: Стройиздат. 1984.
СНиП 5.01.12 – 85. Нормы расхода материалов, изделий и труб на 1 млн. руб. сметной стоимости строительно–монтажных работ по объектам машиностроения / Госстрой СССР, Госплан СССР. – М.: ЦИТП Госстроя СССР, 1986. – 80с.
СНиП 23-01-99. Строительная климатология. - М .: Стройиздат, 2000. – 136 с.
Байков В.Н., Сигалов Э.Е. Железобетонные конструкции. Общий курс. - М.: Стройиздат, 1991. - 768 с.
Веселов В.А. Проектирование оснований и фундаментов. - М.: Стройиздат, 1990.-304 с.
Далматов Б.И. Проектирование фундаментов зданий и промышленных сооружений. - М.: изд-во «Высшая школа», 1986.-240 с.
Далматов Б.И. Механика грунтов, основания и фундаменты. - Л.: Стройиздат, 1986.-316 с.
Дикман Л.Г. Организация, планирование и управление строительным производством.: Учебник для строительных вузов и факультетов. – 2 – е изд., перераб. и доп. – М.: Высш. школа, 1982. – 480с., ил.
Лапшин Ф.К. Основания и фундаменты в дипломном проектировании Саратов: Изд-во Сарат. ун-та, 1986. – 224 с.
Мандриков А.П. Примеры расчёта железобетонных конструкций. - М.: Стройиздат, 1989. - 506 с.
Металлические конструкции/ Под ред. Е.И. Беленя– 6-е изд. перераб. и доп.– М.: Стройиздат, 1980г. - 321 с.
Организация и планирование строительного производства: Учеб. Для вузов по спец. «Пром. и гражд. стр - во» / А. К. Шрейбер, Л. И. Абрамов, А. А. Гусаков и др.; Под ред. А.К. Шрейбера. – М.: Высш. шк., 1987. – 368 с.: ил.
Поляков В.И., Полосин М.Д. «Машины грузоподъемные для строительно-монтажных работ» – М.: Стройиздат, 1993г. - 185с.
Шерешевский И.А. Конструирование промышленных зданий и сооружений: Учеб. пособие для студентов строит. специальностей вузов. – 3 – е изд., перераб. и доп. – Л.: Стройиздат, Ленингр. отд – ние, 1979. – 168 с., ил.
ЕНиР. Сборник 8. Отделочные работы. - М. Стройиздат, 1980
ЕНиР. Сборник 8. Отделочные покрытия строительных конструкций. Вып. 1., Отделочные работы. / Госстрой СССР. - М. Стройиздат, 1987.
ЕРЕР. Сборник 1. Земляные работы. - М. Недра, 1982.
ЕРЕР. Сборник 6. Бетонные и железобетонные конструкции, монолитный. - М. Стройиздат, 1982.
ЕРЕР. Сборник 8. Конструкции из кирпича и блоков. - М. Стройиздат, 1983.
ЕРЕР. Сборник 11. Полы. - М. Стройиздат, 1983.
ЕРЕР. Сборник 12. Кровля. - М. Стройиздат, 1983.
ЕРЕР. Сборник 15. Отделочные работы. - М. Сторйиздат,1983.
Сборник зональных сметных цен на строительные материалы и изделия для промышленного, гражданского и сельскохозяйственного строительства. - К. Минпромстрой СССР, 1983.
Сборник средних районных сметных цен. Часть I, Часть II. - М. Машиностроение, 1982.
Беловой В,В. Нормирование труда и сметы в строительстве. - М. Стройиздат, 1991.
Каталог зональных единичных расценок. Tl, Т2. - К. Минпромстрой СССР, 1983.
ГОСТ 7473-94, Смеси бетонные. Технические условия.
В.А. Воробьев, А.Г. Комар. Строительные материалы. Изд. Литературы по строительству. Москва- 1971 г.
2














