Описание судового дизеля ДКРН 80/70
СОДЕРЖАНИЕ
Задание на курсовой проект
Введение
Техническая характеристика двигателя
Особенности конструкции двигателя
1. Остов двигателя
2. Кривошипно-шатунный механизм
3. Механизм распределения
4. Система подачи воздуха в цилиндры
Система выпуска отработавших газов
Топливная система
Масляная система
Система охлаждения
Система пуска, реверса и управления
Контрольно-измерительные приборы и устройства аварийно-предупредительной сигнализации на двигателе
Автоматические и защитные устройства на двигателе
Тепловой расчет двигателя
Динамический расчет двигателя
Заключение
Использованная литература
1. Введение
Двигатели внутреннего сгорания (ДВС) получили широкое применение в промышленности, в сельском хозяйстве и на транспорте.
Зарождение идеи создания ДВС относится к концу XVII в. В 1680 г. Гюйгенс предложил построить двигатель, работающий за счет взрывов в цилиндре заряда пороха. В дальнейшем различные варианты двигателей предлагались Р. Стритом, В. Райтом, В. Барнетом, Ленуаром и Бо де Роша, который первым разработал четырехтактный цикл.
В 1879 г. инженер-механик русского флота И. С. Костович сконструировал первый в мире легкий бензиновый двигатель (предназначался для дирижабля) мощностью 80 л. с. (58,8 кВт) С удельной массой всего 3 кг/л. с. (4,08 кг/кВт). Еще через 18 лет на заводах Германии строили для дирижаблей двигатели, имевшие в 8 раз большую удельную массу.
В 1892 г. Рудольф Дизель получил патент на двигатель, в котором топливо должно было воспламеняться от предварительно сжимаемого до высоких температур воздуха. Первая работоспособная конструкция двигателя была создана им в 1896— 1897 гг. Двигатель работал на керосине, распыливаемом форсункой с помощью подаваемого в нее сжатого воздуха (такой метод распыливания получил наименование компрессорного). Мощность двигателя составляла 20 л. с. (14,7 кВт) при расходе топлива 0,24 кг/(л. с.-ч) [0,327 кг/(кВт-ч)], что соответствует КПД >е>=0,26.
В 1899 г. петербургским механическим заводом "Л. Нобель" (сейчас завод «Русский дизель») по патенту Р. Дизеля был построен первый в России двигатель, который работал па более дешевой, чем керосин, сырой нефти и расходовал топлива 0,2 кг/(л. с-ч) [0,298 кг/(кВт-ч)].
В дальнейшем развитии и внедрении дизелей на водном транспорте большую роль сыграли русские инженеры. В 1903 г. была практически осуществлена первая в мире судовая дизель-электрическая установка на наливной барже «Вандал» с тремя четырехтактными 120-сильными двигателями.
В 1907 г. Коломенский завод построил первый в мире колесный буксир «Мысль» с двигателем мощностью 300 э. л. с. (220,8 кВт)/и зубчатой передачей, снабженной муфтой Р. А. Корейво для заднего хода и маневрирования. Первые в мире реверсивные двигатели были установлены в 1908 г. на подводной лодке «Минога». Первым морским теплоходом был танкер «Дело» водоизмещением 6000 т, построенный также в 1908 г. В постройке теплоходов другие государства отставали от России. На съезде двигателестроителей (Петербург, 1910 г.) Р. Дизель признал ведущую роль русского судового двигателестроения. Только в 1911 г. за рубежом (в Дании) был построен первый крупный теплоход «Зеландия». В дальнейшем высокоэкономичные дизели стали вытеснять широко применявшуюся на морских судах паровую поршневую машину. Последующее совершенствование двигателей привело к увеличению их коэффициента полезного действия (КПД) до 42—45%. В настоящее время из всех тепловых двигателей ДВС является наиболее экономичным. Кроме того, ДВС обладает относительно малыми габаритами и массой, большим моторесурсом (60—100 тыс. ч), прост в эксплуатации и надежен, что предопределило преимущественное применение дизелей на морских судах.
Для современного периода в развитии морского транспорта характерны: интенсивный рост дедвейта наливных судов и рудовозов; увеличение скоростей сухогрузных судов для генеральных грузов до 20—25 уз при росте их водоизмещения; появление сухогрузных судов нового типа (контейнеровозов, судов с горизонтальной погрузкой, судов для перевозки груженых барж и т. п.), скорости хода которых достигают 25—30 уз.
До недавнего времени судовые энергетические установки мощностью свыше 15 тыс. л. с. (11 тыс. кВт) в связи с отсутствием мощных дизелей комплектовались паровыми турбинами. Под влиянием растущей потребности в более мощных судовых двигателях мощность двухтактных малооборотных крейцкопфных двигателей доведена до 48 тыс. э. л. с. (35,3 тыс. кВт) в одном агрегате.Сейчас малооборотные дизели успешно конкурируют с паровыми турбинами в установках судов дедвейтом до 250 тыс. т. Отечественная промышленность выпускает двигатели различного назначения; для морских судов дизелестроительные заводы строят двигатели типа ДКРН 50/110, 62/140, 74/160, 84/180; ДР 30/50, ЧН 25/34 и др.
Успехи двигателестроения и в первую очередь применение наддува, а также новых прогрессивных конструктивных решений и высококачественных материалов, достижения в области технологии производства и др. способствовали созданию ряда новых типов среднеоборотных (n = 400—600 об/мин.) тронковых дизелей, предназначенных в основном для передачи мощности гребному винту через редукторную передачу (заметим, что малооборотные двигатели используются для прямой передачи).
Среднеоборотные двигатели перед малооборотными имеют следующие преимущества: меньшие массу, габаритные размеры и стоимость; возможность выбрать такую частоту вращения гребного винта, которая обеспечивает более высокие значения пропульсивного коэффициента; возможность комплектовать установку несколькими однотипными двигателями; возможность привода от главных двигателей генераторов тока и иных вспомогательных механизмов и др.
Среднеоборотные двигатели строят в рядном и V-образном исполнении мощностью от 2700 до 24 000 э. л с. (2000 — 17 700 кВт).
Наряду с созданием новых двигателей, повышением их мощности и совершенствованием конструкции большое значение придается увеличению долговечности двигателей, снижению объема и трудоемкости работ по их техническому обслуживанию.
II. Техническая характеристика
Дизель
ДКРН 80/170
Цилиндровая мощность, э.л.с…………………….1250
Скорость вращения, об/мин……………………….115
Диаметр цилиндра, мы.............................................800
Ход поршня, м .....................................................1700
Среднее индикаторное давление, кг/см2…………..7,9
Среднее эффективное давление, кг/см2 ................7,1
Механический к.п.д…………………………………0,90
Давление продувочного воздуха, ати……………..0,46
Давление в конце сжатия, кг/см2…………………...45
Максимальное давление сгорания, кг/см2………….50
Удельный расход топлива, г/э.л.с.ч ...........................158
ОСОБЕННОСТИ КОНСТРУКЦИИ ДВИГАТЕЛЯ.
Остов двигателя.
Остов двигателя состоит из следующих основных частей: фундаментной рамы, станины, цилиндров и цилиндровых крышек. Все части остова образуют единую жесткую конструкцию, обеспечивающую отсутствие деформаций при работе двигателя от действия сил давления газов и сил инерции движущихся частей. Для надежной работы двигателя необходимо, чтобы ось коленчатого вала была прямолинейна, а ось движения (поршень, шток, шатун) —перпендикулярна оси вала. Эти требования выполняются при обработке деталей и сборке двигателя. Недостаточная жесткость остова двигателя может привести к появлению в частях остова деформаций, вызывающих искривление оси коленчатого вала, а также изменить взаимное расположение осей вала и деталей движения, что в свою очередь влечет за собой появление добавочных напряжений у коленчатого вала и нагрев подшипников. Жесткость конструкции остова создается за счет выбора материала для изготовления его частей, конструктивного оформления деталей остова, проверки выбранных размеров расчетом на прочность и способа соединения деталей остова между собой.
В судовых дизелях применяют различные схемы конструктивного оформления деталей остова. Рассмотрим три основные схемы.
1. Остов креицкопфного двигателя (рис. 1) состоит из фундаментной рамы 4, станины, выполненной из отдельных А-образных стоек 2, и цилиндров 1, закрытых крышками. Рама, станина и цилиндры связаны длинными анкерными связями 3. Увеличенное сечение высоких поперечных и продольных балок фундаментной рамы обеспечивает жесткость конструкции.
Фундаментная рама 2, станина с А-образными колоннами 6 и проставка 23 из двух секций — стальные, сварные.
Отсеки картера с боковых сторон двигателя закрыты стальными съемными щитами со смотровыми люками и предохранительными клапанами.
Двигатель имеет два распределительных вала. Верхний вал 39 со стопорным цилиндром 38 служит для привода выпускных клапанов 17, а нижний вал 40 — для привода топливных насосов 37 высокого давления. Оба распределительных вала соединены с коленчатым валом 33 при помощи двойной цепной передачи, заключенной в специальном отсеке 44.
Сварной фундамент упорного подшипника 41 связан с торцом фундамента двигателя.

Рис. 1. Остов двигателя
Валоповоротное устройство установлено на станине, прикрепленной к судовому фундаменту. Зубчатое колесо42 на упорном зале 43 приводится в движение через двойную червячную передачу от электродвигателя 4 с дистанционным управлением.
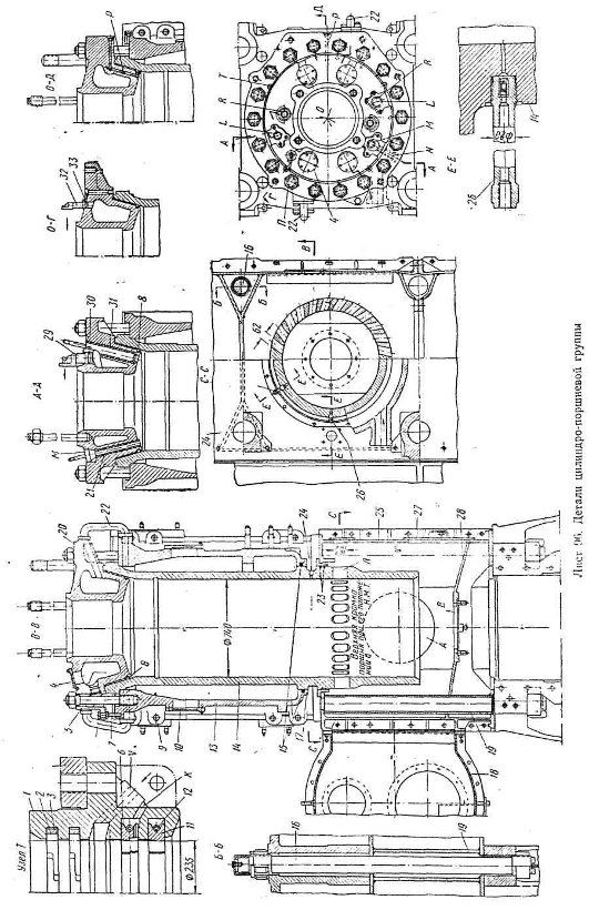
Блок цилиндров (лист 96) состоит из отдельных рубашек цилиндров 13, соединенных болтами 9 в две секции, между котороми размещен приводной отсек. Рубашки цилиндров, выполненные из перлитного чугуна, имеют люки 10 для осмотра полостей охлаждения. Охлаждающая вода подводится к цилиндру в нижней части и отводится в крышку 20 по двум чугунным патрубкам 22.
Простановка 25 между блоком цилиндров и станиной, являющаяся дополнительной емкостью ресивера 18, выполнена из двух секций. Каждая секция разбита на отсеки по числу цилиндров переборками с отверстиями А сообщающими отсеки ксждой секции с общей полостью.
Диафрагма 28 с отверстием В для сальника штока, отделяющая подпоршневые полости от картера, имеет в каждом отсеке по два патрубка для удаления загрязнений. Осмотр подпоршне-вых полостей, осуществляется через съемные щиты 27. В трубе 19 размещается телескопическое устройство охлаждения поршня.
Сальникштока (узел Т) с чугунным корпусом 1 выполнен из двух частей, соединенных между собой болтами. К диафрагме 28 сальник крепится шпильками.
Два чугунных уплотнительных кольца 2 с S-образным замком прижимаются к штоку наружными кольцевыми пружинами 3.
Два чугунных маслосъемных кольца 6 и 11 из трех сегментов прижимаются к штоку спиральными пружинами 12.
Отвод масла от верхнего кольца осуществляется через радиальные сверления по штуцеру, ввернутому в сверление К. Смазка для штока от лубрикатора поступает по отверстию V. Короткие анкерные связи 16 из легированной стали, размещенные в плоскостях разъемов рубашек цилиндра, соединяют цилиндры с верхней литой частью стоек картера.
Втулка цилиндра 14 изготовлена из перлитного чугуна, легированного хромом, никелем и ванадием. Она имеет двадцать четыре продувочных окна с тангенциальным размещением их в горизонтальной плоскости. При высоте окон в 165 мм суммарное проходное сечение составляет 1488 мм.
Уплотнение втулки в рубашке цилиндра и проставив производится резиновыми кольцами 15 и 23, которые обжимаются втулками 17 и 24, состоящими из двух половин.
Смазка к втулке подается через шесть штуцеров 26 с шариковыми невозвратными клапанами, нагруженными пружинами.
Крышка 29 из молибденовой стали уплотняется по торцу втулки притиркой, а по конической поверхности — стальным кольцом 8 из двух половин. Конические поверхности крышки и втулки для защиты от коррозии обмазываются пастой на гра фитной основе («Апексиор»). Утопленное исполнение крышки улучшает условия охлаждения втулки и снижает тепловые и напряження у ее бурта.
Крышка имеет центральное отверстие дли выпускного клапана, два отверстия L со стальными стаканами 31 для форсунок, отверстие М со стальным стаканом 21 для пускового клапана, отверстие N для предохранительного клапана отверстие Р для индикаторного крана, два отверстия Z для подхода охлаждающей воды в крышку, патрубки 32 и 29 (отверстие R с резиновыми уплотнитольными кольцами30 и 33 для перепуска охлаждающей воды из крышки в корпус выпуск-ного клапана, четыре отверстия Т для отжимных болтов. Лючкн 4 и пробки 5 используются для осмотра и очистки полости охлаждения крышки. Крышка фиксируется относительно цилиндра направляющей 7.
Кривошипно-шатунный механизм.
Кривошипно-шатунный механизм служит для передачи усилий от давления газов на коленчатый вал. В крейцкопфных двигателях — из поршня, штока, поперечины, ползуна, шатуна и коленчатого вала.
При работе двигателя в кривошипно-шатунном механизме действует движущая сила Р, являющаяся суммой сил от давления газов, сил веса и сил инерции. Движущая сила Р>д >направлена по оси цилиндра и совпадает по направлению с шатуном только при положении поршня в мертвых точках; в остальных положениях она раскладывается на две составляющие — силу Р>ш,> направленную по шатуну, и силу Р>н>, направленную перпендикулярно оси цилиндра. Силу Р>ш> воспринимает коленчатый вал, передающий ее на стенки цилиндра. В крейцкопфных двигателях ползун передает силу Р>н> на параллель. Величина Р>н> зависит от силы давления газов в цилиндре и от площади поршня. В двигателях с диаметром цилиндра 450— 500 мм Р>н> достигает 120 кН.
В крейцкопфных двигателях головной подшипник шатуна и трущаяся пара ползун—параллель вынесены из зоны высоких температур в картер двигателя, где можно обеспечить надежную смазку. Трущаяся поверхность ползуна залита антифрикционным сплавом (баббитом). Поэтому при равной величине Р>н> работа трения у пары ползун—параллель меньше, чем у пары поршень —втулка в тронковых двигателях, что при прочих равных условиях обеспечивает повышение механического КПД у крейцкопфных двигателей по сравнению с тронковыми на 2—4 % и большую надежность работы головных подшипников.
Поршень двигателя (лист 105)—составной. Головка поршня 10 выполнена из жаростойкой легированной стали, а короткая направляющая 13 — из легированного чугуна перлитной структуры. Верхние три уплотненных кольца 11 с косым замком имеют высоту 16 мм и ширину 26 мм, а нижние три кольца 12 с замком внахлест имеют высоту 18 мм при ширине 26 мм. Коксами 23 относительно поршня фиксируются только три нижних кольца.
Для уменьшения износа колец в пазы поршня, как и у двигателей 76VTBF 160 (см. лист 97, поз. /), закатаны чугунные полукольца.
Сварная вставка 14 и отверстия в головке поршня, улучшая условия стока охлаждаемого масла и повышая скорость движения последнего, способствуют более интенсивному охлаждению стенок.
Шток 16 с диаметром стержня 270 мм — полый, кованый, из углеродистой стали, с трубкой 15 для подвода масла. Он соединен через направляющую с головкой поршня шпильками. Положение сопрягаемых, деталей фиксируется болтом.
Со стальной кованой поперечиной 21 шток соединяется торцевой кольцевой поверхностью посредством направляющего хвостовика с гайкой.
Перенос радиальных сверлений для подвода и отвода охлаждающего масла со стержня штока в его хвостовик повышает прочность штока и упрощает конструкцию этого узла.
Крейцкопф двигателя — двусторонний. К концам поперечины из углеродистой стали с полыми шейками диаметром 500 мм болтами крепятся четыре ползуна 30 из литой стали с заливкой рабочих поверхностей баббитом. Конструктивно закрепление ползунов выполнено более надежно, чем у двигателя 74VTBF 160.
Стальные литые направляющие 31 крепятся к стойкам станины шпильками. Планками 37 ограничивается поперечное смещение ползунов.
Стальные литые кронштейны 18 и 26 для охлаждения поршня крепятся к поперечине шпильками.
Масло на охлаждение поршня поступает по трубопроводу 20 к телескопическому устройству, состоящему из неподвижной трубы 9, подвижной трубы 5 и уплотпитслыюго устройства (см. разрез по В—В).
Фланец неподвижной трубы закрепляется к опорной плите 8 ресивера продувочного воздуха через проставку 7 болтами. Направляющая втулка 6, залитая баббитом, прижимается болтами к проставке обжимным фланцем.
Отвод масла от поршня осуществляется сливом через кронштейн 18, конец которого движется в продольной прорези колонки 17. Отсюда масло по патрубку 19 через воронку 1 с термометром 3 поступает в сливную магистраль (см. лист 103). Смотровое стекло 2 в кожухе 4 позволяет визуально контролировать систему охлаждения.
Шатун двигателя — с отъемными головными и мотылевым подшипниками. Стержень шатуна 28 диаметром 300 мм из углеродистой стали, полый, с жесткой безвильчатой головкой.
Головные подшипники 22 диаметром 500 мм имеют ширину рабочей поверхности по 320 мм. Мотылевые подшипники 35 диаметром 680 мм имеют ширину рабочей поверхности у верхней половины 380 мм и у нижней—300 мм. Нижние половины головных подшипников имеют на рабочих поверхностях продольные и поперечную смазочные канавки.
Коленчатый вал — с составными коленами из двух секций при числе цилиндров больше пяти. Секции вала соединяются при помощи фланцев прецизионными болтами.
Полые рамовые 33 и мотылевые 36 шейки из углеродистой стали имеют одинаковый диаметр по 680 мм и длину соответственно 450 и 390 мм. По торцам шейки закрыты крышками 32 на болтах.
Щеки 34 из литой стали шириной 1500 мм имеют толщину 185 мм. По условиям уравновешивания и зависимости от числа цилиндров двигателя отдельные щеки отливают вместе с противовесами, которые размещаются под разными углами к плоскости соответствующего колена вала.
Рамовые подшипники имеют стальные вкладыши 29, залитые баббитом, с кольцевой маслоподводящеп канавкой в верхних половинках. Крышки 27 подшипника из стального литья. Они крепятся к фундаментной раме шпильками 25.
Подача масла через верхний вкладыш рамовых подшипников к мотылевым и головным подшипникам показана стрелками.
Приводной отсек (лист 106) размещен в средней, а при пяти цилиндрах — в кормовой части двигателя. Привод промежуточного вала 35, соединенный с правой и левой частями распределительного вала топливных насосов и выпускных клапанов, осуществляется двойной роликовой цепью 28 с шагом 112,5 мм.
Ведущее цепное колесо 29, состоящее из двух половин, закреплено болтами на соединительном фланце коленчатого вала.
Ведомое цепное колесо 17, также состоящее из двух половин, свободно сидит па втулке, которая соединена с промежуточным валом 35 при помощи двух кривошипов 18, двух поперечин 16, зубчатой передачи и кулачковой муфты (см. лист 108).
Коленчатый вал состоит из рамовых и шатунных шеек, щек и соединительных фланцев. Рамовые шейки, щеки и шатунная шейка образуют колено, или кривошип (мотыль), вала (мотыль — старое название, имеющее широкое распространение). Расстояние от центра рамовой до центра шатунной шейки называется радиусом кривошипа. Коленчатый вал — одна из наиболее ответственных и напряженных деталей. Стоимость коленчатого вала составляет около 15% стоимости двигателя. Моторесурс двигателя обычно зависит от срока службы вала (до проточки или шлифовки его шеек).
К коленчатым валам судовых дизелей предъявляют требования обеспечения необходимой прочности, жесткости и износоустойчивости.
Вал нагружается силами давления газа и силами инерции поступательно движущихся и вращающихся масс и подвергается одновременному действию знакопеременных изгибающих и крутящих моментов. В результате воздействия этих сил и моментов материал вала «работает» на усталость. Усталость металла объясняется возникновением в наиболее слабом месте микроскопической трещины, которая под влиянием знакопеременной нагрузки растет, уменьшая расчетное сечение и вызывая рост напряжений. В итоге напряжения превышают предел прочности материала, вызывая быстрое разрушение деталей.


3. Механизм распределения.
Распределительный вал.
Привод клапанов (рис. 4) осуществляется от кулачных шайб 2 распределительного вала, на котором могут также крепиться кулачные шайбы 3 привода топливных насо-сов, шестерня / привода распределительного вала, привода центро-бежного регулятора частоты вращения и др. Распределительный вал отковывают из стали. У высокооборотных двигателей малой и средней мощности кулачные шайбы изготовляют за одно целое с валом. У малооборотных двигателей шайбы устанавливают на валу с прессовой посадкой и фиксируют шпонками. Вал лежит на разъемных опорных подшипниках. Концевой подшипник воспринимает осевое усилие от привода, поэтому его выполняют опорно-упорным.

Рис. 4. Распределительный вал
На распределительном валу реверсивного двигателя устанавливают два комплекта кулачковых шайб: один — для работы двигателя на передний ход, другой — для работы на задний ход. Профиль кулачковой шайбы может быть образован различными кривыми. Он должен обеспечивать плавное набегание и сбегание ролика толкателя на выступ кулачной шайбы, быстрое открытие и закрытие клапана. При равноплечих клапанных рычагах высота профиля h равна высоте подъема клапана h>н>. В высокооборотных двигателях для уменьшения сил инерции, действующих в частях клапанного механизма, стремятся уменьшить перемещение штанги толкателя. С этой целью применяют неравноплечие рычаги, при этом высота профиля кулачковой шайбы h — 0,8h>K>, где 0,8 — отношение плеч клапанных рычагов.
Впускные и выпускные клапаны. Впускные и выпускные клапаны во время работы подвергаются действию высоких температур и значительным динамическим нагрузкам. Температура впускных клапанов 300—400 °С, выпускных 600—800 °С, поэтому материал для клапанов должен отличаться износоустойчивостью, сохранять необходимую механическую прочность при высоких температурах и противостоять газовой коррозии. Впускные клапаны изготовляют из легированных сталей 40ХН, 50ХН, 65ХН, выпускные — из жаростойких хромоникелевых сталей ЭЯ2, ЭН107, ЭН69 и др. Для повышения износоустойчивости тарелок клапанов на поверхности фаски клапана делают наплавку сверхтвердых сплавов типа стеллита толщиной 0,7—1,5 мм. Клапанные пружины выполняют из высокоуглеродистых марганцовистых или кремнемарганцовистых сталей (60Г, 50ХФА, П1). Для лучшего наполнения и очистки цилиндра проходные сечения клапанов должны быть наибольшими.
У четырехтактных малооборотных двигателей в крышке цилиндра располагают два клапана: впускной и выпускной. В высокооборотных двигателях, у которых скорость поршня 7—8 м/с, устанавливают два впускных и два выпускных клапана, при этом увеличивается общее проходное сечение клапанов, уменьшаются масса, а следовательно, и силы инерции в механизме газораспределения, улуч-шаются условия теплоотвода от клапана. В двухтактных двигателях с прямоточно-клапанной продувкой в зависимости от скорости поршня и конструкции двигателя в крышке цилиндра располагают от одного до четырех выпускных клапанов.
/Впускные и выпускные клапаны можно ставить непосредственно в крышке цилиндра или в отдельном корпусе. При установке клапана непосредственно в крышке можно увеличить диаметр тарелки клапана примерно на 20 %, что очень важно для высокооборотных двигателей. Однако чтобы заменить или притереть клапан, необходимо снимать крышку цилиндра.
Клапаны, установленные в корпусах, сложнее по конструкции, имеют меньшее проходное сечение, но удобнее в эксплуатации, так как их легко заменить запасным комплектом. Выпускной клапан двухтактного двигателя установлен в корпусе 7, имеющем полость 8, куда из крышки цилиндра поступает охлаждающая вода. Гнездо клапана 9 выполнено из жаростойкого чугуна и прижимается корпусом клапана к расточке цилиндровой крышки. Шток 5 клапана двигается в направляющих втулках 11, он смазывается маслом, поступающим из цилиндра 4 гидропривода. При попадании масла на рабочее поле клапана может образоваться нагар. Во избежание этого на штоке клапана крепится защитный кожух 10, который защищает также направляющие штока от действия горячих газов. На посадочную конусную поверхность клапана наварено покрытие из износоустойчивого жаростойкого сплава.
У клапана, поставленного непосредственно в крышке цилиндра, теплоотвод осуществляется через опорное гнездо клапана, расточенное в крышке, и через шток и его направляющие к воде, охлаждающей крышку цилиндра.
Пружины клапанов должны обладать достаточной жесткостью, чтобы предотвратить отрыв клапана от гнезда в результате действия сил инерции, возникающих в поступательно движущихся частях клапанного привода. Для большей надежности часто устанавливают несколько пружин меньшей жесткости, суммарная сила которых больше сил инерции. За счет уменьшения жесткости пружин повышается их работоспособность. Тарелка клапана должна иметь достаточную жесткость и хорошую обтекаемость.
Привод выпускного клапана (лист 100) устроен следующим образом. Выпускной клапан получает привод от симметричной кулачной шайбы 16 на распределительном валу через штангу 21 и рычаг 11. Особенностью привода является отсутствие в нем тепловых зазоров при работе двигателя.
Ролик 15 имеет двухрядный игольчатый подшипник 31. Полый палец 28 (см. разрез по В—В) с продольными прорезями по концам свободно вводится в проушины стальной литой направляющей 27 и закрепляется в них при помощи распорных стальных втулок 34 с закрытыми торцами.
Осевое смещение пальца предотвращается наличием стопорного винта 35.
Направляющей толкателя служит корпус 12 привода выпускных клапанов. Поворачивание толкателя предотвращается наличием шпонки 26 на винтах, которая скользит в пазе направляющей.
В корпусе 23 размещено маслосъемное кольцо 22 с обжимной спиральной пружиной.
Штанга имеет в верхней части резьбу для штыря 20, который является опорой пальца 19. Палец, соединенный с рычагом болтом 17, имеет фиксирующие шайбы 18.
В холодном состоянии двигателя поворотом штанги относительно штыря устанавливается требуемый зазор между левым концом рычага и торцом штока клапана (Х=0,2 мм).
Автоматический выбор тепловых зазоров в приводе осуществляется устройством, состоящим из поршня 13, ограничительной шайбы 24, цилиндра 14, невозвратного клапана в сборе Т и пружины 25. Пружина прижимает поршень к нижнему торцу штанги и цилиндр к толкателю.
Клапан 3 (узел Т) с легкой пружиной / имеет направляющую 2, запрессованную в днище цилиндра демпфера. Полость под цилиндром 14 сообщена с системой циркуляционной смазки двигателя отверстием М. Из полости под цилиндром масло через клапан поступает в полость под поршень 13, создавая гидравлическую подушку в системе привода.
При запуске двигателя тепловое расширение штока выпускного клапана вначале выбирает зазор X. Последующее удлинение штока уменьшает толщину масляной подушки в демпфере.
За каждый оборот двигателя масло, выжатое из полости под поршнем, через неплотности в период открытия выпускного клапана (наибольшая осевая нагрузка на штангу) пополняется
через невозвратный клапан в период, когда выпускной клапан закрыт. При закрытии выпускного клапана пружина 25 отжимает поршень со штангой вверх, в результате чего создаются условия для пополнения утечки масла из полости под цилиндром 14,
Стальной литой рычаг 11 с запрессованной бронзовой втулкой 32 (см. разрез по А—А) имеет осью качания полый стальной цалец 36, закрепленный в проушине стальной литой стойки на крышке цилиндра. Осевое смещение пальца и его проворачивание предотвращается планкой 29, закрепленной болтом. На левый рабочий конец рычага // наплавлен твердый сплав.
В рычаге размещен палец 4 (см. разрез по Л—Л) с бронзовыми втулками 5 для кронштейнов 7, приваренных к промежуточной шайбе пружин. Дополнительно шайба соединена со стойкой 9 тягами 8, осью качания которых являются цапфы 33. Наличие кронштейнов и тяг снижает поперечные вибрации пружин.
Смазка рычага привода выполняется от масленки 10 по сверлениям и трубкам 6. Периодически скапливающееся масло в ванне стойки отводится через кран 30. Смазка к направляющей 27 подводится через систему сверлений по штуцерам, ввернутым в отверстия О и К (см. сечение П—П).
4. СИСТЕМА ПОДАЧИ ВОЗДУХА В ЦИЛИНДРЫ
Впускной трубопровод, или ресивер, служит для подвода воздуха в цилиндры двигателя. В четырехтактных двигателях без наддува воздух засасывается в ресивер из машинного отделения или может приниматься с палубы по специальному трубопроводу. В двигателях с наддувом и в двухтактных двигателях воздух нагнетается в цилиндры воздухонагнетателями. Для уменьшения колебаний давления объем ресивера делают достаточно большим, проходное сечение должно обеспечить скорость воздуха не более 20 м/с. Внутри ресивера в двигателях с наддувом устанавливают воздухоохладители.
Для измерения давления воздуха, поступающего в цилиндр, на ресивере устанавливают манометры, а для измерения температуры — термометры. Из системы смазки нагнетателей в ресивер вместе с воздухом могут попадать пары масла. Чтобы снизить давление газов при взрыве паров масла, ресивер снабжают предохранительными автоматическими клапанами. Горловины, закрытые крышками, служат для очистки ресивера. Ресивер изготовляют из листовой стали. Для уменьшения шума в машинном отделении ресивер снаружи обшивают асбестом и покрывают стальным кожухом.
В двигателях с двухступенчатым наддувом ресивер может разделяться продольной перегородкой (на две ступени давления) и поперечными перегородками (отделяющими подпоршневые пространства отдельных цилиндров или группы цилиндров). На перегородках вырезаны окна, которые служат для установки пластинчатых клапанов, автоматически открывающихся при расчетном давлении.
Конструкция выпускного трубопровода зависит от системы наддува. В двигателях без наддува выпускные газы отводятся через короткие патрубки в общий выпускной коллектор, охлаждаемый водой. Отдельные участки коллектора для возможности свободного расширения соединяют между собой с помощью гофрированной трубы или телескопического уплотнения с чугунными разрезными уплотнительными кольцами.
В двигателях с газотурбинным наддувом с турбинами постоянного давления выпускные газы от всех цилиндров поступают в общий коллектор. При таком объеме давление газов перед турбиной остается постоянным. При использовании турбин с переменным давлением газа перед соплами общий выпускной коллектор отсутствует, а выпускные газы подводятся к турбине от одного или нескольких цилиндров по коротким патрубкам малого объема. Используя импульс газа, выходящего из цилиндра в момент открытия выпускных органов с высоким давлением и температурой, можно повысить мощность турбины. Выпускной тракт двигателей с газотурбинным наддувом покрыт слоем изоляции, поверх которой одет кожух из листового железа или рубашки с водяным охлаждением.
Для уменьшения шума на выпускном трубопроводе за турбинами устанавливают глушитель. В качестве глушителя может использоваться утилизационный котел. По правилам Регистра судовая дизельная установка должна быть оборудована устройством для улавливания и гашения искр в выпускных газах.
5. СИСТЕМА ВЫПУСКА ОТРАБОТАВШИХ ГАЗОВ.
В нашем двигателе на процессы выпуска отработавших газов и наполнения цилиндра воздухом отводится всего 130—150° ПКВ. Это обстоятельство создает трудности для хорошей очистки цилиндров от отработавших газов и наполнения его свежим зарядом воздуха. Кроме того, в двухтактных ДВС отработавшие газы из цилиндра: выталкиваются не поршнем, а продувочным воздухом, при этом неизбежно частичное перемешивание воздуха с газами.
Процессы выпуска отработавших газов и наполнения цилиндра свежим зарядом в двухтактных двигателях протекают в такой последовательности: после открытия выпускных окон (клапанов) начинается «свободный выпуск» — истечение газов из цилиндра в выпускной коллектор за счет разности давлений в цилиндре и выпускном коллекторе. Скорость истечения газов в период свободного выпуска 800—600 м/с при температуре газов около 1000 СС в начале выпуска. В конце свободного выпуска давление в цилиндре падает. В это время Поршень открывает продувочные окна и начинается продувка ци-линдра воздухом. Воздух к окнам подается продувочным насосом под давлением 0,11—6,13 МПа, вытесняет отработавшие газы и занимает освободившийся объем; происходит «принужденный выпуск»
и продувка, т. е. наполнение цилиндра воздухом.
В зависимости от системы продувки при ходе поршня вверх продувочные окна могут закрываться раньше выпускных, и тогда через открытые выпускные окна (клапаны) будет теряться часть заряда воздуха. Если продувочные окна закрываются позже выпускных, то происходит дозарядка цилиндра воздухом. Качество очистки цилиндра двухтактного двигателя и наполнения его свежим зарядом зависит от совершенства системы продувки, которая должна обеспе-^швать наибольшую мощность и экономичность двигателя. В зависимости от характера движения потоков воздуха все существующие схемы продувки подразделяют на контурные и прямоточные. В контурных схемах поток продувочного воздуха, поступая через окна в средней части рабочей втулки, описывает внутренний контур цилиндра и движется вниз к выпускным окнам. В прямоточных схемах воздух движется только, в одном направлении — вдоль оси цилиндра. Путь воздуха и отработавших газов в прямоточных продувках примерно в два раза короче, чем в контурных.
На рис. 5. показаны контурные и прямоточные схемы основных типов продувки.

Рис. 5. Схема основных типов продувки
6. Топливная система
Топливоподающая система состоит из двухплупжерного топливоподкачивающего насоса 49, создающего давление до 5 ати; трех фильтров тонкой очистки 37 с войлочными патронами, индивидуальных топливных насосов 20 высокого давления золотникового типа с регулированием по концу подачи и механизмом изменения момента подачи топлива, форсунок с щелевыми фильтрами высокого давления (по три на каждом цилиндре). Для работы двигателя на тяжелом топливе предусмотрен подогреватель 39.
Топливный насос высокого давления (лист 101, черт. 2) золотникового типа, с регулированием по концу подачи без нагнетательного клапана.
Нижняя чугунная часть 34 корпуса, общая для двух насосов, образует масляную ванну для симметричных кулачных шайб. В корпусе размещен опорный подшипник 24 распределительного вала 2.
Верхняя стальная кованая часть 22 корпуса с чугунной втулкой 21 при помощи проставки 18 соединена шпильками 28 с крышкой 12, которая крепится к нижней части короткими 33 и длинными 32 шпильками. Наличие длинных шпилек облегчает выполнение предварительной затяжки пружин 9 и 10. Верхний корпус по вставке фиксируется штифтом 27.
Кулачная шайба симметричного профиля (узел Я), состоящая из двух половин 38 и 39 с наружным конусом, закреплена на муфте 37 с внутренним конусом болтами 36. Наличие нескольких болтов при незначительной затяжке каждого из них создает силу трения в конусном соединении для передачи значительного крутящего момента.
Регулирование угла опережения подачи топлива по насосу производится изменением зазора С соответствующим поворотом половин кулачной шайбы относительно неподвижной муфты.
Плунжер 19 из легированной стали с диаметром 38 мм и ходом 75 мм имеет два симметричных профильных выреза с регулирующими кромками. Вырезы радиальным и вертикальным сверлениями сообщаются с полостью над плунжером.
Изменение цикловой подачи осуществляется поворотом втулки 17, в продольных направляющих пазах которой движется поперечина 16, закрепленная на плунжере. Втулка штырем с шаровой головкой 20 соединена системой тяг и рычагов с валиком управления топливными насосами. Положение плунжера относительно топливоподводящих каналов определяется делениями шкалы, нанесенной на верхней части проставки 18
Шайба 15 и втулка 14 предотвращают попадание топлива в масляную ванну распределительного вала.
Плунжер опирается на стальную каленую шайбу // в стальной направляющей 8 с отжимными пружинами 9 и 10, имеющими разное направление витков. Ролик 4 имеет двухрядный игольчатый подшипник 7. Стальной полый палец 5 с продольными прорезями по концам свободно вводится в проушины направляющей и закрепляется в них разжимными втулками 6 с закрытыми торцами. От проворачивания и осевого смещения
палец закрепляется болтом и винтом. Шпонка 25 обеспечивает толкателю только поступательно-возвратное движение. От топливоподкачивающего насоса топливо подводится в полости А по патрубку 3 (см. разрез по В—В). При положении плунжера в нижнем крайнем положении топливо через два радиальных канала Б поступает в полость над плунжером. При движении плунжера вверх после перекрытия каналов Б начинается сжатие и подача топлива в две форсунки по трубам 23. Отсечка топлива наступает при сообщении каналов Б с выточкой на плунжере.
При помощи отверстий в верхнем корпусе приемная полость насоса сообщается с отверстием В, от которого по трубке с установленным на ней невозвратным клапаном избыток топлива поступает на охлаждение форсунки. Этим достигается постоянное прохождение топлива через насос и устраняется возможность образования в нем воздушных мешков.
Отверстие Т сообщается с запорным угловым игольчатым клапаном 30, на который периодически устанавливается манометр 29 для проверки максимального давления впрыска (420 кг/см2). Для вывода насоса из работы направляющая 8 устанавли-вается в верхнее крайнее положение специальным съемным ры- чагом при помощи стержня / с проушиной и планкой 35. В этом положении толкатель фиксируется проставкой. / Смазка направляющей толкателя и игольчатого подшипника осуществляется от масленки 13. Подвод смазки для направляющей выполнен через штуцер 26, а для втулки 17 — через штуцер 31. Отвод утечки топлива через плунжерную пару производится из поддона по трубке, присоединенной к отверстию К. В последующих конструкциях топливных насосов плунжер- ная втулка имеет два радиальных отверстия -диаметром 8 мм для наполнения, а под ними — два радиальных отверстия диаметром 3 мм для отсечки подачи топлива. Разделение полостей наполнения и отсечки устранило отрицательное влияние волн отсечки на процесс наполнения и повысило стабильность работы насоса.
Форсунка двигателя (лист 101, черт. 1) закрытого типа. Игла 5 нагружена через толкатель 26 пружиной 23 в съемном стакане 19. Затяжка пружины на давление начала впрыска 300 кГ/см2 регулируется высотой проставочной втулки 17. Нажимной болт 16 стопорится гайкой 18. Штифт 21, отжатый пружиной 15 вверх, служит для контроля работы форсуночной иглы. Игла имеет плоский конец, приоткрытый по торцу сопла /, имеющего четыре отверстия диаметром 0,95 мм. Направляющая 3 иглы и корпус 2 сопла прижимаются к стальному корпусу форсунки 9 гайкой 4. По корпусу гайка уплотняется маслостойким резиновым кольцом 6.
Подъем иглы в 0,8 мм ограничивается упорным каленым кольцом 28, являющимся одновременно направляющей для нижней части толкателя. Втулка 25 служит направляющей для верхней части толкателя.
Охлаждение сопла осуществляется топливом через систему горизонтальных 29 и вертикальных 7 и 8 сверлений. Топливо подводится к соплу по нагнетательной трубке 13, щелевому фильтру // тонкой очистки и систему отверстий. Уплотнение нагнетательного штуцера по щелевому фильтру осуществлено прокладкой 12, выжимаемой болтом 14.
Сверления 27 и 24 предназначены для прокачки топлива с целью удаления воздуха, могущего скопиться в форсунке. Прокачка осуществляется насосом при отжатом игольчатом клапане 22.
7. Маслянная система.
К системам смазки двигателя предъявляются следующие общие требования; своевременная подача необходимого количества масла к узлам трения для защиты их поверхностей от износа и коррозии (смазывающее и защитное действие); отвод тепла от трущихся поверхностей и деталей (терморегулирующее действие);
удаление продуктов износа и нагара с поверхностей трения (моющее действие); очистка масел.
От того, насколько удовлетворяет отмеченным требованиям система смазки, в значительной степени зависят надежность и долговечность работы двигателя.
Система циркуляционной смазки, объединенная с масляной системой охлаждения поршней, обслуживается насосом с приводом от электродвигателя. Масло для кривошипно-шатунного механизма, упорного подшипника, приводного отсека и распределительных валов топливных насосов и выпускных клапанов после редукционного клапана поступает под давлением 1,8 ати по трубопроводу 3. Из поддона 34 масло через патрубок / сливается в сточную цистерну. Рекомендуемые температуры масла: на входе 40—45° С и на выходе 46—52° С.
Смазка втулок осуществляется от лубрикаторов 37 по одному на цилиндр с приводом от распределительного вала 40 топливных насосов.
Смазка подшипников газотурбонагнетателей обеспечивается самостоятельной циркуляционной системой.
8. Система охлаждения.
Система охлаждения цилиндров замкнутая, двухконтурная, с приводом насосов забортной и пресной воды от электродвигателей. На всех режимах работы двигателя при помощи терморегулятора температуру пресной воды рекомендуется поддерживать на входе 58° С и на выходе 65° С. Вода подводится к цилиндрам под давлением 1,8 ати по трубопроводу 12 и отводится через корпусы выпускных клапанов по трубопроводам 13. От магистрали пресной воды осуществляется и охлаждение корпусов турбин нагнетателей.
Забортной водой под давлением 0,7 ати охлаждаются пресная вода, наддувочный воздух с подводом и отводом воды к каждому воздухоохладителю по трубопроводам 7 и 8, циркуляционное масло, масло для смазки турбонагнетателей и топливо для охлаждения форсунок.
Поршни охлаждаются маслом от циркуляционной системы смазки с подводом по трубопроводу // при помощи телескопического устройства и отводом через контрольные колонки 31 по трубопроводу 32 в сточную цистерну.
9. Система пуска, реверса и управления.
Для пуска дизеля необходимо раскрутить его коленчатый вал от постороннего источника энергии. После появления первых вспышек в цилиндрах посторонний источник энергии отключают, и двигатель начинает работать на топливе. Средняя скорость поршня должна быть не меньше 0,7—1,2 м/с. При такой скорости температура в цилиндрах в конце сжатия обеспечивает самовоспламенение топлива. Если скорость поршня меньше, то возрастают утечки воздуха через неплотности цилиндропоршневой группы, давление и температура сжатия будут низкими. Кроме того, малая скорость поршня увеличивает продолжительность процесса сжатия, и сжимаемый воздух заметно охлаждается от стенок цилиндра. Поскольку средняя скорость поршня непосредственно не измеряется, принято говорить о пусковой частоте вращения коленчатого вала, которая составляет 15—25 % от ее номинального значения.
Пусковые качества дизеля зависят от конструкции, быстроходности, способа и условий смесеобразования, теплового состояния двигателя. Основные факторы, определяющие продолжительность и надежность пуска, — смесеобразование и сгорание.
Управление двигателем (лист 108) осуществляется следующим образом. Применение симметричной кулачной шайбы топливного насоса с отрицательным профилем позволило иметь общий распределительный вал для привода выпускных клапанов и топливных насосов. Система обеспечивает одинаковое опережение подачи на передний и задний ход при начале открытия выпускных клапанов при работе двигателя на передний ход на 6° поворота коленчатого вала раньше, чем при работе на задний ход.
Конструктивное исполнение запорного клапана 26, главного клапана 27, золотникового воздухораспределителя 29, клапана-золотника 31 и клапана 28 на крышке цилиндра пусковой системы, а также блокировка секторами 33 и 36 топливно-пусковой 38 и реверсивной 37 рукояток поста управления сохранены такими же, как и у двигателя типа 74VТВF 160.
Незначительные изменения внесены в конструкцию некоторых устройств реверсивной системы.
У захватного устройства (см. разрез по С—С) рычаги с пружинами заменены поршеньками 22 с роликами 21, нагруженные пружинами в приваренных стаканах 23. Амортизаторы цепного колеса 2 имеют короткие пружины /.
Клапан-золотник заменен золотником 25, который перемещается в осевом направлении и поворачивается вокруг оси на 90°. Золотник имеет профильные сквозные каналы.
10. КОНТРОЛЬНО-ИЗМЕРИТЕЛЬНЫЕ ПРИБОРЫ И УСТРОЙСТВА
АВАРИЙНО-ПРЕДУПРЕДИТЕЛЬНОЙ СИГНАЛИЗАЦИИ НА
ДВИГАТЕЛЕ
Для контроля за работой отдельных систем каждый дизель снабжается контрольно-измерительными приборами.
Подробное описание приборов и руководство по их обслуживанию изложены в специальных инструкциях заводов-изготовителей.
Электротахометр и его привод
Для контроля числа оборотов дизеля установлен комплект электрического тахометра типа К-16, состоящий из датчика постоянного тока типа МЭТ-8/30 и щитовых измерителей тахометра постоянного тока типа М-180.

Рис. 6. Привод датчика электротахометра:
1. 8, 21 — шестерни; 2, 5, 22— крышки; 3, 7, 18, 20 — подшипники; 4, 6, 19 — втулки; 9, 13, 15— валы; 10 — корпус; //— стакан; 12 — сальник; 14, 16— полумуфты; 17 — сухарь
Датчик типа МЭТ-8/30 представляет собой водозащищенную электрическую машину постоянного тока, поле возбуждения которой создается постоянным магнитом.
Измеритель тахометра типа М-180 имеет магни-то-электрическую систему измерительного механизма и служит для измерения числа оборотов коленчатого вала дизеля. Измерители выполнены в герметичном корпусе и имеют шкалу 600—0—600 оборотов в минуту.
Измеритель тахометра типа М-180 выполнен для выступающего монтажа и устанавливается на переднем щите дизеля.
Привод датчика постоянного тока типа МЭТ-8/30 осуществляется от промежуточной шестерни дизеля через шестерню 8 (рис 6), которая сидит на валу 9 на шпонке. На другом конце вала 9 насажена коническая шестерня /, которая входит в зацепление с конической шестерней 21, установленной на валу 13.
Вал 9 вращается в подшипниках 3, 7. Подшипники запрессованы во втулке 4 и от осевого перемещения фиксируются крышкой 2 и втулкой 6.
Вал 13 вращается в подшипниках 18 и 20. Подшипники запрессованы в стакан 11, который устанавливается в корпус 10. От осевого перемещения подшипники 18 и 20 стопорятся крышкой 22 и втул-
кой 19. Вал 15 датчика электротахометра связывается с валом 13 через полумуфты 14, 16 и сухарь 17.
Электротахометр и его привод смонтированы на крышке 5, которая крепится к кожуху закрытия шестерен привода распределительного вала.
Для предотвращения подтекания масла из корпуса привода в стакане 11 на валу 13 установлен самоподжимной сальник 12.
Щит приборов
Щит предназначен для размещения на нем приборов контроля за работой дизеля. Монтируется щит приборов на переднем щите дизеля на амортизаторах АКСС-10М. На этих же амортизаторах монтируется и термоэлектрический дизельный комплект типа ТКД-018.
На щите приборов размещаются технические корабельные манометры типа МТК-100Б и термометры дистанционные типа ТПП2-В.
Манометры предназначены для замера давления:
масла, поступающего в дизель; масла до фильтра грубой очистки нагнетательной системы; топлива после фильтра;
воды циркуляционной; воздуха наддувочного (только для 6ЧН25/34).
Термометры предназначены для замера температуры воды и масла из дизеля.
Термоэлектрический дизельный комплект типа ТКД-018 представляет собой пирометр для измерения температуры выпускных газов. Предел измерения от 0 до 900°С.
В термоэлектрический дизельный комплект входят термопары типа ТХА-410, милливольтметр типа МКД-018 со шкалой 0° — 900°С с переключателем, компенсационные провода с уравнительными катушками.
Шесть термопар для дизеля установлены на патрубках выпускного коллектора, и одна термопара замеряет среднюю температуру выпускных газов всех цилиндров (устанавливается на выпускном трубопроводе, присоединенном к коллектору) .
АВТОМАТИЧЕСКИЕ И ЗАЩИТНЫЕ УСТРОЙСТВА НА
ДВИГАТЕЛЕ.
Щит приборов дистанционного контроля
Щит приборов обеспечивает дистанционный контроль работы дизеля в судовых условиях.
На нем смонтированы технический корабельный манометр типа МТК-100Б модели 1002 для замера давления масла, поступающего в дизель, и два электрических унифицированных термометра сопротивления типа ТУЭ-48 с компенсационным питанием (24 В постоянного тока). Термометры необходимы для замера температуры масла и воды, выходящих из дизеля.
Щит приборов должен монтироваться на амортизаторах АКСС-10М.
Аварийно-предупредительная сигнализация
Аварийно-предупредительная световая сигнализация оповещает обслуживающий персонал о пред-аварийном режиме работы масляной и водяной систем дизеля.
Сигнализационным пультом осуществляются:
контроль сигналов предупредительных уровней трех параметров: температуры масла, давления масла, температуры охлаждающей воды; контроль сигналов аварийных уровней двух параметров: давления масла, температуры охлаждающей воды.
При нормальном давлении, температуре масла и воды на пульте горит табло «Питание». При достижении контролируемым параметром предупредительного уровня пульт обеспечивает постоянное горение соответствующих табло и автоматически отключает их после исчезновения сигналов.
При достижении контролируемым параметром аварийного уровня пульт обеспечивает горение соответствующих табло в режиме мигания и запоминание.
Для разблокировки пульта и приведения его в исходное состояние выключить и вновь включить питание.