Кручение (работа 1)
МЕТОДИЧЕСКИЕ РЕКОМЕНДАЦИИ
по выполнению внеаудиторной самостоятельной работы студентов
по дисциплине: «Техническая механика»
по теме: «Кручение»
2010
Введение
Понять и усвоить содержание дисциплины «Техническая механика» можно лишь при объединении аудиторной и внеаудиторной подготовки студентов.
Важной составляющей внеаудиторной работы является самостоятельная работа студентов, которая проводится с целью систематизации и закрепления полученных теоретических знаний и практических умений по дисциплине, развитие познавательных и творческих способностей.
В данном пособии представлены методические рекомендации по выполнению внеаудиторной самостоятельной работы студентов по дисциплине «Техническая механика» по теме «Кручение»
Рекомендации состоят из четырех частей. Первая включает информационный материал, составленный на основании рабочей программы дисциплины, изучая которую студент получает возможность определить объем необходимого для усвоения материала. Вторая часть рекомендаций содержит вопросы к информационному материалу и служит для осуществления самоконтроля.
Причем на них следует отвечать по порядку, не пропуская ни одного.
Прочитав вопрос, надо дать на него полный исчерпывающий ответ, не пользуясь при этом ни конспектом, ни учебником. Если же студент почувствует затруднение при формулировке ответа, необходимо обратиться к учебнику.
Третья часть представляет собой инструкцию по решению типовых задач, в которой обращается внимание на использование рациональных способов решения, применения установленной методики задач.
В четвертой предложены задания, требующие переноса известного способа решения задач в аналогичную ситуацию и ответы к заданиям. В случае не подтверждения достоверности ответа, студент обращается за консультацией к преподавателю.
Задания выполняются в тетради для самостоятельной работы. Работа с данными рекомендациями не предполагает усвоение новых знаний, но позволяет студенту углублять ранее полученные знания (на лекциях, практических занятиях).
1. Методические указания к решению задач на прочность и жесткость по теме «Кручение»
В результате изучения темы студенты должны:
Знать:
- методику расчета на прочность и жесткость.
Уметь:
- строить эпюру крутящих моментов;
- выполнять расчеты на прочность и жесткость и подобрать сечение вала.
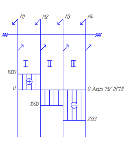
Кручением называют такой вид нагружения бруса, при котором в его сечениях возникает только один внутренний силовой фактор – крутящий момент Mz. Крутящий момент в произвольном поперечном сечении бруса равен алгебраической сумме внешних (скручивающих) моментов, действующих на отсеченную часть.
Будем считать крутящий момент положительным, если для наблюдателя смотрящего на проведенное сечение он представляется направленным по часовой стрелке.
Условие прочности при кручении имеет вид:
τ>>>
>=>>>
>τk],
где Mz max – наибольший крутящий момент
Wp – полярный момент сопротивления сечения
[τk] – допускаемое касательное напряжение на кручение.
При проверочном расчете определяют τmax и сравнивают с допускаемым значением [τk], затем делают вывод о прочности.
Для подбора поперечного сечения балки (проектного расчета) из условия прочности определяют необходимое значение полярного момента сопротивления сечения.
Wp ≥ >010009000003600b00000000ea0600000000ea06000026060f00ca0d574d4643010000000000010049410000000001000000a80d000000000000a80d0000010000006c000000000000000000000030000000250000000000000000000000c8040000b503000020454d4600000100a80d00000c00000001000000000000000000000000000000000500002003000040010000c800000000000000000000000000000000e20400400d0300460000002c00000020000000454d462b014001001c000000100000000210c0db010000006000000060000000460000008c03000080030000454d462b224004000c000000000000001e4009000c00000000000000244001000c000000000000003040020010000000040000000000803f214007000c0000000000000008400005d8020000cc0200000210c0db01000000000000000000000000000000000000000100000089504e470d0a1a0a0000000d4948445200000031000000260802000000e22de468000000017352474200aece1ce9000000097048597300000ec400000ec401952b0e1b00000252494441545847ed58bd8ec2300c0e3c49110b030f01622962ed1bb4cb89b5d53d0382f5740bbc012ba20b220f71031bbc49cfce1f4edb4349e12a867a699b38f6577f4e6ab75714057b33e9bf191e84d367b7ddbc2724e3049f1e9def6eeda306ee8a731a862163e9191f845cb7f06c8d98a9ffbfd1dc4551ca36071d29fe958cd3b4fd00498f0a537e192e00d44a32c50f3fdbe58240e299a4578b453393b3f31d2759605610559325a08b7eacfcd04670427287bc215fe1f68a57bcc0a061532a2855cab14535ae12c60cebc4c6fd56fbd1f6c4321cd4b943302950e76d28262926e25a3a2e097553be2759aa5681656245a62e354bcf826016857932dd47cb494d2a41a407c9f87c8c83867966e89c6eaa16f2fdc96c70eb7c0ae24f78856856e3956708a858035a0067e7930b460034656a5f4b76a5f0ec837d23752c1998d3486f7b2b7a66508d522bf76c291d1c22fdb4a6ce48d416bc944d80323970d4ad54ed816197f76c53e73dbf2d6d46c0cd571727b738bda356b7efdc58e972bc8b935b04dcb43cf2a9be99106ed454a55cd0e5895fa7e181497fe145c1624b101f2bdf7dd498ac4de1e91622a1e587e981e160243a9d5748534cf77abfdc19d675077e481b62e227a80e553351d8644ea001123578956247680d314d6259968f87e2a26433c5a66a35ba3686f3743edd2eb9fde6b221cb93817fbd4e0d358c1335c177e49f82dc8110b06760b9b7ff267d4abd01260f6d0dccd3bd4dad6d0afff42c7a4e37a960725b8678fd30bd803bc7dde4aee68709d2b77c1c3d7425ceaabab6f7e1aaaece74e3cf8f3b379bcf6afd02775042000385576a0000000049454e44ae4260820000000840010824000000180000000210c0db01000000030000000000000000000000000000001b40000040000000340000000100000002000000000000bf000000bf000044420000184203000000000080b3000080b3ffff4342000080b3000080b3ffff17422100000008000000620000000c00000001000000150000000c00000004000000150000000c0000000400000051000000b80800000000000000000000300000002500000000000000000000000000000000000000310000002600000050000000b000000000010000b8070000000000002000cc0031000000260000002800000031000000260000000100080000000000000000000000000000000000220000000000000000000000ffffff009cdfff0000004800bf740000dfffff0000489c009c480000ffffdf0074bfff004848480074000000ffffbf009c9c480000007400ffbf74000074bf0074747400bfffff009c48740074bfdf00489cbf00df9c4800489cdf0048000000ffdf9c0048004800bf9c480074489c00480074009c9cbf00dfffdf0048489c007400740001010101010101010101010101010101010101010101010101010101010101010101010101010101010101010101010101010101010101010101010101010101010101010101010101010101010101010101010101010101010101010101010101010101010101010101010101010101010101010101010101010101010101010101010101010101010101010101010101010101010101010101010101010101010101010101010101011700000f010101010101010101010101011000181901010101010101010101010101010101010101010101010101010101010101171601010101010101010101010101010101121d1901010101010101010101010101010101010101010101010101010101010101171601010101010101010101010101010101121d190101010101010101010101010101010101010101010101010101010101010117160101010506000f090000160110000401121d1901010101010101010101010101010101010101010101010101010101010101171601010112210c1e081704010900040101121d1901010101010101010101010101010101010101010101010101010101010101171601010112210c01011704020304010101121d19010101010101010101010101010101010101010101010101010101010101011716010101051c0c01011700000708010101121d1901010101010101010101010101010101010101010101010101010101010101171601011e1f201901011704010904010101121d190101010101010101010101010101010101010101010101010101010101010117160101020300000b0c1704011000000f01121d1901010101010101010101010101010101010101010101010101010101010101171601010101010101011704010101010101121d1901010101010101010101010101010f01010101010101010101010101010101171601010101010101011004010101010101121d19010101010101010101010101010101010101010101010101010101010101011700000f01010101011700040101010101100018190101010101010101010101010101010101010101010101010101010101010101010101010101010101010101010101010101010101010101010101010101010101011601090101010101010101010101010101010101010101010101010101010101010101010101010101010101010101010101010101010101010101010101010101010101010101010101010101010101010101010101010101010101010101010101010101010101010101010101010101010101010101010101010101010101010101010101010101010101010101010101010101010101010101010c01010101010101010101010101010101010101010101010101010101010101010101010101010101010101010101010101010100000f0101010101010101010101010101010101010101010101010101010101010101010101010101010101010101010101010101010100000000000000000000000000000000000000000000000000000000000000000000000000000000000000000000000000010117010101010101010101010101010101010101010101010101010101010101010101010101010101010101010101010101010105060101010101010101010101010101010101010101010101010101010101010101010101010101010101010101010101010101010101010101010101010101010101010101010101010101010101010101010101010101010101010101010101010101010101010101010101010101010101010101010101010101010101010101010101010101010101010101010101010101010101010101010101010101010101010101010101010101010101010101010101010101010101010101010101010101010101010101010101010101010102030016010101020300070809000000000b0c010101020300040900001609000016120e0000000004170004050600070801010101090401121d1901090b0c0101100401051c0c010101011707080117070801170401090b0c0109070801091605060b0c011007080109040117001601090b0c010105060401010101010101170708011707080117040101090000000708010117000708010101010101090405061b1c0c090b0c0101010506160101010101011707080117070801170401010101010907080101170016010101010101010904021a191716090b0c01090401120e0f01010101011700160110000f01100401120e0f0117070801090708170401010004010109041007081213140b0c0109000000000b0c0101010900071500000f1000000f0101050600001601170018190900070800000001090d0e0f010110110b0c010101010101010101010101010101010101010101010101010101010101010101010101010101010101090a0b0c010102030b0c01010101010101010101010101010101010101010101010101010101010101010101010101010801010203000401010105060007080101010101010101010101010101010101010101010101010101010101010101010101010101010101010101010101010101010101010101010101010101010101010101010101010101010101010101010101010101010101010101010101010101010101010101010101010101010101010101010101010101010101010101010101010101010101010101010101014c0000006400000000000000000000003000000025000000000000000000000031000000260000002900aa0000000000000000000000803f00000000000000000000803f0000000000000000000000000000000000000000000000000000000000000000220000000c000000ffffffff460000001c00000010000000454d462b024000000c000000000000000e000000140000000000000010000000140000000400000003010800050000000b0200000000050000000c0226003100030000001e000400000007010400040000000701040041040000410b2000cc00260031000000000026003100000000002800000031000000260000000100080000000000000000000000000000000000220000000000000000000000ffffff009cdfff0000004800bf740000dfffff0000489c009c480000ffffdf0074bfff004848480074000000ffffbf009c9c480000007400ffbf74000074bf0074747400bfffff009c48740074bfdf00489cbf00df9c4800489cdf0048000000ffdf9c0048004800bf9c480074489c00480074009c9cbf00dfffdf0048489c007400740001010101010101010101010101010101010101010101010101010101010101010101010101010101010101010101010101010101010101010101010101010101010101010101010101010101010101010101010101010101010101010101010101010101010101010101010101010101010101010101010101010101010101010101010101010101010101010101010101010101010101010101010101010101010101010101010101011700000f010101010101010101010101011000181901010101010101010101010101010101010101010101010101010101010101171601010101010101010101010101010101121d1901010101010101010101010101010101010101010101010101010101010101171601010101010101010101010101010101121d190101010101010101010101010101010101010101010101010101010101010117160101010506000f090000160110000401121d1901010101010101010101010101010101010101010101010101010101010101171601010112210c1e081704010900040101121d1901010101010101010101010101010101010101010101010101010101010101171601010112210c01011704020304010101121d19010101010101010101010101010101010101010101010101010101010101011716010101051c0c01011700000708010101121d1901010101010101010101010101010101010101010101010101010101010101171601011e1f201901011704010904010101121d190101010101010101010101010101010101010101010101010101010101010117160101020300000b0c1704011000000f01121d1901010101010101010101010101010101010101010101010101010101010101171601010101010101011704010101010101121d1901010101010101010101010101010f01010101010101010101010101010101171601010101010101011004010101010101121d19010101010101010101010101010101010101010101010101010101010101011700000f01010101011700040101010101100018190101010101010101010101010101010101010101010101010101010101010101010101010101010101010101010101010101010101010101010101010101010101011601090101010101010101010101010101010101010101010101010101010101010101010101010101010101010101010101010101010101010101010101010101010101010101010101010101010101010101010101010101010101010101010101010101010101010101010101010101010101010101010101010101010101010101010101010101010101010101010101010101010101010101010c01010101010101010101010101010101010101010101010101010101010101010101010101010101010101010101010101010100000f0101010101010101010101010101010101010101010101010101010101010101010101010101010101010101010101010101010100000000000000000000000000000000000000000000000000000000000000000000000000000000000000000000000000010117010101010101010101010101010101010101010101010101010101010101010101010101010101010101010101010101010105060101010101010101010101010101010101010101010101010101010101010101010101010101010101010101010101010101010101010101010101010101010101010101010101010101010101010101010101010101010101010101010101010101010101010101010101010101010101010101010101010101010101010101010101010101010101010101010101010101010101010101010101010101010101010101010101010101010101010101010101010101010101010101010101010101010101010101010101010101010102030016010101020300070809000000000b0c010101020300040900001609000016120e0000000004170004050600070801010101090401121d1901090b0c0101100401051c0c010101011707080117070801170401090b0c0109070801091605060b0c011007080109040117001601090b0c010105060401010101010101170708011707080117040101090000000708010117000708010101010101090405061b1c0c090b0c0101010506160101010101011707080117070801170401010101010907080101170016010101010101010904021a191716090b0c01090401120e0f01010101011700160110000f01100401120e0f0117070801090708170401010004010109041007081213140b0c0109000000000b0c0101010900071500000f1000000f0101050600001601170018190900070800000001090d0e0f010110110b0c010101010101010101010101010101010101010101010101010101010101010101010101010101010101090a0b0c010102030b0c01010101010101010101010101010101010101010101010101010101010101010101010101010801010203000401010105060007080101010101010101010101010101010101010101010101010101010101010101010101010101010101010101010101010101010101010101010101010101010101010101010101010101010101010101010101010101010101010101010101010101010101010101010101010101010101010101010101010101010101010101010101010101010101010101010101010c00000040092900aa000000000000002600310000000000040000002701ffff030000000000>
Для сечения вала с кольцеобразным поперечным сечением
Wp ≈ 0,2×>010009000003d804000000005403000000005403000026060f009e06574d46430100000000000100788100000000010000007c060000000000007c060000010000006c000000000000000000000013000000180000000000000000000000f30100007002000020454d46000001007c0600000c00000001000000000000000000000000000000000500002003000040010000c800000000000000000000000000000000e20400400d0300460000002c00000020000000454d462b014001001c000000100000000210c0db010000006000000060000000460000004402000038020000454d462b224004000c000000000000001e4009000c00000000000000244001000c000000000000003040020010000000040000000000803f214007000c000000000000000840000590010000840100000210c0db01000000000000000000000000000000000000000100000089504e470d0a1a0a0000000d4948445200000014000000190802000000be759984000000017352474200aece1ce9000000097048597300000ec400000ec401952b0e1b0000010a49444154384fdd94310e83300c45434f42d585a187e818f61ea10bea4a6e436ed003b05470880e5d2a72131a9b409c9020842a866682c4ceb7df37247ddfb3adebb03511f2764956324fc6954b65ead53daf585dc579d561605332669e593053c7e2dd63020d82b3c5641d8cf965e3df0ddbd36e14987ad78c672931a315bae9e3ad265b918649715e0429892813a0423e1f353b9f2661ad6a195b69732f309cf8e08b4b6b44e81c20ede1c4d2c1f71069af03285b418dbcba5f9c5125454747d8e8529d884b73b45a194ca17086421c9722d2339f952cc0ca3545c35795661acfeb83c3de8a825d61784158fb23dac54fd6d28630243e38151a4eafede4bfff24416ebbfcc37eaffc059585b467a11fa5900000000049454e44ae4260820000000840010824000000180000000210c0db01000000030000000000000000000000000000001b40000040000000340000000100000002000000000000bf000000bf0000a0410000c84103000000000080b3000080b3ffff9f41000080b3000080b3ffffc7412100000008000000620000000c00000001000000150000000c00000004000000150000000c0000000400000051000000d4020000000000000000000013000000180000000000000000000000000000000000000014000000190000005000000090000000e0000000f4010000000000002000cc00140000001900000028000000140000001900000001000800000000000000000000000000000000001a0000000000000000000000ffffff00489cdf00df9c4800dfffff0048489c00ffdf9c0074bfff00480000009cdfff004800480074000000ffffbf0000489c00ffbf74000074bf009c480000ffffdf00000048009c9c7400bfffff004800740000007400bf7400009c48740000749c000101010101010101010101010101010101010101010101010101010101010101010101010101010101010101010101010101010101010101010101010101010101010101010101010101010101010101010101010101010101010101010101010101010101010101010101010101010101010101010101010101010101010101010101010101010101010101010912000b0c0700000e01010101010101010101040d101114181910110f0e010101010101010101141617010109120b0c01010101010101010101011416170101010208060101010101010101010101040d1011010109120e0101010101010101010101010208060101040d170101010101010101010101010912170101040d10110101010101010101010101010700030114160806010101020000000301010101010912000013120e01011415060109120e0101010101010101040d0301010101010109120e0101010101010101010f10110101010f00000e01010101010101010101020b0c01010101040d0e010101010101010101020008060101010101090a0601010101010101010101010101040506010708060101010101010101010101010101020000000301010101010101010101010101010101010101010101010101010101010101010101010101010101010101010101010101010101010101010101010101014c0000006400000000000000000000001300000018000000000000000000000014000000190000002900aa0000000000000000000000803f00000000000000000000803f0000000000000000000000000000000000000000000000000000000000000000220000000c000000ffffffff460000001c00000010000000454d462b024000000c000000000000000e000000140000000000000010000000140000000400000003010800050000000b0200000000050000000c0219001400030000001e00040000000701040004000000070104004f010000410b2000cc001900140000000000190014000000000028000000140000001900000001000800000000000000000000000000000000001a0000000000000000000000ffffff00489cdf00df9c4800dfffff0048489c00ffdf9c0074bfff00480000009cdfff004800480074000000ffffbf0000489c00ffbf74000074bf009c480000ffffdf00000048009c9c7400bfffff004800740000007400bf7400009c48740000749c000101010101010101010101010101010101010101010101010101010101010101010101010101010101010101010101010101010101010101010101010101010101010101010101010101010101010101010101010101010101010101010101010101010101010101010101010101010101010101010101010101010101010101010101010101010101010101010912000b0c0700000e01010101010101010101040d101114181910110f0e010101010101010101141617010109120b0c01010101010101010101011416170101010208060101010101010101010101040d1011010109120e0101010101010101010101010208060101040d170101010101010101010101010912170101040d10110101010101010101010101010700030114160806010101020000000301010101010912000013120e01011415060109120e0101010101010101040d0301010101010109120e0101010101010101010f10110101010f00000e01010101010101010101020b0c01010101040d0e010101010101010101020008060101010101090a0601010101010101010101010101040506010708060101010101010101010101010101020000000301010101010101010101010101010101010101010101010101010101010101010101010101010101010101010101010101010101010101010101010101010c00000040092900aa000000000000001900140000000000040000002701ffff030000000000> → d ≈ >010009000003840b000000001607000000001607000026060f00220e574d46430100000000000100b2cf0000000001000000000e000000000000000e0000010000006c000000000000000000000025000000300000000000000000000000b5030000c804000020454d4600000100000e00000c00000001000000000000000000000000000000000500002003000040010000c800000000000000000000000000000000e20400400d0300460000002c00000020000000454d462b014001001c000000100000000210c0db01000000600000006000000046000000f4030000e8030000454d462b224004000c000000000000001e4009000c00000000000000244001000c000000000000003040020010000000040000000000803f214007000c000000000000000840000540030000340300000210c0db01000000000000000000000000000000000000000100000089504e470d0a1a0a0000000d4948445200000026000000310802000000398c4cda000000017352474200aece1ce9000000097048597300000ec400000ec401952b0e1b000002bc494441545847e558316ec3300c54fa12075d32e41129bab8e89a1f344b91d541df50206bd1c5f941d7a05e8af8111db214f14f524ab244c996442210d2a19ee288e68947523c7b723e9fc575af9bebc249b43f8014402ce33a5499d8002c5e94ddcfb7a80e8cad91267f432c33ca6353ce8a4cdcf220016c7e7b554899ca7c172bca0e79ed760f137d6d5abd0bf58f77038b0fbb2ebe47b2c6c0005aa4ac4fbde5a92ec5f076708fc621ef9cbe94206e8bc82635f7b05656558998b048b49326b6ddf46c398479c478f55acc4ab1dd2b5ebbaf0fb15c3fce4573d44cb6fb6df5b8b02e37adcd0472ad42b75b1b0664567daa14b72a9643a5566cdc6e8ccaca842f2d7a273eb192269b349387c036e45fd2b047b4d9f6583546da0f66c356ace276ba6a58cd50dc2fcbe6e36bb7ff5edeab7605aef57dbd96aca6af7e0b2638af38edfec2a1a70a171e45fafbdf1eb1eea018d55bb8065d8786b840c6315eeb976e92604571bad9cf253e419f3eced1432589b74e43f2fc8cacda8dacc566353567215a50145dcc6bd43127ca7ca352454a42422a3dd2f064bcf417052947a5379da944d0eb14e485c5937a8c82ccde228c5ce6543d3a7622cabcaa870799534df609a67279f5f219b588b703547b1141e7e81be7d823a38c1e3dddee793557ef29a75aac9e472a12f05e675a16c2f8dbbea201b62e773a0f85851ec02921e9afab283501775b38f8df5a87bb34afc21250dca2c40b245fcac0fafda970caa72bd65611b904e4291d9862c7974f0b084edd33d193813a0751be06fa396c189c7c0321a24590912949e58d985eaa9c67dcc70f555cfb28501d1b359d51a4a144c36786effa09b9a5d99506295e2333ca6ae9c40c0b293cc3ee0590f4b484cf4c21231da89b558e2bae4d44c7f6a0e917452ec6c02e72e0154f2fb9bef48cba3b7ac62ed6c06ebe6f120ef004a2ce73cab0bd909384ed896df83f207f01d7ec4293d502e7990000000049454e44ae426082000840010824000000180000000210c0db01000000030000000000000000000000000000001b40000040000000340000000100000002000000000000bf000000bf000018420000444203000000000080b3000080b3ffff1742000080b3000080b3ffff43422100000008000000620000000c00000001000000150000000c00000004000000150000000c0000000400000051000000a80800000000000000000000250000003000000000000000000000000000000000000000260000003100000050000000b000000000010000a8070000000000002000cc0026000000310000002800000026000000310000000100080000000000000000000000000000000000220000000000000000000000ffffff00bfffff00000074009cdfff0074004800ffffbf0074bfff009c480000ffffdf00bf740000489cdf000074bf00df9c4800dfffff0000489c00ffbf740048000000ffdf9c00000048007474480048004800740074007400000048489c00bfdf9c00480074009c4874009c484800bfffdf0048749c00749c9c00dfdfdf004874bf00010101010101010101010101010101010101010101010101010101010101010101010101010100000101010101010101010101010101010101010101010101010101010101010101010101010101000001010101010101010101010101010101010101010101010101010101010101010101010101010000010101010101010101010101010101010101010101010101010101010101010101010101010100000101010101010101040506010101010101010101010101010101010101010101010101010101000001010101010101010c111201010101010101010101010101010101010101010101010101010100000101010101010104131112010101010101010101010101010101010101010101010101010101ffff0101010101010e0f000010010101010101010101010101010101010101010101010101010101ffff01010101010107000a0c0d010101010101010101010101010101010101010101010101010101004801010101010e0f17060c0d010101010101010101010101010101211201010101010101010101ffff010101010107000d010b0a0101010101010101020300001001010405060203000000001001010000010101010203170601070a01010101010101010c0a010415120102160601070a0101071001010000010101010b000d0101070809010101010101020310010e0f0d0101010101010b0a0101010101dfff012001020308090101040506010101010101021a1201010c0a01010101010101070a010101010000010700000010010101040506010101010101021a1201010c0a01010101010101010b0d0101010000010101070809010101021a12010101010101020310010e0f0d010101010101010104151201019cdf0101010101010101010e1812010101010101010b0a0104151201010101021a1201071112010148000101010101010101010e0f10010101010101010e0f00000d010101010101020300000a010101ffff010101010101010101010c0d01010101010101010101010101010101010101010101010101012c23010101010101010101010c0d01010101010101010101010101010101010101010101010101014800010101010101010101010b0a0101010101010101010101010101010101010101010101010101ffff01010101010101010101070a0101010101010101010101010101010101010101010101010101482801010101010101010101070809010101010101010101010101010101010101010101010101010000010101010101010101010405060101010101010101010101010101010101010101010101010100000101010101010101010104050601010101010101010101010101010101010101010101010101004801010101010101010101021a1201010100000000000000000000000000000000000000000000ffff010101010101010101010e181201010101010101010101010101010101010101010101010101ffff010101010101010101010e0f1001010101010101010101010101010101010101010101010101000001010101010101010101010c0d010101010101010101010101010101010700000a0101010101000201010101010101010101010c0d01010101010101010101010101010101010b08090101010101000001010101010101010101010b0a01010101010101010101010101010101010b0809010101010100000102030000170601010101070a01010101010e0f0a0101010c08090101010b00000000100101000001021b09010c0d010101010708090101010104130809010e0f11120101010b1706010b11120100000101020300080901010101040506010101010b081e120104151f0d0101010b08090102031001000001010101041c09010101010405060101010e0f0d070d0107081d160601010b080901020310010000010216060e0f1001010101021a12010101041310021b090c0a010c1001010b000d0107111201000001020300001706010101010e18120101010b17060e1819031001070a0107000a0b00000d0101000001010101010101010101010e0f100101010c0a01010b1415120102160601010101010101010100000101010101010101010101010c0d010104130d010104130809010e0f0d01010101010101010100000101010101010101010101010c0d010e0f000010010e0f0a01010b001112010101010101010100000101010101010101010101010b0a0101010101010101010101010101010101010101010101010000010101010101010101010101070a0101010101010101010101010101010101010101010101010000010101010101010101010101070809010101010101010101010101010101010101010101010100000101010101010101010101010405060101010101010101010101010101010101010101010101000001010101010101010101010104050601010101010101010101010101010101010101010101010000010101010101010101010101020300000000000000000000000000000000000000000000000100000101010101010101010101010101010101010101010101010101010101010101010101010101000001010101010101010101010101010101010101010101010101010101010101010101010101010000010101010101010101010101010101010101010101010101010101010101010101010101010100004c0000006400000000000000000000002500000030000000000000000000000026000000310000002900aa0000000000000000000000803f00000000000000000000803f0000000000000000000000000000000000000000000000000000000000000000220000000c000000ffffffff460000001c00000010000000454d462b024000000c000000000000000e000000140000000000000010000000140000000400000003010800050000000b0200000000050000000c0231002600030000001e000400000007010400040000000701040039040000410b2000cc00310026000000000031002600000000002800000026000000310000000100080000000000000000000000000000000000220000000000000000000000ffffff00bfffff00000074009cdfff0074004800ffffbf0074bfff009c480000ffffdf00bf740000489cdf000074bf00df9c4800dfffff0000489c00ffbf740048000000ffdf9c00000048007474480048004800740074007400000048489c00bfdf9c00480074009c4874009c484800bfffdf0048749c00749c9c00dfdfdf004874bf00010101010101010101010101010101010101010101010101010101010101010101010101010100000101010101010101010101010101010101010101010101010101010101010101010101010101000001010101010101010101010101010101010101010101010101010101010101010101010101010000010101010101010101010101010101010101010101010101010101010101010101010101010100000101010101010101040506010101010101010101010101010101010101010101010101010101000001010101010101010c111201010101010101010101010101010101010101010101010101010100000101010101010104131112010101010101010101010101010101010101010101010101010101ffff0101010101010e0f000010010101010101010101010101010101010101010101010101010101ffff01010101010107000a0c0d010101010101010101010101010101010101010101010101010101004801010101010e0f17060c0d010101010101010101010101010101211201010101010101010101ffff010101010107000d010b0a0101010101010101020300001001010405060203000000001001010000010101010203170601070a01010101010101010c0a010415120102160601070a0101071001010000010101010b000d0101070809010101010101020310010e0f0d0101010101010b0a0101010101dfff012001020308090101040506010101010101021a1201010c0a01010101010101070a010101010000010700000010010101040506010101010101021a1201010c0a01010101010101010b0d0101010000010101070809010101021a12010101010101020310010e0f0d010101010101010104151201019cdf0101010101010101010e1812010101010101010b0a0104151201010101021a1201071112010148000101010101010101010e0f10010101010101010e0f00000d010101010101020300000a010101ffff010101010101010101010c0d01010101010101010101010101010101010101010101010101012c23010101010101010101010c0d01010101010101010101010101010101010101010101010101014800010101010101010101010b0a0101010101010101010101010101010101010101010101010101ffff01010101010101010101070a0101010101010101010101010101010101010101010101010101482801010101010101010101070809010101010101010101010101010101010101010101010101010000010101010101010101010405060101010101010101010101010101010101010101010101010100000101010101010101010104050601010101010101010101010101010101010101010101010101004801010101010101010101021a1201010100000000000000000000000000000000000000000000ffff010101010101010101010e181201010101010101010101010101010101010101010101010101ffff010101010101010101010e0f1001010101010101010101010101010101010101010101010101000001010101010101010101010c0d010101010101010101010101010101010700000a0101010101000201010101010101010101010c0d01010101010101010101010101010101010b08090101010101000001010101010101010101010b0a01010101010101010101010101010101010b0809010101010100000102030000170601010101070a01010101010e0f0a0101010c08090101010b00000000100101000001021b09010c0d010101010708090101010104130809010e0f11120101010b1706010b11120100000101020300080901010101040506010101010b081e120104151f0d0101010b08090102031001000001010101041c09010101010405060101010e0f0d070d0107081d160601010b080901020310010000010216060e0f1001010101021a12010101041310021b090c0a010c1001010b000d0107111201000001020300001706010101010e18120101010b17060e1819031001070a0107000a0b00000d0101000001010101010101010101010e0f100101010c0a01010b1415120102160601010101010101010100000101010101010101010101010c0d010104130d010104130809010e0f0d01010101010101010100000101010101010101010101010c0d010e0f000010010e0f0a01010b001112010101010101010100000101010101010101010101010b0a0101010101010101010101010101010101010101010101010000010101010101010101010101070a0101010101010101010101010101010101010101010101010000010101010101010101010101070809010101010101010101010101010101010101010101010100000101010101010101010101010405060101010101010101010101010101010101010101010101000001010101010101010101010104050601010101010101010101010101010101010101010101010000010101010101010101010101020300000000000000000000000000000000000000000000000100000101010101010101010101010101010101010101010101010101010101010101010101010101000001010101010101010101010101010101010101010101010101010101010101010101010101010000010101010101010101010101010101010101010101010101010101010101010101010101010100000c00000040092900aa000000000000003100260000000000040000002701ffff030000000000>
Для сечения вала с кольцеобразным поперечным сечением
Wp ≈ 0,2×>0100090000032605000000007603000000007603000026060f00e206574d46430100000000000100c0fd0000000001000000c006000000000000c0060000010000006c000000000000000000000015000000180000000000000000000000250200007002000020454d4600000100c00600000c00000001000000000000000000000000000000000500002003000040010000c800000000000000000000000000000000e20400400d0300460000002c00000020000000454d462b014001001c000000100000000210c0db010000006000000060000000460000003002000024020000454d462b224004000c000000000000001e4009000c00000000000000244001000c000000000000003040020010000000040000000000803f214007000c00000000000000084000057c010000700100000210c0db01000000000000000000000000000000000000000100000089504e470d0a1a0a0000000d4948445200000016000000190802000000ba8049b9000000017352474200aece1ce9000000097048597300000ec400000ec401952b0e1b000000f649444154384fed54cb118320108554c2d152b00e5b30dd681de6a645e4904b463a217c76615d488619673c654f0abbcff741a4b5569cabdbb9713f7d3984997b89d5cf0614382f9a6b9fb49ef6d0be8e42c0b38079b75bb882edb54ff87e0601c0b88cafe49d02798071851564813369c32d44668c8b5710aa0211062842498c1021dd3954f37a08dda98323aa3b38b4dd65ce2137227220c84804dfa9126a7a12882cccfbe99a19892223352c49cc32206358223967c59c44fd0041224d32be1cc1081134b2f4a26eee4e052642943262fc0d00eeae4004d20ea7a769de8d8b181cab5f7f4721457a987375f99553a5fb67916df900950e8f1deae90bd30000000049454e44ae4260820000000840010824000000180000000210c0db01000000030000000000000000000000000000001b40000040000000340000000100000002000000000000bf000000bf0000b0410000c84103000000000000b3000000b3ffffaf41000000b3000000b3ffffc7412100000008000000620000000c00000001000000150000000c00000004000000150000000c00000004000000510000002c030000000000000000000015000000180000000000000000000000000000000000000016000000190000005000000084000000d400000058020000000000002000cc0016000000190000002800000016000000190000000100080000000000000000000000000000000000170000000000000000000000ffffff00489cdf00df9c4800dfffff0048489c00ffdf9c0074bfff00480000009cdfff0000004800480048009c480000ffffdf0000489c00ffbf74000074bf0074000000ffffbf00bfffff000000740048007400bf7400000101010101010101010101010101010101010101010101010101010101010101010101010101010101010101010101010101010101010101010101010101010101010101010101010101010101010101010101010101010101010101010101010101010101010101010101010101010101010101010107010101010101010101010101010101010101010101010107010101010101010101010101010101010101010101010101010700000000000003010101010101010101010101010101010107000f010107001112010101010101010101010101150101131403010101131411120101010101010101010101150101040e0c0d010101090a16010101010101010101010101010101101112010101011008060101010101010101010101010101070806010101010700030101010101010101010101010101090a030101010113140c0d010101010101010101010101011314160101010113140c0d0101020000000301010101010101100c0d010101040e0c0d0113150601090a0f01010101010102111201010113140c0d0101010101090a0f01010101010107000f010101020003010101011000000f01010101010101070003010107000c0d0101010101040e0f010101010101090a0000000000030101010101010101090b060101010101010101010101010101010101040506010708060101010101010101010101010101010101010200000003010101010101010101010101010101010101010101010101010101010101010101010101010101010101010101010101010101010101010101010101010101010101010101010101010101014c0000006400000000000000000000001500000018000000000000000000000016000000190000002900aa0000000000000000000000803f00000000000000000000803f0000000000000000000000000000000000000000000000000000000000000000220000000c000000ffffffff460000001c00000010000000454d462b024000000c000000000000000e000000140000000000000010000000140000000400000003010800050000000b0200000000050000000c0219001600030000001e00040000000701040004000000070104007b010000410b2000cc00190016000000000019001600000000002800000016000000190000000100080000000000000000000000000000000000170000000000000000000000ffffff00489cdf00df9c4800dfffff0048489c00ffdf9c0074bfff00480000009cdfff0000004800480048009c480000ffffdf0000489c00ffbf74000074bf0074000000ffffbf00bfffff000000740048007400bf7400000101010101010101010101010101010101010101010101010101010101010101010101010101010101010101010101010101010101010101010101010101010101010101010101010101010101010101010101010101010101010101010101010101010101010101010101010101010101010101010107010101010101010101010101010101010101010101010107010101010101010101010101010101010101010101010101010700000000000003010101010101010101010101010101010107000f010107001112010101010101010101010101150101131403010101131411120101010101010101010101150101040e0c0d010101090a16010101010101010101010101010101101112010101011008060101010101010101010101010101070806010101010700030101010101010101010101010101090a030101010113140c0d010101010101010101010101011314160101010113140c0d0101020000000301010101010101100c0d010101040e0c0d0113150601090a0f01010101010102111201010113140c0d0101010101090a0f01010101010107000f010101020003010101011000000f01010101010101070003010107000c0d0101010101040e0f010101010101090a0000000000030101010101010101090b060101010101010101010101010101010101040506010708060101010101010101010101010101010101010200000003010101010101010101010101010101010101010101010101010101010101010101010101010101010101010101010101010101010101010101010101010101010101010101010101010101010c00000040092900aa000000000000001900160000000000040000002701ffff030000000000>×(1->0100090000032c05000000007803000000007803000026060f00e606574d4643010000000000010035da0000000001000000c406000000000000c4060000010000006c0000000000000000000000140000001800000000000000000000000c0200007002000020454d4600000100c40600000c00000001000000000000000000000000000000000500002003000040010000c800000000000000000000000000000000e20400400d0300460000002c00000020000000454d462b014001001c000000100000000210c0db010000006000000060000000460000002c02000020020000454d462b224004000c000000000000001e4009000c00000000000000244001000c000000000000003040020010000000040000000000803f214007000c0000000000000008400005780100006c0100000210c0db01000000000000000000000000000000000000000100000089504e470d0a1a0a0000000d494844520000001500000019080200000051b7f2ba000000017352474200aece1ce9000000097048597300000ec400000ec401952b0e1b000000f249444154384fed933112c22010458327d1b1b1f010da91de4bd893c921b4b7811bd85ac32152a471929be00281c024cc80cc58b91513f6fdbfec6e9094b22a884d01abd01ff323ab116ac45c7496ffc8aecf0a072f5ef0a24141cc6640f7ede31236cce77571e78e0e3013888182153e6c0d209a5ddfde4e8b769b5c084ee00e5bd80a106e2fcd4989123e5032255651da094f9584ced6c8f0ba54d0f598c8d1f8cf979a4fc64da2efa479fdf414f76551aaffe275f71a9db7d06e7ec7fd34a82ff93ccc653bffee3d7a12b04a35f33f44e557fa9f3c0e60edfed8c9389f6013e37b8194464164fdbf2b3e7fbea0f9807e007c2d8979779ec9610000000049454e44ae4260820000000840010824000000180000000210c0db01000000030000000000000000000000000000001b40000040000000340000000100000002000000000000bf000000bf0000a8410000c84103000000000000b3000000b3ffffa741000000b3000000b3ffffc7412100000008000000620000000c00000001000000150000000c00000004000000150000000c00000004000000510000003403000000000000000000001400000018000000000000000000000000000000000000001500000019000000500000008c000000dc00000058020000000000002000cc0015000000190000002800000015000000190000000100080000000000000000000000000000000000190000000000000000000000ffffff009cdfff0000004800ffbf7400dfffff0048489c000048480074bfff0074000000ffffbf00489cdf00dfbf740000489c0048000000ffdf9c009c480000ffffdf00bf7400000074bf00bfffff00740074009c749c00df9c48009c48480001010101010101010101010101010101010101010101010101010101010101010101010101010101010101010101010101010101010101010101010101010101010101010101010101010101010101010101010101010101010101010101010101010101010101010101010101010101010101010101070101010101010101010101010101010101010101010101070101010101010101010101010101010101010101010101010101010203000000001701010101010101010101010101010101020312010102031201010101010101010101010101150101130e0f01010102181101010101010101010101010115010113090a01010101010101010101010101010101010101010113090a010101010101010101010101010101010101010101130e0f01010101010101010101010101010101010101010108000401010101010101010101010101010101010101010102031201010101010101010101010b00090a010101010101050d090a01010101010101010101050d040101010101010101080017010101010101010b0000000000101101010101010101130e0f0101010b120114150a050d0c161101010101010101050d0e0f01050d1011010812050d0401010101010101010101010800000000090a01010b0c0d040101010101010101010101010101010101010101050607040101010101010101010101010101010101010101010203040101010101010101010101010101010101010101010101010101010101010101010101010101010101010101010101010101010101010101010101010101010101010101010101010101010101014c0000006400000000000000000000001400000018000000000000000000000015000000190000002900aa0000000000000000000000803f00000000000000000000803f0000000000000000000000000000000000000000000000000000000000000000220000000c000000ffffffff460000001c00000010000000454d462b024000000c000000000000000e000000140000000000000010000000140000000400000003010800050000000b0200000000050000000c0219001500030000001e00040000000701040004000000070104007f010000410b2000cc00190015000000000019001500000000002800000015000000190000000100080000000000000000000000000000000000190000000000000000000000ffffff009cdfff0000004800ffbf7400dfffff0048489c000048480074bfff0074000000ffffbf00489cdf00dfbf740000489c0048000000ffdf9c009c480000ffffdf00bf7400000074bf00bfffff00740074009c749c00df9c48009c48480001010101010101010101010101010101010101010101010101010101010101010101010101010101010101010101010101010101010101010101010101010101010101010101010101010101010101010101010101010101010101010101010101010101010101010101010101010101010101010101070101010101010101010101010101010101010101010101070101010101010101010101010101010101010101010101010101010203000000001701010101010101010101010101010101020312010102031201010101010101010101010101150101130e0f01010102181101010101010101010101010115010113090a01010101010101010101010101010101010101010113090a010101010101010101010101010101010101010101130e0f01010101010101010101010101010101010101010108000401010101010101010101010101010101010101010102031201010101010101010101010b00090a010101010101050d090a01010101010101010101050d040101010101010101080017010101010101010b0000000000101101010101010101130e0f0101010b120114150a050d0c161101010101010101050d0e0f01050d1011010812050d0401010101010101010101010800000000090a01010b0c0d040101010101010101010101010101010101010101050607040101010101010101010101010101010101010101010203040101010101010101010101010101010101010101010101010101010101010101010101010101010101010101010101010101010101010101010101010101010101010101010101010101010101010c00000040092900aa000000000000001900150000000000040000002701ffff030000000000>), → D ≈ >0100090000036e1500000000620c00000000620c000026060f00ba18574d46430100000000000100cd7c0000000001000000981800000000000098180000010000006c0000000000000000000000560000003000000000000000000000007e080000c804000020454d4600000100981800000c00000001000000000000000000000000000000000500002003000040010000c800000000000000000000000000000000e20400400d0300460000002c00000020000000454d462b014001001c000000100000000210c0db010000006000000060000000460000005005000044050000454d462b224004000c000000000000001e4009000c00000000000000244001000c000000000000003040020010000000040000000000803f214007000c00000000000000084000059c040000900400000210c0db01000000000000000000000000000000000000000100000089504e470d0a1a0a0000000d49484452000000570000003108020000002007a27c000000017352474200aece1ce9000000097048597300000ec400000ec401952b0e1b00000418494441546843ed5a3d52f3301035df49ccd05070083234c9a4cd0d42c3a47526676048fb4d9ae406b419dc30f62152a461e29b18ad7e57b66cc9b165208e2b0cd2eefa69f749fbc44d9ee7c1e09f7f83470000b8a240d3805484c39344979b33e4f3dd7221fb3a0451e280d65f1c72ad089ee18eb9708cc7f7e1e516851b0ae4fb1fee868e02d0c2453f4eb990755f10d96e72c39e65ca00a6bfd15ec81f27bbac17f85d589dec93e3edc965648331a7ed384066e96be1bd7ba715f1b9e4021444f7b410ce5751101ff95a679fef41148de3f74ff18b631cade63d711143215df2f44419aa65a2971d22bc1f07eb3d2d080061b6983e4858d2fd3a9a3ecad096a92c212f45427384a43c3b14415e968e475e0a427863ee9288663f1c51f9bb0a43ab1518d17da1e82768e2b0ecc2884c0302a8190aa6c1210781c2c0ded15a8841cc8e04aa9b089815c90bb4286e9fe35e285938099f664005bbfd61f644298014097bdf2ea01c7a7b38c022050cd9efad206451d46c15bc4a456a143696aef28155046e194db4e0b193a2df85ec970b9ff1827c7cc462efac3dd282db52eabce036a7e128fb79c1c3c1b1b77277756447c1d592a771e912283b7ebe15876b1f7e6e48eed4da25a795dbe32a7feb95b27d7c699d4d975cf07270ecfb436bfd595120b4a0195047ed0bfac98642a9936ac8be7f63b80d855f95b8de82b1a130847dd2e956a67b69c1db9a9e6bd8920b17af3832dc6c2874af389ebb5eede69196b9469eb1f1423bdf8d6783a2d4464cc2a2993244acbe1eb4960cc6a1c3683d0a558aa352902b4246d1389f7cc1e84bb0c93fa4da5888d58229cc1f1d844aacdae47449ac6e66daecc7b73c9fee154eb51bba517b42b29cb9dd438284de276b1212efe845a3acbb52ddb473235da1c571198b994f22cd9cf4893a6b5781056b5eb6aeb7f8773c57f357c0fb74222aa45905ad58363308056d42533290035a112c7f476bd2bafd4f51e6544af0b2b308ef946c6c48589096b71ba4a7934c4c82112949e272142432f9c9c018efc8611836e614d38470fea1142dc040ef0a41f13b7c65748fc8c285549cd6afdddd0691a6f8b85255cea364401008cee85335f2937d8c9d793818468f7025022808e01f1744db8a9f5f240e9507477599422e6c8c2d2750d57e6a72cbb2806544d3f506522b3f747de1724386054bbb9b34d86c74a38c59058594d88c0d56c5ad953d1a8d276a8c84b9a0c82f651e6ca6bad3d851e82ef7169c8e4aba23b5c514e96ac5516d432a74351a6bb9185475ed20a0576815d951575c1def610a5c689f25622eabafcc147c5d23095e5eac9cd94bff84c86bda2965f8a22c1aa170e6c7a3697de380d2cfa8c49f7166690f82a41c7b22b77756385d54dc47701cfa08a8fd27b5b750d147d07f2e18ce53d94dd1c3c3000416bad4d6fb884124c42fd3177e08f32b0a00fc150540e11b9a3c926cdaf049a60000000049454e44ae426082000840010824000000180000000210c0db01000000030000000000000000000000000000001b40000040000000340000000100000002000000000000bf000000bf0000ae420000444203000000000000b3000000b3ffffad42000000b3000000b3ffff43422100000008000000620000000c00000001000000150000000c00000004000000150000000c0000000400000051000000e41100000000000000000000560000003000000000000000000000000000000000000000570000003100000050000000bc0000000c010000d8100000000000002000cc0057000000310000002800000057000000310000000100080000000000000000000000000000000000250000000000000000000000ffffff00bfffff00000074009cdfff0074004800ffffbf0074bfff009c480000ffffdf00bf740000489cdf000074bf00df9c4800dfffff0000489c00ffbf740048000000ffdf9c00000048007474480048004800740074007400000048489c00bfdf9c00480074009c4874009c484800bfffdf0048749c00749c9c00484848007474bf00dfdfdf00bfbf74004874bf00010101010101010101010101010101010101010101010101010101010101010101010101010101010101010101010101010101010101010101010101010101010101010101010101010101010101010101010101010101ff010101010101010101010101010101010101010101010101010101010101010101010101010101010101010101010101010101010101010101010101010101010101010101010101010101010101010101010101010101ff010101010101010101010101010101010101010101010101010101010101010101010101010101010101010101010101010101010101010101010101010101010101010101010101010101010101010101010101010101ff010101010101010101010101010101010101010101010101010101010101010101010101010101010101010101010101010101010101010101010101010101010101010101010101010101010101010101010101010101ff010101010101010104050601010101010101010101010101010101010101010101010101010101010101010101010101010101010101010101010101010101010101010101010101010101010101010101010101010101ff01010101010101010c111201010101010101010101010101010101010101010101010101010101010101010101010101010101010101010101010101010101010101010101010101010101010101010101010101010101ff010101010101010413111201010101010101010101010101010101010101010101010101010101010101010101010101010101010101010101010101010101010101010101010101010101010101010101010101010101ff0101010101010e0f00001001010101010101010101010101010101010101010101010101010101010101010101010107111201010101010101010101010101010101010101010101010101010101010101010c08090101ff01010101010107000a0c0d01010101010101010101010101010101010101010101010101010101010101010101010b0a0101010101010101010101010101010101010101010101010101010101010101010101041c0901ff01010101010e0f17060c0d010101010101010101010101012412010101010101010101010101010101010101010405060101010101010101010101010101010101010101010101010101010101010101010101010b0d01ff010101010107000d010b0a010101010101020300001001010405060203000000001001012412010101021606010b0d0101010b000000000d0101010101010101010101010b000000000d01010101010101010101040506ff010101010203170601070a0101010101010c0a010415120102160601070a010107100101021a1201020310010e0f1001010101010c0a010101010101010101010101010700100102030d010101010101010101010e1812ff010101010b000d010107080901010101020310010e0f0d0101010101010b0a010101010101020323031001010e0f1001010101010b0a0101010101010101010101010e0f0a0101010b0d010101010101010101010e0f10ff01220102030809010104050601010101021a1201010c0a01010101010101070a0101010101010203100101010e0f1001010101010b0a01010102030000000000001002030d0101010101010101010101010101010e0f10ff01070000001001010104050601010101021a1201010c0a01010101010101010b0d01010101020323031001010e0f1001010101010b0a01010101010101010101010102030d0101010101010104130010010101010e1812ff010101070809010101021a1201010101020310010e0f0d0101010101010101041512010102031001021a1201010b0d01010122010b0a01010101010101010101010102030d01010101010b000000001706010101040506ff0101010101010101010e181201010101010b0a0104151201010101021a120107111201010c1001010102160601041c0901010b00000a010101010101010101010101010c080901010101021b090b0d21060101010b0d01ff0101010101010101010e0f1001010101010e0f00000d010101010101020300000a010101010101010101010101010b08090101010c0a0101010101010101010101010104130d01010c0d01070d0b0d0101010107080901ff010101010101010101010c0d010101010101010101010101010101010101010101010101010101010101010101010104151201010101010101010101010101010101010102030000000d01010b200d0101010c0a010101ff010101010101010101010c0d01010101010101010101010101010101010101010101010101010101010101010101010101010101010101010101010101010101010101010101010101010101010c0d0101010101010101ff010101010101010101010b0a010101010101010101010101010101010101010101010101010101010101010101010101010101010101010101010101010101010101010101010101010101010101010101010101010101ff01010101010101010101070a010101010101010101010101010101010101010101010101010101010101010101010101010101010101010101010101010101010101010101010101010101010101010101010101010101ff010101010101010101010708090101010101010101010101010101010101010101010101010101010101010101010101010101010101010101010101010101010101010101010101010101010101010101010101010101ff01010101010101010101040506010101010101010101010101010101010101010101010101010101010101010101010101010101010101010101010101010101010101010101010101010101010101010101010101010102010101010101010101010405060101010101010101010101010101010101010101010101010101010101010101010101010101010101010101010101010101010101010101010101010101010101010101010101010101ff01010101010101010101021a12010101000000000000000000000000000000000000000000000000000000000000000000000000000000000000000000000000000000000000000000000000000000000000000000000000010101010101010101010e1812010101010101010101010101010101010101010101010101010101010101010101010101010101010101010101010101010101010101010101010101010101010101010101010101010100010101010101010101010e0f1001010101010101010101010101010101010101010101010101010101010101010101010101010101010101010101010101010101010101010101010101010101010101010101010101010001010101010101010101010c0d010101010101010101010101010101010101010101010101010101010101010101010101010101010700000a0101010101010101010101010101010101010101010101010101010101010001010101010101010101010c0d01010101010101010101010101010101010101010101010101010101010101010101010101010101010b08090101010101010101010101010101010101010101010101010101010101010001010101010101010101010b0a01010101010101010101010101010101010101010101010101010101010101010101010101010101010b0809010101010101010101010101010101010101010101010101010101010101000102030000170601010101070a01010101010101010101010101010101010101010101010101010101010e0f0a0101010c08090101010b00000000100101010101010101010101010101010101010101010101010101010001021b09010c0d010101010708090101010101010101010101010101010101010101010101010101010104130809010e0f11120101010b1706010b11120101010101010101010101010101010101010101010101010101000101020300080901010101040506010101010101010101010101010101010101010101010101010101010b081e120104151f0d0101010b08090102031001010101010101010101010101010101010101010101010101010001010101041c09010101010405060101010101010101010101010101010101010101010101010101010e0f0d070d0107081d160601010b080901020310010101010101010101010101010101010101010101010101010100010216060e0f1001010101021a12010101010101010101010101010101010101010101010101010101041310021b090c0a010c1001010b000d0107111201010101010101010101010101010101010101010101010101010001020300001706010101010e18120101010101010101010101010101010101010101010101010101010b17060e1819031001070a0107000a0b00000d0101010101010101010101010101010101010101010101010101010001010101010101010101010e0f100101010101010101010101010101010101010101010101010101010c0a01010b1415120102160601010101010101010101010101010101010101010101010101010101010101010101000101010101010101010101010c0d010101010101010101010101010101010101010101010101010104130d010104130809010e0f0d01010101010101010101010101010101010101010101010101010101010101010101000101010101010101010101010c0d010101010101010101010101010101010101010101010101010e0f000010010e0f0a01010b001112010101010101010101010101010101010101010101010101010101010101010101000101010101010101010101010b0a0101010101010101010101010101010101010101010101010101010101010101010101010101010101010101010101010101010101010101010101010101010101010101010101010100010101010101010101010101070a0101010101010101010101010101010101010101010101010101010101010101010101010101010101010101010101010101010101010101010101010101010101010101010101010100010101010101010101010101070809010101010101010101010101010101010101010101010101010101010101010101010101010101010101010101010101010101010101010101010101010101010101010101010101000101010101010101010101010405060101010101010101010101010101010101010101010101010101010101010101010101010101010101010101010101010101010101010101010101010101010101010101010101010001010101010101010101010104050601010101010101010101010101010101010101010101010101010101010101010101010101010101010101010101010101010101010101010101010101010101010101010101010100010101010101010101010101020300000000000000000000000000000000000000000000000000000000000000000000000000000000000000000000000000000000000000000000000000000000000000000000000001000101010101010101010101010101010101010101010101010101010101010101010101010101010101010101010101010101010101010101010101010101010101010101010101010101010101010101010101010101010001010101010101010101010101010101010101010101010101010101010101010101010101010101010101010101010101010101010101010101010101010101010101010101010101010101010101010101010101010100010101010101010101010101010101010101010101010101010101010101010101010101010101010101010101010101010101010101010101010101010101010101010101010101010101010101010101010101010101004c0000006400000000000000000000005600000030000000000000000000000057000000310000002900aa0000000000000000000000803f00000000000000000000803f0000000000000000000000000000000000000000000000000000000000000000220000000c000000ffffffff460000001c00000010000000454d462b024000000c000000000000000e000000140000000000000010000000140000000400000003010800050000000b0200000000050000000c0231005700030000001e0004000000070104000400000007010400d7080000410b2000cc00310057000000000031005700000000002800000057000000310000000100080000000000000000000000000000000000250000000000000000000000ffffff00bfffff00000074009cdfff0074004800ffffbf0074bfff009c480000ffffdf00bf740000489cdf000074bf00df9c4800dfffff0000489c00ffbf740048000000ffdf9c00000048007474480048004800740074007400000048489c00bfdf9c00480074009c4874009c484800bfffdf0048749c00749c9c00484848007474bf00dfdfdf00bfbf74004874bf00010101010101010101010101010101010101010101010101010101010101010101010101010101010101010101010101010101010101010101010101010101010101010101010101010101010101010101010101010101ff010101010101010101010101010101010101010101010101010101010101010101010101010101010101010101010101010101010101010101010101010101010101010101010101010101010101010101010101010101ff010101010101010101010101010101010101010101010101010101010101010101010101010101010101010101010101010101010101010101010101010101010101010101010101010101010101010101010101010101ff010101010101010101010101010101010101010101010101010101010101010101010101010101010101010101010101010101010101010101010101010101010101010101010101010101010101010101010101010101ff010101010101010104050601010101010101010101010101010101010101010101010101010101010101010101010101010101010101010101010101010101010101010101010101010101010101010101010101010101ff01010101010101010c111201010101010101010101010101010101010101010101010101010101010101010101010101010101010101010101010101010101010101010101010101010101010101010101010101010101ff010101010101010413111201010101010101010101010101010101010101010101010101010101010101010101010101010101010101010101010101010101010101010101010101010101010101010101010101010101ff0101010101010e0f00001001010101010101010101010101010101010101010101010101010101010101010101010107111201010101010101010101010101010101010101010101010101010101010101010c08090101ff01010101010107000a0c0d01010101010101010101010101010101010101010101010101010101010101010101010b0a0101010101010101010101010101010101010101010101010101010101010101010101041c0901ff01010101010e0f17060c0d010101010101010101010101012412010101010101010101010101010101010101010405060101010101010101010101010101010101010101010101010101010101010101010101010b0d01ff010101010107000d010b0a010101010101020300001001010405060203000000001001012412010101021606010b0d0101010b000000000d0101010101010101010101010b000000000d01010101010101010101040506ff010101010203170601070a0101010101010c0a010415120102160601070a010107100101021a1201020310010e0f1001010101010c0a010101010101010101010101010700100102030d010101010101010101010e1812ff010101010b000d010107080901010101020310010e0f0d0101010101010b0a010101010101020323031001010e0f1001010101010b0a0101010101010101010101010e0f0a0101010b0d010101010101010101010e0f10ff01220102030809010104050601010101021a1201010c0a01010101010101070a0101010101010203100101010e0f1001010101010b0a01010102030000000000001002030d0101010101010101010101010101010e0f10ff01070000001001010104050601010101021a1201010c0a01010101010101010b0d01010101020323031001010e0f1001010101010b0a01010101010101010101010102030d0101010101010104130010010101010e1812ff010101070809010101021a1201010101020310010e0f0d0101010101010101041512010102031001021a1201010b0d01010122010b0a01010101010101010101010102030d01010101010b000000001706010101040506ff0101010101010101010e181201010101010b0a0104151201010101021a120107111201010c1001010102160601041c0901010b00000a010101010101010101010101010c080901010101021b090b0d21060101010b0d01ff0101010101010101010e0f1001010101010e0f00000d010101010101020300000a010101010101010101010101010b08090101010c0a0101010101010101010101010104130d01010c0d01070d0b0d0101010107080901ff010101010101010101010c0d010101010101010101010101010101010101010101010101010101010101010101010104151201010101010101010101010101010101010102030000000d01010b200d0101010c0a010101ff010101010101010101010c0d01010101010101010101010101010101010101010101010101010101010101010101010101010101010101010101010101010101010101010101010101010101010c0d0101010101010101ff010101010101010101010b0a010101010101010101010101010101010101010101010101010101010101010101010101010101010101010101010101010101010101010101010101010101010101010101010101010101ff01010101010101010101070a010101010101010101010101010101010101010101010101010101010101010101010101010101010101010101010101010101010101010101010101010101010101010101010101010101ff010101010101010101010708090101010101010101010101010101010101010101010101010101010101010101010101010101010101010101010101010101010101010101010101010101010101010101010101010101ff01010101010101010101040506010101010101010101010101010101010101010101010101010101010101010101010101010101010101010101010101010101010101010101010101010101010101010101010101010102010101010101010101010405060101010101010101010101010101010101010101010101010101010101010101010101010101010101010101010101010101010101010101010101010101010101010101010101010101ff01010101010101010101021a12010101000000000000000000000000000000000000000000000000000000000000000000000000000000000000000000000000000000000000000000000000000000000000000000000000010101010101010101010e1812010101010101010101010101010101010101010101010101010101010101010101010101010101010101010101010101010101010101010101010101010101010101010101010101010100010101010101010101010e0f1001010101010101010101010101010101010101010101010101010101010101010101010101010101010101010101010101010101010101010101010101010101010101010101010101010001010101010101010101010c0d010101010101010101010101010101010101010101010101010101010101010101010101010101010700000a0101010101010101010101010101010101010101010101010101010101010001010101010101010101010c0d01010101010101010101010101010101010101010101010101010101010101010101010101010101010b08090101010101010101010101010101010101010101010101010101010101010001010101010101010101010b0a01010101010101010101010101010101010101010101010101010101010101010101010101010101010b0809010101010101010101010101010101010101010101010101010101010101000102030000170601010101070a01010101010101010101010101010101010101010101010101010101010e0f0a0101010c08090101010b00000000100101010101010101010101010101010101010101010101010101010001021b09010c0d010101010708090101010101010101010101010101010101010101010101010101010104130809010e0f11120101010b1706010b11120101010101010101010101010101010101010101010101010101000101020300080901010101040506010101010101010101010101010101010101010101010101010101010b081e120104151f0d0101010b08090102031001010101010101010101010101010101010101010101010101010001010101041c09010101010405060101010101010101010101010101010101010101010101010101010e0f0d070d0107081d160601010b080901020310010101010101010101010101010101010101010101010101010100010216060e0f1001010101021a12010101010101010101010101010101010101010101010101010101041310021b090c0a010c1001010b000d0107111201010101010101010101010101010101010101010101010101010001020300001706010101010e18120101010101010101010101010101010101010101010101010101010b17060e1819031001070a0107000a0b00000d0101010101010101010101010101010101010101010101010101010001010101010101010101010e0f100101010101010101010101010101010101010101010101010101010c0a01010b1415120102160601010101010101010101010101010101010101010101010101010101010101010101000101010101010101010101010c0d010101010101010101010101010101010101010101010101010104130d010104130809010e0f0d01010101010101010101010101010101010101010101010101010101010101010101000101010101010101010101010c0d010101010101010101010101010101010101010101010101010e0f000010010e0f0a01010b001112010101010101010101010101010101010101010101010101010101010101010101000101010101010101010101010b0a0101010101010101010101010101010101010101010101010101010101010101010101010101010101010101010101010101010101010101010101010101010101010101010101010100010101010101010101010101070a0101010101010101010101010101010101010101010101010101010101010101010101010101010101010101010101010101010101010101010101010101010101010101010101010100010101010101010101010101070809010101010101010101010101010101010101010101010101010101010101010101010101010101010101010101010101010101010101010101010101010101010101010101010101000101010101010101010101010405060101010101010101010101010101010101010101010101010101010101010101010101010101010101010101010101010101010101010101010101010101010101010101010101010001010101010101010101010104050601010101010101010101010101010101010101010101010101010101010101010101010101010101010101010101010101010101010101010101010101010101010101010101010100010101010101010101010101020300000000000000000000000000000000000000000000000000000000000000000000000000000000000000000000000000000000000000000000000000000000000000000000000001000101010101010101010101010101010101010101010101010101010101010101010101010101010101010101010101010101010101010101010101010101010101010101010101010101010101010101010101010101010001010101010101010101010101010101010101010101010101010101010101010101010101010101010101010101010101010101010101010101010101010101010101010101010101010101010101010101010101010100010101010101010101010101010101010101010101010101010101010101010101010101010101010101010101010101010101010101010101010101010101010101010101010101010101010101010101010101010101000c00000040092900aa000000000000003100570000000000040000002701ffff030000000000>
Где С = >0100090000037404000000001803000000001803000026060f002606574d4643010000000000010054f20000000001000000040600000000000004060000010000006c000000000000000000000009000000220000000000000000000000f90000006a03000020454d4600000100040600000c00000001000000000000000000000000000000000500002003000040010000c800000000000000000000000000000000e20400400d0300460000002c00000020000000454d462b014001001c000000100000000210c0db010000006000000060000000460000001c02000010020000454d462b224004000c000000000000001e4009000c00000000000000244001000c000000000000003040020010000000040000000000803f214007000c0000000000000008400005680100005c0100000210c0db01000000000000000000000000000000000000000100000089504e470d0a1a0a0000000d494844520000000a00000023080200000022f30c14000000017352474200aece1ce9000000097048597300000ec400000ec401952b0e1b000000e449444154384fcd92cd0dc2300c859d4e52890b078628b754acd36ed1119a0db8227141ed105c51b349b093387f15951020e153eb2f79b6e3278c31f03aaa0d86a8c4732f305aa5fd3514cf6319257493cfc10a4f5da486312643c871e14b1613f339944e28ddce8a65d2c654a06fe7abdcd74e7abe0ce19bfed3c1b46a8f031c76b5563d4fe6c46d6051d761ac2ebefaa8c50ade5cc9f6024bfac79d7f38b7b54d6a251c3d3891bd464be535dab3fe84b722a6128bd101c75d6be82172c9fac12dd68f3b74a78629fdb2e350212d9cdb9a8d1c0adbbe621b108ce8a5e350d4da4f17fa04ffca235a27b18a300000000049454e44ae426082000840010824000000180000000210c0db01000000030000000000000000000000000000001b40000040000000340000000100000002000000000000bf000000bf0000204100000c4203000000000000b3000000b3ffff1f41000000b3000000b3ffff0b422100000008000000620000000c00000001000000150000000c00000004000000150000000c00000004000000510000008402000000000000000000000900000022000000000000000000000000000000000000000a000000230000005000000090000000e0000000a4010000000000002000cc000a00000023000000280000000a0000002300000001000800000000000000000000000000000000001a0000000000000000000000ffffff000074bf00df9c4800dfffff0000489c00ffbf7400bfffff0074007400ffffbf0074bfff009c480000ffffdf0048000000ffdf9c00489cdf009cdfff00480048004800740074000000dfffbf009c749c00bfdf9c000000740074004800bf7400000101010101010101010100000101010101010101010100000101010101010101010100000f00000000190101010100000405030101020d0e01010000010f0b0c0101020b0c01000001101809010110110e01470501071706010107170601000001010203010107170601000001010f0b0c010213090100000107170000001309010100000101010101010101010100000101010101010101010100000101010101010101010147050101010101010101010100000101010101010101010100000101010101010101010100000101010101010101010100000000000000000000000000000101010101010101010100000101010101010101010147050101010101010101010100000101010101010101010100000101010101010101010100000405000d16170d0e0101000010110e04051314150c01000010110e0107120e0101010000040506010102060101014705010a0d0e010f03010101000001010a0000000b0c010100000101010101070809010100000101010101040506010100000101010101020003010100000101010101010101010100000101010101010101010145054c000000640000000000000000000000090000002200000000000000000000000a000000230000002900aa0000000000000000000000803f00000000000000000000803f0000000000000000000000000000000000000000000000000000000000000000220000000c000000ffffffff460000001c00000010000000454d462b024000000c000000000000000e000000140000000000000010000000140000000400000003010800050000000b0200000000050000000c0223000a00030000001e000400000007010400040000000701040027010000410b2000cc0023000a000000000023000a0000000000280000000a0000002300000001000800000000000000000000000000000000001a0000000000000000000000ffffff000074bf00df9c4800dfffff0000489c00ffbf7400bfffff0074007400ffffbf0074bfff009c480000ffffdf0048000000ffdf9c00489cdf009cdfff00480048004800740074000000dfffbf009c749c00bfdf9c000000740074004800bf7400000101010101010101010100000101010101010101010100000101010101010101010100000f00000000190101010100000405030101020d0e01010000010f0b0c0101020b0c01000001101809010110110e01470501071706010107170601000001010203010107170601000001010f0b0c010213090100000107170000001309010100000101010101010101010100000101010101010101010100000101010101010101010147050101010101010101010100000101010101010101010100000101010101010101010100000101010101010101010100000000000000000000000000000101010101010101010100000101010101010101010147050101010101010101010100000101010101010101010100000101010101010101010100000405000d16170d0e0101000010110e04051314150c01000010110e0107120e0101010000040506010102060101014705010a0d0e010f03010101000001010a0000000b0c010100000101010101070809010100000101010101040506010100000101010101020003010100000101010101010101010100000101010101010101010145050c00000040092900aa0000000000000023000a0000000000040000002701ffff030000000000>
d – внутренний диаметр кольца
D – наружный диаметр кольца
Полученные значения диаметра, выраженное в миллиметрах, следует округлить в сторону увеличения до ближайшего целого четного числа или числа, оканчивающего на 5
Условие жесткости при кручении имеет вид:
>0100090000032605000000007803000000007803000026060f00e606574d464301000000000001001ada0000000001000000c406000000000000c4060000010000006c0000000000000000000000140000001800000000000000000000000c0200007002000020454d4600000100c40600000c00000001000000000000000000000000000000000500002003000040010000c800000000000000000000000000000000e20400400d0300460000002c00000020000000454d462b014001001c000000100000000210c0db01000000600000006000000046000000380200002c020000454d462b224004000c000000000000001e4009000c00000000000000244001000c000000000000003040020010000000040000000000803f214007000c000000000000000840000584010000780100000210c0db01000000000000000000000000000000000000000100000089504e470d0a1a0a0000000d494844520000001500000019080200000051b7f2ba000000017352474200aece1ce9000000097048597300000ec400000ec401952b0e1b0000010049444154384fed53bb11c2300cb533097734140c913239c66085640a1821d98096230d970c4141c3c59b84489663c984cf9d0b28506359d6d3e749d6c330a8084922b000fde3e308fc25fe4c9debb2c37eba5293e4b579d9e1b87f207d952995553de86de1546e25c7e05078f708a9e3832ada792c58012f9c78a820d85c94112f1058f194f06dfa2151e676f10499f3a151c526b596eeb81f83d10dd8b5222895e58744384a915f5b16684434f58f35a36d825b936cc475250258fea9083e689f829ebd01b2b8606e7fd35d30c6d376f1c9cfe0fb8f4cae974f70cd951611dcb295f36243e57585b3f66f8ffc310a64d72208ee020adf470d3388906fffff3b5902d6a19a57a7290000000049454e44ae426082000840010824000000180000000210c0db01000000030000000000000000000000000000001b40000040000000340000000100000002000000000000bf000000bf0000a8410000c84103000000000000b3000000b3ffffa741000000b3000000b3ffffc7412100000008000000620000000c00000001000000150000000c00000004000000150000000c000000040000005100000028030000000000000000000014000000180000000000000000000000000000000000000015000000190000005000000080000000d000000058020000000000002000cc0015000000190000002800000015000000190000000100080000000000000000000000000000000000160000000000000000000000ffffff00dfffff0000489c00ffbf740074bfff0048000000ffdf9c009cdfff0000004800df9c48009c480000ffffdf00bfffff00000074000074bf0074000000ffffbf00489cdf00bf7400004800480048007400010101010101010101010101010101010101010101010101010101010101010101010101010101010101010101010101010101010101010101010101010101010101010101010101010101050607010101010101010d0e0000040101010101010101010d0e04010101010101010f130108140701010107010101010203130101010101010d0e040102030a0101010701010101010f0b0c01010101010d150701010f13010101010101010500000000000a0101010d150701010f1301010101010112000a05060708091011010d0e040102030a01010115010d0e13010d0e0a010d0e0b0c01121301081407010101150108090a01020313010105000401020300000a0101010101010d0e0a0101121011010d0e13010101010101010101010101010f10110105060701010f0b0c0101010101010101010101010d0e0a010d0e0a01010f10110101010101010101010101010108090a0105060702030b0c01010101010101010101010101010203040105000006070101010101010101010101010101010101010101010101010101010101010101010101010101010101010101010101010101010101010101010101010101010101010101010101010101010101010101010101010101010101010101010101010101010101010101010101010101010101010101010101010101010101010101010101010101010101010101010101010101010101010101010101010101010101010101010101010101010101010101010101010101010101010101010101010101010101010101010101010101010101010101010101010101010101010101010101014c0000006400000000000000000000001400000018000000000000000000000015000000190000002900aa0000000000000000000000803f00000000000000000000803f0000000000000000000000000000000000000000000000000000000000000000220000000c000000ffffffff460000001c00000010000000454d462b024000000c000000000000000e000000140000000000000010000000140000000400000003010800050000000b0200000000050000000c0219001500030000001e000400000007010400040000000701040079010000410b2000cc00190015000000000019001500000000002800000015000000190000000100080000000000000000000000000000000000160000000000000000000000ffffff00dfffff0000489c00ffbf740074bfff0048000000ffdf9c009cdfff0000004800df9c48009c480000ffffdf00bfffff00000074000074bf0074000000ffffbf00489cdf00bf7400004800480048007400010101010101010101010101010101010101010101010101010101010101010101010101010101010101010101010101010101010101010101010101010101010101010101010101010101050607010101010101010d0e0000040101010101010101010d0e04010101010101010f130108140701010107010101010203130101010101010d0e040102030a0101010701010101010f0b0c01010101010d150701010f13010101010101010500000000000a0101010d150701010f1301010101010112000a05060708091011010d0e040102030a01010115010d0e13010d0e0a010d0e0b0c01121301081407010101150108090a01020313010105000401020300000a0101010101010d0e0a0101121011010d0e13010101010101010101010101010f10110105060701010f0b0c0101010101010101010101010d0e0a010d0e0a01010f10110101010101010101010101010108090a0105060702030b0c01010101010101010101010101010203040105000006070101010101010101010101010101010101010101010101010101010101010101010101010101010101010101010101010101010101010101010101010101010101010101010101010101010101010101010101010101010101010101010101010101010101010101010101010101010101010101010101010101010101010101010101010101010101010101010101010101010101010101010101010101010101010101010101010101010101010101010101010101010101010101010101010101010101010101010101010101010101010101010101010101010101010101010101010c00000040092900aa000000000000001900150000000000040000002701ffff030000000000>>
>
= >010009000003780b000000000407000000000407000026060f00fe0d574d46430100000000000100c0cb0000000001000000dc0d000000000000dc0d0000010000006c000000000000000000000030000000250000000000000000000000c8040000b503000020454d4600000100dc0d00000c00000001000000000000000000000000000000000500002003000040010000c800000000000000000000000000000000e20400400d0300460000002c00000020000000454d462b014001001c000000100000000210c0db01000000600000006000000046000000c4030000b8030000454d462b224004000c000000000000001e4009000c00000000000000244001000c000000000000003040020010000000040000000000803f214007000c000000000000000840000510030000040300000210c0db01000000000000000000000000000000000000000100000089504e470d0a1a0a0000000d4948445200000031000000260802000000e22de468000000017352474200aece1ce9000000097048597300000ec400000ec401952b0e1b0000028d494441545847ed58b16ec2301035fd92a02e0c7c04114b106bfe0096aa6ba27e032a6bc512fea02b2a4b157f44876ef027e99d2f366727310e521143bc2438e7bbcbbd77e639a3aaaac4838da707cb07d37912e7fd62a4462e597e7a76b13fdf3f6bc0ae2ab3244984c84afca1c6a980dfd68c79f4ff371abb34cdc4f6a02b253fd6d32cbb7f8128629dd3f1f77909496d082979f8295e972c259913bc7a58300b7abad84bc602b382991a96802dc6b1f8a19de003c20e7143bc92e28457bcc0a441930c6a538eb10535ae52ce0ceaccc7e556c7d1fed4329cd4dc6139d5499545a21ef29c58680aec0c1ec6bd672cad578167e685a8cbddf2bd209aa7c9711d7fa6afb3162a41a5c7eb69f9b58a6ee4998133de363d1c3fbf4d835bfb53b47a835748e72d51658e0955ef902d2467f3292447482816755f13ba3464fe2276089d588fcd6ea4dbdeaa9e99ac67b9970b5b9c8d43d14f5b6a46a2b5c2c57501c66cc3a96fc974048e43def39e368ff9df72cf0a84c51aea1456a747b41afa2e0c9581e3439dc22a106675954fb6c40c1104464ede7cbef0497ef56f6dd4169782570e0a2d7ab0c7d142e9cc8e819e5b65a556adb684bc08e4368dda23270f76f2b0ed10788a16b3f752c4468601c49bc909259f3b08fc5cf680f4d632d13a02a901953d61296e7ff195d3ab1caf5fbbfdb40cc5aaa05aa86adb4ac44a96143b12f23338b31d7fcfbe0ef4e4144d92cbea68b543c267a51d9b64360731acddbd56be9ce01823b67177fb1387a042542dfb8383135597e6bcdf004b27aa649dc3df0f5abbebe5acd3e023837dd4ebec3bc749f3c0e7e4e0db0b7ab4af63dae478f79ed28c12caf15e34c15d245bb6ec0b815e6e2f46c74a40ca42c71cecae62a61d0e3a330cbb7fe15358e84eab3f691d4209c9eea3bf0000000049454e44ae4260820840010824000000180000000210c0db01000000030000000000000000000000000000001b40000040000000340000000100000002000000000000bf000000bf000044420000184203000000000080b3000080b3ffff4342000080b3000080b3ffff17422100000008000000620000000c00000001000000150000000c00000004000000150000000c0000000400000051000000b40800000000000000000000300000002500000000000000000000000000000000000000310000002600000050000000ac000000fc000000b8070000000000002000cc0031000000260000002800000031000000260000000100080000000000000000000000000000000000210000000000000000000000ffffff009cdfff0000004800bf740000dfffff0000489c009c480000ffffdf0074bfff004848480074000000ffffbf009c9c480000007400ffbf74000074bf0074747400bfffff009c48740074bfdf00489cbf00df9c4800489cdf0048000000ffdf9c0048004800bf9c480074489c004800740074007400bfbf74004874bf00010101010101010101010101010101010101010101010101010101010101010101010101010101010101010101010101010000000101010101010101010101010101010101010101010101010101010101010101010101010101010101010101010101010100000001010101010101010101010101010101010101010101010101010101010101010101010101010101010101010101010101000000010101010101010101010101010101010101010101010101010101170f01010109000004010101010101010101010101010000000101010101010101010101010101010101010101010101010101010110040101011707080101010101010101010101010100000001010101010101010101010101010101010101010101010101010101090b0c010117070801010101010101010101010101000000010101010101010101011700000000040101012019010101121e0c01090b0c010117000000000f0101010101010101010100000001010101010101010117000f01050604010101121d1901120e0f0101090b0c0101170b0c011718190101010101010101010000000101010101010101050604010105060401010101120e1f0e0f010101090b0c010117070801120e0f0101010101010101010000000101010101010101120e1601011700000f01010101120e0f01010101090b0c010117070801120e0f0101010101010101010000000101010101010101120e16010101010101010101120e1f0e0f010101090b0c0101170016010918190101010101010101010000000101010101010101120e160101010101010101120e0f01121d190101090b0c01090004170000160101010101010101010100000001010101010101010110070801010101010101100f010101121e0c01090b0c01010101010101010101010101010101010100004801010101010101010102031601011704010101010101010101010101090b0c01010101010101010101010101010101010100489c01010101010101010101120e0000000401010101010101010101010203000708010101010101010101010101010101010174bfff01010101010101010101010101010101010101010101010101010101010101010101010101010101010101010101010101ffffff01010101010101010101010101010101010101010101010101010101010101010101010101010101010101010101010101ffffff0101010101010101010101010101010101010101010101010101010101010101010101010101010101010101010101010100000001010101010101010101010101010101010101010101010101010101010101010101010101010101010101010101010101ffffbf01010101010101010101010101010101010101010101010101010101010101010101010101010101010101010101010101ffbf7401010101010101010101010101010101010101010101010101010101010101010101010101010101010101010101010101ffffff00000000000000000000000000000000000000000000000000000000000000000000000000000000000000000000000000740000010101010101010101010101010101010101010101010101010101010101010101010101010101010101010101010101010000000101010101010101010101010101010101010101010101010101010101010101010101010101010101010101010101010100000001010101010101010101010101010101010101010101010101010101010101010101010101010101010101010101010101bfffff01010101010101010101010101010101010101010101010101010101010101010101010101010101010101010101010101ffffff01010101010101010101010101010101010101010101010101010101010101010101010101010101010101010101010101ffffff02030016010101020300070809000000000b0c010101020300040900001609000016120e0000000004170004050600070800000001090401121d1901090b0c0101100401051c0c010101011707080117070801170401090b0c0109070801091605060b0c010000000109040117001601090b0c010105060401010101010101170708011707080117040101090000000708010117000708010100000001090405061b1c0c090b0c0101010506160101010101011707080117070801170401010101010907080101170016010101000000010904021a191716090b0c01090401120e0f01010101011700160110000f01100401120e0f0117070801090708170401010000000109041007081213140b0c0109000000000b0c0101010900071500000f1000000f0101050600001601170018190900070800000001090d0e0f010110110b0c010101010101010101010101010101010101010101010101010101010101010101010101010100000001090a0b0c010102030b0c01010101010101010101010101010101010101010101010101010101010101010101010101010000000203000401010105060007080101010101010101010101010101010101010101010101010101010101010101010101010100000001010101010101010101010101010101010101010101010101010101010101010101010101010101010101010101010101000000010101010101010101010101010101010101010101010101010101010101010101010101010101010101010101010101010000004c0000006400000000000000000000003000000025000000000000000000000031000000260000002900aa0000000000000000000000803f00000000000000000000803f0000000000000000000000000000000000000000000000000000000000000000220000000c000000ffffffff460000001c00000010000000454d462b024000000c000000000000000e000000140000000000000010000000140000000400000003010800050000000b0200000000050000000c0226003100030000001e00040000000701040004000000070104003f040000410b2000cc00260031000000000026003100000000002800000031000000260000000100080000000000000000000000000000000000210000000000000000000000ffffff009cdfff0000004800bf740000dfffff0000489c009c480000ffffdf0074bfff004848480074000000ffffbf009c9c480000007400ffbf74000074bf0074747400bfffff009c48740074bfdf00489cbf00df9c4800489cdf0048000000ffdf9c0048004800bf9c480074489c004800740074007400bfbf74004874bf00010101010101010101010101010101010101010101010101010101010101010101010101010101010101010101010101010000000101010101010101010101010101010101010101010101010101010101010101010101010101010101010101010101010100000001010101010101010101010101010101010101010101010101010101010101010101010101010101010101010101010101000000010101010101010101010101010101010101010101010101010101170f01010109000004010101010101010101010101010000000101010101010101010101010101010101010101010101010101010110040101011707080101010101010101010101010100000001010101010101010101010101010101010101010101010101010101090b0c010117070801010101010101010101010101000000010101010101010101011700000000040101012019010101121e0c01090b0c010117000000000f0101010101010101010100000001010101010101010117000f01050604010101121d1901120e0f0101090b0c0101170b0c011718190101010101010101010000000101010101010101050604010105060401010101120e1f0e0f010101090b0c010117070801120e0f0101010101010101010000000101010101010101120e1601011700000f01010101120e0f01010101090b0c010117070801120e0f0101010101010101010000000101010101010101120e16010101010101010101120e1f0e0f010101090b0c0101170016010918190101010101010101010000000101010101010101120e160101010101010101120e0f01121d190101090b0c01090004170000160101010101010101010100000001010101010101010110070801010101010101100f010101121e0c01090b0c01010101010101010101010101010101010100004801010101010101010102031601011704010101010101010101010101090b0c01010101010101010101010101010101010100489c01010101010101010101120e0000000401010101010101010101010203000708010101010101010101010101010101010174bfff01010101010101010101010101010101010101010101010101010101010101010101010101010101010101010101010101ffffff01010101010101010101010101010101010101010101010101010101010101010101010101010101010101010101010101ffffff0101010101010101010101010101010101010101010101010101010101010101010101010101010101010101010101010100000001010101010101010101010101010101010101010101010101010101010101010101010101010101010101010101010101ffffbf01010101010101010101010101010101010101010101010101010101010101010101010101010101010101010101010101ffbf7401010101010101010101010101010101010101010101010101010101010101010101010101010101010101010101010101ffffff00000000000000000000000000000000000000000000000000000000000000000000000000000000000000000000000000740000010101010101010101010101010101010101010101010101010101010101010101010101010101010101010101010101010000000101010101010101010101010101010101010101010101010101010101010101010101010101010101010101010101010100000001010101010101010101010101010101010101010101010101010101010101010101010101010101010101010101010101bfffff01010101010101010101010101010101010101010101010101010101010101010101010101010101010101010101010101ffffff01010101010101010101010101010101010101010101010101010101010101010101010101010101010101010101010101ffffff02030016010101020300070809000000000b0c010101020300040900001609000016120e0000000004170004050600070800000001090401121d1901090b0c0101100401051c0c010101011707080117070801170401090b0c0109070801091605060b0c010000000109040117001601090b0c010105060401010101010101170708011707080117040101090000000708010117000708010100000001090405061b1c0c090b0c0101010506160101010101011707080117070801170401010101010907080101170016010101000000010904021a191716090b0c01090401120e0f01010101011700160110000f01100401120e0f0117070801090708170401010000000109041007081213140b0c0109000000000b0c0101010900071500000f1000000f0101050600001601170018190900070800000001090d0e0f010110110b0c010101010101010101010101010101010101010101010101010101010101010101010101010100000001090a0b0c010102030b0c01010101010101010101010101010101010101010101010101010101010101010101010101010000000203000401010105060007080101010101010101010101010101010101010101010101010101010101010101010101010100000001010101010101010101010101010101010101010101010101010101010101010101010101010101010101010101010101000000010101010101010101010101010101010101010101010101010101010101010101010101010101010101010101010101010000000c00000040092900aa000000000000002600310000000000040000002701ffff030000000000>
≤ [>0100090000032605000000007803000000007803000026060f00e606574d464301000000000001001ada0000000001000000c406000000000000c4060000010000006c0000000000000000000000140000001800000000000000000000000c0200007002000020454d4600000100c40600000c00000001000000000000000000000000000000000500002003000040010000c800000000000000000000000000000000e20400400d0300460000002c00000020000000454d462b014001001c000000100000000210c0db01000000600000006000000046000000380200002c020000454d462b224004000c000000000000001e4009000c00000000000000244001000c000000000000003040020010000000040000000000803f214007000c000000000000000840000584010000780100000210c0db01000000000000000000000000000000000000000100000089504e470d0a1a0a0000000d494844520000001500000019080200000051b7f2ba000000017352474200aece1ce9000000097048597300000ec400000ec401952b0e1b0000010049444154384fed53bb11c2300cb533097734140c913239c66085640a1821d98096230d970c4141c3c59b84489663c984cf9d0b28506359d6d3e749d6c330a8084922b000fde3e308fc25fe4c9debb2c37eba5293e4b579d9e1b87f207d952995553de86de1546e25c7e05078f708a9e3832ada792c58012f9c78a820d85c94112f1058f194f06dfa2151e676f10499f3a151c526b596eeb81f83d10dd8b5222895e58744384a915f5b16684434f58f35a36d825b936cc475250258fea9083e689f829ebd01b2b8606e7fd35d30c6d376f1c9cfe0fb8f4cae974f70cd951611dcb295f36243e57585b3f66f8ffc310a64d72208ee020adf470d3388906fffff3b5902d6a19a57a7290000000049454e44ae426082000840010824000000180000000210c0db01000000030000000000000000000000000000001b40000040000000340000000100000002000000000000bf000000bf0000a8410000c84103000000000000b3000000b3ffffa741000000b3000000b3ffffc7412100000008000000620000000c00000001000000150000000c00000004000000150000000c000000040000005100000028030000000000000000000014000000180000000000000000000000000000000000000015000000190000005000000080000000d000000058020000000000002000cc0015000000190000002800000015000000190000000100080000000000000000000000000000000000160000000000000000000000ffffff00dfffff0000489c00ffbf740074bfff0048000000ffdf9c009cdfff0000004800df9c48009c480000ffffdf00bfffff00000074000074bf0074000000ffffbf00489cdf00bf7400004800480048007400010101010101010101010101010101010101010101010101010101010101010101010101010101010101010101010101010101010101010101010101010101010101010101010101010101050607010101010101010d0e0000040101010101010101010d0e04010101010101010f130108140701010107010101010203130101010101010d0e040102030a0101010701010101010f0b0c01010101010d150701010f13010101010101010500000000000a0101010d150701010f1301010101010112000a05060708091011010d0e040102030a01010115010d0e13010d0e0a010d0e0b0c01121301081407010101150108090a01020313010105000401020300000a0101010101010d0e0a0101121011010d0e13010101010101010101010101010f10110105060701010f0b0c0101010101010101010101010d0e0a010d0e0a01010f10110101010101010101010101010108090a0105060702030b0c01010101010101010101010101010203040105000006070101010101010101010101010101010101010101010101010101010101010101010101010101010101010101010101010101010101010101010101010101010101010101010101010101010101010101010101010101010101010101010101010101010101010101010101010101010101010101010101010101010101010101010101010101010101010101010101010101010101010101010101010101010101010101010101010101010101010101010101010101010101010101010101010101010101010101010101010101010101010101010101010101010101010101010101014c0000006400000000000000000000001400000018000000000000000000000015000000190000002900aa0000000000000000000000803f00000000000000000000803f0000000000000000000000000000000000000000000000000000000000000000220000000c000000ffffffff460000001c00000010000000454d462b024000000c000000000000000e000000140000000000000010000000140000000400000003010800050000000b0200000000050000000c0219001500030000001e000400000007010400040000000701040079010000410b2000cc00190015000000000019001500000000002800000015000000190000000100080000000000000000000000000000000000160000000000000000000000ffffff00dfffff0000489c00ffbf740074bfff0048000000ffdf9c009cdfff0000004800df9c48009c480000ffffdf00bfffff00000074000074bf0074000000ffffbf00489cdf00bf7400004800480048007400010101010101010101010101010101010101010101010101010101010101010101010101010101010101010101010101010101010101010101010101010101010101010101010101010101050607010101010101010d0e0000040101010101010101010d0e04010101010101010f130108140701010107010101010203130101010101010d0e040102030a0101010701010101010f0b0c01010101010d150701010f13010101010101010500000000000a0101010d150701010f1301010101010112000a05060708091011010d0e040102030a01010115010d0e13010d0e0a010d0e0b0c01121301081407010101150108090a01020313010105000401020300000a0101010101010d0e0a0101121011010d0e13010101010101010101010101010f10110105060701010f0b0c0101010101010101010101010d0e0a010d0e0a01010f10110101010101010101010101010108090a0105060702030b0c01010101010101010101010101010203040105000006070101010101010101010101010101010101010101010101010101010101010101010101010101010101010101010101010101010101010101010101010101010101010101010101010101010101010101010101010101010101010101010101010101010101010101010101010101010101010101010101010101010101010101010101010101010101010101010101010101010101010101010101010101010101010101010101010101010101010101010101010101010101010101010101010101010101010101010101010101010101010101010101010101010101010101010101010c00000040092900aa000000000000001900150000000000040000002701ffff030000000000>],
Где >0100090000032605000000007803000000007803000026060f00e606574d464301000000000001001ada0000000001000000c406000000000000c4060000010000006c0000000000000000000000140000001800000000000000000000000c0200007002000020454d4600000100c40600000c00000001000000000000000000000000000000000500002003000040010000c800000000000000000000000000000000e20400400d0300460000002c00000020000000454d462b014001001c000000100000000210c0db01000000600000006000000046000000380200002c020000454d462b224004000c000000000000001e4009000c00000000000000244001000c000000000000003040020010000000040000000000803f214007000c000000000000000840000584010000780100000210c0db01000000000000000000000000000000000000000100000089504e470d0a1a0a0000000d494844520000001500000019080200000051b7f2ba000000017352474200aece1ce9000000097048597300000ec400000ec401952b0e1b0000010049444154384fed53bb11c2300cb533097734140c913239c66085640a1821d98096230d970c4141c3c59b84489663c984cf9d0b28506359d6d3e749d6c330a8084922b000fde3e308fc25fe4c9debb2c37eba5293e4b579d9e1b87f207d952995553de86de1546e25c7e05078f708a9e3832ada792c58012f9c78a820d85c94112f1058f194f06dfa2151e676f10499f3a151c526b596eeb81f83d10dd8b5222895e58744384a915f5b16684434f58f35a36d825b936cc475250258fea9083e689f829ebd01b2b8606e7fd35d30c6d376f1c9cfe0fb8f4cae974f70cd951611dcb295f36243e57585b3f66f8ffc310a64d72208ee020adf470d3388906fffff3b5902d6a19a57a7290000000049454e44ae426082000840010824000000180000000210c0db01000000030000000000000000000000000000001b40000040000000340000000100000002000000000000bf000000bf0000a8410000c84103000000000000b3000000b3ffffa741000000b3000000b3ffffc7412100000008000000620000000c00000001000000150000000c00000004000000150000000c000000040000005100000028030000000000000000000014000000180000000000000000000000000000000000000015000000190000005000000080000000d000000058020000000000002000cc0015000000190000002800000015000000190000000100080000000000000000000000000000000000160000000000000000000000ffffff00dfffff0000489c00ffbf740074bfff0048000000ffdf9c009cdfff0000004800df9c48009c480000ffffdf00bfffff00000074000074bf0074000000ffffbf00489cdf00bf7400004800480048007400010101010101010101010101010101010101010101010101010101010101010101010101010101010101010101010101010101010101010101010101010101010101010101010101010101050607010101010101010d0e0000040101010101010101010d0e04010101010101010f130108140701010107010101010203130101010101010d0e040102030a0101010701010101010f0b0c01010101010d150701010f13010101010101010500000000000a0101010d150701010f1301010101010112000a05060708091011010d0e040102030a01010115010d0e13010d0e0a010d0e0b0c01121301081407010101150108090a01020313010105000401020300000a0101010101010d0e0a0101121011010d0e13010101010101010101010101010f10110105060701010f0b0c0101010101010101010101010d0e0a010d0e0a01010f10110101010101010101010101010108090a0105060702030b0c01010101010101010101010101010203040105000006070101010101010101010101010101010101010101010101010101010101010101010101010101010101010101010101010101010101010101010101010101010101010101010101010101010101010101010101010101010101010101010101010101010101010101010101010101010101010101010101010101010101010101010101010101010101010101010101010101010101010101010101010101010101010101010101010101010101010101010101010101010101010101010101010101010101010101010101010101010101010101010101010101010101010101010101014c0000006400000000000000000000001400000018000000000000000000000015000000190000002900aa0000000000000000000000803f00000000000000000000803f0000000000000000000000000000000000000000000000000000000000000000220000000c000000ffffffff460000001c00000010000000454d462b024000000c000000000000000e000000140000000000000010000000140000000400000003010800050000000b0200000000050000000c0219001500030000001e000400000007010400040000000701040079010000410b2000cc00190015000000000019001500000000002800000015000000190000000100080000000000000000000000000000000000160000000000000000000000ffffff00dfffff0000489c00ffbf740074bfff0048000000ffdf9c009cdfff0000004800df9c48009c480000ffffdf00bfffff00000074000074bf0074000000ffffbf00489cdf00bf7400004800480048007400010101010101010101010101010101010101010101010101010101010101010101010101010101010101010101010101010101010101010101010101010101010101010101010101010101050607010101010101010d0e0000040101010101010101010d0e04010101010101010f130108140701010107010101010203130101010101010d0e040102030a0101010701010101010f0b0c01010101010d150701010f13010101010101010500000000000a0101010d150701010f1301010101010112000a05060708091011010d0e040102030a01010115010d0e13010d0e0a010d0e0b0c01121301081407010101150108090a01020313010105000401020300000a0101010101010d0e0a0101121011010d0e13010101010101010101010101010f10110105060701010f0b0c0101010101010101010101010d0e0a010d0e0a01010f10110101010101010101010101010108090a0105060702030b0c01010101010101010101010101010203040105000006070101010101010101010101010101010101010101010101010101010101010101010101010101010101010101010101010101010101010101010101010101010101010101010101010101010101010101010101010101010101010101010101010101010101010101010101010101010101010101010101010101010101010101010101010101010101010101010101010101010101010101010101010101010101010101010101010101010101010101010101010101010101010101010101010101010101010101010101010101010101010101010101010101010101010101010101010c00000040092900aa000000000000001900150000000000040000002701ffff030000000000> – относительный угол закручивания.
Jp – полярный момент инерции сечения
G – модуль сдвига (для стали G = 8×>0100090000031e06000000000604000000000604000026060f000208574d4643010000000000010046b50000000001000000e007000000000000e0070000010000006c00000000000000000000001c000000180000000000000000000000d40200007002000020454d4600000100e00700000c00000001000000000000000000000000000000000500002003000040010000c800000000000000000000000000000000e20400400d0300460000002c00000020000000454d462b014001001c000000100000000210c0db010000006000000060000000460000008002000074020000454d462b224004000c000000000000001e4009000c00000000000000244001000c000000000000003040020010000000040000000000803f214007000c0000000000000008400005cc010000c00100000210c0db01000000000000000000000000000000000000000100000089504e470d0a1a0a0000000d494844520000001d0000001908020000004260b24e000000017352474200aece1ce9000000097048597300000ec400000ec401952b0e1b0000014749444154484bed95b18ec2300c869d7b922216863ec4b115dd7a6f000b7b2a1e02f65bd237603dd1e5d43e044317d4bc49ce89d390ba204527184ec2539ada5f9cdf762b8c31f0047b7b02d322ff0557572b21caf6c1f9ea6a7b84c2ebca74684b215695be29bacbc61b25151b52bbddd7e7b015b814b53cdca9231e38dbe40d768f318d84c3d2dfd7bbb7e5acdbeddfa360ef0885ea5d04d06a6cbdc2fb45fbcc0f1fa53bd2fac9a65752c1087087cbb12e1e3ccb3f8cee59a8a43ed35d0d90cfb3109bcd735c9f2fae10d9fa342447f91a735aa770f5e5cc55cf169870dd8d0b8ca5dbd428bd2d6a0a37752487c46dfd1ec98dcf4fe1929a532b1657c5f9db142e38357d950830a9e4dfb836e1faf813cad47ee3fcc88f780e3838a57fa9e1c3644cda998f91fda6bb3d0a634623142cf661af6e70c5eb7fe1e44ceab3d4818bfc5e5c12e31714044dbd3cd39f180000000049454e44ae42608200000840010824000000180000000210c0db01000000030000000000000000000000000000001b40000040000000340000000100000002000000000000bf000000bf0000e8410000c84103000000000000b3000000b3ffffe741000000b3000000b3ffffc7412100000008000000620000000c00000001000000150000000c00000004000000150000000c0000000400000051000000fc03000000000000000000001c00000018000000000000000000000000000000000000001d00000019000000500000008c000000dc00000020030000000000002000cc001d00000019000000280000001d000000190000000100080000000000000000000000000000000000190000000000000000000000ffffff009cdfff0000004800ffbf7400dfffff0048489c0000484800bfffff0000007400df9c4800489cdf00dfbf740000489c000074bf0074000000ffffbf0074bfff00bf74000048000000ffdf9c009c480000ffffdf00740074009c749c0001010101010101010101010101010101010101010101010101010101010101ff01010101010101010101010101010101010101010101010101010101010101ff01010101010101010101010101010101010101010101010101010101010101ff01010101010101010101010101010101010101010101010101010101010101ff01010101010101010101010101010101010101010101010101010101010701ff01010101010101010101010101010101010101010101010101010101010701ff01010101010101010101010101010101010101010101010101010101010101ff01050d00000000000f10010101050d00000f10010101010101010101010101ff0101010111000a0101010101050d1314010b13140101010101010101011501740101010111000a010101010111000a01010809120101010101010101011501ff0101010111000a01010101010b13140101010e0f1001010101010101010101ff0101010111000a01010101010e0f100101010b131401010101010101010101ff0101010111000a01010101050d0f100101010b000401010101010101010101000101010111000a01010101050d0f100101010b000401010101010101010101000101010111000a01010101050d0f100101010b0004010101010b000f100101000101010111000a01010101010e0f100101010e131401010101050d04010000000101010111000a01010101010b13140101050d0f10010b0000000000150000000111131411000a010101010102030a01010809151601081710050d0c180101ff0101050d00000a0101010101010e0f10010e00040101011112050d04010101ff0101010108090a010101010101010b0000000401010101010b0c0d04010101ff01010101010101010101010101010101010101010101010105060704010101ff01010101010101010101010101010101010101010101010101020304010101ff01010101010101010101010101010101010101010101010101010101010101ff01010101010101010101010101010101010101010101010101010101010101ff01010101010101010101010101010101010101010101010101010101010101ff4c0000006400000000000000000000001c0000001800000000000000000000001d000000190000002900aa0000000000000000000000803f00000000000000000000803f0000000000000000000000000000000000000000000000000000000000000000220000000c000000ffffffff460000001c00000010000000454d462b024000000c000000000000000e000000140000000000000010000000140000000400000003010800050000000b0200000000050000000c0219001d00030000001e0004000000070104000400000007010400e3010000410b2000cc0019001d000000000019001d0000000000280000001d000000190000000100080000000000000000000000000000000000190000000000000000000000ffffff009cdfff0000004800ffbf7400dfffff0048489c0000484800bfffff0000007400df9c4800489cdf00dfbf740000489c000074bf0074000000ffffbf0074bfff00bf74000048000000ffdf9c009c480000ffffdf00740074009c749c0001010101010101010101010101010101010101010101010101010101010101ff01010101010101010101010101010101010101010101010101010101010101ff01010101010101010101010101010101010101010101010101010101010101ff01010101010101010101010101010101010101010101010101010101010101ff01010101010101010101010101010101010101010101010101010101010701ff01010101010101010101010101010101010101010101010101010101010701ff01010101010101010101010101010101010101010101010101010101010101ff01050d00000000000f10010101050d00000f10010101010101010101010101ff0101010111000a0101010101050d1314010b13140101010101010101011501740101010111000a010101010111000a01010809120101010101010101011501ff0101010111000a01010101010b13140101010e0f1001010101010101010101ff0101010111000a01010101010e0f100101010b131401010101010101010101ff0101010111000a01010101050d0f100101010b000401010101010101010101000101010111000a01010101050d0f100101010b000401010101010101010101000101010111000a01010101050d0f100101010b0004010101010b000f100101000101010111000a01010101010e0f100101010e131401010101050d04010000000101010111000a01010101010b13140101050d0f10010b0000000000150000000111131411000a010101010102030a01010809151601081710050d0c180101ff0101050d00000a0101010101010e0f10010e00040101011112050d04010101ff0101010108090a010101010101010b0000000401010101010b0c0d04010101ff01010101010101010101010101010101010101010101010105060704010101ff01010101010101010101010101010101010101010101010101020304010101ff01010101010101010101010101010101010101010101010101010101010101ff01010101010101010101010101010101010101010101010101010101010101ff01010101010101010101010101010101010101010101010101010101010101ff0c00000040092900aa0000000000000019001d0000000000040000002701ffff030000000000>МПа)
[>0100090000032605000000007803000000007803000026060f00e606574d464301000000000001001ada0000000001000000c406000000000000c4060000010000006c0000000000000000000000140000001800000000000000000000000c0200007002000020454d4600000100c40600000c00000001000000000000000000000000000000000500002003000040010000c800000000000000000000000000000000e20400400d0300460000002c00000020000000454d462b014001001c000000100000000210c0db01000000600000006000000046000000380200002c020000454d462b224004000c000000000000001e4009000c00000000000000244001000c000000000000003040020010000000040000000000803f214007000c000000000000000840000584010000780100000210c0db01000000000000000000000000000000000000000100000089504e470d0a1a0a0000000d494844520000001500000019080200000051b7f2ba000000017352474200aece1ce9000000097048597300000ec400000ec401952b0e1b0000010049444154384fed53bb11c2300cb533097734140c913239c66085640a1821d98096230d970c4141c3c59b84489663c984cf9d0b28506359d6d3e749d6c330a8084922b000fde3e308fc25fe4c9debb2c37eba5293e4b579d9e1b87f207d952995553de86de1546e25c7e05078f708a9e3832ada792c58012f9c78a820d85c94112f1058f194f06dfa2151e676f10499f3a151c526b596eeb81f83d10dd8b5222895e58744384a915f5b16684434f58f35a36d825b936cc475250258fea9083e689f829ebd01b2b8606e7fd35d30c6d376f1c9cfe0fb8f4cae974f70cd951611dcb295f36243e57585b3f66f8ffc310a64d72208ee020adf470d3388906fffff3b5902d6a19a57a7290000000049454e44ae426082000840010824000000180000000210c0db01000000030000000000000000000000000000001b40000040000000340000000100000002000000000000bf000000bf0000a8410000c84103000000000000b3000000b3ffffa741000000b3000000b3ffffc7412100000008000000620000000c00000001000000150000000c00000004000000150000000c000000040000005100000028030000000000000000000014000000180000000000000000000000000000000000000015000000190000005000000080000000d000000058020000000000002000cc0015000000190000002800000015000000190000000100080000000000000000000000000000000000160000000000000000000000ffffff00dfffff0000489c00ffbf740074bfff0048000000ffdf9c009cdfff0000004800df9c48009c480000ffffdf00bfffff00000074000074bf0074000000ffffbf00489cdf00bf7400004800480048007400010101010101010101010101010101010101010101010101010101010101010101010101010101010101010101010101010101010101010101010101010101010101010101010101010101050607010101010101010d0e0000040101010101010101010d0e04010101010101010f130108140701010107010101010203130101010101010d0e040102030a0101010701010101010f0b0c01010101010d150701010f13010101010101010500000000000a0101010d150701010f1301010101010112000a05060708091011010d0e040102030a01010115010d0e13010d0e0a010d0e0b0c01121301081407010101150108090a01020313010105000401020300000a0101010101010d0e0a0101121011010d0e13010101010101010101010101010f10110105060701010f0b0c0101010101010101010101010d0e0a010d0e0a01010f10110101010101010101010101010108090a0105060702030b0c01010101010101010101010101010203040105000006070101010101010101010101010101010101010101010101010101010101010101010101010101010101010101010101010101010101010101010101010101010101010101010101010101010101010101010101010101010101010101010101010101010101010101010101010101010101010101010101010101010101010101010101010101010101010101010101010101010101010101010101010101010101010101010101010101010101010101010101010101010101010101010101010101010101010101010101010101010101010101010101010101010101010101010101014c0000006400000000000000000000001400000018000000000000000000000015000000190000002900aa0000000000000000000000803f00000000000000000000803f0000000000000000000000000000000000000000000000000000000000000000220000000c000000ffffffff460000001c00000010000000454d462b024000000c000000000000000e000000140000000000000010000000140000000400000003010800050000000b0200000000050000000c0219001500030000001e000400000007010400040000000701040079010000410b2000cc00190015000000000019001500000000002800000015000000190000000100080000000000000000000000000000000000160000000000000000000000ffffff00dfffff0000489c00ffbf740074bfff0048000000ffdf9c009cdfff0000004800df9c48009c480000ffffdf00bfffff00000074000074bf0074000000ffffbf00489cdf00bf7400004800480048007400010101010101010101010101010101010101010101010101010101010101010101010101010101010101010101010101010101010101010101010101010101010101010101010101010101050607010101010101010d0e0000040101010101010101010d0e04010101010101010f130108140701010107010101010203130101010101010d0e040102030a0101010701010101010f0b0c01010101010d150701010f13010101010101010500000000000a0101010d150701010f1301010101010112000a05060708091011010d0e040102030a01010115010d0e13010d0e0a010d0e0b0c01121301081407010101150108090a01020313010105000401020300000a0101010101010d0e0a0101121011010d0e13010101010101010101010101010f10110105060701010f0b0c0101010101010101010101010d0e0a010d0e0a01010f10110101010101010101010101010108090a0105060702030b0c01010101010101010101010101010203040105000006070101010101010101010101010101010101010101010101010101010101010101010101010101010101010101010101010101010101010101010101010101010101010101010101010101010101010101010101010101010101010101010101010101010101010101010101010101010101010101010101010101010101010101010101010101010101010101010101010101010101010101010101010101010101010101010101010101010101010101010101010101010101010101010101010101010101010101010101010101010101010101010101010101010101010101010101010c00000040092900aa000000000000001900150000000000040000002701ffff030000000000>>
>]
– допускаемый относительный угол
закручивания.
При проверочном расчете определяют >0100090000032605000000007803000000007803000026060f00e606574d464301000000000001001ada0000000001000000c406000000000000c4060000010000006c0000000000000000000000140000001800000000000000000000000c0200007002000020454d4600000100c40600000c00000001000000000000000000000000000000000500002003000040010000c800000000000000000000000000000000e20400400d0300460000002c00000020000000454d462b014001001c000000100000000210c0db01000000600000006000000046000000380200002c020000454d462b224004000c000000000000001e4009000c00000000000000244001000c000000000000003040020010000000040000000000803f214007000c000000000000000840000584010000780100000210c0db01000000000000000000000000000000000000000100000089504e470d0a1a0a0000000d494844520000001500000019080200000051b7f2ba000000017352474200aece1ce9000000097048597300000ec400000ec401952b0e1b0000010049444154384fed53bb11c2300cb533097734140c913239c66085640a1821d98096230d970c4141c3c59b84489663c984cf9d0b28506359d6d3e749d6c330a8084922b000fde3e308fc25fe4c9debb2c37eba5293e4b579d9e1b87f207d952995553de86de1546e25c7e05078f708a9e3832ada792c58012f9c78a820d85c94112f1058f194f06dfa2151e676f10499f3a151c526b596eeb81f83d10dd8b5222895e58744384a915f5b16684434f58f35a36d825b936cc475250258fea9083e689f829ebd01b2b8606e7fd35d30c6d376f1c9cfe0fb8f4cae974f70cd951611dcb295f36243e57585b3f66f8ffc310a64d72208ee020adf470d3388906fffff3b5902d6a19a57a7290000000049454e44ae426082000840010824000000180000000210c0db01000000030000000000000000000000000000001b40000040000000340000000100000002000000000000bf000000bf0000a8410000c84103000000000000b3000000b3ffffa741000000b3000000b3ffffc7412100000008000000620000000c00000001000000150000000c00000004000000150000000c000000040000005100000028030000000000000000000014000000180000000000000000000000000000000000000015000000190000005000000080000000d000000058020000000000002000cc0015000000190000002800000015000000190000000100080000000000000000000000000000000000160000000000000000000000ffffff00dfffff0000489c00ffbf740074bfff0048000000ffdf9c009cdfff0000004800df9c48009c480000ffffdf00bfffff00000074000074bf0074000000ffffbf00489cdf00bf7400004800480048007400010101010101010101010101010101010101010101010101010101010101010101010101010101010101010101010101010101010101010101010101010101010101010101010101010101050607010101010101010d0e0000040101010101010101010d0e04010101010101010f130108140701010107010101010203130101010101010d0e040102030a0101010701010101010f0b0c01010101010d150701010f13010101010101010500000000000a0101010d150701010f1301010101010112000a05060708091011010d0e040102030a01010115010d0e13010d0e0a010d0e0b0c01121301081407010101150108090a01020313010105000401020300000a0101010101010d0e0a0101121011010d0e13010101010101010101010101010f10110105060701010f0b0c0101010101010101010101010d0e0a010d0e0a01010f10110101010101010101010101010108090a0105060702030b0c01010101010101010101010101010203040105000006070101010101010101010101010101010101010101010101010101010101010101010101010101010101010101010101010101010101010101010101010101010101010101010101010101010101010101010101010101010101010101010101010101010101010101010101010101010101010101010101010101010101010101010101010101010101010101010101010101010101010101010101010101010101010101010101010101010101010101010101010101010101010101010101010101010101010101010101010101010101010101010101010101010101010101010101014c0000006400000000000000000000001400000018000000000000000000000015000000190000002900aa0000000000000000000000803f00000000000000000000803f0000000000000000000000000000000000000000000000000000000000000000220000000c000000ffffffff460000001c00000010000000454d462b024000000c000000000000000e000000140000000000000010000000140000000400000003010800050000000b0200000000050000000c0219001500030000001e000400000007010400040000000701040079010000410b2000cc00190015000000000019001500000000002800000015000000190000000100080000000000000000000000000000000000160000000000000000000000ffffff00dfffff0000489c00ffbf740074bfff0048000000ffdf9c009cdfff0000004800df9c48009c480000ffffdf00bfffff00000074000074bf0074000000ffffbf00489cdf00bf7400004800480048007400010101010101010101010101010101010101010101010101010101010101010101010101010101010101010101010101010101010101010101010101010101010101010101010101010101050607010101010101010d0e0000040101010101010101010d0e04010101010101010f130108140701010107010101010203130101010101010d0e040102030a0101010701010101010f0b0c01010101010d150701010f13010101010101010500000000000a0101010d150701010f1301010101010112000a05060708091011010d0e040102030a01010115010d0e13010d0e0a010d0e0b0c01121301081407010101150108090a01020313010105000401020300000a0101010101010d0e0a0101121011010d0e13010101010101010101010101010f10110105060701010f0b0c0101010101010101010101010d0e0a010d0e0a01010f10110101010101010101010101010108090a0105060702030b0c01010101010101010101010101010203040105000006070101010101010101010101010101010101010101010101010101010101010101010101010101010101010101010101010101010101010101010101010101010101010101010101010101010101010101010101010101010101010101010101010101010101010101010101010101010101010101010101010101010101010101010101010101010101010101010101010101010101010101010101010101010101010101010101010101010101010101010101010101010101010101010101010101010101010101010101010101010101010101010101010101010101010101010101010c00000040092900aa000000000000001900150000000000040000002701ffff030000000000> и сравнивают с [>0100090000032605000000007803000000007803000026060f00e606574d464301000000000001001ada0000000001000000c406000000000000c4060000010000006c0000000000000000000000140000001800000000000000000000000c0200007002000020454d4600000100c40600000c00000001000000000000000000000000000000000500002003000040010000c800000000000000000000000000000000e20400400d0300460000002c00000020000000454d462b014001001c000000100000000210c0db01000000600000006000000046000000380200002c020000454d462b224004000c000000000000001e4009000c00000000000000244001000c000000000000003040020010000000040000000000803f214007000c000000000000000840000584010000780100000210c0db01000000000000000000000000000000000000000100000089504e470d0a1a0a0000000d494844520000001500000019080200000051b7f2ba000000017352474200aece1ce9000000097048597300000ec400000ec401952b0e1b0000010049444154384fed53bb11c2300cb533097734140c913239c66085640a1821d98096230d970c4141c3c59b84489663c984cf9d0b28506359d6d3e749d6c330a8084922b000fde3e308fc25fe4c9debb2c37eba5293e4b579d9e1b87f207d952995553de86de1546e25c7e05078f708a9e3832ada792c58012f9c78a820d85c94112f1058f194f06dfa2151e676f10499f3a151c526b596eeb81f83d10dd8b5222895e58744384a915f5b16684434f58f35a36d825b936cc475250258fea9083e689f829ebd01b2b8606e7fd35d30c6d376f1c9cfe0fb8f4cae974f70cd951611dcb295f36243e57585b3f66f8ffc310a64d72208ee020adf470d3388906fffff3b5902d6a19a57a7290000000049454e44ae426082000840010824000000180000000210c0db01000000030000000000000000000000000000001b40000040000000340000000100000002000000000000bf000000bf0000a8410000c84103000000000000b3000000b3ffffa741000000b3000000b3ffffc7412100000008000000620000000c00000001000000150000000c00000004000000150000000c000000040000005100000028030000000000000000000014000000180000000000000000000000000000000000000015000000190000005000000080000000d000000058020000000000002000cc0015000000190000002800000015000000190000000100080000000000000000000000000000000000160000000000000000000000ffffff00dfffff0000489c00ffbf740074bfff0048000000ffdf9c009cdfff0000004800df9c48009c480000ffffdf00bfffff00000074000074bf0074000000ffffbf00489cdf00bf7400004800480048007400010101010101010101010101010101010101010101010101010101010101010101010101010101010101010101010101010101010101010101010101010101010101010101010101010101050607010101010101010d0e0000040101010101010101010d0e04010101010101010f130108140701010107010101010203130101010101010d0e040102030a0101010701010101010f0b0c01010101010d150701010f13010101010101010500000000000a0101010d150701010f1301010101010112000a05060708091011010d0e040102030a01010115010d0e13010d0e0a010d0e0b0c01121301081407010101150108090a01020313010105000401020300000a0101010101010d0e0a0101121011010d0e13010101010101010101010101010f10110105060701010f0b0c0101010101010101010101010d0e0a010d0e0a01010f10110101010101010101010101010108090a0105060702030b0c01010101010101010101010101010203040105000006070101010101010101010101010101010101010101010101010101010101010101010101010101010101010101010101010101010101010101010101010101010101010101010101010101010101010101010101010101010101010101010101010101010101010101010101010101010101010101010101010101010101010101010101010101010101010101010101010101010101010101010101010101010101010101010101010101010101010101010101010101010101010101010101010101010101010101010101010101010101010101010101010101010101010101010101014c0000006400000000000000000000001400000018000000000000000000000015000000190000002900aa0000000000000000000000803f00000000000000000000803f0000000000000000000000000000000000000000000000000000000000000000220000000c000000ffffffff460000001c00000010000000454d462b024000000c000000000000000e000000140000000000000010000000140000000400000003010800050000000b0200000000050000000c0219001500030000001e000400000007010400040000000701040079010000410b2000cc00190015000000000019001500000000002800000015000000190000000100080000000000000000000000000000000000160000000000000000000000ffffff00dfffff0000489c00ffbf740074bfff0048000000ffdf9c009cdfff0000004800df9c48009c480000ffffdf00bfffff00000074000074bf0074000000ffffbf00489cdf00bf7400004800480048007400010101010101010101010101010101010101010101010101010101010101010101010101010101010101010101010101010101010101010101010101010101010101010101010101010101050607010101010101010d0e0000040101010101010101010d0e04010101010101010f130108140701010107010101010203130101010101010d0e040102030a0101010701010101010f0b0c01010101010d150701010f13010101010101010500000000000a0101010d150701010f1301010101010112000a05060708091011010d0e040102030a01010115010d0e13010d0e0a010d0e0b0c01121301081407010101150108090a01020313010105000401020300000a0101010101010d0e0a0101121011010d0e13010101010101010101010101010f10110105060701010f0b0c0101010101010101010101010d0e0a010d0e0a01010f10110101010101010101010101010108090a0105060702030b0c01010101010101010101010101010203040105000006070101010101010101010101010101010101010101010101010101010101010101010101010101010101010101010101010101010101010101010101010101010101010101010101010101010101010101010101010101010101010101010101010101010101010101010101010101010101010101010101010101010101010101010101010101010101010101010101010101010101010101010101010101010101010101010101010101010101010101010101010101010101010101010101010101010101010101010101010101010101010101010101010101010101010101010101010c00000040092900aa000000000000001900150000000000040000002701ffff030000000000>], затем делают вывод соблюдено или нет условие жесткости.
При проектном расчете из условия жесткости определяют требуемый полярный момент инерции сечения.
Jp ≥ >010009000003120c000000006407000000006407000026060f00be0e574d464301000000000001004ca600000000010000009c0e0000000000009c0e0000010000006c000000000000000000000030000000270000000000000000000000c8040000e703000020454d46000001009c0e00000c00000001000000000000000000000000000000000500002003000040010000c800000000000000000000000000000000e20400400d0300460000002c00000020000000454d462b014001001c000000100000000210c0db010000006000000060000000460000001004000004040000454d462b224004000c000000000000001e4009000c00000000000000244001000c000000000000003040020010000000040000000000803f214007000c00000000000000084000055c030000500300000210c0db01000000000000000000000000000000000000000100000089504e470d0a1a0a0000000d4948445200000031000000280802000000d8278518000000017352474200aece1ce9000000097048597300000ec400000ec401952b0e1b000002d6494441545847ed583daea3301076de4988b679450e014a4394961b8466959668cf1085f6290db941da28344f70881469a2701376c6c666cccfd3b062a314b809b1c7331f331f663e6665598a371b1f6f8607e17c88e2b49ac9b1cb093e3dbb3a15af470db52bb3c8f77d21a20cffc8f14ce0bf356396feff85ae5d104422bee84ce55fe1228a5e9f2015b1c294de7fad01d45e552abfdc92ed9a40ca77aabc7a5865166a7575ca090bcc0e626a5802b618c7e28776820baa765837ac979f3cf1177f60d254531954a6b4c656a971977466aa4e7cd4973a8ef627b7e1a4e60ec15481ca125f2e524c24b40adc18344cf39ab0b4da059e8917455dea969e05ce32f0d3d03b075bb7834a90e979b8c8ae1be71f7966cae9c56d0fe9f9db3ce0d6f9e46cfec02d04cb8ea8f90e019507400be06c3e713002204f54cfb5aaae1af9eeb73862e9443837a7917eecadec99c96a967aa9d9d2383824fdb4a566245acbba345d80313970aa4b653a03c79cfb7ca5cd7bbe5b5e99015eac294fbc3cbda3d5f4dcf1aa32717cca132f033cab369fec9e92d70174eb0c06021dcc92223626f4eddd74d7a65fd60cdfba29c35e66c8700fa633adb75998401aa47e72d45d9bb3b9ca8649f539b6d66a4f0c81f2b32dc5945fe29e8e4e08f79009cfc00284fbcf677f52b02446330c9688fcf309d2ac60a996b1bf07060260fdafcbc7193ad3325b84731e2b75f67a3175d156c1c21ef627de14f794f6cfee36f16f8f6240692d8df0e98bf45eed76364714145146c2ab0cd122722201468e5937c751b788d8eb49b4e21064c814b12792bb8ed2f02baf568bd33eee961dfd403b941a35d6ea0c3e29d8c2ae96a1eaf382bd4c14015da84f17aafa6cbd07fa60944f122d4ce815266dbd6954aca584a5a4b1ee88ffdc0de3448775f1b889688de79d14b79ab86dcbd130a5a0191bdfb0187721df2d2d5d3c4aed784eea2f10cd6ad9fbc7e1130f1311c39d5f42b497a91f67300c4c46e3382f1ccbea2f39717ff34e755cf60000000049454e44ae4260820000000840010824000000180000000210c0db01000000030000000000000000000000000000001b40000040000000340000000100000002000000000000bf000000bf000044420000204203000000000000b3000000b3ffff4342000000b3000000b3ffff1f422100000008000000620000000c00000001000000150000000c00000004000000150000000c0000000400000051000000280900000000000000000000300000002700000000000000000000000000000000000000310000002800000050000000b80000000801000020080000000000002000cc0031000000280000002800000031000000280000000100080000000000000000000000000000000000240000000000000000000000ffffff009cdfff0000004800bf740000dfffff0000489c009c480000ffffdf0074bfff004848480074000000ffffbf009c9c480000007400ffbf74000074bf0074747400bfffff009c48740074bfdf00489cbf00df9c4800489cdf0048000000ffdf9c0048004800bf9c480074489c0048007400740074009cbf9c00bfbf740048489c004874bf0074004800010101010101010101010101010101010101010101010101010101010101010101010101010101010101010101010101010000000101010101010101010101010101010101010101010101010101010101010101010101010101010101010101010101010100000001010101010101010101010101010101010101010101010101010101010101010101010101010101010101010101010101000000010101010101010101010101010101010101010101010101010101010101010101010101090000070801010101010101010000000101010101010101010101010101010101010101010101010101010101010101010101120e0f011016010101010101010100000001010101010101010101010101010101010101010101011700000f010101170f01010102230c0117040110001819010101000000010101010101010101010101010101010101010101010117160101010101170f01010102230c0117040101121d19010101000000010101010101010101010101010101010101010101010117160101010101170f010101120e0f0506160101121d19010101000000010101010117000000000401012219010101121e0c01011716010101120e0000070801010203000b0c0101121d190101010000000101010117000f010506040101121d1901120e0f01010117160101120e0f170f1707080101010101010101121d190101010000000101010506040101050604010101120e200e0f0101010117160101090708170f121d190101010101010101121d19010101000000010101120e1601011700000f010101120e0f010101010117160101090708170f0521190101010101010101121d19010101000000010101120e160101010101010101120e200e0f0101010117160101021a19170f090b0c0101010101010101121d19010101000048010101120e1601010101010101120e0f01121d19010101171601010109181f031819010101010101010101121d1901010100489c01010101100708010101010101100f010101121e0c01011716010101010101010101010101010101010101121d1901010174bfff01010101020316010117040101010101010101010101011716010101010101010101010101010101010101121d19010101ffffff0101010101120e000000040101010101010101010101011700000f01010101010101010101010101010110001819010101ffffff0101010101010101010101010101010101010101010101010101010101010101010101010101010101010101010101010100000001010101010101010101010101010101010101010101010101010101010101010101010101010101010101010101010101ffffbf01010101010101010101010101010101010101010101010101010101010101010101010101010101010101010101010101ffbf7401010101010101010101010101010101010101010101010101010101010101010101010101010101010101010101010101ffffff01010101010101010101010101010101010101010101010101010101010101010101010101010101010101010101010101740000010101010101010101010101010101010101010101010101010101010101010101010101010101010101010101010101010000000000000000000000000000000000000000000000000000000000000000000000000000000000000000000000000000000000000001010101010101010101010101010101010101010101010101010101010101010101010101010101010101010101010101bfffff01010101010101010101010101010101010101010101010101010101010101010101010101010101010101010101010101ffffff01010101010101010101010101010101010101010101010101010101010101010101010101010101010101010101010101ffffff010101010101010101010101010101010101010101010101010101010101010101010101010101010101010101010101010000000101010101010101010101010101010101010101010101010101010101010101010101010101010101010101010101010100000002030016010101020300070809000000000b0c010101020300040900001609000016120e0000000004170004050600070800000001090401121d1901090b0c0101100401051c0c010101011707080117070801170401090b0c0109070801091605060b0c010000000109040117001601090b0c010105060401010101010101170708011707080117040101090000000708010117000708010100000001090405061b1c0c090b0c0101010506160101010101011707080117070801170401010101010907080101170016010101000000010904021a191716090b0c01090401120e0f01010101011700160110000f01100401120e0f0117070801090708170401010000000109041007081213140b0c0109000000000b0c0101010900071500000f1000000f0101050600001601170018190900070800000001090d0e0f010110110b0c010101010101010101010101010101010101010101010101010101010101010101010101010100000001090a0b0c010102030b0c0101010101010101010101010101010101010101010101010101010101010101010101010101000000020300040101010506000708010101010101010101010101010101010101010101010101010101010101010101010101010000000101010101010101010101010101010101010101010101010101010101010101010101010101010101010101010101010100000001010101010101010101010101010101010101010101010101010101010101010101010101010101010101010101010101ffffff4c0000006400000000000000000000003000000027000000000000000000000031000000280000002900aa0000000000000000000000803f00000000000000000000803f0000000000000000000000000000000000000000000000000000000000000000220000000c000000ffffffff460000001c00000010000000454d462b024000000c000000000000000e000000140000000000000010000000140000000400000003010800050000000b0200000000050000000c0228003100030000001e000400000007010400040000000701040079040000410b2000cc00280031000000000028003100000000002800000031000000280000000100080000000000000000000000000000000000240000000000000000000000ffffff009cdfff0000004800bf740000dfffff0000489c009c480000ffffdf0074bfff004848480074000000ffffbf009c9c480000007400ffbf74000074bf0074747400bfffff009c48740074bfdf00489cbf00df9c4800489cdf0048000000ffdf9c0048004800bf9c480074489c0048007400740074009cbf9c00bfbf740048489c004874bf0074004800010101010101010101010101010101010101010101010101010101010101010101010101010101010101010101010101010000000101010101010101010101010101010101010101010101010101010101010101010101010101010101010101010101010100000001010101010101010101010101010101010101010101010101010101010101010101010101010101010101010101010101000000010101010101010101010101010101010101010101010101010101010101010101010101090000070801010101010101010000000101010101010101010101010101010101010101010101010101010101010101010101120e0f011016010101010101010100000001010101010101010101010101010101010101010101011700000f010101170f01010102230c0117040110001819010101000000010101010101010101010101010101010101010101010117160101010101170f01010102230c0117040101121d19010101000000010101010101010101010101010101010101010101010117160101010101170f010101120e0f0506160101121d19010101000000010101010117000000000401012219010101121e0c01011716010101120e0000070801010203000b0c0101121d190101010000000101010117000f010506040101121d1901120e0f01010117160101120e0f170f1707080101010101010101121d190101010000000101010506040101050604010101120e200e0f0101010117160101090708170f121d190101010101010101121d19010101000000010101120e1601011700000f010101120e0f010101010117160101090708170f0521190101010101010101121d19010101000000010101120e160101010101010101120e200e0f0101010117160101021a19170f090b0c0101010101010101121d19010101000048010101120e1601010101010101120e0f01121d19010101171601010109181f031819010101010101010101121d1901010100489c01010101100708010101010101100f010101121e0c01011716010101010101010101010101010101010101121d1901010174bfff01010101020316010117040101010101010101010101011716010101010101010101010101010101010101121d19010101ffffff0101010101120e000000040101010101010101010101011700000f01010101010101010101010101010110001819010101ffffff0101010101010101010101010101010101010101010101010101010101010101010101010101010101010101010101010100000001010101010101010101010101010101010101010101010101010101010101010101010101010101010101010101010101ffffbf01010101010101010101010101010101010101010101010101010101010101010101010101010101010101010101010101ffbf7401010101010101010101010101010101010101010101010101010101010101010101010101010101010101010101010101ffffff01010101010101010101010101010101010101010101010101010101010101010101010101010101010101010101010101740000010101010101010101010101010101010101010101010101010101010101010101010101010101010101010101010101010000000000000000000000000000000000000000000000000000000000000000000000000000000000000000000000000000000000000001010101010101010101010101010101010101010101010101010101010101010101010101010101010101010101010101bfffff01010101010101010101010101010101010101010101010101010101010101010101010101010101010101010101010101ffffff01010101010101010101010101010101010101010101010101010101010101010101010101010101010101010101010101ffffff010101010101010101010101010101010101010101010101010101010101010101010101010101010101010101010101010000000101010101010101010101010101010101010101010101010101010101010101010101010101010101010101010101010100000002030016010101020300070809000000000b0c010101020300040900001609000016120e0000000004170004050600070800000001090401121d1901090b0c0101100401051c0c010101011707080117070801170401090b0c0109070801091605060b0c010000000109040117001601090b0c010105060401010101010101170708011707080117040101090000000708010117000708010100000001090405061b1c0c090b0c0101010506160101010101011707080117070801170401010101010907080101170016010101000000010904021a191716090b0c01090401120e0f01010101011700160110000f01100401120e0f0117070801090708170401010000000109041007081213140b0c0109000000000b0c0101010900071500000f1000000f0101050600001601170018190900070800000001090d0e0f010110110b0c010101010101010101010101010101010101010101010101010101010101010101010101010100000001090a0b0c010102030b0c0101010101010101010101010101010101010101010101010101010101010101010101010101000000020300040101010506000708010101010101010101010101010101010101010101010101010101010101010101010101010000000101010101010101010101010101010101010101010101010101010101010101010101010101010101010101010101010100000001010101010101010101010101010101010101010101010101010101010101010101010101010101010101010101010101ffffff0c00000040092900aa000000000000002800310000000000040000002701ffff030000000000>
Исходя из формы поперечного сечения вала (круг или кольцо) по найденному значению Jp определить диаметр (вычисленное значение диаметра следует округлить до ближайшего целого четного числа или числа оканчивающегося на 5)
Для круга:
Jp ≈ 0,1×d → d ≈ >010009000003920a000000008e06000000008e06000026060f00120d574d4643010000000000010005710000000001000000f00c000000000000f00c0000010000006c00000000000000000000002100000030000000000000000000000051030000c804000020454d4600000100f00c00000c00000001000000000000000000000000000000000500002003000040010000c800000000000000000000000000000000e20400400d0300460000002c00000020000000454d462b014001001c000000100000000210c0db01000000600000006000000046000000b8030000ac030000454d462b224004000c000000000000001e4009000c00000000000000244001000c000000000000003040020010000000040000000000803f214007000c000000000000000840000504030000f80200000210c0db01000000000000000000000000000000000000000100000089504e470d0a1a0a0000000d49484452000000220000003108020000003067eca0000000017352474200aece1ce9000000097048597300000ec400000ec401952b0e1b0000027f494441545847dd583b72c2301035398966682838040c8d3369b901340cad3d3903032d430337489b899b8c7d080a9a0cbe09d995fc91ec95578a8122aa4222e9699f56ef3d32b8dd6ec1e3c7cbe32110e149300190e630d2a847d5b0bf5b35f9cf39885287e390539e479a633597241c891ebcb9c100c078f87018bc9a7ec3a99abccd597e7a1dc8f17aca1d4ee00443ec23165fd8e451fab57021d3050639eb7735a60a64b18d03aecf60258c38b3715957033336e790e219ae86a37fb2bd1ec360375d05077ca169942c57faa59530590c330e7312c599b3f078503735798b82e4a2f58682c9e2cda898811fe28c3bbdf7dfa144acd718a67c414785c76b5bad54a795bf979b141fe5cfc61a4da14bb4a646c276a46c1230f5611b2bb48686a7208fb69d18a579488056406313fedd1012a0eef37317446fe691ec57c69a08793540b0414b657b165762dd136fecef8e5616c193063dd3cb6a24912c4c5302942efb0e0ea6259bec5d92133818efe74e2fe0606cedec09cfc1c0763dadc6a5053c24a0b33ea69a3b71c637b4e72558a67757634b01951777051b34eed2b9d8162024203fad96636934d763609ab12a469d62baab4bd36088c041a6806cbf4c0a6916b379987c7ce74daa66980874b794302a97007ab2dc67da126b72aa4a14c3b169fa72b510a2018c30b9584b854035df6d9c52a46f63204c093e5983e8ebc9c7dace556ac17a9d04dc543a654fa5bf5852401d0290feca999bb3f5acd0b23509a496da1dadfe8e68461b3dd9d4bcc26e6df7540d820b6cc98994fa34225356319732e992392f986e1f22b340ddf1fd538082b7448e02a88b072f1bb5888d58bcf7f94f40eb5959354d3ea27b389a841c20718f1fac42dfe708ff0be61756deaf5069c0bad20000000049454e44ae42608200000840010824000000180000000210c0db01000000030000000000000000000000000000001b40000040000000340000000100000002000000000000bf000000bf000008420000444203000000000000b3000000b3ffff0742000000b3000000b3ffff43422100000008000000620000000c00000001000000150000000c00000004000000150000000c0000000400000051000000d40700000000000000000000210000003000000000000000000000000000000000000000220000003100000050000000a0000000f0000000e4060000000000002000cc00220000003100000028000000220000003100000001000800000000000000000000000000000000001e0000000000000000000000ffffff00bfffff00000074009cdfff0074004800ffffbf0074bfff009c480000ffffdf00bf740000489cdf000074bf00df9c48000000480074000000dfffff0000489c00ffbf740048489c00ffdf9c004848480048007400480000009c4874007474bf0048004800dfdfdf00740074004874bf0001010101010101010101010101010101010101010101010101010101010101010101ffff01010101010101010101010101010101010101010101010101010101010101010101ffff01010101010101010101010101010101010101010101010101010101010101010101ffff01010101010101010101010101010101010101010101010101010101010101010101ffff01010101010101010405060101010101010101010101010101010101010101010101ffff01010101010101010c17140101010101010101010101010101010101010101010101ffff01010101010101040e17140101010101010101010101010101010101010101010101ffff01010101010110110000120101010101010101010101010101010101010101010101ffff01010101010107000a0c0d0101010101010101010101010101010101010101010101ffff010101010110110f060c0d010101010101010101010101011d140101010101010101ff00010101010107000d010b0a01010101010102030000120101040506010b000000000dffff0101010102030f0601070a0101010101010c0a01041a1401021c060101010c0a0101ffff010101010b000d0101070809010101010203120110110d010101010101010b0a01010000011b010203080901010405060101010102161401010c0a010101010101010b0a0101bf740107000000120101010405060101010102161401010c0a010101010101010b0a01014874010101070809010101021614010101010203120110110d01010101011b010b0a0101ffff01010101010101010110131401010101010b0a01041a1401010101010b00000a0101ffdf0101010101010101011011120101010101101100000d01010101010101010c0a0101df9c010101010101010101010c0d010101010101010101010101010101010101010101010048010101010101010101010c0d01010101010101010101010101010101010101010101ff48010101010101010101010b0a01010101010101010101010101010101010101010101ffff01010101010101010101070a01010101010101010101010101010101010101010101df9c01010101010101010101070809010101010101010101010101010101010101010101ffff01010101010101010101040506010101010101010101010101010101010101010101007401010101010101010101040506010101010101010101010101010101010101010101ffff01010101010101010101021614010101000000000000000000000000000000000000dfff01010101010101010101101314010101010101010101010101010101010101010101ffff01010101010101010101101112010101010101010101010101010101010101010101ffff01010101010101010101010c0d01010101010b120101010700000a01010101010101ffff01010101010101010101010c0d0101010101010c0a0101010b080901010101010101ffff01010101010101010101010b0a010101010101070f0601010b080901010101010101ffff010101040e001201010101070a010101010101070f0601010b000000001201010101ffff010b000000000f060101010708090101010101070f0601010b0f06010b17140101013005010218090b0d19060101010405060101010101070f0601010b080901020312010101ffff0101070d0b0d01010101010405060101010101070f0601010b080901020312010101ffff0101010b150d01010101010216140101010101070f0601010b000d01071714010101ffff010101010c0d01010101011013140101010101070f060107000a0b00000d01010101ffff01010101010101010101011011120101010101070f06010101010101010101010101ffff0101010101010101010101010c0d0101010101070f06010101010101010101010101ffff0101010101010101010101010c0d01010101040e0008090101010101010101010101ffff0101010101010101010101010b0a0101010101010101010101010101010101010101ffff010101010101010101010101070a0101010101010101010101010101010101010101ffff01010101010101010101010107080901010101010101010101010101010101010101ffff01010101010101010101010104050601010101010101010101010101010101010101ffff01010101010101010101010104050601010101010101010101010101010101010101ffff01010101010101010101010102030000000000000000000000000000000000000001ffff01010101010101010101010101010101010101010101010101010101010101010101ffff01010101010101010101010101010101010101010101010101010101010101010101fefe0101010101010101010101010101010101010101010101010101010101010101010195014c0000006400000000000000000000002100000030000000000000000000000022000000310000002900aa0000000000000000000000803f00000000000000000000803f0000000000000000000000000000000000000000000000000000000000000000220000000c000000ffffffff460000001c00000010000000454d462b024000000c000000000000000e000000140000000000000010000000140000000400000003010800050000000b0200000000050000000c0231002200030000001e0004000000070104000400000007010400cf030000410b2000cc003100220000000000310022000000000028000000220000003100000001000800000000000000000000000000000000001e0000000000000000000000ffffff00bfffff00000074009cdfff0074004800ffffbf0074bfff009c480000ffffdf00bf740000489cdf000074bf00df9c48000000480074000000dfffff0000489c00ffbf740048489c00ffdf9c004848480048007400480000009c4874007474bf0048004800dfdfdf00740074004874bf0001010101010101010101010101010101010101010101010101010101010101010101ffff01010101010101010101010101010101010101010101010101010101010101010101ffff01010101010101010101010101010101010101010101010101010101010101010101ffff01010101010101010101010101010101010101010101010101010101010101010101ffff01010101010101010405060101010101010101010101010101010101010101010101ffff01010101010101010c17140101010101010101010101010101010101010101010101ffff01010101010101040e17140101010101010101010101010101010101010101010101ffff01010101010110110000120101010101010101010101010101010101010101010101ffff01010101010107000a0c0d0101010101010101010101010101010101010101010101ffff010101010110110f060c0d010101010101010101010101011d140101010101010101ff00010101010107000d010b0a01010101010102030000120101040506010b000000000dffff0101010102030f0601070a0101010101010c0a01041a1401021c060101010c0a0101ffff010101010b000d0101070809010101010203120110110d010101010101010b0a01010000011b010203080901010405060101010102161401010c0a010101010101010b0a0101bf740107000000120101010405060101010102161401010c0a010101010101010b0a01014874010101070809010101021614010101010203120110110d01010101011b010b0a0101ffff01010101010101010110131401010101010b0a01041a1401010101010b00000a0101ffdf0101010101010101011011120101010101101100000d01010101010101010c0a0101df9c010101010101010101010c0d010101010101010101010101010101010101010101010048010101010101010101010c0d01010101010101010101010101010101010101010101ff48010101010101010101010b0a01010101010101010101010101010101010101010101ffff01010101010101010101070a01010101010101010101010101010101010101010101df9c01010101010101010101070809010101010101010101010101010101010101010101ffff01010101010101010101040506010101010101010101010101010101010101010101007401010101010101010101040506010101010101010101010101010101010101010101ffff01010101010101010101021614010101000000000000000000000000000000000000dfff01010101010101010101101314010101010101010101010101010101010101010101ffff01010101010101010101101112010101010101010101010101010101010101010101ffff01010101010101010101010c0d01010101010b120101010700000a01010101010101ffff01010101010101010101010c0d0101010101010c0a0101010b080901010101010101ffff01010101010101010101010b0a010101010101070f0601010b080901010101010101ffff010101040e001201010101070a010101010101070f0601010b000000001201010101ffff010b000000000f060101010708090101010101070f0601010b0f06010b17140101013005010218090b0d19060101010405060101010101070f0601010b080901020312010101ffff0101070d0b0d01010101010405060101010101070f0601010b080901020312010101ffff0101010b150d01010101010216140101010101070f0601010b000d01071714010101ffff010101010c0d01010101011013140101010101070f060107000a0b00000d01010101ffff01010101010101010101011011120101010101070f06010101010101010101010101ffff0101010101010101010101010c0d0101010101070f06010101010101010101010101ffff0101010101010101010101010c0d01010101040e0008090101010101010101010101ffff0101010101010101010101010b0a0101010101010101010101010101010101010101ffff010101010101010101010101070a0101010101010101010101010101010101010101ffff01010101010101010101010107080901010101010101010101010101010101010101ffff01010101010101010101010104050601010101010101010101010101010101010101ffff01010101010101010101010104050601010101010101010101010101010101010101ffff01010101010101010101010102030000000000000000000000000000000000000001ffff01010101010101010101010101010101010101010101010101010101010101010101ffff01010101010101010101010101010101010101010101010101010101010101010101fefe0101010101010101010101010101010101010101010101010101010101010101010195010c00000040092900aa000000000000003100220000000000040000002701ffff030000000000>
Для кольца:
Jp
≈ 0,1×>0100090000033a05000000008603000000008603000026060f000207574d46430100000000000100ee7b0000000001000000e006000000000000e0060000010000006c000000000000000000000015000000180000000000000000000000250200007002000020454d4600000100e00600000c00000001000000000000000000000000000000000500002003000040010000c800000000000000000000000000000000e20400400d0300460000002c00000020000000454d462b014001001c000000100000000210c0db01000000600000006000000046000000480200003c020000454d462b224004000c000000000000001e4009000c00000000000000244001000c000000000000003040020010000000040000000000803f214007000c000000000000000840000594010000880100000210c0db01000000000000000000000000000000000000000100000089504e470d0a1a0a0000000d4948445200000016000000190802000000ba8049b9000000017352474200aece1ce9000000097048597300000ec400000ec401952b0e1b0000010f49444154384fed543b128230104d3c093336161e023be8bd8136f4301e8203d8901bd86b0787b0b071c84d62b2f99244074961e336c0b2fbf6bdb701cc184369b14a6b17ddbf82a0a4c4b8199480052c28a92ea8b006680800f6a22434748a033c4ee7bdfb826f44455ff37cd18deea3f30c695e53f78c8d5d0157085fc8769da901792b0a6fc7ca72199a1deadb5c33a0a48177868468b0d0323d210605d300ce1642945b191202bafca4ca1b210602069a74dc1e95d57454b5d9c8f3cee76db4111fcf6c76b8029876c5991730f676646c9bde28215fc808802444cc36a9d87727c2444284db005a7300d4523d19b27d5e3f9f8fe4f1891d9937ee05692c60d262c1c7ee0ffc43843fbe84a5bc003e632ef7013642130000000049454e44ae42608200000840010824000000180000000210c0db01000000030000000000000000000000000000001b40000040000000340000000100000002000000000000bf000000bf0000b0410000c84103000000000000b3000000b3ffffaf41000000b3000000b3ffffc7412100000008000000620000000c00000001000000150000000c00000004000000150000000c00000004000000510000003403000000000000000000001500000018000000000000000000000000000000000000001600000019000000500000008c000000dc00000058020000000000002000cc0016000000190000002800000016000000190000000100080000000000000000000000000000000000190000000000000000000000ffffff009cdfff0000004800ffbf7400dfffff0048489c0000484800df9c4800489cdf00dfbf740000489c0074bfff009c480000ffffdf00bf740000bfffff0074007400ffffbf009c749c0074000000000074000074bf0048000000ffdf9c000101010101010101010101010101010101010101010101010101010101010101010101010101010101010101010101010101010101010101010101010101010101010101010101010101010101010101010101010101010101010101010101010101010101010101010101010101010101010101010107010101010101010101010101010101010101010101010107010101010101010101010101010101010101010101010101010c0000000000000801010101010101010101010101010101010c000401010c001412010101010101010101010101150101101508010101101514120101010101010101010101150101050b0d0e01010102030f0101010101010101010101010101011614120101010116171801010101010101010101010101010c1718010101010c000801010101010101010101010101010203080101010110150d0e0101010101010101010101010110150f0101010110150d0e0101010109001412010101010101160d0e010101050b0d0e01010101050b040101010101010109141201010110150d0e010900000000000d0e01010101010c00040101010900080101101112050b0a130e01010101010c000801010c000d0e0101010c0f050b040101010101010203000000000008010101010101090a0b04010101010101010101010101010101010101010105060704010101010101010101010101010101010101010101020304010101010101010101010101010101010101010101010101010101010101010101010101010101010101010101010101010101010101010101010101010101010101010101010101010101014c0000006400000000000000000000001500000018000000000000000000000016000000190000002900aa0000000000000000000000803f00000000000000000000803f0000000000000000000000000000000000000000000000000000000000000000220000000c000000ffffffff460000001c00000010000000454d462b024000000c000000000000000e000000140000000000000010000000140000000400000003010800050000000b0200000000050000000c0219001600030000001e00040000000701040004000000070104007f010000410b2000cc00190016000000000019001600000000002800000016000000190000000100080000000000000000000000000000000000190000000000000000000000ffffff009cdfff0000004800ffbf7400dfffff0048489c0000484800df9c4800489cdf00dfbf740000489c0074bfff009c480000ffffdf00bf740000bfffff0074007400ffffbf009c749c0074000000000074000074bf0048000000ffdf9c000101010101010101010101010101010101010101010101010101010101010101010101010101010101010101010101010101010101010101010101010101010101010101010101010101010101010101010101010101010101010101010101010101010101010101010101010101010101010101010107010101010101010101010101010101010101010101010107010101010101010101010101010101010101010101010101010c0000000000000801010101010101010101010101010101010c000401010c001412010101010101010101010101150101101508010101101514120101010101010101010101150101050b0d0e01010102030f0101010101010101010101010101011614120101010116171801010101010101010101010101010c1718010101010c000801010101010101010101010101010203080101010110150d0e0101010101010101010101010110150f0101010110150d0e0101010109001412010101010101160d0e010101050b0d0e01010101050b040101010101010109141201010110150d0e010900000000000d0e01010101010c00040101010900080101101112050b0a130e01010101010c000801010c000d0e0101010c0f050b040101010101010203000000000008010101010101090a0b04010101010101010101010101010101010101010105060704010101010101010101010101010101010101010101020304010101010101010101010101010101010101010101010101010101010101010101010101010101010101010101010101010101010101010101010101010101010101010101010101010101010c00000040092900aa000000000000001900160000000000040000002701ffff030000000000>×(1->0100090000036a05000000009a03000000009a03000026060f002a07574d46430100000000000100a7bb0000000001000000080700000000000008070000010000006c0000000000000000000000140000001a00000000000000000000000c020000a202000020454d4600000100080700000c00000001000000000000000000000000000000000500002003000040010000c800000000000000000000000000000000e20400400d0300460000002c00000020000000454d462b014001001c000000100000000210c0db01000000600000006000000046000000380200002c020000454d462b224004000c000000000000001e4009000c00000000000000244001000c000000000000003040020010000000040000000000803f214007000c000000000000000840000584010000780100000210c0db01000000000000000000000000000000000000000100000089504e470d0a1a0a0000000d49484452000000150000001b08020000001c7f53b1000000017352474200aece1ce9000000097048597300000ec400000ec401952b0e1b0000010049444154384fe553b10dc32010044fe2741e23511aa7f712e98d3c4406486336c800eecc102968a2b089c3c35b808d2381a53479c905fcdfddf3f7a6d334911d51ecc002f4f778c52f9432817da7ea2b7e7d90da3d3a0dafd1b2bb37decc52f0821d64773b06130ff082512fe08d8a33ae2c40b013191d7ace68ff21c6d614b5239e9757efde7bb425acfbb7de1da8b749730e03123ea5c9069780b7daab3a2c6e43dab9112c2728be015f36b43a1744c9019aafcaac4d4ef12f265090b282e10d126d4aec42e3cf0d103c5f7904cefc887fc6acb8313849e3ffbc014b13b5b15152cf05c4fb3be826f055d99250fd258e6cfbffc920daef7f86a807f977fd0f2e007f0ec5ba81070000000049454e44ae426082000840010824000000180000000210c0db01000000030000000000000000000000000000001b40000040000000340000000100000002000000000000bf000000bf0000a8410000d84103000000000000b3000000b3ffffa741000000b3000000b3ffffd7412100000008000000620000000c00000001000000150000000c00000004000000150000000c00000004000000510000006c0300000000000000000000140000001a00000000000000000000000000000000000000150000001b0000005000000094000000e400000088020000000000002000cc00150000001b00000028000000150000001b00000001000800000000000000000000000000000000001b0000000000000000000000ffffff009cdfff0000004800ffbf7400dfffff0048489c0000484800489cdf00dfbf740000489c0074bfff00bf7400000074bf0074000000ffffbf00749cdf00ffdf9c00bfffff00740074009c749c00ffffdf00000074009c480000df9c740048000000bf7448000101010101010101010101010101010101010101010000000101010101010101010101010101010101010101010000000101010101010101010101010101010101010101010000000101010101010101010101010101010101010101010000000101010101010101010101010101010101010101010000000101010101010101010101010101010101010101010000000101010101010101010101010101010101010101010c45050101010101010101010101010101010101010101010000000101011216000000000c0101010101010101010101000000010108000e0f0101010b1715010101010101010101000000010b0017150101010101021a010101010101010101000000050a1911010101010101010101010101010101010100000002030e0f01010101010101010101010101010101010000000b00171501010101010101010101010101010101010c45050b001715010101010101010101010101010101010100000002030e0f0101010101010101010101010101010101000000010d000401010101010102180101010108000e0f01000000010203171501010101050a0401010101050a04010100000001010b000e0f010112160004010800000000001715000000010101010d0000000e0f10110112130f050a09141500000001010101010101010101010101010b0c050a0401010e450501010101010101010101010101010108090a0401010000000101010101010101010101010101010506070401010000000101010101010101010101010101010102030401010000000101010101010101010101010101010101010101010000000101010101010101010101010101010101010101010000000101010101010101010101010101010101010101010101014c000000640000000000000000000000140000001a0000000000000000000000150000001b0000002900aa0000000000000000000000803f00000000000000000000803f0000000000000000000000000000000000000000000000000000000000000000220000000c000000ffffffff460000001c00000010000000454d462b024000000c000000000000000e000000140000000000000010000000140000000400000003010800050000000b0200000000050000000c021b001500030000001e00040000000701040004000000070104009b010000410b2000cc001b001500000000001b0015000000000028000000150000001b00000001000800000000000000000000000000000000001b0000000000000000000000ffffff009cdfff0000004800ffbf7400dfffff0048489c0000484800489cdf00dfbf740000489c0074bfff00bf7400000074bf0074000000ffffbf00749cdf00ffdf9c00bfffff00740074009c749c00ffffdf00000074009c480000df9c740048000000bf7448000101010101010101010101010101010101010101010000000101010101010101010101010101010101010101010000000101010101010101010101010101010101010101010000000101010101010101010101010101010101010101010000000101010101010101010101010101010101010101010000000101010101010101010101010101010101010101010000000101010101010101010101010101010101010101010c45050101010101010101010101010101010101010101010000000101011216000000000c0101010101010101010101000000010108000e0f0101010b1715010101010101010101000000010b0017150101010101021a010101010101010101000000050a1911010101010101010101010101010101010100000002030e0f01010101010101010101010101010101010000000b00171501010101010101010101010101010101010c45050b001715010101010101010101010101010101010100000002030e0f0101010101010101010101010101010101000000010d000401010101010102180101010108000e0f01000000010203171501010101050a0401010101050a04010100000001010b000e0f010112160004010800000000001715000000010101010d0000000e0f10110112130f050a09141500000001010101010101010101010101010b0c050a0401010e450501010101010101010101010101010108090a0401010000000101010101010101010101010101010506070401010000000101010101010101010101010101010102030401010000000101010101010101010101010101010101010101010000000101010101010101010101010101010101010101010000000101010101010101010101010101010101010101010101010c00000040092900aa000000000000001b00150000000000040000002701ffff030000000000>)
→ D
≈ >>>
>
Если проектный расчет вала проводиться из условия прочности и из условия жесткости, то из двух вычисленных значений диаметра вала следует выбрать больший.
В
Международной системе единиц (СИ)
передаваемая валом мощность измеряется
в ваттах (Вт), угловая скорость ω
в >>>
>,вращающие
моменты Мвр, а также крутящие моменты
Mz в Н×М,
допускаемые касательные напряжения [>0100090000033c05000000008a03000000008a03000026060f000a07574d46430100000000000100aa2e0000000001000000e806000000000000e8060000010000006c000000000000000000000017000000180000000000000000000000570200007002000020454d4600000100e80600000c00000001000000000000000000000000000000000500002003000040010000c800000000000000000000000000000000e20400400d0300460000002c00000020000000454d462b014001001c000000100000000210c0db010000006000000060000000460000005402000048020000454d462b224004000c000000000000001e4009000c00000000000000244001000c000000000000003040020010000000040000000000803f214007000c0000000000000008400005a0010000940100000210c0db01000000000000000000000000000000000000000100000089504e470d0a1a0a0000000d4948445200000018000000190802000000a449790a000000017352474200aece1ce9000000097048597300000ec400000ec401952b0e1b0000011b49444154484bed94310e823014861f9c84c4c5c14390b8405cbd01933b9c4276173806c10d0ee1e062ec4dea7ba52da5450884c9f82622f5f7ffdeff578f730e5b8cbf850869fc92102b634f4d5cb2f568415263509c37a958f37a212ba54d854c5a137b5133fc36f32e7023d8771101a48d00e7bc4e82454220bf67ebe88f671f68d951f1ee77c49e7788f60b6df4a6b5505be500879d2d84e438d893394e25c45e0f74e81a0aaf683d3a1f679d6a21021b3b4fbfe01a75fd492161480cb264ad710e57d719ed20872f4d3d958a6c7a9f7ff7023b8191a8ab201f0749cad4faf8477316ddea4637cc3ae8c43f1a0b81a121657722bae9bb469da04d87a714f20a57d7965f8b30d55c029344d293c1675053b3bdff9fffdc55830fd094360e2c7e53290000000049454e44ae42608200000840010824000000180000000210c0db01000000030000000000000000000000000000001b40000040000000340000000100000002000000000000bf000000bf0000c0410000c84103000000000000b3000000b3ffffbf41000000b3000000b3ffffc7412100000008000000620000000c00000001000000150000000c00000004000000150000000c000000040000005100000030030000000000000000000017000000180000000000000000000000000000000000000018000000190000005000000088000000d800000058020000000000002000cc0018000000190000002800000018000000190000000100080000000000000000000000000000000000180000000000000000000000ffffff00489cdf00df9c4800bfffff00000074000074bf009cdfff0000004800ffbf740074000000ffffbf009c480000ffffdf00bf74000074bfff0048000000ffdf9c00dfffff0000489c00480074009c4848009cbfff007400480001010101010101010101010101010101010101010101010101010101010101010101010101010101010101010101010101010101010101010101010101010101010101010101010101010101010101010101010101010101010101010101010101010101010101010107170b0106000e01010102000000030101010101010101010405090405091611010101010405030101010101010101010106030f0a0b010101010101040503010101010101010101010200000a0b01010101010104050301010405000e0101010107150d040503010101010104050301010210110f0e010101041411040500090101010104050301010f101101010101011213090101010101010101040503010107080301010101010106030101010101010101040503010104050e01010101010f000c0d01010101010101040503010101060c0d010101010101010101010101010101040503010101020a0b0101010101010101010101010101010405030603010708090101010101010101010101010101010405030102000000000000030101010101010101010101010405030101010101010101010101010101010101010101010405030101010101010101010101010101010101010101010405030101010101010101010101010101010101010101010405030101010101010101010101010101010101010102000000030101010101010101010101010101010101010101010101010101010101010101010101010101010101010101010101010101010101010101010101010101010101010101010101010101010101010101010101010101010101010101010101014c0000006400000000000000000000001700000018000000000000000000000018000000190000002900aa0000000000000000000000803f00000000000000000000803f0000000000000000000000000000000000000000000000000000000000000000220000000c000000ffffffff460000001c00000010000000454d462b024000000c000000000000000e000000140000000000000010000000140000000400000003010800050000000b0200000000050000000c0219001800030000001e00040000000701040004000000070104007d010000410b2000cc00190018000000000019001800000000002800000018000000190000000100080000000000000000000000000000000000180000000000000000000000ffffff00489cdf00df9c4800bfffff00000074000074bf009cdfff0000004800ffbf740074000000ffffbf009c480000ffffdf00bf74000074bfff0048000000ffdf9c00dfffff0000489c00480074009c4848009cbfff007400480001010101010101010101010101010101010101010101010101010101010101010101010101010101010101010101010101010101010101010101010101010101010101010101010101010101010101010101010101010101010101010101010101010101010101010107170b0106000e01010102000000030101010101010101010405090405091611010101010405030101010101010101010106030f0a0b010101010101040503010101010101010101010200000a0b01010101010104050301010405000e0101010107150d040503010101010104050301010210110f0e010101041411040500090101010104050301010f101101010101011213090101010101010101040503010107080301010101010106030101010101010101040503010104050e01010101010f000c0d01010101010101040503010101060c0d010101010101010101010101010101040503010101020a0b0101010101010101010101010101010405030603010708090101010101010101010101010101010405030102000000000000030101010101010101010101010405030101010101010101010101010101010101010101010405030101010101010101010101010101010101010101010405030101010101010101010101010101010101010101010405030101010101010101010101010101010101010102000000030101010101010101010101010101010101010101010101010101010101010101010101010101010101010101010101010101010101010101010101010101010101010101010101010101010101010101010101010101010101010101010101010c00000040092900aa000000000000001900180000000000040000002701ffff030000000000>
в Па, полярные моменты инерции сечений
Jp
в >>>
>,
полярные моменты сопротивления Wp – в
>>>
>,
допускаемый угол закручивания [>>>
>]
в >010009000003c80500000000e00300000000e003000026060f00b607574d46430100000000000100befe0000000001000000940700000000000094070000010000006c0000000000000000000000120000001f0000000000000000000000da0100001f03000020454d4600000100940700000c00000001000000000000000000000000000000000500002003000040010000c800000000000000000000000000000000e20400400d0300460000002c00000020000000454d462b014001001c000000100000000210c0db010000006000000060000000460000009402000088020000454d462b224004000c000000000000001e4009000c00000000000000244001000c000000000000003040020010000000040000000000803f214007000c0000000000000008400005e0010000d40100000210c0db01000000000000000000000000000000000000000100000089504e470d0a1a0a0000000d49484452000000130000002008020000007fdcd498000000017352474200aece1ce9000000097048597300000ec400000ec401952b0e1b0000015b49444154484bd5543dae83300c0eef24545d720c249654acbd41bbb1e6a96740edda2ddca02b120b2ac760a99a9bf06c27d08486ead1a5aa07129cd8febef827eafb9ebd253f6f599191c48f508a56d8dc0104ca5d09eb34a4c3237b455eed6d7bef2a19a96075dce1ffa0366885ca1358e2742bea4ea32639f64752f121b445c0796c76f33cdbdf0864b5afdd97d037b60e59eae652cb0c438159c191f2832e3a681b96e231897f462450901ff1108416d8fb3e06cbc7f359c3c00296deb525f9dc1e7696a3816351ff27ac8724fa44f5b9d95ab4ff04da2559f1c97ca9a52e37d855d1a6d493e4cc9db815651a64ec17a76b02b5397921a9943855ad13b5ad98b41df7fa6dd730504ec588589715cfb3606d3d6525de1d64bd3f9bb0bae978ea7696e32390cf2407c414b63d7799d7926ef05025d008bc341a28d2500a4bb0860ce255c16996cec99095714099040c53c7995b93cc7c5797fd01e6ec56cfef61c39a0000000049454e44ae42608200000840010824000000180000000210c0db01000000030000000000000000000000000000001b40000040000000340000000100000002000000000000bf000000bf000098410000004203000000000080b3000080b3ffff9741000080b3000080b3ffffff412100000008000000620000000c00000001000000150000000c00000004000000150000000c00000004000000510000009c0300000000000000000000120000001f00000000000000000000000000000000000000130000002000000050000000cc0000001c01000080020000000000002000cc0013000000200000002800000013000000200000000100080000000000000000000000000000000000290000000000000000000000ffffff000000740048000000749c9c00ffdf9c00489cdf009c480000ffffdf00dfffff0000489c009cdfff0000004800bf740000bfffff0074007400ffffbf0074bfff00bf7474000074bf004800480074004800df9c9c00ffbf9c009c9cbf007400000048480000dfdf9c0048489c00bf9c9c00df9c4800ffbf74007474bf00489c9c0074747400480074009cdfbf00749cdf00bfdf9c009c749c00bfffdf000101010101010101010101010101010101010100010101010101010101010101010101010101010001010101010101010101010101010101010101000101090a000305091c050b0c00001e01010101000101010120100111001e010e2305010101010100010101012010090a1e20100e23050101010101000101010120100b1405111f0e2305010101010100010101012010130d01092728230501010101010001010101202414050101252623050101010101000101010120210d0101010e2223050101010101000101010113001f010101011303050101010101000101090a000708010101010b0c001e01010101000101010101010101010101010101010101010100010101010101010101010101010101010101010001010101010101010101010101010101010101000101010101010101010101010101010101010100010101010101010101010101010101010101010001010101010101010101010101010101010101000000000000000000000000000000000000000000010101010101010101010101010101010101010001010101010101010101010101010101010101000c000305010101010101010101010101010101050b140501010101010101010101091d01010101000b140501010101010101010101091c05010101000b0c00001910010e02001a0c031b0a00000000000b140501060d011107080b1405010118080113000b1405010b151001110000030501010b170113000b1405010b15100101010b140501010e160113000b0c0d010607080e0f1011030501010e120113000203040003050101060000070801090a00000000010101010101010101010101010101010101010001010101010101010101010101010101010101004c000000640000000000000000000000120000001f000000000000000000000013000000200000002900aa0000000000000000000000803f00000000000000000000803f0000000000000000000000000000000000000000000000000000000000000000220000000c000000ffffffff460000001c00000010000000454d462b024000000c000000000000000e000000140000000000000010000000140000000400000003010800050000000b0200000000050000000c0220001300030000001e0004000000070104000400000007010400b3010000410b2000cc00200013000000000020001300000000002800000013000000200000000100080000000000000000000000000000000000290000000000000000000000ffffff000000740048000000749c9c00ffdf9c00489cdf009c480000ffffdf00dfffff0000489c009cdfff0000004800bf740000bfffff0074007400ffffbf0074bfff00bf7474000074bf004800480074004800df9c9c00ffbf9c009c9cbf007400000048480000dfdf9c0048489c00bf9c9c00df9c4800ffbf74007474bf00489c9c0074747400480074009cdfbf00749cdf00bfdf9c009c749c00bfffdf000101010101010101010101010101010101010100010101010101010101010101010101010101010001010101010101010101010101010101010101000101090a000305091c050b0c00001e01010101000101010120100111001e010e2305010101010100010101012010090a1e20100e23050101010101000101010120100b1405111f0e2305010101010100010101012010130d01092728230501010101010001010101202414050101252623050101010101000101010120210d0101010e2223050101010101000101010113001f010101011303050101010101000101090a000708010101010b0c001e01010101000101010101010101010101010101010101010100010101010101010101010101010101010101010001010101010101010101010101010101010101000101010101010101010101010101010101010100010101010101010101010101010101010101010001010101010101010101010101010101010101000000000000000000000000000000000000000000010101010101010101010101010101010101010001010101010101010101010101010101010101000c000305010101010101010101010101010101050b140501010101010101010101091d01010101000b140501010101010101010101091c05010101000b0c00001910010e02001a0c031b0a00000000000b140501060d011107080b1405010118080113000b1405010b151001110000030501010b170113000b1405010b15100101010b140501010e160113000b0c0d010607080e0f1011030501010e120113000203040003050101060000070801090a00000000010101010101010101010101010101010101010001010101010101010101010101010101010101000c00000040092900aa000000000000002000130000000000040000002701ffff030000000000>,
модуль сдвига G – в Па.
В соответствии с этим необходимо заданную частоту вращения (если она дается в условии задачи) выразить в единицах угловой скорости (>0100090000037805000000009a03000000009a03000026060f002a07574d46430100000000000100097a0000000001000000080700000000000008070000010000006c000000000000000000000019000000180000000000000000000000890200007002000020454d4600000100080700000c00000001000000000000000000000000000000000500002003000040010000c800000000000000000000000000000000e20400400d0300460000002c00000020000000454d462b014001001c000000100000000210c0db010000006000000060000000460000001c02000010020000454d462b224004000c000000000000001e4009000c00000000000000244001000c000000000000003040020010000000040000000000803f214007000c0000000000000008400005680100005c0100000210c0db01000000000000000000000000000000000000000100000089504e470d0a1a0a0000000d494844520000001a000000190802000000a0bca937000000017352474200aece1ce9000000097048597300000ec400000ec401952b0e1b000000e349444154484b63fcffff3f03f50013f58c029934c88c3b50cac8587a00ee45f25df760ae272323a3630f4a68916f1c83f3746034de9fe3816c1ef9c62928286046231ee340c1820990020a4ba2c0639c4337d03318a0db015fd242360ee11ccfb90f884c8f0f6eec405109b57e7f0950b4643f8407e4c098d81c0811438b048f39f741190c2e033700643261d3b0db03340e6c0db9fad14c65009b0671291500130328307594b1a42122230335573cb87b054ddf83b9731199905433214107f72d904789cfc1310b4e2510408959409318474b6352e3930aa531562bc92f3ee9611c003478d294ee2340f90000000049454e44ae42608200000840010824000000180000000210c0db01000000030000000000000000000000000000001b40000040000000340000000100000002000000000000bf000000bf0000d0410000c84103000000000080b3000080b3ffffcf41000080b3000080b3ffffc7412100000008000000620000000c00000001000000150000000c00000004000000150000000c00000004000000510000008803000000000000000000001900000018000000000000000000000000000000000000001a00000019000000500000007c000000cc000000bc020000000000002000cc001a00000019000000280000001a000000190000000100080000000000000000000000000000000000150000000000000000000000ffffff000074bf00bf740000489cdf00dfdfdf00bfffff0000007400ffbf7400df9c480074bfff0074007400ffffbf009cdfff0000004800dfffff0000489c0048004800ffdf9c00740000009c9cdf0001010101010101010101010101010101010101010101010101010000010101010101010101010101010101010101010101010101010100000101010101010101010101010101010101010101010101010101000001010101010101010101010101010101010101010101010101010000010101010101010101010101010101010101010101010101010100000101010101010101010101010101010101010101010101010101000001010101010101010101010101010101010101010101010101010000010a00000009010101010101010101010101010101010101010100000d0e090101040901010101010101010101010101010101010101000004130c010101140c01010101010101010101010101010101010100000a130c010101010101010101010101010101010101010101010100000d1112010101010101010101010101010101010101010101010100000f100301010101010101010101010101010101010101010101010000010d0e0801010203010101010101010101010101010101010101000001010a000801060b0c01010101010101010101040000000009010000010101060700000901010101010101010101010101020301010100000101010101010101010101010101010101010101010403010101000001010101010101010607000000000000080101010104030101010000010101010101010101010101010101010101010101040301010100000101010101010101010101010101010101010105010403010101000001010101010101010101010101010101010101040000030101010000010101010101010101010101010101010101010101020301010100000101010101010101010101010101010101010101010101010101000001010101010101010101010101010101010101010101010101010000010101010101010101010101010101010101010101010101010100004c000000640000000000000000000000190000001800000000000000000000001a000000190000002900aa0000000000000000000000803f00000000000000000000803f0000000000000000000000000000000000000000000000000000000000000000220000000c000000ffffffff460000001c00000010000000454d462b024000000c000000000000000e000000140000000000000010000000140000000400000003010800050000000b0200000000050000000c0219001a00030000001e0004000000070104000400000007010400a9010000410b2000cc0019001a000000000019001a0000000000280000001a000000190000000100080000000000000000000000000000000000150000000000000000000000ffffff000074bf00bf740000489cdf00dfdfdf00bfffff0000007400ffbf7400df9c480074bfff0074007400ffffbf009cdfff0000004800dfffff0000489c0048004800ffdf9c00740000009c9cdf0001010101010101010101010101010101010101010101010101010000010101010101010101010101010101010101010101010101010100000101010101010101010101010101010101010101010101010101000001010101010101010101010101010101010101010101010101010000010101010101010101010101010101010101010101010101010100000101010101010101010101010101010101010101010101010101000001010101010101010101010101010101010101010101010101010000010a00000009010101010101010101010101010101010101010100000d0e090101040901010101010101010101010101010101010101000004130c010101140c01010101010101010101010101010101010100000a130c010101010101010101010101010101010101010101010100000d1112010101010101010101010101010101010101010101010100000f100301010101010101010101010101010101010101010101010000010d0e0801010203010101010101010101010101010101010101000001010a000801060b0c01010101010101010101040000000009010000010101060700000901010101010101010101010101020301010100000101010101010101010101010101010101010101010403010101000001010101010101010607000000000000080101010104030101010000010101010101010101010101010101010101010101040301010100000101010101010101010101010101010101010105010403010101000001010101010101010101010101010101010101040000030101010000010101010101010101010101010101010101010101020301010100000101010101010101010101010101010101010101010101010101000001010101010101010101010101010101010101010101010101010000010101010101010101010101010101010101010101010101010100000c00000040092900aa0000000000000019001a0000000000040000002701ffff030000000000>), применив известную формулу
ω = >010009000003f406000000008004000000008004000026060f00f608574d46430100000000000100fd3d0000000001000000d408000000000000d4080000010000006c000000000000000000000018000000210000000000000000000000700200005103000020454d4600000100d40800000c00000001000000000000000000000000000000000500002003000040010000c800000000000000000000000000000000e20400400d0300460000002c00000020000000454d462b014001001c000000100000000210c0db01000000600000006000000046000000bc020000b0020000454d462b224004000c000000000000001e4009000c00000000000000244001000c000000000000003040020010000000040000000000803f214007000c000000000000000840000508020000fc0100000210c0db01000000000000000000000000000000000000000100000089504e470d0a1a0a0000000d49484452000000190000002208020000002536e55a000000017352474200aece1ce9000000097048597300000ec400000ec401952b0e1b0000018449444154484bed55bd6ec230103ef324a95832e42182ba1875ed1bc0d23d3c0482bd4bf206aca8592ae72132b020fc26eed987ff705a159456adc42d98f3dde7f377ce774c290523d964241c0df32956b762ab2e3c2871a455a853cd636f25f0de68a20208d6bc3e393700af85cdb3310a448d31a2d20e51d97802b37021a8f6d2e914abf76cd6a45c2c32803ccf401efb628aebc0ca8d12309b81509b322e9ed7af3a0fb2dcdfcaf0d5ed77c32d408e1008e12eb81b8e462cd9acb7ba207968fba384ae69a48945a0757ec28aa8ba6fc00514ebbbbbdb27e4e1ae61d9f50affd93531c6fedb5bbde17bf8956fe886bac64cb9f7f13a36ffea9bf8e1ba643367d6e667fd21e2fc4eecb7b45a3976bfa823a1b47bd9d60243daae579772aef526c10a1c514ea8fac3605ff0259b976521de8cac93719c0ac6b26901ed81e4d7db3016ca33630fcb768cf7850a4fbcf491ccbb527064f922dd81695d58d36097caa70ab6fbcef4f37dd7f2e7477ff9335cca7d38c8e36ed170d1e66675987ed79cebdec40705699ea5c975a5c30000000049454e44ae426082000840010824000000180000000210c0db01000000030000000000000000000000000000001b40000040000000340000000100000002000000000000bf000000bf0000c8410000084203000000000000b3000000b3ffffc741000000b3000000b3ffff07422100000008000000620000000c00000001000000150000000c00000004000000150000000c0000000400000051000000b40400000000000000000000180000002100000000000000000000000000000000000000190000002200000050000000ac000000fc000000b8030000000000002000cc0019000000220000002800000019000000220000000100080000000000000000000000000000000000210000000000000000000000ffffff000074bf00ffbf7400bfffff0074007400ffffbf009cdfff00000048000000740048007400ffdf9c0074bfff009c480000489cbf009c9cbf00bfffdf00bf7474009c487400ffffdf00bfbf7400489cdf00df9c4800df9c9c00bf744800dfffff0000489c0074000000480000004874bf00bf74000048489c004800480001010101010101010101010101010101010101010101010101ffffff01010101010101010101010101010101010101010101010101ffffff01010101010101010101010101010101010101010101010101ffdfff01010101010101010101010101010101010101010101010101ffffff01010101010115000000160101010409000003010101010101ffff000101010101040a0b010708030101021e0107200b0101010101ffffff0101010101010101010708030104090301191a160101010101ffffff01010101010101020000030101040a0b0101021e0101010101749c480101010101010101191a030101040a0b0101021e0101010101ffffff01010101010101010107200b0104090301191a160101010101ffffff0101010101191f0b010c1c0b0101151e0107200b0101010101ffffff0101010101011500000016010101191a000016010101010101ffffff01010101010101010101010101010101010101010101010101ffffff01010101010101010101010101010101010101010101010101ffffff01010101010101010101010101010101010101010101010101ffffff01010101010101010101010101010101010101010101010101ffffff01010101010101010101010101010101010101010101010101ffffff01010101010101010101010101010101010101010101010101ffffff01010101010101010101010101010101010101010101010101ffffff000000000000000000000000000000000000000000000000009c480001010101010101010101010101010101010101010101010101ffffff01010101010101010101010101010101010101010101010101ffffff01010101010101010101010101010101010101010101010101ffdfff01010101010101010101010101010101010101010101010101ffffff01010101010101010101010101010101010101010101010101ffffff0c1b0604091c0b011d0b0101010405060708001e0708001601ffffff191a030c0d101701040a0b010409030101150d1301150d1301ffffff010c160718010101010409140903010101150d1301150d1301ffffff0104170718010101010104090301010101150d1301150d13010000000f1011041213010101040914090301010115001601020d1301ffff48070800000000030104090301040a0b010c000d0e0000030101ffffff01010101010101010203010101040506010101010101010101ffffff01010101010101010101010101010101010101010101010101dfbf7401010101010101010101010101010101010101010101010101ffffff4c0000006400000000000000000000001800000021000000000000000000000019000000220000002900aa0000000000000000000000803f00000000000000000000803f0000000000000000000000000000000000000000000000000000000000000000220000000c000000ffffffff460000001c00000010000000454d462b024000000c000000000000000e000000140000000000000010000000140000000400000003010800050000000b0200000000050000000c0222001900030000001e00040000000701040004000000070104003f020000410b2000cc00220019000000000022001900000000002800000019000000220000000100080000000000000000000000000000000000210000000000000000000000ffffff000074bf00ffbf7400bfffff0074007400ffffbf009cdfff00000048000000740048007400ffdf9c0074bfff009c480000489cbf009c9cbf00bfffdf00bf7474009c487400ffffdf00bfbf7400489cdf00df9c4800df9c9c00bf744800dfffff0000489c0074000000480000004874bf00bf74000048489c004800480001010101010101010101010101010101010101010101010101ffffff01010101010101010101010101010101010101010101010101ffffff01010101010101010101010101010101010101010101010101ffdfff01010101010101010101010101010101010101010101010101ffffff01010101010115000000160101010409000003010101010101ffff000101010101040a0b010708030101021e0107200b0101010101ffffff0101010101010101010708030104090301191a160101010101ffffff01010101010101020000030101040a0b0101021e0101010101749c480101010101010101191a030101040a0b0101021e0101010101ffffff01010101010101010107200b0104090301191a160101010101ffffff0101010101191f0b010c1c0b0101151e0107200b0101010101ffffff0101010101011500000016010101191a000016010101010101ffffff01010101010101010101010101010101010101010101010101ffffff01010101010101010101010101010101010101010101010101ffffff01010101010101010101010101010101010101010101010101ffffff01010101010101010101010101010101010101010101010101ffffff01010101010101010101010101010101010101010101010101ffffff01010101010101010101010101010101010101010101010101ffffff01010101010101010101010101010101010101010101010101ffffff000000000000000000000000000000000000000000000000009c480001010101010101010101010101010101010101010101010101ffffff01010101010101010101010101010101010101010101010101ffffff01010101010101010101010101010101010101010101010101ffdfff01010101010101010101010101010101010101010101010101ffffff01010101010101010101010101010101010101010101010101ffffff0c1b0604091c0b011d0b0101010405060708001e0708001601ffffff191a030c0d101701040a0b010409030101150d1301150d1301ffffff010c160718010101010409140903010101150d1301150d1301ffffff0104170718010101010104090301010101150d1301150d13010000000f1011041213010101040914090301010115001601020d1301ffff48070800000000030104090301040a0b010c000d0e0000030101ffffff01010101010101010203010101040506010101010101010101ffffff01010101010101010101010101010101010101010101010101dfbf7401010101010101010101010101010101010101010101010101ffffff0c00000040092900aa000000000000002200190000000000040000002701ffff030000000000>,
тогда зависимость между передаваемой мощностью P в кВт, угловой скоростью ω, >010009000003300600000000fe0300000000fe03000026060f00f207574d46430100000000000100ee870000000001000000d007000000000000d0070000010000006c00000000000000000000001e0000001a000000000000000000000006030000a202000020454d4600000100d00700000c00000001000000000000000000000000000000000500002003000040010000c800000000000000000000000000000000e20400400d0300460000002c00000020000000454d462b014001001c000000100000000210c0db010000006000000060000000460000003c02000030020000454d462b224004000c000000000000001e4009000c00000000000000244001000c000000000000003040020010000000040000000000803f214007000c0000000000000008400005880100007c0100000210c0db01000000000000000000000000000000000000000100000089504e470d0a1a0a0000000d494844520000001f0000001b08020000000b5dc378000000017352474200aece1ce9000000097048597300000ec400000ec401952b0e1b0000010449444154484bed94410ec2201045074f82e9d643d4b8a9f11a1e819ea2eeddb4c7704d0fe1d6949b60a10805a1ad161626ceaa99195e993f3f20ce39248b4d32b200ff0ebd2d112adbb11871eece9a2342687f71658e4387c3b5774757170e3e0e1d63ec7587872ee4d32175644dd9302b6dd783beb3e84a3ea0fd982a4eb71eb43d4386f3ca64cd57954f5afad5a8442323f2501285a2ee7c68274709807d1e860e518000849259b8b34fdd2fe94331c4a0e47da005938816419f862f0479db7a7a3a38d79ed9657ecbae7ae534fdfe60ab40fec3c631deddad58a9daaa76a46d1bb98fafed22b7acfc6e263013ceba7cde4d48fc2159c4792343d7fbd3ffca7c6add2741d1ce3efb5e04fd0000000049454e44ae426082000840010824000000180000000210c0db01000000030000000000000000000000000000001b40000040000000340000000100000002000000000000bf000000bf0000f8410000d84103000000000000b3000000b3fffff741000000b3000000b3ffffd7412100000008000000620000000c00000001000000150000000c00000004000000150000000c00000004000000510000003004000000000000000000001e0000001a000000000000000000000000000000000000001f0000001b0000005000000080000000d000000060030000000000002000cc001f0000001b000000280000001f0000001b0000000100080000000000000000000000000000000000160000000000000000000000ffffff000074bf00bf740000489cdf00dfdfdf00749cdf00bfdf9c0000007400ffbf740074bfff0074000000ffffbf00dfffff0000489c009c480000ffffdf00df9c48009cdfff000000480048000000ffdf9c0001010101010101010101010101010101010101010101010101010101010101ff01010101010101010101010101010101010101010101010101010101010101ff01010101010101010101010101010101010101010101010101010101010101ff01010101010101010101010101010101010101010101010101010101010101ff01010101010101010101010101010101010101010101010101010101010101ff01010101010101010101010101010101010101010101010101010101010101ff01010101010101010101010101010101010101010101010101010101010101ff01010101010101010101010101010101010101010101010101010101010101ff0101010a000000001415010101010101010101010101010101010101010101ff010102000f1001010d0e030101010101010101010101010101010101010101ff010a00030101010101010a0901010101010101010101010101010101010101000d0e1415010101010101010101010101010101010101010101010101010101000d0e0b0c010101010101010101010101010101010101010101010101010101ff0d0e1415010101010101010101010101010101010101010101010101010101ff01040011010101010101010101010101010101010101010101010101010101ff0112130f100101010101010a090101010101010101010101010101010101010001010200110101010101010a11010101010101010101010400000000110101ff01010d0e00090101010101040f100101010101010101010101020301010101df010101010400030101010a000b0c0101010101010101010101040301010101df01010101010102000000030106070800000000000009010101040301010101ff010101010101010101010101010101010101010101010101010403010101014801010101010101010101010101010101010101010101010501040301010101ff010101010101010101010101010101010101010101010104000003010101010001010101010101010101010101010101010101010101010101020301010101ff01010101010101010101010101010101010101010101010101010101010101ff01010101010101010101010101010101010101010101010101010101010101ff01010101010101010101010101010101010101010101010101010101010101744c0000006400000000000000000000001e0000001a00000000000000000000001f0000001b0000002900aa0000000000000000000000803f00000000000000000000803f0000000000000000000000000000000000000000000000000000000000000000220000000c000000ffffffff460000001c00000010000000454d462b024000000c000000000000000e000000140000000000000010000000140000000400000003010800050000000b0200000000050000000c021b001f00030000001e0004000000070104000400000007010400fd010000410b2000cc001b001f00000000001b001f0000000000280000001f0000001b0000000100080000000000000000000000000000000000160000000000000000000000ffffff000074bf00bf740000489cdf00dfdfdf00749cdf00bfdf9c0000007400ffbf740074bfff0074000000ffffbf00dfffff0000489c009c480000ffffdf00df9c48009cdfff000000480048000000ffdf9c0001010101010101010101010101010101010101010101010101010101010101ff01010101010101010101010101010101010101010101010101010101010101ff01010101010101010101010101010101010101010101010101010101010101ff01010101010101010101010101010101010101010101010101010101010101ff01010101010101010101010101010101010101010101010101010101010101ff01010101010101010101010101010101010101010101010101010101010101ff01010101010101010101010101010101010101010101010101010101010101ff01010101010101010101010101010101010101010101010101010101010101ff0101010a000000001415010101010101010101010101010101010101010101ff010102000f1001010d0e030101010101010101010101010101010101010101ff010a00030101010101010a0901010101010101010101010101010101010101000d0e1415010101010101010101010101010101010101010101010101010101000d0e0b0c010101010101010101010101010101010101010101010101010101ff0d0e1415010101010101010101010101010101010101010101010101010101ff01040011010101010101010101010101010101010101010101010101010101ff0112130f100101010101010a090101010101010101010101010101010101010001010200110101010101010a11010101010101010101010400000000110101ff01010d0e00090101010101040f100101010101010101010101020301010101df010101010400030101010a000b0c0101010101010101010101040301010101df01010101010102000000030106070800000000000009010101040301010101ff010101010101010101010101010101010101010101010101010403010101014801010101010101010101010101010101010101010101010501040301010101ff010101010101010101010101010101010101010101010104000003010101010001010101010101010101010101010101010101010101010101020301010101ff01010101010101010101010101010101010101010101010101010101010101ff01010101010101010101010101010101010101010101010101010101010101ff01010101010101010101010101010101010101010101010101010101010101740c00000040092900aa000000000000001b001f0000000000040000002701ffff030000000000>и выраженным внешним моментом Мвр в Н×М, скручивающим вал, запишется в таком виде:
Мвр = >010009000003520900000000c60500000000c605000026060f00820b574d46430100000000000100d9da0000000001000000600b000000000000600b0000010000006c000000000000000000000027000000250000000000000000000000e7030000b503000020454d4600000100600b00000c00000001000000000000000000000000000000000500002003000040010000c800000000000000000000000000000000e20400400d0300460000002c00000020000000454d462b014001001c000000100000000210c0db01000000600000006000000046000000180300000c030000454d462b224004000c000000000000001e4009000c00000000000000244001000c000000000000003040020010000000040000000000803f214007000c000000000000000840000564020000580200000210c0db01000000000000000000000000000000000000000100000089504e470d0a1a0a0000000d494844520000002800000026080200000039964e4a000000017352474200aece1ce9000000097048597300000ec400000ec401952b0e1b000001df494441545847ed573d6ec2500c7ee94922b130e41089ba0475ed0dca8258837a868aacdde0065d5159d0cb21185850de4d52fbfdbf88000e6d11523c45c4f6e7efb32d9ca8691a760f7bba072862f600ae1691b545d5b7f01ec0005570e85053aff272d31b1933f433c0cd57f5c558700b555141cc06f2c23071b95c500881be68d70043363fb50c05c5506ab19e40d3b2b2dd2eb19e4d132d2a9bced64239548bc9712e8be389ff6b14361c46e1d404a47350607f14c8b8ae913bb253bdd3e6d7892f0d3d43178bf0035abc3c350231752a641cc771c76ce663fd261e256c7b5094d3a52b6e99ba48f89db30c6802d78cf1efb79359abcfe9367f7d8efb4d75d70e296c406dfc8aa47799a91dccf6ab1a6b3a0f6c483271dc334bbf0b16db8f5c15ef96976d8a56c2018bc336f44d5f0aa6f754ecbea43edd9072e8a28f710d5cade667ddf558793eada9506f82b13bb5bbbc68ed164c940c722b19e4887097ef61bf3b5c0406033041ac07751da6fadf1a37acd320f59f29f040c3a53e24f0c2904f13737c52b5b97890070ef6da34d73c1e90575ed721124d6a3c818a77ff7c4c97bcb0971985340d38c89c8ccc0d86f739d568c0785e2b147c92566d4ae64a20c0d37aacbe83d4f5e79ea839d07ff85b2434e93657da70dd861544ff00dffdd52475c3faa90000000049454e44ae42608200000840010824000000180000000210c0db01000000030000000000000000000000000000001b40000040000000340000000100000002000000000000bf000000bf000020420000184203000000000000b3000000b3ffff1f42000000b3000000b3ffff17422100000008000000620000000c00000001000000150000000c00000004000000150000000c0000000400000051000000e40600000000000000000000270000002500000000000000000000000000000000000000280000002600000050000000a4000000f4000000f0050000000000002000cc00280000002600000028000000280000002600000001000800000000000000000000000000000000001f0000000000000000000000ffffff00bfffff000000740074000000ffffbf0074007400dfffff0000489c00ffbf74009cdfff009c484800ffffdf0000004800df9c48000074bf00bf7400009c48000074bfff00489cdf0048004800ffdf9c009c487400dfdfdf0048007400bfbf7400480000004874bf00bf744800bf74740074bfbf0001010101010101010101010101010101010101010101010101010101010101010101010101010101010101010101010101010101010101010101010101010101010101010101010101010101010101010101010101010101010101010101010101010101010101010101010101010101010101010101010101010101010101010101010101010101010101010101010101010101010101010101010101010101010101010101010101010101010101010f00041e000009010101010101010101010101010101010101010101010101010101010101010112110c021d01120405010101010101010101010101010101010101010101010101010101010101011310010a1c01021815010101010101010101010101010101010101010101010101010101010101011310010a0b0c020605010101010101010101010101010101010101010101010101010101010101010a14150a0b0c0f110c01010101010101010101010101010101010101010101010101010101010101011200100203110c01010101010101010101010101010101010101010101010101010101010101010101010101010101010101010101010101010101010101010101010101010101010101010101010101010101010101010101010101010101010101010101010101010101010101010101010101010101010101010101010101010101010101010101010101010101010101010101010101010101010101010101010101010101010101010101010101010101010101010101010101010101010101010101010101010101010101010101010101010101010101010101010101010101010101010101010101010101010101010101010101010101010101010101010101010101010101010101010101010101010101010101010101010101010101010101010101010101010101010101010101010101010101010101010101010101010101010101010101010101010101010101010101010101010101010101010101010101010101010101010101010101010101010101010101010101010000000000000000000000000000000000000000000000000000000000000000000000000000000001010101010101010101010101010101010101010101010101010101010101010101010101010101010101010101010101010101010101010101010101010101010101010101010101010101010101010101010101010101010101010101010101010101010101010101010101010101010101010101010101010101010101010101010101010101010101010101010101010101010101010101010101010101010101010101010101010101010101010101010101010101010101010101010101010101010101010113000000000e01010203000009010101010101010101011b150101010206050a0d0004050101010101010f10010101010f10010a14150101010101010101010218150102030901011204050101010101010113100101010203090107080e01010101010101010101020319030901010112040501010101010101131001010102181501010f10010101010101010101010102030901010101120000001a1501010101131001010102181501010f1001010101010101010101020319030901010112040501121a1501170113100101010203090107080e0102030000040501010203090102181501011204050107080e0113000010010101011310010a14150102160c010f0e01010f09010101020605011204050107080e0101010f1001010101070800000e010101020300110c010101010101010101010112040501120009010101010101010101010101010101010101010a0b0c010101010101010101010a0d000000000e01010101010101010101010101010101010206050708090101010101010101010101010101010101010101010101010101010101010101010102030000040501010101010101010101010101010101010101010101010101010101010101010101010101010101010101010101010101010101010101010101010101010101010101010101010101010101010101010101010101010101010101010101010101014c0000006400000000000000000000002700000025000000000000000000000028000000260000002900aa0000000000000000000000803f00000000000000000000803f0000000000000000000000000000000000000000000000000000000000000000220000000c000000ffffffff460000001c00000010000000454d462b024000000c000000000000000e000000140000000000000010000000140000000400000003010800050000000b0200000000050000000c0226002800030000001e000400000007010400040000000701040057030000410b2000cc002600280000000000260028000000000028000000280000002600000001000800000000000000000000000000000000001f0000000000000000000000ffffff00bfffff000000740074000000ffffbf0074007400dfffff0000489c00ffbf74009cdfff009c484800ffffdf0000004800df9c48000074bf00bf7400009c48000074bfff00489cdf0048004800ffdf9c009c487400dfdfdf0048007400bfbf7400480000004874bf00bf744800bf74740074bfbf0001010101010101010101010101010101010101010101010101010101010101010101010101010101010101010101010101010101010101010101010101010101010101010101010101010101010101010101010101010101010101010101010101010101010101010101010101010101010101010101010101010101010101010101010101010101010101010101010101010101010101010101010101010101010101010101010101010101010101010f00041e000009010101010101010101010101010101010101010101010101010101010101010112110c021d01120405010101010101010101010101010101010101010101010101010101010101011310010a1c01021815010101010101010101010101010101010101010101010101010101010101011310010a0b0c020605010101010101010101010101010101010101010101010101010101010101010a14150a0b0c0f110c01010101010101010101010101010101010101010101010101010101010101011200100203110c01010101010101010101010101010101010101010101010101010101010101010101010101010101010101010101010101010101010101010101010101010101010101010101010101010101010101010101010101010101010101010101010101010101010101010101010101010101010101010101010101010101010101010101010101010101010101010101010101010101010101010101010101010101010101010101010101010101010101010101010101010101010101010101010101010101010101010101010101010101010101010101010101010101010101010101010101010101010101010101010101010101010101010101010101010101010101010101010101010101010101010101010101010101010101010101010101010101010101010101010101010101010101010101010101010101010101010101010101010101010101010101010101010101010101010101010101010101010101010101010101010101010101010101010101010101010000000000000000000000000000000000000000000000000000000000000000000000000000000001010101010101010101010101010101010101010101010101010101010101010101010101010101010101010101010101010101010101010101010101010101010101010101010101010101010101010101010101010101010101010101010101010101010101010101010101010101010101010101010101010101010101010101010101010101010101010101010101010101010101010101010101010101010101010101010101010101010101010101010101010101010101010101010101010101010101010113000000000e01010203000009010101010101010101011b150101010206050a0d0004050101010101010f10010101010f10010a14150101010101010101010218150102030901011204050101010101010113100101010203090107080e01010101010101010101020319030901010112040501010101010101131001010102181501010f10010101010101010101010102030901010101120000001a1501010101131001010102181501010f1001010101010101010101020319030901010112040501121a1501170113100101010203090107080e0102030000040501010203090102181501011204050107080e0113000010010101011310010a14150102160c010f0e01010f09010101020605011204050107080e0101010f1001010101070800000e010101020300110c010101010101010101010112040501120009010101010101010101010101010101010101010a0b0c010101010101010101010a0d000000000e01010101010101010101010101010101010206050708090101010101010101010101010101010101010101010101010101010101010101010102030000040501010101010101010101010101010101010101010101010101010101010101010101010101010101010101010101010101010101010101010101010101010101010101010101010101010101010101010101010101010101010101010101010101010c00000040092900aa000000000000002600280000000000040000002701ffff030000000000>.
2. Вопросы для самопроверки
Какой внутренний силовой фактор возникает в поперечном сечении вала, и какое напряжение он вызывает?
Сформулируйте правило определения крутящего момента в произвольном сечении вала и правило знаков.
Запишите условие прочности и жесткости при кручении.
Как определить полярные моменты инерции и сопротивления для круга и кольца?
Как нужно нагрузить брус, чтобы он работал только на кручение?
По какому закону распределяется напряжение в поперечном сечении круглого бруса при кручении?
Сколько различных видов расчета можно производить из условия прочности и жесткости?
В одинаковой ли степени увеличатся жесткость и прочность стального бруса круглого поперечного сечения, если увеличить его диаметр?
Во сколько раз увеличатся жесткость и прочность бруса круглого поперечного сечения при условии увеличения его диаметра в два раза?
3. Порядок решения типовых задач
Задача №1
Определить
диаметр стального вала для передачи
мощности Р=8кВт при частоте вращения
240 >
>
из условия прочности, принять [>0100090000039604000000002003000000002003000026060f003606574d464301000000000001000ee00000000001000000140600000000000014060000010000006c000000000000000000000010000000180000000000000000000000a80100007002000020454d4600000100140600000c00000001000000000000000000000000000000000500002003000040010000c800000000000000000000000000000000e20400400d0300460000002c00000020000000454d462b014001001c000000100000000210c0db01000000600000006000000046000000f8010000ec010000454d462b224004000c000000000000001e4009000c00000000000000244001000c000000000000003040020010000000040000000000803f214007000c000000000000000840000544010000380100000210c0db01000000000000000000000000000000000000000100000089504e470d0a1a0a0000000d4948445200000011000000190802000000585c52c0000000017352474200aece1ce9000000097048597300000ec400000ec401952b0e1b000000c049444154384f63fcffff3f0389808944f520e5a37ae81b060fe67a326200cfb90f7046ddfe12068f39f781a9e1fffd391e0c0c25fb414cfc80012e4db496ff8874f0e0c60e060f0d0522d2125ccf81ad3d0c0c3acaa4e87970f70a0391d6c0d328d86521cec45803d303b6060c0e9432961e40b0417100e243e2031a01b07003863918a00636501424000c5324714458638d139849284611ce73600bf63338229c4c580fd8c50ed9733c7a3a61c9095f3281ba0c6c133899409cc83888cb1d00623efdeb91f36c0c0000000049454e44ae426082000840010824000000180000000210c0db01000000030000000000000000000000000000001b40000040000000340000000100000002000000000000bf000000bf000088410000c84103000000000000b3000000b3ffff8741000000b3000000b3ffffc7412100000008000000620000000c00000001000000150000000c00000004000000150000000c0000000400000051000000b8020000000000000000000010000000180000000000000000000000000000000000000011000000190000005000000074000000c4000000f4010000000000002000cc0011000000190000002800000011000000190000000100080000000000000000000000000000000000130000000000000000000000ffffff00489cdf00df9c48000074bf009cdfff0000004800ffbf740074000000ffffbf009c480000ffffdf00bfffff0000007400bf74000074bfff0048000000ffdf9c00bf7448000101010101010101010101010101010101010101010101010101010101010101010101010101010101010101010101010101010101010101010101010101010101010101010f00080905060e0101010101010101010101010101040701020a0b010101010101010101010101010104070c0d070101010101010101010101010101010400000701010101010101010c0d000e010101010407051201010101010101010210110f0e01010f0008090200030101010101010f1011010101010101010101010101010101010105060301010101010101010101010101010101010c0d0e010101010101010101010101010101010101040a0b0101010101010101010101010101010101020809010101010101010101010101010104030105060701010101010101010101010301010102000000000000030101010101010101120e010101010101010101010101010101010101120e0101010101010101010101010101010101010e010101010101010101010101010101010101010e010101010101010101010101010101010101010a0601010101010101010101010101010101010108060101010101010101010101010101010101010301010101010101010101010101010101010101010101010101010101010101010101010101010101010101010101010101010101010101010101010101014c0000006400000000000000000000001000000018000000000000000000000011000000190000002900aa0000000000000000000000803f00000000000000000000803f0000000000000000000000000000000000000000000000000000000000000000220000000c000000ffffffff460000001c00000010000000454d462b024000000c000000000000000e000000140000000000000010000000140000000400000003010800050000000b0200000000050000000c0219001100030000001e000400000007010400040000000701040041010000410b2000cc00190011000000000019001100000000002800000011000000190000000100080000000000000000000000000000000000130000000000000000000000ffffff00489cdf00df9c48000074bf009cdfff0000004800ffbf740074000000ffffbf009c480000ffffdf00bfffff0000007400bf74000074bfff0048000000ffdf9c00bf7448000101010101010101010101010101010101010101010101010101010101010101010101010101010101010101010101010101010101010101010101010101010101010101010f00080905060e0101010101010101010101010101040701020a0b010101010101010101010101010104070c0d070101010101010101010101010101010400000701010101010101010c0d000e010101010407051201010101010101010210110f0e01010f0008090200030101010101010f1011010101010101010101010101010101010105060301010101010101010101010101010101010c0d0e010101010101010101010101010101010101040a0b0101010101010101010101010101010101020809010101010101010101010101010104030105060701010101010101010101010301010102000000000000030101010101010101120e010101010101010101010101010101010101120e0101010101010101010101010101010101010e010101010101010101010101010101010101010e010101010101010101010101010101010101010a0601010101010101010101010101010101010108060101010101010101010101010101010101010301010101010101010101010101010101010101010101010101010101010101010101010101010101010101010101010101010101010101010101010101010c00000040092900aa000000000000001900110000000000040000002701ffff030000000000>]=60МПа.
Определив требуемый диаметр вала, найти
угол его закручивания на длине l=300мм.
Дано:
Р=8кВт
n=240>010009000003c808000000007205000000007205000026060f00da0a574d464301000000000001001d250000000001000000b80a000000000000b80a0000010000006c0000000000000000000000340000001800000000000000000000002c0500007002000020454d4600000100b80a00000c00000001000000000000000000000000000000000500002003000040010000c800000000000000000000000000000000e20400400d0300460000002c00000020000000454d462b014001001c000000100000000210c0db01000000600000006000000046000000dc020000d0020000454d462b224004000c000000000000001e4009000c00000000000000244001000c000000000000003040020010000000040000000000803f214007000c0000000000000008400005280200001c0200000210c0db01000000000000000000000000000000000000000100000089504e470d0a1a0a0000000d49484452000000350000001908020000001eeaf16a000000017352474200aece1ce9000000097048597300000ec400000ec401952b0e1b000001a2494441545847ed563b8e833010b5f7248ed2a4e010a03446dbe6064997d6116740d0a26dc80db65d8566150e918266856fe2b5cdc7c67c36016d42c194e319fbcd9b372343c61898b1bdcd189b80b6e07ba441e909c253aa67cc853f7a7621844e685633177c60fbc127358fb101702ef810429d4278263ea1aeb635f5f6cafeda016f61cb027b6882387f7559ee996aa1a65b555fc6990e8d1ec949217969cd9bfbf1d02c310f453d5c9698102e4d72adca132ecc3d38ce55c557c2b3554c21673de2cf802e02a5cf988cfa52a93fb4b612b0d961107e95cb278d0e96e7591d95e24d2d64fafdd92af7916da7c7a2fd45c77ed997afa8f958ef3d02425ff4989efd5b7c443fb781d7783757992508fd57d3e7d73ec6383944a924af2aa0f3750ece015716bc779d864e3da4abc354821bfb056d458f1d8793d73f5459e4427f93b3deb933053a89dfe6fe43a2c7800c919784b75d5ecb63d2dbf7244b7c54294deca8e18da4a1d7f2ee796b540c63722908d31aa379ab055287f53954407193b6321a5baa77c7741dc0e5ff3caaad55d233ff0763802ef8c6b0a67216fea6f1f70b8d4c6a76c69947ec0000000049454e44ae4260820000000840010824000000180000000210c0db01000000030000000000000000000000000000001b40000040000000340000000100000002000000000000bf000000bf000054420000c84103000000000000b3000000b3ffff5342000000b3000000b3ffffc7412100000008000000620000000c00000001000000150000000c00000004000000150000000c0000000400000051000000780600000000000000000000340000001800000000000000000000000000000000000000350000001900000050000000b00000000001000078050000000000002000cc0035000000190000002800000035000000190000000100080000000000000000000000000000000000220000000000000000000000ffffff000074bf00bf740000489cdf00dfdfdf00bfffff0000007400ffbf740048000000ffdf9c0074bfff009c480000ffffdf00df9c48009cdfff007448480000487400dfffff0048489c000048480074007400489c9c0074000000ffffbf0000489c00bfffbf00dfdf9c007474740074bfbf00000048007474480048004800740048000101010101010101010101010101010101010101010101010101010101010101010101010101010101010101010101010101010101ffffff0101010101010101010101010101010101010101010101010101010101010101010101010101010101010101010101010101010101ffffff0101010101010101010101010101010101010101010101010101010101010101010101010101010101010101010101010101010101ffffff0101010101010101010101010101010101010101010101010101010101010101010101010101010101010101010101010101010101ffffff0101010101010101010101010101010101010101010101010101010101010101010101010101010101010101010101010101010101ffffff0101010101010101010101010101010101010101010101010101010101010101010101010101010101010101010101010101010101ffffff0101010101010101010101010101010101010101010101010101010101010101010101010101010101010101010101010101010101ffffff06070017180101010200000c0d060700000e010b0000090a060700000301040000090a010101010101010101010101010101010101ffffff010f21180101010112190c0d010106070301010104090a010106070301010104090a01010101010101010101010101010101010101ffffff010615180102030112190c0d01010607090a01010b090a010106070301010104090a01010101010101010101010101010101010101ffffff010615180f1e090a12190c0d010106071f200a010b090a010106070301010104090a01010101010101010101010101010101010101ffffff0106151804171d0312190c0d010106070e0607080b090a010106070000000000090a01010101010101010101010101010101010101ffffff0106151a070e12131b190c0d010106070e0106071c090a010106070301010104090a01010101010101010101010101010101010101ffffff010615161718010b03020c0d010106070e01011219090a010106070301010104090a01010101010101010101010101010101010101ffffff010f10110301011213140c0d010106070301010104090a010106070301010104090a010101010101010101010104000000000e0101ffdfff060700090a0101010b00000c0d060700000e010b0000090a060700000301040000090a010101010101010101010101020301010101ffffff0101010101010101010101010101010101010101010101010101010101010101010101010101010101010101010101040301010101ffffff0101010101010101010101010101010101010101010101010101010101010101010101060700000000000008010101040301010101ffffff0101010101010101010101010101010101010101010101010101010101010101010101010101010101010101010101040301010101ffffff0101010101010101010101010101010101010101010101010101010101010101010101010101010101010101010501040301010101ffffff01010101010101010101010101010101010101010101010101010101010101010101010101010101010101010104000003010101010000ff0101010101010101010101010101010101010101010101010101010101010101010101010101010101010101010101020301010101ffffff01010101010101010101010101010101010101010101010101010101010101010101010101010101010101010101010101010101010330050101010101010101010101010101010101010101010101010101010101010101010101010101010101010101010101010101010101ffffff0101010101010101010101010101010101010101010101010101010101010101010101010101010101010101010101010101010101ffffff4c0000006400000000000000000000003400000018000000000000000000000035000000190000002900aa0000000000000000000000803f00000000000000000000803f0000000000000000000000000000000000000000000000000000000000000000220000000c000000ffffffff460000001c00000010000000454d462b024000000c000000000000000e000000140000000000000010000000140000000400000003010800050000000b0200000000050000000c0219003500030000001e000400000007010400040000000701040021030000410b2000cc00190035000000000019003500000000002800000035000000190000000100080000000000000000000000000000000000220000000000000000000000ffffff000074bf00bf740000489cdf00dfdfdf00bfffff0000007400ffbf740048000000ffdf9c0074bfff009c480000ffffdf00df9c48009cdfff007448480000487400dfffff0048489c000048480074007400489c9c0074000000ffffbf0000489c00bfffbf00dfdf9c007474740074bfbf00000048007474480048004800740048000101010101010101010101010101010101010101010101010101010101010101010101010101010101010101010101010101010101ffffff0101010101010101010101010101010101010101010101010101010101010101010101010101010101010101010101010101010101ffffff0101010101010101010101010101010101010101010101010101010101010101010101010101010101010101010101010101010101ffffff0101010101010101010101010101010101010101010101010101010101010101010101010101010101010101010101010101010101ffffff0101010101010101010101010101010101010101010101010101010101010101010101010101010101010101010101010101010101ffffff0101010101010101010101010101010101010101010101010101010101010101010101010101010101010101010101010101010101ffffff0101010101010101010101010101010101010101010101010101010101010101010101010101010101010101010101010101010101ffffff06070017180101010200000c0d060700000e010b0000090a060700000301040000090a010101010101010101010101010101010101ffffff010f21180101010112190c0d010106070301010104090a010106070301010104090a01010101010101010101010101010101010101ffffff010615180102030112190c0d01010607090a01010b090a010106070301010104090a01010101010101010101010101010101010101ffffff010615180f1e090a12190c0d010106071f200a010b090a010106070301010104090a01010101010101010101010101010101010101ffffff0106151804171d0312190c0d010106070e0607080b090a010106070000000000090a01010101010101010101010101010101010101ffffff0106151a070e12131b190c0d010106070e0106071c090a010106070301010104090a01010101010101010101010101010101010101ffffff010615161718010b03020c0d010106070e01011219090a010106070301010104090a01010101010101010101010101010101010101ffffff010f10110301011213140c0d010106070301010104090a010106070301010104090a010101010101010101010104000000000e0101ffdfff060700090a0101010b00000c0d060700000e010b0000090a060700000301040000090a010101010101010101010101020301010101ffffff0101010101010101010101010101010101010101010101010101010101010101010101010101010101010101010101040301010101ffffff0101010101010101010101010101010101010101010101010101010101010101010101060700000000000008010101040301010101ffffff0101010101010101010101010101010101010101010101010101010101010101010101010101010101010101010101040301010101ffffff0101010101010101010101010101010101010101010101010101010101010101010101010101010101010101010501040301010101ffffff01010101010101010101010101010101010101010101010101010101010101010101010101010101010101010104000003010101010000ff0101010101010101010101010101010101010101010101010101010101010101010101010101010101010101010101020301010101ffffff01010101010101010101010101010101010101010101010101010101010101010101010101010101010101010101010101010101010330050101010101010101010101010101010101010101010101010101010101010101010101010101010101010101010101010101010101ffffff0101010101010101010101010101010101010101010101010101010101010101010101010101010101010101010101010101010101ffffff0c00000040092900aa000000000000001900350000000000040000002701ffff030000000000>
[>0100090000035004000000000003000000000003000026060f00f605574d46430100000000000100bb430000000001000000d405000000000000d4050000010000006c00000000000000000000000f0000001800000000000000000000008f0100007002000020454d4600000100d40500000c00000001000000000000000000000000000000000500002003000040010000c800000000000000000000000000000000e20400400d0300460000002c00000020000000454d462b014001001c000000100000000210c0db0100000060000000600000004600000004020000f8010000454d462b224004000c000000000000001e4009000c00000000000000244001000c000000000000003040020010000000040000000000803f214007000c000000000000000840000550010000440100000210c0db01000000000000000000000000000000000000000100000089504e470d0a1a0a0000000d4948445200000010000000190802000000b79e39fe000000017352474200aece1ce9000000097048597300000ec400000ec401952b0e1b000000cc49444154384f63fcffff3f0329808914c520b5a31a880931b242e9c15c4f460ce039f701760bf7973078ccb90f8ceffff7e778303094ec0731f10006b81c71eaff23fcf0e0c60e060f0d05421e876b38b0b58781414799680d0fee5e6120c60278e2033b28c499a005300d600bc0e0402963e901281b1adea010060a33422460a1040c5e30400b5760d801437d7f0934e881b90d7fa883c31ae839484c8100fea4f160ef1a0690f948a1875703483d30201cb235b6c2130a3e0d50f50c0c0ace1a6b141921a98b71f0951a00e065d401321728da0000000049454e44ae426082000840010824000000180000000210c0db01000000030000000000000000000000000000001b40000040000000340000000100000002000000000000bf000000bf000080410000c84103000000000000b3000000b3ffff7f41000000b3000000b3ffffc7412100000008000000620000000c00000001000000150000000c00000004000000150000000c00000004000000510000006c02000000000000000000000f00000018000000000000000000000000000000000000001000000019000000500000008c000000dc00000090010000000000002000cc0010000000190000002800000010000000190000000100080000000000000000000000000000000000190000000000000000000000ffffff00489cdf00df9c48000074bf009cdfff0000004800ffbf740074000000ffffbf009c480000ffffdf00bfffff0000007400bf74000074bfff0048000000ffdf9c009c48480074bfdf00dfffff0048489c00bfdf9c00bf747400749cdf000101010101010101010101010101010101010101010101010101010101010101010101010101010101010101010101010101010101010101010203010506030101010101010101010105120b18110101010101010101010101141516170101010101010101010101010102000a0b010101010c0d000e0101010105121303010101010210110f0e01010506101104080901010f101101010101010101010101010101050603010101010101010101010101010c0d0e0101010101010101010101010101040a0b010101010101010101010101010208090101010101010101010104030105060701010101010101010101010200000000000003010101010101010101010101010101010101010101010101010101010101010101010101010101010101010101010101010101010101010101010101010101010101010101010101010101010101010101010101010101010101010101010101010101010101010101010101010101010101010101010101010101010101010101010101010101010101010101010101010101010101014c0000006400000000000000000000000f00000018000000000000000000000010000000190000002900aa0000000000000000000000803f00000000000000000000803f0000000000000000000000000000000000000000000000000000000000000000220000000c000000ffffffff460000001c00000010000000454d462b024000000c000000000000000e000000140000000000000010000000140000000400000003010800050000000b0200000000050000000c0219001000030000001e00040000000701040004000000070104001b010000410b2000cc00190010000000000019001000000000002800000010000000190000000100080000000000000000000000000000000000190000000000000000000000ffffff00489cdf00df9c48000074bf009cdfff0000004800ffbf740074000000ffffbf009c480000ffffdf00bfffff0000007400bf74000074bfff0048000000ffdf9c009c48480074bfdf00dfffff0048489c00bfdf9c00bf747400749cdf000101010101010101010101010101010101010101010101010101010101010101010101010101010101010101010101010101010101010101010203010506030101010101010101010105120b18110101010101010101010101141516170101010101010101010101010102000a0b010101010c0d000e0101010105121303010101010210110f0e01010506101104080901010f101101010101010101010101010101050603010101010101010101010101010c0d0e0101010101010101010101010101040a0b010101010101010101010101010208090101010101010101010104030105060701010101010101010101010200000000000003010101010101010101010101010101010101010101010101010101010101010101010101010101010101010101010101010101010101010101010101010101010101010101010101010101010101010101010101010101010101010101010101010101010101010101010101010101010101010101010101010101010101010101010101010101010101010101010101010101010101010c00000040092900aa000000000000001900100000000000040000002701ffff030000000000>>
>]=60МПа
l=300мм
G=8>0100090000038c0700000000d40400000000d404000026060f009e09574d46430100000000000100724c00000000010000007c090000000000007c090000010000006c000000000000000000000029000000180000000000000000000000190400007002000020454d46000001007c0900000c00000001000000000000000000000000000000000500002003000040010000c800000000000000000000000000000000e20400400d0300460000002c00000020000000454d462b014001001c000000100000000210c0db01000000600000006000000046000000dc020000d0020000454d462b224004000c000000000000001e4009000c00000000000000244001000c000000000000003040020010000000040000000000803f214007000c0000000000000008400005280200001c0200000210c0db01000000000000000000000000000000000000000100000089504e470d0a1a0a0000000d494844520000002a000000190802000000c84f2b0f000000017352474200aece1ce9000000097048597300000ec400000ec401952b0e1b000001a249444154484bed553b8e833010b5f7248ed2a4e01089d2384a9b1b9006a525ca21929e066eb06d143a38440a9a086e323b639b889f11ac58b1d2ee489100bd99e779f3c6e100c0e68b8ff9a889f90fd217d18ef3733a4ff745e47d326966fe3df1d333e7bba8e8f48deacd846eb11a489e5d8243f9692cbd2ebeb9591c8be75a1c9d04d70920f1d96d634436f0f4bcc82ed7752559218705d66332cc5561f3544fcc43145521743470f8eaab9311ce4ff2d00fd930e63aca42df645734cc509a979a6a32ac8a8fcad9063ae87628b298316729de60b174f0f9f9522611eea36c42770ff070899ee64926112b49c9e5eb20ca0aa8783d9b295891b138ab7b14dd778cd11644a9badf06b0bf73344d8c5ee11e0be024ba6d3df6485df85206b220d10ba1f5929246250f5bf1fe34055d5f0da2a72dbeef01701d712201f3ec4bdd574a4fba1d72a5bbeb0aa25f5f014809b40eda4469f370ed29d65a6ad2c6681ad432632b77c2c56bdd076a41f5aa5b62cabdd7f7c9fbe2695d031d471845afab37a2d15d15d3dbb83a0cc7df4fdbfbf7d69fb9fbb17fb8130bf94f3fb1a063ca7d013276809f4d3720fa0000000049454e44ae4260820000000840010824000000180000000210c0db01000000030000000000000000000000000000001b40000040000000340000000100000002000000000000bf000000bf000028420000c84103000000000000b3000000b3ffff2742000000b3000000b3ffffc7412100000008000000620000000c00000001000000150000000c00000004000000150000000c00000004000000510000003c05000000000000000000002900000018000000000000000000000000000000000000002a0000001900000050000000a0000000f00000004c040000000000002000cc002a00000019000000280000002a0000001900000001000800000000000000000000000000000000001e0000000000000000000000ffffff009cdfff0000004800ffbf7400dfffff0048489c0000484800bfffff0000007400df9c4800489cdf00dfbf740000489c000074bf0074000000ffffbf0074bfff00bf74000048000000ffdf9c009c480000ffffdf00740074009c749c004800740074489c00dfdfdf00dfdfff00dfffbf0001010101010101010101010101010101010101010101010101010101010101010101010101010101010100000101010101010101010101010101010101010101010101010101010101010101010101010101010101010000010101010101010101010101010101010101010101010101010101010101010101010101010101010101000001010101010101010101010101010101010101010101010101010101010101010101010101010101010100000101010101010101010101010101010101010101010101010101010101010101010101010101010101010000000000000000000000000000000000000000000000000000000000000000000000000000000000000000000001010101010101010101010101010101010101010101010101010101010101010101010101010101010100000101010101010101010101010101050d00000000000f10010101050d00000f10010101010101010101010000010101010101010101010101010101010111000a0101010101050d1314010b131401010101010101010100ff010101010101010101010101010101010111000a010101010111000a01010809120101010101010101010000010101081914010101010101010101010111000a01010101010b13140101010e0f1001010101010101010000010e12051a1d0d1516010101010101010111000a01010101010e0f100101010b131401010101010101010000010111130713140101010101010101010111000a01010101050d0f100101010b000401010101010101010000011b110000000a1c16010101010101010111000a01010101050d0f100101010b00040101010101010101ffff010b12051a100b1201010101010101010111000a01010101050d0f100101010b0004010101010b000f10ffff010101081914010101010101010101010111000a01010101010e0f100101010e131401010101050d04019cff010101010101010101010101010101010111000a01010101010b13140101050d0f10010b0000000000159cff010101010101010101010101010111131411000a010101010102030a01010809151601081710050d0c1874ff010101010101010101010101010101050d00000a0101010101010e0f10010e00040101011112050d0401ffff010101010101010101010101010101010108090a010101010101010b0000000401010101010b0c0d040100ff010101010101010101010101010101010101010101010101010101010101010101010101010506070401000001010101010101010101010101010101010101010101010101010101010101010101010101010203040100000101010101010101010101010101010101010101010101010101010101010101010101010101010101010000010101010101010101010101010101010101010101010101010101010101010101010101010101010101000001010101010101010101010101010101010101010101010101010101010101010101010101010101010100004c000000640000000000000000000000290000001800000000000000000000002a000000190000002900aa0000000000000000000000803f00000000000000000000803f0000000000000000000000000000000000000000000000000000000000000000220000000c000000ffffffff460000001c00000010000000454d462b024000000c000000000000000e000000140000000000000010000000140000000400000003010800050000000b0200000000050000000c0219002a00030000001e000400000007010400040000000701040083020000410b2000cc0019002a000000000019002a0000000000280000002a0000001900000001000800000000000000000000000000000000001e0000000000000000000000ffffff009cdfff0000004800ffbf7400dfffff0048489c0000484800bfffff0000007400df9c4800489cdf00dfbf740000489c000074bf0074000000ffffbf0074bfff00bf74000048000000ffdf9c009c480000ffffdf00740074009c749c004800740074489c00dfdfdf00dfdfff00dfffbf0001010101010101010101010101010101010101010101010101010101010101010101010101010101010100000101010101010101010101010101010101010101010101010101010101010101010101010101010101010000010101010101010101010101010101010101010101010101010101010101010101010101010101010101000001010101010101010101010101010101010101010101010101010101010101010101010101010101010100000101010101010101010101010101010101010101010101010101010101010101010101010101010101010000000000000000000000000000000000000000000000000000000000000000000000000000000000000000000001010101010101010101010101010101010101010101010101010101010101010101010101010101010100000101010101010101010101010101050d00000000000f10010101050d00000f10010101010101010101010000010101010101010101010101010101010111000a0101010101050d1314010b131401010101010101010100ff010101010101010101010101010101010111000a010101010111000a01010809120101010101010101010000010101081914010101010101010101010111000a01010101010b13140101010e0f1001010101010101010000010e12051a1d0d1516010101010101010111000a01010101010e0f100101010b131401010101010101010000010111130713140101010101010101010111000a01010101050d0f100101010b000401010101010101010000011b110000000a1c16010101010101010111000a01010101050d0f100101010b00040101010101010101ffff010b12051a100b1201010101010101010111000a01010101050d0f100101010b0004010101010b000f10ffff010101081914010101010101010101010111000a01010101010e0f100101010e131401010101050d04019cff010101010101010101010101010101010111000a01010101010b13140101050d0f10010b0000000000159cff010101010101010101010101010111131411000a010101010102030a01010809151601081710050d0c1874ff010101010101010101010101010101050d00000a0101010101010e0f10010e00040101011112050d0401ffff010101010101010101010101010101010108090a010101010101010b0000000401010101010b0c0d040100ff010101010101010101010101010101010101010101010101010101010101010101010101010506070401000001010101010101010101010101010101010101010101010101010101010101010101010101010203040100000101010101010101010101010101010101010101010101010101010101010101010101010101010101010000010101010101010101010101010101010101010101010101010101010101010101010101010101010101000001010101010101010101010101010101010101010101010101010101010101010101010101010101010100000c00000040092900aa0000000000000019002a0000000000040000002701ffff030000000000>МПа
d-? φ-?
Решение:
1.Определяем крутящий момент
Мвр =
Мz = >0100090000036004000000000a03000000000a03000026060f000a06574d46430100000000000100f89d0000000001000000e805000000000000e8050000010000006c00000000000000000000000a000000220000000000000000000000120100006a03000020454d4600000100e80500000c00000001000000000000000000000000000000000500002003000040010000c800000000000000000000000000000000e20400400d0300460000002c00000020000000454d462b014001001c000000100000000210c0db010000006000000060000000460000000c02000000020000454d462b224004000c000000000000001e4009000c00000000000000244001000c000000000000003040020010000000040000000000803f214007000c0000000000000008400005580100004c0100000210c0db01000000000000000000000000000000000000000100000089504e470d0a1a0a0000000d494844520000000b000000230802000000cd31672a000000017352474200aece1ce9000000097048597300000ec400000ec401952b0e1b000000d549444154384f63fcffff3f035ec0845f1a280b5671a0941105941e40d607b40508eecff16028d90f67c2d820014c5b149c433c18aedc7d00330653c583bd6b7630e8282bc02d42d80217f298731f220a06486640ddf1fffff664840150bf50181e0c20abf697404c417500d41d8cd40a750a5d4a386e09463ec3d0f10b61dfd2590530cf78ce8527f007733de13cb4dc024fc0c054054950c03486969ba0090d2ecac400ca1f25de0ee0287c70638747883338a50399d058051b01d1076241f32312139492610919a8703f481118c0730f7d621f005394cd1d0b20e7570000000049454e44ae4260820840010824000000180000000210c0db01000000030000000000000000000000000000001b40000040000000340000000100000002000000000000bf000000bf0000304100000c4203000000000000b3000000b3ffff2f41000000b3000000b3ffff0b422100000008000000620000000c00000001000000150000000c00000004000000150000000c00000004000000510000007802000000000000000000000a00000022000000000000000000000000000000000000000b000000230000005000000084000000d4000000a4010000000000002000cc000b00000023000000280000000b000000230000000100080000000000000000000000000000000000170000000000000000000000ffffff0074bfff0074000000ffffbf00489cdf00bf740000dfffff0000489c009c480000ffffdf00df9c4800bfffff0048007400ffdf9c009cdfff009c484800740048000074bf00ffbf74004800480000004800bf9c48000101010101010101010101000101010101010101010101000101010101010101010101000112000016080000130101000f140e070806010f151301000f11040102090a0112060100070813010f140e0105060105010f110401010101120b010001010c0d0e01010f100a0100010101010101010101010100010101010101010101010100010101010101010101010100010101010101010101010100010101010101010101010105010101010101010101010100010101010101010101010100010101010101010101010100010101010101010101010100000000000000000000000000010101010101010101010100010101010101010101010105010101010101010101010100010101010101010101010100010101010101010101010100010200000b01010101010100010105060101010101010100010105060101010101010100010105060101010101010105010105000000090a0101010001010506010708060101010001010506010105090a0101000101050601070806010101000102000000000304010101000101010101010101010101000101010101010101010101054c0000006400000000000000000000000a0000002200000000000000000000000b000000230000002900aa0000000000000000000000803f00000000000000000000803f0000000000000000000000000000000000000000000000000000000000000000220000000c000000ffffffff460000001c00000010000000454d462b024000000c000000000000000e000000140000000000000010000000140000000400000003010800050000000b0200000000050000000c0223000b00030000001e000400000007010400040000000701040021010000410b2000cc0023000b000000000023000b0000000000280000000b000000230000000100080000000000000000000000000000000000170000000000000000000000ffffff0074bfff0074000000ffffbf00489cdf00bf740000dfffff0000489c009c480000ffffdf00df9c4800bfffff0048007400ffdf9c009cdfff009c484800740048000074bf00ffbf74004800480000004800bf9c48000101010101010101010101000101010101010101010101000101010101010101010101000112000016080000130101000f140e070806010f151301000f11040102090a0112060100070813010f140e0105060105010f110401010101120b010001010c0d0e01010f100a0100010101010101010101010100010101010101010101010100010101010101010101010100010101010101010101010100010101010101010101010105010101010101010101010100010101010101010101010100010101010101010101010100010101010101010101010100000000000000000000000000010101010101010101010100010101010101010101010105010101010101010101010100010101010101010101010100010101010101010101010100010200000b01010101010100010105060101010101010100010105060101010101010100010105060101010101010105010105000000090a0101010001010506010708060101010001010506010105090a0101000101050601070806010101000102000000000304010101000101010101010101010101000101010101010101010101050c00000040092900aa0000000000000023000b0000000000040000002701ffff030000000000>
= >0100090000037e06000000004604000000004604000026060f008208574d46430100000000000100bf7b0000000001000000600800000000000060080000010000006c0000000000000000000000160000002200000000000000000000003e0200006a03000020454d4600000100600800000c00000001000000000000000000000000000000000500002003000040010000c800000000000000000000000000000000e20400400d0300460000002c00000020000000454d462b014001001c000000100000000210c0db01000000600000006000000046000000c0020000b4020000454d462b224004000c000000000000001e4009000c00000000000000244001000c000000000000003040020010000000040000000000803f214007000c00000000000000084000050c020000000200000210c0db01000000000000000000000000000000000000000100000089504e470d0a1a0a0000000d4948445200000017000000230802000000f0a3064c000000017352474200aece1ce9000000097048597300000ec400000ec401952b0e1b0000018749444154484bed55b16e83301035fd92545d3ae423a8b28058f307656177be225da32cf80fba4665a9e02318b244f84fdcbbf361ec40a24469a5b4ea4de03b3f3fdfc17b913146dc1c0f372320c0f528cd2a0a62d5000cdca82b13c728293b58e963c8f8ebb82a6baaa102590317fdf92e786f2dabbc509a31b52af2395577a5f0d6bd26cc16cb44b407e4129eed4ead251e639378a64b8cb9f8285e167702ca708f63c8b005dc5d6ad9635e5d3cb19ea4f9789db919c56b26debe44d4741bd59e7ba40fad489ea17e3a800bf0485d47bdaa3893e26d479030802a592e4ea29c9f3476c386bb01b68bc29f7df4abff80a9fe5eff1ffd1ccac59fd9d9c2ff199dfc8fbea1c1f7f4bddc2517add2d067e88d74cfa650c9d88b46a2c637d26a23b6a8f4568d9c70af63d859882d0afb7e93ee32b20327a46ebca18f58010bd49f0a50e058dcc64970fac08c6ce191a330086be614881966840a3d7f0281c60799c1551a526e6c0c3800aef0235469a5fa24553017365c471f05bbec9059688cecdca19d9bbfa70c5f2783dc8082e651f90000000049454e44ae42608200000840010824000000180000000210c0db01000000030000000000000000000000000000001b40000040000000340000000100000002000000000000bf000000bf0000b84100000c4203000000000000b3000000b3ffffb741000000b3000000b3ffff0b422100000008000000620000000c00000001000000150000000c00000004000000150000000c00000004000000510000003c0400000000000000000000160000002200000000000000000000000000000000000000170000002300000050000000a4000000f400000048030000000000002000cc00170000002300000028000000170000002300000001000800000000000000000000000000000000001f0000000000000000000000ffffff0074bfff0074000000ffffbf00489cdf00df9c4800dfffff0000489c00bf74000048489c00ffdf9c00480000009cdfff00480048009c480000bfffff0000007400ffbf7400480074000074bf00ffffdf0000004800749cdf004874bf00dfdf9c0048747400740048009c484800ffbfbf009c9cdf000101010101010101010101010101010101010101010101ff0101010101010101010101010101010101010101010101ff0101010101010101010101010101010101010101010101ff01010d1612010200031901070806010708000601010101ff0101010509010509101d01010509010708121e04010101bf0101010d1c150d1b0401010102030401140601010101019c010101070a0b10130b01010110110601020f1501010101bf0101170b0512011406010118190a1a120d1b0401010101ff010107080000000000001207080c0b14000f1501010101df01010101010101010101010101010101010101010101019c0101010101010101010101010101010101010101010101bf0101010101010101010101010101010101010101010101ff0101010101010101010101010101010101010101010101ff0101010101010101010101010101010101010101010101ff0101010101010101010101010101010101010101010101ff0101010101010101010101010101010101010101010101ff0101010101010101010101010101010101010101010101ff0101010101010101010101010101010101010101010101ff0000000000000000000000000000000000000000000000000101010101010101010101010101010101010101010101ff0101010101010101010101010101010101010101010101ff0101010101010101010101010101010101010101010101000101010101010101010101010101010101010101010101000101010101010101010101010101010101010101010101000105000000060101011011000012010102000006010101ff10130b010d161201011409010d0e0b0101050901010101ff010101010d161201101112010708060101050901010101ff010114000012010110130b010114090101050901010101ff010101070812010110130b010114090101050000000f15ff010101010d0e0b01101112010708060101050901070809ff070a0b01020c0b01010509010d0e0b010105090101050fff0105000000060101010708000006010101050901070809ff01010101010101010101010101010101020000000003049c0101010101010101010101010101010101010101010101ff0101010101010101010101010101010101010101010101ff4c0000006400000000000000000000001600000022000000000000000000000017000000230000002900aa0000000000000000000000803f00000000000000000000803f0000000000000000000000000000000000000000000000000000000000000000220000000c000000ffffffff460000001c00000010000000454d462b024000000c000000000000000e000000140000000000000010000000140000000400000003010800050000000b0200000000050000000c0223001700030000001e000400000007010400040000000701040003020000410b2000cc002300170000000000230017000000000028000000170000002300000001000800000000000000000000000000000000001f0000000000000000000000ffffff0074bfff0074000000ffffbf00489cdf00df9c4800dfffff0000489c00bf74000048489c00ffdf9c00480000009cdfff00480048009c480000bfffff0000007400ffbf7400480074000074bf00ffffdf0000004800749cdf004874bf00dfdf9c0048747400740048009c484800ffbfbf009c9cdf000101010101010101010101010101010101010101010101ff0101010101010101010101010101010101010101010101ff0101010101010101010101010101010101010101010101ff01010d1612010200031901070806010708000601010101ff0101010509010509101d01010509010708121e04010101bf0101010d1c150d1b0401010102030401140601010101019c010101070a0b10130b01010110110601020f1501010101bf0101170b0512011406010118190a1a120d1b0401010101ff010107080000000000001207080c0b14000f1501010101df01010101010101010101010101010101010101010101019c0101010101010101010101010101010101010101010101bf0101010101010101010101010101010101010101010101ff0101010101010101010101010101010101010101010101ff0101010101010101010101010101010101010101010101ff0101010101010101010101010101010101010101010101ff0101010101010101010101010101010101010101010101ff0101010101010101010101010101010101010101010101ff0101010101010101010101010101010101010101010101ff0000000000000000000000000000000000000000000000000101010101010101010101010101010101010101010101ff0101010101010101010101010101010101010101010101ff0101010101010101010101010101010101010101010101000101010101010101010101010101010101010101010101000101010101010101010101010101010101010101010101000105000000060101011011000012010102000006010101ff10130b010d161201011409010d0e0b0101050901010101ff010101010d161201101112010708060101050901010101ff010114000012010110130b010114090101050901010101ff010101070812010110130b010114090101050000000f15ff010101010d0e0b01101112010708060101050901070809ff070a0b01020c0b01010509010d0e0b010105090101050fff0105000000060101010708000006010101050901070809ff01010101010101010101010101010101020000000003049c0101010101010101010101010101010101010101010101ff0101010101010101010101010101010101010101010101ff0c00000040092900aa000000000000002300170000000000040000002701ffff030000000000>>
>;
ω = >010009000003ac0500000000ce0300000000ce03000026060f009207574d46430100000000000100041d0000000001000000700700000000000070070000010000006c000000000000000000000011000000200000000000000000000000c10100003803000020454d4600000100700700000c00000001000000000000000000000000000000000500002003000040010000c800000000000000000000000000000000e20400400d0300460000002c00000020000000454d462b014001001c000000100000000210c0db010000006000000060000000460000008402000078020000454d462b224004000c000000000000001e4009000c00000000000000244001000c000000000000003040020010000000040000000000803f214007000c0000000000000008400005d0010000c40100000210c0db01000000000000000000000000000000000000000100000089504e470d0a1a0a0000000d49484452000000120000002108020000005b426c03000000017352474200aece1ce9000000097048597300000ec400000ec401952b0e1b0000014a49444154484bed543b6ec240105d7312229a143e84511a5b6e730368e8d7a78016d1786f9016c54d641f828226f2de6433bffd38a4086e22a4ac84b49e376f7ecb9bcc39a7ee3f8bfb29c8984953ce8d6df9434add43f90c95ede87a4d3e78c5b3b0e6a84e88931fc20ced0b35343b7542e6f5589d6b0ad25d2da7203218d839b0c82c717c8e04245a606168ce9ab2c49286c491d88fb72e5f2df9a26ba86e18a45bfb795168412fb882973506416e3b06440fdd8edc39627e0a3239fecce037e3e966bedb43d0668c0329ff93bc19dc9f3cb73555e64f6544c1545a4426f6a9ba49df412bac1c1655aa21104d2ae51b186378b54f78df4662cd6e9bf7ef1b90ba9cf259eecb55aec2068ab4a181e69eb6ddaffea59156eca5cdcb3a6bfc2e513101ee92909a6990693a3f4959d45a1dce1403d753f9fae2abe791a49bd9ef9cb8273948ba091f42385fcab165707ab9789e0000000049454e44ae4260820000000840010824000000180000000210c0db01000000030000000000000000000000000000001b40000040000000340000000100000002000000000000bf000000bf000090410000044203000000000000b3000000b3ffff8f41000000b3000000b3ffff03422100000008000000620000000c00000001000000150000000c00000004000000150000000c0000000400000051000000880300000000000000000000110000002000000000000000000000000000000000000000120000002100000050000000a4000000f400000094020000000000002000cc00120000002100000028000000120000002100000001000800000000000000000000000000000000001f0000000000000000000000ffffff00dfffff0000489c00ffbf740048000000ffdf9c000074bf009c480000ffffdf00749cdf00489cdf00df9c48004874bf00dfdf9c0048489c00487474009cdfff0074004800ffffbf00bfffff00480074000000740074bfff009c48480074000000bf740000ffbfbf009c9cdf000000480048004800010101010101010101010101010101010101ffff0101010101010101010101010101010101019cff010101010101010101010101010101010101ffff01010b0000000c0101011416000004010101ffff0114150601111d040101071a01111e060101ffff0101010101111d04011416040102030c0101ffff0101010700000401011415060101071a0101ffff0101010102030401011415060101071a010100ff0101010101111e06011416040102030c0101ffff01020f060117050601010b1a01111e060101ffff01010b0000000c010101020300000c010101ffff010101010101010101010101010101010101ffff010101010101010101010101010101010101ffff010101010101010101010101010101010101ffff010101010101010101010101010101010101ffff010101010101010101010101010101010101ffff010101010101010101010101010101010101ffff010101010101010101010101010101010101ffff000000000000000000000000000000000000ffff010101010101010101010101010101010101ffff010101010101010101010101010101010101ffff010101010101010101010101010101010101ffff0101010101010101010101010101010101013b020101010101010101010101010101010101010000111d04011700190e0102030c010203000c010000010b1a010b1a141b01010b1a010203041c1300000111180911121301010117191301070c0101000001020f0614150601010114160c011708090100000a060b0401070c01010d0e0f100411121301000002030000000000000402030506070008090100000101010101010101010101010101010101010000010101010101010101010101010101010101000001010101010101010101010101010101010100004c0000006400000000000000000000001100000020000000000000000000000012000000210000002900aa0000000000000000000000803f00000000000000000000803f0000000000000000000000000000000000000000000000000000000000000000220000000c000000ffffffff460000001c00000010000000454d462b024000000c000000000000000e000000140000000000000010000000140000000400000003010800050000000b0200000000050000000c0221001200030000001e0004000000070104000400000007010400a9010000410b2000cc002100120000000000210012000000000028000000120000002100000001000800000000000000000000000000000000001f0000000000000000000000ffffff00dfffff0000489c00ffbf740048000000ffdf9c000074bf009c480000ffffdf00749cdf00489cdf00df9c48004874bf00dfdf9c0048489c00487474009cdfff0074004800ffffbf00bfffff00480074000000740074bfff009c48480074000000bf740000ffbfbf009c9cdf000000480048004800010101010101010101010101010101010101ffff0101010101010101010101010101010101019cff010101010101010101010101010101010101ffff01010b0000000c0101011416000004010101ffff0114150601111d040101071a01111e060101ffff0101010101111d04011416040102030c0101ffff0101010700000401011415060101071a0101ffff0101010102030401011415060101071a010100ff0101010101111e06011416040102030c0101ffff01020f060117050601010b1a01111e060101ffff01010b0000000c010101020300000c010101ffff010101010101010101010101010101010101ffff010101010101010101010101010101010101ffff010101010101010101010101010101010101ffff010101010101010101010101010101010101ffff010101010101010101010101010101010101ffff010101010101010101010101010101010101ffff010101010101010101010101010101010101ffff000000000000000000000000000000000000ffff010101010101010101010101010101010101ffff010101010101010101010101010101010101ffff010101010101010101010101010101010101ffff0101010101010101010101010101010101013b020101010101010101010101010101010101010000111d04011700190e0102030c010203000c010000010b1a010b1a141b01010b1a010203041c1300000111180911121301010117191301070c0101000001020f0614150601010114160c011708090100000a060b0401070c01010d0e0f100411121301000002030000000000000402030506070008090100000101010101010101010101010101010101010000010101010101010101010101010101010101000001010101010101010101010101010101010100000c00000040092900aa000000000000002100120000000000040000002701ffff030000000000>;
Мz = >>>
>
= 0,318кН>010009000003b203000000009c02000000009c02000026060f002e05574d46430100000000000100962e00000000010000000c050000000000000c050000010000006c000000000000000000000008000000180000000000000000000000e00000007002000020454d46000001000c0500000c00000001000000000000000000000000000000000500002003000040010000c800000000000000000000000000000000e20400400d0300460000002c00000020000000454d462b014001001c000000100000000210c0db01000000600000006000000046000000b0010000a4010000454d462b224004000c000000000000001e4009000c00000000000000244001000c000000000000003040020010000000040000000000803f214007000c0000000000000008400005fc000000f00000000210c0db01000000000000000000000000000000000000000100000089504e470d0a1a0a0000000d49484452000000090000001908020000006c2593dc000000017352474200aece1ce9000000097048597300000ec400000ec401952b0e1b0000007749444154285363fcffff3f030ec0844b02283edce40e94327ace7d80f030c87f0fe67a32961e606050d0f0d0515680731918806176fffefdfffb4be0ea3de6dc070bfd07c9810048cec3c303a800240501203381f6306ef5feff7f7a0843c9feffd3193219a1f642d540f5223401051847e3086b4a04008a7552fc675ceda50000000049454e44ae42608200000840010824000000180000000210c0db01000000030000000000000000000000000000001b40000040000000340000000100000002000000000000bf000000bf000010410000c84103000000000080b3000080b3ffff0f41000080b3000080b3ffffc7412100000008000000620000000c00000001000000150000000c00000004000000150000000c0000000400000051000000f801000000000000000000000800000018000000000000000000000000000000000000000900000019000000500000007c000000cc0000002c010000000000002000cc0009000000190000002800000009000000190000000100080000000000000000000000000000000000150000000000000000000000ffffff00bfffff0048007400ffdf9c00489cdf00bf740000dfffff0074489c00ffffbf00dfdfdf0074bfff00df9c4800dfdfff00ffffdf0048000000004848000074bf00dfffbf0000489c009c480000010101010101010101ffffff010101010101010101ffffff010101010101010101ffffff010101010101010101ffffff010101010101010101ffffff010101010101010101ffffff010101010101010101ffffff010101010101010101ffffff010101010101010101ffffff010101010101010101ffffff010101020304010101ffffff01110607081213140effffff01010b0f100f040101ffffff010a0b0000000c0d0effffff010506070809050601ffffff010101020304010101ffffff010101010101010101ffffff010101010101010101ffffff010101010101010101ffffff010101010101010101ffffff010101010101010101ffffff010101010101010101ffffff010101010101010101ffffff010101010101010101ffffff010101010101010101ffffff4c0000006400000000000000000000000800000018000000000000000000000009000000190000002900aa0000000000000000000000803f00000000000000000000803f0000000000000000000000000000000000000000000000000000000000000000220000000c000000ffffffff460000001c00000010000000454d462b024000000c000000000000000e000000140000000000000010000000140000000400000003010800050000000b0200000000050000000c0219000900030000001e0004000000070104000400000007010400e1000000410b2000cc00190009000000000019000900000000002800000009000000190000000100080000000000000000000000000000000000150000000000000000000000ffffff00bfffff0048007400ffdf9c00489cdf00bf740000dfffff0074489c00ffffbf00dfdfdf0074bfff00df9c4800dfdfff00ffffdf0048000000004848000074bf00dfffbf0000489c009c480000010101010101010101ffffff010101010101010101ffffff010101010101010101ffffff010101010101010101ffffff010101010101010101ffffff010101010101010101ffffff010101010101010101ffffff010101010101010101ffffff010101010101010101ffffff010101010101010101ffffff010101020304010101ffffff01110607081213140effffff01010b0f100f040101ffffff010a0b0000000c0d0effffff010506070809050601ffffff010101020304010101ffffff010101010101010101ffffff010101010101010101ffffff010101010101010101ffffff010101010101010101ffffff010101010101010101ffffff010101010101010101ffffff010101010101010101ffffff010101010101010101ffffff010101010101010101ffffff0c00000040092900aa000000000000001900090000000000040000002701ffff030000000000>>
>М
= 318Н>010009000003b203000000009c02000000009c02000026060f002e05574d46430100000000000100962e00000000010000000c050000000000000c050000010000006c000000000000000000000008000000180000000000000000000000e00000007002000020454d46000001000c0500000c00000001000000000000000000000000000000000500002003000040010000c800000000000000000000000000000000e20400400d0300460000002c00000020000000454d462b014001001c000000100000000210c0db01000000600000006000000046000000b0010000a4010000454d462b224004000c000000000000001e4009000c00000000000000244001000c000000000000003040020010000000040000000000803f214007000c0000000000000008400005fc000000f00000000210c0db01000000000000000000000000000000000000000100000089504e470d0a1a0a0000000d49484452000000090000001908020000006c2593dc000000017352474200aece1ce9000000097048597300000ec400000ec401952b0e1b0000007749444154285363fcffff3f030ec0844b02283edce40e94327ace7d80f030c87f0fe67a32961e606050d0f0d0515680731918806176fffefdfffb4be0ea3de6dc070bfd07c9810048cec3c303a800240501203381f6306ef5feff7f7a0843c9feffd3193219a1f642d540f5223401051847e3086b4a04008a7552fc675ceda50000000049454e44ae42608200000840010824000000180000000210c0db01000000030000000000000000000000000000001b40000040000000340000000100000002000000000000bf000000bf000010410000c84103000000000080b3000080b3ffff0f41000080b3000080b3ffffc7412100000008000000620000000c00000001000000150000000c00000004000000150000000c0000000400000051000000f801000000000000000000000800000018000000000000000000000000000000000000000900000019000000500000007c000000cc0000002c010000000000002000cc0009000000190000002800000009000000190000000100080000000000000000000000000000000000150000000000000000000000ffffff00bfffff0048007400ffdf9c00489cdf00bf740000dfffff0074489c00ffffbf00dfdfdf0074bfff00df9c4800dfdfff00ffffdf0048000000004848000074bf00dfffbf0000489c009c480000010101010101010101ffffff010101010101010101ffffff010101010101010101ffffff010101010101010101ffffff010101010101010101ffffff010101010101010101ffffff010101010101010101ffffff010101010101010101ffffff010101010101010101ffffff010101010101010101ffffff010101020304010101ffffff01110607081213140effffff01010b0f100f040101ffffff010a0b0000000c0d0effffff010506070809050601ffffff010101020304010101ffffff010101010101010101ffffff010101010101010101ffffff010101010101010101ffffff010101010101010101ffffff010101010101010101ffffff010101010101010101ffffff010101010101010101ffffff010101010101010101ffffff010101010101010101ffffff4c0000006400000000000000000000000800000018000000000000000000000009000000190000002900aa0000000000000000000000803f00000000000000000000803f0000000000000000000000000000000000000000000000000000000000000000220000000c000000ffffffff460000001c00000010000000454d462b024000000c000000000000000e000000140000000000000010000000140000000400000003010800050000000b0200000000050000000c0219000900030000001e0004000000070104000400000007010400e1000000410b2000cc00190009000000000019000900000000002800000009000000190000000100080000000000000000000000000000000000150000000000000000000000ffffff00bfffff0048007400ffdf9c00489cdf00bf740000dfffff0074489c00ffffbf00dfdfdf0074bfff00df9c4800dfdfff00ffffdf0048000000004848000074bf00dfffbf0000489c009c480000010101010101010101ffffff010101010101010101ffffff010101010101010101ffffff010101010101010101ffffff010101010101010101ffffff010101010101010101ffffff010101010101010101ffffff010101010101010101ffffff010101010101010101ffffff010101010101010101ffffff010101020304010101ffffff01110607081213140effffff01010b0f100f040101ffffff010a0b0000000c0d0effffff010506070809050601ffffff010101020304010101ffffff010101010101010101ffffff010101010101010101ffffff010101010101010101ffffff010101010101010101ffffff010101010101010101ffffff010101010101010101ffffff010101010101010101ffffff010101010101010101ffffff010101010101010101ffffff0c00000040092900aa000000000000001900090000000000040000002701ffff030000000000>М
2. Определяем диаметр вала, используя условие прочности на кручение.
>>>
>
= >010009000003e606000000008604000000008604000026060f000209574d46430100000000000100a7530000000001000000e008000000000000e0080000010000006c000000000000000000000015000000240000000000000000000000250200009c03000020454d4600000100e00800000c00000001000000000000000000000000000000000500002003000040010000c800000000000000000000000000000000e20400400d0300460000002c00000020000000454d462b014001001c000000100000000210c0db01000000600000006000000046000000f0020000e4020000454d462b224004000c000000000000001e4009000c00000000000000244001000c000000000000003040020010000000040000000000803f214007000c00000000000000084000053c020000300200000210c0db01000000000000000000000000000000000000000100000089504e470d0a1a0a0000000d4948445200000016000000250802000000c9388e6f000000017352474200aece1ce9000000097048597300000ec400000ec401952b0e1b000001b849444154484bed95b16ec23010862f7d92542c0c79082a96a0ac7e83b0a0ae89fa0c15ac150b7903d6a85950fc100c2c08bf09bdf3398e9d8650150654d5536c9ffffbef0c9f83f3f90cb78da7db8ed3e97b4ac83ca0312b94f5a58a995ecbe5b055ec058fd326c60159ddcee964bc39d990fe8fb61075002122d81fb50d552cb651160344a390e7eca8198e332b21cbbd984ec7717540091210eb042ac89289ae0213b01d344bce96bcac476b9b4aa833dcafb1248ca7605b1687e17677097f13b6113a9a8e99fa4d3ab757fd8d61096a25fbd436e8cb5770d2e386ef8d2438b597c22cf15a33696aef5c528012c3b77e75f79ebfceabc92e063c868bdffbb727ff6fa46de2635cea5d5c18ee5ac8d2dc60cdd26e18c01d16f11fdb6370875cdf184c858463cd0b1af2632b3648373b9d47b5c1245ba247a2e3dbeb852adee12d1d81c1b8cc5fa01190f902d668b19a3f0765c2d657a5a454dac548b35f63fb75621d38020093e5671aaa4345c472e96d24f8d00e6b58a7a151d87902a6ca72158b2947a8e3de3e100ddbdb1e126a7b58ef0299422c4135c12fd2daedbe076197c0cd53d4ff5cbaab98b9ff7a7f2cc1e5f53dd27f06395f73da8177b0ddac220000000049454e44ae426082000840010824000000180000000210c0db01000000030000000000000000000000000000001b40000040000000340000000100000002000000000000bf000000bf0000b0410000144203000000000000b3000000b3ffffaf41000000b3000000b3ffff13422100000008000000620000000c00000001000000150000000c00000004000000150000000c00000004000000510000008c0400000000000000000000150000002400000000000000000000000000000000000000160000002500000050000000c40000001401000078030000000000002000cc0016000000250000002800000016000000250000000100080000000000000000000000000000000000270000000000000000000000ffffff00bfffff0000007400df9c4800489cdf0074000000ffffbf0048484800bf7400009cdfff000000480048000000ffdf9c004874bf00749c9c009c480000ffffdf00dfffff0048489c00487474009c4874009cdfdf00740048000074bf00bf744800480074009cbf9c009c484800dfffdf0000489c00ffbf74004800480074bfff0000749c0074007400dfdf9c0048749c009c9c480001010101010101010101010101010101010101010101000001010101010101010101010101010101010101010101000001010101010101010101010101010101010101010101ffff01010101010101010101010101210010110101010101ffff01010101010101010101010101022307010101010101ffff010a200d010118090101010101121e00000004010101ffff01210009010118001f010101010105101102030401010000012110250d011826230701010101211011010a170701ffff012110161c111804210901010101021a0d0102031f01ffff01050901051f180401181f01010e241e001f02031f01ffff010509010215221f0102230701121e0c0d1800060701ffff011809010105001f0101050901010101010101010101ffff2100001f0102031f010a0b0009010101010101010101ffff01010101010101010101010101010101010101010101000001010101010101010101010101010101010101010101df9c01010101010101010101010101010101010101010101000001010101010101010101010101010101010101010101dfbf01010101010101010101010101010101010101010101ffdf010101010101010101010101010101010101010101019c480101010101010101010101010101010101010101010174bf00000000000000000000000000000000000000000000000001010101010101010101010101010101010101010101ffff01010101010101010101010101010101010101010101480001010101010101010101010101010101010101010101ff000101010101010101010101010101010101010101010174ff010101010101010101010101010101010101010101010000010500101101010a0b0004121e00000000040101010100480112130d011804010510110102031f010a190101010100000101051f121e0c0d0a200d0101121e04010101010101ffff01010a19021a1b1c1d1e1f0101010118090101010101ffff010102151617070504180901010e0d01051011010101ffff0101010e0f1011121314060701050000000009010101ffff01010105080901010a0b0c0d01010101010101010101ffff01010203000401010105000607010101010101010101ffff0101010101010101010101010101010101010101010100000101010101010101010101010101010101010101010100000101010101010101010101010101010101010101010100004c0000006400000000000000000000001500000024000000000000000000000016000000250000002900aa0000000000000000000000803f00000000000000000000803f0000000000000000000000000000000000000000000000000000000000000000220000000c000000ffffffff460000001c00000010000000454d462b024000000c000000000000000e000000140000000000000010000000140000000400000003010800050000000b0200000000050000000c0225001600030000001e00040000000701040004000000070104002b020000410b2000cc00250016000000000025001600000000002800000016000000250000000100080000000000000000000000000000000000270000000000000000000000ffffff00bfffff0000007400df9c4800489cdf0074000000ffffbf0048484800bf7400009cdfff000000480048000000ffdf9c004874bf00749c9c009c480000ffffdf00dfffff0048489c00487474009c4874009cdfdf00740048000074bf00bf744800480074009cbf9c009c484800dfffdf0000489c00ffbf74004800480074bfff0000749c0074007400dfdf9c0048749c009c9c480001010101010101010101010101010101010101010101000001010101010101010101010101010101010101010101000001010101010101010101010101010101010101010101ffff01010101010101010101010101210010110101010101ffff01010101010101010101010101022307010101010101ffff010a200d010118090101010101121e00000004010101ffff01210009010118001f010101010105101102030401010000012110250d011826230701010101211011010a170701ffff012110161c111804210901010101021a0d0102031f01ffff01050901051f180401181f01010e241e001f02031f01ffff010509010215221f0102230701121e0c0d1800060701ffff011809010105001f0101050901010101010101010101ffff2100001f0102031f010a0b0009010101010101010101ffff01010101010101010101010101010101010101010101000001010101010101010101010101010101010101010101df9c01010101010101010101010101010101010101010101000001010101010101010101010101010101010101010101dfbf01010101010101010101010101010101010101010101ffdf010101010101010101010101010101010101010101019c480101010101010101010101010101010101010101010174bf00000000000000000000000000000000000000000000000001010101010101010101010101010101010101010101ffff01010101010101010101010101010101010101010101480001010101010101010101010101010101010101010101ff000101010101010101010101010101010101010101010174ff010101010101010101010101010101010101010101010000010500101101010a0b0004121e00000000040101010100480112130d011804010510110102031f010a190101010100000101051f121e0c0d0a200d0101121e04010101010101ffff01010a19021a1b1c1d1e1f0101010118090101010101ffff010102151617070504180901010e0d01051011010101ffff0101010e0f1011121314060701050000000009010101ffff01010105080901010a0b0c0d01010101010101010101ffff01010203000401010105000607010101010101010101ffff0101010101010101010101010101010101010101010100000101010101010101010101010101010101010101010100000101010101010101010101010101010101010101010100000c00000040092900aa000000000000002500160000000000040000002701ffff030000000000>
≤ [>0100090000035004000000000003000000000003000026060f00f605574d46430100000000000100bb430000000001000000d405000000000000d4050000010000006c00000000000000000000000f0000001800000000000000000000008f0100007002000020454d4600000100d40500000c00000001000000000000000000000000000000000500002003000040010000c800000000000000000000000000000000e20400400d0300460000002c00000020000000454d462b014001001c000000100000000210c0db0100000060000000600000004600000004020000f8010000454d462b224004000c000000000000001e4009000c00000000000000244001000c000000000000003040020010000000040000000000803f214007000c000000000000000840000550010000440100000210c0db01000000000000000000000000000000000000000100000089504e470d0a1a0a0000000d4948445200000010000000190802000000b79e39fe000000017352474200aece1ce9000000097048597300000ec400000ec401952b0e1b000000cc49444154384f63fcffff3f0329808914c520b5a31a880931b242e9c15c4f460ce039f701760bf7973078ccb90f8ceffff7e778303094ec0731f10006b81c71eaff23fcf0e0c60e060f0d05421e876b38b0b58781414799680d0fee5e6120c60278e2033b28c499a005300d600bc0e0402963e901281b1adea010060a33422460a1040c5e30400b5760d801437d7f0934e881b90d7fa883c31ae839484c8100fea4f160ef1a0690f948a1875703483d30201cb235b6c2130a3e0d50f50c0c0ace1a6b141921a98b71f0951a00e065d401321728da0000000049454e44ae426082000840010824000000180000000210c0db01000000030000000000000000000000000000001b40000040000000340000000100000002000000000000bf000000bf000080410000c84103000000000000b3000000b3ffff7f41000000b3000000b3ffffc7412100000008000000620000000c00000001000000150000000c00000004000000150000000c00000004000000510000006c02000000000000000000000f00000018000000000000000000000000000000000000001000000019000000500000008c000000dc00000090010000000000002000cc0010000000190000002800000010000000190000000100080000000000000000000000000000000000190000000000000000000000ffffff00489cdf00df9c48000074bf009cdfff0000004800ffbf740074000000ffffbf009c480000ffffdf00bfffff0000007400bf74000074bfff0048000000ffdf9c009c48480074bfdf00dfffff0048489c00bfdf9c00bf747400749cdf000101010101010101010101010101010101010101010101010101010101010101010101010101010101010101010101010101010101010101010203010506030101010101010101010105120b18110101010101010101010101141516170101010101010101010101010102000a0b010101010c0d000e0101010105121303010101010210110f0e01010506101104080901010f101101010101010101010101010101050603010101010101010101010101010c0d0e0101010101010101010101010101040a0b010101010101010101010101010208090101010101010101010104030105060701010101010101010101010200000000000003010101010101010101010101010101010101010101010101010101010101010101010101010101010101010101010101010101010101010101010101010101010101010101010101010101010101010101010101010101010101010101010101010101010101010101010101010101010101010101010101010101010101010101010101010101010101010101010101010101010101014c0000006400000000000000000000000f00000018000000000000000000000010000000190000002900aa0000000000000000000000803f00000000000000000000803f0000000000000000000000000000000000000000000000000000000000000000220000000c000000ffffffff460000001c00000010000000454d462b024000000c000000000000000e000000140000000000000010000000140000000400000003010800050000000b0200000000050000000c0219001000030000001e00040000000701040004000000070104001b010000410b2000cc00190010000000000019001000000000002800000010000000190000000100080000000000000000000000000000000000190000000000000000000000ffffff00489cdf00df9c48000074bf009cdfff0000004800ffbf740074000000ffffbf009c480000ffffdf00bfffff0000007400bf74000074bfff0048000000ffdf9c009c48480074bfdf00dfffff0048489c00bfdf9c00bf747400749cdf000101010101010101010101010101010101010101010101010101010101010101010101010101010101010101010101010101010101010101010203010506030101010101010101010105120b18110101010101010101010101141516170101010101010101010101010102000a0b010101010c0d000e0101010105121303010101010210110f0e01010506101104080901010f101101010101010101010101010101050603010101010101010101010101010c0d0e0101010101010101010101010101040a0b010101010101010101010101010208090101010101010101010104030105060701010101010101010101010200000000000003010101010101010101010101010101010101010101010101010101010101010101010101010101010101010101010101010101010101010101010101010101010101010101010101010101010101010101010101010101010101010101010101010101010101010101010101010101010101010101010101010101010101010101010101010101010101010101010101010101010101010c00000040092900aa000000000000001900100000000000040000002701ffff030000000000>]→>010009000003a20500000000c60300000000c603000026060f008207574d464301000000000001003eb20000000001000000600700000000000060070000010000006c0000000000000000000000160000001a00000000000000000000003e020000a202000020454d4600000100600700000c00000001000000000000000000000000000000000500002003000040010000c800000000000000000000000000000000e20400400d0300460000002c00000020000000454d462b014001001c000000100000000210c0db01000000600000006000000046000000780200006c020000454d462b224004000c000000000000001e4009000c00000000000000244001000c000000000000003040020010000000040000000000803f214007000c0000000000000008400005c4010000b80100000210c0db01000000000000000000000000000000000000000100000089504e470d0a1a0a0000000d49484452000000170000001b0802000000188a838c000000017352474200aece1ce9000000097048597300000ec400000ec401952b0e1b0000014149444154484bcd543112823010045fa24363c1232c717c86368e2d8e6f60a4756cc20f6c99b1834750d838e627f1928be162828a345c2577ebdedee6925008110c8ec96006493032165e2c431dcb829b09559a24eafd0b45b31a0eee0a51a5f22badd40706a612f668530f963830ac125f92f99408c972afef407b5c38156499ce551713f5691330a6d458c96b7a58b7adda92f78cea3207786471f022cb13b67375749c34e01b07aed49dbd42bcfb02f8f85db714d2318c12ac7d89622d5fe157b66e5e6c4148c73084c5b6f50dff791897c527fcdb300ecb257384c7b7f2cb3038062e9f6f2ddded4594dc67ac9975a72cd6baeb3b406e45950280b6935458d72ce4027dfe09ff34cdfe66a124529696daef95e2f7e6b514f57e467cff7996f60c9088bad8cb1798c77a838c823e2c9e874bf384f29c06473f77bbda8d89e509a7341ac15b15b5c70000000049454e44ae4260820840010824000000180000000210c0db01000000030000000000000000000000000000001b40000040000000340000000100000002000000000000bf000000bf0000b8410000d84103000000000080b3000080b3ffffb741000080b3000080b3ffffd7412100000008000000620000000c00000001000000150000000c00000004000000150000000c0000000400000051000000840300000000000000000000160000001a00000000000000000000000000000000000000170000001b00000050000000ac000000fc00000088020000000000002000cc00170000001b00000028000000170000001b0000000100080000000000000000000000000000000000210000000000000000000000ffffff00dfffff0000489c009c480000ffffdf009cdfff0000004800df9c4800bfffff000000740074000000ffffbf000074bf0048004800ffdf9c009c9c4800bf74000074007400bfffbf00489cdf0074004800bfffdf004800740074bfff00489cbf00bf9c4800ffbf74004848000074747400480000004874bf00dfdf9c00010101010101010101010101010101010101010101010101010101010101010101010101010101010101010101010101010101010101010101010101010101010101010101010101010101010101010101010101010101010101010101010101010101010101010101010101010118000405010101010101010101010101010101010101010109120c01010101010101010101010101010101010101010102030000000801010101010101010101010101010101010101140405090a080101010101010101010101010101010101011804050106150c010101010101010101010101010101010109170f01090a1b01010101141e0f010101090a110101011f2003001b090a1b01010101140011010101090a1e0f010102031e0f0d000b0c010101010d1c0e0f0101090a1d0405010101010101010101010101010d0419110101090a1a031b010101010101010101010101010d0416170f01090a081804050101010101010101010101010d0405141101090a0802030801010101010101010101010203040509120c090a080106150c0101010101010101010102030405011408090a0801010d080101010101010101010102030405010912130a080101060e0f0101010101010101010203040501010d100a080101010d11010101010101010101090a0405010106070008010101060e0f0101010101010101090a0b0c0101010d000801010106070b0c01010101010102030000040501010607080101090a0000040501010101010101010101010101010101010101010101010101010101010101010101010101010101010101010101010101010101010101010101010101010101010101010101010101010101010101010101010101010101010101010101010101010101014c000000640000000000000000000000160000001a0000000000000000000000170000001b0000002900aa0000000000000000000000803f00000000000000000000803f0000000000000000000000000000000000000000000000000000000000000000220000000c000000ffffffff460000001c00000010000000454d462b024000000c000000000000000e000000140000000000000010000000140000000400000003010800050000000b0200000000050000000c021b001700030000001e0004000000070104000400000007010400a7010000410b2000cc001b001700000000001b0017000000000028000000170000001b0000000100080000000000000000000000000000000000210000000000000000000000ffffff00dfffff0000489c009c480000ffffdf009cdfff0000004800df9c4800bfffff000000740074000000ffffbf000074bf0048004800ffdf9c009c9c4800bf74000074007400bfffbf00489cdf0074004800bfffdf004800740074bfff00489cbf00bf9c4800ffbf74004848000074747400480000004874bf00dfdf9c00010101010101010101010101010101010101010101010101010101010101010101010101010101010101010101010101010101010101010101010101010101010101010101010101010101010101010101010101010101010101010101010101010101010101010101010101010118000405010101010101010101010101010101010101010109120c01010101010101010101010101010101010101010102030000000801010101010101010101010101010101010101140405090a080101010101010101010101010101010101011804050106150c010101010101010101010101010101010109170f01090a1b01010101141e0f010101090a110101011f2003001b090a1b01010101140011010101090a1e0f010102031e0f0d000b0c010101010d1c0e0f0101090a1d0405010101010101010101010101010d0419110101090a1a031b010101010101010101010101010d0416170f01090a081804050101010101010101010101010d0405141101090a0802030801010101010101010101010203040509120c090a080106150c0101010101010101010102030405011408090a0801010d080101010101010101010102030405010912130a080101060e0f0101010101010101010203040501010d100a080101010d11010101010101010101090a0405010106070008010101060e0f0101010101010101090a0b0c0101010d000801010106070b0c01010101010102030000040501010607080101090a0000040501010101010101010101010101010101010101010101010101010101010101010101010101010101010101010101010101010101010101010101010101010101010101010101010101010101010101010101010101010101010101010101010101010101010c00000040092900aa000000000000001b00170000000000040000002701ffff030000000000>
≥ >>>
>
= >0100090000035a0b00000000e80600000000e806000026060f00c60d574d46430100000000000100cd0d0000000001000000a40d000000000000a40d0000010000006c00000000000000000000003300000025000000000000000000000013050000b503000020454d4600000100a40d00000c00000001000000000000000000000000000000000500002003000040010000c800000000000000000000000000000000e20400400d0300460000002c00000020000000454d462b014001001c000000100000000210c0db010000006000000060000000460000009003000084030000454d462b224004000c000000000000001e4009000c00000000000000244001000c000000000000003040020010000000040000000000803f214007000c0000000000000008400005dc020000d00200000210c0db01000000000000000000000000000000000000000100000089504e470d0a1a0a0000000d494844520000003400000026080200000004042f2c000000017352474200aece1ce9000000097048597300000ec400000ec401952b0e1b00000257494441545847ed583d928230148e7b12986d283c848e0d0ead3790667b9c3d8323bd0ddec0d6d166070f4161e3c04dd897e4417e008530bb938257c5907cefcbfbc9e6db595996c456fbb09518e56515b9fb6e56dbee6e1939085694429d9579e2c7176047c7b61970f393bc2c695a8bd3ba8ee6fa54685548634d632c9b14ffe6864615b721089f2a004376c31b076131643cc1d288906acc3ea0231e6c343addbea191810e04865c2750784c230917866a5a65bf402ea7940510faa627a8d92a3fd8ea080fca6ae73d827ed42aeed483dcadc5e92b9ca7d7ad830b1ca71a2999723c9f644f9efdfb252651b0e0e35d95fe7ad481008b7d0fb19dcf39b93d38dae220627f005024a7a6ba51352ab9ed35df9c5d56a6cb2cc9290c420717378c43f71294d5e46ba8375f911c72ce936cd9a87e1d010ee23ebef919194b6c1798df7b29a435f5f66f41aa6091e29989306aae801c80be6ab9e281ad833b295a6d342995c101794938dbab12391d812c8288b07b0c6e8a9ff3cddfac30c77a1cb0e4ab69d1ab72b7b2aff527d183f26cdb65a9ac942f02762f70536e021564063f47d5c55f6eb6ea6fab7ed0899c69eaad8e9ce9a1fe65dfd4ada661b6bae62672535a4d2360ba6f74cda1d6912550977819ce71842c640fa2c68ba743bc98f831d7ad0de1c3ddcb8a47d54bc3e919a7953e6123ef898a57794ab78a97e13935ff7704e546e2333932259190d0d585b7091b6d8f69e4a878f093239791ce6a23d422a995de4bf1d28bfbf04a40dd25e97ea53344d18d2db9d2bc2178eda3c9baa89f78e91394e9c9d4abbe5a16993684a9bf41fbac26f70b4eb2cbfc327e2d670000000049454e44ae42608200000840010824000000180000000210c0db01000000030000000000000000000000000000001b40000040000000340000000100000002000000000000bf000000bf000050420000184203000000000080b3000080b3ffff4f42000080b3000080b3ffff17422100000008000000620000000c00000001000000150000000c00000004000000150000000c0000000400000051000000b00800000000000000000000330000002500000000000000000000000000000000000000340000002600000050000000a8000000f8000000b8070000000000002000cc0034000000260000002800000034000000260000000100080000000000000000000000000000000000200000000000000000000000ffffff00bfffff000000740074000000ffffbf0074007400dfffff0000489c00ffbf74009cdfff009c484800ffffdf00489cdf00df9c48000074bf00bf7400009c48000048489c00ffdf9c0074bfff0048000000480048009c487400dfdfdf00df9c74009cdfbf0048007400000048009cbf9c00bf9c74009c9c7400010101010101010101010101010101010101010101010101010101010101010101010101010101010101010101010101010101010101010101010101010101010101010101010101010101010101010101010101010101010101010101010101010101010101010101010101010101010101010101010101010101010101010101010101010101010101010101010101010101010101010101010101010101010101010101010101010101010101010101010101010101010101010101010101010101010101010101010101010101010101010101010101010101010101010101010102030000110c01010203000009010101010101010101010101010101010101010101010101010101010101010101010101010107080e0107081001010f10010a161301010101010101010101010101010101010101010101010101010101010101010101010101021b1301010d110c0203090107080e010101010101010101010101010101010101010101010101010101010101010101010101010a1c110c07081001021b1301010f100101010101010101010101010101010101010101010101010101010101010101010101010107081f1c00110c01021b1301010f1001010101010101010101010101010101010101010101010101010101010101010101010101010d1001010101010203090107080e010101010101010101010101010101010101010101010101010101010101010101010101010107081001010101010d10010a161301010101010101010101010101010101010101010101010101010101010101010101010101010101140004050101070800000e010101010101010101010101010101010101010101010101010101010101010101010101010101010101010101010101010101010101010101010101010101010101010101010101010101010101010101010101010101010101010101010101010101010101010101010101010101010101010101010101010101010101010101010101010101010101010101010101010101010101010101010101010101010101010101010101010101010101010101010101010101010101010101010101010101010101010101010101010101010101010101010101010101010101010101010101010101010101010101010101010101010101010101010101010101010101010101010101010101010101010101010101010101010101010101010101010101010101010101010101010101010101010101010101010101010101010101010101010101010101010101010101010101010101010101010101010101010101010101010101010101010101010101010101010101010101010101010101000000000000000000000000000000000000000000000000000000000000000000000000000000000000000000000000000000000101010101010101010101010101010101010101010101010101010101010101010101010101010101010101010101010101010101010101010101010101010101010101010101010101010101010101010101010101010101010101010101010101010101010101010101010101010101010101010101010101010101010101010101010101010101010101010101010101010101010101010101010101010101010101010101010101010101010101010101010101010101010101010101010101010101010101010101010101010101010101010101010101010101010101010101010101010101010101010101010101010101010101010101010101010101010101010d0000000e0101010d000000000e01010d000000110c01010101010101010d000000000e010102030000090101010101010101021b13010a1c09010101010f100101010a1c0901010f100101010a1901010101010f10010101010f10010a161301010101010101010101010a1c09010101010d100101010203090107081001021b1d1e08090101010d100101010203090107080e0101010101010101010f00000901010101010d1001010101070800000e01010102030009010101010d10010101021b1301010f100101010101010101010107080901010101010d1001010107080e010203090102061a190f090101010d10010101021b1301010f1001010101010101010101010a1613010118010d1001010102030901010f100101010a1901010118010d100101010203090107080e010203000004050712130114151301010d00001001010107080e0102030e01010101010101010d000010010101010d10010a16130102170c010f0e010d0000000e01010101010f100101010102030000110c010101010101010101010f1001010101070800000e010101020300110c010101010101010101010101010101010101010101010101010101010101010101010101010101010101010101010101010a0b0c010101010101010101010101010101010101010101010101010101010101010101010101010101010101010101010206050708090101010101010101010101010101010101010101010101010101010101010101010101010101010101010101010102030000040501010101010101010101010101010101010101010101010101010101010101010101010101010101010101010101010101010101010101010101010101010101010101010101010101010101010101010101010101010101010101010101010101010101010101014c0000006400000000000000000000003300000025000000000000000000000034000000260000002900aa0000000000000000000000803f00000000000000000000803f0000000000000000000000000000000000000000000000000000000000000000220000000c000000ffffffff460000001c00000010000000454d462b024000000c000000000000000e000000140000000000000010000000140000000400000003010800050000000b0200000000050000000c0226003400030000001e00040000000701040004000000070104003d040000410b2000cc00260034000000000026003400000000002800000034000000260000000100080000000000000000000000000000000000200000000000000000000000ffffff00bfffff000000740074000000ffffbf0074007400dfffff0000489c00ffbf74009cdfff009c484800ffffdf00489cdf00df9c48000074bf00bf7400009c48000048489c00ffdf9c0074bfff0048000000480048009c487400dfdfdf00df9c74009cdfbf0048007400000048009cbf9c00bf9c74009c9c7400010101010101010101010101010101010101010101010101010101010101010101010101010101010101010101010101010101010101010101010101010101010101010101010101010101010101010101010101010101010101010101010101010101010101010101010101010101010101010101010101010101010101010101010101010101010101010101010101010101010101010101010101010101010101010101010101010101010101010101010101010101010101010101010101010101010101010101010101010101010101010101010101010101010101010101010102030000110c01010203000009010101010101010101010101010101010101010101010101010101010101010101010101010107080e0107081001010f10010a161301010101010101010101010101010101010101010101010101010101010101010101010101021b1301010d110c0203090107080e010101010101010101010101010101010101010101010101010101010101010101010101010a1c110c07081001021b1301010f100101010101010101010101010101010101010101010101010101010101010101010101010107081f1c00110c01021b1301010f1001010101010101010101010101010101010101010101010101010101010101010101010101010d1001010101010203090107080e010101010101010101010101010101010101010101010101010101010101010101010101010107081001010101010d10010a161301010101010101010101010101010101010101010101010101010101010101010101010101010101140004050101070800000e010101010101010101010101010101010101010101010101010101010101010101010101010101010101010101010101010101010101010101010101010101010101010101010101010101010101010101010101010101010101010101010101010101010101010101010101010101010101010101010101010101010101010101010101010101010101010101010101010101010101010101010101010101010101010101010101010101010101010101010101010101010101010101010101010101010101010101010101010101010101010101010101010101010101010101010101010101010101010101010101010101010101010101010101010101010101010101010101010101010101010101010101010101010101010101010101010101010101010101010101010101010101010101010101010101010101010101010101010101010101010101010101010101010101010101010101010101010101010101010101010101010101010101010101010101010101010101010101000000000000000000000000000000000000000000000000000000000000000000000000000000000000000000000000000000000101010101010101010101010101010101010101010101010101010101010101010101010101010101010101010101010101010101010101010101010101010101010101010101010101010101010101010101010101010101010101010101010101010101010101010101010101010101010101010101010101010101010101010101010101010101010101010101010101010101010101010101010101010101010101010101010101010101010101010101010101010101010101010101010101010101010101010101010101010101010101010101010101010101010101010101010101010101010101010101010101010101010101010101010101010101010101010d0000000e0101010d000000000e01010d000000110c01010101010101010d000000000e010102030000090101010101010101021b13010a1c09010101010f100101010a1c0901010f100101010a1901010101010f10010101010f10010a161301010101010101010101010a1c09010101010d100101010203090107081001021b1d1e08090101010d100101010203090107080e0101010101010101010f00000901010101010d1001010101070800000e01010102030009010101010d10010101021b1301010f100101010101010101010107080901010101010d1001010107080e010203090102061a190f090101010d10010101021b1301010f1001010101010101010101010a1613010118010d1001010102030901010f100101010a1901010118010d100101010203090107080e010203000004050712130114151301010d00001001010107080e0102030e01010101010101010d000010010101010d10010a16130102170c010f0e010d0000000e01010101010f100101010102030000110c010101010101010101010f1001010101070800000e010101020300110c010101010101010101010101010101010101010101010101010101010101010101010101010101010101010101010101010a0b0c010101010101010101010101010101010101010101010101010101010101010101010101010101010101010101010206050708090101010101010101010101010101010101010101010101010101010101010101010101010101010101010101010102030000040501010101010101010101010101010101010101010101010101010101010101010101010101010101010101010101010101010101010101010101010101010101010101010101010101010101010101010101010101010101010101010101010101010101010101010c00000040092900aa000000000000002600340000000000040000002701ffff030000000000>
= 5,3*>010009000003b40900000000fc0500000000fc05000026060f00ee0b574d464301000000000001005d0b0000000001000000cc0b000000000000cc0b0000010000006c00000000000000000000003e000000180000000000000000000000260600007002000020454d4600000100cc0b00000c00000001000000000000000000000000000000000500002003000040010000c800000000000000000000000000000000e20400400d0300460000002c00000020000000454d462b014001001c000000100000000210c0db010000006000000060000000460000002c03000020030000454d462b224004000c000000000000001e4009000c00000000000000244001000c000000000000003040020010000000040000000000803f214007000c0000000000000008400005780200006c0200000210c0db01000000000000000000000000000000000000000100000089504e470d0a1a0a0000000d494844520000003f00000019080200000009c861a3000000017352474200aece1ce9000000097048597300000ec400000ec401952b0e1b000001f3494441545847ed57bd8e8240101eee4936b1b1f02134d760aebd3790e662cbc56730d2dae11b5c6ba4b9c843585c63e44db89d05965d18964990c284ad70999f6fbef97616bd3ccfe165d7dbcb2247e0137a80ecb4f6aab53e6563f4934e21753f783d62df8f1f2acc3504a89e07c73502d029c04ee14a2e036852c36b0734341a03bd5d489542a3afb191c9b12c2831abe7ea87550506e92cec39adb05228f49a71858b40af4a33f609bba2a48eaa9e03bc9dc2564e07fa26f8bc6814c5b27a332efd460ad6c4ccfe1280c54c68d98bd9423edfeee57449bf3d72d2c8fd62d96f9bdb1cb38e14565369ee09a61b5be681b68487a3220cad76e0966f0b117bd96746a66071df3bbfc5e6a259b86cea1e816c5202f34f1fa2735a44498fc162b7c3d6198b6146a6780e7a7779b3cd2e84688fb75876dadfe2adb8df080fa699e9c9415fa8bcbdfcb9c1b2b380e536f693e0982ae2cdded85e4cb3da89831ec45cea549f51746e9de31e71897754cf6a25895f3a4c99663a020f3d929ffcfc9623468af71cc9b9f8e102d2c028503d103a88570e4cb32a380b3d604b2109be8a0f3029de48de5d4e16cbf859adf0e521cf0f1df532cdda5d53b3c21c47daa471e7b03e73da5f4d2a9c154a5f99d5ed4d5fd32d33e2c2f6a6ff563d4776bcd73cdd8f977f58e409fd30fe86784fdc0f616f98ef3fb7d9c6df9cfb0d300000000049454e44ae42608200000840010824000000180000000210c0db01000000030000000000000000000000000000001b40000040000000340000000100000002000000000000bf000000bf00007c420000c84103000000000000b3000000b3ffff7b42000000b3000000b3ffffc7412100000008000000620000000c00000001000000150000000c00000004000000150000000c00000004000000510000003c07000000000000000000003e00000018000000000000000000000000000000000000003f0000001900000050000000ac000000fc00000040060000000000002000cc003f00000019000000280000003f000000190000000100080000000000000000000000000000000000210000000000000000000000ffffff00489cdf00df9c4800dfffff0048489c00ffdf9c0074bfff0048000000bfffff0000007400ffbf74009cdfff004800480000489c000074bf0074000000ffffbf00000048009c480000ffffdf0048007400bfffdf007448480000487400bf7400000048480074007400489c9c00bfffbf00dfdf9c0074bfbf0074004800010101010101010101010101010101010101010101010101010101010101010101010101010101010101010101010101010101010101010101010101010101ff010101010101010101010101010101010101010101010101010101010101010101010101010101010101010101010101010101010101010101010101010101ff010101010101010101010101010101010101010101010101010101010101010101010101010101010101010101010101010101010101010101010101010101ff010101010101010101010101010101010101010101010101010101010101010101010101010101010101010101010101010101010101010101010101010101ff010101010101010101010101010101010101010101010101010101010101010101010101010101010101010101010101010101010101010101010101010101ff010101010101010101010101010101010101010101010101010101010101010101010101010101010101010101010101010101010101010101010101010101ff010101010101010101010101010101010101010101010101010101010101010101010101010101010101010101010101010101010101010101010101010101ff01040e00000000001011010101040e000010110101010101010101010101090a0010110101010f00001314090a0010110101010f0000131401010101010101ff010101010700030101010101040e08060102080601010101010101010101010c201101010101040e131401010c201101010101040e13140101010101010101ff0101010107000301010101010700030101090a190101010101010101010101091b11010f1901040e13140101091b11010f1901040e13140101010101010101ff0101010107000301010101010208060101010f101101010101010101010101091b110c120806040e13140101091b110c120806040e13140101010101010101ff0101010107000301010101010f101101010102080601010101010101010101091b1102101f19040e13140101091b1102101f19040e13140101010101010101ff0101010107000301010101040e101101010102000b01010101010101010101091b1d0a0304051e0e13140101091b1d0a0304051e0e13140101010101010101ff0101010107000301010101040e101101010102000b01010101010101010101091b1c10110107190f13140101091b1c10110107190f13140101010101010101ff0101010107000301010101040e101101010102000b010102000000030101010c171819010104051a131401010c171819010104051a13140102000000030101ff0101010107000301010101010f10110101010f080601091506010c120b01090a0008060101010700001314090a00080601010107000013161506010c120b01ff0101010107000301010101010208060101040e101101010101010c120b0101010101010101010101010101010101010101010101010101010101010c120b01ff0107080607000301010101010c12030101090a13140101010f00000b01010101010101010101010101010101010101010101010101010101010f00000b0101ff0101040e0000030101010101010f1011010f000b0101010101040e0b010101010101010101010101010101010101010101010101010101010101040e0b0101ff01010101090a0301010101010101020000000b010101010101010c0d060101010101010101010101010101010101010101010101010101010101010c0d0601ff010101010101010101010101010101010101010101010405060107080601010101010101010101010101010101010101010101010101010405060107080601ff010101010101010101010101010101010101010101010102000000030101010101010101010101010101010101010101010101010101010102000000030101ff010101010101010101010101010101010101010101010101010101010101010101010101010101010101010101010101010101010101010101010101010101ff010101010101010101010101010101010101010101010101010101010101010101010101010101010101010101010101010101010101010101010101010101ff010101010101010101010101010101010101010101010101010101010101010101010101010101010101010101010101010101010101010101010101010101ff4c0000006400000000000000000000003e0000001800000000000000000000003f000000190000002900aa0000000000000000000000803f00000000000000000000803f0000000000000000000000000000000000000000000000000000000000000000220000000c000000ffffffff460000001c00000010000000454d462b024000000c000000000000000e000000140000000000000010000000140000000400000003010800050000000b0200000000050000000c0219003f00030000001e000400000007010400040000000701040083030000410b2000cc0019003f000000000019003f0000000000280000003f000000190000000100080000000000000000000000000000000000210000000000000000000000ffffff00489cdf00df9c4800dfffff0048489c00ffdf9c0074bfff0048000000bfffff0000007400ffbf74009cdfff004800480000489c000074bf0074000000ffffbf00000048009c480000ffffdf0048007400bfffdf007448480000487400bf7400000048480074007400489c9c00bfffbf00dfdf9c0074bfbf0074004800010101010101010101010101010101010101010101010101010101010101010101010101010101010101010101010101010101010101010101010101010101ff010101010101010101010101010101010101010101010101010101010101010101010101010101010101010101010101010101010101010101010101010101ff010101010101010101010101010101010101010101010101010101010101010101010101010101010101010101010101010101010101010101010101010101ff010101010101010101010101010101010101010101010101010101010101010101010101010101010101010101010101010101010101010101010101010101ff010101010101010101010101010101010101010101010101010101010101010101010101010101010101010101010101010101010101010101010101010101ff010101010101010101010101010101010101010101010101010101010101010101010101010101010101010101010101010101010101010101010101010101ff010101010101010101010101010101010101010101010101010101010101010101010101010101010101010101010101010101010101010101010101010101ff01040e00000000001011010101040e000010110101010101010101010101090a0010110101010f00001314090a0010110101010f0000131401010101010101ff010101010700030101010101040e08060102080601010101010101010101010c201101010101040e131401010c201101010101040e13140101010101010101ff0101010107000301010101010700030101090a190101010101010101010101091b11010f1901040e13140101091b11010f1901040e13140101010101010101ff0101010107000301010101010208060101010f101101010101010101010101091b110c120806040e13140101091b110c120806040e13140101010101010101ff0101010107000301010101010f101101010102080601010101010101010101091b1102101f19040e13140101091b1102101f19040e13140101010101010101ff0101010107000301010101040e101101010102000b01010101010101010101091b1d0a0304051e0e13140101091b1d0a0304051e0e13140101010101010101ff0101010107000301010101040e101101010102000b01010101010101010101091b1c10110107190f13140101091b1c10110107190f13140101010101010101ff0101010107000301010101040e101101010102000b010102000000030101010c171819010104051a131401010c171819010104051a13140102000000030101ff0101010107000301010101010f10110101010f080601091506010c120b01090a0008060101010700001314090a00080601010107000013161506010c120b01ff0101010107000301010101010208060101040e101101010101010c120b0101010101010101010101010101010101010101010101010101010101010c120b01ff0107080607000301010101010c12030101090a13140101010f00000b01010101010101010101010101010101010101010101010101010101010f00000b0101ff0101040e0000030101010101010f1011010f000b0101010101040e0b010101010101010101010101010101010101010101010101010101010101040e0b0101ff01010101090a0301010101010101020000000b010101010101010c0d060101010101010101010101010101010101010101010101010101010101010c0d0601ff010101010101010101010101010101010101010101010405060107080601010101010101010101010101010101010101010101010101010405060107080601ff010101010101010101010101010101010101010101010102000000030101010101010101010101010101010101010101010101010101010102000000030101ff010101010101010101010101010101010101010101010101010101010101010101010101010101010101010101010101010101010101010101010101010101ff010101010101010101010101010101010101010101010101010101010101010101010101010101010101010101010101010101010101010101010101010101ff010101010101010101010101010101010101010101010101010101010101010101010101010101010101010101010101010101010101010101010101010101ff0c00000040092900aa0000000000000019003f0000000000040000002701ffff030000000000>
>010009000003a20500000000c60300000000c603000026060f008207574d464301000000000001003eb20000000001000000600700000000000060070000010000006c0000000000000000000000160000001a00000000000000000000003e020000a202000020454d4600000100600700000c00000001000000000000000000000000000000000500002003000040010000c800000000000000000000000000000000e20400400d0300460000002c00000020000000454d462b014001001c000000100000000210c0db01000000600000006000000046000000780200006c020000454d462b224004000c000000000000001e4009000c00000000000000244001000c000000000000003040020010000000040000000000803f214007000c0000000000000008400005c4010000b80100000210c0db01000000000000000000000000000000000000000100000089504e470d0a1a0a0000000d49484452000000170000001b0802000000188a838c000000017352474200aece1ce9000000097048597300000ec400000ec401952b0e1b0000014149444154484bcd543112823010045fa24363c1232c717c86368e2d8e6f60a4756cc20f6c99b1834750d838e627f1928be162828a345c2577ebdedee6925008110c8ec96006493032165e2c431dcb829b09559a24eafd0b45b31a0eee0a51a5f22badd40706a612f668530f963830ac125f92f99408c972afef407b5c38156499ce551713f5691330a6d458c96b7a58b7adda92f78cea3207786471f022cb13b67375749c34e01b07aed49dbd42bcfb02f8f85db714d2318c12ac7d89622d5fe157b66e5e6c4148c73084c5b6f50dff791897c527fcdb300ecb257384c7b7f2cb3038062e9f6f2ddded4594dc67ac9975a72cd6baeb3b406e45950280b6935458d72ce4027dfe09ff34cdfe66a124529696daef95e2f7e6b514f57e467cff7996f60c9088bad8cb1798c77a838c823e2c9e874bf384f29c06473f77bbda8d89e509a7341ac15b15b5c70000000049454e44ae4260820840010824000000180000000210c0db01000000030000000000000000000000000000001b40000040000000340000000100000002000000000000bf000000bf0000b8410000d84103000000000080b3000080b3ffffb741000080b3000080b3ffffd7412100000008000000620000000c00000001000000150000000c00000004000000150000000c0000000400000051000000840300000000000000000000160000001a00000000000000000000000000000000000000170000001b00000050000000ac000000fc00000088020000000000002000cc00170000001b00000028000000170000001b0000000100080000000000000000000000000000000000210000000000000000000000ffffff00dfffff0000489c009c480000ffffdf009cdfff0000004800df9c4800bfffff000000740074000000ffffbf000074bf0048004800ffdf9c009c9c4800bf74000074007400bfffbf00489cdf0074004800bfffdf004800740074bfff00489cbf00bf9c4800ffbf74004848000074747400480000004874bf00dfdf9c00010101010101010101010101010101010101010101010101010101010101010101010101010101010101010101010101010101010101010101010101010101010101010101010101010101010101010101010101010101010101010101010101010101010101010101010101010118000405010101010101010101010101010101010101010109120c01010101010101010101010101010101010101010102030000000801010101010101010101010101010101010101140405090a080101010101010101010101010101010101011804050106150c010101010101010101010101010101010109170f01090a1b01010101141e0f010101090a110101011f2003001b090a1b01010101140011010101090a1e0f010102031e0f0d000b0c010101010d1c0e0f0101090a1d0405010101010101010101010101010d0419110101090a1a031b010101010101010101010101010d0416170f01090a081804050101010101010101010101010d0405141101090a0802030801010101010101010101010203040509120c090a080106150c0101010101010101010102030405011408090a0801010d080101010101010101010102030405010912130a080101060e0f0101010101010101010203040501010d100a080101010d11010101010101010101090a0405010106070008010101060e0f0101010101010101090a0b0c0101010d000801010106070b0c01010101010102030000040501010607080101090a0000040501010101010101010101010101010101010101010101010101010101010101010101010101010101010101010101010101010101010101010101010101010101010101010101010101010101010101010101010101010101010101010101010101010101014c000000640000000000000000000000160000001a0000000000000000000000170000001b0000002900aa0000000000000000000000803f00000000000000000000803f0000000000000000000000000000000000000000000000000000000000000000220000000c000000ffffffff460000001c00000010000000454d462b024000000c000000000000000e000000140000000000000010000000140000000400000003010800050000000b0200000000050000000c021b001700030000001e0004000000070104000400000007010400a7010000410b2000cc001b001700000000001b0017000000000028000000170000001b0000000100080000000000000000000000000000000000210000000000000000000000ffffff00dfffff0000489c009c480000ffffdf009cdfff0000004800df9c4800bfffff000000740074000000ffffbf000074bf0048004800ffdf9c009c9c4800bf74000074007400bfffbf00489cdf0074004800bfffdf004800740074bfff00489cbf00bf9c4800ffbf74004848000074747400480000004874bf00dfdf9c00010101010101010101010101010101010101010101010101010101010101010101010101010101010101010101010101010101010101010101010101010101010101010101010101010101010101010101010101010101010101010101010101010101010101010101010101010118000405010101010101010101010101010101010101010109120c01010101010101010101010101010101010101010102030000000801010101010101010101010101010101010101140405090a080101010101010101010101010101010101011804050106150c010101010101010101010101010101010109170f01090a1b01010101141e0f010101090a110101011f2003001b090a1b01010101140011010101090a1e0f010102031e0f0d000b0c010101010d1c0e0f0101090a1d0405010101010101010101010101010d0419110101090a1a031b010101010101010101010101010d0416170f01090a081804050101010101010101010101010d0405141101090a0802030801010101010101010101010203040509120c090a080106150c0101010101010101010102030405011408090a0801010d080101010101010101010102030405010912130a080101060e0f0101010101010101010203040501010d100a080101010d11010101010101010101090a0405010106070008010101060e0f0101010101010101090a0b0c0101010d000801010106070b0c01010101010102030000040501010607080101090a0000040501010101010101010101010101010101010101010101010101010101010101010101010101010101010101010101010101010101010101010101010101010101010101010101010101010101010101010101010101010101010101010101010101010101010c00000040092900aa000000000000001b00170000000000040000002701ffff030000000000>>
>
= >>>
>
→ d
= >010009000003ae0f000000004809000000004809000026060f008612574d46430100000000000100da280000000001000000641200000000000064120000010000006c00000000000000000000003a000000300000000000000000000000c2050000c804000020454d4600000100641200000c00000001000000000000000000000000000000000500002003000040010000c800000000000000000000000000000000e20400400d0300460000002c00000020000000454d462b014001001c000000100000000210c0db01000000600000006000000046000000680400005c040000454d462b224004000c000000000000001e4009000c00000000000000244001000c000000000000003040020010000000040000000000803f214007000c0000000000000008400005b4030000a80300000210c0db01000000000000000000000000000000000000000100000089504e470d0a1a0a0000000d494844520000003b000000310802000000ebdc4682000000017352474200aece1ce9000000097048597300000ec400000ec401952b0e1b00000331494441546843ed583b92e2301095f7249e2271c021a0483c35293780849a14d79c811ad22912738349a925a1ec434cb00965df84697d2dc932d21a0dc85babc89f56eba9fba93f8a2e970b1ad4f83528b418ec7fc4777019f0d86114eb3b40715802a0bab1a23e7fa175e1b0b39f16f987795cff39a649ece0b53b88b8b102808c4743428c691ccc70b27148a4b8218394591465a5c1f4f8070ce33f22ce048484a4a9de3f93c9576623877854e5a912dbf03b1d7ac4237f1cc2200eef5c8c6a1393f4c55af8282bf8ae3b77a7468ad90ef434b8b99debfd6a392e2eef1383e1eb7db6afc5f738e17b46e5c7e73c6ff253f9012a98066af06798277b45f0986e12606c0fbaab81c60a863836868dfaf4795c2767e656bc101db01c6348f3d46c7283de162384bece58bccca688e32db315da019ee3f2293abc0036700cc1a6581d04d2bcd21cd1e1273357d8748d1e2cc9377c810f20c997a36f1892ce28f687206254123626867f5aaad634b8b7f3533c1ac3babb05b17f3c9ba7cc6ed8c69ba4c8d779916c94137502423079987292eccb17290fdb743ea31e2595c20b308ec1e7a69537c56c6df8246db97108b62b57d33a821520969c478dce2daabe19356211aa9c236e4cd73aea2d6769674ee29154e2b5d925934dde9df0b71e169475843e7b74b3861b87f8d84fc4c06ba76af361090f488cb6d326e6301a3865e9bf3980fe6427efd835bfe9516e8615313ea2c1d46d18b71531c804531a13435b11eb098f162a0f1c36c42d52f43bf61e67d910fb3b48be34d9103f2cb6756ed0861826061529ac272fa80e8f9add62e3f0486143ecebb878d473ddc6c1253c3b2b424b782a62e815f442494f787d9d2b9a7a255776df0f5c5d87b7134c48a9e73d95c6b4ff00655479474fe39a1671455f55b49f211d84dc3b78424c948ba6f746c0e4fe9877f39357e8d48ecb95e8db3dc636b81a40a4c7bcfd30abce68758c0e173c2eee14dee20f454118d263b4fa3c891ade482177d6fcea026e2b7ac08529edceb4b907bb9571fd10d966b53348bc788313b89df68c3d7d03a0fb3cd396ba2f2f6d06b8c37f63968e173b7ae11a568777b576a3d4087274564224380756cc130b46385e0c6a38744d81ed677888bf01409a887f530ab9090000000049454e44ae4260820840010824000000180000000210c0db01000000030000000000000000000000000000001b40000040000000340000000100000002000000000000bf000000bf00006c420000444203000000000000b3000000b3ffff6b42000000b3000000b3ffff43422100000008000000620000000c00000001000000150000000c00000004000000150000000c0000000400000051000000980c000000000000000000003a00000030000000000000000000000000000000000000003b0000003100000050000000cc0000001c0100007c0b0000000000002000cc003b00000031000000280000003b000000310000000100080000000000000000000000000000000000290000000000000000000000ffffff00bfffff00000074009cdfff0074004800ffffbf0074bfff009c480000ffffdf00bf740000489cdf000074bf00df9c480074000000ffbf740000004800dfffff0000489c0048489c00ffdf9c00dfdfdf00df9c74009c48740000749c007400740048000000480074009c9c74009cdfbf004874bf00dfdf9c009c4848009cdfdf009cbf9c00bf9c740048749c009c9c480048004800749cdf00ffbfbf000101010101010101010101010101010101010101010101010101010101010101010101010101010101010101010101010101010101010101010101ff0101010101010101010101010101010101010101010101010101010101010101010101010101010101010101010101010101010101010101010101ff0101010101010101010101010101010101010101010101010101010101010101010101010101010101010101010101010101010101010101010101ff0101010101010101040506010101010101010101010101010101010101010101010101010101010101010101010101010101010101010101010101ff01010101010101010c1a14010101010101010101010101010101010101010101010101010101010101010101010101010101010101010101010101ff0101010101010104101a1401010101010101010101010101010101010101010101010101010101010101010101010101010101010101010101010148010101010101111200000f010101010101010101010101010101010101010101010101010101010101010101010101010101010101010101010101df01010101010107000a0c0d010101010101010101010101010101010101010101010101010101010101010101010101010101010101010101010101ff010101010111120e060c0d010101010101010101010101010101010101010101010101010101010101010101010101010101010101010101010101ff010101010107000d010b0a0101010101010101010101010101010101010101010104100f0107000e1f010101010101010101010101010101010101ff0101010102030e0601070a01010101010101010101010101010101010101010101010b0a010b0a022801010101010101010101010101010101010100010101010b000d01010708090101010101010101010101010101010101010101010104200904050601010101010101010101010101010101010101ff01150102030809010104050601010101010101010101010101010101010101010101111314021b14010101010101010101010101010101010101019c01070000000f01010104050601010101010101010101010101010101010101010127140b0f010c0d01010101010101010101010101010101010101ff010101070809010101021b1401010101010101010101010101010101010101010111120000000000000f0101010101010101010101010101010101ff0101010101010101011113140101010101010101010101010101010101010101010101010101010101010101010101010101010101010101010101ff01010101010101010111120f0101010101010101010101010101010101010101010101010101010101010101010101010101010101010101010101ff010101010101010101010c0d0101010101010101010101010101010101010101010101010101010101010101010101010101010101010101010101ff010101010101010101010c0d0101010101010101010101010101010101010101010101010101010101010101010101010101010101010101010101ff010101010101010101010b0a0101010101010101010101010101010101010101010101010101010101010101010101010101010101010101010101ff01010101010101010101070a0101010101010101010101010101010101010101010101010101010101010101010101010101010101010101010101ff0101010101010101010107080901010101010101010101010101010101010101010101010101010101010101010101010101010101010101010101ff0101010101010101010104050601010101010101010101010101010101010101010101010101010101010101010101010101010101010101010101ff0101010101010101010104050601010101010101010101010101010101010101010101010101010101010101010101010101010101010101010101ff01010101010101010101021b1401010100000000000000000000000000000000000000000000000000000000000000000000000000000000000000000101010101010101010111131401010101010101010101010101010101010101010101010101010101010101010101010101010101010101010101ff0101010101010101010111120f01010101010101010101010101010101010101010101010101010101010101010101010101010101010101010101ff01010101010101010101010c0d01010101010101010101010101010101010101010101010101010101010101010101010101010101010101010101ff01010101010101010101010c0d01010101010101010101010101010101010101010101010101010101010101010101010101010700080901010101ff01010101010101010101010b0a01010101010101010101010101010101010101010101010101010101010101010101010101010219060101010101ff01020300000e0601010101070a010101010b000000000d0101020300000809010101010101010104261401010c0a010101010111120000000d0101ff01021709010c0d0101010107080901010101010c0a01010111120d0111120a010101041601010107000a01010c000f01010101010b080902030d0100010102030008090101010104050601010101010b0a010101021b1401010b0809021b2223120f0107082414010c251906010101010708090104050648010101010420090101010104050601010101010b0a0101010410080911120a01010203000f010107082120090c0d070a01010101021b140102030fff0102190611120f01010101021b1401010101010b0a01010111121c100008090102191d160c0f010b0a010b0f0c0d010c0f01011e1f12000f02030f9c01020300000e060101010111131401010115010b0a010101010b0a0101010101010104160101010b0a010217180f010219060111121a140c000e0648010101010101010101010111120f0101010b00000a0101010111120a01010101010101010101010c0a01010b000f01010b0a010101010101010101000101010101010101010101010c0d01010101010c0a01010101010107000e06010101010101010700000f0102030f010410000a0101010101010101ff0101010101010101010101010c0d010101010101010101010101010101010101010101010101010101010101010101010101010101010101010101000101010101010101010101010b0a010101010101010101010101010101010101010101010101010101010101010101010101010101010101010101ff010101010101010101010101070a010101010101010101010101010101010101010101010101010101010101010101010101010101010101010101ff0101010101010101010101010708090101010101010101010101010101010101010101010101010101010101010101010101010101010101010101ff0101010101010101010101010405060101010101010101010101010101010101010101010101010101010101010101010101010101010101010101ff0101010101010101010101010405060101010101010101010101010101010101010101010101010101010101010101010101010101010101010101000101010101010101010101010203000000000000000000000000000000000000000000000000000000000000000000000000000000000000000001ff0101010101010101010101010101010101010101010101010101010101010101010101010101010101010101010101010101010101010101010101ff0101010101010101010101010101010101010101010101010101010101010101010101010101010101010101010101010101010101010101010101ff0101010101010101010101010101010101010101010101010101010101010101010101010101010101010101010101010101010101010101010101ff0101010101010101010101010101010101010101010101010101010101010101010101010101010101010101010101010101010101010101010101ff4c0000006400000000000000000000003a0000003000000000000000000000003b000000310000002900aa0000000000000000000000803f00000000000000000000803f0000000000000000000000000000000000000000000000000000000000000000220000000c000000ffffffff460000001c00000010000000454d462b024000000c000000000000000e000000140000000000000010000000140000000400000003010800050000000b0200000000050000000c0231003b00030000001e000400000007010400040000000701040031060000410b2000cc0031003b000000000031003b0000000000280000003b000000310000000100080000000000000000000000000000000000290000000000000000000000ffffff00bfffff00000074009cdfff0074004800ffffbf0074bfff009c480000ffffdf00bf740000489cdf000074bf00df9c480074000000ffbf740000004800dfffff0000489c0048489c00ffdf9c00dfdfdf00df9c74009c48740000749c007400740048000000480074009c9c74009cdfbf004874bf00dfdf9c009c4848009cdfdf009cbf9c00bf9c740048749c009c9c480048004800749cdf00ffbfbf000101010101010101010101010101010101010101010101010101010101010101010101010101010101010101010101010101010101010101010101ff0101010101010101010101010101010101010101010101010101010101010101010101010101010101010101010101010101010101010101010101ff0101010101010101010101010101010101010101010101010101010101010101010101010101010101010101010101010101010101010101010101ff0101010101010101040506010101010101010101010101010101010101010101010101010101010101010101010101010101010101010101010101ff01010101010101010c1a14010101010101010101010101010101010101010101010101010101010101010101010101010101010101010101010101ff0101010101010104101a1401010101010101010101010101010101010101010101010101010101010101010101010101010101010101010101010148010101010101111200000f010101010101010101010101010101010101010101010101010101010101010101010101010101010101010101010101df01010101010107000a0c0d010101010101010101010101010101010101010101010101010101010101010101010101010101010101010101010101ff010101010111120e060c0d010101010101010101010101010101010101010101010101010101010101010101010101010101010101010101010101ff010101010107000d010b0a0101010101010101010101010101010101010101010104100f0107000e1f010101010101010101010101010101010101ff0101010102030e0601070a01010101010101010101010101010101010101010101010b0a010b0a022801010101010101010101010101010101010100010101010b000d01010708090101010101010101010101010101010101010101010104200904050601010101010101010101010101010101010101ff01150102030809010104050601010101010101010101010101010101010101010101111314021b14010101010101010101010101010101010101019c01070000000f01010104050601010101010101010101010101010101010101010127140b0f010c0d01010101010101010101010101010101010101ff010101070809010101021b1401010101010101010101010101010101010101010111120000000000000f0101010101010101010101010101010101ff0101010101010101011113140101010101010101010101010101010101010101010101010101010101010101010101010101010101010101010101ff01010101010101010111120f0101010101010101010101010101010101010101010101010101010101010101010101010101010101010101010101ff010101010101010101010c0d0101010101010101010101010101010101010101010101010101010101010101010101010101010101010101010101ff010101010101010101010c0d0101010101010101010101010101010101010101010101010101010101010101010101010101010101010101010101ff010101010101010101010b0a0101010101010101010101010101010101010101010101010101010101010101010101010101010101010101010101ff01010101010101010101070a0101010101010101010101010101010101010101010101010101010101010101010101010101010101010101010101ff0101010101010101010107080901010101010101010101010101010101010101010101010101010101010101010101010101010101010101010101ff0101010101010101010104050601010101010101010101010101010101010101010101010101010101010101010101010101010101010101010101ff0101010101010101010104050601010101010101010101010101010101010101010101010101010101010101010101010101010101010101010101ff01010101010101010101021b1401010100000000000000000000000000000000000000000000000000000000000000000000000000000000000000000101010101010101010111131401010101010101010101010101010101010101010101010101010101010101010101010101010101010101010101ff0101010101010101010111120f01010101010101010101010101010101010101010101010101010101010101010101010101010101010101010101ff01010101010101010101010c0d01010101010101010101010101010101010101010101010101010101010101010101010101010101010101010101ff01010101010101010101010c0d01010101010101010101010101010101010101010101010101010101010101010101010101010700080901010101ff01010101010101010101010b0a01010101010101010101010101010101010101010101010101010101010101010101010101010219060101010101ff01020300000e0601010101070a010101010b000000000d0101020300000809010101010101010104261401010c0a010101010111120000000d0101ff01021709010c0d0101010107080901010101010c0a01010111120d0111120a010101041601010107000a01010c000f01010101010b080902030d0100010102030008090101010104050601010101010b0a010101021b1401010b0809021b2223120f0107082414010c251906010101010708090104050648010101010420090101010104050601010101010b0a0101010410080911120a01010203000f010107082120090c0d070a01010101021b140102030fff0102190611120f01010101021b1401010101010b0a01010111121c100008090102191d160c0f010b0a010b0f0c0d010c0f01011e1f12000f02030f9c01020300000e060101010111131401010115010b0a010101010b0a0101010101010104160101010b0a010217180f010219060111121a140c000e0648010101010101010101010111120f0101010b00000a0101010111120a01010101010101010101010c0a01010b000f01010b0a010101010101010101000101010101010101010101010c0d01010101010c0a01010101010107000e06010101010101010700000f0102030f010410000a0101010101010101ff0101010101010101010101010c0d010101010101010101010101010101010101010101010101010101010101010101010101010101010101010101000101010101010101010101010b0a010101010101010101010101010101010101010101010101010101010101010101010101010101010101010101ff010101010101010101010101070a010101010101010101010101010101010101010101010101010101010101010101010101010101010101010101ff0101010101010101010101010708090101010101010101010101010101010101010101010101010101010101010101010101010101010101010101ff0101010101010101010101010405060101010101010101010101010101010101010101010101010101010101010101010101010101010101010101ff0101010101010101010101010405060101010101010101010101010101010101010101010101010101010101010101010101010101010101010101000101010101010101010101010203000000000000000000000000000000000000000000000000000000000000000000000000000000000000000001ff0101010101010101010101010101010101010101010101010101010101010101010101010101010101010101010101010101010101010101010101ff0101010101010101010101010101010101010101010101010101010101010101010101010101010101010101010101010101010101010101010101ff0101010101010101010101010101010101010101010101010101010101010101010101010101010101010101010101010101010101010101010101ff0101010101010101010101010101010101010101010101010101010101010101010101010101010101010101010101010101010101010101010101ff0c00000040092900aa0000000000000031003b0000000000040000002701ffff030000000000>
= >0100090000035a15000000004e0c000000004e0c000026060f009218574d46430100000000000100a4f70000000001000000701800000000000070180000010000006c0000000000000000000000540000003000000000000000000000004c080000c804000020454d4600000100701800000c00000001000000000000000000000000000000000500002003000040010000c800000000000000000000000000000000e20400400d0300460000002c00000020000000454d462b014001001c000000100000000210c0db01000000600000006000000046000000280500001c050000454d462b224004000c000000000000001e4009000c00000000000000244001000c000000000000003040020010000000040000000000803f214007000c000000000000000840000574040000680400000210c0db01000000000000000000000000000000000000000100000089504e470d0a1a0a0000000d494844520000005500000031080200000024f27241000000017352474200aece1ce9000000097048597300000ec400000ec401952b0e1b000003ef494441546843ed5a3d6eea401036ef244669283804280d286d6e000da2b5c51910b4110ddc80368a9bc83e04050dc237e1cdfe79ffbd0bcf3679765c25f6eecc7cf3b7e3cff46eb75bd0e1eb4f87b123e85dc71f40fe7b5c69d4c63c01e07ef1cf2fa7204a3dfcf47f2df9cd7fcffacfcfc96410b6b104fcf21f900f5fba8b1f957f4b2faff8b728fdb3b8575c71d6c9f39f1c64d7fd64fb090ef038b160a9e1f4432381f14ca4b342d9798924f26bb2bfaa56880b0c8f35a34dc670196605f82ec97f352bb46297ba7f7e98420e8db77a4bc04f3edfb0799b5169cb10dcf335535b6bfe7d0ca853d228992f0eb95596cd98fcb0980f69a403490206db9f27586451ff725648eaa0fc65f5af3b92408a5154a511787e884b40a8e8c2d917734a38d0d548a2ccc6641ff3247ac321085fdf27c9f19bb8308ba797258e4f3a445e21f8471b122eecf7a51238d4fda5d32f0cd5786121b039890617941b704d0bb8e06fd469b072f657106cc7ac0fd187c608139716096210653106a415391bbe0c83e4cc522899f7b1e6f1365a41e2b1526213be5e2be6f2c7f1176b9ce403dd8effe14fed2d4159281476f1ca213712b328cd4658c691585b15af7f392bd4f4f719fe909727fb1da9659473c1e9827d0e415b0fd27db44f076b1e7faa425c286700e424e9d3a771b1ab54949a4045c851025b11905a105eefb4be0d0f4dbd5c732a8a01f3b916d62be02fba3c3c352e2c3409d1d31344124513468f30bf23daa51d1ceef34f4f7fa5f3091523f8b1ecd49204f0858226fff3cfc79892a3d88d5faa248f69e1e12569e473d23f2cdebcd16bfe35b6e6ca6f8e36fa2050b91255a013bf76fad56e52a30a9cf8c583b451cb9a51e6c4af0d7fcdd8d59816473fd1ba7f638635a3c8197fd58c8afbefb3c5b9f0b788fa3026940b3f6c6a29f347dce1c0df62e6cf0f7f6b896f5a0d1ef9df4c237e929672fc2d1ffedcf52fb02895058830762a4ba48947349d911ac2fbcb48a37b2c15e20f0a39694564d431fcb9b94d3bbf8a4c3a2c8e814a09de83585e8bf113fa1708dd64fe9109cf6b49ff526e9328b7f0ab04fd79b57b7f1cafba13e1cf43ca88020bb45ddf41d3fe9b190ab7c9855929cd2cee9f570e5efd4e9b107ea66fb404064b64db6b1bfe240aded7e22c1e0729477f1fa36e55220fe084c0627c9185f9ab6c66b793bff4fb82405ce99f1b0482f7718b94f36fb4411ea04550cff06768b33838e2c70143ef85b6c150b277d24ae822cd75c4d1c8f335317f666ed3427e82290a2bc8b657f37b1c13ffc98aa026fcc6647d0af9099618f95f1ea16a9cfc7879d6bed338ff86b31df9b8e9f3ddc7b77dffcc7596f93f9cad5af98b3f2d08d6f71f3c0cb49afac0bee8a11ed0e1ebf7fdbfc3c107e85d8fff5ffe68017132b7682d0000000049454e44ae42608200000840010824000000180000000210c0db01000000030000000000000000000000000000001b40000040000000340000000100000002000000000000bf000000bf0000aa420000444203000000000000b3000000b3ffffa942000000b3000000b3ffff43422100000008000000620000000c00000001000000150000000c00000004000000150000000c0000000400000051000000e41100000000000000000000540000003000000000000000000000000000000000000000550000003100000050000000bc0000000c010000d8100000000000002000cc0055000000310000002800000055000000310000000100080000000000000000000000000000000000250000000000000000000000ffffff00bfffff00000074009cdfff0074004800ffffbf0074bfff009c480000ffffdf00bf740000489cdf000074bf00df9c48007400000074007400dfffff0000489c00ffbf740048000000ffdf9c009c48480048489c004800480048007400dfdfdf00df9c74009c4874009c9c7400000048009cdfbf009cbf9c00bf9c74004874bf0000484800dfbf74009c749c0001010101010101010101010101010101010101010101010101010101010101010101010101010101010101010101010101010101010101010101010101010101010101010101010101010101010101010101010101ffffff01010101010101010101010101010101010101010101010101010101010101010101010101010101010101010101010101010101010101010101010101010101010101010101010101010101010101010101010101ffffff01010101010101010101010101010101010101010101010101010101010101010101010101010101010101010101010101010101010101010101010101010101010101010101010101010101010101010101010101ffffff01010101010101010101010101010101010101010101010101010101010101010101010101010101010101010101010101010101010101010101010101010101010101010101010101010101010101010101010101ffffff01010101010101010405060101010101010101010101010101010101010101010101010101010101010101010101010101010101010101010101010101010101010101010101010101010101010101010101010101ffffff01010101010101010c13140101010101010101010101010101010101010101010101010101010101010101010101010101010101010101010101010101010101010101010101010101010101010101010101010101ffffff01010101010101041d13140101010101010101010101010101010101010101010101010101010101010101010101010101010101010101010101010101010101010101010101010101010101010101010101010101ffffff01010101010110110000120101010101010101010101010101010101010101010101010101010101010101010101010101010101010101010101010101010101010101010101010101010101010101010101010101ffffff01010101010107000a0c0d0101010101010101010101010101010101010101010101010101010101010101010121140101010101010101010101010101010101010101010101010101010101010101010101010101ffbfff010101010110110e060c0d0101010101010101010101010101010101010101010101010101010b0000000d0101040506010b000000000d010101010b000e0601010101010101010101010101010101010101010101ffffff010101010107000d010b0a010101010101010101010101010101010101010101010101010102181401041d1201020f060101010c0a0101010101011011120101010101010101010101010101010101010101010101ffffff0101010102030e0601070a010101010101010101010101010101010101010101010101010101010101041d12010101010101010b0a0101010b00000000000809010101010101010101010101010101010101010101ffffff010101010b000d01010708090101010101010101010101010101010101010101010101010101010c00001201010101010101010b0a010101020f0610112324090101010101010101010101010101010101010101010048ff0119010203080901010405060101010101010101010101010101010101010101010101010101010110111201010101010101010b0a01010101070a1011120101010101010101010101010101010101010101010101df9cff0107000000120101010405060101010101010101010101010101010101010101010101010101010101041714010101010119010b0a01010101010b2311120101010101010101010101010101010101010101010101ffffff010101070809010101021814010101010101010101010101010101010101010101010101011016140107131401010101010b00000a0101010101101622120101010101010101010101010101010101010101010101ffffff01010101010101010110161401010101010101010101010101010101010101010101010101010b0000000d01010101010101010c0a010101010101041d120101010101010101010101010101010101010101010101ffffff01010101010101010110111201010101010101010101010101010101010101010101010101010101010101010101010101010101010101010101010101010101010101010101010101010101010101010101010101ffffff010101010101010101010c0d01010101010101010101010101010101010101010101010101010101010101010101010101010101010101010101010101010101010101010101010101010101010101010101010101ffffff010101010101010101010c0d01010101010101010101010101010101010101010101010101010101010101010101010101010101010101010101010101010101010101010101010101010101010101010101010101ffffff010101010101010101010b0a010101010101010101010101010101010101010101010101010101010101010101010101010101010101010101010101010101010101010101010101010101010101010101010101010000ff01010101010101010101070a01010101010101010101010101010101010101010101010101010101010101010101010101010101010101010101010101010101010101010101010101010101010101010101010101ffffff01010101010101010101070809010101010101010101010101010101010101010101010101010101010101010101010101010101010101010101010101010101010101010101010101010101010101010101010101ffffff01010101010101010101040506010101010101010101010101010101010101010101010101010101010101010101010101010101010101010101010101010101010101010101010101010101010101010101010101ffffff01010101010101010101040506010101000000000000000000000000000000000000000000000000000000000000000000000000000000000000000000000000000000000000000000000000000000000000000000ffffff01010101010101010101021814010101010101010101010101010101010101010101010101010101010101010101010101010101010101010101010101010101010101010101010101010101010101010101010101ffffff01010101010101010101101614010101010101010101010101010101010101010101010101010101010101010101010101010101010101010101010101010101010101010101010101010101010101010101010101ffffff01010101010101010101101112010101010101010101010101010101010101010101010101010101010101010101010101010101010101010101010101010101010101010101010101010101010101010101010101ffffff01010101010101010101010c0d010101010101010101010101010101010101010101010101010101010101010101010101010101010101010101010101010101010101010101010101010101010101010101010101ffffff01010101010101010101010c0d0101010101010101010101010101010101010101010101010101010101010101012114010101010101010101010101010101010101010101010101010101010101010101010101017400ff01010101010101010101010b0a010101010b000000000d01010203000008090101010101010110110000000d0101040506010b0000000d0101010101010101010b000000000d0101020300001201010101010101019cdfff01020300000e0601010101070a0101010101010c0a01010110110d0110110a010101041a010110161401041d1201020f0602181401041d12010101041a01010101010c0a010101010c0a0104171401010101010101ffffff01021b09010c0d0101010107080901010101010b0a01010102181401010b080902181f2011120101010110110d0101010101010101041d120102181f2011120101010b0a0101010203120110110d01010101010101ffffff010102030008090101010104050601010101010b0a010101041d080910110a0101020300120101010101041d120101010101010c00001201010102030012010101010b0a01010102181401010c0a01010101010101ffffff010101010415090101010104050601010101010b0a01010110111c1d00080901020f1e1a0c12010b0000000a01010101010101011011120101020f1e1a0c120101010b0a01010102181401010c0a01020300000e067400ff01020f061011120101010102181401010119010b0a010101010b0a01010101010101041a0101010b12010101010101010101010101041714010101041a01010119010b0a0101010203120110110d01021b09010c0dffffff01020300000e06010101011016140101010b00000a0101010110110a01010101010101010101010b1201010101010101011016140107131401010101010101010b00000a010101010b0a0104171401010203000809ffffff010101010101010101010110111201010101010c0a01010101010107000e0601010101010101010b000000131401010101010b0000000d01010101010101010101010c0a01010101101100000d01010101010415090000ff0101010101010101010101010c0d0101010101010101010101010101010101010101010101010101010101010101010101010101010101010101010101010101010101010101010101010101010101020f06101112ffffff0101010101010101010101010c0d0101010101010101010101010101010101010101010101010101010101010101010101010101010101010101010101010101010101010101010101010101010101020300000e06ffffff0101010101010101010101010b0a0101010101010101010101010101010101010101010101010101010101010101010101010101010101010101010101010101010101010101010101010101010101010101010101ffffff010101010101010101010101070a0101010101010101010101010101010101010101010101010101010101010101010101010101010101010101010101010101010101010101010101010101010101010101010101ffffff01010101010101010101010107080901010101010101010101010101010101010101010101010101010101010101010101010101010101010101010101010101010101010101010101010101010101010101010101ffffff01010101010101010101010104050601010101010101010101010101010101010101010101010101010101010101010101010101010101010101010101010101010101010101010101010101010101010101010101ffffff01010101010101010101010104050601010101010101010101010101010101010101010101010101010101010101010101010101010101010101010101010101010101010101010101010101010101010101010101ffffff01010101010101010101010102030000000000000000000000000000000000000000000000000000000000000000000000000000000000000000000000000000000000000000000000000000000000000000000001ffffff01010101010101010101010101010101010101010101010101010101010101010101010101010101010101010101010101010101010101010101010101010101010101010101010101010101010101010101010101ffffff01010101010101010101010101010101010101010101010101010101010101010101010101010101010101010101010101010101010101010101010101010101010101010101010101010101010101010101010101ffffff01010101010101010101010101010101010101010101010101010101010101010101010101010101010101010101010101010101010101010101010101010101010101010101010101010101010101010101010101ffffff4c0000006400000000000000000000005400000030000000000000000000000055000000310000002900aa0000000000000000000000803f00000000000000000000803f0000000000000000000000000000000000000000000000000000000000000000220000000c000000ffffffff460000001c00000010000000454d462b024000000c000000000000000e000000140000000000000010000000140000000400000003010800050000000b0200000000050000000c0231005500030000001e0004000000070104000400000007010400d7080000410b2000cc00310055000000000031005500000000002800000055000000310000000100080000000000000000000000000000000000250000000000000000000000ffffff00bfffff00000074009cdfff0074004800ffffbf0074bfff009c480000ffffdf00bf740000489cdf000074bf00df9c48007400000074007400dfffff0000489c00ffbf740048000000ffdf9c009c48480048489c004800480048007400dfdfdf00df9c74009c4874009c9c7400000048009cdfbf009cbf9c00bf9c74004874bf0000484800dfbf74009c749c0001010101010101010101010101010101010101010101010101010101010101010101010101010101010101010101010101010101010101010101010101010101010101010101010101010101010101010101010101ffffff01010101010101010101010101010101010101010101010101010101010101010101010101010101010101010101010101010101010101010101010101010101010101010101010101010101010101010101010101ffffff01010101010101010101010101010101010101010101010101010101010101010101010101010101010101010101010101010101010101010101010101010101010101010101010101010101010101010101010101ffffff01010101010101010101010101010101010101010101010101010101010101010101010101010101010101010101010101010101010101010101010101010101010101010101010101010101010101010101010101ffffff01010101010101010405060101010101010101010101010101010101010101010101010101010101010101010101010101010101010101010101010101010101010101010101010101010101010101010101010101ffffff01010101010101010c13140101010101010101010101010101010101010101010101010101010101010101010101010101010101010101010101010101010101010101010101010101010101010101010101010101ffffff01010101010101041d13140101010101010101010101010101010101010101010101010101010101010101010101010101010101010101010101010101010101010101010101010101010101010101010101010101ffffff01010101010110110000120101010101010101010101010101010101010101010101010101010101010101010101010101010101010101010101010101010101010101010101010101010101010101010101010101ffffff01010101010107000a0c0d0101010101010101010101010101010101010101010101010101010101010101010121140101010101010101010101010101010101010101010101010101010101010101010101010101ffbfff010101010110110e060c0d0101010101010101010101010101010101010101010101010101010b0000000d0101040506010b000000000d010101010b000e0601010101010101010101010101010101010101010101ffffff010101010107000d010b0a010101010101010101010101010101010101010101010101010102181401041d1201020f060101010c0a0101010101011011120101010101010101010101010101010101010101010101ffffff0101010102030e0601070a010101010101010101010101010101010101010101010101010101010101041d12010101010101010b0a0101010b00000000000809010101010101010101010101010101010101010101ffffff010101010b000d01010708090101010101010101010101010101010101010101010101010101010c00001201010101010101010b0a010101020f0610112324090101010101010101010101010101010101010101010048ff0119010203080901010405060101010101010101010101010101010101010101010101010101010110111201010101010101010b0a01010101070a1011120101010101010101010101010101010101010101010101df9cff0107000000120101010405060101010101010101010101010101010101010101010101010101010101041714010101010119010b0a01010101010b2311120101010101010101010101010101010101010101010101ffffff010101070809010101021814010101010101010101010101010101010101010101010101011016140107131401010101010b00000a0101010101101622120101010101010101010101010101010101010101010101ffffff01010101010101010110161401010101010101010101010101010101010101010101010101010b0000000d01010101010101010c0a010101010101041d120101010101010101010101010101010101010101010101ffffff01010101010101010110111201010101010101010101010101010101010101010101010101010101010101010101010101010101010101010101010101010101010101010101010101010101010101010101010101ffffff010101010101010101010c0d01010101010101010101010101010101010101010101010101010101010101010101010101010101010101010101010101010101010101010101010101010101010101010101010101ffffff010101010101010101010c0d01010101010101010101010101010101010101010101010101010101010101010101010101010101010101010101010101010101010101010101010101010101010101010101010101ffffff010101010101010101010b0a010101010101010101010101010101010101010101010101010101010101010101010101010101010101010101010101010101010101010101010101010101010101010101010101010000ff01010101010101010101070a01010101010101010101010101010101010101010101010101010101010101010101010101010101010101010101010101010101010101010101010101010101010101010101010101ffffff01010101010101010101070809010101010101010101010101010101010101010101010101010101010101010101010101010101010101010101010101010101010101010101010101010101010101010101010101ffffff01010101010101010101040506010101010101010101010101010101010101010101010101010101010101010101010101010101010101010101010101010101010101010101010101010101010101010101010101ffffff01010101010101010101040506010101000000000000000000000000000000000000000000000000000000000000000000000000000000000000000000000000000000000000000000000000000000000000000000ffffff01010101010101010101021814010101010101010101010101010101010101010101010101010101010101010101010101010101010101010101010101010101010101010101010101010101010101010101010101ffffff01010101010101010101101614010101010101010101010101010101010101010101010101010101010101010101010101010101010101010101010101010101010101010101010101010101010101010101010101ffffff01010101010101010101101112010101010101010101010101010101010101010101010101010101010101010101010101010101010101010101010101010101010101010101010101010101010101010101010101ffffff01010101010101010101010c0d010101010101010101010101010101010101010101010101010101010101010101010101010101010101010101010101010101010101010101010101010101010101010101010101ffffff01010101010101010101010c0d0101010101010101010101010101010101010101010101010101010101010101012114010101010101010101010101010101010101010101010101010101010101010101010101017400ff01010101010101010101010b0a010101010b000000000d01010203000008090101010101010110110000000d0101040506010b0000000d0101010101010101010b000000000d0101020300001201010101010101019cdfff01020300000e0601010101070a0101010101010c0a01010110110d0110110a010101041a010110161401041d1201020f0602181401041d12010101041a01010101010c0a010101010c0a0104171401010101010101ffffff01021b09010c0d0101010107080901010101010b0a01010102181401010b080902181f2011120101010110110d0101010101010101041d120102181f2011120101010b0a0101010203120110110d01010101010101ffffff010102030008090101010104050601010101010b0a010101041d080910110a0101020300120101010101041d120101010101010c00001201010102030012010101010b0a01010102181401010c0a01010101010101ffffff010101010415090101010104050601010101010b0a01010110111c1d00080901020f1e1a0c12010b0000000a01010101010101011011120101020f1e1a0c120101010b0a01010102181401010c0a01020300000e067400ff01020f061011120101010102181401010119010b0a010101010b0a01010101010101041a0101010b12010101010101010101010101041714010101041a01010119010b0a0101010203120110110d01021b09010c0dffffff01020300000e06010101011016140101010b00000a0101010110110a01010101010101010101010b1201010101010101011016140107131401010101010101010b00000a010101010b0a0104171401010203000809ffffff010101010101010101010110111201010101010c0a01010101010107000e0601010101010101010b000000131401010101010b0000000d01010101010101010101010c0a01010101101100000d01010101010415090000ff0101010101010101010101010c0d0101010101010101010101010101010101010101010101010101010101010101010101010101010101010101010101010101010101010101010101010101010101020f06101112ffffff0101010101010101010101010c0d0101010101010101010101010101010101010101010101010101010101010101010101010101010101010101010101010101010101010101010101010101010101020300000e06ffffff0101010101010101010101010b0a0101010101010101010101010101010101010101010101010101010101010101010101010101010101010101010101010101010101010101010101010101010101010101010101ffffff010101010101010101010101070a0101010101010101010101010101010101010101010101010101010101010101010101010101010101010101010101010101010101010101010101010101010101010101010101ffffff01010101010101010101010107080901010101010101010101010101010101010101010101010101010101010101010101010101010101010101010101010101010101010101010101010101010101010101010101ffffff01010101010101010101010104050601010101010101010101010101010101010101010101010101010101010101010101010101010101010101010101010101010101010101010101010101010101010101010101ffffff01010101010101010101010104050601010101010101010101010101010101010101010101010101010101010101010101010101010101010101010101010101010101010101010101010101010101010101010101ffffff01010101010101010101010102030000000000000000000000000000000000000000000000000000000000000000000000000000000000000000000000000000000000000000000000000000000000000000000001ffffff01010101010101010101010101010101010101010101010101010101010101010101010101010101010101010101010101010101010101010101010101010101010101010101010101010101010101010101010101ffffff01010101010101010101010101010101010101010101010101010101010101010101010101010101010101010101010101010101010101010101010101010101010101010101010101010101010101010101010101ffffff01010101010101010101010101010101010101010101010101010101010101010101010101010101010101010101010101010101010101010101010101010101010101010101010101010101010101010101010101ffffff0c00000040092900aa000000000000003100550000000000040000002701ffff030000000000>
= 30мм.
3. Определяем угол закручивания
φ = >0100090000039608000000006c05000000006c05000026060f00ce0a574d46430100000000000100613c0000000001000000ac0a000000000000ac0a0000010000006c00000000000000000000001e00000027000000000000000000000006030000e703000020454d4600000100ac0a00000c00000001000000000000000000000000000000000500002003000040010000c800000000000000000000000000000000e20400400d0300460000002c00000020000000454d462b014001001c000000100000000210c0db01000000600000006000000046000000280300001c030000454d462b224004000c000000000000001e4009000c00000000000000244001000c000000000000003040020010000000040000000000803f214007000c000000000000000840000574020000680200000210c0db01000000000000000000000000000000000000000100000089504e470d0a1a0a0000000d494844520000001f00000028080200000089b3b67b000000017352474200aece1ce9000000097048597300000ec400000ec401952b0e1b000001ee49444154484bed563b6e8340105de72491d2b8f02122b9c172cb25a2b4f81051dca7811ba48d44671fc2054d043721f3dbddd985c5b62ca4144c050bfbf6cd9b8137abbeefcd6cf1341b3202cf807e3eac200e67840765fafe54500a59d9d22d465b66b4569cdcd2cd1700c7508c8e58101e4ab0f571376313312625ca748dc9f38db9fc76c8b7abdebe370570dfbc3cf3fd0e9375c1597374d5a1a24d6aa9a98bfd2bde33faf9e7926fb7ebac6ee045c4cebff6a636f28e81b359336405f97cd2560302cb39fe8ac08ed99a58b1eeb0093321b94ea01140f9ec9c22589cb80a5230bdac7722ba804b21496b2119d478500461532023776e400bd0b1a29cb8ab7508ae485b22bec46d59a84e73186d59821a66a43b6c33ba2c74c9aeb55180b7c2ae9c2d66f85615d7057db6c24d022f3d939267e9c87fa04ce070bbd8d0227b13379c7e2db01ee701f04bbf3a0c8cd857ecec3213d0cc91c68b2d4279ece4a8c01dd9551fc7ac7c67330e2361cdb0a7a9b37c2bee9c2a2b9dad998b11ab4c46ac39dc92e46f670235870d4c150785d09ad9d65949b63ab81e21e1273dab3abd1d9560a0bb63404fdc01f1a062ab6a9d9a05bcd62f617aaa79a23eb2e8b74f897e24b37b54fbba99859fdd8b9e185038d9415bdf8b3ecc516b1a2bfa38fad467fd30baef9791d22dbe9afacdfc0198dd57e1fddc4c510000000049454e44ae4260820000000840010824000000180000000210c0db01000000030000000000000000000000000000001b40000040000000340000000100000002000000000000bf000000bf0000f8410000204203000000000000b3000000b3fffff741000000b3000000b3ffff1f422100000008000000620000000c00000001000000150000000c00000004000000150000000c00000004000000510000002006000000000000000000001e00000027000000000000000000000000000000000000001f0000002800000050000000d00000002001000000050000000000002000cc001f00000028000000280000001f0000002800000001000800000000000000000000000000000000002a0000000000000000000000ffffff0074bfff00bf740000bfffff0000007400df9c4800489cdf0074000000ffffbf000074bf00484848009cdfff000000480048000000ffdf9c00dfffff0000489c00ffbf74004874bf00749c9c009c480000ffffdf0048489c0048747400df9c7400740074009c4874009cdfdf00740048009cdfbf00bf744800480074009cbf9c009c484800dfffdf0048004800bf9c74009c9cdf00bfffbf00749cdf00dfdf9c00010101010101010101010101010101010101010101010101010101010101010101010101010101010101010101010101010101010101010101010101010101ff01010101010101010101010101010101010101010101010101010101010101010101010101010101010101010101010101010101010c0d0301010101010101ff010101010101010101010101010101010101010101041a09010101010101010101010101010101010101010101010101010101010110110000080901010101ff010101010101010101010101010101101100060101010703010208090101010101010101010101010101010101010101010c240f0101020301010a06010101ff01010c0d0000001201010101010101010110110601010c1d09010703010101010104051201101103010101010c190101010107151628291108090703010101ff010c240f01010715160104202125111201010c1d09101108270500120101010101040512010405000301010405001201010104051201010101010101010101ff01101106010101010101041a1e190a120101010a0601010101010101010101010101020809010101010101010c190101010101071516010101010101010101ff0101010a0809010203010101010101010101010c1d090101010101010101010a01010101070000001516010101010101010110110015160101010101010101ff010101010101010101010101010101010101010101010101010101010101010c01010101010101010101010101010101010101010101010101010101010101ff010101010101010101010101010101010101010101010101010101010101010901010101010101010101010101010101010101010101010101010101010101ff010101010101010101010101010101010101010101010101010101010101010901010101010101010101010101010101010101010101010101010101010101ff010101010101010101010101010101010101010101010101010101010101010900000000000000000000000000000000000000000000000000000000000000ff010101010101010101010101010101010101010101010101010101010101010901010101010101010101010101010101010101010101010101010101010101ff010101010101010101010101010101010101010101010101010101010101010901010101010101010101010101010101010101010101010101010101010101ff010101010101010101010101010101010101010101010101010101010101010c0700151601010c0d0006101100000000060101010101010101011011000601ff10170f010a060107151601040512010c1f010101010c1901010104200f26090a01071210110e0f0c240f010110110601010101042021251112011011120101ff010c1f04202122231112010101010a030101010104050012010101070301010101041b1c1d0907060a030101130f0107151601041a1e190a12010102151601ff0101131415161017180809010700000000030101010c1901010101041a0901010101070b0301010c0d0e0f0101010101010101010101010101010110111201ff010405000601010107000809010101010101010101010101010101010a06010101010101010101010101010101010101010101010101010101010102000301ff010101010101010101010101010101010101010101010101010101010101010101010101010101010101010101010101010101010101010101010101010101ff4c0000006400000000000000000000001e0000002700000000000000000000001f000000280000002900aa0000000000000000000000803f00000000000000000000803f0000000000000000000000000000000000000000000000000000000000000000220000000c000000ffffffff460000001c00000010000000454d462b024000000c000000000000000e000000140000000000000010000000140000000400000003010800050000000b0200000000050000000c0228001f00030000001e0004000000070104000400000007010400f5020000410b2000cc0028001f000000000028001f0000000000280000001f0000002800000001000800000000000000000000000000000000002a0000000000000000000000ffffff0074bfff00bf740000bfffff0000007400df9c4800489cdf0074000000ffffbf000074bf00484848009cdfff000000480048000000ffdf9c00dfffff0000489c00ffbf74004874bf00749c9c009c480000ffffdf0048489c0048747400df9c7400740074009c4874009cdfdf00740048009cdfbf00bf744800480074009cbf9c009c484800dfffdf0048004800bf9c74009c9cdf00bfffbf00749cdf00dfdf9c00010101010101010101010101010101010101010101010101010101010101010101010101010101010101010101010101010101010101010101010101010101ff01010101010101010101010101010101010101010101010101010101010101010101010101010101010101010101010101010101010c0d0301010101010101ff010101010101010101010101010101010101010101041a09010101010101010101010101010101010101010101010101010101010110110000080901010101ff010101010101010101010101010101101100060101010703010208090101010101010101010101010101010101010101010c240f0101020301010a06010101ff01010c0d0000001201010101010101010110110601010c1d09010703010101010104051201101103010101010c190101010107151628291108090703010101ff010c240f01010715160104202125111201010c1d09101108270500120101010101040512010405000301010405001201010104051201010101010101010101ff01101106010101010101041a1e190a120101010a0601010101010101010101010101020809010101010101010c190101010101071516010101010101010101ff0101010a0809010203010101010101010101010c1d090101010101010101010a01010101070000001516010101010101010110110015160101010101010101ff010101010101010101010101010101010101010101010101010101010101010c01010101010101010101010101010101010101010101010101010101010101ff010101010101010101010101010101010101010101010101010101010101010901010101010101010101010101010101010101010101010101010101010101ff010101010101010101010101010101010101010101010101010101010101010901010101010101010101010101010101010101010101010101010101010101ff010101010101010101010101010101010101010101010101010101010101010900000000000000000000000000000000000000000000000000000000000000ff010101010101010101010101010101010101010101010101010101010101010901010101010101010101010101010101010101010101010101010101010101ff010101010101010101010101010101010101010101010101010101010101010901010101010101010101010101010101010101010101010101010101010101ff010101010101010101010101010101010101010101010101010101010101010c0700151601010c0d0006101100000000060101010101010101011011000601ff10170f010a060107151601040512010c1f010101010c1901010104200f26090a01071210110e0f0c240f010110110601010101042021251112011011120101ff010c1f04202122231112010101010a030101010104050012010101070301010101041b1c1d0907060a030101130f0107151601041a1e190a12010102151601ff0101131415161017180809010700000000030101010c1901010101041a0901010101070b0301010c0d0e0f0101010101010101010101010101010110111201ff010405000601010107000809010101010101010101010101010101010a06010101010101010101010101010101010101010101010101010101010102000301ff010101010101010101010101010101010101010101010101010101010101010101010101010101010101010101010101010101010101010101010101010101ff0c00000040092900aa0000000000000028001f0000000000040000002701ffff030000000000> = >010009000003b40b000000002e07000000002e07000026060f00520e574d46430100000000000100f12b0000000001000000300e000000000000300e0000010000006c0000000000000000000000340000002200000000000000000000002c0500006a03000020454d4600000100300e00000c00000001000000000000000000000000000000000500002003000040010000c800000000000000000000000000000000e20400400d0300460000002c00000020000000454d462b014001001c000000100000000210c0db01000000600000006000000046000000f4030000e8030000454d462b224004000c000000000000001e4009000c00000000000000244001000c000000000000003040020010000000040000000000803f214007000c000000000000000840000540030000340300000210c0db01000000000000000000000000000000000000000100000089504e470d0a1a0a0000000d4948445200000035000000230802000000bb0bd5a1000000017352474200aece1ce9000000097048597300000ec400000ec401952b0e1b000002bc494441545847ed583b4ec34010dd7092201a173e44501a235adf001a446b1f220a7d1ae706b48834c83e448a3428be8999d9cfecec66bd18422223652b673f336f3eebbce749d77562c4e36ac4d810da09f035e50446d9fc4de450dfaeab0b692cabf6f2278e7d95c9b9a2a6a9c10f608e9bf2ce19cbbe4782c1dd0a4293659905a36d44bc44c0e2e1feb060d598c5b4900b16149bd7f56d7722cf53b1fd6c117cbb7e7a4d0bc85f7a3355bfefb0643478edda75b99687ec68779be27ec627f89ee9c3fbfb83342ba689aa911cb365179857f89ab76d3e9f27d96607ae105dbeba171b61bc007a5579cc0c04bc54cea1d13452fb248dbd648902d0bb0797c0cf635a1b4c3c9c8f5751ad740cda2dd64366b856e90fd408b3ee974d372e9f3e3819d8a3a782dd0d6bcc1cf61f589433aae96443e84439b7e5a019753c05c644363d78c13dce1d8cc6d6013edbb0d4a22e3c9638138abd1dfbaa60b75e1701f35fd98befec61f74026c4e2e399ab0b352f0237d5bc002893ac37622f0efe5efaf9fb856aaebd297c13c438e27182ff8f3f8df682efb8748e3d7fc74577fad397fb7b5c8ec7de7f177cffbabe401cef7c7aeb0474d6fa2ae5448080962fb68c4187321dc3e7d0fa7898c38a385b2235d2a2a1299fc46a957f73b2171fc47a0df45b113de03edaea3020bdbb489a34e52231141e8442bf1a0debb01097efe7a45c315a680ef1a4e920a9ec977b5a5fba287d76cf5625c7957c98d8ae62c7c4ac7df1cbc42293969ccbc63476101fcf9ea1b507d970a512b9f6e03972c4953e11056d9742fdd77e6e0529c4d9b3af2917490d19ab9305fb86d18224cce7202af12c6b5598df902947780e6ce410bee94d2aa412962a153c308fa4a24166775a07ab4d12153ea06a6e9ac603002f83db17341410f431ace12cbb1dffcd37182ec38cd8adf6a05249b32ad9aad67ef6cde4c2af06365acfb6b3febffd02ea17deb85920e489346e0000000049454e44ae426082000840010824000000180000000210c0db01000000030000000000000000000000000000001b40000040000000340000000100000002000000000000bf000000bf0000544200000c4203000000000000b3000000b3ffff5342000000b3000000b3ffff0b422100000008000000620000000c00000001000000150000000c00000004000000150000000c0000000400000051000000d80800000000000000000000340000002200000000000000000000000000000000000000350000002300000050000000e000000030010000a8070000000000002000cc00350000002300000028000000350000002300000001000800000000000000000000000000000000002e0000000000000000000000ffffff0074bfff00bf740000bfffff0000007400df9c4800489cdf0074000000ffffbf000074bf00484848009cdfff000000480048000000ffdf9c00dfffff0000489c00ffbf740048489c00480074004874bf00749c9c009c480000ffffdf0048747400df9c740074007400480048009c4874009cdfdf00740048009cdfbf00bf7448009cbf9c009c484800dfffdf00bf9c74009c9cdf007474bf00749cdf00ffbfbf00dfffbf009c749c00dfdf9c00bfdf9c00010101010101010101010101010101010101010101010101010101010101010101010101010101010101010101010101010101010101010101010101010101010101010101010101010101010101010101010101010101010101010101010101010101010101010101010101010101010101010101010101010101010101010101010101010101010101010101010101010101010101010101010101010101010101010101010101010101010101010c0d000000120101010101010101010c0d12010200082c011011000e2d050e0f010101010101010101010101010101010101010101010104051201101103010101010c1a0101010107030107030429010c1c0f1011082a2b18010101010101010101010101010101010101010101010c1c0f01010717180104142225111201010c23180c1f0901010c1c0f0104140f010101010101010101010101010101010101010101010101040512010405000301010405001201010110130f04140f010110111201010a12010101010101010101010101010101010101010101010101101106010101010101041b201a0a1201280f0712010a06010101020e0f0107060101010c0d0012010101010101010101010101010101010101020809010101010101010c1a0101011011000000000000120101020000001718070000000008090101010101010101010101010101010101010a080901020301010101010101010101010101010101010101010101041b09041d18070627090101010101010101010101010101010101010107000000171801010101010101010101010101010101010101010110111201020607060101010101010101010101010101010101010101010101010101010101010101010101010101010101010101010101010a00060101070b060101010101010101010708090101010101010101010101010101010101010101010101010101010101010101010101010101010101010a06010101010101010101080901010101010101010101010101010101010101010101010101010101010101010101010101010101010101010101010101010101010107000001010101010101010101010101010101010101010101010101010101010101010101010101010101010101010101010101010101010101ff0101010101010101010101010101010101010101010101010101010101010101010101010101010101010101010101010101010101010101010101010101010101010101010101010101010101010101010101010101010101010101010101010101010101010101010101010101010101010101010101010101010101010101010101010101010101010101010101010101010101010101010101010101010101010101010101010000000000000000000000000000000000000000000000000000000000000000000000000000000000000000000000000000000000010101010101010101010101010101010101010101010101010101010101010101010101010101010101010101010101010101010101010101010101010101010101010101010101010101010101010101010101010101010101010101010101010101010101010101010101010101010101010101010101010101010101010101010101010101010101010101010101010101010101010101010101010101010101010101010101010101010101010101010101010101010101010101010101010101010101010101010101010101010101010101010101010101010101010101010101010101010101010101010101010101010101010101010101010101010101010101010101010101010101010101010101010101010101010700171801010c0d00061011000000000601010101010101010110110006010101010101010107000000060101040500000000120101010110130f010a060107171801040512010c21010101010c1a01010104140f260901010c1a010104140f010c0d1201010203010102120101010101071210110e0f0c1c0f010110110601010101041422251112011011120101041422251112010101010c0d12010101070301010101011113010c2104142223241112010101010a0301010101040500120101010703010101040500120101010a0000120101010101020301010101010101041d1e1f0907060a030101150f0107171801041b201a0a12010102171801041b201a0a12010101101112010101010101070601010101010101151617181013190809010700000000030101010c1a01010101041b090101010c1a0101010101010c1c0f01010101010c1c0f010101ff0101070b0301010c0d0e0f010101010101010101010101010101011011120101010101010110130f01020e0f0104140f01020e0f01080901010405000601010107000809010101010101010101010101010101010a06010101010101010107000000060101010405000003010101010201010101010101010101010101010101010101010101010101010102000301010101010101010101010101010101010101010101010a010101010101010101010101010101010101010101010101010101010101010101010101010101010101010101010101010101010101010a010101010101010101010101010101010101010101010101010101010101010101010101010101010101010101010101010101010101010f01074c0000006400000000000000000000003400000022000000000000000000000035000000230000002900aa0000000000000000000000803f00000000000000000000803f0000000000000000000000000000000000000000000000000000000000000000220000000c000000ffffffff460000001c00000010000000454d462b024000000c000000000000000e000000140000000000000010000000140000000400000003010800050000000b0200000000050000000c0223003500030000001e000400000007010400040000000701040051040000410b2000cc002300350000000000230035000000000028000000350000002300000001000800000000000000000000000000000000002e0000000000000000000000ffffff0074bfff00bf740000bfffff0000007400df9c4800489cdf0074000000ffffbf000074bf00484848009cdfff000000480048000000ffdf9c00dfffff0000489c00ffbf740048489c00480074004874bf00749c9c009c480000ffffdf0048747400df9c740074007400480048009c4874009cdfdf00740048009cdfbf00bf7448009cbf9c009c484800dfffdf00bf9c74009c9cdf007474bf00749cdf00ffbfbf00dfffbf009c749c00dfdf9c00bfdf9c00010101010101010101010101010101010101010101010101010101010101010101010101010101010101010101010101010101010101010101010101010101010101010101010101010101010101010101010101010101010101010101010101010101010101010101010101010101010101010101010101010101010101010101010101010101010101010101010101010101010101010101010101010101010101010101010101010101010101010c0d000000120101010101010101010c0d12010200082c011011000e2d050e0f010101010101010101010101010101010101010101010104051201101103010101010c1a0101010107030107030429010c1c0f1011082a2b18010101010101010101010101010101010101010101010c1c0f01010717180104142225111201010c23180c1f0901010c1c0f0104140f010101010101010101010101010101010101010101010101040512010405000301010405001201010110130f04140f010110111201010a12010101010101010101010101010101010101010101010101101106010101010101041b201a0a1201280f0712010a06010101020e0f0107060101010c0d0012010101010101010101010101010101010101020809010101010101010c1a0101011011000000000000120101020000001718070000000008090101010101010101010101010101010101010a080901020301010101010101010101010101010101010101010101041b09041d18070627090101010101010101010101010101010101010107000000171801010101010101010101010101010101010101010110111201020607060101010101010101010101010101010101010101010101010101010101010101010101010101010101010101010101010a00060101070b060101010101010101010708090101010101010101010101010101010101010101010101010101010101010101010101010101010101010a06010101010101010101080901010101010101010101010101010101010101010101010101010101010101010101010101010101010101010101010101010101010107000001010101010101010101010101010101010101010101010101010101010101010101010101010101010101010101010101010101010101ff0101010101010101010101010101010101010101010101010101010101010101010101010101010101010101010101010101010101010101010101010101010101010101010101010101010101010101010101010101010101010101010101010101010101010101010101010101010101010101010101010101010101010101010101010101010101010101010101010101010101010101010101010101010101010101010101010000000000000000000000000000000000000000000000000000000000000000000000000000000000000000000000000000000000010101010101010101010101010101010101010101010101010101010101010101010101010101010101010101010101010101010101010101010101010101010101010101010101010101010101010101010101010101010101010101010101010101010101010101010101010101010101010101010101010101010101010101010101010101010101010101010101010101010101010101010101010101010101010101010101010101010101010101010101010101010101010101010101010101010101010101010101010101010101010101010101010101010101010101010101010101010101010101010101010101010101010101010101010101010101010101010101010101010101010101010101010101010101010700171801010c0d00061011000000000601010101010101010110110006010101010101010107000000060101040500000000120101010110130f010a060107171801040512010c21010101010c1a01010104140f260901010c1a010104140f010c0d1201010203010102120101010101071210110e0f0c1c0f010110110601010101041422251112011011120101041422251112010101010c0d12010101070301010101011113010c2104142223241112010101010a0301010101040500120101010703010101040500120101010a0000120101010101020301010101010101041d1e1f0907060a030101150f0107171801041b201a0a12010102171801041b201a0a12010101101112010101010101070601010101010101151617181013190809010700000000030101010c1a01010101041b090101010c1a0101010101010c1c0f01010101010c1c0f010101ff0101070b0301010c0d0e0f010101010101010101010101010101011011120101010101010110130f01020e0f0104140f01020e0f01080901010405000601010107000809010101010101010101010101010101010a06010101010101010107000000060101010405000003010101010201010101010101010101010101010101010101010101010101010102000301010101010101010101010101010101010101010101010a010101010101010101010101010101010101010101010101010101010101010101010101010101010101010101010101010101010101010a010101010101010101010101010101010101010101010101010101010101010101010101010101010101010101010101010101010101010f01070c00000040092900aa000000000000002300350000000000040000002701ffff030000000000>
Jp = >010009000003720700000000c20400000000c204000026060f007a09574d46430100000000000100fecf0000000001000000580900000000000058090000010000006c00000000000000000000001800000025000000000000000000000070020000b503000020454d4600000100580900000c00000001000000000000000000000000000000000500002003000040010000c800000000000000000000000000000000e20400400d0300460000002c00000020000000454d462b014001001c000000100000000210c0db01000000600000006000000046000000c8020000bc020000454d462b224004000c000000000000001e4009000c00000000000000244001000c000000000000003040020010000000040000000000803f214007000c000000000000000840000514020000080200000210c0db01000000000000000000000000000000000000000100000089504e470d0a1a0a0000000d4948445200000019000000260802000000bea7a74c000000017352474200aece1ce9000000097048597300000ec400000ec401952b0e1b0000018f49444154484bed56b152c3300c75f81238960e7c443896f458fb079dd8e3e31b7aed9e25f90356ee58b8fa233ab070f19f18c97614394e520c59e0aac995e427fbc9d16b668c110bd9d5423808f32b2c25b375a3e9343fc7d2cd7a772af8b512b0e01460fe204a3e89aada040c2560e5fbb62ec4ddedb5104aee56d51616684a4ae556d0c76fdbb114e5d118840c0c9df81e464236cfc7210510c88abaa5ca1d24658ab62e210e7ee7828d3cdf027907e404a1e83aee8e943680c2d254d6df709a11cbbd7e7f119b07a0527f9e1cb9cec0ff56ac3a8a5f0fb40ee9ea7e21166eb108b8281f73a1946f0ced81c7747fc032ba91ec750e305d57fc453ccdc0a0a3983a0644b9d81c63d97ffcb60774257c43e3cd63de25b1ce164b48b8f431812c485db28f7f080be60b0a8e352e7fa81214e8e42260341a936c14b3011d4cefc0df03ccea108eafb18135e19fc10a863d3ffe94888c63918cf5ca4660d31272f68e4c28ddcc1e81f775e2f735f8f3c21aa5e4cdc7b3d9e7e8ea859f25c472c7259e31cfe51bf7c7e7bbcc9cb499f30519fdd01ccb662fc30000000049454e44ae42608200000840010824000000180000000210c0db01000000030000000000000000000000000000001b40000040000000340000000100000002000000000000bf000000bf0000c8410000184203000000000000b3000000b3ffffc741000000b3000000b3ffff17422100000008000000620000000c00000001000000150000000c00000004000000150000000c00000004000000510000002c0500000000000000000000180000002500000000000000000000000000000000000000190000002600000050000000b40000000401000028040000000000002000cc0019000000260000002800000019000000260000000100080000000000000000000000000000000000230000000000000000000000ffffff000074bf00df9c4800489cdf004848480074bfff00dfffff0000489c00ffbf7400bfffff009c487400ffffdf007474bf00ffffbf0074007400740000009c4800009cdfff0000004800749cdf00ffdf9c004800000048489c00480074009c4848007400480048004800bf740000ffbfbf00dfffbf009c749c00dfdf9c00bfdf9c000000740001010101010101010101010101010101010101010101010101ffffff010101010101010101010101010101010101010101010101010000ff01010101010101010101010101010101010101010101010101ffffff01010101010101010101010101010101010101010101010101489cff010101010101040000000301010a2200000000090101010101ffffff01010101010a1815011213090101061c010106090101010101ffffff010101010101010101121309010101041c0101010101010101ffffff01010101010101020000090101010101061c01010101010101ffffff01010101010101010708090101010101010403010101010101bfffff010101010101010101121b150101010101121b150101010101ffffff010101010107171501061615010a1815010616150101010101ffffff01010101010104000000030101010a2200001c010101010101ffffff01010101010101010101010101010101010101010101010101ffffff010101010101010101010101010101010101010101010101010000ff01010101010101010101010101010101010101010101010101ffffff01010101010101010101010101010101010101010101010101ffffff01010101010101010101010101010101010101010101010101ffffff010101010101010101010101010101010101010101010101010000ff01010101010101010101010101010101010101010101010101ffffff00000000000000000000000000000000000000000000000000ffffff01010101010101010101010101010101010101010101010101ffffff01010101010101010101010101010101010101010101010101ffffff01010101010101010101010101010101010101010101010101ffffff01010101010101010101010101010101010101010101010101ffffff01010101010101010101010101010101010101010101010101ffffff12130901060010200107080016212216150101010101010101ffffff01041c01041c0a1d01121b150708101e1f0c01010101010101ffffff0112190c121a0e0101121b15010a1815010101010101010101ffffff010717150a1815010107080901010209010101010101010101ffffff14150409010203010101061615010403010101010101010101ffffff070800000000000009010106000000110c0101121300090101ffffff01010101010101010101010101010a0f0e0400000000100e01ffffff01010101010101010101010101010708090a0b0c04030d0e01ffffff01010101010101010101010101010200030106030403010101ffffff01010101010101010101010101010101010101040503010101ffffff01010101010101010101010101010101010101010203010101ffffff01010101010101010101010101010101010101010101010101ffffff01010101010101010101010101010101010101010101010101ffffff4c0000006400000000000000000000001800000025000000000000000000000019000000260000002900aa0000000000000000000000803f00000000000000000000803f0000000000000000000000000000000000000000000000000000000000000000220000000c000000ffffffff460000001c00000010000000454d462b024000000c000000000000000e000000140000000000000010000000140000000400000003010800050000000b0200000000050000000c0226001900030000001e00040000000701040004000000070104007b020000410b2000cc00260019000000000026001900000000002800000019000000260000000100080000000000000000000000000000000000230000000000000000000000ffffff000074bf00df9c4800489cdf004848480074bfff00dfffff0000489c00ffbf7400bfffff009c487400ffffdf007474bf00ffffbf0074007400740000009c4800009cdfff0000004800749cdf00ffdf9c004800000048489c00480074009c4848007400480048004800bf740000ffbfbf00dfffbf009c749c00dfdf9c00bfdf9c000000740001010101010101010101010101010101010101010101010101ffffff010101010101010101010101010101010101010101010101010000ff01010101010101010101010101010101010101010101010101ffffff01010101010101010101010101010101010101010101010101489cff010101010101040000000301010a2200000000090101010101ffffff01010101010a1815011213090101061c010106090101010101ffffff010101010101010101121309010101041c0101010101010101ffffff01010101010101020000090101010101061c01010101010101ffffff01010101010101010708090101010101010403010101010101bfffff010101010101010101121b150101010101121b150101010101ffffff010101010107171501061615010a1815010616150101010101ffffff01010101010104000000030101010a2200001c010101010101ffffff01010101010101010101010101010101010101010101010101ffffff010101010101010101010101010101010101010101010101010000ff01010101010101010101010101010101010101010101010101ffffff01010101010101010101010101010101010101010101010101ffffff01010101010101010101010101010101010101010101010101ffffff010101010101010101010101010101010101010101010101010000ff01010101010101010101010101010101010101010101010101ffffff00000000000000000000000000000000000000000000000000ffffff01010101010101010101010101010101010101010101010101ffffff01010101010101010101010101010101010101010101010101ffffff01010101010101010101010101010101010101010101010101ffffff01010101010101010101010101010101010101010101010101ffffff01010101010101010101010101010101010101010101010101ffffff12130901060010200107080016212216150101010101010101ffffff01041c01041c0a1d01121b150708101e1f0c01010101010101ffffff0112190c121a0e0101121b15010a1815010101010101010101ffffff010717150a1815010107080901010209010101010101010101ffffff14150409010203010101061615010403010101010101010101ffffff070800000000000009010106000000110c0101121300090101ffffff01010101010101010101010101010a0f0e0400000000100e01ffffff01010101010101010101010101010708090a0b0c04030d0e01ffffff01010101010101010101010101010200030106030403010101ffffff01010101010101010101010101010101010101040503010101ffffff01010101010101010101010101010101010101010203010101ffffff01010101010101010101010101010101010101010101010101ffffff01010101010101010101010101010101010101010101010101ffffff0c00000040092900aa000000000000002600190000000000040000002701ffff030000000000>
φ = >010009000003661400000000d80b00000000d80b000026060f00a617574d46430100000000000100ee9f0000000001000000841700000000000084170000010000006c0000000000000000000000660000002600000000000000000000000e0a0000ce03000020454d4600000100841700000c00000001000000000000000000000000000000000500002003000040010000c800000000000000000000000000000000e20400400d0300460000002c00000020000000454d462b014001001c000000100000000210c0db01000000600000006000000046000000380500002c050000454d462b224004000c000000000000001e4009000c00000000000000244001000c000000000000003040020010000000040000000000803f214007000c000000000000000840000584040000780400000210c0db01000000000000000000000000000000000000000100000089504e470d0a1a0a0000000d49484452000000670000002708020000009d7bc1c2000000017352474200aece1ce9000000097048597300000ec400000ec401952b0e1b00000400494441546843ed5a3b6ee3301065f62436b6719143c4d8c681dbdc206e8c6d25ec198ca84f63df20ad11370be9102ed204d64dbcfc7f6728516b280a40550a25be99791c0ee579b9bb5eaf245f890cfc487c3fbfce1898146b4d79a7afb299f0024d8a35ca5351d39271bdec57d571c2b4dd4db1aeb587c72d797d7f9e4d35dd58ae5127f5c6783cb49eab6cdbf8dbc5da4ae184205408c1d8740138f27c738af2853b8cc162e38e191cd68a5750c1b7c36a7f611be35a1784a87bfe40a28a7d232f360c4fb05e12b708021fd77bd158ac0b0bd7f8e1c3461d066031731e2e064b49f1c3a5ac2184d0982f8c4b13a17c9151ab6974fee06f177205386bdd08fe1aa8d57716ca83855790afb99ae6c342e3beb7082cc08f7d1ab487ede6be36e56436030bcb6cb122e74fb1919b63458af583b82fd54ed67708027d79b590d8b39ff7e4f421d01e5e8c872f02148455ccfa0e23b0a039c05b1c563e69ffbe91fd2b2db792b55ee544ce9d3dbf5f9edee6bc142ecffb8b8a8fc6bc3ece37d5667e5c5f75d04ee518f2070c9be23068351db629e71f7f444e49d6e42a5ff6e76550fa7da3d4613a5d162e469f3c2be8f86e51d31d5a2f769d202abd48fb79368907c507c3220e63b0e178122c3f30ad5ca0acd1f9b183b0fd700f3416a6bed8fe52170d44ac044d4627d77c04f2b02e88fc1ea3497f5a3dfd92db15622d84c51cc660c1f1feb08c21962662fb34254b12e7a4b34f50fb04e4d1e843cd9c8cf66870807ac8eebbac728bcb2dfb104ae468761d161f01106c2f73765cd6096ee66ae4497ee58285684a8353fb4535256e705f326b43d629b396591bc2409e331603f90c1dc274ae6b99b5210c0c9993732db3368481217346cdb58e3ec110ff479ae3793e1e6bb4d9b23bab96fa48c1dec64ce8b9cd5a9a86423d4a90519a92aa4eaf4f1d61c4751f3d19b2cb1ff2f971253559a9813cd7ac5134d698e55d99ba386db6815865472c6c2f2b9f05d19316420b31184db95bb0ce31bf44870aba788739ea02665772b67d231dd98c9a48f35c35afa21acaffc9284e3f8ec567b5d45c75a653ef40e41bb14caba20ea4a1c0f324a506f35ce71aa6a1888d689adce22e494661bd5dab4559d4aa2b1ac0aa040c6514f904b5cbdbad81589124a9000210e239efe5aacb301b6891b29fe9f55d21d1cf4cf5453fa04d0bc0eace69a4c70bd9353a28cb38232ff63461899ea2231c6d31eb5cc33414916b5f2ea3c48e91f6b0ab48b5649a1953edabe57c23a58d2449a5bf00a4738de719aa0d23d5215c133362cbb81131c0a96bd6823bfed07167e9f15ce8ac6b98092bbf7a786e76687f0d656c19c5a2c22bcf5e25514f63bb0b9154f897834ae84e01e81b748a9af2f1f3f7b4fec1e81bb0769b0ffc9ba28cf78beaa66e7f3158666dc80264d686b0f60f6c75783009485e780000000049454e44ae426082000840010824000000180000000210c0db01000000030000000000000000000000000000001b40000040000000340000000100000002000000000000bf000000bf0000ce4200001c4203000000000080b3000080b3ffffcd42000080b3000080b3ffff1b422100000008000000620000000c00000001000000150000000c00000004000000150000000c0000000400000051000000e81000000000000000000000660000002600000000000000000000000000000000000000670000002700000050000000c000000010010000d80f0000000000002000cc0067000000270000002800000067000000270000000100080000000000000000000000000000000000260000000000000000000000ffffff00bfffff000000740074000000ffffbf0074007400dfffff0000489c00ffbf74009cdfff009c484800ffffdf00489cdf00df9c48000074bf00bf7400009c48000048489c00ffdf9c0074bfff0048000000480048009c48740048007400dfdfdf00df9c74009cdfbf00000048009cbf9c00bf9c7400484848007474bf0000484800dfbf74009c749c00740048004874bf00010101010101010101010101010101010101010101010101010101010101010101010101010101010101010101010101010101010101010101010101010101010101010101010101010101010101010101010101010101010101010101010101010101010101010001010101010101010101010101010101010101010101010101010101010101010101010101010101010101010101010101010101010101010101010101010101010101010101010101010101010101010101010101010101010101010101010101010101010101000101010101010101010101010101010101010101010101010101010101010101010101010101010101010101010101010101010101010101010101010101010101010101010101010101010101010101010101010101010101010101010101010101010101010100010101010101010101010101010101010101010101010101010101010101010101010101010101010101010101010101010101010101010101010101010101010101010101010101010101010101010101010101010101010101010101010101010101010101010001010101010101010101010101010101010101010101010101010101010101010101010101010101010101010101010101010101010125130101010101010101010101010101010101010101010101010101010101010101010101010101010101010101010101000101010d000000110c0101010101010101010d000000000e01010203000009010101010101010101010101010101010d0000000e01010a2405010d000000000e010101010d00040501010101010101010d0000000e010101020300000901010101010101010101ff01010a1c0901010f10010101010a1a01010101010f10010101010f10010a1613010101010101010101010a1a0101021813010a1c09010206050101010f10010101010101070809010101010a1a0101021813010a1c0901010f10010a1613010101010101010101bf010102030901070810010102181d1e08090101010d100101010203090107080e010101010101010102181d1e0809010101010a1c09010101010101010d100101010d0000000000110c02181d1e0809010101010a1c09010203090107080e01010101010101010100010101070800000e0101010102030009010101010d1001010102181301010f10010101010101010101020300090101010f00000901010101010101010d10010101020605070822230c01020300090101010f000009010102181301010f10010101010101010101df010107080e01020309010102061b1a0f090101010d1001010102181301010f100101010a1c00090102061b1a0f0901010107080901010101010101010d10010101011410070809010102061b1a0f09010101070809010102181301010f100101010a1c0009010100010102030901010f10010101010a1a01010119010d100101010203090107080e010d00000000040501010a1a0101010101010a1613010101010119010d1001010101010d220809010101010a1a0101010101010a1613010203090107080e010d0000000004050100010107080e0102030e0101010101010101010d000010010101010d10010a16130102170c0d0e20050101010101010712130114151301010101010d00001001010101010712210901010101010101010712130114151301010d10010a16130102170c0d0e2005010001010102030000110c01010101010101010101010f1001010101070800000e010101140e0d0e0101010101010101010d0000000e01010101010101010f100101010101010a1c090101010101010101010d0000000e010101070800000e010101140e0d0e0101010001010101010101010101010101010101010101010101010101010101010101010101010d1f0e01010101010101010101010101010101010101010101010101010101010101010101010101010101010101010101010101010101010101010101010d1f0e010101000101010101010101010101010101010101010101010101010101010101010101010101010f0e0101010101010101010101010101010101010101010101010101010101010101010101010101010101010101010101010101010101010101010101010f0e01010100010101010101010101010101010101010101010101010101010101010101010101010101010101010101010101010101010101010101010101010101010101010101010101010101010101010101010101010101010101010101010101010101010101010101010001010101010101010101010101010101010101010101010101010101010101010101010101010101010101010101010101010101010101010101010101010101010101010101010101010101010101010101010101010101010101010101010101010101010101000101010101010101010101010101010101010101010101010101010101010101010101010101010101010101010101010101010101010101010101010101010101010101010101010101010101010101010101010101010101010101010101010101010101010100010101010101010101010101010101010101010101010101010101010101010101010101010101010101010101010101010101010101010101010101010101010101010101010101010101010101010101010101010101010101010101010101010101010101010001010101010101010101010101010101010101010101010101010101010101010101010101010101010101010101010101010101010101010101010101010101010101010101010101010101010101010101010101010101010101010101010101010101010101ff000000000000000000000000000000000000000000000000000000000000000000000000000000000000000000000000000000000000000000000000000000000000000000000000000000000000000000000000000000000000000000000000000000000000004801010101010101010101010101010101010101010101010101010101010101010101010101010101010101010101010101010101010101010101010101010101010101010101010101010101010101010101010101010101010101010101010101010101010101ff01010101010101010101010101010101010101010101010101010101010101010101010101010101010101010101010101010101010101010101010101010101010101010101010101010101010101010101010101010101010101010101010101010101010101bf010101010101010101010101010101010101010101010101010101010101010101010101010101010101010101010101010101010101010101010101010101010101010101010101010101010101010101010101010101010101010101010101010101010101010001010101010101010101010101010101010101010101010101010101010101010101010101010101010101010101010101010101010101010101010101010101010101010101010101010101010101010101010101010101010101010101010101010101010101000101010101010101010101010101010101010101010101010101010101010101010101010101010101010101010101010101010101010101010101010101010101010101010101010101010101010101010101010101010101010101010101010101010101010100010d0000000e0101010d000000000e01010d000000110c01010101010101010d000000000e01010203000009010101010101010101010101010101010d0000000e0101010203000009010101020300000901010101010101010d0000000e01010203000000000900021813010a1c09010101010f100101010a1c0901010f100101010a1a01010101010f10010101010f10010a1613010101010101010101010a1a0101021813010a1c0901010f10010a161301010f10010a161301010a1a0101021813010a1c09010114100101140900010101010a1c09010101010d10010101020309010708100102181d1e08090101010d100101010203090107080e010101010101010102181d1e0809010101010a1c09010203090107080e010203090107080e02181d1e0809010101010a1c090101010d100101010001010f00000901010101010d1001010101070800000e01010102030009010101010d1001010102181301010f10010101010101010101020300090101010f000009010102181301010f100102181301010f1001020300090101010f0000090101010101141001010001010107080901010101010d1001010107080e010203090102061b1a0f090101010d1001010102181301010f10010101010101010102061b1a0f09010101070809010102181301010f100102181301010f1002061b1a0f090101010708090101010101010d0e0100010101010a1613010119010d1001010102030901010f100101010a1a01010119010d100101010203090107080e010203000004050101010a1a0101010101010a1613010203090107080e010203090107080e01010a1a0101010101010a161301010101010a1613000712130114151301010d00001001010107080e0102030e01010101010101010d000010010101010d10010a16130102170c010f0e010101010101010712130114151301010d10010a161301010d10010a161301010101010107121301141513010218130114151300010d0000000e01010101010f100101010102030000110c010101010101010101010f1001010101070800000e010101020300110c01010101010101010d0000000e010101070800000e010101070800000e01010101010101010d0000000e01010102030000100100010101010101010101010101010101010101010101010101010101010101010101010101010101010101010101010101010a0b0c0101010101010101010101010101010101010101010101010101010101010101010101010101010101010101010101010101010001010101010101010101010101010101010101010101010101010101010101010101010101010101010101010101020605070809010101010101010101010101010101010101010101010101010101010101010101010101010101010101010101010101010101000101010101010101010101010101010101010101010101010101010101010101010101010101010101010101010102030000040501010101010101010101010101010101010101010101010101010101010101010101010101010101010101010101010101010100010101010101010101010101010101010101010101010101010101010101010101010101010101010101010101010101010101010101010101010101010101010101010101010101010101010101010101010101010101010101010101010101010101010101010001010101010101010101010101010101010101010101010101010101010101010101010101010101010101010101010101010101010101010101010101010101010101010101010101010101010101010101010101010101010101010101010101010101010101004c0000006400000000000000000000006600000026000000000000000000000067000000270000002900aa0000000000000000000000803f00000000000000000000803f0000000000000000000000000000000000000000000000000000000000000000220000000c000000ffffffff460000001c00000010000000454d462b024000000c000000000000000e000000140000000000000010000000140000000400000003010800050000000b0200000000050000000c0227006700030000001e000400000007010400040000000701040059080000410b2000cc00270067000000000027006700000000002800000067000000270000000100080000000000000000000000000000000000260000000000000000000000ffffff00bfffff000000740074000000ffffbf0074007400dfffff0000489c00ffbf74009cdfff009c484800ffffdf00489cdf00df9c48000074bf00bf7400009c48000048489c00ffdf9c0074bfff0048000000480048009c48740048007400dfdfdf00df9c74009cdfbf00000048009cbf9c00bf9c7400484848007474bf0000484800dfbf74009c749c00740048004874bf00010101010101010101010101010101010101010101010101010101010101010101010101010101010101010101010101010101010101010101010101010101010101010101010101010101010101010101010101010101010101010101010101010101010101010001010101010101010101010101010101010101010101010101010101010101010101010101010101010101010101010101010101010101010101010101010101010101010101010101010101010101010101010101010101010101010101010101010101010101000101010101010101010101010101010101010101010101010101010101010101010101010101010101010101010101010101010101010101010101010101010101010101010101010101010101010101010101010101010101010101010101010101010101010100010101010101010101010101010101010101010101010101010101010101010101010101010101010101010101010101010101010101010101010101010101010101010101010101010101010101010101010101010101010101010101010101010101010101010001010101010101010101010101010101010101010101010101010101010101010101010101010101010101010101010101010101010125130101010101010101010101010101010101010101010101010101010101010101010101010101010101010101010101000101010d000000110c0101010101010101010d000000000e01010203000009010101010101010101010101010101010d0000000e01010a2405010d000000000e010101010d00040501010101010101010d0000000e010101020300000901010101010101010101ff01010a1c0901010f10010101010a1a01010101010f10010101010f10010a1613010101010101010101010a1a0101021813010a1c09010206050101010f10010101010101070809010101010a1a0101021813010a1c0901010f10010a1613010101010101010101bf010102030901070810010102181d1e08090101010d100101010203090107080e010101010101010102181d1e0809010101010a1c09010101010101010d100101010d0000000000110c02181d1e0809010101010a1c09010203090107080e01010101010101010100010101070800000e0101010102030009010101010d1001010102181301010f10010101010101010101020300090101010f00000901010101010101010d10010101020605070822230c01020300090101010f000009010102181301010f10010101010101010101df010107080e01020309010102061b1a0f090101010d1001010102181301010f100101010a1c00090102061b1a0f0901010107080901010101010101010d10010101011410070809010102061b1a0f09010101070809010102181301010f100101010a1c0009010100010102030901010f10010101010a1a01010119010d100101010203090107080e010d00000000040501010a1a0101010101010a1613010101010119010d1001010101010d220809010101010a1a0101010101010a1613010203090107080e010d0000000004050100010107080e0102030e0101010101010101010d000010010101010d10010a16130102170c0d0e20050101010101010712130114151301010101010d00001001010101010712210901010101010101010712130114151301010d10010a16130102170c0d0e2005010001010102030000110c01010101010101010101010f1001010101070800000e010101140e0d0e0101010101010101010d0000000e01010101010101010f100101010101010a1c090101010101010101010d0000000e010101070800000e010101140e0d0e0101010001010101010101010101010101010101010101010101010101010101010101010101010d1f0e01010101010101010101010101010101010101010101010101010101010101010101010101010101010101010101010101010101010101010101010d1f0e010101000101010101010101010101010101010101010101010101010101010101010101010101010f0e0101010101010101010101010101010101010101010101010101010101010101010101010101010101010101010101010101010101010101010101010f0e01010100010101010101010101010101010101010101010101010101010101010101010101010101010101010101010101010101010101010101010101010101010101010101010101010101010101010101010101010101010101010101010101010101010101010101010001010101010101010101010101010101010101010101010101010101010101010101010101010101010101010101010101010101010101010101010101010101010101010101010101010101010101010101010101010101010101010101010101010101010101000101010101010101010101010101010101010101010101010101010101010101010101010101010101010101010101010101010101010101010101010101010101010101010101010101010101010101010101010101010101010101010101010101010101010100010101010101010101010101010101010101010101010101010101010101010101010101010101010101010101010101010101010101010101010101010101010101010101010101010101010101010101010101010101010101010101010101010101010101010001010101010101010101010101010101010101010101010101010101010101010101010101010101010101010101010101010101010101010101010101010101010101010101010101010101010101010101010101010101010101010101010101010101010101ff000000000000000000000000000000000000000000000000000000000000000000000000000000000000000000000000000000000000000000000000000000000000000000000000000000000000000000000000000000000000000000000000000000000000004801010101010101010101010101010101010101010101010101010101010101010101010101010101010101010101010101010101010101010101010101010101010101010101010101010101010101010101010101010101010101010101010101010101010101ff01010101010101010101010101010101010101010101010101010101010101010101010101010101010101010101010101010101010101010101010101010101010101010101010101010101010101010101010101010101010101010101010101010101010101bf010101010101010101010101010101010101010101010101010101010101010101010101010101010101010101010101010101010101010101010101010101010101010101010101010101010101010101010101010101010101010101010101010101010101010001010101010101010101010101010101010101010101010101010101010101010101010101010101010101010101010101010101010101010101010101010101010101010101010101010101010101010101010101010101010101010101010101010101010101000101010101010101010101010101010101010101010101010101010101010101010101010101010101010101010101010101010101010101010101010101010101010101010101010101010101010101010101010101010101010101010101010101010101010100010d0000000e0101010d000000000e01010d000000110c01010101010101010d000000000e01010203000009010101010101010101010101010101010d0000000e0101010203000009010101020300000901010101010101010d0000000e01010203000000000900021813010a1c09010101010f100101010a1c0901010f100101010a1a01010101010f10010101010f10010a1613010101010101010101010a1a0101021813010a1c0901010f10010a161301010f10010a161301010a1a0101021813010a1c09010114100101140900010101010a1c09010101010d10010101020309010708100102181d1e08090101010d100101010203090107080e010101010101010102181d1e0809010101010a1c09010203090107080e010203090107080e02181d1e0809010101010a1c090101010d100101010001010f00000901010101010d1001010101070800000e01010102030009010101010d1001010102181301010f10010101010101010101020300090101010f000009010102181301010f100102181301010f1001020300090101010f0000090101010101141001010001010107080901010101010d1001010107080e010203090102061b1a0f090101010d1001010102181301010f10010101010101010102061b1a0f09010101070809010102181301010f100102181301010f1002061b1a0f090101010708090101010101010d0e0100010101010a1613010119010d1001010102030901010f100101010a1a01010119010d100101010203090107080e010203000004050101010a1a0101010101010a1613010203090107080e010203090107080e01010a1a0101010101010a161301010101010a1613000712130114151301010d00001001010107080e0102030e01010101010101010d000010010101010d10010a16130102170c010f0e010101010101010712130114151301010d10010a161301010d10010a161301010101010107121301141513010218130114151300010d0000000e01010101010f100101010102030000110c010101010101010101010f1001010101070800000e010101020300110c01010101010101010d0000000e010101070800000e010101070800000e01010101010101010d0000000e01010102030000100100010101010101010101010101010101010101010101010101010101010101010101010101010101010101010101010101010a0b0c0101010101010101010101010101010101010101010101010101010101010101010101010101010101010101010101010101010001010101010101010101010101010101010101010101010101010101010101010101010101010101010101010101020605070809010101010101010101010101010101010101010101010101010101010101010101010101010101010101010101010101010101000101010101010101010101010101010101010101010101010101010101010101010101010101010101010101010102030000040501010101010101010101010101010101010101010101010101010101010101010101010101010101010101010101010101010100010101010101010101010101010101010101010101010101010101010101010101010101010101010101010101010101010101010101010101010101010101010101010101010101010101010101010101010101010101010101010101010101010101010101010001010101010101010101010101010101010101010101010101010101010101010101010101010101010101010101010101010101010101010101010101010101010101010101010101010101010101010101010101010101010101010101010101010101010101000c00000040092900aa000000000000002700670000000000040000002701ffff030000000000> = 0,015 рад
Задача №2
Определить из условия жесткости диаметр стального вала, передающего мощность Р=80кВт при частоте вращения 300>010009000003c808000000007205000000007205000026060f00da0a574d4643010000000000010009720000000001000000b80a000000000000b80a0000010000006c0000000000000000000000340000001800000000000000000000002c0500007002000020454d4600000100b80a00000c00000001000000000000000000000000000000000500002003000040010000c800000000000000000000000000000000e20400400d0300460000002c00000020000000454d462b014001001c000000100000000210c0db01000000600000006000000046000000dc020000d0020000454d462b224004000c000000000000001e4009000c00000000000000244001000c000000000000003040020010000000040000000000803f214007000c0000000000000008400005280200001c0200000210c0db01000000000000000000000000000000000000000100000089504e470d0a1a0a0000000d49484452000000350000001908020000001eeaf16a000000017352474200aece1ce9000000097048597300000ec400000ec401952b0e1b000001a2494441545847ed563b8e833010b5f7248ed2a4e010a03446dbe6064997d6116740d0a26dc80db65d8566150e918266856fe2b5cdc7c67c36016d42c194e319fbcd9b372343c61898b1bdcd189b80b6e07ba441e909c253aa67cc853f7a7621844e685633177c60fbc127358fb101702ef810429d4278263ea1aeb635f5f6cafeda016f61cb027b6882387f7559ee996aa1a65b555fc6990e8d1ec949217969cd9bfbf1d02c310f453d5c9698102e4d72adca132ecc3d38ce55c557c2b3554c21673de2cf802e02a5cf988cfa52a93fb4b612b0d961107e95cb278d0e96e7591d95e24d2d64fafdd92af7916da7c7a2fd45c77ed997afa8f958ef3d02425ff4989efd5b7c443fb781d7783757992508fd57d3e7d73ec6383944a924af2aa0f3750ece015716bc779d864e3da4abc354821bfb056d458f1d8793d73f5459e4427f93b3deb933053a89dfe6fe43a2c7800c919784b75d5ecb63d2dbf7244b7c54294deca8e18da4a1d7f2ee796b540c63722908d31aa379ab055287f53954407193b6321a5baa77c7741dc0e5ff3caaad55d233ff0763802ef8c6b0a67216fea6f1f70b8d4c6a76c69947ec0000000049454e44ae4260820000000840010824000000180000000210c0db01000000030000000000000000000000000000001b40000040000000340000000100000002000000000000bf000000bf000054420000c84103000000000000b3000000b3ffff5342000000b3000000b3ffffc7412100000008000000620000000c00000001000000150000000c00000004000000150000000c0000000400000051000000780600000000000000000000340000001800000000000000000000000000000000000000350000001900000050000000b00000000001000078050000000000002000cc0035000000190000002800000035000000190000000100080000000000000000000000000000000000220000000000000000000000ffffff000074bf00bf740000489cdf00dfdfdf00bfffff0000007400ffbf740048000000ffdf9c0074bfff009c480000ffffdf00df9c48009cdfff007448480000487400dfffff0048489c000048480074007400489c9c0074000000ffffbf0000489c00bfffbf00dfdf9c007474740074bfbf000000480074744800480048007400480001010101010101010101010101010101010101010101010101010101010101010101010101010101010101010101010101010101010101010101010101010101010101010101010101010101010101010101010101010101010101010101010101010101010101010101010101010101010101010101010101010101010101010101010101010101010101010101010101010101010101010101010101010101010101010101010101010101010101010101010101010101010101010101010101010101010101010101010101010101010101010101010101010101010101010101010101010101010101010101010101010101010101010101010101010101010101010101010101010101010101010101010101010c1d0101010101010101010101010101010101010101010101010101010101010101010101010101010101010101010101010101010101251112010101010101010101010101010101010101010101010101010101010101010101010101010101010101010101010101010101010101010106070017180101010200000c0d060700000e010b0000090a060700000301040000090a0101010101010101010101010101010101010101ff010f21180101010112190c0d010106070301010104090a010106070301010104090a01010101010101010101010101010101010101151601010615180102030112190c0d01010607090a01010b090a010106070301010104090a01010101010101010101010101010101010101010101010615180f1e090a12190c0d010106071f200a010b090a010106070301010104090a010101010101010101010101010101010101010101010106151804171d0312190c0d010106070e0607080b090a010106070000000000090a010101010101010101010101010101010101010101090106151a070e12131b190c0d010106070e0106071c090a010106070301010104090a01010101010101010101010101010101010101010101010615161718010b03020c0d010106070e01011219090a010106070301010104090a01010101010101010101010101010101010101010101010f10110301011213140c0d010106070301010104090a010106070301010104090a010101010101010101010104000000000e0101010101060700090a0101010b00000c0d060700000e010b0000090a060700000301040000090a0101010101010101010101010203010101010101ff010101010101010101010101010101010101010101010101010101010101010101010101010101010101010101010104030101010101010101010101010101010101010101010101010101010101010101010101010101010101010607000000000000080101010403010101011106010101010101010101010101010101010101010101010101010101010101010101010101010101010101010101010101040301010101090706010101010101010101010101010101010101010101010101010101010101010101010101010101010101010101050104030101010109010101010101010101010101010101010101010101010101010101010101010101010101010101010101010101010104000003010101010101010101010101010101010101010101010101010101010101010101010101010101010101010101010101010101010101020301010101010101010101010101010101010101010101010101010101010101010101010101010101010101010101010101010101010101010101010103300501010101010101010101010101010101010101010101010101010101010101010101010101010101010101010101010101010101010601ff01010101010101010101010101010101010101010101010101010101010101010101010101010101010101010101010101010101010101014c0000006400000000000000000000003400000018000000000000000000000035000000190000002900aa0000000000000000000000803f00000000000000000000803f0000000000000000000000000000000000000000000000000000000000000000220000000c000000ffffffff460000001c00000010000000454d462b024000000c000000000000000e000000140000000000000010000000140000000400000003010800050000000b0200000000050000000c0219003500030000001e000400000007010400040000000701040021030000410b2000cc00190035000000000019003500000000002800000035000000190000000100080000000000000000000000000000000000220000000000000000000000ffffff000074bf00bf740000489cdf00dfdfdf00bfffff0000007400ffbf740048000000ffdf9c0074bfff009c480000ffffdf00df9c48009cdfff007448480000487400dfffff0048489c000048480074007400489c9c0074000000ffffbf0000489c00bfffbf00dfdf9c007474740074bfbf000000480074744800480048007400480001010101010101010101010101010101010101010101010101010101010101010101010101010101010101010101010101010101010101010101010101010101010101010101010101010101010101010101010101010101010101010101010101010101010101010101010101010101010101010101010101010101010101010101010101010101010101010101010101010101010101010101010101010101010101010101010101010101010101010101010101010101010101010101010101010101010101010101010101010101010101010101010101010101010101010101010101010101010101010101010101010101010101010101010101010101010101010101010101010101010101010101010101010c1d0101010101010101010101010101010101010101010101010101010101010101010101010101010101010101010101010101010101251112010101010101010101010101010101010101010101010101010101010101010101010101010101010101010101010101010101010101010106070017180101010200000c0d060700000e010b0000090a060700000301040000090a0101010101010101010101010101010101010101ff010f21180101010112190c0d010106070301010104090a010106070301010104090a01010101010101010101010101010101010101151601010615180102030112190c0d01010607090a01010b090a010106070301010104090a01010101010101010101010101010101010101010101010615180f1e090a12190c0d010106071f200a010b090a010106070301010104090a010101010101010101010101010101010101010101010106151804171d0312190c0d010106070e0607080b090a010106070000000000090a010101010101010101010101010101010101010101090106151a070e12131b190c0d010106070e0106071c090a010106070301010104090a01010101010101010101010101010101010101010101010615161718010b03020c0d010106070e01011219090a010106070301010104090a01010101010101010101010101010101010101010101010f10110301011213140c0d010106070301010104090a010106070301010104090a010101010101010101010104000000000e0101010101060700090a0101010b00000c0d060700000e010b0000090a060700000301040000090a0101010101010101010101010203010101010101ff010101010101010101010101010101010101010101010101010101010101010101010101010101010101010101010104030101010101010101010101010101010101010101010101010101010101010101010101010101010101010607000000000000080101010403010101011106010101010101010101010101010101010101010101010101010101010101010101010101010101010101010101010101040301010101090706010101010101010101010101010101010101010101010101010101010101010101010101010101010101010101050104030101010109010101010101010101010101010101010101010101010101010101010101010101010101010101010101010101010104000003010101010101010101010101010101010101010101010101010101010101010101010101010101010101010101010101010101010101020301010101010101010101010101010101010101010101010101010101010101010101010101010101010101010101010101010101010101010101010103300501010101010101010101010101010101010101010101010101010101010101010101010101010101010101010101010101010101010601ff01010101010101010101010101010101010101010101010101010101010101010101010101010101010101010101010101010101010101010c00000040092900aa000000000000001900350000000000040000002701ffff030000000000>, приняв [>0100090000032605000000007803000000007803000026060f00e606574d464301000000000001000e400000000001000000c406000000000000c4060000010000006c0000000000000000000000140000001800000000000000000000000c0200007002000020454d4600000100c40600000c00000001000000000000000000000000000000000500002003000040010000c800000000000000000000000000000000e20400400d0300460000002c00000020000000454d462b014001001c000000100000000210c0db01000000600000006000000046000000380200002c020000454d462b224004000c000000000000001e4009000c00000000000000244001000c000000000000003040020010000000040000000000803f214007000c000000000000000840000584010000780100000210c0db01000000000000000000000000000000000000000100000089504e470d0a1a0a0000000d494844520000001500000019080200000051b7f2ba000000017352474200aece1ce9000000097048597300000ec400000ec401952b0e1b0000010049444154384fed53bb11c2300cb533097734140c913239c66085640a1821d98096230d970c4141c3c59b84489663c984cf9d0b28506359d6d3e749d6c330a8084922b000fde3e308fc25fe4c9debb2c37eba5293e4b579d9e1b87f207d952995553de86de1546e25c7e05078f708a9e3832ada792c58012f9c78a820d85c94112f1058f194f06dfa2151e676f10499f3a151c526b596eeb81f83d10dd8b5222895e58744384a915f5b16684434f58f35a36d825b936cc475250258fea9083e689f829ebd01b2b8606e7fd35d30c6d376f1c9cfe0fb8f4cae974f70cd951611dcb295f36243e57585b3f66f8ffc310a64d72208ee020adf470d3388906fffff3b5902d6a19a57a7290000000049454e44ae426082000840010824000000180000000210c0db01000000030000000000000000000000000000001b40000040000000340000000100000002000000000000bf000000bf0000a8410000c84103000000000000b3000000b3ffffa741000000b3000000b3ffffc7412100000008000000620000000c00000001000000150000000c00000004000000150000000c000000040000005100000028030000000000000000000014000000180000000000000000000000000000000000000015000000190000005000000080000000d000000058020000000000002000cc0015000000190000002800000015000000190000000100080000000000000000000000000000000000160000000000000000000000ffffff00dfffff0000489c00ffbf740074bfff0048000000ffdf9c009cdfff0000004800df9c48009c480000ffffdf00bfffff00000074000074bf0074000000ffffbf00489cdf00bf7400004800480048007400010101010101010101010101010101010101010101010101010101010101010101010101010101010101010101010101010101010101010101010101010101010101010101010101010101050607010101010101010d0e0000040101010101010101010d0e04010101010101010f130108140701010000030101010203130101010101010d0e040102030a0101040503010101010f0b0c01010101010d150701010f13010104050301010500000000000a0101010d150701010f1301010405030112000a05060708091011010d0e040102030a01010405030d0e13010d0e0a010d0e0b0c01121301081407010104050308090a01020313010105000401020300000a0101010405030d0e0a0101121011010d0e13010101010101010101040503010f10110105060701010f0b0c0101010101010101040503010d0e0a010d0e0a01010f10110101010101010101040503010108090a0105060702030b0c01010101010101010405030101010203040105000006070101010101010101010405030101010101010101010101010101010101010101010405030101010101010101010101010101010101010101010405030101010101010101010101010101010101010101010405030101010101010101010101010101010101010101010405030101010101010101010101010101010101010101010000030101010101010101010101010101010101010101010101010101010101010101010101010101010101010101010101010101010101010101010101010101010101010101010101010101010101010101010101010101010101010101010101014c0000006400000000000000000000001400000018000000000000000000000015000000190000002900aa0000000000000000000000803f00000000000000000000803f0000000000000000000000000000000000000000000000000000000000000000220000000c000000ffffffff460000001c00000010000000454d462b024000000c000000000000000e000000140000000000000010000000140000000400000003010800050000000b0200000000050000000c0219001500030000001e000400000007010400040000000701040079010000410b2000cc00190015000000000019001500000000002800000015000000190000000100080000000000000000000000000000000000160000000000000000000000ffffff00dfffff0000489c00ffbf740074bfff0048000000ffdf9c009cdfff0000004800df9c48009c480000ffffdf00bfffff00000074000074bf0074000000ffffbf00489cdf00bf7400004800480048007400010101010101010101010101010101010101010101010101010101010101010101010101010101010101010101010101010101010101010101010101010101010101010101010101010101050607010101010101010d0e0000040101010101010101010d0e04010101010101010f130108140701010000030101010203130101010101010d0e040102030a0101040503010101010f0b0c01010101010d150701010f13010104050301010500000000000a0101010d150701010f1301010405030112000a05060708091011010d0e040102030a01010405030d0e13010d0e0a010d0e0b0c01121301081407010104050308090a01020313010105000401020300000a0101010405030d0e0a0101121011010d0e13010101010101010101040503010f10110105060701010f0b0c0101010101010101040503010d0e0a010d0e0a01010f10110101010101010101040503010108090a0105060702030b0c01010101010101010405030101010203040105000006070101010101010101010405030101010101010101010101010101010101010101010405030101010101010101010101010101010101010101010405030101010101010101010101010101010101010101010405030101010101010101010101010101010101010101010405030101010101010101010101010101010101010101010000030101010101010101010101010101010101010101010101010101010101010101010101010101010101010101010101010101010101010101010101010101010101010101010101010101010101010101010101010101010101010101010101010c00000040092900aa000000000000001900150000000000040000002701ffff030000000000>]=0,5>010009000003d806000000006c04000000006c04000026060f00ce08574d4643010000000000010092df0000000001000000ac08000000000000ac080000010000006c00000000000000000000001a000000200000000000000000000000a20200003803000020454d4600000100ac0800000c00000001000000000000000000000000000000000500002003000040010000c800000000000000000000000000000000e20400400d0300460000002c00000020000000454d462b014001001c000000100000000210c0db01000000600000006000000046000000a402000098020000454d462b224004000c000000000000001e4009000c00000000000000244001000c000000000000003040020010000000040000000000803f214007000c0000000000000008400005f0010000e40100000210c0db01000000000000000000000000000000000000000100000089504e470d0a1a0a0000000d494844520000001b000000210802000000a75747c9000000017352474200aece1ce9000000097048597300000ec400000ec401952b0e1b0000016d49444154484bed56318e83400c34f712229a143c02290d27dafb01d744698d784304fd35dc33a25c078fb822cd29fc84b3770d6c12c8129106296e60edf560cf8017a7691a78aabd3d154d8135259aa061713e1721005ddb00dd5223642ac076eb31dc403b29154b9553a2daac53b58f71f98e7c02449e0e92dcc81986efb2eb203bc6aeae03cb2ce06b1021fcfed5e0c64789b96b2995c3f5093cc990561fe0b1fe7e77d8569f3f1d4fd50122f5e0de4611b92eb6ea9083efb904b7852fa1a64daf92fd7a7705d82bd353634860c8d0c90288ac65181abdcb2314062b73639c2d5a0d855be1cd227ae91ee0f1922e00ff63636ae27abede315ca1567bb4c07b0167095fe1353bb3d74be87ac6db33c2cf0b71f68ba30016cf6395a8a19d549a0f19e2ed728ca4fbf3a5442c6458d2d0e4596b9d48761ebd38c57c9f24db539a4513c4b323d271b82b2087549f8d569b82c8276b33116f7086f7cceabf8a8e39f9c9b030f99a665619276df8078d74d59af00e04430000000049454e44ae4260820840010824000000180000000210c0db01000000030000000000000000000000000000001b40000040000000340000000100000002000000000000bf000000bf0000d8410000044203000000000000b3000000b3ffffd741000000b3000000b3ffff03422100000008000000620000000c00000001000000150000000c00000004000000150000000c0000000400000051000000a404000000000000000000001a00000020000000000000000000000000000000000000001b0000002100000050000000b8000000080100009c030000000000002000cc001b00000021000000280000001b000000210000000100080000000000000000000000000000000000240000000000000000000000ffffff0074bfff00df9c4800489cdf0048000000bfdf9c00000074009c480000ffffdf009cdfff00000048000074bf00ffbf7400dfffff0000489c0074000000ffffbf00bfffff009c48480048007400ffdf9c00749cdf0048489c007474bf00bf7474004874bf0000747400004848009c749c009c487400489c9c00bf74000074489c00bfffbf0048747400010101010101010101010101010101010101010101010101010101ff010101010101010101010101010101010101010101010101010101ff010101010101010101010101010101010101010101010101010101ff010101010101010101010101010101010101010101010101010101ff010101010101010101020020010102001011010101010101010101ff0101010101010101010118110101010c0d01010101010101010101ff0101010101010101010118110420010c0d01010101010101010101ff01010101010101010101182214230d0c0d01010101010101010101ff01010101010101010101181f200e211b0d01010101010101010101ff01010101010101010102001011010a0b1011010101010101010101ff010101010101010101010101010101010101010101010101010101ff010101010101010101010101010101010101010101010101010101ff010101010101010101010101010101010101010101010101010101ff010101010101010101010101010101010101010101010101010101ff010101010101010101010101010101010101010101010101010101ff010101010101010101010101010101010101010101010101010101ff010101010101010101010101010101010101010101010101010101ff010101010101010101010101010101010101010101010101010101ff010101010101010101010101010101010101010101010101010101ff000000000000000000000000000000000000000000000000000000ff010101010101010101010101010101010101010101010101010101ff010101010101010101010101010101010101010101010101010101ff010101010101040010110101010101010101010101010101010101ff0101010101010e0f0d0101010101010101010e1d09010101121e09ff0101010101010e0f0d0101010101010101010e17150101010a1309ff0200051501010e0f00000003010a0b00101b051c00000000000809ff010c0d0101010e0f030112070d040301121415011a150102080901ff010c0d0101010e0f0d01010c030104000005150112190102080901ff010c0d0101010e0f0d01010c030101010e17150101181102080901ff010c0d0102030e0f101112070d0a13091214150101161502080901ff02000000000304050607000809010a0b000809010a0b0000000301ff010101010101010101010101010101010101010101010101010101ff010101010101010101010101010101010101010101010101010101ff4c0000006400000000000000000000001a0000002000000000000000000000001b000000210000002900aa0000000000000000000000803f00000000000000000000803f0000000000000000000000000000000000000000000000000000000000000000220000000c000000ffffffff460000001c00000010000000454d462b024000000c000000000000000e000000140000000000000010000000140000000400000003010800050000000b0200000000050000000c0221001b00030000001e000400000007010400040000000701040037020000410b2000cc0021001b000000000021001b0000000000280000001b000000210000000100080000000000000000000000000000000000240000000000000000000000ffffff0074bfff00df9c4800489cdf0048000000bfdf9c00000074009c480000ffffdf009cdfff00000048000074bf00ffbf7400dfffff0000489c0074000000ffffbf00bfffff009c48480048007400ffdf9c00749cdf0048489c007474bf00bf7474004874bf0000747400004848009c749c009c487400489c9c00bf74000074489c00bfffbf0048747400010101010101010101010101010101010101010101010101010101ff010101010101010101010101010101010101010101010101010101ff010101010101010101010101010101010101010101010101010101ff010101010101010101010101010101010101010101010101010101ff010101010101010101020020010102001011010101010101010101ff0101010101010101010118110101010c0d01010101010101010101ff0101010101010101010118110420010c0d01010101010101010101ff01010101010101010101182214230d0c0d01010101010101010101ff01010101010101010101181f200e211b0d01010101010101010101ff01010101010101010102001011010a0b1011010101010101010101ff010101010101010101010101010101010101010101010101010101ff010101010101010101010101010101010101010101010101010101ff010101010101010101010101010101010101010101010101010101ff010101010101010101010101010101010101010101010101010101ff010101010101010101010101010101010101010101010101010101ff010101010101010101010101010101010101010101010101010101ff010101010101010101010101010101010101010101010101010101ff010101010101010101010101010101010101010101010101010101ff010101010101010101010101010101010101010101010101010101ff000000000000000000000000000000000000000000000000000000ff010101010101010101010101010101010101010101010101010101ff010101010101010101010101010101010101010101010101010101ff010101010101040010110101010101010101010101010101010101ff0101010101010e0f0d0101010101010101010e1d09010101121e09ff0101010101010e0f0d0101010101010101010e17150101010a1309ff0200051501010e0f00000003010a0b00101b051c00000000000809ff010c0d0101010e0f030112070d040301121415011a150102080901ff010c0d0101010e0f0d01010c030104000005150112190102080901ff010c0d0101010e0f0d01010c030101010e17150101181102080901ff010c0d0102030e0f101112070d0a13091214150101161502080901ff02000000000304050607000809010a0b000809010a0b0000000301ff010101010101010101010101010101010101010101010101010101ff010101010101010101010101010101010101010101010101010101ff0c00000040092900aa0000000000000021001b0000000000040000002701ffff030000000000>. Каким будет при этом коэффициент запаса прочности вала по пределу текучести >0100090000039604000000001c03000000001c03000026060f002e06574d46430100000000000100158200000000010000000c060000000000000c060000010000006c000000000000000000000010000000180000000000000000000000a80100007002000020454d46000001000c0600000c00000001000000000000000000000000000000000500002003000040010000c800000000000000000000000000000000e20400400d0300460000002c00000020000000454d462b014001001c000000100000000210c0db01000000600000006000000046000000e8010000dc010000454d462b224004000c000000000000001e4009000c00000000000000244001000c000000000000003040020010000000040000000000803f214007000c000000000000000840000534010000280100000210c0db01000000000000000000000000000000000000000100000089504e470d0a1a0a0000000d4948445200000011000000190802000000585c52c0000000017352474200aece1ce9000000097048597300000ec400000ec401952b0e1b000000b049444154384f63fcffff3f0389808944f520e5a37ae81b060fe67a326200cfb90f7046ddfe12068f39f781a9e1fffd391e0c0c25fb414cfc80012e4db496ff8874f0e0c60e060f0d0522d2125ccf81ad3d0c0c3acac87ab0f913e44d989e0777af3060b106ec3d90ab217e067a1e04a0fe01f1a061811100083d1029a83d606bc0e0402963e901029e82990ab5165b60e3b08781c1a11ba2bbdb8160c8d12bcf21d201aef402f328c2a78c83b8dc0100cebe065d7631a9930000000049454e44ae426082000840010824000000180000000210c0db01000000030000000000000000000000000000001b40000040000000340000000100000002000000000000bf000000bf000088410000c84103000000000000b3000000b3ffff8741000000b3000000b3ffffc7412100000008000000620000000c00000001000000150000000c00000004000000150000000c0000000400000051000000c002000000000000000000001000000018000000000000000000000000000000000000001100000019000000500000007c000000cc000000f4010000000000002000cc0011000000190000002800000011000000190000000100080000000000000000000000000000000000150000000000000000000000ffffff00489cdf00df9c48000074bf009cdfff0000004800ffbf740074000000ffffbf009c480000ffffdf00bfffff0000007400bf74000048000000ffdf9c00dfffff0000489c004874bf0074bfff00010101010101010101010101010101010101010101010101010101010101010101010101010101010101010101010101010101010101010101010101010101010101010101010104000007010101010101010101010101010101011112030101010101010101010101010101010101111203010101010101010101010101010101010111120301010101010101010c0d000e01010101011112030101010101010101020f10140e010101011112030101010101010101140f10010101010101111203010101010101010105060301010101020711120301131001010101010c0d0e010101010200000000000f10010101010101040a0b0101010101010101010101010101010101020809010101010101010101010101010104030105060701010101010101010101010301010102000000000000030101010101010101120e010101010101010101010101010101010101120e0101010101010101010101010101010101010e010101010101010101010101010101010101010e010101010101010101010101010101010101010a0601010101010101010101010101010101010108060101010101010101010101010101010101010301010101010101010101010101010101010101010101010101010101010101010101010101010101010101010101010101010101010101010101010101014c0000006400000000000000000000001000000018000000000000000000000011000000190000002900aa0000000000000000000000803f00000000000000000000803f0000000000000000000000000000000000000000000000000000000000000000220000000c000000ffffffff460000001c00000010000000454d462b024000000c000000000000000e000000140000000000000010000000140000000400000003010800050000000b0200000000050000000c0219001100030000001e000400000007010400040000000701040045010000410b2000cc00190011000000000019001100000000002800000011000000190000000100080000000000000000000000000000000000150000000000000000000000ffffff00489cdf00df9c48000074bf009cdfff0000004800ffbf740074000000ffffbf009c480000ffffdf00bfffff0000007400bf74000048000000ffdf9c00dfffff0000489c004874bf0074bfff00010101010101010101010101010101010101010101010101010101010101010101010101010101010101010101010101010101010101010101010101010101010101010101010104000007010101010101010101010101010101011112030101010101010101010101010101010101111203010101010101010101010101010101010111120301010101010101010c0d000e01010101011112030101010101010101020f10140e010101011112030101010101010101140f10010101010101111203010101010101010105060301010101020711120301131001010101010c0d0e010101010200000000000f10010101010101040a0b0101010101010101010101010101010101020809010101010101010101010101010104030105060701010101010101010101010301010102000000000000030101010101010101120e010101010101010101010101010101010101120e0101010101010101010101010101010101010e010101010101010101010101010101010101010e010101010101010101010101010101010101010a0601010101010101010101010101010101010108060101010101010101010101010101010101010301010101010101010101010101010101010101010101010101010101010101010101010101010101010101010101010101010101010101010101010101010c00000040092900aa000000000000001900110000000000040000002701ffff030000000000>=140 МПа?
Дано:
Р=80кВт
n=300>010009000003c808000000007205000000007205000026060f00da0a574d46430100000000000100179c0000000001000000b80a000000000000b80a0000010000006c0000000000000000000000340000001800000000000000000000002c0500007002000020454d4600000100b80a00000c00000001000000000000000000000000000000000500002003000040010000c800000000000000000000000000000000e20400400d0300460000002c00000020000000454d462b014001001c000000100000000210c0db01000000600000006000000046000000dc020000d0020000454d462b224004000c000000000000001e4009000c00000000000000244001000c000000000000003040020010000000040000000000803f214007000c0000000000000008400005280200001c0200000210c0db01000000000000000000000000000000000000000100000089504e470d0a1a0a0000000d49484452000000350000001908020000001eeaf16a000000017352474200aece1ce9000000097048597300000ec400000ec401952b0e1b000001a2494441545847ed563b8e833010b5f7248ed2a4e010a03446dbe6064997d6116740d0a26dc80db65d8566150e918266856fe2b5cdc7c67c36016d42c194e319fbcd9b372343c61898b1bdcd189b80b6e07ba441e909c253aa67cc853f7a7621844e685633177c60fbc127358fb101702ef810429d4278263ea1aeb635f5f6cafeda016f61cb027b6882387f7559ee996aa1a65b555fc6990e8d1ec949217969cd9bfbf1d02c310f453d5c9698102e4d72adca132ecc3d38ce55c557c2b3554c21673de2cf802e02a5cf988cfa52a93fb4b612b0d961107e95cb278d0e96e7591d95e24d2d64fafdd92af7916da7c7a2fd45c77ed997afa8f958ef3d02425ff4989efd5b7c443fb781d7783757992508fd57d3e7d73ec6383944a924af2aa0f3750ece015716bc779d864e3da4abc354821bfb056d458f1d8793d73f5459e4427f93b3deb933053a89dfe6fe43a2c7800c919784b75d5ecb63d2dbf7244b7c54294deca8e18da4a1d7f2ee796b540c63722908d31aa379ab055287f53954407193b6321a5baa77c7741dc0e5ff3caaad55d233ff0763802ef8c6b0a67216fea6f1f70b8d4c6a76c69947ec0000000049454e44ae4260820000000840010824000000180000000210c0db01000000030000000000000000000000000000001b40000040000000340000000100000002000000000000bf000000bf000054420000c84103000000000000b3000000b3ffff5342000000b3000000b3ffffc7412100000008000000620000000c00000001000000150000000c00000004000000150000000c0000000400000051000000780600000000000000000000340000001800000000000000000000000000000000000000350000001900000050000000b00000000001000078050000000000002000cc0035000000190000002800000035000000190000000100080000000000000000000000000000000000220000000000000000000000ffffff000074bf00bf740000489cdf00dfdfdf00bfffff0000007400ffbf740048000000ffdf9c0074bfff009c480000ffffdf00df9c48009cdfff007448480000487400dfffff0048489c000048480074007400489c9c0074000000ffffbf0000489c00bfffbf00dfdf9c007474740074bfbf00000048007474480048004800740048000101010101010101010101010101010101010101010101010101010101010101010101010101010101010101010101010101010101ffffff0101010101010101010101010101010101010101010101010101010101010101010101010101010101010101010101010101010101ffffff0101010101010101010101010101010101010101010101010101010101010101010101010101010101010101010101010101010101ffffff0101010101010101010101010101010101010101010101010101010101010101010101010101010101010101010101010101010101ffffff0101010101010101010101010101010101010101010101010101010101010101010101010101010101010101010101010101010101ffffff0101010101010101010101010101010101010101010101010101010101010101010101010101010101010101010101010101010101ffffff0101010101010101010101010101010101010101010101010101010101010101010101010101010101010101010101010101010101ffffff06070017180101010200000c0d060700000e010b0000090a060700000301040000090a010101010101010101010101010101010101ffffff010f21180101010112190c0d010106070301010104090a010106070301010104090a01010101010101010101010101010101010101ffffff010615180102030112190c0d01010607090a01010b090a010106070301010104090a01010101010101010101010101010101010101ffffff010615180f1e090a12190c0d010106071f200a010b090a010106070301010104090a01010101010101010101010101010101010101ffffff0106151804171d0312190c0d010106070e0607080b090a010106070000000000090a01010101010101010101010101010101010101ffffff0106151a070e12131b190c0d010106070e0106071c090a010106070301010104090a01010101010101010101010101010101010101ffffff010615161718010b03020c0d010106070e01011219090a010106070301010104090a01010101010101010101010101010101010101ffffff010f10110301011213140c0d010106070301010104090a010106070301010104090a010101010101010101010104000000000e0101ffdfff060700090a0101010b00000c0d060700000e010b0000090a060700000301040000090a010101010101010101010101020301010101ffffff0101010101010101010101010101010101010101010101010101010101010101010101010101010101010101010101040301010101df9cff01010101010101010101010101010101010101010101010101010101010101010101010607000000000000080101010403010101019c48ff0101010101010101010101010101010101010101010101010101010101010101010101010101010101010101010101040301010101ffffff0101010101010101010101010101010101010101010101010101010101010101010101010101010101010101010501040301010101ffffff01010101010101010101010101010101010101010101010101010101010101010101010101010101010101010104000003010101010000ff0101010101010101010101010101010101010101010101010101010101010101010101010101010101010101010101020301010101ffffff01010101010101010101010101010101010101010101010101010101010101010101010101010101010101010101010101010101010330050101010101010101010101010101010101010101010101010101010101010101010101010101010101010101010101010101010101489cff0101010101010101010101010101010101010101010101010101010101010101010101010101010101010101010101010101010101ffffff4c0000006400000000000000000000003400000018000000000000000000000035000000190000002900aa0000000000000000000000803f00000000000000000000803f0000000000000000000000000000000000000000000000000000000000000000220000000c000000ffffffff460000001c00000010000000454d462b024000000c000000000000000e000000140000000000000010000000140000000400000003010800050000000b0200000000050000000c0219003500030000001e000400000007010400040000000701040021030000410b2000cc00190035000000000019003500000000002800000035000000190000000100080000000000000000000000000000000000220000000000000000000000ffffff000074bf00bf740000489cdf00dfdfdf00bfffff0000007400ffbf740048000000ffdf9c0074bfff009c480000ffffdf00df9c48009cdfff007448480000487400dfffff0048489c000048480074007400489c9c0074000000ffffbf0000489c00bfffbf00dfdf9c007474740074bfbf00000048007474480048004800740048000101010101010101010101010101010101010101010101010101010101010101010101010101010101010101010101010101010101ffffff0101010101010101010101010101010101010101010101010101010101010101010101010101010101010101010101010101010101ffffff0101010101010101010101010101010101010101010101010101010101010101010101010101010101010101010101010101010101ffffff0101010101010101010101010101010101010101010101010101010101010101010101010101010101010101010101010101010101ffffff0101010101010101010101010101010101010101010101010101010101010101010101010101010101010101010101010101010101ffffff0101010101010101010101010101010101010101010101010101010101010101010101010101010101010101010101010101010101ffffff0101010101010101010101010101010101010101010101010101010101010101010101010101010101010101010101010101010101ffffff06070017180101010200000c0d060700000e010b0000090a060700000301040000090a010101010101010101010101010101010101ffffff010f21180101010112190c0d010106070301010104090a010106070301010104090a01010101010101010101010101010101010101ffffff010615180102030112190c0d01010607090a01010b090a010106070301010104090a01010101010101010101010101010101010101ffffff010615180f1e090a12190c0d010106071f200a010b090a010106070301010104090a01010101010101010101010101010101010101ffffff0106151804171d0312190c0d010106070e0607080b090a010106070000000000090a01010101010101010101010101010101010101ffffff0106151a070e12131b190c0d010106070e0106071c090a010106070301010104090a01010101010101010101010101010101010101ffffff010615161718010b03020c0d010106070e01011219090a010106070301010104090a01010101010101010101010101010101010101ffffff010f10110301011213140c0d010106070301010104090a010106070301010104090a010101010101010101010104000000000e0101ffdfff060700090a0101010b00000c0d060700000e010b0000090a060700000301040000090a010101010101010101010101020301010101ffffff0101010101010101010101010101010101010101010101010101010101010101010101010101010101010101010101040301010101df9cff01010101010101010101010101010101010101010101010101010101010101010101010607000000000000080101010403010101019c48ff0101010101010101010101010101010101010101010101010101010101010101010101010101010101010101010101040301010101ffffff0101010101010101010101010101010101010101010101010101010101010101010101010101010101010101010501040301010101ffffff01010101010101010101010101010101010101010101010101010101010101010101010101010101010101010104000003010101010000ff0101010101010101010101010101010101010101010101010101010101010101010101010101010101010101010101020301010101ffffff01010101010101010101010101010101010101010101010101010101010101010101010101010101010101010101010101010101010330050101010101010101010101010101010101010101010101010101010101010101010101010101010101010101010101010101010101489cff0101010101010101010101010101010101010101010101010101010101010101010101010101010101010101010101010101010101ffffff0c00000040092900aa000000000000001900350000000000040000002701ffff030000000000>
[>0100090000032605000000007803000000007803000026060f00e606574d464301000000000001000e400000000001000000c406000000000000c4060000010000006c0000000000000000000000140000001800000000000000000000000c0200007002000020454d4600000100c40600000c00000001000000000000000000000000000000000500002003000040010000c800000000000000000000000000000000e20400400d0300460000002c00000020000000454d462b014001001c000000100000000210c0db01000000600000006000000046000000380200002c020000454d462b224004000c000000000000001e4009000c00000000000000244001000c000000000000003040020010000000040000000000803f214007000c000000000000000840000584010000780100000210c0db01000000000000000000000000000000000000000100000089504e470d0a1a0a0000000d494844520000001500000019080200000051b7f2ba000000017352474200aece1ce9000000097048597300000ec400000ec401952b0e1b0000010049444154384fed53bb11c2300cb533097734140c913239c66085640a1821d98096230d970c4141c3c59b84489663c984cf9d0b28506359d6d3e749d6c330a8084922b000fde3e308fc25fe4c9debb2c37eba5293e4b579d9e1b87f207d952995553de86de1546e25c7e05078f708a9e3832ada792c58012f9c78a820d85c94112f1058f194f06dfa2151e676f10499f3a151c526b596eeb81f83d10dd8b5222895e58744384a915f5b16684434f58f35a36d825b936cc475250258fea9083e689f829ebd01b2b8606e7fd35d30c6d376f1c9cfe0fb8f4cae974f70cd951611dcb295f36243e57585b3f66f8ffc310a64d72208ee020adf470d3388906fffff3b5902d6a19a57a7290000000049454e44ae426082000840010824000000180000000210c0db01000000030000000000000000000000000000001b40000040000000340000000100000002000000000000bf000000bf0000a8410000c84103000000000000b3000000b3ffffa741000000b3000000b3ffffc7412100000008000000620000000c00000001000000150000000c00000004000000150000000c000000040000005100000028030000000000000000000014000000180000000000000000000000000000000000000015000000190000005000000080000000d000000058020000000000002000cc0015000000190000002800000015000000190000000100080000000000000000000000000000000000160000000000000000000000ffffff00dfffff0000489c00ffbf740074bfff0048000000ffdf9c009cdfff0000004800df9c48009c480000ffffdf00bfffff00000074000074bf0074000000ffffbf00489cdf00bf7400004800480048007400010101010101010101010101010101010101010101010101010101010101010101010101010101010101010101010101010101010101010101010101010101010101010101010101010101050607010101010101010d0e0000040101010101010101010d0e04010101010101010f130108140701010000030101010203130101010101010d0e040102030a0101040503010101010f0b0c01010101010d150701010f13010104050301010500000000000a0101010d150701010f1301010405030112000a05060708091011010d0e040102030a01010405030d0e13010d0e0a010d0e0b0c01121301081407010104050308090a01020313010105000401020300000a0101010405030d0e0a0101121011010d0e13010101010101010101040503010f10110105060701010f0b0c0101010101010101040503010d0e0a010d0e0a01010f10110101010101010101040503010108090a0105060702030b0c01010101010101010405030101010203040105000006070101010101010101010405030101010101010101010101010101010101010101010405030101010101010101010101010101010101010101010405030101010101010101010101010101010101010101010405030101010101010101010101010101010101010101010405030101010101010101010101010101010101010101010000030101010101010101010101010101010101010101010101010101010101010101010101010101010101010101010101010101010101010101010101010101010101010101010101010101010101010101010101010101010101010101010101014c0000006400000000000000000000001400000018000000000000000000000015000000190000002900aa0000000000000000000000803f00000000000000000000803f0000000000000000000000000000000000000000000000000000000000000000220000000c000000ffffffff460000001c00000010000000454d462b024000000c000000000000000e000000140000000000000010000000140000000400000003010800050000000b0200000000050000000c0219001500030000001e000400000007010400040000000701040079010000410b2000cc00190015000000000019001500000000002800000015000000190000000100080000000000000000000000000000000000160000000000000000000000ffffff00dfffff0000489c00ffbf740074bfff0048000000ffdf9c009cdfff0000004800df9c48009c480000ffffdf00bfffff00000074000074bf0074000000ffffbf00489cdf00bf7400004800480048007400010101010101010101010101010101010101010101010101010101010101010101010101010101010101010101010101010101010101010101010101010101010101010101010101010101050607010101010101010d0e0000040101010101010101010d0e04010101010101010f130108140701010000030101010203130101010101010d0e040102030a0101040503010101010f0b0c01010101010d150701010f13010104050301010500000000000a0101010d150701010f1301010405030112000a05060708091011010d0e040102030a01010405030d0e13010d0e0a010d0e0b0c01121301081407010104050308090a01020313010105000401020300000a0101010405030d0e0a0101121011010d0e13010101010101010101040503010f10110105060701010f0b0c0101010101010101040503010d0e0a010d0e0a01010f10110101010101010101040503010108090a0105060702030b0c01010101010101010405030101010203040105000006070101010101010101010405030101010101010101010101010101010101010101010405030101010101010101010101010101010101010101010405030101010101010101010101010101010101010101010405030101010101010101010101010101010101010101010405030101010101010101010101010101010101010101010000030101010101010101010101010101010101010101010101010101010101010101010101010101010101010101010101010101010101010101010101010101010101010101010101010101010101010101010101010101010101010101010101010c00000040092900aa000000000000001900150000000000040000002701ffff030000000000>>
>]=0,5>010009000003d806000000006c04000000006c04000026060f00ce08574d4643010000000000010092df0000000001000000ac08000000000000ac080000010000006c00000000000000000000001a000000200000000000000000000000a20200003803000020454d4600000100ac0800000c00000001000000000000000000000000000000000500002003000040010000c800000000000000000000000000000000e20400400d0300460000002c00000020000000454d462b014001001c000000100000000210c0db01000000600000006000000046000000a402000098020000454d462b224004000c000000000000001e4009000c00000000000000244001000c000000000000003040020010000000040000000000803f214007000c0000000000000008400005f0010000e40100000210c0db01000000000000000000000000000000000000000100000089504e470d0a1a0a0000000d494844520000001b000000210802000000a75747c9000000017352474200aece1ce9000000097048597300000ec400000ec401952b0e1b0000016d49444154484bed56318e83400c34f712229a143c02290d27dafb01d744698d784304fd35dc33a25c078fb822cd29fc84b3770d6c12c8129106296e60edf560cf8017a7691a78aabd3d154d8135259aa061713e1721005ddb00dd5223642ac076eb31dc403b29154b9553a2daac53b58f71f98e7c02449e0e92dcc81986efb2eb203bc6aeae03cb2ce06b1021fcfed5e0c64789b96b2995c3f5093cc990561fe0b1fe7e77d8569f3f1d4fd50122f5e0de4611b92eb6ea9083efb904b7852fa1a64daf92fd7a7705d82bd353634860c8d0c90288ac65181abdcb2314062b73639c2d5a0d855be1cd227ae91ee0f1922e00ff63636ae27abede315ca1567bb4c07b0167095fe1353bb3d74be87ac6db33c2cf0b71f68ba30016cf6395a8a19d549a0f19e2ed728ca4fbf3a5442c6458d2d0e4596b9d48761ebd38c57c9f24db539a4513c4b323d271b82b2087549f8d569b82c8276b33116f7086f7cceabf8a8e39f9c9b030f99a665619276df8078d74d59af00e04430000000049454e44ae4260820840010824000000180000000210c0db01000000030000000000000000000000000000001b40000040000000340000000100000002000000000000bf000000bf0000d8410000044203000000000000b3000000b3ffffd741000000b3000000b3ffff03422100000008000000620000000c00000001000000150000000c00000004000000150000000c0000000400000051000000a404000000000000000000001a00000020000000000000000000000000000000000000001b0000002100000050000000b8000000080100009c030000000000002000cc001b00000021000000280000001b000000210000000100080000000000000000000000000000000000240000000000000000000000ffffff0074bfff00df9c4800489cdf0048000000bfdf9c00000074009c480000ffffdf009cdfff00000048000074bf00ffbf7400dfffff0000489c0074000000ffffbf00bfffff009c48480048007400ffdf9c00749cdf0048489c007474bf00bf7474004874bf0000747400004848009c749c009c487400489c9c00bf74000074489c00bfffbf0048747400010101010101010101010101010101010101010101010101010101ff010101010101010101010101010101010101010101010101010101ff010101010101010101010101010101010101010101010101010101ff010101010101010101010101010101010101010101010101010101ff010101010101010101020020010102001011010101010101010101ff0101010101010101010118110101010c0d01010101010101010101ff0101010101010101010118110420010c0d01010101010101010101ff01010101010101010101182214230d0c0d01010101010101010101ff01010101010101010101181f200e211b0d01010101010101010101ff01010101010101010102001011010a0b1011010101010101010101ff010101010101010101010101010101010101010101010101010101ff010101010101010101010101010101010101010101010101010101ff010101010101010101010101010101010101010101010101010101ff010101010101010101010101010101010101010101010101010101ff010101010101010101010101010101010101010101010101010101ff010101010101010101010101010101010101010101010101010101ff010101010101010101010101010101010101010101010101010101ff010101010101010101010101010101010101010101010101010101ff010101010101010101010101010101010101010101010101010101ff000000000000000000000000000000000000000000000000000000ff010101010101010101010101010101010101010101010101010101ff010101010101010101010101010101010101010101010101010101ff010101010101040010110101010101010101010101010101010101ff0101010101010e0f0d0101010101010101010e1d09010101121e09ff0101010101010e0f0d0101010101010101010e17150101010a1309ff0200051501010e0f00000003010a0b00101b051c00000000000809ff010c0d0101010e0f030112070d040301121415011a150102080901ff010c0d0101010e0f0d01010c030104000005150112190102080901ff010c0d0101010e0f0d01010c030101010e17150101181102080901ff010c0d0102030e0f101112070d0a13091214150101161502080901ff02000000000304050607000809010a0b000809010a0b0000000301ff010101010101010101010101010101010101010101010101010101ff010101010101010101010101010101010101010101010101010101ff4c0000006400000000000000000000001a0000002000000000000000000000001b000000210000002900aa0000000000000000000000803f00000000000000000000803f0000000000000000000000000000000000000000000000000000000000000000220000000c000000ffffffff460000001c00000010000000454d462b024000000c000000000000000e000000140000000000000010000000140000000400000003010800050000000b0200000000050000000c0221001b00030000001e000400000007010400040000000701040037020000410b2000cc0021001b000000000021001b0000000000280000001b000000210000000100080000000000000000000000000000000000240000000000000000000000ffffff0074bfff00df9c4800489cdf0048000000bfdf9c00000074009c480000ffffdf009cdfff00000048000074bf00ffbf7400dfffff0000489c0074000000ffffbf00bfffff009c48480048007400ffdf9c00749cdf0048489c007474bf00bf7474004874bf0000747400004848009c749c009c487400489c9c00bf74000074489c00bfffbf0048747400010101010101010101010101010101010101010101010101010101ff010101010101010101010101010101010101010101010101010101ff010101010101010101010101010101010101010101010101010101ff010101010101010101010101010101010101010101010101010101ff010101010101010101020020010102001011010101010101010101ff0101010101010101010118110101010c0d01010101010101010101ff0101010101010101010118110420010c0d01010101010101010101ff01010101010101010101182214230d0c0d01010101010101010101ff01010101010101010101181f200e211b0d01010101010101010101ff01010101010101010102001011010a0b1011010101010101010101ff010101010101010101010101010101010101010101010101010101ff010101010101010101010101010101010101010101010101010101ff010101010101010101010101010101010101010101010101010101ff010101010101010101010101010101010101010101010101010101ff010101010101010101010101010101010101010101010101010101ff010101010101010101010101010101010101010101010101010101ff010101010101010101010101010101010101010101010101010101ff010101010101010101010101010101010101010101010101010101ff010101010101010101010101010101010101010101010101010101ff000000000000000000000000000000000000000000000000000000ff010101010101010101010101010101010101010101010101010101ff010101010101010101010101010101010101010101010101010101ff010101010101040010110101010101010101010101010101010101ff0101010101010e0f0d0101010101010101010e1d09010101121e09ff0101010101010e0f0d0101010101010101010e17150101010a1309ff0200051501010e0f00000003010a0b00101b051c00000000000809ff010c0d0101010e0f030112070d040301121415011a150102080901ff010c0d0101010e0f0d01010c030104000005150112190102080901ff010c0d0101010e0f0d01010c030101010e17150101181102080901ff010c0d0102030e0f101112070d0a13091214150101161502080901ff02000000000304050607000809010a0b000809010a0b0000000301ff010101010101010101010101010101010101010101010101010101ff010101010101010101010101010101010101010101010101010101ff0c00000040092900aa0000000000000021001b0000000000040000002701ffff030000000000>
>0100090000039604000000001c03000000001c03000026060f002e06574d46430100000000000100158200000000010000000c060000000000000c060000010000006c000000000000000000000010000000180000000000000000000000a80100007002000020454d46000001000c0600000c00000001000000000000000000000000000000000500002003000040010000c800000000000000000000000000000000e20400400d0300460000002c00000020000000454d462b014001001c000000100000000210c0db01000000600000006000000046000000e8010000dc010000454d462b224004000c000000000000001e4009000c00000000000000244001000c000000000000003040020010000000040000000000803f214007000c000000000000000840000534010000280100000210c0db01000000000000000000000000000000000000000100000089504e470d0a1a0a0000000d4948445200000011000000190802000000585c52c0000000017352474200aece1ce9000000097048597300000ec400000ec401952b0e1b000000b049444154384f63fcffff3f0389808944f520e5a37ae81b060fe67a326200cfb90f7046ddfe12068f39f781a9e1fffd391e0c0c25fb414cfc80012e4db496ff8874f0e0c60e060f0d0522d2125ccf81ad3d0c0c3acac87ab0f913e44d989e0777af3060b106ec3d90ab217e067a1e04a0fe01f1a061811100083d1029a83d606bc0e0402963e901029e82990ab5165b60e3b08781c1a11ba2bbdb8160c8d12bcf21d201aef402f328c2a78c83b8dc0100cebe065d7631a9930000000049454e44ae426082000840010824000000180000000210c0db01000000030000000000000000000000000000001b40000040000000340000000100000002000000000000bf000000bf000088410000c84103000000000000b3000000b3ffff8741000000b3000000b3ffffc7412100000008000000620000000c00000001000000150000000c00000004000000150000000c0000000400000051000000c002000000000000000000001000000018000000000000000000000000000000000000001100000019000000500000007c000000cc000000f4010000000000002000cc0011000000190000002800000011000000190000000100080000000000000000000000000000000000150000000000000000000000ffffff00489cdf00df9c48000074bf009cdfff0000004800ffbf740074000000ffffbf009c480000ffffdf00bfffff0000007400bf74000048000000ffdf9c00dfffff0000489c004874bf0074bfff00010101010101010101010101010101010101010101010101010101010101010101010101010101010101010101010101010101010101010101010101010101010101010101010104000007010101010101010101010101010101011112030101010101010101010101010101010101111203010101010101010101010101010101010111120301010101010101010c0d000e01010101011112030101010101010101020f10140e010101011112030101010101010101140f10010101010101111203010101010101010105060301010101020711120301131001010101010c0d0e010101010200000000000f10010101010101040a0b0101010101010101010101010101010101020809010101010101010101010101010104030105060701010101010101010101010301010102000000000000030101010101010101120e010101010101010101010101010101010101120e0101010101010101010101010101010101010e010101010101010101010101010101010101010e010101010101010101010101010101010101010a0601010101010101010101010101010101010108060101010101010101010101010101010101010301010101010101010101010101010101010101010101010101010101010101010101010101010101010101010101010101010101010101010101010101014c0000006400000000000000000000001000000018000000000000000000000011000000190000002900aa0000000000000000000000803f00000000000000000000803f0000000000000000000000000000000000000000000000000000000000000000220000000c000000ffffffff460000001c00000010000000454d462b024000000c000000000000000e000000140000000000000010000000140000000400000003010800050000000b0200000000050000000c0219001100030000001e000400000007010400040000000701040045010000410b2000cc00190011000000000019001100000000002800000011000000190000000100080000000000000000000000000000000000150000000000000000000000ffffff00489cdf00df9c48000074bf009cdfff0000004800ffbf740074000000ffffbf009c480000ffffdf00bfffff0000007400bf74000048000000ffdf9c00dfffff0000489c004874bf0074bfff00010101010101010101010101010101010101010101010101010101010101010101010101010101010101010101010101010101010101010101010101010101010101010101010104000007010101010101010101010101010101011112030101010101010101010101010101010101111203010101010101010101010101010101010111120301010101010101010c0d000e01010101011112030101010101010101020f10140e010101011112030101010101010101140f10010101010101111203010101010101010105060301010101020711120301131001010101010c0d0e010101010200000000000f10010101010101040a0b0101010101010101010101010101010101020809010101010101010101010101010104030105060701010101010101010101010301010102000000000000030101010101010101120e010101010101010101010101010101010101120e0101010101010101010101010101010101010e010101010101010101010101010101010101010e010101010101010101010101010101010101010a0601010101010101010101010101010101010108060101010101010101010101010101010101010301010101010101010101010101010101010101010101010101010101010101010101010101010101010101010101010101010101010101010101010101010c00000040092900aa000000000000001900110000000000040000002701ffff030000000000>>
>=140
МПа
G=8*>0100090000032006000000000804000000000804000026060f000608574d46430100000000000100acad0000000001000000e407000000000000e4070000010000006c00000000000000000000001c000000180000000000000000000000d40200007002000020454d4600000100e40700000c00000001000000000000000000000000000000000500002003000040010000c800000000000000000000000000000000e20400400d0300460000002c00000020000000454d462b014001001c000000100000000210c0db010000006000000060000000460000008402000078020000454d462b224004000c000000000000001e4009000c00000000000000244001000c000000000000003040020010000000040000000000803f214007000c0000000000000008400005d0010000c40100000210c0db01000000000000000000000000000000000000000100000089504e470d0a1a0a0000000d494844520000001d0000001908020000004260b24e000000017352474200aece1ce9000000097048597300000ec400000ec401952b0e1b0000014d49444154484bed953b6ec3300c86a99ec441960c3e44b339e8da1b244b77193944b377916f90b58897c23e44062f8175139512655596138029e2a14039c932f9e9171fb630c6c00cf63403d322ff0457571b21caf6c17a75f57684c2e735c9435b0ab1a9f4d5a43b35de48546c48edf61fafc356e052d4fa70a38e78e0629737d83dc634120e6b7f5fefde968b6efffe1c057b472854ef22805663eb15de2fda4ffcf051ba23ad9f6c7a25158c0037b829d6c58367f987d13d0bc5ea33ddd500f9320bb1d932c7f5f9e20a916d4f8338d26bcc69cbe1eacb39cd7ab642c175372e30966e5763ea6d51395cee480ec26dfd1ec98dcfe770299b532b563f194fdf72b8e0b2e9ab448049257fc7b582ebe3572853fb89f3235fe23948c19cfea5860f933169e7748cec37dded5158623442c1629fe4d515ae98e97fc1edcd7bfde6d2cbeab37bc5a2ff3f9792f60d2b5550b7f82e15a20000000049454e44ae4260820840010824000000180000000210c0db01000000030000000000000000000000000000001b40000040000000340000000100000002000000000000bf000000bf0000e8410000c84103000000000000b3000000b3ffffe741000000b3000000b3ffffc7412100000008000000620000000c00000001000000150000000c00000004000000150000000c0000000400000051000000fc03000000000000000000001c00000018000000000000000000000000000000000000001d00000019000000500000008c000000dc00000020030000000000002000cc001d00000019000000280000001d000000190000000100080000000000000000000000000000000000190000000000000000000000ffffff009cdfff0000004800ffbf7400dfffff0048489c0000484800bfffff0000007400df9c4800489cdf00dfbf740000489c000074bf0074000000ffffbf0074bfff00bf74000048000000ffdf9c009c480000ffffdf00740074009c749c0001010101010101010101010101010101010101010101010101010101010101ff01010101010101010101010101010101010101010101010101010101010101ff01010101010101010101010101010101010101010101010101010101010101ff01010101010101010101010101010101010101010101010101010101010101ff01010101010101010101010101010101010101010101010101010101010701ff00000000000000000000000000000000000000000000000000000000000701ff01010101010101010101010101010101010101010101010101010101010101ff01050d00000000000f10010101050d00000f10010101010101010101010101ff0101010111000a0101010101050d1314010b13140101010101010101011501740101010111000a010101010111000a01010809120101010101010101011501ff0101010111000a01010101010b13140101010e0f1001010101010101010101ff0101010111000a01010101010e0f100101010b131401010101010101010101ff0101010111000a01010101050d0f100101010b000401010101010101010101000101010111000a01010101050d0f100101010b000401010101010101010101000101010111000a01010101050d0f100101010b0004010101010b000f100101000101010111000a01010101010e0f100101010e131401010101050d04010000000101010111000a01010101010b13140101050d0f10010b0000000000150000000111131411000a010101010102030a01010809151601081710050d0c180101ff0101050d00000a0101010101010e0f10010e00040101011112050d04010101ff0101010108090a010101010101010b0000000401010101010b0c0d04010101ff01010101010101010101010101010101010101010101010105060704010101ff01010101010101010101010101010101010101010101010101020304010101ff01010101010101010101010101010101010101010101010101010101010101ff01010101010101010101010101010101010101010101010101010101010101ff01010101010101010101010101010101010101010101010101010101010101ff4c0000006400000000000000000000001c0000001800000000000000000000001d000000190000002900aa0000000000000000000000803f00000000000000000000803f0000000000000000000000000000000000000000000000000000000000000000220000000c000000ffffffff460000001c00000010000000454d462b024000000c000000000000000e000000140000000000000010000000140000000400000003010800050000000b0200000000050000000c0219001d00030000001e0004000000070104000400000007010400e3010000410b2000cc0019001d000000000019001d0000000000280000001d000000190000000100080000000000000000000000000000000000190000000000000000000000ffffff009cdfff0000004800ffbf7400dfffff0048489c0000484800bfffff0000007400df9c4800489cdf00dfbf740000489c000074bf0074000000ffffbf0074bfff00bf74000048000000ffdf9c009c480000ffffdf00740074009c749c0001010101010101010101010101010101010101010101010101010101010101ff01010101010101010101010101010101010101010101010101010101010101ff01010101010101010101010101010101010101010101010101010101010101ff01010101010101010101010101010101010101010101010101010101010101ff01010101010101010101010101010101010101010101010101010101010701ff00000000000000000000000000000000000000000000000000000000000701ff01010101010101010101010101010101010101010101010101010101010101ff01050d00000000000f10010101050d00000f10010101010101010101010101ff0101010111000a0101010101050d1314010b13140101010101010101011501740101010111000a010101010111000a01010809120101010101010101011501ff0101010111000a01010101010b13140101010e0f1001010101010101010101ff0101010111000a01010101010e0f100101010b131401010101010101010101ff0101010111000a01010101050d0f100101010b000401010101010101010101000101010111000a01010101050d0f100101010b000401010101010101010101000101010111000a01010101050d0f100101010b0004010101010b000f100101000101010111000a01010101010e0f100101010e131401010101050d04010000000101010111000a01010101010b13140101050d0f10010b0000000000150000000111131411000a010101010102030a01010809151601081710050d0c180101ff0101050d00000a0101010101010e0f10010e00040101011112050d04010101ff0101010108090a010101010101010b0000000401010101010b0c0d04010101ff01010101010101010101010101010101010101010101010105060704010101ff01010101010101010101010101010101010101010101010101020304010101ff01010101010101010101010101010101010101010101010101010101010101ff01010101010101010101010101010101010101010101010101010101010101ff01010101010101010101010101010101010101010101010101010101010101ff0c00000040092900aa0000000000000019001d0000000000040000002701ffff030000000000>МПа
d-? >0100090000032c05000000007c03000000007c03000026060f00ee06574d46430100000000000100e4650000000001000000cc06000000000000cc060000010000006c0000000000000000000000140000001800000000000000000000000c0200007002000020454d4600000100cc0600000c00000001000000000000000000000000000000000500002003000040010000c800000000000000000000000000000000e20400400d0300460000002c00000020000000454d462b014001001c000000100000000210c0db010000006000000060000000460000003c02000030020000454d462b224004000c000000000000001e4009000c00000000000000244001000c000000000000003040020010000000040000000000803f214007000c0000000000000008400005880100007c0100000210c0db01000000000000000000000000000000000000000100000089504e470d0a1a0a0000000d494844520000001500000019080200000051b7f2ba000000017352474200aece1ce9000000097048597300000ec400000ec401952b0e1b0000010349444154384fed52bb0d83301035990489260543508218231901a6206d940636488b4413e12128d220d8c4b93b9b9f41e0c84d8a3c09c113f7eede7d1c2104b3c0c9428bd2bfde6e80bf303f9e3a8494632f038b8adea0b5531139652c449d30d6b45c31a4d5f54ef90e00f78b403d6361de4d74242a64f3a5e6d7b70daa1f1797ca11f53d49f64159bb3c9c15d7e95e7d36ba9fd9c56616ee29bf8ea4062df9e7e56d6e57a3d8cfbba268cc337c84676c0ff5b279a22388c22ae54e834c640104be9e958c733d5f8d47cd7e61572e83c95213b0babe14d9bf1920ed6aa75fdc3f8e65b553733d4e2989610a4b985957f7a9ad15b40e3c4727b6f7dfdcff76165bfd07448079c1ab31d7350000000049454e44ae42608200000840010824000000180000000210c0db01000000030000000000000000000000000000001b40000040000000340000000100000002000000000000bf000000bf0000a8410000c84103000000000000b3000000b3ffffa741000000b3000000b3ffffc7412100000008000000620000000c00000001000000150000000c00000004000000150000000c00000004000000510000002c030000000000000000000014000000180000000000000000000000000000000000000015000000190000005000000084000000d400000058020000000000002000cc0015000000190000002800000015000000190000000100080000000000000000000000000000000000170000000000000000000000ffffff000074bf0074000000ffffbf00bfffff00000074009c480000ffffdf0000489c00ffbf740074bfff00480000009cbf9c0074004800ffdf9c00489cdf00dfffff00df9c48009cdfff0000004800bf740000480048000101010101010101010101010101010101010101010101010101010101010101010101010101010101010101010101010101010101010101010101010101010101010101010101010101010101010101010101010102000c0f010101010101010101010101010101010101010111090a010101010100000301010101010101010101010101010215010101010104050301010101010101010101010101010b070801010101040503010207080101050600150101010113160f0101010104050301100c0f01010b0c0f0b15010101110912010b0a01040503010b000a01010b000a0101010b15011015011012010405030105061201010506120101011314000000000015010405030111090708011109070801010101010101010101010405030101100c0f0101100304010101010101010101010104050301010b000708010b0c0f0101010101010101010101040503090a0b0c0d0e040b000a01010101010101010101010405030102000304050600070801010101010101010101010405030101010101010101010101010101010101010101010405030101010101010101010101010101010101010101010405030101010101010101010101010101010101010101010405030101010101010101010101010101010101010101010405030101010101010101010101010101010101010101010000030101010101010101010101010101010101010101010101010101010101010101010101010101010101010101010101010101010101010101010101010101010101010101010101010101010101010101010101010101010101010101010101014c0000006400000000000000000000001400000018000000000000000000000015000000190000002900aa0000000000000000000000803f00000000000000000000803f0000000000000000000000000000000000000000000000000000000000000000220000000c000000ffffffff460000001c00000010000000454d462b024000000c000000000000000e000000140000000000000010000000140000000400000003010800050000000b0200000000050000000c0219001500030000001e00040000000701040004000000070104007b010000410b2000cc00190015000000000019001500000000002800000015000000190000000100080000000000000000000000000000000000170000000000000000000000ffffff000074bf0074000000ffffbf00bfffff00000074009c480000ffffdf0000489c00ffbf740074bfff00480000009cbf9c0074004800ffdf9c00489cdf00dfffff00df9c48009cdfff0000004800bf740000480048000101010101010101010101010101010101010101010101010101010101010101010101010101010101010101010101010101010101010101010101010101010101010101010101010101010101010101010101010102000c0f010101010101010101010101010101010101010111090a010101010100000301010101010101010101010101010215010101010104050301010101010101010101010101010b070801010101040503010207080101050600150101010113160f0101010104050301100c0f01010b0c0f0b15010101110912010b0a01040503010b000a01010b000a0101010b15011015011012010405030105061201010506120101011314000000000015010405030111090708011109070801010101010101010101010405030101100c0f0101100304010101010101010101010104050301010b000708010b0c0f0101010101010101010101040503090a0b0c0d0e040b000a01010101010101010101010405030102000304050600070801010101010101010101010405030101010101010101010101010101010101010101010405030101010101010101010101010101010101010101010405030101010101010101010101010101010101010101010405030101010101010101010101010101010101010101010405030101010101010101010101010101010101010101010000030101010101010101010101010101010101010101010101010101010101010101010101010101010101010101010101010101010101010101010101010101010101010101010101010101010101010101010101010101010101010101010101010c00000040092900aa000000000000001900150000000000040000002701ffff030000000000>-?
Решение:
1. Определяем крутящий момент
Mвр = Mz = >0100090000036804000000000e03000000000e03000026060f001206574d46430100000000000100f0ca0000000001000000f005000000000000f0050000010000006c00000000000000000000000a000000220000000000000000000000120100006a03000020454d4600000100f00500000c00000001000000000000000000000000000000000500002003000040010000c800000000000000000000000000000000e20400400d0300460000002c00000020000000454d462b014001001c000000100000000210c0db010000006000000060000000460000000c02000000020000454d462b224004000c000000000000001e4009000c00000000000000244001000c000000000000003040020010000000040000000000803f214007000c0000000000000008400005580100004c0100000210c0db01000000000000000000000000000000000000000100000089504e470d0a1a0a0000000d494844520000000b000000230802000000cd31672a000000017352474200aece1ce9000000097048597300000ec400000ec401952b0e1b000000d449444154384fd553c10dc3200c3499a4a354ea87a8df8e42b6211b74807c2a32467e61136a88314e2b52554295ead711ce6707fb5408010ea33bbec6dbc29807256398732e56c9b15a0dc6a59333a0ed9aa0ace297c95ccf39755afc068b04e6914214cb3814061238728598ce8ca2203a938c2a8134b0b014dea940486da5a03e5faaa8a6af5e1bd03793fb38e42ae17ffea5c57b34d540bbf4236d37801f7b3ec57d1146e1f561c7e0268bfb08691df96b07fe716723a1a7f4ed728a534448c34c125b9e309280d12fec256dddfb5aff66fa4f8f1e3851fe8c22ca0000000049454e44ae426082000840010824000000180000000210c0db01000000030000000000000000000000000000001b40000040000000340000000100000002000000000000bf000000bf0000304100000c4203000000000000b3000000b3ffff2f41000000b3000000b3ffff0b422100000008000000620000000c00000001000000150000000c00000004000000150000000c00000004000000510000008002000000000000000000000a00000022000000000000000000000000000000000000000b00000023000000500000008c000000dc000000a4010000000000002000cc000b00000023000000280000000b000000230000000100080000000000000000000000000000000000190000000000000000000000ffffff000074bf00ffbf7400dfffff0000489c0074bfff009c480000ffffdf00bfffff0074007400ffffbf0074000000bf740000df9c480048489c00ffdf9c009cdfff0000004800480074009c4848007400480048004800489cdf00bf9c480001010101010101010101010001010101010101010101010001010101010101010101010001020000180500000301010011161004050d01111203010011150b0106070801020d01000405030111161001170d01050111150b01010101020e01000101091310010111140801000101010101010101010101000101010101010101010101000101010101010101010101000101010101010101010101000101010101010101010101050101010101010101010101000101010101010101010101000101010101010101010101000101010101010101010101000000000000000000000000000101010101010101010101000101010101010101010101050101010101010101010101000101010101010101010101000101010101010101010101001112000c0b0101010101010001040f1001010101010101000101060d01010101010101000101090a0b01010101010105010101020000000e01010100010101060d0104050d010100010101090a0b01060c0b01000101010405030106070801000101010200000000030101000101010101010101010101000101010101010101010101054c0000006400000000000000000000000a0000002200000000000000000000000b000000230000002900aa0000000000000000000000803f00000000000000000000803f0000000000000000000000000000000000000000000000000000000000000000220000000c000000ffffffff460000001c00000010000000454d462b024000000c000000000000000e000000140000000000000010000000140000000400000003010800050000000b0200000000050000000c0223000b00030000001e000400000007010400040000000701040025010000410b2000cc0023000b000000000023000b0000000000280000000b000000230000000100080000000000000000000000000000000000190000000000000000000000ffffff000074bf00ffbf7400dfffff0000489c0074bfff009c480000ffffdf00bfffff0074007400ffffbf0074000000bf740000df9c480048489c00ffdf9c009cdfff0000004800480074009c4848007400480048004800489cdf00bf9c480001010101010101010101010001010101010101010101010001010101010101010101010001020000180500000301010011161004050d01111203010011150b0106070801020d01000405030111161001170d01050111150b01010101020e01000101091310010111140801000101010101010101010101000101010101010101010101000101010101010101010101000101010101010101010101000101010101010101010101050101010101010101010101000101010101010101010101000101010101010101010101000101010101010101010101000000000000000000000000000101010101010101010101000101010101010101010101050101010101010101010101000101010101010101010101000101010101010101010101001112000c0b0101010101010001040f1001010101010101000101060d01010101010101000101090a0b01010101010105010101020000000e01010100010101060d0104050d010100010101090a0b01060c0b01000101010405030106070801000101010200000000030101000101010101010101010101000101010101010101010101050c00000040092900aa0000000000000023000b0000000000040000002701ffff030000000000> = >0100090000037e06000000004604000000004604000026060f008208574d46430100000000000100bf7b0000000001000000600800000000000060080000010000006c0000000000000000000000160000002200000000000000000000003e0200006a03000020454d4600000100600800000c00000001000000000000000000000000000000000500002003000040010000c800000000000000000000000000000000e20400400d0300460000002c00000020000000454d462b014001001c000000100000000210c0db01000000600000006000000046000000c0020000b4020000454d462b224004000c000000000000001e4009000c00000000000000244001000c000000000000003040020010000000040000000000803f214007000c00000000000000084000050c020000000200000210c0db01000000000000000000000000000000000000000100000089504e470d0a1a0a0000000d4948445200000017000000230802000000f0a3064c000000017352474200aece1ce9000000097048597300000ec400000ec401952b0e1b0000018749444154484bed55b16e83301035fd92545d3ae423a8b28058f307656177be225da32cf80fba4665a9e02318b244f84fdcbbf361ec40a24469a5b4ea4de03b3f3fdfc17b913146dc1c0f372320c0f528cd2a0a62d5000cdca82b13c728293b58e963c8f8ebb82a6baaa102590317fdf92e786f2dabbc509a31b52af2395577a5f0d6bd26cc16cb44b407e4129eed4ead251e639378a64b8cb9f8285e167702ca708f63c8b005dc5d6ad9635e5d3cb19ea4f9789db919c56b26debe44d4741bd59e7ba40fad489ea17e3a800bf0485d47bdaa3893e26d479030802a592e4ea29c9f3476c386bb01b68bc29f7df4abff80a9fe5eff1ffd1ccac59fd9d9c2ff199dfc8fbea1c1f7f4bddc2517add2d067e88d74cfa650c9d88b46a2c637d26a23b6a8f4568d9c70af63d859882d0afb7e93ee32b20327a46ebca18f58010bd49f0a50e058dcc64970fac08c6ce191a330086be614881966840a3d7f0281c60799c1551a526e6c0c3800aef0235469a5fa24553017365c471f05bbec9059688cecdca19d9bbfa70c5f2783dc8082e651f90000000049454e44ae42608200000840010824000000180000000210c0db01000000030000000000000000000000000000001b40000040000000340000000100000002000000000000bf000000bf0000b84100000c4203000000000000b3000000b3ffffb741000000b3000000b3ffff0b422100000008000000620000000c00000001000000150000000c00000004000000150000000c00000004000000510000003c0400000000000000000000160000002200000000000000000000000000000000000000170000002300000050000000a4000000f400000048030000000000002000cc00170000002300000028000000170000002300000001000800000000000000000000000000000000001f0000000000000000000000ffffff0074bfff0074000000ffffbf00489cdf00df9c4800dfffff0000489c00bf74000048489c00ffdf9c00480000009cdfff00480048009c480000bfffff0000007400ffbf7400480074000074bf00ffffdf0000004800749cdf004874bf00dfdf9c0048747400740048009c484800ffbfbf009c9cdf000101010101010101010101010101010101010101010101ff0101010101010101010101010101010101010101010101ff0101010101010101010101010101010101010101010101ff01010d1612010200031901070806010708000601010101ff0101010509010509101d01010509010708121e04010101bf0101010d1c150d1b0401010102030401140601010101019c010101070a0b10130b01010110110601020f1501010101bf0101170b0512011406010118190a1a120d1b0401010101ff010107080000000000001207080c0b14000f1501010101df01010101010101010101010101010101010101010101019c0101010101010101010101010101010101010101010101bf0101010101010101010101010101010101010101010101ff0101010101010101010101010101010101010101010101ff0101010101010101010101010101010101010101010101ff0101010101010101010101010101010101010101010101ff0101010101010101010101010101010101010101010101ff0101010101010101010101010101010101010101010101ff0101010101010101010101010101010101010101010101ff0000000000000000000000000000000000000000000000000101010101010101010101010101010101010101010101ff0101010101010101010101010101010101010101010101ff0101010101010101010101010101010101010101010101000101010101010101010101010101010101010101010101000101010101010101010101010101010101010101010101000105000000060101011011000012010102000006010101ff10130b010d161201011409010d0e0b0101050901010101ff010101010d161201101112010708060101050901010101ff010114000012010110130b010114090101050901010101ff010101070812010110130b010114090101050000000f15ff010101010d0e0b01101112010708060101050901070809ff070a0b01020c0b01010509010d0e0b010105090101050fff0105000000060101010708000006010101050901070809ff01010101010101010101010101010101020000000003049c0101010101010101010101010101010101010101010101ff0101010101010101010101010101010101010101010101ff4c0000006400000000000000000000001600000022000000000000000000000017000000230000002900aa0000000000000000000000803f00000000000000000000803f0000000000000000000000000000000000000000000000000000000000000000220000000c000000ffffffff460000001c00000010000000454d462b024000000c000000000000000e000000140000000000000010000000140000000400000003010800050000000b0200000000050000000c0223001700030000001e000400000007010400040000000701040003020000410b2000cc002300170000000000230017000000000028000000170000002300000001000800000000000000000000000000000000001f0000000000000000000000ffffff0074bfff0074000000ffffbf00489cdf00df9c4800dfffff0000489c00bf74000048489c00ffdf9c00480000009cdfff00480048009c480000bfffff0000007400ffbf7400480074000074bf00ffffdf0000004800749cdf004874bf00dfdf9c0048747400740048009c484800ffbfbf009c9cdf000101010101010101010101010101010101010101010101ff0101010101010101010101010101010101010101010101ff0101010101010101010101010101010101010101010101ff01010d1612010200031901070806010708000601010101ff0101010509010509101d01010509010708121e04010101bf0101010d1c150d1b0401010102030401140601010101019c010101070a0b10130b01010110110601020f1501010101bf0101170b0512011406010118190a1a120d1b0401010101ff010107080000000000001207080c0b14000f1501010101df01010101010101010101010101010101010101010101019c0101010101010101010101010101010101010101010101bf0101010101010101010101010101010101010101010101ff0101010101010101010101010101010101010101010101ff0101010101010101010101010101010101010101010101ff0101010101010101010101010101010101010101010101ff0101010101010101010101010101010101010101010101ff0101010101010101010101010101010101010101010101ff0101010101010101010101010101010101010101010101ff0000000000000000000000000000000000000000000000000101010101010101010101010101010101010101010101ff0101010101010101010101010101010101010101010101ff0101010101010101010101010101010101010101010101000101010101010101010101010101010101010101010101000101010101010101010101010101010101010101010101000105000000060101011011000012010102000006010101ff10130b010d161201011409010d0e0b0101050901010101ff010101010d161201101112010708060101050901010101ff010114000012010110130b010114090101050901010101ff010101070812010110130b010114090101050000000f15ff010101010d0e0b01101112010708060101050901070809ff070a0b01020c0b01010509010d0e0b010105090101050fff0105000000060101010708000006010101050901070809ff01010101010101010101010101010101020000000003049c0101010101010101010101010101010101010101010101ff0101010101010101010101010101010101010101010101ff0c00000040092900aa000000000000002300170000000000040000002701ffff030000000000>
>>>
>
= >010009000003ac0500000000ce0300000000ce03000026060f009207574d46430100000000000100041d0000000001000000700700000000000070070000010000006c000000000000000000000011000000200000000000000000000000c10100003803000020454d4600000100700700000c00000001000000000000000000000000000000000500002003000040010000c800000000000000000000000000000000e20400400d0300460000002c00000020000000454d462b014001001c000000100000000210c0db010000006000000060000000460000008402000078020000454d462b224004000c000000000000001e4009000c00000000000000244001000c000000000000003040020010000000040000000000803f214007000c0000000000000008400005d0010000c40100000210c0db01000000000000000000000000000000000000000100000089504e470d0a1a0a0000000d49484452000000120000002108020000005b426c03000000017352474200aece1ce9000000097048597300000ec400000ec401952b0e1b0000014a49444154484bed543b6ec240105d7312229a143e84511a5b6e730368e8d7a78016d1786f9016c54d641f828226f2de6433bffd38a4086e22a4ac84b49e376f7ecb9bcc39a7ee3f8bfb29c8984953ce8d6df9434add43f90c95ede87a4d3e78c5b3b0e6a84e88931fc20ced0b35343b7542e6f5589d6b0ad25d2da7203218d839b0c82c717c8e04245a606168ce9ab2c49286c491d88fb72e5f2df9a26ba86e18a45bfb795168412fb882973506416e3b06440fdd8edc39627e0a3239fecce037e3e966bedb43d0668c0329ff93bc19dc9f3cb73555e64f6544c1545a4426f6a9ba49df412bac1c1655aa21104d2ae51b186378b54f78df4662cd6e9bf7ef1b90ba9cf259eecb55aec2068ab4a181e69eb6ddaffea59156eca5cdcb3a6bfc2e513101ee92909a6990693a3f4959d45a1dce1403d753f9fae2abe791a49bd9ef9cb8273948ba091f42385fcab165707ab9789e0000000049454e44ae4260820000000840010824000000180000000210c0db01000000030000000000000000000000000000001b40000040000000340000000100000002000000000000bf000000bf000090410000044203000000000000b3000000b3ffff8f41000000b3000000b3ffff03422100000008000000620000000c00000001000000150000000c00000004000000150000000c0000000400000051000000880300000000000000000000110000002000000000000000000000000000000000000000120000002100000050000000a4000000f400000094020000000000002000cc00120000002100000028000000120000002100000001000800000000000000000000000000000000001f0000000000000000000000ffffff00dfffff0000489c00ffbf740048000000ffdf9c000074bf009c480000ffffdf00749cdf00489cdf00df9c48004874bf00dfdf9c0048489c00487474009cdfff0074004800ffffbf00bfffff00480074000000740074bfff009c48480074000000bf740000ffbfbf009c9cdf000000480048004800010101010101010101010101010101010101ffff0101010101010101010101010101010101019cff010101010101010101010101010101010101ffff01010b0000000c0101011416000004010101ffff0114150601111d040101071a01111e060101ffff0101010101111d04011416040102030c0101ffff0101010700000401011415060101071a0101ffff0101010102030401011415060101071a010100ff0101010101111e06011416040102030c0101ffff01020f060117050601010b1a01111e060101ffff01010b0000000c010101020300000c010101ffff010101010101010101010101010101010101ffff010101010101010101010101010101010101ffff010101010101010101010101010101010101ffff010101010101010101010101010101010101ffff010101010101010101010101010101010101ffff010101010101010101010101010101010101ffff010101010101010101010101010101010101ffff000000000000000000000000000000000000ffff010101010101010101010101010101010101ffff010101010101010101010101010101010101ffff010101010101010101010101010101010101ffff0101010101010101010101010101010101013b020101010101010101010101010101010101010000111d04011700190e0102030c010203000c010000010b1a010b1a141b01010b1a010203041c1300000111180911121301010117191301070c0101000001020f0614150601010114160c011708090100000a060b0401070c01010d0e0f100411121301000002030000000000000402030506070008090100000101010101010101010101010101010101010000010101010101010101010101010101010101000001010101010101010101010101010101010100004c0000006400000000000000000000001100000020000000000000000000000012000000210000002900aa0000000000000000000000803f00000000000000000000803f0000000000000000000000000000000000000000000000000000000000000000220000000c000000ffffffff460000001c00000010000000454d462b024000000c000000000000000e000000140000000000000010000000140000000400000003010800050000000b0200000000050000000c0221001200030000001e0004000000070104000400000007010400a9010000410b2000cc002100120000000000210012000000000028000000120000002100000001000800000000000000000000000000000000001f0000000000000000000000ffffff00dfffff0000489c00ffbf740048000000ffdf9c000074bf009c480000ffffdf00749cdf00489cdf00df9c48004874bf00dfdf9c0048489c00487474009cdfff0074004800ffffbf00bfffff00480074000000740074bfff009c48480074000000bf740000ffbfbf009c9cdf000000480048004800010101010101010101010101010101010101ffff0101010101010101010101010101010101019cff010101010101010101010101010101010101ffff01010b0000000c0101011416000004010101ffff0114150601111d040101071a01111e060101ffff0101010101111d04011416040102030c0101ffff0101010700000401011415060101071a0101ffff0101010102030401011415060101071a010100ff0101010101111e06011416040102030c0101ffff01020f060117050601010b1a01111e060101ffff01010b0000000c010101020300000c010101ffff010101010101010101010101010101010101ffff010101010101010101010101010101010101ffff010101010101010101010101010101010101ffff010101010101010101010101010101010101ffff010101010101010101010101010101010101ffff010101010101010101010101010101010101ffff010101010101010101010101010101010101ffff000000000000000000000000000000000000ffff010101010101010101010101010101010101ffff010101010101010101010101010101010101ffff010101010101010101010101010101010101ffff0101010101010101010101010101010101013b020101010101010101010101010101010101010000111d04011700190e0102030c010203000c010000010b1a010b1a141b01010b1a010203041c1300000111180911121301010117191301070c0101000001020f0614150601010114160c011708090100000a060b0401070c01010d0e0f100411121301000002030000000000000402030506070008090100000101010101010101010101010101010101010000010101010101010101010101010101010101000001010101010101010101010101010101010100000c00000040092900aa000000000000002100120000000000040000002701ffff030000000000>
>>>
>
= >010009000003d20b000000002c07000000002c07000026060f004e0e574d46430100000000000100034f00000000010000002c0e0000000000002c0e0000010000006c0000000000000000000000360000002400000000000000000000005e0500009c03000020454d46000001002c0e00000c00000001000000000000000000000000000000000500002003000040010000c800000000000000000000000000000000e20400400d0300460000002c00000020000000454d462b014001001c000000100000000210c0db01000000600000006000000046000000b0030000a4030000454d462b224004000c000000000000001e4009000c00000000000000244001000c000000000000003040020010000000040000000000803f214007000c0000000000000008400005fc020000f00200000210c0db01000000000000000000000000000000000000000100000089504e470d0a1a0a0000000d494844520000003700000025080200000069a7e681000000017352474200aece1ce9000000097048597300000ec400000ec401952b0e1b00000277494441545847ed584d8e823014ae7312c86c5c7808c96c306ebd816c660f9933183902dcc02dd1cd040fe1c28d819b30ef9516faa4e5479964ccd055ed6bdfff87fd3a2b8a82fdf9f1f6e73d44073bbccce3d54c8e559c2b21d512bade8cfa1ce855f4d7c01854dc3cb2c875a38ccb539f31392f0a10303fc5759cd5eb0d55aa98a8e8ad0155b67ba91825dea0bdd2498d9b59e48bc8447072278f54fc68d5d088b5675fe6f1a7b7488f5bab2aa83b1773eb7dc14ed7b219a0b8c199ccacb9cb2e37214d42e6af97528556831e26dd5ef2b6b2bd531f982df7c53ab1bdd0b39375b1477faced31db1c6cde99ce25caf8e2e0d1ed25582e0b7b7164a2d08a4c1fcb6f1726d30211ede629543c9defcacdb0625fbf446fa0bb22d7260d8fe4126c6811bc5cfb2c4c786df3efc3c9dd7c94e58788caae8014f25c6208d5c0de90c3a4c190e6568c7304577d546342c0a29454e0d0aa5235d08f0102a88f06503b9bfe7b06a3c474a01b3da3997a42d1e4e513c97bc9a313c6c72bdb849e2997e365603c4dafd397660a46b281d7e1fa76a888f879ada4da349ce551eec6898b9e825537b1faf6a5b9a5e171577235c33d7030cbbbe36e949d19086196218fac4f52d2e6a73a09e1684359de3d7753fbb249c144c52c0befdf9a710e802e34a84c93a32995efc5f2603fe16ec2cb2114ac32790e1c96d63ee67150be2b34391aae3e6442d8125e1a2858dbb7248f77210b1d2487c83043c7f604c7697234e17b6f9607fb09fb83be842690e8e130910881750216b559284a3afbd264427947a090a86df175448f9e8229a609c3521f62aac70d4c561b4b1bcef2087733bec0a47ecbeb4f3bf11c5f3add2fffe3fff87831ff96a6d7b813fd00d43ffc97b20c83c90000000049454e44ae42608200000840010824000000180000000210c0db01000000030000000000000000000000000000001b40000040000000340000000100000002000000000000bf000000bf00005c420000144203000000000000b3000000b3ffff5b42000000b3000000b3ffff13422100000008000000620000000c00000001000000150000000c00000004000000150000000c0000000400000051000000180900000000000000000000360000002400000000000000000000000000000000000000370000002500000050000000b00000000001000018080000000000002000cc0037000000250000002800000037000000250000000100080000000000000000000000000000000000220000000000000000000000ffffff00489cdf00df9c4800dfffff0000489c00bfffff00000074009c480000ffffdf0048489c00ffdf9c0074bfff0048000000bf7400009cdfff0048004800ffbf7400df9c74000074bf0048007400740074009cdfbf00000048009cbf9c00bf9c740000484800dfdfdf00dfbf7400ffffbf009c749c0074004800740000004874bf00010101010101010101010101010101010101010101010101010101010101010101010101010101010101010101010101010101010101010001010101010101010101010101010101010101010101010101010101010101010101010101010101010101010101010101010101010101000101010101010101010101010101010101010101010101010101010101010101010101010101010101010101010101010101010101010100010101010101010101010101010101010101010101010101010101010101010101010101010101010101010101010101010101010101010001010101010101010101010101010101010101010101010101010101010101010101010101010101010101010101010101010101010101000101010101010101210b0101010101010101010101010101010101010101010101010101010101010101010101010101010101010101010001020000000301010f1f1d01020000000003010101010200201d01010101010101010200000003010101060700001101010106070000110106140b010f17110106151d010101130e010101010101040511010101010f12010106140b010f17110101130e010f100b0101130e010f10ff010101010f171101010101010101020e0101010200000000000809061418190511010101010f1711010607110104050301060711010405000101130000110101010101010101020e01010106151d04051c1e09010607001101010113000011010106140b0101130e0106140b010113000101010405110101010101010101020e010101010c0e0405110101061516121311010101040511010106140b0101130e0106140b01011300010101010f100b01010101011b01020e0101010101021c0511010101010f120101010101010f100b01060711010405030106071101040548040a0b010c0d0b01010101010200000e0101010101040a1a110101010101010101040a0b010c0d0b0101020e010f100b0101020e010f10000102000000030101010101010101130e0101010101010f1711010101010101010101020000000301010104050000030101010405000003df01010101010101010101010101010101010101010101010101010101010101010101010101010101010101010101010101010101010101ff010101010101010101010101010101010101010101010101010101010101010101010101010101010101010101010101010101010101010001010101010101010101010101010101010101010101010101010101010101010101010101010101010101010101010101010101010101ff01010101010101010101010101010101010101010101010101010101010101010101010101010101010101010101010101010101010101ff01010101010101010101010101010101010101010101010101010101010101010101010101010101010101010101010101010101010101000101010101010101010101010101010101010101010101010101010101010101010101010101010101010101010101010101010101010100010101010101010101010101010101010101010101010101010101010101010101010101010101010101010101010101010101010101010000000000000000000000000000000000000000000000000000000000000000000000000000000000000000000000000000000000000000bf01010101010101010101010101010101010101010101010101010101010101010101010101010101010101010101010101010101010101ff01010101010101010101010101010101010101010101010101010101010101010101010101010101010101010101010101010101010101ff01010101010101010101010101010101010101010101010101010101010101010101010101010101010101010101010101010101010101ff01010101010101010101010101010101010101010101010101010101010101010101010101010101010101010101010101010101010101ff01010101010101010101010101010101010101010101010101010101010101010101010101010101010101010101010101010101010101ff010101010101010101010200000003010101060700001101010101010101010102000000080901010607000011010101010101010101010001010101010101010106140b010f17110101130e010f100b0101010f1201010f17110101130e0101130e010f100b01010101010101010100010101010101010101010101010f17110106071101040503010614181905110607110104050e010607110104050301010101010101010100010101010101010101010113000011010106140b0101130e01010607001101010405000003010106140b0101130e01010101010101010100010101010101010101010101040511010106140b0101130e01061516121311040503010607110106140b0101130e01010101010101010100010101010101010101010101010f100b01060711010405030101010f1201010607110101130e010607110104050301010101010101010100010101010101010101040a0b010c0d0b0101020e010f100b01010101010101040503010607030101020e010f100b010101010101010101000101010101010101010102000000030101010405000003010101010101010101060700000809010104050000030101010101010101010100010101010101010101010101010101010101010101010101010101010101010101010101010101010101010101010101010101010101010001010101010101010101010101010101010101010101010101010101010101010101010101010101010101010101010101010101010101ff4c0000006400000000000000000000003600000024000000000000000000000037000000250000002900aa0000000000000000000000803f00000000000000000000803f0000000000000000000000000000000000000000000000000000000000000000220000000c000000ffffffff460000001c00000010000000454d462b024000000c000000000000000e000000140000000000000010000000140000000400000003010800050000000b0200000000050000000c0225003700030000001e000400000007010400040000000701040071040000410b2000cc00250037000000000025003700000000002800000037000000250000000100080000000000000000000000000000000000220000000000000000000000ffffff00489cdf00df9c4800dfffff0000489c00bfffff00000074009c480000ffffdf0048489c00ffdf9c0074bfff0048000000bf7400009cdfff0048004800ffbf7400df9c74000074bf0048007400740074009cdfbf00000048009cbf9c00bf9c740000484800dfdfdf00dfbf7400ffffbf009c749c0074004800740000004874bf00010101010101010101010101010101010101010101010101010101010101010101010101010101010101010101010101010101010101010001010101010101010101010101010101010101010101010101010101010101010101010101010101010101010101010101010101010101000101010101010101010101010101010101010101010101010101010101010101010101010101010101010101010101010101010101010100010101010101010101010101010101010101010101010101010101010101010101010101010101010101010101010101010101010101010001010101010101010101010101010101010101010101010101010101010101010101010101010101010101010101010101010101010101000101010101010101210b0101010101010101010101010101010101010101010101010101010101010101010101010101010101010101010001020000000301010f1f1d01020000000003010101010200201d01010101010101010200000003010101060700001101010106070000110106140b010f17110106151d010101130e010101010101040511010101010f12010106140b010f17110101130e010f100b0101130e010f10ff010101010f171101010101010101020e0101010200000000000809061418190511010101010f1711010607110104050301060711010405000101130000110101010101010101020e01010106151d04051c1e09010607001101010113000011010106140b0101130e0106140b010113000101010405110101010101010101020e010101010c0e0405110101061516121311010101040511010106140b0101130e0106140b01011300010101010f100b01010101011b01020e0101010101021c0511010101010f120101010101010f100b01060711010405030106071101040548040a0b010c0d0b01010101010200000e0101010101040a1a110101010101010101040a0b010c0d0b0101020e010f100b0101020e010f10000102000000030101010101010101130e0101010101010f1711010101010101010101020000000301010104050000030101010405000003df01010101010101010101010101010101010101010101010101010101010101010101010101010101010101010101010101010101010101ff010101010101010101010101010101010101010101010101010101010101010101010101010101010101010101010101010101010101010001010101010101010101010101010101010101010101010101010101010101010101010101010101010101010101010101010101010101ff01010101010101010101010101010101010101010101010101010101010101010101010101010101010101010101010101010101010101ff01010101010101010101010101010101010101010101010101010101010101010101010101010101010101010101010101010101010101000101010101010101010101010101010101010101010101010101010101010101010101010101010101010101010101010101010101010100010101010101010101010101010101010101010101010101010101010101010101010101010101010101010101010101010101010101010000000000000000000000000000000000000000000000000000000000000000000000000000000000000000000000000000000000000000bf01010101010101010101010101010101010101010101010101010101010101010101010101010101010101010101010101010101010101ff01010101010101010101010101010101010101010101010101010101010101010101010101010101010101010101010101010101010101ff01010101010101010101010101010101010101010101010101010101010101010101010101010101010101010101010101010101010101ff01010101010101010101010101010101010101010101010101010101010101010101010101010101010101010101010101010101010101ff01010101010101010101010101010101010101010101010101010101010101010101010101010101010101010101010101010101010101ff010101010101010101010200000003010101060700001101010101010101010102000000080901010607000011010101010101010101010001010101010101010106140b010f17110101130e010f100b0101010f1201010f17110101130e0101130e010f100b01010101010101010100010101010101010101010101010f17110106071101040503010614181905110607110104050e010607110104050301010101010101010100010101010101010101010113000011010106140b0101130e01010607001101010405000003010106140b0101130e01010101010101010100010101010101010101010101040511010106140b0101130e01061516121311040503010607110106140b0101130e01010101010101010100010101010101010101010101010f100b01060711010405030101010f1201010607110101130e010607110104050301010101010101010100010101010101010101040a0b010c0d0b0101020e010f100b01010101010101040503010607030101020e010f100b010101010101010101000101010101010101010102000000030101010405000003010101010101010101060700000809010104050000030101010101010101010100010101010101010101010101010101010101010101010101010101010101010101010101010101010101010101010101010101010101010001010101010101010101010101010101010101010101010101010101010101010101010101010101010101010101010101010101010101ff0c00000040092900aa000000000000002500370000000000040000002701ffff030000000000>
≈ 2,548кН*М = 2548Н*М
2. Определяем из условия жесткости диаметр вала
>0100090000032605000000007803000000007803000026060f00e606574d46430100000000000100824c0000000001000000c406000000000000c4060000010000006c0000000000000000000000140000001800000000000000000000000c0200007002000020454d4600000100c40600000c00000001000000000000000000000000000000000500002003000040010000c800000000000000000000000000000000e20400400d0300460000002c00000020000000454d462b014001001c000000100000000210c0db01000000600000006000000046000000380200002c020000454d462b224004000c000000000000001e4009000c00000000000000244001000c000000000000003040020010000000040000000000803f214007000c000000000000000840000584010000780100000210c0db01000000000000000000000000000000000000000100000089504e470d0a1a0a0000000d494844520000001500000019080200000051b7f2ba000000017352474200aece1ce9000000097048597300000ec400000ec401952b0e1b0000010049444154384fed53bb11c2300cb533097734140c913239c66085640a1821d98096230d970c4141c3c59b84489663c984cf9d0b28506359d6d3e749d6c330a8084922b000fde3e308fc25fe4c9debb2c37eba5293e4b579d9e1b87f207d952995553de86de1546e25c7e05078f708a9e3832ada792c58012f9c78a820d85c94112f1058f194f06dfa2151e676f10499f3a151c526b596eeb81f83d10dd8b5222895e58744384a915f5b16684434f58f35a36d825b936cc475250258fea9083e689f829ebd01b2b8606e7fd35d30c6d376f1c9cfe0fb8f4cae974f70cd951611dcb295f36243e57585b3f66f8ffc310a64d72208ee020adf470d3388906fffff3b5902d6a19a57a7290000000049454e44ae426082000840010824000000180000000210c0db01000000030000000000000000000000000000001b40000040000000340000000100000002000000000000bf000000bf0000a8410000c84103000000000000b3000000b3ffffa741000000b3000000b3ffffc7412100000008000000620000000c00000001000000150000000c00000004000000150000000c000000040000005100000028030000000000000000000014000000180000000000000000000000000000000000000015000000190000005000000080000000d000000058020000000000002000cc0015000000190000002800000015000000190000000100080000000000000000000000000000000000160000000000000000000000ffffff00dfffff0000489c00ffbf740074bfff0048000000ffdf9c009cdfff0000004800df9c48009c480000ffffdf00bfffff00000074000074bf0074000000ffffbf00489cdf00bf7400004800480048007400010101010101010101010101010101010101010101010101010101010101010101010101010101010101010101010101010101010101010101010101010101010101010101010101010101050607010101010101010d0e0000040101010101010101010d0e04010101010101010f130108140701010101030101010203130101010101010d0e040102030a0101010103010101010f0b0c01010101010d150701010f13010101010301010500000000000a0101010d150701010f1301011601030112000a05060708091011010d0e040102030a01011101030d0e13010d0e0a010d0e0b0c01121301081407010101010308090a01020313010105000401020300000a0101010101030d0e0a0101121011010d0e13010101010101010101010103010f10110105060701010f0b0c0101010101010101010103010d0e0a010d0e0a01010f10110101010101010101010103010108090a0105060702030b0c01010101010101010101030101010203040105000006070101010101010101010101030101010101010101010101010101010101010101010101030101010101010101010101010101010101010101010101030101010101010101010101010101010101010101010101030101010101010101010101010101010101010101010101030101010101010101010101010101010101010101010101030101010101010101010101010101010101010101010101010101010101010101010101010101010101010101010101010101010101010101010101010101010101010101010101010101010101010101010101010101010101010101010101014c0000006400000000000000000000001400000018000000000000000000000015000000190000002900aa0000000000000000000000803f00000000000000000000803f0000000000000000000000000000000000000000000000000000000000000000220000000c000000ffffffff460000001c00000010000000454d462b024000000c000000000000000e000000140000000000000010000000140000000400000003010800050000000b0200000000050000000c0219001500030000001e000400000007010400040000000701040079010000410b2000cc00190015000000000019001500000000002800000015000000190000000100080000000000000000000000000000000000160000000000000000000000ffffff00dfffff0000489c00ffbf740074bfff0048000000ffdf9c009cdfff0000004800df9c48009c480000ffffdf00bfffff00000074000074bf0074000000ffffbf00489cdf00bf7400004800480048007400010101010101010101010101010101010101010101010101010101010101010101010101010101010101010101010101010101010101010101010101010101010101010101010101010101050607010101010101010d0e0000040101010101010101010d0e04010101010101010f130108140701010101030101010203130101010101010d0e040102030a0101010103010101010f0b0c01010101010d150701010f13010101010301010500000000000a0101010d150701010f1301011601030112000a05060708091011010d0e040102030a01011101030d0e13010d0e0a010d0e0b0c01121301081407010101010308090a01020313010105000401020300000a0101010101030d0e0a0101121011010d0e13010101010101010101010103010f10110105060701010f0b0c0101010101010101010103010d0e0a010d0e0a01010f10110101010101010101010103010108090a0105060702030b0c01010101010101010101030101010203040105000006070101010101010101010101030101010101010101010101010101010101010101010101030101010101010101010101010101010101010101010101030101010101010101010101010101010101010101010101030101010101010101010101010101010101010101010101030101010101010101010101010101010101010101010101030101010101010101010101010101010101010101010101010101010101010101010101010101010101010101010101010101010101010101010101010101010101010101010101010101010101010101010101010101010101010101010101010c00000040092900aa000000000000001900150000000000040000002701ffff030000000000>
= >>>
>*>0100090000030208000000000e05000000000e05000026060f00120a574d464301000000000001004a790000000001000000f009000000000000f0090000010000006c00000000000000000000001e000000240000000000000000000000060300009c03000020454d4600000100f00900000c00000001000000000000000000000000000000000500002003000040010000c800000000000000000000000000000000e20400400d0300460000002c00000020000000454d462b014001001c000000100000000210c0db01000000600000006000000046000000d8020000cc020000454d462b224004000c000000000000001e4009000c00000000000000244001000c000000000000003040020010000000040000000000803f214007000c000000000000000840000524020000180200000210c0db01000000000000000000000000000000000000000100000089504e470d0a1a0a0000000d494844520000001f000000250802000000352da5a5000000017352474200aece1ce9000000097048597300000ec400000ec401952b0e1b000001a149444154484bed563b6ec3300c957b92005d3af81005b238c8ea4b74574ed10364b16fd0b54036fb1019b214f64d1c9292f5a129211d02a38535451f3ff13d2a7c2ca669524f1b2f4f4346e075d0fb5381e3d08e8edcd81e68edd43fce177417c7d0543094eeec2ecc11b46a86d417c27a5299f1a6eaba54d71f0a7e6c3fbe4a0df8e5ebcecc0d8f7924f8a4d0fbef6bbddfbf55971ba023767d3eaa8bd2c7779205ee36249012f0f934cb8b91d40535e9347cda81460085384e27f3156cf3a5184ea54427202336696d8374c7f95cc411d131a38638058fbf62b02068d8608c827b0474e175d825cf221438f38c8aad1224febdebd499c74bc97a27b73793d2fe2fbf99ff117b6466a15bcb299b8fe74f7a97713603d53b5db27df516cc8a5b08d5f7bc830d8d961a81c04fbc8521120e1b1da0673c8c5810fa928fb3ad4e837f587f21541f2ca08791b3bbed511f8ca7cef8babb187a1cfac23fb127d0d817c4b960a287e0c1168b9d08b2944aba3335832972724e4b599d4d39ca88dce8985501dcbddbd0c4e57e2687bc04c7ccc94ff8b7e852b36a9e82d4786cee91728f3b47c74a48870e97140000000049454e44ae4260820840010824000000180000000210c0db01000000030000000000000000000000000000001b40000040000000340000000100000002000000000000bf000000bf0000f8410000144203000000000080b3000080b3fffff741000080b3000080b3ffff13422100000008000000620000000c00000001000000150000000c00000004000000150000000c0000000400000051000000b405000000000000000000001e00000024000000000000000000000000000000000000001f0000002500000050000000c400000014010000a0040000000000002000cc001f00000025000000280000001f000000250000000100080000000000000000000000000000000000270000000000000000000000ffffff00bfffff0000007400df9c4800489cdf0074000000ffffbf0048484800bf7400009cdfff000000480048000000ffdf9c004874bf00749c9c009c480000ffffdf00dfffff0048489c00487474009c4874009cdfdf00740048000074bf00bf744800480074009cbf9c009c484800dfffdf0000489c00ffbf74004800480074bfff00df9c7400740074009cdfbf00dfdf9c00bf9c740001010101010101010101010101010101010101010101010101010101010101ff01010101010101010101010101010101010101010101010101010101010101ff01010101010101010101010101010101010101010101010101010101010101ff010101010101010101010101010101121e0004010101210010110101010101ff01010101010101010101010101010101010a200d0101022307010101010101ff010a0b0000001f01010101010101010101121e040101121e00000004010101ff02031f01121e09010101010a22010101010105101101010510110203040101ff0a200d010105101101021a1b261e1f0101010a17070101211011010a170701ff02031f010203000901010203001f0101010102031f0101021a0d0102031f01ff121e0401010101010102232422181f010101011804010e251e001f02031f01ff01210607010101010101010a22010101010101051011121e0c0d1800060701ff010118060701210901010101010101010101010a1707010101010101010101ff010101050000001011010101010101010101121e0010110101010101010101ff01010101010101010101010101010101010101010101010101010101010101ff01010101010101010101010101010101010101010101010101010101010101ff010101010101010101010101010101010101010101010101010101010101010001010101010101010101010101010101010101010101010101010101010101ff01010101010101010101010101010101010101010101010101010101010101ff010101010101010101010101010101010101010101010101010101010101014801010101010101010101010101010101010101010101010101010101010101bf000000000000000000000000000000000000000000000000000000000000000001010101010101010101010101010101010101010101010101010101010101ff010101010101010101010101010101010101010101010101010101010101010001010101010101010101010101010101010101010101010101010101010101ff010101010101010101010101010101010101010101010101010101010101017401010101010101010101010101010101010101010101010101010101010101ff0101010101010500101101010a0b0004121e000000000401010101010101017401010101010112130d011804010510110102031f010a190101010101010101ff01010101010101051f121e0c0d0a200d0101121e040101010101010101010148010101010101010a19021a1b1c1d1e1f010101011809010101010101010101bf0101010101010102151617070504180901010e0d01051011010101010101010001010101010101010e0f10111213140607010500000000090101010101010100010101010101010105080901010a0b0c0d0101010101010101010101010101ff01010101010101020300040101010500060701010101010101010101010101ff01010101010101010101010101010101010101010101010101010101010101ff01010101010101010101010101010101010101010101010101010101010101ff01010101010101010101010101010101010101010101010101010101010101ff4c0000006400000000000000000000001e0000002400000000000000000000001f000000250000002900aa0000000000000000000000803f00000000000000000000803f0000000000000000000000000000000000000000000000000000000000000000220000000c000000ffffffff460000001c00000010000000454d462b024000000c000000000000000e000000140000000000000010000000140000000400000003010800050000000b0200000000050000000c0225001f00030000001e0004000000070104000400000007010400bf020000410b2000cc0025001f000000000025001f0000000000280000001f000000250000000100080000000000000000000000000000000000270000000000000000000000ffffff00bfffff0000007400df9c4800489cdf0074000000ffffbf0048484800bf7400009cdfff000000480048000000ffdf9c004874bf00749c9c009c480000ffffdf00dfffff0048489c00487474009c4874009cdfdf00740048000074bf00bf744800480074009cbf9c009c484800dfffdf0000489c00ffbf74004800480074bfff00df9c7400740074009cdfbf00dfdf9c00bf9c740001010101010101010101010101010101010101010101010101010101010101ff01010101010101010101010101010101010101010101010101010101010101ff01010101010101010101010101010101010101010101010101010101010101ff010101010101010101010101010101121e0004010101210010110101010101ff01010101010101010101010101010101010a200d0101022307010101010101ff010a0b0000001f01010101010101010101121e040101121e00000004010101ff02031f01121e09010101010a22010101010105101101010510110203040101ff0a200d010105101101021a1b261e1f0101010a17070101211011010a170701ff02031f010203000901010203001f0101010102031f0101021a0d0102031f01ff121e0401010101010102232422181f010101011804010e251e001f02031f01ff01210607010101010101010a22010101010101051011121e0c0d1800060701ff010118060701210901010101010101010101010a1707010101010101010101ff010101050000001011010101010101010101121e0010110101010101010101ff01010101010101010101010101010101010101010101010101010101010101ff01010101010101010101010101010101010101010101010101010101010101ff010101010101010101010101010101010101010101010101010101010101010001010101010101010101010101010101010101010101010101010101010101ff01010101010101010101010101010101010101010101010101010101010101ff010101010101010101010101010101010101010101010101010101010101014801010101010101010101010101010101010101010101010101010101010101bf000000000000000000000000000000000000000000000000000000000000000001010101010101010101010101010101010101010101010101010101010101ff010101010101010101010101010101010101010101010101010101010101010001010101010101010101010101010101010101010101010101010101010101ff010101010101010101010101010101010101010101010101010101010101017401010101010101010101010101010101010101010101010101010101010101ff0101010101010500101101010a0b0004121e000000000401010101010101017401010101010112130d011804010510110102031f010a190101010101010101ff01010101010101051f121e0c0d0a200d0101121e040101010101010101010148010101010101010a19021a1b1c1d1e1f010101011809010101010101010101bf0101010101010102151617070504180901010e0d01051011010101010101010001010101010101010e0f10111213140607010500000000090101010101010100010101010101010105080901010a0b0c0d0101010101010101010101010101ff01010101010101020300040101010500060701010101010101010101010101ff01010101010101010101010101010101010101010101010101010101010101ff01010101010101010101010101010101010101010101010101010101010101ff01010101010101010101010101010101010101010101010101010101010101ff0c00000040092900aa0000000000000025001f0000000000040000002701ffff030000000000>
≤ [>0100090000032605000000007803000000007803000026060f00e606574d46430100000000000100824c0000000001000000c406000000000000c4060000010000006c0000000000000000000000140000001800000000000000000000000c0200007002000020454d4600000100c40600000c00000001000000000000000000000000000000000500002003000040010000c800000000000000000000000000000000e20400400d0300460000002c00000020000000454d462b014001001c000000100000000210c0db01000000600000006000000046000000380200002c020000454d462b224004000c000000000000001e4009000c00000000000000244001000c000000000000003040020010000000040000000000803f214007000c000000000000000840000584010000780100000210c0db01000000000000000000000000000000000000000100000089504e470d0a1a0a0000000d494844520000001500000019080200000051b7f2ba000000017352474200aece1ce9000000097048597300000ec400000ec401952b0e1b0000010049444154384fed53bb11c2300cb533097734140c913239c66085640a1821d98096230d970c4141c3c59b84489663c984cf9d0b28506359d6d3e749d6c330a8084922b000fde3e308fc25fe4c9debb2c37eba5293e4b579d9e1b87f207d952995553de86de1546e25c7e05078f708a9e3832ada792c58012f9c78a820d85c94112f1058f194f06dfa2151e676f10499f3a151c526b596eeb81f83d10dd8b5222895e58744384a915f5b16684434f58f35a36d825b936cc475250258fea9083e689f829ebd01b2b8606e7fd35d30c6d376f1c9cfe0fb8f4cae974f70cd951611dcb295f36243e57585b3f66f8ffc310a64d72208ee020adf470d3388906fffff3b5902d6a19a57a7290000000049454e44ae426082000840010824000000180000000210c0db01000000030000000000000000000000000000001b40000040000000340000000100000002000000000000bf000000bf0000a8410000c84103000000000000b3000000b3ffffa741000000b3000000b3ffffc7412100000008000000620000000c00000001000000150000000c00000004000000150000000c000000040000005100000028030000000000000000000014000000180000000000000000000000000000000000000015000000190000005000000080000000d000000058020000000000002000cc0015000000190000002800000015000000190000000100080000000000000000000000000000000000160000000000000000000000ffffff00dfffff0000489c00ffbf740074bfff0048000000ffdf9c009cdfff0000004800df9c48009c480000ffffdf00bfffff00000074000074bf0074000000ffffbf00489cdf00bf7400004800480048007400010101010101010101010101010101010101010101010101010101010101010101010101010101010101010101010101010101010101010101010101010101010101010101010101010101050607010101010101010d0e0000040101010101010101010d0e04010101010101010f130108140701010101030101010203130101010101010d0e040102030a0101010103010101010f0b0c01010101010d150701010f13010101010301010500000000000a0101010d150701010f1301011601030112000a05060708091011010d0e040102030a01011101030d0e13010d0e0a010d0e0b0c01121301081407010101010308090a01020313010105000401020300000a0101010101030d0e0a0101121011010d0e13010101010101010101010103010f10110105060701010f0b0c0101010101010101010103010d0e0a010d0e0a01010f10110101010101010101010103010108090a0105060702030b0c01010101010101010101030101010203040105000006070101010101010101010101030101010101010101010101010101010101010101010101030101010101010101010101010101010101010101010101030101010101010101010101010101010101010101010101030101010101010101010101010101010101010101010101030101010101010101010101010101010101010101010101030101010101010101010101010101010101010101010101010101010101010101010101010101010101010101010101010101010101010101010101010101010101010101010101010101010101010101010101010101010101010101010101014c0000006400000000000000000000001400000018000000000000000000000015000000190000002900aa0000000000000000000000803f00000000000000000000803f0000000000000000000000000000000000000000000000000000000000000000220000000c000000ffffffff460000001c00000010000000454d462b024000000c000000000000000e000000140000000000000010000000140000000400000003010800050000000b0200000000050000000c0219001500030000001e000400000007010400040000000701040079010000410b2000cc00190015000000000019001500000000002800000015000000190000000100080000000000000000000000000000000000160000000000000000000000ffffff00dfffff0000489c00ffbf740074bfff0048000000ffdf9c009cdfff0000004800df9c48009c480000ffffdf00bfffff00000074000074bf0074000000ffffbf00489cdf00bf7400004800480048007400010101010101010101010101010101010101010101010101010101010101010101010101010101010101010101010101010101010101010101010101010101010101010101010101010101050607010101010101010d0e0000040101010101010101010d0e04010101010101010f130108140701010101030101010203130101010101010d0e040102030a0101010103010101010f0b0c01010101010d150701010f13010101010301010500000000000a0101010d150701010f1301011601030112000a05060708091011010d0e040102030a01011101030d0e13010d0e0a010d0e0b0c01121301081407010101010308090a01020313010105000401020300000a0101010101030d0e0a0101121011010d0e13010101010101010101010103010f10110105060701010f0b0c0101010101010101010103010d0e0a010d0e0a01010f10110101010101010101010103010108090a0105060702030b0c01010101010101010101030101010203040105000006070101010101010101010101030101010101010101010101010101010101010101010101030101010101010101010101010101010101010101010101030101010101010101010101010101010101010101010101030101010101010101010101010101010101010101010101030101010101010101010101010101010101010101010101030101010101010101010101010101010101010101010101010101010101010101010101010101010101010101010101010101010101010101010101010101010101010101010101010101010101010101010101010101010101010101010101010c00000040092900aa000000000000001900150000000000040000002701ffff030000000000>>
>]
Jp = >010009000003720700000000c20400000000c204000026060f007a09574d464301000000000001006e170000000001000000580900000000000058090000010000006c00000000000000000000001800000025000000000000000000000070020000b503000020454d4600000100580900000c00000001000000000000000000000000000000000500002003000040010000c800000000000000000000000000000000e20400400d0300460000002c00000020000000454d462b014001001c000000100000000210c0db01000000600000006000000046000000c8020000bc020000454d462b224004000c000000000000001e4009000c00000000000000244001000c000000000000003040020010000000040000000000803f214007000c000000000000000840000514020000080200000210c0db01000000000000000000000000000000000000000100000089504e470d0a1a0a0000000d4948445200000019000000260802000000bea7a74c000000017352474200aece1ce9000000097048597300000ec400000ec401952b0e1b0000018f49444154484bed56b152c3300c75f81238960e7c443896f458fb079dd8e3e31b7aed9e25f90356ee58b8fa233ab070f19f18c97614394e520c59e0aac995e427fbc9d16b668c110bd9d5423808f32b2c25b375a3e9343fc7d2cd7a772af8b512b0e01460fe204a3e89aada040c2560e5fbb62ec4ddedb5104aee56d51616684a4ae556d0c76fdbb114e5d118840c0c9df81e464236cfc7210510c88abaa5ca1d24658ab62e210e7ee7828d3cdf027907e404a1e83aee8e943680c2d254d6df709a11cbbd7e7f119b07a0527f9e1cb9cec0ff56ac3a8a5f0fb40ee9ea7e21166eb108b8281f73a1946f0ced81c7747fc032ba91ec750e305d57fc453ccdc0a0a3983a0644b9d81c63d97ffcb60774257c43e3cd63de25b1ce164b48b8f431812c485db28f7f080be60b0a8e352e7fa81214e8e42260341a936c14b3011d4cefc0df03ccea108eafb18135e19fc10a863d3ffe94888c63918cf5ca4660d31272f68e4c28ddcc1e81f775e2f735f8f3c21aa5e4cdc7b3d9e7e8ea859f25c472c7259e31cfe51bf7c7e7bbcc9cb499f30519fdd01ccb662fc30000000049454e44ae42608200000840010824000000180000000210c0db01000000030000000000000000000000000000001b40000040000000340000000100000002000000000000bf000000bf0000c8410000184203000000000000b3000000b3ffffc741000000b3000000b3ffff17422100000008000000620000000c00000001000000150000000c00000004000000150000000c00000004000000510000002c0500000000000000000000180000002500000000000000000000000000000000000000190000002600000050000000b40000000401000028040000000000002000cc0019000000260000002800000019000000260000000100080000000000000000000000000000000000230000000000000000000000ffffff000074bf00df9c4800489cdf004848480074bfff00dfffff0000489c00ffbf7400bfffff009c487400ffffdf007474bf00ffffbf0074007400740000009c4800009cdfff0000004800749cdf00ffdf9c004800000048489c00480074009c4848007400480048004800bf740000ffbfbf00dfffbf009c749c00dfdf9c00bfdf9c0000007400010101010101010101010101010101010101010101010101019c48ff010101010101010101010101010101010101010101010101010000ff01010101010101010101010101010101010101010101010101ffffff01010101010101010101010101010101010101010101010101489cff010101010101040000000301010a22000000000901010101010000ff01010101010a1815011213090101061c010106090101010101ffffff010101010101010101121309010101041c0101010101010101ffffff01010101010101020000090101010101061c01010101010101ffffff01010101010101010708090101010101010403010101010101ffffff010101010101010101121b150101010101121b150101010101ffffff010101010107171501061615010a1815010616150101010101ffffff01010101010104000000030101010a2200001c010101010101ffffff01010101010101010101010101010101010101010101010101ffffff01010101010101010101010101010101010101010101010101ffffff01010101010101010101010101010101010101010101010101ffffff01010101010101010101010101010101010101010101010101ffffff01010101010101010101010101010101010101010101010101ffffff01010101010101010101010101010101010101010101010101ffffff01010101010101010101010101010101010101010101010101ffffff00000000000000000000000000000000000000000000000000ffffff01010101010101010101010101010101010101010101010101ffffff01010101010101010101010101010101010101010101010101ffffff01010101010101010101010101010101010101010101010101ffffff01010101010101010101010101010101010101010101010101ffffff01010101010101010101010101010101010101010101010101ffffff12130901060010200107080016212216150101010101010101ffffff01041c01041c0a1d01121b150708101e1f0c01010101010101ffffff0112190c121a0e0101121b15010a1815010101010101010101ffffff010717150a1815010107080901010209010101010101010101ffffff14150409010203010101061615010403010101010101010101ffffff070800000000000009010106000000110c0101121300090101ffffff01010101010101010101010101010a0f0e0400000000100e01ffffff01010101010101010101010101010708090a0b0c04030d0e01ffffff01010101010101010101010101010200030106030403010101ffffff01010101010101010101010101010101010101040503010101ffffff01010101010101010101010101010101010101010203010101ffffff01010101010101010101010101010101010101010101010101ffffff01010101010101010101010101010101010101010101010101ffffff4c0000006400000000000000000000001800000025000000000000000000000019000000260000002900aa0000000000000000000000803f00000000000000000000803f0000000000000000000000000000000000000000000000000000000000000000220000000c000000ffffffff460000001c00000010000000454d462b024000000c000000000000000e000000140000000000000010000000140000000400000003010800050000000b0200000000050000000c0226001900030000001e00040000000701040004000000070104007b020000410b2000cc00260019000000000026001900000000002800000019000000260000000100080000000000000000000000000000000000230000000000000000000000ffffff000074bf00df9c4800489cdf004848480074bfff00dfffff0000489c00ffbf7400bfffff009c487400ffffdf007474bf00ffffbf0074007400740000009c4800009cdfff0000004800749cdf00ffdf9c004800000048489c00480074009c4848007400480048004800bf740000ffbfbf00dfffbf009c749c00dfdf9c00bfdf9c0000007400010101010101010101010101010101010101010101010101019c48ff010101010101010101010101010101010101010101010101010000ff01010101010101010101010101010101010101010101010101ffffff01010101010101010101010101010101010101010101010101489cff010101010101040000000301010a22000000000901010101010000ff01010101010a1815011213090101061c010106090101010101ffffff010101010101010101121309010101041c0101010101010101ffffff01010101010101020000090101010101061c01010101010101ffffff01010101010101010708090101010101010403010101010101ffffff010101010101010101121b150101010101121b150101010101ffffff010101010107171501061615010a1815010616150101010101ffffff01010101010104000000030101010a2200001c010101010101ffffff01010101010101010101010101010101010101010101010101ffffff01010101010101010101010101010101010101010101010101ffffff01010101010101010101010101010101010101010101010101ffffff01010101010101010101010101010101010101010101010101ffffff01010101010101010101010101010101010101010101010101ffffff01010101010101010101010101010101010101010101010101ffffff01010101010101010101010101010101010101010101010101ffffff00000000000000000000000000000000000000000000000000ffffff01010101010101010101010101010101010101010101010101ffffff01010101010101010101010101010101010101010101010101ffffff01010101010101010101010101010101010101010101010101ffffff01010101010101010101010101010101010101010101010101ffffff01010101010101010101010101010101010101010101010101ffffff12130901060010200107080016212216150101010101010101ffffff01041c01041c0a1d01121b150708101e1f0c01010101010101ffffff0112190c121a0e0101121b15010a1815010101010101010101ffffff010717150a1815010107080901010209010101010101010101ffffff14150409010203010101061615010403010101010101010101ffffff070800000000000009010106000000110c0101121300090101ffffff01010101010101010101010101010a0f0e0400000000100e01ffffff01010101010101010101010101010708090a0b0c04030d0e01ffffff01010101010101010101010101010200030106030403010101ffffff01010101010101010101010101010101010101040503010101ffffff01010101010101010101010101010101010101010203010101ffffff01010101010101010101010101010101010101010101010101ffffff01010101010101010101010101010101010101010101010101ffffff0c00000040092900aa000000000000002600190000000000040000002701ffff030000000000>
>0100090000032605000000007803000000007803000026060f00e606574d46430100000000000100824c0000000001000000c406000000000000c4060000010000006c0000000000000000000000140000001800000000000000000000000c0200007002000020454d4600000100c40600000c00000001000000000000000000000000000000000500002003000040010000c800000000000000000000000000000000e20400400d0300460000002c00000020000000454d462b014001001c000000100000000210c0db01000000600000006000000046000000380200002c020000454d462b224004000c000000000000001e4009000c00000000000000244001000c000000000000003040020010000000040000000000803f214007000c000000000000000840000584010000780100000210c0db01000000000000000000000000000000000000000100000089504e470d0a1a0a0000000d494844520000001500000019080200000051b7f2ba000000017352474200aece1ce9000000097048597300000ec400000ec401952b0e1b0000010049444154384fed53bb11c2300cb533097734140c913239c66085640a1821d98096230d970c4141c3c59b84489663c984cf9d0b28506359d6d3e749d6c330a8084922b000fde3e308fc25fe4c9debb2c37eba5293e4b579d9e1b87f207d952995553de86de1546e25c7e05078f708a9e3832ada792c58012f9c78a820d85c94112f1058f194f06dfa2151e676f10499f3a151c526b596eeb81f83d10dd8b5222895e58744384a915f5b16684434f58f35a36d825b936cc475250258fea9083e689f829ebd01b2b8606e7fd35d30c6d376f1c9cfe0fb8f4cae974f70cd951611dcb295f36243e57585b3f66f8ffc310a64d72208ee020adf470d3388906fffff3b5902d6a19a57a7290000000049454e44ae426082000840010824000000180000000210c0db01000000030000000000000000000000000000001b40000040000000340000000100000002000000000000bf000000bf0000a8410000c84103000000000000b3000000b3ffffa741000000b3000000b3ffffc7412100000008000000620000000c00000001000000150000000c00000004000000150000000c000000040000005100000028030000000000000000000014000000180000000000000000000000000000000000000015000000190000005000000080000000d000000058020000000000002000cc0015000000190000002800000015000000190000000100080000000000000000000000000000000000160000000000000000000000ffffff00dfffff0000489c00ffbf740074bfff0048000000ffdf9c009cdfff0000004800df9c48009c480000ffffdf00bfffff00000074000074bf0074000000ffffbf00489cdf00bf7400004800480048007400010101010101010101010101010101010101010101010101010101010101010101010101010101010101010101010101010101010101010101010101010101010101010101010101010101050607010101010101010d0e0000040101010101010101010d0e04010101010101010f130108140701010101030101010203130101010101010d0e040102030a0101010103010101010f0b0c01010101010d150701010f13010101010301010500000000000a0101010d150701010f1301011601030112000a05060708091011010d0e040102030a01011101030d0e13010d0e0a010d0e0b0c01121301081407010101010308090a01020313010105000401020300000a0101010101030d0e0a0101121011010d0e13010101010101010101010103010f10110105060701010f0b0c0101010101010101010103010d0e0a010d0e0a01010f10110101010101010101010103010108090a0105060702030b0c01010101010101010101030101010203040105000006070101010101010101010101030101010101010101010101010101010101010101010101030101010101010101010101010101010101010101010101030101010101010101010101010101010101010101010101030101010101010101010101010101010101010101010101030101010101010101010101010101010101010101010101030101010101010101010101010101010101010101010101010101010101010101010101010101010101010101010101010101010101010101010101010101010101010101010101010101010101010101010101010101010101010101010101014c0000006400000000000000000000001400000018000000000000000000000015000000190000002900aa0000000000000000000000803f00000000000000000000803f0000000000000000000000000000000000000000000000000000000000000000220000000c000000ffffffff460000001c00000010000000454d462b024000000c000000000000000e000000140000000000000010000000140000000400000003010800050000000b0200000000050000000c0219001500030000001e000400000007010400040000000701040079010000410b2000cc00190015000000000019001500000000002800000015000000190000000100080000000000000000000000000000000000160000000000000000000000ffffff00dfffff0000489c00ffbf740074bfff0048000000ffdf9c009cdfff0000004800df9c48009c480000ffffdf00bfffff00000074000074bf0074000000ffffbf00489cdf00bf7400004800480048007400010101010101010101010101010101010101010101010101010101010101010101010101010101010101010101010101010101010101010101010101010101010101010101010101010101050607010101010101010d0e0000040101010101010101010d0e04010101010101010f130108140701010101030101010203130101010101010d0e040102030a0101010103010101010f0b0c01010101010d150701010f13010101010301010500000000000a0101010d150701010f1301011601030112000a05060708091011010d0e040102030a01011101030d0e13010d0e0a010d0e0b0c01121301081407010101010308090a01020313010105000401020300000a0101010101030d0e0a0101121011010d0e13010101010101010101010103010f10110105060701010f0b0c0101010101010101010103010d0e0a010d0e0a01010f10110101010101010101010103010108090a0105060702030b0c01010101010101010101030101010203040105000006070101010101010101010101030101010101010101010101010101010101010101010101030101010101010101010101010101010101010101010101030101010101010101010101010101010101010101010101030101010101010101010101010101010101010101010101030101010101010101010101010101010101010101010101030101010101010101010101010101010101010101010101010101010101010101010101010101010101010101010101010101010101010101010101010101010101010101010101010101010101010101010101010101010101010101010101010c00000040092900aa000000000000001900150000000000040000002701ffff030000000000>=
>>>
>
≤ [>0100090000032605000000007803000000007803000026060f00e606574d46430100000000000100824c0000000001000000c406000000000000c4060000010000006c0000000000000000000000140000001800000000000000000000000c0200007002000020454d4600000100c40600000c00000001000000000000000000000000000000000500002003000040010000c800000000000000000000000000000000e20400400d0300460000002c00000020000000454d462b014001001c000000100000000210c0db01000000600000006000000046000000380200002c020000454d462b224004000c000000000000001e4009000c00000000000000244001000c000000000000003040020010000000040000000000803f214007000c000000000000000840000584010000780100000210c0db01000000000000000000000000000000000000000100000089504e470d0a1a0a0000000d494844520000001500000019080200000051b7f2ba000000017352474200aece1ce9000000097048597300000ec400000ec401952b0e1b0000010049444154384fed53bb11c2300cb533097734140c913239c66085640a1821d98096230d970c4141c3c59b84489663c984cf9d0b28506359d6d3e749d6c330a8084922b000fde3e308fc25fe4c9debb2c37eba5293e4b579d9e1b87f207d952995553de86de1546e25c7e05078f708a9e3832ada792c58012f9c78a820d85c94112f1058f194f06dfa2151e676f10499f3a151c526b596eeb81f83d10dd8b5222895e58744384a915f5b16684434f58f35a36d825b936cc475250258fea9083e689f829ebd01b2b8606e7fd35d30c6d376f1c9cfe0fb8f4cae974f70cd951611dcb295f36243e57585b3f66f8ffc310a64d72208ee020adf470d3388906fffff3b5902d6a19a57a7290000000049454e44ae426082000840010824000000180000000210c0db01000000030000000000000000000000000000001b40000040000000340000000100000002000000000000bf000000bf0000a8410000c84103000000000000b3000000b3ffffa741000000b3000000b3ffffc7412100000008000000620000000c00000001000000150000000c00000004000000150000000c000000040000005100000028030000000000000000000014000000180000000000000000000000000000000000000015000000190000005000000080000000d000000058020000000000002000cc0015000000190000002800000015000000190000000100080000000000000000000000000000000000160000000000000000000000ffffff00dfffff0000489c00ffbf740074bfff0048000000ffdf9c009cdfff0000004800df9c48009c480000ffffdf00bfffff00000074000074bf0074000000ffffbf00489cdf00bf7400004800480048007400010101010101010101010101010101010101010101010101010101010101010101010101010101010101010101010101010101010101010101010101010101010101010101010101010101050607010101010101010d0e0000040101010101010101010d0e04010101010101010f130108140701010101030101010203130101010101010d0e040102030a0101010103010101010f0b0c01010101010d150701010f13010101010301010500000000000a0101010d150701010f1301011601030112000a05060708091011010d0e040102030a01011101030d0e13010d0e0a010d0e0b0c01121301081407010101010308090a01020313010105000401020300000a0101010101030d0e0a0101121011010d0e13010101010101010101010103010f10110105060701010f0b0c0101010101010101010103010d0e0a010d0e0a01010f10110101010101010101010103010108090a0105060702030b0c01010101010101010101030101010203040105000006070101010101010101010101030101010101010101010101010101010101010101010101030101010101010101010101010101010101010101010101030101010101010101010101010101010101010101010101030101010101010101010101010101010101010101010101030101010101010101010101010101010101010101010101030101010101010101010101010101010101010101010101010101010101010101010101010101010101010101010101010101010101010101010101010101010101010101010101010101010101010101010101010101010101010101010101014c0000006400000000000000000000001400000018000000000000000000000015000000190000002900aa0000000000000000000000803f00000000000000000000803f0000000000000000000000000000000000000000000000000000000000000000220000000c000000ffffffff460000001c00000010000000454d462b024000000c000000000000000e000000140000000000000010000000140000000400000003010800050000000b0200000000050000000c0219001500030000001e000400000007010400040000000701040079010000410b2000cc00190015000000000019001500000000002800000015000000190000000100080000000000000000000000000000000000160000000000000000000000ffffff00dfffff0000489c00ffbf740074bfff0048000000ffdf9c009cdfff0000004800df9c48009c480000ffffdf00bfffff00000074000074bf0074000000ffffbf00489cdf00bf7400004800480048007400010101010101010101010101010101010101010101010101010101010101010101010101010101010101010101010101010101010101010101010101010101010101010101010101010101050607010101010101010d0e0000040101010101010101010d0e04010101010101010f130108140701010101030101010203130101010101010d0e040102030a0101010103010101010f0b0c01010101010d150701010f13010101010301010500000000000a0101010d150701010f1301011601030112000a05060708091011010d0e040102030a01011101030d0e13010d0e0a010d0e0b0c01121301081407010101010308090a01020313010105000401020300000a0101010101030d0e0a0101121011010d0e13010101010101010101010103010f10110105060701010f0b0c0101010101010101010103010d0e0a010d0e0a01010f10110101010101010101010103010108090a0105060702030b0c01010101010101010101030101010203040105000006070101010101010101010101030101010101010101010101010101010101010101010101030101010101010101010101010101010101010101010101030101010101010101010101010101010101010101010101030101010101010101010101010101010101010101010101030101010101010101010101010101010101010101010101030101010101010101010101010101010101010101010101010101010101010101010101010101010101010101010101010101010101010101010101010101010101010101010101010101010101010101010101010101010101010101010101010c00000040092900aa000000000000001900150000000000040000002701ffff030000000000>>
>]
>0100090000032605000000007803000000007803000026060f00e606574d46430100000000000100824c0000000001000000c406000000000000c4060000010000006c0000000000000000000000140000001800000000000000000000000c0200007002000020454d4600000100c40600000c00000001000000000000000000000000000000000500002003000040010000c800000000000000000000000000000000e20400400d0300460000002c00000020000000454d462b014001001c000000100000000210c0db01000000600000006000000046000000380200002c020000454d462b224004000c000000000000001e4009000c00000000000000244001000c000000000000003040020010000000040000000000803f214007000c000000000000000840000584010000780100000210c0db01000000000000000000000000000000000000000100000089504e470d0a1a0a0000000d494844520000001500000019080200000051b7f2ba000000017352474200aece1ce9000000097048597300000ec400000ec401952b0e1b0000010049444154384fed53bb11c2300cb533097734140c913239c66085640a1821d98096230d970c4141c3c59b84489663c984cf9d0b28506359d6d3e749d6c330a8084922b000fde3e308fc25fe4c9debb2c37eba5293e4b579d9e1b87f207d952995553de86de1546e25c7e05078f708a9e3832ada792c58012f9c78a820d85c94112f1058f194f06dfa2151e676f10499f3a151c526b596eeb81f83d10dd8b5222895e58744384a915f5b16684434f58f35a36d825b936cc475250258fea9083e689f829ebd01b2b8606e7fd35d30c6d376f1c9cfe0fb8f4cae974f70cd951611dcb295f36243e57585b3f66f8ffc310a64d72208ee020adf470d3388906fffff3b5902d6a19a57a7290000000049454e44ae426082000840010824000000180000000210c0db01000000030000000000000000000000000000001b40000040000000340000000100000002000000000000bf000000bf0000a8410000c84103000000000000b3000000b3ffffa741000000b3000000b3ffffc7412100000008000000620000000c00000001000000150000000c00000004000000150000000c000000040000005100000028030000000000000000000014000000180000000000000000000000000000000000000015000000190000005000000080000000d000000058020000000000002000cc0015000000190000002800000015000000190000000100080000000000000000000000000000000000160000000000000000000000ffffff00dfffff0000489c00ffbf740074bfff0048000000ffdf9c009cdfff0000004800df9c48009c480000ffffdf00bfffff00000074000074bf0074000000ffffbf00489cdf00bf7400004800480048007400010101010101010101010101010101010101010101010101010101010101010101010101010101010101010101010101010101010101010101010101010101010101010101010101010101050607010101010101010d0e0000040101010101010101010d0e04010101010101010f130108140701010101030101010203130101010101010d0e040102030a0101010103010101010f0b0c01010101010d150701010f13010101010301010500000000000a0101010d150701010f1301011601030112000a05060708091011010d0e040102030a01011101030d0e13010d0e0a010d0e0b0c01121301081407010101010308090a01020313010105000401020300000a0101010101030d0e0a0101121011010d0e13010101010101010101010103010f10110105060701010f0b0c0101010101010101010103010d0e0a010d0e0a01010f10110101010101010101010103010108090a0105060702030b0c01010101010101010101030101010203040105000006070101010101010101010101030101010101010101010101010101010101010101010101030101010101010101010101010101010101010101010101030101010101010101010101010101010101010101010101030101010101010101010101010101010101010101010101030101010101010101010101010101010101010101010101030101010101010101010101010101010101010101010101010101010101010101010101010101010101010101010101010101010101010101010101010101010101010101010101010101010101010101010101010101010101010101010101014c0000006400000000000000000000001400000018000000000000000000000015000000190000002900aa0000000000000000000000803f00000000000000000000803f0000000000000000000000000000000000000000000000000000000000000000220000000c000000ffffffff460000001c00000010000000454d462b024000000c000000000000000e000000140000000000000010000000140000000400000003010800050000000b0200000000050000000c0219001500030000001e000400000007010400040000000701040079010000410b2000cc00190015000000000019001500000000002800000015000000190000000100080000000000000000000000000000000000160000000000000000000000ffffff00dfffff0000489c00ffbf740074bfff0048000000ffdf9c009cdfff0000004800df9c48009c480000ffffdf00bfffff00000074000074bf0074000000ffffbf00489cdf00bf7400004800480048007400010101010101010101010101010101010101010101010101010101010101010101010101010101010101010101010101010101010101010101010101010101010101010101010101010101050607010101010101010d0e0000040101010101010101010d0e04010101010101010f130108140701010101030101010203130101010101010d0e040102030a0101010103010101010f0b0c01010101010d150701010f13010101010301010500000000000a0101010d150701010f1301011601030112000a05060708091011010d0e040102030a01011101030d0e13010d0e0a010d0e0b0c01121301081407010101010308090a01020313010105000401020300000a0101010101030d0e0a0101121011010d0e13010101010101010101010103010f10110105060701010f0b0c0101010101010101010103010d0e0a010d0e0a01010f10110101010101010101010103010108090a0105060702030b0c01010101010101010101030101010203040105000006070101010101010101010101030101010101010101010101010101010101010101010101030101010101010101010101010101010101010101010101030101010101010101010101010101010101010101010101030101010101010101010101010101010101010101010101030101010101010101010101010101010101010101010101030101010101010101010101010101010101010101010101010101010101010101010101010101010101010101010101010101010101010101010101010101010101010101010101010101010101010101010101010101010101010101010101010c00000040092900aa000000000000001900150000000000040000002701ffff030000000000>=
>>>
>
≤ [>0100090000032605000000007803000000007803000026060f00e606574d46430100000000000100824c0000000001000000c406000000000000c4060000010000006c0000000000000000000000140000001800000000000000000000000c0200007002000020454d4600000100c40600000c00000001000000000000000000000000000000000500002003000040010000c800000000000000000000000000000000e20400400d0300460000002c00000020000000454d462b014001001c000000100000000210c0db01000000600000006000000046000000380200002c020000454d462b224004000c000000000000001e4009000c00000000000000244001000c000000000000003040020010000000040000000000803f214007000c000000000000000840000584010000780100000210c0db01000000000000000000000000000000000000000100000089504e470d0a1a0a0000000d494844520000001500000019080200000051b7f2ba000000017352474200aece1ce9000000097048597300000ec400000ec401952b0e1b0000010049444154384fed53bb11c2300cb533097734140c913239c66085640a1821d98096230d970c4141c3c59b84489663c984cf9d0b28506359d6d3e749d6c330a8084922b000fde3e308fc25fe4c9debb2c37eba5293e4b579d9e1b87f207d952995553de86de1546e25c7e05078f708a9e3832ada792c58012f9c78a820d85c94112f1058f194f06dfa2151e676f10499f3a151c526b596eeb81f83d10dd8b5222895e58744384a915f5b16684434f58f35a36d825b936cc475250258fea9083e689f829ebd01b2b8606e7fd35d30c6d376f1c9cfe0fb8f4cae974f70cd951611dcb295f36243e57585b3f66f8ffc310a64d72208ee020adf470d3388906fffff3b5902d6a19a57a7290000000049454e44ae426082000840010824000000180000000210c0db01000000030000000000000000000000000000001b40000040000000340000000100000002000000000000bf000000bf0000a8410000c84103000000000000b3000000b3ffffa741000000b3000000b3ffffc7412100000008000000620000000c00000001000000150000000c00000004000000150000000c000000040000005100000028030000000000000000000014000000180000000000000000000000000000000000000015000000190000005000000080000000d000000058020000000000002000cc0015000000190000002800000015000000190000000100080000000000000000000000000000000000160000000000000000000000ffffff00dfffff0000489c00ffbf740074bfff0048000000ffdf9c009cdfff0000004800df9c48009c480000ffffdf00bfffff00000074000074bf0074000000ffffbf00489cdf00bf7400004800480048007400010101010101010101010101010101010101010101010101010101010101010101010101010101010101010101010101010101010101010101010101010101010101010101010101010101050607010101010101010d0e0000040101010101010101010d0e04010101010101010f130108140701010101030101010203130101010101010d0e040102030a0101010103010101010f0b0c01010101010d150701010f13010101010301010500000000000a0101010d150701010f1301011601030112000a05060708091011010d0e040102030a01011101030d0e13010d0e0a010d0e0b0c01121301081407010101010308090a01020313010105000401020300000a0101010101030d0e0a0101121011010d0e13010101010101010101010103010f10110105060701010f0b0c0101010101010101010103010d0e0a010d0e0a01010f10110101010101010101010103010108090a0105060702030b0c01010101010101010101030101010203040105000006070101010101010101010101030101010101010101010101010101010101010101010101030101010101010101010101010101010101010101010101030101010101010101010101010101010101010101010101030101010101010101010101010101010101010101010101030101010101010101010101010101010101010101010101030101010101010101010101010101010101010101010101010101010101010101010101010101010101010101010101010101010101010101010101010101010101010101010101010101010101010101010101010101010101010101010101014c0000006400000000000000000000001400000018000000000000000000000015000000190000002900aa0000000000000000000000803f00000000000000000000803f0000000000000000000000000000000000000000000000000000000000000000220000000c000000ffffffff460000001c00000010000000454d462b024000000c000000000000000e000000140000000000000010000000140000000400000003010800050000000b0200000000050000000c0219001500030000001e000400000007010400040000000701040079010000410b2000cc00190015000000000019001500000000002800000015000000190000000100080000000000000000000000000000000000160000000000000000000000ffffff00dfffff0000489c00ffbf740074bfff0048000000ffdf9c009cdfff0000004800df9c48009c480000ffffdf00bfffff00000074000074bf0074000000ffffbf00489cdf00bf7400004800480048007400010101010101010101010101010101010101010101010101010101010101010101010101010101010101010101010101010101010101010101010101010101010101010101010101010101050607010101010101010d0e0000040101010101010101010d0e04010101010101010f130108140701010101030101010203130101010101010d0e040102030a0101010103010101010f0b0c01010101010d150701010f13010101010301010500000000000a0101010d150701010f1301011601030112000a05060708091011010d0e040102030a01011101030d0e13010d0e0a010d0e0b0c01121301081407010101010308090a01020313010105000401020300000a0101010101030d0e0a0101121011010d0e13010101010101010101010103010f10110105060701010f0b0c0101010101010101010103010d0e0a010d0e0a01010f10110101010101010101010103010108090a0105060702030b0c01010101010101010101030101010203040105000006070101010101010101010101030101010101010101010101010101010101010101010101030101010101010101010101010101010101010101010101030101010101010101010101010101010101010101010101030101010101010101010101010101010101010101010101030101010101010101010101010101010101010101010101030101010101010101010101010101010101010101010101010101010101010101010101010101010101010101010101010101010101010101010101010101010101010101010101010101010101010101010101010101010101010101010101010c00000040092900aa000000000000001900150000000000040000002701ffff030000000000>>
>]
→ d
≥ >>>
>
=>0100090000038a23000000001610000000001610000026060f002220574d4643010000000000010043290000000002000000002000009807000098270000010000006c00000000000000000000009b0000003000000000000000000000003b0f0000c804000020454d4600000100982700000c00000001000000000000000000000000000000000500002003000040010000c800000000000000000000000000000000e20400400d0300460000002c00000020000000454d462b014001001c000000100000000210c0db010000006000000060000000460000004407000038070000454d462b224004000c000000000000001e4009000c00000000000000244001000c000000000000003040020010000000040000000000803f214007000c000000000000000840000590060000840600000210c0db01000000000000000000000000000000000000000100000089504e470d0a1a0a0000000d494844520000009c000000310802000000a058572a000000017352474200aece1ce9000000097048597300000ec400000ec401952b0e1b0000060c49444154785eed5c3d72e23014367b1233db50e41030db90499b1b8426b3ad3d390313da0c4db841daccd2ece04350a4c9c04d58c9b2adf7a4f72c013660afdc2c6bebe77bbf7a92beddc1e17088c2d32f0dfce89738411aa98160d43efa8148bf1ecf26e9a3ecbd94495873e0b5a6ee57f7c3af97c3ebb8976ae89d5021fdf6cea4be6beafe6b3d1dc53d14bf9f227947eaddcf60d4aeb8809751f7dfdbaec81370fa6e6942f6cd7d254b07d5936637e43e2630af48bd21fc5786926ce4fe6ff73e5d7cde9255a30803f3d8a40a198a4eb0b1dcbaaaa1f403b6b3d3f79d7e2f47500f7a4dcc0d460083ebfee418f967d09c8341cb4a09520b587cac1503a2c50d69e938139c0c2c326c42a13585d0a09151e5ebb2bbc4530da59d0236a12d4a0e2043c3f41fe431d3a9763b16863d2123889c4ebb3ef2c3d22a754605ea426a107fa1a56b1c984ebfe28061be2d030a6539b1a4e2acf76ba972107e2b9b9535f2f82189d65f7bb514bdcdd6c9c358fe8c7f3d4ed71f7fd5fbfcd9afd255f5d7f1ebe1cf539cbf8f4724143bfbee57cf5f2fcb47302203c39e2e8a684138c0597afffd3bb7c0e66ef6ac611b52c44f7f48296aa5437a38175869d42c7d8e965037404ba2f6451b9a38568a371e6987ed7761c8cf45541852b6aa36b9f1cf3b6dec7450941b62a1370a8ffddf8fe87d5918389f6731298b14d8344bc549173ee8e260e849aa5f8c201ce0285acf86398ac9227929c011c36a877d9edd6d4a03036d61e95a00a63c2fc913834a1c9b04a73a7a490539cab17682b4236782ab5f91cd88a599cbb668f914ddab0241fcdabd276a21e756447a3a4bbe1ac0e4f2470c5b2d9e841c156aab16311a9f0c4c46ea7e355fe43e389cadc59f93050e41df0d8df03879409c3fbbc78f2188be32134772c75b86ad683f1f6d842136a3b96e2b5681c1e7037bcc2c1378910f24ec22800570f16b3893db690e063d1d9572c43b1230d9961e56a45ae55ddb094a4294742d00b3c3cc336eccda0c97a0f0abfe6d174a5574291cd08b75c600a58759e8163ea4eb731e86d27211cc20e4ec22b30e3019ab685810e8065a5abac2fc0d0243d52f03d8dcd0182512aa722b6f46f5a12ee5f9225699143d656334a15d78969f8be68ed640484e1088a41630a930544202b49c74c4206702735fbde5d961472cf74ce60aafafae8170a2747513340fc0695459da841b9ae615dfe6884ea3c24d5b9b40c2d8cd69c06954eb38a9b9b9c3486d69802ee0aab7d606b82d1c61dce634e08c54732a871384cf37a00197517d8f939a73b330d2d91a7019554c106adfb3b57ce1011c460deca40bdba391e95c460ddcd046d47cd9413cd2ef65011d33dbad30c1048e7b78677e8c0c6db4ad37eaed1f2769c2d5fc4a6ae519236dd8cb6b4c67a436c9cc97b789e553e3da3200490a66de1f7c11b7968af5206af48a8a408a0d62da23a628001a3b1aa08631828030ddcb36503383b3c31e18954822cd1e27e52c8e5d716fbac62c1f259d92cdbca52f24176ca48fc8662e396ed5d5a8936dfdc458b9360031b760a6a81bd94823cfd2f9a822dd64294b0666ba23b3833bbeb3afc48aabe9727c8b1f78c27da2c7f69ba115ee76d2e6247f262714f2040fe3f6dbbcb5d60452fb6e1fde4e330060270ddda2de21522b1896ee0ed5544b97f4d0276e92d359e2822327eea81797589a94e312fec832c1088299009ea522a614194c5159e463f3b8daa2a209daa08a5d953e928d5a0b482a1a49bd43914a33ebbcd650ab91e12fe2bbbeac470caca3fd85ec50c7c82a3b50f14812cc38483613ecba54b463986c345fe738e5a342297e7a11c1ba9ebd6595ed9b3e4ee21859351ec910ccb81e368feb16a868de4c36c0ac3b2d4a652fd307722f57c1ca70438ff31ad09a6364999c499b09c6c6308705aea9d7a7a201622c2a2620c5b5cc8f4d44aa4d3c53994aa6bbc6b32fac2c749207bec313aef0e275a45f5d9d8a4633d9b4e0fe00bd24a7d8846a494a368d1b9559655dff68ca4b90ee352a18f42d0027d984f2ffed10f46815b0e17fef387d6dbb524ff244297e5aaa32bdc9e3a42b09f83f4ecb1c13aa3a383cddd4007bf63bfe2d82b5e90d4d3775d439d46e867ee7440a809db7344145ddd340306af76ce6441c8cea5451f71afc0300fb1864aacb80ba0000000049454e44ae426082000840010824000000180000000210c0db01000000030000000000000000000000000000001b40000040000000340000000100000002000000000000bf000000bf00001c430000444203000000000000b3000000b3ffff1b43000000b3000000b3ffff43422100000008000000620000000c00000001000000150000000c00000004000000150000000c0000000400000051000000f01e000000000000000000009b00000030000000000000000000000000000000000000009c0000003100000050000000c400000014010000dc1d0000000000002000cc009c00000031000000280000009c000000310000000100080000000000000000000000000000000000270000000000000000000000ffffff00bfffff00000074009cdfff0074004800ffffbf0074bfff009c480000ffffdf00bf740000489cdf000074bf00df9c48007400000074007400dfffff0000489c00ffbf740048000000ffdf9c00000048009c48480048489c0048004800480074000048480048484800dfdfdf00df9c7400dfbf74009c4874009cdfbf007474bf009c749c009cbf9c00bf9c7400bfffdf004874bf0001010101010101010101010101010101010101010101010101010101010101010101010101010101010101010101010101010101010101010101010101010101010101010101010101010101010101010101010101010101010101010101010101010101010101010101010101010101010101010101010101010101010101010101010101010101010101010101010101010101010101010101010101010101010101010101010101010101010101010101010101010101010101010101010101010101010101010101010101010101010101010101010101010101010101010101010101010101010101010101010101010101010101010101010101010101010101010101010101010101010101010101010101010101010101010101010101010101010101010101010101010101010101010101010101010101010101010101010101010101010101010101010101010101010101010101010101010101010101010101010101010101010101010101010101010101010101010101010101010101010101010101010101010101010101010101010101010101010101010101010101010101010101010101010101010101010101010101010101010101010101010101010101010101010101010101010101010101010101010101010101010101010101010101010101010101010101010101010101010101010101010101010101010101010101010101010101010101010101010101010101010101010101010101010101010101010101010101010101010101010101010101010101010101010101010101010101010101010101010101010101010101010101010101010101010101010101010101010101010101010101010405060101010101010101010101010101010101010101010101010101010101010101010101010101010101010101010101010101010101010101010101010101010101010101010101010101010101010101010101010101010101010101010101010101010101010101010101010101010101010101010101010101010101010101010101010101010101010101010101010101010101010101010c13140101010101010101010101010101010101010101010101010101010101010101010101010101010101010101010101010101010101010101010101010101010101010101010101010101010101010101010101010101010101010101010101010101010101010101010101010101010101010101010101010101010101010101010101010101010101010101010101010101010101010101041513140101010101010101010101010101010101010101010101010101010101010101010101010101010101010101010101010101010101010101010101010101010101010101010101010101010101010101010101010101010101010101010101010101010101010101010101010101010101010101010101010101010101010101010101010101010101010101010101010101010101010110110000120101010101010101010101010101010101010101010101010101010101010101010101010101010101010101010101010101010101010101010101010101010101010101010101010101010101010101010101010101010101010101010101010101010101010101010101010101010101010101010101010101010101010101010101010101010101010101010101010101010101010107000a0c0d01010101010101010101010101010101010101010101010101010101010101012614010101010101010101010101010101010101010101010101010101010101010101010101010101010101010101010101010101010101010101010101010101010101010101010101010101010101010101261401010101010101010101010101010101010101010101010101010101010101010110110e060c0d010101010101010101010101010101010101010101010101010b0000000d0101040506010b000000000d010101010b000e060101010101010101010101010101010b000000080901010101010101010b000000000d01010203000012010101010101010101010101010101010203000012010104050610110000000d010101010101010101010101010101010101010101010101010107000d010b0a0101010101010101010101010101010101010101010101010219140104151201020f060101010c0a0101010101011011120101010101010101010101041d010104151201010c0a010101041d01010101010c0a010101010c0a0104181401010101010101010101041d0101010c0a0104181401020f061017140104151201010101010101010101010101010101010101010101010102030e0601070a01010101010101010101010101010101010101010101010101010101041512010101010101010b0a0101010b00000000000809010101010101010219232411120203120110110a010219232411120101010b0a0101010203120110110d01010101010101010219232411120203120110110d010101010101010110110d0101010101010101010101010101010101010101010101010b000d0101070809010101010101010101010101010101010101010101010101010c00001201010101010101010b0a010101020f0610111e22090101010101010101020300120101101100000d01010102030012010101010b0a01010102191401010c0a010101010101010101020300120102191401010c0a01010101010101010415120101010101010101010101010101010101010101011c01020308090101040506010101010101010101010101010101010101010101010101010110111201010101010101010b0a01010101070a101112010102030000000d01020f201d0c1210110d0102031201020f201d0c120101010b0a01010102191401010c0a0101010415001201020f201d0c1202191401010c0a01010101010b0000000a01010101010101010101010101010101010101010101070000001201010104050601010101010101010101010101010101010101010101010101010104181401010101011c010b0a01010101010b1e1112010101070809041d010101041d010102031201010c0a010101041d0101011c010b0a0101010203120110110d010b000000000e060101041d01010203120110110d01010101010b1201010101010101010101010101010101010101010101010101010107080901010102191401010101010101010101010101010101010101010101011017140107131401010101010b00000a010101010110171a1201010101040506010101010101010110110d0102030d01010101010101010b00000a010101010b0a0104181401021f090b0d2106010101010101010b0a0104181401010101010b120101010101010101010101010101010101010101010101010101010101010101011017140101010101010101010101010101010101010101010101010b0000000d01010101010101010c0a0101010101010415120101010101020f060101010101010101020300000809010101010101010101010c0a01010101101100000d010101070d0b0d010101010101010101101100000d0101010101010b000000131401010101010101010101010101010101010101010101010101010101011011120101010101010101010101010101010101010101010101010101010101010101010101010101010101010101010101010101020f0610110d0101010101010101010101010101010101010101010101010101010101010101010101010101010b1b0d01010101010101010101010101010101010101010101010101010101010101010101010101010101010101010101010101010101010101010c0d0101010101010101010101010101010101010101010101010101010101010101010101010101010101010101010101010101020300000e06010101010101010101010101010101010101010101010101010101010101010101010101010101010c0d01010101010101010101010101010101010101010101010101010101010101010101010101010101010101010101010101010101010101010c0d010101010101010101010101010101010101010101010101010101010101010101010101010101010101010101010101010101010101010101010101010101010101010101010101010101010101010101010101010101010101010101010101010101010101010101010101010101010101010101010101010101010101010101010101010101010101010101010101010101010101010101010b0a01010101010101010101010101010101010101010101010101010101010101010101010101010101010101010101010101010101010101010101010101010101010101010101010101010101010101010101010101010101010101010101010101010101010101010101010101010101010101010101010101010101010101010101010101010101010101010101010101010101010101010101070a01010101010101010101010101010101010101010101010101010101010101010101010101010101010101010101010101010101010101010101010101010101010101010101010101010101010101010101010101010101010101010101010101010101010101010101010101010101010101010101010101010101010101010101010101010101010101010101010101010101010101010101070809010101010101010101010101010101010101010101010101010101010101010101010101010101010101010101010101010101010101010101010101010101010101010101010101010101010101010101010101010101010101010101010101010101010101010101010101010101010101010101010101010101010101010101010101010101010101010101010101010101010101010101040506010101010101010101010101010101010101010101010101010101010101010101010101010101010101010101010101010101010101010101010101010101010101010101010101010101010101010101010101010101010101010101010101010101010101010101010101010101010101010101010101010101010101010101010101010101010101010101010101010101010101010101040506010101000000000000000000000000000000000000000000000000000000000000000000000000000000000000000000000000000000000000000000000000000000000000000000000000000000000000000000000000000000000000000000000000000000000000000000000000000000000000000000000000000000000000000000000000000000000000000001010101010101010101021914010101010101010101010101010101010101010101010101010101010101010101010101010101010101010101010101010101010101010101010101010101010101010101010101010101010101010101010101010101010101010101010101010101010101010101010101010101010101010101010101010101010101010101010101010101010101010101010101010101010101010101101714010101010101010101010101010101010101010101010101010101010101010101010101010101010101010101010101010101010101010101010101010101010101010101010101010101010101010101010101010101010101010101010101010101010101010101010101010101010101010101010101010101010101010101010101010101010101010101010101010101010101010101101112010101010101010101010101010101010101010101010101010101010101010101010101010101010101010101010101010101010101010101010101010101010101010101010101010101010101010101010101010101010101010101010101010101010101010101010101010101010101010101010101010101010101010101010101010101010101010101010101010101010101010101010c0d010101010101010101010101010101010101010101010101010101010101010101010101010101010101010101010101010101010101010101010101010101010101010101010101010101010101010101010101010101010101010101010101010101010101010101010101010101010101010101010101010101010101010101010101010101010101010101010101010101010101010101010c0d010101010101010101010101010101010101010101010101010101010101010101010101010101010101010101010101010101010101010101010101010101010101010101010101010101010101010101010101010101010101010101010101010101010101010101010101010101010101010101010101010101010101010101010101010101010101010101010101010101010101010101010b0a010101010b000000000d01010b0000000809010102030000120101010101010101020300000000120110110000000d01010101010b000e06010b000000080901010101010101010b000000000d01010203000012010101010101010101010101010101010b0000000d01010203000000001201010101010101010b000000000d0101020300001201010101010101010101010415001201010101070a0101010101010c0a01010104151201010c0a01010c0a01041814010101041d010101070a010107120110171401041512010101011011120104151201010c0a010101041d01010101010c0a010101010c0a0104181401010101010101010101041d0101021914010415120101070a01010712010101041d01010101010c0a010101010c0a0104181401010101010101010b000000000e0601010107080901010101010b0a0101010203120110110a010203120110110d0102192324111201010b0a010101010101010110110d010b0000000000082503120110110a010219232411120101010b0a0101010203120110110d0101010101010101021923241112010101010415120101010b0a010101010219232411120101010b0a0101010203120110110d0101010101010101021f090b0d210601010104050601010101010b0a01010101101100000d010102191401010c0a01010203001201010101070a0101010101010104151201020f0610111e2209101100000d01010102030012010101010b0a01010102191401010c0a010101010101010101020300120101010c0000120101010101070a0101010102030012010101010b0a01010102191401010c0a010101010101010101070d0b0d010101010104050601010101010b0a01010110110d010203120102191401010c0a01020f201d0c12010101010b0d0101010b0000000a010101070a1011120110110d0102031201020f201d0c120101010b0a01010102191401010c0a01020300000e0601020f201d0c120101011011120101010101010b0d0101020f201d0c120101010b0a01010102191401010c0a01020300000e060101010b1b0d01010101010219140101011c010b0a01010102031201010c0a010203120110110d010101041d01010101010104181401010b12010101010101010b1e11120102031201010c0a010101041d0101011c010b0a0101010203120110110d01021f09010c0d010101041d0101010101010418140101010101041814010101041d0101011c010b0a0101010203120110110d01021f09010c0d010101010c0d01010101011017140101010b00000a01010110110d0102030d01010b0a01041814010101010101010219140107131401010b120101010101010110171a120110110d0102030d01010101010101010b00000a010101010b0a01041814010102030008090101010101010110171401071314010219140107131401010101010101010b00000a010101010b0a0104181401010203000809010101010101010101010110111201010101010c0a010101010203000008090101101100000d010101010101010101020300000a0101010b0000001314010101010415120101020300000809010101010101010101010c0ae203000026060f00ba07574d464301000000000001000000000000000200000098070000000000009827000001010101101100000d010101010104160901010101010101010b0000000d010101020300000a01010101010101010101010c0a01010101101100000d01010101010416090101010101010101010101010c0d01010101010101010101010101010101010101010101010101010101010101010101010101010101010101010101010101010101010101010101010101010101010101010101010101010101010101010101010101020f06101112010101010101010101010101010101010101010101010101010101010101010101010101010101010101010101020f061011120101010101010101010101010c0d01010101010101010101010101010101010101010101010101010101010101010101010101010101010101010101010101010101010101010101010101010101010101010101010101010101010101010101010101020300000e06010101010101010101010101010101010101010101010101010101010101010101010101010101010101010101020300000e060101010101010101010101010b0a01010101010101010101010101010101010101010101010101010101010101010101010101010101010101010101010101010101010101010101010101010101010101010101010101010101010101010101010101010101010101010101010101010101010101010101010101010101010101010101010101010101010101010101010101010101010101010101010101010101010101010101070a010101010101010101010101010101010101010101010101010101010101010101010101010101010101010101010101010101010101010101010101010101010101010101010101010101010101010101010101010101010101010101010101010101010101010101010101010101010101010101010101010101010101010101010101010101010101010101010101010101010101010101010708090101010101010101010101010101010101010101010101010101010101010101010101010101010101010101010101010101010101010101010101010101010101010101010101010101010101010101010101010101010101010101010101010101010101010101010101010101010101010101010101010101010101010101010101010101010101010101010101010101010101010101010405060101010101010101010101010101010101010101010101010101010101010101010101010101010101010101010101010101010101010101010101010101010101010101010101010101010101010101010101010101010101010101010101010101010101010101010101010101010101010101010101010101010101010101010101010101010101010101010101010101010101010101010405060101010101010101010101010101010101010101010101010101010101010101010101010101010101010101010101010101010101010101010101010101010101010101010101010101010101010101010101010101010101010101010101010101010101010101010101010101010101010101010101010101010101010101010101010101010101010101010101010101010101010101010203000000000000000000000000000000000000000000000000000000000000000000000000000000000000000000000000000000000000000000000000000000000000000000000000000000000000000000000000000000000000000000000000000000000000000000000000000000000000000000000000000000000000000000000000000000000000000000010101010101010101010101010101010101010101010101010101010101010101010101010101010101010101010101010101010101010101010101010101010101010101010101010101010101010101010101010101010101010101010101010101010101010101010101010101010101010101010101010101010101010101010101010101010101010101010101010101010101010101010101010101010101010101010101010101010101010101010101010101010101010101010101010101010101010101010101010101010101010101010101010101010101010101010101010101010101010101010101010101010101010101010101010101010101010101010101010101010101010101010101010101010101010101010101010101010101010101010101010101010101010101010101010101010101010101010101010101010101010101010101010101010101010101010101010101010101010101010101010101010101010101010101010101010101010101010101010101010101010101010101010101010101010101010101010101010101010101010101010101010101010101010101010101010101010101010101010101010101010101010101010101010101010101010101014c0000006400000000000000000000009b0000003000000000000000000000009c000000310000002900aa0000000000000000000000803f00000000000000000000803f0000000000000000000000000000000000000000000000000000000000000000220000000c000000ffffffff460000001c00000010000000454d462b024000000c000000000000000e000000140000000000000010000000140000000400000003010800050000000b0200000000050000000c0231009c00030000001e00040000000701040004000000070104005d0f0000410b2000cc0031009c000000000031009c0000000000280000009c000000310000000100080000000000000000000000000000000000270000000000000000000000ffffff00bfffff00000074009cdfff0074004800ffffbf0074bfff009c480000ffffdf00bf740000489cdf000074bf00df9c48007400000074007400dfffff0000489c00ffbf740048000000ffdf9c00000048009c48480048489c0048004800480074000048480048484800dfdfdf00df9c7400dfbf74009c4874009cdfbf007474bf009c749c009cbf9c00bf9c7400bfffdf004874bf0001010101010101010101010101010101010101010101010101010101010101010101010101010101010101010101010101010101010101010101010101010101010101010101010101010101010101010101010101010101010101010101010101010101010101010101010101010101010101010101010101010101010101010101010101010101010101010101010101010101010101010101010101010101010101010101010101010101010101010101010101010101010101010101010101010101010101010101010101010101010101010101010101010101010101010101010101010101010101010101010101010101010101010101010101010101010101010101010101010101010101010101010101010101010101010101010101010101010101010101010101010101010101010101010101010101010101010101010101010101010101010101010101010101010101010101010101010101010101010101010101010101010101010101010101010101010101010101010101010101010101010101010101010101010101010101010101010101010101010101010101010101010101010101010101010101010101010101010101010101010101010101010101010101010101010101010101010101010101010101010101010101010101010101010101010101010101010101010101010101010101010101010101010101010101010101010101010101010101010101010101010101010101010101010101010101010101010101010101010101010101010101010101010101010101010101010101010101010101010101010101010101010101010101010101010101010101010101010101010101010101010405060101010101010101010101010101010101010101010101010101010101010101010101010101010101010101010101010101010101010101010101010101010101010101010101010101010101010101010101010101010101010101010101010101010101010101010101010101010101010101010101010101010101010101010101010101010101010101010101010101010101010101010c13140101010101010101010101010101010101010101010101010101010101010101010101010101010101010101010101010101010101010101010101010101010101010101010101010101010101010101010101010101010101010101010101010101010101010101010101010101010101010101010101010101010101010101010101010101010101010101010101010101010101010101041513140101010101010101010101010101010101010101010101010101010101010101010101010101010101010101010101010101010101010101010101010101010101010101010101010101010101010101010101010101010101010101010101010101010101010101010101010101010101010101010101010101010101010101010101010101010101010101010101010101010101010110110000120101010101010101010101010101010101010101010101010101010101010101010101010101010101010101010101010101010101010101010101010101010101010101010101010101010101010101010101010101010101010101010101010101010101010101010101010101010101010101010101010101010101010101010101010101010101010101010101010101010101010107000a0c0d01010101010101010101010101010101010101010101010101010101010101012614010101010101010101010101010101010101010101010101010101010101010101010101010101010101010101010101010101010101010101010101010101010101010101010101010101010101010101261401010101010101010101010101010101010101010101010101010101010101010110110e060c0d010101010101010101010101010101010101010101010101010b0000000d0101040506010b000000000d010101010b000e060101010101010101010101010101010b000000080901010101010101010b000000000d01010203000012010101010101010101010101010101010203000012010104050610110000000d010101010101010101010101010101010101010101010101010107000d010b0a0101010101010101010101010101010101010101010101010219140104151201020f060101010c0a0101010101011011120101010101010101010101041d010104151201010c0a010101041d01010101010c0a010101010c0a0104181401010101010101010101041d0101010c0a0104181401020f061017140104151201010101010101010101010101010101010101010101010102030e0601070a01010101010101010101010101010101010101010101010101010101041512010101010101010b0a0101010b00000000000809010101010101010219232411120203120110110a010219232411120101010b0a0101010203120110110d01010101010101010219232411120203120110110d010101010101010110110d0101010101010101010101010101010101010101010101010b000d0101070809010101010101010101010101010101010101010101010101010c00001201010101010101010b0a010101020f0610111e22090101010101010101020300120101101100000d01010102030012010101010b0a01010102191401010c0a010101010101010101020300120102191401010c0a01010101010101010415120101010101010101010101010101010101010101011c01020308090101040506010101010101010101010101010101010101010101010101010110111201010101010101010b0a01010101070a101112010102030000000d01020f201d0c1210110d0102031201020f201d0c120101010b0a01010102191401010c0a0101010415001201020f201d0c1202191401010c0a01010101010b0000000a01010101010101010101010101010101010101010101070000001201010104050601010101010101010101010101010101010101010101010101010104181401010101011c010b0a01010101010b1e1112010101070809041d010101041d010102031201010c0a010101041d0101011c010b0a0101010203120110110d010b000000000e060101041d01010203120110110d01010101010b1201010101010101010101010101010101010101010101010101010107080901010102191401010101010101010101010101010101010101010101011017140107131401010101010b00000a010101010110171a1201010101040506010101010101010110110d0102030d01010101010101010b00000a010101010b0a0104181401021f090b0d2106010101010101010b0a0104181401010101010b120101010101010101010101010101010101010101010101010101010101010101011017140101010101010101010101010101010101010101010101010b0000000d01010101010101010c0a0101010101010415120101010101020f060101010101010101020300000809010101010101010101010c0a01010101101100000d010101070d0b0d010101010101010101101100000d0101010101010b000000131401010101010101010101010101010101010101010101010101010101011011120101010101010101010101010101010101010101010101010101010101010101010101010101010101010101010101010101020f0610110d0101010101010101010101010101010101010101010101010101010101010101010101010101010b1b0d01010101010101010101010101010101010101010101010101010101010101010101010101010101010101010101010101010101010101010c0d0101010101010101010101010101010101010101010101010101010101010101010101010101010101010101010101010101020300000e06010101010101010101010101010101010101010101010101010101010101010101010101010101010c0d01010101010101010101010101010101010101010101010101010101010101010101010101010101010101010101010101010101010101010c0d010101010101010101010101010101010101010101010101010101010101010101010101010101010101010101010101010101010101010101010101010101010101010101010101010101010101010101010101010101010101010101010101010101010101010101010101010101010101010101010101010101010101010101010101010101010101010101010101010101010101010101010b0a01010101010101010101010101010101010101010101010101010101010101010101010101010101010101010101010101010101010101010101010101010101010101010101010101010101010101010101010101010101010101010101010101010101010101010101010101010101010101010101010101010101010101010101010101010101010101010101010101010101010101010101070a01010101010101010101010101010101010101010101010101010101010101010101010101010101010101010101010101010101010101010101010101010101010101010101010101010101010101010101010101010101010101010101010101010101010101010101010101010101010101010101010101010101010101010101010101010101010101010101010101010101010101010101070809010101010101010101010101010101010101010101010101010101010101010101010101010101010101010101010101010101010101010101010101010101010101010101010101010101010101010101010101010101010101010101010101010101010101010101010101010101010101010101010101010101010101010101010101010101010101010101010101010101010101010101040506010101010101010101010101010101010101010101010101010101010101010101010101010101010101010101010101010101010101010101010101010101010101010101010101010101010101010101010101010101010101010101010101010101010101010101010101010101010101010101010101010101010101010101010101010101010101010101010101010101010101010101040506010101000000000000000000000000000000000000000000000000000000000000000000000000000000000000000000000000000000000000000000000000000000000000000000000000000000000000000000000000000000000000000000000000000000000000000000000000000000000000000000000000000000000000000000000000000000000000000001010101010101010101021914010101010101010101010101010101010101010101010101010101010101010101010101010101010101010101010101010101010101010101010101010101010101010101010101010101010101010101010101010101010101010101010101010101010101010101010101010101010101010101010101010101010101010101010101010101010101010101010101010101010101010101101714010101010101010101010101010101010101010101010101010101010101010101010101010101010101010101010101010101010101010101010101010101010101010101010101010101010101010101010101010101010101010101010101010101010101010101010101010101010101010101010101010101010101010101010101010101010101010101010101010101010101010101101112010101010101010101010101010101010101010101010101010101010101010101010101010101010101010101010101010101010101010101010101010101010101010101010101010101010101010101010101010101010101010101010101010101010101010101010101010101010101010101010101010101010101010101010101010101010101010101010101010101010101010101010c0d010101010101010101010101010101010101010101010101010101010101010101010101010101010101010101010101010101010101010101010101010101010101010101010101010101010101010101010101010101010101010101010101010101010101010101010101010101010101010101010101010101010101010101010101010101010101010101010101010101010101010101010c0d010101010101010101010101010101010101010101010101010101010101010101010101010101010101010101010101010101010101010101010101010101010101010101010101010101010101010101010101010101010101010101010101010101010101010101010101010101010101010101010101010101010101010101010101010101010101010101010101010101010101010101010b0a010101010b000000000d01010b0000000809010102030000120101010101010101020300000000120110110000000d01010101010b000e06010b000000080901010101010101010b000000000d01010203000012010101010101010101010101010101010b0000000d01010203000000001201010101010101010b000000000d0101020300001201010101010101010101010415001201010101070a0101010101010c0a01010104151201010c0a01010c0a01041814010101041d010101070a010107120110171401041512010101011011120104151201010c0a010101041d01010101010c0a010101010c0a0104181401010101010101010101041d0101021914010415120101070a01010712010101041d01010101010c0a010101010c0a0104181401010101010101010b000000000e0601010107080901010101010b0a0101010203120110110a010203120110110d0102192324111201010b0a010101010101010110110d010b0000000000082503120110110a010219232411120101010b0a0101010203120110110d0101010101010101021923241112010101010415120101010b0a010101010219232411120101010b0a0101010203120110110d0101010101010101021f090b0d210601010104050601010101010b0a01010101101100000d010102191401010c0a01010203001201010101070a0101010101010104151201020f0610111e2209101100000d01010102030012010101010b0a01010102191401010c0a010101010101010101020300120101010c0000120101010101070a0101010102030012010101010b0a01010102191401010c0a010101010101010101070d0b0d010101010104050601010101010b0a01010110110d010203120102191401010c0a01020f201d0c12010101010b0d0101010b0000000a010101070a1011120110110d0102031201020f201d0c120101010b0a01010102191401010c0a01020300000e0601020f201d0c120101011011120101010101010b0d0101020f201d0c120101010b0a01010102191401010c0a01020300000e060101010b1b0d01010101010219140101011c010b0a01010102031201010c0a010203120110110d010101041d01010101010104181401010b12010101010101010b1e11120102031201010c0a010101041d0101011c010b0a0101010203120110110d01021f09010c0d010101041d0101010101010418140101010101041814010101041d0101011c010b0a0101010203120110110d01021f09010c0d010101010c0d01010101011017140101010b00000a01010110110d0102030d01010b0a01041814010101010101010219140107131401010b120101010101010110171a120110110d0102030d01010101010101010b00000a010101010b0a01041814010102030008090101010101010110171401071314010219140107131401010101010101010b00000a010101010b0a0104181401010203000809010101010101010101010110111201010101010c0a010101010203000008090101101100000d010101010101010101020300000a0101010b0000001314010101010415120101020300000809010101010101010101010c0a01010101101100000d010101010104160901010101010101010b0000000d010101020300000a01010101010101010101010c0a01010101101100000d01010101010416090101010101010101010101010c0d01010101010101010101010101010101010101010101010101010101010101010101010101010101010101010101010101010101010101010101010101010101010101010101010101010101010101010101010101020f06101112010101010101010101010101010101010101010101010101010101010101010101010101010101010101010101020f061011120101010101010101010101010c0d01010101010101010101010101010101010101010101010101010101010101010101010101010101010101010101010101010101010101010101010101010101010101010101010101010101010101010101010101020300000e06010101010101010101010101010101010101010101010101010101010101010101010101010101010101010101020300000e060101010101010101010101010b0a01010101010101010101010101010101010101010101010101010101010101010101010101010101010101010101010101010101010101010101010101010101010101010101010101010101010101010101010101010101010101010101010101010101010101010101010101010101010101010101010101010101010101010101010101010101010101010101010101010101010101010101070a010101010101010101010101010101010101010101010101010101010101010101010101010101010101010101010101010101010101010101010101010101010101010101010101010101010101010101010101010101010101010101010101010101010101010101010101010101010101010101010101010101010101010101010101010101010101010101010101010101010101010101010708090101010101010101010101010101010101010101010101010101010101010101010101010101010101010101010101010101010101010101010101010101010101010101010101010101010101010101010101010101010101010101010101010101010101010101010101010101010101010101010101010101010101010101010101010101010101010101010101010101010101010101010405060101010101010101010101010101010101010101010101010101010101010101010101010101010101010101010101010101010101010101010101010101010101010101010101010101010101010101010101010101010101010101010101010101010101010101010101010101010101010101010101010101010101010101010101010101010101010101010101010101010101010101010405060101010101010101010101010101010101010101010101010101010101010101010101010101010101010101010101010101010101010101010101010101010101010101010101010101010101010101010101010101010101010101010101010101010101010101010101010101010101010101010101010101010101010101010101010101010101010101010101010101010101010101010203000000000000000000000000000000000000000000000000000000000000000000000000000000000000000000000000000000000000000000000000000000000000000000000000000000000000000000000000000000000000000000000000000000000000000000000000000000000000000000000000000000000000000000000000000000000000000000010101010101010101010101010101010101010101010101010101010101010101010101010101010101010101010101010101010101010101010101010101010101010101010101010101010101010101010101010101010101010101010101010101010101010101010101010101010101010101010101010101010101010101010101010101010101010101010101010101010101010101010101010101010101010101010101010101010101010101010101010101010101010101010101010101010101010101010101010101010101010101010101010101010101010101010101010101010101010101010101010101010101010101010101010101010101010101010101010101010101010101010101010101010101010101010101010101010101010101010101010101010101010101010101010101010101010101010101010101010101010101010101010101010101010101010101010101010101010101010101010101010101010101010101010101010101010101010101010101010101010101010101010101010101010101010101010101010101010101010101010101010101010101010101010101010101010101010101010101010101010101010101010101010101010101010101010c00000040092900aa0000000000000031009c0000000000040000002701ffff030000000000>
≈ 78мм
3. Определяем максимальное касательное напряжение
>>>
>=
>010009000003e606000000008604000000008604000026060f000209574d46430100000000000100a7530000000001000000e008000000000000e0080000010000006c000000000000000000000015000000240000000000000000000000250200009c03000020454d4600000100e00800000c00000001000000000000000000000000000000000500002003000040010000c800000000000000000000000000000000e20400400d0300460000002c00000020000000454d462b014001001c000000100000000210c0db01000000600000006000000046000000f0020000e4020000454d462b224004000c000000000000001e4009000c00000000000000244001000c000000000000003040020010000000040000000000803f214007000c00000000000000084000053c020000300200000210c0db01000000000000000000000000000000000000000100000089504e470d0a1a0a0000000d4948445200000016000000250802000000c9388e6f000000017352474200aece1ce9000000097048597300000ec400000ec401952b0e1b000001b849444154484bed95b16ec23010862f7d92542c0c79082a96a0ac7e83b0a0ae89fa0c15ac150b7903d6a85950fc100c2c08bf09bdf3398e9d8650150654d5536c9ffffbef0c9f83f3f90cb78da7db8ed3e97b4ac83ca0312b94f5a58a995ecbe5b055ec058fd326c60159ddcee964bc39d990fe8fb61075002122d81fb50d552cb651160344a390e7eca8198e332b21cbbd984ec7717540091210eb042ac89289ae0213b01d344bce96bcac476b9b4aa833dcafb1248ca7605b1687e17677097f13b6113a9a8e99fa4d3ab757fd8d61096a25fbd436e8cb5770d2e386ef8d2438b597c22cf15a33696aef5c528012c3b77e75f79ebfceabc92e063c868bdffbb727ff6fa46de2635cea5d5c18ee5ac8d2dc60cdd26e18c01d16f11fdb6370875cdf184c858463cd0b1af2632b3648373b9d47b5c1245ba247a2e3dbeb852adee12d1d81c1b8cc5fa01190f902d668b19a3f0765c2d657a5a454dac548b35f63fb75621d38020093e5671aaa4345c472e96d24f8d00e6b58a7a151d87902a6ca72158b2947a8e3de3e100ddbdb1e126a7b58ef0299422c4135c12fd2daedbe076197c0cd53d4ff5cbaab98b9ff7a7f2cc1e5f53dd27f06395f73da8177b0ddac220000000049454e44ae426082000840010824000000180000000210c0db01000000030000000000000000000000000000001b40000040000000340000000100000002000000000000bf000000bf0000b0410000144203000000000000b3000000b3ffffaf41000000b3000000b3ffff13422100000008000000620000000c00000001000000150000000c00000004000000150000000c00000004000000510000008c0400000000000000000000150000002400000000000000000000000000000000000000160000002500000050000000c40000001401000078030000000000002000cc0016000000250000002800000016000000250000000100080000000000000000000000000000000000270000000000000000000000ffffff00bfffff0000007400df9c4800489cdf0074000000ffffbf0048484800bf7400009cdfff000000480048000000ffdf9c004874bf00749c9c009c480000ffffdf00dfffff0048489c00487474009c4874009cdfdf00740048000074bf00bf744800480074009cbf9c009c484800dfffdf0000489c00ffbf74004800480074bfff0000749c0074007400dfdf9c0048749c009c9c480001010101010101010101010101010101010101010101000001010101010101010101010101010101010101010101000001010101010101010101010101010101010101010101ffff01010101010101010101010101210010110101010101ffff01010101010101010101010101022307010101010101ffff010a200d010118090101010101121e00000004010101ffff01210009010118001f010101010105101102030401010000012110250d011826230701010101211011010a170701ffff012110161c111804210901010101021a0d0102031f01ffff01050901051f180401181f01010e241e001f02031f01ffff010509010215221f0102230701121e0c0d1800060701ffff011809010105001f0101050901010101010101010101ffff2100001f0102031f010a0b0009010101010101010101ffff01010101010101010101010101010101010101010101000001010101010101010101010101010101010101010101df9c01010101010101010101010101010101010101010101000001010101010101010101010101010101010101010101dfbf01010101010101010101010101010101010101010101ffdf010101010101010101010101010101010101010101019c480101010101010101010101010101010101010101010174bf00000000000000000000000000000000000000000000000001010101010101010101010101010101010101010101ffff01010101010101010101010101010101010101010101480001010101010101010101010101010101010101010101ff000101010101010101010101010101010101010101010174ff010101010101010101010101010101010101010101010000010500101101010a0b0004121e00000000040101010100480112130d011804010510110102031f010a190101010100000101051f121e0c0d0a200d0101121e04010101010101ffff01010a19021a1b1c1d1e1f0101010118090101010101ffff010102151617070504180901010e0d01051011010101ffff0101010e0f1011121314060701050000000009010101ffff01010105080901010a0b0c0d01010101010101010101ffff01010203000401010105000607010101010101010101ffff0101010101010101010101010101010101010101010100000101010101010101010101010101010101010101010100000101010101010101010101010101010101010101010100004c0000006400000000000000000000001500000024000000000000000000000016000000250000002900aa0000000000000000000000803f00000000000000000000803f0000000000000000000000000000000000000000000000000000000000000000220000000c000000ffffffff460000001c00000010000000454d462b024000000c000000000000000e000000140000000000000010000000140000000400000003010800050000000b0200000000050000000c0225001600030000001e00040000000701040004000000070104002b020000410b2000cc00250016000000000025001600000000002800000016000000250000000100080000000000000000000000000000000000270000000000000000000000ffffff00bfffff0000007400df9c4800489cdf0074000000ffffbf0048484800bf7400009cdfff000000480048000000ffdf9c004874bf00749c9c009c480000ffffdf00dfffff0048489c00487474009c4874009cdfdf00740048000074bf00bf744800480074009cbf9c009c484800dfffdf0000489c00ffbf74004800480074bfff0000749c0074007400dfdf9c0048749c009c9c480001010101010101010101010101010101010101010101000001010101010101010101010101010101010101010101000001010101010101010101010101010101010101010101ffff01010101010101010101010101210010110101010101ffff01010101010101010101010101022307010101010101ffff010a200d010118090101010101121e00000004010101ffff01210009010118001f010101010105101102030401010000012110250d011826230701010101211011010a170701ffff012110161c111804210901010101021a0d0102031f01ffff01050901051f180401181f01010e241e001f02031f01ffff010509010215221f0102230701121e0c0d1800060701ffff011809010105001f0101050901010101010101010101ffff2100001f0102031f010a0b0009010101010101010101ffff01010101010101010101010101010101010101010101000001010101010101010101010101010101010101010101df9c01010101010101010101010101010101010101010101000001010101010101010101010101010101010101010101dfbf01010101010101010101010101010101010101010101ffdf010101010101010101010101010101010101010101019c480101010101010101010101010101010101010101010174bf00000000000000000000000000000000000000000000000001010101010101010101010101010101010101010101ffff01010101010101010101010101010101010101010101480001010101010101010101010101010101010101010101ff000101010101010101010101010101010101010101010174ff010101010101010101010101010101010101010101010000010500101101010a0b0004121e00000000040101010100480112130d011804010510110102031f010a190101010100000101051f121e0c0d0a200d0101121e04010101010101ffff01010a19021a1b1c1d1e1f0101010118090101010101ffff010102151617070504180901010e0d01051011010101ffff0101010e0f1011121314060701050000000009010101ffff01010105080901010a0b0c0d01010101010101010101ffff01010203000401010105000607010101010101010101ffff0101010101010101010101010101010101010101010100000101010101010101010101010101010101010101010100000101010101010101010101010101010101010101010100000c00000040092900aa000000000000002500160000000000040000002701ffff030000000000>;
Wp = >010009000003740700000000c40400000000c404000026060f007e09574d46430100000000000100d16e00000000010000005c090000000000005c090000010000006c00000000000000000000001800000025000000000000000000000070020000b503000020454d46000001005c0900000c00000001000000000000000000000000000000000500002003000040010000c800000000000000000000000000000000e20400400d0300460000002c00000020000000454d462b014001001c000000100000000210c0db01000000600000006000000046000000cc020000c0020000454d462b224004000c000000000000001e4009000c00000000000000244001000c000000000000003040020010000000040000000000803f214007000c0000000000000008400005180200000c0200000210c0db01000000000000000000000000000000000000000100000089504e470d0a1a0a0000000d4948445200000019000000260802000000bea7a74c000000017352474200aece1ce9000000097048597300000ec400000ec401952b0e1b0000019249444154484bed56319283300c14f712dfa4499147dc4d1a986bf383dc13e017f469e007b499a1c9c023525cc3c04f7c92658c0d26034cbac4952d4b6b792d5604524a78d2f878120ec16cc3aa93c08ca4eed3d98685d17185ecc8360bd3ab0123cbb251c5944098b5833b42596b5886c35e18aaf39192911dec555818cf57abe23e1d3499cc108b4e9b0e0ee2c06157c7d9a6c111da2c460610af3fd16584a234804b8e871bbea371b3531e1144f90d39f8685635d1dd0a381d054e9a3b1c7638e181f632dceb657d4dcddc5fe08445210a8126f1cf17d4b529991e358fbe533aa6cb93bcf3430130f53a79cd2932c845649e0529f394d7e8a201aee78e596bdffc0d790e7a05acb5fc3ef27fbfe33a365fa1be66ef482d70687d1671ba37faf6a60239e8ff58466d799ad56867a355e265f7af6947f349b4f4dc510823d2764d28d1dd371137ffc8a3ae8b6b82a0202de0c27a0bbf9f13c6166389dd019bdbe5ac7216c75308f76624fcb358dd5fe956bdd8876571e37095a4d5b0b4e7a377542ed6cf87d5ae9d5f148df1d69c759af30f1ab0a056146fa84f0000000049454e44ae4260820000000840010824000000180000000210c0db01000000030000000000000000000000000000001b40000040000000340000000100000002000000000000bf000000bf0000c8410000184203000000000000b3000000b3ffffc741000000b3000000b3ffff17422100000008000000620000000c00000001000000150000000c00000004000000150000000c00000004000000510000002c0500000000000000000000180000002500000000000000000000000000000000000000190000002600000050000000b40000000401000028040000000000002000cc0019000000260000002800000019000000260000000100080000000000000000000000000000000000230000000000000000000000ffffff00bfffff000000740074000000ffffbf0074007400dfffff0000489c00ffbf74000074bf00df9c48009cdfff009c484800ffffdf009c4800009c48740074bfff00749cdf00ffdf9c00489cdf004800000048489c00480074007400480048004800bf740000ffbfbf00dfffbf009c749c0000004800dfdf9c00bfdf9c00dfdfdf009c9c74000101010101010101010101010101010101010101010101010101010101010101010101010101010101010101010101010101010101010101010101010101010101010101010101010101010101010101010101010101010101010101010101010101010101010101010101010101010101010101010114000000000b0101020300000f0e010101010101010101010101010101010a1a01010107080b0107081a01010101010300000101010101010101141a0101010217130101140f0e010101010000000101010101010101141a0101010c1e0f0e07081a01010101010000000101010101010101141a0101010708221e000f0e01010101010101010101010101012101141a01010101141a0101010101010101010101010101010101011400001a0101010107081a010101010101010101010101010101010101010a1a01010101010111000405010101010101010101010101010101010101010101010101010101010101010101010101010101010101010101010101010101010101010101010101010101010101010101010101010101010101010101010101010101010101010101010101010101010101010101010101010101010101010101010101010101010101010101010101010101010101010101010101010101010101010101010101010101010101010101010101010101010101ffff01010101010101010101010101010101010101010101010101ffffff00000000000000000000000000000000000000000000000000ffffff01010101010101010101010101010101010101010101010101ffffff01010101010101010101010101010101010101010101010101ffffff01010101010101010101010101010101010101010101010101ffffff01010101010101010101010101010101010101010101010101ffffff01010101010101010101010101010101010101010101010101ffffff0c1e09011100041f0107080015200315130101010101010101ffffff01141a01141a021b010c19130708041c1d0e01010101010101ffffff010c0d0e0c180501010c191301021713010101010101010101ffffff01071613021713010107080901010a09010101010101010101ffffff12131409010a0b01010111151301140b010101010101010101ffffff0708000000000000090101110000000f0e0203000004050101ffffff010101010101010101010101010102060502100e010a0b0101ffffff0101010101010101010101010101070809010203000f0e0101ffffff01010101010101010101010101010a000b0101010c0d0e0101ffffff01010101010101010101010101010101010206050708090101ffffff01010101010101010101010101010101010203000004050101ffffff01010101010101010101010101010101010101010101010101ffffff01010101010101010101010101010101010101010101010101ffffff4c0000006400000000000000000000001800000025000000000000000000000019000000260000002900aa0000000000000000000000803f00000000000000000000803f0000000000000000000000000000000000000000000000000000000000000000220000000c000000ffffffff460000001c00000010000000454d462b024000000c000000000000000e000000140000000000000010000000140000000400000003010800050000000b0200000000050000000c0226001900030000001e00040000000701040004000000070104007b020000410b2000cc00260019000000000026001900000000002800000019000000260000000100080000000000000000000000000000000000230000000000000000000000ffffff00bfffff000000740074000000ffffbf0074007400dfffff0000489c00ffbf74000074bf00df9c48009cdfff009c484800ffffdf009c4800009c48740074bfff00749cdf00ffdf9c00489cdf004800000048489c00480074007400480048004800bf740000ffbfbf00dfffbf009c749c0000004800dfdf9c00bfdf9c00dfdfdf009c9c74000101010101010101010101010101010101010101010101010101010101010101010101010101010101010101010101010101010101010101010101010101010101010101010101010101010101010101010101010101010101010101010101010101010101010101010101010101010101010101010114000000000b0101020300000f0e010101010101010101010101010101010a1a01010107080b0107081a01010101010300000101010101010101141a0101010217130101140f0e010101010000000101010101010101141a0101010c1e0f0e07081a01010101010000000101010101010101141a0101010708221e000f0e01010101010101010101010101012101141a01010101141a0101010101010101010101010101010101011400001a0101010107081a010101010101010101010101010101010101010a1a01010101010111000405010101010101010101010101010101010101010101010101010101010101010101010101010101010101010101010101010101010101010101010101010101010101010101010101010101010101010101010101010101010101010101010101010101010101010101010101010101010101010101010101010101010101010101010101010101010101010101010101010101010101010101010101010101010101010101010101010101010101ffff01010101010101010101010101010101010101010101010101ffffff00000000000000000000000000000000000000000000000000ffffff01010101010101010101010101010101010101010101010101ffffff01010101010101010101010101010101010101010101010101ffffff01010101010101010101010101010101010101010101010101ffffff01010101010101010101010101010101010101010101010101ffffff01010101010101010101010101010101010101010101010101ffffff0c1e09011100041f0107080015200315130101010101010101ffffff01141a01141a021b010c19130708041c1d0e01010101010101ffffff010c0d0e0c180501010c191301021713010101010101010101ffffff01071613021713010107080901010a09010101010101010101ffffff12131409010a0b01010111151301140b010101010101010101ffffff0708000000000000090101110000000f0e0203000004050101ffffff010101010101010101010101010102060502100e010a0b0101ffffff0101010101010101010101010101070809010203000f0e0101ffffff01010101010101010101010101010a000b0101010c0d0e0101ffffff01010101010101010101010101010101010206050708090101ffffff01010101010101010101010101010101010203000004050101ffffff01010101010101010101010101010101010101010101010101ffffff01010101010101010101010101010101010101010101010101ffffff0c00000040092900aa000000000000002600190000000000040000002701ffff030000000000>;
>>>
>
= >010009000003ca09000000001606000000001606000026060f00220c574d46430100000000000100775f0000000001000000000c000000000000000c0000010000006c000000000000000000000028000000220000000000000000000000000400006a03000020454d4600000100000c00000c00000001000000000000000000000000000000000500002003000040010000c800000000000000000000000000000000e20400400d0300460000002c00000020000000454d462b014001001c000000100000000210c0db01000000600000006000000046000000680300005c030000454d462b224004000c000000000000001e4009000c00000000000000244001000c000000000000003040020010000000040000000000803f214007000c0000000000000008400005b4020000a80200000210c0db01000000000000000000000000000000000000000100000089504e470d0a1a0a0000000d49484452000000290000002308020000008699b4c7000000017352474200aece1ce9000000097048597300000ec400000ec401952b0e1b00000231494441545847ed573b6ec3300c957b12175d32f8102dbc38c8ea2364e9ae9ca2d9b3d837c81ac04b611f224396c0be894b4ad4d7df16465220e16449141ff9445bcf41dbb6ec4ef672275c8435d8d52e0876554f2ab800d6bba6ddc9699d377aaac9d7131b81f33a4b68032f61689958f1275d1735025730e34c4193aceef7875951777c7032509937f9e7362adbaff71e329a7c6795080ecd85a569c4ce5751386c3d461c128fde4239961c2813242276188a75df9aef63c15757da64d8047a897ff3c4aad3398de355525c001b91d3c386158c6f64e290992400e9002e643d9a119cb5e995a411671ef92517118d3bace300e693ac04f601c88f0740b8cd8218c69681d46951be9829017004a150044d9d2376591b4479fe18df6d5db79794ebdd69ba3ae3a68bb0cfe448e7eb4259b1559a846dfa5c3069b52671ebcd7a8ddbd3d12aa266c0ee251d3f40fc3bd9fff8aeddbef847adfbf64c1bc4679fdf9efd47edf365eb26e5344363e1092f802d0195b690f7335c26fb5335d542836aea170b1d99602ed5b1280bd48d8aa850e28809165eb7c554cd8e66ea64e85deb14cc681eeb7257777ec9d5e5ec889e81e28d6ee9280214265a65f8b110d868390b51d73b2dad07b195c892613d68e780616d1aa7aff4d1f30695ccd2388403bd9e95d2168a17d473b28279b4eab4d7cf730ed9f88c612384d0f642a983d2ae2affb501cdffb1c7b43aff0a73d2187c096c69aaf478564bcdacdb104e44ae8dfdfb0c413cefd03907b4accf22dfb53fa6f403b4ac3a61ea0a820b0000000049454e44ae4260820840010824000000180000000210c0db01000000030000000000000000000000000000001b40000040000000340000000100000002000000000000bf000000bf0000244200000c4203000000000000b3000000b3ffff2342000000b3000000b3ffff0b422100000008000000620000000c00000001000000150000000c00000004000000150000000c0000000400000051000000340700000000000000000000280000002200000000000000000000000000000000000000290000002300000050000000e00000003001000004060000000000002000cc00290000002300000028000000290000002300000001000800000000000000000000000000000000002e0000000000000000000000ffffff000074bf00bf74000074bfff0074000000ffffbf00bfffff0000007400df9c4800489cdf00dfffff0000489c00484848009cdfff000000480048000000ffdf9c00dfdfdf00df9c74004874bf00749c9c009c480000ffffdf0048489c00487474009c9c7400740074009cdfbf00ffbf74009c4874009cdfdf0074004800bf744800480074009cbf9c009c484800dfffdf00bf9c740048004800749cdf00ffbfbf00dfffbf009c749c00dfdf9c00bfdf9c00010101010101010101010101010101010101010101010101010101010101010101010101010101010100000001010101010101010101010101010101010101010101010101010101010101010101010101010101010000000101010101010101010101010101010101010101010101010101010101010101010101010101010101000000010101010101010101010101010101010101010101010101010101010101010101010101010101010100000001010101010101010e0f1d010400052c010b0c00102d081011010101010101010101010101010101010000000101010101010101010a03010a030729010e27110b0c052a2b170101010101010101010101010101010000000101010101010101010e24170e200601010e27110107221101010101010101010101010101010101010000000101010101010101010b181107221101010b0c1d0101021d0101010101010101010101010101010101000000010101010101010128110a1d010209010101041011010a09010708000005060101010101010101010100000001010101010101010b0c0000000000001d0101040000001617071e170102090101010101010101010100000001010101010101010101010101010101010101010101071b0601070800161701010101010101010101000000010101010101010101010101010101010101010101010b0c1d0101010e24170101010101010101010100000001010101010101010101010101010101010101010101020009071b060b0c1d01010101010101010101000000010101010101010101010101010101010101010101010101010708000005060101010101010101010100000001010101010101010101010101010101010101010101010101010101010101010101010101010101010000000101010101010101010101010101010101010101010101010101010101010101010101010101010101000000010101010101010101010101010101010101010101010101010101010101010101010101010101010100000001010101010101010101010101010101010101010101010101010101010101010101010101010101010000000101010101010101010101010101010101010101010101010101010101010101010101010101010101000000000000000000000000000000000000000000000000000000000000000000000000000000000000000000000001010101010101010101010101010101010101010101010101010101010101010101010101010101010000000101010101010101010101010101010101010101010101010101010101010101010101010101010101000000010101010101010101010101010101010101010101010101010101010101010101010101010101010100000001010101010101010101010101010101010101010101010101010101010101010101010101010101010000000101010101010101010101010101010101010101010101010101010101010101010101010101010101000000010a00000000090101070800001617010101010101010a00161701010e0f00090b0c0000000009010100000001010102030101010b0c09010b0c030101010e1301010b1811010209010a16170107081d010e2101010000000101010a0301010107221101010a1617072223260c1d010a1d0b0c10110e271101010b0c09010101010000000101010a030101010e0f16170b0c0301010708001d01010e2107222324250c1d0101010102030101010000000101010a030101010b0c1a0f00161701071b1c13021d01071e1f20060a09020301011411010a1617010000000112010a03010101010a03010101010101010e1301010101141516170b18190506010a000000000301000000010a000003010101010b0c030101010101010101010101010a0d0301010e0f101101010101010101010000000101010203010101010101040005060101010101010101070800090101010a00050601010101010101000000010101010101010101010101010101010101010101010101010101010101010101010101010101010100000001010101010101010101010101010101010101010101010101010101010101010101010101010101010000004c0000006400000000000000000000002800000022000000000000000000000029000000230000002900aa0000000000000000000000803f00000000000000000000803f0000000000000000000000000000000000000000000000000000000000000000220000000c000000ffffffff460000001c00000010000000454d462b024000000c000000000000000e000000140000000000000010000000140000000400000003010800050000000b0200000000050000000c0223002900030000001e00040000000701040004000000070104007f030000410b2000cc002300290000000000230029000000000028000000290000002300000001000800000000000000000000000000000000002e0000000000000000000000ffffff000074bf00bf74000074bfff0074000000ffffbf00bfffff0000007400df9c4800489cdf00dfffff0000489c00484848009cdfff000000480048000000ffdf9c00dfdfdf00df9c74004874bf00749c9c009c480000ffffdf0048489c00487474009c9c7400740074009cdfbf00ffbf74009c4874009cdfdf0074004800bf744800480074009cbf9c009c484800dfffdf00bf9c740048004800749cdf00ffbfbf00dfffbf009c749c00dfdf9c00bfdf9c00010101010101010101010101010101010101010101010101010101010101010101010101010101010100000001010101010101010101010101010101010101010101010101010101010101010101010101010101010000000101010101010101010101010101010101010101010101010101010101010101010101010101010101000000010101010101010101010101010101010101010101010101010101010101010101010101010101010100000001010101010101010e0f1d010400052c010b0c00102d081011010101010101010101010101010101010000000101010101010101010a03010a030729010e27110b0c052a2b170101010101010101010101010101010000000101010101010101010e24170e200601010e27110107221101010101010101010101010101010101010000000101010101010101010b181107221101010b0c1d0101021d0101010101010101010101010101010101000000010101010101010128110a1d010209010101041011010a09010708000005060101010101010101010100000001010101010101010b0c0000000000001d0101040000001617071e170102090101010101010101010100000001010101010101010101010101010101010101010101071b0601070800161701010101010101010101000000010101010101010101010101010101010101010101010b0c1d0101010e24170101010101010101010100000001010101010101010101010101010101010101010101020009071b060b0c1d01010101010101010101000000010101010101010101010101010101010101010101010101010708000005060101010101010101010100000001010101010101010101010101010101010101010101010101010101010101010101010101010101010000000101010101010101010101010101010101010101010101010101010101010101010101010101010101000000010101010101010101010101010101010101010101010101010101010101010101010101010101010100000001010101010101010101010101010101010101010101010101010101010101010101010101010101010000000101010101010101010101010101010101010101010101010101010101010101010101010101010101000000000000000000000000000000000000000000000000000000000000000000000000000000000000000000000001010101010101010101010101010101010101010101010101010101010101010101010101010101010000000101010101010101010101010101010101010101010101010101010101010101010101010101010101000000010101010101010101010101010101010101010101010101010101010101010101010101010101010100000001010101010101010101010101010101010101010101010101010101010101010101010101010101010000000101010101010101010101010101010101010101010101010101010101010101010101010101010101000000010a00000000090101070800001617010101010101010a00161701010e0f00090b0c0000000009010100000001010102030101010b0c09010b0c030101010e1301010b1811010209010a16170107081d010e2101010000000101010a0301010107221101010a1617072223260c1d010a1d0b0c10110e271101010b0c09010101010000000101010a030101010e0f16170b0c0301010708001d01010e2107222324250c1d0101010102030101010000000101010a030101010b0c1a0f00161701071b1c13021d01071e1f20060a09020301011411010a1617010000000112010a03010101010a03010101010101010e1301010101141516170b18190506010a000000000301000000010a000003010101010b0c030101010101010101010101010a0d0301010e0f101101010101010101010000000101010203010101010101040005060101010101010101070800090101010a00050601010101010101000000010101010101010101010101010101010101010101010101010101010101010101010101010101010100000001010101010101010101010101010101010101010101010101010101010101010101010101010101010000000c00000040092900aa000000000000002300290000000000040000002701ffff030000000000>
= >0100090000032a1100000000240a00000000240a000026060f003e14574d464301000000000001005a8f00000000010000001c140000000000001c140000010000006c000000000000000000000050000000260000000000000000000000e8070000ce03000020454d46000001001c1400000c00000001000000000000000000000000000000000500002003000040010000c800000000000000000000000000000000e20400400d0300460000002c00000020000000454d462b014001001c000000100000000210c0db01000000600000006000000046000000e0040000d4040000454d462b224004000c000000000000001e4009000c00000000000000244001000c000000000000003040020010000000040000000000803f214007000c00000000000000084000052c040000200400000210c0db01000000000000000000000000000000000000000100000089504e470d0a1a0a0000000d4948445200000051000000270802000000f89633bd000000017352474200aece1ce9000000097048597300000ec400000ec401952b0e1b000003a6494441546843ed593b8ee24010357b12a349083804681210e9dc6048d0a4469c01e1744502372045e304d987202041f64dd8ea7f55bbdbf42e6256603a32ed767555bd5765fab973b95ca2968d5f2d8b9785db92988b79478f794b620674931ccaf8526e4669a75df55c6dc733c46d06ffbc7094b7e485f39e5e8ec88316c21686539df1b6a2e6f96d6a17d9a92daffbe6f2d9ec490d70cbdd69065604ded29cc0df0c7ec79ea44bd8af3c89469b92cfc3a5bee696fd4fc34d18d83cdbce6da8b6a7cf6736af596c3cc9136497d7f3fb9a44aef2596d67d37e7e590d1ce057dbb9416db0ba7c7fc67c55dc53f9bbf24200e3a7c5fa83acaa4e59d47f1386069324ca4e881864479fcfc5ef69964cb8c3f1fbc728db1d94856cdae5941ba6098b398ec536d6a80ebb2ce99d253b0d518024928fe64aa7e9b08b366b193f9f4c878add98c4c5bc7b5ad492c912763c0b2f8b7d1a49ef23c78e1e9fe1c1514f4613bff575d600153d568cdb62185698df9aa716c9198361d8bc85691f958901bd4eec596e125919b8ce14198537ee1d6d9f719589675cfef8df552c4d238519238a8200b2beece5e067de5b9a0ec45ac77ee22e04c93469a0da2e53093f6b29e9b03b3d0a9e8065805fa6fc63d7457c72ece8e226cce982a8ce47033a59ac71ae650577945a33c3d808187446f3445db22e25117477438a135d63fb63eda8d1a7489aa7b0fbb405d2becdb38148251965cdd69a285a46386f9a2b358baa8996c89507ec378a01cfe9b3afce5af69f8467a93dff3d0d295e317b5ae1934db711e7278330289c57df0e4ad3c32f6a633dbf627e78da0605f0d0381335b3088af719fe7b1a35731f1e745dddf2cde0430f3dd093277c277521bb358a6be458454f5c8d273c74660d09279cdb2015455ae8cba6335bc48c22a1380e5327c940ffda4557b5b23e164c469baf01b705868747f7de48cd0ce6b6d1864232840ebe0ea4cbb274684c4a78621a105139e50da30b610f88cc44a8837e1035b3817a5668e138eb340a3954099d28bb5e5dceadf8356889201f1d15c8b0814f1b0421c8a8990bac3c3663fe17f06a25aeb12c5dba9c519ca9e217ae259a520fc7d317da3f73bb51e1449daad697b4f8c4bf04702d9172bede9130b7af77c2ab2886731ba8e8fc9a628bdc4c98c784fffc564e2806c8b2d05f02625862b46e90e5fb94a74cc0d483c9b1b78eab59d10bdcef2a44650b528b84ea6ef3a720f76b275c1b0c09e7d6b364311f9fbf1cfdec5628eef9fcad31dfd3b77bd90eafe77b79f0f3765f31ff7cceffc78e7f008507f9340b68f18e0000000049454e44ae4260820000000840010824000000180000000210c0db01000000030000000000000000000000000000001b40000040000000340000000100000002000000000000bf000000bf0000a24200001c4203000000000080b3000080b3ffffa142000080b3000080b3ffff1b422100000008000000620000000c00000001000000150000000c00000004000000150000000c0000000400000051000000d80d00000000000000000000500000002600000000000000000000000000000000000000510000002700000050000000bc0000000c010000cc0c0000000000002000cc0051000000270000002800000051000000270000000100080000000000000000000000000000000000250000000000000000000000ffffff00bfffff00000074007400000074007400ffffbf00dfffff0000489c009cdfff009c4848000074bf00bf74000074bfff00489cdf0048000000ffdf9c0000004800ffbf74009c480000ffffdf00df9c48004800740048489c0000484800480048009c487400dfdfdf00df9c7400dfbf74009c9c74009cdfbf009c749c009cbf9c00bf9c7400740048004874bf00010101010101010101010101010101010101010101010101010101010101010101010101010101010101010101010101010101010101010101010101010101010101010101010101010101010101010101ffffff010101010101010101010101010101010101010101010101010101010101010101010101010101010101010101010101010101010101010101010101010101010101010101010101010101010101010101ffffff010101010101010101010101010101010101010101010101010101010101010101010101010101010101010101010101010101010101010101010101010101010101010101010101010101010101010101ffffff010101010101010101010101010101010101010101010101010101010101010101010101010101010101010101010101010101010101010101010101010101010101010101010101010101010101010101ffffff01010101010101010101010101010101010101010124100101010101010101010101010101010101010101010101010101010101010101010101010101010101010101010101010101010101010101010100000001010101010101010101010101010e000000150101092306010e0000000015010101010e000406010101010101010107171001010101010e00000013140101010101010101010101010101010101010101ffffdf0101010101010101010101010102161001091112010205060101010b0c01010101010107081201010101091c010101010d0c0101010109111201010b0c0101010101010101010101010101010101010101ffffff0101010101010101010101010101010101091112010101010101010e0c0101010e0000000000131402162122081201010717100101010203120107080c0101010101010101010101010101010101010101ffffff0101010101010101010101010101010b00001201010101010101010e0c01010102050607081d20140102030012010101010d0c010101010708000015010101010101010101010101010101010101010101df9c480101010101010101010101010101010107081201010101010101010e0c010101010d0c070812010102051f1c0b120101010717100101070815010203120102030000040601010101010101010101010101ffff48010101010101010101010101010101010109191001010101011b010e0c01010101010e1d081201010101091c0101010101010d0c010102031201010b0c01021a14010b1501010101010101010101010101bf74ff01010101010101010101010101071710010d0f1001010101010e00000c0101010101071718120101010101010101072014010717100107081501020315010102030013140101010101010101010101010100000001010101010101010101010101010e0000001501010101010101010b0c01010101010109111201010101010101010708000000000c010102030000131401010101090a1401010101010101010101010101ffffff0101010101010101010101010101010101010101010101010101010101010101010101010101010101010101010101010101010101010101010101010101020506070812010101010101010101010101019c48ff010101010101010101010101010101010101010101010101010101010101010101010101010101010101010101010101010101010101010101010101010102030000040601010101010101010101010101ffffff010101010101010101010101010101010101010101010101010101010101010101010101010101010101010101010101010101010101010101010101010101010101010101010101010101010101010101ffffff010101010101010101010101010101010101010101010101010101010101010101010101010101010101010101010101010101010101010101010101010101010101010101010101010101010101010101ffffff010101010101010101010101010101010101010101010101010101010101010101010101010101010101010101010101010101010101010101010101010101010101010101010101010101010101010101ffffff010101010101010101010101010101010101010101010101010101010101010101010101010101010101010101010101010101010101010101010101010101010101010101010101010101010101010101ffffff010101010101010101010101010101010101010101010101010101010101010101010101010101010101010101010101010101010101010101010101010101010101010101010101010101010101010101ffffff000000000000000000000000000000000000000000000000000000000000000000000000000000000000000000000000000000000000000000000000000000000000000000000000000000000000000000000000010101010101010101010101010101010101010101010101010101010101010101010101010101010101010101010101010101010101010101010101010101010101010101010101010101010101010101ffffff010101010101010101010101010101010101010101010101010101010101010101010101010101010101010101010101010101010101010101010101010101010101010101010101010101010101010101ffffff010101010101010101010101010101010101010101010101010101010101010101010101010101010101010101010101010101010101010101010101010101010101010101010101010101010101010101ffffff010101010101010101010101010101010101010101010101010101010101010101010101010101010101010101010101010101010101010101010101010101010101010101010101010101010101010101ffffff010101010101010101010101010101010101010101010101010101010101010101010101010101010101010101010101010101010101010101010101010101010101010101010101010101010101010101ffffff010e0000000015010102030000131401010101010101020300000000120107080000001501010101010e00040601010e000000131401010101010101010e00000000150101020300001201010101010101ffffff0101010b0c0101010708150107080c010101091c0101010d0c01010d12010717100109111201010101070812010109111201010b0c010101091c01010101010b0c010101010b0c01091910010101010101ffffff0101010e0c01010102161001010e131402162122081201010e0c0101010101010101070815010e000000000013140203120107080c010216212208120101010e0c01010102031201070815010101010101ffffff0101010e0c0101010911131407080c010102030012010101010d0c010101010101010911120102050607081d201401070800001501010102030012010101010e0c01010102161001010b0c010101010101ffffff0101010e0c01010107081e110013140102051f1c0b12010101010e150101010e0000000c0101010d0c0708120101070815010203120102051f1c0b120101010e0c01010102161001010b0c010101010101ffffff011b010e0c010101010e0c01010101010101091c01010101010109191001010e12010101010101010e1d0812010102031201010b0c010101091c0101011b010e0c01010102031201070815010203000004ffffff010e00000c0101010107080c01010101010101010101021610010d0f1001010e12010101010101010717181201010708150102031501010101010101010e00000c010101010e0c0109191001021a14010bffffff0101010b0c0101010101010d0004060101010101010101020300000c0101010e0000000f1001010101091112010101020300001314010101010101010101010b0c01010101070800001501010102030013ffffff01010101010101010101010101010101010101010101010101010101010101010101010101010101010101010101010101010101010101010101010101010101010101010101010101010101010101090affffff010101010101010101010101010101010101010101010101010101010101010101010101010101010101010101010101010101010101010101010101010101010101010101010101010101010205060708ffffff010101010101010101010101010101010101010101010101010101010101010101010101010101010101010101010101010101010101010101010101010101010101010101010101010101010203000004ffffff010101010101010101010101010101010101010101010101010101010101010101010101010101010101010101010101010101010101010101010101010101010101010101010101010101010101010101ffffff010101010101010101010101010101010101010101010101010101010101010101010101010101010101010101010101010101010101010101010101010101010101010101010101010101010101010101ffffff4c0000006400000000000000000000005000000026000000000000000000000051000000270000002900aa0000000000000000000000803f00000000000000000000803f0000000000000000000000000000000000000000000000000000000000000000220000000c000000ffffffff460000001c00000010000000454d462b024000000c000000000000000e000000140000000000000010000000140000000400000003010800050000000b0200000000050000000c0227005100030000001e0004000000070104000400000007010400d1060000410b2000cc00270051000000000027005100000000002800000051000000270000000100080000000000000000000000000000000000250000000000000000000000ffffff00bfffff00000074007400000074007400ffffbf00dfffff0000489c009cdfff009c4848000074bf00bf74000074bfff00489cdf0048000000ffdf9c0000004800ffbf74009c480000ffffdf00df9c48004800740048489c0000484800480048009c487400dfdfdf00df9c7400dfbf74009c9c74009cdfbf009c749c009cbf9c00bf9c7400740048004874bf00010101010101010101010101010101010101010101010101010101010101010101010101010101010101010101010101010101010101010101010101010101010101010101010101010101010101010101ffffff010101010101010101010101010101010101010101010101010101010101010101010101010101010101010101010101010101010101010101010101010101010101010101010101010101010101010101ffffff010101010101010101010101010101010101010101010101010101010101010101010101010101010101010101010101010101010101010101010101010101010101010101010101010101010101010101ffffff010101010101010101010101010101010101010101010101010101010101010101010101010101010101010101010101010101010101010101010101010101010101010101010101010101010101010101ffffff01010101010101010101010101010101010101010124100101010101010101010101010101010101010101010101010101010101010101010101010101010101010101010101010101010101010101010100000001010101010101010101010101010e000000150101092306010e0000000015010101010e000406010101010101010107171001010101010e00000013140101010101010101010101010101010101010101ffffdf0101010101010101010101010102161001091112010205060101010b0c01010101010107081201010101091c010101010d0c0101010109111201010b0c0101010101010101010101010101010101010101ffffff0101010101010101010101010101010101091112010101010101010e0c0101010e0000000000131402162122081201010717100101010203120107080c0101010101010101010101010101010101010101ffffff0101010101010101010101010101010b00001201010101010101010e0c01010102050607081d20140102030012010101010d0c010101010708000015010101010101010101010101010101010101010101df9c480101010101010101010101010101010107081201010101010101010e0c010101010d0c070812010102051f1c0b120101010717100101070815010203120102030000040601010101010101010101010101ffff48010101010101010101010101010101010109191001010101011b010e0c01010101010e1d081201010101091c0101010101010d0c010102031201010b0c01021a14010b1501010101010101010101010101bf74ff01010101010101010101010101071710010d0f1001010101010e00000c0101010101071718120101010101010101072014010717100107081501020315010102030013140101010101010101010101010100000001010101010101010101010101010e0000001501010101010101010b0c01010101010109111201010101010101010708000000000c010102030000131401010101090a1401010101010101010101010101ffffff0101010101010101010101010101010101010101010101010101010101010101010101010101010101010101010101010101010101010101010101010101020506070812010101010101010101010101019c48ff010101010101010101010101010101010101010101010101010101010101010101010101010101010101010101010101010101010101010101010101010102030000040601010101010101010101010101ffffff010101010101010101010101010101010101010101010101010101010101010101010101010101010101010101010101010101010101010101010101010101010101010101010101010101010101010101ffffff010101010101010101010101010101010101010101010101010101010101010101010101010101010101010101010101010101010101010101010101010101010101010101010101010101010101010101ffffff010101010101010101010101010101010101010101010101010101010101010101010101010101010101010101010101010101010101010101010101010101010101010101010101010101010101010101ffffff010101010101010101010101010101010101010101010101010101010101010101010101010101010101010101010101010101010101010101010101010101010101010101010101010101010101010101ffffff010101010101010101010101010101010101010101010101010101010101010101010101010101010101010101010101010101010101010101010101010101010101010101010101010101010101010101ffffff000000000000000000000000000000000000000000000000000000000000000000000000000000000000000000000000000000000000000000000000000000000000000000000000000000000000000000000000010101010101010101010101010101010101010101010101010101010101010101010101010101010101010101010101010101010101010101010101010101010101010101010101010101010101010101ffffff010101010101010101010101010101010101010101010101010101010101010101010101010101010101010101010101010101010101010101010101010101010101010101010101010101010101010101ffffff010101010101010101010101010101010101010101010101010101010101010101010101010101010101010101010101010101010101010101010101010101010101010101010101010101010101010101ffffff010101010101010101010101010101010101010101010101010101010101010101010101010101010101010101010101010101010101010101010101010101010101010101010101010101010101010101ffffff010101010101010101010101010101010101010101010101010101010101010101010101010101010101010101010101010101010101010101010101010101010101010101010101010101010101010101ffffff010e0000000015010102030000131401010101010101020300000000120107080000001501010101010e00040601010e000000131401010101010101010e00000000150101020300001201010101010101ffffff0101010b0c0101010708150107080c010101091c0101010d0c01010d12010717100109111201010101070812010109111201010b0c010101091c01010101010b0c010101010b0c01091910010101010101ffffff0101010e0c01010102161001010e131402162122081201010e0c0101010101010101070815010e000000000013140203120107080c010216212208120101010e0c01010102031201070815010101010101ffffff0101010e0c0101010911131407080c010102030012010101010d0c010101010101010911120102050607081d201401070800001501010102030012010101010e0c01010102161001010b0c010101010101ffffff0101010e0c01010107081e110013140102051f1c0b12010101010e150101010e0000000c0101010d0c0708120101070815010203120102051f1c0b120101010e0c01010102161001010b0c010101010101ffffff011b010e0c010101010e0c01010101010101091c01010101010109191001010e12010101010101010e1d0812010102031201010b0c010101091c0101011b010e0c01010102031201070815010203000004ffffff010e00000c0101010107080c01010101010101010101021610010d0f1001010e12010101010101010717181201010708150102031501010101010101010e00000c010101010e0c0109191001021a14010bffffff0101010b0c0101010101010d0004060101010101010101020300000c0101010e0000000f1001010101091112010101020300001314010101010101010101010b0c01010101070800001501010102030013ffffff01010101010101010101010101010101010101010101010101010101010101010101010101010101010101010101010101010101010101010101010101010101010101010101010101010101010101090affffff010101010101010101010101010101010101010101010101010101010101010101010101010101010101010101010101010101010101010101010101010101010101010101010101010101010205060708ffffff010101010101010101010101010101010101010101010101010101010101010101010101010101010101010101010101010101010101010101010101010101010101010101010101010101010203000004ffffff010101010101010101010101010101010101010101010101010101010101010101010101010101010101010101010101010101010101010101010101010101010101010101010101010101010101010101ffffff010101010101010101010101010101010101010101010101010101010101010101010101010101010101010101010101010101010101010101010101010101010101010101010101010101010101010101ffffff0c00000040092900aa000000000000002700510000000000040000002701ffff030000000000>
= 27МПа
4. Определяем коэффициент запаса прочности вала по пределу текучести
>>>
>
= >010009000003ca0700000000ea0400000000ea04000026060f00ca09574d464301000000000001004aa00000000001000000a809000000000000a8090000010000006c00000000000000000000001f0000002300000000000000000000001f0300008303000020454d4600000100a80900000c00000001000000000000000000000000000000000500002003000040010000c800000000000000000000000000000000e20400400d0300460000002c00000020000000454d462b014001001c000000100000000210c0db01000000600000006000000046000000b8020000ac020000454d462b224004000c000000000000001e4009000c00000000000000244001000c000000000000003040020010000000040000000000803f214007000c000000000000000840000504020000f80100000210c0db01000000000000000000000000000000000000000100000089504e470d0a1a0a0000000d49484452000000200000002408020000006789afb5000000017352474200aece1ce9000000097048597300000ec400000ec401952b0e1b0000017e49444154484bed56316ec42010b4f3125f77cf889486d3b5f941ae89d2c22ff204fc83b427d144f819eecc4fc82eaccf9cce061ce4e2246fe335ecb2781633535b6bab2ded65cbc571ed6401d39eead044b7724b0051c4346772b07690ace23a1eba305be56415ac6f93100120e6f747b163b3121a0acf2ad02bf6fed69856b406d33ab1a22b39059a23539743fd597d7dd067603f34776d8147dc727a301b430552f9395ff03ff0c7acd40e16e60999f4d9ad9ffeaa28c33723fbf921dafc98ee0592e768872807a2625a8f1729a7f5f87d4ca45f42ebf102fe143dd2bae75d104144c077de884908aed74b7ec4f9ce05cfd507fa40fd33488e2a087590d4c4b613ef0644ec63984b0a55939630e0b8d4218fafbe000683f978b209b53b6f8ca13d517698e916bb51ddb2f09a48fde6059d9a77473882ad2efec9ddf59bc4d6e4995ef1f3ab69db409f76e270415906a342880e90bf9e3557bd8126b8b885333007102139018fb072edf16552e3d34f3a49e0dd9dd172eea2644c51c01ff38d9129a39b62880000000049454e44ae4260820000000840010824000000180000000210c0db01000000030000000000000000000000000000001b40000040000000340000000100000002000000000000bf000000bf000000420000104203000000000000b3000000b3ffffff41000000b3000000b3ffff0f422100000008000000620000000c00000001000000150000000c00000004000000150000000c00000004000000510000008c05000000000000000000001f0000002300000000000000000000000000000000000000200000002400000050000000bc0000000c01000080040000000000002000cc0020000000240000002800000020000000240000000100080000000000000000000000000000000000250000000000000000000000ffffff00dfffff0000489c00ffbf74004874bf00ffdf9c009cdfff0074004800ffffbf00489cdf00bf740000df9c4800bfffff0048007400749cdf000074bf007474bf0074bfff007400000000007400bfffbf009c9cdf009c480000ffffdf00df9c9c00bfdf9c009c484800000048007400740048000000dfffbf00bf9c9c00747474009cdfbf00bf744800bf9c4800010101010101010101010101010101010101010101010101010101010101010101010101010101010101010101010101010101010101010101010101010101010101010101010101010101010101010101010101010101010101010101010101010101010101010101010101010101010101010101010101010101010101010101010101010101020304010a0b0102031e060203000b0a002403171812000c010101010101010101100c011217180d1d1f2007080912000c16212223100416090101010101010101120b010d1d0902030401070809010a0b010101121e060101010203000c010101070809020304010a0c010d0e0601071b180101071c040101010d0e060f06011615141309100004120b01010a17180708090d19120b051a190102030c0101010d14131514000410000b0101010a00000004010a000402030b01010a0b010101010101010101010101010101010101010101010101010101010506070809010101010101010101010101010101010101010101010101010101020300000000040101010101010101010101010101010101010101010101010101010101010101010101010101010101010101010101010101010101010101010101010101010101010101010101010101010101010101010101010101010101010101010101010101010101010101010101010101010101010101010101010101010101010101010101010101010101010101010101010101010101010101010101010101010101010101010101010101010101010101010101010101010101010101010101010101010101010101010101010101010101010101010101010101010101010101010101010101010101010101010101010101010101010101010101010101010101010101010101010101010101010101010101010101010101010101010101010101010101010101010101010101010101010101010101010100000000000000000000000000000000000000000000000000000000000000000101010101010101010101010101010101010101010101010101010101010101010101010101010101010101010101010101010101010101010101010101010101010101010101010101010101010101010112001309010101010101010101010101010101010101010101010101010101010110040101010101010101010101010101010101010101010101010101010101011004010101010101010101010101010101010101010101010203000c010111091004120401010101010101010101010101010101010101010d0e060f0601100000000004010101010101010101010101010101010101010102030c0101010101010101010101010101010101010101010101010101010101010a0b01010101010101010101010101010101010101010101010101010101050607080901010101010101010101010101010101010101010101010101010102030000000004010101010101010101010101010101010101010101010101010101010101010101010101010101010101010101010101010101010101010101010101010101010101010101010101010101010101014c0000006400000000000000000000001f00000023000000000000000000000020000000240000002900aa0000000000000000000000803f00000000000000000000803f0000000000000000000000000000000000000000000000000000000000000000220000000c000000ffffffff460000001c00000010000000454d462b024000000c000000000000000e000000140000000000000010000000140000000400000003010800050000000b0200000000050000000c0224002000030000001e0004000000070104000400000007010400ab020000410b2000cc00240020000000000024002000000000002800000020000000240000000100080000000000000000000000000000000000250000000000000000000000ffffff00dfffff0000489c00ffbf74004874bf00ffdf9c009cdfff0074004800ffffbf00489cdf00bf740000df9c4800bfffff0048007400749cdf000074bf007474bf0074bfff007400000000007400bfffbf009c9cdf009c480000ffffdf00df9c9c00bfdf9c009c484800000048007400740048000000dfffbf00bf9c9c00747474009cdfbf00bf744800bf9c4800010101010101010101010101010101010101010101010101010101010101010101010101010101010101010101010101010101010101010101010101010101010101010101010101010101010101010101010101010101010101010101010101010101010101010101010101010101010101010101010101010101010101010101010101010101020304010a0b0102031e060203000b0a002403171812000c010101010101010101100c011217180d1d1f2007080912000c16212223100416090101010101010101120b010d1d0902030401070809010a0b010101121e060101010203000c010101070809020304010a0c010d0e0601071b180101071c040101010d0e060f06011615141309100004120b01010a17180708090d19120b051a190102030c0101010d14131514000410000b0101010a00000004010a000402030b01010a0b010101010101010101010101010101010101010101010101010101010506070809010101010101010101010101010101010101010101010101010101020300000000040101010101010101010101010101010101010101010101010101010101010101010101010101010101010101010101010101010101010101010101010101010101010101010101010101010101010101010101010101010101010101010101010101010101010101010101010101010101010101010101010101010101010101010101010101010101010101010101010101010101010101010101010101010101010101010101010101010101010101010101010101010101010101010101010101010101010101010101010101010101010101010101010101010101010101010101010101010101010101010101010101010101010101010101010101010101010101010101010101010101010101010101010101010101010101010101010101010101010101010101010101010101010101010101010100000000000000000000000000000000000000000000000000000000000000000101010101010101010101010101010101010101010101010101010101010101010101010101010101010101010101010101010101010101010101010101010101010101010101010101010101010101010112001309010101010101010101010101010101010101010101010101010101010110040101010101010101010101010101010101010101010101010101010101011004010101010101010101010101010101010101010101010203000c010111091004120401010101010101010101010101010101010101010d0e060f0601100000000004010101010101010101010101010101010101010102030c0101010101010101010101010101010101010101010101010101010101010a0b01010101010101010101010101010101010101010101010101010101050607080901010101010101010101010101010101010101010101010101010102030000000004010101010101010101010101010101010101010101010101010101010101010101010101010101010101010101010101010101010101010101010101010101010101010101010101010101010101010c00000040092900aa000000000000002400200000000000040000002701ffff030000000000>
= >0100090000035a06000000002804000000002804000026060f004608574d46430100000000000100f0530000000001000000240800000000000024080000010000006c0000000000000000000000160000002200000000000000000000003e0200006a03000020454d4600000100240800000c00000001000000000000000000000000000000000500002003000040010000c800000000000000000000000000000000e20400400d0300460000002c00000020000000454d462b014001001c000000100000000210c0db010000006000000060000000460000009002000084020000454d462b224004000c000000000000001e4009000c00000000000000244001000c000000000000003040020010000000040000000000803f214007000c0000000000000008400005dc010000d00100000210c0db01000000000000000000000000000000000000000100000089504e470d0a1a0a0000000d4948445200000017000000230802000000f0a3064c000000017352474200aece1ce9000000097048597300000ec400000ec401952b0e1b0000015649444154484bed553172c32010447989346952f8115627ff438d7b317943267a82f8811fe00e3dc2859b0cfc8470870c080e8f3d4e665cf82ae616ed1d8b6ea98c31ece1787b98010802cbccab8acf04a916bb14c114c64ee885c5e5da916c4b8bfd81752bc8a6fa8db4521835b17e0f3cb0560a331d1b108bc22607992072607e2340dda4e044755dd3eaccbc397f7e6f73b0fb58bea8df37ec78d657d49d79cb64e0d082a306541459b4f81ad9d882824d7fb4aba63f79025bdeadf5cf8941635e84f8b899382bc5c2ce451683ea5a89a2b06a250223182b0f3c2e5cb67aca7fb720ff4de9bf9ea39b8afeeba6d71ddd398d77ddc633fd2f792fe0e24b04330f769d4178f4b595d891bf18034cbf3709350dde2fac9124e681fe42c7c58152d4b267265f64212abab7236b041c8a6e842a083b0b7982857c98b058a13fa297b89a1c560a941acc58822dc7e67cbd91977b17e7fc1751577f0dc8e461000000000049454e44ae4260820000000840010824000000180000000210c0db01000000030000000000000000000000000000001b40000040000000340000000100000002000000000000bf000000bf0000b84100000c4203000000000000b3000000b3ffffb741000000b3000000b3ffff0b422100000008000000620000000c00000001000000150000000c00000004000000150000000c000000040000005100000030040000000000000000000016000000220000000000000000000000000000000000000017000000230000005000000098000000e800000048030000000000002000cc00170000002300000028000000170000002300000001000800000000000000000000000000000000001c0000000000000000000000ffffff000074bf00bf7400009cdfff0000004800ffbf7400dfffff0000489c00df9c4800489cdf0048489c000048480048004800ffdf9c00dfdfdf00dfbf7400bfffff000000740074bfff004800740074007400ffffbf009c749c00ffffdf009c48000074000000480000000101010101010101010101010101010101010101010101ff0101010101010101010101010101010101010101010101ff0101010101010101010101010101010101010101010101ff0101010101010101010101010101010101010101010101ff01010101111200000000060101070b0e01010101010101bf01010101011303010113060101011303010101010101019c0101010101010a03010101010101070b0e010101010101bf0101010101010113030101010101011303010101010101ff01010101010101010a090101010101070b0e0101010101df0101010101010101040d0e0101010101130301010101019c0101010111140e01131b0e0107171801070b0e01010101bf0101010101111200000301010708000000000301010101ff0101010101010101010101010101010101010101010101ff0101010101010101010101010101010101010101010101ff0101010101010101010101010101010101010101010101ff0101010101010101010101010101010101010101010101ff0101010101010101010101010101010101010101010101ff0101010101010101010101010101010101010101010101ff0101010101010101010101010101010101010101010101000000000000000000000000000000000000000000000000ff0101010101010101010101010101010101010101010101ff0101010101010101010101010101010101010101010101000101010101010101010101010101010101010101010101000101010101010101010101010101010101010101010101000101010101010101010101010101010101010101010101ff010a0000000009010101010a001a160101111200000601ff0101010203010101010101070806010101020301040d0eff0101010a030101010a0000000000191811120601070809ff0101010a03010101111516070810171811140e01010203ff0101010a03010101011303070806010111140e01010203ff010f010a0301010101010a100806010111120601070809ff010a0000030101010101070b0c060101010a0301040d0eff01010102030101010101010405060101010708000009019c0101010101010101010101010101010101010101010101ff0101010101010101010101010101010101010101010101ff4c0000006400000000000000000000001600000022000000000000000000000017000000230000002900aa0000000000000000000000803f00000000000000000000803f0000000000000000000000000000000000000000000000000000000000000000220000000c000000ffffffff460000001c00000010000000454d462b024000000c000000000000000e000000140000000000000010000000140000000400000003010800050000000b0200000000050000000c0223001700030000001e0004000000070104000400000007010400fd010000410b2000cc002300170000000000230017000000000028000000170000002300000001000800000000000000000000000000000000001c0000000000000000000000ffffff000074bf00bf7400009cdfff0000004800ffbf7400dfffff0000489c00df9c4800489cdf0048489c000048480048004800ffdf9c00dfdfdf00dfbf7400bfffff000000740074bfff004800740074007400ffffbf009c749c00ffffdf009c48000074000000480000000101010101010101010101010101010101010101010101ff0101010101010101010101010101010101010101010101ff0101010101010101010101010101010101010101010101ff0101010101010101010101010101010101010101010101ff01010101111200000000060101070b0e01010101010101bf01010101011303010113060101011303010101010101019c0101010101010a03010101010101070b0e010101010101bf0101010101010113030101010101011303010101010101ff01010101010101010a090101010101070b0e0101010101df0101010101010101040d0e0101010101130301010101019c0101010111140e01131b0e0107171801070b0e01010101bf0101010101111200000301010708000000000301010101ff0101010101010101010101010101010101010101010101ff0101010101010101010101010101010101010101010101ff0101010101010101010101010101010101010101010101ff0101010101010101010101010101010101010101010101ff0101010101010101010101010101010101010101010101ff0101010101010101010101010101010101010101010101ff0101010101010101010101010101010101010101010101000000000000000000000000000000000000000000000000ff0101010101010101010101010101010101010101010101ff0101010101010101010101010101010101010101010101000101010101010101010101010101010101010101010101000101010101010101010101010101010101010101010101000101010101010101010101010101010101010101010101ff010a0000000009010101010a001a160101111200000601ff0101010203010101010101070806010101020301040d0eff0101010a030101010a0000000000191811120601070809ff0101010a03010101111516070810171811140e01010203ff0101010a03010101011303070806010111140e01010203ff010f010a0301010101010a100806010111120601070809ff010a0000030101010101070b0c060101010a0301040d0eff01010102030101010101010405060101010708000009019c0101010101010101010101010101010101010101010101ff0101010101010101010101010101010101010101010101ff0c00000040092900aa000000000000002300170000000000040000002701ffff030000000000>
≈ 5,2
Задача №3
Определить
диаметр стального вала из условия
жесткости, передающего мощность
>>>
>=60кВт;
>010009000003ac04000000003203000000003203000026060f005a06574d46430100000000000100ee330000000001000000380600000000000038060000010000006c000000000000000000000012000000180000000000000000000000da0100007002000020454d4600000100380600000c00000001000000000000000000000000000000000500002003000040010000c800000000000000000000000000000000e20400400d0300460000002c00000020000000454d462b014001001c000000100000000210c0db010000006000000060000000460000001402000008020000454d462b224004000c000000000000001e4009000c00000000000000244001000c000000000000003040020010000000040000000000803f214007000c000000000000000840000560010000540100000210c0db01000000000000000000000000000000000000000100000089504e470d0a1a0a0000000d49484452000000130000001908020000005ca982fd000000017352474200aece1ce9000000097048597300000ec400000ec401952b0e1b000000dc49444154384f63fcffff3f035980892c5d204d434ee783b99e8c5840e9010241000cdbffffefcff1002a2bd90fe600c1fe12b02e8f39f761229834f61072e806ebddb166ef039c16e30a5b050d902bf0015c3a1fdcd801d4a6a3ac40a29d074a1d7b40decc76c0632b520821abc21b38603dc8ae4584edffffdb9371bb136203cd53df8152785a81a51062ec046aebd480a4096034f774ce054732313a1dbae1de468e6658d283789b40900253295c0503ee84892103742a52f013ab13942790630d5806116527b26dfb4b202610a3139ae7e0490ca2937148957d00d8657c096ce9367c0000000049454e44ae426082000840010824000000180000000210c0db01000000030000000000000000000000000000001b40000040000000340000000100000002000000000000bf000000bf000098410000c84103000000000000b3000000b3ffff9741000000b3000000b3ffffc7412100000008000000620000000c00000001000000150000000c00000004000000150000000c0000000400000051000000c002000000000000000000001200000018000000000000000000000000000000000000001300000019000000500000007c000000cc000000f4010000000000002000cc0013000000190000002800000013000000190000000100080000000000000000000000000000000000150000000000000000000000ffffff00dfffff0000489c00bf74000074000000ffffbf000074bf009c480000ffffdf00bfffff000000740048000000ffdf9c00df9c48004800740074bfff009cdfff0048004800489cdf00ffbf740001010101010101010101010101010101010101010101010101010101010101010101010101010101010101010101010101010101010101010101010101010101010101010101010a0b00000000140101010101010101010101010101100401011014010101010101010101010101010101130401010101010101010101010101010101010101100401010101020300000c0d010101010101010101130e01010101020305060101010101010101010111120d010101020305060101010101010a0f0d01100c0d01010102030506010101010101010a0b00000401010101020305060101010101010101010101010101010102030506010101010101010101010101010101010203000000000c0d01010101010101010101010102030506010107000e01010101010101010101010203050601010a0b05060101010101010101010102030506010102030c0d010101010101010101010203050601010a0b0c0d01010101010101010101020305060101070008090101010101010101010203000000000000040101010101010101010101010101010101010101010101010101010101010101010101010101010101010101010101010101010101010101010101010101010101010101010101010101010101010101010101010101010101010101010101010101010101010101010101010101014c0000006400000000000000000000001200000018000000000000000000000013000000190000002900aa0000000000000000000000803f00000000000000000000803f0000000000000000000000000000000000000000000000000000000000000000220000000c000000ffffffff460000001c00000010000000454d462b024000000c000000000000000e000000140000000000000010000000140000000400000003010800050000000b0200000000050000000c0219001300030000001e000400000007010400040000000701040045010000410b2000cc00190013000000000019001300000000002800000013000000190000000100080000000000000000000000000000000000150000000000000000000000ffffff00dfffff0000489c00bf74000074000000ffffbf000074bf009c480000ffffdf00bfffff000000740048000000ffdf9c00df9c48004800740074bfff009cdfff0048004800489cdf00ffbf740001010101010101010101010101010101010101010101010101010101010101010101010101010101010101010101010101010101010101010101010101010101010101010101010a0b00000000140101010101010101010101010101100401011014010101010101010101010101010101130401010101010101010101010101010101010101100401010101020300000c0d010101010101010101130e01010101020305060101010101010101010111120d010101020305060101010101010a0f0d01100c0d01010102030506010101010101010a0b00000401010101020305060101010101010101010101010101010102030506010101010101010101010101010101010203000000000c0d01010101010101010101010102030506010107000e01010101010101010101010203050601010a0b05060101010101010101010102030506010102030c0d010101010101010101010203050601010a0b0c0d01010101010101010101020305060101070008090101010101010101010203000000000000040101010101010101010101010101010101010101010101010101010101010101010101010101010101010101010101010101010101010101010101010101010101010101010101010101010101010101010101010101010101010101010101010101010101010101010101010101010c00000040092900aa000000000000001900130000000000040000002701ffff030000000000>=120кВт
и >010009000003b404000000003603000000003603000026060f006206574d464301000000000001008fc60000000001000000400600000000000040060000010000006c000000000000000000000012000000180000000000000000000000da0100007002000020454d4600000100400600000c00000001000000000000000000000000000000000500002003000040010000c800000000000000000000000000000000e20400400d0300460000002c00000020000000454d462b014001001c000000100000000210c0db010000006000000060000000460000001402000008020000454d462b224004000c000000000000001e4009000c00000000000000244001000c000000000000003040020010000000040000000000803f214007000c000000000000000840000560010000540100000210c0db01000000000000000000000000000000000000000100000089504e470d0a1a0a0000000d49484452000000130000001908020000005ca982fd000000017352474200aece1ce9000000097048597300000ec400000ec401952b0e1b000000dd49444154384f63fcffff3f035980892c5d204d434ee783b99e8c5840e9010241000cdbffffefcff1002a2bd90fe600c1fe12b02e8f39f761229834f61072e806ebddb166ef039c16e30a5b050d902bf0015c3a1fdcd801d4a6a3ac40a29d074a1d7b40decc76c0632b520821abc21b38603dc8ae4584edffffdb9371bb1362038d531f725af19c0b8d2862ec7cb0770d03344dec2fd9919209d14b8c4e85e4ed306f2347332ce941bc8d3f484189141e8c0cb813268a0c342523256e6275428d01670d88b5c4f8f34029233c4491520b31ae856442b490601c52651f00070f48ff652001e50000000049454e44ae4260820840010824000000180000000210c0db01000000030000000000000000000000000000001b40000040000000340000000100000002000000000000bf000000bf000098410000c84103000000000000b3000000b3ffff9741000000b3000000b3ffffc7412100000008000000620000000c00000001000000150000000c00000004000000150000000c0000000400000051000000c8020000000000000000000012000000180000000000000000000000000000000000000013000000190000005000000084000000d4000000f4010000000000002000cc0013000000190000002800000013000000190000000100080000000000000000000000000000000000170000000000000000000000ffffff00dfffff0000489c00bf74000074000000ffffbf000074bf009c480000ffffdf00bfffff000000740048000000ffdf9c00df9c4800489cdf0048489c0074bfff009cdfff0048004800ffbf740000004800480074000101010101010101010101010101010101010101010101010101010101010101010101010101010101010101010101010101010101010101010101010101010101010101010101010f0000000e01010101010101010101010101010a160d01121514010101010101010101010101010101010112151401010101010101010101010101010107000014010101020300000c0d010101010101010102031401010101020305060101010101010101010112130d0101010203050601010101010102100d01110c0d01010102030506010101010101010f0000000e01010101020305060101010101010101010101010101010102030506010101010101010101010101010101010203000000000c0d01010101010101010101010102030506010107000e01010101010101010101010203050601010a0b05060101010101010101010102030506010102030c0d010101010101010101010203050601010a0b0c0d01010101010101010101020305060101070008090101010101010101010203000000000000040101010101010101010101010101010101010101010101010101010101010101010101010101010101010101010101010101010101010101010101010101010101010101010101010101010101010101010101010101010101010101010101010101010101010101010101010101014c0000006400000000000000000000001200000018000000000000000000000013000000190000002900aa0000000000000000000000803f00000000000000000000803f0000000000000000000000000000000000000000000000000000000000000000220000000c000000ffffffff460000001c00000010000000454d462b024000000c000000000000000e000000140000000000000010000000140000000400000003010800050000000b0200000000050000000c0219001300030000001e000400000007010400040000000701040049010000410b2000cc00190013000000000019001300000000002800000013000000190000000100080000000000000000000000000000000000170000000000000000000000ffffff00dfffff0000489c00bf74000074000000ffffbf000074bf009c480000ffffdf00bfffff000000740048000000ffdf9c00df9c4800489cdf0048489c0074bfff009cdfff0048004800ffbf740000004800480074000101010101010101010101010101010101010101010101010101010101010101010101010101010101010101010101010101010101010101010101010101010101010101010101010f0000000e01010101010101010101010101010a160d01121514010101010101010101010101010101010112151401010101010101010101010101010107000014010101020300000c0d010101010101010102031401010101020305060101010101010101010112130d0101010203050601010101010102100d01110c0d01010102030506010101010101010f0000000e01010101020305060101010101010101010101010101010102030506010101010101010101010101010101010203000000000c0d01010101010101010101010102030506010107000e01010101010101010101010203050601010a0b05060101010101010101010102030506010102030c0d010101010101010101010203050601010a0b0c0d01010101010101010101020305060101070008090101010101010101010203000000000000040101010101010101010101010101010101010101010101010101010101010101010101010101010101010101010101010101010101010101010101010101010101010101010101010101010101010101010101010101010101010101010101010101010101010101010101010101010c00000040092900aa000000000000001900130000000000040000002701ffff030000000000>=80кВт
при угловой скорости ω=60>0100090000036805000000009203000000009203000026060f001a07574d4643010000000000010069510000000001000000f806000000000000f8060000010000006c000000000000000000000019000000180000000000000000000000890200007002000020454d4600000100f80600000c00000001000000000000000000000000000000000500002003000040010000c800000000000000000000000000000000e20400400d0300460000002c00000020000000454d462b014001001c000000100000000210c0db010000006000000060000000460000001c02000010020000454d462b224004000c000000000000001e4009000c00000000000000244001000c000000000000003040020010000000040000000000803f214007000c0000000000000008400005680100005c0100000210c0db01000000000000000000000000000000000000000100000089504e470d0a1a0a0000000d494844520000001a000000190802000000a0bca937000000017352474200aece1ce9000000097048597300000ec400000ec401952b0e1b000000e349444154484bed94311283201045d99c84993416398499347a1f3d85f669f41e767a080b1b476e4216481811861086c222db81f2d8bfff0fc03927e9ea920e254827c34d35403d6989f1ddb1be04807b6b4c2b1e471e4fb471eb8a3d2f1e4729b56df4e0c458ecda0dca110a0f2e6f508c554dee8b96c699bd943d0b0b245b06e34779fd58e15e35aa56c4a2e836576bfbbd8309ea0439c2be51fcdf512c5b676c2773f814a6f7101429ff764d8593f4790d9cbdbf63144b330cf6b024c1092b94b1da59b10c70d6e989c469a252f2494c84c9f07f8d7fcfeffb44fc7be7bcf2dcb817a030414b023dd53a0000000049454e44ae42608200000840010824000000180000000210c0db01000000030000000000000000000000000000001b40000040000000340000000100000002000000000000bf000000bf0000d0410000c84103000000000080b3000080b3ffffcf41000080b3000080b3ffffc7412100000008000000620000000c00000001000000150000000c00000004000000150000000c00000004000000510000007803000000000000000000001900000018000000000000000000000000000000000000001a00000019000000500000006c000000bc000000bc020000000000002000cc001a00000019000000280000001a000000190000000100080000000000000000000000000000000000110000000000000000000000ffffff000074bf00bf740000489cdf00dfdfdf00bfffff0000007400ffbf74009c480000ffffdf00df9c480074000000ffffbf00dfffff0000489c0074bfff000101010101010101010101010101010101010101010101010101ff000101010101010101010101010101010101010101010101010101ff000101010101010101010101010101010101010101010101010101ff000101010101010101010101010101010101010101010101010101ff000101010101010101010101010101010101010101010101010101ff000101010101010101010101010101010101010101010101010101ff000101010101010101010101010101010101010101010101010101ff000101100000000301010101010101010101010101010101010101ff0001100003010110090a0101010101010101010101010101010101ff000e0f0c0d01010101010101010101010101010101010101010101ff000607090a01010101010101010101010101010101010101010101ff000607030101010101010101010101010101010101010101010101df000e0f090a01010101010101010101010101010101010101010101ff0001020c0d01010101010101010101010101010101010101010101df0001060703010102090a0101010101010101010104000000000b01ff0001010607000000090a0101010101010101010101010203010101ff000101010101010101010101010101010101010101010403010101ff000101010101010101060700000000000008010101010403010101ff000101010101010101010101010101010101010101010403010101ff000101010101010101010101010101010101010105010403010101ff000101010101010101010101010101010101010104000003010101ff000101010101010101010101010101010101010101010203010101ff000101010101010101010101010101010101010101010101010101ff000101010101010101010101010101010101010101010101010101ff000101010101010101010101010101010101010101010101010101ff004c000000640000000000000000000000190000001800000000000000000000001a000000190000002900aa0000000000000000000000803f00000000000000000000803f0000000000000000000000000000000000000000000000000000000000000000220000000c000000ffffffff460000001c00000010000000454d462b024000000c000000000000000e000000140000000000000010000000140000000400000003010800050000000b0200000000050000000c0219001a00030000001e0004000000070104000400000007010400a1010000410b2000cc0019001a000000000019001a0000000000280000001a000000190000000100080000000000000000000000000000000000110000000000000000000000ffffff000074bf00bf740000489cdf00dfdfdf00bfffff0000007400ffbf74009c480000ffffdf00df9c480074000000ffffbf00dfffff0000489c0074bfff000101010101010101010101010101010101010101010101010101ff000101010101010101010101010101010101010101010101010101ff000101010101010101010101010101010101010101010101010101ff000101010101010101010101010101010101010101010101010101ff000101010101010101010101010101010101010101010101010101ff000101010101010101010101010101010101010101010101010101ff000101010101010101010101010101010101010101010101010101ff000101100000000301010101010101010101010101010101010101ff0001100003010110090a0101010101010101010101010101010101ff000e0f0c0d01010101010101010101010101010101010101010101ff000607090a01010101010101010101010101010101010101010101ff000607030101010101010101010101010101010101010101010101df000e0f090a01010101010101010101010101010101010101010101ff0001020c0d01010101010101010101010101010101010101010101df0001060703010102090a0101010101010101010104000000000b01ff0001010607000000090a0101010101010101010101010203010101ff000101010101010101010101010101010101010101010403010101ff000101010101010101060700000000000008010101010403010101ff000101010101010101010101010101010101010101010403010101ff000101010101010101010101010101010101010105010403010101ff000101010101010101010101010101010101010104000003010101ff000101010101010101010101010101010101010101010203010101ff000101010101010101010101010101010101010101010101010101ff000101010101010101010101010101010101010101010101010101ff000101010101010101010101010101010101010101010101010101ff000c00000040092900aa0000000000000019001a0000000000040000002701ffff030000000000>,
если допускаемое касательное напряжение
[>0100090000039604000000002003000000002003000026060f003606574d4643010000000000010056040000000001000000140600000000000014060000010000006c000000000000000000000010000000180000000000000000000000a80100007002000020454d4600000100140600000c00000001000000000000000000000000000000000500002003000040010000c800000000000000000000000000000000e20400400d0300460000002c00000020000000454d462b014001001c000000100000000210c0db01000000600000006000000046000000f8010000ec010000454d462b224004000c000000000000001e4009000c00000000000000244001000c000000000000003040020010000000040000000000803f214007000c000000000000000840000544010000380100000210c0db01000000000000000000000000000000000000000100000089504e470d0a1a0a0000000d4948445200000011000000190802000000585c52c0000000017352474200aece1ce9000000097048597300000ec400000ec401952b0e1b000000c049444154384f63fcffff3f0389808944f520e5a37ae81b060fe67a326200cfb90f7046ddfe12068f39f781a9e1fffd391e0c0c25fb414cfc80012e4db496ff8874f0e0c60e060f0d0522d2125ccf81ad3d0c0c3acaa4e87970f70a0391d6c0d328d86521cec45803d303b6060c0e9432961e40b0417100e243e2031a01b07003863918a00636501424000c5324714458638d139849284611ce73600bf63338229c4c580fd8c50ed9733c7a3a61c9095f3281ba0c6c133899409cc83888cb1d00623efdeb91f36c0c0000000049454e44ae426082000840010824000000180000000210c0db01000000030000000000000000000000000000001b40000040000000340000000100000002000000000000bf000000bf000088410000c84103000000000000b3000000b3ffff8741000000b3000000b3ffffc7412100000008000000620000000c00000001000000150000000c00000004000000150000000c0000000400000051000000b8020000000000000000000010000000180000000000000000000000000000000000000011000000190000005000000074000000c4000000f4010000000000002000cc0011000000190000002800000011000000190000000100080000000000000000000000000000000000130000000000000000000000ffffff00489cdf00df9c48000074bf009cdfff0000004800ffbf740074000000ffffbf009c480000ffffdf00bfffff0000007400bf74000074bfff0048000000ffdf9c00bf7448000101010101010101010101010101010101010101010101010101010101010101010101010101010101010101010101010101010101010101010101010101010101010101010f00080905060e0101010101010101010101010101040701020a0b011401010101010101010101010104070c0d070101140101010101010101010101010400000701010101010101010c0d000e010101010407051201010101010101010210110f0e01010f000809020003010d010101010f10110101010101010101010101010d0101010105060301010101010101010101010101010101010c0d0e010101010101010101010101010101010101040a0b01010101010101010101010101010101010208090101010101010101010101010101040301050607010101010101010101010101010101020000000000000301010101010101010101010101010101010101010101010101010101010101010101010101010101010101010101010101010101010101010101010101010101010101010101010101010101010101010101010101010101010101010101010101010101010101010101010101010101010101010101010101010101010101010101010101010101010101010101010101010101010101010101010101010101010101010101010101010101010101010101010101010101010101010101014c0000006400000000000000000000001000000018000000000000000000000011000000190000002900aa0000000000000000000000803f00000000000000000000803f0000000000000000000000000000000000000000000000000000000000000000220000000c000000ffffffff460000001c00000010000000454d462b024000000c000000000000000e000000140000000000000010000000140000000400000003010800050000000b0200000000050000000c0219001100030000001e000400000007010400040000000701040041010000410b2000cc00190011000000000019001100000000002800000011000000190000000100080000000000000000000000000000000000130000000000000000000000ffffff00489cdf00df9c48000074bf009cdfff0000004800ffbf740074000000ffffbf009c480000ffffdf00bfffff0000007400bf74000074bfff0048000000ffdf9c00bf7448000101010101010101010101010101010101010101010101010101010101010101010101010101010101010101010101010101010101010101010101010101010101010101010f00080905060e0101010101010101010101010101040701020a0b011401010101010101010101010104070c0d070101140101010101010101010101010400000701010101010101010c0d000e010101010407051201010101010101010210110f0e01010f000809020003010d010101010f10110101010101010101010101010d0101010105060301010101010101010101010101010101010c0d0e010101010101010101010101010101010101040a0b01010101010101010101010101010101010208090101010101010101010101010101040301050607010101010101010101010101010101020000000000000301010101010101010101010101010101010101010101010101010101010101010101010101010101010101010101010101010101010101010101010101010101010101010101010101010101010101010101010101010101010101010101010101010101010101010101010101010101010101010101010101010101010101010101010101010101010101010101010101010101010101010101010101010101010101010101010101010101010101010101010101010101010101010101010c00000040092900aa000000000000001900110000000000040000002701ffff030000000000>]=30МПа,
а допускаемый относительный угол
закручивания [>0100090000032605000000007803000000007803000026060f00e606574d46430100000000000100824c0000000001000000c406000000000000c4060000010000006c0000000000000000000000140000001800000000000000000000000c0200007002000020454d4600000100c40600000c00000001000000000000000000000000000000000500002003000040010000c800000000000000000000000000000000e20400400d0300460000002c00000020000000454d462b014001001c000000100000000210c0db01000000600000006000000046000000380200002c020000454d462b224004000c000000000000001e4009000c00000000000000244001000c000000000000003040020010000000040000000000803f214007000c000000000000000840000584010000780100000210c0db01000000000000000000000000000000000000000100000089504e470d0a1a0a0000000d494844520000001500000019080200000051b7f2ba000000017352474200aece1ce9000000097048597300000ec400000ec401952b0e1b0000010049444154384fed53bb11c2300cb533097734140c913239c66085640a1821d98096230d970c4141c3c59b84489663c984cf9d0b28506359d6d3e749d6c330a8084922b000fde3e308fc25fe4c9debb2c37eba5293e4b579d9e1b87f207d952995553de86de1546e25c7e05078f708a9e3832ada792c58012f9c78a820d85c94112f1058f194f06dfa2151e676f10499f3a151c526b596eeb81f83d10dd8b5222895e58744384a915f5b16684434f58f35a36d825b936cc475250258fea9083e689f829ebd01b2b8606e7fd35d30c6d376f1c9cfe0fb8f4cae974f70cd951611dcb295f36243e57585b3f66f8ffc310a64d72208ee020adf470d3388906fffff3b5902d6a19a57a7290000000049454e44ae426082000840010824000000180000000210c0db01000000030000000000000000000000000000001b40000040000000340000000100000002000000000000bf000000bf0000a8410000c84103000000000000b3000000b3ffffa741000000b3000000b3ffffc7412100000008000000620000000c00000001000000150000000c00000004000000150000000c000000040000005100000028030000000000000000000014000000180000000000000000000000000000000000000015000000190000005000000080000000d000000058020000000000002000cc0015000000190000002800000015000000190000000100080000000000000000000000000000000000160000000000000000000000ffffff00dfffff0000489c00ffbf740074bfff0048000000ffdf9c009cdfff0000004800df9c48009c480000ffffdf00bfffff00000074000074bf0074000000ffffbf00489cdf00bf7400004800480048007400010101010101010101010101010101010101010101010101010101010101010101010101010101010101010101010101010101010101010101010101010101010101010101010101010101050607010101010101010d0e0000040101010101010101010d0e04010101010101010f130108140701010101030101010203130101010101010d0e040102030a0101010103010101010f0b0c01010101010d150701010f13010101010301010500000000000a0101010d150701010f1301011601030112000a05060708091011010d0e040102030a01011101030d0e13010d0e0a010d0e0b0c01121301081407010101010308090a01020313010105000401020300000a0101010101030d0e0a0101121011010d0e13010101010101010101010103010f10110105060701010f0b0c0101010101010101010103010d0e0a010d0e0a01010f10110101010101010101010103010108090a0105060702030b0c01010101010101010101030101010203040105000006070101010101010101010101030101010101010101010101010101010101010101010101030101010101010101010101010101010101010101010101030101010101010101010101010101010101010101010101030101010101010101010101010101010101010101010101030101010101010101010101010101010101010101010101030101010101010101010101010101010101010101010101010101010101010101010101010101010101010101010101010101010101010101010101010101010101010101010101010101010101010101010101010101010101010101010101014c0000006400000000000000000000001400000018000000000000000000000015000000190000002900aa0000000000000000000000803f00000000000000000000803f0000000000000000000000000000000000000000000000000000000000000000220000000c000000ffffffff460000001c00000010000000454d462b024000000c000000000000000e000000140000000000000010000000140000000400000003010800050000000b0200000000050000000c0219001500030000001e000400000007010400040000000701040079010000410b2000cc00190015000000000019001500000000002800000015000000190000000100080000000000000000000000000000000000160000000000000000000000ffffff00dfffff0000489c00ffbf740074bfff0048000000ffdf9c009cdfff0000004800df9c48009c480000ffffdf00bfffff00000074000074bf0074000000ffffbf00489cdf00bf7400004800480048007400010101010101010101010101010101010101010101010101010101010101010101010101010101010101010101010101010101010101010101010101010101010101010101010101010101050607010101010101010d0e0000040101010101010101010d0e04010101010101010f130108140701010101030101010203130101010101010d0e040102030a0101010103010101010f0b0c01010101010d150701010f13010101010301010500000000000a0101010d150701010f1301011601030112000a05060708091011010d0e040102030a01011101030d0e13010d0e0a010d0e0b0c01121301081407010101010308090a01020313010105000401020300000a0101010101030d0e0a0101121011010d0e13010101010101010101010103010f10110105060701010f0b0c0101010101010101010103010d0e0a010d0e0a01010f10110101010101010101010103010108090a0105060702030b0c01010101010101010101030101010203040105000006070101010101010101010101030101010101010101010101010101010101010101010101030101010101010101010101010101010101010101010101030101010101010101010101010101010101010101010101030101010101010101010101010101010101010101010101030101010101010101010101010101010101010101010101030101010101010101010101010101010101010101010101010101010101010101010101010101010101010101010101010101010101010101010101010101010101010101010101010101010101010101010101010101010101010101010101010c00000040092900aa000000000000001900150000000000040000002701ffff030000000000>]=0,02
>0100090000034206000000001804000000001804000026060f002608574d464301000000000001006c370000000001000000040800000000000004080000010000006c0000000000000000000000140000002000000000000000000000000c0200003803000020454d4600000100040800000c00000001000000000000000000000000000000000500002003000040010000c800000000000000000000000000000000e20400400d0300460000002c00000020000000454d462b014001001c000000100000000210c0db010000006000000060000000460000008002000074020000454d462b224004000c000000000000001e4009000c00000000000000244001000c000000000000003040020010000000040000000000803f214007000c0000000000000008400005cc010000c00100000210c0db01000000000000000000000000000000000000000100000089504e470d0a1a0a0000000d4948445200000015000000210802000000b99e777a000000017352474200aece1ce9000000097048597300000ec400000ec401952b0e1b0000014749444154484bed54316ec3300ca4fb12155e32f81106bab8f0da1fb84b909582df10c47b17f71941bad98fe890a5887fe29212a5aaa9e53ac890a1e564d1ba1379942e19c711ae88bb2bb0067a6a0b80a23d756899e8934aa2303fa633411adc46ec18c42cfc456021a28ca7a434327d9093fab1dbe5cc9a9708ef1f03a8ea70a81467d44acae0c57084d4647d44fb1f5e1f138efbe737bfb9df43698ef981e73339fa7d0359aa08bc86172383d385fee9ed6a730607dfbf504aaf5e3c4064618b22e822dc2a78ab5e3cbef4943d2eb178fed9d343a89c4a335b86abf4b70a22b525b7bebfdfc779f1ead6f52f9e5fa4b37ffcc5235fe61f0b69a7f4efb5711edd5b0e7122b73c239e7c571d624bf62b4eca16127b9ed1f9a7558dcd56ebf5b1de95f16666ee4fbe69a181da1a732ce6ee1f99f8388f26d689feade5fa8ec581a715f8ebeff713b75a6fa6f26d62040000000049454e44ae42608200000840010824000000180000000210c0db01000000030000000000000000000000000000001b40000040000000340000000100000002000000000000bf000000bf0000a8410000044203000000000000b3000000b3ffffa741000000b3000000b3ffff03422100000008000000620000000c00000001000000150000000c00000004000000150000000c0000000400000051000000200400000000000000000000140000002000000000000000000000000000000000000000150000002100000050000000b80000000801000018030000000000002000cc0015000000210000002800000015000000210000000100080000000000000000000000000000000000240000000000000000000000ffffff00489cdf0048000000bfdf9c00000074009c480000ffffdf009cdfff0000004800df9c4800dfffff0000489c0074000000ffffbf00bfffff00ffbf74009c48480048007400ffdf9c00749cdf0074bfff000074bf0048489c007474bf00bf7474004874bf0000747400004848009c749c009c487400489c9c00bf74000074489c00bfffbf0048747400010101010101010101010101010101010101010101ffffff010101010101010101010101010101010101010101ffffff010101010101010101010101010101010101010101ffffff0101010101010101010101010101010101010101010000ff010101010101150020010115000d0e0101010101010000ff01010101010101180e010101161001010101010101ffffff01010101010101180e022001161001010101010101ffffff010101010101011822122310161001010101010101ffffff01010101010101181f200b211b1001010101010101ffffff01010101010115000d0e0108090d0e010101010101ffffff010101010101010101010101010101010101010101ffffff010101010101010101010101010101010101010101ffffff010101010101010101010101010101010101010101ffffff010101010101010101010101010101010101010101ffffff010101010101010101010101010101010101010101ffffff010101010101010101010101010101010101010101ffffff010101010101010101010101010101010101010101ffffff010101010101010101010101010101010101010101ffffff010101010101010101010101010101010101010101ffffff000000000000000000000000000000000000000000ffffff010101010101010101010101010101010101010101ffffff010101010101010101010101010101010101010101ffffff02000d0e0101010101010101010101010101010101ffffff0b0c100101010101010101010b1d070101010f1e07ffffff0b0c100101010101010101010b1713010101081107ffffff0b0c0000000a010809000d1b031c00000000000607ffffff0b0c0a010f0510020a010f1213011a130115060701ffffff0b0c100101160a010200000313010f190115060701ffffff0b0c100101160a0101010b17130101180e15060701ffffff0b0c0d0e0f05100811070f12130101141315060701ffffff020304050006070108090006070108090000000a01ffffff010101010101010101010101010101010101010101ffffff010101010101010101010101010101010101010101ffffff4c0000006400000000000000000000001400000020000000000000000000000015000000210000002900aa0000000000000000000000803f00000000000000000000803f0000000000000000000000000000000000000000000000000000000000000000220000000c000000ffffffff460000001c00000010000000454d462b024000000c000000000000000e000000140000000000000010000000140000000400000003010800050000000b0200000000050000000c0221001500030000001e0004000000070104000400000007010400f5010000410b2000cc00210015000000000021001500000000002800000015000000210000000100080000000000000000000000000000000000240000000000000000000000ffffff00489cdf0048000000bfdf9c00000074009c480000ffffdf009cdfff0000004800df9c4800dfffff0000489c0074000000ffffbf00bfffff00ffbf74009c48480048007400ffdf9c00749cdf0074bfff000074bf0048489c007474bf00bf7474004874bf0000747400004848009c749c009c487400489c9c00bf74000074489c00bfffbf0048747400010101010101010101010101010101010101010101ffffff010101010101010101010101010101010101010101ffffff010101010101010101010101010101010101010101ffffff0101010101010101010101010101010101010101010000ff010101010101150020010115000d0e0101010101010000ff01010101010101180e010101161001010101010101ffffff01010101010101180e022001161001010101010101ffffff010101010101011822122310161001010101010101ffffff01010101010101181f200b211b1001010101010101ffffff01010101010115000d0e0108090d0e010101010101ffffff010101010101010101010101010101010101010101ffffff010101010101010101010101010101010101010101ffffff010101010101010101010101010101010101010101ffffff010101010101010101010101010101010101010101ffffff010101010101010101010101010101010101010101ffffff010101010101010101010101010101010101010101ffffff010101010101010101010101010101010101010101ffffff010101010101010101010101010101010101010101ffffff010101010101010101010101010101010101010101ffffff000000000000000000000000000000000000000000ffffff010101010101010101010101010101010101010101ffffff010101010101010101010101010101010101010101ffffff02000d0e0101010101010101010101010101010101ffffff0b0c100101010101010101010b1d070101010f1e07ffffff0b0c100101010101010101010b1713010101081107ffffff0b0c0000000a010809000d1b031c00000000000607ffffff0b0c0a010f0510020a010f1213011a130115060701ffffff0b0c100101160a010200000313010f190115060701ffffff0b0c100101160a0101010b17130101180e15060701ffffff0b0c0d0e0f05100811070f12130101141315060701ffffff020304050006070108090006070108090000000a01ffffff010101010101010101010101010101010101010101ffffff010101010101010101010101010101010101010101ffffff0c00000040092900aa000000000000002100150000000000040000002701ffff030000000000>.

Определяем скручивающие моменты
>>>
>
= >0100090000030a05000000006a03000000006a03000026060f00ca06574d46430100000000000100e7920000000001000000a806000000000000a8060000010000006c00000000000000000000000d0000002200000000000000000000005d0100006a03000020454d4600000100a80600000c00000001000000000000000000000000000000000500002003000040010000c800000000000000000000000000000000e20400400d0300460000002c00000020000000454d462b014001001c000000100000000210c0db01000000600000006000000046000000380200002c020000454d462b224004000c000000000000001e4009000c00000000000000244001000c000000000000003040020010000000040000000000803f214007000c000000000000000840000584010000780100000210c0db01000000000000000000000000000000000000000100000089504e470d0a1a0a0000000d494844520000000e0000002308020000002b18ac6e000000017352474200aece1ce9000000097048597300000ec400000ec401952b0e1b0000010149444154384fed54bb0d8330103d330952da0c81446394960db2024c91156083b45168221822459a086f62ce5f8c634750a034b9ea6c3f3f3f9ddf1de19cc3ba48d6c1042a81a1268ba887d86d14303614aa1e13959a5c6e38e10948f392c2f3cd42c41e943dae1d1c0f69508379d51cd266f45fd66bc3aab5727e3f87294505be8428ce5c901894b5052137a85c22deeb6548249e59653c81eca264c7456ae60d1f0b91ca585d9252aa20bb386bbd07611f011b8af587ba1540d317ad6d5634b7b312bfaa9de5cc02eb3534b6eb7705f586860678d7a500d1fdd52993d661af8e96b9ec5a4c176e32a48ac919441f33496b35bd88e27a31b666efcf5df273134ebe0433fd6fad134e0000000049454e44ae4260820840010824000000180000000210c0db01000000030000000000000000000000000000001b40000040000000340000000100000002000000000000bf000000bf0000604100000c4203000000000000b3000000b3ffff5f41000000b3000000b3ffff0b422100000008000000620000000c00000001000000150000000c00000004000000150000000c00000004000000510000000c03000000000000000000000d00000022000000000000000000000000000000000000000e00000023000000500000008c000000dc00000030020000000000002000cc000e00000023000000280000000e000000230000000100080000000000000000000000000000000000190000000000000000000000ffffff0074bfff0074000000ffffbf00489cdf00bf740000dfffff0000489c009c480000ffffdf007474000074007400df9c4800bfffff000074bf0048007400ffdf9c009cdfff009c48480074004800ffbf74004800480000004800bf9c480001010101010101010101010101010101010101010101010101010101010101010101010101010101010101010101010101010f00001808000015010101010101011216110708060112171501010101ff011214040102090a010f060101010000010708150112161101050601010101010101121404010101010f0d01010101010101010e1011010112130a0101010101010101010101010101010101010101ff010101010101010101010101010101010101010101010101010101010101010601010101010101010101010101010c0101010101010101010101010101010615010101010101010101010101010101ff0101010101010101010101010101010101010101010101010101010101010c0101010101010101010101010101010c0100000000000000000000000000000301010101010101010101010101010101ff0101010101010101010101010101010101010101010101010f000000060108010101010101010101010e0c04010108020101010101010101010e0c04010102000200000d01010101010e0c04010101ff0105060101010107080b0c040101010101050601010101010102030401010101010506010101010101010101010101010105000000090a010101010101010101010506010708060101010101010101ff010506010105090a0101010101010101010506010708060101010101010101010200000000030401010101010101010101010101010101010101010101010101010101010101010101010101010101004c0000006400000000000000000000000d0000002200000000000000000000000e000000230000002900aa0000000000000000000000803f00000000000000000000803f0000000000000000000000000000000000000000000000000000000000000000220000000c000000ffffffff460000001c00000010000000454d462b024000000c000000000000000e000000140000000000000010000000140000000400000003010800050000000b0200000000050000000c0223000e00030000001e00040000000701040004000000070104006b010000410b2000cc0023000e000000000023000e0000000000280000000e000000230000000100080000000000000000000000000000000000190000000000000000000000ffffff0074bfff0074000000ffffbf00489cdf00bf740000dfffff0000489c009c480000ffffdf007474000074007400df9c4800bfffff000074bf0048007400ffdf9c009cdfff009c48480074004800ffbf74004800480000004800bf9c480001010101010101010101010101010101010101010101010101010101010101010101010101010101010101010101010101010f00001808000015010101010101011216110708060112171501010101ff011214040102090a010f060101010000010708150112161101050601010101010101121404010101010f0d01010101010101010e1011010112130a0101010101010101010101010101010101010101ff010101010101010101010101010101010101010101010101010101010101010601010101010101010101010101010c0101010101010101010101010101010615010101010101010101010101010101ff0101010101010101010101010101010101010101010101010101010101010c0101010101010101010101010101010c0100000000000000000000000000000301010101010101010101010101010101ff0101010101010101010101010101010101010101010101010f000000060108010101010101010101010e0c04010108020101010101010101010e0c04010102000200000d01010101010e0c04010101ff0105060101010107080b0c040101010101050601010101010102030401010101010506010101010101010101010101010105000000090a010101010101010101010506010708060101010101010101ff010506010105090a0101010101010101010506010708060101010101010101010200000000030401010101010101010101010101010101010101010101010101010101010101010101010101010101000c00000040092900aa0000000000000023000e0000000000040000002701ffff030000000000>
= >010009000003da09000000000406000000000406000026060f00fe0b574d4643010000000000010030120000000001000000dc0b000000000000dc0b0000010000006c00000000000000000000002b0000002500000000000000000000004b040000b503000020454d4600000100dc0b00000c00000001000000000000000000000000000000000500002003000040010000c800000000000000000000000000000000e20400400d0300460000002c00000020000000454d462b014001001c000000100000000210c0db0100000060000000600000004600000000030000f4020000454d462b224004000c000000000000001e4009000c00000000000000244001000c000000000000003040020010000000040000000000803f214007000c00000000000000084000054c020000400200000210c0db01000000000000000000000000000000000000000100000089504e470d0a1a0a0000000d494844520000002c000000260802000000307dee30000000017352474200aece1ce9000000097048597300000ec400000ec401952b0e1b000001c6494441545847ed57318e833010347909e81a8a7b44a46b88d2de0f8e27904744a14f437e901689e6441e91e21a043ff1edda186c033a3be46422b11572d6e3d9d9316c3c4a29711d1bd704f07c27246e07af8bc3cd1109283e29c107b4cea2340716f8ec2a804394d5944aed6845427d4434975dabdbeed2fce91e049077e3862904765810171c94a900948442922ab8dac94618e78960fb59f07c1113086522c0ca047191449faa9c01091d26a6282cea2c9148d535121ce04c21e0ba08640ded68beaf451256adf08aee51e8f364ffed9d143fbc23a0642b7af7e4fb6ddea065a308db535fed698bb7033990f44acebc2f240ef4be6ac800b1cf83388d837c4f1163766c58915176fe62b5f81f9f11b957bc64d2154f9aea4e445150ff312ca11d65781c18512724e4531006ac792b45bf1587f62d1d580236c99ee0eaca16d057860892fff8ed909ca2d8af5f575daf5f92fe76b022250c23040ff066f7742e80936f874e7a252114598412733df594fdebed5894271661cc95c4eb7b62f648acbf5d2687d7f11fe68ec4a3a876ff3b1e19890daab4ba1db623b1e93bdd8684f548fc1f24ac47625312569e78682436f0841589278cc4a394d64ff9ebbfb68d5d6f98f80ba3af74ead19b988c0000000049454e44ae4260820000000840010824000000180000000210c0db01000000030000000000000000000000000000001b40000040000000340000000100000002000000000000bf000000bf000030420000184203000000000000b3000000b3ffff2f42000000b3000000b3ffff17422100000008000000620000000c00000001000000150000000c00000004000000150000000c00000004000000510000007807000000000000000000002b00000025000000000000000000000000000000000000002c0000002600000050000000a0000000f000000088060000000000002000cc002c00000026000000280000002c0000002600000001000800000000000000000000000000000000001e0000000000000000000000ffffff00bfffff000000740074000000ffffbf0074007400dfffff0000489c00ffbf74009cdfff009c484800ffffdf0074bfff00df9c48000074bf00bf7400009c480000489cdf0048004800ffdf9c009c487400df9c7400dfdfdf009c9c740000004800480074009cdfbf009cbf9c00bf9c7400010101010101010101010101010101010101010101010101010101010101010101010101010101010101010101010101010101010101010101010101010101010101010101010101010101010101010101010101010101010101010101010101010101010101010101010101010101010101010101010101010101010101010101010101010101010101010101010101010101010101010101010101010101010101010101010101010101010101010101010101010101010101010101010102030000110c0101020300000901010101010101010101010101010101010101010101010101010101010107080e0107081001010f10010a13140101010101010101010101010101010101010101010101010101010101021a14010112110c0203090107080e01010101010101010101010101010101010101010101010101010101010a19110c07081001021a1401010f1001010101010101010101010101010101010101010101010101010101010708181900110c01021a1401010f10010101010101010101010101010101010101010101010101010101010101121001010101010203090107080e01010101010101010101010101010101010101010101010101010101010107081001010101011210010a131401010101010101010101010101010101010101010101010101010101010101010d0004050101070800000e0101010101010101010101010101010101010101010101010101010101010101010101010101010101010101010101010101010101010101010101010101010101010101010101010101010101010101010101010101010101010101010101010101010101010101010101010101010101010101010101010101010101010101010101010101010101010101010101010101010101010101010101010101010101010101010101010101010101010101010101010101010101010101010101010101010101010101010101010101010101010101010101010101010101010101010101010101010101010101010101010101010101010101010101010101010101010101010101010101010101010101010101010101010101010101010101010101010101010101010101010101010101010101010101010101010101010101010101010000000000000000000000000000000000000000000000000000000000000000000000000000000000000000010101010101010101010101010101010101010101010101010101010101010101010101010101010101010101010101010101010101010101010101010101010101010101010101010101010101010101010101010101010101010101010101010101010101010101010101010101010101010101010101010101010101010101010101010101010101010101010101010101010101010101010101010101010101010101010101010101010101010101010101010101010101010101010101010101010101010101010101010101010101010101010101010101010102030000110c0101020300000901010101010101010112000000000e01010203000009010101010101010107080e0107081001010f10010a13140101010a1601010101010f10010101010f10010a131401010101010101021a14010112110c0203090107080e01021a1c1d080901010112100101010203090107080e010101010101010a19110c07081001021a1401010f10010102030009010101011210010101021a1401010f10010101010101010708181900110c01021a1401010f100102061b160f090101011210010101021a1401010f100101010101010101121001010101010203090107080e0101010a16010101170112100101010203090107080e010203000004050107081001010101011210010a1314010101010101010112000010010101011210010a13140102150c010f0e0101010d0004050101070800000e01010101010101010101010f1001010101070800000e010101020300110c01010101010101010101010101010101010101010101010101010101010101010101010101010101010a0b0c01010101010101010101010101010101010101010101010101010101010101010101010101010206050708090101010101010101010101010101010101010101010101010101010101010101010101010101020300000405010101010101010101010101010101010101010101010101010101010101010101010101010101010101010101010101010101010101010101010101010101010101010101010101010101010101010101010101010101014c0000006400000000000000000000002b0000002500000000000000000000002c000000260000002900aa0000000000000000000000803f00000000000000000000803f0000000000000000000000000000000000000000000000000000000000000000220000000c000000ffffffff460000001c00000010000000454d462b024000000c000000000000000e000000140000000000000010000000140000000400000003010800050000000b0200000000050000000c0226002c00030000001e0004000000070104000400000007010400a1030000410b2000cc0026002c000000000026002c0000000000280000002c0000002600000001000800000000000000000000000000000000001e0000000000000000000000ffffff00bfffff000000740074000000ffffbf0074007400dfffff0000489c00ffbf74009cdfff009c484800ffffdf0074bfff00df9c48000074bf00bf7400009c480000489cdf0048004800ffdf9c009c487400df9c7400dfdfdf009c9c740000004800480074009cdfbf009cbf9c00bf9c7400010101010101010101010101010101010101010101010101010101010101010101010101010101010101010101010101010101010101010101010101010101010101010101010101010101010101010101010101010101010101010101010101010101010101010101010101010101010101010101010101010101010101010101010101010101010101010101010101010101010101010101010101010101010101010101010101010101010101010101010101010101010101010101010102030000110c0101020300000901010101010101010101010101010101010101010101010101010101010107080e0107081001010f10010a13140101010101010101010101010101010101010101010101010101010101021a14010112110c0203090107080e01010101010101010101010101010101010101010101010101010101010a19110c07081001021a1401010f1001010101010101010101010101010101010101010101010101010101010708181900110c01021a1401010f10010101010101010101010101010101010101010101010101010101010101121001010101010203090107080e01010101010101010101010101010101010101010101010101010101010107081001010101011210010a131401010101010101010101010101010101010101010101010101010101010101010d0004050101070800000e0101010101010101010101010101010101010101010101010101010101010101010101010101010101010101010101010101010101010101010101010101010101010101010101010101010101010101010101010101010101010101010101010101010101010101010101010101010101010101010101010101010101010101010101010101010101010101010101010101010101010101010101010101010101010101010101010101010101010101010101010101010101010101010101010101010101010101010101010101010101010101010101010101010101010101010101010101010101010101010101010101010101010101010101010101010101010101010101010101010101010101010101010101010101010101010101010101010101010101010101010101010101010101010101010101010101010101010101010000000000000000000000000000000000000000000000000000000000000000000000000000000000000000010101010101010101010101010101010101010101010101010101010101010101010101010101010101010101010101010101010101010101010101010101010101010101010101010101010101010101010101010101010101010101010101010101010101010101010101010101010101010101010101010101010101010101010101010101010101010101010101010101010101010101010101010101010101010101010101010101010101010101010101010101010101010101010101010101010101010101010101010101010101010101010101010101010102030000110c0101020300000901010101010101010112000000000e01010203000009010101010101010107080e0107081001010f10010a13140101010a1601010101010f10010101010f10010a131401010101010101021a14010112110c0203090107080e01021a1c1d080901010112100101010203090107080e010101010101010a19110c07081001021a1401010f10010102030009010101011210010101021a1401010f10010101010101010708181900110c01021a1401010f100102061b160f090101011210010101021a1401010f100101010101010101121001010101010203090107080e0101010a16010101170112100101010203090107080e010203000004050107081001010101011210010a1314010101010101010112000010010101011210010a13140102150c010f0e0101010d0004050101070800000e01010101010101010101010f1001010101070800000e010101020300110c01010101010101010101010101010101010101010101010101010101010101010101010101010101010a0b0c01010101010101010101010101010101010101010101010101010101010101010101010101010206050708090101010101010101010101010101010101010101010101010101010101010101010101010101020300000405010101010101010101010101010101010101010101010101010101010101010101010101010101010101010101010101010101010101010101010101010101010101010101010101010101010101010101010101010101010c00000040092900aa0000000000000026002c0000000000040000002701ffff030000000000>
= 1000Н*М
>0100090000035605000000009c03000000009c03000026060f002e07574d46430100000000000100782600000000010000000c070000000000000c070000010000006c000000000000000000000017000000180000000000000000000000570200007002000020454d46000001000c0700000c00000001000000000000000000000000000000000500002003000040010000c800000000000000000000000000000000e20400400d0300460000002c00000020000000454d462b014001001c000000100000000210c0db01000000600000006000000046000000680200005c020000454d462b224004000c000000000000001e4009000c00000000000000244001000c000000000000003040020010000000040000000000803f214007000c0000000000000008400005b4010000a80100000210c0db01000000000000000000000000000000000000000100000089504e470d0a1a0a0000000d4948445200000018000000190802000000a449790a000000017352474200aece1ce9000000097048597300000ec400000ec401952b0e1b0000012e49444154484bdd95310e823014868b2761f418242e98aedc4037d61acf40ecca06376035b2183804abb137a9af2da5a52834c489b7d1d77ebcbefffd1070ced13f62f70f88606c1bc4ca63d0c7a59db4acbdcc24eddda01ae7ef22566ba491cf261af223e1ece3a6d984c0197a1fd7d4dea95c5f0e4b358c5d122b334a305ea638f24729dcd0aa893d2b54a49117673c47e1210152563279b6cdcf2839847e1c672025a9ae9e8204ed89fd39ee640f24d99eebc9b79ea945c2d395404d795ed5047bb6475e7eeab508c4ab299d6db399d240cff017d30a129a690f50b2fd5b0e248cabd6c680ba97120ba1e8c6f963680f7b7563e120adb3e1be7704ecb0fc81e242bdc8c4e09d6ff611ce1a8e00686dc0bd2c6bae04894ac7065f05b26b698802ae00e92f8b96408182edfe453ed466cae2e6a233890000000049454e44ae4260820000000840010824000000180000000210c0db01000000030000000000000000000000000000001b40000040000000340000000100000002000000000000bf000000bf0000c0410000c84103000000000000b3000000b3ffffbf41000000b3000000b3ffffc7412100000008000000620000000c00000001000000150000000c00000004000000150000000c000000040000005100000040030000000000000000000017000000180000000000000000000000000000000000000018000000190000005000000098000000e800000058020000000000002000cc00180000001900000028000000180000001900000001000800000000000000000000000000000000001c0000000000000000000000ffffff00dfffff0000489c00bf740000bfffff0000007400ffbf740074000000ffffbf0074bfff00747474000074bf00bfbf74009cdfff007400480074bfbf00489cdf00df9c48000000480048007400ffdf9c009c480000ffffdf0048000000dfdf9c00747448004800480001010101010101010101010101010101010101010101010101010101010101010101010101010101010101010101010101010101010101010101010101010101010101010101010101010101010101010101010101010101050600000000070101010101010101010101010101010101010a0401010a0701010101010101010101010101010101010101110401010101010101010101010101010101010101010101010a0401010102030000120101010101110000000701010101011112010101020312010101010101011100070101010101010e1b15010102030701010a181501010a00070101051415010a1815010102030701010c001201010a000701010105060000040101010203070105061a0f09010a00070101010101010101010101020307011118190307010a00070101010101010101010101020307020316170a16170a000701010101010101010101010203070e1312010514150a00070101010101010101010101020307110809010111120a0007010101010101010101010102030d06040101010e0f100007010101010101010101010102030b0007010101010c0b000701010101010101010101010203000809010101010a000007010101010101010101010203000004010101010105060000070101010101010101010101010101010101010101010101010101010101010101010101010101010101010101010101010101010101010101010101010101010101010101010101010101010101010101010101010101010101010101010101010101010101010101010101010101010101010101010101010101010101010101014c0000006400000000000000000000001700000018000000000000000000000018000000190000002900aa0000000000000000000000803f00000000000000000000803f0000000000000000000000000000000000000000000000000000000000000000220000000c000000ffffffff460000001c00000010000000454d462b024000000c000000000000000e000000140000000000000010000000140000000400000003010800050000000b0200000000050000000c0219001800030000001e000400000007010400040000000701040085010000410b2000cc001900180000000000190018000000000028000000180000001900000001000800000000000000000000000000000000001c0000000000000000000000ffffff00dfffff0000489c00bf740000bfffff0000007400ffbf740074000000ffffbf0074bfff00747474000074bf00bfbf74009cdfff007400480074bfbf00489cdf00df9c48000000480048007400ffdf9c009c480000ffffdf0048000000dfdf9c00747448004800480001010101010101010101010101010101010101010101010101010101010101010101010101010101010101010101010101010101010101010101010101010101010101010101010101010101010101010101010101010101050600000000070101010101010101010101010101010101010a0401010a0701010101010101010101010101010101010101110401010101010101010101010101010101010101010101010a0401010102030000120101010101110000000701010101011112010101020312010101010101011100070101010101010e1b15010102030701010a181501010a00070101051415010a1815010102030701010c001201010a000701010105060000040101010203070105061a0f09010a00070101010101010101010101020307011118190307010a00070101010101010101010101020307020316170a16170a000701010101010101010101010203070e1312010514150a00070101010101010101010101020307110809010111120a0007010101010101010101010102030d06040101010e0f100007010101010101010101010102030b0007010101010c0b000701010101010101010101010203000809010101010a000007010101010101010101010203000004010101010105060000070101010101010101010101010101010101010101010101010101010101010101010101010101010101010101010101010101010101010101010101010101010101010101010101010101010101010101010101010101010101010101010101010101010101010101010101010101010101010101010101010101010101010101010c00000040092900aa000000000000001900180000000000040000002701ffff030000000000>>
>
= >0100090000031205000000007003000000007003000026060f00d606574d4643010000000000010080040000000001000000b406000000000000b4060000010000006c00000000000000000000000d0000002200000000000000000000005d0100006a03000020454d4600000100b40600000c00000001000000000000000000000000000000000500002003000040010000c800000000000000000000000000000000e20400400d0300460000002c00000020000000454d462b014001001c000000100000000210c0db010000006000000060000000460000004002000034020000454d462b224004000c000000000000001e4009000c00000000000000244001000c000000000000003040020010000000040000000000803f214007000c00000000000000084000058c010000800100000210c0db01000000000000000000000000000000000000000100000089504e470d0a1a0a0000000d494844520000000e0000002308020000002b18ac6e000000017352474200aece1ce9000000097048597300000ec400000ec401952b0e1b0000010749444154384fe554410ec2201084bea489571f61d20b8dd7fec02fd04798f804fa03eff662da4778f062da9f20ec0252048387c6837be902cbecb09d5d2aa5247956e485e9a8828c2d5d583ba66e2b029360840fca41d7fab0e15940a0ac1a466e8f39061c84ced7734fb69b32cac166b5874c4c6166b3b6a886ab9497431c5257206e7e5d4c4d3ed41513a99a9c8e1dbc530e1c711324d5b12147126f7055768f90e95005878926c1e19b0ab5b43c6e741565e56b90ac43e0ab2ec866fb07a84af9358a58dbdcd5de0aa48de6cd02a7602743dcc1d06068988608ae435d75f7f3fd0ef3de7bd654d0b5ca5dfc1f0b6a15ef06d1db4c325c9de89918f4d8027bb515b0fcb9089f70837e3937eb02a40000000049454e44ae42608200000840010824000000180000000210c0db01000000030000000000000000000000000000001b40000040000000340000000100000002000000000000bf000000bf0000604100000c4203000000000000b3000000b3ffff5f41000000b3000000b3ffff0b422100000008000000620000000c00000001000000150000000c00000004000000150000000c00000004000000510000001003000000000000000000000d00000022000000000000000000000000000000000000000e000000230000005000000090000000e000000030020000000000002000cc000e00000023000000280000000e0000002300000001000800000000000000000000000000000000001a0000000000000000000000ffffff0074bfff0074000000ffffbf00489cdf00bf740000dfffff0000489c009c480000ffffdf00bfffff000000740074007400df9c48009cdfff0074004800df9c740048007400ffdf9c009c4848000074bf00ffbf74004800480000004800bf9c480001010101010101010101010101010101010101010101010101010101010101010101010101010101010101010101010101011500001908000016010101010101010f1713070806010f181601010101ff010f10040102090a011506010101000001070816010f1713010506010101010101010f100401010101150e01010101010101010b121301010f140a0101010101010101010101010101010101010101ff010101010101010101010101010101010101010101010101010101010101010601010101010101010101010101010c0101010101010101010101010101010615010101010101010101010101010101ff0101010101010101010101010101010101010101010101010101010101010c0101010101010101010101010101010c0100000000000000000000000000000301010101010101010101010101010101ff01010101010101010101010101010101010101010101010b0c0000000e010801010101010101010102090a0f110108020101010101010101010f1004010102000200000e0101010101010b0d040101ff010506010101010b0d0407080e010101010506010101010b0c00000304010101010506010101010101010101010101010105000000090a010101010101010101010506010708060101010101010101ff010506010105090a0101010101010101010506010708060101010101010101010200000000030401010101010101010101010101010101010101010101010101010101010101010101010101010101004c0000006400000000000000000000000d0000002200000000000000000000000e000000230000002900aa0000000000000000000000803f00000000000000000000803f0000000000000000000000000000000000000000000000000000000000000000220000000c000000ffffffff460000001c00000010000000454d462b024000000c000000000000000e000000140000000000000010000000140000000400000003010800050000000b0200000000050000000c0223000e00030000001e00040000000701040004000000070104006d010000410b2000cc0023000e000000000023000e0000000000280000000e0000002300000001000800000000000000000000000000000000001a0000000000000000000000ffffff0074bfff0074000000ffffbf00489cdf00bf740000dfffff0000489c009c480000ffffdf00bfffff000000740074007400df9c48009cdfff0074004800df9c740048007400ffdf9c009c4848000074bf00ffbf74004800480000004800bf9c480001010101010101010101010101010101010101010101010101010101010101010101010101010101010101010101010101011500001908000016010101010101010f1713070806010f181601010101ff010f10040102090a011506010101000001070816010f1713010506010101010101010f100401010101150e01010101010101010b121301010f140a0101010101010101010101010101010101010101ff010101010101010101010101010101010101010101010101010101010101010601010101010101010101010101010c0101010101010101010101010101010615010101010101010101010101010101ff0101010101010101010101010101010101010101010101010101010101010c0101010101010101010101010101010c0100000000000000000000000000000301010101010101010101010101010101ff01010101010101010101010101010101010101010101010b0c0000000e010801010101010101010102090a0f110108020101010101010101010f1004010102000200000e0101010101010b0d040101ff010506010101010b0d0407080e010101010506010101010b0c00000304010101010506010101010101010101010101010105000000090a010101010101010101010506010708060101010101010101ff010506010105090a0101010101010101010506010708060101010101010101010200000000030401010101010101010101010101010101010101010101010101010101010101010101010101010101000c00000040092900aa0000000000000023000e0000000000040000002701ffff030000000000>
= >010009000003360b00000000c60600000000c606000026060f00820d574d46430100000000000100dac10000000001000000600d000000000000600d0000010000006c00000000000000000000003300000025000000000000000000000013050000b503000020454d4600000100600d00000c00000001000000000000000000000000000000000500002003000040010000c800000000000000000000000000000000e20400400d0300460000002c00000020000000454d462b014001001c000000100000000210c0db010000006000000060000000460000005003000044030000454d462b224004000c000000000000001e4009000c00000000000000244001000c000000000000003040020010000000040000000000803f214007000c00000000000000084000059c020000900200000210c0db01000000000000000000000000000000000000000100000089504e470d0a1a0a0000000d494844520000003400000026080200000004042f2c000000017352474200aece1ce9000000097048597300000ec400000ec401952b0e1b00000216494441545847ed573b72c230101539893d695ce410cca431439b1bc44730933330d0d3c00d6899d064ec4350d030f8268a7e9656b6648b659251e1ad8491de3eedbe05bf19a594c41a2fb112e3bca22257af663a567564e458b1ca8ae98cdef7f9f6c4d8f1756cc1b8e5fb3ba5a6adbca6bc9630409dadaf9ac342d57f71684655eb42f621888c697196a0b2882a812caa8aaa24823f0bb6d46bb95f971f3cef37c083ec43a84a90902d05b93ba76052ba93b4e704d3f616fc90fe42aaa55417129fdcc83e04febc0d9e81b7354992e1d6343f47b2df7d9a5d79a6d6c9eb1b395f6567594754eff5ca8fec44986f4c5d36f3a069ad57e9f5eb1b50f3dc84412f4f69b12dd2d39272eca763e4778eebd691aa2d16696e17d21681d56b9d55acad55b6ee8d5697a813a1771ba87f2d2533127a44aa122cc1ef5167206ccd491c28b1ee939e68a1e0ed6915d4e188c2bb805136cab5e6bb3749665a2d644558820f20ccd8c6a7b5f1570051fdb7762f3991c3b63deaca612ff52fe7a669c596396acd4de4a6b6622b803df7b4e6940782fee731fb33c4bc6f18829f8817a2de1b4fb8fd194d84f7ad1e4334687f46e9d81bd06d65a6e75c6637e55f2dfbea342f18dd61c9716e647b243be9074991760d39864de70c961cf784796b1793f78f9c5c6e8dc20e332f21e41f9481de0e9d893519467483e625242f7e20a4ab5261b9fe50fb33ca6f7a650a91976b0f7620b0f91e3a1735b95f43bf1fc1015eefb40000000049454e44ae4260820000000840010824000000180000000210c0db01000000030000000000000000000000000000001b40000040000000340000000100000002000000000000bf000000bf000050420000184203000000000080b3000080b3ffff4f42000080b3000080b3ffff17422100000008000000620000000c00000001000000150000000c00000004000000150000000c0000000400000051000000ac0800000000000000000000330000002500000000000000000000000000000000000000340000002600000050000000a4000000f4000000b8070000000000002000cc00340000002600000028000000340000002600000001000800000000000000000000000000000000001f0000000000000000000000ffffff00bfffff000000740074000000ffffbf0074007400dfffff0000489c00ffbf74009cdfff009c484800ffffdf000074bf00bf740000df9c48009c480000489cdf0048007400ffdf9c0074bfff0048000000480048009c487400dfdfdf00df9c74009cdfbf009cbf9c00bf9c74009c9c740000004800010101010101010101010101010101010101010101010101010101010101010101010101010101010101010101010101010101010101010101010101010101010101010101010101010101010101010101010101010101010101010101010101010101010101010101010101010101010101010101010101010101010101010101010101010101010101010101010101010101010101010101010101010101010101010101010101010101010101010101010101010101010101010101010101010101010101010101010101010101010101010101010101010101010101010101010102030000100c01010203000009010101010101010101010101010101010101010101010101010101010101010101010101010107080f0107080e01010d0e010a161301010101010101010101010101010101010101010101010101010101010101010101010101021213010111100c0203090107080f010101010101010101010101010101010101010101010101010101010101010101010101010a1e100c07080e0102121301010d0e0101010101010101010101010101010101010101010101010101010101010101010101010107081d1e00100c0102121301010d0e0101010101010101010101010101010101010101010101010101010101010101010101010101110e01010101010203090107080f010101010101010101010101010101010101010101010101010101010101010101010101010107080e0101010101110e010a161301010101010101010101010101010101010101010101010101010101010101010101010101010101140004050101070800000f0101010101010101010101010101010101010101010101010101010101010101010101010101010101010101010101010101010101010101010101010101010101010101010101010101010101010101010101010101010101010101010101010101010101010101010101010101010101010101010101010101010101010101010101010101010101010101010101010101010101010101010101010101010101010101010101010101010101010101010101010101010101010101010101010101010101010101010101010101010101010101010101010101010101010101010101010101010101010101010101010101010101010101010101010101010101010101010101010101010101010101010101010101010101010101010101010101010101010101010101010101010101010101010101010101010101010101010101010101010101010101010101010101010101010101010101010101010101010101010101010101010101010101010101010101010101010101010101010000000000000000000000000000000000000000000000000000000000000000000000000000000000000000000000000000000001010101010101010101010101010101010101010101010101010101010101010101010101010101010101010101010101010101010101010101010101010101010101010101010101010101010101010101010101010101010101010101010101010101010101010101010101010101010101010101010101010101010101010101010101010101010101010101010101010101010101010101010101010101010101010101010101010101010101010101010101010101010101010101010101010101010101010101010101010101010101010101010101010101010101010101010101010101010101010101010101010101010101010101010101010101010101010111000000000f01020300000000090101020300000901010101010101010111000000000f0101020300000901010101010101010101010d0e01010101140e0101140901010d0e010a16130101010a1901010101010d0e010101010d0e010a161301010101010101010101110e0101010101110e010101010203090107080f0102121b1c0809010101110e0101010203090107080f01010101010101010101110e010101010101140e01010102121301010d0e01010203000901010101110e01010102121301010d0e01010101010101010101110e01010101010101110f010102121301010d0e0102061a190d09010101110e01010102121301010d0e01010101010101011801110e010101010101010a1613010203090107080f0101010a190101011801110e0101010203090107080f01020300000405011100000e010101021213011415130101110e010a161301010101010101011100000e01010101110e010a16130102170c010d0f0101010d0e01010101020300000e010101070800000f01010101010101010101010d0e01010101070800000f010101020300100c010101010101010101010101010101010101010101010101010101010101010101010101010101010101010101010101010a0b0c010101010101010101010101010101010101010101010101010101010101010101010101010101010101010101010206050708090101010101010101010101010101010101010101010101010101010101010101010101010101010101010101010102030000040501010101010101010101010101010101010101010101010101010101010101010101010101010101010101010101010101010101010101010101010101010101010101010101010101010101010101010101010101010101010101010101010101010101010101014c0000006400000000000000000000003300000025000000000000000000000034000000260000002900aa0000000000000000000000803f00000000000000000000803f0000000000000000000000000000000000000000000000000000000000000000220000000c000000ffffffff460000001c00000010000000454d462b024000000c000000000000000e000000140000000000000010000000140000000400000003010800050000000b0200000000050000000c0226003400030000001e00040000000701040004000000070104003b040000410b2000cc002600340000000000260034000000000028000000340000002600000001000800000000000000000000000000000000001f0000000000000000000000ffffff00bfffff000000740074000000ffffbf0074007400dfffff0000489c00ffbf74009cdfff009c484800ffffdf000074bf00bf740000df9c48009c480000489cdf0048007400ffdf9c0074bfff0048000000480048009c487400dfdfdf00df9c74009cdfbf009cbf9c00bf9c74009c9c740000004800010101010101010101010101010101010101010101010101010101010101010101010101010101010101010101010101010101010101010101010101010101010101010101010101010101010101010101010101010101010101010101010101010101010101010101010101010101010101010101010101010101010101010101010101010101010101010101010101010101010101010101010101010101010101010101010101010101010101010101010101010101010101010101010101010101010101010101010101010101010101010101010101010101010101010101010102030000100c01010203000009010101010101010101010101010101010101010101010101010101010101010101010101010107080f0107080e01010d0e010a161301010101010101010101010101010101010101010101010101010101010101010101010101021213010111100c0203090107080f010101010101010101010101010101010101010101010101010101010101010101010101010a1e100c07080e0102121301010d0e0101010101010101010101010101010101010101010101010101010101010101010101010107081d1e00100c0102121301010d0e0101010101010101010101010101010101010101010101010101010101010101010101010101110e01010101010203090107080f010101010101010101010101010101010101010101010101010101010101010101010101010107080e0101010101110e010a161301010101010101010101010101010101010101010101010101010101010101010101010101010101140004050101070800000f0101010101010101010101010101010101010101010101010101010101010101010101010101010101010101010101010101010101010101010101010101010101010101010101010101010101010101010101010101010101010101010101010101010101010101010101010101010101010101010101010101010101010101010101010101010101010101010101010101010101010101010101010101010101010101010101010101010101010101010101010101010101010101010101010101010101010101010101010101010101010101010101010101010101010101010101010101010101010101010101010101010101010101010101010101010101010101010101010101010101010101010101010101010101010101010101010101010101010101010101010101010101010101010101010101010101010101010101010101010101010101010101010101010101010101010101010101010101010101010101010101010101010101010101010101010101010101010101010000000000000000000000000000000000000000000000000000000000000000000000000000000000000000000000000000000001010101010101010101010101010101010101010101010101010101010101010101010101010101010101010101010101010101010101010101010101010101010101010101010101010101010101010101010101010101010101010101010101010101010101010101010101010101010101010101010101010101010101010101010101010101010101010101010101010101010101010101010101010101010101010101010101010101010101010101010101010101010101010101010101010101010101010101010101010101010101010101010101010101010101010101010101010101010101010101010101010101010101010101010101010101010101010111000000000f01020300000000090101020300000901010101010101010111000000000f0101020300000901010101010101010101010d0e01010101140e0101140901010d0e010a16130101010a1901010101010d0e010101010d0e010a161301010101010101010101110e0101010101110e010101010203090107080f0102121b1c0809010101110e0101010203090107080f01010101010101010101110e010101010101140e01010102121301010d0e01010203000901010101110e01010102121301010d0e01010101010101010101110e01010101010101110f010102121301010d0e0102061a190d09010101110e01010102121301010d0e01010101010101011801110e010101010101010a1613010203090107080f0101010a190101011801110e0101010203090107080f01020300000405011100000e010101021213011415130101110e010a161301010101010101011100000e01010101110e010a16130102170c010d0f0101010d0e01010101020300000e010101070800000f01010101010101010101010d0e01010101070800000f010101020300100c010101010101010101010101010101010101010101010101010101010101010101010101010101010101010101010101010a0b0c010101010101010101010101010101010101010101010101010101010101010101010101010101010101010101010206050708090101010101010101010101010101010101010101010101010101010101010101010101010101010101010101010102030000040501010101010101010101010101010101010101010101010101010101010101010101010101010101010101010101010101010101010101010101010101010101010101010101010101010101010101010101010101010101010101010101010101010101010101010c00000040092900aa000000000000002600340000000000040000002701ffff030000000000>
= 2000Н*М
>0100090000035c0500000000a00300000000a003000026060f003607574d46430100000000000100c6b20000000001000000140700000000000014070000010000006c000000000000000000000017000000180000000000000000000000570200007002000020454d4600000100140700000c00000001000000000000000000000000000000000500002003000040010000c800000000000000000000000000000000e20400400d0300460000002c00000020000000454d462b014001001c000000100000000210c0db010000006000000060000000460000006c02000060020000454d462b224004000c000000000000001e4009000c00000000000000244001000c000000000000003040020010000000040000000000803f214007000c0000000000000008400005b8010000ac0100000210c0db01000000000000000000000000000000000000000100000089504e470d0a1a0a0000000d4948445200000018000000190802000000a449790a000000017352474200aece1ce9000000097048597300000ec400000ec401952b0e1b0000013349444154484bdd5531128230100cbe24a5cf60c60626ad3fc0c6b18de31b18d3d2c90f681d691c7804ad637e128f238610143368e575e42e9bcbee6d089452e417b1f805488bf1df40328f031dfb7a4459bd9f48dad5a09a52f753d4adf10abffba8f89b8453a77ab239873de23ceca93e0b5cff1c966a8cb948324f0567ec338a237fb8831b5a3dc96b414ebbd00b67384774b506a43497b8b7ce3664bda27e38ce402252595c5b24a027f2c77127db20213d87c4b79fb1456872e0d053961525679ef4e0e5c75e0b41bc5288099aad090e624de82bd3b64864821e14f38e0359f172b3eda0fa8e9a5b271621e151a98ba147de9aa17034b93cb374a91d0115963f48a40feac7df78072a47f66993661180e6c4d3825f03e9c3b1e1aea9192f243c2c462b8bbd1917b38933b406fffb177900caf188e7509974180000000049454e44ae42608200000840010824000000180000000210c0db01000000030000000000000000000000000000001b40000040000000340000000100000002000000000000bf000000bf0000c0410000c84103000000000000b3000000b3ffffbf41000000b3000000b3ffffc7412100000008000000620000000c00000001000000150000000c00000004000000150000000c00000004000000510000004403000000000000000000001700000018000000000000000000000000000000000000001800000019000000500000009c000000ec00000058020000000000002000cc00180000001900000028000000180000001900000001000800000000000000000000000000000000001d0000000000000000000000ffffff00dfffff0000489c00bf740000bfffff0000007400ffbf740074000000ffffbf0074bfff00747474000074bf00bfbf74009cdfff007400480074bfbf00489cdf00df9c48000000480048007400ffdf9c009c480000ffffdf0048000000dfdf9c007474480048489c004800480001010101010101010101010101010101010101010101010101010101010101010101010101010101010101010101010101010101010101010101010101010101010101010101010101010101010101010101010101010101011100000012010101010101010101010101010101010101051415010e13070101010101010101010101010101010101010101010e1307010101010101010101010101010101010101010c000007010102030000120101010101110000000701010101020307010101020312010101010101011100070101010101010e1c15010102030701010a181501010a00070101021b15010a1815010102030701010c001201010a000701010111000000120101010203070105061a0f09010a00070101010101010101010101020307011118190307010a00070101010101010101010101020307020316170a16170a000701010101010101010101010203070e1312010514150a00070101010101010101010101020307110809010111120a0007010101010101010101010102030d06040101010e0f100007010101010101010101010102030b0007010101010c0b000701010101010101010101010203000809010101010a000007010101010101010101010203000004010101010105060000070101010101010101010101010101010101010101010101010101010101010101010101010101010101010101010101010101010101010101010101010101010101010101010101010101010101010101010101010101010101010101010101010101010101010101010101010101010101010101010101010101010101010101014c0000006400000000000000000000001700000018000000000000000000000018000000190000002900aa0000000000000000000000803f00000000000000000000803f0000000000000000000000000000000000000000000000000000000000000000220000000c000000ffffffff460000001c00000010000000454d462b024000000c000000000000000e000000140000000000000010000000140000000400000003010800050000000b0200000000050000000c0219001800030000001e000400000007010400040000000701040087010000410b2000cc001900180000000000190018000000000028000000180000001900000001000800000000000000000000000000000000001d0000000000000000000000ffffff00dfffff0000489c00bf740000bfffff0000007400ffbf740074000000ffffbf0074bfff00747474000074bf00bfbf74009cdfff007400480074bfbf00489cdf00df9c48000000480048007400ffdf9c009c480000ffffdf0048000000dfdf9c007474480048489c004800480001010101010101010101010101010101010101010101010101010101010101010101010101010101010101010101010101010101010101010101010101010101010101010101010101010101010101010101010101010101011100000012010101010101010101010101010101010101051415010e13070101010101010101010101010101010101010101010e1307010101010101010101010101010101010101010c000007010102030000120101010101110000000701010101020307010101020312010101010101011100070101010101010e1c15010102030701010a181501010a00070101021b15010a1815010102030701010c001201010a000701010111000000120101010203070105061a0f09010a00070101010101010101010101020307011118190307010a00070101010101010101010101020307020316170a16170a000701010101010101010101010203070e1312010514150a00070101010101010101010101020307110809010111120a0007010101010101010101010102030d06040101010e0f100007010101010101010101010102030b0007010101010c0b000701010101010101010101010203000809010101010a000007010101010101010101010203000004010101010105060000070101010101010101010101010101010101010101010101010101010101010101010101010101010101010101010101010101010101010101010101010101010101010101010101010101010101010101010101010101010101010101010101010101010101010101010101010101010101010101010101010101010101010101010c00000040092900aa000000000000001900180000000000040000002701ffff030000000000>>
>
= >0100090000031005000000006e03000000006e03000026060f00d206574d464301000000000001003c9f0000000001000000b006000000000000b0060000010000006c00000000000000000000000d0000002200000000000000000000005d0100006a03000020454d4600000100b00600000c00000001000000000000000000000000000000000500002003000040010000c800000000000000000000000000000000e20400400d0300460000002c00000020000000454d462b014001001c000000100000000210c0db010000006000000060000000460000003c02000030020000454d462b224004000c000000000000001e4009000c00000000000000244001000c000000000000003040020010000000040000000000803f214007000c0000000000000008400005880100007c0100000210c0db01000000000000000000000000000000000000000100000089504e470d0a1a0a0000000d494844520000000e0000002308020000002b18ac6e000000017352474200aece1ce9000000097048597300000ec400000ec401952b0e1b0000010549444154384fe554410ec22010a47d4913af3ec2a4171aaffd815fa0bff009ed0fbc1a7b31f4111ebc98f2135c58408a60f0d078704f0b5d86e930bb859492e4459957a6aa4a3275c522ba29751a08cc3d258c4382a9cdf586170181aa6e29b93d440c382815d7d348b69b2acac1de6a3fd27e0e6f366b8b6ab84a7939c4219502f1f075319a7cd0152f024d8e67d44f7286b8719250693f90c43fc07688912ae5cc82c1094cd3a5afdf35ea14ab382bdf83641d025f754136db3f4005e737836b563134de4a5b1bc39b05cec1ce7eb883a5c1d030560d8e6b5d55f7b3fd4e3f86b88fb4ad75d742ba781f0b8a48de207a9b4986abed23e80daec6960e371b90ebcf4df804816979c83e6e24220000000049454e44ae4260820840010824000000180000000210c0db01000000030000000000000000000000000000001b40000040000000340000000100000002000000000000bf000000bf0000604100000c4203000000000000b3000000b3ffff5f41000000b3000000b3ffff0b422100000008000000620000000c00000001000000150000000c00000004000000150000000c00000004000000510000001003000000000000000000000d00000022000000000000000000000000000000000000000e000000230000005000000090000000e000000030020000000000002000cc000e00000023000000280000000e0000002300000001000800000000000000000000000000000000001a0000000000000000000000ffffff0074bfff0074000000ffffbf00489cdf00bf740000dfffff0000489c009c480000ffffdf00bfffff000000740074007400ffbf7400df9c48009cdfff009c4848009c4874000074bf0048007400ffdf9c00740048004800480000004800bf9c48000101010101010101010101010101010101010101010101010101010101010101010101010101010101010101010101010101130000190800000e010101010101011017150708060110180e01010101ff011016040102090a01130601010100000107080e011017150105060101010101010110160401010101130f01010101010101010b1415010110110a0101010101010101010101010101010101010101ff010101010101010101010101010101010101010101010101010101010101010601010101010101010101010101010c0101010101010101010101010101010615010101010101010101010101010101ff0101010101010101010101010101010101010101010101010101010101010c0101010101010101010101010101010c0100000000000000000000000000000301010101010101010101010101010101ff01010101010101010101010101010101010101010101010b0c00000304010801010101010101010b120a01130f01080201010101010101010b0c00090a0102000200000f01010101010110110a0101ff010506010101010b0d0407080e010101010506010101010b0c00000304010101010506010101010101010101010101010105000000090a010101010101010101010506010708060101010101010101ff010506010105090a0101010101010101010506010708060101010101010101010200000000030401010101010101010101010101010101010101010101010101010101010101010101010101010101004c0000006400000000000000000000000d0000002200000000000000000000000e000000230000002900aa0000000000000000000000803f00000000000000000000803f0000000000000000000000000000000000000000000000000000000000000000220000000c000000ffffffff460000001c00000010000000454d462b024000000c000000000000000e000000140000000000000010000000140000000400000003010800050000000b0200000000050000000c0223000e00030000001e00040000000701040004000000070104006d010000410b2000cc0023000e000000000023000e0000000000280000000e0000002300000001000800000000000000000000000000000000001a0000000000000000000000ffffff0074bfff0074000000ffffbf00489cdf00bf740000dfffff0000489c009c480000ffffdf00bfffff000000740074007400ffbf7400df9c48009cdfff009c4848009c4874000074bf0048007400ffdf9c00740048004800480000004800bf9c48000101010101010101010101010101010101010101010101010101010101010101010101010101010101010101010101010101130000190800000e010101010101011017150708060110180e01010101ff011016040102090a01130601010100000107080e011017150105060101010101010110160401010101130f01010101010101010b1415010110110a0101010101010101010101010101010101010101ff010101010101010101010101010101010101010101010101010101010101010601010101010101010101010101010c0101010101010101010101010101010615010101010101010101010101010101ff0101010101010101010101010101010101010101010101010101010101010c0101010101010101010101010101010c0100000000000000000000000000000301010101010101010101010101010101ff01010101010101010101010101010101010101010101010b0c00000304010801010101010101010b120a01130f01080201010101010101010b0c00090a0102000200000f01010101010110110a0101ff010506010101010b0d0407080e010101010506010101010b0c00000304010101010506010101010101010101010101010105000000090a010101010101010101010506010708060101010101010101ff010506010105090a0101010101010101010506010708060101010101010101010200000000030401010101010101010101010101010101010101010101010101010101010101010101010101010101000c00000040092900aa0000000000000023000e0000000000040000002701ffff030000000000>
= >010009000003fc09000000002606000000002606000026060f00420c574d464301000000000001004f8f0000000001000000200c000000000000200c0000010000006c00000000000000000000002b0000002500000000000000000000004b040000b503000020454d4600000100200c00000c00000001000000000000000000000000000000000500002003000040010000c800000000000000000000000000000000e20400400d0300460000002c00000020000000454d462b014001001c000000100000000210c0db010000006000000060000000460000004403000038030000454d462b224004000c000000000000001e4009000c00000000000000244001000c000000000000003040020010000000040000000000803f214007000c000000000000000840000590020000840200000210c0db01000000000000000000000000000000000000000100000089504e470d0a1a0a0000000d494844520000002c000000260802000000307dee30000000017352474200aece1ce9000000097048597300000ec400000ec401952b0e1b0000020a494441545847ed574b8e8240106de72490d9b0f0104e668371eb0de40898398391bd1bbc815b326e267008176e0cdca4a7aabba13f34d8981834a1564d5b56bdaa7a34af67945232b67d8c0d00f38f02a2d8ce1adb16238180e2e31c7840cb344c324081ebb10c30846949291f87d29fe5b19234a98e4bd1376dbb83471805bbab5a570496d18fcedc97f584304060794c9a35fba1699bdcb6f40d3db971ffda3a22e4b1920f9600021337ff551ed47d1528cb50a6b1c0cd9e4aac41a61420ba22e07e6d9819c6e10521b9dcf8108a2c21f16a517b8481c797dee79c9cafc2675b371d7acadbef79c24f9f053c59232cf6b2597b48862036bfe5fae4b3e17f5dd212b7fb0c42ac323f4a223f5bd17bcefda1c4af0002eaf1af3f1c1b4323c955174faadba5290afc77410ee3c8835d8b8866526b84163236492b2714b2b42861708257a091cbd8694750f88be784e4360e51e11b0bcb4d67bdf9826811b4184e116610cf696ecf741ae5db61163481a83bf2129d7826df9c634f6fc74b71e225883981787f4e085dac8ada6192d83c412cb2b56f4b571f7704ad6bec61f78e96946dab995ef5d2816ad0db51fd9dce7170137711ed2a6215b4aee7f610108881242772e09a9f44be79d571cd6af80d0181ba3f4c0f1b26efbdefb5bc2990e63ea04962674caee4e1d5cbbb9ac65029711fa1041d464caea8853d2489ad354f9ff2f73fb69d59efe8f80fd2fb6c5d8e9c50f30000000049454e44ae4260820000000840010824000000180000000210c0db01000000030000000000000000000000000000001b40000040000000340000000100000002000000000000bf000000bf000030420000184203000000000000b3000000b3ffff2f42000000b3000000b3ffff17422100000008000000620000000c00000001000000150000000c00000004000000150000000c00000004000000510000007807000000000000000000002b00000025000000000000000000000000000000000000002c0000002600000050000000a0000000f000000088060000000000002000cc002c00000026000000280000002c0000002600000001000800000000000000000000000000000000001e0000000000000000000000ffffff00bfffff000000740074000000ffffbf0074007400dfffff0000489c00ffbf74009cdfff009c484800ffffdf009c480000df9c48000074bf00bf740000489cdf0048004800ffdf9c009c487400df9c7400dfdfdf00480074009cdfbf009cbf9c00bf9c74000000480074bfff009c9c74000101010101010101010101010101010101010101010101010101010101010101010101010101010101010101010101010101010101010101010101010101010101010101010101010101010101010101010101010101010101010101010101010101010101010101010101010101010101010101010101010101010101010101010101010101010101010101010101010101010101010101010101010101010101010101010101010101010101010101010101010101010101010101010101020300000d0c0101020300000901010101010101010101010101010101010101010101010101010101010107080e0107081001010f10010a121301010101010101010101010101010101010101010101010101010101010217130101110d0c0203090107080e01010101010101010101010101010101010101010101010101010101010a1b0d0c0708100102171301010f10010101010101010101010101010101010101010101010101010101010107081d1b000d0c0102171301010f10010101010101010101010101010101010101010101010101010101010101111001010101010203090107080e01010101010101010101010101010101010101010101010101010101010107081001010101011110010a121301010101010101010101010101010101010101010101010101010101010101011c0004050101070800000e01010101010101010101010101010101010101010101010101010101010101010101010101010101010101010101010101010101010101010101010101010101010101010101010101010101010101010101010101010101010101010101010101010101010101010101010101010101010101010101010101010101010101010101010101010101010101010101010101010101010101010101010101010101010101010101010101010101010101010101010101010101010101010101010101010101010101010101010101010101010101010101010101010101010101010101010101010101010101010101010101010101010101010101010101010101010101010101010101010101010101010101010101010101010101010101010101010101010101010101010101010101010101010101010101010101010101010101010100000000000000000000000000000000000000000000000000000000000000000000000000000000000000000101010101010101010101010101010101010101010101010101010101010101010101010101010101010101010101010101010101010101010101010101010101010101010101010101010101010101010101010101010101010101010101010101010101010101010101010101010101010101010101010101010101010101010101010101010101010101010101010101010101010101010101010101010101010101010101010101010101010101010101010101010101010101010101010101010101010101010101010101010101010101010101010101010101110000000d0c0101020300000901010101010101010111000000000e0101020300000901010101010101010a1b0901010f1001010f10010a12130101010a1501010101010f10010101010f10010a12130101010101010102030901070810010203090107080e010217191a080901010111100101010203090107080e0101010101010101070800000e010102171301010f1001010203000901010101111001010102171301010f100101010101010107080e010203090102171301010f1001020618150f09010101111001010102171301010f100101010101010102030901010f10010203090107080e0101010a15010101160111100101010203090107080e0102030000040507080e0102030e01011110010a1213010101010101010111000010010101011110010a12130102140c010f0e01020300000d0c0101070800000e01010101010101010101010f1001010101070800000e0101010203000d0c01010101010101010101010101010101010101010101010101010101010101010101010101010101010a0b0c01010101010101010101010101010101010101010101010101010101010101010101010101010206050708090101010101010101010101010101010101010101010101010101010101010101010101010101020300000405010101010101010101010101010101010101010101010101010101010101010101010101010101010101010101010101010101010101010101010101010101010101010101010101010101010101010101010101010101014c0000006400000000000000000000002b0000002500000000000000000000002c000000260000002900aa0000000000000000000000803f00000000000000000000803f0000000000000000000000000000000000000000000000000000000000000000220000000c000000ffffffff460000001c00000010000000454d462b024000000c000000000000000e000000140000000000000010000000140000000400000003010800050000000b0200000000050000000c0226002c00030000001e0004000000070104000400000007010400a1030000410b2000cc0026002c000000000026002c0000000000280000002c0000002600000001000800000000000000000000000000000000001e0000000000000000000000ffffff00bfffff000000740074000000ffffbf0074007400dfffff0000489c00ffbf74009cdfff009c484800ffffdf009c480000df9c48000074bf00bf740000489cdf0048004800ffdf9c009c487400df9c7400dfdfdf00480074009cdfbf009cbf9c00bf9c74000000480074bfff009c9c74000101010101010101010101010101010101010101010101010101010101010101010101010101010101010101010101010101010101010101010101010101010101010101010101010101010101010101010101010101010101010101010101010101010101010101010101010101010101010101010101010101010101010101010101010101010101010101010101010101010101010101010101010101010101010101010101010101010101010101010101010101010101010101010101020300000d0c0101020300000901010101010101010101010101010101010101010101010101010101010107080e0107081001010f10010a121301010101010101010101010101010101010101010101010101010101010217130101110d0c0203090107080e01010101010101010101010101010101010101010101010101010101010a1b0d0c0708100102171301010f10010101010101010101010101010101010101010101010101010101010107081d1b000d0c0102171301010f10010101010101010101010101010101010101010101010101010101010101111001010101010203090107080e01010101010101010101010101010101010101010101010101010101010107081001010101011110010a121301010101010101010101010101010101010101010101010101010101010101011c0004050101070800000e01010101010101010101010101010101010101010101010101010101010101010101010101010101010101010101010101010101010101010101010101010101010101010101010101010101010101010101010101010101010101010101010101010101010101010101010101010101010101010101010101010101010101010101010101010101010101010101010101010101010101010101010101010101010101010101010101010101010101010101010101010101010101010101010101010101010101010101010101010101010101010101010101010101010101010101010101010101010101010101010101010101010101010101010101010101010101010101010101010101010101010101010101010101010101010101010101010101010101010101010101010101010101010101010101010101010101010101010100000000000000000000000000000000000000000000000000000000000000000000000000000000000000000101010101010101010101010101010101010101010101010101010101010101010101010101010101010101010101010101010101010101010101010101010101010101010101010101010101010101010101010101010101010101010101010101010101010101010101010101010101010101010101010101010101010101010101010101010101010101010101010101010101010101010101010101010101010101010101010101010101010101010101010101010101010101010101010101010101010101010101010101010101010101010101010101010101110000000d0c0101020300000901010101010101010111000000000e0101020300000901010101010101010a1b0901010f1001010f10010a12130101010a1501010101010f10010101010f10010a12130101010101010102030901070810010203090107080e010217191a080901010111100101010203090107080e0101010101010101070800000e010102171301010f1001010203000901010101111001010102171301010f100101010101010107080e010203090102171301010f1001020618150f09010101111001010102171301010f100101010101010102030901010f10010203090107080e0101010a15010101160111100101010203090107080e0102030000040507080e0102030e01011110010a1213010101010101010111000010010101011110010a12130102140c010f0e01020300000d0c0101070800000e01010101010101010101010f1001010101070800000e0101010203000d0c01010101010101010101010101010101010101010101010101010101010101010101010101010101010a0b0c01010101010101010101010101010101010101010101010101010101010101010101010101010206050708090101010101010101010101010101010101010101010101010101010101010101010101010101020300000405010101010101010101010101010101010101010101010101010101010101010101010101010101010101010101010101010101010101010101010101010101010101010101010101010101010101010101010101010101010c00000040092900aa0000000000000026002c0000000000040000002701ffff030000000000>
= 1333Н*М
Σ >0100090000035205000000009803000000009803000026060f002607574d46430100000000000100a1fe0000000001000000040700000000000004070000010000006c0000000000000000000000160000001800000000000000000000003e0200007002000020454d4600000100040700000c00000001000000000000000000000000000000000500002003000040010000c800000000000000000000000000000000e20400400d0300460000002c00000020000000454d462b014001001c000000100000000210c0db010000006000000060000000460000006002000054020000454d462b224004000c000000000000001e4009000c00000000000000244001000c000000000000003040020010000000040000000000803f214007000c0000000000000008400005ac010000a00100000210c0db01000000000000000000000000000000000000000100000089504e470d0a1a0a0000000d494844520000001700000019080200000055422287000000017352474200aece1ce9000000097048597300000ec400000ec401952b0e1b0000012849444154384fdd953d12823010858327e12838343869bd8176b4713c83635a3ab801ad230d0387a065c84de226c140824a848ead203fdf6cdeee4b3cce395a1dbbd50401d824856507af8f4b3d91a9befc98d4aba1469c7769a4064825ff87a8c8970963d5a02e21b0813ecc6cea0795e33331aa11c6368665374a309e6398950e6238d8281b56e6288d837988d92f7e7804cc2d6372639d9cd131f41d2056d7494c9197020392448e10bb7735464a723d39653275807fba12c82649f282601749e481a73e0aa05405a58eba2ad53eb8516090b32416a5695569100aee9c3fb524ac6d8c32f596106651de39404d47ed8fa2b4b30ca0ad0120ed0e7085f886b9f71050fe8eb7b706eec25b4a2651a1bda76e818514a51f38a6eff4a5e791d928d948e56dee0d78016bed317e52701a3d0000000049454e44ae426082000840010824000000180000000210c0db01000000030000000000000000000000000000001b40000040000000340000000100000002000000000000bf000000bf0000b8410000c84103000000000000b3000000b3ffffb741000000b3000000b3ffffc7412100000008000000620000000c00000001000000150000000c00000004000000150000000c000000040000005100000040030000000000000000000016000000180000000000000000000000000000000000000017000000190000005000000098000000e800000058020000000000002000cc00170000001900000028000000170000001900000001000800000000000000000000000000000000001c0000000000000000000000ffffff00dfffff0000489c00bf740000bfffff0000007400ffbf740074000000ffffbf0074bfff00747474000074bf00bfbf74009cdfff007400480074bfbf00489cdf00df9c48000000480048007400ffdf9c009c480000ffffdf0048000000dfdf9c0074744800bf744800010101010101010101010101010101010101010101010101010101010101010101010101010101010101010101010101010101010101010101010101010101010101010101010101010101010101010101010101010101010a0008090e13040101010101010101010101010101010101010c07011116170101010101010101010101010101010101010c07050607010101010101010101010101010101010101010c00000701010102030000120101010101110000000701010c070e1b010101010203120101010101010111000701010a000809110012010102030701010a181501010a0007010101010101010101010102030701010c001201010a000701010101010101010101010203070105061a0f09010a00070101010101010101010101020307011118190307010a00070101010101010101010101020307020316170a16170a000701010101010101010101010203070e1312010514150a00070101010101010101010101020307110809010111120a0007010101010101010101010102030d06040101010e0f100007010101010101010101010102030b0007010101010c0b000701010101010101010101010203000809010101010a000007010101010101010101010203000004010101010105060000070101010101010101010101010101010101010101010101010101010101010101010101010101010101010101010101010101010101010101010101010101010101010101010101010101010101010101010101010101010101010101010101010101010101010101010101010101010101010101010101010101010101010101014c0000006400000000000000000000001600000018000000000000000000000017000000190000002900aa0000000000000000000000803f00000000000000000000803f0000000000000000000000000000000000000000000000000000000000000000220000000c000000ffffffff460000001c00000010000000454d462b024000000c000000000000000e000000140000000000000010000000140000000400000003010800050000000b0200000000050000000c0219001700030000001e000400000007010400040000000701040085010000410b2000cc001900170000000000190017000000000028000000170000001900000001000800000000000000000000000000000000001c0000000000000000000000ffffff00dfffff0000489c00bf740000bfffff0000007400ffbf740074000000ffffbf0074bfff00747474000074bf00bfbf74009cdfff007400480074bfbf00489cdf00df9c48000000480048007400ffdf9c009c480000ffffdf0048000000dfdf9c0074744800bf744800010101010101010101010101010101010101010101010101010101010101010101010101010101010101010101010101010101010101010101010101010101010101010101010101010101010101010101010101010101010a0008090e13040101010101010101010101010101010101010c07011116170101010101010101010101010101010101010c07050607010101010101010101010101010101010101010c00000701010102030000120101010101110000000701010c070e1b010101010203120101010101010111000701010a000809110012010102030701010a181501010a0007010101010101010101010102030701010c001201010a000701010101010101010101010203070105061a0f09010a00070101010101010101010101020307011118190307010a00070101010101010101010101020307020316170a16170a000701010101010101010101010203070e1312010514150a00070101010101010101010101020307110809010111120a0007010101010101010101010102030d06040101010e0f100007010101010101010101010102030b0007010101010c0b000701010101010101010101010203000809010101010a000007010101010101010101010203000004010101010105060000070101010101010101010101010101010101010101010101010101010101010101010101010101010101010101010101010101010101010101010101010101010101010101010101010101010101010101010101010101010101010101010101010101010101010101010101010101010101010101010101010101010101010101010c00000040092900aa000000000000001900170000000000040000002701ffff030000000000>= 0
>0100090000034e05000000009403000000009403000026060f001e07574d46430100000000000100d1a90000000001000000fc06000000000000fc060000010000006c0000000000000000000000160000001800000000000000000000003e0200007002000020454d4600000100fc0600000c00000001000000000000000000000000000000000500002003000040010000c800000000000000000000000000000000e20400400d0300460000002c00000020000000454d462b014001001c000000100000000210c0db01000000600000006000000046000000580200004c020000454d462b224004000c000000000000001e4009000c00000000000000244001000c000000000000003040020010000000040000000000803f214007000c0000000000000008400005a4010000980100000210c0db01000000000000000000000000000000000000000100000089504e470d0a1a0a0000000d494844520000001700000019080200000055422287000000017352474200aece1ce9000000097048597300000ec400000ec401952b0e1b0000011e49444154384fdd95310e823014868b27e128352c98aede0037d612cf60ec4a5ce006ac44162387607031f626f5b5685b8a02c1c184b7b5affdf2fabfff812784403fc7ea6782042c92c2f38df78aa4eec9542703497d1a7a24c4230bdb0d7a556b1357fa25d13965d4a5142eb0b25b4d5d32b53f12568f0871313c3f304ac818a3db691cc3c3ac6af8a540598cc7215dbff8c11630879cab8b75ba43dbc09f00715ca7305571911890249c0871bdab314a927d34a992fe04f8d19e4235695a54944c91443db83f47185a553136aaabb4e3dba51fa65162d09024add9d7cce86e28cdbd6d0d42f828c4594bc2ef8ddba6e064fb5d662dfba3307b3803a047a33f1d32f51e18a0cc0c9bf2efaf14bf5546af19efb1c50210a8e92dee1ff0043b463251a65a7f7f0000000049454e44ae4260820000000840010824000000180000000210c0db01000000030000000000000000000000000000001b40000040000000340000000100000002000000000000bf000000bf0000b8410000c84103000000000000b3000000b3ffffb741000000b3000000b3ffffc7412100000008000000620000000c00000001000000150000000c00000004000000150000000c000000040000005100000040030000000000000000000016000000180000000000000000000000000000000000000017000000190000005000000098000000e800000058020000000000002000cc00170000001900000028000000170000001900000001000800000000000000000000000000000000001c0000000000000000000000ffffff00dfffff0000489c00bf740000bfffff0000007400ffbf740074000000ffffbf0074bfff00747474000074bf00bfbf74009cdfff007400480074bfbf00489cdf00df9c48000000480048007400ffdf9c009c480000ffffdf0048000000dfdf9c0074744800dfdfdf00010101010101010101010101010101010101010101010101010101010101010101010101010101010101010101010101010101010101010101010101010101010101010101010101010101010101010101010101010101010111000000001201010101010101010101010101010101010101010c0401010101010101010101010101010101010101010101110401010101010101010101010101010101010101010101110401010102030000120101010101110000000701010101110401010101020312010101010101011100070101011b0111040101010102030701010a181501010a0007010101110000040101010102030701010c001201010a000701010101010c04010101010203070105061a0f09010a00070101010101010101010101020307011118190307010a00070101010101010101010101020307020316170a16170a000701010101010101010101010203070e1312010514150a00070101010101010101010101020307110809010111120a0007010101010101010101010102030d06040101010e0f100007010101010101010101010102030b0007010101010c0b000701010101010101010101010203000809010101010a000007010101010101010101010203000004010101010105060000070101010101010101010101010101010101010101010101010101010101010101010101010101010101010101010101010101010101010101010101010101010101010101010101010101010101010101010101010101010101010101010101010101010101010101010101010101010101010101010101010101010101010101014c0000006400000000000000000000001600000018000000000000000000000017000000190000002900aa0000000000000000000000803f00000000000000000000803f0000000000000000000000000000000000000000000000000000000000000000220000000c000000ffffffff460000001c00000010000000454d462b024000000c000000000000000e000000140000000000000010000000140000000400000003010800050000000b0200000000050000000c0219001700030000001e000400000007010400040000000701040085010000410b2000cc001900170000000000190017000000000028000000170000001900000001000800000000000000000000000000000000001c0000000000000000000000ffffff00dfffff0000489c00bf740000bfffff0000007400ffbf740074000000ffffbf0074bfff00747474000074bf00bfbf74009cdfff007400480074bfbf00489cdf00df9c48000000480048007400ffdf9c009c480000ffffdf0048000000dfdf9c0074744800dfdfdf00010101010101010101010101010101010101010101010101010101010101010101010101010101010101010101010101010101010101010101010101010101010101010101010101010101010101010101010101010101010111000000001201010101010101010101010101010101010101010c0401010101010101010101010101010101010101010101110401010101010101010101010101010101010101010101110401010102030000120101010101110000000701010101110401010101020312010101010101011100070101011b0111040101010102030701010a181501010a0007010101110000040101010102030701010c001201010a000701010101010c04010101010203070105061a0f09010a00070101010101010101010101020307011118190307010a00070101010101010101010101020307020316170a16170a000701010101010101010101010203070e1312010514150a00070101010101010101010101020307110809010111120a0007010101010101010101010102030d06040101010e0f100007010101010101010101010102030b0007010101010c0b000701010101010101010101010203000809010101010a000007010101010101010101010203000004010101010105060000070101010101010101010101010101010101010101010101010101010101010101010101010101010101010101010101010101010101010101010101010101010101010101010101010101010101010101010101010101010101010101010101010101010101010101010101010101010101010101010101010101010101010101010c00000040092900aa000000000000001900170000000000040000002701ffff030000000000>>
>->0100090000035605000000009c03000000009c03000026060f002e07574d46430100000000000100782600000000010000000c070000000000000c070000010000006c000000000000000000000017000000180000000000000000000000570200007002000020454d46000001000c0700000c00000001000000000000000000000000000000000500002003000040010000c800000000000000000000000000000000e20400400d0300460000002c00000020000000454d462b014001001c000000100000000210c0db01000000600000006000000046000000680200005c020000454d462b224004000c000000000000001e4009000c00000000000000244001000c000000000000003040020010000000040000000000803f214007000c0000000000000008400005b4010000a80100000210c0db01000000000000000000000000000000000000000100000089504e470d0a1a0a0000000d4948445200000018000000190802000000a449790a000000017352474200aece1ce9000000097048597300000ec400000ec401952b0e1b0000012e49444154484bdd95310e823014868b2761f418242e98aedc4037d61acf40ecca06376035b2183804abb137a9af2da5a52834c489b7d1d77ebcbefffd1070ced13f62f70f88606c1bc4ca63d0c7a59db4acbdcc24eddda01ae7ef22566ba491cf261af223e1ece3a6d984c0197a1fd7d4dea95c5f0e4b358c5d122b334a305ea638f24729dcd0aa893d2b54a49117673c47e1210152563279b6cdcf2839847e1c672025a9ae9e8204ed89fd39ee640f24d99eebc9b79ea945c2d395404d795ed5047bb6475e7eeab508c4ab299d6db399d240cff017d30a129a690f50b2fd5b0e248cabd6c680ba97120ba1e8c6f963680f7b7563e120adb3e1be7704ecb0fc81e242bdc8c4e09d6ff611ce1a8e00686dc0bd2c6bae04894ac7065f05b26b698802ae00e92f8b96408182edfe453ed466cae2e6a233890000000049454e44ae4260820000000840010824000000180000000210c0db01000000030000000000000000000000000000001b40000040000000340000000100000002000000000000bf000000bf0000c0410000c84103000000000000b3000000b3ffffbf41000000b3000000b3ffffc7412100000008000000620000000c00000001000000150000000c00000004000000150000000c000000040000005100000040030000000000000000000017000000180000000000000000000000000000000000000018000000190000005000000098000000e800000058020000000000002000cc00180000001900000028000000180000001900000001000800000000000000000000000000000000001c0000000000000000000000ffffff00dfffff0000489c00bf740000bfffff0000007400ffbf740074000000ffffbf0074bfff00747474000074bf00bfbf74009cdfff007400480074bfbf00489cdf00df9c48000000480048007400ffdf9c009c480000ffffdf0048000000dfdf9c00747448004800480001010101010101010101010101010101010101010101010101010101010101010101010101010101010101010101010101010101010101010101010101010101010101010101010101010101010101010101010101010101050600000000070101010101010101010101010101010101010a0401010a0701010101010101010101010101010101010101110401010101010101010101010101010101010101010101010a0401010102030000120101010101110000000701010101011112010101020312010101010101011100070101010101010e1b15010102030701010a181501010a00070101051415010a1815010102030701010c001201010a000701010105060000040101010203070105061a0f09010a00070101010101010101010101020307011118190307010a00070101010101010101010101020307020316170a16170a000701010101010101010101010203070e1312010514150a00070101010101010101010101020307110809010111120a0007010101010101010101010102030d06040101010e0f100007010101010101010101010102030b0007010101010c0b000701010101010101010101010203000809010101010a000007010101010101010101010203000004010101010105060000070101010101010101010101010101010101010101010101010101010101010101010101010101010101010101010101010101010101010101010101010101010101010101010101010101010101010101010101010101010101010101010101010101010101010101010101010101010101010101010101010101010101010101014c0000006400000000000000000000001700000018000000000000000000000018000000190000002900aa0000000000000000000000803f00000000000000000000803f0000000000000000000000000000000000000000000000000000000000000000220000000c000000ffffffff460000001c00000010000000454d462b024000000c000000000000000e000000140000000000000010000000140000000400000003010800050000000b0200000000050000000c0219001800030000001e000400000007010400040000000701040085010000410b2000cc001900180000000000190018000000000028000000180000001900000001000800000000000000000000000000000000001c0000000000000000000000ffffff00dfffff0000489c00bf740000bfffff0000007400ffbf740074000000ffffbf0074bfff00747474000074bf00bfbf74009cdfff007400480074bfbf00489cdf00df9c48000000480048007400ffdf9c009c480000ffffdf0048000000dfdf9c00747448004800480001010101010101010101010101010101010101010101010101010101010101010101010101010101010101010101010101010101010101010101010101010101010101010101010101010101010101010101010101010101050600000000070101010101010101010101010101010101010a0401010a0701010101010101010101010101010101010101110401010101010101010101010101010101010101010101010a0401010102030000120101010101110000000701010101011112010101020312010101010101011100070101010101010e1b15010102030701010a181501010a00070101051415010a1815010102030701010c001201010a000701010105060000040101010203070105061a0f09010a00070101010101010101010101020307011118190307010a00070101010101010101010101020307020316170a16170a000701010101010101010101010203070e1312010514150a00070101010101010101010101020307110809010111120a0007010101010101010101010102030d06040101010e0f100007010101010101010101010102030b0007010101010c0b000701010101010101010101010203000809010101010a000007010101010101010101010203000004010101010105060000070101010101010101010101010101010101010101010101010101010101010101010101010101010101010101010101010101010101010101010101010101010101010101010101010101010101010101010101010101010101010101010101010101010101010101010101010101010101010101010101010101010101010101010c00000040092900aa000000000000001900180000000000040000002701ffff030000000000>->0100090000035c0500000000a00300000000a003000026060f003607574d46430100000000000100c6b20000000001000000140700000000000014070000010000006c000000000000000000000017000000180000000000000000000000570200007002000020454d4600000100140700000c00000001000000000000000000000000000000000500002003000040010000c800000000000000000000000000000000e20400400d0300460000002c00000020000000454d462b014001001c000000100000000210c0db010000006000000060000000460000006c02000060020000454d462b224004000c000000000000001e4009000c00000000000000244001000c000000000000003040020010000000040000000000803f214007000c0000000000000008400005b8010000ac0100000210c0db01000000000000000000000000000000000000000100000089504e470d0a1a0a0000000d4948445200000018000000190802000000a449790a000000017352474200aece1ce9000000097048597300000ec400000ec401952b0e1b0000013349444154484bdd5531128230100cbe24a5cf60c60626ad3fc0c6b18de31b18d3d2c90f681d691c7804ad637e128f238610143368e575e42e9bcbee6d089452e417b1f805488bf1df40328f031dfb7a4459bd9f48dad5a09a52f753d4adf10abffba8f89b8453a77ab239873de23ceca93e0b5cff1c966a8cb948324f0567ec338a237fb8831b5a3dc96b414ebbd00b67384774b506a43497b8b7ce3664bda27e38ce402252595c5b24a027f2c77127db20213d87c4b79fb1456872e0d053961525679ef4e0e5c75e0b41bc5288099aad090e624de82bd3b64864821e14f38e0359f172b3eda0fa8e9a5b271621e151a98ba147de9aa17034b93cb374a91d0115963f48a40feac7df78072a47f66993661180e6c4d3825f03e9c3b1e1aea9192f243c2c462b8bbd1917b38933b406fffb177900caf188e7509974180000000049454e44ae42608200000840010824000000180000000210c0db01000000030000000000000000000000000000001b40000040000000340000000100000002000000000000bf000000bf0000c0410000c84103000000000000b3000000b3ffffbf41000000b3000000b3ffffc7412100000008000000620000000c00000001000000150000000c00000004000000150000000c00000004000000510000004403000000000000000000001700000018000000000000000000000000000000000000001800000019000000500000009c000000ec00000058020000000000002000cc00180000001900000028000000180000001900000001000800000000000000000000000000000000001d0000000000000000000000ffffff00dfffff0000489c00bf740000bfffff0000007400ffbf740074000000ffffbf0074bfff00747474000074bf00bfbf74009cdfff007400480074bfbf00489cdf00df9c48000000480048007400ffdf9c009c480000ffffdf0048000000dfdf9c007474480048489c004800480001010101010101010101010101010101010101010101010101010101010101010101010101010101010101010101010101010101010101010101010101010101010101010101010101010101010101010101010101010101011100000012010101010101010101010101010101010101051415010e13070101010101010101010101010101010101010101010e1307010101010101010101010101010101010101010c000007010102030000120101010101110000000701010101020307010101020312010101010101011100070101010101010e1c15010102030701010a181501010a00070101021b15010a1815010102030701010c001201010a000701010111000000120101010203070105061a0f09010a00070101010101010101010101020307011118190307010a00070101010101010101010101020307020316170a16170a000701010101010101010101010203070e1312010514150a00070101010101010101010101020307110809010111120a0007010101010101010101010102030d06040101010e0f100007010101010101010101010102030b0007010101010c0b000701010101010101010101010203000809010101010a000007010101010101010101010203000004010101010105060000070101010101010101010101010101010101010101010101010101010101010101010101010101010101010101010101010101010101010101010101010101010101010101010101010101010101010101010101010101010101010101010101010101010101010101010101010101010101010101010101010101010101010101014c0000006400000000000000000000001700000018000000000000000000000018000000190000002900aa0000000000000000000000803f00000000000000000000803f0000000000000000000000000000000000000000000000000000000000000000220000000c000000ffffffff460000001c00000010000000454d462b024000000c000000000000000e000000140000000000000010000000140000000400000003010800050000000b0200000000050000000c0219001800030000001e000400000007010400040000000701040087010000410b2000cc001900180000000000190018000000000028000000180000001900000001000800000000000000000000000000000000001d0000000000000000000000ffffff00dfffff0000489c00bf740000bfffff0000007400ffbf740074000000ffffbf0074bfff00747474000074bf00bfbf74009cdfff007400480074bfbf00489cdf00df9c48000000480048007400ffdf9c009c480000ffffdf0048000000dfdf9c007474480048489c004800480001010101010101010101010101010101010101010101010101010101010101010101010101010101010101010101010101010101010101010101010101010101010101010101010101010101010101010101010101010101011100000012010101010101010101010101010101010101051415010e13070101010101010101010101010101010101010101010e1307010101010101010101010101010101010101010c000007010102030000120101010101110000000701010101020307010101020312010101010101011100070101010101010e1c15010102030701010a181501010a00070101021b15010a1815010102030701010c001201010a000701010111000000120101010203070105061a0f09010a00070101010101010101010101020307011118190307010a00070101010101010101010101020307020316170a16170a000701010101010101010101010203070e1312010514150a00070101010101010101010101020307110809010111120a0007010101010101010101010102030d06040101010e0f100007010101010101010101010102030b0007010101010c0b000701010101010101010101010203000809010101010a000007010101010101010101010203000004010101010105060000070101010101010101010101010101010101010101010101010101010101010101010101010101010101010101010101010101010101010101010101010101010101010101010101010101010101010101010101010101010101010101010101010101010101010101010101010101010101010101010101010101010101010101010c00000040092900aa000000000000001900180000000000040000002701ffff030000000000>+>010009000003660500000000a40300000000a403000026060f003e07574d46430100000000000100f9f300000000010000001c070000000000001c070000010000006c000000000000000000000017000000180000000000000000000000570200007002000020454d46000001001c0700000c00000001000000000000000000000000000000000500002003000040010000c800000000000000000000000000000000e20400400d0300460000002c00000020000000454d462b014001001c000000100000000210c0db01000000600000006000000046000000680200005c020000454d462b224004000c000000000000001e4009000c00000000000000244001000c000000000000003040020010000000040000000000803f214007000c0000000000000008400005b4010000a80100000210c0db01000000000000000000000000000000000000000100000089504e470d0a1a0a0000000d4948445200000018000000190802000000a449790a000000017352474200aece1ce9000000097048597300000ec400000ec401952b0e1b0000013049444154484bdd95310e823014861f9e84a390b860ba72035d8c6b0d673076252e700356238b914330b8187a93fa5a6b2d456d8d4e766b5ffbf1deffde1f222104fc624d7e01918cff06f16a16e9b56e4792b5eb3741fb36764d88be4c6f67f4a4f68f75a22f02ce3df1109b527cc3f6c39cda3d53e7fe65758d1097c4ab0da384f8294efb93155668e5c48f3594ab2488339ca3789a21695371f5b62d16904de3308e33908ad4d447494279d2708e3bd986a4e4c9e7a1f98c2d12cf738a391545dd5012288f2a7eecb5049bd730e697590db219e127a69524f0cac3ab650d7a8c871975975bb30092ad1007230fbf74e3c621e69cef323b60f903d2b27726df7867601ff48df4920c1a4f81eb19ff5e63eea0bea4f2fb1f83ec1c7565aa908f4156c6df96a651f7d4b44ad1fffe45aee4e5b5e1abbcf9870000000049454e44ae426082000840010824000000180000000210c0db01000000030000000000000000000000000000001b40000040000000340000000100000002000000000000bf000000bf0000c0410000c84103000000000000b3000000b3ffffbf41000000b3000000b3ffffc7412100000008000000620000000c00000001000000150000000c00000004000000150000000c0000000400000051000000500300000000000000000000170000001800000000000000000000000000000000000000180000001900000050000000a8000000f800000058020000000000002000cc0018000000190000002800000018000000190000000100080000000000000000000000000000000000200000000000000000000000ffffff00dfffff0000489c00bf740000bfffff0000007400ffbf740074000000ffffbf0074bfff00747474000074bf00bfbf74009cdfff007400480074bfbf00489cdf00df9c48000000480048007400ffdf9c009c480000ffffdf0048000000dfdf9c007474480048489c0000484800dfbf7400740074009c749c0001010101010101010101010101010101010101010101010101010101010101010101010101010101010101010101010101010101010101010101010101010101010101010101010101010101010101010101010101010101010101110008090101010101010101010101010101010101010101020307010101010101010101010101010101010101110000000000161701010101010101010101010101010101051e0902031d1f1702030000120101010101110000000701010a040203070101010203120101010101010111000701010101111d030701010102030701010a181501010a000701010101021b1c0701010102030701010c001201010a000701010101010e13070101010203070105061a0f09010a00070101010101010101010101020307011118190307010a00070101010101010101010101020307020316170a16170a000701010101010101010101010203070e1312010514150a00070101010101010101010101020307110809010111120a0007010101010101010101010102030d06040101010e0f100007010101010101010101010102030b0007010101010c0b000701010101010101010101010203000809010101010a000007010101010101010101010203000004010101010105060000070101010101010101010101010101010101010101010101010101010101010101010101010101010101010101010101010101010101010101010101010101010101010101010101010101010101010101010101010101010101010101010101010101010101010101010101010101010101010101010101010101010101010101014c0000006400000000000000000000001700000018000000000000000000000018000000190000002900aa0000000000000000000000803f00000000000000000000803f0000000000000000000000000000000000000000000000000000000000000000220000000c000000ffffffff460000001c00000010000000454d462b024000000c000000000000000e000000140000000000000010000000140000000400000003010800050000000b0200000000050000000c0219001800030000001e00040000000701040004000000070104008d010000410b2000cc00190018000000000019001800000000002800000018000000190000000100080000000000000000000000000000000000200000000000000000000000ffffff00dfffff0000489c00bf740000bfffff0000007400ffbf740074000000ffffbf0074bfff00747474000074bf00bfbf74009cdfff007400480074bfbf00489cdf00df9c48000000480048007400ffdf9c009c480000ffffdf0048000000dfdf9c007474480048489c0000484800dfbf7400740074009c749c0001010101010101010101010101010101010101010101010101010101010101010101010101010101010101010101010101010101010101010101010101010101010101010101010101010101010101010101010101010101010101110008090101010101010101010101010101010101010101020307010101010101010101010101010101010101110000000000161701010101010101010101010101010101051e0902031d1f1702030000120101010101110000000701010a040203070101010203120101010101010111000701010101111d030701010102030701010a181501010a000701010101021b1c0701010102030701010c001201010a000701010101010e13070101010203070105061a0f09010a00070101010101010101010101020307011118190307010a00070101010101010101010101020307020316170a16170a000701010101010101010101010203070e1312010514150a00070101010101010101010101020307110809010111120a0007010101010101010101010102030d06040101010e0f100007010101010101010101010102030b0007010101010c0b000701010101010101010101010203000809010101010a000007010101010101010101010203000004010101010105060000070101010101010101010101010101010101010101010101010101010101010101010101010101010101010101010101010101010101010101010101010101010101010101010101010101010101010101010101010101010101010101010101010101010101010101010101010101010101010101010101010101010101010101010c00000040092900aa000000000000001900180000000000040000002701ffff030000000000>=
0→>010009000003660500000000a40300000000a403000026060f003e07574d46430100000000000100f9f300000000010000001c070000000000001c070000010000006c000000000000000000000017000000180000000000000000000000570200007002000020454d46000001001c0700000c00000001000000000000000000000000000000000500002003000040010000c800000000000000000000000000000000e20400400d0300460000002c00000020000000454d462b014001001c000000100000000210c0db01000000600000006000000046000000680200005c020000454d462b224004000c000000000000001e4009000c00000000000000244001000c000000000000003040020010000000040000000000803f214007000c0000000000000008400005b4010000a80100000210c0db01000000000000000000000000000000000000000100000089504e470d0a1a0a0000000d4948445200000018000000190802000000a449790a000000017352474200aece1ce9000000097048597300000ec400000ec401952b0e1b0000013049444154484bdd95310e823014861f9e84a390b860ba72035d8c6b0d673076252e700356238b914330b8187a93fa5a6b2d456d8d4e766b5ffbf1deffde1f222104fc624d7e01918cff06f16a16e9b56e4792b5eb3741fb36764d88be4c6f67f4a4f68f75a22f02ce3df1109b527cc3f6c39cda3d53e7fe65758d1097c4ab0da384f8294efb93155668e5c48f3594ab2488339ca3789a21695371f5b62d16904de3308e33908ad4d447494279d2708e3bd986a4e4c9e7a1f98c2d12cf738a391545dd5012288f2a7eecb5049bd730e697590db219e127a69524f0cac3ab650d7a8c871975975bb30092ad1007230fbf74e3c621e69cef323b60f903d2b27726df7867601ff48df4920c1a4f81eb19ff5e63eea0bea4f2fb1f83ec1c7565aa908f4156c6df96a651f7d4b44ad1fffe45aee4e5b5e1abbcf9870000000049454e44ae426082000840010824000000180000000210c0db01000000030000000000000000000000000000001b40000040000000340000000100000002000000000000bf000000bf0000c0410000c84103000000000000b3000000b3ffffbf41000000b3000000b3ffffc7412100000008000000620000000c00000001000000150000000c00000004000000150000000c0000000400000051000000500300000000000000000000170000001800000000000000000000000000000000000000180000001900000050000000a8000000f800000058020000000000002000cc0018000000190000002800000018000000190000000100080000000000000000000000000000000000200000000000000000000000ffffff00dfffff0000489c00bf740000bfffff0000007400ffbf740074000000ffffbf0074bfff00747474000074bf00bfbf74009cdfff007400480074bfbf00489cdf00df9c48000000480048007400ffdf9c009c480000ffffdf0048000000dfdf9c007474480048489c0000484800dfbf7400740074009c749c0001010101010101010101010101010101010101010101010101010101010101010101010101010101010101010101010101010101010101010101010101010101010101010101010101010101010101010101010101010101010101110008090101010101010101010101010101010101010101020307010101010101010101010101010101010101110000000000161701010101010101010101010101010101051e0902031d1f1702030000120101010101110000000701010a040203070101010203120101010101010111000701010101111d030701010102030701010a181501010a000701010101021b1c0701010102030701010c001201010a000701010101010e13070101010203070105061a0f09010a00070101010101010101010101020307011118190307010a00070101010101010101010101020307020316170a16170a000701010101010101010101010203070e1312010514150a00070101010101010101010101020307110809010111120a0007010101010101010101010102030d06040101010e0f100007010101010101010101010102030b0007010101010c0b000701010101010101010101010203000809010101010a000007010101010101010101010203000004010101010105060000070101010101010101010101010101010101010101010101010101010101010101010101010101010101010101010101010101010101010101010101010101010101010101010101010101010101010101010101010101010101010101010101010101010101010101010101010101010101010101010101010101010101010101014c0000006400000000000000000000001700000018000000000000000000000018000000190000002900aa0000000000000000000000803f00000000000000000000803f0000000000000000000000000000000000000000000000000000000000000000220000000c000000ffffffff460000001c00000010000000454d462b024000000c000000000000000e000000140000000000000010000000140000000400000003010800050000000b0200000000050000000c0219001800030000001e00040000000701040004000000070104008d010000410b2000cc00190018000000000019001800000000002800000018000000190000000100080000000000000000000000000000000000200000000000000000000000ffffff00dfffff0000489c00bf740000bfffff0000007400ffbf740074000000ffffbf0074bfff00747474000074bf00bfbf74009cdfff007400480074bfbf00489cdf00df9c48000000480048007400ffdf9c009c480000ffffdf0048000000dfdf9c007474480048489c0000484800dfbf7400740074009c749c0001010101010101010101010101010101010101010101010101010101010101010101010101010101010101010101010101010101010101010101010101010101010101010101010101010101010101010101010101010101010101110008090101010101010101010101010101010101010101020307010101010101010101010101010101010101110000000000161701010101010101010101010101010101051e0902031d1f1702030000120101010101110000000701010a040203070101010203120101010101010111000701010101111d030701010102030701010a181501010a000701010101021b1c0701010102030701010c001201010a000701010101010e13070101010203070105061a0f09010a00070101010101010101010101020307011118190307010a00070101010101010101010101020307020316170a16170a000701010101010101010101010203070e1312010514150a00070101010101010101010101020307110809010111120a0007010101010101010101010102030d06040101010e0f100007010101010101010101010102030b0007010101010c0b000701010101010101010101010203000809010101010a000007010101010101010101010203000004010101010105060000070101010101010101010101010101010101010101010101010101010101010101010101010101010101010101010101010101010101010101010101010101010101010101010101010101010101010101010101010101010101010101010101010101010101010101010101010101010101010101010101010101010101010101010c00000040092900aa000000000000001900180000000000040000002701ffff030000000000>=
>010009000003660a000000005206000000005206000026060f009a0c574d464301000000000001005e740000000001000000780c000000000000780c0000010000006c000000000000000000000045000000180000000000000000000000d50600007002000020454d4600000100780c00000c00000001000000000000000000000000000000000500002003000040010000c800000000000000000000000000000000e20400400d0300460000002c00000020000000454d462b014001001c000000100000000210c0db010000006000000060000000460000002003000014030000454d462b224004000c000000000000001e4009000c00000000000000244001000c000000000000003040020010000000040000000000803f214007000c00000000000000084000056c020000600200000210c0db01000000000000000000000000000000000000000100000089504e470d0a1a0a0000000d49484452000000460000001908020000000394cff1000000017352474200aece1ce9000000097048597300000ec400000ec401952b0e1b000001e6494441545847ed573b8e83301075f624d0e518486988687383d0acd21ae50c28b4747003da28345138448a6da27013766c3e36e000b1bd428be2260a3693f73c336f5e564551a065adaf65d1216c3e94fe434e9799a53cdeaeaae565bd3464dec0a6e6a46942028a5714cfc82ed1e11bfdced60dbfd8e89cd3f555031256781803fae0dcce53760ee873d545ee7f1be7d3c22822e17ac971ba9cf2d80fb0e34c03a2f1941a125e1eac03d41f97a7fc9aa0e86069c43a3594129296e2199b1d70f2ab02c94217ed36c654185acfa920698b388d94265752f4d046f65c8c105240d2994b4d24da46c7bd748e98f6d31960ba294a5db39e07e473442de4917447adb13f62c8531826297614dac83ab5649d68b31d3df9679791fb9246d2770f16085f1a0483c2c0e540309d7575d538126e36b3ac0b0c11898406da08f8f8ebf2c26110376aa28b0817670c0995e41a49ea7e97bac628dd1ff5242445c3ca227fdcdb6861bbde35d695ebd0ca673212637f1121e1dc50b7da79a724324bc447751ae4952f12f492e068e386de45425e6cbc1c92376750753d4b281f4df6cdda842a536a5d8b2c1a9defd10497372cf57f29f3cc9f6371a21a9f797fa879232d0a42259a6eef5f5593eaea0767ac3ed67ca0d1f5d85b0125ad72357f30a9c29b1ff610820552fa05155f7de4c2b3a57a0000000049454e44ae4260820000000840010824000000180000000210c0db01000000030000000000000000000000000000001b40000040000000340000000100000002000000000000bf000000bf00008c420000c84103000000000000b3000000b3ffff8b42000000b3000000b3ffffc7412100000008000000620000000c00000001000000150000000c00000004000000150000000c0000000400000051000000f407000000000000000000004500000018000000000000000000000000000000000000004600000019000000500000009c000000ec00000008070000000000002000cc00460000001900000028000000460000001900000001000800000000000000000000000000000000001d0000000000000000000000ffffff00dfffff0000489c00bf740000bfffff0000007400ffbf740074000000ffffbf0074bfff00747474000074bf00489cdf009c480000ffffdf00bfbf74009cdfff007400480074bfbf00df9c48000000480048007400ffdf9c0048000000dfdf9c007474480048489c004800480001010101010101010101010101010101010101010101010101010101010101010101010101010101010101010101010101010101010101010101010101010101010101010101ffff01010101010101010101010101010101010101010101010101010101010101010101010101010101010101010101010101010101010101010101010101010101010101010101ffff01010101010101010101010101010101010101010101010101010101010101010101010101010101010101010101010101010101010101010101010101010101010101010101ffff0101010101010101010101010101010105060000000007010101010101010101010101010101010101010101010101010101010101010101010101010101010d000000140101ffff01010101010101010101010101010101010a0401010a070101010101010101010101010101010101010101010101010101010101010101010101010101010516170111150701ffff0101010101010101010101010101010101010d040101010101010101010101010101010101010101010101010101010101010101010101010101010101010101010111150701ffff010101010101010101010101010101010101010a04010101010101010101010101010101010101010101010101010101010101010101010101010101010101010c0000070101ffff020300001401010101010d0000000701010101010d140101010101010101010101010d0e0f010101010101010101020300001401010101010d00000007010101010203070101ffff01020314010101010101010d0007010101010101111c1701010101010101010101010d0e0f01010101010101010101020314010101010101010d0007010101010101111c1701ffff0102030701010a181701010a00070101051617010a181701010101010101010101010d0e0f0101010101010101010102030701010a181701010a00070101021b17010a18170174ff0102030701010c001401010a000701010105060000040101010101010101010101010d0e0f0101010101010101010102030701010c001401010a00070101010d00000014010100ff010203070105061a1209010a000701010101010101010101010101010101010101010d0e0f010101010101010101010203070105061a1209010a000701010101010101010101ffff01020307010d18190307010a00070101010101010101010101010101010c000000000000000000000e0f0101010101020307010d18190307010a000701010101010101010101ffff0102030702030e0f0a0e0f0a000701010101010101010101010101010101010101010d0e0f0101010101010101010102030702030e0f0a0e0f0a000701010101010101010101ffff01020307111514010516170a000701010101010101010101010101010101010101010d0e0f01010101010101010101020307111514010516170a0007010101010101010101019cff010203070d080901010d140a000701010101010101010101010101010101010101010d0e0f010101010101010101010203070d080901010d140a000701010101010101010101ffff010203100604010101111213000701010101010101010101010101010101010101010d0e0f010101010101010101010203100604010101111213000701010101010101010101ffff0102030b0007010101010c0b000701010101010101010101010101010101010101010d0e0f0101010101010101010102030b0007010101010c0b000701010101010101010101ffff010203000809010101010a0000070101010101010101010101010101010101010101010101010101010101010101010203000809010101010a00000701010101010101010101ffff02030000040101010101050600000701010101010101010101010101010101010101010101010101010101010101020300000401010101010506000007010101010101010101ffff01010101010101010101010101010101010101010101010101010101010101010101010101010101010101010101010101010101010101010101010101010101010101010101ffff01010101010101010101010101010101010101010101010101010101010101010101010101010101010101010101010101010101010101010101010101010101010101010101dfff01010101010101010101010101010101010101010101010101010101010101010101010101010101010101010101010101010101010101010101010101010101010101010101ffff01010101010101010101010101010101010101010101010101010101010101010101010101010101010101010101010101010101010101010101010101010101010101010101ffff0101010101010101010101010101010101010101010101010101010101010101010101010101010101010101010101010101010101010101010101010101010101010101010174ff4c0000006400000000000000000000004500000018000000000000000000000046000000190000002900aa0000000000000000000000803f00000000000000000000803f0000000000000000000000000000000000000000000000000000000000000000220000000c000000ffffffff460000001c00000010000000454d462b024000000c000000000000000e000000140000000000000010000000140000000400000003010800050000000b0200000000050000000c0219004600030000001e0004000000070104000400000007010400df030000410b2000cc001900460000000000190046000000000028000000460000001900000001000800000000000000000000000000000000001d0000000000000000000000ffffff00dfffff0000489c00bf740000bfffff0000007400ffbf740074000000ffffbf0074bfff00747474000074bf00489cdf009c480000ffffdf00bfbf74009cdfff007400480074bfbf00df9c48000000480048007400ffdf9c0048000000dfdf9c007474480048489c004800480001010101010101010101010101010101010101010101010101010101010101010101010101010101010101010101010101010101010101010101010101010101010101010101ffff01010101010101010101010101010101010101010101010101010101010101010101010101010101010101010101010101010101010101010101010101010101010101010101ffff01010101010101010101010101010101010101010101010101010101010101010101010101010101010101010101010101010101010101010101010101010101010101010101ffff0101010101010101010101010101010105060000000007010101010101010101010101010101010101010101010101010101010101010101010101010101010d000000140101ffff01010101010101010101010101010101010a0401010a070101010101010101010101010101010101010101010101010101010101010101010101010101010516170111150701ffff0101010101010101010101010101010101010d040101010101010101010101010101010101010101010101010101010101010101010101010101010101010101010111150701ffff010101010101010101010101010101010101010a04010101010101010101010101010101010101010101010101010101010101010101010101010101010101010c0000070101ffff020300001401010101010d0000000701010101010d140101010101010101010101010d0e0f010101010101010101020300001401010101010d00000007010101010203070101ffff01020314010101010101010d0007010101010101111c1701010101010101010101010d0e0f01010101010101010101020314010101010101010d0007010101010101111c1701ffff0102030701010a181701010a00070101051617010a181701010101010101010101010d0e0f0101010101010101010102030701010a181701010a00070101021b17010a18170174ff0102030701010c001401010a000701010105060000040101010101010101010101010d0e0f0101010101010101010102030701010c001401010a00070101010d00000014010100ff010203070105061a1209010a000701010101010101010101010101010101010101010d0e0f010101010101010101010203070105061a1209010a000701010101010101010101ffff01020307010d18190307010a00070101010101010101010101010101010c000000000000000000000e0f0101010101020307010d18190307010a000701010101010101010101ffff0102030702030e0f0a0e0f0a000701010101010101010101010101010101010101010d0e0f0101010101010101010102030702030e0f0a0e0f0a000701010101010101010101ffff01020307111514010516170a000701010101010101010101010101010101010101010d0e0f01010101010101010101020307111514010516170a0007010101010101010101019cff010203070d080901010d140a000701010101010101010101010101010101010101010d0e0f010101010101010101010203070d080901010d140a000701010101010101010101ffff010203100604010101111213000701010101010101010101010101010101010101010d0e0f010101010101010101010203100604010101111213000701010101010101010101ffff0102030b0007010101010c0b000701010101010101010101010101010101010101010d0e0f0101010101010101010102030b0007010101010c0b000701010101010101010101ffff010203000809010101010a0000070101010101010101010101010101010101010101010101010101010101010101010203000809010101010a00000701010101010101010101ffff02030000040101010101050600000701010101010101010101010101010101010101010101010101010101010101020300000401010101010506000007010101010101010101ffff01010101010101010101010101010101010101010101010101010101010101010101010101010101010101010101010101010101010101010101010101010101010101010101ffff01010101010101010101010101010101010101010101010101010101010101010101010101010101010101010101010101010101010101010101010101010101010101010101dfff01010101010101010101010101010101010101010101010101010101010101010101010101010101010101010101010101010101010101010101010101010101010101010101ffff01010101010101010101010101010101010101010101010101010101010101010101010101010101010101010101010101010101010101010101010101010101010101010101ffff0101010101010101010101010101010101010101010101010101010101010101010101010101010101010101010101010101010101010101010101010101010101010101010174ff0c00000040092900aa000000000000001900460000000000040000002701ffff030000000000>->0100090000034e05000000009403000000009403000026060f001e07574d46430100000000000100d1510000000001000000fc06000000000000fc060000010000006c0000000000000000000000160000001800000000000000000000003e0200007002000020454d4600000100fc0600000c00000001000000000000000000000000000000000500002003000040010000c800000000000000000000000000000000e20400400d0300460000002c00000020000000454d462b014001001c000000100000000210c0db01000000600000006000000046000000580200004c020000454d462b224004000c000000000000001e4009000c00000000000000244001000c000000000000003040020010000000040000000000803f214007000c0000000000000008400005a4010000980100000210c0db01000000000000000000000000000000000000000100000089504e470d0a1a0a0000000d494844520000001700000019080200000055422287000000017352474200aece1ce9000000097048597300000ec400000ec401952b0e1b0000011e49444154384fdd95310e823014868b27e128352c98aede0037d612cf60ec4a5ce006ac44162387607031f626f5b5685b8a02c1c184b7b5affdf2fabfff812784403fc7ea6782042c92c2f38df78aa4eec9542703497d1a7a24c4230bdb0d7a556b1357fa25d13965d4a5142eb0b25b4d5d32b53f12568f0871313c3f304ac818a3db691cc3c3ac6af8a540598cc7215dbff8c11630879cab8b75ba43dbc09f00715ca7305571911890249c0871bdab314a927d34a992fe04f8d19e4235695a54944c91443db83f47185a553136aaabb4e3dba51fa65162d09024add9d7cce86e28cdbd6d0d42f828c4594bc2ef8ddba6e064fb5d662dfba3307b3803a047a33f1d32f51e18a0cc0c9bf2efaf14bf5546af19efb1c50210a8e92dee1ff0043b463251a65a7f7f0000000049454e44ae4260820000000840010824000000180000000210c0db01000000030000000000000000000000000000001b40000040000000340000000100000002000000000000bf000000bf0000b8410000c84103000000000000b3000000b3ffffb741000000b3000000b3ffffc7412100000008000000620000000c00000001000000150000000c00000004000000150000000c000000040000005100000040030000000000000000000016000000180000000000000000000000000000000000000017000000190000005000000098000000e800000058020000000000002000cc00170000001900000028000000170000001900000001000800000000000000000000000000000000001c0000000000000000000000ffffff00dfffff0000489c00bf740000bfffff0000007400ffbf740074000000ffffbf0074bfff00747474000074bf00bfbf74009cdfff007400480074bfbf00489cdf00df9c48000000480048007400ffdf9c009c480000ffffdf0048000000dfdf9c0074744800dfdfdf00010101010101010101010101010101010101010101010101010101010101010101010101010101010101010101010101010101010101010101010101010101010101010101010101010101010101010101010101010101010111000000001201010101010101010101010101010101010101010c0401010101010101010101010101010101010101010101110401011701010101010101010101010101010101010101110401011702030000120101010101110000000701010101110401010101020312010101010101011100070101011b0111040101010102030701010a181501010a0007010101110000040101010102030701010c001201010a000701010101010c04010101010203070105061a0f09010a00070101010101010101010101020307011118190307010a00070101010101010101010101020307020316170a16170a000701010101010101010101010203070e1312010514150a00070101010101010101010101020307110809010111120a0007010101010101010101010102030d06040101010e0f100007010101010101010101010102030b0007010101010c0b000701010101010101010101010203000809010101010a000007010101010101010101010203000004010101010105060000070101010101010101010101010101010101010101010101010101010101010101010101010101010101010101010101010101010101010101010101010101010101010101010101010101010101010101010101010101010101010101010101010101010101010101010101010101010101010101010101010101010101010101014c0000006400000000000000000000001600000018000000000000000000000017000000190000002900aa0000000000000000000000803f00000000000000000000803f0000000000000000000000000000000000000000000000000000000000000000220000000c000000ffffffff460000001c00000010000000454d462b024000000c000000000000000e000000140000000000000010000000140000000400000003010800050000000b0200000000050000000c0219001700030000001e000400000007010400040000000701040085010000410b2000cc001900170000000000190017000000000028000000170000001900000001000800000000000000000000000000000000001c0000000000000000000000ffffff00dfffff0000489c00bf740000bfffff0000007400ffbf740074000000ffffbf0074bfff00747474000074bf00bfbf74009cdfff007400480074bfbf00489cdf00df9c48000000480048007400ffdf9c009c480000ffffdf0048000000dfdf9c0074744800dfdfdf00010101010101010101010101010101010101010101010101010101010101010101010101010101010101010101010101010101010101010101010101010101010101010101010101010101010101010101010101010101010111000000001201010101010101010101010101010101010101010c0401010101010101010101010101010101010101010101110401011701010101010101010101010101010101010101110401011702030000120101010101110000000701010101110401010101020312010101010101011100070101011b0111040101010102030701010a181501010a0007010101110000040101010102030701010c001201010a000701010101010c04010101010203070105061a0f09010a00070101010101010101010101020307011118190307010a00070101010101010101010101020307020316170a16170a000701010101010101010101010203070e1312010514150a00070101010101010101010101020307110809010111120a0007010101010101010101010102030d06040101010e0f100007010101010101010101010102030b0007010101010c0b000701010101010101010101010203000809010101010a000007010101010101010101010203000004010101010105060000070101010101010101010101010101010101010101010101010101010101010101010101010101010101010101010101010101010101010101010101010101010101010101010101010101010101010101010101010101010101010101010101010101010101010101010101010101010101010101010101010101010101010101010c00000040092900aa000000000000001900170000000000040000002701ffff030000000000>
>010009000003660500000000a40300000000a403000026060f003e07574d46430100000000000100f9f300000000010000001c070000000000001c070000010000006c000000000000000000000017000000180000000000000000000000570200007002000020454d46000001001c0700000c00000001000000000000000000000000000000000500002003000040010000c800000000000000000000000000000000e20400400d0300460000002c00000020000000454d462b014001001c000000100000000210c0db01000000600000006000000046000000680200005c020000454d462b224004000c000000000000001e4009000c00000000000000244001000c000000000000003040020010000000040000000000803f214007000c0000000000000008400005b4010000a80100000210c0db01000000000000000000000000000000000000000100000089504e470d0a1a0a0000000d4948445200000018000000190802000000a449790a000000017352474200aece1ce9000000097048597300000ec400000ec401952b0e1b0000013049444154484bdd95310e823014861f9e84a390b860ba72035d8c6b0d673076252e700356238b914330b8187a93fa5a6b2d456d8d4e766b5ffbf1deffde1f222104fc624d7e01918cff06f16a16e9b56e4792b5eb3741fb36764d88be4c6f67f4a4f68f75a22f02ce3df1109b527cc3f6c39cda3d53e7fe65758d1097c4ab0da384f8294efb93155668e5c48f3594ab2488339ca3789a21695371f5b62d16904de3308e33908ad4d447494279d2708e3bd986a4e4c9e7a1f98c2d12cf738a391545dd5012288f2a7eecb5049bd730e697590db219e127a69524f0cac3ab650d7a8c871975975bb30092ad1007230fbf74e3c621e69cef323b60f903d2b27726df7867601ff48df4920c1a4f81eb19ff5e63eea0bea4f2fb1f83ec1c7565aa908f4156c6df96a651f7d4b44ad1fffe45aee4e5b5e1abbcf9870000000049454e44ae426082000840010824000000180000000210c0db01000000030000000000000000000000000000001b40000040000000340000000100000002000000000000bf000000bf0000c0410000c84103000000000000b3000000b3ffffbf41000000b3000000b3ffffc7412100000008000000620000000c00000001000000150000000c00000004000000150000000c0000000400000051000000500300000000000000000000170000001800000000000000000000000000000000000000180000001900000050000000a8000000f800000058020000000000002000cc0018000000190000002800000018000000190000000100080000000000000000000000000000000000200000000000000000000000ffffff00dfffff0000489c00bf740000bfffff0000007400ffbf740074000000ffffbf0074bfff00747474000074bf00bfbf74009cdfff007400480074bfbf00489cdf00df9c48000000480048007400ffdf9c009c480000ffffdf0048000000dfdf9c007474480048489c0000484800dfbf7400740074009c749c0001010101010101010101010101010101010101010101010101010101010101010101010101010101010101010101010101010101010101010101010101010101010101010101010101010101010101010101010101010101010101110008090101010101010101010101010101010101010101020307010101010101010101010101010101010101110000000000161701010101010101010101010101010101051e0902031d1f1702030000120101010101110000000701010a040203070101010203120101010101010111000701010101111d030701010102030701010a181501010a000701010101021b1c0701010102030701010c001201010a000701010101010e13070101010203070105061a0f09010a00070101010101010101010101020307011118190307010a00070101010101010101010101020307020316170a16170a000701010101010101010101010203070e1312010514150a00070101010101010101010101020307110809010111120a0007010101010101010101010102030d06040101010e0f100007010101010101010101010102030b0007010101010c0b000701010101010101010101010203000809010101010a000007010101010101010101010203000004010101010105060000070101010101010101010101010101010101010101010101010101010101010101010101010101010101010101010101010101010101010101010101010101010101010101010101010101010101010101010101010101010101010101010101010101010101010101010101010101010101010101010101010101010101010101014c0000006400000000000000000000001700000018000000000000000000000018000000190000002900aa0000000000000000000000803f00000000000000000000803f0000000000000000000000000000000000000000000000000000000000000000220000000c000000ffffffff460000001c00000010000000454d462b024000000c000000000000000e000000140000000000000010000000140000000400000003010800050000000b0200000000050000000c0219001800030000001e00040000000701040004000000070104008d010000410b2000cc00190018000000000019001800000000002800000018000000190000000100080000000000000000000000000000000000200000000000000000000000ffffff00dfffff0000489c00bf740000bfffff0000007400ffbf740074000000ffffbf0074bfff00747474000074bf00bfbf74009cdfff007400480074bfbf00489cdf00df9c48000000480048007400ffdf9c009c480000ffffdf0048000000dfdf9c007474480048489c0000484800dfbf7400740074009c749c0001010101010101010101010101010101010101010101010101010101010101010101010101010101010101010101010101010101010101010101010101010101010101010101010101010101010101010101010101010101010101110008090101010101010101010101010101010101010101020307010101010101010101010101010101010101110000000000161701010101010101010101010101010101051e0902031d1f1702030000120101010101110000000701010a040203070101010203120101010101010111000701010101111d030701010102030701010a181501010a000701010101021b1c0701010102030701010c001201010a000701010101010e13070101010203070105061a0f09010a00070101010101010101010101020307011118190307010a00070101010101010101010101020307020316170a16170a000701010101010101010101010203070e1312010514150a00070101010101010101010101020307110809010111120a0007010101010101010101010102030d06040101010e0f100007010101010101010101010102030b0007010101010c0b000701010101010101010101010203000809010101010a000007010101010101010101010203000004010101010105060000070101010101010101010101010101010101010101010101010101010101010101010101010101010101010101010101010101010101010101010101010101010101010101010101010101010101010101010101010101010101010101010101010101010101010101010101010101010101010101010101010101010101010101010c00000040092900aa000000000000001900180000000000040000002701ffff030000000000>>
>=
2000+1333-1000 = 2333Н*М
2. Вычисляем крутящие моменты на каждом участке вала и строим эпюру крутящих моментов участок
->0100090000034e05000000009403000000009403000026060f001e07574d46430100000000000100d1510000000001000000fc06000000000000fc060000010000006c0000000000000000000000160000001800000000000000000000003e0200007002000020454d4600000100fc0600000c00000001000000000000000000000000000000000500002003000040010000c800000000000000000000000000000000e20400400d0300460000002c00000020000000454d462b014001001c000000100000000210c0db01000000600000006000000046000000580200004c020000454d462b224004000c000000000000001e4009000c00000000000000244001000c000000000000003040020010000000040000000000803f214007000c0000000000000008400005a4010000980100000210c0db01000000000000000000000000000000000000000100000089504e470d0a1a0a0000000d494844520000001700000019080200000055422287000000017352474200aece1ce9000000097048597300000ec400000ec401952b0e1b0000011e49444154384fdd95310e823014868b27e128352c98aede0037d612cf60ec4a5ce006ac44162387607031f626f5b5685b8a02c1c184b7b5affdf2fabfff812784403fc7ea6782042c92c2f38df78aa4eec9542703497d1a7a24c4230bdb0d7a556b1357fa25d13965d4a5142eb0b25b4d5d32b53f12568f0871313c3f304ac818a3db691cc3c3ac6af8a540598cc7215dbff8c11630879cab8b75ba43dbc09f00715ca7305571911890249c0871bdab314a927d34a992fe04f8d19e4235695a54944c91443db83f47185a553136aaabb4e3dba51fa65162d09024add9d7cce86e28cdbd6d0d42f828c4594bc2ef8ddba6e064fb5d662dfba3307b3803a047a33f1d32f51e18a0cc0c9bf2efaf14bf5546af19efb1c50210a8e92dee1ff0043b463251a65a7f7f0000000049454e44ae4260820000000840010824000000180000000210c0db01000000030000000000000000000000000000001b40000040000000340000000100000002000000000000bf000000bf0000b8410000c84103000000000000b3000000b3ffffb741000000b3000000b3ffffc7412100000008000000620000000c00000001000000150000000c00000004000000150000000c000000040000005100000040030000000000000000000016000000180000000000000000000000000000000000000017000000190000005000000098000000e800000058020000000000002000cc00170000001900000028000000170000001900000001000800000000000000000000000000000000001c0000000000000000000000ffffff00dfffff0000489c00bf740000bfffff0000007400ffbf740074000000ffffbf0074bfff00747474000074bf00bfbf74009cdfff007400480074bfbf00489cdf00df9c48000000480048007400ffdf9c009c480000ffffdf0048000000dfdf9c0074744800dfdfdf00010101010101010101010101010101010101010101010101010101010101010101010101010101010101010101010101010101010101010101010101010101010101010101010101010101010101010101010101010101010111000000001201010101010101010101010101010101010101010c0401010101010101010101010101010101010101010101110401011701010101010101010101010101010101010101110401011702030000120101010101110000000701010101110401010101020312010101010101011100070101011b0111040101010102030701010a181501010a0007010101110000040101010102030701010c001201010a000701010101010c04010101010203070105061a0f09010a00070101010101010101010101020307011118190307010a00070101010101010101010101020307020316170a16170a000701010101010101010101010203070e1312010514150a00070101010101010101010101020307110809010111120a0007010101010101010101010102030d06040101010e0f100007010101010101010101010102030b0007010101010c0b000701010101010101010101010203000809010101010a000007010101010101010101010203000004010101010105060000070101010101010101010101010101010101010101010101010101010101010101010101010101010101010101010101010101010101010101010101010101010101010101010101010101010101010101010101010101010101010101010101010101010101010101010101010101010101010101010101010101010101010101014c0000006400000000000000000000001600000018000000000000000000000017000000190000002900aa0000000000000000000000803f00000000000000000000803f0000000000000000000000000000000000000000000000000000000000000000220000000c000000ffffffff460000001c00000010000000454d462b024000000c000000000000000e000000140000000000000010000000140000000400000003010800050000000b0200000000050000000c0219001700030000001e000400000007010400040000000701040085010000410b2000cc001900170000000000190017000000000028000000170000001900000001000800000000000000000000000000000000001c0000000000000000000000ffffff00dfffff0000489c00bf740000bfffff0000007400ffbf740074000000ffffbf0074bfff00747474000074bf00bfbf74009cdfff007400480074bfbf00489cdf00df9c48000000480048007400ffdf9c009c480000ffffdf0048000000dfdf9c0074744800dfdfdf00010101010101010101010101010101010101010101010101010101010101010101010101010101010101010101010101010101010101010101010101010101010101010101010101010101010101010101010101010101010111000000001201010101010101010101010101010101010101010c0401010101010101010101010101010101010101010101110401011701010101010101010101010101010101010101110401011702030000120101010101110000000701010101110401010101020312010101010101011100070101011b0111040101010102030701010a181501010a0007010101110000040101010102030701010c001201010a000701010101010c04010101010203070105061a0f09010a00070101010101010101010101020307011118190307010a00070101010101010101010101020307020316170a16170a000701010101010101010101010203070e1312010514150a00070101010101010101010101020307110809010111120a0007010101010101010101010102030d06040101010e0f100007010101010101010101010102030b0007010101010c0b000701010101010101010101010203000809010101010a000007010101010101010101010203000004010101010105060000070101010101010101010101010101010101010101010101010101010101010101010101010101010101010101010101010101010101010101010101010101010101010101010101010101010101010101010101010101010101010101010101010101010101010101010101010101010101010101010101010101010101010101010c00000040092900aa000000000000001900170000000000040000002701ffff030000000000>+>0100090000035205000000009603000000009603000026060f002207574d4643010000000000010028680000000001000000000700000000000000070000010000006c0000000000000000000000160000001800000000000000000000003e0200007002000020454d4600000100000700000c00000001000000000000000000000000000000000500002003000040010000c800000000000000000000000000000000e20400400d0300460000002c00000020000000454d462b014001001c000000100000000210c0db01000000600000006000000046000000580200004c020000454d462b224004000c000000000000001e4009000c00000000000000244001000c000000000000003040020010000000040000000000803f214007000c0000000000000008400005a4010000980100000210c0db01000000000000000000000000000000000000000100000089504e470d0a1a0a0000000d494844520000001700000019080200000055422287000000017352474200aece1ce9000000097048597300000ec400000ec401952b0e1b0000011f49444154384fdd95310e823014868b27e128242e98aedc0037d61acf40ecca06376035b21038042bb137a9af0f2ca5a854dc7c13b4e5cbdfffbd3f78524af273ed7e2628c05f524471f0c63ab50b9bdad3874d7d1a7a24e53d0f8705d6e0fb540d7bb3313b35b9cb187cc0af7335ed95e3fa4a193da2d4c68822e58cd235c6bcd341021733d488ba247912ac43e6f3e2ef23c0a485c00fdbec48a2bdef00b1a60e3155592b0c58123a42ecd9d518b4e41c3b295926c08fcf0cd464595931ea62095e7899a3005a5571eee8ebe0da8b342a0c71b6c4a274fdd01a42828b94376d89e83bab4d4664301d901b63fc4998dfad00e8680048a7a361e341b58b8f40d9582a614ff0368a16312ad8403144000de57c4b318d52a60f0e797ff70f780049aea4b0fcbfbf370000000049454e44ae42608200000840010824000000180000000210c0db01000000030000000000000000000000000000001b40000040000000340000000100000002000000000000bf000000bf0000b8410000c84103000000000000b3000000b3ffffb741000000b3000000b3ffffc7412100000008000000620000000c00000001000000150000000c00000004000000150000000c00000004000000510000004403000000000000000000001600000018000000000000000000000000000000000000001700000019000000500000009c000000ec00000058020000000000002000cc00170000001900000028000000170000001900000001000800000000000000000000000000000000001d0000000000000000000000ffffff00dfffff0000489c00bf740000bfffff0000007400ffbf740074000000ffffbf0074bfff00747474000074bf00bfbf74009cdfff007400480074bfbf00489cdf00df9c48000000480048007400ffdf9c009c480000ffffdf0048000000dfdf9c00747448004874bf00bf74480001010101010101010101010101010101010101010101010101010101010101010101010101010101010101010101010101010101010101010101010101010101010101010101010101010101010101010101010101010102030000000012010101010101010101010101010101010101050607010e1c0101010101010101010101010101010101010102031201010117010101010101010101010101010101010101010c0401011702030000120101010101110000000701011b1501111617010102031201010101010101110007010101110000000004010102030701010a181501010a0007010101010101010101010102030701010c001201010a000701010101010101010101010203070105061a0f09010a00070101010101010101010101020307011118190307010a00070101010101010101010101020307020316170a16170a000701010101010101010101010203070e1312010514150a00070101010101010101010101020307110809010111120a0007010101010101010101010102030d06040101010e0f100007010101010101010101010102030b0007010101010c0b000701010101010101010101010203000809010101010a000007010101010101010101010203000004010101010105060000070101010101010101010101010101010101010101010101010101010101010101010101010101010101010101010101010101010101010101010101010101010101010101010101010101010101010101010101010101010101010101010101010101010101010101010101010101010101010101010101010101010101010101014c0000006400000000000000000000001600000018000000000000000000000017000000190000002900aa0000000000000000000000803f00000000000000000000803f0000000000000000000000000000000000000000000000000000000000000000220000000c000000ffffffff460000001c00000010000000454d462b024000000c000000000000000e000000140000000000000010000000140000000400000003010800050000000b0200000000050000000c0219001700030000001e000400000007010400040000000701040087010000410b2000cc001900170000000000190017000000000028000000170000001900000001000800000000000000000000000000000000001d0000000000000000000000ffffff00dfffff0000489c00bf740000bfffff0000007400ffbf740074000000ffffbf0074bfff00747474000074bf00bfbf74009cdfff007400480074bfbf00489cdf00df9c48000000480048007400ffdf9c009c480000ffffdf0048000000dfdf9c00747448004874bf00bf74480001010101010101010101010101010101010101010101010101010101010101010101010101010101010101010101010101010101010101010101010101010101010101010101010101010101010101010101010101010102030000000012010101010101010101010101010101010101050607010e1c0101010101010101010101010101010101010102031201010117010101010101010101010101010101010101010c0401011702030000120101010101110000000701011b1501111617010102031201010101010101110007010101110000000004010102030701010a181501010a0007010101010101010101010102030701010c001201010a000701010101010101010101010203070105061a0f09010a00070101010101010101010101020307011118190307010a00070101010101010101010101020307020316170a16170a000701010101010101010101010203070e1312010514150a00070101010101010101010101020307110809010111120a0007010101010101010101010102030d06040101010e0f100007010101010101010101010102030b0007010101010c0b000701010101010101010101010203000809010101010a000007010101010101010101010203000004010101010105060000070101010101010101010101010101010101010101010101010101010101010101010101010101010101010101010101010101010101010101010101010101010101010101010101010101010101010101010101010101010101010101010101010101010101010101010101010101010101010101010101010101010101010101010c00000040092900aa000000000000001900170000000000040000002701ffff030000000000>= 0
>>>
>=
>0100090000034e05000000009403000000009403000026060f001e07574d46430100000000000100d1510000000001000000fc06000000000000fc060000010000006c0000000000000000000000160000001800000000000000000000003e0200007002000020454d4600000100fc0600000c00000001000000000000000000000000000000000500002003000040010000c800000000000000000000000000000000e20400400d0300460000002c00000020000000454d462b014001001c000000100000000210c0db01000000600000006000000046000000580200004c020000454d462b224004000c000000000000001e4009000c00000000000000244001000c000000000000003040020010000000040000000000803f214007000c0000000000000008400005a4010000980100000210c0db01000000000000000000000000000000000000000100000089504e470d0a1a0a0000000d494844520000001700000019080200000055422287000000017352474200aece1ce9000000097048597300000ec400000ec401952b0e1b0000011e49444154384fdd95310e823014868b27e128352c98aede0037d612cf60ec4a5ce006ac44162387607031f626f5b5685b8a02c1c184b7b5affdf2fabfff812784403fc7ea6782042c92c2f38df78aa4eec9542703497d1a7a24c4230bdb0d7a556b1357fa25d13965d4a5142eb0b25b4d5d32b53f12568f0871313c3f304ac818a3db691cc3c3ac6af8a540598cc7215dbff8c11630879cab8b75ba43dbc09f00715ca7305571911890249c0871bdab314a927d34a992fe04f8d19e4235695a54944c91443db83f47185a553136aaabb4e3dba51fa65162d09024add9d7cce86e28cdbd6d0d42f828c4594bc2ef8ddba6e064fb5d662dfba3307b3803a047a33f1d32f51e18a0cc0c9bf2efaf14bf5546af19efb1c50210a8e92dee1ff0043b463251a65a7f7f0000000049454e44ae4260820000000840010824000000180000000210c0db01000000030000000000000000000000000000001b40000040000000340000000100000002000000000000bf000000bf0000b8410000c84103000000000000b3000000b3ffffb741000000b3000000b3ffffc7412100000008000000620000000c00000001000000150000000c00000004000000150000000c000000040000005100000040030000000000000000000016000000180000000000000000000000000000000000000017000000190000005000000098000000e800000058020000000000002000cc00170000001900000028000000170000001900000001000800000000000000000000000000000000001c0000000000000000000000ffffff00dfffff0000489c00bf740000bfffff0000007400ffbf740074000000ffffbf0074bfff00747474000074bf00bfbf74009cdfff007400480074bfbf00489cdf00df9c48000000480048007400ffdf9c009c480000ffffdf0048000000dfdf9c0074744800dfdfdf00010101010101010101010101010101010101010101010101010101010101010101010101010101010101010101010101010101010101010101010101010101010101010101010101010101010101010101010101010101010111000000001201010101010101010101010101010101010101010c0401010101010101010101010101010101010101010101110401011701010101010101010101010101010101010101110401011702030000120101010101110000000701010101110401010101020312010101010101011100070101011b0111040101010102030701010a181501010a0007010101110000040101010102030701010c001201010a000701010101010c04010101010203070105061a0f09010a00070101010101010101010101020307011118190307010a00070101010101010101010101020307020316170a16170a000701010101010101010101010203070e1312010514150a00070101010101010101010101020307110809010111120a0007010101010101010101010102030d06040101010e0f100007010101010101010101010102030b0007010101010c0b000701010101010101010101010203000809010101010a000007010101010101010101010203000004010101010105060000070101010101010101010101010101010101010101010101010101010101010101010101010101010101010101010101010101010101010101010101010101010101010101010101010101010101010101010101010101010101010101010101010101010101010101010101010101010101010101010101010101010101010101014c0000006400000000000000000000001600000018000000000000000000000017000000190000002900aa0000000000000000000000803f00000000000000000000803f0000000000000000000000000000000000000000000000000000000000000000220000000c000000ffffffff460000001c00000010000000454d462b024000000c000000000000000e000000140000000000000010000000140000000400000003010800050000000b0200000000050000000c0219001700030000001e000400000007010400040000000701040085010000410b2000cc001900170000000000190017000000000028000000170000001900000001000800000000000000000000000000000000001c0000000000000000000000ffffff00dfffff0000489c00bf740000bfffff0000007400ffbf740074000000ffffbf0074bfff00747474000074bf00bfbf74009cdfff007400480074bfbf00489cdf00df9c48000000480048007400ffdf9c009c480000ffffdf0048000000dfdf9c0074744800dfdfdf00010101010101010101010101010101010101010101010101010101010101010101010101010101010101010101010101010101010101010101010101010101010101010101010101010101010101010101010101010101010111000000001201010101010101010101010101010101010101010c0401010101010101010101010101010101010101010101110401011701010101010101010101010101010101010101110401011702030000120101010101110000000701010101110401010101020312010101010101011100070101011b0111040101010102030701010a181501010a0007010101110000040101010102030701010c001201010a000701010101010c04010101010203070105061a0f09010a00070101010101010101010101020307011118190307010a00070101010101010101010101020307020316170a16170a000701010101010101010101010203070e1312010514150a00070101010101010101010101020307110809010111120a0007010101010101010101010102030d06040101010e0f100007010101010101010101010102030b0007010101010c0b000701010101010101010101010203000809010101010a000007010101010101010101010203000004010101010105060000070101010101010101010101010101010101010101010101010101010101010101010101010101010101010101010101010101010101010101010101010101010101010101010101010101010101010101010101010101010101010101010101010101010101010101010101010101010101010101010101010101010101010101010c00000040092900aa000000000000001900170000000000040000002701ffff030000000000>=
1000 Н*М
участок
->0100090000034e05000000009403000000009403000026060f001e07574d46430100000000000100d1510000000001000000fc06000000000000fc060000010000006c0000000000000000000000160000001800000000000000000000003e0200007002000020454d4600000100fc0600000c00000001000000000000000000000000000000000500002003000040010000c800000000000000000000000000000000e20400400d0300460000002c00000020000000454d462b014001001c000000100000000210c0db01000000600000006000000046000000580200004c020000454d462b224004000c000000000000001e4009000c00000000000000244001000c000000000000003040020010000000040000000000803f214007000c0000000000000008400005a4010000980100000210c0db01000000000000000000000000000000000000000100000089504e470d0a1a0a0000000d494844520000001700000019080200000055422287000000017352474200aece1ce9000000097048597300000ec400000ec401952b0e1b0000011e49444154384fdd95310e823014868b27e128352c98aede0037d612cf60ec4a5ce006ac44162387607031f626f5b5685b8a02c1c184b7b5affdf2fabfff812784403fc7ea6782042c92c2f38df78aa4eec9542703497d1a7a24c4230bdb0d7a556b1357fa25d13965d4a5142eb0b25b4d5d32b53f12568f0871313c3f304ac818a3db691cc3c3ac6af8a540598cc7215dbff8c11630879cab8b75ba43dbc09f00715ca7305571911890249c0871bdab314a927d34a992fe04f8d19e4235695a54944c91443db83f47185a553136aaabb4e3dba51fa65162d09024add9d7cce86e28cdbd6d0d42f828c4594bc2ef8ddba6e064fb5d662dfba3307b3803a047a33f1d32f51e18a0cc0c9bf2efaf14bf5546af19efb1c50210a8e92dee1ff0043b463251a65a7f7f0000000049454e44ae4260820000000840010824000000180000000210c0db01000000030000000000000000000000000000001b40000040000000340000000100000002000000000000bf000000bf0000b8410000c84103000000000000b3000000b3ffffb741000000b3000000b3ffffc7412100000008000000620000000c00000001000000150000000c00000004000000150000000c000000040000005100000040030000000000000000000016000000180000000000000000000000000000000000000017000000190000005000000098000000e800000058020000000000002000cc00170000001900000028000000170000001900000001000800000000000000000000000000000000001c0000000000000000000000ffffff00dfffff0000489c00bf740000bfffff0000007400ffbf740074000000ffffbf0074bfff00747474000074bf00bfbf74009cdfff007400480074bfbf00489cdf00df9c48000000480048007400ffdf9c009c480000ffffdf0048000000dfdf9c0074744800dfdfdf00010101010101010101010101010101010101010101010101010101010101010101010101010101010101010101010101010101010101010101010101010101010101010101010101010101010101010101010101010101010111000000001201010101010101010101010101010101010101010c0401010101010101010101010101010101010101010101110401011701010101010101010101010101010101010101110401011702030000120101010101110000000701010101110401010101020312010101010101011100070101011b0111040101010102030701010a181501010a0007010101110000040101010102030701010c001201010a000701010101010c04010101010203070105061a0f09010a00070101010101010101010101020307011118190307010a00070101010101010101010101020307020316170a16170a000701010101010101010101010203070e1312010514150a00070101010101010101010101020307110809010111120a0007010101010101010101010102030d06040101010e0f100007010101010101010101010102030b0007010101010c0b000701010101010101010101010203000809010101010a000007010101010101010101010203000004010101010105060000070101010101010101010101010101010101010101010101010101010101010101010101010101010101010101010101010101010101010101010101010101010101010101010101010101010101010101010101010101010101010101010101010101010101010101010101010101010101010101010101010101010101010101014c0000006400000000000000000000001600000018000000000000000000000017000000190000002900aa0000000000000000000000803f00000000000000000000803f0000000000000000000000000000000000000000000000000000000000000000220000000c000000ffffffff460000001c00000010000000454d462b024000000c000000000000000e000000140000000000000010000000140000000400000003010800050000000b0200000000050000000c0219001700030000001e000400000007010400040000000701040085010000410b2000cc001900170000000000190017000000000028000000170000001900000001000800000000000000000000000000000000001c0000000000000000000000ffffff00dfffff0000489c00bf740000bfffff0000007400ffbf740074000000ffffbf0074bfff00747474000074bf00bfbf74009cdfff007400480074bfbf00489cdf00df9c48000000480048007400ffdf9c009c480000ffffdf0048000000dfdf9c0074744800dfdfdf00010101010101010101010101010101010101010101010101010101010101010101010101010101010101010101010101010101010101010101010101010101010101010101010101010101010101010101010101010101010111000000001201010101010101010101010101010101010101010c0401010101010101010101010101010101010101010101110401011701010101010101010101010101010101010101110401011702030000120101010101110000000701010101110401010101020312010101010101011100070101011b0111040101010102030701010a181501010a0007010101110000040101010102030701010c001201010a000701010101010c04010101010203070105061a0f09010a00070101010101010101010101020307011118190307010a00070101010101010101010101020307020316170a16170a000701010101010101010101010203070e1312010514150a00070101010101010101010101020307110809010111120a0007010101010101010101010102030d06040101010e0f100007010101010101010101010102030b0007010101010c0b000701010101010101010101010203000809010101010a000007010101010101010101010203000004010101010105060000070101010101010101010101010101010101010101010101010101010101010101010101010101010101010101010101010101010101010101010101010101010101010101010101010101010101010101010101010101010101010101010101010101010101010101010101010101010101010101010101010101010101010101010c00000040092900aa000000000000001900170000000000040000002701ffff030000000000>+>0100090000035605000000009c03000000009c03000026060f002e07574d46430100000000000100782600000000010000000c070000000000000c070000010000006c000000000000000000000017000000180000000000000000000000570200007002000020454d46000001000c0700000c00000001000000000000000000000000000000000500002003000040010000c800000000000000000000000000000000e20400400d0300460000002c00000020000000454d462b014001001c000000100000000210c0db01000000600000006000000046000000680200005c020000454d462b224004000c000000000000001e4009000c00000000000000244001000c000000000000003040020010000000040000000000803f214007000c0000000000000008400005b4010000a80100000210c0db01000000000000000000000000000000000000000100000089504e470d0a1a0a0000000d4948445200000018000000190802000000a449790a000000017352474200aece1ce9000000097048597300000ec400000ec401952b0e1b0000012e49444154484bdd95310e823014868b2761f418242e98aedc4037d61acf40ecca06376035b2183804abb137a9af2da5a52834c489b7d1d77ebcbefffd1070ced13f62f70f88606c1bc4ca63d0c7a59db4acbdcc24eddda01ae7ef22566ba491cf261af223e1ece3a6d984c0197a1fd7d4dea95c5f0e4b358c5d122b334a305ea638f24729dcd0aa893d2b54a49117673c47e1210152563279b6cdcf2839847e1c672025a9ae9e8204ed89fd39ee640f24d99eebc9b79ea945c2d395404d795ed5047bb6475e7eeab508c4ab299d6db399d240cff017d30a129a690f50b2fd5b0e248cabd6c680ba97120ba1e8c6f963680f7b7563e120adb3e1be7704ecb0fc81e242bdc8c4e09d6ff611ce1a8e00686dc0bd2c6bae04894ac7065f05b26b698802ae00e92f8b96408182edfe453ed466cae2e6a233890000000049454e44ae4260820000000840010824000000180000000210c0db01000000030000000000000000000000000000001b40000040000000340000000100000002000000000000bf000000bf0000c0410000c84103000000000000b3000000b3ffffbf41000000b3000000b3ffffc7412100000008000000620000000c00000001000000150000000c00000004000000150000000c000000040000005100000040030000000000000000000017000000180000000000000000000000000000000000000018000000190000005000000098000000e800000058020000000000002000cc00180000001900000028000000180000001900000001000800000000000000000000000000000000001c0000000000000000000000ffffff00dfffff0000489c00bf740000bfffff0000007400ffbf740074000000ffffbf0074bfff00747474000074bf00bfbf74009cdfff007400480074bfbf00489cdf00df9c48000000480048007400ffdf9c009c480000ffffdf0048000000dfdf9c00747448004800480001010101010101010101010101010101010101010101010101010101010101010101010101010101010101010101010101010101010101010101010101010101010101010101010101010101010101010101010101010101050600000000070101010101010101010101010101010101010a0401010a0701010101010101010101010101010101010101110401010101010101010101010101010101010101010101010a0401010102030000120101010101110000000701010101011112010101020312010101010101011100070101010101010e1b15010102030701010a181501010a00070101051415010a1815010102030701010c001201010a000701010105060000040101010203070105061a0f09010a00070101010101010101010101020307011118190307010a00070101010101010101010101020307020316170a16170a000701010101010101010101010203070e1312010514150a00070101010101010101010101020307110809010111120a0007010101010101010101010102030d06040101010e0f100007010101010101010101010102030b0007010101010c0b000701010101010101010101010203000809010101010a000007010101010101010101010203000004010101010105060000070101010101010101010101010101010101010101010101010101010101010101010101010101010101010101010101010101010101010101010101010101010101010101010101010101010101010101010101010101010101010101010101010101010101010101010101010101010101010101010101010101010101010101014c0000006400000000000000000000001700000018000000000000000000000018000000190000002900aa0000000000000000000000803f00000000000000000000803f0000000000000000000000000000000000000000000000000000000000000000220000000c000000ffffffff460000001c00000010000000454d462b024000000c000000000000000e000000140000000000000010000000140000000400000003010800050000000b0200000000050000000c0219001800030000001e000400000007010400040000000701040085010000410b2000cc001900180000000000190018000000000028000000180000001900000001000800000000000000000000000000000000001c0000000000000000000000ffffff00dfffff0000489c00bf740000bfffff0000007400ffbf740074000000ffffbf0074bfff00747474000074bf00bfbf74009cdfff007400480074bfbf00489cdf00df9c48000000480048007400ffdf9c009c480000ffffdf0048000000dfdf9c00747448004800480001010101010101010101010101010101010101010101010101010101010101010101010101010101010101010101010101010101010101010101010101010101010101010101010101010101010101010101010101010101050600000000070101010101010101010101010101010101010a0401010a0701010101010101010101010101010101010101110401010101010101010101010101010101010101010101010a0401010102030000120101010101110000000701010101011112010101020312010101010101011100070101010101010e1b15010102030701010a181501010a00070101051415010a1815010102030701010c001201010a000701010105060000040101010203070105061a0f09010a00070101010101010101010101020307011118190307010a00070101010101010101010101020307020316170a16170a000701010101010101010101010203070e1312010514150a00070101010101010101010101020307110809010111120a0007010101010101010101010102030d06040101010e0f100007010101010101010101010102030b0007010101010c0b000701010101010101010101010203000809010101010a000007010101010101010101010203000004010101010105060000070101010101010101010101010101010101010101010101010101010101010101010101010101010101010101010101010101010101010101010101010101010101010101010101010101010101010101010101010101010101010101010101010101010101010101010101010101010101010101010101010101010101010101010c00000040092900aa000000000000001900180000000000040000002701ffff030000000000>+>0100090000033c06000000001a04000000001a04000026060f002a08574d46430100000000000100bfd70000000001000000080800000000000008080000010000006c00000000000000000000001e000000180000000000000000000000060300007002000020454d4600000100080800000c00000001000000000000000000000000000000000500002003000040010000c800000000000000000000000000000000e20400400d0300460000002c00000020000000454d462b014001001c000000100000000210c0db010000006000000060000000460000009402000088020000454d462b224004000c000000000000001e4009000c00000000000000244001000c000000000000003040020010000000040000000000803f214007000c0000000000000008400005e0010000d40100000210c0db01000000000000000000000000000000000000000100000089504e470d0a1a0a0000000d494844520000001f00000019080200000046956273000000017352474200aece1ce9000000097048597300000ec400000ec401952b0e1b0000015c49444154484bed953b8e83301086cd9e8432c7404ac3ca6d6e90edd23aca1950dcd2c10d68a3a589e01069517c13676ce30736d91546142bed74f8f179f4cfcc4fc239479bc5c7666401fea7bf93179461f56732c6b90fcef5e71f367f2d1af40ce7cf2a57074927bf6d74e4cd86776efed356951000d1db34fbfe46e57a64383d83b18f67754109c69168af23b31308e464cfee0daa4e593c7cdaefe9fe00f8a26612d8975fe8b04f57c0bd6992f8b6b90b3c489eaf84fbb36af052f2cb7155e6a113a4c70b81eccbb269095e23b91434f4990c5aa7a574793deddc257a2a675c4ce0d152c9015dec9e72a66000756758fa6350ad825076e5fcdb48ce8687d7368e7548971099c21d7d25dd8d830fd71c1b4079a55eb7612cc275898e8c07c56e700716cd1ad023433850604b421667318e3e9bb4f4c2e97b11742769e0199c9b7547d4f252ba5b08516c2db1766add008a9e8817368bbffcd77e01075e29fc8c753dbc0000000049454e44ae426082000840010824000000180000000210c0db01000000030000000000000000000000000000001b40000040000000340000000100000002000000000000bf000000bf0000f8410000c84103000000000000b3000000b3fffff741000000b3000000b3ffffc7412100000008000000620000000c00000001000000150000000c00000004000000150000000c00000004000000510000001004000000000000000000001e00000018000000000000000000000000000000000000001f0000001900000050000000a0000000f000000020030000000000002000cc001f00000019000000280000001f0000001900000001000800000000000000000000000000000000001e0000000000000000000000ffffff00dfffff0000489c00bf740000bfffff0000007400ffbf740074000000ffffbf0074bfff00747474000074bf00bfbf74009cdfff007400480074bfbf00489cdf00df9c48000000480048007400ffdf9c009c480000ffffdf0048000000dfdf9c0074744800480048004874bf00bf74480001010101010101010101010101010101010101010101010101010101010101ff01010101010101010101010101010101010101010101010101010101010101ff01010101010101010101010101010101010101010101010101010101010101ff01010101010101010101010101010102030000000012010506000000000701ff01010101010101010101010101010101050607010e1d01010a0401010a0701ff01010101010101010101010101010101010203120101010101110401010101ff010101010101010101010101010101010101010c0401010101010a04010101ff02030000120101010101110000000701011c15011116170101010111120101ff0102031201010101010101110007010101110000000004010101010e1b1501740102030701010a181501010a0007010101010101010101051415010a181501ff0102030701010c001201010a00070101010101010101010105060000040101ff010203070105061a0f09010a00070101010101010101010101010101010101ff01020307011118190307010a000701010101010101010101010101010101010001020307020316170a16170a0007010101010101010101010101010101010100010203070e1312010514150a000701010101010101010101010101010101010001020307110809010111120a00070101010101010101010101010101010101000102030d06040101010e0f1000070101010101010101010101010101010101000102030b0007010101010c0b00070101010101010101010101010101010101ff010203000809010101010a0000070101010101010101010101010101010101ff02030000040101010101050600000701010101010101010101010101010101ff01010101010101010101010101010101010101010101010101010101010101ff01010101010101010101010101010101010101010101010101010101010101ff01010101010101010101010101010101010101010101010101010101010101ff01010101010101010101010101010101010101010101010101010101010101ff01010101010101010101010101010101010101010101010101010101010101ff4c0000006400000000000000000000001e0000001800000000000000000000001f000000190000002900aa0000000000000000000000803f00000000000000000000803f0000000000000000000000000000000000000000000000000000000000000000220000000c000000ffffffff460000001c00000010000000454d462b024000000c000000000000000e000000140000000000000010000000140000000400000003010800050000000b0200000000050000000c0219001f00030000001e0004000000070104000400000007010400ed010000410b2000cc0019001f000000000019001f0000000000280000001f0000001900000001000800000000000000000000000000000000001e0000000000000000000000ffffff00dfffff0000489c00bf740000bfffff0000007400ffbf740074000000ffffbf0074bfff00747474000074bf00bfbf74009cdfff007400480074bfbf00489cdf00df9c48000000480048007400ffdf9c009c480000ffffdf0048000000dfdf9c0074744800480048004874bf00bf74480001010101010101010101010101010101010101010101010101010101010101ff01010101010101010101010101010101010101010101010101010101010101ff01010101010101010101010101010101010101010101010101010101010101ff01010101010101010101010101010102030000000012010506000000000701ff01010101010101010101010101010101050607010e1d01010a0401010a0701ff01010101010101010101010101010101010203120101010101110401010101ff010101010101010101010101010101010101010c0401010101010a04010101ff02030000120101010101110000000701011c15011116170101010111120101ff0102031201010101010101110007010101110000000004010101010e1b1501740102030701010a181501010a0007010101010101010101051415010a181501ff0102030701010c001201010a00070101010101010101010105060000040101ff010203070105061a0f09010a00070101010101010101010101010101010101ff01020307011118190307010a000701010101010101010101010101010101010001020307020316170a16170a0007010101010101010101010101010101010100010203070e1312010514150a000701010101010101010101010101010101010001020307110809010111120a00070101010101010101010101010101010101000102030d06040101010e0f1000070101010101010101010101010101010101000102030b0007010101010c0b00070101010101010101010101010101010101ff010203000809010101010a0000070101010101010101010101010101010101ff02030000040101010101050600000701010101010101010101010101010101ff01010101010101010101010101010101010101010101010101010101010101ff01010101010101010101010101010101010101010101010101010101010101ff01010101010101010101010101010101010101010101010101010101010101ff01010101010101010101010101010101010101010101010101010101010101ff01010101010101010101010101010101010101010101010101010101010101ff0c00000040092900aa0000000000000019001f0000000000040000002701ffff030000000000>=0
>0100090000033c06000000001a04000000001a04000026060f002a08574d46430100000000000100bfd70000000001000000080800000000000008080000010000006c00000000000000000000001e000000180000000000000000000000060300007002000020454d4600000100080800000c00000001000000000000000000000000000000000500002003000040010000c800000000000000000000000000000000e20400400d0300460000002c00000020000000454d462b014001001c000000100000000210c0db010000006000000060000000460000009402000088020000454d462b224004000c000000000000001e4009000c00000000000000244001000c000000000000003040020010000000040000000000803f214007000c0000000000000008400005e0010000d40100000210c0db01000000000000000000000000000000000000000100000089504e470d0a1a0a0000000d494844520000001f00000019080200000046956273000000017352474200aece1ce9000000097048597300000ec400000ec401952b0e1b0000015c49444154484bed953b8e83301086cd9e8432c7404ac3ca6d6e90edd23aca1950dcd2c10d68a3a589e01069517c13676ce30736d91546142bed74f8f179f4cfcc4fc239479bc5c7666401fea7bf93179461f56732c6b90fcef5e71f367f2d1af40ce7cf2a57074927bf6d74e4cd86776efed356951000d1db34fbfe46e57a64383d83b18f67754109c69168af23b31308e464cfee0daa4e593c7cdaefe9fe00f8a26612d8975fe8b04f57c0bd6992f8b6b90b3c489eaf84fbb36af052f2cb7155e6a113a4c70b81eccbb269095e23b91434f4990c5aa7a574793deddc257a2a675c4ce0d152c9015dec9e72a66000756758fa6350ad825076e5fcdb48ce8687d7368e7548971099c21d7d25dd8d830fd71c1b4079a55eb7612cc275898e8c07c56e700716cd1ad023433850604b421667318e3e9bb4f4c2e97b11742769e0199c9b7547d4f252ba5b08516c2db1766add008a9e8817368bbffcd77e01075e29fc8c753dbc0000000049454e44ae426082000840010824000000180000000210c0db01000000030000000000000000000000000000001b40000040000000340000000100000002000000000000bf000000bf0000f8410000c84103000000000000b3000000b3fffff741000000b3000000b3ffffc7412100000008000000620000000c00000001000000150000000c00000004000000150000000c00000004000000510000001004000000000000000000001e00000018000000000000000000000000000000000000001f0000001900000050000000a0000000f000000020030000000000002000cc001f00000019000000280000001f0000001900000001000800000000000000000000000000000000001e0000000000000000000000ffffff00dfffff0000489c00bf740000bfffff0000007400ffbf740074000000ffffbf0074bfff00747474000074bf00bfbf74009cdfff007400480074bfbf00489cdf00df9c48000000480048007400ffdf9c009c480000ffffdf0048000000dfdf9c0074744800480048004874bf00bf74480001010101010101010101010101010101010101010101010101010101010101ff01010101010101010101010101010101010101010101010101010101010101ff01010101010101010101010101010101010101010101010101010101010101ff01010101010101010101010101010102030000000012010506000000000701ff01010101010101010101010101010101050607010e1d01010a0401010a0701ff01010101010101010101010101010101010203120101010101110401010101ff010101010101010101010101010101010101010c0401010101010a04010101ff02030000120101010101110000000701011c15011116170101010111120101ff0102031201010101010101110007010101110000000004010101010e1b1501740102030701010a181501010a0007010101010101010101051415010a181501ff0102030701010c001201010a00070101010101010101010105060000040101ff010203070105061a0f09010a00070101010101010101010101010101010101ff01020307011118190307010a000701010101010101010101010101010101010001020307020316170a16170a0007010101010101010101010101010101010100010203070e1312010514150a000701010101010101010101010101010101010001020307110809010111120a00070101010101010101010101010101010101000102030d06040101010e0f1000070101010101010101010101010101010101000102030b0007010101010c0b00070101010101010101010101010101010101ff010203000809010101010a0000070101010101010101010101010101010101ff02030000040101010101050600000701010101010101010101010101010101ff01010101010101010101010101010101010101010101010101010101010101ff01010101010101010101010101010101010101010101010101010101010101ff01010101010101010101010101010101010101010101010101010101010101ff01010101010101010101010101010101010101010101010101010101010101ff01010101010101010101010101010101010101010101010101010101010101ff4c0000006400000000000000000000001e0000001800000000000000000000001f000000190000002900aa0000000000000000000000803f00000000000000000000803f0000000000000000000000000000000000000000000000000000000000000000220000000c000000ffffffff460000001c00000010000000454d462b024000000c000000000000000e000000140000000000000010000000140000000400000003010800050000000b0200000000050000000c0219001f00030000001e0004000000070104000400000007010400ed010000410b2000cc0019001f000000000019001f0000000000280000001f0000001900000001000800000000000000000000000000000000001e0000000000000000000000ffffff00dfffff0000489c00bf740000bfffff0000007400ffbf740074000000ffffbf0074bfff00747474000074bf00bfbf74009cdfff007400480074bfbf00489cdf00df9c48000000480048007400ffdf9c009c480000ffffdf0048000000dfdf9c0074744800480048004874bf00bf74480001010101010101010101010101010101010101010101010101010101010101ff01010101010101010101010101010101010101010101010101010101010101ff01010101010101010101010101010101010101010101010101010101010101ff01010101010101010101010101010102030000000012010506000000000701ff01010101010101010101010101010101050607010e1d01010a0401010a0701ff01010101010101010101010101010101010203120101010101110401010101ff010101010101010101010101010101010101010c0401010101010a04010101ff02030000120101010101110000000701011c15011116170101010111120101ff0102031201010101010101110007010101110000000004010101010e1b1501740102030701010a181501010a0007010101010101010101051415010a181501ff0102030701010c001201010a00070101010101010101010105060000040101ff010203070105061a0f09010a00070101010101010101010101010101010101ff01020307011118190307010a000701010101010101010101010101010101010001020307020316170a16170a0007010101010101010101010101010101010100010203070e1312010514150a000701010101010101010101010101010101010001020307110809010111120a00070101010101010101010101010101010101000102030d06040101010e0f1000070101010101010101010101010101010101000102030b0007010101010c0b00070101010101010101010101010101010101ff010203000809010101010a0000070101010101010101010101010101010101ff02030000040101010101050600000701010101010101010101010101010101ff01010101010101010101010101010101010101010101010101010101010101ff01010101010101010101010101010101010101010101010101010101010101ff01010101010101010101010101010101010101010101010101010101010101ff01010101010101010101010101010101010101010101010101010101010101ff01010101010101010101010101010101010101010101010101010101010101ff0c00000040092900aa0000000000000019001f0000000000040000002701ffff030000000000>>
>=
>0100090000034e05000000009403000000009403000026060f001e07574d46430100000000000100d1a90000000001000000fc06000000000000fc060000010000006c0000000000000000000000160000001800000000000000000000003e0200007002000020454d4600000100fc0600000c00000001000000000000000000000000000000000500002003000040010000c800000000000000000000000000000000e20400400d0300460000002c00000020000000454d462b014001001c000000100000000210c0db01000000600000006000000046000000580200004c020000454d462b224004000c000000000000001e4009000c00000000000000244001000c000000000000003040020010000000040000000000803f214007000c0000000000000008400005a4010000980100000210c0db01000000000000000000000000000000000000000100000089504e470d0a1a0a0000000d494844520000001700000019080200000055422287000000017352474200aece1ce9000000097048597300000ec400000ec401952b0e1b0000011e49444154384fdd95310e823014868b27e128352c98aede0037d612cf60ec4a5ce006ac44162387607031f626f5b5685b8a02c1c184b7b5affdf2fabfff812784403fc7ea6782042c92c2f38df78aa4eec9542703497d1a7a24c4230bdb0d7a556b1357fa25d13965d4a5142eb0b25b4d5d32b53f12568f0871313c3f304ac818a3db691cc3c3ac6af8a540598cc7215dbff8c11630879cab8b75ba43dbc09f00715ca7305571911890249c0871bdab314a927d34a992fe04f8d19e4235695a54944c91443db83f47185a553136aaabb4e3dba51fa65162d09024add9d7cce86e28cdbd6d0d42f828c4594bc2ef8ddba6e064fb5d662dfba3307b3803a047a33f1d32f51e18a0cc0c9bf2efaf14bf5546af19efb1c50210a8e92dee1ff0043b463251a65a7f7f0000000049454e44ae4260820000000840010824000000180000000210c0db01000000030000000000000000000000000000001b40000040000000340000000100000002000000000000bf000000bf0000b8410000c84103000000000000b3000000b3ffffb741000000b3000000b3ffffc7412100000008000000620000000c00000001000000150000000c00000004000000150000000c000000040000005100000040030000000000000000000016000000180000000000000000000000000000000000000017000000190000005000000098000000e800000058020000000000002000cc00170000001900000028000000170000001900000001000800000000000000000000000000000000001c0000000000000000000000ffffff00dfffff0000489c00bf740000bfffff0000007400ffbf740074000000ffffbf0074bfff00747474000074bf00bfbf74009cdfff007400480074bfbf00489cdf00df9c48000000480048007400ffdf9c009c480000ffffdf0048000000dfdf9c0074744800dfdfdf00010101010101010101010101010101010101010101010101010101010101010101010101010101010101010101010101010101010101010101010101010101010101010101010101010101010101010101010101010101010111000000001201010101010101010101010101010101010101010c0401010101010101010101010101010101010101010101110401010101010101010101010101010101010101010101110401010102030000120101010101110000000701010101110401010101020312010101010101011100070101011b0111040101010102030701010a181501010a0007010101110000040101010102030701010c001201010a000701010101010c04010101010203070105061a0f09010a00070101010101010101010101020307011118190307010a00070101010101010101010101020307020316170a16170a000701010101010101010101010203070e1312010514150a00070101010101010101010101020307110809010111120a0007010101010101010101010102030d06040101010e0f100007010101010101010101010102030b0007010101010c0b000701010101010101010101010203000809010101010a000007010101010101010101010203000004010101010105060000070101010101010101010101010101010101010101010101010101010101010101010101010101010101010101010101010101010101010101010101010101010101010101010101010101010101010101010101010101010101010101010101010101010101010101010101010101010101010101010101010101010101010101014c0000006400000000000000000000001600000018000000000000000000000017000000190000002900aa0000000000000000000000803f00000000000000000000803f0000000000000000000000000000000000000000000000000000000000000000220000000c000000ffffffff460000001c00000010000000454d462b024000000c000000000000000e000000140000000000000010000000140000000400000003010800050000000b0200000000050000000c0219001700030000001e000400000007010400040000000701040085010000410b2000cc001900170000000000190017000000000028000000170000001900000001000800000000000000000000000000000000001c0000000000000000000000ffffff00dfffff0000489c00bf740000bfffff0000007400ffbf740074000000ffffbf0074bfff00747474000074bf00bfbf74009cdfff007400480074bfbf00489cdf00df9c48000000480048007400ffdf9c009c480000ffffdf0048000000dfdf9c0074744800dfdfdf00010101010101010101010101010101010101010101010101010101010101010101010101010101010101010101010101010101010101010101010101010101010101010101010101010101010101010101010101010101010111000000001201010101010101010101010101010101010101010c0401010101010101010101010101010101010101010101110401010101010101010101010101010101010101010101110401010102030000120101010101110000000701010101110401010101020312010101010101011100070101011b0111040101010102030701010a181501010a0007010101110000040101010102030701010c001201010a000701010101010c04010101010203070105061a0f09010a00070101010101010101010101020307011118190307010a00070101010101010101010101020307020316170a16170a000701010101010101010101010203070e1312010514150a00070101010101010101010101020307110809010111120a0007010101010101010101010102030d06040101010e0f100007010101010101010101010102030b0007010101010c0b000701010101010101010101010203000809010101010a000007010101010101010101010203000004010101010105060000070101010101010101010101010101010101010101010101010101010101010101010101010101010101010101010101010101010101010101010101010101010101010101010101010101010101010101010101010101010101010101010101010101010101010101010101010101010101010101010101010101010101010101010c00000040092900aa000000000000001900170000000000040000002701ffff030000000000>->0100090000035605000000009c03000000009c03000026060f002e07574d46430100000000000100782600000000010000000c070000000000000c070000010000006c000000000000000000000017000000180000000000000000000000570200007002000020454d46000001000c0700000c00000001000000000000000000000000000000000500002003000040010000c800000000000000000000000000000000e20400400d0300460000002c00000020000000454d462b014001001c000000100000000210c0db01000000600000006000000046000000680200005c020000454d462b224004000c000000000000001e4009000c00000000000000244001000c000000000000003040020010000000040000000000803f214007000c0000000000000008400005b4010000a80100000210c0db01000000000000000000000000000000000000000100000089504e470d0a1a0a0000000d4948445200000018000000190802000000a449790a000000017352474200aece1ce9000000097048597300000ec400000ec401952b0e1b0000012e49444154484bdd95310e823014868b2761f418242e98aedc4037d61acf40ecca06376035b2183804abb137a9af2da5a52834c489b7d1d77ebcbefffd1070ced13f62f70f88606c1bc4ca63d0c7a59db4acbdcc24eddda01ae7ef22566ba491cf261af223e1ece3a6d984c0197a1fd7d4dea95c5f0e4b358c5d122b334a305ea638f24729dcd0aa893d2b54a49117673c47e1210152563279b6cdcf2839847e1c672025a9ae9e8204ed89fd39ee640f24d99eebc9b79ea945c2d395404d795ed5047bb6475e7eeab508c4ab299d6db399d240cff017d30a129a690f50b2fd5b0e248cabd6c680ba97120ba1e8c6f963680f7b7563e120adb3e1be7704ecb0fc81e242bdc8c4e09d6ff611ce1a8e00686dc0bd2c6bae04894ac7065f05b26b698802ae00e92f8b96408182edfe453ed466cae2e6a233890000000049454e44ae4260820000000840010824000000180000000210c0db01000000030000000000000000000000000000001b40000040000000340000000100000002000000000000bf000000bf0000c0410000c84103000000000000b3000000b3ffffbf41000000b3000000b3ffffc7412100000008000000620000000c00000001000000150000000c00000004000000150000000c000000040000005100000040030000000000000000000017000000180000000000000000000000000000000000000018000000190000005000000098000000e800000058020000000000002000cc00180000001900000028000000180000001900000001000800000000000000000000000000000000001c0000000000000000000000ffffff00dfffff0000489c00bf740000bfffff0000007400ffbf740074000000ffffbf0074bfff00747474000074bf00bfbf74009cdfff007400480074bfbf00489cdf00df9c48000000480048007400ffdf9c009c480000ffffdf0048000000dfdf9c00747448004800480001010101010101010101010101010101010101010101010101010101010101010101010101010101010101010101010101010101010101010101010101010101010101010101010101010101010101010101010101010101050600000000070101010101010101010101010101010101010a0401010a0701010101010101010101010101010101010101110401010101010101010101010101010101010101010101010a0401010102030000120101010101110000000701010101011112010101020312010101010101011100070101010101010e1b15010102030701010a181501010a00070101051415010a1815010102030701010c001201010a000701010105060000040101010203070105061a0f09010a00070101010101010101010101020307011118190307010a00070101010101010101010101020307020316170a16170a000701010101010101010101010203070e1312010514150a00070101010101010101010101020307110809010111120a0007010101010101010101010102030d06040101010e0f100007010101010101010101010102030b0007010101010c0b000701010101010101010101010203000809010101010a000007010101010101010101010203000004010101010105060000070101010101010101010101010101010101010101010101010101010101010101010101010101010101010101010101010101010101010101010101010101010101010101010101010101010101010101010101010101010101010101010101010101010101010101010101010101010101010101010101010101010101010101014c0000006400000000000000000000001700000018000000000000000000000018000000190000002900aa0000000000000000000000803f00000000000000000000803f0000000000000000000000000000000000000000000000000000000000000000220000000c000000ffffffff460000001c00000010000000454d462b024000000c000000000000000e000000140000000000000010000000140000000400000003010800050000000b0200000000050000000c0219001800030000001e000400000007010400040000000701040085010000410b2000cc001900180000000000190018000000000028000000180000001900000001000800000000000000000000000000000000001c0000000000000000000000ffffff00dfffff0000489c00bf740000bfffff0000007400ffbf740074000000ffffbf0074bfff00747474000074bf00bfbf74009cdfff007400480074bfbf00489cdf00df9c48000000480048007400ffdf9c009c480000ffffdf0048000000dfdf9c00747448004800480001010101010101010101010101010101010101010101010101010101010101010101010101010101010101010101010101010101010101010101010101010101010101010101010101010101010101010101010101010101050600000000070101010101010101010101010101010101010a0401010a0701010101010101010101010101010101010101110401010101010101010101010101010101010101010101010a0401010102030000120101010101110000000701010101011112010101020312010101010101011100070101010101010e1b15010102030701010a181501010a00070101051415010a1815010102030701010c001201010a000701010105060000040101010203070105061a0f09010a00070101010101010101010101020307011118190307010a00070101010101010101010101020307020316170a16170a000701010101010101010101010203070e1312010514150a00070101010101010101010101020307110809010111120a0007010101010101010101010102030d06040101010e0f100007010101010101010101010102030b0007010101010c0b000701010101010101010101010203000809010101010a000007010101010101010101010203000004010101010105060000070101010101010101010101010101010101010101010101010101010101010101010101010101010101010101010101010101010101010101010101010101010101010101010101010101010101010101010101010101010101010101010101010101010101010101010101010101010101010101010101010101010101010101010c00000040092900aa000000000000001900180000000000040000002701ffff030000000000>=1000-2000
= -1000 Н*М
участок
->0100090000034e05000000009403000000009403000026060f001e07574d46430100000000000100d1a90000000001000000fc06000000000000fc060000010000006c0000000000000000000000160000001800000000000000000000003e0200007002000020454d4600000100fc0600000c00000001000000000000000000000000000000000500002003000040010000c800000000000000000000000000000000e20400400d0300460000002c00000020000000454d462b014001001c000000100000000210c0db01000000600000006000000046000000580200004c020000454d462b224004000c000000000000001e4009000c00000000000000244001000c000000000000003040020010000000040000000000803f214007000c0000000000000008400005a4010000980100000210c0db01000000000000000000000000000000000000000100000089504e470d0a1a0a0000000d494844520000001700000019080200000055422287000000017352474200aece1ce9000000097048597300000ec400000ec401952b0e1b0000011e49444154384fdd95310e823014868b27e128352c98aede0037d612cf60ec4a5ce006ac44162387607031f626f5b5685b8a02c1c184b7b5affdf2fabfff812784403fc7ea6782042c92c2f38df78aa4eec9542703497d1a7a24c4230bdb0d7a556b1357fa25d13965d4a5142eb0b25b4d5d32b53f12568f0871313c3f304ac818a3db691cc3c3ac6af8a540598cc7215dbff8c11630879cab8b75ba43dbc09f00715ca7305571911890249c0871bdab314a927d34a992fe04f8d19e4235695a54944c91443db83f47185a553136aaabb4e3dba51fa65162d09024add9d7cce86e28cdbd6d0d42f828c4594bc2ef8ddba6e064fb5d662dfba3307b3803a047a33f1d32f51e18a0cc0c9bf2efaf14bf5546af19efb1c50210a8e92dee1ff0043b463251a65a7f7f0000000049454e44ae4260820000000840010824000000180000000210c0db01000000030000000000000000000000000000001b40000040000000340000000100000002000000000000bf000000bf0000b8410000c84103000000000000b3000000b3ffffb741000000b3000000b3ffffc7412100000008000000620000000c00000001000000150000000c00000004000000150000000c000000040000005100000040030000000000000000000016000000180000000000000000000000000000000000000017000000190000005000000098000000e800000058020000000000002000cc00170000001900000028000000170000001900000001000800000000000000000000000000000000001c0000000000000000000000ffffff00dfffff0000489c00bf740000bfffff0000007400ffbf740074000000ffffbf0074bfff00747474000074bf00bfbf74009cdfff007400480074bfbf00489cdf00df9c48000000480048007400ffdf9c009c480000ffffdf0048000000dfdf9c0074744800dfdfdf00010101010101010101010101010101010101010101010101010101010101010101010101010101010101010101010101010101010101010101010101010101010101010101010101010101010101010101010101010101010111000000001201010101010101010101010101010101010101010c0401010101010101010101010101010101010101010101110401010101010101010101010101010101010101010101110401010102030000120101010101110000000701010101110401010101020312010101010101011100070101011b0111040101010102030701010a181501010a0007010101110000040101010102030701010c001201010a000701010101010c04010101010203070105061a0f09010a00070101010101010101010101020307011118190307010a00070101010101010101010101020307020316170a16170a000701010101010101010101010203070e1312010514150a00070101010101010101010101020307110809010111120a0007010101010101010101010102030d06040101010e0f100007010101010101010101010102030b0007010101010c0b000701010101010101010101010203000809010101010a000007010101010101010101010203000004010101010105060000070101010101010101010101010101010101010101010101010101010101010101010101010101010101010101010101010101010101010101010101010101010101010101010101010101010101010101010101010101010101010101010101010101010101010101010101010101010101010101010101010101010101010101014c0000006400000000000000000000001600000018000000000000000000000017000000190000002900aa0000000000000000000000803f00000000000000000000803f0000000000000000000000000000000000000000000000000000000000000000220000000c000000ffffffff460000001c00000010000000454d462b024000000c000000000000000e000000140000000000000010000000140000000400000003010800050000000b0200000000050000000c0219001700030000001e000400000007010400040000000701040085010000410b2000cc001900170000000000190017000000000028000000170000001900000001000800000000000000000000000000000000001c0000000000000000000000ffffff00dfffff0000489c00bf740000bfffff0000007400ffbf740074000000ffffbf0074bfff00747474000074bf00bfbf74009cdfff007400480074bfbf00489cdf00df9c48000000480048007400ffdf9c009c480000ffffdf0048000000dfdf9c0074744800dfdfdf00010101010101010101010101010101010101010101010101010101010101010101010101010101010101010101010101010101010101010101010101010101010101010101010101010101010101010101010101010101010111000000001201010101010101010101010101010101010101010c0401010101010101010101010101010101010101010101110401010101010101010101010101010101010101010101110401010102030000120101010101110000000701010101110401010101020312010101010101011100070101011b0111040101010102030701010a181501010a0007010101110000040101010102030701010c001201010a000701010101010c04010101010203070105061a0f09010a00070101010101010101010101020307011118190307010a00070101010101010101010101020307020316170a16170a000701010101010101010101010203070e1312010514150a00070101010101010101010101020307110809010111120a0007010101010101010101010102030d06040101010e0f100007010101010101010101010102030b0007010101010c0b000701010101010101010101010203000809010101010a000007010101010101010101010203000004010101010105060000070101010101010101010101010101010101010101010101010101010101010101010101010101010101010101010101010101010101010101010101010101010101010101010101010101010101010101010101010101010101010101010101010101010101010101010101010101010101010101010101010101010101010101010c00000040092900aa000000000000001900170000000000040000002701ffff030000000000>+>0100090000035605000000009c03000000009c03000026060f002e07574d46430100000000000100782600000000010000000c070000000000000c070000010000006c000000000000000000000017000000180000000000000000000000570200007002000020454d46000001000c0700000c00000001000000000000000000000000000000000500002003000040010000c800000000000000000000000000000000e20400400d0300460000002c00000020000000454d462b014001001c000000100000000210c0db01000000600000006000000046000000680200005c020000454d462b224004000c000000000000001e4009000c00000000000000244001000c000000000000003040020010000000040000000000803f214007000c0000000000000008400005b4010000a80100000210c0db01000000000000000000000000000000000000000100000089504e470d0a1a0a0000000d4948445200000018000000190802000000a449790a000000017352474200aece1ce9000000097048597300000ec400000ec401952b0e1b0000012e49444154484bdd95310e823014868b2761f418242e98aedc4037d61acf40ecca06376035b2183804abb137a9af2da5a52834c489b7d1d77ebcbefffd1070ced13f62f70f88606c1bc4ca63d0c7a59db4acbdcc24eddda01ae7ef22566ba491cf261af223e1ece3a6d984c0197a1fd7d4dea95c5f0e4b358c5d122b334a305ea638f24729dcd0aa893d2b54a49117673c47e1210152563279b6cdcf2839847e1c672025a9ae9e8204ed89fd39ee640f24d99eebc9b79ea945c2d395404d795ed5047bb6475e7eeab508c4ab299d6db399d240cff017d30a129a690f50b2fd5b0e248cabd6c680ba97120ba1e8c6f963680f7b7563e120adb3e1be7704ecb0fc81e242bdc8c4e09d6ff611ce1a8e00686dc0bd2c6bae04894ac7065f05b26b698802ae00e92f8b96408182edfe453ed466cae2e6a233890000000049454e44ae4260820000000840010824000000180000000210c0db01000000030000000000000000000000000000001b40000040000000340000000100000002000000000000bf000000bf0000c0410000c84103000000000000b3000000b3ffffbf41000000b3000000b3ffffc7412100000008000000620000000c00000001000000150000000c00000004000000150000000c000000040000005100000040030000000000000000000017000000180000000000000000000000000000000000000018000000190000005000000098000000e800000058020000000000002000cc00180000001900000028000000180000001900000001000800000000000000000000000000000000001c0000000000000000000000ffffff00dfffff0000489c00bf740000bfffff0000007400ffbf740074000000ffffbf0074bfff00747474000074bf00bfbf74009cdfff007400480074bfbf00489cdf00df9c48000000480048007400ffdf9c009c480000ffffdf0048000000dfdf9c00747448004800480001010101010101010101010101010101010101010101010101010101010101010101010101010101010101010101010101010101010101010101010101010101010101010101010101010101010101010101010101010101050600000000070101010101010101010101010101010101010a0401010a0701010101010101010101010101010101010101110401010101010101010101010101010101010101010101010a0401010102030000120101010101110000000701010101011112010101020312010101010101011100070101010101010e1b15010102030701010a181501010a00070101051415010a1815010102030701010c001201010a000701010105060000040101010203070105061a0f09010a00070101010101010101010101020307011118190307010a00070101010101010101010101020307020316170a16170a000701010101010101010101010203070e1312010514150a00070101010101010101010101020307110809010111120a0007010101010101010101010102030d06040101010e0f100007010101010101010101010102030b0007010101010c0b000701010101010101010101010203000809010101010a000007010101010101010101010203000004010101010105060000070101010101010101010101010101010101010101010101010101010101010101010101010101010101010101010101010101010101010101010101010101010101010101010101010101010101010101010101010101010101010101010101010101010101010101010101010101010101010101010101010101010101010101014c0000006400000000000000000000001700000018000000000000000000000018000000190000002900aa0000000000000000000000803f00000000000000000000803f0000000000000000000000000000000000000000000000000000000000000000220000000c000000ffffffff460000001c00000010000000454d462b024000000c000000000000000e000000140000000000000010000000140000000400000003010800050000000b0200000000050000000c0219001800030000001e000400000007010400040000000701040085010000410b2000cc001900180000000000190018000000000028000000180000001900000001000800000000000000000000000000000000001c0000000000000000000000ffffff00dfffff0000489c00bf740000bfffff0000007400ffbf740074000000ffffbf0074bfff00747474000074bf00bfbf74009cdfff007400480074bfbf00489cdf00df9c48000000480048007400ffdf9c009c480000ffffdf0048000000dfdf9c00747448004800480001010101010101010101010101010101010101010101010101010101010101010101010101010101010101010101010101010101010101010101010101010101010101010101010101010101010101010101010101010101050600000000070101010101010101010101010101010101010a0401010a0701010101010101010101010101010101010101110401010101010101010101010101010101010101010101010a0401010102030000120101010101110000000701010101011112010101020312010101010101011100070101010101010e1b15010102030701010a181501010a00070101051415010a1815010102030701010c001201010a000701010105060000040101010203070105061a0f09010a00070101010101010101010101020307011118190307010a00070101010101010101010101020307020316170a16170a000701010101010101010101010203070e1312010514150a00070101010101010101010101020307110809010111120a0007010101010101010101010102030d06040101010e0f100007010101010101010101010102030b0007010101010c0b000701010101010101010101010203000809010101010a000007010101010101010101010203000004010101010105060000070101010101010101010101010101010101010101010101010101010101010101010101010101010101010101010101010101010101010101010101010101010101010101010101010101010101010101010101010101010101010101010101010101010101010101010101010101010101010101010101010101010101010101010c00000040092900aa000000000000001900180000000000040000002701ffff030000000000>+>0100090000035c0500000000a00300000000a003000026060f003607574d46430100000000000100c6b20000000001000000140700000000000014070000010000006c000000000000000000000017000000180000000000000000000000570200007002000020454d4600000100140700000c00000001000000000000000000000000000000000500002003000040010000c800000000000000000000000000000000e20400400d0300460000002c00000020000000454d462b014001001c000000100000000210c0db010000006000000060000000460000006c02000060020000454d462b224004000c000000000000001e4009000c00000000000000244001000c000000000000003040020010000000040000000000803f214007000c0000000000000008400005b8010000ac0100000210c0db01000000000000000000000000000000000000000100000089504e470d0a1a0a0000000d4948445200000018000000190802000000a449790a000000017352474200aece1ce9000000097048597300000ec400000ec401952b0e1b0000013349444154484bdd5531128230100cbe24a5cf60c60626ad3fc0c6b18de31b18d3d2c90f681d691c7804ad637e128f238610143368e575e42e9bcbee6d089452e417b1f805488bf1df40328f031dfb7a4459bd9f48dad5a09a52f753d4adf10abffba8f89b8453a77ab239873de23ceca93e0b5cff1c966a8cb948324f0567ec338a237fb8831b5a3dc96b414ebbd00b67384774b506a43497b8b7ce3664bda27e38ce402252595c5b24a027f2c77127db20213d87c4b79fb1456872e0d053961525679ef4e0e5c75e0b41bc5288099aad090e624de82bd3b64864821e14f38e0359f172b3eda0fa8e9a5b271621e151a98ba147de9aa17034b93cb374a91d0115963f48a40feac7df78072a47f66993661180e6c4d3825f03e9c3b1e1aea9192f243c2c462b8bbd1917b38933b406fffb177900caf188e7509974180000000049454e44ae42608200000840010824000000180000000210c0db01000000030000000000000000000000000000001b40000040000000340000000100000002000000000000bf000000bf0000c0410000c84103000000000000b3000000b3ffffbf41000000b3000000b3ffffc7412100000008000000620000000c00000001000000150000000c00000004000000150000000c00000004000000510000004403000000000000000000001700000018000000000000000000000000000000000000001800000019000000500000009c000000ec00000058020000000000002000cc00180000001900000028000000180000001900000001000800000000000000000000000000000000001d0000000000000000000000ffffff00dfffff0000489c00bf740000bfffff0000007400ffbf740074000000ffffbf0074bfff00747474000074bf00bfbf74009cdfff007400480074bfbf00489cdf00df9c48000000480048007400ffdf9c009c480000ffffdf0048000000dfdf9c007474480048489c004800480001010101010101010101010101010101010101010101010101010101010101010101010101010101010101010101010101010101010101010101010101010101010101010101010101010101010101010101010101010101011100000012010101010101010101010101010101010101051415010e13070101010101010101010101010101010101010101010e1307010101010101010101010101010101010101010c000007010102030000120101010101110000000701010101020307010101020312010101010101011100070101010101010e1c15010102030701010a181501010a00070101021b15010a1815010102030701010c001201010a000701010111000000120101010203070105061a0f09010a00070101010101010101010101020307011118190307010a00070101010101010101010101020307020316170a16170a000701010101010101010101010203070e1312010514150a00070101010101010101010101020307110809010111120a0007010101010101010101010102030d06040101010e0f100007010101010101010101010102030b0007010101010c0b000701010101010101010101010203000809010101010a000007010101010101010101010203000004010101010105060000070101010101010101010101010101010101010101010101010101010101010101010101010101010101010101010101010101010101010101010101010101010101010101010101010101010101010101010101010101010101010101010101010101010101010101010101010101010101010101010101010101010101010101014c0000006400000000000000000000001700000018000000000000000000000018000000190000002900aa0000000000000000000000803f00000000000000000000803f0000000000000000000000000000000000000000000000000000000000000000220000000c000000ffffffff460000001c00000010000000454d462b024000000c000000000000000e000000140000000000000010000000140000000400000003010800050000000b0200000000050000000c0219001800030000001e000400000007010400040000000701040087010000410b2000cc001900180000000000190018000000000028000000180000001900000001000800000000000000000000000000000000001d0000000000000000000000ffffff00dfffff0000489c00bf740000bfffff0000007400ffbf740074000000ffffbf0074bfff00747474000074bf00bfbf74009cdfff007400480074bfbf00489cdf00df9c48000000480048007400ffdf9c009c480000ffffdf0048000000dfdf9c007474480048489c004800480001010101010101010101010101010101010101010101010101010101010101010101010101010101010101010101010101010101010101010101010101010101010101010101010101010101010101010101010101010101011100000012010101010101010101010101010101010101051415010e13070101010101010101010101010101010101010101010e1307010101010101010101010101010101010101010c000007010102030000120101010101110000000701010101020307010101020312010101010101011100070101010101010e1c15010102030701010a181501010a00070101021b15010a1815010102030701010c001201010a000701010111000000120101010203070105061a0f09010a00070101010101010101010101020307011118190307010a00070101010101010101010101020307020316170a16170a000701010101010101010101010203070e1312010514150a00070101010101010101010101020307110809010111120a0007010101010101010101010102030d06040101010e0f100007010101010101010101010102030b0007010101010c0b000701010101010101010101010203000809010101010a000007010101010101010101010203000004010101010105060000070101010101010101010101010101010101010101010101010101010101010101010101010101010101010101010101010101010101010101010101010101010101010101010101010101010101010101010101010101010101010101010101010101010101010101010101010101010101010101010101010101010101010101010c00000040092900aa000000000000001900180000000000040000002701ffff030000000000>+>0100090000034606000000002204000000002204000026060f003a08574d464301000000000001009b180000000001000000180800000000000018080000010000006c00000000000000000000001e000000180000000000000000000000060300007002000020454d4600000100180800000c00000001000000000000000000000000000000000500002003000040010000c800000000000000000000000000000000e20400400d0300460000002c00000020000000454d462b014001001c000000100000000210c0db01000000600000006000000046000000a002000094020000454d462b224004000c000000000000001e4009000c00000000000000244001000c000000000000003040020010000000040000000000803f214007000c0000000000000008400005ec010000e00100000210c0db01000000000000000000000000000000000000000100000089504e470d0a1a0a0000000d494844520000001f00000019080200000046956273000000017352474200aece1ce9000000097048597300000ec400000ec401952b0e1b0000016649444154484bed96318e83301045cd9e84edf618486988dce606a459a575c419a2754b176e401b85268243a44813c537f18e07c71803bbc256bab8c31e3f267f663e89a494e465ebe36564057ed3e7e4056544b98ef4dab7a3b876ffc7e1bf45839e91f2714cbb40d6e073bf1a3673e0c44d3ff655650c40fc34ccbe3d71dcf75c56cf50eae24579e08c524fb4d391c90e04b2b217978a1c77893f7cd8eff16a03f8432910d8165bb259c50170679a105f57178507c9d340b83bab068f92e75950e6632788b39c41f64551d58c86488e828e7d2681d6a9395f5a4f6b26a3b5aedc948b293c592a39f6d70367aa61f5f6bbe3f7b95fef5dab1092fc487936928bfbd5691b3b4d6513ca3fe2ecfcbc127fe9c1876b960d9054bfbd1f6b631110695ca2613a509dba77d49e8904bae7520e34b4a5a72785d2a7923649e2efeddeebf16d024ffebce55819a880366dd8349d629569a12e762114c5c86e1f98cde8fd9f60c6487f01e376e07ad31e31530000000049454e44ae4260820000000840010824000000180000000210c0db01000000030000000000000000000000000000001b40000040000000340000000100000002000000000000bf000000bf0000f8410000c84103000000000000b3000000b3fffff741000000b3000000b3ffffc7412100000008000000620000000c00000001000000150000000c00000004000000150000000c00000004000000510000001404000000000000000000001e00000018000000000000000000000000000000000000001f0000001900000050000000a4000000f400000020030000000000002000cc001f00000019000000280000001f0000001900000001000800000000000000000000000000000000001f0000000000000000000000ffffff00dfffff0000489c00bf740000bfffff0000007400ffbf740074000000ffffbf0074bfff00747474000074bf00bfbf74009cdfff007400480074bfbf00489cdf00df9c48000000480048007400ffdf9c009c480000ffffdf0048000000dfdf9c007474480048489c00480048004874bf00bf74480001010101010101010101010101010101010101010101010101010101010101ff01010101010101010101010101010101010101010101010101010101010101ff01010101010101010101010101010101010101010101010101010101010101ff01010101010101010101010101010102030000000012010111000000120101ff01010101010101010101010101010101050607010e1e01051415010e130701ff0101010101010101010101010101010101020312010101010101010e130701ff010101010101010101010101010101010101010c04010101010c0000070101ff02030000120101010101110000000701011d15011116170101010203070101ff0102031201010101010101110007010101110000000004010101010e1c1501740102030701010a181501010a0007010101010101010101021b15010a181501ff0102030701010c001201010a00070101010101010101010111000000120101ff010203070105061a0f09010a00070101010101010101010101010101010101ff01020307011118190307010a000701010101010101010101010101010101010001020307020316170a16170a0007010101010101010101010101010101010100010203070e1312010514150a000701010101010101010101010101010101010001020307110809010111120a00070101010101010101010101010101010101000102030d06040101010e0f1000070101010101010101010101010101010101000102030b0007010101010c0b00070101010101010101010101010101010101ff010203000809010101010a0000070101010101010101010101010101010101ff02030000040101010101050600000701010101010101010101010101010101ff01010101010101010101010101010101010101010101010101010101010101ff01010101010101010101010101010101010101010101010101010101010101ff01010101010101010101010101010101010101010101010101010101010101ff01010101010101010101010101010101010101010101010101010101010101ff01010101010101010101010101010101010101010101010101010101010101ff4c0000006400000000000000000000001e0000001800000000000000000000001f000000190000002900aa0000000000000000000000803f00000000000000000000803f0000000000000000000000000000000000000000000000000000000000000000220000000c000000ffffffff460000001c00000010000000454d462b024000000c000000000000000e000000140000000000000010000000140000000400000003010800050000000b0200000000050000000c0219001f00030000001e0004000000070104000400000007010400ef010000410b2000cc0019001f000000000019001f0000000000280000001f0000001900000001000800000000000000000000000000000000001f0000000000000000000000ffffff00dfffff0000489c00bf740000bfffff0000007400ffbf740074000000ffffbf0074bfff00747474000074bf00bfbf74009cdfff007400480074bfbf00489cdf00df9c48000000480048007400ffdf9c009c480000ffffdf0048000000dfdf9c007474480048489c00480048004874bf00bf74480001010101010101010101010101010101010101010101010101010101010101ff01010101010101010101010101010101010101010101010101010101010101ff01010101010101010101010101010101010101010101010101010101010101ff01010101010101010101010101010102030000000012010111000000120101ff01010101010101010101010101010101050607010e1e01051415010e130701ff0101010101010101010101010101010101020312010101010101010e130701ff010101010101010101010101010101010101010c04010101010c0000070101ff02030000120101010101110000000701011d15011116170101010203070101ff0102031201010101010101110007010101110000000004010101010e1c1501740102030701010a181501010a0007010101010101010101021b15010a181501ff0102030701010c001201010a00070101010101010101010111000000120101ff010203070105061a0f09010a00070101010101010101010101010101010101ff01020307011118190307010a000701010101010101010101010101010101010001020307020316170a16170a0007010101010101010101010101010101010100010203070e1312010514150a000701010101010101010101010101010101010001020307110809010111120a00070101010101010101010101010101010101000102030d06040101010e0f1000070101010101010101010101010101010101000102030b0007010101010c0b00070101010101010101010101010101010101ff010203000809010101010a0000070101010101010101010101010101010101ff02030000040101010101050600000701010101010101010101010101010101ff01010101010101010101010101010101010101010101010101010101010101ff01010101010101010101010101010101010101010101010101010101010101ff01010101010101010101010101010101010101010101010101010101010101ff01010101010101010101010101010101010101010101010101010101010101ff01010101010101010101010101010101010101010101010101010101010101ff0c00000040092900aa0000000000000019001f0000000000040000002701ffff030000000000>= 0
>0100090000034606000000002204000000002204000026060f003a08574d464301000000000001009b180000000001000000180800000000000018080000010000006c00000000000000000000001e000000180000000000000000000000060300007002000020454d4600000100180800000c00000001000000000000000000000000000000000500002003000040010000c800000000000000000000000000000000e20400400d0300460000002c00000020000000454d462b014001001c000000100000000210c0db01000000600000006000000046000000a002000094020000454d462b224004000c000000000000001e4009000c00000000000000244001000c000000000000003040020010000000040000000000803f214007000c0000000000000008400005ec010000e00100000210c0db01000000000000000000000000000000000000000100000089504e470d0a1a0a0000000d494844520000001f00000019080200000046956273000000017352474200aece1ce9000000097048597300000ec400000ec401952b0e1b0000016649444154484bed96318e83301045cd9e84edf618486988dce606a459a575c419a2754b176e401b85268243a44813c537f18e07c71803bbc256bab8c31e3f267f663e89a494e465ebe36564057ed3e7e4056544b98ef4dab7a3b876ffc7e1bf45839e91f2714cbb40d6e073bf1a3673e0c44d3ff655650c40fc34ccbe3d71dcf75c56cf50eae24579e08c524fb4d391c90e04b2b217978a1c77893f7cd8eff16a03f8432910d8165bb259c50170679a105f57178507c9d340b83bab068f92e75950e6632788b39c41f64551d58c86488e828e7d2681d6a9395f5a4f6b26a3b5aedc948b293c592a39f6d70367aa61f5f6bbe3f7b95fef5dab1092fc487936928bfbd5691b3b4d6513ca3fe2ecfcbc127fe9c1876b960d9054bfbd1f6b631110695ca2613a509dba77d49e8904bae7520e34b4a5a72785d2a7923649e2efeddeebf16d024ffebce55819a880366dd8349d629569a12e762114c5c86e1f98cde8fd9f60c6487f01e376e07ad31e31530000000049454e44ae4260820000000840010824000000180000000210c0db01000000030000000000000000000000000000001b40000040000000340000000100000002000000000000bf000000bf0000f8410000c84103000000000000b3000000b3fffff741000000b3000000b3ffffc7412100000008000000620000000c00000001000000150000000c00000004000000150000000c00000004000000510000001404000000000000000000001e00000018000000000000000000000000000000000000001f0000001900000050000000a4000000f400000020030000000000002000cc001f00000019000000280000001f0000001900000001000800000000000000000000000000000000001f0000000000000000000000ffffff00dfffff0000489c00bf740000bfffff0000007400ffbf740074000000ffffbf0074bfff00747474000074bf00bfbf74009cdfff007400480074bfbf00489cdf00df9c48000000480048007400ffdf9c009c480000ffffdf0048000000dfdf9c007474480048489c00480048004874bf00bf74480001010101010101010101010101010101010101010101010101010101010101ff01010101010101010101010101010101010101010101010101010101010101ff01010101010101010101010101010101010101010101010101010101010101ff01010101010101010101010101010102030000000012010111000000120101ff01010101010101010101010101010101050607010e1e01051415010e130701ff0101010101010101010101010101010101020312010101010101010e130701ff010101010101010101010101010101010101010c04010101010c0000070101ff02030000120101010101110000000701011d15011116170101010203070101ff0102031201010101010101110007010101110000000004010101010e1c1501740102030701010a181501010a0007010101010101010101021b15010a181501ff0102030701010c001201010a00070101010101010101010111000000120101ff010203070105061a0f09010a00070101010101010101010101010101010101ff01020307011118190307010a000701010101010101010101010101010101010001020307020316170a16170a0007010101010101010101010101010101010100010203070e1312010514150a000701010101010101010101010101010101010001020307110809010111120a00070101010101010101010101010101010101000102030d06040101010e0f1000070101010101010101010101010101010101000102030b0007010101010c0b00070101010101010101010101010101010101ff010203000809010101010a0000070101010101010101010101010101010101ff02030000040101010101050600000701010101010101010101010101010101ff01010101010101010101010101010101010101010101010101010101010101ff01010101010101010101010101010101010101010101010101010101010101ff01010101010101010101010101010101010101010101010101010101010101ff01010101010101010101010101010101010101010101010101010101010101ff01010101010101010101010101010101010101010101010101010101010101ff4c0000006400000000000000000000001e0000001800000000000000000000001f000000190000002900aa0000000000000000000000803f00000000000000000000803f0000000000000000000000000000000000000000000000000000000000000000220000000c000000ffffffff460000001c00000010000000454d462b024000000c000000000000000e000000140000000000000010000000140000000400000003010800050000000b0200000000050000000c0219001f00030000001e0004000000070104000400000007010400ef010000410b2000cc0019001f000000000019001f0000000000280000001f0000001900000001000800000000000000000000000000000000001f0000000000000000000000ffffff00dfffff0000489c00bf740000bfffff0000007400ffbf740074000000ffffbf0074bfff00747474000074bf00bfbf74009cdfff007400480074bfbf00489cdf00df9c48000000480048007400ffdf9c009c480000ffffdf0048000000dfdf9c007474480048489c00480048004874bf00bf74480001010101010101010101010101010101010101010101010101010101010101ff01010101010101010101010101010101010101010101010101010101010101ff01010101010101010101010101010101010101010101010101010101010101ff01010101010101010101010101010102030000000012010111000000120101ff01010101010101010101010101010101050607010e1e01051415010e130701ff0101010101010101010101010101010101020312010101010101010e130701ff010101010101010101010101010101010101010c04010101010c0000070101ff02030000120101010101110000000701011d15011116170101010203070101ff0102031201010101010101110007010101110000000004010101010e1c1501740102030701010a181501010a0007010101010101010101021b15010a181501ff0102030701010c001201010a00070101010101010101010111000000120101ff010203070105061a0f09010a00070101010101010101010101010101010101ff01020307011118190307010a000701010101010101010101010101010101010001020307020316170a16170a0007010101010101010101010101010101010100010203070e1312010514150a000701010101010101010101010101010101010001020307110809010111120a00070101010101010101010101010101010101000102030d06040101010e0f1000070101010101010101010101010101010101000102030b0007010101010c0b00070101010101010101010101010101010101ff010203000809010101010a0000070101010101010101010101010101010101ff02030000040101010101050600000701010101010101010101010101010101ff01010101010101010101010101010101010101010101010101010101010101ff01010101010101010101010101010101010101010101010101010101010101ff01010101010101010101010101010101010101010101010101010101010101ff01010101010101010101010101010101010101010101010101010101010101ff01010101010101010101010101010101010101010101010101010101010101ff0c00000040092900aa0000000000000019001f0000000000040000002701ffff030000000000>>
>=
>0100090000034e05000000009403000000009403000026060f001e07574d46430100000000000100d1a90000000001000000fc06000000000000fc060000010000006c0000000000000000000000160000001800000000000000000000003e0200007002000020454d4600000100fc0600000c00000001000000000000000000000000000000000500002003000040010000c800000000000000000000000000000000e20400400d0300460000002c00000020000000454d462b014001001c000000100000000210c0db01000000600000006000000046000000580200004c020000454d462b224004000c000000000000001e4009000c00000000000000244001000c000000000000003040020010000000040000000000803f214007000c0000000000000008400005a4010000980100000210c0db01000000000000000000000000000000000000000100000089504e470d0a1a0a0000000d494844520000001700000019080200000055422287000000017352474200aece1ce9000000097048597300000ec400000ec401952b0e1b0000011e49444154384fdd95310e823014868b27e128352c98aede0037d612cf60ec4a5ce006ac44162387607031f626f5b5685b8a02c1c184b7b5affdf2fabfff812784403fc7ea6782042c92c2f38df78aa4eec9542703497d1a7a24c4230bdb0d7a556b1357fa25d13965d4a5142eb0b25b4d5d32b53f12568f0871313c3f304ac818a3db691cc3c3ac6af8a540598cc7215dbff8c11630879cab8b75ba43dbc09f00715ca7305571911890249c0871bdab314a927d34a992fe04f8d19e4235695a54944c91443db83f47185a553136aaabb4e3dba51fa65162d09024add9d7cce86e28cdbd6d0d42f828c4594bc2ef8ddba6e064fb5d662dfba3307b3803a047a33f1d32f51e18a0cc0c9bf2efaf14bf5546af19efb1c50210a8e92dee1ff0043b463251a65a7f7f0000000049454e44ae4260820000000840010824000000180000000210c0db01000000030000000000000000000000000000001b40000040000000340000000100000002000000000000bf000000bf0000b8410000c84103000000000000b3000000b3ffffb741000000b3000000b3ffffc7412100000008000000620000000c00000001000000150000000c00000004000000150000000c000000040000005100000040030000000000000000000016000000180000000000000000000000000000000000000017000000190000005000000098000000e800000058020000000000002000cc00170000001900000028000000170000001900000001000800000000000000000000000000000000001c0000000000000000000000ffffff00dfffff0000489c00bf740000bfffff0000007400ffbf740074000000ffffbf0074bfff00747474000074bf00bfbf74009cdfff007400480074bfbf00489cdf00df9c48000000480048007400ffdf9c009c480000ffffdf0048000000dfdf9c0074744800dfdfdf00010101010101010101010101010101010101010101010101010101010101010101010101010101010101010101010101010101010101010101010101010101010101010101010101010101010101010101010101010101010111000000001201010101010101010101010101010101010101010c0401010101010101010101010101010101010101010101110401010101010101010101010101010101010101010101110401010102030000120101010101110000000701010101110401010101020312010101010101011100070101011b0111040101010102030701010a181501010a0007010101110000040101010102030701010c001201010a000701010101010c04010101010203070105061a0f09010a00070101010101010101010101020307011118190307010a00070101010101010101010101020307020316170a16170a000701010101010101010101010203070e1312010514150a00070101010101010101010101020307110809010111120a0007010101010101010101010102030d06040101010e0f100007010101010101010101010102030b0007010101010c0b000701010101010101010101010203000809010101010a000007010101010101010101010203000004010101010105060000070101010101010101010101010101010101010101010101010101010101010101010101010101010101010101010101010101010101010101010101010101010101010101010101010101010101010101010101010101010101010101010101010101010101010101010101010101010101010101010101010101010101010101014c0000006400000000000000000000001600000018000000000000000000000017000000190000002900aa0000000000000000000000803f00000000000000000000803f0000000000000000000000000000000000000000000000000000000000000000220000000c000000ffffffff460000001c00000010000000454d462b024000000c000000000000000e000000140000000000000010000000140000000400000003010800050000000b0200000000050000000c0219001700030000001e000400000007010400040000000701040085010000410b2000cc001900170000000000190017000000000028000000170000001900000001000800000000000000000000000000000000001c0000000000000000000000ffffff00dfffff0000489c00bf740000bfffff0000007400ffbf740074000000ffffbf0074bfff00747474000074bf00bfbf74009cdfff007400480074bfbf00489cdf00df9c48000000480048007400ffdf9c009c480000ffffdf0048000000dfdf9c0074744800dfdfdf00010101010101010101010101010101010101010101010101010101010101010101010101010101010101010101010101010101010101010101010101010101010101010101010101010101010101010101010101010101010111000000001201010101010101010101010101010101010101010c0401010101010101010101010101010101010101010101110401010101010101010101010101010101010101010101110401010102030000120101010101110000000701010101110401010101020312010101010101011100070101011b0111040101010102030701010a181501010a0007010101110000040101010102030701010c001201010a000701010101010c04010101010203070105061a0f09010a00070101010101010101010101020307011118190307010a00070101010101010101010101020307020316170a16170a000701010101010101010101010203070e1312010514150a00070101010101010101010101020307110809010111120a0007010101010101010101010102030d06040101010e0f100007010101010101010101010102030b0007010101010c0b000701010101010101010101010203000809010101010a000007010101010101010101010203000004010101010105060000070101010101010101010101010101010101010101010101010101010101010101010101010101010101010101010101010101010101010101010101010101010101010101010101010101010101010101010101010101010101010101010101010101010101010101010101010101010101010101010101010101010101010101010c00000040092900aa000000000000001900170000000000040000002701ffff030000000000>->0100090000035605000000009c03000000009c03000026060f002e07574d46430100000000000100782600000000010000000c070000000000000c070000010000006c000000000000000000000017000000180000000000000000000000570200007002000020454d46000001000c0700000c00000001000000000000000000000000000000000500002003000040010000c800000000000000000000000000000000e20400400d0300460000002c00000020000000454d462b014001001c000000100000000210c0db01000000600000006000000046000000680200005c020000454d462b224004000c000000000000001e4009000c00000000000000244001000c000000000000003040020010000000040000000000803f214007000c0000000000000008400005b4010000a80100000210c0db01000000000000000000000000000000000000000100000089504e470d0a1a0a0000000d4948445200000018000000190802000000a449790a000000017352474200aece1ce9000000097048597300000ec400000ec401952b0e1b0000012e49444154484bdd95310e823014868b2761f418242e98aedc4037d61acf40ecca06376035b2183804abb137a9af2da5a52834c489b7d1d77ebcbefffd1070ced13f62f70f88606c1bc4ca63d0c7a59db4acbdcc24eddda01ae7ef22566ba491cf261af223e1ece3a6d984c0197a1fd7d4dea95c5f0e4b358c5d122b334a305ea638f24729dcd0aa893d2b54a49117673c47e1210152563279b6cdcf2839847e1c672025a9ae9e8204ed89fd39ee640f24d99eebc9b79ea945c2d395404d795ed5047bb6475e7eeab508c4ab299d6db399d240cff017d30a129a690f50b2fd5b0e248cabd6c680ba97120ba1e8c6f963680f7b7563e120adb3e1be7704ecb0fc81e242bdc8c4e09d6ff611ce1a8e00686dc0bd2c6bae04894ac7065f05b26b698802ae00e92f8b96408182edfe453ed466cae2e6a233890000000049454e44ae4260820000000840010824000000180000000210c0db01000000030000000000000000000000000000001b40000040000000340000000100000002000000000000bf000000bf0000c0410000c84103000000000000b3000000b3ffffbf41000000b3000000b3ffffc7412100000008000000620000000c00000001000000150000000c00000004000000150000000c000000040000005100000040030000000000000000000017000000180000000000000000000000000000000000000018000000190000005000000098000000e800000058020000000000002000cc00180000001900000028000000180000001900000001000800000000000000000000000000000000001c0000000000000000000000ffffff00dfffff0000489c00bf740000bfffff0000007400ffbf740074000000ffffbf0074bfff00747474000074bf00bfbf74009cdfff007400480074bfbf00489cdf00df9c48000000480048007400ffdf9c009c480000ffffdf0048000000dfdf9c00747448004800480001010101010101010101010101010101010101010101010101010101010101010101010101010101010101010101010101010101010101010101010101010101010101010101010101010101010101010101010101010101050600000000070101010101010101010101010101010101010a0401010a0701010101010101010101010101010101010101110401010101010101010101010101010101010101010101010a0401010102030000120101010101110000000701010101011112010101020312010101010101011100070101010101010e1b15010102030701010a181501010a00070101051415010a1815010102030701010c001201010a000701010105060000040101010203070105061a0f09010a00070101010101010101010101020307011118190307010a00070101010101010101010101020307020316170a16170a000701010101010101010101010203070e1312010514150a00070101010101010101010101020307110809010111120a0007010101010101010101010102030d06040101010e0f100007010101010101010101010102030b0007010101010c0b000701010101010101010101010203000809010101010a000007010101010101010101010203000004010101010105060000070101010101010101010101010101010101010101010101010101010101010101010101010101010101010101010101010101010101010101010101010101010101010101010101010101010101010101010101010101010101010101010101010101010101010101010101010101010101010101010101010101010101010101014c0000006400000000000000000000001700000018000000000000000000000018000000190000002900aa0000000000000000000000803f00000000000000000000803f0000000000000000000000000000000000000000000000000000000000000000220000000c000000ffffffff460000001c00000010000000454d462b024000000c000000000000000e000000140000000000000010000000140000000400000003010800050000000b0200000000050000000c0219001800030000001e000400000007010400040000000701040085010000410b2000cc001900180000000000190018000000000028000000180000001900000001000800000000000000000000000000000000001c0000000000000000000000ffffff00dfffff0000489c00bf740000bfffff0000007400ffbf740074000000ffffbf0074bfff00747474000074bf00bfbf74009cdfff007400480074bfbf00489cdf00df9c48000000480048007400ffdf9c009c480000ffffdf0048000000dfdf9c00747448004800480001010101010101010101010101010101010101010101010101010101010101010101010101010101010101010101010101010101010101010101010101010101010101010101010101010101010101010101010101010101050600000000070101010101010101010101010101010101010a0401010a0701010101010101010101010101010101010101110401010101010101010101010101010101010101010101010a0401010102030000120101010101110000000701010101011112010101020312010101010101011100070101010101010e1b15010102030701010a181501010a00070101051415010a1815010102030701010c001201010a000701010105060000040101010203070105061a0f09010a00070101010101010101010101020307011118190307010a00070101010101010101010101020307020316170a16170a000701010101010101010101010203070e1312010514150a00070101010101010101010101020307110809010111120a0007010101010101010101010102030d06040101010e0f100007010101010101010101010102030b0007010101010c0b000701010101010101010101010203000809010101010a000007010101010101010101010203000004010101010105060000070101010101010101010101010101010101010101010101010101010101010101010101010101010101010101010101010101010101010101010101010101010101010101010101010101010101010101010101010101010101010101010101010101010101010101010101010101010101010101010101010101010101010101010c00000040092900aa000000000000001900180000000000040000002701ffff030000000000>->0100090000035c0500000000a00300000000a003000026060f003607574d46430100000000000100c6b20000000001000000140700000000000014070000010000006c000000000000000000000017000000180000000000000000000000570200007002000020454d4600000100140700000c00000001000000000000000000000000000000000500002003000040010000c800000000000000000000000000000000e20400400d0300460000002c00000020000000454d462b014001001c000000100000000210c0db010000006000000060000000460000006c02000060020000454d462b224004000c000000000000001e4009000c00000000000000244001000c000000000000003040020010000000040000000000803f214007000c0000000000000008400005b8010000ac0100000210c0db01000000000000000000000000000000000000000100000089504e470d0a1a0a0000000d4948445200000018000000190802000000a449790a000000017352474200aece1ce9000000097048597300000ec400000ec401952b0e1b0000013349444154484bdd5531128230100cbe24a5cf60c60626ad3fc0c6b18de31b18d3d2c90f681d691c7804ad637e128f238610143368e575e42e9bcbee6d089452e417b1f805488bf1df40328f031dfb7a4459bd9f48dad5a09a52f753d4adf10abffba8f89b8453a77ab239873de23ceca93e0b5cff1c966a8cb948324f0567ec338a237fb8831b5a3dc96b414ebbd00b67384774b506a43497b8b7ce3664bda27e38ce402252595c5b24a027f2c77127db20213d87c4b79fb1456872e0d053961525679ef4e0e5c75e0b41bc5288099aad090e624de82bd3b64864821e14f38e0359f172b3eda0fa8e9a5b271621e151a98ba147de9aa17034b93cb374a91d0115963f48a40feac7df78072a47f66993661180e6c4d3825f03e9c3b1e1aea9192f243c2c462b8bbd1917b38933b406fffb177900caf188e7509974180000000049454e44ae42608200000840010824000000180000000210c0db01000000030000000000000000000000000000001b40000040000000340000000100000002000000000000bf000000bf0000c0410000c84103000000000000b3000000b3ffffbf41000000b3000000b3ffffc7412100000008000000620000000c00000001000000150000000c00000004000000150000000c00000004000000510000004403000000000000000000001700000018000000000000000000000000000000000000001800000019000000500000009c000000ec00000058020000000000002000cc00180000001900000028000000180000001900000001000800000000000000000000000000000000001d0000000000000000000000ffffff00dfffff0000489c00bf740000bfffff0000007400ffbf740074000000ffffbf0074bfff00747474000074bf00bfbf74009cdfff007400480074bfbf00489cdf00df9c48000000480048007400ffdf9c009c480000ffffdf0048000000dfdf9c007474480048489c004800480001010101010101010101010101010101010101010101010101010101010101010101010101010101010101010101010101010101010101010101010101010101010101010101010101010101010101010101010101010101011100000012010101010101010101010101010101010101051415010e13070101010101010101010101010101010101010101010e1307010101010101010101010101010101010101010c000007010102030000120101010101110000000701010101020307010101020312010101010101011100070101010101010e1c15010102030701010a181501010a00070101021b15010a1815010102030701010c001201010a000701010111000000120101010203070105061a0f09010a00070101010101010101010101020307011118190307010a00070101010101010101010101020307020316170a16170a000701010101010101010101010203070e1312010514150a00070101010101010101010101020307110809010111120a0007010101010101010101010102030d06040101010e0f100007010101010101010101010102030b0007010101010c0b000701010101010101010101010203000809010101010a000007010101010101010101010203000004010101010105060000070101010101010101010101010101010101010101010101010101010101010101010101010101010101010101010101010101010101010101010101010101010101010101010101010101010101010101010101010101010101010101010101010101010101010101010101010101010101010101010101010101010101010101014c0000006400000000000000000000001700000018000000000000000000000018000000190000002900aa0000000000000000000000803f00000000000000000000803f0000000000000000000000000000000000000000000000000000000000000000220000000c000000ffffffff460000001c00000010000000454d462b024000000c000000000000000e000000140000000000000010000000140000000400000003010800050000000b0200000000050000000c0219001800030000001e000400000007010400040000000701040087010000410b2000cc001900180000000000190018000000000028000000180000001900000001000800000000000000000000000000000000001d0000000000000000000000ffffff00dfffff0000489c00bf740000bfffff0000007400ffbf740074000000ffffbf0074bfff00747474000074bf00bfbf74009cdfff007400480074bfbf00489cdf00df9c48000000480048007400ffdf9c009c480000ffffdf0048000000dfdf9c007474480048489c004800480001010101010101010101010101010101010101010101010101010101010101010101010101010101010101010101010101010101010101010101010101010101010101010101010101010101010101010101010101010101011100000012010101010101010101010101010101010101051415010e13070101010101010101010101010101010101010101010e1307010101010101010101010101010101010101010c000007010102030000120101010101110000000701010101020307010101020312010101010101011100070101010101010e1c15010102030701010a181501010a00070101021b15010a1815010102030701010c001201010a000701010111000000120101010203070105061a0f09010a00070101010101010101010101020307011118190307010a00070101010101010101010101020307020316170a16170a000701010101010101010101010203070e1312010514150a00070101010101010101010101020307110809010111120a0007010101010101010101010102030d06040101010e0f100007010101010101010101010102030b0007010101010c0b000701010101010101010101010203000809010101010a000007010101010101010101010203000004010101010105060000070101010101010101010101010101010101010101010101010101010101010101010101010101010101010101010101010101010101010101010101010101010101010101010101010101010101010101010101010101010101010101010101010101010101010101010101010101010101010101010101010101010101010101010c00000040092900aa000000000000001900180000000000040000002701ffff030000000000>=1000
– 2000 – 1333 = -2333 Н*М
3. Определяем из условия прочности диаметр вала.
>>>
>=
>010009000003c60b000000003607000000003607000026060f00620e574d464301000000000001002bb20000000001000000400e000000000000400e0000010000006c000000000000000000000032000000250000000000000000000000fa040000b503000020454d4600000100400e00000c00000001000000000000000000000000000000000500002003000040010000c800000000000000000000000000000000e20400400d0300460000002c00000020000000454d462b014001001c000000100000000210c0db01000000600000006000000046000000f0030000e4030000454d462b224004000c000000000000001e4009000c00000000000000244001000c000000000000003040020010000000040000000000803f214007000c00000000000000084000053c030000300300000210c0db01000000000000000000000000000000000000000100000089504e470d0a1a0a0000000d4948445200000033000000260802000000e6d83455000000017352474200aece1ce9000000097048597300000ec400000ec401952b0e1b000002b7494441545847ed583d8eea3010367b92209a2d720856af094a9b1b84066d1b8b3320685734c90d68a34d83e243506c83d637e1cdf82f0ef90147624981abb13d1e7fcc7826df30b95c2e6494e36d94a810d4b891f16c3111833242d46491f1ca9b6d6b8ff235a312cb82c03bfb4d8320fd05410e9c0601494abd502638b7558cee83843221417b34fd280a7639781007cb4f51e43fca479d763bded92c5e27bb0d4694671bb28e677f0eac3b03e661521c8e9c7d1da2cff9dfe3eacb4d016db53945ffbc6700ebab1af3cf9414fe3a6e00d3e963125a2e4066ab9d9aa47f96a900aa08e83280054156042199d157cfbcf8fbb26d46929f4f326f21832083b75e760e51de7d4cf250ac5692056b7a8830ff21f34912a25576247bd0864c637445f665fa5ef7c175d5c09330aa9a218de1b82a2db692b84fc0ad49fa04560155979a25aa7e99a843a8df52cf6ed72801d5c68ea6d4dc4815440bad2d6a0c2d95b2bb9ef53d7978122230106746d5a782e5bb40c6a292f84f0151e35966bd1e46a7cb0234619552cac0541e9649f1c3e1a1d97ae27e150021d7dcd0ee3a1d5985bd2582da8ad49441d4a79252af96b82b37f1b9567e13335c98c0569f879eb7375eaef13c9fdcbaf915cd5b1e6aee8ff79dbd90bda2e9ee01f7132eef4cf332cda370aee45afbe58ea2f5c46d6661694846665a2cfb536b510b27939dca2e3e23c47b974c0d49053408a9fafa8ae9d22f15cd940e441a72ed65176fba2133964d47753a73c4453f88c625082a78b0584e05c715245777880ed0dc9079339f00169eadec8ecac645c87cfb1d7b40ce90e2b470f5bbb1b92193668f10c8bd695c8e96bf4ca88149ea9e0bda0645fcef062515dd9eabe4753a09eab3ca126683e2fda832ec7f074764d69da6796afcb61aef1d060bf9ac9bcfeed2aeda95bbd43b941e804cc678b0af34d0177374cc4b501f5235dc6f1972e23f0cdd7383777a54730000000049454e44ae42608200000840010824000000180000000210c0db01000000030000000000000000000000000000001b40000040000000340000000100000002000000000000bf000000bf00004c420000184203000000000080b3000080b3ffff4b42000080b3000080b3ffff17422100000008000000620000000c00000001000000150000000c00000004000000150000000c0000000400000051000000ec0800000000000000000000320000002500000000000000000000000000000000000000330000002600000050000000e400000034010000b8070000000000002000cc00330000002600000028000000330000002600000001000800000000000000000000000000000000002f0000000000000000000000ffffff00489cdf00ffbf74009cdfff000000480048000000ffdf9c009c480000ffffdf000074bf00df9c480048484800bf740000bfffff004848740048004800480074009c9c740074004800ffffbf0074bfff009c9c4800dfffff0074489c00bfffbf0074bfdf00740000000000740000489c009c9cdf00df9c9c004874bf00bfdf9c009c48480074007400dfffbf00bf9c9c00747474009cdfbf00bf744800bf9c48009c48740000749c00dfdf9c009cdfdf0048749c00010101010101010101010101010101010101010101010101010101010101010101010101010101010101010101010101010101ff010101010101010101010101010101010101010101010101010101010101010101010101010101010101010101010101010101ff010101010101010101010101010101010101010101010101010101010101010101010101010101010101010101010101010101ff010101010101010101010101010101010101010101010101010101150008090101010101010101010101010101010101010101ff0101010101010101010101010101010101010101010101010101010e2314010101010101010101010101010101010101010101ff01010101010101010101010101010104100701010a0d0101010101171d0000000b010101010101010101010101010101010101ff01010101010101010101010101010115000d01010a000301010101010208090e1c0b0101010101010101010101010101010101ff01010101010101010101010101010115082e07010a1623140101010115080901041314010101010101010101010101010101014801010101010101010101010101010115082d22090a0b150d010101010e1107010e1c0301010101010101010101010101010101ff010101010101010101010101010101020d0102030a0b010a030101202c1d00030e1c030101010101010101010101010101010100010101010101010101010101010101020d010e2a2b03010e231401171d06070a001b14010101010101010101010101010101019c0101010101010101010101010101010a0d01010200030101020d010101010101010101010101010101010101010101010101019c010101010101010101010101010115000003010e1c03010405000d010101010101010101010101010101010101010101010101ff010101010101010101010101010101010101010101010101010101010101010101010101010101010101010101010101010101ff01010101010101010101010101010101010101010101010101010101010101010101010101010101010101010101010101010148010101010101010101010101010101010101010101010101010101010101010101010101010101010101010101010101010101ff010101010101010101010101010101010101010101010101010101010101010101010101010101010101010101010101010101000101010101010101010101010101010101010101010101010101010101010101010101010101010101010101010101010101019c01010101010101010101010101010101010101010101010101010101010101010101010101010101010101010101010101010100010101010101010101010101010101010101010101010101010101010101010101010101010101010101010101010101010101ff000000000000000000000000000000000000000000000000000000000000000000000000000000000000000000000000000000ff010101010101010101010101010101010101010101010101010101010101010101010101010101010101010101010101010101ff010101010101010101010101010101010101010101010101010101010101010101010101010101010101010101010101010101ff010200000301010101010101010101171d0000001b14171d0301020d01171d0607171d000d0200291d080915000b01010a0006ff01020b01010101010101010101010101041007012007010a0b011508090e23242504131415000b1e2627280a031e1401010e11ff01020b0101010101010101010101010101040503010101150d010e2314171d030104131401020d010101150607010101010e11ff01020b010104051b140101171d00080901010405030101041314171d0301020b010e1107010422090101040503010101010e11bf01020b0101010203010101010e1107011718140e1c031e191c1b140a0003150d01010208090413140e1f150d20211f01010e11ff01020b010101020301020d010e110701010a0000001b191c1b191c00030a000d010101020000000301020003171d0d01010e11ff01020b01010102030e110c070e1107010101010101010101010101010101010101010101010101010101010101010101010e11ff01020b010101020315081a0b0e1107010101010101010101010101010101010101010101010101010101010101010101010e11ff01020b01010102030a0b1718191107010101010101010101010101010101010101010101010101010101010101010101010e11ff01020b010101021213140115161107010101010101010101010101010101010101010101010101010101010101010101010e11ff01020b010101020c0d01010e0f1007010101010101010101010101010101010101010101010101010101010101010101010e11ff0102000003040506070101010200080901010101010101010101010101010101010101010101010101010101010101010a0006ff010101010101010101010101010101010101010101010101010101010101010101010101010101010101010101010101010101ff010101010101010101010101010101010101010101010101010101010101010101010101010101010101010101010101010101ff010101010101010101010101010101010101010101010101010101010101010101010101010101010101010101010101010101ff4c0000006400000000000000000000003200000025000000000000000000000033000000260000002900aa0000000000000000000000803f00000000000000000000803f0000000000000000000000000000000000000000000000000000000000000000220000000c000000ffffffff460000001c00000010000000454d462b024000000c000000000000000e000000140000000000000010000000140000000400000003010800050000000b0200000000050000000c0226003300030000001e00040000000701040004000000070104005b040000410b2000cc002600330000000000260033000000000028000000330000002600000001000800000000000000000000000000000000002f0000000000000000000000ffffff00489cdf00ffbf74009cdfff000000480048000000ffdf9c009c480000ffffdf000074bf00df9c480048484800bf740000bfffff004848740048004800480074009c9c740074004800ffffbf0074bfff009c9c4800dfffff0074489c00bfffbf0074bfdf00740000000000740000489c009c9cdf00df9c9c004874bf00bfdf9c009c48480074007400dfffbf00bf9c9c00747474009cdfbf00bf744800bf9c48009c48740000749c00dfdf9c009cdfdf0048749c00010101010101010101010101010101010101010101010101010101010101010101010101010101010101010101010101010101ff010101010101010101010101010101010101010101010101010101010101010101010101010101010101010101010101010101ff010101010101010101010101010101010101010101010101010101010101010101010101010101010101010101010101010101ff010101010101010101010101010101010101010101010101010101150008090101010101010101010101010101010101010101ff0101010101010101010101010101010101010101010101010101010e2314010101010101010101010101010101010101010101ff01010101010101010101010101010104100701010a0d0101010101171d0000000b010101010101010101010101010101010101ff01010101010101010101010101010115000d01010a000301010101010208090e1c0b0101010101010101010101010101010101ff01010101010101010101010101010115082e07010a1623140101010115080901041314010101010101010101010101010101014801010101010101010101010101010115082d22090a0b150d010101010e1107010e1c0301010101010101010101010101010101ff010101010101010101010101010101020d0102030a0b010a030101202c1d00030e1c030101010101010101010101010101010100010101010101010101010101010101020d010e2a2b03010e231401171d06070a001b14010101010101010101010101010101019c0101010101010101010101010101010a0d01010200030101020d010101010101010101010101010101010101010101010101019c010101010101010101010101010115000003010e1c03010405000d010101010101010101010101010101010101010101010101ff010101010101010101010101010101010101010101010101010101010101010101010101010101010101010101010101010101ff01010101010101010101010101010101010101010101010101010101010101010101010101010101010101010101010101010148010101010101010101010101010101010101010101010101010101010101010101010101010101010101010101010101010101ff010101010101010101010101010101010101010101010101010101010101010101010101010101010101010101010101010101000101010101010101010101010101010101010101010101010101010101010101010101010101010101010101010101010101019c01010101010101010101010101010101010101010101010101010101010101010101010101010101010101010101010101010100010101010101010101010101010101010101010101010101010101010101010101010101010101010101010101010101010101ff000000000000000000000000000000000000000000000000000000000000000000000000000000000000000000000000000000ff010101010101010101010101010101010101010101010101010101010101010101010101010101010101010101010101010101ff010101010101010101010101010101010101010101010101010101010101010101010101010101010101010101010101010101ff010200000301010101010101010101171d0000001b14171d0301020d01171d0607171d000d0200291d080915000b01010a0006ff01020b01010101010101010101010101041007012007010a0b011508090e23242504131415000b1e2627280a031e1401010e11ff01020b0101010101010101010101010101040503010101150d010e2314171d030104131401020d010101150607010101010e11ff01020b010104051b140101171d00080901010405030101041314171d0301020b010e1107010422090101040503010101010e11bf01020b0101010203010101010e1107011718140e1c031e191c1b140a0003150d01010208090413140e1f150d20211f01010e11ff01020b010101020301020d010e110701010a0000001b191c1b191c00030a000d010101020000000301020003171d0d01010e11ff01020b01010102030e110c070e1107010101010101010101010101010101010101010101010101010101010101010101010e11ff01020b010101020315081a0b0e1107010101010101010101010101010101010101010101010101010101010101010101010e11ff01020b01010102030a0b1718191107010101010101010101010101010101010101010101010101010101010101010101010e11ff01020b010101021213140115161107010101010101010101010101010101010101010101010101010101010101010101010e11ff01020b010101020c0d01010e0f1007010101010101010101010101010101010101010101010101010101010101010101010e11ff0102000003040506070101010200080901010101010101010101010101010101010101010101010101010101010101010a0006ff010101010101010101010101010101010101010101010101010101010101010101010101010101010101010101010101010101ff010101010101010101010101010101010101010101010101010101010101010101010101010101010101010101010101010101ff010101010101010101010101010101010101010101010101010101010101010101010101010101010101010101010101010101ff0c00000040092900aa000000000000002600330000000000040000002701ffff030000000000>
≤ [>0100090000035004000000000003000000000003000026060f00f605574d46430100000000000100bb430000000001000000d405000000000000d4050000010000006c00000000000000000000000f0000001800000000000000000000008f0100007002000020454d4600000100d40500000c00000001000000000000000000000000000000000500002003000040010000c800000000000000000000000000000000e20400400d0300460000002c00000020000000454d462b014001001c000000100000000210c0db0100000060000000600000004600000004020000f8010000454d462b224004000c000000000000001e4009000c00000000000000244001000c000000000000003040020010000000040000000000803f214007000c000000000000000840000550010000440100000210c0db01000000000000000000000000000000000000000100000089504e470d0a1a0a0000000d4948445200000010000000190802000000b79e39fe000000017352474200aece1ce9000000097048597300000ec400000ec401952b0e1b000000cc49444154384f63fcffff3f0329808914c520b5a31a880931b242e9c15c4f460ce039f701760bf7973078ccb90f8ceffff7e778303094ec0731f10006b81c71eaff23fcf0e0c60e060f0d05421e876b38b0b58781414799680d0fee5e6120c60278e2033b28c499a005300d600bc0e0402963e901281b1adea010060a33422460a1040c5e30400b5760d801437d7f0934e881b90d7fa883c31ae839484c8100fea4f160ef1a0690f948a1875703483d30201cb235b6c2130a3e0d50f50c0c0ace1a6b141921a98b71f0951a00e065d401321728da0000000049454e44ae426082000840010824000000180000000210c0db01000000030000000000000000000000000000001b40000040000000340000000100000002000000000000bf000000bf000080410000c84103000000000000b3000000b3ffff7f41000000b3000000b3ffffc7412100000008000000620000000c00000001000000150000000c00000004000000150000000c00000004000000510000006c02000000000000000000000f00000018000000000000000000000000000000000000001000000019000000500000008c000000dc00000090010000000000002000cc0010000000190000002800000010000000190000000100080000000000000000000000000000000000190000000000000000000000ffffff00489cdf00df9c48000074bf009cdfff0000004800ffbf740074000000ffffbf009c480000ffffdf00bfffff0000007400bf74000074bfff0048000000ffdf9c009c48480074bfdf00dfffff0048489c00bfdf9c00bf747400749cdf000101010101010101010101010101010101010101010101010101010101010101010101010101010101010101010101010101010101010101010203010506030101010101010101010105120b18110101010101010101010101141516170101010101010101010101010102000a0b010101010c0d000e0101010105121303010101010210110f0e01010506101104080901010f101101010101010101010101010101050603010101010101010101010101010c0d0e0101010101010101010101010101040a0b010101010101010101010101010208090101010101010101010104030105060701010101010101010101010200000000000003010101010101010101010101010101010101010101010101010101010101010101010101010101010101010101010101010101010101010101010101010101010101010101010101010101010101010101010101010101010101010101010101010101010101010101010101010101010101010101010101010101010101010101010101010101010101010101010101010101010101014c0000006400000000000000000000000f00000018000000000000000000000010000000190000002900aa0000000000000000000000803f00000000000000000000803f0000000000000000000000000000000000000000000000000000000000000000220000000c000000ffffffff460000001c00000010000000454d462b024000000c000000000000000e000000140000000000000010000000140000000400000003010800050000000b0200000000050000000c0219001000030000001e00040000000701040004000000070104001b010000410b2000cc00190010000000000019001000000000002800000010000000190000000100080000000000000000000000000000000000190000000000000000000000ffffff00489cdf00df9c48000074bf009cdfff0000004800ffbf740074000000ffffbf009c480000ffffdf00bfffff0000007400bf74000074bfff0048000000ffdf9c009c48480074bfdf00dfffff0048489c00bfdf9c00bf747400749cdf000101010101010101010101010101010101010101010101010101010101010101010101010101010101010101010101010101010101010101010203010506030101010101010101010105120b18110101010101010101010101141516170101010101010101010101010102000a0b010101010c0d000e0101010105121303010101010210110f0e01010506101104080901010f101101010101010101010101010101050603010101010101010101010101010c0d0e0101010101010101010101010101040a0b010101010101010101010101010208090101010101010101010104030105060701010101010101010101010200000000000003010101010101010101010101010101010101010101010101010101010101010101010101010101010101010101010101010101010101010101010101010101010101010101010101010101010101010101010101010101010101010101010101010101010101010101010101010101010101010101010101010101010101010101010101010101010101010101010101010101010101010c00000040092900aa000000000000001900100000000000040000002701ffff030000000000>]
→ >010009000003a20500000000c60300000000c603000026060f008207574d464301000000000001003eb20000000001000000600700000000000060070000010000006c0000000000000000000000160000001a00000000000000000000003e020000a202000020454d4600000100600700000c00000001000000000000000000000000000000000500002003000040010000c800000000000000000000000000000000e20400400d0300460000002c00000020000000454d462b014001001c000000100000000210c0db01000000600000006000000046000000780200006c020000454d462b224004000c000000000000001e4009000c00000000000000244001000c000000000000003040020010000000040000000000803f214007000c0000000000000008400005c4010000b80100000210c0db01000000000000000000000000000000000000000100000089504e470d0a1a0a0000000d49484452000000170000001b0802000000188a838c000000017352474200aece1ce9000000097048597300000ec400000ec401952b0e1b0000014149444154484bcd543112823010045fa24363c1232c717c86368e2d8e6f60a4756cc20f6c99b1834750d838e627f1928be162828a345c2577ebdedee6925008110c8ec96006493032165e2c431dcb829b09559a24eafd0b45b31a0eee0a51a5f22badd40706a612f668530f963830ac125f92f99408c972afef407b5c38156499ce551713f5691330a6d458c96b7a58b7adda92f78cea3207786471f022cb13b67375749c34e01b07aed49dbd42bcfb02f8f85db714d2318c12ac7d89622d5fe157b66e5e6c4148c73084c5b6f50dff791897c527fcdb300ecb257384c7b7f2cb3038062e9f6f2ddded4594dc67ac9975a72cd6baeb3b406e45950280b6935458d72ce4027dfe09ff34cdfe66a124529696daef95e2f7e6b514f57e467cff7996f60c9088bad8cb1798c77a838c823e2c9e874bf384f29c06473f77bbda8d89e509a7341ac15b15b5c70000000049454e44ae4260820840010824000000180000000210c0db01000000030000000000000000000000000000001b40000040000000340000000100000002000000000000bf000000bf0000b8410000d84103000000000080b3000080b3ffffb741000080b3000080b3ffffd7412100000008000000620000000c00000001000000150000000c00000004000000150000000c0000000400000051000000840300000000000000000000160000001a00000000000000000000000000000000000000170000001b00000050000000ac000000fc00000088020000000000002000cc00170000001b00000028000000170000001b0000000100080000000000000000000000000000000000210000000000000000000000ffffff00dfffff0000489c009c480000ffffdf009cdfff0000004800df9c4800bfffff000000740074000000ffffbf000074bf0048004800ffdf9c009c9c4800bf74000074007400bfffbf00489cdf0074004800bfffdf004800740074bfff00489cbf00bf9c4800ffbf74004848000074747400480000004874bf00dfdf9c00010101010101010101010101010101010101010101010101010101010101010101010101010101010101010101010101010101010101010101010101010101010101010101010101010101010101010101010101010101010101010101010101010101010101010101010101010118000405010101010101010101010101010101010101010109120c01010101010101010101010101010101010101010102030000000801010101010101010101010101010101010101140405090a080101010101010101010101010101010101011804050106150c010101010101010101010101010101010109170f01090a1b01010101141e0f010101090a110101011f2003001b090a1b01010101140011010101090a1e0f010102031e0f0d000b0c010101010d1c0e0f0101090a1d0405010101010101010101010101010d0419110101090a1a031b010101010101010101010101010d0416170f01090a081804050101010101010101010101010d0405141101090a0802030801010101010101010101010203040509120c090a080106150c0101010101010101010102030405011408090a0801010d080101010101010101010102030405010912130a080101060e0f0101010101010101010203040501010d100a080101010d11010101010101010101090a0405010106070008010101060e0f0101010101010101090a0b0c0101010d000801010106070b0c01010101010102030000040501010607080101090a0000040501010101010101010101010101010101010101010101010101010101010101010101010101010101010101010101010101010101010101010101010101010101010101010101010101010101010101010101010101010101010101010101010101010101014c000000640000000000000000000000160000001a0000000000000000000000170000001b0000002900aa0000000000000000000000803f00000000000000000000803f0000000000000000000000000000000000000000000000000000000000000000220000000c000000ffffffff460000001c00000010000000454d462b024000000c000000000000000e000000140000000000000010000000140000000400000003010800050000000b0200000000050000000c021b001700030000001e0004000000070104000400000007010400a7010000410b2000cc001b001700000000001b0017000000000028000000170000001b0000000100080000000000000000000000000000000000210000000000000000000000ffffff00dfffff0000489c009c480000ffffdf009cdfff0000004800df9c4800bfffff000000740074000000ffffbf000074bf0048004800ffdf9c009c9c4800bf74000074007400bfffbf00489cdf0074004800bfffdf004800740074bfff00489cbf00bf9c4800ffbf74004848000074747400480000004874bf00dfdf9c00010101010101010101010101010101010101010101010101010101010101010101010101010101010101010101010101010101010101010101010101010101010101010101010101010101010101010101010101010101010101010101010101010101010101010101010101010118000405010101010101010101010101010101010101010109120c01010101010101010101010101010101010101010102030000000801010101010101010101010101010101010101140405090a080101010101010101010101010101010101011804050106150c010101010101010101010101010101010109170f01090a1b01010101141e0f010101090a110101011f2003001b090a1b01010101140011010101090a1e0f010102031e0f0d000b0c010101010d1c0e0f0101090a1d0405010101010101010101010101010d0419110101090a1a031b010101010101010101010101010d0416170f01090a081804050101010101010101010101010d0405141101090a0802030801010101010101010101010203040509120c090a080106150c0101010101010101010102030405011408090a0801010d080101010101010101010102030405010912130a080101060e0f0101010101010101010203040501010d100a080101010d11010101010101010101090a0405010106070008010101060e0f0101010101010101090a0b0c0101010d000801010106070b0c01010101010102030000040501010607080101090a0000040501010101010101010101010101010101010101010101010101010101010101010101010101010101010101010101010101010101010101010101010101010101010101010101010101010101010101010101010101010101010101010101010101010101010c00000040092900aa000000000000001b00170000000000040000002701ffff030000000000>
≥ >>>
>;
>010009000003a20500000000c60300000000c603000026060f008207574d464301000000000001003eb20000000001000000600700000000000060070000010000006c0000000000000000000000160000001a00000000000000000000003e020000a202000020454d4600000100600700000c00000001000000000000000000000000000000000500002003000040010000c800000000000000000000000000000000e20400400d0300460000002c00000020000000454d462b014001001c000000100000000210c0db01000000600000006000000046000000780200006c020000454d462b224004000c000000000000001e4009000c00000000000000244001000c000000000000003040020010000000040000000000803f214007000c0000000000000008400005c4010000b80100000210c0db01000000000000000000000000000000000000000100000089504e470d0a1a0a0000000d49484452000000170000001b0802000000188a838c000000017352474200aece1ce9000000097048597300000ec400000ec401952b0e1b0000014149444154484bcd543112823010045fa24363c1232c717c86368e2d8e6f60a4756cc20f6c99b1834750d838e627f1928be162828a345c2577ebdedee6925008110c8ec96006493032165e2c431dcb829b09559a24eafd0b45b31a0eee0a51a5f22badd40706a612f668530f963830ac125f92f99408c972afef407b5c38156499ce551713f5691330a6d458c96b7a58b7adda92f78cea3207786471f022cb13b67375749c34e01b07aed49dbd42bcfb02f8f85db714d2318c12ac7d89622d5fe157b66e5e6c4148c73084c5b6f50dff791897c527fcdb300ecb257384c7b7f2cb3038062e9f6f2ddded4594dc67ac9975a72cd6baeb3b406e45950280b6935458d72ce4027dfe09ff34cdfe66a124529696daef95e2f7e6b514f57e467cff7996f60c9088bad8cb1798c77a838c823e2c9e874bf384f29c06473f77bbda8d89e509a7341ac15b15b5c70000000049454e44ae4260820840010824000000180000000210c0db01000000030000000000000000000000000000001b40000040000000340000000100000002000000000000bf000000bf0000b8410000d84103000000000080b3000080b3ffffb741000080b3000080b3ffffd7412100000008000000620000000c00000001000000150000000c00000004000000150000000c0000000400000051000000840300000000000000000000160000001a00000000000000000000000000000000000000170000001b00000050000000ac000000fc00000088020000000000002000cc00170000001b00000028000000170000001b0000000100080000000000000000000000000000000000210000000000000000000000ffffff00dfffff0000489c009c480000ffffdf009cdfff0000004800df9c4800bfffff000000740074000000ffffbf000074bf0048004800ffdf9c009c9c4800bf74000074007400bfffbf00489cdf0074004800bfffdf004800740074bfff00489cbf00bf9c4800ffbf74004848000074747400480000004874bf00dfdf9c00010101010101010101010101010101010101010101010101010101010101010101010101010101010101010101010101010101010101010101010101010101010101010101010101010101010101010101010101010101010101010101010101010101010101010101010101010118000405010101010101010101010101010101010101010109120c01010101010101010101010101010101010101010102030000000801010101010101010101010101010101010101140405090a080101010101010101010101010101010101011804050106150c010101010101010101010101010101010109170f01090a1b01010101141e0f010101090a110101011f2003001b090a1b01010101140011010101090a1e0f010102031e0f0d000b0c010101010d1c0e0f0101090a1d0405010101010101010101010101010d0419110101090a1a031b010101010101010101010101010d0416170f01090a081804050101010101010101010101010d0405141101090a0802030801010101010101010101010203040509120c090a080106150c0101010101010101010102030405011408090a0801010d080101010101010101010102030405010912130a080101060e0f0101010101010101010203040501010d100a080101010d11010101010101010101090a0405010106070008010101060e0f0101010101010101090a0b0c0101010d000801010106070b0c01010101010102030000040501010607080101090a0000040501010101010101010101010101010101010101010101010101010101010101010101010101010101010101010101010101010101010101010101010101010101010101010101010101010101010101010101010101010101010101010101010101010101014c000000640000000000000000000000160000001a0000000000000000000000170000001b0000002900aa0000000000000000000000803f00000000000000000000803f0000000000000000000000000000000000000000000000000000000000000000220000000c000000ffffffff460000001c00000010000000454d462b024000000c000000000000000e000000140000000000000010000000140000000400000003010800050000000b0200000000050000000c021b001700030000001e0004000000070104000400000007010400a7010000410b2000cc001b001700000000001b0017000000000028000000170000001b0000000100080000000000000000000000000000000000210000000000000000000000ffffff00dfffff0000489c009c480000ffffdf009cdfff0000004800df9c4800bfffff000000740074000000ffffbf000074bf0048004800ffdf9c009c9c4800bf74000074007400bfffbf00489cdf0074004800bfffdf004800740074bfff00489cbf00bf9c4800ffbf74004848000074747400480000004874bf00dfdf9c00010101010101010101010101010101010101010101010101010101010101010101010101010101010101010101010101010101010101010101010101010101010101010101010101010101010101010101010101010101010101010101010101010101010101010101010101010118000405010101010101010101010101010101010101010109120c01010101010101010101010101010101010101010102030000000801010101010101010101010101010101010101140405090a080101010101010101010101010101010101011804050106150c010101010101010101010101010101010109170f01090a1b01010101141e0f010101090a110101011f2003001b090a1b01010101140011010101090a1e0f010102031e0f0d000b0c010101010d1c0e0f0101090a1d0405010101010101010101010101010d0419110101090a1a031b010101010101010101010101010d0416170f01090a081804050101010101010101010101010d0405141101090a0802030801010101010101010101010203040509120c090a080106150c0101010101010101010102030405011408090a0801010d080101010101010101010102030405010912130a080101060e0f0101010101010101010203040501010d100a080101010d11010101010101010101090a0405010106070008010101060e0f0101010101010101090a0b0c0101010d000801010106070b0c01010101010102030000040501010607080101090a0000040501010101010101010101010101010101010101010101010101010101010101010101010101010101010101010101010101010101010101010101010101010101010101010101010101010101010101010101010101010101010101010101010101010101010c00000040092900aa000000000000001b00170000000000040000002701ffff030000000000>>
>
≥ >>>
>
=77767>0100090000039606000000003e04000000003e04000026060f007208574d4643010000000000010054670000000001000000500800000000000050080000010000006c000000000000000000000021000000180000000000000000000000510300007002000020454d4600000100500800000c00000001000000000000000000000000000000000500002003000040010000c800000000000000000000000000000000e20400400d0300460000002c00000020000000454d462b014001001c000000100000000210c0db010000006000000060000000460000007002000064020000454d462b224004000c000000000000001e4009000c00000000000000244001000c000000000000003040020010000000040000000000803f214007000c0000000000000008400005bc010000b00100000210c0db01000000000000000000000000000000000000000100000089504e470d0a1a0a0000000d4948445200000022000000190802000000db986bfb000000017352474200aece1ce9000000097048597300000ec400000ec401952b0e1b0000013849444154484bed553b0e8240101d3cc91a1b0b0e81b1597b6f009ded1ace60b4b5836318e9e410b4466eb2eeec07584533266e61e25464783b8f37f37688a494103e26e12990e16769da7215b95895aded969acd57e356705edc74c98b00b0cff0550ebf98620c4f8324e262898358a0deaae14cb36ae0e2c04db382941acd8dd1fb023fe3314d87f9758c245483ee108243df4b9de22ae35c4387e14c5c74a7f56cd82cae60bee67038d506511fb338cf637f45d0602c3d778338a7cc94e82d304b7301871d5ea8b6dc35c5865d9b914d44843d9c1c3a2dd914bcca8eb596e2bee3998908f30e7a86664b6cdc62a1a42423425c8a081b56f0ef0dc3c6817823459f25c2063c9aa6eda790eca5dcbf9042848df6c16c381ddd6a707bcfa4ad2b89b0f1eb1efdff9e6f5cf8e255900dfdccf5a7f97c347007920075f2fd37b0ec0000000049454e44ae426082000840010824000000180000000210c0db01000000030000000000000000000000000000001b40000040000000340000000100000002000000000000bf000000bf000008420000c84103000000000000b3000000b3ffff0742000000b3000000b3ffffc7412100000008000000620000000c00000001000000150000000c00000004000000150000000c00000004000000510000007c0400000000000000000000210000001800000000000000000000000000000000000000220000001900000050000000a8000000f800000084030000000000002000cc0022000000190000002800000022000000190000000100080000000000000000000000000000000000200000000000000000000000ffffff00489cdf00df9c4800dfffff0048489c00ffdf9c0074bfff00480000009cdfff004800480000489c00ffbf74000074bf0000004800bfffff00000074009c480000ffffdf00480074007448480000487400bf7400000048480074007400489c9c0074000000ffffbf00bfffbf00dfdf9c0074bfbf007400480001010101010101010101010101010101010101010101010101010101010101010101ffff01010101010101010101010101010101010101010101010101010101010101010101ffff01010101010101010101010101010101010101010101010101010101010101010101ffff01010101010101010101010101010101010101010101010101010101010101010101ffff01010101010101010101010101010101010101010101010101010101010101010101ffff01010101010101010101010101010101010101010101010101010101010101010101ffff01010101010101010101010101010101010101010101010101010101010101010101ffff0f10001a1b0101010d000011120f10001a1b0101010d000011120101010101010101ffff01091f1b01010101040b11120101091f1b01010101040b1112010101010101010101ffff010f181b010d1601040b111201010f181b010d1601040b1112010101010101010101ffff010f181b090e0806040b111201010f181b090e0806040b1112010101010101010101ffff010f181b021a1e16040b111201010f181b021a1e16040b1112010101010101010101dfff010f181c100304051d0b111201010f181c100304051d0b1112010101010101010101ffff010f18191a1b0107160d111201010f18191a1b0107160d1112010101010101010101dfff01091415160101040517111201010914151601010405171112010102000000030101ffff0f1000080601010107000011120f1000080601010107000011120f130601090e0c01ffff010101010101010101010101010101010101010101010101010101010101090e0c01ffff010101010101010101010101010101010101010101010101010101010d00000c0101ffff0101010101010101010101010101010101010101010101010101010101040b0c0101ffff010101010101010101010101010101010101010101010101010101010101090a0601ffff01010101010101010101010101010101010101010101010101010405060107080601ffff01010101010101010101010101010101010101010101010101010102000000030101ffff01010101010101010101010101010101010101010101010101010101010101010101ffff01010101010101010101010101010101010101010101010101010101010101010101ffff01010101010101010101010101010101010101010101010101010101010101010101ffff4c0000006400000000000000000000002100000018000000000000000000000022000000190000002900aa0000000000000000000000803f00000000000000000000803f0000000000000000000000000000000000000000000000000000000000000000220000000c000000ffffffff460000001c00000010000000454d462b024000000c000000000000000e000000140000000000000010000000140000000400000003010800050000000b0200000000050000000c0219002200030000001e000400000007010400040000000701040023020000410b2000cc00190022000000000019002200000000002800000022000000190000000100080000000000000000000000000000000000200000000000000000000000ffffff00489cdf00df9c4800dfffff0048489c00ffdf9c0074bfff00480000009cdfff004800480000489c00ffbf74000074bf0000004800bfffff00000074009c480000ffffdf00480074007448480000487400bf7400000048480074007400489c9c0074000000ffffbf00bfffbf00dfdf9c0074bfbf007400480001010101010101010101010101010101010101010101010101010101010101010101ffff01010101010101010101010101010101010101010101010101010101010101010101ffff01010101010101010101010101010101010101010101010101010101010101010101ffff01010101010101010101010101010101010101010101010101010101010101010101ffff01010101010101010101010101010101010101010101010101010101010101010101ffff01010101010101010101010101010101010101010101010101010101010101010101ffff01010101010101010101010101010101010101010101010101010101010101010101ffff0f10001a1b0101010d000011120f10001a1b0101010d000011120101010101010101ffff01091f1b01010101040b11120101091f1b01010101040b1112010101010101010101ffff010f181b010d1601040b111201010f181b010d1601040b1112010101010101010101ffff010f181b090e0806040b111201010f181b090e0806040b1112010101010101010101ffff010f181b021a1e16040b111201010f181b021a1e16040b1112010101010101010101dfff010f181c100304051d0b111201010f181c100304051d0b1112010101010101010101ffff010f18191a1b0107160d111201010f18191a1b0107160d1112010101010101010101dfff01091415160101040517111201010914151601010405171112010102000000030101ffff0f1000080601010107000011120f1000080601010107000011120f130601090e0c01ffff010101010101010101010101010101010101010101010101010101010101090e0c01ffff010101010101010101010101010101010101010101010101010101010d00000c0101ffff0101010101010101010101010101010101010101010101010101010101040b0c0101ffff010101010101010101010101010101010101010101010101010101010101090a0601ffff01010101010101010101010101010101010101010101010101010405060107080601ffff01010101010101010101010101010101010101010101010101010102000000030101ffff01010101010101010101010101010101010101010101010101010101010101010101ffff01010101010101010101010101010101010101010101010101010101010101010101ffff01010101010101010101010101010101010101010101010101010101010101010101ffff0c00000040092900aa000000000000001900220000000000040000002701ffff030000000000>;
>010009000003a20500000000c60300000000c603000026060f008207574d464301000000000001003eb20000000001000000600700000000000060070000010000006c0000000000000000000000160000001a00000000000000000000003e020000a202000020454d4600000100600700000c00000001000000000000000000000000000000000500002003000040010000c800000000000000000000000000000000e20400400d0300460000002c00000020000000454d462b014001001c000000100000000210c0db01000000600000006000000046000000780200006c020000454d462b224004000c000000000000001e4009000c00000000000000244001000c000000000000003040020010000000040000000000803f214007000c0000000000000008400005c4010000b80100000210c0db01000000000000000000000000000000000000000100000089504e470d0a1a0a0000000d49484452000000170000001b0802000000188a838c000000017352474200aece1ce9000000097048597300000ec400000ec401952b0e1b0000014149444154484bcd543112823010045fa24363c1232c717c86368e2d8e6f60a4756cc20f6c99b1834750d838e627f1928be162828a345c2577ebdedee6925008110c8ec96006493032165e2c431dcb829b09559a24eafd0b45b31a0eee0a51a5f22badd40706a612f668530f963830ac125f92f99408c972afef407b5c38156499ce551713f5691330a6d458c96b7a58b7adda92f78cea3207786471f022cb13b67375749c34e01b07aed49dbd42bcfb02f8f85db714d2318c12ac7d89622d5fe157b66e5e6c4148c73084c5b6f50dff791897c527fcdb300ecb257384c7b7f2cb3038062e9f6f2ddded4594dc67ac9975a72cd6baeb3b406e45950280b6935458d72ce4027dfe09ff34cdfe66a124529696daef95e2f7e6b514f57e467cff7996f60c9088bad8cb1798c77a838c823e2c9e874bf384f29c06473f77bbda8d89e509a7341ac15b15b5c70000000049454e44ae4260820840010824000000180000000210c0db01000000030000000000000000000000000000001b40000040000000340000000100000002000000000000bf000000bf0000b8410000d84103000000000080b3000080b3ffffb741000080b3000080b3ffffd7412100000008000000620000000c00000001000000150000000c00000004000000150000000c0000000400000051000000840300000000000000000000160000001a00000000000000000000000000000000000000170000001b00000050000000ac000000fc00000088020000000000002000cc00170000001b00000028000000170000001b0000000100080000000000000000000000000000000000210000000000000000000000ffffff00dfffff0000489c009c480000ffffdf009cdfff0000004800df9c4800bfffff000000740074000000ffffbf000074bf0048004800ffdf9c009c9c4800bf74000074007400bfffbf00489cdf0074004800bfffdf004800740074bfff00489cbf00bf9c4800ffbf74004848000074747400480000004874bf00dfdf9c00010101010101010101010101010101010101010101010101010101010101010101010101010101010101010101010101010101010101010101010101010101010101010101010101010101010101010101010101010101010101010101010101010101010101010101010101010118000405010101010101010101010101010101010101010109120c01010101010101010101010101010101010101010102030000000801010101010101010101010101010101010101140405090a080101010101010101010101010101010101011804050106150c010101010101010101010101010101010109170f01090a1b01010101141e0f010101090a110101011f2003001b090a1b01010101140011010101090a1e0f010102031e0f0d000b0c010101010d1c0e0f0101090a1d0405010101010101010101010101010d0419110101090a1a031b010101010101010101010101010d0416170f01090a081804050101010101010101010101010d0405141101090a0802030801010101010101010101010203040509120c090a080106150c0101010101010101010102030405011408090a0801010d080101010101010101010102030405010912130a080101060e0f0101010101010101010203040501010d100a080101010d11010101010101010101090a0405010106070008010101060e0f0101010101010101090a0b0c0101010d000801010106070b0c01010101010102030000040501010607080101090a0000040501010101010101010101010101010101010101010101010101010101010101010101010101010101010101010101010101010101010101010101010101010101010101010101010101010101010101010101010101010101010101010101010101010101014c000000640000000000000000000000160000001a0000000000000000000000170000001b0000002900aa0000000000000000000000803f00000000000000000000803f0000000000000000000000000000000000000000000000000000000000000000220000000c000000ffffffff460000001c00000010000000454d462b024000000c000000000000000e000000140000000000000010000000140000000400000003010800050000000b0200000000050000000c021b001700030000001e0004000000070104000400000007010400a7010000410b2000cc001b001700000000001b0017000000000028000000170000001b0000000100080000000000000000000000000000000000210000000000000000000000ffffff00dfffff0000489c009c480000ffffdf009cdfff0000004800df9c4800bfffff000000740074000000ffffbf000074bf0048004800ffdf9c009c9c4800bf74000074007400bfffbf00489cdf0074004800bfffdf004800740074bfff00489cbf00bf9c4800ffbf74004848000074747400480000004874bf00dfdf9c00010101010101010101010101010101010101010101010101010101010101010101010101010101010101010101010101010101010101010101010101010101010101010101010101010101010101010101010101010101010101010101010101010101010101010101010101010118000405010101010101010101010101010101010101010109120c01010101010101010101010101010101010101010102030000000801010101010101010101010101010101010101140405090a080101010101010101010101010101010101011804050106150c010101010101010101010101010101010109170f01090a1b01010101141e0f010101090a110101011f2003001b090a1b01010101140011010101090a1e0f010102031e0f0d000b0c010101010d1c0e0f0101090a1d0405010101010101010101010101010d0419110101090a1a031b010101010101010101010101010d0416170f01090a081804050101010101010101010101010d0405141101090a0802030801010101010101010101010203040509120c090a080106150c0101010101010101010102030405011408090a0801010d080101010101010101010102030405010912130a080101060e0f0101010101010101010203040501010d100a080101010d11010101010101010101090a0405010106070008010101060e0f0101010101010101090a0b0c0101010d000801010106070b0c01010101010102030000040501010607080101090a0000040501010101010101010101010101010101010101010101010101010101010101010101010101010101010101010101010101010101010101010101010101010101010101010101010101010101010101010101010101010101010101010101010101010101010c00000040092900aa000000000000001b00170000000000040000002701ffff030000000000>>
>=
>>>
>
→ d
=>010009000003e01200000000fa0a00000000fa0a000026060f00ea15574d46430100000000000100d8ba0000000001000000c815000000000000c8150000010000006c00000000000000000000004b0000003000000000000000000000006b070000c804000020454d4600000100c81500000c00000001000000000000000000000000000000000500002003000040010000c800000000000000000000000000000000e20400400d0300460000002c00000020000000454d462b014001001c000000100000000210c0db01000000600000006000000046000000cc040000c0040000454d462b224004000c000000000000001e4009000c00000000000000244001000c000000000000003040020010000000040000000000803f214007000c0000000000000008400005180400000c0400000210c0db01000000000000000000000000000000000000000100000089504e470d0a1a0a0000000d494844520000004c000000310802000000ff49d863000000017352474200aece1ce9000000097048597300000ec400000ec401952b0e1b00000392494441546843ed5a3972e24014157312b99c28e0107639c135a96f0009452a8a3350267591c00d9cba4c32250e414042a19b30bf37f5be68014de35164b55a7f7bef77b71e1e5c2e97e4deaf5ff79e20caef472499005d03ae228f1671c82e0cc9f27448f222a018ffe0949f42d740248fbb519646cbd8b02421bde1e39d27895a32e62b08c9326eb6b6d827f7f3c160be37008c1ec0657c46a697db573ca5bae8dcbae3ccb9e4d160240449c456b1258999e7959e207ef2f51b6f24ef4f0e860f3767badb9c37a3d166c6e6d61d27f5523cea46b02f71afd7f7431c070b0a669fcfe8064695bd531fe1dbe679938b26aa07e0d9b801878dbb3c92b4b0f10a49e20ade5a7da91c849694404953e3425bfef9dce5d98932f1755bd297804c948efc2ffaa8dc2e0f1c46ee2470dce6913545655c3aa3a898e1879672a9c3e83e4928e4f886434499a2621606178f5099eff2c8611491c4cdfb309131abb36fa48f4348713dc628a72f6fa3e470c26082e56556005d8b6c292e478170553168f3ad1ef1da267284f6246b3a2896d47f84d9ea10eb63091a545836514112d141edc99630328e993dcac6c9578873e1d1a22134a92ea102821d535d84d6303606e90de39bb671a34775f2000cbb49098bf4c371e1de11ead0ba87b9fe7d32f6e30e14d59f640f95efdaa53749f5b8d37500b7b0e74d12ed7d117f4ae21a7a93548f3bf2c93a8e3b5f921a5ba513522437be246fd13257f7e14bf20e3690809e8c5bdd2124f12019bbba139664e4ea4e5092575f136ee2c04dd7ce8e3ba2bac435032d43ab3886df774863ee5af956d76e8e3ba0532454e229f2dd645a4923c217b14d1cc35fc0d3cf44fabcab4700214928a35a64f5b853cf369f9d8ebfbf896490a49939da9735555a341f90e271b17e6bea9badae44b7048d7137f9d80bc63a63ab00d874322c58c2822b8b3886c413f89a75ca9bfeec1192653aabf481d552a792df4ac88c4622d27efe9c143cc5723b6f149e78fc94e42fbbbad3eac4aaa93f6a00826ea4e82ca8941e55c51c9ab4f0a4e305fca22c71b69b1fb30ced8ec1578558650d805666513301d4c0f4001aa9b9636588d4cba34fd70154c484832138b08b634c9643b934fcb55bff9f01e20e99b36891759273ce2df246e4abefdff48f1144e6cb8b6b27593fda866f18fffb8373a7213f1a0673add78c279e74bc26fa71f4ea0e59942cc73ab2cedecb653dbb3ecd00cc6e3690de6be5ff99a0f710db07e0fd0a69efa27f0bff93ec1f836e22f80b2143c793e57478b90000000049454e44ae4260820000000840010824000000180000000210c0db01000000030000000000000000000000000000001b40000040000000340000000100000002000000000000bf000000bf000098420000444203000000000080b3000080b3ffff9742000080b3000080b3ffff43422100000008000000620000000c00000001000000150000000c00000004000000150000000c0000000400000051000000980f000000000000000000004b00000030000000000000000000000000000000000000004c0000003100000050000000bc0000000c0100008c0e0000000000002000cc004c00000031000000280000004c000000310000000100080000000000000000000000000000000000250000000000000000000000ffffff00bfffff00000074009cdfff0074004800ffffbf0074bfff009c480000ffffdf00bf740000489cdf000074bf00df9c480074000000dfffff0000489c00ffbf74009c749c0048489c00ffdf9c00dfdfdf00df9c740074007400480074009c9c7400000048009cdfbf009c4848009cbf9c00bf9c74009c487400480000000048480048004800dfbf74004874bf00010101010101010101010101010101010101010101010101010101010101010101010101010101010101010101010101010101010101010101010101010101010101010101010101010101010101010101010101010101010101010101010101010101010101010101010101010101010101010101010101010101010101010101010101010101010101010101010101010101010101010101010101010101010101010101010101010101010101010101010101010101010101010101010101010101010101010101010101010101010101010101010101010101010101010101010101010101010101010101010101010101010101010101010101010101010101010101010101010101010101010101010101010101010101010101010101010101010101010101010101010101010101010101010101040506010101010101010101010101010101010101010101010101010101010101010101010101010101010101010101010101010101010101010101010101010101010101010101010101010c2014010101010101010101010101010101010101010101010101010101010101010101010101010101010101010101010101010101010101010101010101010101010101010101010101041a201401010101010101010101010101010101010101010101010101010101010101010101010101010101010101010101010101010101010101010101010101010101010101010101010f10000011010101010101010101010101010101010101010101010101010101010101010101010101010101010101010101010101010101010101010101010101010101010101010101010107000a0c0d010101010101010101010101010101010101010101010101010101010101010101010101010101010101010101010101010101010101010101010101010101010101010101010f100e060c0d0101010101010101010101010101010101010101010101010101010101012414010101010101010101010101010101010101010101010101010101010101010101010101010107000d010b0a01010101010101010101010101010101010101010101010b0000000d0101040506010b000000000d010101010b000e0601010101010101010101010101010101010101010102030e0601070a0101010101010101010101010101010101010101010102181401041a11010217060101010c0a0101010101010f1011010101010101010101010101010101010101010101010b000d010107080901010101010101010101010101010101010101010101010101041a11010101010101010b0a0101010b000000000008090101010101010101010101010101010101150102030809010104050601010101010101010101010101010101010101010101010c00001101010101010101010b0a0101010217060f10231209010101010101010101010101010101010107000000110101010405060101010101010101010101010101010101010101010101010f101101010101010101010b0a01010101070a0f101101010101010101010101010101010101010101010107080901010102181401010101010101010101010101010101010101010101010101042214010101010115010b0a01010101010b2310110101010101010101010101010101010101010101010101010101010f13140101010101010101010101010101010101010101010f13140107201401010101010b00000a01010101010f1321110101010101010101010101010101010101010101010101010101010f1011010101010101010101010101010101010101010101010b0000000d01010101010101010c0a010101010101041a11010101010101010101010101010101010101010101010101010101010c0d01010101010101010101010101010101010101010101010101010101010101010101010101010101010101010101010101010101010101010101010101010101010101010101010101010c0d01010101010101010101010101010101010101010101010101010101010101010101010101010101010101010101010101010101010101010101010101010101010101010101010101010b0a0101010101010101010101010101010101010101010101010101010101010101010101010101010101010101010101010101010101010101010101010101010101010101010101010101070a0101010101010101010101010101010101010101010101010101010101010101010101010101010101010101010101010101010101010101010101010101010101010101010101010101070809010101010101010101010101010101010101010101010101010101010101010101010101010101010101010101010101010101010101010101010101010101010101010101010101010405060101010101010101010101010101010101010101010101010101010101010101010101010101010101010101010101010101010101010101010101010101010101010101010101010104050601010101010101010101010101010101010101010101010101010101010101010101010101010101010101010101010101010101010101010101010101010101010101010101010101021814010101000000000000000000000000000000000000000000000000000000000000000000000000000000000000000000000000000000000000000000000000010101010101010101010f1314010101010101010101010101010101010101010101010101010101010101010101010101010101010101010101010101010101010101010101010101010101010101010101010101010f101101010101010101010101010101010101010101010101010101010101010101010101010101010101010101010101010101010101010101010101010101010101010101010101010101010c0d01010101010101010101010101010101010101010101010101010101010101010101010101010101010101010101010101010101010101010101010101010101010101010101010101010c0d01010101010101010101010101010101010101010101010101010101010101010101010101010101010101010101010101010101010101010101010101010101010101010101010101010b0a01010101010101010101010101010101010101010101010101010101010101010101010101010101010101010101010101010101010101010101010101010101020300000e0601010101070a010101010b000000000d010102030000080901010101010101010f131401010101010f131401010101010f13140101010101020300000809010f131401010101021f09010c0d0101010107080901010101010c0a0101010f100d010f100a010101041601010101070a010101010101070a010101010101070a010101010f100d010f100a0101070a010101010102030008090101010104050601010101010b0a01010102181401010b080902181d1e101101010f131401010101010f131401010101010f131401010102181401010b0809010f1314010101010101041c090101010104050601010101010b0a010101041a08090f100a01010203001101010101070a010101010101070a010101010101070a010101041a08090f100a010101070a0101010217060f10110101010102181401010101010b0a0101010f10191a0008090102171b160c110101010f131401010101010f131401010101010f131401010f10191a0008090101010f13140101020300000e06010101010f131401010115010b0a010101010b0a010101010101010416010101010101070a010101010101070a010101010101070a0101010b0a0101010101010101070a0101010101010101010101010f10110101010b00000a010101010f100a010101010101010101010f1209010f1314010f1209010f1314010f1209010f131401010f100a0101010f1209010f13140101010101010101010101010c0d01010101010c0a01010101010107000e06010101010101010f10000000000a010f10000000000a010f10000000000a0101010107000e060f10000000000a0101010101010101010101010c0d01010101010101010101010101010101010101010101010101010101010101010101010101010101010101010101010101010101010101010101010101010101010101010101010101010b0a0101010101010101010101010101010101010101010101010101010101010101010101010101010101010101010101010101010101010101010101010101010101010101010101010101070a0101010101010101010101010101010101010101010101010101010101010101010101010101010101010101010101010101010101010101010101010101010101010101010101010101070809010101010101010101010101010101010101010101010101010101010101010101010101010101010101010101010101010101010101010101010101010101010101010101010101010405060101010101010101010101010101010101010101010101010101010101010101010101010101010101010101010101010101010101010101010101010101010101010101010101010104050601010101010101010101010101010101010101010101010101010101010101010101010101010101010101010101010101010101010101010101010101010101010101010101010101020300000000000000000000000000000000000000000000000000000000000000000000000000000000000000000000000000000000000000000000000000010101010101010101010101010101010101010101010101010101010101010101010101010101010101010101010101010101010101010101010101010101010101010101010101010101010101010101010101010101010101010101010101010101010101010101010101010101010101010101010101010101010101010101010101010101010101010101010101010101010101010101010101010101010101010101010101010101010101010101010101010101010101010101010101010101010101010101010101010101010101010101010101010101010101010101010101014c0000006400000000000000000000004b0000003000000000000000000000004c000000310000002900aa0000000000000000000000803f00000000000000000000803f0000000000000000000000000000000000000000000000000000000000000000220000000c000000ffffffff460000001c00000010000000454d462b024000000c000000000000000e000000140000000000000010000000140000000400000003010800050000000b0200000000050000000c0231004c00030000001e0004000000070104000400000007010400b1070000410b2000cc0031004c000000000031004c0000000000280000004c000000310000000100080000000000000000000000000000000000250000000000000000000000ffffff00bfffff00000074009cdfff0074004800ffffbf0074bfff009c480000ffffdf00bf740000489cdf000074bf00df9c480074000000dfffff0000489c00ffbf74009c749c0048489c00ffdf9c00dfdfdf00df9c740074007400480074009c9c7400000048009cdfbf009c4848009cbf9c00bf9c74009c487400480000000048480048004800dfbf74004874bf00010101010101010101010101010101010101010101010101010101010101010101010101010101010101010101010101010101010101010101010101010101010101010101010101010101010101010101010101010101010101010101010101010101010101010101010101010101010101010101010101010101010101010101010101010101010101010101010101010101010101010101010101010101010101010101010101010101010101010101010101010101010101010101010101010101010101010101010101010101010101010101010101010101010101010101010101010101010101010101010101010101010101010101010101010101010101010101010101010101010101010101010101010101010101010101010101010101010101010101010101010101010101010101010101040506010101010101010101010101010101010101010101010101010101010101010101010101010101010101010101010101010101010101010101010101010101010101010101010101010c2014010101010101010101010101010101010101010101010101010101010101010101010101010101010101010101010101010101010101010101010101010101010101010101010101041a201401010101010101010101010101010101010101010101010101010101010101010101010101010101010101010101010101010101010101010101010101010101010101010101010f10000011010101010101010101010101010101010101010101010101010101010101010101010101010101010101010101010101010101010101010101010101010101010101010101010107000a0c0d010101010101010101010101010101010101010101010101010101010101010101010101010101010101010101010101010101010101010101010101010101010101010101010f100e060c0d0101010101010101010101010101010101010101010101010101010101012414010101010101010101010101010101010101010101010101010101010101010101010101010107000d010b0a01010101010101010101010101010101010101010101010b0000000d0101040506010b000000000d010101010b000e0601010101010101010101010101010101010101010102030e0601070a0101010101010101010101010101010101010101010102181401041a11010217060101010c0a0101010101010f1011010101010101010101010101010101010101010101010b000d010107080901010101010101010101010101010101010101010101010101041a11010101010101010b0a0101010b000000000008090101010101010101010101010101010101150102030809010104050601010101010101010101010101010101010101010101010c00001101010101010101010b0a0101010217060f10231209010101010101010101010101010101010107000000110101010405060101010101010101010101010101010101010101010101010f101101010101010101010b0a01010101070a0f101101010101010101010101010101010101010101010107080901010102181401010101010101010101010101010101010101010101010101042214010101010115010b0a01010101010b2310110101010101010101010101010101010101010101010101010101010f13140101010101010101010101010101010101010101010f13140107201401010101010b00000a01010101010f1321110101010101010101010101010101010101010101010101010101010f1011010101010101010101010101010101010101010101010b0000000d01010101010101010c0a010101010101041a11010101010101010101010101010101010101010101010101010101010c0d01010101010101010101010101010101010101010101010101010101010101010101010101010101010101010101010101010101010101010101010101010101010101010101010101010c0d01010101010101010101010101010101010101010101010101010101010101010101010101010101010101010101010101010101010101010101010101010101010101010101010101010b0a0101010101010101010101010101010101010101010101010101010101010101010101010101010101010101010101010101010101010101010101010101010101010101010101010101070a0101010101010101010101010101010101010101010101010101010101010101010101010101010101010101010101010101010101010101010101010101010101010101010101010101070809010101010101010101010101010101010101010101010101010101010101010101010101010101010101010101010101010101010101010101010101010101010101010101010101010405060101010101010101010101010101010101010101010101010101010101010101010101010101010101010101010101010101010101010101010101010101010101010101010101010104050601010101010101010101010101010101010101010101010101010101010101010101010101010101010101010101010101010101010101010101010101010101010101010101010101021814010101000000000000000000000000000000000000000000000000000000000000000000000000000000000000000000000000000000000000000000000000010101010101010101010f1314010101010101010101010101010101010101010101010101010101010101010101010101010101010101010101010101010101010101010101010101010101010101010101010101010f101101010101010101010101010101010101010101010101010101010101010101010101010101010101010101010101010101010101010101010101010101010101010101010101010101010c0d01010101010101010101010101010101010101010101010101010101010101010101010101010101010101010101010101010101010101010101010101010101010101010101010101010c0d01010101010101010101010101010101010101010101010101010101010101010101010101010101010101010101010101010101010101010101010101010101010101010101010101010b0a01010101010101010101010101010101010101010101010101010101010101010101010101010101010101010101010101010101010101010101010101010101020300000e0601010101070a010101010b000000000d010102030000080901010101010101010f131401010101010f131401010101010f13140101010101020300000809010f131401010101021f09010c0d0101010107080901010101010c0a0101010f100d010f100a010101041601010101070a010101010101070a010101010101070a010101010f100d010f100a0101070a010101010102030008090101010104050601010101010b0a01010102181401010b080902181d1e101101010f131401010101010f131401010101010f131401010102181401010b0809010f1314010101010101041c090101010104050601010101010b0a010101041a08090f100a01010203001101010101070a010101010101070a010101010101070a010101041a08090f100a010101070a0101010217060f10110101010102181401010101010b0a0101010f10191a0008090102171b160c110101010f131401010101010f131401010101010f131401010f10191a0008090101010f13140101020300000e06010101010f131401010115010b0a010101010b0a010101010101010416010101010101070a010101010101070a010101010101070a0101010b0a0101010101010101070a0101010101010101010101010f10110101010b00000a010101010f100a010101010101010101010f1209010f1314010f1209010f1314010f1209010f131401010f100a0101010f1209010f13140101010101010101010101010c0d01010101010c0a01010101010107000e06010101010101010f10000000000a010f10000000000a010f10000000000a0101010107000e060f10000000000a0101010101010101010101010c0d01010101010101010101010101010101010101010101010101010101010101010101010101010101010101010101010101010101010101010101010101010101010101010101010101010b0a0101010101010101010101010101010101010101010101010101010101010101010101010101010101010101010101010101010101010101010101010101010101010101010101010101070a0101010101010101010101010101010101010101010101010101010101010101010101010101010101010101010101010101010101010101010101010101010101010101010101010101070809010101010101010101010101010101010101010101010101010101010101010101010101010101010101010101010101010101010101010101010101010101010101010101010101010405060101010101010101010101010101010101010101010101010101010101010101010101010101010101010101010101010101010101010101010101010101010101010101010101010104050601010101010101010101010101010101010101010101010101010101010101010101010101010101010101010101010101010101010101010101010101010101010101010101010101020300000000000000000000000000000000000000000000000000000000000000000000000000000000000000000000000000000000000000000000000000010101010101010101010101010101010101010101010101010101010101010101010101010101010101010101010101010101010101010101010101010101010101010101010101010101010101010101010101010101010101010101010101010101010101010101010101010101010101010101010101010101010101010101010101010101010101010101010101010101010101010101010101010101010101010101010101010101010101010101010101010101010101010101010101010101010101010101010101010101010101010101010101010101010101010101010101010c00000040092900aa0000000000000031004c0000000000040000002701ffff030000000000>
≈73мм.
4. Определяем из условия жесткости диаметр вала
>>>
>=
>010009000003c40b000000003607000000003607000026060f00620e574d4643010000000000010022480000000001000000400e000000000000400e0000010000006c000000000000000000000032000000250000000000000000000000fa040000b503000020454d4600000100400e00000c00000001000000000000000000000000000000000500002003000040010000c800000000000000000000000000000000e20400400d0300460000002c00000020000000454d462b014001001c000000100000000210c0db01000000600000006000000046000000f4030000e8030000454d462b224004000c000000000000001e4009000c00000000000000244001000c000000000000003040020010000000040000000000803f214007000c000000000000000840000540030000340300000210c0db01000000000000000000000000000000000000000100000089504e470d0a1a0a0000000d4948445200000033000000260802000000e6d83455000000017352474200aece1ce9000000097048597300000ec400000ec401952b0e1b000002ba494441545847ed573b6ee33010a5f72436d26ce14338d846865addc06982b4147c06236e1769a41bb815564d201ec2459ac0ba8976861ff1a30fa9dd752c60cd6a488e384ff3e3e3a2691a32cbf16d96a810d4bc91d5f976c147ca0891936d5e6b6ff6ad5dcbd72c1558b604f2ec9245517601410c9c4611a1955aa828ce4d9556f74a424549d41fcd759244c7023c888315e724595fcb4783e70ee4d9c36e4f8f078c689d1fc87ef7f0e5c0862b6013d3f2f45eb39fa7e465f3f5b8c66a93437b3e9c931fcb5b001beb1a9b978c94ebfdae034c954f5bd062012a5bee5892faadb603c826a0da003604d111b8d48eb17eb6dcfd6a5ebb91ac3fcfa26ea182a0825f97f9678cf2f17151c47c554b06acd529c1fa87ca2734c653d93b79036da834963e93b72afb6efbc0ed1af8250cdd33c461389cd6622a717b1cae25a92fb00bc8bed46d51b631de8750bfa79ff97b14876a62c7a3e4bc95344403ad292a0c3d9d72b89f8da53ca4040f0cc499a5f2aa60c53112b1d052fd5142d4ea3c37b287a5aba7123461354d530647157145cb8f1a12cdd4e3f66500b86cb9a1df752ab2127b4f04d529425304517d452bb55ae1aed8c474d57ee3335c58c0d698876eb7375fae713b9ff82cdfa3e9f350777fbe797647f61f46b3437ca6fb60ea17017986dce9f1ac9e30cef534604f9131eb0936119b9759e045f607ef26836a784df42ae08d3e3a02805d326a3c0ac569084cfe8fbedad56d1dc01c9a26209a634180fc931c594b5c1f3850c45f109caf02b8f269c5292fe7bceac1381adf493e6b93ccf86be908db0f8288b7671b9c5672749f5960403e1587bf3a536eb2826822dfd2509c24338105e79f1799647dca6a9768634e397966249993730159ab5ce54766925e8bc90e7abb07589b50e1551e84cc17717bdf0166bc5e269df36f91c90ab11c232a24dc570afe9d394ebc9940fd2f3bed7483c15ffc06c966bbb61e0697390000000049454e44ae4260820000000840010824000000180000000210c0db01000000030000000000000000000000000000001b40000040000000340000000100000002000000000000bf000000bf00004c420000184203000000000080b3000080b3ffff4b42000080b3000080b3ffff17422100000008000000620000000c00000001000000150000000c00000004000000150000000c0000000400000051000000e80800000000000000000000320000002500000000000000000000000000000000000000330000002600000050000000e000000030010000b8070000000000002000cc00330000002600000028000000330000002600000001000800000000000000000000000000000000002e0000000000000000000000ffffff00489cdf00ffbf74009cdfff000000480048000000ffdf9c009c480000ffffdf000074bf00df9c480048484800bf740000bfffff004848740048004800480074009c9c740074004800ffffbf0074bfff009c9c4800dfffff0074489c00bfffbf0074bfdf00740000000000740000489c009c9cdf00df9c9c004874bf00bfdf9c009c48480074007400dfffbf00bf9c9c00747474009cdfbf00bf744800bf9c4800df9c7400dfdf9c009cbf9c00bf9c7400010101010101010101010101010101010101010101010101010101010101010101010101010101010101010101010101010101ff010101010101010101010101010101010101010101010101010101010101010101010101010101010101010101010101010101ff010101010101010101010101010101010101010101010101010101010101010101010101010101010101010101010101010101ff01010101010101010101010101010101010101010101010101171d000b01010115000809010101010101010101010101010101ff01010101010101010101010101010101010101010101010101010104100701010e231401010101010101010101010101010101ff01010101010101010101010102000000000d010101010101010101171d0b0101171d0000000b01010101010101010101010101ff010101010101010101010102000301171d0d01010101042a0101010102080901010208090e1c0b010101010101010101010101ff01010101010101010101171d0d0101171d0d01010e112c2d1d030101041314010115080901041314010101010101010101010148010101010101010101010e1c0b01010200000301010e1c00030101010e1c0301010e1107010e1c030101010101010101010101ff010101010101010101010e1c0b010101010101010e23272a0a030101010a0b01202b1d00030e1c03010101010101010101010100010101010101010101010e1c0b010101010101010101042a0101010101020809171d06070a001b1401010101010101010101019c01010101010101010101010a0809010101010101010101010101010101041314010101010101010101010101010101010101019c010101010101010101010104050b0101020d01010101010101010101171d000809010101010101010101010101010101010101ff0101010101010101010101010e1c0000000d010101010101010101010101010101010101010101010101010101010101010101ff01010101010101010101010101010101010101010101010101010101010101010101010101010101010101010101010101010148010101010101010101010101010101010101010101010101010101010101010101010101010101010101010101010101010101ff010101010101010101010101010101010101010101010101010101010101010101010101010101010101010101010101010101000101010101010101010101010101010101010101010101010101010101010101010101010101010101010101010101010101019c01010101010101010101010101010101010101010101010101010101010101010101010101010101010101010101010101010100010101010101010101010101010101010101010101010101010101010101010101010101010101010101010101010101010101ff000000000000000000000000000000000000000000000000000000000000000000000000000000000000000000000000000000ff010101010101010101010101010101010101010101010101010101010101010101010101010101010101010101010101010101ff010101010101010101010101010101010101010101010101010101010101010101010101010101010101010101010101010101ff010200000301010101010101010101171d0000001b14171d0301020d01171d0607171d000d0200291d080915000b01010a0006ff01020b01010101010101010101010101041007012007010a0b011508090e23242504131415000b1e2627280a031e1401010e11ff01020b0101010101010101010101010101040503010101150d010e2314171d030104131401020d010101150607010101010e11ff01020b010104051b140101171d00080901010405030101041314171d0301020b010e1107010422090101040503010101010e11bf01020b0101010203010101010e1107011718140e1c031e191c1b140a0003150d01010208090413140e1f150d20211f01010e11ff01020b010101020301020d010e110701010a0000001b191c1b191c00030a000d010101020000000301020003171d0d01010e110001020b01010102030e110c070e1107010101010101010101010101010101010101010101010101010101010101010101010e11ff01020b010101020315081a0b0e1107010101010101010101010101010101010101010101010101010101010101010101010e11ff01020b01010102030a0b1718191107010101010101010101010101010101010101010101010101010101010101010101010e11ff01020b010101021213140115161107010101010101010101010101010101010101010101010101010101010101010101010e11ff01020b010101020c0d01010e0f1007010101010101010101010101010101010101010101010101010101010101010101010e11ff0102000003040506070101010200080901010101010101010101010101010101010101010101010101010101010101010a0006ff010101010101010101010101010101010101010101010101010101010101010101010101010101010101010101010101010101ff010101010101010101010101010101010101010101010101010101010101010101010101010101010101010101010101010101ff010101010101010101010101010101010101010101010101010101010101010101010101010101010101010101010101010101ff4c0000006400000000000000000000003200000025000000000000000000000033000000260000002900aa0000000000000000000000803f00000000000000000000803f0000000000000000000000000000000000000000000000000000000000000000220000000c000000ffffffff460000001c00000010000000454d462b024000000c000000000000000e000000140000000000000010000000140000000400000003010800050000000b0200000000050000000c0226003300030000001e000400000007010400040000000701040059040000410b2000cc002600330000000000260033000000000028000000330000002600000001000800000000000000000000000000000000002e0000000000000000000000ffffff00489cdf00ffbf74009cdfff000000480048000000ffdf9c009c480000ffffdf000074bf00df9c480048484800bf740000bfffff004848740048004800480074009c9c740074004800ffffbf0074bfff009c9c4800dfffff0074489c00bfffbf0074bfdf00740000000000740000489c009c9cdf00df9c9c004874bf00bfdf9c009c48480074007400dfffbf00bf9c9c00747474009cdfbf00bf744800bf9c4800df9c7400dfdf9c009cbf9c00bf9c7400010101010101010101010101010101010101010101010101010101010101010101010101010101010101010101010101010101ff010101010101010101010101010101010101010101010101010101010101010101010101010101010101010101010101010101ff010101010101010101010101010101010101010101010101010101010101010101010101010101010101010101010101010101ff01010101010101010101010101010101010101010101010101171d000b01010115000809010101010101010101010101010101ff01010101010101010101010101010101010101010101010101010104100701010e231401010101010101010101010101010101ff01010101010101010101010102000000000d010101010101010101171d0b0101171d0000000b01010101010101010101010101ff010101010101010101010102000301171d0d01010101042a0101010102080901010208090e1c0b010101010101010101010101ff01010101010101010101171d0d0101171d0d01010e112c2d1d030101041314010115080901041314010101010101010101010148010101010101010101010e1c0b01010200000301010e1c00030101010e1c0301010e1107010e1c030101010101010101010101ff010101010101010101010e1c0b010101010101010e23272a0a030101010a0b01202b1d00030e1c03010101010101010101010100010101010101010101010e1c0b010101010101010101042a0101010101020809171d06070a001b1401010101010101010101019c01010101010101010101010a0809010101010101010101010101010101041314010101010101010101010101010101010101019c010101010101010101010104050b0101020d01010101010101010101171d000809010101010101010101010101010101010101ff0101010101010101010101010e1c0000000d010101010101010101010101010101010101010101010101010101010101010101ff01010101010101010101010101010101010101010101010101010101010101010101010101010101010101010101010101010148010101010101010101010101010101010101010101010101010101010101010101010101010101010101010101010101010101ff010101010101010101010101010101010101010101010101010101010101010101010101010101010101010101010101010101000101010101010101010101010101010101010101010101010101010101010101010101010101010101010101010101010101019c01010101010101010101010101010101010101010101010101010101010101010101010101010101010101010101010101010100010101010101010101010101010101010101010101010101010101010101010101010101010101010101010101010101010101ff000000000000000000000000000000000000000000000000000000000000000000000000000000000000000000000000000000ff010101010101010101010101010101010101010101010101010101010101010101010101010101010101010101010101010101ff010101010101010101010101010101010101010101010101010101010101010101010101010101010101010101010101010101ff010200000301010101010101010101171d0000001b14171d0301020d01171d0607171d000d0200291d080915000b01010a0006ff01020b01010101010101010101010101041007012007010a0b011508090e23242504131415000b1e2627280a031e1401010e11ff01020b0101010101010101010101010101040503010101150d010e2314171d030104131401020d010101150607010101010e11ff01020b010104051b140101171d00080901010405030101041314171d0301020b010e1107010422090101040503010101010e11bf01020b0101010203010101010e1107011718140e1c031e191c1b140a0003150d01010208090413140e1f150d20211f01010e11ff01020b010101020301020d010e110701010a0000001b191c1b191c00030a000d010101020000000301020003171d0d01010e110001020b01010102030e110c070e1107010101010101010101010101010101010101010101010101010101010101010101010e11ff01020b010101020315081a0b0e1107010101010101010101010101010101010101010101010101010101010101010101010e11ff01020b01010102030a0b1718191107010101010101010101010101010101010101010101010101010101010101010101010e11ff01020b010101021213140115161107010101010101010101010101010101010101010101010101010101010101010101010e11ff01020b010101020c0d01010e0f1007010101010101010101010101010101010101010101010101010101010101010101010e11ff0102000003040506070101010200080901010101010101010101010101010101010101010101010101010101010101010a0006ff010101010101010101010101010101010101010101010101010101010101010101010101010101010101010101010101010101ff010101010101010101010101010101010101010101010101010101010101010101010101010101010101010101010101010101ff010101010101010101010101010101010101010101010101010101010101010101010101010101010101010101010101010101ff0c00000040092900aa000000000000002600330000000000040000002701ffff030000000000>
≤ [>0100090000032605000000007803000000007803000026060f00e606574d464301000000000001001ad20000000001000000c406000000000000c4060000010000006c0000000000000000000000140000001800000000000000000000000c0200007002000020454d4600000100c40600000c00000001000000000000000000000000000000000500002003000040010000c800000000000000000000000000000000e20400400d0300460000002c00000020000000454d462b014001001c000000100000000210c0db01000000600000006000000046000000380200002c020000454d462b224004000c000000000000001e4009000c00000000000000244001000c000000000000003040020010000000040000000000803f214007000c000000000000000840000584010000780100000210c0db01000000000000000000000000000000000000000100000089504e470d0a1a0a0000000d494844520000001500000019080200000051b7f2ba000000017352474200aece1ce9000000097048597300000ec400000ec401952b0e1b0000010049444154384fed53bb11c2300cb533097734140c913239c66085640a1821d98096230d970c4141c3c59b84489663c984cf9d0b28506359d6d3e749d6c330a8084922b000fde3e308fc25fe4c9debb2c37eba5293e4b579d9e1b87f207d952995553de86de1546e25c7e05078f708a9e3832ada792c58012f9c78a820d85c94112f1058f194f06dfa2151e676f10499f3a151c526b596eeb81f83d10dd8b5222895e58744384a915f5b16684434f58f35a36d825b936cc475250258fea9083e689f829ebd01b2b8606e7fd35d30c6d376f1c9cfe0fb8f4cae974f70cd951611dcb295f36243e57585b3f66f8ffc310a64d72208ee020adf470d3388906fffff3b5902d6a19a57a7290000000049454e44ae426082000840010824000000180000000210c0db01000000030000000000000000000000000000001b40000040000000340000000100000002000000000000bf000000bf0000a8410000c84103000000000000b3000000b3ffffa741000000b3000000b3ffffc7412100000008000000620000000c00000001000000150000000c00000004000000150000000c000000040000005100000028030000000000000000000014000000180000000000000000000000000000000000000015000000190000005000000080000000d000000058020000000000002000cc0015000000190000002800000015000000190000000100080000000000000000000000000000000000160000000000000000000000ffffff00dfffff0000489c00ffbf740074bfff0048000000ffdf9c009cdfff0000004800df9c48009c480000ffffdf00bfffff00000074000074bf0074000000ffffbf00489cdf00bf7400004800480048007400010101010101010101010101010101010101010101010101010101010101010101010101010101010101010101010101010101010101010101010101010101010101010101010101010101050607010101010101010d0e0000040101011201010101010d0e04010101010101010f130108140701011307010101010203130101010101010d0e040102030a0101130701010101010f0b0c01010101010d150701010f13010107010101010500000000000a0101010d150701010f1301010701010112000a05060708091011010d0e040102030a01011c15010d0e13010d0e0a010d0e0b0c01121301081407010118150108090a01020313010105000401020300000a0101011201010d0e0a0101121011010d0e13010101010101010101010101010f10110105060701010f0b0c0101010101010101010101010d0e0a010d0e0a01010f10110101010101010101010101010108090a0105060702030b0c01010101010101010101010101010203040105000006070101010101010101010101010101010101010101010101010101010101010101010101010101010101010101010101010101010101010101010101010101010101010101010101010101010101010101010101010101010101010101010101010101010101010101010101010101010101010101010101010101010101010101010101010101010101010101010101010101010101010101010101010101010101010101010101010101010101010101010101010101010101010101010101010101010101010101010101010101010101010101010101010101010101010101010101014c0000006400000000000000000000001400000018000000000000000000000015000000190000002900aa0000000000000000000000803f00000000000000000000803f0000000000000000000000000000000000000000000000000000000000000000220000000c000000ffffffff460000001c00000010000000454d462b024000000c000000000000000e000000140000000000000010000000140000000400000003010800050000000b0200000000050000000c0219001500030000001e000400000007010400040000000701040079010000410b2000cc00190015000000000019001500000000002800000015000000190000000100080000000000000000000000000000000000160000000000000000000000ffffff00dfffff0000489c00ffbf740074bfff0048000000ffdf9c009cdfff0000004800df9c48009c480000ffffdf00bfffff00000074000074bf0074000000ffffbf00489cdf00bf7400004800480048007400010101010101010101010101010101010101010101010101010101010101010101010101010101010101010101010101010101010101010101010101010101010101010101010101010101050607010101010101010d0e0000040101011201010101010d0e04010101010101010f130108140701011307010101010203130101010101010d0e040102030a0101130701010101010f0b0c01010101010d150701010f13010107010101010500000000000a0101010d150701010f1301010701010112000a05060708091011010d0e040102030a01011c15010d0e13010d0e0a010d0e0b0c01121301081407010118150108090a01020313010105000401020300000a0101011201010d0e0a0101121011010d0e13010101010101010101010101010f10110105060701010f0b0c0101010101010101010101010d0e0a010d0e0a01010f10110101010101010101010101010108090a0105060702030b0c01010101010101010101010101010203040105000006070101010101010101010101010101010101010101010101010101010101010101010101010101010101010101010101010101010101010101010101010101010101010101010101010101010101010101010101010101010101010101010101010101010101010101010101010101010101010101010101010101010101010101010101010101010101010101010101010101010101010101010101010101010101010101010101010101010101010101010101010101010101010101010101010101010101010101010101010101010101010101010101010101010101010101010101010c00000040092900aa000000000000001900150000000000040000002701ffff030000000000>]
→ Jp
≥ >>>
>
= >010009000003861100000000360a00000000360a000026060f006214574d46430100000000000100a8440000000001000000401400000000000040140000010000006c00000000000000000000005700000026000000000000000000000097080000ce03000020454d4600000100401400000c00000001000000000000000000000000000000000500002003000040010000c800000000000000000000000000000000e20400400d0300460000002c00000020000000454d462b014001001c000000100000000210c0db010000006000000060000000460000007004000064040000454d462b224004000c000000000000001e4009000c00000000000000244001000c000000000000003040020010000000040000000000803f214007000c0000000000000008400005bc030000b00300000210c0db01000000000000000000000000000000000000000100000089504e470d0a1a0a0000000d494844520000005800000027080200000004831877000000017352474200aece1ce9000000097048597300000ec400000ec401952b0e1b00000337494441546843ed593baee2301435b39244d350bc45f0344d102d3b80e669da44b306f4e869c20e5e8ba019258b484183929d64fc8b7ff12721d643d1d85564ccf1f5f1b9d7f1c9a26d5b101a003f02098481591051660bd6b2d2cfd6a998b320022e3d2d600eb7759e1c2f9e98503111fe5c1ae421c96bbfd176984411824e04e935e73553e4fadc30498eed376919cdaa2a9d638b33d208e3fd6d405e0c86c5ab66986d5ba4a0e3193eb267a4432ffd9a1d84d0744544f25d43fd2c097824452a0462d1c41858151348612224dd44d3fbeb3c15445dd748e07cd93408b40f1d33e294a8bf6b2a73cfc2aa9852b16cfe7e81fcb48b14fd35e78ffd5b717db61f2a9026007b8a22758e6eca64497f897ebe81db9de4e3ea936fd7e78a0e9d08ab620a4494597cffa32c574e234ed0987e38e5e612ef8ffbf8b269d93a0624bb7d8867584a04aa51ba30296f755ebd4b756d4c3f24edb02c606a14cb43af38aa8bed44009a4705983c74947886c544602dd0cd2ab3ae90c399e4cacd3539aa1f92467416edae92229abb7208ac3629a0ef09304b6fc9f697298348be7885c5a786d45839e24558384b689163392d96407616c8e3fbc786880c9184facc8391abe2a0978729b08b70e9227b3a9757ecc9b5d5051088a00c05220211ae64f94f7f0fa746480d59faa15806450445688f83d7a786e96ef7cda7d78b8980d7ff43d5d976dfbcf491a921f8badacb772ffac1de29bafe7f80d369eb24c0e4e8b23f5a2d5f62403bbf8758efb7aa716837d3c778a7705a6a9f128fb8488dd76e83a33bc0f2d59bd2fa15cbe6ad3a467453b16fa1443bc19255bc03095a823539ba2c56e70062133bbe88d86b44b44c40f568b004cbcb11a49b5527c789de29b6ab0493272d889ba98185c68dced11513ca31c0604a4b29e9206277adb75f314eb2f72aaf05ebd593774af960169e2758718d3a53ba5f96ec44c0fd416e266e98115e723c7ba782d0fa4eafd3d1350e3099d29afa6c2b96388f595970d60802d51fc67b06e42ac917f1b38de1efb09b8666c4e74350587613d45e2c719561cdf501768a776a3dbc748eaef4994c6bf91a4d69ed5c73bd8697d9faf1bbfff1cdf94a621c3057229e5fb1e19f2f7ec5f6be9ea7010311c18f90c5f30fe6540cd0789ffa830000000049454e44ae42608200000840010824000000180000000210c0db01000000030000000000000000000000000000001b40000040000000340000000100000002000000000000bf000000bf0000b04200001c4203000000000080b3000080b3ffffaf42000080b3000080b3ffff1b422100000008000000620000000c00000001000000150000000c00000004000000150000000c00000004000000510000006c0e00000000000000000000570000002600000000000000000000000000000000000000580000002700000050000000b400000004010000680d0000000000002000cc0058000000270000002800000058000000270000000100080000000000000000000000000000000000230000000000000000000000ffffff00bfffff000000740074000000ffffbf0074007400dfffff0000489c00ffbf74009cdfff009c484800ffffdf00bf740000489cdf00df9c48000074bf009c48000048007400ffdf9c0074bfff004800000048489c00480048009c487400df9c7400dfdfdf009cdfbf00000048009cbf9c00bf9c7400484848007474bf00740048004874bf000101010101010101010101010101010101010101010101010101010101010101010101010101010101010101010101010101010101010101010101010101010101010101010101010101010101010101010101010101010101010101010101010101010101010101010101010101010101010101010101010101010101010101010101010101010101010101010101010101010101010101010101010101010101010101010101010101010101010101010101010101010101010101010101010101010101010101010101010101010101010101010101010101010101010101010101010101010101010101010101010101010101010101010101010101010101010101010101010101010101010101010101010101010101010101010101010101010101010101010101010101010101010101010101010101010101010101010101010101010101010101010101010101010101010101010101010101010101010101010101010101010101010101010101010101010101010101010101010101010101010101010101010101010101010101010101010101010101221301010101010101010101010101010101010101010101010101010101010101010101010e000000110c0101010101010101010e000000000f0101020300000901010101010101010101010101010101020300000901010a21050102030000090101020300000000090101010101010101010101010101010101010a1c090101100d010101010a190101010101100d01010101100d010a1713010101010101010101010a19010101100d010a17130102060501100d010a17130101140d010114090101010101010101010101010101010101010203090107080d010102121d1e08090101010e0d0101010203090107080f010101010101010102121d1e08090203090107080f010101010203090107080f0101010e0d01010101010101010101010101010101010101010101070800000f0101010102030009010101010e0d0101010212130101100d01010101010101010102030009010212130101100d010101010212130101100d01010101140d010101010101010101010101010101010101010107080f01020309010102061b1910090101010e0d0101010212130101100d0101010a1c00090102061b1910090212130101100d010101010212130101100d01010101010e0f010101010101010101010101010101010101010203090101100d010101010a190101011a010e0d0101010203090107080f010e00000000040501010a1901010203090107080f010101010203090107080f01010101010a171301010101010101010101010101010101010107080f0102030f0101010101010101010e00000d010101010e0d010a17130102180c0e0f2005010101010101010e0d010a171301010101010e0d010a171301021213011415130101010101010101010101010101010101010102030000110c0101010101010101010101100d01010101070800000f010101140f0e0f010101010101010101070800000f010101010101070800000f010101020300000d010101010101010101010101010101010101010101010101010101010101010101010101010101010101010101010101010101010e1f0f0101010101010101010101010101010101010101010101010101010101010101010101010101010101010101010101010101010101010101010101010101010101010101010101010101010101010101010101010101100f0101010101010101010101010101010101010101010101010101010101010101010101010101010101010101010101010101010101010101010101010101010101010101010101010101010101010101010101010101010101010101010101010101010101010101010101010101010101010101010101010101010101010101010101010101010101010101010101010101010101010101010101010101010101010101010101010101010101010101010101010101010101010101010101010101010101010101010101010101010101010101010101010101010101010101010101010101010101010101010101010101010101010101010101010101010101010101010101010101010101010101010101010101010101010101010101010101010101010101010101010101010101010101010101010101010101010101010101010101010101010101010101010101010101010101010101010101010101010101010101010101010101010101010101010101010101010101010101010101010101010101010101010101010101010101010101010101010101010101010101010101010101010101010101010101010101010101010101010101010101010101010101010101010101010101010101010101010101010101010101010101010000000000000000000000000000000000000000000000000000000000000000000000000000000000000000000000000000000000000000000000000000000000000000000000000000000000000000000000000000000001010101010101010101010101010101010101010101010101010101010101010101010101010101010101010101010101010101010101010101010101010101010101010101010101010101010101010101010101010101010101010101010101010101010101010101010101010101010101010101010101010101010101010101010101010101010101010101010101010101010101010101010101010101010101010101010101010101010101010101010101010101010101010101010101010101010101010101010101010101010101010101010101010101010101010101010101010101010101010101010101010101010101010101010101010101010101010101010101010101010101010101010101010101010101010101010101010101010101010101010101010101010101010101010101010101010101010101010101010101010101010101010101010101010101010101010101010101010101010101010101010101010101010101010101010101010101010101010101010101010101010101010101010101010101010101010101010101010101010101010101010101010101010101010101010101010101010203000000000901010e0000000f0101010e0000000f0101010e0000000f0101010101010101010e000000000f01010203000009010101010101010101010101010101010e000000000f010102030000090101010101010101140d0101140901021213010a1c0901021213010a1c0901021213010a1c090101010a190101010101100d01010101100d010a1713010101010101010101010a190101010101100d01010101100d010a171301010101010101010e0d01010101010101010a1c0901010101010a1c0901010101010a1c090102121d1e08090101010e0d0101010203090107080f010101010101010102121d1e08090101010e0d0101010203090107080f010101010101010101140d0101010101100000090101010110000009010101011000000901010102030009010101010e0d0101010212130101100d01010101010101010102030009010101010e0d0101010212130101100d010101010101010101010e0f010101010107080901010101010708090101010101070809010102061b1910090101010e0d0101010212130101100d010101010101010102061b1910090101010e0d0101010212130101100d010101010101010101010a171301010101010a171301010101010a171301010101010a17130101010a190101011a010e0d0101010203090107080f010203000004050101010a190101011a010e0d0101010203090107080f0203000004050212130114151301071613011415130107161301141513010716130114151301010101010101010e00000d010101010e0d010a17130102180c01100f01010101010101010e00000d010101010e0d010a171302180c01100f01020300000d0101010e0000000f0101010e0000000f0101010e0000000f0101010101010101010101100d01010101070800000f010101020300110c01010101010101010101100d01010101070800000f0101020300110c0101010101010101010101010101010101010101010101010101010101010101010101010101010101010101010101010101010101010101010a0b0c010101010101010101010101010101010101010101010101010a0b0c010101010101010101010101010101010101010101010101010101010101010101010101010101010101010101010101010101010101020605070809010101010101010101010101010101010101010101010206050708090101010101010101010101010101010101010101010101010101010101010101010101010101010101010101010101010101010101010203000004050101010101010101010101010101010101010101010102030000040501010101010101010101010101010101010101010101010101010101010101010101010101010101010101010101010101010101010101010101010101010101010101010101010101010101010101010101010101010101010101010101010101010101010101010101010101010101010101010101010101010101010101010101010101010101010101010101010101010101010101010101010101010101010101010101010101010101010101014c0000006400000000000000000000005700000026000000000000000000000058000000270000002900aa0000000000000000000000803f00000000000000000000803f0000000000000000000000000000000000000000000000000000000000000000220000000c000000ffffffff460000001c00000010000000454d462b024000000c000000000000000e000000140000000000000010000000140000000400000003010800050000000b0200000000050000000c0227005800030000001e00040000000701040004000000070104001b070000410b2000cc00270058000000000027005800000000002800000058000000270000000100080000000000000000000000000000000000230000000000000000000000ffffff00bfffff000000740074000000ffffbf0074007400dfffff0000489c00ffbf74009cdfff009c484800ffffdf00bf740000489cdf00df9c48000074bf009c48000048007400ffdf9c0074bfff004800000048489c00480048009c487400df9c7400dfdfdf009cdfbf00000048009cbf9c00bf9c7400484848007474bf00740048004874bf000101010101010101010101010101010101010101010101010101010101010101010101010101010101010101010101010101010101010101010101010101010101010101010101010101010101010101010101010101010101010101010101010101010101010101010101010101010101010101010101010101010101010101010101010101010101010101010101010101010101010101010101010101010101010101010101010101010101010101010101010101010101010101010101010101010101010101010101010101010101010101010101010101010101010101010101010101010101010101010101010101010101010101010101010101010101010101010101010101010101010101010101010101010101010101010101010101010101010101010101010101010101010101010101010101010101010101010101010101010101010101010101010101010101010101010101010101010101010101010101010101010101010101010101010101010101010101010101010101010101010101010101010101010101010101010101010101010101221301010101010101010101010101010101010101010101010101010101010101010101010e000000110c0101010101010101010e000000000f0101020300000901010101010101010101010101010101020300000901010a21050102030000090101020300000000090101010101010101010101010101010101010a1c090101100d010101010a190101010101100d01010101100d010a1713010101010101010101010a19010101100d010a17130102060501100d010a17130101140d010114090101010101010101010101010101010101010203090107080d010102121d1e08090101010e0d0101010203090107080f010101010101010102121d1e08090203090107080f010101010203090107080f0101010e0d01010101010101010101010101010101010101010101070800000f0101010102030009010101010e0d0101010212130101100d01010101010101010102030009010212130101100d010101010212130101100d01010101140d010101010101010101010101010101010101010107080f01020309010102061b1910090101010e0d0101010212130101100d0101010a1c00090102061b1910090212130101100d010101010212130101100d01010101010e0f010101010101010101010101010101010101010203090101100d010101010a190101011a010e0d0101010203090107080f010e00000000040501010a1901010203090107080f010101010203090107080f01010101010a171301010101010101010101010101010101010107080f0102030f0101010101010101010e00000d010101010e0d010a17130102180c0e0f2005010101010101010e0d010a171301010101010e0d010a171301021213011415130101010101010101010101010101010101010102030000110c0101010101010101010101100d01010101070800000f010101140f0e0f010101010101010101070800000f010101010101070800000f010101020300000d010101010101010101010101010101010101010101010101010101010101010101010101010101010101010101010101010101010e1f0f0101010101010101010101010101010101010101010101010101010101010101010101010101010101010101010101010101010101010101010101010101010101010101010101010101010101010101010101010101100f0101010101010101010101010101010101010101010101010101010101010101010101010101010101010101010101010101010101010101010101010101010101010101010101010101010101010101010101010101010101010101010101010101010101010101010101010101010101010101010101010101010101010101010101010101010101010101010101010101010101010101010101010101010101010101010101010101010101010101010101010101010101010101010101010101010101010101010101010101010101010101010101010101010101010101010101010101010101010101010101010101010101010101010101010101010101010101010101010101010101010101010101010101010101010101010101010101010101010101010101010101010101010101010101010101010101010101010101010101010101010101010101010101010101010101010101010101010101010101010101010101010101010101010101010101010101010101010101010101010101010101010101010101010101010101010101010101010101010101010101010101010101010101010101010101010101010101010101010101010101010101010101010101010101010101010101010101010101010101010101010101010000000000000000000000000000000000000000000000000000000000000000000000000000000000000000000000000000000000000000000000000000000000000000000000000000000000000000000000000000000001010101010101010101010101010101010101010101010101010101010101010101010101010101010101010101010101010101010101010101010101010101010101010101010101010101010101010101010101010101010101010101010101010101010101010101010101010101010101010101010101010101010101010101010101010101010101010101010101010101010101010101010101010101010101010101010101010101010101010101010101010101010101010101010101010101010101010101010101010101010101010101010101010101010101010101010101010101010101010101010101010101010101010101010101010101010101010101010101010101010101010101010101010101010101010101010101010101010101010101010101010101010101010101010101010101010101010101010101010101010101010101010101010101010101010101010101010101010101010101010101010101010101010101010101010101010101010101010101010101010101010101010101010101010101010101010101010101010101010101010101010101010101010101010101010101010101010203000000000901010e0000000f0101010e0000000f0101010e0000000f0101010101010101010e000000000f01010203000009010101010101010101010101010101010e000000000f010102030000090101010101010101140d0101140901021213010a1c0901021213010a1c0901021213010a1c090101010a190101010101100d01010101100d010a1713010101010101010101010a190101010101100d01010101100d010a171301010101010101010e0d01010101010101010a1c0901010101010a1c0901010101010a1c090102121d1e08090101010e0d0101010203090107080f010101010101010102121d1e08090101010e0d0101010203090107080f010101010101010101140d0101010101100000090101010110000009010101011000000901010102030009010101010e0d0101010212130101100d01010101010101010102030009010101010e0d0101010212130101100d010101010101010101010e0f010101010107080901010101010708090101010101070809010102061b1910090101010e0d0101010212130101100d010101010101010102061b1910090101010e0d0101010212130101100d010101010101010101010a171301010101010a171301010101010a171301010101010a17130101010a190101011a010e0d0101010203090107080f010203000004050101010a190101011a010e0d0101010203090107080f0203000004050212130114151301071613011415130107161301141513010716130114151301010101010101010e00000d010101010e0d010a17130102180c01100f01010101010101010e00000d010101010e0d010a171302180c01100f01020300000d0101010e0000000f0101010e0000000f0101010e0000000f0101010101010101010101100d01010101070800000f010101020300110c01010101010101010101100d01010101070800000f0101020300110c0101010101010101010101010101010101010101010101010101010101010101010101010101010101010101010101010101010101010101010a0b0c010101010101010101010101010101010101010101010101010a0b0c010101010101010101010101010101010101010101010101010101010101010101010101010101010101010101010101010101010101020605070809010101010101010101010101010101010101010101010206050708090101010101010101010101010101010101010101010101010101010101010101010101010101010101010101010101010101010101010203000004050101010101010101010101010101010101010101010102030000040501010101010101010101010101010101010101010101010101010101010101010101010101010101010101010101010101010101010101010101010101010101010101010101010101010101010101010101010101010101010101010101010101010101010101010101010101010101010101010101010101010101010101010101010101010101010101010101010101010101010101010101010101010101010101010101010101010101010101010c00000040092900aa000000000000002700580000000000040000002701ffff030000000000>
=1458125 >0100090000039e06000000004604000000004604000026060f008208574d46430100000000000100a4f30000000001000000600800000000000060080000010000006c000000000000000000000021000000180000000000000000000000510300007002000020454d4600000100600800000c00000001000000000000000000000000000000000500002003000040010000c800000000000000000000000000000000e20400400d0300460000002c00000020000000454d462b014001001c000000100000000210c0db010000006000000060000000460000008002000074020000454d462b224004000c000000000000001e4009000c00000000000000244001000c000000000000003040020010000000040000000000803f214007000c0000000000000008400005cc010000c00100000210c0db01000000000000000000000000000000000000000100000089504e470d0a1a0a0000000d4948445200000022000000190802000000db986bfb000000017352474200aece1ce9000000097048597300000ec400000ec401952b0e1b0000014849444154484bed55318ec2301074ee253ed15c914724bac6f4fc2034275a477e0382165d13ff80f67474f12328684ef827666d8cede41264a4b840c25d56e34c6667769329a550faf3969e42333c3b8de4f32cab856d562235927fed11f18624a1019213fb5e04b627a011f5fb896d8a4eb626a71175895a4f2279cd2530c2dc4c78ce4d60c8550f69ce309a4ab5d4ea330577fae54898bbaf19696b1f8d1aa8104ae13b5cd994085442ea489879f34d967da3f106cff203fa5810b4fdb14117bb65ce58de5d119130730957bf86cebae42330ab1845dbb5364cf2f5b159e1bfe3c0268a84f56e86492b560d392c77c248a9f0d8b68b848d071a7feac6952548e9c6bed7bc385878a93b3758370ed13b526ce3a360fd2d20bd0bc5c6d9f6af6991b0c1660773e3e30c11716372cbb42bdc870dcf7af6fa7b8e457dbc3ef9861ea67ad13c6e0dba00be3b810cbb1d47ba0000000049454e44ae426082000840010824000000180000000210c0db01000000030000000000000000000000000000001b40000040000000340000000100000002000000000000bf000000bf000008420000c84103000000000000b3000000b3ffff0742000000b3000000b3ffffc7412100000008000000620000000c00000001000000150000000c00000004000000150000000c00000004000000510000007c0400000000000000000000210000001800000000000000000000000000000000000000220000001900000050000000a8000000f800000084030000000000002000cc0022000000190000002800000022000000190000000100080000000000000000000000000000000000200000000000000000000000ffffff009cdfff0000004800ffbf7400dfffff0048489c0000484800489cdf00dfbf740000489c0074bfff00bf740000bfffff0074007400ffffbf009c749c00ffffdf009c4800000000740048000000ffdf9c00744848000048740074000000489c9c000074bf00bfffbf00df9c4800dfdf9c0074bfbf007400480001010101010101010101010101010101010101010101010101010101010101010101ffff01010101010101010101010101010101010101010101010101010101010101010101ffff01010101010101010101010101010101010101010101010101010101010101010101ffff01010101010101010101010101010101010101010101010101010101010101010101ffff01010101010101010101010101010101010101010101010101010101010101010101ffff01010101010101010101010101010101010101010101010101010101010101010101ffff01010101010101010101010101010101010101010101010101010101010101010101ffff0d1300180f0101011a000012110d1300180f0101011a000012110101010101010101ffff01021f0f01010101050a12110101021f0f01010101050a1211010101010101010101ffff010d0e0f011a0c01050a121101010d0e0f011a0c01050a1211010101010101010101ffff010d0e0f02031415050a121101010d0e0f02031415050a1211010101010101010101ffff010d0e0f08181e0c050a121101010d0e0f08181e0c050a1211010101010101010101dfff010d0e1b131c05061d0a121101010d0e1b131c05061d0a1211010101010101010101ffff010d0e19180f010b0c1a121101010d0e19180f010b0c1a1211010101010101010101dfff010216170c0101050607121101010216170c01010506071211010101010800180f01ffff0d130014150101010b000012110d130014150101010b00001211010101050a040101ffff01010101010101010101010101010101010101010101010101010800000000001211ffff01010101010101010101010101010101010101010101010101010d0e0f050a091011ffff0101010101010101010101010101010101010101010101010101010b0c050a040101ffff0101010101010101010101010101010101010101010101010101010108090a040101ffff01010101010101010101010101010101010101010101010101010101050607040101ffff01010101010101010101010101010101010101010101010101010101010203040101ffff01010101010101010101010101010101010101010101010101010101010101010101ffff01010101010101010101010101010101010101010101010101010101010101010101ffff01010101010101010101010101010101010101010101010101010101010101010101ffff4c0000006400000000000000000000002100000018000000000000000000000022000000190000002900aa0000000000000000000000803f00000000000000000000803f0000000000000000000000000000000000000000000000000000000000000000220000000c000000ffffffff460000001c00000010000000454d462b024000000c000000000000000e000000140000000000000010000000140000000400000003010800050000000b0200000000050000000c0219002200030000001e000400000007010400040000000701040023020000410b2000cc00190022000000000019002200000000002800000022000000190000000100080000000000000000000000000000000000200000000000000000000000ffffff009cdfff0000004800ffbf7400dfffff0048489c0000484800489cdf00dfbf740000489c0074bfff00bf740000bfffff0074007400ffffbf009c749c00ffffdf009c4800000000740048000000ffdf9c00744848000048740074000000489c9c000074bf00bfffbf00df9c4800dfdf9c0074bfbf007400480001010101010101010101010101010101010101010101010101010101010101010101ffff01010101010101010101010101010101010101010101010101010101010101010101ffff01010101010101010101010101010101010101010101010101010101010101010101ffff01010101010101010101010101010101010101010101010101010101010101010101ffff01010101010101010101010101010101010101010101010101010101010101010101ffff01010101010101010101010101010101010101010101010101010101010101010101ffff01010101010101010101010101010101010101010101010101010101010101010101ffff0d1300180f0101011a000012110d1300180f0101011a000012110101010101010101ffff01021f0f01010101050a12110101021f0f01010101050a1211010101010101010101ffff010d0e0f011a0c01050a121101010d0e0f011a0c01050a1211010101010101010101ffff010d0e0f02031415050a121101010d0e0f02031415050a1211010101010101010101ffff010d0e0f08181e0c050a121101010d0e0f08181e0c050a1211010101010101010101dfff010d0e1b131c05061d0a121101010d0e1b131c05061d0a1211010101010101010101ffff010d0e19180f010b0c1a121101010d0e19180f010b0c1a1211010101010101010101dfff010216170c0101050607121101010216170c01010506071211010101010800180f01ffff0d130014150101010b000012110d130014150101010b00001211010101050a040101ffff01010101010101010101010101010101010101010101010101010800000000001211ffff01010101010101010101010101010101010101010101010101010d0e0f050a091011ffff0101010101010101010101010101010101010101010101010101010b0c050a040101ffff0101010101010101010101010101010101010101010101010101010108090a040101ffff01010101010101010101010101010101010101010101010101010101050607040101ffff01010101010101010101010101010101010101010101010101010101010203040101ffff01010101010101010101010101010101010101010101010101010101010101010101ffff01010101010101010101010101010101010101010101010101010101010101010101ffff01010101010101010101010101010101010101010101010101010101010101010101ffff0c00000040092900aa000000000000001900220000000000040000002701ffff030000000000>
Jp = >>>
>
→ d
=>010009000003c00e00000000c20800000000c208000026060f007a11574d4643010000000000010013fb0000000001000000581100000000000058110000010000006c0000000000000000000000340000003000000000000000000000002c050000c804000020454d4600000100581100000c00000001000000000000000000000000000000000500002003000040010000c800000000000000000000000000000000e20400400d0300460000002c00000020000000454d462b014001001c000000100000000210c0db010000006000000060000000460000002c04000020040000454d462b224004000c000000000000001e4009000c00000000000000244001000c000000000000003040020010000000040000000000803f214007000c0000000000000008400005780300006c0300000210c0db01000000000000000000000000000000000000000100000089504e470d0a1a0a0000000d4948445200000035000000310802000000f5157631000000017352474200aece1ce9000000097048597300000ec400000ec401952b0e1b000002f5494441545847ed583b6ee33010b5f7245aa451914338d8c646dabd81dd18db4ad8331871ef46be415a236e02ea102eb6594837f1cef0a72145999414984ab0ac246ac8799c379c8fe6d7eb7536e1f16dc2d810da7f7c230902ff0b182c1ba966d0720016c66ffdf732cb58c0393e56e4cbf85ffde7bc4c93411c8d5c14c62f28797c982e3e74bf4823c87ef1e81d149febe36aaec6ea5813cb96b9fe90973e8bab6dcc2dec550111a12a9634bac0ebb2a8f83a0c8bea195f9cf3dd1aac8d5d8206bf70fc8ec3d0db9bacdfded6e2b224e9b239efe2e5ea9ce712f531372ccde7de5f555810b644e58a0269ff061f88ec2e445da318dccfc9557ddc6e1e99c2444440f1ac38c833a046a9ac791298216afdfc01272df3edec00c63c6fbecf4fcf8297fd493888342acb801bc21cb1b58b059def1c5905bed9b352dc9cc6493243dc83fb8df824ec57e6bb949cd7efdbc0258eaab83c29e3481a5768819785796976292bb282a53b22cc73e6b3162c4f7b614c342cf9c4b558b4b6cea9ef80bc14ea9daf6ca4a9e55866ec52013e71a7e4c0a5645bf26a5c3ac52f81e920c79ca2e7212aec1ae76641e180a74d4ead41f075c48180201010a32c110b1e3a9cfb387e7cd46ffb0369af90d6b75d06ac674cc985f7c7d7ef8cdefc8b772952ed820ee9c587768f53faf1fbe2c567270f5d00dce7c187af456f3ff7192dedc3e74cbc779cf4e18b589a86f95fb4ce4390e4b15fc4ce230c5fb4c652fab8cfffee78159caa6ee38b9c3cfcfe17377998f81cdd5157e711c83a6d449b74e3afcee9f6aa4d947356d16b34963d93812899a19c127b0eabd3b0beaa2a5179f3029816611f509aea966b183cde1f2589684b16bfa027386fb6ba511d9f3cb0d3e45dcfe09b6692267a08457267d51dcab426403d30c6b90e1fadfa99903c965edadda90e189aec707020d9aeef457f80261ce832bdf4fb84dbf13959ff0692f74ffdc24060c4e92fe63a40d3e046f8296e0272e6b7647d10bf1462761e37eb1741f20446677dc08361c4c652da668e7778c2e373d77ff10dfb0fab1bbf485f9cbd850000000049454e44ae4260820840010824000000180000000210c0db01000000030000000000000000000000000000001b40000040000000340000000100000002000000000000bf000000bf000054420000444203000000000000b3000000b3ffff5342000000b3000000b3ffff43422100000008000000620000000c00000001000000150000000c00000004000000150000000c0000000400000051000000c80b00000000000000000000340000003000000000000000000000000000000000000000350000003100000050000000c000000010010000b80a0000000000002000cc0035000000310000002800000035000000310000000100080000000000000000000000000000000000260000000000000000000000ffffff00bfffff00000074009cdfff0074004800ffffbf0074bfff009c480000ffffdf00bf740000489cdf000074bf00df9c4800dfffff0000489c00ffbf740048489c00ffdf9c00480000004800740048004800df9c74007400000048484800740074009cdfbf004874bf00dfdf9c009c4874007474bf00000048009cbf9c00bf9c7400749cdf00dfdfdf009c484800ffbfbf000101010101010101010101010101010101010101010101010101010101010101010101010101010101010101010101010101010101ffffff0101010101010101010101010101010101010101010101010101010101010101010101010101010101010101010101010101010101ffffff0101010101010101010101010101010101010101010101010101010101010101010101010101010101010101010101010101010101ffffff0101010101010101040506010101010101010101010101010101010101010101010101010101010101010101010101010101010101ffffff01010101010101010c1312010101010101010101010101010101010101010101010101010101010101010101010101010101010101ffffff01010101010101041f131201010101010101010101010101010101010101010101010101010101010101010101010101010101010100df9c0101010101010e0f000010010101010101010101010101010101010101010101010101010101010101010101010101010101010101ffffff01010101010107000a0c0d010101010101010101010101010101010101010101010101010101010101010101010101010101010101ffffff01010101010e0f17060c0d010101010101010101010101010101010101010101010101010101010101010101010101010101010101489cdf010101010107000d010b0a01010101010101010101010101010101010101041f10010700171c010101010101010101010101010101000000010101010203170601070a01010101010101010101010101010101010101010b0a010b0a0225010101010101010101010101010101ffffff010101010b000d01010708090101010101010101010101010101010101010104240904050601010101010101010101010101010101ffffff012301020308090101040506010101010101010101010101010101010101010e111202141201010101010101010101010101010101ffffff01070000001001010104050601010101010101010101010101010101010122120b10010c0d01010101010101010101010101010101ffdf9c0101010708090101010214120101010101010101010101010101010101010e0f000000000000100101010101010101010101010101ffffff0101010101010101010e11120101010101010101010101010101010101010101010101010101010101010101010101010101010101ffffff0101010101010101010e0f100101010101010101010101010101010101010101010101010101010101010101010101010101010101ffffff010101010101010101010c0d0101010101010101010101010101010101010101010101010101010101010101010101010101010101ffffff010101010101010101010c0d0101010101010101010101010101010101010101010101010101010101010101010101010101010101ffffff010101010101010101010b0a0101010101010101010101010101010101010101010101010101010101010101010101010101010101ffffff01010101010101010101070a0101010101010101010101010101010101010101010101010101010101010101010101010101010101ffffff0101010101010101010107080901010101010101010101010101010101010101010101010101010101010101010101010101010101ffffff01010101010101010101040506010101010101010101010101010101010101010101010101010101010101010101010101010101010130050101010101010101010104050601010101010101010101010101010101010101010101010101010101010101010101010101010101ffffff0101010101010101010102141201010100000000000000000000000000000000000000000000000000000000000000000000000000ffffff010101010101010101010e111201010101010101010101010101010101010101010101010101010101010101010101010101010101000000010101010101010101010e0f100101010101010101010101010101010101010101010101010101010101010101010101010101010100000001010101010101010101010c0d01010101010101010101010101010101010101010101010101010101010101010101010101010101ffffff01010101010101010101010c0d0101010101010101010101010101010101010101010101010e0f000d010101070008090101010101ffffff01010101010101010101010b0a01010101010101010101010101010101010101010101010101010415120101021906010101010101ffffff010101041f001001010101070a010101010b0000000d01010203000000001001010101010101010e0f0d01010e0f0000000d010101ffffff010b000000001706010101070809010102141201041f100101070a010107100101010416010101010b080901010b080902030d0101ffffff01021d090b0d1e06010101040506010101010101041f100101010b0a01010101021420210f10010104050601010708090104050601ffffff0101070d0b0d0101010101040506010101010c0000100101010101070a010101010203001001010102031001010214120102031001dfff000101010b180d010101010102141201010101010e0f100101010101010b0d010102191a160c100101010c0d011b1c0f001002031001ffffff010101010c0d01010101010e11120101010101010415120101010101041512010101041601010101010b08090e0f13120c00170601ffff0001010101010101010101010e0f1001010e11120107131201021412010713120101010101010101010104050601010101010101010148ffff0101010101010101010101010c0d0101010b0000000d010101020300000a010101010101010101010e0f0008090101010101010101ffffff0101010101010101010101010c0d010101010101010101010101010101010101010101010101010101010101010101010101010101ffffff0101010101010101010101010b0a010101010101010101010101010101010101010101010101010101010101010101010101010101480000010101010101010101010101070a0101010101010101010101010101010101010101010101010101010101010101010101010101010000000101010101010101010101010708090101010101010101010101010101010101010101010101010101010101010101010101010101ffffff0101010101010101010101010405060101010101010101010101010101010101010101010101010101010101010101010101010101ffbf480101010101010101010101010405060101010101010101010101010101010101010101010101010101010101010101010101010101ffffff0101010101010101010101010203000000000000000000000000000000000000000000000000000000000000000000000000000001ffffff010101010101010101010101010101010101010101010101010101010101010101010101010101010101010101010101010101010148ffff0101010101010101010101010101010101010101010101010101010101010101010101010101010101010101010101010101010101ffffff0101010101010101010101010101010101010101010101010101010101010101010101010101010101010101010101010101010101ffffff0101010101010101010101010101010101010101010101010101010101010101010101010101010101010101010101010101010101ffffff4c0000006400000000000000000000003400000030000000000000000000000035000000310000002900aa0000000000000000000000803f00000000000000000000803f0000000000000000000000000000000000000000000000000000000000000000220000000c000000ffffffff460000001c00000010000000454d462b024000000c000000000000000e000000140000000000000010000000140000000400000003010800050000000b0200000000050000000c0231003500030000001e0004000000070104000400000007010400c9050000410b2000cc00310035000000000031003500000000002800000035000000310000000100080000000000000000000000000000000000260000000000000000000000ffffff00bfffff00000074009cdfff0074004800ffffbf0074bfff009c480000ffffdf00bf740000489cdf000074bf00df9c4800dfffff0000489c00ffbf740048489c00ffdf9c00480000004800740048004800df9c74007400000048484800740074009cdfbf004874bf00dfdf9c009c4874007474bf00000048009cbf9c00bf9c7400749cdf00dfdfdf009c484800ffbfbf000101010101010101010101010101010101010101010101010101010101010101010101010101010101010101010101010101010101ffffff0101010101010101010101010101010101010101010101010101010101010101010101010101010101010101010101010101010101ffffff0101010101010101010101010101010101010101010101010101010101010101010101010101010101010101010101010101010101ffffff0101010101010101040506010101010101010101010101010101010101010101010101010101010101010101010101010101010101ffffff01010101010101010c1312010101010101010101010101010101010101010101010101010101010101010101010101010101010101ffffff01010101010101041f131201010101010101010101010101010101010101010101010101010101010101010101010101010101010100df9c0101010101010e0f000010010101010101010101010101010101010101010101010101010101010101010101010101010101010101ffffff01010101010107000a0c0d010101010101010101010101010101010101010101010101010101010101010101010101010101010101ffffff01010101010e0f17060c0d010101010101010101010101010101010101010101010101010101010101010101010101010101010101489cdf010101010107000d010b0a01010101010101010101010101010101010101041f10010700171c010101010101010101010101010101000000010101010203170601070a01010101010101010101010101010101010101010b0a010b0a0225010101010101010101010101010101ffffff010101010b000d01010708090101010101010101010101010101010101010104240904050601010101010101010101010101010101ffffff012301020308090101040506010101010101010101010101010101010101010e111202141201010101010101010101010101010101ffffff01070000001001010104050601010101010101010101010101010101010122120b10010c0d01010101010101010101010101010101ffdf9c0101010708090101010214120101010101010101010101010101010101010e0f000000000000100101010101010101010101010101ffffff0101010101010101010e11120101010101010101010101010101010101010101010101010101010101010101010101010101010101ffffff0101010101010101010e0f100101010101010101010101010101010101010101010101010101010101010101010101010101010101ffffff010101010101010101010c0d0101010101010101010101010101010101010101010101010101010101010101010101010101010101ffffff010101010101010101010c0d0101010101010101010101010101010101010101010101010101010101010101010101010101010101ffffff010101010101010101010b0a0101010101010101010101010101010101010101010101010101010101010101010101010101010101ffffff01010101010101010101070a0101010101010101010101010101010101010101010101010101010101010101010101010101010101ffffff0101010101010101010107080901010101010101010101010101010101010101010101010101010101010101010101010101010101ffffff01010101010101010101040506010101010101010101010101010101010101010101010101010101010101010101010101010101010130050101010101010101010104050601010101010101010101010101010101010101010101010101010101010101010101010101010101ffffff0101010101010101010102141201010100000000000000000000000000000000000000000000000000000000000000000000000000ffffff010101010101010101010e111201010101010101010101010101010101010101010101010101010101010101010101010101010101000000010101010101010101010e0f100101010101010101010101010101010101010101010101010101010101010101010101010101010100000001010101010101010101010c0d01010101010101010101010101010101010101010101010101010101010101010101010101010101ffffff01010101010101010101010c0d0101010101010101010101010101010101010101010101010e0f000d010101070008090101010101ffffff01010101010101010101010b0a01010101010101010101010101010101010101010101010101010415120101021906010101010101ffffff010101041f001001010101070a010101010b0000000d01010203000000001001010101010101010e0f0d01010e0f0000000d010101ffffff010b000000001706010101070809010102141201041f100101070a010107100101010416010101010b080901010b080902030d0101ffffff01021d090b0d1e06010101040506010101010101041f100101010b0a01010101021420210f10010104050601010708090104050601ffffff0101070d0b0d0101010101040506010101010c0000100101010101070a010101010203001001010102031001010214120102031001dfff000101010b180d010101010102141201010101010e0f100101010101010b0d010102191a160c100101010c0d011b1c0f001002031001ffffff010101010c0d01010101010e11120101010101010415120101010101041512010101041601010101010b08090e0f13120c00170601ffff0001010101010101010101010e0f1001010e11120107131201021412010713120101010101010101010104050601010101010101010148ffff0101010101010101010101010c0d0101010b0000000d010101020300000a010101010101010101010e0f0008090101010101010101ffffff0101010101010101010101010c0d010101010101010101010101010101010101010101010101010101010101010101010101010101ffffff0101010101010101010101010b0a010101010101010101010101010101010101010101010101010101010101010101010101010101480000010101010101010101010101070a0101010101010101010101010101010101010101010101010101010101010101010101010101010000000101010101010101010101010708090101010101010101010101010101010101010101010101010101010101010101010101010101ffffff0101010101010101010101010405060101010101010101010101010101010101010101010101010101010101010101010101010101ffbf480101010101010101010101010405060101010101010101010101010101010101010101010101010101010101010101010101010101ffffff0101010101010101010101010203000000000000000000000000000000000000000000000000000000000000000000000000000001ffffff010101010101010101010101010101010101010101010101010101010101010101010101010101010101010101010101010101010148ffff0101010101010101010101010101010101010101010101010101010101010101010101010101010101010101010101010101010101ffffff0101010101010101010101010101010101010101010101010101010101010101010101010101010101010101010101010101010101ffffff0101010101010101010101010101010101010101010101010101010101010101010101010101010101010101010101010101010101ffffff0c00000040092900aa000000000000003100350000000000040000002701ffff030000000000>
=>>>
>
= 62мм
5. Окончательно принимаем диаметр вала d=75 мм.
4. Задания для самостоятельного решения
Задача №1
Для заданных брусьев, построить эпюру крутящих моментов и определить опасное сечение.

Ответ: Mz max a) 2m; б) 4m; в) 4m; д) 18кНМ; е) 45кНМ
Задача №2
Определить отношение диаметров и масс двух валов одинаковой прочности и длины, передающих одинаковую мощность, если один вал вращается n>1>=800мин-1, другой с n>2>=1200мин-1.
Ответ: d>1>:d>2>=1,15; m>1>:m>2>=1,31
Задача №3
Стальной вал вращается с частотой вращения n=980мин-1 и передает мощность Р=40кВт. Определить требуемый диаметр вала , если допускаемое касательное напряжение [τ>к>]=25МПа
Ответ: d=43мм.
Задача №4
Стальной брус кольцевого поперечного сечения (d=100мм и d>0>=80мм) длиной 3М закручен на угол 30. Вычислить наибольшие касательные напряжения, возникающие в брусе.
Ответ: τ>max>=70МПа
Задача №5
Стальной вал d=60мм имеет частоту вращения n=900мин-1. Определить допускаемое значение передаваемой мощности, если [φ>0>]=0,5 >0100090000030407000000008e04000000008e04000026060f001209574d4643010000000000010031c20000000001000000f008000000000000f0080000010000006c00000000000000000000001a000000200000000000000000000000a20200003803000020454d4600000100f00800000c00000001000000000000000000000000000000000500002003000040010000c800000000000000000000000000000000e20400400d0300460000002c00000020000000454d462b014001001c000000100000000210c0db01000000600000006000000046000000d4020000c8020000454d462b224004000c000000000000001e4009000c00000000000000244001000c000000000000003040020010000000040000000000803f214007000c000000000000000840000520020000140200000210c0db01000000000000000000000000000000000000000100000089504e470d0a1a0a0000000d494844520000001b000000210802000000a75747c9000000017352474200aece1ce9000000097048597300000ec400000ec401952b0e1b0000019a49444154484bed553b8e83400c357b125634293804d2364469b901db446967c519506857db901ba445a1899843506cb30a3761ed990186f019a2a489143730f6f861fb61dbaaeb1a1e2a6f0f45136075c174503fbd5c521f009f8d015f3111146120196a3435e04d746585f02998b82c5da58e70e90d750a08352d24aa197968ba7ed6defe14da320e56ec3d7a7a1b06e55f05767852367ba5422573f50b8ef250a9de50c7eab0b648de3ff3b64e3c838df870279388141709cf12701d1be1b6f0a34ad3b8f3af78b5bb02ec98e94aa351a0d1d0d2028c1197beafe5ae3e213088998190b7e26accdc10af07d15177431dfbe50270830f9d13db71e58df10825db9301ce19ac67e8c2ebeadc7d7e86aceff87b26eaf342ec17460daff541ce202163ba4139671a8ac6364e98ae1b71c4e3b93f2006fe0666dc20f0938ccb38785606811a07d38d60e2da092396c494797588210a1d634f9910c5a2c98fe78a7f1f83e1bc1ec137234ac86d5cf6c7e164ac0b10c1dba590bb51b3250d792f41a4cd5acb5dbb44e61609f9eb93bcd95eb3ffcf6b9a2d29bbf9ce3f5c09e821da423eb30000000049454e44ae4260820000000840010824000000180000000210c0db01000000030000000000000000000000000000001b40000040000000340000000100000002000000000000bf000000bf0000d8410000044203000000000000b3000000b3ffffd741000000b3000000b3ffff03422100000008000000620000000c00000001000000150000000c00000004000000150000000c0000000400000051000000b804000000000000000000001a00000020000000000000000000000000000000000000001b0000002100000050000000cc0000001c0100009c030000000000002000cc001b00000021000000280000001b000000210000000100080000000000000000000000000000000000290000000000000000000000ffffff0074bfff00df9c4800489cdf0048000000bfdf9c00000074009c480000ffffdf009cdfff00000048000074bf00ffbf7400dfffff0000489c0074000000ffffbf00bfffff009c48480048007400ffdf9c00749cdf0048489c007474bf00bf7474004874bf0000747400004848009c749c009c48740048484800bf74000048487400480048009c9c7400740048009c9c480074489c00bfffbf0074bfdf00010101010101010101010101010101010101010101010101010101ff010101010101010101010101010101010101010101010101010101ff010101010101010101010101010101010101010101010101010101ff010101010101010101010101010101010101010101010101010101ff01010101010101010a0b101101010e0f0008090101010101010101ff010101010101010101040d01010101121415010101010101010101ff010101010101010101040d01042001121415010101010101010101ff010101010101010101040d12141f15121415010101010101010101ff010101010101010101040d02082803121415010101010101010101ff010101010101010101040d0c030e26271415010101010101010101ff010101010101010101042324110102251415010101010101010101ff010101010101010101041f20010112212215010101010101010101ff01010101010101010a0b0515010101040008090101010101010101ff010101010101010101010101010101010101010101010101010101ff010101010101010101010101010101010101010101010101010101ff010101010101010101010101010101010101010101010101010101ff010101010101010101010101010101010101010101010101010101ff010101010101010101010101010101010101010101010101010101ff010101010101010101010101010101010101010101010101010101ff000000000000000000000000000000000000000000000000000000ff010101010101010101010101010101010101010101010101010101ff010101010101010101010101010101010101010101010101010101ff010101010101040010110101010101010101010101010101010101ff0101010101010e0f0d0101010101010101010e1d09010101121e09ff0101010101010e0f0d0101010101010101010e17150101010a1309ff0200051501010e0f00000003010a0b00101b051c00000000000809ff010c0d0101010e0f030112070d040301121415011a150102080901ff010c0d0101010e0f0d01010c030104000005150112190102080901ff010c0d0101010e0f0d01010c030101010e17150101181102080901ff010c0d0102030e0f101112070d0a13091214150101161502080901ff02000000000304050607000809010a0b000809010a0b0000000301ff010101010101010101010101010101010101010101010101010101ff010101010101010101010101010101010101010101010101010101ff4c0000006400000000000000000000001a0000002000000000000000000000001b000000210000002900aa0000000000000000000000803f00000000000000000000803f0000000000000000000000000000000000000000000000000000000000000000220000000c000000ffffffff460000001c00000010000000454d462b024000000c000000000000000e000000140000000000000010000000140000000400000003010800050000000b0200000000050000000c0221001b00030000001e000400000007010400040000000701040041020000410b2000cc0021001b000000000021001b0000000000280000001b000000210000000100080000000000000000000000000000000000290000000000000000000000ffffff0074bfff00df9c4800489cdf0048000000bfdf9c00000074009c480000ffffdf009cdfff00000048000074bf00ffbf7400dfffff0000489c0074000000ffffbf00bfffff009c48480048007400ffdf9c00749cdf0048489c007474bf00bf7474004874bf0000747400004848009c749c009c48740048484800bf74000048487400480048009c9c7400740048009c9c480074489c00bfffbf0074bfdf00010101010101010101010101010101010101010101010101010101ff010101010101010101010101010101010101010101010101010101ff010101010101010101010101010101010101010101010101010101ff010101010101010101010101010101010101010101010101010101ff01010101010101010a0b101101010e0f0008090101010101010101ff010101010101010101040d01010101121415010101010101010101ff010101010101010101040d01042001121415010101010101010101ff010101010101010101040d12141f15121415010101010101010101ff010101010101010101040d02082803121415010101010101010101ff010101010101010101040d0c030e26271415010101010101010101ff010101010101010101042324110102251415010101010101010101ff010101010101010101041f20010112212215010101010101010101ff01010101010101010a0b0515010101040008090101010101010101ff010101010101010101010101010101010101010101010101010101ff010101010101010101010101010101010101010101010101010101ff010101010101010101010101010101010101010101010101010101ff010101010101010101010101010101010101010101010101010101ff010101010101010101010101010101010101010101010101010101ff010101010101010101010101010101010101010101010101010101ff000000000000000000000000000000000000000000000000000000ff010101010101010101010101010101010101010101010101010101ff010101010101010101010101010101010101010101010101010101ff010101010101040010110101010101010101010101010101010101ff0101010101010e0f0d0101010101010101010e1d09010101121e09ff0101010101010e0f0d0101010101010101010e17150101010a1309ff0200051501010e0f00000003010a0b00101b051c00000000000809ff010c0d0101010e0f030112070d040301121415011a150102080901ff010c0d0101010e0f0d01010c030104000005150112190102080901ff010c0d0101010e0f0d01010c030101010e17150101181102080901ff010c0d0102030e0f101112070d0a13091214150101161502080901ff02000000000304050607000809010a0b000809010a0b0000000301ff010101010101010101010101010101010101010101010101010101ff010101010101010101010101010101010101010101010101010101ff0c00000040092900aa0000000000000021001b0000000000040000002701ffff030000000000>
Ответ: [Р]=83,4кВт
Задача №6
Проверить прочность и жесткость стальных брусьев, если [τ>к>]=40МПа; [φ>0>]=0,6 >0100090000030407000000008e04000000008e04000026060f001209574d4643010000000000010031c20000000001000000f008000000000000f0080000010000006c00000000000000000000001a000000200000000000000000000000a20200003803000020454d4600000100f00800000c00000001000000000000000000000000000000000500002003000040010000c800000000000000000000000000000000e20400400d0300460000002c00000020000000454d462b014001001c000000100000000210c0db01000000600000006000000046000000d4020000c8020000454d462b224004000c000000000000001e4009000c00000000000000244001000c000000000000003040020010000000040000000000803f214007000c000000000000000840000520020000140200000210c0db01000000000000000000000000000000000000000100000089504e470d0a1a0a0000000d494844520000001b000000210802000000a75747c9000000017352474200aece1ce9000000097048597300000ec400000ec401952b0e1b0000019a49444154484bed553b8e83400c357b125634293804d2364469b901db446967c519506857db901ba445a1899843506cb30a3761ed990186f019a2a489143730f6f861fb61dbaaeb1a1e2a6f0f45136075c174503fbd5c521f009f8d015f3111146120196a3435e04d746585f02998b82c5da58e70e90d750a08352d24aa197968ba7ed6defe14da320e56ec3d7a7a1b06e55f05767852367ba5422573f50b8ef250a9de50c7eab0b648de3ff3b64e3c838df870279388141709cf12701d1be1b6f0a34ad3b8f3af78b5bb02ec98e94aa351a0d1d0d2028c1197beafe5ae3e213088998190b7e26accdc10af07d15177431dfbe50270830f9d13db71e58df10825db9301ce19ac67e8c2ebeadc7d7e86aceff87b26eaf342ec17460daff541ce202163ba4139671a8ac6364e98ae1b71c4e3b93f2006fe0666dc20f0938ccb38785606811a07d38d60e2da092396c494797588210a1d634f9910c5a2c98fe78a7f1f83e1bc1ec137234ac86d5cf6c7e164ac0b10c1dba590bb51b3250d792f41a4cd5acb5dbb44e61609f9eb93bcd95eb3ffcf6b9a2d29bbf9ce3f5c09e821da423eb30000000049454e44ae4260820000000840010824000000180000000210c0db01000000030000000000000000000000000000001b40000040000000340000000100000002000000000000bf000000bf0000d8410000044203000000000000b3000000b3ffffd741000000b3000000b3ffff03422100000008000000620000000c00000001000000150000000c00000004000000150000000c0000000400000051000000b804000000000000000000001a00000020000000000000000000000000000000000000001b0000002100000050000000cc0000001c0100009c030000000000002000cc001b00000021000000280000001b000000210000000100080000000000000000000000000000000000290000000000000000000000ffffff0074bfff00df9c4800489cdf0048000000bfdf9c00000074009c480000ffffdf009cdfff00000048000074bf00ffbf7400dfffff0000489c0074000000ffffbf00bfffff009c48480048007400ffdf9c00749cdf0048489c007474bf00bf7474004874bf0000747400004848009c749c009c48740048484800bf74000048487400480048009c9c7400740048009c9c480074489c00bfffbf0074bfdf00010101010101010101010101010101010101010101010101010101ff010101010101010101010101010101010101010101010101010101ff010101010101010101010101010101010101010101010101010101ff010101010101010101010101010101010101010101010101010101ff01010101010101010a0b101101010e0f0008090101010101010101ff010101010101010101040d01010101121415010101010101010101ff010101010101010101040d01042001121415010101010101010101ff010101010101010101040d12141f15121415010101010101010101ff010101010101010101040d02082803121415010101010101010101ff010101010101010101040d0c030e26271415010101010101010101ff010101010101010101042324110102251415010101010101010101ff010101010101010101041f20010112212215010101010101010101ff01010101010101010a0b0515010101040008090101010101010101ff010101010101010101010101010101010101010101010101010101ff010101010101010101010101010101010101010101010101010101ff010101010101010101010101010101010101010101010101010101ff010101010101010101010101010101010101010101010101010101ff010101010101010101010101010101010101010101010101010101ff010101010101010101010101010101010101010101010101010101ff000000000000000000000000000000000000000000000000000000ff010101010101010101010101010101010101010101010101010101ff010101010101010101010101010101010101010101010101010101ff010101010101040010110101010101010101010101010101010101ff0101010101010e0f0d0101010101010101010e1d09010101121e09ff0101010101010e0f0d0101010101010101010e17150101010a1309ff0200051501010e0f00000003010a0b00101b051c00000000000809ff010c0d0101010e0f030112070d040301121415011a150102080901ff010c0d0101010e0f0d01010c030104000005150112190102080901ff010c0d0101010e0f0d01010c030101010e17150101181102080901ff010c0d0102030e0f101112070d0a13091214150101161502080901ff02000000000304050607000809010a0b000809010a0b0000000301ff010101010101010101010101010101010101010101010101010101ff010101010101010101010101010101010101010101010101010101ff4c0000006400000000000000000000001a0000002000000000000000000000001b000000210000002900aa0000000000000000000000803f00000000000000000000803f0000000000000000000000000000000000000000000000000000000000000000220000000c000000ffffffff460000001c00000010000000454d462b024000000c000000000000000e000000140000000000000010000000140000000400000003010800050000000b0200000000050000000c0221001b00030000001e000400000007010400040000000701040041020000410b2000cc0021001b000000000021001b0000000000280000001b000000210000000100080000000000000000000000000000000000290000000000000000000000ffffff0074bfff00df9c4800489cdf0048000000bfdf9c00000074009c480000ffffdf009cdfff00000048000074bf00ffbf7400dfffff0000489c0074000000ffffbf00bfffff009c48480048007400ffdf9c00749cdf0048489c007474bf00bf7474004874bf0000747400004848009c749c009c48740048484800bf74000048487400480048009c9c7400740048009c9c480074489c00bfffbf0074bfdf00010101010101010101010101010101010101010101010101010101ff010101010101010101010101010101010101010101010101010101ff010101010101010101010101010101010101010101010101010101ff010101010101010101010101010101010101010101010101010101ff01010101010101010a0b101101010e0f0008090101010101010101ff010101010101010101040d01010101121415010101010101010101ff010101010101010101040d01042001121415010101010101010101ff010101010101010101040d12141f15121415010101010101010101ff010101010101010101040d02082803121415010101010101010101ff010101010101010101040d0c030e26271415010101010101010101ff010101010101010101042324110102251415010101010101010101ff010101010101010101041f20010112212215010101010101010101ff01010101010101010a0b0515010101040008090101010101010101ff010101010101010101010101010101010101010101010101010101ff010101010101010101010101010101010101010101010101010101ff010101010101010101010101010101010101010101010101010101ff010101010101010101010101010101010101010101010101010101ff010101010101010101010101010101010101010101010101010101ff010101010101010101010101010101010101010101010101010101ff000000000000000000000000000000000000000000000000000000ff010101010101010101010101010101010101010101010101010101ff010101010101010101010101010101010101010101010101010101ff010101010101040010110101010101010101010101010101010101ff0101010101010e0f0d0101010101010101010e1d09010101121e09ff0101010101010e0f0d0101010101010101010e17150101010a1309ff0200051501010e0f00000003010a0b00101b051c00000000000809ff010c0d0101010e0f030112070d040301121415011a150102080901ff010c0d0101010e0f0d01010c030104000005150112190102080901ff010c0d0101010e0f0d01010c030101010e17150101181102080901ff010c0d0102030e0f101112070d0a13091214150101161502080901ff02000000000304050607000809010a0b000809010a0b0000000301ff010101010101010101010101010101010101010101010101010101ff010101010101010101010101010101010101010101010101010101ff0c00000040092900aa0000000000000021001b0000000000040000002701ffff030000000000>

Ответ:
а) τ>max>=68,4МПа;
φ>0
>>max>=1,63
>0100090000030407000000008e04000000008e04000026060f001209574d4643010000000000010031c20000000001000000f008000000000000f0080000010000006c00000000000000000000001a000000200000000000000000000000a20200003803000020454d4600000100f00800000c00000001000000000000000000000000000000000500002003000040010000c800000000000000000000000000000000e20400400d0300460000002c00000020000000454d462b014001001c000000100000000210c0db01000000600000006000000046000000d4020000c8020000454d462b224004000c000000000000001e4009000c00000000000000244001000c000000000000003040020010000000040000000000803f214007000c000000000000000840000520020000140200000210c0db01000000000000000000000000000000000000000100000089504e470d0a1a0a0000000d494844520000001b000000210802000000a75747c9000000017352474200aece1ce9000000097048597300000ec400000ec401952b0e1b0000019a49444154484bed553b8e83400c357b125634293804d2364469b901db446967c519506857db901ba445a1899843506cb30a3761ed990186f019a2a489143730f6f861fb61dbaaeb1a1e2a6f0f45136075c174503fbd5c521f009f8d015f3111146120196a3435e04d746585f02998b82c5da58e70e90d750a08352d24aa197968ba7ed6defe14da320e56ec3d7a7a1b06e55f05767852367ba5422573f50b8ef250a9de50c7eab0b648de3ff3b64e3c838df870279388141709cf12701d1be1b6f0a34ad3b8f3af78b5bb02ec98e94aa351a0d1d0d2028c1197beafe5ae3e213088998190b7e26accdc10af07d15177431dfbe50270830f9d13db71e58df10825db9301ce19ac67e8c2ebeadc7d7e86aceff87b26eaf342ec17460daff541ce202163ba4139671a8ac6364e98ae1b71c4e3b93f2006fe0666dc20f0938ccb38785606811a07d38d60e2da092396c494797588210a1d634f9910c5a2c98fe78a7f1f83e1bc1ec137234ac86d5cf6c7e164ac0b10c1dba590bb51b3250d792f41a4cd5acb5dbb44e61609f9eb93bcd95eb3ffcf6b9a2d29bbf9ce3f5c09e821da423eb30000000049454e44ae4260820000000840010824000000180000000210c0db01000000030000000000000000000000000000001b40000040000000340000000100000002000000000000bf000000bf0000d8410000044203000000000000b3000000b3ffffd741000000b3000000b3ffff03422100000008000000620000000c00000001000000150000000c00000004000000150000000c0000000400000051000000b804000000000000000000001a00000020000000000000000000000000000000000000001b0000002100000050000000cc0000001c0100009c030000000000002000cc001b00000021000000280000001b000000210000000100080000000000000000000000000000000000290000000000000000000000ffffff0074bfff00df9c4800489cdf0048000000bfdf9c00000074009c480000ffffdf009cdfff00000048000074bf00ffbf7400dfffff0000489c0074000000ffffbf00bfffff009c48480048007400ffdf9c00749cdf0048489c007474bf00bf7474004874bf0000747400004848009c749c009c48740048484800bf74000048487400480048009c9c7400740048009c9c480074489c00bfffbf0074bfdf00010101010101010101010101010101010101010101010101010101ff010101010101010101010101010101010101010101010101010101ff010101010101010101010101010101010101010101010101010101ff010101010101010101010101010101010101010101010101010101ff01010101010101010a0b101101010e0f0008090101010101010101ff010101010101010101040d01010101121415010101010101010101ff010101010101010101040d01042001121415010101010101010101ff010101010101010101040d12141f15121415010101010101010101ff010101010101010101040d02082803121415010101010101010101ff010101010101010101040d0c030e26271415010101010101010101ff010101010101010101042324110102251415010101010101010101ff010101010101010101041f20010112212215010101010101010101ff01010101010101010a0b0515010101040008090101010101010101ff010101010101010101010101010101010101010101010101010101ff010101010101010101010101010101010101010101010101010101ff010101010101010101010101010101010101010101010101010101ff010101010101010101010101010101010101010101010101010101ff010101010101010101010101010101010101010101010101010101ff010101010101010101010101010101010101010101010101010101ff000000000000000000000000000000000000000000000000000000ff010101010101010101010101010101010101010101010101010101ff010101010101010101010101010101010101010101010101010101ff010101010101040010110101010101010101010101010101010101ff0101010101010e0f0d0101010101010101010e1d09010101121e09ff0101010101010e0f0d0101010101010101010e17150101010a1309ff0200051501010e0f00000003010a0b00101b051c00000000000809ff010c0d0101010e0f030112070d040301121415011a150102080901ff010c0d0101010e0f0d01010c030104000005150112190102080901ff010c0d0101010e0f0d01010c030101010e17150101181102080901ff010c0d0102030e0f101112070d0a13091214150101161502080901ff02000000000304050607000809010a0b000809010a0b0000000301ff010101010101010101010101010101010101010101010101010101ff010101010101010101010101010101010101010101010101010101ff4c0000006400000000000000000000001a0000002000000000000000000000001b000000210000002900aa0000000000000000000000803f00000000000000000000803f0000000000000000000000000000000000000000000000000000000000000000220000000c000000ffffffff460000001c00000010000000454d462b024000000c000000000000000e000000140000000000000010000000140000000400000003010800050000000b0200000000050000000c0221001b00030000001e000400000007010400040000000701040041020000410b2000cc0021001b000000000021001b0000000000280000001b000000210000000100080000000000000000000000000000000000290000000000000000000000ffffff0074bfff00df9c4800489cdf0048000000bfdf9c00000074009c480000ffffdf009cdfff00000048000074bf00ffbf7400dfffff0000489c0074000000ffffbf00bfffff009c48480048007400ffdf9c00749cdf0048489c007474bf00bf7474004874bf0000747400004848009c749c009c48740048484800bf74000048487400480048009c9c7400740048009c9c480074489c00bfffbf0074bfdf00010101010101010101010101010101010101010101010101010101ff010101010101010101010101010101010101010101010101010101ff010101010101010101010101010101010101010101010101010101ff010101010101010101010101010101010101010101010101010101ff01010101010101010a0b101101010e0f0008090101010101010101ff010101010101010101040d01010101121415010101010101010101ff010101010101010101040d01042001121415010101010101010101ff010101010101010101040d12141f15121415010101010101010101ff010101010101010101040d02082803121415010101010101010101ff010101010101010101040d0c030e26271415010101010101010101ff010101010101010101042324110102251415010101010101010101ff010101010101010101041f20010112212215010101010101010101ff01010101010101010a0b0515010101040008090101010101010101ff010101010101010101010101010101010101010101010101010101ff010101010101010101010101010101010101010101010101010101ff010101010101010101010101010101010101010101010101010101ff010101010101010101010101010101010101010101010101010101ff010101010101010101010101010101010101010101010101010101ff010101010101010101010101010101010101010101010101010101ff000000000000000000000000000000000000000000000000000000ff010101010101010101010101010101010101010101010101010101ff010101010101010101010101010101010101010101010101010101ff010101010101040010110101010101010101010101010101010101ff0101010101010e0f0d0101010101010101010e1d09010101121e09ff0101010101010e0f0d0101010101010101010e17150101010a1309ff0200051501010e0f00000003010a0b00101b051c00000000000809ff010c0d0101010e0f030112070d040301121415011a150102080901ff010c0d0101010e0f0d01010c030104000005150112190102080901ff010c0d0101010e0f0d01010c030101010e17150101181102080901ff010c0d0102030e0f101112070d0a13091214150101161502080901ff02000000000304050607000809010a0b000809010a0b0000000301ff010101010101010101010101010101010101010101010101010101ff010101010101010101010101010101010101010101010101010101ff0c00000040092900aa0000000000000021001b0000000000040000002701ffff030000000000>>
>;
б)
τ>max>=27,6
МПа; φ>0
>>max>=0,4
>0100090000030407000000008e04000000008e04000026060f001209574d4643010000000000010031c20000000001000000f008000000000000f0080000010000006c00000000000000000000001a000000200000000000000000000000a20200003803000020454d4600000100f00800000c00000001000000000000000000000000000000000500002003000040010000c800000000000000000000000000000000e20400400d0300460000002c00000020000000454d462b014001001c000000100000000210c0db01000000600000006000000046000000d4020000c8020000454d462b224004000c000000000000001e4009000c00000000000000244001000c000000000000003040020010000000040000000000803f214007000c000000000000000840000520020000140200000210c0db01000000000000000000000000000000000000000100000089504e470d0a1a0a0000000d494844520000001b000000210802000000a75747c9000000017352474200aece1ce9000000097048597300000ec400000ec401952b0e1b0000019a49444154484bed553b8e83400c357b125634293804d2364469b901db446967c519506857db901ba445a1899843506cb30a3761ed990186f019a2a489143730f6f861fb61dbaaeb1a1e2a6f0f45136075c174503fbd5c521f009f8d015f3111146120196a3435e04d746585f02998b82c5da58e70e90d750a08352d24aa197968ba7ed6defe14da320e56ec3d7a7a1b06e55f05767852367ba5422573f50b8ef250a9de50c7eab0b648de3ff3b64e3c838df870279388141709cf12701d1be1b6f0a34ad3b8f3af78b5bb02ec98e94aa351a0d1d0d2028c1197beafe5ae3e213088998190b7e26accdc10af07d15177431dfbe50270830f9d13db71e58df10825db9301ce19ac67e8c2ebeadc7d7e86aceff87b26eaf342ec17460daff541ce202163ba4139671a8ac6364e98ae1b71c4e3b93f2006fe0666dc20f0938ccb38785606811a07d38d60e2da092396c494797588210a1d634f9910c5a2c98fe78a7f1f83e1bc1ec137234ac86d5cf6c7e164ac0b10c1dba590bb51b3250d792f41a4cd5acb5dbb44e61609f9eb93bcd95eb3ffcf6b9a2d29bbf9ce3f5c09e821da423eb30000000049454e44ae4260820000000840010824000000180000000210c0db01000000030000000000000000000000000000001b40000040000000340000000100000002000000000000bf000000bf0000d8410000044203000000000000b3000000b3ffffd741000000b3000000b3ffff03422100000008000000620000000c00000001000000150000000c00000004000000150000000c0000000400000051000000b804000000000000000000001a00000020000000000000000000000000000000000000001b0000002100000050000000cc0000001c0100009c030000000000002000cc001b00000021000000280000001b000000210000000100080000000000000000000000000000000000290000000000000000000000ffffff0074bfff00df9c4800489cdf0048000000bfdf9c00000074009c480000ffffdf009cdfff00000048000074bf00ffbf7400dfffff0000489c0074000000ffffbf00bfffff009c48480048007400ffdf9c00749cdf0048489c007474bf00bf7474004874bf0000747400004848009c749c009c48740048484800bf74000048487400480048009c9c7400740048009c9c480074489c00bfffbf0074bfdf00010101010101010101010101010101010101010101010101010101ff010101010101010101010101010101010101010101010101010101ff010101010101010101010101010101010101010101010101010101ff010101010101010101010101010101010101010101010101010101ff01010101010101010a0b101101010e0f0008090101010101010101ff010101010101010101040d01010101121415010101010101010101ff010101010101010101040d01042001121415010101010101010101ff010101010101010101040d12141f15121415010101010101010101ff010101010101010101040d02082803121415010101010101010101ff010101010101010101040d0c030e26271415010101010101010101ff010101010101010101042324110102251415010101010101010101ff010101010101010101041f20010112212215010101010101010101ff01010101010101010a0b0515010101040008090101010101010101ff010101010101010101010101010101010101010101010101010101ff010101010101010101010101010101010101010101010101010101ff010101010101010101010101010101010101010101010101010101ff010101010101010101010101010101010101010101010101010101ff010101010101010101010101010101010101010101010101010101ff010101010101010101010101010101010101010101010101010101ff000000000000000000000000000000000000000000000000000000ff010101010101010101010101010101010101010101010101010101ff010101010101010101010101010101010101010101010101010101ff010101010101040010110101010101010101010101010101010101ff0101010101010e0f0d0101010101010101010e1d09010101121e09ff0101010101010e0f0d0101010101010101010e17150101010a1309ff0200051501010e0f00000003010a0b00101b051c00000000000809ff010c0d0101010e0f030112070d040301121415011a150102080901ff010c0d0101010e0f0d01010c030104000005150112190102080901ff010c0d0101010e0f0d01010c030101010e17150101181102080901ff010c0d0102030e0f101112070d0a13091214150101161502080901ff02000000000304050607000809010a0b000809010a0b0000000301ff010101010101010101010101010101010101010101010101010101ff010101010101010101010101010101010101010101010101010101ff4c0000006400000000000000000000001a0000002000000000000000000000001b000000210000002900aa0000000000000000000000803f00000000000000000000803f0000000000000000000000000000000000000000000000000000000000000000220000000c000000ffffffff460000001c00000010000000454d462b024000000c000000000000000e000000140000000000000010000000140000000400000003010800050000000b0200000000050000000c0221001b00030000001e000400000007010400040000000701040041020000410b2000cc0021001b000000000021001b0000000000280000001b000000210000000100080000000000000000000000000000000000290000000000000000000000ffffff0074bfff00df9c4800489cdf0048000000bfdf9c00000074009c480000ffffdf009cdfff00000048000074bf00ffbf7400dfffff0000489c0074000000ffffbf00bfffff009c48480048007400ffdf9c00749cdf0048489c007474bf00bf7474004874bf0000747400004848009c749c009c48740048484800bf74000048487400480048009c9c7400740048009c9c480074489c00bfffbf0074bfdf00010101010101010101010101010101010101010101010101010101ff010101010101010101010101010101010101010101010101010101ff010101010101010101010101010101010101010101010101010101ff010101010101010101010101010101010101010101010101010101ff01010101010101010a0b101101010e0f0008090101010101010101ff010101010101010101040d01010101121415010101010101010101ff010101010101010101040d01042001121415010101010101010101ff010101010101010101040d12141f15121415010101010101010101ff010101010101010101040d02082803121415010101010101010101ff010101010101010101040d0c030e26271415010101010101010101ff010101010101010101042324110102251415010101010101010101ff010101010101010101041f20010112212215010101010101010101ff01010101010101010a0b0515010101040008090101010101010101ff010101010101010101010101010101010101010101010101010101ff010101010101010101010101010101010101010101010101010101ff010101010101010101010101010101010101010101010101010101ff010101010101010101010101010101010101010101010101010101ff010101010101010101010101010101010101010101010101010101ff010101010101010101010101010101010101010101010101010101ff000000000000000000000000000000000000000000000000000000ff010101010101010101010101010101010101010101010101010101ff010101010101010101010101010101010101010101010101010101ff010101010101040010110101010101010101010101010101010101ff0101010101010e0f0d0101010101010101010e1d09010101121e09ff0101010101010e0f0d0101010101010101010e17150101010a1309ff0200051501010e0f00000003010a0b00101b051c00000000000809ff010c0d0101010e0f030112070d040301121415011a150102080901ff010c0d0101010e0f0d01010c030104000005150112190102080901ff010c0d0101010e0f0d01010c030101010e17150101181102080901ff010c0d0102030e0f101112070d0a13091214150101161502080901ff02000000000304050607000809010a0b000809010a0b0000000301ff010101010101010101010101010101010101010101010101010101ff010101010101010101010101010101010101010101010101010101ff0c00000040092900aa0000000000000021001b0000000000040000002701ffff030000000000>>
>.
Задача №7
Определить требуемые размеры поперечного сечения бруса, если предел текучести τ>m>=140 МПа, а требуемый коэффициент запаса прочности [n]=2,5

Ответ: d=65мм
Задача №8
Вал передает момент М=10кНМ
Подобрать размеры поперечного сечения вала для 2x случаев: а) сплошного кругового сечения; б) кольца при d>1>= >010009000003cc0300000000c00200000000c002000026060f007605574d4643010000000000010067a10000000001000000540500000000000054050000010000006c000000000000000000000007000000220000000000000000000000c70000006a03000020454d4600000100540500000c00000001000000000000000000000000000000000500002003000040010000c800000000000000000000000000000000e20400400d0300460000002c00000020000000454d462b014001001c000000100000000210c0db010000006000000060000000460000000c02000000020000454d462b224004000c000000000000001e4009000c00000000000000244001000c000000000000003040020010000000040000000000803f214007000c0000000000000008400005580100004c0100000210c0db01000000000000000000000000000000000000000100000089504e470d0a1a0a0000000d49484452000000080000002308020000002606dc29000000017352474200aece1ce9000000097048597300000ec400000ec401952b0e1b000000d249444154384f63fcffff3f0336c084551424f8fffffe1274498f39f7ff63d351529eacc0c0c4f0e0ee9592fd409b2000a8bdc4db01621412000a838c01016489fb733ce0e2c8122047200c85eb0029471287e9000bc38c07db0175ee831b3b183c429c15103e62243948708615e91238437d405d852f314022140ea0610c4f25902882a800b1c18901c8f6d00007b98206305e18aedc7d004c250aca3a40f68e1b0f4012a07881460c38bac011080148a9046c2e948f6cc781ad3d40091d654c3be0f6c1ec80a84238126a0934695131d801c69fe1e3ca36219d0000000049454e44ae4260820000000840010824000000180000000210c0db01000000030000000000000000000000000000001b40000040000000340000000100000002000000000000bf000000bf0000004100000c4203000000000000b3000000b3ffffff40000000b3000000b3ffff0b422100000008000000620000000c00000001000000150000000c00000004000000150000000c0000000400000051000000e401000000000000000000000700000022000000000000000000000000000000000000000800000023000000500000007c000000cc00000018010000000000002000cc0008000000230000002800000008000000230000000100080000000000000000000000000000000000150000000000000000000000ffffff00bfffff000000740048000000ffdf9c00bf7400009cdfff00bf7448000074bf00ffbf740074bfff009c480000ffffdf00dfffff0000489c00df9c480074000000ffffbf00489cdf0000004800010101010101010101010101010101010101010101010101010b00000011120107140c0d020311120b0006010e0f040502030c0d02031112010e0f00000c0d010203111202030c0d07140c0d0e0f0405020311120203111201020300000405010101010101010101010101010101010101010101010101010101010101010101010101010101010101010101010101010000000000000000010101010101010101010101010101010101010101010101010101010101010101010101010101010101090c0d010101010113040501010101010e0f060101010101010b111201010101010e0f100101010101010b0c0d010708010101090a0102030000000006010203000000000405010101010101010101010101010101014c0000006400000000000000000000000700000022000000000000000000000008000000230000002900aa0000000000000000000000803f00000000000000000000803f0000000000000000000000000000000000000000000000000000000000000000220000000c000000ffffffff460000001c00000010000000454d462b024000000c000000000000000e000000140000000000000010000000140000000400000003010800050000000b0200000000050000000c0223000800030000001e0004000000070104000400000007010400d7000000410b2000cc00230008000000000023000800000000002800000008000000230000000100080000000000000000000000000000000000150000000000000000000000ffffff00bfffff000000740048000000ffdf9c00bf7400009cdfff00bf7448000074bf00ffbf740074bfff009c480000ffffdf00dfffff0000489c00df9c480074000000ffffbf00489cdf0000004800010101010101010101010101010101010101010101010101010b00000011120107140c0d020311120b0006010e0f040502030c0d02031112010e0f00000c0d010203111202030c0d07140c0d0e0f0405020311120203111201020300000405010101010101010101010101010101010101010101010101010101010101010101010101010101010101010101010101010000000000000000010101010101010101010101010101010101010101010101010101010101010101010101010101010101090c0d010101010113040501010101010e0f060101010101010b111201010101010e0f100101010101010b0c0d010708010101090a0102030000000006010203000000000405010101010101010101010101010101010c00000040092900aa000000000000002300080000000000040000002701ffff030000000000> Д.
Сравнить сечения с точки зрения экономии материала.
Допускаемое касательное напряжение [τ>к>]=60МПа.
Ответ:
d=94мм;
Д=127мм; d>1>=111мм;
>>>
>
≈ 2,35.
Список литературы
Ицкович Г.М. «Сопротивление материалов» М.: Высшая школа, 2005.
Аркуша А.И. «Техническая механика», «Теоретическая механика и сопротивление материалов». М.: Высшая школа., 2002
Вереина Л.М, Краснов М.М. «Техническая механика» М.: Академия., 2008