Линейные электрические цепи (работа 1)
Министерство образования Российской Федерации
Государственное образовательное учреждение
высшего профессионального образования
Череповецкий Государственный Университет
Кафедра Электропривода и электротехники
Курсовая работа
по дисциплине «Электротехника и электроника»
Выполнил студент
группы 5 ЭН – 22
Малинин М.С.
Проверил доцент
Кудрявцева А.К.
г. Череповец
2007 г
СОДЕРЖАНИЕ
ВВЕДЕНИЕ 3
ОСНОВНАЯ ЧАСТЬ 6
ЗАДАЧА 1 6
Метод контурных токов 7
Метод узловых потенциалов 9
ЗАДАЧА 2 11
ЗАДАЧА 3 13
ЗАДАЧА 4 15
СПИСОК ЛИТЕРАТУРЫ 17
ВВЕДЕНИЕ
Полупроводниковый диод, двухэлектродный электронный прибор на основе полупроводникового (ПП) кристалла. Понятие «Полупроводниковый диод» объединяет различные приборы с разными принципами действия, имеющие разнообразное назначение.
В полупроводниковых диодах используется свойство p-n перехода, а также других электрических переходов, а также других электрических переходов хорошо проводить электрический ток в одном направлении и плохо – в противоположном. Эти токи и соответствующие им напряжения между выводами диода называются прямым и обратным токами, прямым и обратным напряжениями.
По способу изготовления различают сплавные диоды, диоды с диффузионной базой и точечные диоды. В диодах двух первых типов переход получается методами сплавления пластин p- и n-типов или диффузии в исходную полупроводниковую пластину примесных атомов. При этом p-n-переход создается на значительной площади (до 1000 мм2). В точечных диодах площадь перехода меньше 0,1 мм2. они применяются главным образом в аппаратуре сверхвысоких частот при значении прямого тока 10 – 20 мА.
По функциональному назначению полупроводниковые диоды делятся на выпрямительные, импульсные, стабилитроны, фотодиоды, светоизлучающие диоды и т.д.
Выпрямительные диоды предназначены для преобразования переменного тока и выполняются по сплавной или диффузионной технологии. Прямой ток диода направлен от анодного А к катодному К выводу. Нагрузочную способность выпрямительного диода определяют: допустимый прямой ток I>пр> и соответствующее ему прямое напряжение U>пр>, допустимое обратное напряжение U>обр> и соответствующий ему обратный ток I>обр>, допустимая мощность рассеяния P>рас> и допустимая температура окружающей среды (до 50 0С для германиевых и до 140 0С для кремниевых диодов).
Вследствие большой площади p-n-перехода допустимая мощность рассеяния выпрямительных диодов малой мощности с естественным охлаждением достигает 1 Вт при значениях прямого тока до 1 А. Такие диоды часто применяются в цепях автоматики и в приборостроении. У выпрямительных диодов большой мощности с радиаторами и искусственным охлаждением (воздушным или водяным) допустимая мощность рассеяния достигает 10 кВт при значениях допустимых прямого тока до 1000 А и обратного напряжения до 1500 В.
Импульсные диоды предназначены для работы в цепях формирования импульсов напряжения и тока.
Стабилитроны, называемые также опорными диодами, предназначены для стабилизации напряжения. В этих диодах используется явление неразрушающего электрического пробоя (лавинного пробоя) p-n-перехода при определенных значениях обратного напряжения U>обр> = U>проб>.
Следует отметить основные причины отличия характеристик реальных диодов от идеализированных. Обратимся к прямой ветви вольт-амперной характеристики диода (u > 0, ί > 0). Она отличается от идеализированной из-за того, что в реальном случае на нее влияют:
сопротивления слоев полупроводника (особенно базы);
сопротивления контактов металл-полупроводник.
Важно, что сопротивление базы может существенно зависеть от уровня инжекции (уровень инжекции показывает, как соотносится концентрация инжектированных неосновных носителей в базе на границе перехода с концентрацией основных носителей в базе). Влияние указанных сопротивлений приводит к тому, что напряжение на реальном диоде при заданном токе несколько больше (обычно на доли вольта).
Обратимся к обратной ветви (u < 0, ί < 0). Основные причины того, что реально обратный ток обычно на несколько порядков больше теплового тока ί>s>, следующие:
термогенерация носителей непосредственно в области p-n-перехода;
поверхностные утечки.
Термогенерация в области p-n-перехода оказывает существенное влияние на ток потому, что область перехода обеднена подвижными носителями заряда, и процесс рекомбинации (обратный процессу генерации и в определенном смысле уравновешивающий его) здесь замедлен.
ОСНОВНАЯ ЧАСТЬ
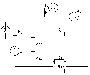
ЗАДАЧА 1 Линейные электрические цепи постоянного тока
Для электрической схемы выполнить следующее:
Упростить схему, заменив последовательно и параллельно соединенные резисторы четвертой и шестой ветвей эквивалентными, а источники тока преобразовать в источники напряжения. Дальнейший расчет вести для упрощенной схемы.
Указать на схеме положительное направление токов в ветвях и обозначить эти токи.
Определить токи во всех ветвях схемы методом контурных токов.
Определить токи во всех ветвях схемы методом узловых потенциалов.

Метод контурных токов
Дано:

R>1> = 19,5 Ом E>1 >= 25,8 В
R>2 >= 60 Ом E>2 >= 37,5 В
R>3 >= 90 Ом E>3 >= 0 В
R>4.1 >= 150 Ом I>1 >= 0,04 А
R>4.2 >= 600 Ом I>2 >= 0 А
R>5 >= 165 Ом I>3 >= 0 А
R>6.1 >= 40 Ом R>6.2 >= 27,5 Ом
Решение:
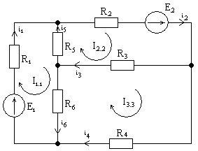
Находим в схеме элементы, соединенные параллельно или последовательно, и заменяем их эквивалентными
R>4> = R>4.1>· R>4.2 >/ (R>4.1 >+ R>4.2 >) = 150 · 600 / (150 + 600) = 120 Ом
R>6> = R>6.1 >+ R>6.2 >= 40 + 27,5 = 67,5 Ом
Определяем ЭДС
E>1>’> >= I>1 >· R>1> = 0,04 · 19,5 = 0,78 В
E>2>’> >= I>2>> >· R>2> = 0 · 60 = 0 В
E>1>*> >= E>1> – E>1>’> >= 25,8 – 0,78 = 25,02 В
E>2>*> >= E>2>’> >– E>2> = 37,5 – 0 = 37,5 В
Составляем систему уравнений
I>1.1
>· (R>1>
+ R>5 >+
R>6>)
– I>2.2 >·
R>5 >–
I>3.3 >·
R>6>
= E>1>
I>1.1 >· R>5 >+ I>2.2 >· (R>2> + R>3 >+ R>5>) – I>3.3 >· R>3 >= – E>2>
>6 >– I>2.2 >· R>3 >+ I>3.3 >· (R>3> + R>4 >+ R>6>) = 0
Переписываем систему уравнений с числовыми коэффициентами
I
>1.1
>· (19,5 + 165 +
67,5) – I>2.2 >·
165> >–
I>3.3 >·
67,5 = 25,02
– I>1.1 >· 165> >+ I>2.2 >· (60 + 90 + 165) – I>3.3 >· 90> >= 37,5
I>1.1 >· 67,5> >– I>2.2 >· 90> >+ I>3.3 >· (90 + 120> >+ 67,5) = 0
2
52
I>1.1>
– 165 I>2.2 >–
67,5 I>3.3>
= 25,02
– 165 I>1.1 >+ 315 I>2.2> – 90 I>3.3 >= 37,5
– 67,5 I>1.1 >– 90 I>2.2 >+ 277,5 I>3.3> = 0
Считаем определители системы

252 – 165 – 67,5
Δ = – 165 315 – 90 = 22 027 950 – 1 002 375 – 1 002 375 –
– 67,5 – 90 277,5
– 1 435 218,75 – 2 041 200 – 7 554 937,5 = 8 991 843,75

25,02
– 165 – 67,5
Δ>1> = 37,5 315 – 90 = 2 187 060,75 + 2 278 812,5 +
0 – 90 277,5
+ 797 343,75 – 202 662 + 1 717 031,25 = 4 726 586,25

252 25,02 – 67,5
Δ>2> = – 165 37,5 – 90 = 2 622 375 + 151 996,5 –
– 67,5 0 277,5
170 859,375 + 1 145 603,25 = 3 749 115,375

252 – 165 25,02
Δ>3> = – 165 315 37,5 = 371 547 + 417 656,25 + 531 987,75 +
– 67,5 – 90 0
+ 850 500 = 2 171 691
Определяем контурные токи
I>1.1 >= Δ>1> / Δ = 0,526
I>2.2 >= Δ>2> / Δ = 0,417
I>3.3 >= Δ>3> / Δ = 0,242
Используя II закон Кирхгофа, определяем токи в цепях
ί>1> = I>1.1 >= 0,526 А ί>4> = I>3.3 >= 0,242 А
ί>2> = I>2.2 >= 0,417 А ί>5> = I>2.2 >– I>1.1 >= – 0,109 А
ί>3> = I>2.2 >– I>3.3 >= 0,175 А ί>6> = I>1.1 >– I>3.3 >= 0,284 А
Проверка
ί>5> + ί>1> – ί>2> = – 0,109 + 0,526 – 0,417 = 0
ί>3> – ί>6> – ί>5> = 0,175 – 0,284 + 0,109 = 0
ί>6> + ί>4> – ί>1> = 0,284 + 0,242 – 0,526 = 0
ί>2> – ί>3> – ί>4> = 0,417 – 0,175 – 0,242 = 0
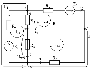
Метод узловых потенциалов
Дано:

R>1> = 19,5 Ом E>1 >= 25,8 В
R>2 >= 60 Ом E>2 >= 37,5 В
R>3 >= 90 Ом E>3 >= 0 В
R>4.1 >= 150 Ом I>1 >= 0,04 А
R>4.2 >= 600 Ом I>2 >= 0 А
R>5 >= 165 Ом I>3 >= 0 А
R>6.1 >= 40 Ом R>6.2 >= 27,5 Ом
Решение:
Определяем собственную проводимость узла, которая равна сумме проводимостей, сходящихся в узле
g>1> = 1 / R>1> = 0,05 g>4> = 1 / R>4> = 0,01
g>2> = 1 / R>2> = 0,02 g>5> = 1 / R>5> = 0,01
g>3> = 1 / R>3> = 0,01 g>6> = 1 / R>6> = 0,01
Определяем взаимную проводимость в узле, которая равна проводимости ветви, соединяющей два узла
g>1.1> = g>4> + g>2> + g>3> = 0,04 g>1.2> = g>2.1> = g>3> = 0,01
g>2.2> = g>3 >+ g>5> + g>6> = 0,03 g>2.3> = g>3.2> = g>5> = 0,01
g>3.3> = g>1> + g>2> + g>5> = 0,08 g>1.3> = g>3.1> = g>2> = 0,02
Определяем сумму токов от источников, которые находятся в ветвях, сходящихся в данном узле
I>1.1> = – E>2> / R>2 >= – 37,5 / 60 = – 0,625
I>2.2> = 0
I>3.3> = E>1 >/ R>1> + E>2 >/ R>2 >= 25,02 / 19,5 + 37,5 / 60 = 1,905
Записываем в общем виде систему уравнений
u
>1>
· g>1.1>
– u>2>
· g>1.2>
– u>3>
· g>1.3>
= I>1.1>
– u>1> · g>2.1> + u>2> · g>2.2> – u>3> · g>2.3> = I>2.2>
– u>1> · g>3.1> – u>2> · g>3.2> + u>3> · g>3.3> = I>3.3>
Переписываем систему уравнений с числовыми коэффициентами
0
,04
u>1>
– 0,01 u>2>
– 0,02 u>3>
= – 0,63
– 0,01 u>1> + 0,03 u>2> – 0,01 u>3> = 0
– 0,02 u>1> – 0,01 u>2> + 0,08 u>3> = 1,91
Считаем определители системы
0
,04
– 0,01 – 0,02
Δ = – 0,01 0,03 – 0,01 = 0,000096 – 0,000002 – 0,000002 –
– 0,02 – 0,01 0,08
– 0,000012 – 0,000004 – 0,000008 = 0,000068

– 0,63 – 0,01 – 0,02
Δ>1> = 0 0,03 – 0,01 = – 0,001512 + 0,000191 + 0,001146 +
1,91 – 0,01 0,08
+ 0,000063 = – 0,000112

0,04 – 0,63 –
0,02
Δ>2> = – 0,01 0 – 0,01 = – 0,000126 + 0,000382 + 0,000764 –
– 0,02 1,91 0,08
– 0,000504 = 0,000516

0,04 – 0,01 –
0,63
Δ>3> = 0,01 0,03 0 = 0,002292 – 0,000063 – 0,000378 –
– 0,02 – 0,01 1,91
– 0,000191 = 0,00166
Определяем узловые напряжения
U>1.1> = Δ>1> / Δ = – 1,647 В
U>2.2> = Δ>2> / Δ = 7,588 В
U>3.3> = Δ>3> / Δ = 24,412 В
Используя II закон Кирхгофа, определяем токи в ветвях
ί>1> = (E>1 >– U>3>) / R>1> = (25,02 – 24,412) / 19,5 = 0,03 А
ί>2> = (– E>2 >– U>1 >+ U>3>) / R>2> = (– 37,5 + 1,647 + 24,412) / 60 = – 0,19 А
ί>3> = (U>1 >– U>2>) / R>3> = (– 1,647 – 7,588) / 90 = – 0,1 А
ί>4> = U>1 >/ R>4> = – 1,647 / 120 = – 0,01 А
ί>5> = (– U>3 >+ U>2>) / R>5> = (– 24,412 + 7,588) / 165 = – 0,1 А
ί>6> = U>2>> >/ R>6> = 7,588 / 67,5 = 0,11 А
Проверка
ί>5> + ί>1> – ί>2> = – 0,1 + 0,03 + 0,191 = 0,12
ί>3> – ί>6> – ί>5> = – 0,1 – 0,11 + 0,11 = – 0,11
ί>6> + ί>4> – ί>1> = 0,11 – 0,01 – 0,03 = 0,07
ί2 – ί3 – ί4 = – 0,19 + 0,1 + 0,01 = – 0,08
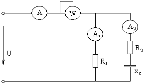
ЗАДАЧА 2 Линейные электрические цепи синусоидального тока
В сеть переменного тока с действующим значением напряжения U включена цепь, состоящая из двух параллельных ветвей. Определить показания приборов, реактивную мощность цепи, коэффициент мощности и построить векторную диаграмму напряжений. Указать на схеме положительное направление токов в ветвях и обозначить эти токи.

Дано:
R>1> = 8 Ом
R>2 >= 2 Ом
U = 127 В
јx >c> = 17 Ом
Решение:
Примем начальную фазу напряжения равной нулю
Ů = 127 е ј0 В
Определяем комплексное сопротивление
z >1> = R>1> = 8 Ом
z >2> = R>2> – јx >c> = √2 2 + 17 2 · е – ј arctg 17/4 = 17,1 е – 77
По закону Ома определяем комплексные точки
İ >1> = Ů / z >1> = 127 е ј0 / 8 = 15,9 е ј0 А
İ >2> = Ů / z >2> = 127 е ј0 / 17,1 е – 77 = 7,4 е ј 77 =
= 7,4 · cos 77 + ј 7,4 · sin 77 = 1,7 + ј 7,2
Определяем полный комплексный ток
İ = İ >1> + İ >2> = 15,9 е ј0 + 7,4 е ј 77 = 15,9 cos 0 + ј 15,9 sin 0 +
+ 7,4 cos 77 + ј 7,4 sin 77 = 17,5 + ј 7,2 =
= √17,5 2 + 7,2 2 · е ј arctg 7,23/17,544 = 18,9 · е ј 22
А
18,9 А
А>1
>> >15,9
А
А>2
>7,4 А
Определяем полную мощность
S = İ · Ů = 18,9 е ј 22 · 127 е ј0 = 2410,5 е ј 22 =
= 2410,5 cos 22 + ј 2410,5 sin 22 = 2234,9 + ј 902,9
İ = 18,9 · е ј 22 S = 2410,5 ВА
P = 2234,9 Вт Q = 902,9 ВАР
Определяем коэффициент мощности
cos φ = P / S = 0,93
ЗАДАЧА 3 Линейные электрические цепи синусоидального тока
В цепь переменного тока с мгновенным значением напряжения
U = U >m> sin ωt промышленной частоты f = 50 Гц включены резистор и конденсатор. Определить показания приборов, реактивную и полную мощность цепи. Построить треугольник напряжений и векторную диаграмму напряжений.
Дано:
R = 2 Ом
U>m> = 282 В
x >c> = 17 Ом
Решение:
Определяем напряжение на зажимах цепи
U = U>m> / √2 = 282 / 1,41 = 200 В
Определяем накопленное емкостное сопротивление
– јx >c> = – ј 17 = 17 е – ј 90
Определяем полное комплексное
сопротивление цепи z
Z
= R
– јx
>c>
= 2 – ј 17 = √2 2
+ 17 2 · е –
ј arctg
17/2 = 17,1 е –
ј 83
Начальную фазу напряжения примем равной нулю
Ů = 200 е ј0 В
Определяем комплексный ток по закону Ома
İ = Ů / Z
= 200 е ј0 /
17,1 е – ј
83 = 11,7 е ј
83
тогда показания амперметра I>А> = 11,7 А
Определяем комплексное напряжение на R
Ů>R> = I R = 11,7 е ј 83 · 2 = 23,4 е ј 83 =
= 23,4 cos 83 + ј 23,4 sin 83= 2,9 + ј23,2
Определяем напряжение на емкости
Ů>c> = İ (– ј x >c>) = 11,7 е ј 83 · 17 е – ј 90 = 198,6 е – ј 7 =
= 198,6 cos 7 – ј 198,6 sin 7 = 197,1 – ј 24,2
тогда показания вольтметра U>c> = 198,6 В
Определяем полную комплексную мощность цепи
Ŝ = I* · Ů = 11,7 е -ј 83 · 200 е ј0 = 2336 е -ј 83 =
= 2336 cos 83 – ј 2336 sin 83 = 284,7 – ј 2318,6
S = 2336 ВА
P = 284,7Вт Q = 2318,6 ВАР
Определяем показатель фазометра
φ = φ>u> – φ>ί> = 0 – 83 = – 83
тогда показания фазометра cos φ = cos (– 83) = 0,12
ЗАДАЧА 4 Трехфазные электрические цепи синусоидального тока
В трехфазную сеть с линейным напряжением U>л> (действующее значение напряжения) по схеме «треугольник/треугольник» включены активно-индуктивные приемники. Определить фазные и линейные токи в нагрузке, активную мощность всей цепи и каждой фазы отдельно.

Дано:
R>АВ> = 8 Ом U>л >= 127 В X>СА >= 3 Ом R>СА >= 2 Ом
R>ВС >= 3 Ом X>АВ >= 6 Ом X>В>>C>> >= 17 Ом
Решение:
Т. к. рассматриваем соединение «треугольник/треугольник», то
U>п> = U>до>
Ů>АВ >= 127 е ј 0
Ů>ВС >= 127 е – ј 120
Ů>СА >= 127 е ј 120
Определяем комплексное полное сопротивление фаз
z>АВ> = R>АВ> + ј x>АВ >= 8 + ј 6 = √82 + 62 · е ј arctg 6/8 = 10 е ј37
z>В>>C> = R>В>>C> + ј x>В>>C>> >= 3 + ј 17 = √32 + 172 · е ј arctg 17/3 = 17,3 е ј80
z>C>>А> = R>СА> + ј x>СА >= 2 + ј 3 = √22 + 32 · е ј arctg 3/2 = 3,6 е ј56
Определяем комплексные фазные токи
I>ф> = U>ф> / z>ф>
İ>АВ> = 127 е ј 0 / 10 е ј37 = 12,7 е -ј37
İ>ВС> = 127 е -ј 120 / 17,3 е ј80 = 7,3 е -ј200
İ>СА> = 127 е ј 120 / 3,6 е ј56 = 35,3 е ј64
Определим сопряженные комплексные токи фаз:
İ>АВ>* = 12,7 е ј37
İ>ВС>* = 7,3 е ј200
İ>СА>* = 35,3 е -ј64
Определяем комплексные полные мощности фаз
S = I>Ф>* · U>Ф>
S>АВ> = 12,7 е ј37 · 127 е ј 0 = 1612,9 е ј37 = 1612,9 cos 37 + ј 1612,9 sin 37 = 1288,1 + ј 970,7
S>В>>C> = 7,3 е ј200 · 127 е – ј 120 = 927,1 е -ј80 =
= 927,1 cos 80 – ј 927,1 sin 80 = 161 – ј 913
S>C>>А> = 35,3 е -ј64 · 127 е ј 120 = 4483,1 е ј56 = 4483,1 cos 56 + ј 4483,1 sin 56 =
= 2506,9 + ј 3716,7
Определяем активную мощность фаз
P>АВ> = 1288,1 Вт
P>В>>C> = 161 Вт
P>C>>А> = 2506,9 Вт
Определяем активную мощность цепи
P>ц> = P>АВ> + P>В>>C> + P>C>>А> = 3956 Вт
СПИСОК ЛИТЕРАТУРЫ
Касаткин А. С., М. В. Немцов «Электротехника»: М., Академия, 2005.
Методические указания к выполнению контрольной работы по дисциплине «Общая электротехника и электроника» для студентов заочной формы обучения.
Лачин В.И., Н.С. Савёлов «Электроника»: М., Феникс, 2002.
Лекции по дисциплине «Общая электротехника и электроника».