Магнитные цепи. Величины и законы, характеризующие магнитные поля в магнитных цепях
МАГНИТНЫЕ ЦЕПИ. ВЕЛИЧИНЫ И ЗАКОНЫ,
ХАРАКТЕРИЗУЮЩИЕ МАГНИТНЫЕ ПОЛЯ В МАГНИТНЫХ ЦЕПЯХ
Магнитное поле проявляет себя следующим образом:
В проводнике, который движется в постоянном магнитном поле, наводится ЭДС;
В неподвижном проводнике, который находится в переменном магнитном поле, наводится ЭДС;
На проводник, по которому течет ток и который находится в магнитном поле, действует механическая сила.
Параметры, характеризующие магнитное поле:

Магнитный поток - характеризуется числом силовых линий, пронизывающих поверхность площадью S.
Магнитное поле принято изображать силовыми линиями, направленными от северного к южному полюсу магнита.
[]
= [ Вб] = [ Вс].
,
где - угол между нормалью к площадке и направлением силовых линий.
Индукция
магнитного поля
характеризует интенсивность магнитного
поля в заданной точке пространства. Это
векторная величина. Направление ее
совпадает с касательной к силовой линии
[B] =[Вб/м2]
= [Тл].
Если магнитное
поле равномерное, то
.
Поток вектора индукции магнитного поля через замкнутую поверхность равен нулю
.
Силовые линии всегда замкнуты. Это принцип непрерывности силовых линий.
Напряженность
магнитного поля
- это векторная величина, которая
совпадает с направлением индукции и
характеризует интенсивность магнитного
поля в вакууме (при отсутствии магнитных
веществ). [
]
= [А/м].
,
где >a> – абсолютная магнитная проницаемость среды.
>r>=>a>/>0> – относительная магнитная проницаемость.
>0>=410-7 Гн/м – магнитная постоянная, равная абсолютной магнитной проницаемости в вакууме.
В 1831 г. Фарадей открыл закон электромагнитной индукции:
Электромагнитной индукцией называется явление возбуждения ЭДС в контуре при изменении магнитного потока, сцепленного с ним. Индуктированная ЭДС равна скорости изменения потока, сцепленного с контуром:
.
Знак «минус» выражает правило Ленца:

Ток, создаваемый в замкнутом контуре индуцированной ЭДС, всегда имеет такое направление, что магнитный поток тока противодействует изменению магнитного потока внешнего поля, его вызвавшего.
Поскольку
,
то

ЭДС, которая индуцируется в обмотке, равна сумме ЭДС каждого витка:
,
где w – число витков в обмотке.
,
где >1>, >2>, …, >w> – потоки, которые охватывают, соответственно, первый, второй и w витки обмотки.
- полный магнитный поток – потокосцепление обмотки.
Тогда для обмотки:
.
Если каждый виток обмотки охвачен одним и тем же потоком, тогда:
и
.
Если магнитное поле создается током этой же обмотки, то такая индуцированная ЭДС называется ЭДС самоиндукции.

Если магнитное поле создано током других контуров, то такая ЭДС называется ЭДС взаимоиндукции.
;
.
Если проводник перемещается в постоянном магнитном поле, то индуцированная ЭДС равна:
,
где l – активная длина проводника;
V – скорость перемещения проводника;
B – индукция магнитного поля;
- угол между направлением силовых линий и направлением перемещения проводника.

По правилу правой руки (большой палец – направление перемещения).

Если проводник с током I находится в магнитном поле с индукцией B, то на проводник действует сила:
- закон Ампера,
где - угол между направлением силовых линий и направлением проводника.
По правилу левой руки (большой палец - сила):
В электротехнике все материалы делятся на немагнитные и магнитные. У немагнитных материалов (пара- и диамагнетики) относительная магнитная проницаемость >r>1: медь, алюминий, изоляторы, воздух, вода и др.
Магнитные материалы (ферромагнетики) имеют >r>>>1: железо, никель, кобальт, сплавы – сталь, чугун и др.
Особенностью ферромагнитных материалов является то, что относительная магнитная проницаемость >r> Const, а зависит от интенсивности магнитного поля.

Для ферромагнетиков зависимости B(H), (H) нелинейны.
B(H) - кривая намагничивания.
B>0>=>0>H.
При циклическом перемагничивании образуется петля гистерезиса:
B>r> – остаточная магнитная индукция;
H>c> – коэрцитивная сила.

Ферромагнетики делятся на магнитомягкие (H>c>< 4 кА/м) и магнитотвердые. У магнитомягких материалов петля гистерезиса узкая (используются для сердечников электротехнического оборудования). Площадь петли гистерезиса характеризует потери на гистерезис.
Магнитотвердые материалы имеют широкую петлю гистерезиса (используются для постоянных магнитов, систем носителей информации – компьютерные диски).
Закон полного тока устанавливает связь между напряженностью магнитного поля и током, которым это поле создано.
«Линейный интеграл от вектора напряженности магнитного поля вдоль любого замкнутого контура равен полному току, охватывающему данный контур».

.
Полный ток – это алгебраическая сумма токов.
В пространстве вокруг этих проводников с током образуется магнитное поле. В соответствии с законом полного тока:
.
Токи, которые при выбранном направлении обхода совпадают с направлением правоходового винта, считаются положительными.
Для многовитковой обмотки:

Контур интегрирования охвачен током w раз:

Величина
- называется намагничивающей или
магнитодвижущей силой.
При практических расчетах контур интегрирования можно разбить на ряд участков с таким расчетом, чтобы напряженность магнитного поля на протяжении участка оставалась неизменной и ее направление совпадало с направлением dl. В этом случае интеграл меняется на сумму:
и
.
Магнитная цепь – это совокупность намагничивающих сил, ферромагнитных участков и других сред, по которым замыкается магнитный поток.
Магнитные цепи могут быть: простыми и сложными (один или несколько МДС); однородными и неоднородными (напряженность магнитного поля постоянна или непостоянна); разветвленными и неразветвленными (поток разветвляется или нет) и др.
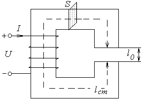
Рассмотрим простую неразветвленную магнитную цепь с постоянной МДС.

l>ст> – длина силовой линии на протяжении всего участка в стали;
l>0> – длина воздушного зазора.
Для данной магнитной цепи запишем:
.
Но
поэтому
.
Отсюда

Тогда запишем:
и
- закон Ома для магнитной цепи.
- магнитное сопротивление стального
участка (сравнить с
);
- магнитное сопротивление воздушного зазора.
Так как >ст>
>> >0>
, то
<<
.
Поэтому в магнитную цепь вводят ферромагнитный материал (сердечник с малым магнитным сопротивление), что позволяет при одной и той же намагничивающей силе получать большой магнитный поток.
Аналогия между электрическими и магнитными цепями
|
Электрические величины |
Магнитные величины |
|||
|
ток |
I |
- |
Поток |
|
|
ЭДС |
E |
- |
МДС |
F |
|
Сопротивление |
|
- |
Сопротивление |
|
|
Напряжение |
|
- |
Напряжение |
|
|
Проводник |
- |
Ферромагнетик |
||
|
Изолятор |
- |
Немагнитное вещество |
||
|
Удельная проводимость |
|
- |
Магнитная проницаемость |
a |
По аналогии можно записать законы Кирхгофа для магнитных цепей.
1-й закон Кирхгофа: Сумма магнитных потоков ветвей разветвленной магнитной цепи в узле равна нулю.


2-й закон Кирхгофа: МДС неразветвленной неоднородной магнитной цепи равна арифметической сумме падений магнитных напряжений на отдельных ее участках.
.
Принцип расчета магнитных цепей постоянного тока

Ф>р> - магнитный поток рассеяния (он обычно мал).
ЗАДАНО: поток Ф, размеры магнитопровода, материал сердечника, марка стали, кривая намагничивания B(H).
ЗАДАЧА: Найти
- намагничивающую силу обмотки, необходимую
для создания этого магнитного потока
Ф.
ПОСЛЕДОВАТЕЛЬНОСТЬ РАСЧЕТА:
Цепь разбивается на участки с таким расчетом, чтобы индукция и напряженность магнитного поля на протяжении участка оставалась неизменной;
По конструктивным размерам магнитопровода определяются l>k> и S>k>;

Предполагается, что поток Ф на каждом участке одинаков;
По заданному магнитному потоку Ф определяем индукцию на каждом участке
;
Затем, зная B>k> по кривой намагничивания определяем H>k>
Зная H>k>, по закону полного тока находим МДС
и находим ток
.



