Механизация животноводства
Министерство сельского хозяйства Российской Федерации
ФГОУ ВПО «Чувашская государственная сельскохозяйственная академия»
Факультет заочного обучения
КОНТРОЛЬНАЯ РАБОТА
Механизация животноводства
Выполнила студентка I курса
экономического отделения
заочного факультета
Иванова Оксана Владимировна
(Ф.И.О. студента)
Содержание
Значение микроклимата животноводческих помещений
Подбор коров для машинного доения
Методика расчета и подбор технического оборудования
Назначение, устройство, принцип работы и технические регулировки измельчителя кормов «Волгарь-5»
Назначение, устройство и принцип работы фуражира навесного ФН-1,4
Методика расчета потребности животноводческой фермы в воде
Значение микроклимата животноводческих помещений
Микроклимат в помещении - это климат ограниченного пространства, включающий в себя совокупность факторов среды: температура, влажность, скорость движения и охлаждающая способность воздуха, атмосферное давление, уровень шума, содержание взвешенных в воздухе пылевых частиц и микроорганизмов, газовый состав воздуха и др.
Создание и поддержание микроклимата в животноводческих помещениях связаны с решением комплекса инженерно-технических задач и наряду с полноценным кормлением являются определяющим фактором в обеспечении здоровья животных, их воспроизводительной способности и получении от них максимального количества продукции высокого качества.
Современные технологии содержания животных предъявляют высокие требования к микроклимату в животноводческих помещениях. По мнению ученых, специалистов животноводства и технологов, продуктивность животных на 50-60 % определяется кормами, на 15-20 % - уходом и на 10-30 % - микроклиматом в животноводческом помещении. Отклонение параметров микроклимата от установленных пределов приводит к сокращению удоев молока на 10-20 %, прироста живой массы - на 20-33 %, увеличению отхода молодняка до 5-40 %, уменьшению яйценоскости кур - на 30-35 %, расходу дополнительного количества кормов, сокращению срока службы оборудования, машин и самих зданий, снижению устойчивости животных к заболеваниям.
Влажность воздуха в птицеводстве и животноводстве оказывает влияние на:
-терморегуляцию организма животного и птицы;
-риск возникновения инфекционных заболеваний;
-риск возникновения патогенной и грибковой микрофлоры, губительной как для животных, так и для конструкций зданий;
-увеличение расхода кормов на единицу продукции;
-продолжительность инкубации.
Наиболее благоприятной влажностью воздуха в помещениях для животных и птицы следует считать относительную влажность в пределах 50 - 70%. Теплоемкость и теплопроводность воздуха в помещении изменяется в зависимости от наличия водяных паров (влагосодержания). Высокая относительная влажность (85% и выше) может угнетать обмен веществ и окислительно-восстановительные процессы в организме животных. Увеличение скорости потока воздуха при повышенной влажности и низкой температуре вызывает усиление теплоотдачи организма и его переохлаждение, высокая температура и повышенное влагосодержание – вызывают перегрев. Чрезмерно низкая влажность воздуха (менее 30 - 40%) при повышенной температуре оказывает неблагоприятное воздействие на состояние молодого потомства. Как результат - сухость слизистых оболочек, усиленная жажда, потоотделение, резкое снижение сопротивляемости птиц, коров, свиней к инфекциям. При повышении относительной влажности более 80% у птиц тормозится теплоотдача. Замедление испарения влаги через органы дыхания приводит к тому, что усиливается ее выделение через пищевод. Кокцидиоз и другие инфекционные заболевания возникают при повышенной влажности в условиях напольного содержания птицы. Невозможность испарения влаги из подстилки ведет к ухудшению ее гигиенического состояния.
Низкая влажность обуславливает повышение запыленности в помещении птичника и животноводческих ферм. Воздушная пыль раздражает и загрязняет кожные и шерстные покровы животных, слизистые оболочки глаз, носа и дыхательных путей, способствуя проникновению инфекций. В прямой зависимости от запыленности воздуха находится и его микробная загрязненность. Микробный стресс представляет собой реальную опасность, так как ведет к риску возникновения респираторных заболевания, перезаражению, особенно в условиях уплотнения содержания животных.
Опыт и практика показали, что продолжительное вредное воздействие неблагоприятного температурно-влажностного режима часто оказывает влияние не только на организм животных, но и на производственные помещения. Причиняемые убытки при организации птицеводства и животноводства не учитываются. Расходы на ремонт помещений, вызванные конденсацией влаги иногда достигают четверти общего объема прибыли.
Повышенные концентрации аммиака, углекислого газа и сероводорода в воздухе помещений оказывают отрицательное влиянием на физиологическое состояние животных и продуктивность. Поэтому животноводческие помещения необходимо оборудовать эффективными системами вентиляции. Относительная влажность воздуха и микроклимат помещения для содержания птиц и животных являются основными факторами, влияющими на экономические показатели. Комплексное решение проблемы создания и поддержания микроклимата в птицеводческих и животноводческих помещениях является внедрение систем контроля и управления влажностью. Системы вентиляции служат для удаления из помещения загрязненного и (или) нагретого воздуха и подачи в него чистого. Системы кондиционирования воздуха обеспечивают создание и автоматическое поддержание в помещении заданных параметров воздушной среды независимо от меняющихся метеоусловий. По способу осуществления перемещения воздуха системы вентиляции делятся на естественные и искусственные (механические). Естественная вентиляция обеспечивается за счет гравитационного давления, возникающего вследствие того, что наружный и внутренний воздух имеют разную плотность, либо за счет ветрового давления. При механической вентиляции перемещение воздуха осуществляется вентиляторами. Возможно применение и смешанных систем.
По способу подачи и направлению потока воздуха различают системы вентиляции вытяжные, приточные, приточно-вытяжные и системы с рециркуляцией. Приточная вентиляция создает избыточное давление в помещении, и за счет этого исключается попадание в него загрязненного воздуха из соседних помещений или холодного воздуха извне.
В зимнее время приточный воздух может подогреваться калориферами, являющимися частью вентиляционной системы и основанными на принципе воздухообмена. Они могут быть электрическими или водяными. Электрические калориферы имеют ТЭНы, водяные представляют собой трубчатый теплообменник. Водяной калорифер, как правило, используется в помещениях с большой площадь. Такой калорифер способен за короткий срок нагреть температуру в большом здании, при этом, не затрачивая много электроэнергии. Вытяжная вентиляция создает пониженное давление в помещении, и применяется в тех случаях, когда необходимо исключить распространение в данном помещении вредных выделений. Системы с рециркуляцией - это системы, в которых к наружному воздуху примешивается часть вытяжного воздуха из помещения. По способу конструктивного оформления, обслуживаемому объему системы вентиляции делятся на общеобменные, местные и смешанные. Общеобменная вентиляция - система, которая осуществляет циркуляцию (подачу и вытяжку) воздуха во всем помещении и тем самым создает в нем некоторые средние условия микроклимата. Она применяется при равномерном поступлении вредных веществ в воздух всего помещения. Местная вентиляция (вытяжная или приточная) создает требуемые условия только в местах нахождения людей. Конструктивно она может быть выполнена в виде воздушных душей, вытяжных зонтов, отсосов, шкафов. По назначению системы вентиляции делятся на рабочие и аварийные. Рабочие системы - должны постоянно создавать требуемые параметры микроклимата, аварийные системы включаются при внезапных поступлениях в воздух помещения вредных или взрывоопасных смесей. Как правило, это вытяжные системы. Естественная вентиляция может быть организованной (аэрация) и неорганизованной (инфильтрация через неплотно закрытые двери, окна, через щели и т. д.). Аэрация осуществляется в заранее установленных пределах (управляемая естественная вентиляция) через специальные проемы (форточки, фрамуги, аэрационные фонари), площади которых рассчитываются. Ее применение дает значительный экономический эффект. В зависимости от конструктивного исполнения аэрация может быть бесканальной и канальной.
Вентиляционные системы должны отвечать ряду специальных требований: не увеличивать пожарную опасность, не создавать повышенного шума, обеспечивать отвод статического электричества; вентиляторы, применяемые во взрыво- и пожароопасных помещениях, должны быть выполнены из материалов, не вызывающих искрообразования.
Зимой на животноводческих фермах для поддержания оптимального микроклимата необходимо отапливать служебные (молочные, кормоприготовительные и др.) и бытовые помещения, а также помещения для свиней, молодняка сельскохозяйственных животных, птичники для клеточного содержания кур-несушек. В помещениях для других животных необходимая температура поддерживается за счёт тепла, выделяемого животными. Системы отопления подразделяются на местные (отопительные печи, электрические и газовые нагревательные приборы), в которых сжигание топлива и передача выделяющегося тепла объединены в одном устройстве, и центральные, в которых тепловой генератор обслуживает несколько нагревательных приборов и расположен отдельно от них. В зависимости от теплоносителя центральная система отопления может быть водяной, паровой, воздушной. Примером паровой отопительной системы является котёл-парообразователь - теплообменный аппарат, применяемый для получения горячей воды и пара, необходимых для мытья молочной посуды, пастеризации молока, запаривания кормов, отопления помещений и др. производственных целей. Котел состоит из жаровой и водяной камер, корпуса, кипятильных труб, паросборника, пароперегревателя, паропроводов, контрольных и предохранительных приборов и арматуры. Если на ферме нет водопровода, на парообразователь устанавливают ручной насос, который и питает котел водой из запасного резервуара.
В свинарниках-маточниках и телятниках перспективен обогрев пола электрическими нагревательными элементами, уложенными в бетонные каналы.
2.Подбор коров для машинного доения
Для правильной организации и проведения машинного доения важно не только наладить доильный аппарат, но и умело подобрать и сгруппировать коров. Необходимо предъявлять определенные требования к корове и ее вымени при постановке на машинное доение.
Молочную продуктивность коровы определяет внутреннее строение молочной железы. Отбирают по форме и размерам вымени и сосков, учитывают равномерность развития четвертей вымени, скорость и полноту выдаивания, продолжительность выделения молока всеми долями вымени. Для машинного доения пригодны коровы с большим, хорошо развитым выменем чашеобразной или ваннообразной формы, равномерно развитыми сосками цилиндрической формы. Передние доли вымени должны давать не менее 42-45% удоя, средняя скорость молокоотдачи 1,6-1,8 кг-мин. При клиническом исследовании вымя должно быть мягким, без уплотненных очагов или индурации паренхимы. Соски не должны иметь патологических поражений в виде эрозии и деформации кончика соска (кольцевого уплотнения или одностороннего мозолеобразного утолщения).
Для машинного доения отбирают коров только со здоровым выменем. Поэтому необходимо проверить все стадо на мастит. Такую проверку время от времени повторяют. Для доения вручную оставляют коров, у которых на сосках имеются большие бородавки, раны, трещины и пр., а также с воспалением соскового канала и соскового отверстия. Доение машиной может только усугубить эти заболевания. Вообще, если корова при надевании стаканов беспокоится, рефлекс отдачи молока может и не появиться.
Для успешного доения машиной существенное значение имеет умелая подготовка коровы и ее вымени. Это важно не только для предохранения молока от загрязнения, но и главным образом для того, чтобы добиться хорошей его отдачи.
Методика расчета и подбор технического оборудования
Кормоцех - отделение животноводческой фермы, предназначенное для переработки и приготовления кормов. Планировка и конструкция кормоцеха зависят от типа ферм и особенностей принятой технологии подготовки кормов, для расчета требуемой производительности кормоцеха необходимо знать потребность в отдельных видах кормов по группам животных и общую суточную потребность. Кормоцех имеет два основных отдела — для механической переработки кормов и варочно-смесительный, которые могут работать и как самостоятельные цехи. В этом случае отдел для механической переработки кормов называют комбикормовым цехом, варочно-смесительный — кормокухней.
Измельчение зерновых кормов обусловлено физиологией сельскохозяйственных животных. Дело в том, что скорость обработки частиц корма желудочным соком прямо пропорциональна площади их поверхности. В результате измельчения кормов образуется множество частиц с большей общей поверхностью, что способствует ускорению пищеварения и повышению усвояемости питательных веществ.
Поэтому содержание целых зерен в измельченном продукте не должно превышать 0,3-0,5%. Как свидетельствует отечественный и зарубежный опыт, нарушение этих границ ведет к перерасходу кормов. Однако чрезмерное измельчение зерна до состояния пыли также снижает эффективность его использования. Так, среднесуточные приросты молодняка свиней оказались на 18% ниже при скармливании кукурузной дерти с размером частиц 0,2 мм, чем при скармливании дерти с рекомендуемым размером частиц. К тому же при переизмельчении увеличиваются затраты энергии дробилкой.
Грубые корма содержат не более 22% влаги и 0,65 к. ед. в 1 кг сухого вещества. К грубым кормам относят сено, солому, отходы переработки зерновых, масличных, лубяных и других технических культур.
Значение грубых кормов в питании различных сельскохозяйственных животных неодинаково. Грубые корма наиболее полно используются жвачными животными. Это обусловлено особенностями строения их пищеварительных органов. В небольших дозах грубые корма дают также свиньям и птице. Они содержат большое количество труднопереваримой клетчатки (до 40%), вследствие чего без предварительной подготовки плохо поедаются животными. Для повышения
Назначение, устройство, принцип работы и технические регулировки измельчителя кормов «Волгарь-5»
поедаемости их подвергают механической и тепловой обработке. Биологические и химические способы обработки грубых кормов позволяют повысить не только поедаемость, но также переваримость и питательность.
Кормоцехи должны отвечать следующим зоотехническим требованиям:
- грубые корма, подлежащие переработке, должны храниться на кормовой площадке, связанной с кормоцехом дорогой с твердым покрытием; люцерновое либо клеверное сено (для рационов свиней) необходимо хранить в скирдах в рассыпном виде, в тюках либо в скирдооформителях;
- при кормоцехе следует иметь механизированное хранилище для целых и слабоповрежденных корнеклубнеплодов емкостью из расчета трех-четырехнедельного расхода кормов и хранилище мелассы на 50–100 т;
- оборудование кормоцеха должно надежно работать при температуре окружающей среды от 5 до 35 °С и относительной влажности воздуха до 95%;
- оборудование кормоцеха в соответствии с назначением должно быть изготовлено из материалов, стойчивых к коррозии, воздействию кислот, щелочей и дезинфицирующих средств и не должно образовывать с ним вредных соединений;
- дозирующие устройства вспомогательных линий кормоцеха должны иметь регулируемую производительность, отклонения при дозировании компонентов допускаются в таких пределах: комбикормов и концентратов ± 1,5%, грубых и сочных кормов - соответственно 10 и 3,5%, жидких питательных смесей 2,5%, минеральных добавок 1% от количества дозируемого по массе корма;
- время, необходимое для переключения всех дозирующих устройств кормоцеха на другой режим работы, должно быть не более 5 мин;
- показатель качества однородности смешивания кормосмеси должен быть не менее 75—80%, а при вводе карбамида — не менее 90%;
- неравномерность смешивания грубых кормов, силоса и корнеклубнеплодов не должна превышать ± 15%, концентрированных кормов ± 5% от заданного рациона;
- в составе готовых кормосмесей 70—75% измельченной массы должно состоять из частиц до 10—12 мм (для крупного рогатого скота), а частиц крупнее 12 мм должно быть не более 30%, причем размер этих частиц для откормочного молодняка не должен превышать 20 мм, а для молочных коров 50 мм;
- запаренные корма необходимо охлаждать до 40° С перед смешиванием с витаминными или белковыми добавками и до 70° С перед смешиванием с комбикормом.
Кормообрабатывающие предприятия (кормоцехи) в сельскохозяйственном производстве по свойствам приготавливаемых кормов делятся на две группы. Предприятия группы I (заводы, цехи, агрегаты) предназначены для подготовки в рассыпном, гранулированном или брикетированном виде сухих кормов, пригодных для длительного хранения (комбикорма, кормовых добавок, травяной муки, полнорационных кормосмесей). Предприятия группы II (цехи) готовят влажные кормосмеси непосредственно перед скармливанием животным.
Работа технологических линий кормоцехов первой группы не согласовывается с распорядком дня животноводческой фермы или комплекса. Кормосмеси, приготовленные в таких кормоцехах, должны иметь все ингредиенты, предусмотренные рецептом. Отклонения от принятой технологии не допускаются.
Работа технологических линий кормоцехов второй группы согласовывается с распорядком дня животноводческой фермы или комплекса. Кормосмеси в своем составе могут иметь разное количество ингредиентов в соответствии с зоотехническими нормами кормления животных, поэтому отказ одной из технологических линий не всегда приводит к прекращению выпуска готовой продукции.
Кормоприготовительные цехи второй группы различаются по виду обслуживаемых животных (для ферм и комплексов крупного рогатого скота, свиноводческих ферм и др.), они также могут быть универсальными. На фермах и комплексах крупного рогатого скота для подготовки влажных полнорационных кормосмесей применяют кормоцехи с использованием соломы, прошедшей термическую обработку, и без такой обработки. Первый тип кормоцехов отличается более сложным схемно-конструктивным исполнением: в комплекте машин и оборудования имеются агрегаты или установки для термохимической обработки соломы, например смесители С-12 и др. Технология подготовки кормов в таких кормоцехах позволяет полнее использовать возможности механизации для увеличения производства животноводческой продукции. Кормоцехи свиноводческих ферм и комплексов по технологическим признакам также делятся на два типа: для подготовки влажных или жидких кормосмесей из кормов собственного производства и для подготовки жидких кормосмесей с использованием пищевых отходов. В первом случае в зависимости от типа кормления (концентратно-корнеплодный или концентратно-картофельный) кормоцехи имеют незначительно отличающиеся наборы машин.
Оборудование кормоцеха включает в себя технологические линии сенажа и силоса, корнеклубнеплодов, термохимической переработки грубых кормов, приготовления и раздачи приготовленной кормосмеси и т.д. Техника, способствующая механизации процесса кормления, выбирается, исходя из нескольких параметров: габариты кормовых проходов, планировка фермы, вид кормохранилищ и принятый состав кормосмесей. Используемый метод обслуживания коров также имеет немаловажное значение в выборе оборудования для линии раздачи кормов. В том случае, если животные обслуживаются по принципу индивидуального подхода, то, соответственно, линия раздачи кормов должна обеспечивать соблюдение этой технологии, то есть дифференцировать нормы кормов для каждой технологической группы.
В оборудование для ферм, служащее для раздачи кормосмесей и стебельчатых кормов, входят мобильные транспортеры, стационарные установки, либо комбинированные средства. Разумеется, что использование мобильного кормораздатчика гораздо эффективнее, чем применение стационарной установки, ввиду его заменяемости в случае поломки и возможности обслуживания одним агрегатом нескольких технологических групп или всей фермы. Данные агрегаты оптимальны для использования на племенных фермах и в родильных отделениях, но нуждаются в квалифицированном обслуживании и хорошем состоянии подъездных путей. Мобильные кормораздатчики, агрегатируемые с трактором, кроме того, нуждаются в больших проездах, что способствует неэффективному использованию площадей ферм и нарушению микроклимата. Таким образом, чтобы обеспечить повышение уровня кормораздачи нужно осуществить несколько мероприятий, в том числе переход на кормосмеси, которые готовятся в кормовых цехах, использовать новое высокотехнологичное кормовое оборудование для ферм.
Оборудование в кормоцехе неодинаково загружено как в течение суток, так и в различные периоды года. Поэтому, чтобы рассчитать технологические линии, необходимо знать структуру поголовья животных на ферме, тип кормления, рационы животных, физико-механические свойства кормов, а также технические характеристики машин и оборудования и технико-экономические показатели выбираемого комплекта.
Расчет технологических линий целесообразно проводить в два этапа. На первом этапе необходимо разработать схему технологического процесса, определить суточную и часовую производительность отдельных линий и кормоцеха в целом, рассчитать потребное количество раствора, чтобы получить требуемую влажность кормосмеси, найти расход пара, электроэнергии, емкость накопителей, производительность и число машин кормоцеха, выбрать схему технологических линий кормоцеха и установить его площадь. На втором этапе уточняют расчет и строят графики загрузки машин и оборудования кормоцеха.
Учитывая поголовье животных по группам и рационы, определяют потребность фермы в кормах, а также объем питательных растворов (воды), добавляемых к кормам. Суточную производительность технологических линий для обработки отдельных видов кормов рассчитывают по формулам:
Qл1=a1m1+a2m2+a3 m3+…+anmn;
Qл1=b1m1+b2m2+b3 m3+…+bnmn;
Qлn=z1m1+z2m2+z3 m3+…+znmn;
где Qл1, Qл2,…Qлn – суточное потребление различных кормов, т/сутки;
m 1, m 2, …mn – число животных в каждой группе;
a, b, z – масса различных видов кормов, расходуемых по максимальному суточному рациону на одно животное, т/сутки.
Разделив общий суточный объем на принятое время работы кормоцеха, определяем его часовую производительность.
Технологический расчет основных и вспомогательных линий, выбор машин и оборудования следует начинать с ведущей машины. Ее параметры являются определяющими для расчетов остальных линий кормоцеха. При проектировании кормоцехов и при размещении машин и оборудования технологических линий необходимо соблюдать следующие условия: путь передвижения каждого компонента должен быть кратчайшим; оборудование надо расставлять в принятой последовательности технологического процесса; затраты на перегрузочные операции должны быть минимальными; коммуникационные линии должны иметь кратчайшие пути; для обслуживающего персонала должны быть созданы удобства и обеспечены условия охраны труда и техники безопасности, а также противопожарной техники.
Назначение, устройство и принцип работы фуражира навесного ФН-1,4
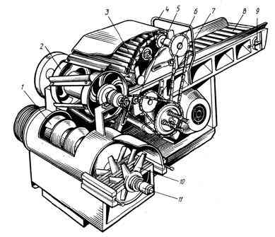
Измельчитель кормов ИКВ-5А «Волгарь» предназначен для измельчения всех видов сочных и грубых кормов, силоса, корнеклубнеплодов, бачевых культур, а также рыбы.

Рис. 1. Измельчитель кормов ИКВ-5В «Волгарь-5»: 1 – шнек; 2 – аппарат первичного резания; 3 – уплотняющий транспортер; 4 – скоба управления; 5, 6,7 – натяжные звездочки; 8 – подающий транспортер; 9 – натяжное устройство подающего транспортера; 10 – аппарат вторичного резания; 11 – автомат отключения.
Подаваемый из кормоприемника-питателя корм располагается (или укладывается вручную) ровным слоем на подающем транспортере 8, уплотняется натяжным транспортером 3, а затем направляется в аппарат первичного резания. Ножевой барабан 2 предварительно измельчает массу до размеров частиц резки 20 - 80 мм. Спиральные ножи барабана в сечении имеют Г-образную форму, их лезвия описывают окружность диаметром 450 мм. На барабане установлено 6 ножей с углом заточки 35°40' и углом подъема винтовой линии 70°. Угол заточки противорежущей пластины 75°. Зазор между лезвием ножей и противорежущей пластиной устанавливают в пределах 0,5 - 1 мм. Измельченный режущим барабаном корм падает на шнек 1 и направляется им в аппарат вторичного резания, состоящий из 9 подвижных и 9 неподвижных ножей. Этот аппарат измельчает корм до фракции размером 2 - 10 мм. Готовый корм выбрасывается через нижнее окно в корпусе измельчителя на транспортер, расположенный в приямке.
Аппарат вторичного резания устроен следующим образом. В желобе по всей ширине корпуса измельчителя расположен шнек диаметром 440 мм, имеющий на концах консольные валы. На консольный вал со шпоночной канавкой со стороны выхода продукта надета втулка с шлицевой наружной поверхностью. На шлицованную часть этой втулки надеты чередующиеся подвижные (со шлицами) и неподвижные (без шлиц) ножи. Последние своими наружными концами закреплены на неподвижных планках на корпусе.Таким образом, многоножевой дисковый режущий аппарат щелевого типа осуществляет двухопорное резание ножами с П-образной режущей кромкой и углами заточки, равными 90°. Этот аппарат более энергоемкий по сравнению с соломосилосорезкой, но он позволяет получить тонкое измельчение и более равномерный гранулометрический состав частиц.
«Волгарь-5» может работать по трем технологическим схемам – измельчение корма для крупного рогатого скота, для свиней и для птицы. При измельчении грубых и сочных кормов для крупного рогатого скота в работу включают только аппарат первичного резания. Необходимую крупность частиц для свиней и птицы достигают путем изменения угла установки лезвия первого подвижного ножа аппарата вторичного резания относительно конца витка шнека. При измельчении корма для птицы этот угол должен быть 9° (по направлению вращения ножей), а для свиней – 54° (против направления вращения). Все последующие ножи располагают по спирали через 72° против направления вращения ножей.
Методика расчета потребности животноводческой фермы в воде
механизация животноводческая доение
Навесной фуражир ФН-1,4 предназначен для погрузни и измельчения соломы из скирд в транспортное средства к доставки ее к месту потребления. Он оборудован пневматическим устройством для подбора соломы, уложенной в валки при комбайновой уборке.

Рис. 2. Фуражир навесной ФН-1,4.
Фуражир состоит из рамы, вентилятора, пневмопровода, измельчающего аппарата, механизма подъема пневмопровода, выбросной трубы с дефлектором, привода гидросистемы. Машину агрегатируют с тракторами типа МТЗ, а также ДТ- 76А, ДТ-74.
Фуражир работает в двух режимах:
-низкие обороты барабана, уменьшенное количество штифтов, высокая производительность;
-высокие обороты барабана, увеличенное количество штифтов, высокая степень измельчения.
Технические характеристики:
Продуктивность, т/час:
режим 1 5...7;
режим 2 3...4;
Высота подъема измельчительного аппарата - 5,1 м;
Ширина захвата - 1,2 м;
Глубина захвата - 0,6...0,8 м;
Масса - 1350 кг;
Обслуживающий персонал - 1 /тракторист/ чел.
Для погрузки соломы трактор с фуражиром при поднятых барабанах подъезжает к скирде. После включения ВОМ вращающиеся барабаны опускаются на скирду, постепенно срезая слой соломы, которая всасывается воздушным потоком в пневмопровод и подается вентилятором по трубе через дефлектор в прицепное устройство.
Расходы воды на производственные нужды сельскохозяйственных предприятий должны определяться на основании технологических данных с учетом климатических условий, мощности источника водоснабжения и качества воды. Нормы потребности в воде включают расход воды на производственные нужды, связанные в первую очередь с поением животных, бытовые и хозяйственные нужды.
Среднесуточный расход воды на ферме определяется по формуле: Qср.сут=g1n1+ g2n2+ g3n3+… gmnm где g1 g2 g3 … gm - среднесуточная норма потребления воды одним потребителем,м3/сут; n1n2n3 …nm – количество каждого вида потребителя.
Максимальный суточный расход воды в м3: Qмакс.сут= Qср.сут•K сут м3 где K сут - коэффициент суточной неравномерности потребления воды. Для животноводческих ферм K сут принимают равным 1,3.
Расчетный расход воды на наружное пожаротушение в животноводческом комплексе или на ферме в зависимости от их размера колеблется от 5 до 20 л/с при продолжительности тушения пожара 3 ч.
Наиболее распространенная схема механизированного водоснабжения животноводческих ферм состоит из следующих сооружений: водозабора с насосной станцией, разводящей сети и регулирующих сооружений (водонапорной башни и резервуара для хранения противопожарного запаса воды). В случаях, когда этого требует качество воды источника, схема водоснабжения дополняется сооружениями по очистке и обеззараживанию воды.
В промышленных животноводческих комплексах применяются безбашенные системы водоснабжения высокого давления. Для водоснабжения ферм с расходом воды до 40 м3/сутки часто используются близко расположенные к поверхности земли подземные воды, забираемые шахтными колодцами. В этих случаях для подъема воды применяются автоматические насосные установки.
Список использованной литературы
Карташов Л.П. и др. Механизация, электрификация и автоматизация животноводства. – 3-е изд., перераб. и доп. – М.: Колос, 1997.-368 с.: - (Учебники и учебные пособия для студентов высших учебных заведений);
Кулаковский И.В. и др. Машины и оборудование для приготовления кормов. Ч. 1 и 2: Справочник. – М.: Росагропромиздат, 1988.-286 с.: ил.;
Кокорин О.Я., Варфоломеев Ю.М.: Системы и оборудование для создания микроклимата помещений: Учебник - ИНФРА-М, 2008 г.;
Н.Н. Белянчиков, А.И. Смирнов: Механизация животноводства - М.: Колос, 1977. - 368с.: ил. (Учебники и учеб. пособия для с.-х. техникумов).