Электрооборудование свинарника-откормочника на 600 голов СТФ СПК "Первое Мая" Осиповичского района Могилевской области с разработкой схемы управления и защиты электропривода кормораздачи
Введение
На современном этапе развития сельскохозяйственного производства наметилась тенденция более широкого использования электрической энергии, которая применяется в большинстве стационарных процессов.
Для успешного функционирования и развития сельскохозяйственного производства необходимо применение современного электрооборудования в совокупности с квалифицированной его эксплуатацией.
Животноводство является важнейшим звеном агропромышленного комплекса. Эта отрасль дает человеку ценные продукты питания, а также сырье для промышленности.
Животноводческие и птицеводческие фермы представляют собой сельскохозяйственные специализированные подразделения колхозов, совхозов, подсобных хозяйств и промышленных предприятий, предназначенные для содержания и выращивания скота и птицы с целью производства определенного вида продукции (мяса, молока, яиц, шерсти и др.).
Важным источником, позволяющим в короткое время увеличить его структуру, является свиноводство.
В основе технологии производства на свиноводческих комплексах, крупных репродукторных и откормочных фермах лежит поточный метод промышленного непрерывного круглогодового равномерного воспроизводства поголовья и производства свинины.
В условиях индустриализации животноводства повышение продуктивности животных зависит не только от обеспеченности их полноценными кормами, но и от организации хорошего ухода и системы содержания в помещениях, отвечающих оптимальным условиям микроклимата.
Применение электрификации и автоматизации в процессах приготовления и раздачи корма дает значительный экономический эффект. Особенно это проявляется в животноводстве, так как способствует увеличению производства животноводческой продукции и снижению энергозатрат.
1. Общая часть
1.1 Обоснование темы проекта
Производство сельскохозяйственной продукции является наиболее важной задачей любого государства. Интенсификация отраслей животноводства является необходимым условием для более полного развития сельскохозяйственного производства. Для повышения эффективности использования производственного потенциала животноводства создаются животноводческие фермы, на которых производство продукции должно сопровождаться ростом уровня технического оснащения ферм и комплексов, а не повышением энерговооруженности труда. Выполнение данных условий необходимо для снижения себестоимости единицы продукции животноводства, а также для создания поточности ее получения.
Процесс раздачи кормов при этом – один из наиболее трудоемких, он не должен превышать 20…30 минут.
Механизация раздачи кормов на фермах и комплексах осуществляется транспортными кормораздатчиками. Транспортные работы очень трудоемки и составляют 30…40% от всего объема работ на ферме. Поэтому электромеханизация транспортных устройств в значительной степени влияет на снижение себестоимости продукции, улучшении условий и повышение производительности труда
Механизированные средства доставки и раздачи кормов классифицируются по виду и консистенции транспортируемых кормов, по способу их подачи и по виду привода раздатчиков.
В настоящее время в условиях сельскохозяйственного производства применяются стационарные и мобильные раздатчики. Для непрерывной раздачи применяются транспортеры различных конструкций, главным преимуществом которых является электрифицированный привод, возможность автоматизации процесса транспортировки и раздачи. Однако стационарные кормораздатчики более громоздки, занимают значительные объемы помещений. Мобильные кормораздатчики при той же производительности дешевле, компактные и могут быстро заменяться резервными при необходимости.
1.2 Характеристика хозяйства
СПК «Первое Мая» расположен южнее г. Осиповичи и непосредственно к нему примыкает. Расстояние от центра колхоза д. Осово до районного центра Осиповичи составляет 12 км. На территории колхоза имеется 10 населённых пунктов. Пунктами сдачи сельскохозяйственной продукции являются г. Осиповичи и г. Бобруйск. Хозяйство обслуживает районное производственное объединение «Сельхозхимия».
Характеристика природных условий
Хозяйство расположено в зоне умеренно континентального климата, зима сравнительно мягкая, лето влажное прохладное. Продолжительность безморозного периода 151–152 дней. Среднегодовая температура воздуха составляет +5,5–60С Тёплый период с положительной среднесуточной температурой воздуха длиться 237 дней. Среднегодовое количество осадков 566 мм. Основная часть которых выпадает в летний период. Устойчивый снежный покров устанавливается в третьей декаде декабря. Максимальная глубина промерзания почв 58–60 см.
Характеристика землеиспользования.
Общая площадь земель закреплённых за колхозом составляет 3173,6 га. В границах хозяйства имеются посторонние землепользователи, общая площадь которых 1158,3 га.
удельный вес сельскохозяйственных угодий в общей площади хозяйства составляет 85,2%.
удельный вес пашни в сельскохозяйственных угодьях равен 50,3%.
На момент разработки проекта в колхозе имелось три производственных подразделения с центрами в д. Осово, д. Ставище и д. Деревцы.
Характеристика земельных угодий колхоза «Первое Мая» приводим в таблице 1.1.
Таблица 1.1. Экспликация сельскохозяйственных угодий
|
Наименование бригад |
Всего с/х угодий |
В том числе: |
|||||
|
пашни |
сенокосов |
пастбищ |
многолетних насаждений |
||||
|
всего |
из них улучшено |
всего |
из них улучшено |
||||
|
Осово |
1109,6 |
579,3 |
286,2 |
256,5 |
227,6 |
124,5 |
12,1 |
|
Ставище |
1147,4 |
706,4 |
362,2 |
297,0 |
138,0 |
75,9 |
- |
|
Деревцы |
447,5 |
310,6 |
57,4 |
51,7 |
79,5 |
3,6 |
- |
|
Всего |
2704,5 |
1596,3 |
645,8 |
605,2 |
445,1 |
204,0 |
12,1 |
Безусловно, наиболее важными являются энергетические показатели хозяйства, сведенные в таблице 1.2.
Таблица 1.2. Энергетические показатели хозяйства
|
Показатели |
Единицы измерения |
2002 год |
2003 год |
|
Суммарная мощность электродвигателей Количество тракторов, их мощность Бензин Дизтопливо Наличие энергетических мощностей Энерговооружённость Энергообеспечённость Потреблено электроэнергии Электровооружённость Электрообеспечённость |
кВт кВт т т Тыс. л.с. кВт кВт тыс. кВт·ч тыс. кВт·ч тыс. кВт·ч |
1532 8170 54 207 7 62.3 648.9 461 3.52 36.6 |
1516 8147 55 158 6 59 638 498 3.63 8.99 |
В результате анализа данных по хозяйству установлено, что его работы носят характер уменьшения уровня производства продукции растениеводства и стабильной работы животноводческой отрасли хозяйства.
1.3 Исходные данные для проектирования
Свинарник для откорма ремонтного молодняка предназначен для стойлового содержания 600 голов.
Исходными данными для проектирования является генеральный план свиноводческой фермы по откорму ремонтного молодняка на 600 голов, а также геометрические размеры помещений и их классификация по условиям окружающей среды.
План помещений свинарника, приведем на рисунке 1.1.

Рисунок 1.1 План помещений свинарника
Порядок работы на ферме протекает следующим образом. Обслуживающий персонал начинает работу в 7.00, при этом происходит подготовка оборудования к работе; в 8.00 происходит загрузка бункера раздачи кормов кормосмесью в мобильные кормораздатчики КЭС-1.7, после чего происходит раздача корма и очистки кормораздатчика от его остатков. В 11.00 начинается процесс навозоудаления. Соответственно в 17.00 происходит вечерняя загрузка кормораздатчик, в 18.00 происходит вечернее кормление животных, после того в 21.00 повторяется процесс навозоудаления и очистки кормушек от остатков корма.
Обслуживание фермы осуществляют два оператора по уходу за животными и один оператор по техническому обслуживанию оборудования.
Наименования и площади, входящих в состав фермы помещений приведены в таблице 1.3.
Таблица 1.3. Экспликация помещений
|
№ по плану |
Наименование помещения. |
Площадь, м2. |
|
1 2 3 4 5 6 7 8 9 |
Помещение для содержания животных Служебная Санузел Подсобное помещение Кладовая Помещение санитарной обработки животных Площадка для взвешивания Кормоприготовительный тамбур Электрощитовая |
576 9 3,6 9,0 3,0 7,1 5,2 7,9 10,1 |
1.4 Характеристика объекта электрификации
Здание свинарника представляет собой сооружение прямоугольной формы. В здании имеются: помещение для содержания животных, а также подсобные и вспомогательные помещения. Наружные стены помещения выполнены из кирпича, также как и внутренние перегородки, которые для лучшей светоотдачи побелены. Внутренние стены, а также перегородки, которые для лучшей светоотдачи побелены. Внутренние стены, а также перегородки выполнены из кирпича марки КР 75. полы в животноводческих помещениях каменно-цементные, бетонные, в некоторых подсобных помещениях линолеум либо керамическая плитка. Каркас помещения выполнен из сборных железобетонных полурам, наружные стены – из двухслойных бетонных полурам либо панелей, кровля выполнена из волокнистых асбоцементных листов с утеплителем из никелированных плит.
Для санитарно – обслуживающего персонала в здании свинарника предусмотрены уборная и санитарный узел.
Станки для поросят в помещении расположены в два ряда, непосредственно примыкающих друг к другу. Вдоль продольных стен помещения имеется два технологических прохода. Станки для поросят выполнены из металла. Каждый станок оборудован автопоилкой с регулируемой высотой установки и металлической кормушкой. Вход в станок предусмотрен со стороны технологического прохода.
Кормораздаточная линия установлена на переднем ограждении станков со стороны кормового прохода. Кормораздача производится мобильным кормораздатчиком, установленным по направляющим над сдвоенными кормушками.
Данное производственное помещение относится ко второй категории по условии по условию обеспечения надежности внешнего энергоснабжения, при этом длительность перерывов в снабжении не должна превышать 3.5 часов. В течении суток допускается повторное плановое отключение длительностью не более 2 часов.
1.5 Описание технологического процесса
Свинарник для откорма ремонтного молодняка на 600 голов входит в состав свиноводческого комплекса по выращиванию гибридного молодняка свиней.
Свинарник предназначен для содержания ремонтного молодняка, поступающего из свинарников поросят – отъемышей в возрасте 120 дней с живой средней массой одной головы 43 кг.
Животные поступают в свинарник технологическими группами. Размещают поступающую группу в отдельном изолированном помещении, полностью занимая его. Содержат молодняк свиней в групповых станках с использованием выгулов в течении 125 дней. В возрасте 233 дней технологическую группу животных отправляют на реализацию.
Освободившееся помещение подвергают гидроочистке, дезинфекции и готовят к приему следующей группы.
Кормление животных нормированное двухразовое комбикормом, разведенным водой до влажности 75–78%.
Из кормосмесительного помещения смесь подается в кормораздатчик. Процесс раздачи корма осуществляется после заполнения раздатчика. Поение животных осуществляется водой питьевого качества.
Поддержание относительной влажности в помещении осуществляется путем изменения воздухо-производительности вентилятора.
2. Общая электротехническая часть
2.1 Характеристики систем инженерного обеспечения здания свинарника
В проектируемом свинарнике – откормочнике на 600 голов имеются следующие системы инженерного обеспечения: кормораздача, навозоудаление, водоснабжение, связь, вентиляция и отопление.
Кормовая мешанка приготавливается в кормоцехе, загружается в кормораздатчик КУТ–3.0 БМ который подъезжает к свинарнику и перегружает мешанку в раздатчик КЭС–1.7. Раздатчики раздают корм в групповые кормушки. Раздача корма осуществляется два раза в сутки.
Навозоудаление из свинарника осуществляется по навозным каналам в которых установлены продольные скребковые транспортёры ТСН–160 из продольных транспортёров навоз собирается в поперечный скребковый транспортёр ТСН – 160, который сбрасывает навоз в навозонакопитель.
Водоснабжение объекта осуществляется из водонапорной башни, установленной на территории фермы, по трубопроводам. Трубопроводы выполняются из стальных труб, окрашенных масляной краской.
Для связи используются наружные сети телефонизации, которые прокладываются в земле на отметке – 0.8 м. В местах пересечения с инженерными коммуникациями и асфальтированными дорогами кабель телефонный прокладывается в асбоцементной трубе.
Вентиляция в помещениях для содержания откормочных свиней предусмотрена принудительная с механическим побуждением.
Для подачи воздуха в зимнее и переходное время предусматриваются отопительно-вентиляционные установки. При наружных температурах выше +7С отопительно-вентиляционные установки отключаются.
Для вытяжки воздуха в зимнее и летнее время предусмотрены вентиляторы ВО – 06 –300, которые установлены в шахтах.
В летнее время подача воздуха предусматривается приточным вентилятором ВЦ4–75.
Перемещение воздуха в помещении для содержания свиней предусматривается по воздуховодам из полиэтилена. Между воздуховодами предусмотрена перемычка с заслонкой. При выходе из строя вентилятора одной из систем заслонка должна быть открытой и работающий вентилятор обеспечивает 50% требуемого воздухообмена.
Отопление помещения осуществляется с помощью тепловентиляторов. Отопление подсобных помещений осуществляется с помощью батарей.
Внутреннее пожаротушение в свинарнике не предусмотрено. Расход воды на наружное пожаротушение определен согласно таблице СНиП II–31–74 и составит при строительном объеме здания 4150 м3., степени огнестойкости II и категории производства «Д» – 5 л/с.
2.2 Определение места расположения электрического ввода в здание. Общее решение по ВРУ (или ВУ)
Месторасположение электрического ввода в здание определяет размещение вводно-распределительного устройства.
При размещении ВРУ следует учитывать следующие требования:
Размещать ВРУ с максимальной приближённостью к токоприёмникам.
Протяжённость питающих линий должна быть минимальной, а трассы сети удобными в эксплуатации и доступными для ремонта.
Необходимо исключать ситуации обратного питания электроприемника по отношению к основному потоку электроэнергии.
При размещении ВРУ необходимо учитывать следующие обслуживающие факторы: быть удобными в обслуживание, не загромождать проходы, не мешать производственному процессу и т.д.
В животноводческих помещениях, где окружающая среда – агрессивная, ВРУ должно располагаться в отдельном помещении – электрощитовой.
Учитывая все выше перечисленные требования ВРУ располагаем в электрощитовой здания свинарника.
Здание свинарника-откормочника относится ко второй категории по надежности электроснабжения. На основании категории по надежности электроснабжения объекта и желательности запитывания объектов 2-й категории от двух источников питания. На вводе производим установку вводного устройства серии ВРУ-1. Способ установки устройства – напольный. Климатическое исполнение – УХЛ-3, степень защиты – IP54.
Для питания отдельных групп электроприемников принимаем шкаф распределительный типа ПР-11 с восемью отходящими линиями. В качестве аппаратов защиты принимаем автоматические выключатели АЕ2046М.
свиноферма механизация оборудование
2.3 Расчет и выбор технологического оборудования
В свинарнике по откорму ремонтного молодняка на 600 голов все операции механизированы.
Выбор технологического оборудования зависит от типа помещения, вида, поголовья и возраста животных.
Произведём выбор и количество технологического оборудования для уборки навоза.
Суточный выход навоза определяем по формуле:
(1)
где m – число животных в помещении, m=600 голов;
g – суточный выход навоза от одного животного, g=6.6 кг;

Часовой выход навоза:
(2)

Потребность в стационарных транспортных установках определяем исходя из плана помещения или при условии соблюдения максимальной длинны цепи.
Исходя из этого применяем к установке два транспортёра марки ТСН-160
Для нормальной работы транспортных средств необходимо, что бы соблюдалось следующее условие:
(3)
где Q>ф> – фактическая производительность навозоуборочного транспортёра в данных условиях, т/ч;
Q>ч> – часовая производительность того же транспортёра по технической характеристике, Q>ч> = 4.5 т/ч;
Фактическая производительность определяется по формуле:
(4)
где Т – время работы установки, ч;
(5)
где Т>ц> – время цикла уборки, Т>ц> = 0,5 ч;
К>уб> – число включений в сутки, К>уб> = 2;


Так как в свинарнике установлено два транспортера, то фактическая производительность для одного будет равна половине данного результата:


Условие выполняется, значит данный транспортёр можно использовать.
Для поддержания в допустимых пределах температуры, влажности и содержания вредных газов в воздухе свинарника, принимаем вентиляционные установки.
Рассчитаем вытяжную систему вентиляции.
Определим необходимый воздухообмен из условия удаления избыточной углекислоты по формуле:
(6)
где 1 – коэффициент учитывающий выделение кислоты микроорганизмами в подстилке;
С>1> – содержание углекислоты в наружном воздухе, С>1> =0.3 л/м3 /3/;
С>2> – допустимое содержание углекислоты в воздухе внутри данного помещения, С>2> = 2.5 л/м3 /3/;
с – выделение углекислоты всеми животными, л/ч;
(7)
где С’ – количество углекислоты выделяемое одним животным, С’ =70 л/ч/3/;


Определяем необходимый воздухообмен из условия удаления избыточных влаговыделений по формуле:
(8)
где d>1> – влагосодержание наружного воздуха, г/м3;
d>2> – допустимое влагосодержание в помещении, г/м3;
W – влаговыделение всеми животными, г/ч;
(9)
где W ’ – влаговыделение одного животного, W ’ =130 г./ч;

(10)
где d>1нас.> – влагосодержание насыщенного наружного воздуха при расчетной температуре, d>1 нас.>=3.81 г./м3;
ц>1 >– расчетная относительная влажность наружного
воздуха, ц>1 >=0.9 /3/;

(11)
где d>2нас.> – влагосодержание насыщенного воздуха внутри помещения при оптимальной температуре, d>2 нас.>=9.7 г/м3;
ц>2 >– удельная относительная влажность воздуха внутри помещения, ц>2>=0.8 /3/;


За
расчётное принимаем большее значение
воздухообмена,

Определяем необходимый напор вентилятора по формуле:
(12)
где Н>дин.> – динамически напор необходимый для сообщения воздуху необходимой скорости, Па;
Н>ст.> – потери напора, трение вытяжной системы, Н>ст.> =0;
(13)
где
– плотность воздуха,
кг/м3;
–
скорость воздуха в вентиляторе,
м/с;

Выбираем осевой вентилятор марки ВЦ14–46 с номинальной производительностью Q>н> = 1500 м3/ч /3/ и напором Н = 150 Па.
Определим количество вентиляторов по формуле:
(14)
где Q>н> – производительность одного вентилятора, Q>н> = 1500 м3/ч

Применяем к установке 16 вентиляторов.
Расчет и выбор остального технологического оборудования производим аналогично, данные и результаты выбора заносим в таблицу 2.1.
Таблица 2.1. Технологическое оборудование
|
Оборудование |
Марка машины |
Кол. |
Производительность, м3/ч, т/ч |
|
Вытяжной вентилятор |
В06–300 |
4 |
17000 |
|
Приточный вентилятор |
ВЦ4–75 |
4 |
20000 |
|
Кормораздатчик |
КЭС-1.7 |
2 |
14…55 |
|
Приточно-вытяжной вентилятор |
ВЦ14–46 |
16 |
1500 |
|
Навозоуборочный транспортёр |
ТСН-160 |
2 |
4,5 |
2.4 Расчет и выбор электродвигателей
Практически все механизированные операции приводятся в действие при помощи электродвигателя. Наиболее целесообразным в настоящее время являются выбор электродвигателей серии АИ: асинхронный двигатель с короткозамкнутым ротором, так как они более надежные в работе и относительно не дорогостоящие.
Произведём расчёт электродвигателя, для привода горизонтального навозоуборочного транспортёра ТСН 160.
Определим максимально возможную нагрузку в начале уборки, затем по условиям пуска определим достаточный пусковой момент и мощность электродвигателя.
Определим усилие транспортной цепи при работе на холостом ходу по формуле:
(15)
где m – масса одного метра цепи со скребками, m=2.8 кг /2/;
g – ускорение силы тяжести, g =9.81 м/с2;
l – длина цепи, l=110 м;
f>x> – коэффициент трения цепи по настилу, f>x> =0,5;

усилие затрачиваемое на преодоление сопротивления трения навоза о дно канала при его перемещении по каналу:
(16)
где m>н> – масса навоза в канале, кг;
f>н> – коэффициент трения навоза о дно канала, f>x> =0.97 /2/;
(17)
где N – число животных обслуживаемых одним транспортёром, N =300 гол;
m>1> – суточный выход навоза от одного животного, m>1> =6.6 кг;
z – число уборок навоза в сутки, z =2;


Усилие на преодоление сопротивления заклинивания навоза, возникающее между скребками и стенками канала:
(18)
где F>1> – усилие затрачиваемое на преодоление сопротивления заклинивания, приходящееся на один скребок, F>1> =15 Н /2/;
а – расстояние между скребками, а=1.12 м;

Усилие затрачиваемое на преодоление сопротивления трения навоза о боковые стенки канала:
(19)
где Р >Б> – давление навоза о боковые стенки канала, Н;
(20)


Определим общее максимальное усилие необходимое для перемещения навоза в канале, кагда весь транспортер загружен:
(21)

Момент приведеный к валу электродвигателя при максимальной нагрузке:
(22)
где
– угловая скорость электродвигателя,
рад/с;
ŋ>н> – коэффициент полезного действия передачи, ŋ>н> =0.75 /4/;
(23)
где n – синхронная частота вращения, n =1500 об/мин;


Учитывая, что момент сопротивления, приведенный к валу электродвигателя увеличивается при трогании транспортёра, то момент трогания:
(24)

Определим требуемый момент электродвигателя:
(25)
где М>п> – кратность пускового момента, М>п> =2;
к – коэффициент снижения напряжения при пуске, к =0.8…0.9 /5/;

Определим необходимую мощность электродвигателя по формуле:
(26)

Мощность двигателя для горизонтального транспортёра выбираем исходя из следующего условия:
(27)
где Р>н> – номинальная мощность выбранного электродвигателя, кВт;
Выбираем
электродвигатель марки АИР100S4,
IР – 64, Р>н>=3.0 кВт,
з=82%, cosц=0.83, S>н>=12%,
К>I>> >=7.0
следовательно:

Определим мощность электродвигателя наклонного транспортёра ТСН-160:
(28)
где Q – подача транспортёра, Q =6 т/ч /2/;
ŋ>п> – коэффициент полезного действия передачи, ŋ>п> =0.75 /4/;
l – горизонтальная составляющая пути перемещения груза, l=15 м;
f – коэффициент трения, f=3 /2/;
h – высота подъёма груза, h =2,6 м;
ŋ>т> – коэффициент полезного действия передачи, ŋ>т> =0.5 [2];

Выбираем
электродвигатель марки АИР80В4, IР
– 64, Р>н>=1.5 кВт, з=78%, cosц=0.83,
S>н>=12%, К>I>>
>=5.5 следовательно:

Расчет и выбор двигателей для остальных приводов производим аналогично, результаты расчетов и номинальные данные двигателей сводим в таблицу 2.2.
Таблица 2.2. Сводная таблица электродвигателей
|
Наименование оборудования |
Марка двигателя |
Р>н>, кВт |
з, % |
N, мин-1 |
cosц |
K>i> |
М>n> |
Количество |
|
Вытяжной вентилятор |
АИР80В2У3 |
2.2 |
83 |
3000 |
0.87 |
7.0 |
2.0 |
4 |
|
Приточный вентилятор |
АИР90L2У3 |
3.0 |
84.5 |
3000 |
0.88 |
7.0 |
2.0 |
4 |
|
Кормораздатчик: |
||||||||
|
– передвижение |
АИР80А6У3 |
0.75 |
70 |
1000 |
0.72 |
4.5 |
2.2 |
2 |
|
– раздача |
АИР100L6У3 |
2.2 |
81 |
1000 |
0.74 |
6.0 |
2.2 |
4 |
|
Приточно-вытяжной вентилятор |
АИР63B2У3 |
0.55 |
75 |
3000 |
0.85 |
5.0 |
2.0 |
16 |
|
Навозоуборочный транспортёр: |
||||||||
|
– горизонтальный |
АИР100S4У3 |
3.0 |
82 |
1500 |
0.83 |
7.0 |
2.0 |
2 |
|
– наклонного |
АИР80В4У3 |
1.5 |
78 |
1500 |
0.83 |
5.5 |
2.2 |
2 |
2.5 Расчет и выбор осветительных установок
При разработки светотехнической части проекта осветительной установки придерживаемся следующей последовательности рассмотрения вопросов: выбор источников света; выбор нормированной освещенности и коэффициента запаса; выбор системы и вида освещения; выбор осветительных приборов; размещение светильников; светотехнический расчет осветительной установки
Характеристика помещений свинарника приведены в таблице 1.
2.5.1 Выбор источника света
Выбор источников света определяется техническими показателями и производится по рекомендациям СНБ2.04.05.98 «Естественное и искусственное освещение. Нормы проектирования», и «Отраслевые нормы освещения сельскохозяйственных предприятий, зданий и сооружений».
В соответствии с отраслевыми нормами освещения с/х зданий и сооружений для общего освещения помещений основного производственного назначения следует применять газоразрядные источники света низкого давления (лампы типа ЛБ, ЛБР, ЛД и др.). И только в случаях невозможности или технико-экономической нецелесообразности применения газоразрядных ламп следует использовать лампы накаливания. Лампы накаливания используют для освещения подсобных помещений (санузлы, коридоры, лестницы) и складских помещений.
В соответствии с требованиями для помещений производственного назначения (№1, 2, 9) принимаем газоразрядные лампы низкого давления, а в помещениях вспомогательного характера (№3, 4, 5, 6, 7, 8) – лампы накаливания
2.5.2 Выбор норм освещенности и коэффициента запаса
Выбор нормируемой освещенности осуществляют по отраслевым нормам освещения производственных, административных, общественных, бытовых помещений с/х предприятий, зданий и сооружений. Они представляют собой расписание значений минимальной освещенности рабочих поверхностей основных технологических операций производственного процесса в рассматриваемом помещении таблица П. 3.12.
Коэффициент запаса учитывает степень запыленности помещения и расчетную частоту чистки светильников, пыли, копоти и дыма в помещении, таблица П. 3.18.
Так как во всех помещениях отсутствуют крупногабаритное оборудование, то во всех помещениях принимаем систему общего освещения с равномерным размещением светильников. Вид освещения – рабочее. из рабочего освещения выделяем 10% светильников на дежурное освещение.
2.5.3 Выбор осветительных приборов
Светильники выбирают следующим образом:
из номенклатуры светильников, таблица П. 3.1, выбираем те, которые удовлетворяют назначению;
в зависимости от категории среды в помещении, таблица П. 3.15 /6/ и типа источника света определяют минимально-допустимую степень защиты светильников, таблица П. 3.13 /6/;
выделив из номенклатуры светильники, удовлетворяющие минимально-допустимой степени защиты, а также по характеру светораспределения и типу кривой силы света (КСС) выбирают светильник
Определяем категорию помещений по условиям окружающей среды и минимально-допустимую степень защиты светильника, из номенклатуры светильников выделяем те, которые удовлетворяют минимально-допустимой степени защиты. Учитывая характер помещения, оставляем светильники, имеющие (П) прямой класс светораспределения. Так как высота помещения 3,0 м, то целесообразно выбрать светильник, имеющий кривую силы света Д-2 или Г-1. Окончательно принимаем светильник ЛСП – 02 прямого светораспределения с кривой силы света Д-2.
Таблицу 2.3. Результаты выбора светильников
|
№ на плане |
Помещение |
Категория среды |
Освещённость Е, лк. |
Коэф. запаса К>з> |
Плоскость нормирования |
Система освещения |
Вид освещения |
Применяемый светильник |
||
|
Тип светильника |
Тип КСС |
Степень защиты |
||||||||
|
1 |
Помещение для содержания свиней |
Сырое |
75 |
1,3 |
Г-00 |
Общее равномерное |
Раб, деж |
ЛСП18 |
Д-2 |
54 |
|
2 |
Служебное |
Сухое |
100 |
1,3 |
Г-00 |
Раб. |
ЛСП18 |
Д-2 |
54 |
|
|
3 |
Санузел |
Сыро. |
75 |
1,15 |
Г-00 |
Раб. |
НСП02 |
М |
54 |
|
|
4 |
Подсобное помещение |
Сухое |
10 |
1,3 |
Г-00 |
Раб. |
НСП02 |
М |
54 |
|
|
5 |
Кладовая |
Сырое |
20 |
1,3 |
Г-00 |
Раб. |
НСП02 |
М |
54 |
|
|
6 |
Помещение сан. обработки |
Сырое |
30 |
1,3 |
Г-00 |
Раб. |
НСН02 |
М |
54 |
|
|
7 |
Площадка для взвешивания животных |
Сырое |
30 |
1,3 |
Г-00 |
Раб. |
НСП02 |
М |
54 |
|
|
8 |
Кормоприготов. тамбур |
Сырое |
20 |
1,3 |
Г-00 |
Раб. |
НСП02 |
М |
54 |
|
|
9 |
Электрощитовая |
Сухое |
50 |
1,15 |
В-08 |
Раб. |
ЛСП18 |
Д-2 |
54 |
2.5.4 Размещение осветительных приборов в освещаемом пространстве
При равномерном освещении светильники размещают по углам прямоугольника ил по вершинам ромба с учетом удобств обслуживания.
Размещаем светильники в помещении для содержания свиней №1.
Расчетная высота установки светильника
(29)
где
- высота прокладки троса, Н=2,5 м;
-
высота до рабочей поверхности,
;
-
высота светильника,


Для
светильников ЛСП
(таблица
П. 3.14 /6/). Расстояние между рядами
светильников
(30)
где л>С> – светотехнически наивыгоднейшее относительное расстояние между светильниками, л>С >=1,4

Расстояние от стены до крайнего ряда светильников
(31)

Число рядов
(32)
где В - ширина помещения, В=12 м;

Принимается
.
Расстояние от стены до крайнего ряда
.
Действительное расстояние между рядами
светильников
(33)

Размещаем светильники в помещении №3 (санузел)
Расчетная высота установки светильника

Для
светильников НСП02
(таблица
П. 3.14 /6/). Расстояние между рядами
светильников и светильниками в ряду
.
Расстояние
от стены до крайнего ряда светильников
и до крайнего светильника в ряду
.
Число рядов

Принимается
.
Число светильников в ряду
(34)

Принимаем 1 светильник в ряду
Общее число светильников
(35)

Расстояние
от стены до крайнего ряда
и до крайнего светильника в ряду

Аналогично размещаем светильники в остальных помещениях, результаты сносим в таблицу 2.4.
Таблица 2.4. Параметры размещения светильников в помещениях
|
№ на плане |
Наименование помещения |
Н>Р>, м |
Количество, шт. |
Расстояние, м |
||||
|
N>2> |
N>1> |
L>A> |
L>В> |
l>А> |
l>В> |
|||
|
1 |
Помещение для содержания свиней |
2,33 |
4 |
- |
- |
3 |
1,5 |
1,5 |
|
2 |
Служебное |
2,48 |
1 |
- |
- |
1,3 |
0,65 |
0,65 |
|
3 |
Санузел |
2,15 |
1 |
1 |
- |
- |
1,5 |
0,5 |
|
4 |
Подсобное помещение |
2,15 |
1 |
1 |
- |
- |
1,4 |
1,3 |
|
5 |
Кладовая |
2,15 |
1 |
1 |
- |
- |
1 |
0,5 |
|
6 |
Помещение сан. обработки |
2,5 |
1 |
2 |
1,6 |
- |
1.6 |
0,9 |
|
7 |
Площадка для взвешивания животных |
2,5 |
1 |
1 |
1.6 |
- |
1,6 |
0,9 |
|
8 |
Кормоприготов. тамбур |
2,5 |
1 |
1 |
- |
- |
1,5 |
1,4 |
|
9 |
Электрощитовая |
2,48 |
1 |
- |
- |
1 |
0,5 |
0,5 |
Расчет осветительной установки в помещении №2 – служебная, производим методом коэффициента использования светового потока.
Определяем
в зависимости от материала и окраски
поверхностей коэффициенты отражения
(таблица 2,17 /6/) потолка –
стен
-
рабочей
поверхности –
.
Индекс помещения
(36)
где А и B – длина и ширина помещения, м

Для
КСС светильника Д-2 индекса помещения
коэффициент использования светового
потока
(таблица 2,17 /6/)
Выбираем тип источника света лампу ЛБ-36, Ф>Л>=3050 лм
Суммарное число светильников в помещении
(37)
где z – коэффициент минимальной освещенности, z = 1,1 – для светильников с люминесцентными лампами /6/;
S – площадь помещения, S=7.28 м2;
n>C> – количество ламп в светильнике, n>C>=2 штук;

Принимаем

Число светильников в ряду
(38)

Определяем установленную мощность освещения в данном отделении помещения, кВт:
(
39)
где P>ном> – номинальная мощность лампы, кВт
кВт,
Расчет осветительной установки в помещении №3 (санузел) производим методом удельной мощности
Табличное
значение удельной мощности РТ>уд>
определяют по кривой силы света
светильника, расчетной высоте подвеса
и площади помещения: НСП02 – М; Н>Р>=2,15 м;
S = =3,0 м2.

Коэффициенты
отражения (таблица 2.17 /6/) потолка –
стен
-
рабочей
поверхности –
.
Вычисляются поправочные коэффициенты:
(40)
где К>1> – коэффициент приведения коэффициента запаса к табличному значению;
КР>З> – реальное значение коэффициента запаса осветительной установки (таблица 3.3.), КР>З> = 1,15;
К>З>ТАБ – табличное значение коэффициента запаса осветительной установки, К>З>ТАБ =1,3.

– так
как коэффициенты отражения поверхностей
совпадают с табличными
– так
как

Реальное значение удельной мощности
(41)
где
-
минимальная освещенность в помещении,


Расчетное значение мощности лампы
(42)
где S – площадь помещения, м2;
-
условный КПД светильника,
;
-
количество светильников в помещении,
=1
светильник;
-
количество ламп в светильнике,
=1
лампа;

Подбирается мощность лампы с учетом требований
,
(43)


Принимаем ближайшую большую лампа БК 220–230–60
Проверяется возможность установки лампы в светильник
(44)
Установленная мощность освещения в данном отделении помещения, по формуле 2.12.
кВт,
Рассчитаем осветительную установку в помещении №1 (для содержания животных), точечным методом.
Размещаем ряды светильников на плане помещения в соответствии с данными таблицы 2.5.4 и намечаем контрольную точку А.

Рисунок 2.1. План помещения для содержания животных
Определяем длины полурядов и расстояние от контрольной точки до проекции рядов на рабочую поверхность (рисунок 2.1)
L>11>=L>21>=L>31>==L>41>Н>р>=2.33 м,
L>12 >=> >L>22 >= L>32> =L>42> =А – 2l>а> – L>11> = 48– 2 ·1.5 – 2.33 = 42.67 м,
Р>1>=Р>2>=L>в>/H>p> 3/2.33=1.29 м, Р>3>= Р>1>+L>в>=1,29+3=3,29 м, Р>4>= Р>1>+2L>в>=1,29+6=6,29 м,
Определяем приведённые размеры:
,
,
,
,
,
По справочным данным из литературы /6/ в соответствии с рисунком 2.13, определяем условную освещённость в контрольной точке от всех полурядов (светильник ЛСП-02 имеющую кривую силы света Д-2), для которых приведённое расстояние Р′≤4:
Е>11>=60 лк, Е>21>=60 лк, E>31>=16 лк, Е>41>=3,2 лк
Е>12>=74 лк, Е>22>=74 лк, E>32>=25 лк, Е>42>=8 лк
Суммарная условная освещённость в контрольной точке ∑е>А >= ∑Е =60+60+16+3.2+74+74+25+8=320,2 лк
Определяем расчётное значение линейной плотности светового потока
,
(45)
где Е>н> – нормированное значение освещённости рабочей поверхности, лк;
К>з> – коэффициент запаса;
µ – коэффициент добавочной освещённости, учитывающий воздействие «удалённых» светильников и отражённых световых потоков на освещаемую поверхность (принимается равным 1.1…1.2);
лм·м-1
Выбираем тип источника света по таблице П. 3.33, в зависимости от характеристики зрительной работы. Принимаем лампу типа ЛБ и учитывая мощность светильника, окончательно – ЛБ-36. По таблице П. 2.7 /6/, поток лампы Ф>л>=3050 лм.
Количество светильников в светящемся ряду длиной
L>р> = А – 2·l>а >= 48 – 2·1.5 = 45 м
,
(46)
где n>с> – число ламп в светильнике, шт.;
L>р> – длина светящегося ряда, м
шт.
Принимаем N>1>=10 светильников.
Расстояние между светильниками в ряду, предварительно определив длину светильника по таблице П. 3.3 /6/ l>с>=1.348 м,
(47)

Проверяем расположение светильников в ряду с учётом требований равномерности:
0 ≤ L>А >≤ 1,5·L>в >(48)
0 < 3.5 м < 4,5 м
Общее количество светильников в помещении:
шт.
Требование равномерности выполнено
Установленная мощность освещения в данном отделении помещения, по формуле 2.12
кВт,
Для остальных помещений расчет ведем аналогично, результаты сводим в таблицу 2.5.
Таблица 2.5. Светотехническая ведомость
|
Наименование помещения |
Габариты |
Класс по условиям окружающей среды |
Коэффициенты отражения (с>п>, с>с>, с>р>), % |
Нормы освещенности, лк |
Поверхность нормирования освещенности |
Светильники |
Лампы (тип, мощность, Вт) |
Установленная мощность, кВт |
|||
|
Тип |
Количество |
Тип КСС |
Тип |
Количество |
|||||||
|
Помещение для содержания животных |
(48х12х3.0) |
сырое |
(50Ч30Ч10) |
75 |
Пол |
ЛСП18 |
40 |
Д-2 |
ЛБ-36 |
1 |
1,44 |
|
Служебная |
(2.6х2.8х2.65) |
сухое |
(50Ч30Ч10) |
100 |
Пол |
ЛСП18 |
1 |
Д-2 |
ЛБ-36 |
2 |
0,72 |
|
Сан.узел |
(3.0х1.0х2.65) |
сырое |
(50Ч30Ч10) |
75 |
Пол |
НСП02 |
1 |
М |
БК215–225–60 |
1 |
0,06 |
|
Подсобное помещение |
(2.6х2.8х2.65) |
сухое |
(50Ч30Ч10) |
10 |
Пол |
НСП02 |
1 |
М |
БК215–225–40 |
1 |
0,04 |
|
Кладовая |
(2.0х1.0х2.65) |
сырое |
(50Ч30Ч10) |
10 |
Пол |
НСП02 |
1 |
М |
БК215–225–40 |
1 |
0,04 |
|
Помещение сан. обработки |
(3.2х1.8х3.0) |
сырое |
(50Ч30Ч10) |
50 |
Пол |
НСП02 |
2 |
М |
БК215–225–60 |
1 |
0,12 |
|
Площадки для взвешивания животных |
(3.2х1.8х3.0) |
сырое |
(50Ч30Ч10) |
30 |
Пол |
НСП02 |
2 |
М |
БК215–225–40 |
1 |
0,08 |
|
Кормоприготовительный тамбур |
(3.0х2.8х3.0) |
сырое |
(50Ч30Ч10) |
30 |
Пол |
НСП02 |
1 |
М |
БК215–225–60 |
1 |
0,06 |
|
Электрощитовая |
(5.6х2.0х2.65) |
сухое |
(50Ч30Ч10) |
150 |
Верт. стойка |
ЛСП18 |
2 |
Д-2 |
ЛБ-36 |
2 |
0,14 |
2.6 Построение графика электрических нагрузок и определение мощности на вводе
График электрических нагрузок строится для определения расчётной мощности проектируемого здания Р>р>, а через эту величину несложно определить значение расчетного тока I>р >и другие необходимые показатели, для сокращения времени построения графика выполняем вспомогательную таблицу 2.6.
Определяем потребляемую мощность для вытяжной вентиляции, кВт.

(49)
где К>з> – коэффициент загрузки машины;
Р>уст >– установленная мощность машины, кВт;
з>м> – КПД машины;
N – количество машин;
кВт,
Так как для основного освещения потребляемая мощность равна установленной, поэтому.

Аналогично определяем присоединенную мощность для остальных электроприводов и результаты расчета и время работы оборудования заносим в таблицу 2.6.
По данным таблицы 2.6 строим график электрических нагрузок представленной на рисунке 2.2.
По
графику определяем значение расчётной
мощности, так как Р>м> длится более
0,5 часа то, за расчётную принимается
нагрузка за интервал осреднения 0,5 часа,
имеем Р>р >= Р>м. >

Определяем полную мощность на вводе в помещении, кВА.
S>max>> >= P>max>> >/ cosц, (50)
где> >cosц – средневзвешенное значение коэффициент мощности нагрузок, участвующих в формировании максимума;
(51)
где Р>i> – номинальная мощность ЭП, участвующих в формировании максимума нагрузки;
tg – коэффициент реактивной мощности ЭП, участвующих в формировании максимума нагрузки (определяется через cos по паспортным данным ЭП);
n – количество ЭП, участвующих в формировании максимума нагрузки,
Подставляя численные значения, получим:

S>ввода> = 36.39 / 0.72 = 50.54 кВА.
Определяем ток на вводе, А.
(52)
где> >U>н> – линейное напряжение, 380 В.

2.7 Схемы принципиальные питающей и распределительной сетей. Выбор распределительных устройств (ВРУ или ВУ и РП). Выбор аппаратов управления и защиты электроприемников и сетей
Схемы принципиальные выполняются в соответствии с ГОСТ-21.613–88 «СПДС. Силовое электрооборудование. Рабочие чертежи».
Для создания наиболее оптимального варианта схемы распределения электрической энергии необходимо учитываем многие факторы, оказывающие существенное влияние на построение рациональной схемы:
– требования обеспечения нормального технологического процесса;
– обеспечение безопасной работы обслуживающего персонала;
– условия окружающей среды здания;
– категория электроприемников в надежности электроснабжения;
– обеспечение наименьших затрат на сеть;
Окончательный выбор вариантов схемы производится по совокупности всех факторов, с учетом конкретных условий проектируемого объекта.
Порядок разработки принципиальных схем:
а) изучаем и анализируем технологические задания;
б) изучаем и анализируем задания смежных профессий инженерного обеспечения;
в) анализируем электроприемники по мощности, расположению, принадлежности к технологическим линиям и т.д.;
г) определяем какое технологическое оборудование поставляется комплектно;
д) все электроприемники разбивают на группы, относящиеся к тому или иному распредустройству;
е) составляем схему распределения; на основании изученных фактов определяем вид схемы: магистральная, радиальная или смешанная.
Принимаем для нашего случая смешанную схему распределения.
На принципиальных схемах не приводим:
Технологическое оборудование, марки, сечение и длины кабелей, если они поставляются комплектно с электрооборудованием;
Марки и сечения проводов в пределах низковольтных комплектных устройств.
На чертеже принципиальной схемы приводим сводные таблицы потребности основных материалов: кабелей и проводов, защитных труб.
Горизонтальная, жирная линия означает «сеть» данного электроприемника. Под термином «сеть» понимают совокупность всех устройств и изделий, необходимых для работы электроприемников. А именно, коммутационные и защитные аппараты, аппараты управления, сигнализации, электрические связи между ними (кабели, провода, шины), а также другие изделия, относящиеся к данному электроприемнику (металлоконструкции, защитные трубы, фитинги, металлорукава и т.п.).
При выполнении чертежа принципиальной схемы записываем все данные, относящиеся к рассматриваемой сети. Текстовые записи размещаем в соответствующих графах над линией сети.
Данные для разработки принципиальных схем берем из ранее разработанного материала, а также плана расположения силового электрооборудования и электропроводок. Способы и приемы выполнения схем питающих сетей в общем случае аналогичны схемам распределительной сети.
Чертеж приводим в графической части дипломного проекта на листе 4 и называем их принципиальная схема распределительной сети и питающей сети.
Количество групповых щитков осветительной установки определяется, исходя из размеров здания и рекомендуемой протяженности групповых линий. Для четырехпроходных трёхфазных групповых линий напряжением 380/220 В рекомендуемая протяженность 80 м, а однофазных 35 м.
Ориентировочное количество групповых щитков можно определить по формуле:
(53)
где r – рекомендуемая протяженность групповой линии, м;
А и В-длинна и ширина здания, м

Для удобства эксплуатации принимаем один щиток.
Для уменьшения протяженности и сечения проводов групповой сети щитки устанавливают по возможности в центре электрической нагрузки
Для этого всю осветительную нагрузку разбиваем на пять групп и определяются координаты центров этих нагрузок
(54)

где
-
координаты центра электрических нагрузок
в координатных осях x, y,
м;
Р>i> – мощность i-й электрической нагрузки, кВт
Таблица 2.7 – Центры нагрузок
|
Наименование помещения |
Х>i>>,> м |
Y>i>>,> м |
Установленная мощность |
|
Помещение для содержания свиней |
25 |
6 |
1,44 |
|
Помещение для содержания свиней |
90 |
6 |
1,44 |
|
Служебное |
63 |
3,5 |
0,072 |
|
Санузел |
64 |
3,0 |
0,06 |
|
Подсобное помещение |
66 |
3,5 |
0,04 |
|
Кладовая |
66 |
3,0 |
0,04 |
|
Помещение сан. обработки |
57 |
3,5 |
0,12 |
|
Площадка для вжвешивания животных |
57 |
3,5 |
0,08 |
|
Кормоприготов. тамбур |
2 |
6 |
0,06 |
|
Кормоприготов. тамбур |
110 |
6 |
0,06 |
|
Электрощитовая |
65 |
4 |
0,144 |
Подставив значения, определим центр электрических нагрузок:


С учётом данного центра электрических нагрузок с целью обеспечения удобства обслуживания и экономии проводникового материала размещаем групповой щиток в помещении для персонала на стене, что облегчит доступ и будет максимально близко к центру нагрузки.
Распределительные устройства выбираем по напряжению, условиям окружающей среды, способу установки и присоединения проводов, числу, типу и номинальным параметрам аппаратов защиты.
Произведём выбор рубильника на вводе для распределительного устройства, выбор производим по номинальному напряжению (U>н>>=U>н.уст>), номинальному току (I>н>>=I>н.уст.>), числу полюсов, конструктивному и климатическому исполнению, категории размещения и степени защиты.
Рабочий ток на вводе линии:
I>р>=I>ввода>=76,78А
Выбираем трёхполюсный рубильник с боковой рукояткой типа РБ на номинальный ток 250А. и номинальное напряжение 400В, который входит в комплект водно-распределительного устройства. Исходя из этого вводно-распределительное устройство выбираем марки ВРУ-1–11–40-М-У3.
А также для защиты от поражения током, при повреждении электроустановок применяем в качестве защитного аппарата УЗО
В качестве РУ принимаем ящик марки ПР-11–3068–21УЗ с автоматическим выключателем ВА21–29 и восьмью отходящими линиями.
Осветительный щиток ЩО 31–32 У3. С шестью групповыми линиями, со встроенной установкой и аппаратом на вводе типа А3114.
Магнитные пускатели принимаются исходя из напряжения коммутируемой сети:
,
(55)
номинального тока нагрузки:
(56)
а также исходя из конструктивных особенностей.
Для дистанционного управления и включения вытяжного вентилятора В-06–300 принимаем магнитный пускатель ПМЛ-121002 степень защиты IP54


Выбираем автоматический выключатель для защиты электродвигателя от токов короткого замыкания и перегрузки
Автоматический выключатель выбирают по следующим параметрам:
– по номинальному напряжению:
(57)
где
-
номинальное напряжение коммутируемой
цепи, В
– номинальный ток автомата должен соответствовать току электроприемника:
(58)
– номинальный ток теплового расцепителя должен соответствовать длительному току электроприемника:
(59)
Принимаем автомат АЕ2046 номинальный ток автомата I>НА>=63А; номинальное напряжение U>НА>=660В; номинальный ток расцепителя I>НТР>=10А, кратность срабатывания 12 I>НТР.>
Проверяем выбранный автомат на возможность ложных срабатываний, при этом должно соблюдаться условие
(60)
где
-
каталожный ток срабатывания
электромагнитного расцепителя, А;
-
расчетный ток срабатывания электромагнитного
расцепителя,
.
(61)
где
-
пусковой ток электродвигателя, А



Вывод: ложных срабатываний не будет
Для остального оборудования выбор аппаратов производится аналогично, для оборудования стандартно комплектуемого пускозащитной аппаратурой, защита принимается по условию селективности (на один габарит больше). Результаты выбора приведены на принципиальной схеме распределительной сети.
2.8 Расчет и выбор электропроводок силового электрооборудования и электроосвещения
Электропроводкой называется совокупность проложенных по трассе изолированных проводов всех сечений, кабелей сечением до 16 мм2 со всеми относящимися к ним конструкциями и деталями, предназначенными для их прокладки, крепления и защиты.
Для выполнения электрических сетей рекомендуется применять провода и кабели с алюминиевыми жилами. Выбор марок проводов и кабелей и способов прокладки сети следует осуществлять с учетом пожаро- и электробезопасности помещений, а также требований соответствующих стандартов и технических устройств на кабели и провода. При наличии нескольких условий, характеризующих окружающую среду помещений, электропроводка должна удовлетворять всем требованиям.
Выбор кабелей для силовых электроприемников.
Для питания электроприёмников принимаем кабель с алюминиевыми жилами АВВГ и медными жилами КРПГ для подключения кормороздатчика КЭС – 1.7.
Расчет сечений кабелей.
Задачей расчета электропроводок является выбор сечений проводников. При этом сечения проводников любого назначения должны быть наименьшими и удовлетворять следующим требованиям:
а) допустимому нагреву;
б) электрической защиты отдельных участков сети;
в) допустимым потерям напряжения;
г) механической прочности.
В отношении механической прочности выбор сечений сводится к просто выполнению нормативных требований ГОСТ30331.1–15. В нем приведены минимальные сечения проводников, которые могут быть использованы при выборе электропроводок в здании.
В нашем случае для стационарных электроустановок кабели и провода для силовых и осветительных сетей должны иметь сечение не менее 2,5 мм2.
При расчётах необходимо обеспечить выполнение двух условий:
а) нагрев проводника не должен превышать допустимых нормативных значений:
,
(62)
где I>дл> – длительный расчетный ток электроприемника или участка сети, А;
K>t> – нормативный коэффициент, учитывающий температуру окружающей среды;
,
(63)
где t>нор.пр >– нормативная температура проводника до которой нормируются длительно допустимые токи для проводов и кабелей;
t>нор.ср> – нормативная температура среды, где прокладывается проводник.
K>п> – поправочный коэффициент, зависящий от числа рядом проложенных одновременно работающих кабелей;
б) при возникновении ненормальных режимов и протекании сверхтоков проводник должен быть отключен от сети защитным аппаратом:
,
А (64)
где I>защ.> – ток защиты аппарата, А;
K>защ.> – коэффициент кратности, характеризующий отношение между допустимым током проводника и током защиты аппарата (для невзрыво-, непожароопасных помещений К>защ>=0.33);
Выбранное сечение проводника проверяем по допустимой потере напряжения, которая в конце участка линии не должна превышать 4%.
,
(65)
где Р – мощность на участке, кВт
l – длинна линии, м
с – коэффициент зависящий от материала жилы, рода тока, значения напряжения и системы распределения электроэнергии (для трёхфазной сети с нулевым проводом напряжением 380/220В выполненной алюминиевым проводом с=46, медным с=77);
F – площадь сечения токопроводящих жил, мм2
Рассчитываем сечение кабеля для силовой цепи электродвигателя навозоуборочного транспортёра ТСН – 160.
Определяем допустимый ток проводника.
а). По условию нагревания длительным расчетным током:
А
б). По условию соответствия сечения проводника выбранному току срабатывания защитного аппарата:
А
По таблице ПУЭ выбираем сечение кабеля по наибольшему току.
IдспIпр, (66)
19А10.74 А
Сечение
нулевого рабочего и нулевого защитного
проводника выбираем равными сечению
токопроводящих жил. Принимаем кабель
АВВГ5х2.5. Проверяем выбранное сечение
проводника по допустимой потере
напряжения:
4%
Следовательно, сечение кабеля выбрано правильно.
Аналогично производим выбор сечений кабелей для остальных участков электропроводок, а данные по выбору сводим на принципиальную схему распределительной сети.
Выбор сечения кабелей для осветительной сети.
Составляем расчётную схему сети.
Расчётное значение сечения проводника на участке:
(67)
где S – сечение проводов участка, мм2;
УМ = ∑Р·l – сумма моментов рассчитываемого и всех последующих участков с тем же числом проводов, что и у рассчитываемого, кВт·м;
Уб·m – сумма моментов всех ответвлений с числом проводов, отличающихся от числа проводов рассчитываемого участка, кВт·м;
б – коэффициент приведения моментов, зависящий от числа проводов рассчитываемого участка и в ответвлениях;
С
– коэффициент зависящий от материала
проводов, системы и напряжения сети,

ДU – допустимая потеря напряжения, % от U>н>. Согласно ПУЭ принимаем допустимые потери напряжения ДU = 2.5%.;
Р – мощность в рассматриваемой точке, кВт
l – длина участка, м.
Определяем расчетное сечение проводника на участке 0–1:

(67)




Подставляя
численные значения в формулу, получаем
сечение расчётного участка

м2.
С учётом механической прочности принимаем ближайшее, стандартное большее сечение S>0-1>= 2.5 мм2
Приняв для люминесцентных одноламповых светильников соsц>л.л.1>=0.9, двухламповых соsц>л.л.2>=0.94, для ламп накаливания cosц>л.н>=1.0
Определим коэффициент мощности на участке 0–1:
,
(69)

Определяется расчетный ток на участке 0–1:
(70)

Проверяется
выбранное сечение на нагрев.
Длительнодопустимый ток для данного
сечения
.
Тогда:
(71)

Условие выполняется
Определяется действительная потеря напряжения на участке 0–1:
(72)

Произведём расчет сечения на самой протяжённой и нагруженной линии:

С учетом механической прочности принимаем кабель марки АВВГ сечением 2.5 мм2.
Расчетный ток на участке:

Тогда

Определяется действительная потеря напряжения на участке 1–5

Общая потеря напряжения в конце первой групповой линии
(73)


Для остальных групповых линия сечение определяется аналогично результаты сносим в таблицу 2.8
Таблица 2.8. Результат расчета осветительной сети
|
Обозначение на плане |
Марка кабеля |
Количество жил и сечение |
|
№1 |
АВВГ |
2 х 2.5 |
|
№2 |
АВВГ |
2 х 2.5 |
|
№3 |
АВВГ |
2 х 2.5 |
|
№4 |
АВВГ |
2 х 2.5 |
|
№5 |
АВВГ |
2 х 2.5 |
|
От ВРУ |
АВВГ |
5 х 2.5 |
2.9 Расчет низковольтных сетей и выбор трансформаторных подстанций
Расчет наружных электрических сетей и трансформаторных подстанций СПК «Первое Мая» произведем для подстанции, которая непосредственно запитывает здание свинарника-откормочника.
Проектирование линий электропередач напряжением 0.38/0.22кВ выполняем на основании энергоэкономического обслуживания потребителей.
Пользуясь сведениями о потребителях электроэнергии производственного сектора устанавливаем расчетные мощности на вводах. Так как объекты используют максимум мощности в дневное время, расчет ведем по максимуму дневной нагрузки. Некоторые объекты имеют вечерний максимум больше дневного, для этих объектов расчет производим по большему максимуму. Численные значения расчетных мощностей принимаем согласно РУМа, а для свинарника-откормочника на 600 голов принимаем за расчетную мощность-мощность ввода. Данные о мощностях объектов сносим в таблицу 2.9.
Таблица 2.9. Расчетные мощности объектов
|
№ |
Наименование объекта |
Количество |
№РУМа |
Расчетная мощность ввода, кВт |
cosц |
||
|
Р>дн> |
Р>веч> |
Дн. |
Веч. |
||||
|
1 2,3 4 5 6 |
Кормоцех на 200 голов Репродуктивная ферма на 400 голов Свинарник-откормочник на 600 голов Зернохранилище на 1000т Насосная станция |
1 2 1 1 1 |
146 21 ── 312 389 |
20 50 36.2 20 2 |
10 25 36.4 10 2 |
0.75 0.75 0.75 0.7 0.8 |
0.78 0.85 0.85 0.75 0.8 |
2.9.1 Определение допустимых потерь напряжения в сети 0,38 кВ
Произведём расчёт допустимых потерь напряжения у потребителя соответственно при 100% нагрузки.
U100=H100+U100, (74)
при 25% нагрузке:
U25=H25+U25, (75)
где H100 иH25 – сумма надбавок напряжения соответственно при 100% и 25% нагрузке, %;
U100 и U25 – сумма потерь напряжения соответственно при 100% и 25% нагрузке, %.
Произведём расчёт допустимых потерь напряжения у потребителя при известных данных: отклонение на шинах питающей подстанции – 0%, 0%, надбавка за счёт ответвлений трансформатора 10/0,4 кВ – +5%, +5%, соответственно при 100% и 25% нагрузки.
Рассчитаем отклонение напряжения при 100% нагрузки у потребителя: U100=0+5+(-4)+5=+6%.
Разделим пополам потерю напряжения (+6%) для линий 10 кВ и 0,38 кВ. С учётом этого получаем: для линии 10 кВ – (-3%), и для линии 0,38 кВ – (-3%). Разделим потерю напряжения в линии 0,38 кВ на потерю во внешних сетях и внутренних сетях в соответствии с НПС-94 (2,5% – во внешние сети и 0,5% – во внутренние сети).
Произведём проверку:
U100=0+(-3)+5+(-4)+(-2,5)+(-0,5)+5=0%.
Для линии 0,38 кВ при 25% нагрузки произведём проверочный расчёт:
U25=0+(-0,75)+5+(-1)+0+0=+3,25%.
Следовательно, таблица отклонения напряжений составлено, верно, т. к. при 100% нагрузки, отклонение напряжения у потребителя не превышает –5%, а при 25% нагрузки не превышает +5%. Составим таблицу 2.10 отклонения напряжения при питании от шин 10 кВ.
Таблица 2.10. Расчёт допустимых потерь напряжения у потребителя
|
Элементы электрической сети |
Отклонение напряжения, % при нагрузке |
|
|
100% |
25% |
|
|
Шины питающей подстанции |
0 |
0 |
|
Потери в ВЛ 10 кВ |
-3 |
-0,75 |
|
Потребительский трансформатор 10/0,4 кВ: – надбавка за счет ответвления – потери напряжения |
+5 -4 |
+5 -1 |
|
Потери напряжения в сети 0,38 кВ: – во внешних сетях – во внутренних сетях |
-2,5 -0,5 |
0 0 |
|
Отклонение напряжения у потребителя |
-5 |
+3,25 |
2.9.2 Расчет электрических нагрузок объекта
Определим суммарную расчётную активную нагрузку всего объекта.
Делим все потребители по соизмеримой мощности на группы и определим расчётную нагрузку каждой группы по формуле:
(76)
где к>0> – коэффициент одновременности;
Первая группа (потребители №1,2,3,4,5).
Расчётная нагрузка для дневного максимума по формуле:
кВт;
Расчётная нагрузка для вечернего максимума по формуле:
кВт;
Вторая группа (потребители №6).
кВт;
Мощность наружного освещения принимаем из расчёта 250 Вт
на здание и 3 Вт на метр длины периметра свинофермы.
Р>осв>=250·6+(130+160)·2·3=3240 Вт=3.24 кВт
Суммируя расчётные нагрузки всех групп по таблице надбавок, получим расчётную нагрузку на шинах ТП с учётом наружного освещения:
кВт;
кВт;
Расчётная мощность трансформаторной подстанции, определяется по дневному максимуму, так как он больше вечернего.
Определяем полную мощность населённого пункта:
(77)
где: Р>нп.> – активная мощность всего населённого пункта, кВт;
cosц – средневзвешенное значение коэффициента мощности.
Значения коэффициентов мощности для отдельных потребителей определяем по таблице 3,7 /16/. Определим средневзвешенное значение коэффициента мощности для дневного и вечернего максимума:
(78)

(79)

Тогда полная мощность населенного пункта:
кВА;
кВА;
2.9.3 Выбор числа и мощности трансформаторов и мест расположения ТП 10/ 0,4 кВ
Определим приближённое число трансформаторных подстанций для населённого пункта по формуле:
(80)
где: F>нп.> – площадь населённого пункта по генплану, F>нп. >= 0.208 км2;
ДU>вл> – допустимые потери напряжения в сети 0,38 кВ, ДU>вл> = -2.5
;
Принимаем одну трансформаторную подстанцию, на плане населенного пункта наметим трассы ВЛ 380/220 В.
Учитывая перегрузочную способность трансформатора, принимаем трансформатор мощностью 160 кВА и записываем его паспортные данные в таблицу 2.11.
Таблица 2.11. Параметры трансформатора
|
Номер трансформаторной подстанции |
Тип трансформатора |
Номинальная мощность, кВА |
Сочетание напряжений, кВ |
Схема и группа соединения обмоток |
Потери, Вт |
Uк.з, % |
Iх.х, А |
Сопротивление трансформатора, Ом |
||||
|
ВН |
НН |
х.х |
к.з. |
прямой последовательности |
при однофазном к.з. z>к>(1) |
|||||||
|
А |
Б |
|||||||||||
|
ТП1 |
ТМ |
160 |
10 |
0,4 |
Y/Yн-0 |
510 |
565 |
2650 |
4,5 |
2,4 |
0,045 |
0,478 |
На плане населенного пункта нанесем оси координат и определим координаты нагрузок групп жилых домов и отдельных потребителей.
Расположение объектов между собой с учетом реальных размеров показано на рисунке 2.5.
Определяем месторасположение трансформаторной подстанции.
(81)
(82)
где>
>
– сумма расчетных мощностей всех
потребительских
подстанций в зоне электроснабжения ТП;
х>i> – проекция S>i> на ось x;
y>i> – проекция S>i> на ось y.


Компоновка оборудования подстанции должна обеспечивать простые и удобные подходы и выходы воздушных линий всех напряжений с минимальным числом пересечений и углов, удобные подъезды передвижных средств и механизмов для транспортировки и ремонта оборудования и возможностью дальнейшего расширения подстанции.
Площадку для строительства ТП, в соответствии с нормами, выбираем на незаселённой местности, не затопляемой паводковыми водами, в центре электрических нагрузок или в близи от него, по возможности близко от автодороги. Площадка должна иметь по возможности инженерно-геологические условия, допускающие строительство без устройства дорогостоящих заземлений и фундаментов под оборудование.
Наносим координаты и получаем место расположения ТП изображенное на рисунке 2.4.
Произведем расчет мощностей по участкам линий электропередач, для последующего определения сечения и марки провода. Расчет производим методом экономических интервалов нагрузок (метод приведенных затрат), изложенных в пункте 3.
Составляем расчетную схему объекта с нанесением мощностей и длин участков.
Находим расчётные значения мощностей на участках линии:
Участок ТП-1:
кВт;
;
кВА;
Эквивалентная мощность на участке
S>эквТП-1 >= S>ТП-1> · К>д, >(83)
где> >К>д> – коэффициент динамики роста нагрузок, 0.7 /16/.
кВА.

Рис. 2.5. Расчётная схема объекта
По таблице экономических интервалов нагрузок при толщине стенки гололёда b=5 мм (второй район по гололёду), по значению S>экв.> Находим число и марки проводов для участка линии ТП-1, принимаем к использованию провод
4хА-50+А-25
Результаты расчётов заносим в таблицу 2.6.
Фактические потери напряжения на участках определяем по формуле
∆U> >=S>мах>•l>уч>•ДU>уд> •10-3%; (84)
где: l>уч> – длина участка, м;
ДU>уд> – удельные потери напряжения, таб. 5,2;
Для участока ТП-1

Проводим аналогичные вычисления и заносим результаты в таблицу 2.12.
Таблица 2.12. Результаты расчёта сети 0,38 кВ
|
№ расчётного участка |
Полная нагрузка, кВА |
Эквивалентная мощность, кВА |
Длина участка, м |
Марка и сечение провода |
Потеря напряжения, % |
|
S>мах> |
S>экв> |
∆U |
|||
|
Фидер 1 |
|||||
|
ТП – 1 |
113.3 |
79.3 |
30 |
4А-50+А-25 |
1.54 |
|
1 – 2 |
35.7 |
26.25 |
18 |
4А-50+А-25 |
0.29 |
|
Суммарная потеря напряжения в конце линии |
1.83 |
||||
|
Фидер 2 |
|||||
|
ТП – 3 |
42.8 |
29.9 |
20 |
4А-50+А-25 |
0.39 |
|
Суммарная потеря напряжения в конце линии |
0.39 |
||||
|
Фидер 3 |
|||||
|
ТП – 5 |
27.5 |
19.27 |
55 |
4А25+А25 |
1.18 |
|
5 – 6 |
2.5 |
1.75 |
35 |
4А25+А25 |
0.069 |
|
Суммарная потеря напряжения в конце линии |
1.25 |
||||
|
Фидер 4 |
|||||
|
ТП – 4 |
14 |
9,8 |
55 |
4А25+А25 |
0.6 |
|
Суммарная потеря напряжения в конце линии |
0.6 |
Потери на участках линии не превышают допустимых значений:
∆U≤∆U>доп>
где ∆U>доп> – допустимые потери на линии, 2.5%;
Определяем количество необходимых заземлений и произведем расчет заземляющего контура.
Заземление выполняем трубами длинной l = 3 м, Ǿ = 50 мм. Определяем сопротивление растекания тока вертикального электрода, Ом.
,
(85)
где с>расч> – расчетное удельное сопротивление грунта, 200 Ом·м /5/;
l – длина заземлителя, м;
h>ср> – глубина заложения, принимают равной расстоянию от поверхности земли до середины трубы или стержня, м;
d – диаметр заземлителя, м.
h>ср> = l/2 + 0.8, (86)
h>ср> = 3/2 + 0.8 = 2.3 м,

Определяем сопротивление горизонтального заземлителя, Ом.
,
(87)
где> >k – коэффициент формы горизонтального заземлителя, принимаем для круглого сечения k = 1;
l – длинна горизонтального заземлителя, принимаем 25 м;
h – глубина заложения горизонтального заземлителя, принимаем 0.9 м.
Определяем теоретическое число стержней.
n>м>=R>в>/r>иск,> (88)
где> >r>иск> – сопротивление искусственного заземлителя, 10 Ом.
n>м> = 54.3/10 = 5.4>,> принимаем 5.
Тогда длинна полосы связи l>г> = 5 · 5 = 25 м, тогда согласно формулы 2.54 имеем.

По кривым приведенным в /5/ в зависимости от числа вертикальных заземлителей и отношению а/l определяем коэффициент экранирования вертикальных и горизонтальных заземлителей з>г> и з>в.>
При l = 5 и а/l = 5/3 = 1.6 определяем: з>г> = 0.72 и з>в> 0.48>.>
Действительное число стержней определяем как.
,
(89)
Принимаем 5 заземлителей.
Производим проверочный расчет.
r>иск> = R>в> ·> >R>г >/(n>г> · n · з>в> + R>в> · з>г>), (90)
r>иск> = 54.3 12.13 / (12.13 5 0.72 + 54.3 0.48) = 9.44 Ом.
Так как 9.44 Ом < 10 Ом следовательно заземление можно считать удовлетворительным.
Определяем сопротивление заземляющего устройства с учетом повторных заземлений нулевого провода.
r>расч> = r>иск> · r>п.з >/(r>иск> + r>п.з)>, (91)
где> >r>п.з >– общее сопротивление всех повторных заземлений, Ом.
r>п.з> = R>в> /n, (92)
r>п.з> = 54.3 /10 = 5.43 Ом,
r>расч> = 9.44 · 5.43> >/ (9.44 + 5.43>)> = 3.44 Ом.
Так как 3.44 Ом < 4 Ом следовательно заземление можно считать удовлетворительным.
2.10 Расчет и выбор компенсирующих устройств
Электроприемники требуют для своей работы как активной, так и реактивной мощности. Реактивная мощность вырабатывается и передается по системе электроснабжения к потребителям. Снижая потребление приемниками реактивной мощности, можно уменьшить трансформаторную мощность подстанции, увеличить пропускную способность системы электроснабжения, не увеличивая сечение кабелей, проводов и других токоведущих частей.
Основными электроприемниками реактивной мощности на сельскохозяйственных объектах являются асинхронные двигатели, на их долю приходится 65 … 70% потребляемой реактивной мощности, 20 … 25% приходится на трансформаторы и около 10% – на воздушные линии, линии электропередач и другие приемники (люминесцентные лампы, реакторы и т.д.).
Компенсация реактивной мощности имеет большое народно-хозяйственное значение. Так увеличение коэффициента мощности на 0.01 в масштабах РБ дает возможность дополнительно вырабатывать сотни тысяч кВт·ч электроэнергии в год.
Компенсацию реактивной мощности осуществляем при помощи статических компенсаторов. Статические компенсаторы имеют очень малые потери мощности, бесшумны в работе, износоустойчивы, просты и удобны в эксплуатации.
Мощность Q>н> компенсирующего устройства (квар) определяем как разность между фактической наибольшей реактивной мощности Q>м> и предельной реактивной мощности Q>э> предоставляемой предприятию энергосистемой:
Q>н> = Q>м> – Q>э> = P>м> · (tgц>м> – tgц>э)>, (93)
где P>м> – мощность активной нагрузки в часы максимума энергосистемы, принимаем по средней расчетной мощности, кВт;
tgц>м> – фактический тангенс угла, соответствующий мощностям P>м,> Q>м>;
tgц>э >– оптимальный тангенс угла, соответствующий установленным предприятию условиям получения от энергосистемы мощностей нагрузки P>м,> Q>э>
(94)
cosц>м> =0.75 – без компенсации реактивной мощности.
cosц>э >= 0.95; tgц>э> = 0.33;
cosц>м> = 0.86; tgц>м> = 0.86.
Р>м> = 573.2 кВт.
G>н> = P>м> (tgц>м> – tgц>э>) = 573.2 (0.86 – 0.33) = 303.80 квар.
Выбираем две комплектные конденсаторные установки ККУ – 0.38 – III. Номинальная мощность – 160 квар. В ККУ применяем конденсаторы без бумаги, пропитанной минеральным маслом, первого габарита, напряжением 0.38 кВ, тип конденсаторов – КМ – 0.38. Номинальная мощность конденсаторов – 0.35 квар.
Фактическое значение cosц при включении батареи:
tgц>э>
= tgц>м> –
,
(95)
tgц>э>
= 0.882 –
= 0.323,
В схемах конденсаторных батарей предусматриваем специальные активные резисторы, которые подключаем параллельно конденсаторам. Эти резисторы необходимы для разряда конденсаторов после их отключения, так как естественный саморазряд происходит медленно. Разряд конденсаторных батарей осуществляем автоматически после каждого отключения батареи от сети. После отключения конденсаторной батареи происходит разряд ее на сопротивления за 3 … 5 минут, т.е. за время, необходимое для получения на батарее допустимого остаточного напряжения не свыше 50 В.
Разрядное сопротивление, необходимое для быстрого разряда конденсаторной батареи:

2.11
Проектирование электрических сетей 10
кВ.
(Расчет высоковольтного ввода)
Трансформаторная подстанция 10/0,4 кВ питается от двух воздушных линий 10 кВ длиной 15 километров и 25 километров от трансформаторных подстанций 35/10 кВ.

Рисунок 2.6. Расчетная схема сети 10 кВ
Определяем расчетный ток в линии 10 кВ по формуле:
(96)
где S>p> – полная расчетная мощность объекта, кВА.
А
Определяем сечение провода на линии 10 кВ методом экономической плотности тока. Площадь поперечного сечения провода определяется по формуле:
,
(97)
где jэк – экономическая плотность тока, А/мм2.
Экономическую плотность тока определяем в зависимости от нагрузки и числа часов использования максимума нагрузки, равного Т=1000 ч. /13/. Экономическая плотность тока jэк=1.3.
Тогда


Из условия механической прочности принимаем провод марки AС-35 сечением F=35 мм2.
Определяем потери напряжения в линии 10 кВ по формуле:
,
(98)
где r>0>> >– удельное активное сопротивление, Ом, r>0>=0,773 Ом/км;
х>0 >– удельное реактивное сопротивление, Ом, х>0>=0,308 Ом/км.
В
Определяем потери напряжения в% по формуле:
,
(99)
4%.
2.12 Мероприятия по снижению потерь электроэнергии
Эксплуатация электрооборудования – это совокупность подготовки и использования изделий по назначению: технического обслуживания, хранения и транспортировки.
Главная задача эксплуатации электрооборудования – поддержание его в исправном состоянии в течении всего времени эксплуатации и обеспечивать его бесперебойную и экономическую работу. При эксплуатации сельскохозяйственного оборудования особое внимание необходимо уделять на:
Выбор мощности электрооборудования.
Правильный выбор электрооборудования по условиям среды, в которой она работает, при этом необходимо учитывать режим работы.
Обслуживание электрооборудования перед вводом в эксплуатацию, перед пуском.
Своевременное плановое проведение технического обслуживания с учетом режима работы.
Профилактические испытания электрооборудования.
Для экономии электроэнергии в дипломном проекте выполнены следующие мероприятия:
Приняты экономичные источники освещения, что обеспечивает оптимальный расход электроэнергии.
Выбор электроприводов машин транспортеров произведен с учетом коэффициента нагрузки, что исключает завышение мощности электроприемников, а тем самым и перерасход электроэнергии.
Исключается холостой ход производственных механизмов с помощью ограничителей холостого хода.
Ведется контроль за качеством напряжения на предприятии.
Проектом предусмотрена разработка рекомендаций по надлежащей эксплуатации производственных механизмов (обеспечения современной смазки, регулировки), что уменьшает потери, а значит, не допускается перерасход электроэнергии.
Предусмотрен комплекс мероприятий для повышения коэффициента мощности при помощи компенсирующих устройств.
Для частых пусков спроектированы электроприводы, обладающие минимальной кинетической энергией системы.
Произведен надлежащий выбор проводников с учетом потерь напряжения, в сетях включая сети 0,4 кВ и питающую линию 10 кВ
Генпланом предусмотрено размещение трансформаторной подстанции с учетом ближайшего подвода электроэнергии к объектам.
Трансформатор выбран с учетом экономических интервалов нагрузок, что исключает завышение его мощности.
2.13 Организация электротехнической службы по эксплуатации электрооборудования
В настоящее время при техническом обслуживании, диагностировании и ремонте электрооборудования в колхозах, совхозах в основном применяют три формы организации работ:
Комплексная, рекомендуется при числе условных единиц до 300.
Хозяйственная с привлечением специализированных организаций – при числе условных единиц от 301 до 800.
Хозяйственная – при числе условных единиц более 800.
Так как электрооборудование совхоза «Коммунист» имеет 850 условных единиц, то принимаем хозяйственную форму организации работ. При такой форме техническое обслуживание, диагностирование и ремонт электрооборудования в совхозе выполняется силами электротехнического персонала хозяйства, однако для выполнения сложных, специфических работ (наладка, диагностирование) могут привлекаться и специализированные службы.
Структуру электротехнической службы, под которой понимается система управления исполнителями и распределение обязанностей между ними, различают:
линейно-универсальную;
функционально-специализированную;
матричную.
Для хозяйственной форм организации эксплуатации электрооборудования принимаем линейно-универсальную структуру.
При линейно-универсальной структуре руководитель службы осуществляет управление через старших электриков подразделений, которым подчиняются исполнители электрики, закрепленные за конкретным производственным участком.
Здесь реализуется принцип единоначалия. За исполнителем закрепляется определенный состав электрооборудования. Это повышает ответственность и качество технического обслуживания.
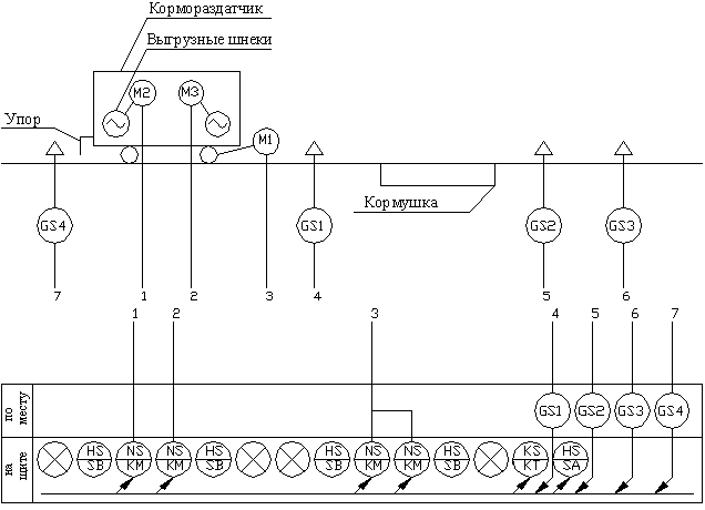
3. Специальная часть
Разработка схемы автоматизации
3.1.1 Общие сведения и технологические требования к автоматизируемой установке
Транспортные работы на животноводческих фермах (подвозка и раздача кормов, подстилки, вывоз молока, уборка и удаление навоза и др.) по затратам труда составляют примерно 30…40% всех работ.
На фермах значительное распространение получили электрифицированные транспортные средства, которые можно подразделить на стационарные и мобильные. К стационарным относятся ковшовые, скребковые, ленточные, шнековые и другие транспортёры, предназначенные главным образом для перемещения грузов в животноводческих помещениях, кормоцехах, молочных и в складах. К мобильным относятся электрифицированные передвижные кормораздатчики, электрокары, тельферы и др.
Автоматизация раздачи корма на фермах имеет большое значение для работников, и имеет следующие положительные эффекты:
облагораживает условия труда для работников;
увеличивает производительность труда;
уменьшает количество производственного травматизма.
В процессе развития свиноводства в нашей республике применяются три основные технологии приготовления и скармливания кормов: в сухом, влажном и жидком (полужидком виде). Одной из основных особенностей кормораздающих машин для свиней является дозирующих рабочих органов с дозированным процессом кормораздачи. Это характерно при раздаче влажных термообработанных смесей. Наиболее широкое применение нашли кормораздатчики типа: КС – 1.5; КЭС – 1.7; РС – 5.0А; КСП – 0.8.
В таблице 3.1 приведены механические характеристики мобильных бункерных кормораздатчиков, которые широко применяются в сельскохозяйственном производстве на свиноводческих фермах и комплексах.
Таблица 3.1. Технические характеристики мобильных кормораздатчиков
|
Показатели |
КС – 1.5 |
РС – 5.0А |
КЭС – 1.7 |
КСП – 0.8 |
|
Вместимость бункера, м3 Производительность, т/ч: – на смешивании – на раздаче сухого корма – на раздаче влажного корма Скорость передвижения при раздаче, м/с Ширина колеи, мм Требуемая ширина кормового проезда по кромкам кормушек, мм Число электродвигателей, шт. Потребляемая мощность, кВт Габаритные размеры, мм – длина – ширина – высота Масса, кг |
2.0 4.8 48.8 30.14 0.52 750 1400 4 7.35 2500 1730 1850 930 |
0.8 1.8 – 25.5 0.47 616 1400 1 3.0 3315 1675 1120 650 |
1.7 – 38.7 14.6 0.52 600…700 – 3 5.2 3000 996 1405 760 |
0.8 – 0.5 4.0 0.25 750 1400 3 4.5 26000 1800 1700 790 |
На свиноводческих фермах и комплексах широко применяется электромобильный кормораздатчик КЭС – 1.7. Он предназначен для дозированной раздачи в две рядом расположенные кормушки сухих, гранулированных и полужидких кормов, а также измельченных корнеклубнеплодов и зеленой массы.
Для изучения представленного выше кормораздатчика важно знать его конструкцию и технологическую схему, которая приведена на рисунке 3.1.

Рисунок 3.1. Технологическая схема мобильного кормораздатчика КЭС–1.7: 1 – тележка; 2 – бункер; 3 – шнек подающий; 4 – рычаг; 5 – заслонка; 6 – выгрузной люк; 7 – лоток; 8 – поводок-кронштейна ввода электропитания; 9,11 – электродвигатели; 10 – электропривод
Электрифицированный кормораздатчик КЭС–1.7 предназначен для раздачи кормов на свиноводческих фермах. Представляет собой бункер 2 (рис. 3.1) для корма, установленный на самоходной двухосной тележке 1, передвигающейся над двумя рядами кормушек по рельсовому пути, который расположен на эстакаде. Внутри бункера размещены два шнека 3, подающих корма к выгрузным окнам. Каждое окно закрывают заслонкой вручную.
Кормораздатчик передвигается при помощи индивидуального электропривода с асинхронным короткозамкнутым электродвигателем 10. Механизм выдачи кормов также от отдельных асинхронных короткозамкнутых электродвигателей 9 и 11. Индивидуальный электропривод значительно упрощает кинематическую схему кормораздатчика и тем самым повышает его эксплуатационную надежность.
Питание к электродвигателям от электросети 380/220 В подводится по гибкому кабелю. Кабель вводится в кормораздатчик с помощью поводка-кронштейна 8 и укладывается в деревянный лоток 7.
Управление кормораздатчиком автоматизированное, с помощью четырех конечных выключателей и реле времени. Упоры, посредством которых срабатывают конечные выключатели, – передвижные, что позволяет раздавать корма в любом месте кормушек.
3.1.2 Разработка функциональной схемы автоматизации
Функциональные схемы автоматизации являются функциональным техническим документом, поясняющим определенные процессы, протекающие в системе, определяющим структуру и уровень автоматизации технологического процесса (оснащение приборами и средствами автоматизации, организации пунктов контроля, защиты и управления, оснащение средствами сбора и обработки, а также передачи полученной информации).
Функциональная схема автоматизации связана непосредственно с технологией производства и технологическим оборудованием и как правило, показывается размещение технологического оборудования.
Технологическое оборудование на функциональных схемах должно соответствовать своей действительной конфигурации, но изображается упрощенно. Изображение технологического оборудования и трубопроводов должно показывать их взаимное расположение, взаимосвязи между ними и взаимодействие с приборами и средствами автоматизации.
Порядок составления функциональной схемы следующий:
Схематически показываем технологическую схему мобильного кормораздатчика КЭС–1.7.
Устанавливаем технологические параметры, подлежащие автоматическому регулированию и контролю.
Определяем технологическое оборудование (привода, механизмы) управляемые автоматически или дистанционно.
Размещаем приборы и аппаратуру на щитах или непосредственно у агрегатов.
Реализуя эти требования, строим функциональную схему автоматизации, которая приведена на рисунке 3.2.

Рисунок 3.2. Функциональная схема мобильного кормораздатчика КЭС–1.7
3.1.3 Разработка принципиальной электрической схемы автоматизации
Схема управления должна обеспечивать:
Управление линией в автоматическом и ручном режимах, их разделение, осуществляющее исключение возможности работы в нескольких режимах одновременно.
Отключение исполнительных органов при кратковременном снятии напряжения со схемы питания, без последующего автоматического включения при подаче напряжения.
Осуществление включения исполнительных механизмов в порядке протекания технологического процесса, осуществления от неправильных действий обслуживающего персонала.
Осуществление световой сигнализации, контролирующей порядок протекания технологического процесса.
Разработаем алгоритм управления оборудованием технологической линии.
Рассмотрим описание цикла работы технологической линии раздачи корма при помощи кормораздатчика КЭС–1.7.
Линию в работу включает оператор при помощи кнопочного поста. Включение контакта кнопочной станции кратковременное, при этом кормораздатчик включается и перемещается к началу кормушек, где он останавливается, двигатель привода движения реверсируется, и включаются выгрузные шнеки транспортеров, т.е. происходит раздача корма. В конце кормушек выгрузные шнеки останавливаются. Через некоторое время включается реверс привода движения кормораздатчика, и он возвращается в исходное положение.
Для обеспечения формализации процесса релейно–контактной схемы (РКС) необходимо от рабочих органов и механизмов перейти к исполнительным органам системы управления. В схемах управления исполнительные органы обозначаем буквой – X>i>, реле времени – Z>i>, а его контакт – Zґ>i>, датчик, который приводится в действие от внешнего воздействия – b>i>, кнопочную станцию – a>i>.
Заменим исполнительные органы и механизмы новыми обозначениями, и составим новую технологическую схему раздачи корма электромобильным бункерным кормораздатчиком КЭС–1.7 в выше описанной последовательности. Даная схема предоставлена на рисунке 3.3.

Рисунок 3.3. Технологическая схема раздачи корма мобильным кормораздатчиком КЭС–1.7
Составим таблицу, в которой приведем буквенные обозначения командных, исполнительных и промежуточных органов релейно-контактной схемы.
Таблица 3.2. Буквенные обозначения командных и промежуточных органов
|
Обозначение элемента |
Назначение элемента РКС |
Механизм, управляющий элементом, место установки элемента |
|
1 |
2 |
3 |
|
Х1 Х2 Х3 Х4 Z1 Zґ1 b1 b2 b3 b4 a1 |
Катушка магнитного пускателя привода кормораздатчика «вперед». Катушка магнитного пускателя привода выгрузного шнека 1. Катушка магнитного пускателя привода выгрузного шнека 2. Катушка магнитного пускателя привода кормораздатчика «назад». Катушка реле времени. Контакт реле времени. Конечный выключатель включающий выгрузные транспортеры. Конечный выключатель отключающий выгрузные транспортеры. Конечный выключатель отключающий электропривод движения «вперед». Конечный выключатель отключающий электропривод движения «назад». Контакт кнопочной станции, включающий привод кормораздатчика движения «вперед». |
Кормораздатчик Выгрузной шнек 1 Выгрузной шнек 2 Кормораздатчик Щит управления Щит управления Выгрузные транспортеры Выгрузные транспортеры Кормораздатчик Кормораздатчик Щит управления |
Следующим шагом в направлении алгоритмизации технологического процесса является его описание при помощи символов.
В таблице 3.3 приведем некоторые символы и операции, позволяющие связать элементы РКС временной или иной зависимостью.
Таблица 3.3. Символы операций и действий
|
Наименование операций, условия их выполнения |
Символ |
Пример |
|
Элемент изменяет исходное состояние Элемент возвращается в исходное состояние Последовательные операции Параллельные операции (начало) Параллельные операции (завершение) Механизм совершает вращение – по часовой стрелке – против часовой стрелки Механизм совершает движение «вперед» Механизм совершает вращение «назад» |
↑ ↓ –
> >→> >←> |
↑Х ↑b ↓Х ↓b ↑Х – ↑b
|
Используя словесное описание технологического процесса, заменяя механизмы соответствующими элементами, составим символическое описание для нашего примера.
Проверяем реализуемость схемы, для чего каждому элементу присваиваем «весовое» состояние. Первому элементу – 1, вес каждого последующего элемента удваивается.

Производим алгебраическое суммирование весовых состояний элемента, где для элементов со стрелкой ↑ ставим знак «+», а для элементов со стрелкой ↓ ставим знак «–». Конечное весовое состояние для выполнения реализуемости схемы должно равняться нулю.

Т.е. в нашем случае весовое состояние схемы в конечном случае получается равным нулю, что свидетельствует о правильном составлении алгоритма управления, а также численности и последовательности проходящих технологических включений.
Произведем составление частных таблиц включений.
Для дальнейшей формализации процесса разработки РКС управления кормораздатчиком, переходим к составлению частных таблиц включений. Они представляют собой особую запись цикла в виде таблицы, в которой последовательные во времени операции указываются в вертикальных столбцах – тактах, следующих один за другим, и за каждым электрическим элементом системы закреплена своя горизонтальная строка. При этом переход от одного такта к другому предлагает изменение состояния хотя бы одного из элементов (для общей таблицы включений).
Частные таблицы составляются для всех исполнительных элементов, приводов, реле времени и промежуточных логических реле в порядке их срабатывания. Такт, предшествующий включению исполнительного механизма называется тактом срабатывания. Такт, предшествующий такту отключения механизма, называется тактом отключения. Изменение исходного состояния (включение или отключение) элемента в таблице включений обозначается знаком «плюс», возвращение в исходное состояние – знаком «минус».
Для облегчения анализа состояний элементов в тактах таблицы включения, каждому элементу присваиваем код (число), который определяется по формуле.
N=2n-1, (100)
где N – код элемента;
n – порядковый номер элемента в частной таблице включений.
Составляем частную таблицу включений для исполнительного элемента Х1, промежуточного элемента U1, от включения которого срабатывает исполнительный элемент, а также промежуточный элемент b3 от состояния которого этот исполнительный элемент отключится.
Таблица 3.4. Частная таблица включений для исполнительного элемента Х1
|
Номер элемента n |
Код элемента N |
Элементы |
Такты |
|||||||||||||||||||||
|
0 |
1 |
2 |
3 |
4 |
5 |
6 |
7 |
8 |
9 |
10 |
11 |
12 |
13 |
14 |
15 |
16 |
17 |
18 |
19 |
20 |
21 |
|||
|
1 2 3 |
1 2 4 |
X1 U1 b3 |
+ |
+ |
– |
+ |
– |
– |
||||||||||||||||
|
Коды состояния тактов |
2 |
3 |
1 |
1 |
1 |
1 |
1 |
1 |
1 |
1 |
5 |
4 |
4 |
4 |
0 |
0 |
0 |
0 |
0 |
0 |
0 |
0 |
Частные таблицы включения для исполнительных элементов Х2 и Х3 будут идентичны, т.к. Х2 и Х3 включаются в работу и отключаются одновременно (параллельно друг другу) от одних и тех же промежуточных элементов b1 и b2.
Таблица 3.5. Частная таблица включения для исполнительных элементов Х2 и Х3
|
Номер элемента n |
Код элемента N |
Элементы |
Такты |
|||||||||||||||||||||
|
0 |
1 |
2 |
3 |
4 |
5 |
6 |
7 |
8 |
9 |
10 |
11 |
12 |
13 |
14 |
15 |
16 |
17 |
18 |
19 |
20 |
21 |
|||
|
1 2 3 |
1 2 4 |
X2, Х3 b1 b2 |
+ |
+ |
– |
+ |
– |
– |
+ |
– |
+ |
– |
||||||||||||
|
Коды состояния тактов |
0 |
0 |
0 |
0 |
2 |
3 |
1 |
5 |
4 |
0 |
0 |
0 |
0 |
0 |
0 |
0 |
4 |
0 |
2 |
0 |
0 |
0 |
||
|
4 |
8 |
Х1 |
+ |
– |
||||||||||||||||||||
|
Коды состояния тактов |
0 |
8 |
8 |
8 |
10 |
11 |
9 |
13 |
12 |
8 |
8 |
0 |
0 |
0 |
0 |
0 |
4 |
0 |
2 |
0 |
0 |
0 |
Подсчет кодов состояния показывает, что код 5 (такт отпускания) больше нигде не повторяется, а код 2 (такт срабатывания) повторяется в 18 такте, значит таблица состояний для элементов Х2, Х3 не реализуема. Для того, чтобы ликвидировать повторение тактовых кодов, необходимо ввести дополнительный промежуточный элемент, который мы можем включить и выключить в любом такте частной таблицы.
В нашем случае для устранения зоны нереализуемости дополнительно в частную таблицу включении вводим элемент Х1, который включается до зоны нереализуемости, а выключается в зоне нереализуемости. Подсчет кодов состояния показывает, что коды 10 (такт срабатывания) и 13 (такт отпускания) больше нигде не повторяются, а значит, частная таблица включений реализуема.
Составляем частную таблицу включений для исполнительного элемента Х4. В нее, кроме элемента Х4, входит промежуточный элемент Zґ1, от состояния которого исполнительный элемент включается, а также промежуточный элемент b4, от состояния которого исполнительный элемент отключается.
Таблица 3.6. Частная таблица включений для исполнительного элемента Х1
|
Номер элемента n |
Код элемента N |
Элементы |
Такты |
|||||||||||||||||||||
|
0 |
1 |
2 |
3 |
4 |
5 |
6 |
7 |
8 |
9 |
10 |
11 |
12 |
13 |
14 |
15 |
16 |
17 |
18 |
19 |
20 |
21 |
|||
|
1 2 3 |
1 2 4 |
X4 Zґ1 B4 |
– |
+ |
+ |
– |
+ |
– |
||||||||||||||||
|
Коды состояния тактов |
0 |
0 |
0 |
-4 |
-4 |
-4 |
-4 |
-4 |
-4 |
-4 |
-4 |
-4 |
-2 |
-1 |
-1 |
-3 |
-3 |
-3 |
-3 |
-3 |
1 |
0 |
Подсчет кодов состояний показывает, что код 2 (такт срабатывания и код 1 (такт отпускания) больше нигде не повторяются, а значит частная таблица составленная для элемента Х4 реализуема.
Составляем частную таблицу включений для исполнительного элемента Z1. В нее кроме Z1, входит промежуточный элемент b3. От состояния, которого исполнительный элемент включается, а также промежуточный элемент Х4, от состояния которого исполнительный элемент отключается.
Таблица 3.7. Частная таблица включений для исполнительного элемента Z1
|
Номер элемента n |
Код элемента N |
Элементы |
Такты |
|||||||||||||||||||||
|
0 |
1 |
2 |
3 |
4 |
5 |
6 |
7 |
8 |
9 |
10 |
11 |
12 |
13 |
14 |
15 |
16 |
17 |
18 |
19 |
20 |
21 |
|||
|
1 2 3 |
1 2 4 |
Z1 b4 Х4 |
+ |
+ |
+ |
– – |
– |
|||||||||||||||||
|
Коды состояния тактов |
0 |
0 |
0 |
0 |
0 |
0 |
0 |
0 |
0 |
0 |
2 |
3 |
3 |
7 |
4 |
4 |
4 |
4 |
4 |
4 |
4 |
0 |
Подсчет кодов состояний показывает, что коды 2 (такт срабатывания) и 7 (такт отпускания) больше нигде не повторяются, значит таблица составленная для элемента Z1 реализуема.
Для включения любого исполнительного элемента необходимо обеспечить замкнутое состояние цепочки управления этим элементом в такте срабатывания.
Согласно теории релейных устройств в эту цепочку необходимо последовательно включить все элементы, входящие в частную таблицу включений без исполнительного элемента. Последовательное включение элементов соответствует операции умножения в алгебре логики. Это логическое произведение называется функцией срабатывания f>ср> элемента. В такте отпускания цепь управления элементов должна быть разомкнута так же, как и для всех остальных тактов отключенного состояния элементов, исключая такт срабатывания.
Логическое произведение контактов элементов, входящих в частную таблицу включения, должно в такте отпускания обеспечить замкнутую цепь. Это логическое произведение называется функцией f>отп>, т.е. функцией отпускания. Для реализации функций f>ср >и f>отп >замкнутые контакты элементов, входящих в логическое произведение, записываем из частной таблицы включений без инверсий, а разомкнутые – с инверсией.
Из структурной теории релейных устройств известна общая формула для определения первоначальной структуры цепи управления, какого-либо элемента Х:
,
(101)
где f >ср >(X) – логическое произведение контактов элементов в тактах
срабатывания, обеспечивающих замкнутую цепь элемента, для которого составляется структурная формула;
–
логическое
произведение контактов элементов в
тактах
отпускания, обеспечивающих замкнутую цепь элемента, для которого составляется структурная формула.
Первоначальная структура цепи управления для исполнительного механизма Х1 будет иметь вид:

Для исполнительных элементов Х2, Х3:

Для исполнительного элемента Х4:

Для исполнительного элемента Z1:

В горизонтальные строки таблиц покрытий вписываем все слагаемые произведения, имеющиеся в первоначальных структурных формулах, элементов а в вертикальные столбцы номера тактов включенного состояния данного элемента, в такт числа и номер такта срабатывания, т.е. от такта срабатывания до такта отпускания.
Таблица 3.8. Таблица покрытий для элемента Х1
|
Произведение |
Такты |
|||||||||
|
0 |
1 |
2 |
3 |
4 |
5 |
6 |
7 |
8 |
9 |
|
|
|
||||||||||
|
|
||||||||||
|
|

Таблица 3.9. Таблица покрытий для элемента Х2, Х3
|
Произведение |
Такты |
||
|
4 |
5 |
6 |
|
|
|
|||
|
|
|||
|
|
|||
|
|


Таблица 3.10. Таблица покрытий для элемента Х4
|
Произведение |
Такты |
|||||||
|
12 |
13 |
14 |
15 |
16 |
17 |
18 |
19 |
|
|
|
||||||||
|
|
||||||||
|
|

В последнюю очередь составляем таблицу покрытий для исполнительного элемента Z1, осуществляющим управление кормораздатчиком по суточной программе.
Таблица 3.11. Таблица покрытий для элемента Х1
|
Произведение |
Такты |
||
|
10 |
11 |
12 |
|
|
|
|||
|
|
|||
|
|

Произведем нормализацию состояния контактов.
Под нормализацией имеется в виду выполнение требований оформления принципиальных электрических схем, где контакты приборов и аппаратов, а также всех коммутационных устройств на схеме показывают в нормальном положении, когда отсутствует ток во всех целях схемы и внешние принудительные воздействия на механические части подвижных контактов.
Исходя из таблиц покрытия 3.8 – 3.11 структурные формулы и структурные релейно-контактные схемы управлением исполнительными элементами будут иметь вид:
Для элемента Х1:


Рисунок 3.4. Упрощенная схема управления кормораздатчиком, движение «вперед» в автоматическом режиме
Для элементов Х2 и Х3:


Соответственно для данных элементов составляем упрощенные структурные схемы управления выгрузными шнеками, приведенные на рисунке 3.5.


Рисунок 3.5. Упрощенные структурные схемы управления выгрузными шнеками в автоматическом режиме
Для элемента Х4:


Рисунок 3.6. Упрощенная структурная схема управления кормораздатчиком, движение «назад» в автоматическом режиме
Для элемента Z1:


Рисунок 3.7. Упрощенная структурная схема управления работой реле времени в автоматическом режиме
Зная условные буквенные обозначения отдельных элементом, а также зная их графическое обозначение, принятое в типовых электрических схемах автоматизации управления технологическими процессами, и применяемые при составлении электрических принципиальных схем управления, составляем электрическую принципиальную схему управления электромобильным бункерным кормораздатчиком КЭС–1.7 в автоматическом режиме. Данная схема приведена на рисунке 3.8.

Рисунок 3.8. Принципиальная схема управления мобильным кормораздатчиком КЭС–1.7 в автоматическом режиме
Разрабатываем полную принципиальную электрическую схему управления кормораздатчиком КЭС–1.7 в автоматическом режиме.
При переходе от упрощенной схемы к полной принципиальной схеме автоматизации необходимо учесть ряд факторов, определяющих ее окончательную структуру:
– действительное состояние органов управления в исходном (отключенном) состоянии схемы;
– действительное наличие контактов у всех элементов схемы управления (наличие ручного и наладочного режимов, схем контроля и сигнализации);
– дополнительные аппараты аварийного отключения;
– действительное наличие контактов у всех элементов схемы управления;
– аппараты выбора необходимого режима работы системы управления, устраняющие наличие управления в нескольких режимах;
– дополнительные аппараты аварийного отключения.
Для управления реверсивным электроприводом движения кормораздатчика применим электрическую блокировку исключающую одновременную работу двух пускателей.
Предусмотрим ручной режим управления при помощи кнопочных постов. Для осуществления работы кормораздатчика в автоматическом и ручном режиме, а также для контроля за технологическим процессом раздачи кормов предусматриваем установку универсального переключателя и ламп световой сигнализации.

Рисунок 3.9. Управление электроприводом в ручном и автоматическом режимах
Разработку остальных цепей управления ведем аналогичным образом с добавлением необходимых элементов. Произведем описание работы полной принципиальной электрической схемы управления.
При помощи автоматического выключателя QF1 подаем напряжение на схему управления. Рассмотрим работу схемы в автоматическом режиме, для чего автоматический переключатель SA ставим в положение А. Линию в работу включает оператор кнопочной станцией при помощи кнопки SB3, в результате чего получает питание магнитный пускатель КМ1, замыкаются его контакты КМ1.2 (осуществляем шунтирование кнопки SВ4), КМ1.3, КМ1.4 (для подготовки к пуску КМ2 и КМ3) и в цепи магнитного пускателя КМ4 размыкается контакт КМ1.5. кормораздатчик по средством запитки КМ2 начинает движение «вперед». При начале движения кормораздатчика конечный выключатель SQ4 возвращается в исходное положение подготавливая КМ4 к пуску. При подходе кормораздатчика к кормушкам, он посредством упора воздействует на конечный выключательSQ1 и через его контакты SQ1.1 и SQ1.2 получают питание магнитные пускатели КМ2 и КМ3, в работу включаются выгрузные шнеки кормораздатчика. В конце кормушки кормораздатчик воздействует через упор на конечный выключатель SQ2 и размыкаются контакты SQ2.1 и SQ2.2, обесточиваются магнитные пускатели КМ2 и КМ3, выгрузные шнеки останавливаются. Освободив кормушку кормораздатчик воздействует упором на конечный выключатель SQ3. В цепи км1 размыкается контакт SQ3.1, КМ1 обесточивается и кормораздатчик останавливается. В цепи реле времени КТ замыкается контакт SQ3.2, в результате чего оно срабатывает и через 2 сек. запитывает через свой контакт КТ, магнитный пускатель КМ4, осуществляющего привод движения кормораздатчика «назад». Контакт реле времени КТ шунтируется замыкающим контактом КМ4.2, и катушка реле времени обесточивается, т. к. размыкается контакт КМ4.3. В цепи КМ1 размыкается контакт электрической блокировки КМ4.4. По возвращении кормораздатчика в исходное состояние он упором воздействует на конечный выключатель SQ4, в результате чего обесточивается КМ4 и кормораздатчик останавливается и вновь готов к работе.
Заменим некоторые части релейно-контактной схемы на элементы и устройства импульсной и цифровой электроники, а в часности произведем управление тележкой кормораздатчика при помощи контроллера фирмы mitsub>ishi, выбор производим по числу коммутируемых входов и выходов.
Для программирования контроллера воспользуемся пакетом AL-PSC/WIN-E.
3.2 Расчет и выбор аппаратов защиты
В качестве аппарата защиты от перегрузки, обрыва фаз примем к использованию преобразователь тока.
Предназначен для преобразования переменного тока в пропорциональный выходной ток с гальванической развязкой между силовой и измерительной цепями.
Электрические параметры
Iвх – Номинальный входной ток, амплитудное значение 20 А
Iпр – Диапазон входных токов 0 … 40 А
Iвых – Выходной ток 4…20 мА в диапазоне входных токов 0…20 А
Uвых – Выходное напряжение 0…10 В в диапазоне входных токов 0…20А
Напряжение питания + 15…+36 В; потребляемый ток 18 + Iвых, мА
Частотный диапазон 20 … 500 Гц
Рабочая температура –30 …+70 С
Основная погрешность не более 2%
Дополнительная погрешность в рабочем диапазоне температур <0,2%/10C
Чувствительный элемент – микросхема с датчиком Холла.
Принципиальная электрическая схема преобразователя тока приведена на рис. 1. Микросхема DA1 с датчиком Холла (чувствительный элемент, реагирующий на магнитное поле) помещен в зазор тороидального магнитопровода. Магнитная индукция в зазоре пропорциональна току в силовом проводнике, проходящем через магнитопровод. Микросхема DA1 обеспечивает линейно изменяющееся выходное напряжение, пропорциональное индукции магнитного поля в зазоре во всем диапазоне измеряемых токов в силовой цепи.
Переменное напряжение с выхода DA1 через разделительный конденсатор С8 поступает на вход двухполупериодного выпрямителя на микросхеме DA2 (сдвоенный операционный усилитель). Напряжение на выходе выпрямителя сглаживается RC-фильтром R8, C5 и поступает на вход масштабного усилителя DA4, а также на вход преобразователя «U-I» на микросхеме DA3.
Таким образом, напряжение на выходе DA4 пропорционально току в силовой цепи. Ток на выходе DA3 изменяется в пределах 4–20 мА в рабочем диапазоне силовых токов. При соответствующем включении микросхемы DA3 можно обеспечивать выходной сигнал 0–20 мА. Напряжение на выходе масштабного усилителя изменяется от 0 до 10В.
Напряжение питания измерительной схемы стабилизировано микросхемой DA4 на уровне 12В при изменении питающего напряжения в пределах 15–36В.
Электрические параметры преобразователя тока на основе датчика Холла следующие:
Iвх – Номинальный входной ток, амплитудное значение 20 А
Iпр – Диапазон входных токов 0 … 40 А
Iвых – Выходной ток 4…20 мА в диапазоне входных токов 0…20 А
Uвых – Выходное напряжение 0…10 В в диапазоне входных токов 0…20А
Напряжение питания + 15…+36 В; потребляемый ток 18 + Iвых, мА
Частотный диапазон 20 … 500 Гц
Рабочая температура –30 …+70 С
Основная погрешность не более 2%
Дополнительная погрешность в рабочем диапазоне температур <0,2%/10C
При соответствующей настройке пределы измерения преобразователя тока можно изменять в широких пределах (от десятков миллиампер до сотен ампер).
Принцип действия датчика Холла.
Датчик Холла – полупроводниковый преобразователь, представляющий собой тонкую пластинку с четырьмя электродами (рис. 2), выполненную из полупроводникового материала с высокой подвижностью носителей заряда (кремний, германий или полупроводниковые соединения).
Если через такую пластинку, помещенную в магнитное поле Н проходит ток I, то на параллельных направлению тока гранях пластинки возникает эдс Холла, (В)
,
(102)
где
R – постоянная Холла
(см
/к);
d, l,
a – размеры
датчика Холла; (l/a) –
функция, зависящая от геометрии элемента
Холла.
Так как сигнал с выхода элемента Холла невелик, зависит от напряжения питания и температуры, датчик Холла выполняют в виде интегральной микросхемы, содержащей элемент Холла, стабилизатор напряжения, усилитель и схему термокомпенсации.
При использовании датчика Холла в преобразователях тока он помещается в воздушном зазоре магнитопровода из трансформаторной стали, пермаллоя или феррита. Проводник, ток в котором надо измерить, проходит через окно магнитопровода.
Индукция магнитного поля B в воздушном зазоре определяется по формуле
,
(103)
где
– магнитная постоянная, равная
;
-
магнитная проницаемость материала
магнитопровода.
Измерительные преобразователи на основе датчиков Холла позволяют измерять как переменный, так и постоянный ток.
3.2 Разработка шкафа управления
Шкафы управления выполняют роль постов управления, контроля, сигнализации автоматизированного объекта. Он является связующим звеном между оператором и объектом. На щитах располагают средства контроля, управления, сигнализации технологических процессов, надписи поясняющие назначение отдельных элементов.
Искомая площадь монтажной панели щита управления определяется по формуле, мм2.
S=∑(А+2b)·(B+2a), (104)
где А – ширина аппарата, мм;
B – высота аппарата, мм;
a – размер, учитывающий вертикальную монтажную зону,
а = 10 ч 50 мм;
b – размер, учитывающий горизонтальную монтажную зону,
b = 10 ч 50 мм;
Принимаем стандартный малогабаритный щит, основные размеры которого сведены в таблице 3.12.
Таблица 3.12. Габаритные размеры щита управления марки ЩШМ
|
Основные параметры |
||||
|
Высота |
Ширина |
Глубина |
||
|
H |
h |
L |
l |
B |
|
600 |
560 |
400 |
334 |
350 |
Разработаем схему внутренних соединений щита управления.
Схема соединения показывает порядок соединения электрооборудования внутри отдельной сборочной единицы (шкафа, щита).
Схемы соединений являются безмонтажным документом и должны точно соответствовать электрической принципиальной схеме управления.
У каждого зажима элементов подписывают адрес, причем для обозначения последнего используют позиционные обозначения того элемента, кому это соединение адресовано.
Произведем разработку схемы соединений щита управления мобильного кормораздатчика, для этого на отдельных сборочных единицах щита управления размещаем условные изображения монтажных единиц приборов и аппаратов в соответствии со схемой расположения, разрабатываем отдельные монтажные единицы элементов схемы управления мобильным кормораздатчиком.
Под монтажными единицами указываем позиционные обозначения приборов, принятые на электрической принципиальной схеме управления.
У каждого элемента подписываем адреса элементов, к которым это соединение адресовано.
Разработаем схему подключения. Схемы подключения показывают внешние соединения между отдельными сборочными единицами, т.е. показывают, каким образом выполняются внешние соединения шкафов, щитов управления, датчиков и исполнительных механизмов.
Электрические связи в таких схемах изображают сплошными линиями в однолинейном исполнении и линии в местах присоединения к элементам цепей разделяют, чтобы показать их маркировку.
4. Экономическая часть
4.1 Обоснование расчета экономической эффективности автоматизации кормораздачи в свинарнике-откормочнике на 600 голов
В настоящее время государством все больше средств выделяется на развитие материально технической базы сельскохозяйственных предприятий, в том числе на развитие электрификации и автоматизации сельскохозяйственного производства, которые в большей степени влияют на повышение производительности труда, снижение себестоимости продукции в целом. Поэтому перед работниками сельскохозяйственных предприятий стоит задача снизить как можно больше единиц затрат – трудовых, материальных, финансовых.
Расчет экономической эффективности автоматизации раздачи корма начинаем с изучения технологического процесса. При этом определяем за счет чего получается дополнительный доход при внедрении предлагаемого варианта. Расчет производим методом сравнения двух вариантов: существующего и предполагаемого.
Таким образом, изменив, базовую схему кормораздачи и дополнительно поставив новую аппаратуру управления, тем самым делая работу кормораздатчика в автоматическом режиме вместо ручного можно получить значительный экономический эффект. При автоматизированной раздаче корма улучшаются: условия кормления и достигается (около 4 – 6%) экономия кормов.
Установленная на ферме кормораздаточная линия РКС – 3000М предназначена для раздачи сухих, влажных и сочных кормов в свинарниках-откормочниках, установленная мощность которой 7.5 кВт. Предлагаемый вариант – мобильный кормораздатчик КЭС-1.7, также предназначен для раздачи в кормушки сухих, гранулированных кормов и влажных кормосмесей в свинарниках-откормочниках, установленная мощность его – Р = 5.9 кВт.
Расчет экономической эффективности проведем методом сравнения двух этих кормораздатчиков.
4.2 Натуральные технико-экономические показатели
Объем производства и годовой фонд времени
Прирост объема производства при применении новой технологии,
∆V = V>2> – V>1>, (109)
где V>1> – годовой объем производства при старой технологии, ц;
V>2> – годовой объем производства в проектируемом варианте, ц;
V= д ·Пр ·n>ж> ·n>сут>, (110)
где д – коэффициент учитывающий рост продуктивности животных;
Пр – среднесуточный привес одной головы, гр;
n>ж> – поголовье животных;
n>сут> – число суток работы установки в году, сут.
Тогда
V>1> = 1 · 500 · 600 · 365=1095 ц,
V>1> = 1.01 · 500 · 600 · 365=1105,95 ц,
∆V = 1105,95 – 1095=10,95 ц.
Потребляемая электроэнергия за год, кВт·ч/год:
W=P>уст>·t>р>, (111)
где P>уст> – установленная мощность установки, кВт;
t>р> – время работы установки, согласно технологии производства, ч.
W = 7.5 · 730 = 5475 кВт·ч/год,
W = 5.9 · 730 = 3796 кВт·ч/год.
4.3 Исходные стоимостные показатели
Определяем капиталовложения, тыс. руб.
(112)
где б>и>> >– коэффициент, учитывающий рост цен, 1500 /10/;
К>об >– балансовая стоимость оборудования в ценах 1990 г., тыс. руб.
Балансовую стоимость оборудования находим как:
(113)
где Ц>об>> >– отпускная цена оборудования по прейскуранту, руб.
К>т.р>> >– коэффициент, учитывающий транспортные расходы, 1.15 /10/;
К>м> – коэффициент, учитывающий затраты на монтаж, 1.2.
Тогда согласно прейскуранта: Ц>об1 >= 1200 руб., в ценах 1990 года; Ц>об2 >=3089,5 руб., в существующих ценах.
Балансовая стоимость действующего оборудования:

Капиталовложения в существующее оборудование:



Определяем эксплуатационные расходы, тыс. руб.
(114)
где И>а>> >– амортизационные отчисления, тыс. руб.;
И>т.р> – отчисления на текущий ремонт, тыс. руб.;
И>эл >– затраты на электроэнергию, тыс. руб.;
П – прочие, неучтенные затраты, принимаются 2% от суммы
всех затрат.
Определяем амортизационные отчисления, тыс. руб.
(115)
где Н>а>> >– норма амортизационных отчислений, 16.8.
Тогда


Определяем отчисления на текущий ремонт, тыс. руб.
(116)
где Н>т.р>> >– норма отчислений на текущий ремонт, 7%.
Тогда


Определяем затраты на электроэнергию, тыс. руб.
(117)
где Р>н>> >– установленная мощность электродвигателей, кВт;
Кз – коэффициент загрузки электродвигателей, 0.7;
Ю – КПД передачи, 0.8;
t – число часов работы оборудования в сутки, 1 час.
D – число рабочих дней в году, 365;
Т – тариф на электроэнергию, 74,8 руб./кВт·ч.
Тогда


Тогда эксплуатационные затраты равны:


4.4 Критерий эффективности капиталовложений
Определим инвестиционный доход, тыс. руб.

где Ц – стоимость свинины в живом весе, Ц=300 тыс. руб./ц;
Тогда

Определим дисконтированную стоимость, тыс. руб.
(118)
где Е> >– базовая процентная ставка, 0.15;
Т – число лет получения дохода.
(119)
Тогда

Тогда согласно формулы (6.7) получаем

Определяем чистый дисконтированный доход, тыс. руб.
(120)
Тогда

Определим коэффициент роста капитала.
(121)
Тогда

Определим коэффициент возврата капитала.
(122)
Тогда

Определим срок возврата капитала.
(123)
Тогда

Вывод: расчеты показали, что применение кормораздатчика КЭС–1.7 будет эффективно, так как предлагаемый вариант дешевле, легок в обслуживании, и с низким энергопотреблением.
Технико-экономические показатели проекта приведены на листе 8 графической части проекта.
Заключение
Целью написания дипломного проекта являлось: рассчитать и обосновать выбор технологического оборудования и необходимого привода к нему; защитить привод аппаратами защиты и обеспечить их управление; осуществить и обосновать выбор и прокладку необходимой электрической проводки и способов ее прокладки; осуществить снабжение объекта; разработать схему автоматизации раздачи корма при помощи мобильного кормораздатчика, а также произвести выбор элементов и средств автоматизации и управления; осуществить разработку мероприятий по безопасности жизнедеятельности и экологии; осуществить экономическое обоснование проекта.
В результате выполнения дипломного проекта было выбрано и спроектировано все необходимое электрооборудование свинарника-откормочника на 600 голов. Произведен выбор нового, более экономичного и эффективного оборудования, в частности вместо применяемого стационарного кормораздатчика РКС-3000М был установлен электромобильный кормораздатчик КЭС-1.7, так как меньше по габаритам, прост при монтаже и обслуживании, удобен при замене и ремонте, а также он менее энергоемок так как его установленная мощность меньше чем у стационарного. В процессе написания дипломного проекта было произведено экономическое обоснование замены стационарного кормораздатчика мобильным и разработаны соответствующие мероприятия по электробезопасности.
Литература
1. Правила устройства электроустановок /Минэнерго СССР. 6-е издание, переработанное и дополненное. – М.: Энергоатомиздат, 1986. – 460 с.
2. Письменов В.Н. и др. Механизированные свиноводческие фермы и комплексы. – М.: Россельхозиздат, 1978. – 220 с.
3. Герасимович Л.С., Цубанов Б.Х. Справочник по теплоснабжению
селъского хозяйства.-Мн.: Ураджай, 1993. – 368 с.
4. Кудрявцев И.Ф., Калинин Л.А. Электрооборудование и автоматизация сельскохозяйственных агрегатов и установок. – М.: Агропромиздат, 1988. – 460 с.
5. Каганов И.Л. Курсовое и дипломное проектирование. – М.: Агропромиздат, 1990. – 351 с.
6. Степанцов В.П. Светотехническое оборудование в сельскохозяйственном производстве. Справочное пособие. – Мн.: Ураджай, 1987. – 216 с.
7. Харкута К.С. и др. Практикум по электроснабжению сельского хозяйства. – М.: Агропромиздат, 1992. – 223 с.
8. Елистратов Г.С. Электрооборудование сельского хозяйства (справочник). – Мн.: Ураджай, 1986. – 328 с.
9. Саевич И.Ф. и др. Экологическая безопасность на объектах АПК. – Мн.: Ураджай, 1998. – 199 с.
10. Ширшова В.В. и др. Экономическая эффективность капиталовложений в условиях рынка. – Мн.: НИК «Маркетинг», 1994. – 106 с.
11. Долин П.А. Справочник по технике безопасности. 6-е изд., перераб. И доп. – М.: Энергоиздат, 1986. – 681 с.
12. Луковников А.В., Шкрабак В.С. Охрана труда – М.: Агропромиздат, 1991. – 319 с.
13. Будзько И.А., Зуль Н.М. Электроснабжение сельского хозяйства. – М.: Агропромиздат, 1990. – 496 с.
14. Методическое указание к курсовому проекту по электроприводу. – Мн.: БАТУ 19. – 91 с.
15. Занберов А.К. Методические указания по выполнению курсового проекта по дисциплине «Проектирование электрооборудования» для студентов специальности 03.02. – Мн.: БАТУ, 2000. – 137 с.
16. Янукович Г.Ю. Методические указания по расчету электрических нагрузок в сетях сельскохозяйственного назначения. – Мн.: БАТУ, 1984. – 70 с.
>
>
>
>
>















