Средства механизации при закладке на хранение и хранении корнеклубнеплодов. Типы устройств, снижающих потери при уборке
Министерство сельского хозяйства и продовольствия Республики Беларусь
Учреждения образования
"Белорусский государственный аграрный технический университет"
Реферат на тему:
"Средство механизации при закладке на хранение и хранении корнеклубнеплодов. Типы устройств, снижающих потери при уборке"
Выполнила: студентка 2-го
курса 12 тс группы
Алейчик Ю.В.
Проверила: Бойко Т.В.
Минск - 2011
Оглавление
Способы хранения картофеля
Технологические линии послеуборочной обработки картофеля
Средства механизации при закладке на хранение и хранении корнеклубнеплодов
Типы устройств, снижающих потери при уборке
Литература
Способы хранения картофеля
Существует несколько способов хранения картофеля. Простейший - хранение в буртах, для организации которого требуются минимальные затраты, в основном на укрывной материал: солому и деревянные планки для вентиляционной канавки и доски для вытяжных труб (рис.1). Процесс хранения, в буртах слабо контролируемый и плохо управляемый. Клубни в буртах лежат с осени до весны, и часто к весне сильно прорастают; особенно в верхней части, и, нередко, поражаются болезнями, что приводит к значительным потерям, которые сильно возрастают в случае несоблюдения технологии закладки и укрытия буртов осенью.

Рис.1. Схема бурта с приточно-вытяжной вентиляцией;
1 - окончательное укрытие бурта землёй; 2 - первое укрытие бурта землёй; 3 - трубка с термометром; 4 - солома; 5 - картофель; 6 - вентиляционный канал; 7 - канава для стока воды; 8 - вентиляционный короб.
Несмотря на дешевизну, буртовой способ из-за указанных недостатков в настоящее время практически повсеместно заменён картофелехранилищами, в которых применяется два основных способа: хранение навалом и хранение в контейнерах различной вместимости и конструкции. Разновидностью контейнерного способа является хранение в сетках на поддонах и в ящиках. Различают три способа размещения картофеля при навальном хранении: навальный - сплошным слоем по всему периметру хранилища объёмом в основном 500, 1000, 1500, 2000, 3000 тонн и более, в закромах вместимостью от 20 до 40-60 т, с оставлением центрального проезда шириной, как правило, 6 м, и в изолированных секциях вместимостью от 200-250 до 400-500 тонн. Навальный - это наиболее дешёвый способ, поскольку картофель размещают навалом сплошным слоем (рис.2б) в одном помещении. Навальный способ имеет существенные недостатки: сложность размещения клубней по сортам (например, с помощью передвижных стенок), невозможность поддержания различных температурно-влажностных режимов хранения в случае размещения картофеля различного назначения, сложность предупреждения прорастания клубней семенного картофеля в процессе посадки, особенно в заключительной её части. Положительным является удобство механизированной загрузки и выгрузки клубней, высокий коэффициент использования помещения хранилища. Закромный (рис.2а), прежде всего, предназначен для хранения семенного картофеля, и поэтому широко используется в семеноводческих хозяйствах, выращивающих различные сорта и их репродукции. Недостатком этого способа является снижение на 1/3 коэффициента использования полезной площади помещения хранилища, неудобства загрузки клубней в закрома и их выгрузки, усложнение конструкции хранилища, увеличение расхода строительных материалов и тот же недостаток, что и при полностью навальном способе при хранении в одном помещении - сложность предупреждения преждевременного прорастания клубней при весенней выгрузке в процессе посадки. Секционный (рис.2г). Картофель размещают в полностью изолированных секциях различной вместимости. Наиболее прогрессивный способ хранения, поскольку позволяет дифференцированно поддерживать соответствующий температурно-влажностный режим хранения в зависимости от назначения картофеля (семенной, продовольственный, предназначенный для промышленной переработки). Положительным также является возможность предупреждения преждевременного прорастания клубней в весеннее время за счёт накопления холода при вентилировании в наиболее холодное время суток. При навальном и закромном способах это сделать значительно сложнее из-за больших размеров помещения и поступления тёплого воздуха через ворота при весенней выгрузке картофеля из хранилища. В изолированных секциях, при необходимости, возможен последовательный прогрев клубней, например, рекондиционирование перед переработкой на обжаренные продукты; или предпосадочный прогрев, чего нельзя сделать при других указанных выше способах, в связи с тем, что начнёт прорастать вся масса хранимого картофеля. Контейнерный способ хранения. Наиболее дорогой, поскольку связан с необходимостью изготовления или покупки контейнеров вместимостью 450-500 кг (применяется в России) и 500-1000 и до 5000-10000 кг (применяется в странах Западной
Европы), а также применения различных погрузочно-разгрузочных механизмов для перемещения контейнеров, укладки их в штабели и разгрузки. Эффективность этого способа во многом зависит от исходного качества картофеля, закладываемого на хранение. Качество клубней должно быть идеальным, обеспечивающим минимальные потери окупающие дополнительные затраты на оборудование и контейнеры. Положительным является высокая манёвренность (возможность доставки картофеля в любую точку хранилища), одновременное хранение различных сортов и репродукций в одном помещении, доставка клубней в помещение для прогрева и товарной подготовки, доставка по фракциям обратно на место дальнейшего хранения после переборки и калибрования и т.д., высокая степень механизации работ. По конструкции контейнеры подразделяются на складные вместимостью 450-500 кг (широко применялись в бывшем СССР для перевозки картофеля по железной дороге, применяются и в России при хранении на базах) и жёсткие (решётчатые и сплошные), применяемые в большинстве европейских стран. Картофель загружают в контейнеры в хранилище или на специальной площадке с помощью конвейера, снабжённого гасителем высоты падения клубней, или с помощью специального устройства, снабжённого также гасителем. Доставляют контейнеры и устанавливают в штабели, а также к месту разгрузки с помощью вильчатого электропогрузчика или погрузчиком с двигателем внутреннего сгорания, снабжённым катализатором. Разгружают контейнеры в бункер линии по товарной подготовке картофеля с помощью специального опрокидывающего устройства или с помощью погрузчика, снабжённого опрокидывателем. Хороший результат даёт загрузка картофеля в контейнеры в поле при уборке копателем с подбором клубней вручную. По сравнению с навальным контейнерный способ снижает, как и закромный, коэффициент полезного использования вместимости хранилища.

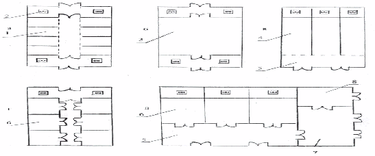
Рис.2. Принципиальная схема хранилищ в хозяйствах РФ: а - закромное; б - навальное (контейнерное); в - секционное с открытыми секциями; г - секционное с изолированными секциями; д - секционное (серии ЛМК) из лёгких металлических конструкций с цехом товарной подготовки; 1 - закром; 2 - вентилятор; 3 - помещения для размещения продукции навалом или в контейнерах; 4 - секции открытые; 5 - тамбур; 6 - секции изолированные; 7 - цех товарной подготовки; 8 - бытовые помещения, ремонтная мастерская, комната отдыха.
Технологические линии послеуборочной обработки картофеля
Применяемое оборудование. Комплексы послеуборочной обработки картофеля выполняют следующие процессы: очистку корнеплодов от растительных остатков и почвы, машинное разделение на фракции, ручное выделение примесей и некондиционных клубней, загрузку, выгрузку и затаривание.
Широко применяемые технологические линии для обработки картофеля в основном разделяют клубни по геометрическим размерам и очищают их от растительных остатков, камней и почвы. В отдельных линиях предусматривают ручное выделение на переборочных столах 6 (рис.3) поврежденных клубней, растений, комков почвы и камней. Для равномерной загрузки оборудования применяют комплексы с бункерами-накопителями 4. В таких комплексах ускоряется прием клубней с поля и обеспечивается непрерывность всего технологического цикла.

Рис.3 Технологическая линия обработки картофеля:
1-приемный бункер; 2-транспортер; 3 - устройство для очистки клубней от примесей; 4 - бункер-накопитель; 5 - устройство для разделения на фракции; 6 - переборочные столы; 7 - бункеры для фракций; 8-бункер камней и почвенных комков; 9-лотки для отходов
Иногда вместо бункеров картофель закладывают в резервные емкости на площадках с твердым покрытием и навесом. Выходы с очистки, переборочных столов или сортировальных машин (при отсутствии переборочных столов) направляют в бункеры готовой продукции и отходов, а также подают элеваторами в транспортные средства, контейнеры или мешки.
Для послеуборочной обработки картофеля используют сортировальные пункты КСЭ-15Б, КСП-15Б (производительность 15 т/ч) и стационарные пункты КСП-25 (производительность 25 т/ч) и комплекс К-750 (производительность 30 т/ч). Хорошо зарекомендовала себя передвижная сортировочная машина КМ 20-60 производительностью до 60 т/ч и вместимостью бункера 14 м3.
Пропускная способность линии для сортирования клубней ограничивается переборочным столом. Ручная выборка примесей экономически целесообразна лишь при небольшом их содержании в материале.
Средства механизации при закладке на хранение и хранении корнеклубнеплодов
На хранение в хозяйствах закладывают картофель семенного и продовольственного назначения. Корнеклубнеплоды хранят в специальных хранилищах и буртах. Проектными организациями разработаны типовые проекты хранилищ вместимостью 500.5000 т.
Хранилища бывают закромного, навального, секционного и контейнерного типов. Закромные картофелехранилища с совмещенным потолком и крышей имеют от одного до трех центральных проездов шириной 4.6 м. Вместимость закромов находится в пределах 30.100 т. Навальные хранилища на 30 % вместительнее закромных, в них облегчена загрузка и выгрузка материала, что позволяет снизить себестоимость на 15 % и затраты труда на 30 %. Однако в этих хранилищах увеличивается опасность смешения сортов, что отсутствует при хранении навалом в секциях хранилищ (секционный тип).
Контейнерный способ используют при хранении продовольственного картофеля. При этом достигаются минимальные затраты труда по сравнению с другими способами.
Контейнеры не догружают на 5.6 см до верхней части и устанавливают в штабеля с высотой загрузки три-пять ярусов. Расстояние от верхнего контейнера до перекрытия должно быть не менее 80 см, а до стены хранилища - 60 см. Штабеля размещают блоками, оставляя центральный проезд шириной не менее 2,5 м.
Корнеплоды перевозят на хранение непосредственно с поля или после послеуборочной обработки. Предпочтительнее закладывать на хранение картофель и корнеплоды без предварительного сортирования, что снижает травмирование и повышает сохранность. Доочистку и сортирование в таких случаях проводят перед реализацией, а для семенного картофеля - и в предпосадочный подготовительный период.
Картофель, предназначенный для хранения, не должен содержать более 25 % примесей и 10 % нестандартных (увядших, с наростами, позеленевших и т.п.) клубней. Загрязненность почвой должна быть не более 10 %.
Загружают картофель в хранилища транспортерами с приспособлениями (скатными лотками, змейками и др.) и загрузочными машинами. Верхняя поверхность насыпи должна быть выровнена.
Машины для загрузки хранилищ разнообразны по назначению, применению и устройству. Рабочие органы этих машин осуществляют различные технологические операции: принимают клубни и корнеплоды из транспортных средств, отделяют от них оставшиеся примеси и некондицию, разделяют на фракции подают их к месту хранения.
Технологические операции приема, отделения примесей и некондиции, сортирования на фракции аналогичны рассмотренным операциям послеуборочной обработки и выполняются теми же рабочими органами.
В качестве рабочих органов для подачи клубней и корнеплодов к месту хранения при бестарных способах используют ленточные транспортеры различных типов.
Технологическая схема работы транспортера-загрузчика ТЗК-ЗО показана на рис.4 Отсортированные клубни по подающему.

Рис.4 Транспортер-загрузчик ТЗК-ЗО: 1-стрела; 2-подъемный транспортер; 3 - бункер; 4-приемный транспортер; 5-стрела загрузчика транспортеру поступают в приемный бункер 3, затем подъемным транспортером 2 подаются для закладки на хранение. Стрела загрузчика меняет свое положение с помощью гидроцилиндра в пределах 0,3.5,5 м в зависимости от высоты загрузки.
Повреждение клубней при загрузке не превышает 1 %. Примеси должны равномерно распределяться по насыпи. Не допускаются при загрузке потери свыше 0,1 %.
Рабочие органы машин для послеуборочной обработки картофеля.
Приемные бункеры (рис.5) служат для приема клубней, корней и плодов овощей (в том числе с примесями) из транспортных средств, контейнеров или через ленточные транспортеры на послеуборочную обработку, для загрузки в хранилище и на машины для подготовки продукции к реализации. Они обеспечивают равномерную подачу принятой продукции на последующие машины с требуемой производительностью и выполняют роль компенсаторов при неравномерном ее поступлении.

Рис.5 Приемный бункер
Основными параметрами приемного бункера являются: вместимость V>б>; время разгрузки (приема продукции) из транспортных средств t>об>; размеры - ширина В>п> и высота Н>п> приемной зоны, ширина В>с> плотна секции; производительностьQ; скорость полотна v>п>; высота H>в> выхода продукта; потребляемая мощность N.
Вместимость приемного бункера V>б> должна быть не меньше оcредненной вместимости единичного транспортного средства V>тр>" используемого при уборке. Бункер должен обеспечивать работу предшествующего звена (уборочных машин или линий предшествующего цикла) в течение, как показывает опыт, не менее чем одной рабочей смены
Скорость полотна бункера v>п> должна быть регулируемой, чтобы сравнительно быстро отводить продукцию от места ее выгрузки в бункер при разгрузке транспортных средств и изменять подачу продукта из бункера на другие машины (линии) в широких пределах. При ширине полотна 1.2 м она плавно изменяется в пределах до 0,5 м/с.
Устройства для сортирования клубней разделяют клубни в основном по геометрическим размерам. Для разделения используют транспортерные, грохотные, роликовые и барабанные сортирующие рабочие органы (рис.6). Имеются два способа выделения фракций - последовательный и параллельный (рис.6, б). При первом способе выделенные фракции идут в проход, а при втором - в сход. При последовательном способе из массы продукта в проход выделяется самая мелкая фракция, смесь остальных фракций сходит на следующий участок, из этой смеси в проход выделяется самая мелкая фракция, а более крупные идут в сход и т.д. При параллельном способе в сход идет самая крупная фракция, а смесь меньших фракций идет в проход и поступает на следующий участок сортирующего рабочего органа, где в сход также идет самая крупная фракция, а остальные идут в проход и т.д. При параллельном способе выделения фракций удельная производительность повышается на 25.40 % и снижаются повреждения клубней наиболее ценной крупной фракции. При увеличении длины участков несколько повышается точность сортирования, но повреждения клубней могут увеличиться.

Рис.6 Схемы транспортерной (а), грохотной (б), роликовой (в) и барабанной (г) сортировок клубней картофеля: 1,7 - ведомые валы со шкивами; 2 - направляющие ролики; 3-встряхиватель; 4-ведущий вал со шкивами; 5-натяжное устройство; 6-ремень; I-последовательное выделение фракций; II - параллельное выделение фракций
Транспортерные сортировки могут быть ременными, сетчатыми, полотенными и цепными. Наибольшее распространение получили ременные сортировки.
Рабочую поверхность ременных сортировок выполняют из бесконечно движущихся ремней круглого сечения, расположенных параллельно или веерообразно с увеличивающимся шагом по направлению движения продукта. В первом случае продукт разделяется на две фракции, а во втором - на три и более. Наибольшее распространение получили четырехвальные сортировки - модули с размещением транспортеров для проходных фракций внутри ременного контура (рис.6 а). Изменение взаимного положения модулей позволяет выделять фракции последовательно или параллельно.
Сортировки грохотного типа (рис.6, б) могут быть с последовательным или параллельным расположением решет. Наибольшее распространение получили колеблющиеся грохоты с параллельным (ярусным) расположением решет.
Машины такого типа используют за рубежом для сортирования картофеля и лука. В отличие от уборочных машин решета сортировок устанавливают с уклоном вниз под углом а или горизонтально, что облегчает выбор кинематических параметров. Горизонтальные решета имеют кулачковый встряхиватель. Для очистки решет от заклинившихся в отверстиях решет клубней устанавливают специальные устройства.
Роликовые сортировки (рис.6, в) имеют круглые или квадратные отверстия, образованные поперечными фигурными роликами соответствующей формы, а также щелевые (винтовые) отверстия. Наибольшее распространение для сортирования картофеля и репчатого лука получили сортирующие поверхности с поперечными роликами. Различная компоновка роликовых поверхностей позволяет осуществлять последовательное и параллельное выделение фракций.
картофель хранилище уборка загрузка
Барабанные сортировки выполняются конусными с горизонтальным расположением оси и цилиндрическими с наклоном оси в направлении технологического процесса (рис.6, г).
Качество разделения на фракции зависит от установки регулируемых узлов машины. В роликовых сортировках точность разделения достигается изменением расстояния между роликами, в транспортерных - границ между мелкой и средней фракциями с помощью подвижного делителя и калибрующей щели между ремнями.
Для установки оптимального режима берут и оценивают пробы каждой фракции. Перед сортированием материал доочищают от примесей и испорченных клубней и плодов. В мелкой фракции допускается не более 3 % примесей, а в остальных - до 1 %.
Многочисленные устройства для механического разделения смеси по другим признакам основаны на следующих отличительных свойствах картофеля, комков и камней: плотности; аэродинамических свойствах; упругости; твердости; трении скольжения и качения; комбинации нескольких перечисленных свойств; электрических свойствах; способности поглощения лучей; оптической отражательной способности.
В установках, основанных на различной оптической отражательной способности, материал предварительно очищают и сортируют по размерам, а затем по транспортеру 1 (рис.7) он направляется разреженным потоком на наклонную поверхность 2 в зону контроля 3. В зоне контроля лучи с длиной волны 0,8.1,3 мкм от инфракрасного излучателя 9, отражаясь от клубней, попадают на оптико-механический преобразователь 7 и сигнал от него идет в блок распознавания 8.
В зависимости от оптических характеристик исполнительный механизм направляет здоровые клубни на транспортер 5, а подгнившие клубни и почвенные комки - на транспортер 6. Класс здоровых клубней картофеля характеризуется резким изменением

Рис.7 Оптико-механический отделитель:
1,5 и б-транспортеры; 2 - наклонная поверхность; 3 - зона контроля; 4 - исполнительный механизм; 7 - оптико-механический преобразователь; 8 - блок распознавания; 9-излучатель света коэффициента отражения на длинах волн 0,98.1,18 мкм.
Внутри класса спектрограммы имеют вероятностное распределение амплитуды и тесную корреляционную связь (0,96.0,99) по спектру. Класс Твердых примесей характеризуется равномерным увеличением значения коэффициента отражения в зависимости от длины волны. Вероятность распознавания при скорости подачи 0,3 м/с для твердых примесей равна 0,92.0,97.
Радиометрические и рентгеновские устройства обеспечивают высокое качество разделения даже в условиях высокой запыленности. Однако они высокоэнергоемки и сложны по устройству и в обслуживании. При этом требуется надежная защита от радиации.
Типы устройств, снижающих потери при уборке
Основными причинами механических повреждений клубней являются: восприимчивость клубней к механическим воздействиям, несовершенство технологии возделывания и уборки, конструкции уборочных и транспортных машин, неполное использование возможных регулировок.
Чувствительность сорта к механическим воздействиям является одним из важнейших факторов. По данным Центральной машиноиспытательной станции разница в коэффициенте эластичности основных пяти сортов, выращиваемых в центральной зоне, составила от 2 до 75 %. Сорта картофеля должны обладать хорошей приспособляемостью к условиям вегетации, иметь прямостоячую ботву, компактное гнездо клубней средней величины округлой или округло-овальной формы. Клубни должны быть упругими и менее восприимчивыми к влиянию пониженных температур.
Снизить повреждения можно за счет рационального выбора технологии. Увеличение ширины междурядий и предуборочное удаление ботвы в условиях центральной зоны снижают повреждаемость клубней в 3,2.3,5 раза. Способствует снижению механических повреждений клубней и правильно выбранный способ уборки в зависимости от почвенно-климатических условий. Так, например, комбинированный способ уборки картофеля снижает число механических повреждений клубней и сокращает число проходов комбайна по полю, значительно повышает его производительность при уборке на легких (супесчаных) и средних (легкий суглинок) почвах независимо от погодных условий.
Важным технологическим фактором является выбор сортов картофеля, позволяющих смещать фазы развития на более благоприятный период. Этот прием в сочетании с некорневыми подкормками и дефолиацией позволяет сместить вегетацию на 25.40 дней и убирать картофель в конце лета. Широко применяется и посадка пророщенных клубней.
В конструкции машин следует уменьшать или вообще не допускать перепады клубней с одного рабочего органа на другой или при выгрузке в транспортное средство. Для снижения повреждений клубней при встряхивании и перемещении на прутки элеватора устанавливают эластичные защитные профили, имеющие разную форму и размеры (рис.8). Защитные профили с гребнями кроме снижения напряжений в зоне контакта еще предотвращают скатывание клубней.

Рис.8. Типы эластичных защитных профилей прутковых элеваторов (а. м - наиболее часто применяемые варианты форм)
Для смягчения ударов в местах перепада устанавливают гасители скорости (рис.9). Обрезиненные полотна (рис.9, а) или обрезиненные прутковые решетки (рис.9, б), как правило, устанавливают при перепаде потока клубней с транспортеров в бункеры-накопители или при укладке в борозду при раздельной уборке. При изменении направления потока вороха на 90* наиболее эффективно экранирование потока.
При уборке картофеля важно установить технологические регулировки, соответствующие условиям работы. Увеличение примесей почвы в ворохе до 25 % приводит к снижению механических повреждений в 2.3 раза, однако это связано с увеличением затрет энергии. В ранние периоды уборки увеличение подачи клубней более 2,5 кг/с нежелательно, так как при большой подаче увеличивается число клубней с поврежденной кожурой. В период массовой уборки оптимальной для комбайна ККУ-2А является подача клубней до 4 кг/с.
При уборке картофеля желательно обеспечить соотношение скорости основного сепарирующего пруткового транспортера и скорости комбайна 1,0: 1,1 для почв с тяжелым гранулометрическим составом и 1,0: 0,9 - для рыхлых почв. При использовании баллонов-комкодавителей важно установить зазор между баллонами и выбрать давление на клубни и крупные глыбы. На легких и средних почвах рекомендуется увеличивать зазор между баллонами до 150 мм. Давление на клубень не должно превышать предельного значения 0,015МПа.

Рис.9. Гасители скорости клубней: 1-подающий транспортер; 2-клубни картофеля; 3 - фартук (а - обрезиненное полотно; б - обрезиненная решетка; в - роторы из капроновой щетки; г - решетка-гаситель из резиновых трубок); 4 - принимающий транспортер
Литература
1. Н.И. Кленин, С.Н. Киселев, А.Г. Левшин "СЕЛБСКО-ХОЗЯЙСТВЕННЫЕ МАШИНЫ"
2. Халанский В.М. Сельскохозяйственные машины.