Інвестиційна політика банків в Україні
Р Е Ф Е Р А Т
Курсова робота включає: 90 сторінок, 8 таблиць, 12 рисунків, 17 формул, 42 джерела.
Предметом дослідження є інвестиційна політика банків в Україні.
Обєктом дослідження є дані КБ “Надра”.
Мета і завдання дослідження визначаються як розглядання інвестицій та їх роль в умовах трансформації економічної системи України, комплексному аналізі виконання інвестиційних операцій банками України, шляхами вдосконалення банківських інвестицій на сучасному етапі розвитку банківської системи України.
Методи дослідження: статистичний, аналітичний, методичний, логічний, аналізу і синтезу.
В першому розділі розглянуті теоретичну основу інвестиції та їх місце в кономічній системі держави.
В другому розділі досліджено діяльність КБ „Надра”, а саме особливості інвестиційної діяльності та аналіз виконання інвестиційних операцій банку.
В третьому розділі розглянуто концептуальні підходи до управління банківського інвестиційного портфеля, впровадження нової технології трансформації пасивів для подальшого фінансування інвестиційних ресурсів.
Ключові слова: БАНКІВСЬКІ ІНВЕСТИЦІЇ, ІНВЕСТИЦІЙНІ РЕСУРСИ, ІНОВАЦІЇ, ГРОШОВІ КАПІТАЛИ, РЕФОРМУВАННЯ, ТРАНСФОРМАЦІЯ.
ЗМІСТ
ВСТУП
РОЗДІЛ 1. ІНВЕСТИЦІЇ ТА ЇХ РОЛЬ В УМОВАХ ТРАНСФОРМАЦІЇ ЕКОНОМІЧНОЇ СИСТЕМИ УКРАЇНИ
Інвестиції та їх місце в економічній системі
Особливості прийняття управлінських рішень щодо інвестиційних та іноваційних процесів в Україні
Сучасні проблеми банківського інвестування
Техніко-економічна характеристика КБ “Надра
РОЗДІЛ 2. КОМПЛЕКСНИЙ АНАЛІЗ ВИКОНАННЯ ІНВЕСТИЦІЙНИХ ОПЕРАЦІЙ БАНКАМИ УКРАЇНИ
Організаційно-економічна сутність інвестиційної діяльності банків
Дослідження узагальнюючих показників інвестиційної діяльності банків України
Особливості інвестиційної діяльності та аналіз виконання інвестиційних операцій банку “Надра
РОЗДІЛ 3. ШЛЯХИ ВДОСКОНАЛЕННЯ БАНКІВСЬКИХ ІНВЕСТИЦІЙ НА СУЧАСНОМУ ЕТАПІ РОЗВИТКУ БАНКІВСЬКОЇ СИСТЕМИ УКРАЇНИ
3.1. Концептуальні підходи до управління банківського інвестиційного портфеля
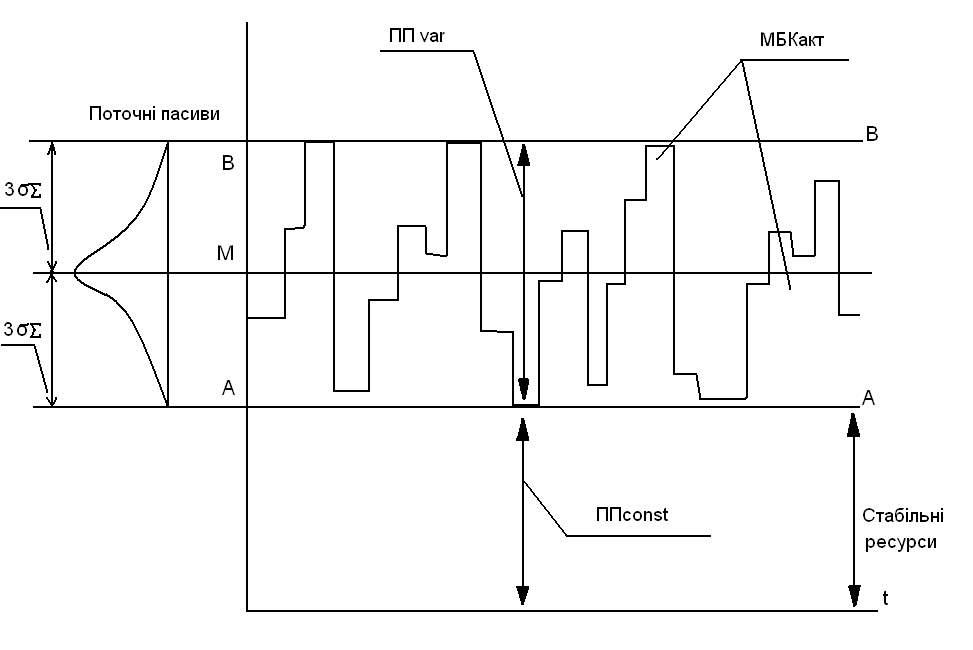
Впровадження нової технології трансформації пасивів для подальшого фінансування інвестиційних ресурсів
3.3. Шляхи зниження інвестиційних ризиків у банках України
ВИСНОВКИ
СПИСОК ВИКОРИСТАНИХ ДЖЕРЕЛ
ВСТУП
Інвестиційна криза в Україні, яка має затяжний характер, настирлива потреба економіки у фінансових ресурсах, нагромаджених населенням і банками, вимагають залучення коштів в інвестиційні процеси. Очевидною є роль банківської системи України у забезпеченні економіки країни інвестиційними коштами.
По мірі скорочення обсягів бюджетного фінансування економіки України роль банківських інвестицій у забезпеченні глибоких структурних перетворень інвестиційної сфери буде неухильно зростати, а сама банківська система повинна бути готовою до здійснення велико-масштабних інвестицій, у тому числі безпосередньо у виробництво. Банківські інвестиції, які знаходяться у тісному взаємозвязку з грошовим сектором економіки і пропозицій грошових коштів з боку банківської системи. Зрештою, на практиці абсолютної рівноваги економічної системи не може бути досягнуто, але відносна збалансованість розвитку окремих елементів економічного організму повинна постійно підтримуватись.
Як похідне поняття категорії “інвестиції”, банківські інвестиції акумулюють у собі суттєві властивості інвестицій взагалі, хоча вони одночасно характеризуються і специфічними формами свого вияву. Тому дослідження економічного змісту банківських інвестицій неможливе без взаємоповязаного і взаємообумовленого розгляду їх на фоні розкриття суттєвих ознак деяких загальних категорій інвестиційних відносин. Слід зауважити, що для сучасного розуміння банківських інвестицій доцільно також проаналізувати діалектику наукових підходів до розкриття змісту, форм, методів і принципів руху інвестицій в економіку як вкладень капітального характеру.
В Україні неможливо домогтись більш-менш рівномірного підйому економіки, спираючись тільки на останні досягнення науково-технічного прогресу, на це просто не вистачить фінансових ресурсів. Забезпечити динамізм усього народного господарства при обмежених ресурсах можна, тільки використовуючи всі технічні засоби, прогресивні стосовно рівня розвитку виробничих сил.
У справі підтримки структурних перетворень необхідно виходити з принципу фінансової підтримки насамперед життєздатних виробничих структур, підприємств і організацій, що вже адаптувалися до нових реалій економічного життя, здатні ефективно використовувати ресурси і на цій основі потягом найкоротшого часу збільшити обсяги виробництва. Тому розглядання теми цієї дипломної роботи є актуальною і потребує подальшого дослідження.
Обєктом дослідження є дані КБ “Надра”.
Мета і завдання дослідження визначаються як розглядання інвестицій та їх роль в умовах трансформації економічної системи України, комплексному аналізі виконання інвестиційних операцій банками України, шляхами вдосконалення банківських інвестицій на сучасному етапі розвитку банківської системи України.
В роботі використанні такі закони ти нормативні акти: Закон України “Про промислово-фінансові групи в Україні” від 21.11.95 № 437/95-ВР; Закон України “Про банки і банківську діяльність”; Закон “Про цінні папери та фондову біржу”; Закон України “Про іпотечне кредитування, операції з консолідованим іпотечним боргом та іпотечні сертифікати”.
Серед авторів які зробити внесок у розкриття цієї проблеми необхідно зазначити Мороза А. М., Васюренко О. В., Луціва Б. Л.
Практичне значення роботи, це одержання результатів в впровадженні нової технології трансформації пасивів для подальшого фінансування інвестиційних ресурсів.
РОЗДІЛ 1. ІНВЕСТИЦІЇ ТА ЇХ РОЛЬ В УМОВАХ ТРАНСФОРМАЦІЇ ЕКОНОМІЧНОЇ СИСТЕМИ УКРАЇНИ
Інвестиції та їх місце в економічній системі
У системі відтворення, безвідносно до її суспільної форми, інвестиціям належить найважливіша роль у справі відновлення і збільшення виробничих ресурсів, а отже, і в забезпеченні визначених темпів економічного росту. Якщо представити суспільне відтворення як систему виробництва, розподілу, обміну і споживання, то інвестиції, головним чином, стосуються першої ланки – виробництва, і, можна сказати, складають матеріальну основу його розвитку.
Саме поняття інвестиції (від лат. Investio – вдягаю) означає вкладення капіталу в галузі економіки в межах країни і за кордоном. Розрізняють фінансові (покупка цінних паперів) і реальні інвестиції (вкладення капіталу в промисловість, сільське господарство, будівництво, освіту та інше).
Реальні інвестиції являють собою вкладення капіталу в яку-небудь галузь економіки чи підприємство, результатом чого є утворення нового капіталу чи збільшення наявного капіталу (будинки, устаткування, товарно-матеріальні запаси і т.д.). фінансові ж – вкладення капіталу (державного чи приватного) в акції, облігації, інші цінні папери. Тут приросту реального капіталу не відбувається, відбувається лише покупка, передача титулу власності. Маємо, таким чином, трансферні операції (тобто операції передачі).
Поняття інвестиційних ресурсів охоплює всі вироблені засоби виробництва, тобто усі види інструмента, машини, устаткування, фабрично-заводські, складські, транспортні засоби і мережу збуту продукції, що використовуються у виробництві товарів і послуг та доставці їх до кінцевого споживача. Процес виробництва і накопичення засобів виробництва називається інвестуванням.
Інвестиційні товари (засоби виробництва) відрізняються від товарів споживання тим, що останні задовольняють потреби безпосередньо, тоді як перші роблять це опосередковано, за своїм змістом інвестиції представляють той капітал, за допомогою якого збільшується національне багатство. При цьому варто мати на увазі, що термін “капітал” не означає гроші. Щоправда, менеджери й економісти, часто говорячи про “капітал”, мають на увазі гроші, що можуть бути використані для закупівлі машин, устаткування й інших засобів виробництва. Однак, гроші як такі нічого не виробляють, а отже, їх не можна вважати економічним ресурсом. Реальний капітал – інструмент, машини, устаткування, будинки й інші виробничі потужності – це економічний ресурс; гроші, чи фінансовий капітал, не є таким ресурсом.
Інвестиції – це те, що “відкладають” на завтрашній день, щоб мати можливість більше споживати в майбутньому. Одна частина інвестицій – це споживчі блага, що не використовуються в поточному періоді, а відкладаються про запас (інвестиції на збільшення запасів). Інша частина інвестицій – це ресурси, що направляються на розширення виробництва (вкладення в машини, будинки та інші споруди).
У системі національних рахунків України статистика інвестицій (капітальних вкладень) включає тільки матеріальні витрати (на машини, будинки, споруди), але не враховує найважливіші інвестиції в “знання”, “інтелект”, наукові дослідження й освіту. Подібний підхід при якому в інвестиції включаються лише безпосередньо матеріальні компоненти, не дозволяє точно визначати дійсний обсяг інвестицій.
Таким чином, під інвестиціями розуміють ті економічні ресурси, які йдуть на збільшення реального капіталу суспільства, тобто на розширення чи модернізацію виробничого апарата. Це може бути звязане з придбанням нових машин, будинків, транспортних засобів, а також з будівництвом шляхів, мостів і інших інженерних споруджень. Сюди варто включати і витрати на освіту, наукові дослідження та підготовку кадрів. Ці витрати являють собою інвестиції в “людський капітал”, які на сучасному етапі розвитку економіки набувають усе більшого і більшого значення, тому що, у кінцевому рахунку, саме результатом людської діяльності виступають і будинки, і спорудження, і машини, і устаткування, і, найголовніше, основний фактор сучасного економічного розвитку – інтелектуальний продукт, який визначає економічне становище країни у світовій ієрархії держав.
Структуру інвестицій можна представити за допомогою наступного рисунку 1.1.

Рис 1.1. Структура інвестицій
У системі відносин розширеного відтворення інвестиції виконують найважливішу структуроутворюючу функцію. Від того, у які галузі народного господарства вкладаються кошти для його розвитку, залежить майбутня структура економіки чи будуть переважати машино-будівні заводи, що випускають сільгосптехніку, чи машино-будівні заводи, що випускають військову техніку і спорядження. Чи перевага буде на боці будівельних фірм, що спеціалізуються на зведенні великих виробничих комплексів, чи на стороні будівельних фірм, що зводять комфортне житло.
Приватні інвестиції, в основному, цілком зосереджені на задачі одержання прибутку. Отже, рівнем прибутковості кожної окремої галузі економіки, підгалузі, окремого підприємства визначається і рівень інвестиційної привабливості даної галузі, підгалузі, підприємства.
Прибутковість – це найважливіший структуроутворюючий критерій, що визначає пріоритетність інвестицій. Недержавні джерела інвестицій спрямовані насамперед на високорентабельні галузі зі швидкою оборотністю капіталу. У цих умовах сфери економіки з повільною окупністю вкладених коштів залишаються недоінвестованими. Надмірне інвестування призводить до інфляції (“перегріву” економіки), недостатнє ж – до дефляції. Ці крайні полюси економічної політики повинна регулювати ефективна стратегія в області податків, державних витрат, кредитно-грошових і фінансово-бюджетних заходів, що здійснюються урядом.
Перехід до ринкових відносин в інвестиційній сфері насамперед стосується її джерел. Інвестиції можуть здійснюватися за рахунок власних фінансових ресурсів інвестора (амортизаційні відрахування, прибуток, грошові накопичення, заощадження громадян, юридичних осіб і ін.), залучених фінансових ресурсів інвесторів (банківські, бюджетні, облігаційні кредити, а також кошти, отримані від продажу акцій, облігацій, пайових і інших внесків громадян і юридичних осіб), бюджетних інвестиційних асигнувань і запозичених фінансових ресурсів (кредити, позики).
Можна виділити три основні функції, що виконують інвестиції в економічній системі
забезпечення росту і якісного удосконалення основного капіталу (фондів) як на рівні окремої фірми, так і на рівні національної економіки в цілому;
здійснення прогресивних структурних економічних зрушень, що стосуються найважливіших народногосподарських пропорцій відтворювальних, галузевих, вартісних;
реалізація новітніх досягнень науково-технічного прогресу і підвищення на цій основі ефективності виробництва на мікро- і макрорівнях.
Серед цих функцій найважливіше значення має оптимізація генеральної макроекономічної пропорції – співвідношення між накопиченням і споживанням у складі національного доходу.
При розгляді проблем розширеного відтворення зазвичай акцентується увага на накопиченні як основному важелі забезпечення економічного росту і підвищення життєвого рівня населення. При цьому інвестиційний процес відсувається на другий план, вірніше, він розглядається як складова частина процесу накопичення. Однак, таке ототожнення процесу накопичення і процесу інвестування є не зовсім правомірним. Це хоча і багато в чому подібні, але все-таки різні за своїм економічним змістом процеси. Вочевидь, що в економічному аналізі проблем розширеного відтворення процес формування фондів накопичення і споживання не можна відривати від процесу вишукування і формування ресурсів капітальних вкладень. Процес відтворення обовязково вимагає збалансування інвестицій, накопичення і споживання. Тому пошук шляхів виходу з кризової ситуації, що склалася в даний час в Україні, повинен передбачати поряд з вирішенням інших задач, досягнення збалансованості найважливішої народногосподарської пропорції інвестиційний фонд – фонд накопичення – фонд споживання.
Теоретичну модель взаємозвязку між цими фондами можна представити в такий спосіб.
По-перше, логічною метою усього відтворювального процесу є споживання. Якщо інвестиції і накопичення відриваються від цієї мети, то вони стають безглуздими і важким тягарем лягають на плечі народу, за рахунок якого повинні відшкодовуватися ці нераціональні витрати. Оптимізація економічної структури вимагає, щоб накопичення й інвестиції із самого свого початку носили споживчий характер, у ближній чи далекій перспективі.
По-друге, ще однією основною логічною метою інвестицій є забезпечення росту національного доходу, а в його складі – фондів накопичення і споживання. Причому цей ріст повинен здійснюватися таким чином, щоб кожна додаткова одиниця капітальних вкладень забезпечувала більший приріст доходу, ніж витрати, що його викликали. Це непорушна вимога оптимального функціонування економіки. Для аналізу цієї залежності доцільно використовувати граничні величини граничні капітальні вкладення і граничний дохід. Виходимо з того, що кожний даний момент нарощування інвестицій супроводжується зниженням їхньої віддачі, тому граничний дохід зменшується, у той час, як питомі капітальні витрати ростуть. Оптимум знаходиться на перетині кривих граничного доходу і граничних інвестиційних витрат. На рисунку це можна представити в такий спосіб (рис 1.2.)
По-третє, оптимальне функціонування передбачає, що здійснювані інвестиції не просто викликають ріст національного доходу, але й обумовлюють збільшення фонду народного споживання. Це може бути досягнуте при наступних умовах
коли зберігається постійна норма накопичення, або;
коли вона знижується, але це зниження компенсується підвищенням віддачі ресурсів, що накопичуються.
Це, в свою чергу, вимагає визначеної інвестиційної політики, що обумовлює не просто економічний ріст, але і відповідний розподіл інвестиційних ресурсів між сферами економіки таким чином, щоб це обумовлювало в однаковому ступені ріст як інвестиційних галузей, так і галузей, що виробляють споживчі товари та послуги.
Існує і зворотний звязок, а саме збільшення національного доходу є найважливішим джерелом розширення інвестиційних вкладень. Отже, накопичення й інвестиційна діяльність тісно взаємозалежні і взаємообумовлені. Це наочно видно, коли ми розглядаємо капітальні вкладення в динаміці (за відповідності цін) і порівнюємо їх з динамікою національного доходу в його фізичному обсязі (тобто теж за умов відповідності цін).
R - дохід;
Q - обсяг інвестицій;
MC- граничні інвестиційні вкладення;
MR - граничний дохід.
Рис 1.2. Співвідношення граничних інвестиційних вкладень і граничного доходу.
Від обсягу національного доходу при визначеній частці накопичення залежить абсолютні розміри накопичення і капітальних вкладень у розширене відтворення. Чим більше національний дохід, тим більші і накопичення, а при визначеній їх частці тим більші можуть бути і ресурси, що направляються в капітальні вкладення. І навпаки, чим більші капітальні вкладення і викликаний ними приріст виробничих фондів, тим більші і можливості росту фізичного обсягу національного доходу. При цьому дуже важливий рівень ефективності інвестиційних вкладень. Чим вище ефективність інвестицій, чим скоріше і повніше вони втілюються в основні фонди, тим вищий та прогресивніший технічний рівень цих фондів, чим краще якість виконуваних робіт, тим вище продуктивність праці в національній економіці, зростання виробництва, збільшення фізичного обсягу національного доходу.
Вибрати найбільш ефективний метод виробництва, в остаточному підсумку, можна тільки за допомогою здійснення тієї чи іншої інвестиційної програми.
Дієвість інвестиційної діяльності як на мікро-, так і на макрорівні, визначається ефективністю використання інвестиційних галузей. Їхній технічний рівень, організація виробництва, розвиток підприємництва, здатність до освоєння іновацій впливають на інвестиційний цикл, окупність і віддачу інвестиційних ресурсів.
Основними напрямками інвестиційної стратегії з точки зору максимальної ефективності тепер і в найближчому майбутньому будуть
поліпшення відтворювальної структури капіталовкладень, підвищення питомої ваги витрат на технічне переозброєння і реконструкцію діючих підприємств за рахунок зменшення питомої ваги нового будівництва у виробничій сфері;
вдосконалення технологічної структури капітальних вкладень, збільшення в їхньому складі питомої ваги нового будівництва у виробничій сфері;
зміна галузевої структури капітальних вкладень з точки зору значного підвищення життєвого рівня населення на користь галузей, що виробляють продукти харчування, предмети особистого споживання (сільське господарство, галузі переробки, легка і харчова промисловість) та послуги;
пріоритетне забезпечення капітальними вкладеннями перспективних напрямків науково-технічного прогресу, які сприяють зниженню ресурсо-затратності виробництва і підвищенню якості продукції;
збільшення обсягів капітальних вкладень на будівництво комфортного житла й інших обєктів суспільного користування і медичного забезпечення;
збалансованість інвестиційного циклу.
Без залучення до сучасного науково-технічного прогресу Україна залишиться в стані економічної відсталості, яка буде неминуче збільшуватиметься, але, одночасно з цим, поширення сучасної техніки і технології неможливо внаслідок нинішньої фінансової скрути, відсталої структури економіки.
Особливого значення набуває питання перепрофілювання, консервації, а в окремих випадках і закриття неефективних виробничих структур. Повинна бути спрощена процедура банкрутства, ціль якої – дати можливість кредиторам конфіскувати окремі активи підприємств-банкрутів.
У забезпеченні широкого комплексу структурних перетворень у національній економіці, інтеграції фінансового і промислового капіталу й активізації на цій основі інвестиційного процесу особливого значення набувають фінансово-промислові групи, що будуть відігравати ведучу роль у вирішенні найбільш складних завдань перебудови української економіки.
Розглядаючи основні напрямки інвестиційної діяльності на найближчу перспективу, слід мати на увазі, що Україна сама може виступати солідним інвестором за кордоном. Її інвестиційних сектор уже сьогодні, а тим більше, у майбутньому може зайняти важливі позиції на ринках капіталів інших країн. Насамперед у таких традиційних для нас галузях як металургія, електроенергетика, гідротехнічне і гідромеліоративне будівництва, будівництва магістральних трубопроводів, автомобільних і залізничних колій, морських портів і терміналів і т.п.
Основною метою структурної перебудови народногосподарського комплексу України повинна виступати адаптація його виробничих структур до умов економічної самостійності і ринкових механізмів, а також поступова інтеграція у світовий ринок.
Головним критерієм формування нової галузевої структури економіки повинно стати забезпечення оптимального використання наявних ресурсів при максимально можливих темпах економічного росту. З огляду на накопичений Україною виробничий, кадровий і науково-технічний потенціали, необхідно, щоб структурна перебудова її економіки була орієнтована на створення досить повних багатогалузевих господарських комплексів. Але при цьому цільові настанови по створенню таких комплексів, в остаточному підсумку, повинні бути спрямовані не на досягнення самозабезпеченості з більшості видів споживаної продукції, а на освоєння нових перспективних і конкурентноздатних виробництв для використання переваг міжнародного поділу праці і поглиблення інтеграції у світову економічну структуру. Це означає, що поява нових виробництв, відновлення і диверсифікація існуючих повинні, зрештою, призвести до розширення обсягу, асортименту і якісного поліпшення фінансово-господарських операцій.
Особливості прийняття управлінських рішень щодо інвестиційних та іноваційних процесів в Україні
У даному розділі дослідимо інвестиційні та іноваційні процесі в сучасних умовах в Україні та розробку організаційно-економічних та управлінських рішень.
В іноваційному процесі структурної перебудови економіки України інвестиції відіграють одну з найважливіших ролей.
Іновації в кожнім із секторів економіки вимагають фінансових вкладень. Для отримання додаткового прибутку, підвищення ефективності діяльності організації, отримання соціально-економічного ефекту необхідно здійснити фінансові вкладення. При цьому емпірично встановлена залежність: чим на більший успіх розраховує підприємець у майбутньому, тим до більш великих витрат він повинен бути готовий сьогодні.
Проте, проблема вибору об’єкта фінансових вкладень для підприємця не обмежується граничною сумою інвестицій. Дослідження показали, що найбільшою ефективністю володіють вкладення в іновації, де підприємець має можливість одержувати над монопольний прибуток. Високий потенціал ефективності іновацій забезпечує попит на нововведення з боку підприємців, формуючи ринок науково-технічних, організаційних, економічних і соціальних нововведень.

Рис 1.3. Ринок капіталу як необхідний елемент іноваційного процесу
Як джерела інвестицій можуть виступати асигнування бюджетів усіх рівнів, іноземні інвестиції, власні засоби організацій, а також акумульовані у формі фінансового капіталу тимчасово вільні засоби організацій і установ і заощадження населення (рис 1.3.).
Бюджетні асигнування на розробку і реалізацію іновацій обмежені доходами бюджетної системи. При цьому в залежності від політико-економічних умов напрямку форми і розміри бюджетних інвестицій в іновації мають істотні розходження.
Так, у промислово розвинутих країнах розміри бюджетних асигнувань на розвиток науково-технічного прогресу досить великі, об’єкти інвестування визначаються на конкурсній основі з урахуванням національної стратегії розвитку й оборонної доктрини. Наприклад, у Японії на рівні конституційного закону введене обмеження, відповідно до якого не менш 3% валового національного доходу з бюджету повинно направлятися на розвиток фундаментальних наукових досліджень, а в Україні цей показник не перевищує 0,5%.
Бюджетна криза, характерна для економіки країн, що розвиваються, а також для держав, що здійснюють макроекономічні перетворення, обмежує можливості державної участі в розвитку іноваційних процесів. За даними Міністерства фінансів, обсяг бюджетних інвестицій скоротився у порівнянні з попереднім роком. Недофінансування науково-технічних програм в Україні було викликано збільшенням бюджетного дефіциту.
Іноземні інвестиції в іноваційну діяльність можуть здійснюватися як у формі міждержавних, міжурядових програм по науково-технічному й економічному співробітництву, так і у формі приватних інвестицій від закордонних фінансових організацій і приватних підприємців. У той же час досить активними є міжнародні приватні інвестиції на ринках, що розвиваються.
Американські інвестиційні фонди, німецькі банки й інші приватні інвестори прагнуть забезпечити високу прибутковість власних інвестицій за допомогою міжнародної диверсифікованості діяльності. Ризик інвестицій у ринки, що розвиваються, досить високий, але він, як правило, забезпечується більшою прибутковістю вкладень. При цьому найбільш привабливими для зовнішніх інвесторів є сировинні і переробні галузі промисловості, оскільки, як правило, ці галузі не вимагають попередніх значних інвестицій, а достатнє для конкурентноздатності якість заготівель, що вивозяться на експорт сировини, і напівфабрикатів може бути забезпечене без використання останніх досягнень науково-технічного прогресу.
Власні засоби організацій залишаються основним джерелом фінансування іноваційної діяльності. Галузі, що у роки проведення макроекономічних реформ зберегли достатній обсяг оборотних коштів, у даний час одержали реальний шанс активно здійснювати іноваційну діяльність. У першу чергу це відноситься до галузі зв’язку, де за рахунок малої тривалості виробничого циклу підприємства практично не випробували впливу інфляції і створили достатній резерв для здійснення науково-технічних проектів.
Організації з тривалим технологічним циклом виробництва в умовах інфляції не змогли зберегти власні оборотні кошти, що привело до їх важкого фінансового положення. Тому в даний час практично всі організації промисловості позбавлені реальної можливості фінансування іноваційної діяльності за рахунок власних коштів. Хоча, як показує світова практика, 80-90% іновацій у світі фінансуються промисловими компаніями переважно за рахунок власних фінансових засобів.
Фінансовий капітал формується за рахунок акумулювання засобів юридичних осіб і громадян у фінансово-кредитних установах (рис 1.4.).
На етапі розробки і реалізації іновацій ринок капіталу виступає як один з головних факторів суспільного визнання іновацій. Без достатнього фінансового забезпечення життєвий цикл іновації обмежується стадією «ідея». Будь-яке нововведення повинне бути на ринку капіталу інвестиційно привабливим і конкурентноздатним. Тому поряд з показниками іноваційності проектів не менш важливими в ринкових умовах стають фінансово-економічні показники:
обсяг інвестицій;
очікувана прибутковість (рентабельність);
строк окупності;
чистий дохід і ін.
Економічні показники стають основними, якщо мова йде про залучення стратегічного інвестора (фінансово-кредитні установи, що готові організувати фінансування розробки і реалізації іновації за рахунок власних і притягнутих засобів).

Рис 1.4. Формування і використання фінансового капіталу
Умовно фактори інвестиційної привабливості іноваційних проектів і програм можна розділити на дві групи: фінансово-економічні і позаекономічні. У більшості випадків інвестора залучають високі фінансові показники, однак існують ситуації, при яких іноватор змушений реалізувати нововведення, незважаючи на його пряму економічну непривабливість. Наприклад, якщо мова йде про екологічні заходи, що практично завжди мають негативні фінансові показники. Проте, промислові фірми, що піклуються про свій високий імідж, ведуть активну діяльність у цій області.
До інших позаекономічних факторів інвестиційної привабливості іновації може бути віднесена галузева приналежність як ідея для наступної практичної реалізації, дуже привабливий іноваційний проект може бути не прийнят тільки тому, що у фірми – іноватора немає достатнього досвіду роботи в тій галузі, де необхідно реалізувати проект. Чи, навпаки, фірма змушена шукати альтернативні сегменти ринку, якщо мова йде про міжгалузеву диверсифікованість.
В умовах структурних перетворень, характерних для економіки перехідного періоду, в Україні 16, с.411 в кращому фінансово-господарському положенні виявилися організації, що зуміли оперативно перемінити свій ринковий сегмент відповідно до попиту, що змінився.
Галузева інвестиційна привабливість визначається стратегією фірми-іноватора. Тому на ринку новацій для забезпечення конкурентноздатності нововведення проводиться маркетинговий галузевий аналіз, розробляються різні рейтинги галузевої інвестиційної привабливості. Так, досліджуючи потенціал залучення іноземних інвестицій, було встановлено найбільш інвестиційно привабливі галузі української економіки: електроенергетика, металургія.
Істотним позаекономічним фактором, що визначає привабливість іновації для інвестора, є імідж і репутація іноватора.
З економічного погляду, інвестиційна привабливість визначається як внутрішніми характеристиками іновації (прибутковість інвестицій, термін реалізації проекту й ін.), так і умовами залучення фінансових ресурсів і їхніх джерел (рис 1.5.).
Недостатній розмір дивідендів може привести до того, що акції, що знову випускаються, для фінансування іноваційної діяльності виявляться нерозміщеними. У Росії корпоративні відносини знаходяться в стадії формування, тому емісії цінних паперів під іноваційну діяльність проводяться досить рідко.

Рис 1.5. Класифікація джерел інвестицій для іноваційної діяльності
За винятком безпроцентних позичок притягнутий капітал видається на умовах зворотності, терміновості і платності, тобто являє собою кредити в різній формі. Поряд із традиційною формою кредитування в іноваційній діяльності широке поширення одержали лізинг, форфейтинг і франчайзинг.
Лізинг – довгострокова оренда машин і устаткування на термін до 20 років. Орендодавець за свій рахунок здобуває необхідне устаткування і здає його орендарю. При цьому права власності на устаткування залишаються в орендодавця. По закінченні лізингового договору орендар може повернути орендодавцю орендоване майно чи викупити об’єкт лізингу по залишковій вартості. Протягом усього терміну експлуатації орендар перелічує плату за користування орендованого майна, що включає амортизацію і дохід орендодавця.
Форфейтинг – фінансова операція, що перетворює комерційний кредит у банківський. Інвестор при відсутності достатніх засобів для іновацій виписує комплект векселів. Терміни погашення векселів рівномірно розподілені в часі. Таким чином, інвестор одержує відстрочку в платежах і гарантії банку по забезпеченню платежів. Форфейтингові операції для іноватора є гарантією надійності фінансового партнера.
Найбільш повною фінансовою схемою залучення інвестиційних ресурсів в іноваційну діяльність є франчайзинг. Франчайзинг передбачає тиражування іновацій із залученням великого капіталу. Крім фінансових засобів за договором франшизи іноватору можуть бути передані нематеріальні активи (технології, ноу-хау), торговий знак і репутація фірми і т.п. Франчайзинг сполучить у собі переваги кредиту і лізингу.
Рушійні мотиви фінансування іноваційної діяльності істотно залежать від того, чи реалізується іновація на свої чи притягнуті засоби. Однак для більшості іновацій у випадках фінансування і за рахунок власних коштів, і за рахунок залучення фінансових ресурсів в основі лежить показник ціни капіталу.
Ціна капіталу (Cost of Capital) – відношення загальної суми платежів за використання фінансових ресурсів до загального обсягу цих ресурсів.
(1.1)
Де WACC (Weighted Average Cost of Capital) – зважена ціна капіталу; k>i> – ціна і-го джерела; d>i> – частка і-го джерела в капіталі компанії.
Ціна власного капіталу визначається дивідендною політикою іноватора (ціна залучення акціонерного капіталу) пропорційно частці акціонерного капіталу у власних засобах організації.
C>s>> >= р * ( U / U + A + M + B) (1.2.)
Де C>s> – ціна власного капіталу; р – відношення суми дивідендів до ринкової капіталізації компанії, U – акціонерний капітал; А – амортизаційний фонд; М – прибуток; В – безоплатні надходження.
Ціна власного капіталу для самофінансування іновацій є нижньою межею рентабельності: рішення про реалізацію іновацій при прибутковості менш ціни капіталу може серйозно погіршити основні фінансові показники компанії, привести до неплатоспроможності і банкрутства іноватора. Для зовнішнього інвестора є гарантією повернення вкладених коштів, показником достатності фінансової надійності об’єкта інвестицій.
Ціна залученого капіталу розраховується як середньозважена процентна ставка по залучених фінансових ресурсах.
(1.3.)
Де С>inv> – ціна залученого капіталу; k>j> – ставка залучення фінансового капіталу (k>j> = 0 для безоплатних позичок) V>j> – обсяг залучених засобів; m – кількість джерел залучених засобів.
Ціна залученого капіталу залежить від внутрішніх і зовнішніх факторів. До внутрішніх факторів у першу чергу відноситься ділова репутація іноватора. На ділову репутацію фірми впливають не тільки фінансові показники її діяльності, але й авторитет вищого менеджменту, система взаємин з партнерами і конкурентами, імідж, політична підтримка й ін.
Зовнішні фактори, що впливають на ціну залученого капіталу, визначаються макроекономічною ситуацією (рівнем інфляції, ставкою рефінансування Центрального банку, темпами росту ВВП, ін.), державною інвестиційною політикою і ситуацією на фінансовому ринку.
Ціна капіталу визначає нижню границю прибутковості іноваційного проекту – норму прибутку на іновацію. Таким чином, іноватор, приймаючи рішення про початок реалізації проекту, повинний враховувати наступні фактори:
ціну власного капіталу;
ціну залученого капіталу;
структуру капіталу (співвідношення власних і притягнутих засобів).
Інтеграція цих факторів у показнику ціни капіталу є базою для визначення інвестиційної привабливості іноваційного проекту. Як інвестор, так і іноватор при ухваленні рішення про реалізацію нововведення зіштовхуються з проблемою визначення нижньої границі прибутковості інвестицій, у якості якої, як правило, виступає норма прибутку.

Рис 1.6. Фактори, що визначають норму прибутку іноваційного проекту
Норма прибутку визначається іноватором і інвестором з різних точок зору (рис 1.6). Організація, що реалізує нововведення, виходить із внутрішніх обмежень, до яких у першу чергу відносяться ціна капіталу, внутрішні потреби виробництва (обсяг необхідних власних засобів для реалізації виробничих, технічних, соціальних програм), а також зовнішні фактори, до яких відноситься ставка банківських депозитів, ціна залучення капіталу, умови галузевої і міжгалузевої конкуренції.
Керівництво підприємства – іноватора як мінімум зіштовхується з однією альтернативою інвестицій – укласти тимчасово вільні засоби в банківські депозити чи державні цінні папери, одержуючи гарантований дохід без додаткової високо ризикової діяльності. Тому прибутковість іноваційних проектів повинна перевершувати ставку по банківських депозитах і прибутковість до погашення державних цінних паперів.
Механізм впливу конкуренції на визначення внутрішньої норми прибутку не працює лінійно: галузева прибутковість може бути вище, ніж виробнича рентабельність іноватора. Це зв’язано з різними масштабами виробництва: зберігаючи конкурентноздатність продукції й утримуючи під контролем значну частину ринку, велика компанія може навмисне збивати ціни, забезпечуючи достатній обсяг прибутку значними обсягами продажів. Тому, установлюючи норму прибутку за середнім значенням рентабельності (табл. 1.1), її, як правило, порівнюють з масштабами виробництва.
Зовнішній інвестор, визначаючи норму прибутку іноваційного проекту, керується альтернативними вкладеннями засобів (рис 1.6). При цьому порівнюється ризик вкладень і їхня прибутковість: як правило, інвестиції з меншим ризиком приносять інвестору менший дохід. Тому ухвалення рішення про фінансування іновації інвестор погодить зі своєю фінансовою стратегією (схильність до ризику, відраза до ризику). Ризик інвестицій у фінансові інструменти оцінюють фінансові менеджери. Інвестори, що прийняли рішення про фінансування іноваційних проектів, рівень ризику закладають як надбавку до норми прибутку (табл. 1.2).
Таблиця 1.1
Прибутковість світових компаній по деяких галузях економіки
Галузь |
США |
Японія |
Європа |
|||
|
К-ть компа ній |
Дохід ність, % |
К-ть компа ній |
Дохід ність, % |
К-ть компаній |
Дохід ність, % |
|
|
Компютерні послу-ги та програмне забезпечення |
22 |
21,2 |
3 |
4,9 |
13 |
23,1 |
|
Засоби звязку |
30 |
19,1 |
6 |
9,0 |
10 |
15,5 |
|
Електроніка |
15 |
17,7 |
24 |
5,4 |
5 |
16,5 |
|
Багатогалузеве хі-мічне виробництво |
13 |
17,7 |
15 |
3,3 |
16 |
13,7 |
|
Видавнича справа |
11 |
13,9 |
2 |
8,4 |
12 |
27,9 |
|
Електротехнічна промисловість |
7 |
12,7 |
11 |
4,0 |
7 |
11,2 |
|
Машини і устаткування |
9 |
12,2 |
22 |
4,3 |
14 |
12,4 |
|
Автомобілі, будівлі |
4 |
10,5 |
9 |
7,6 |
6 |
6,7 |
|
Банки |
45 |
8,8 |
43 |
2,6 |
57 |
19,6 |
|
Фінансові установи |
15 |
7,5 |
13 |
4,8 |
4 |
4,8 |
Таблиця 1.2
Вимоги до норми прибутку для різних груп інвестицій
|
Група інвестицій |
Необхідна норма прибутку |
|
Інвестиції, що заміщають, - категорія І (нові машини чи устаткування, транспортні засоби і т.і., що будуть виконувати функції, аналогічні устаткуванню, що заміщається) |
Ціна капіталу |
|
Інвестиції, що заміщають, - категорія ІІ (нові машини чи устаткування, транспортні засоби і т.і., що будуть виконувати функції, аналогічні устаткуванню, що заміщається, але є технологічно більш зробленими, для їхнього обслуговування вимагаються фахівці більш високої кваліфікації, організація виробництва вимагає інших рішень) |
Ціна капіталу +3% |
|
Інвестиції, що заміщають, - категорія ІІІ (нові потужності допоміжного виробництва: склади, будинки, що заміщають старі аналоги; а також заводи, розташовані на новій площадці) |
Ціна капіталу +6% |
|
Нові інвестиції – категорія І (нові потужності, чи зв’язане устаткування, за допомогою якого будуть вироблятися продукти, що раніше випускалися) |
Ціна капіталу +5% |
|
Нові інвестиції – категорія ІІ (нові потужності, чи машини, що тісно зв’язані з діючим устаткуванням) |
Ціна капіталу +8% |
|
Нові інвестиції – категорія ІІІ (нові потужності, чи машини, чи поглинання придбання інших фірм, що не зв’язані з діючим технологічним процесом) |
Ціна капіталу +15% |
|
Інвестиції в науково – дослідні роботи – категорія І (прикладні НДР, спрямовані на визначені специфічні цілі) |
Ціна капіталу +10% |
|
Інвестиції в науково – дослідні роботи – категорія ІІ (фундаментальні НДР, мети яких точно не визначені і результат заздалегідь невідомий) |
Ціна капіталу +20% |
Поряд з технічними критеріями вибору іновації інвестори проявляють економічні обмеження на іноваційні процеси, прагнучи забезпечити собі гарантію не тільки повернення вкладених коштів, але й одержання доходу. Важливим фактором є те, що інвестори враховують при прийнятті рішень про фінансування іновації; є період, протягом якого будуть відшкодовані понесені витрати, а також період, необхідний для одержання розрахункового прибутку. Тому серед великого числа методів оцінки економічної ефективності реалізації іновацій найбільш популярними є:
метод чистого дисконтованого доходу (ЧДД);
метод строку окупності;
метод індексу прибутковості і рентабельності проекту;
метод внутрішньої норми прибутковості;
розрахунок крапки беззбитковості проекту.
1.3 Сучасні проблеми банківського інвестування
В загальному обсязі інвестицій більшості підприємств України переважають реальні інвестиції у виді капітальних вкладень. Що ж стосується інвестицій у фінансові активи, то їхня частка несуттєва, оскільки більшість директорів підприємств намагаються уникнути концентрації акцій у руках великих зовнішніх інвесторів (у тому числі банків) під час розміщення акцій.
Інвестиції в основний капітал українських підприємств за 2008 рік становлять 18500 млн. Грн., що складає 105 відсотків до попереднього періоду. Неабияку роль в зазначеному зростанні інвестиційної активності відіграють банки України.
Включаючись у ринкові відносини, банківська система як інвестиційний посередник акумулює величезні маси тимчасово вільних грошових капіталів господарств і грошові вклади населення через поточні рахунки, депозитні вклади, депозитні й ощадні сертифікати, банківські векселі і їх акцепт, через використання інших різноманітних грошово-кредитних і фінансових інструментів залучення коштів. Усе це засвідчує великий інвестиційний попит банківської системи на грошові ресурси. А створення великих грошових фондів виступає як економічна передумова формування інвестиційного потенціалу банків і банківської системи в цілому.
Завдяки банківським інвестиціям забезпечується переливання грошових капіталів від одних суб’єктів інвестиційних відносин (інвесторів, кредиторів) до інших (позичальників), що сприяє вирівнянню норм прибутку між різними сферами підприємницької діяльності і створює об’єктивні умови для реалізації тенденції формування середньої норми прибутку в народногосподарській системі.
Зупинимось конкретніше на теоретичних аспектах основних складових інвестицій в реальний сектор економіки. Наріжним каменем у структурі цих інвестицій є інвестиційний кредит. Українські банки вже активно включились у процеси фінансування інвестицій.
Попри те, що інвестиційні кредити пов’язані з великим ризиком і сповільненням обороту грошових коштів банку, намітилась очевидна тенденція до росту довготермінових кредитів, появились банки, які мають у своєму портфелі понад 50% кредитів із терміном більше року. Причому для деякої частини особливо ефективних інвестиційних проектів існуючі кредитні ставки цілком сприятливі.
Особливостями кредитування інвестицій є те, що:
кредит має цільовий характер (тобто видається під конкретний інвестиційний проект, а не для фінансування господарської діяльності позичальника в цілому);
кредитний період є досить тривалим і відповідає розрахунковому строку окупності проекту (чи перевищує його);
обсяг кредитування відповідає чи перевищує поточні обороти (масштаб поточних господарських операцій) позичальника.
Три зазначених обставини визначають перенесення акцентів при аналізі інвестиційної кредитної заявки вбік розгляду цільового використання кредитних ресурсів (окупності інвестиційного проекту). Основним об’єктом розгляду при ухваленні рішення про видачу (відмові від видачі) інвестиційного кредиту й умовах кредитування є не бізнес фірми-позичальника в цілому, а інвестиційний проект, що фінансується. Відповідно, дана обставина знаходить своє відображення й у методології оцінки надійності видаваного кредиту (імовірності своєчасного і повного погашення основного боргу і нарахованих відсотків).
Надання довготермінових кредитів, як правило, супроводжується цілою низкою додаткових умов, за допомогою яких банки намагаються застрахувати себе від підвищення ризику. Найбільш розповсюдженні умови:
володіння контрольним пакетом акцій підприємства;
забезпечення фінансовими гарантіями надійних банків або високоліквідними заставами, вартість яких коливається від 50 до 120 відсотків вартості проекту.
Досить часто практикується дольова участь банків або з високоліквідними заставами, вартість яких коливається від 50 до 120 відсотків вартості проекту (загальноприйнято – від 20 до 50 відсотків). Проте деякі банки вважають, що цей принцип «розслабляє» керівництво банку.
Особливого розгляду вимагає інвестування банківських фондів і майна в лізингові операції. Це така форма банківських інвестицій, яка дозволяє здійснювати фінансування угод щодо використання рухомого і нерухомого майна через оренду. При цих умовах за банком-орендодавцем зберігається право власності на інвестоване в підприємницьку діяльність майно; в орендаря ж виникає право користування цим майном із метою отримання доходу, прибутку і викупу наданого в оренду майна через систему платежів, включаючи банківський процент.
Лізинг – це фінансовий інструмент який не тільки сприяє мобілізації грошових коштів для інвестиційної діяльності, але й забезпечує за допомогою свого механізму гарантоване використання інвестиційних ресурсів на цілі реконструкції та розширення виробництва.
Українські банки надають перевагу опосередкованій участі у лізинговому бізнесі. Так, якщо метою банку є отримання процентного доходу. Йому доцільно стати кредитором лізингової компанії; якщо він прагне розширити сферу своєї діяльності, - краще бути засновником лізингової компанії, якщо ж завдання полягає в отриманні комісійного доходу. То слід надавати гарантійні послуги за зобов’язаннями однієї зі сторін лізингової угоди або консультувати з питань лізингу. Банк, який поставив собі за мету звести до мінімуму витрати. Пов’язані з власною діяльністю, може виступати лізингоотримувачем.
Розглянемо особливості участі банку в бізнесі як кредитора лізингової компанії. Така схема фінансування відрізняється від прямого кредитування внаслідок наявності фінансового посередника між банком та лізингоотримувачем, однак загальновизнана практика кредитування у даному разі цілковито зберігається. Банківський позичальник – лізингова компанія –розглядається як фінансовий посередник. Реальним позичальником вважається лізингоотримувач. Він використовує свої активи з виробничою метою для отримання грошових надходжень, необхідних для виплати лізингових платежів та боргу за позичкою лізингової фірми.
Банк може поєднати функції кредитора та засновника лізингової компанії. У такому разі статутний фонд останньої формується в мінімально допустимому обсязі з метою подальшої кредитної підтримки банку-засновника. А лізингова компанія, у свою чергу, отримує можливість залучати пільгові кредити на розширення діяльності. Для забезпечення кредиту вона може надати банку обладнання – як заставу з можливістю переуступки прав за лізингом (насамперед – права на отримання лізингових платежів). У такому разі всі права та обов’язки лізингової компанії переходять до банку. Коли ж лізингова компанія не виконує своїх зобов’язань за позичкою, тоді як лізингоотримувач дотримується всіх умов угоди, лізингові платежі надходять безпосередньо до банку. Однак прийняті ним зобов’язання не дають йому права вдаватися до дій, які б зашкодили лізингоотримувачу, - наприклад, вимагати дострокового вилучення переданого за угодою лізингу майна. Банк може піти на такі дії лише в тому разі, якщо лізингоотримувач не виконуватиме своїх зобов’язань за лізингом. Отже, завдяки факторингу банк отримує змогу ефективніше розпоряджатися заставним майном, швидше й легше ним управляти.
Опосередковану участь у лізинговому ринку банк бере і тоді. Коли відіграє роль лізингоотримувача. Однак, політика, спрямована на економію власних витрат шляхом застосування лізингових схем, має тимчасовий характер і не може бути визначальним напрямом банківської стратегії. Так, у 2005-2006 роках у переліку банківських витрат орендні й лізингові платежі становили відповідно 3 та 4 відсотки.
Якщо ж банк виступає в ролі лізингодавця, то має місце така послуга, як банківський лізинг. Безпосередня роль банку в лізинговому бізнесі – це його участь у фінансово-промисловій групі, діяльність якої регламентується Законом України “Про промислово-фінансові групи в Україні” від 21.11.95 № 437/95-ВР.
Учать комерційного банку в складі промислово-фінансової групи сприятиме, з одного боку, взаємопроникненню промислового та банківського капіталу, а з іншого – диверсифікації діяльності, отриманню стабільних джерел формування капіталу та процентів внаслідок вищої ефективності роботи учасників групи. Завдяки наявності надійної інформації про позичальників – учасників групи, створюються сприятливі умови для поширення лізингових відносин (послуг та консультацій) у межах групи.
Цим же інстинктом повинна керуватись і держава, яка повинна вирішити три принципових завдання
створити правовий простір, адекватний законам ринкової економіки;
створити сприятливе економічне середовище для розвитку підприємницької сфери і стимулювання виробництва продукції, конкурентоспроможної на внутрішньому і світовому ринку;
відмовитися від фіскальної фінансової політики, що б активізувало інвестиційну діяльність. При цьому провідна роль в активізації інвестиційних процесів повинна належати банкам – найбільш розвинутому ринковому інститутові сучасної України.
Згідно з концепцією розвитку банківської системи комерційні банки покликані максимально сприяти вітчизняному товаровиробнику. Щоб упоратися із цим завданням, банкам слід активніше брати пряму участь у фінансуванні інвестицій в реальний сектор економіки України.
1.4 Техніко-економічна характеристика ВАТ КБ «Надра»
КБ «Надра» зареєстрований Національним банком України 26 жовтня 1993 року (реєстраційний номер №205). Починаючи з позицій галузевого банку вугільної промисловості, банк «Надра» став сучасною універсальною фінансовою установою. Протягом 10 років діяльності на фінансовому ринку України банк надає клієнтам понад 200 видів найсучасніших банківських продуктів і послуг європейського рівня. Відповідно до класифікації Національного банку України «Надра» за обсягом активів входить у десятку найбільших банків України.
Якісний банківський сервіс забезпечують всі підрозділи Банку в різних регіонах України. «Надра» має два представництва за кордоном. Банк «Надра» має велику кількість відкритих ліній від міжнародних фінансових інститутів. Переваги сучасного банківського сервісу оцінили більше 400 тисяч клієнтів.
Президент Банку Ігор Гіленко двічі – у 2004 та 2005 роках – ставав лауреатом загальнонаціональної програми «Людина року» у номінації «Фінансист року».
За даними останнього національного рейтингу банків (дані Асоціації Українських Банків) банк «Надра» займає по: чистих активах – 6 місце; розміру кредитно-інвестиційного портфеля – 7 місце; депозитах фізичних осіб – 5 місце; капіталу – 6 місце; фінансовому результату – 10 місце.
Лiцензiї i дозволи Банку:
Банкiвська лiцензiя № 21 вiд 23.08.02 р.;
Письмовий дозвiл № 21-1 вiд 23.08.02 р.;
Лiцензiя ДКЦПФР № 241013 вiд 04.09.02 р. На здiйснення дiяльностi по випуску i обiгу цiнних паперiв;
Лiцензiя ДКЦПФР № 241013 вiд 04.09.02 р. На ведення реєстру власникiв iменних цiнних паперiв;
Лiцензiя ДКЦПФР № 241013 вiд 04.09.02 р. На право виконання професiйної депозитарної дiяльностi зберiгача цiнних паперiв;
Дозвiл Мiнiстерства фiнансiв України № 413 вiд 23.09.1994 р. На здiйснення дiяльностi по випуску i обiгу цiнних паперiв.
Мiжнародне рейтингове агентство Moody`s присвоїло Банку у груднi 2006 року такi рейтинги: за оцiнками кредитоспроможностi – B3/NP; по фiнансовiй стiйкостi – Е+.
Таблиця 1.3
Історія Банку
|
1993 |
Банк «Надра» зареєстрований Нацiональним банком України (НБУ) (реєстрацiйний номер № 205). |
|
1994 |
НБУ зареєстрував банк «Надра» як вiдкрите акцiонерне товариство зi статутним фондом у розмiрi 550 000 грн. |
|
1995 |
Банк приєднав Луганський АБ «Вуглепрогресбанк» на правах Луганського регiонального управлiння |
|
1996 |
Аудит банку «Надра» _першее здiйснила мiжнародна аудиторська компанiя KPMG. |
|
|
Прийнято рiшення про унiверсалiзацiю Банку. Втiлено нову структуру управлiння Банком, побудовану за «дивiзiональним» принципом: з чiтким розподiлом функцiй i вiдповiдальностi. |
|
|
Банк «Надра» почав обслуговування кредитної лiнiї Європейського банку реконструкцiї та розвитку (ЄБРР), спрямованої на пiдтримку малого i середнього бiзнесу та Мiжнародного банку реконструкцiї i розвитку, спрямовану на реструктуризацiю вугiльної промисловостi. Банк «Надра» почав реалiзацiю пластикових карток American Express. |
|
1999 |
Банк розпочав роботу з облiгацiями зовнiшньої державної позики. Банк одержав максимальнi на той час оцiнки за системою CAMEL (за результатами спiльної перевiрки фахiвцями НБУ i Мiжнародного Валютного Фонду). Банк розпочав емiсiю пластикових карток VISA та Eurocard/MasterCard. Банк «Надра» прийнято до складу органiзацiй-партнерiв Мiжнародної системи Western Union. |
|
2000 |
Банк отримав рейтинги мiжнародних
рейтингових агентств Thomson Financial
BankWatch i FITCH IBCA. |
|
2002 |
Міжнародне рейтингове агентство Moody's встановило рейтинги банку «Надра». Банк «Надра» розпочав компенсаційні виплати остарбайтерам. Укладено угоду з компанією Ria Telecommunications Inc. по виплаті на Україні міжнародних переказів. Рішенням конкурсної комісії Пенсійного фонду України Банку надано право відкриття рахунків для виплати пенсій та грошової допомоги в Дніпропетровській, Кіровоградській, Сумській, Луганській областях. |
|
2004 |
Commerzbank AG i страхова компанiя «Hermes» почали спiвпрацю з банком «Надра» за програмою довгострокового фiнансування нiмецького експорту до України. Мiжнародне рейтингове агентство Moodу's пiдвищило рейтинг банку «Надра» з Саа1 до В3, зауваживши, що рейтинг банку «Надра» стримується верхнiм значенням рейтингу країни. |
|
2005 |
Надра Банк посідає перше місце за емісією кредитних карток VІSA у країнах СНД і Східної Європи. Початок процесу реструктуризації організаційної структури спрямований на клієнтоорієнтовану політику у банківському бізнесі й відповідність міжнародній банківській практиці. Надра – перший український банк, який підписав кредитну угоду з Ексимбанком США під його гарантію. Надра Банк залучає перший синдикований кредит у розмірі 32 млн. доларів США від іноземних банків за найнижчою в Україні ставкою. Завершується дебютне розміщення трьохрічних єврооблігацій у розмірі 100 млн. доларів США з найнижчим за всю історію виходу українських комерційних банків на ринок єврооблігацій відсотковим спредом. |
|
2006 |
НАДРА БАНК підписує Глобальний Договір ООН і приєднується до міжнародної ініціативи підтримки принципів соціальної відповідальності бізнесу. Банк засновує Всеукраїнський благодійний фонд «Дитячий світ». Всесвітній банк і Міністерство фінансів України схвалюють участь ВАТ КБ «Надра» у проекті «Розширення доступу до ринку фінансових послуг». НАДРА БАНК повідомляє про початок проведення повномасштабного ребрендингу, у рамках якого впроваджуються зовсім нові унікальні комплексні продукти - Пакети послуг «Ласкаво просимо!» і Справжня кредитна карта «45 днів кредиту без відсотків». |
|
2007 |
Міжнародне рейтингове агентство Moody’s Investors Serviсe покращує рейтинги НАДРА БАНКУ за національною шкалою: депозитний рейтинг в іноземній валюті – В2/«Позитивний», депозитний рейтинг у національній валюті – Ва3/«Позитивний», рейтинг незабезпечених зобов’язань в іноземній валюті – Ва3/«Позитивний», рейтинг за національною шкалою – Аа1.ua/«Позитивний», рейтинг фінансової стабільності – Е+ із прогнозом «Позитивний». Підтверджує рейтинги НАДРА БАНКУ і міжнародне рейтингове агентство Fitch Ratings: довгостроковий рейтинг дефолту емітента (РДЕ) «B-», короткостроковий «B», індивідуальний рейтинг D/E, рейтинг підтримки «5» і рівень підтримки довгострокового РДЕ «B-». Також Fitch змінює прогноз за довгостроковим РДЕ зі «Стабільного на «Позитивний». |
|
2008 |
За останні два роки в рамках ребрендингу НАДРА БАНК концептуально змінив усю продуктову лінійку для роздрібних клієнтів. А у 2008 році банк розробив та впровадив нові продукти для малого та середнього бізнесу, такі як Кредитування комерційної нерухомості та Бізнес-пакет. Це надало можливість багатьом підприємцям вирішити питання, пов’язані з придбанням комерційної нерухомості, та збільшити свої доходи за рахунок оптимального планування та використання коштів. НАДРА БАНК розробив набір послуг для корпоративних клієнтів «Ефективні рішення для управління грошовими ресурсами». Пропозиція об’єднує поточний рахунок, автоматичний овердрафт, рахунки «Час – гроші» та «Бізнес-дохід», а також Депозитну лінію. У кожному відділенні НАДРА БАНКУ з’явилася зона самообслуговування клієнтів, що доступна 24 години на добу, 7 днів на тиждень. Тут можна скористатися послугами банкомата та інформаційно-платіжного термінала. Це обладнання дозволяє здійснювати як готівкові операції, так і безліч безготівкових транзакцій, наприклад, сплачувати комунальні послуги, рахунки різних провайдерів зв’язку, телепровайдерів тощо. |
Членство в мiжбанкiвських об'єднаннях, бiржах, асоцiацiях i мiжнародних організаціях:
VISA International;
Europay International;
Українська мiжбанкiвська асоцiацiя членiв Europay International;
Асоцiацiя українських банкiв (АУБ);
Асоцiацiя «Київський банкiвський союз»;
Асоцiацiя банкiв Львiвщини;
Днiпропетровський банкiвський союз;
Перша фондова торгова система (ПФТС);
Українська мiжбанкiвська валютна бiржа (УМВБ);
Українська фондова бiржа;
Агент компанiї Union Card з видачi готiвкових коштiв;
Агент мiжнародної компанiї Diners Club з видачi готівковки
Офiцiйний дилер American Express;
Офiцiйний дилер Thomas Cook;
Партнер компанiї Western Union;
Партнер компанiї Ria Envia.
Минулий рiк став для банку «Надра» досить успiшним, досягнутi нами результати перевищили усi сподiвання. Для банку цей рiк вiдзначений певним кiлькiсним i якiсним проривом на всiх прiоритетних напрямках.
Потужна структура акцiонерiв Банку, продумана стратегiя поведiнки на ринку банкiвських та iнших фiнансових послуг зробили банк «Надра» одним iз найбiльш успiшних, надiйних i прозорих банкiв України. А динамiка росту кiлькостi нових продуктiв та їх продаж вiдкриває банковi широкi перспективи й дозволяє упевнено дивитися у майбутнє.
Минулого року банк «Надра» увiйшов i впевнено закрiпився у першiй десятцi найбiльших українських банкiв. Він змiцнив позицiю на ключових ринках i охопив новi сегменти. Зрештою, про його успiшнiсть промовисто говорять фiнансовi показники.
ВАТ КБ «Надра» суттєво збiльшив питому вагу в сукупностi активiв банкiвської системи України - з 2,21% до 2,42%, зберiгши iмiдж одного з найуспiшнiших брендiв на фiнансовому ринку України. Чистi активи Банку зросли майже у 1,5 рази, обсяги клiєнтських депозитiв - в 1,4 рази. Банк суттєво розширив обсяги надання й асортимент банкiвських послуг, диверсифiкувавши джерела доходiв i збiльшивши їх у 1,61 рази.
Одним iз прiоритетних напрямкiв дiяльностi Банку є кредитування - як великих промислових проектiв, так i малого та середнього бiзнесу, - збiльшено кiлькiсть вiдкритих кредитних лiнiй вiд мiжнародних фiнансових установ. Тепер, спiвпрацюючи у цьому напрямку з ЄБРР, МБРР та iншими зарубiжними банками, «Надра» є лiдером по кiлькостi вiдкритих кредитних лiнiй.
Торiк прийняли нову версiю Стратегiчного плану розвитку Банку на 2007-2007 роки. Згiдно з нею, головною метою Банку на плановий перiод є максимiзацiя вартостi свого бiзнесу й досягнення заданих параметрiв ринкової капiталiзацiї.
У плани входить активний розвиток бiзнесiв на сумiжних сегментах банкiвського ринку, серед яких - страхування ризикiв та життя, лiзинг тощо.
Виходячи з вимог, поставлених Стратегiчним планом, Банком були сформульованi цiлi та завдання на 2008 рiк, серед яких розвиток ринкової частки i збiльшення чистих активiв, диверсифiкацiя клiєнтської бази i прирiст клiєнтських залишкiв на поточних рахунках, розвиток спiвпрацi з мiжнародними фiнансовими органiзацiями з метою набуття бiльшої гнучкостi, закiнчення побудови базової регiональної мережi площадок продаж, яка має охоплювати усi областi України.
Реалiзацiя планових завдань Стратегiчного плану дозволить Банку не лише значно збiльшити свою ринкову частку, але й завоювати новi ринки та регiони, провести реорганiзацiю бiзнес-процесiв, упровадити новi технологiї, покращити якiсть менеджменту тощо. Правильно обрана стратегiя та чiтке виконання усiх завдань Банку стануть запорукою успiху.
РОЗДІЛ 2. КОМПЛЕКСНИЙ АНАЛІЗ ВИКОНАННЯ ІНВЕСТИЦІЙНИХ ОПЕРАЦІЙ БАНКАМИ УКРАЇНИ
2.1 Організаційно-економічна сутність інвестиційної діяльності банків
По мірі скорочення обсягів бюджетного фінансування економіки України роль банківських інвестицій у забезпеченні глибоких структурних перетворень інвестиційної сфери буде неухильно зростати, а сама банківська система повинна бути готовою до здійснення велико-масштабних інвестицій, у тому числі безпосередньо у виробництво. Банківські інвестиції, які знаходяться у тісному взаємозвязку з грошовим сектором економіки і пропозицій грошових коштів з боку банківської системи. Зрештою, на практиці абсолютної рівноваги економічної системи не може бути досягнуто, але відносна збалансованість розвитку окремих елементів економічного організму повинна постійно підтримуватись.
У сучасній українській економічній літературі, присвяченій дослідженню грошей, фінансів і кредиту, терміни “інвестиції”, “інвестиційний ринок” стали досить широко використовуватись у 90-х роках, коли в країні здійснювалась програма переходу до ринкової економіки, яка передбачала приватизацію підприємств державної власності і відродження акціонерних форм фінансування. Щодо банківських інвестицій, хоч це поняття застосовувалось в економічних дослідженнях процесів формування і кредитування народного господарства, однак дотепер не отримало в нашій економічній літературі належного наукового осмислення і розкриття. Так, ще в умовах адміністративно-командної системи господарювання банківські інвестиції, в широкому розумінні слова, розглядались, як вкладення банківських ресурсів на тривалий період і переважно в акції, облігації та інші високодохідні цінні папери, а у вузькому розумінні слова, - як капітальні вкладення банків на розвиток своєї матеріально-технічної бази.
Відповідно до законів України “Про банки і банківську діяльність” і “Про цінні папери та фондову біржу” банки можуть здійснювати свої інвестиційні операції через випуск та обіг цінних паперів, а також комісійну та комерційну діяльність із цінними паперами (наприклад, торгівля цінними паперами через третіх осіб, розміщення емісійних цінних паперів третіх осіб), надавати послуги зі зберігання цінних паперів, здійснювати депозитарний облік і ведення розрахунків за операціями з цінними паперами, а також інші операції з цінними паперами згідно з чинним законодавством України.
Разом із цим, аналізуючи різноманітні дефініції категорій інвестиційних відносин, нам видається, що, як і будь-які загальні наукові визначення, вони не є повними і вичерпними. Це цілком закономірно для визначення різноманітних за складом категорій і явищ інвестиційних відносин в економічній науці і соціально-виробничій практиці.
Як похідне поняття категорії “інвестиції”, банківські інвестиції акумулюють у собі суттєві властивості інвестицій взагалі, хоча вони одночасно характеризується і специфічними формами свого вияву. Тому дослідження економічного змісту банківських інвестицій неможливе без взаємоповязаного і взаємообумовленого розгляду їх на фоні розкриття суттєвих ознак деяких загальних категорій інвестиційних відносин. Слід зауважити, що для сучасного розуміння банківських інвестицій доцільно також проаналізувати діалектику наукових підходів до розкриття змісту, форм, методів і принципів руху інвестицій в економіку як вкладень капітального характеру.
У сфері інвестиційних відносин категорії “банківські інвестиції” і “нагромадження” реалізують системний звязок у вигляді потоків суспільного відтворення, які так чи інакше ведуть до нагромадження. У звзку з цим важко не погодитись із поглядами окремих вчених-економістів на процес нагромадження грошових ресурсів, який не входить в інвестиційну діяльність, але є його передумовою. Банківські інвестиції у цій системі проходять цілий ряд метаморфоз, які лежать в основі інвестиційної діяльності субєктів інвестиційних відносин. Закономірності нагромадження, які є передумовами інвестиційної діяльності різних субєктів власності, формують обсяг і динаміку вкладень інвестиційних ресурсів, включаючи банківські, як економічних процесів. Інтенсивність цих процесів вимірюється у часі і характеризує рівень ділової активності, а також ринкової конюнктури.
Потреба залучення коштів в економіку створює обєктивні передумови для активного залучення банківських інвестицій на тривалі терміни перш з все у структуровизначальні і фондостворювальні галузі економіки. У той же час у сучасних умовах інфляційне переповнення каналів грошового обігу грошовими ресурсами здійснює негативний вплив на напрямок грошових потоків банківських інвестицій, виступає стримуючим чинником довготермінових банківських інвестицій і чинником збільшення не тільки ризику неповернення банківських інвестицій, а й знецінення банківського капіталу.
Включаючись у ринкові відносини, банківська система, як інвестиційний посередник, акумулює величезні маси тимчасово вільних грошових капіталів господарств і грошові вклади населення через розрахункові, поточні рахунки, депозитні вклади, депозитні й ощадні сертифікати, банківські векселі і їх акцепт, через використання інших різноманітних грошово-кредитних і фінансових інструментів залучення коштів. Усе це засвідчує великий інвестиційний попит банківської системи на грошові ресурси. А створення великих грошових фондів виступає як економічна передумова формування інвестиційного потенціалу банків і банківської системи в цілому.
Взаємодіючи з процесами залучення грошових коштів і формування банківського капіталу, банківські інвестиції, здійснюються, як правило, не тільки виходячи із розрахунку отримання доходу, в майбутньому, у вигляді приросту вартості (процента) на вкладений капітал банку, а й повернення вартості цього капіталу після певного періоду часу. У цьому і полягає одна з особливостей функціонування банківських інвестицій як економічної категорії.
Аналіз показує, що обєкти інвестиційної діяльності банків відрізняються з точки зору закономірностей їх відтворення. Однак економічний смисл аналізу ланцюжка метаморфоз банківських інвестицій, переважно у грошовій формі, полягає в тому, щоби розкрити джерело отримання доходу від вкладень у різні обєкти інвестиційного попиту (інвестиційні товари) з метою створення матеріальних умов для підприємницької діяльності. Банківські інвестиції здатні вкладатися через обмін на ринку інвестиційних товарів.
Таким чином, банківські інвестиції опосередковують процес фінансування (кредитування) капіталовкладень або іншої форми вкладень у реальні активи інвестиційних товарів безпосередньо для обслуговування процесу відтворення. Вони характеризуються пропозицією грошових фондів з боку банківської системи, котра виступає як продавець, і попитом на ці фонди з боку потенційних учасників інвестиційної діяльності, які виступають у ролі покупців банківських інвестицій. На цьому ринку формується попит і пропозиція на банківські кредити, портфельні та інші інвестиції банківських установ. Але для сучасних банківських інвестицій характерним є переважання у них кредитної форми, що обумовлено відносно слабким розвитком ринку цінних паперів.
2.2 Дослідження узагальнюючих показників інвестиційної діяльності банків України
Для досягнення стабільного розвитку української економіки об’єктивно потрібне динамічне нарощування інвестицій у реальний сектор економіки.
Активізація інвестиційної діяльності спричинила особливі зміни в економіці України у 2004-2008 роках. Упродовж 2007 року спостерігалося зростання інвестицій в основний капітал: за підсумками 2007 року порівняно з 2006-гим обсяги капітальних вкладень збільшилися на 20,8% (у 2006 році – на 14,4%, табл. 2.1).
У 2008 році динаміка інвестицій в основний капітал змінилася – їхній обсяг за 9 місяців зріс лише на 6,2% (за 9 місяців 2007 року – на 25,2%). І хоча у 2008 році темпи надходження інвестицій в основний капітал випереджали динаміку ВВП, фактичний їхній обсяг значно менший від прогнозного показника на 2008 рік (38,3 млрд. грн.).
Таблиця 2.1
Обсяги інвестицій в основний капітал в Україні у 2004-2008 роках (на кінець періоду, млн. грн.)
|
Показники |
2004 |
2005 |
2006 |
2007 |
2008 |
|
ВВП |
102593 |
130442 |
170070 |
201927 |
192659 |
|
Темпи зростання до відповідного періоду попереднього року, % (у порівнянних цінах) |
98,1 |
99,8 |
105,9 |
109,1 |
104,1 |
|
Інвестиції в основний капітал |
13958 |
17552 |
23629 |
32573 |
19839 |
|
Темпи зростання до відповідного періоду попереднього року, % (у порівнянних цінах) |
106,1 |
100,4 |
114,4 |
120,8 |
106,2 |
Украй мала частка банківських кредитів у джерелах інвестицій пояснюється ще й тим, що банки України і далі віддають перевагу короткостроковому кредитуванню (табл. 2.2).
При цьому найгострішою лишається проблема інвестиційних джерел. Головним джерелом інвестицій в Україні є власні кошти підприємств. За рахунок яких у 2007 році здійснено 66,3% усіх капітальних вкладень, частка кредитів банків у інвестиції в основний капітал становила 2,7% 19.
У 2008 році така тенденція збереглася: за підсумками 9 місяців головним джерелом інвестицій в основний капітал залишалися кошти підприємств (66,6%), питома вага кредитів банків у загальному обсязі була незначною – 5,1%.
Таблиця 2.2
Банківські кредити в економіку України у 1998-2006 роках (на кінець періоду, млн. грн.)
|
Показники |
2004 |
2005 |
2006 |
2007 |
2008 |
|
Усього У т.ч. короткострокових У національній валюті В іноземній валюті Довгострокових У національній валюті В іноземній валюті |
8873 7240 4438 2801 1633 679 954 |
11787 9142 4714 4428 2645 1002 1643 |
19121 15700 8617 7083 3421 1605 1816 |
27792 21767 12717 9050 6025 2719 3306 |
38464 27880 16853 11027 10584 4827 5757 |
|
ВВП Частка довгострокових кредитів у ВВП, % Частка короткострокових кредитів у ВВП, % |
102593 1,59 7,06 |
130442 2,03 7,00 |
170070 2,01 9,23 |
201927 2,98 10,78 |
192659 … … |
На 01.12.2008 року обсяги заборгованості за короткостроковими позичками становили 27,88 млрд. грн. (72,5% від загального обсягу кредитів), а заборгованість за довгостроковими кредитами, які є джерелом інвестицій, лише 10,58 млрд. грн. (27,5%). При цьому обсяг довгострокових кредитних вкладень банків щодо ВВП протягом 2004-2008 років хоча і зріс майже удвічі (з 1,59 до 2,98%), проте залишається надто низьким.
Надання довгострокових кредитів (терміном від трьох років) – рідкісний випадок для українського банківського сектору. Основна причина – невисока питома вага довгострокових коштів у пасивах банків та надзвичайно високі ризики довгострокового кредитування. Лише деяким банкам України вдалося розв’язати цю проблему, набувши статусу агентів з обслуговування кредитних траншів для середнього й малого бізнесу міжнародних фінансових організацій чи провідних західних банків.
Дані свідчать, що у процесі кредитування банками пріоритет надається підтримці поточної діяльності суб’єктів господарювання. Станом на 01.12.2008 року 94,3% від загального обсягу кредитних вкладень банків становили саме такі позички, серед них 9,9% - для проведення внутрішніх торговельних операцій, 15,9% - для здійснення експортно-імпортних операцій. Обсяги кредитів банків в інвестиційну діяльність позичальників та фінансовий лізинг залишаються на низькому рівні – 5,7% від загального обсягу кредитного портфеля.
Говорячи про причини невисокої інвестиційної активності українських банків, фахівці вказують на зависокі процентні ставки за банківськими кредитами, що робить інвестиційні кошти дорогими і недоступними для більшості потенційних користувачів довгострокових кредитів. Так, середньозважені процентні ставки банків за кредитами суб’єктам господарювання на інвестиційну діяльність у грудні минулого року становили: у національній валюті – 18,7%, в іноземній валюті – 12,5% 3.
З метою стимулювання процесів кредитування реального сектору. У т.ч. довгострокового, НБУ у 2008 році неодноразово знижував облікову ставку – з 12,5 до 7%. Також відбувалося подальше зменшення нормативів обов’язкового резервування: при загальній диференціації нормативів від 0% до 12% середній норматив резервування наприкінці 2008 року становив 7,9% (на початку року – 13%). Було також скасовано резервування за довгостроковими депозитами фізичних та юридичних осіб, що сприяло поліпшенню структури залучених банками коштів унаслідок зростання частки довгострокових депозитів. Крім того, у грудні 2006 року НБУ дозволив зараховувати 50% готівки в касах банків для покриття обов’язкових резервів.
Такі заходи дали змогу підвищити ліквідність банківської системи, розширивши ресурсну базу банків. Втім, результати діяльності банківської системи у 2007-2008 роках засвідчують, що вирішальний вплив на рівень процентних ставок за кредитами мають ринкові чинники, адже основна проблема полягає у ризиках, які закладаються банками у ціну кредитів. Негативна дія цих чинників посилюється через недосконалість законодавчої бази. Насамперед у частині захисту прав та інтересів кредиторів. Зниження облікової ставки НБУ, нормативів обов’язкового резервування хоча і вплинули на темпи приросту кредитних вкладень в економіку та зниження їхньої вартості (за 2006 рік із 27,4% до 19,5%), проте вони не стали домінуючими чинниками, під впливом яких відбувається зменшення ціни кредитних ресурсів.
Зниження ризику кредитно-інвестиційних операцій є запорукою позитивної ролі банків у інвестиційному забезпечення економічного розвитку.
Надзвичайно актуальною проблемою у контексті активізації інвестиційних вкладень банків є зміни у податковому законодавстві, оскільки надмірне податкове навантаження підштовхує позичальників користуватися схемами мінімізації податкових зобов’язань, приховуючи при цьому реальні показники діяльності й спотворюючи фінансову та бухгалтерську звітності. Така фальсифікація суттєво ускладнює адекватне оцінювання банками фінансового стану позичальників та пов’язаних із цим ризиків, що відбивається на обсягах довгострокового кредитування й ціні кредитних ресурсів.
Проблеми активізації інвестиційної діяльності українських банків пов’язані ще й із джерелами коштів для надання інвестиційних кредитів. Сьогодні вільний кредитний ресурс банківської системи оцінюється у 1,5-3 млрд. грн. Переважна більшість українських банків об’єктивно не в змозі самостійно кредитувати значних інвестиційних проектів: відношення регулятивного капіталу українських банків до ВВП становить близько 4,3%. Станом на 01.10.2008 року у 8 найбільших банках зосереджено 54,3% загальних пасивів та 33,6% балансового капіталу банківської системи 43.
У минулорічному огляді видання The Banker «1000 найбільших банків світу» Промінвестбанк (найбільший український банк за балансовим капіталом) посідає 980-ту сходинку. Вище від Промінвестбанку у цьому списку перебувають 13 російських, 11 польських, 5 чеських, 2 словацьких, 2 узбецьких банки 4. У списку 100 найбільших за розміром капіталу банків Центральної та Східної Європи і Казахстану за підсумками 2005 року, що їх оприлюднило агентство Standard&Poor’s, лише 4 українських банки – ПУМБ (84-та сходинка), Приватбанк (86-та), Укрсоцбанк (89-та) та «Аваль» (96-та). Промінвестбанку не було у рейтингу через невідповідність звіту стандартам агентства. Список очолювали 2 російських банки – Сбербанк РФ та Внешторгбанк, а загальна кількість російських банків у рейтингу була 29 51. Така ситуація з українськими банками відображає тенденцію інтенсивніших темпів розвитку банківських систем Росії, країн Центральної та Східної Європи порівняно з темпами розвитку банківської системи України.
В умовах обмеженого доступу до міжнародних фінансових ресурсів (і держави, і підприємств, і банків) та низького рівня прямих іноземних інвестицій на душу населення в Україні саме внутрішній ринок капіталу повинен стати одним із найважливіших джерел інвестування економіки.
Основним фінансовим ресурсом розширеного відтворення є, як відомо, національні заощадження. Як переконує світова практика, для досягнення усталених темпів щорічного зростання ВВП (3-4%), норма чистих заощаджень має бути, як мінімум, 7-8%. В Україні й тепер є серйозні труднощі для досягнення таких показників, пов’язані насамперед із низьким рівнем доходів переважної більшості громадян. За рівнем частки ВВП на душу населення Україна упевнено посідає одне з останніх місць серед країн СНД, не кажучи про країни Центральної та Східної Європи.
У найближчій перспективі без реформування пенсійної та податкової систем розраховувати на те, що заощадження населення стануть потужним джерелом інвестицій, немає підстав. У цьому переконали й події 2008 року, коли відбулося зростання обсягу вкладів населення відносно номінального ВВП до 8,6% (у 2007 році 5,5%), але в умовах несприятливого інвестиційного клімату таке збільшення заощаджень адекватно не трансформувалося у нарощування інвестицій в основний капітал.
Нині головним ресурсом для банків є кошти суб’єктів господарювання: станом на 01.10.2008 року їхня питома вага у загальних пасивах банків становила 37,6%, на другому місці – вклади фізичних осіб – 33,1% 4. Тенденція до збереження цього розриву зберігається, що у світовій практиці є своєрідним нонсенсом, оскільки ознакою цивілізованості банківської системи є переважання обсягу вкладів населення, і саме цей сегмент визначальний у розвитку банківського бізнесу.
Стимулюванню довгострокових кредитів банків в економіку сприятиме запровадження пільгового оподаткування прибутку банків у частині доходів, отриманих від довгострокових вкладень.
На нинішньому етапі кардинального оновлення потребує набір стимулів для інтеграції фінансового і промислового капіталів. Як переконує світовий досвід, ефективними стають переважно ті інвестиційні проекти, які ініціюються банками, а не групою промислових підприємств, навіть потужних. Участь банку в інвестиційному підживленні промислового підприємства автоматично надає привабливості такому підприємству. У розвинених країнах для реалізації значних інвестиційних проектів створюються банківські пули та консорціуми.
Закон України «Про промислово-фінансові групи» передбачає збереження чинних технологічних зв’язків у промисловості та применшення ролі банківського капіталу 1. За нормами цього закону банк у складі ПФГ – вторинне явище. Зокрема, законом передбачено, що у складі промислово-фінансової групи може бути тільки один банк або фінансово-кредитна установа, причому банк не може бути головним підприємством групи. Тим часом світовий досвід переконує, що подолання інвестиційної кризи можливе за умови концентрації капіталу як шляхом злиття банків, так і шляхом утворення об’єднань банківського і промислового капіталів.
Особливості інвестиційної діяльності та аналіз виконання інвестиційних операцій банку “Надра”
Банківські інвестиції виступають одним з основних додаткових джерел ресурсів, за допомогою яких потенційні інвестори формують або збільшують власний реальний інвестиційний платоспроможний попит з метою урівноваження його з інвестиційною пропозицією. В такому контексті доцільно говорити про характер, умови та параметри участі комерційного банку в загальному інвестиційному процесі шляхом виконання останнім на інвестиційному ринку як посередницьких функцій, так і власної участі за рахунок особистого доходу, в реальному та фінансовому секторах, що дозволяє заперечити підходи до характеристики інвестиційної діяльності банків, які звужують її діапазон до кількох видів операцій, переважно у сфері фінансового інвестування, зокрема виключно до операцій з цінними паперами, а у сфері реального інвестування – до довгострокового інвестиційного кредитування. В роботі у зв’язку з цим досліджені різноманітні питання банківських інвестиційних операцій.
У напрямі реального інвестування досліджено основні параметри діяльності банків у сфері внутрішніх і зовнішніх інвестицій. У контексті банківського зовнішнього реального інвестування кінцевим об’єктом отримання інвестиції, незалежно від її форми, виступає суб’єкт господарської діяльності (в окремих випадках, як то при споживчому кредиті на інвестиційні цілі, фізична особа), з боку якого формується інвестиційна пропозиція за рахунок наявної потреби у вкладеннях капіталу у відтворення основних фондів, в інноваційні нематеріальні активи, у приріст запасів товарно-матеріальних цінностей та в інші об’єкти інвестування, безпосередньо пов’язані зі здійсненням виробничо-комерційної (операційної) діяльності. В єдності цих напрямів формується інвестиційна діяльність банку, у рамках якої останній може бути інвестором або інвестиційним кредитором, у межах яких здійснювані банком операції можна поділити на інвестиційні, позиково-інвестиційні та позикові. Чільне місце в зовнішній інвестиційній діяльності комерційного банку належить інвестиційному (незалежно від термінів) кредитуванню.
Враховуючи, що інвестиційна діяльність банку - явище досить складне і багатогранне, межі якої з посиленням тенденцій до універсалізації, урізноманітнення структурно-організаційних форм функціонування банківської системи, загострення конкуренції у сфері банківських послуг постійно розширюються, набуваючи нових якісних ознак, уточнено поняття інвестиційного банківського продукту, виявлено його специфічні ознаки, якими, зокрема, визначено: інвестиційний банківський продукт з точки зору економічного змісту операцій передбачає поєднання активних та пасивних операцій, несумісний з операціями, які мають спекулятивний характер (у даному випадку йдеться не про термін здійснення таких операцій, а про їх характер), органічно поєднує елементи унікальності та універсальності, здатності до видозмінення форм реалізації відповідно до трансформації вимог і параметрів інвестиційного ринку. В процесі управління інвестиційним продуктом банк забезпечує вирішення таких питань як збільшення та диверсифікація джерел формування власної дохідної бази, зменшення ризиків та підвищення на цій основі фінансової стійкості, забезпечення присутності на найбільш динамічних ринках, утримання раніше зайнятої ринкової ніші та закріплення на нових сегментах інвестиційного ринку, розширення клієнтурної мережі за рахунок урізноманітнення пропозиції та підвищення рівня привабливості видів послуг, які надаються клієнтам, що в умовах загострення конкуренції у сфері банківських послуг ставить перед банками завдання опрацювання адекватних, відповідно до природи змін, стратегій поведінки на ринку, оптимізації кредитного та інвестиційного портфелів, сприяючи цим підвищенню рівня привабливості банківської системи для потенційної клієнтури та інтегрованості її в якості однієї з провідних ланок у загальний ланцюг безперервного процесу суспільного відтворення.
У системі аналізу макроекономічного середовища інвестиційної діяльності банку найбільший інтерес представляє оцінка: тенденцій соціально-економічного розвитку країни, які дають уяву про формування загальних потенційних можливостей для інвестиційної активності суб’єктів ринку з точки зору їх поведінки як споживачів інвестицій, так і інвесторів; ситуації, що сформувалася безпосередньо в інвестиційній сфері, в тому числі під впливом макроекономічної динаміки, з чого можна зробити висновок про характер зміни поведінки на інвестиційному ринку усіх його учасників, які одночасно виступають у ролі інвесторів та об’єктів інвестування; умов, що визначають можливості формування ресурсної бази банку, а також безпосередньо інвестиційної діяльності в реальному та фінансовому секторах.
У контексті аналізу умов, що забезпечують процес формування інвестиційних ресурсів, досліджено динаміку їх основних джерел, чільне місце серед яких належить заощадженням населення, виявлено, що з боку банку зацікавленість в інвестиційному кредитуванні, передусім реального сектору економіки в перехідний період, особливо на його початковому етапі, досить низька внаслідок дії ряду негативних чинників.
Лише на останніх етапах трансформаційного періоду по мірі зміцнення банківської системи, відносної макроекономічної стабілізації спостерігається певна лібералізація політики регулювання банківської системи, що позитивно позначається на підвищенні активності її суб’єктів на інвестиційному ринку, в тому числі і в реальному секторі. Ринок внутрішніх державних запозичень втрачає свої позиції і використовується переважно в частині підтримання необхідного рівня ліквідності обмеженого кола, передусім крупних, банків. Неефективна структура власності виступає одним з головних чинників, що гальмують розвиток фондового ринку, який у перехідний період залишається вузьким і малопривабливим. Корпоративні цінні папери найменш прибуткові і найменш ліквідні, в основному через фінансову нестабільність їх емітентів.
У напрямі диверсифікації інвестиційної діяльності банків набувають стійкого розвитку різноманітні схеми інвестування реального сектора. Водночас, не зважаючи на певне здешевлення кредитних ресурсів банків, для більшості суб’єктів, що формують інвестиційну пропозицію в реальному секторі, вони залишаються дорогими. Пасивність банків щодо зниження ціни кредитних ресурсів зумовлена значною мірою цілком об’єктивними причинами: зростає конкуренція на ринку залучення коштів населення, що вимагає встановлення високих депозитних ставок по вкладах фізичних осіб; збереження привабливості банківських вкладів як джерела особистих збережень населення можливе лише за умови перевищення розміру ставок по вкладах над реальним, а не офіційним, рівнем інфляції; слабкий фінансовий стан інвесторів–позичальників банківських кредитів створює підвищене ризикове середовище, що суттєво ускладнює проведення ефективного ціноутворення.
Низький рівень реальної інвестиційної пропозиції, зумовлений неплатоспроможністю суб’єктів її формування, а також повільний процес формування необхідної законодавчої бази та загальна відсутність чітких параметрів інвестиційної політики стримують процес участі банків у операціях фінансового лізингу, кредитування під заставу нерухомості, факторингу, гарантійних і трастових операціях, операціях по управлінню страховими коштами, закумульованими в процесі запровадження системи страхової медицини, страхування пенсій, активізації участі у створенні та в роботі промислово-фінансових груп, банківських холдингів, об’єднань, консорціумів.
Водночас можна констатувати, що в реальному секторі в останній час посилилась орієнтація на середньо- та довгострокове кредитування економіки, обсяги якого зростали вищими темпами, ніж короткострокового, що забезпечило поліпшення строкової структури кредитів у напрямі збільшення частки довгострокової складової, запроваджено низку нововведень, спрямованих на поліпшення умов доступу інвесторів до кредитних ресурсів банків, зокрема завдяки застосуванню механізмів часткової компенсації ставок за кредитами банків, що надаються підприємствам агропромислового комплексу, а також рефінансування Національним банком України банків, які здійснюють довгострокове кредитування інноваційно-інвестиційних проектів. Певні перспективи простежуються щодо ринку корпоративних цінних паперів з числа вже реформованих структур.
При цьому зроблено висновок, що офіційна банківська статистика представлена обмеженим і нестабільним переліком даних, які не дозволяють зробити всебічні оцінки дійсного стану банківського інвестування в реальному секторі, що змушує вдаватися до різних способів оцінок такої діяльності, зокрема на основі аналізу довгострокового кредитування банками економіки, яке, з точки зору багатьох дослідників, саме і представляє банківські інвестиції; показника „кредити в інвестиційну діяльність”, який суттєво звужує її зміст, зважаючи на сформульовані нами підходи до суті та природи діяльності банків (передусім щодо інвестиційного кредитування) в інвестиційній сфері.
Комплексний аналіз стану інвестиційної діяльності банків у реальному та фінансовому секторах здійснено в тісному взаємозв’язку із загальною оцінкою обсягів і структури активів банків, їх кредитно-інвестиційних портфелів як загалом по банківській системі країни, так і в розрізі груп банків і територій у залежності від рівня їх інвестиційної привабливості. Виявлено, що нині всього 5,2% банків (найбільших за розміром капіталу) формують 50,6% сукупних активів банківської системи України, майже 48% сукупного кредитного портфеля та майже 65% портфеля цінних паперів. По мірі зменшення розміру банку відбувається суттєве зменшення обсягів активів, кредитних операцій та операцій з цінними паперами в розрахунку на 1 банк. Про значну деформовану структуру кредитно-інвестиційного портфеля українських банків (значно через нерозвиненість фондового ринку) свідчить низька частка портфеля цінних паперів у сукупних активах. Малі банки кошти в цінні папери практично не інвестують, непривабливі для них практично всі види цінних паперів і, передусім, державні облігації. Останні є об’єктом інвестування практично 1-ї групи банків, частка яких у портфелі цінних паперів становить 67,1%, за обсягом же державних облігацій у розрахунку на 1 банк перша група у 10400 разів перевищує 4-ту групу.
Висока питома вага кредитного портфеля в сумарних активах банку може бути результатом низької якості цього портфеля, в структурі якого висока частка належить сумнівним і безнадійним кредитам тощо, що характерно для першої групи банків (за обсягом) та третьої (за часткою), що свідчить про досить ризиковану діяльність її представників на кредитному ринку. В умовах посилення конкуренції на інвестиційному ринку актуалізується проблема розробки ефективних інвестиційних стратегій комерційного банку, чільне місце в системі інструментів якої належить системі маркетингового забезпечення, застосування якої дозволило сформулювати цільову функцію банку – максимізацію власної частки в диверсифікованих сегментах інвестиційного ринку з одночасним збільшенням прибутковості інвестицій, а також відповідні їй типи стратегій першого рівня – стратегії підвищення ділової активності, який передбачає проникнення на нові продуктові та територіальні ринки, диверсифікацію та розширення пропозиції інвестиційних продуктів у традиційних сегментах інвестиційного ринку, проникнення на існуючі та нові ринки з інвестиційними продуктами ринкової новизни, та стратегій другого рівня – стратегії розвитку ринку (прагнення розширення ринку збуту інвестиційних продуктів за рахунок створення нового ринку або ринкових сегментів), стратегії розробки інвестиційного продукту (створення принципово нових або ж модифікація наявних продуктів та їх реалізація на існуючих ринках і ринкових сегментах), стратегії диверсифікації (виведення на новий ринок нового продукту), стратегії проникнення на ринок (розширення сфери впливу за рахунок виведення на ринок тих же продуктів, що пропонуються конкурентами).
РОЗДІЛ 3. ШЛЯХИ ВДОСКОНАЛЕННЯ БАНКІВСЬКИХ ІНВЕСТИЦІЙ НА СУЧАСНОМУ ЕТАПІ РОЗВИТКУ БАНКІВСЬКОЇ СИСТЕМИ УКРАЇНИ
3.1 Концептуальні підходи до управління банківського інвестиційного портфеля
Сучасний український ринок цінних паперів ще дуже молодий – основні його суб’єкти – банк, фондові біржі, інвестиційні компанії – сформувались до середини 90-х років. Але й за минулий, відносно короткий час він пройшов значний шлях. Сьогодні на ньому представлені практично всі типи цінних паперів – акції, облігації, векселі, які випускаються різними емітентами – державними і муніципальними органами влади, акціонерними компаніями. Розвиток українського фондового ринку вимагає можливості застосування наукових методів його дослідження і підготовки рішень за конкретними операціями.
Один із найважливіших напрямів роботи на ринку цінних паперів – портфельні інвестиції. Портфелі формують як великі інвестори – банки, інвестиційні компанії, так й інвестори з невеликими обсягами вкладів – юридичні і фізичні особи, які бажають розмістити тимчасово вільні грошові кошти. У цьому випадку вони здебільшого користуються послугами професійних учасників ринку цінних паперів. На формування портфеля цінних паперів звертається велика увага як в економічній теорії, так і в практичній роботі учасників фондового ринку.
Поняття “портфельне інвестування” декілька років тому міцно увійшло в наш фінансовий лексикон. Вважається, що можливості проведення портфельних інвестицій свідчать про зрілість ринку, і це цілком справедливо. Ще на початку 90-х років полеміка про методи портфельного інвестування була суто теоретичною. Безумовно, існували банки і фінансові компанії, які брали кошти клієнтів у довірче управління, але лише набагато з них переходили до портфеля як складного фінансового об’єкта.
Банківські інвестиції в ліквідні цінні папери виконують ряд важливих функцій у питаннях внутрібанківського управління. Ці цінні папери забезпечують додаткове, відмінне від кредитів, джерело доходів, яке особливо важливе для керівництва та акціонерів банку, коли доходи від наданих позик знижуються. Інвестиції банку в цінні папери також є джерелом ліквідності і для обмеження обсягу готівкових резервів, а також запозичення на грошовому ринку у випадку необхідності вилучення депозитів або для задоволення інших насущних потреб у фінансах. Вкладання у цінні папери допомагають зменшити податкові зобов’язання банку шляхом інвестицій у папери, звільнені від оподаткування. Придбання високодохідних цінних паперів дозволяє компенсувати високий ризик кредитного портфеля.
Банки активізуються на фондовому ринку шляхом створення дочірніх фінансових компаній і безпосередньо беруть учать в інвестиційних і брокерських фірмах. Більшість банків активно надає своїм клієнтам консалтингові послуги з широкого кола питань, які пов’язані з інвестуванням капіталу в ті чи інші фінансові активи. Консультаційне обслуговування опирається на висококваліфікований персонал, внутрішню інформаційну систему банків і на багаторічний досвід роботи на фінансових ринках. Усе це дозволяє проводити глибокий аналіз співвідношення між доходами і ризиком різних активів і складати для клієнтів алгоритми купівлі і формування портфеля цінних паперів з урахуванням динаміка їх дохідності.
Здійснюючи інвестиції на ринку цінних паперів, банки формують власні або клієнтські портфелі цінних паперів. Інвестиційний портфель банку – це, набір цінних паперів, які придбані для отримання доходів і забезпечення ліквідності. Управління портфелем полягає у підтримці рівноваги між ліквідністю і прибутковістю.
Формування інвестиційного портфеля банку здійснюється у певній логічній послідовності. Визначимо три основні етапи інвестиційного процесу
вибір інвестиційної політики;
аналіз ринку цінних паперів;
формування портфеля цінних паперів.
Однак у концепції формування інвестиційного портфеля, повинні знайти своє відображення такі питання
Визначення основних цілей інвестиційної політики, необхідності і доцільності портфельних інвестицій. На даному етапі визначаються цілі і стратегія інвестиційних операцій з урахуванням сформованих умов інвестиційного капіталу і кон’юнктури фондового ринку.
Визначення термінів придбання і зберігання цінних паперів у портфелі. На даному етапі інвестор визначає свій інвестиційних горизонт, тобто проміжок часу, на який розповсюджується його стратегія і щодо якого оцінюються результати інвестиційного процесу.
Визначення видів цінних паперів, із яких планується сформувати портфель; критерії якості відбору фінансових інструментів. На даному етапі інвестор аналізує інформацію на фондовому ринку, оцінює економічну кон’юнктуру і прогнози на майбутнє. Цей етап можна назвати інвестиційним аналізом, бо його мета – у попередньому відборі інвестиційних активів, як інвестор вважає гідними своєї уваги.
Визначення структури інвестиційного портфеля і його складових частин. Тут визначаються інвестиційні ліміти, які використовуються для ефективних інвестицій у сегменти фінансового ринку. Визначається значення кореляції між складовими частинами портфеля, а також розділяються принципи оптимізації пропорцій формування інвестиційного портфеля за основними його видами з урахуванням обсягу і структури інвестиційних ресурсів. Інвестор оцінює вільні ресурси, які повинні відігравати роль інвестиційного капіталу.
Визначення класифікації і принципів створення інвестиційного портфеля (агресивний, поміркований, консервативний).
Диверсифікація складових частин портфеля. Визначення принципів диверсифікації і кількісних характеристик.
Формування механізмів страхування від ризику. Особливості роботи з похідними цінними паперами.
Схеми управління інвестиційним портфелем.
Оцінка дохідності, ризику і ліквідності інвестиційного портфеля, який проектується.
Податкове планування, оптимізація оподаткування операцій з цінними паперами і доходів від інвестиційної діяльності.
Юридичні питання.
Кінцева оптимізація структури інвестиційного портфеля за встановленими критеріями дохідності ризику і ліквідності.
Крім зазначених вище пунктів, особливим чином аналізуються питання, пов’язані з бухгалтерським обліком, аналізом курсових виграшів і втрат, а також ведення архіву матеріалів про фінансовий стан емітентів.
Усі операції, пов’язані з формуванням й управлінням інвестиційним банківським портфелем, повинні ґрунтуватись на фундаментальному аналізі фондового ринку і фінансових інструментів. Допомогу у проведенні такого аналізу можуть надати спеціальні інформаційні мережі і комп’ютерні програми. Наприклад, система оптимізації інвестиційного портфеля “Money Maher 2.0”. На основі сучасної теорії інвестування “Money Maher” с пакетом оптимального управління інвестування, який розрахований на спеціалістів інвестиційних компаній, фондів, бірж, банків, пенсійних фондів, страхових компаній, аналітичних і консалтингових фірм.
При розробці своєї інвестиційної стратегії банк може дотримуватися наступної класифікації і формувати інвестиційних портфель за
обє'ктами
а) у цінні папери;
б) у паї і часткову участь;
в) у дорогоцінні метали;
г) у нерухомість та інші активи.
термінами
а) короткотермінові інвестиції;
б) середньотермінові інвестиції;
в) довготермінові інвестиції.
Під короткотерміновими інвестиціями потрібно розуміти вкладання капіталу на період не більше одного року (наприклад, купівля ОВДП із терміном погашення 1-3 місяці). Подібні інвестиції мають, переважно, спекулятивний характер або спрямовані на підтримання ліквідності. До середньотермінових інвестицій можна віднести вкладання на термін від декількох місяців до одного року. Довготермінові інвестиції можна трактувати як вкладання капіталу та термін понад рік.
цілями вкладів
а) прямі інвестиції (їх ціль – забезпечити пряме і безпосереднє управління обєктами інвестицій);
б) портфельні інвестиції – вкладання у портфелі цінних паперів або інші активи з метою отримання доходів у формі процентів (дивідендів) і в результаті підвищення курсової вартості цінних паперів, при цьому вкладання не переслідують мети забезпечити пряме і безпосереднє управління об'єктом інвестицій.
Під прямими інвестиціями потрібно розуміти безпосередню участь інвестора при виборі об'єкта інвестування коштів. Пряме інвестування здійснюють, в основному, підготовлені інвестори, які мають достатньо точну інформацію про об'єкт інвестування і добре обізнані з механізмом інвестування. Якщо прямі інвестиції мають форму вкладів у цінні папери, то, як правило, ними забезпечується контрольний пакет акцій або інша форма контрольної участі.
Портфельні (непрямі) інвестиції здійснюються у формі створення портфелів цінних паперів, які належать різним емітентам і не забезпечують контрольну участь і пряме управління об'єктом інвестицій. Мета портфельних інвестицій (на відміну від прямих) – отримання прибутків від зростання курсової вартості портфеля, від створення ними стабільних грошових потоків (дивідендів, процентів) при диверсифікації ризику (прямі інвестиції, пов'язані з концентрацією ризику на одному або декількох об'єктах).
Види портфельних інвестицій банку визначаються характером інвестиційної політики, якої дотримується банк, і, відповідно, характером сформованого ним портфеля.
Описуючи різницю між прямими і портфельними інвестиціями, зазначимо, що прямі інвестиції – це сфера діяльності стратегічних інвесторів. Такі інвестори, як правило, не зацікавлені в отриманні доходу безпосередньо на фондовому ринку. Сфера їх фінансових інтересів пов'язана з контролем власності. Намагаючись її зберегти, вони не обмежують період інвестування у придбаний ними пакет акцій конкретним терміном. Стратегічні інвестори намагаються отримати власність, заволодівши контролем над акціонерним товариством, і розраховують отримати дохід від використання цієї власності, який, безумовно, буде перевищувати дохід від простого володіння акціями. Крім цього, стратегічні інвестори можуть ставити своїм завданням розширення сфери впливу і придбання контролю при перерозподілі власності.
Основні чинники, які впливають на масштаби інвестиційної діяльності банку і вибір інвестиційної політики
етап життєвого циклу банку (етапи створення, швидкого і стійкого зростання, стабілізації, сповільнення зростання і поступове припинення діяльності);
загальний тип поведінки і політика банку на ринку (консервативний, поміркований або агресивний), види і масштабність цілей, які ставить перед собою банк, а також стратегія його розвитку;
розміри банку і мережі його відділень (міжрегіональна або регіональна мережа);
готовність банку йти на значні затрати, які не принесуть прибутку в найближчому майбутньому (інвестиційні операції вимагають дорогого ресурсного та інформаційного забезпечення).
При впливі на інвестиційну політику необхідно враховувати ряд обмежень.
По-перше, структура пасивів банку, а саме питома вага зобов'язань по залучених коштах на розрахункові рахунки організацій і на вклади до запитання, може не дозволити банкові використовувати “короткі” пасиви для ефективних інвестицій. Банку можуть бути невигідні довготермінові інвестиції, як це відбувалося в 1991-1995 рр. (високий рівень інфляції, менша ризикованість і велика прибутковість операцій з валютою і з короткотерміновими державними паперами).
По-друге, банк для ведення інвестиційних операцій повинен володіти значними надлишками ліквідності, що пов'язано із самою природою інвестицій (трансформація короткотермінових залучених ресурсів у більш тривалі вкладення), а також з великим ризиком і часто неліквідністю самих інвестицій, що була характерною для українського фінансового ринку початку 90-х років і кінця 1997 р.
По-третє, регулююча діяльність НБУ, спрямована на обмеження ризику і встановлення пріоритетних об'єктів інвестицій (створення резервів під знецінення цінних паперів).
По-четверте, на масштаби інвестиційної діяльності впливає організаційна структура банку. Очевидно, що інвестиційний банк активніший на фондовому ринку, ніж універсальний.
Сьогодні перед банками стоїть актуальне завдання збереження і примноження грошових коштів своїх клієнтів. Кредитні ресурси використовуються банком по-різному і з відомим ступенем ризику. Затяжна інфляція першої половини 90-х років крім високих доходів забезпечила українським банкам можливість недбало ставитись до проблеми “поганих” боргів. Прострочена заборгованість швидко знецінювалась. Свідомо йдучи на ризик при розміщенні грошових коштів, керівники банків часто не готові додатково залучати грошові кошти, бо залучення цих грошових коштів і ризик при їх розміщення призводить до збільшення зобов'язань банку, що, в свою чергу, при ризиковій політиці може призвести до банкрутства. Виходячи з вище неведеного, кожний банк для залучення грошових коштів повинен розробляти свою концепцію розміщення грошових коштів у високодохідні, але безризикові операції і фондові інструменти.
Одним з основних елементів розміщення грошових коштів повинен стати інвестиційний банківський портфель.
Банк, як інституційний інвестор, здійснює різноманітні передбачені законодавством операції з цінними паперами. Об'єднуючи кошти вкладників (фізичних і юридичних осіб), банк шукає можливість їх розміщення у дохідні цінні папери. Сформувати інвестиційний банківський портфель – значить зібрати воєдино придбані в ході активних операцій фондові інструменти.
Дохід, отриманий банком від свого інвестиційного портфеля, повинен сприяти виконанню зобов'язань перед вкладниками і клієнтами. Таким чином, створюючи інвестиційний портфель і вкладаючи кошти в різні фінансові інструменти, банк старається покрити частину своїх процентних витрат. Частина, яка залишилась, повинна покриватись за рахунок доходів від кредитування реального промислового сектора, комісійних та інших операцій.
Активні операції банку, пов'язані з кредитуванням, не завжди можуть задовольняти вимогу про мінімізацію ризику. У випадку, коли банк використовує для довготерміного кредитування “короткі пасиви”, він зменшує свою ліквідність.
Є багато напрямів розміщення вільних коштів банку, причому не тільки з метою отримання великого доходу і мінімального зниження ліквідності, а й для здійснення диверсифікації ризику втрат від тих чи інших інвестицій.
Зменшення рівня інфляції приведе до збільшення попиту на середньотермінові й довгострокові кредити. Короткотермінові кредити будуть приносити дедалі менше доходів.
Розвиток середньотермінового кредитування дасть змогу банкові увійти в новий період української економіки, коли його прибутковість буде визначатися роботою з реальним сектором економіки.
Зменшення вартості ресурсів при зміні терміну їх залучення буде вимагати від банку зниження питомої ваги зобов'язань до запитання і підвищення частки платних термінових зобов'язань.
Розвиток фондового ринку в Україні ставить нові вимоги в сфері планування інвестиційної діяльності. На відміну від кредитної політики банку портфель цінних паперів наділений великою ліквідністю і мобільністю, які дають змогу інвестору при необхідності конвертувати фінансові інструменти в грошові кошти. В межах інвестиційного портфеля банк може дозволити собі використати короткотерміновий депозит для операцій на фондовому ринку.
В умовах стрімкого розвитку ринку, якому, як правило, відповідає достатньо високий рівень інфляції і ризику, очікування інвесторів будуються на можливості отримання максимальної дохідності. Завдання формування портфеля зводиться до пошуку такого розподілу інвестованої суми між фінансовими інструментами, коли після закінчення терміну “життя” портфеля можлива (при найсприятливіших обставинах) дохідність буде максимальною. Таким чином, цільову функцію завдання формування портфеля потрібно визначити як максимізацію можливої дохідності портфеля після закінчення терміну його “життя”.
Необхідно зазначити, що портфельне інвестування дозволяє поліпшити умови інвестування, надавши сукупності цінних паперів такі інвестиційні характеристики, які недосяжні з позиції окремо взятого цінного паперу і можливі тільки при їх комбінації.
Тільки в процесі формування портфеля досягається нова інвестиційна якість із заданими характеристиками. Таким чином, портфель цінних паперів є тим інструментом, за допомогою якого інвестору забезпечується потрібна стійкість доходу при мінімальному ризику.
Як я вже зазначала раніше, при формуванні інвестиційного портфеля інвестор повинен чітко сформувати свою стратегію управління і визначити майбутній тип портфеля.
На фондових ринках обертається велика кількість цінних паперів і число їх можливих комбінацій – велике. Інвестори можуть формувати портфелі з різним рівнем ризику. Різні інвестори мають відмінні цілі. В економічній ліетратурі зустрічаються такі класифікації і принципи створення інвестиційного портфеля
агресивний (ризиковий) – націлений переважно на отримання доходу від приросту курсової вартості цінних паперів (в основному акцій), які входять у портфель цінних паперів. Власник даного портфеля схильний до високого ступеня ризику. Такий інвестор прагне якнайбільшої дохідності і вкладає капітал у ризикові папери.
поміркований (ринковий) – дохід буде складатися за рахунок приросту курсової вартості, процентів за твердодохідними державними цінними облігаціями, а також із дивідендних виплат. Інвестори з поміркованою стратегією у якості основного пріоритету вибирають величину доходу, не обмежуючись жорсткими рамками періоду інвестування.
консервативний – портфель формується з державних облігацій. Інвестор схильний до меншого ступеня ризику. Інвестор, який дотримується консервативної стратегії управління портфелем, зацікавлений в отриманні стабільного доходу протягом тривалого періоду часу. Тому для нього кращим є безперервний потік платежів у вигляді процентних виплат по цінних паперах. Він згідний на меншу дохідність, яка компенсується високою надійністю.
Вищенаведена класифікація не єдина інвесторів можна класифікувати і за рядом інших ознак. Найважливішою з них можна вважати статус, тобто інвестори можуть бути індивідуальними (фізичні особи), інституційними (колективними) і професіоналами (професіонали ринку).
Відтак, при здійсненні своєї інвестиційної стратегії банки можуть орієнтуватися на різні цільові установки отримання більш або менш високого і стабільного поточного доходу або дивідендів, зростання вартості самих цінних паперів, тобто збільшення вкладеного капіталу. Нарешті, можливе поєднання обох цілей.
Разом із цим, у будь-якому випадку при формуванні стратегії інвестування необхідно виконувати так зване “золоте правило інвестування”, воно полягає у тому, що дохід від вкладів у цінні папери прямо пропорційний ризику, на який готовий пійти інвестор заради бажаного доходу. Звязок між ступенем ризику і нормою прибутку визначається так мінімально необхідна для інвестора норма прибутку дорівнює нормі прибутку за безризикованими інвестиціями плюс премія за ризик по даній інвестиції.
Процентне співвідношення в інвестиційній політиці різних інвесторів наведено в таблиці 3.1.
Таблиця 3.1.
Співвідношення в інвестиційній політиці інвесторів
|
Види цінних паперів |
Портфель агресивного інвестора |
Портфель консервативного інвестора |
|
Акції |
70 |
20 |
|
Облігації |
20 |
50 |
|
Короткотермінові цінні папери |
10 |
30 |
|
Разом |
100 |
100 |
Портфелі цінних паперів можуть бути двох типів фіксовані і змінні. Фіксовані портфелі зберігають свою структуру протягом встановленого періоду, тривалість якого визначається терміном погашення облігацій, які входять до нього. Змінні або керуючі портфелі, відповідно до своєї назви, мають змінну структуру цінних паперів, склад яких постійно оновлюється з метою отримання максимального економічного ефекту.
Розглянемо відмінності варіантів банківської інвестиційної політики (табл 3.2.).
Інвестиції у цінні папери та інші обєкти можуть складати десятки позицій, обчислюватися великими сумами й охоплювати багато контрагентів банку. У випадку, коли виникає проблема професійного управління активами і залученими під них ресурсами як єдиним цілим, мова йде про інвестиційний портфель. Разом із цим, як регульоване ціле може виділятися сукупність джерел коштів, які формують інвестиційний портфель. Відтак, виникає можливість розглядати відносно замкнутий оборот коштів банку із залучення і вкладання грошових ресурсів для формування такого портфеля.
Стан ринку і можливості банку як інвестора визначають вибір його інвестиційної стратегії. На розвинутому фондовому ринку портфель цінних паперів – це самостійний продукт, і саме його продаж цілком або частково задовольняє потребу інвесторів при здійсненні вкладів коштів на фондовому ринку. Під інвестиційним портфелем потрібно також розуміти деяку сукупність цінних паперів, яка є цілісним продуктом управління. При здійсненні портфельного інвестування перш за все приваблює то, що воно дає змогу планувати, оцінювати і контролювати кінцеві результати всієї інвестиційної діяльності в різних секторах фондового ринку.
Портфель цінних паперів – це сукупність зібраних воєдино різних фінансових цінностей, які служать інструментом для досягнення конкретної мети інвестора. У портфель можуть входити цінні папери одного типу (наприклад, державні цінні папери) або різні інвестиційні цінності (акції, облігації, ощадні і депозитні сертифікати тощо). Формуючи портфель, інвестор виходить зі своїх “портфельних міркувань”, або з бажання власника портфеля мати кошти в такій формі і в такому місці, щоби вони були безпечними, ліквідними і високодохідними.
Перевагою портфельного інвестування є можливість вибору портфеля для вирішення специфічних інвестиційних завдань. Для цього використовуються різні види портфелів цінних паперів, у кожного з яких буде власний баланс між існуючим ризиком, прийнятним для власника портфеля й очікуваною віддачею (доходом) у певний період часу. Співвідношення цих чинників дозволяє визначити тип портфеля цінних паперів.
Таблиця 3.2.
Види банківської інвестиційної політики
|
Критерії порівняння |
Види інвестиційної політики |
||
|
Консервативна |
Поміркована |
Агресивна |
|
|
1.Характеристика інвестора |
Консервативний (мінімальний ризик, висока надійність і ліквідність цінних паперів) |
Поміркований (середній ризик, достатня ліквідність і прибутковість цінних паперів) |
Агресивний (високий ризик, низька ліквідність і висока прибутковість цінних паперів) |
|
2.Методи інвестування коштів |
Переважно державні цінні папери. Портфель стабільний, обіговість паперів низька, частка вкладів у них не зростає |
У портфелі зявляються високоризикові спекулятивні папери. Намагання інвестицій потрапити в нові компанії. Частка вкладів у цінні папери стабільна або повільно зростає |
Фінансові іновації, намагання оволодіти контрольними пакетами спекуляції. Великі щоденні обороти, доля вкладів у цінні папери активно зростає |
|
3.Цілі інвестування |
Безпека вкладів |
Дохідність, зростання вкладів, ліквідність |
Зростання вкладів |
3.2 Впровадження нової технології трансформації пасивів для подальшого фінансування інвестиційних ресурсів
У цьому підрозділі я розглядаю питання стабілізації змінної, або “пульсуючої”, частини поточних пасивів шляхом короткострокових запозичень на міжбанківському ринку. Це дасть змогу збільшити обсяг дешевих ресурсів для використання в строкових активах банків для фінансування інвестиційної діяльності.
Ефективність діяльності банків значною мірою визначається двома головними чинниками стабільністю ресурсів та ціною їх залучення і запозичення. Чим вони стабільніші, з більш визначеним терміном перебування в розпорядженні банку, тим результативнішим може бути їх розміщення. Але, з іншого боку, стабільніші ресурси дорожчі, їх підвищена ціна (ставка залучення) здатна поглинути значну частину доходів. Відтак проблема пошуку дешевих ресурсів, які відповідали б вимогам щодо стабільності, постає перед кожним банком.
Важливу роль у вирішенні проблеми пошуку стабільних і досить дешевих грошей відіграє формування депозитів до запитання чи залишків коштів на поточних рахунках клієнтів. Значимість використання цієї складової ресурсів загальновизнана, однак відсутні кількісні залежності й моделі, які б описували процеси трансформації ресурсів.
Мета – простежити трансформацію найнестабільнішої, чи “пульсуючої”, частини поточних пасивів (ППvar) і вивчити можливості використання її як інвестиційного ресурсу. Для досягнення цієї мети розглядаються задачі опису процесу формування поточних пасивів і їх поелементного дослідження.
Необхідно зазначити, що ресурси банку за критерієм керованості розглядаються, з одного боку, за характером надходження, а з іншого – за характером їх залучення в активи банку. Розміщення всіх ресурсів в активи є результатом управління банківського персоналу, але залежно від якості цього управління за інших рівних умов можливі різні результати. Формування ж ресурсів, характер надходження і порядок вилучення з банку визначають їх керованість як здатність впливати на зміну обсягу і термінів перебування коштів ресурсів банку у розпорядженні банку.
У теорії банківського менеджменту ресурси банку за прогнозованістю динаміки їх формування поділяються на постійні, стабільні і некеровані. Постійні ресурси – це капітал банку в грошовій формі, тобто капітал за винятком коштів, вкладених у матеріальні та нематеріальні активи, а також його частина, зв'язана у резервах. Ці ресурси передаються банку його акціонерами (учасниками) для ведення банківської діяльності без обмеження у термінах використання і тому є їх постійною складовою. Вони не можуть бути вилучені з капіталу банку без встановлених НБУ обмежень.
До стабільних ресурсів відносять строкові депозити юридичних і фізичних осіб та позикові кошти, отримувані від інших банків у вигляді міжбанківських кредитів або в результаті емісії та розміщення цінних паперів власного боргу. Оскільки терміни перебування цих ресурсів у розпорядженні банку визначені, є змога розміщувати їх у найдохідніші строкові активи з урахуванням диверсифікованості портфеля активів і оптимізації параметрів “ризик – прибутковість”. Стабільні ресурси банку, які знаходяться в його розпорядженні протягом досить тривалих періодів, називають “довгими” грошима. Це цілком обгрунтовано, оскільки тривале перебування під впливом банківського менеджменту є їх важливою перевагою, - це дає змогу не лише отримувати досить високі доходи, а й підтримувати в необхідних межах ліквідність балансу банку, адже строкові зобов'язанння власники коштів можуть вимагати тільки по закінченні зазначених у договорах термінів. Це, у свою чергу визначає стабільність ресурсів банку, можливість їх ефективного розміщення і надійність самої установи.
Однак “довгі” ресурси є дорогими – процентні ставки за ними досить високі. Не безплатний і банківський капітал – вимоги акціонерів (учасників) щодо нього дуже істотні по-перше – це дивіденди, а крім того – вимоги щодо капіталізації прибутку та до отримання великими акціонерами додаткових доходів з використанням переваг розпоряджатися банківськими коштами, у тому числі й у рамках обмежень чинного законодавства. Отже, ресурси банку, які складаються з капіталу та строкових залучених і позикових коштів, дають змогу сформувати найдохідніші строкові активи, але їх висока ціна поглинає значну частину доходів і обмежує можливості нарощування прибутку.
До нестабільних ресурсів банків відносять кошти до запитання, тобто гроші клієнтів на їх рахунках (поточних, розрахункових, бюджетних, кореспондентських рахунках “Лоро”). Вони поповнюються залежно від надходжень і зменшуються залежно від потреби клієнта. Для банку щоденний залишок коштів на кожному такому окремому рахунку є величиною випадковою, яка змінюється від нуля до максимальної величини коштів на рахунку залежно від індивідуальних особливостей діяльності клієнта. Депозити до запитання на окремих рахунках нестабільні – кошти їх власники можуть вимагати в будь-який час, і тому говорити про керованість, про розміщення конкретного депозиту до запитання в строкові активи не доводиться. Депозити до запитання на окремих клієнтських рахунках формуються як “короткі” й нестабільні ресурси.
Однак депозити до запитання в їх сукупності за всіма зобов'язаннями банку створюють поточні пасиви, які відкривають якісно нові можливості для розміщення цих коштів у строкові активи. З огляду на випадковий характер зміни залишків на кожному з рахунків і неможливість “обнуління” одночасно всіх рахунків при нормальній роботі банку поточні пасиви в сукупності створюють постійну, незнижувану частину коштів, яка використовується банками як стабільна складова ресурсів. Так частина “коротких” коштів до запитання трансформується в “довгі” ресурси. Вивчення процесів формування стабільної, постійної частини поточних пасивів і теоретичне обгрунтування розрахунку їх значень підтверджує можливість і доцільність їх використання як керованих ресурсів при збереженні стабільності клієнтської бази банку та стійких оборотів на поточних рахунках клієнтів.
Важливою особливістю цієї частини поточних пасивів є те, що при якісних характеристиках, схожих з характеристиками керованих, тобто “довгих” ресурсів, вони є дешевими, оскільки юридичних особам за депозитами до запитання банки сплачують зазвичай до двох відсотків річних (щоправда, іноді з метою залучення клієнтів на розрахунково-касове обслуговування і нарощування обсягів поточних пасивів практикують і підвищення цих ставок – до 10 відсотків річних). Залучення на розрахункове обслуговування якомога більшого числа клієнтів (особливо зі значними середніми залишками коштів на їх поточних рахунках) збільшує відносно стабільну частину поточних пасивів, оскільки величина їх умовно постійної частини прямо залежить від кількості клієнтів і середнього значення (математичного очікування) залишків коштів на їх рахунках.
На рис 3.1., де відображено процес формування поточних пасивів банку протягом трирічного періоду, бачимо, як у міру збільшення загальної величини поточних пасивів зростає й величина їх умовно постійної частини.
Природно, що постійність цієї складової поточних пасивів є досить відносною. Вона залежить від кількості клієнтів, від рівня ділової активності в державі й конкретному регіоні, від оборотів на рахунках та інших факторів, у тому числі й сезонності, що наочно відображено на рисунку. Однак грамотний банківський менеджмент забезпечує не лише підтримку рівня стабільної частини поточних пасивів, а й прогнозування динаміки обсягів поточних пасивів та можливих змін їх стабільної частини (ППconst), що прирівнює цю складову банківських коштів до керованих, але дешевих ресурсів, здатних формувати значний прибуток.

Рис 3.1. Формування поточних пасивів і їх умовно постійної частини
Із рисунка 3.1. випливає, що поточні пасиви складаються з двох різних частин. Перша – стабільна, представлена умовно постійною їх частиною (ППconst). Друга – змінна, чи “пульсуюча, частина поточних пасивів (ППvar), - не підлягає “самостабілізації внаслідок взаємодії депозитів до запитання як сукупності випадкових величин і зберігає свою нестабільну, випадкову природу. Причому банк не може заздалегідь визначити конкретну величину “пульсуючих” пасивів, яка фактично складається на кінець кожного банківського дня. Процес формування поточних пасивів, схематично зображений на рисунку 3.2., засвідчує, що банк може розмістити наявні в його розпорядженні “пульсуючі” ресурси (які непередбачено з'явилися на кінець банківського дня понад рівень, необхідний для підтримання ліквідності) на міжбанківському короткостроковому ринку як кредити овернайт (МБК акт) і одержати відповідний дохід.

Рис 3.2. Формування і використання банком “пульсуючих” пасивів без їх трансформації у стабільні ресурси
Однак різниця у процентних ставках за короткостроковими міжбанківськими кредитами та строковими активами змушує шукати можливості для нарощування керованих ресурсів, припустимо, до рівня К – К (рис. 3.3.). За тимчасової відсутності чи при дефіциті коштів у межах цього рівня їх можна поповнити або перекрити дефіцит за рахунок відповідних запозичень на короткостроковому міжбанківському ринку (МБК пас). Причому на величину АК збільшуються “довгі” ресурси для кредитування суб'єктів господарювання та фізичних осіб і відповідно зменшуються ресурси для розміщення на корокостроковому міжбанківському ринку (МБК акт).
Залучення короткострокових ресурсів і заповнення ними дефіцитних періодів дає змогу ніби блокувати “пульсуючі” пасиви на заданому рівні, тобто підтримувати їх у стабільному стані на рівні К – К протягом тривалих періодів. Відтак забезпечується стабільність частини “пульсуючих” пасивів при їх доповненні запозиченнями овернайт на міжбанківському ринку. У цьому разі стабілізація некерованих ресурсів забезпечується трансформацією короткострокових пасивів методом, який можна назвати методом “часткового блокування “пульсуючих” пасивів”. При цьому “короткі” й нестабільні пасиви перетворюються в “довгі” й дешеві ресурси.

Рис 3.3. Трансформація “пульсуючих” пасивів з їх частковою стабілізацією шляхом блокування короткостроковими міжбанківськими запозиченнями
Використання цього методу пояснює наявність стійкого попиту на короткострокові ресурси на міжбанківському ринку. Прийнято вважати, що короткострокові запозичення застосовуються для регулювання ліквідності балансу банку чи підтримання в заданих межах рівня обов'язкового резервування залучених коштів. Це справді так, але питання регулювання ліквідності постає після того, як фактичне використання ресурсів перевищує рівень А – А “пульсуючих” пасивів (рис 3.3.), внаслідок чого виникає нестача коштів у періоди, що збігаються з дефіцитними областями в "пульсуючих" пасивах, які змінюються. Вихідним, первинним моментом є розміщення банком коштів у строкові активи в обсягах, які перевищують величину наявних у його розпорядженні стабільних поточних пасивів, а проблеми з ліквідністю є вторинними – вони з'являються як природний прояв використання “пульсуючих” пасивів для фінансування строкових активних операцій.
Ранжирування цих дій, правильне визначення причин і наслідків при вивченні та використанні у практичній діяльності банків закономірностей формування ресурсів та їх стабілізації дають змогу організувати цілеспрямоване використання частини “пульсуючих” пасивів у процесі банківського менеджменту для розміщення в найдохідніші строкові активи. Це у свою чергу потребує прогнозування ресурсного потенціалу, з одного боку – для найповнішого його використання, а з іншого – для запобігання можливим ризикам. “Пульсуючі” пасиви в кожному банку мають індивідуальний характер розподілу, але, як правило, проявляються у вигляді двох типових схем (рис 3.4. а) і б)).
При нормальному розподілі величина “пульсуючих” пасивів визначається межами діапазону розсіювання (ППvar = 2 * 3, де - середньо квадратичне відхилення). Стабілізація доцільна до середнього рівня, чи рівня математичного очікування М>> , і визначається також співвідношенням величин ставок за активами та пасивами. Виграш у тому, що “довгі” ресурси створюються за рахунок дешевих “пульсуючих” поточних пасивів додатково блокованих дешевими короткостроковими запозиченнями на міжбанківському ринку.
Ризик при використанні “пульсуючих” пасивів як стабільних ресурсів проявляється у двох формах. По-перше, це ризик втрати ліквідності балансу банку, який призводить до порушення платоспроможності й виникає в разі неправильного врахування динаміка ресурсів даної установи (у тому числі й при помилковому врахуванні сезонних коливань). По-друге це ризик зменшення доходів унаслідок підвищення рівня трансформації вище рівня математичного очікування М>>, причому втрачається економічна доцільність застосування методу часткового блокування “пульсуючих” пасивів, що викликано зростанням процентних ставок у міру збільшення обсягів і термінів залучення ресурсів.


Рис 3.4. Приклади формування “пульсуючих” пасивів банків
а) при нормальному (симетричному) характері розподілу;
б) при асиметричному характері розподілу.
Якщо в межах рівня М>> (математичного очікування) необхідним є залучення коштів на доволі короткі терміни і в невеликих обсягах (області МБКпас на рис 3.3.), то при підвищенні рівня трансформації обсяги й терміни залучення коштів істотно збільшаться. При цьому відповідно зростуть процентні ставки за залученими коштами (МБКпас) до рівня ставок за терміновими депозитами й позиками. Витрати на залучення міжбанківських короткострокових позик, необхідних для забезпечення процесу трансформації, збільшаться, і в результаті це може привести не тільки до скорочення доходів, а й до збитків.
Щоб отримати додаткові доходи при використанні частини “пульсуючих” пасивів як керованих ресурсів, необхідно вдосконалювати управління короткостроковими ресурсами, прогнозувати їх величину, постійно робити оцінку додатково одержуваної процентної маржі. Ця діяльність у процесі банківського менеджменту повинна мати постійний характер і потребує наявності кваліфікованого персоналу. Аналіз фактичних даних свідчить, що для банку, який має поточні пасиви в розмірі 40 млн. грн., ( у тому числі їх умовно постійну частину – 25 млн. грн.) і “пульсуючу” складову в розмірі 15 млн. грн., річний додатковий дохід при використанні методу часткового блокування “пульсуючих” пасивів у межах їх математичного очікування становить 800 тис. грн.
Застосування даного методу трансформації доводить, що банківській діяльності притаманна не лише посередницька функція. Банки в процесі своєї діяльності, використовуючи відповідні технології, створюють, генерують “довгі” й дешеві інвестиційні ресурси з одержуваних від клієнтів нестабільних залишків коштів на їх рахунках до запитання.
Цей процес трансформації змінної частини поточних пасивів розкриває технологію трансформації яку банки повинні застосовувати для збільшення стабільної складової ресурсів і яка може використовуватися для фінансування строкових інвестиційних активів.
Запозичення, необхідні для стабілізації “пульсуючих” пасивів у межах математичного очікування на рівні 77 млн. грн. (невеликі обсяги й терміни).
Запозичення, необхідні для стабілізації “пульсуючих” пасивів на рівні 120 млн. грн. (значні обсяги й терміни).
Рис 3.5. Залежність обсягів і термінів залучення короткострокових запозичень для блокування пасивів від рівня їх стабілізації.

Рис 3.5. Залежність обсягів і термінів залучення короткострокових запозичень для блокування пасивів від рівня їх стабілізації.
3.3 Шляхи зниження інвестиційних ризиків у банках України
Інвестиційний ризик – вірогідність виникнення непередбачених фінансових втрат в невизначених умовах інвестиційної діяльності.
Існують таки методи оцінки інвестиційних ризиків:
1) за середньоквадратичним відхиленням;
n - кількість спостережень;
Pt - ймовірність, що відповідає розрахованому доходу;
- розрахований доход по проекту при різних конюнктурах інвестиційного ринку;
>R> - середній очікуваний доход за проектом;
Коефіцієнт варіації – рівень ризику в умовах, коли показники середніх очікуваних доходів відрізняються між собою.
Cv = / >R>
Умови вибору min Cvi
2) коефіцієнта, що дозволяє оцінити ризик конкретного інвестиційного проекту по відношенню до рівня ризику інвестиційного ринку в цілому;
= р * ц / ф
p - кореляція між доходом від конкретного виду цінних паперів й середнім рівнем дохідності фондових інструментів в цілому;
ц - середньоквадратичне відхилення дохідності за конкретним видом цінних паперів;
ф - середньоквадратичне відхилення дохідності по фондовому ринку в цілому.
3) експертним шляхом – опитування кваліфікованих спеціалістів.
Далі розглянемо системи оцінок та методи обмеження ризиків іноземних інвестицій.
Ситуацію в країні, яку оцінює іноземний (і національний) інвестор з погляду своїх інтересів, називають інвестиційним кліматом. Він складається з багатьох факторів ризику, що обєднуються в певні групи. Кожний чинник має свою частку й оцінюється в балах. У звязку з цим стає можливим кількісне оцінювання як окремих груп ризику, так і інвестиційного клімату в цілому. Загальна оцінка визначається як середньозважена за трьома групами.
Рівень ризику, спеціалістами в різних країнах, оцінюється неоднаково. Московська аналітична лабораторія “ВЕДИ – ЦЄМИ” застосовує 10-бальну шкалу оцінювання ризику, де 1 – найкраща оцінка, а 10 – найгірша. Всі фактори ризику за цією системою зводять у три групи:
соціально-політична ситуація в країні та перспективи її розвитку;
внутрішньоекономічна ситуація та її перспективи;
зовнішньоекономічна діяльність та її перспективи.
Досить поширеною в США є система “International Business Company USA (Publications) – Inc”. Вона виділяє такі групи ризиків:
політичні;
фінансових транспортів;
експорту;
прямих інвестицій.
Групи ризиків оцінюються за 12-бальною системою від “А+” (найкраща оцінка) до “С” (найгірша). Загальна оцінка не виводиться.
Деякі американські, а також німецькі фірми використовують систему економічного оцінювання інвестиційних ризиків “BERI”. Ця система дає кількісну оцінку як окремого, так і зведеного ризику, оцінюючи їх за 100-бальною школою, де 100 балів – найкраща оцінка.
Оцінювання ризиків – справа надзвичайно важлива для будь-якого інвестора. Для іноземного інвестора її значимість зростає, оскільки, потрапляючи в незнайоме середовище, він важче орієнтується, ніж вітчизняний інвестор. Саме тому для нього важливо знати недоліки та переваги різних систем оцінювання інвестиційного клімату. Аналізуючи фактори ризику, доцільно приділяти особливу увагу тим чинникам, з якими інвестор буде стикатися найчастіше і які мають найсильніший вплив на його інтереси.
Усі наведені системи недостатньо конкретні та слабко спеціалізовані за галузями, в які фірма прагне інвестувати капітал. І, зрештою, підбір факторів ризику і частка їх у будь-якій системі завжди містять у собі елемент субєктивного.
Отже, системи оцінок інвестиційних ризиків не забезпечують потенційному інвестору можливості уникнути небезпеки. Вони покликані допомогти йому на початковій стадії інвестиційного проекту при вирішенні проблеми прийняття рішення стосовно того, “куди” (в яку країну, галузь і т.п.), “як” (спосіб проникнення на ринок) та “коли” (залежно від тривалості проекту) слід чи не слід спрямувати свій капітал.
Інвесторам, які вже діють за кордоном, важливо знати системи оцінок для вирішення проблем: варто чи не варто розширювати свою діяльність на певному ринку, збут якої продукції слід планувати, варто залишатись на цьому ринку чи ні.
Управління ризиком передбачає застосування певних обмежувачів збиткового впливу ризику на інвестиційний проект.
До методів обмеження ризиків відносять:
1) Підвищення вартості проекту на величину премії за ризик. Наприклад, якщо рівень інвестиційного ризику дорівнює за 10-бальною системою 1-2 балам, а за 100-бальною – 90 – 100 балам, то інвестор у вартість інвестиційного проекту не закладає премії за ризик. У міру зростання ризику від 2 до 3 балів (за 10-бальною системою) або від 80 до 90 балів (за 100-бальною) реальну ставку дисконту збільшують, як правило, на 3 процентні пункти. За умови, що рівень ризику перевищує 5 балів (менший 60 балів), дають 11 процентних пунктів дисконту і т.д.
Корекція ставки здійнюється двома методами:
а) додаванням премії за ризик до вартості початково авансованого капіталу:
б) додаванням його до внутрішньої норми дохідності.
2) Створення (або розширення) резервного фонду як страховки від можливих втрат в інвестиційній діяльності.
3) Страхування політичного ризику через державні та напівдержавні організації.
Фондовий ринок ґрунтується на зобов`язаннях і відповідальності. Спеціалізованими учасниками фондового ринку є такі інвестиційні інститути:
фінансові посередники (брокери):
інвестиційі консультанти:
інвестиційні компанії:
інвестиційні фонди.
Фінансовий брокер – юридична особа, яка виконує посередницькі функції при купівлі-продажу цінних паперів за рахунок і за дорученням клієнтів.
Інвестиційні консультанти – юридичні та фізичні особи, які надають консультаційні послуги з проблем інвестування на основі підряду або договору. Вони виконують такі функції:
аналіз ринку ЦП (експертиза конкретних угод, вивчення та прогнозування конюнктури ринку);
надання консультацій з питань права;
консультації з організації та методичного забезпечення емісії ЦП;
організація та супровід ЦП на біржу;
розробка нормативної документації з операцій із ЦП;
професійне забезпечення розробки проекту випуску ЦП та реалізації завдань інвестиційного проекту;
оцінювання портфеля (пакета) ЦП;
інформаційне обслуговування клієнтів;
підготовка і проведення робіт з приватизації державної власності та робіт, повязаних з формуванням ринку цінних паперів.
Інвестиційні компанії (інвестиційні дилери) – юридичні особи, які діють на ринку ЦП не за рахунок клієнтів, а за рахунок своїх власних засобів. Вони виконують такі функції:
організація та гарантування випуску ЦП:
вкладення засобів у ЦП;
купівля-продаж ЦП (як дилери).
Інвестиційний фонд – юридична особа, яка займається залученням засобів за рахунок емісії власних цінних паперів та інвестування власних засобів у ЦП інших емітентів. З метою зменшення ризику вкладень в акції фонду, держава, певним чином, регламентує діяльність інвестиційних фондів.
Інвестиційні фонди дають доручення банкам-депозитаріям здійснювати розрахункові кредитні та касові операції. Але банк-депозитарій не може виступати як управляючий інвестиційного фонду, а фонд не може інвестувати в банк-депозитарій свої активи.
Інвестиційний фонд ще називають кінцевим інвестором. Інвестиційний консультант або інвестиційний брокер чи дилер несуть чітко визначену законом відповідальність перед інвестором.
Згідно з наведеною вище структурою інвестиційних інститутів та розмежуванням відповідальності може виникнути, як мінімум, два різновиди страхування відповідальності:
страхування інвестора від помилкових дій інвестиційного консультанта та посередника;
страхування інвестиційного консультанта і брокера від власних помилок і повязаних з цим претензій до них з боку інвестора та інших осіб.
Страхові компанії, які беруть на себе зобовязання за цим видом страхування, пропонують такі варіанти страхового покриття, тобто страхують:
річний дохід інвестора на рівні, що забезпечується безризиковим вкладенням капіталу;
величину, яка дорівнює різниці між оголошеним розміром дивіденду і фактичним його розміром;
ризик втрати капіталу, вкладеного в купівлю акцій, у розмірі номінальної вартості акцій або фактично сплачених сум;
втрачений прибуток у розмірі прибутку з безризикового вкладення капіталу або фактичних виплат за попередній рік;
дохід за 3 – 5 і більше років, поки фактично отриманий дохід інвестора з цінних паперів не досягне 3-, 5-ти кратного безризикового доходу на вкладений капітал.
Різні варіанти страхового покриття передбачають різну міру відповідальності страховика і впливають на розмір страхової премії, яка визначається як добуток страхової суми (сума, на яку застраховано обєкт) на ставку процента за цим видом ризику.
Розмір же ставки процента залежить від:
виду цінних паперів;
їхньої номінальної ціни;
котирування на момент купівлі;
фінансового стану емітента;
обсягу перестрахування за даним видом ризику;
розміру франшизи і т. ін.
Для того, щоб виробити прийнятний для страховика і для страхувальника механізм захисту інтересів учасників фондового ринку, інвестор мусить володіти методологією та методикою оцінювання ризику.
ВИСНОВКИ
В даній роботі було висвітлено теоретичні основи інвестицій та їх роль в умовах трансформації економічної системи України; узагальнено комплексний аналіз виконання інвестиційних операцій банками України; розглянуто шляхи вдосконалення банківських інвестицій на сучасному етапі розвитку банківської системи України; дослідження впровадження нової технології трансформації пасивів для подальшого фінансування інвестиційних ресурсів.
Українські банки в сучасній ситуації шукають шляхи, форми і методи участі в інвестиційних процесах в економіці, керуючись не тільки намаганням отримати дохід, а й інстинктом самозбереження, тому що руйнівні процеси в економіці не відповідають інтересам розвитку банків.
Важливу роль в активізації інвестиційної діяльності українських банків може відіграти інституційна добудова банківської системи шляхом створення Українського банку реконструкції та розвитку, який здійснював би довгострокову кредитну підтримку інвестиційних проектів, та Земельного (Іпотечного) банку. Ухвалення Верховною Радою Земельного кодексу – лише перший крок на шляху налагодження системи іпотечного кредитування. На часі доопрацювання й розгляд законопроектів та відомчих нормативних актів, що визначатимуть механізми функціонування іпотечного ринку. Потребує змін і чинний Закон України «Про банки і банківську діяльність», який не чітко регламентує особливості створення й діяльності спеціалізованих банків, зокрема іпотечних.
Отже, завдання підвищення ролі банків в інвестиційних процесах в Україні має вирішуватися як комплексна загальноекономічна проблема. І тут не досить спонтанних гасел про виведення коштів із тіньового обігу чи повернення банків обличчям до виробництва тощо. Йдеться про активізацію макроекономічних стимулів – зменшення податків на виробничу діяльність і фонд заробітної плати, вивільнення від оподаткування (можливо, часткове) прибутків банків і підприємств, що спрямовуються у виробничі інвестиції, правовий захист інтересів банків як кредиторів, створення гнучкої та ефективної інституційної системи мобілізації і розміщення позикових капіталів.
На мій погляд, для серйозних зрушень у напрямі інвестицій банків у виробництво, останні, повинні володіти достатніми гарантіями повернення їх кредитних інвестицій, що потребує реального зміцнення інститутів державної, акціонерної і приватної власності. Структуризація банків у ринкові субєкти зачіпає конституційні економічні відносини власності на банківський капітал. Учать у капіталі банків різних комерційних структур, а також приватних осіб розширює соціально-економічну базу контролю за їх діяльністю і робить банківську систему стійкішою, забезпечуючи диверсифікацію власності на банківський капітал.
Нині, коли НБУ не має досвіду агрегування грошової маси, видається доцільною орієнтація на агрегати грошової маси, прийняті в зарубіжній практиці. Однак потрібно врахувати специфіку структури грошової маси України, в якій основне місце ще займають готівкові гроші в обігу, кошти на розрахункових, поточних і термінових вкладах юридичних осіб, на вкладах населення в Ощадбанку. Інші компоненти грошової маси перебувають на стадії нового механізму господарювання, розвитку відповідних видів рахунків і операцій банків. Сукупність показників грошової маси з урахуванням специфіки кожного з них, на мій погляд, дасть змогу охопити всі параметри грошового обігу, включаючи і безпосередньо повязані з розширенням банківських інвестицій, і таким чином здійснити комплексну якісну оцінку тенденції їх розвитку.
СПИСОК ВИКОРИСТАНИХ ДЖЕРЕЛ
Закон України “Про промислово-фінансові групи в Україні” // Відомості Верховної Ради. – 1996. - № 23. – С. 88.
Закон України “Про іпотечне кредитування, операції з консолідованим іпотечним боргом та іпотечні сетрифікати” від 19 червня 2003 року №979-IV // Законодавчі і нормативні акти з банківської діяльності. – 2003. - № 10 – С. 3-24.
Аналіз діяльності банків України за 9 місяців 2003 року та проблеми забезпечення їх сталого розвитку // Вісник НБУ. – 2003. - № 12. – С. 2 – 25.
Бандурин А. В., Чуб Б. А. “Инвестиционная стратегия корпорации на региональном уровне. – М.: Наука и экономика, 1998.
“Банківська справа”. Журнал – 2004. - № 1.
Блауг М. “Єкономическая мысль в ретроспективе”. –М.:Наука, 1994
Большой экономический словарь / Под ред. А. Н. Азрилияна, - 2-е изд., доп. и перераб. – М.: Институт новой экономики, 1997 г.
Бочаров В. В. Инвестиционный менеджмент (управление инвестициями). – М., 1995. – С. 57.
Бочаров В. В. “Финансово-кредитные методы регулирования рынка инвестиций” – М.: Финансы и статистика, 1993. – С. 8.
Брегель Є. Я. “Денежное обращение и кредит капиталистических стран. – М.: Финансы, 1973.
Васюренко Л., Глущенко В. “Інвестиційна програма: економічна природа та сутність” // Банківська справа – 2003 - № 2.
Вожжов А. Депозити до запитання у формуванні стабільної і керованої ресурсної бази банків// “Вісник НБУ”. – 2002. - № 11. С. 5 – 7 .
Вожжов А. П., Сухомлинов Е. А. “Трансформація змінної частини поточних пасивів комерційного банку до складу керованих ресурсів // Економіка: проблеми теорії та практики: Збірник наукових праць. – Дніпропетровськ: ДНУ, 2001. – Випуск 99.
Вожжов А. П., Хохлов В. В. “Стабілізація змінної частини поточних пасивів короткостроковими запозиченнями на міжбанківському ринку // Вісник Дн-вського державного фінансово-економічного інститутут. – 2002. - №1. – С. 124-129.
Вожжов А. П. “Формування ресурсів комерційних банків // Фінанси України. – 2003. - №1. С. 166-129.
Ендовицкий Д. А. “Комплексный анализ и контроль инвестиционной деятельности: методология и практика” / Под ред. проф. Л. Т. Гиляровской. – М.: Финансы и статистика, 2001.
Экономика предприятия / Под редакцией Ф. К. Беа, Э. Дихтла, - М.: ИНФРА-М, 1999 г.
Журавель С. А. “Економіка та держава” – 2004 - №3. С. 22-25.
Інвестиційний клімат в Україні / За ред. Гайдуцького П. А. – К., Т-во “Знання”, КОО, 2002.
Інститути спільного інвестування: проблеми перехідного періоду // Цінні папери України. – 1999. - № 37. С. 1.
Калюжний В. “Роль державних витрат та інвестицій у ринкових економіках // Вісник НБУ – 2003 - №9.
Коласс Б. “Управление финансовой деятельностью предприятия. Проблемы, концепции и методы. – М.: Финансы: ЮНИТИ, 1997.
Луців Б. Л. Банківська діяльність у сфері інвестицій. - Тернопіль “Єконом-думка” & “Карт-Бланш”, 2001. – С. 122 – 131.
Ляхова О. Учать українських банків у лізиновому бізнесі // Вісник НБУ. – 2001. 0 №6. – С. 44.
Матук Ж. “Финансовые системы Франции и других стран”. – М.: Инфра-М, 1994.
Миркин Я. М. Банковские операции. Часть 3. Инвестиционные операции банков. - М., 1996. – С. 80.
Михайлова Е. В., Рожков Ю. В. “Финансово-кредитные методы регулирования инвестиционных рынков” –Л.: ЛФЭИ, 1991.
Мороз А. М., Савлук М. І., Пуховкіна М. І. та ін. Банківські операції: Підручник/ За ред. проф. А. М. Мороза. – К.: КНЕУ, 2000.
Мусіна Л. “Основні засади переходу до економіки знань: перспективи для України” // Економіка і прогнозування – 2003 №3.
Панова Г. С. “Кредитная политика коммерческого банка” – М.: ИКЦ “ДИС”, 1997.
Полунеев Ю. О новой стратегии ЕБРР в Украине и некоторых уроках прошлого // Зеркало недели. – 2002. - № 32. – С. 11.
Романенко Л. Ф. “Фінанси України” – 2003. - № 5. – С. 99-105.
Степанов Д. В., Федоренко В. Г. Інвестиції як механізм виходу з кризи // Антикризове управління підприємством: проблеми та шляхи вирішення в умовах України.: Сб. наук. праць, додаток №2(17) до наук. журн. “Персонал”, №6 (66), - 2001.
Татаренко Н.О., Поручник А. М. “Теорії інвестицій” – К.: КНЕУ, 2000 рік.
Украинская инвестиционная газета. – 2002. - № 44. – С. 16.
Федоренко В. Г., Степанов Д. В., Степанова В. В. та інші “Розвинення фінансово-банківської сфери – шлях до удосконалювання інвестиційної політики” // Фондовий ринок. – 2001. - №2. – С. 12-16.
Федоренко В. Г., Чувардинський О. Г., Степанов Д. В. “Міжнародні і правові аспекти інвестиційної діяльності в Україні”. К.: Наук. світ, 2003. – С 505.
Федоренко В. Г., Іткін О. Ф., Степанов Д. В. “Інвестиційні процеси в промисловості України” К.: Наук. світ, 2001 рік. – С. 447.
Федоренко В. Г., Степанова В. В. “Шляхи підвищення інвестиційної діяльності в Україні” “Видавництво “Аспект-Поліграф”, 2003. – С. 724.
Федоренко В. Г., Чувардинський О. Г., Іткін О. Ф. та ін. Міжнародні і правові аспекти інвестиційної діяльності в Україні: Монографія / За наук. ред. Федоренко В. Г. – К.: Наук, світ, 2002. – С. 505.
Шарп У., Александер Г., Бейли Дж. Инвестиции: Перевод с англ. – М.: ИНФРА. – М, 1997. – С. 10.
Шелудько Н. М. “Фінанси України” - 2003 - № 8 – С. 121-125.