Тональная телеграфия
РАЗДЕЛ I ПОНЯТИЯ И ОПРЕДЕЛЕНИЯ ТЕЛЕГРАФИИ
Исключительно важное значение для обеспечения управления войсками, как в прошлом, так и в современных условиях, имеет телеграфная связь. Она характеризуется простотой технической реализации и обслуживания, высокой помехозащищённостью (особенно слуховой телеграф) и возможностью документирования сообщений. На основе первичной сети связи в системе военной связи создаются вторичные сети связи, одной из которых является сеть телеграфной связи. При этом получение телеграфных каналов осуществляется с помощью специальной аппаратуры. Наибольшее применение на данное время в военной связи нашла аппаратура тонального телеграфирования.
1.1 ПРИНЦИПЫ ТЕЛЕГРАФНОЙ СВЯЗИ
Телеграфией называется область электросвязи, занимающаяся передачей дискретных сообщений. Дискретные сообщения представляют собой последовательности символов (буквы, цифры, знаки и т.п.). Совокупность применяемых символов называют алфавитом сообщений. Для передачи символов по каналам связи используют дискретные электрические сигналы. Дискретным называется сигнал в котором регистрируется конечное число значений его параметров, например, напряжений. Каждому символу ставится в соответствие определенная комбинация сигналов. Систему соответствий между символами алфавита сообщений и дискретными сигналами называют кодом. Совокупность дискретных сигналов, соответствующих определенному символу, называется кодовой комбинацией. Символы алфавита могут быть пронумерованы натуральным рядом чисел, например, а =1, б = 2, в = 3.... Каждое число удобно представить в двоичной форме, т.е. а - 001,
б
- 010, в - 011,... . Удобство представления
чисел в двоичной форме состоит в том,
что логическим "1" и "0" легко
поставить в соответствие простые
электрические сигналы. Из рис.1
видно, что "1" может быть поставлена
в соответствие токовая (положительная)
посылка", а "0" - бестоковая или
отрицательная посылка.
Под посылкой понимается элементарный сигнал длительностью . Сигналы, состоящие из однополярных, рис.1а, или двухполярных, рис.1б, посылок называются сигналами постоянного тока. Минимально необходимое число посылок в кодовой комбинации - n - определяется объемом алфавита - (количеством символов) - N . и находится с помощью выражения
n = log>2>N
Например, для передачи 32 букв алфавита число n будет равно
n = log>2> 32 = 5. В современных телеграфных аппаратах, состоящих на вооружении войск связи, применен код, использующий однополярную последовательность посылок постоянного тока с числом импульсов в кодовой комбинации =5. Так, например, букве "Р" русского алфавита соответствует кодовая комбинация вида 01010, букве "Я" - 11101 и т.д.
В дискретных каналах под скоростью передачи двоичной информации подразумевается количество двоичных импульсов, передаваемых за 1 сек. Различают скорость передачи информации R (информационную скорость) и скорость телеграфирования В.
В реальных условиях как правило, в состав кодовой комбинации, кроме информационных посылок, т.е. тех, с помощью которых непосредственно кодируются символы, входят также служебные посылки, необходимые для обеспечения работы оконечных телеграфных устройств (ОТУ). Так, в старт-стопных телеграфных аппаратах это стартовая - бестоковая и стоповая - токовая посылки. Таким образом, в целом кодовая комбинация содержит семь двоичных импульсов, см. рис.2, из которых пять - информационных и два служебных.

За единицу информации принята одна двоичная посылка ("0"или"1"), называемая бит.
Скоростью телеграфирования (В) называется количество единичных элементов (информационных и служебных посылок) передаваемых за 1 сек. За единицу измерения величины В принят 1 бод, предполагающий передачу 1 двоичного импульса за 1 сек.
Информационной скоростью (R) называется количество информационных посылок, передаваемых за 1 сек. За единицу измерения величины R принят 1 бит/с. Следовательно, если одна семиэлементная кодовая комбинация с выхода телеграфного аппарата, передается за 1 сек, то В = 7 бод, а R= 5 бит/с, если за 1 сек. передается, например, десять кодовых комбинаций, скорости передачи составляют соответственно 70 бод и 50 бит/с.
Скорость передачи однозначно связана с частотой следования двоичных импульсов - F . Как известно, если период одного полного синусоидального колебания - Т составляет 1 сек. частота его F = 1Гц. На этом же периоде, см. рис 3, могут быть уложены два двоичных импульса (положительной и отрицательной полярностей) с длительностями, равными Т/2.
Поэтому принято считать, что 1Гц = 1 бод(бит/с) или в общем виде F=1/2 В.
1.2 ОКОНЕЧНЫЕ ТЕЛЕГРАФНЫЕ УСТРОЙСТВА
Устройство, обеспечивающее преобразование символов дискретного сообщения в сигналы постоянного тока на передаче и обратное преобразование на приеме, называется оконечным телеграфным устройством (ОТУ), одной из разновидностей которого является телеграфный аппарат (ТГА). Телеграфный аппарат состоит из передающей и приемной частей. "Передатчик" содержит клавиатуру и кодирующее устройство, преобразующее символы (буквы, цифры, знаки) в сигналы постоянного тока. Основными элементами "приемника" являются декодирующее и печатающее устройства, которые пятиэлементную комбинацию постоянного тока преобразуют в символ и отпечатывают на ленте (рулоне).
В буквопечатающих телеграфных аппаратах типа СТ-2М, СТА-2, CТA-2M, СТА-2МФ, СТА-М67, широко используемых в общегосударственной и военной системах связи применен стартстопный способ фазирования.
1.2.1 Тактико-технические характеристики и общее устройство телеграфного аппарата СТА-М67
Назначение: телеграфный аппарат СТА-М67 (рис.45) предназначен для обеспечения буквопечатающей телеграфной связи между пунктами управления.
Характеристика: телеграфный аппарат СТА-М67 является автоматизированным ленточным буквопечатающим аппаратом со стартстопным способом фазирования, работающим на стандартной телеграфной ленте пятиэлементным международным кодом 2.
Возможности: телеграфный аппарат СТА-М67 обеспечивает передачу телеграфных сообщений по каналам тонального телеграфирования. Кроме того, аппарат допускает передачу сообщений по постоянным воздушным и кабельным линиям связи.
Дальность действия телеграфного аппарата по каналам тонального телеграфирования определяется протяженностью этих каналов; дальность действия аппарата по постоянным воздушным линиям связи не превышает 300 км., а по полевым кабельным линиям - 50 км.
Номинальная скорость телеграфирования: 360 и 400 знаков в минуту или 45 и 50 Бод соответственно.
Боевое применение: телеграфный аппарат СТА-М67 применяется как в составе комплекта аппаратных полевого (подвижного) узла связи типа
П-238Т, П-241Т, так и автономно на полевых и стационарных узлах связи.
Питание: преобразование символов сообщения в электрические сигналы осуществляется за счет источника постоянного тока (источника линейного питания) напряжением 80 - 160 В.
Состав комплекта аппарата. В полный комплект телеграфного аппарата СТА-М67 входят:
- телеграфный аппарат СТА-М67;
- аппаратный щиток АЩ-67;
- клейница;
- комплект запасных частей;
- комплект инструмента;
- укладочный ящик
- техническая документация.
Вес полного комплекта составляет 60 кг.
Аппаратные связи подвижного узла связи комплектуются рабочим комплектом аппарата, в который не входит укладочный ящик.
Вес рабочего комплекта составляет 35 кг.
Передача знаков с аппарата СТА-М67 в простейшем случае работы по физической линии осуществляется следующим образом: при нажатии на клавишу происходит перемещение комбинаторных линеек в передающей части аппарата, которые образуют пространственную кодовую комбинацию. Затем эта механическая пространственная комбинация линеек превращается во временную электрическую комбинацию путем последовательного размыкания и замыкания контактами передатчика электрической цепи.
Комбинация электрических посылок, пройдя через электромагнит передающего аппарата, через линию связи поступает в электромагнит приемного аппарата. Электромагнит приемного аппарата, срабатывая от поступающих посылок кодовой комбинации, своим якорем запускает приемный механизм аппарата, который временную электрическую комбинацию посылок превращает вновь в пространственную комбинацию механических частей аппарат. С помощью специального механизма эта механическая пространственная комбинация превращается в знак, отпечатываемый на бумажной ленте.
В аппарате применен стартстопный способ корректирования фазы, при котором передающий и приемный распределители в промежутках между передачей (приемом) знаков не вращаются, стоя на «стопе», таким образом, расхождение по фазе между ними равно нулю. Вращаются передающий и приемный распределители только при передаче (приеме) знаков.
Передача кодовой комбинации посылок любого знака производится в течение одного оборота передающего распределителя. Так как правильный прием посылок возможен только при синфазном вращении передающего и приемного распределителей, то с началом вращения передающего запускается и приемный распределитель, который совершает совместно с передающим один оборот, а затем останавливается.
Следовательно, при стартстопном способе корректирования расхождение по фазе передающего и приемного распределителей может произойти только в течение одного оборота и это расхождение устраняется после каждого оборота остановкой приемного распределителя.
Телеграфный аппарат СТА-М67 подключается к каналу связи и к источникам питания через аппаратный щиток АЩ-67. Источник линейного питания (+) подключается к зажиму «Б» щитка (минус этого источника подключается к общестанционному заземлению).
Источник моторного питания подключается к зажимам «М». Линия (канал) связи подключается к зажиму «Л» (если линия связи однопроводная), если линия связи двухпроводная, то второй провод подключается к зажиму "З".
Провод общестанционного заземления подключается к зажиму "З". Для подключения аппарата к линии (каналу связи) и источникам линейного и моторного питания необходимо:
- заземлить корпус аппарата, для чего подключить провод общестанционного заземления к зажиму "З" размещенному в правом заднем углу аппарата под его кожухом.
- колодку кабеля моторного питания аппарата включить в гнезда аппаратного щитка.
- колодку кабеля моторного питания включить в гнезда ЭП аппаратного щитка.
Включение моторного питания на телеграфном аппарате производится установкой тумблера включения питания, размещенного на цоколе аппарата в положение "ВКЛ".
1.2.2 Тактико-технические характеристики телеграфного
аппарата ЛТА-8
Назначение: Ленточный буквопечатающий электромеханический автоматизированный стартстопный телеграфный аппарат ЛТА-8 (рис.44) предназначен для передачи и приема информации по телеграфным каналам радио, радиорелейных и проводных линий связи как в полевых, так и в стационарных условиях эксплуатации на скоростях 400 и 360 зн/мин (50 и 45 бод).
Технические данные:
принцип коррекции - стартстопный;
код - пятиэлементный международный №2;
количество регистров - 3;
рабочий линейный ток 455 ма:
параметры электродвигателя аппарата:
напряжение постоянного тока, В…11020;
напряжение
переменного тока, В…127
потребляемая мощность на постоянном токе, Вт…80;
клавиатура четырехрядная
контактное деление передатчика - 7,5;
искажение передатчика 7% при автоматической работе, 8% - при работе с клавиатуры;
исправляющая способность 35%;
уровень акустических шумов, создаваемых работающими механизмами аппарата в различных эксплуатационных сочетаниях , - 71 дБ при уровне шума окружающей среды 55 дБ;
скорость телеграфирования 45, 50 Бод;
скорость печати 360 - 400 зн/мин;
условия работы - от 0 до плюс 45С окружающей среды;
печать - на бумажной телеграфной ленте
красящая лента - одноцветная ГОСТ 6048-67;
перфолента - пяти-дорожковая; форма размеры и расположение отверстий - по ГОСТ 1860-64;
усилие протягивания перфоленты трансмиттером - не менее 70г;
напряжение линейной сети 120 В;
потребляемая мощность - не более 90 Вт;
питание - от сети переменного тока 127 В
электродвигатель - ДТА-40 УЗ;
напряжение срабатывания ЭДУ - 80…90 В;
скорость вращения электродвигателя 3060 об/мин;
габаритные размеры:
по ширине - не более 495,
по глубине - не более 539,
по высоте - не более 359;
масса аппарата без кругов перфораторной и телеграфной лент
не более - 40 кг.
Состав изделия
В комплект изделия входит:
телеграфный аппарат ЛТА-8, 1 шт.;
аппаратный щиток АЩ-8, 1 шт.;
кабель, 1 шт.;
кабель, 2 шт.;
комплект запасных частей и принадлежностей, 1 шт.;
комплект инструмента, 1 шт.;
комплект технической документации, 1 шт.;
клейница, 1 шт.;
комплект тары.
Телеграфный аппарат ЛТА-8 состоит из следующих механизмов:
передающего устройства;
приемного устройства;
цоколя с кожухом и обрамлением;
движущего;
вспомогательных.
В составе передающего устройства имеются:
клавиатура;
передающий распределитель;
трансмиттер;
автоответчик;
электромагнит дистанционного управления;
полупроводниковый коммутатор тока (КТП).
В составе приемного устройства, кроме механизмов, обеспечивающих прием кодовой комбинации, ее дешифрирование и отпечатывание знаками на телеграфной ленте, имеются:
реперфораторная приставка;
звонкая сигнализация - счетчик времени работы;
механизм запуска автоответчика;
осветитель телеграфной ленты;
сигнальная лампа счетчика знаков в строке.
Органы управления
Аппарат имеет следующие органы управления:
клавишу включения аппарата (включения напряжения питания аппарата);
клавишу непрерывной передачи (непрерывной передачи одной кодовой комбинации, соответствующей нажатой на клавиатуре клавиши);
клавишу выпуска перфоленты реперфоратором - с пробивкой только транспортных отверстий;
клавишу "Я ЗДЕСЬ" (запуска своего автоответчика);
клавишу пошагового возврата перфоленты в реперфораторе;
рычаг включения и выключения реперфоратора;
выключатель В1 - включение лампы осветителя;
устройство блокировки ненужных регистров.
Работа телеграфного аппарата ЛТА-8 и способ корректирования фазы распределителей аналогичны приведенным для СТА-М67.
1.3 ПЕРЕДАЧА ДИСКРЕТНЫХ СИГНАЛОВ ПО КАНАЛАМ ТЧ
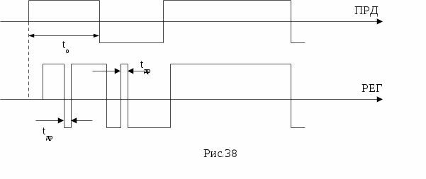
Как уже отмечалось, информация всех видов, в том числе и телеграфная, передается по каналам ТЧ. Рассмотрим, можно ли посылки постоянного тока, поступающие непосредственно с выхода телеграфного аппарата ( r >t> = 50 бод) передать по каналу ТЧ. Очевидно, при данной скорости передачи частота следования посылок составляет F = 25Гц. Спектр последовательности импульсов кодовой комбинации представленной на рис. 2 имеет вид, рис. 4.
Как видно из рис.4., основная часть энергии телеграфного сигнала (первых пять гармоник частоты F=25 Гц) сосредоточена до нижней границы полосы частот канала ТЧ и по каналу ТЧ передана быть не может. В связи с этим, для обеспечения передачи дискретных сигналов по каналу ТЧ необходимо преобразовать посылки постоянного тока в тональные с частотами лежащими в полосе (0,3 - 3,4) кГц.
1.4 ПРИНЦИП ТОНАЛЬНОГО ТЕЛЕГРАФИРОВАНИЯ
Принято считать, что если для передачи телеграфных сигналов применяются переменные токи с частотами, находящимися в спектре 0,3-3,4 кГц, то такой способ телеграфирования называют тональным телеграфированием. Использование канала ТЧ для передачи телеграфной или фототелеграфной информации называют вторичным уплотнением. Аппаратура, предназначенная для преобразования посылок постоянного тока от ОТУ в тональные, называется аппаратурой тонального телеграфирования и является одним из видов аппаратуры вторичного уплотнения.
Принцип работы аппаратуры тонального телеграфирования показан на рис. 5, а упрощенные графики сигналов, получаемых на передающем и приемном концах—на рис. 6. На схеме (рис. 5) на передающем конце включены два генератора, характеристические частоты которых разнятся на определенную величину, а на приемном конце используются устройства, обеспечивающие выделение и детектирование частот перед подачей их в обмотки приемного реле. В качестве канала связи используется канал ТЧ.
Проследим передачу телеграфных сигналов для однополюсной работы. Посылки постоянного тока с выхода передающего телеграфного аппарата проходят через обмотку 1-2 реле передачи станции А. Через обмотку 3-4 этого же реле постоянно проходит ток от местной батареи МБ, обеспечивая удерживание якоря реле у левого контакта при отсутствии токовой посылки в первой обмотке. При прохождении по первой обмотке токовой посылки якорь перебросится к правому контакту (ампервитки первой обмотки выбираются в несколько раз больше ампервитков – второй обмотки). В зависимости от положения якоря на вход телефонного канала будут подаваться сигналы с частотами F1 или F2 (частоты F1 и F2 лежат внутри полосы 0,3-3,4кГц). Таким образом посылкам постоянного тока на выходе передающего телеграфного аппарата будут соответствовать тональные посылки на входе канала ТЧ (рис. 6). На приемном конце (станция Б) тональные посылки с выхода канала ТЧ подаются на ограничитель, который обеспечивает постоянство величины тока через обмотки приемного реле при значительных колебаниях уровня принимаемого сигнала. С выхода ограничителя тональные посылки подаются на фильтры Ф1 и Ф2, каждый из которых пропускает одну из рабочих частот. Сигналы с частотами F1 и F2 после выпрямления детекторами Д1 и Д2 подаются в обмотки приемного реле. Через обмотку 1- 2 приемного реле будет проходить выпрямленный ток от сигнала с частотой F1, а через обмотки 3-4—выпрямленный ток от сигнала с частотой F2. Если ампервитки обмоток выбраны одинаковыми, то якорь реле будет перебрасываться соответственно к правому и к левому контакту. При положении якоря у правого контакта на приемный телеграфный аппарат будет подаваться токовая посылка от линейной батареи ЛБ, при положении якоря у левого контакта — бестоковая посылка. Как видно из графиков рис. 6, токовой посылке на передаче соответствует токовая посылка на приеме. При практическом выполнении аппаратуры тонального телеграфирования два генератора на передающем конце заменяют одним генератором с изменяющейся частотой, а вместо двух фильтров на приемной стороне используют частотный детектор. Под влиянием посылок постоянного тока частота генератора на передающем конце изменяется от среднего значения Fср к двум крайним рабочим значениям частот Fcp.±f. Величину изменения частоты f называют девиацией частоты. Процесс изменения частоты генератора в соответствии с передаваемыми посылками постоянного тока - называют частотной манипуляцией.
АТТ бывает одноканальной и многоканальной. Одноканальная аппаратура занимает только незначительную часть тонального спектра, поэтому при включении её в канал ТЧ телефонная связь по этому каналу сохраняется, хотя качество её из-за изменения спектра несколько ухудшается.


К примеру для АТТ П-317, где F>ср>=3150 Гц Δf=55 Гц, полоса частот занимаемая телеграфным каналом составляет от 3050 до 3250 Гц. Оставшаяся часть канала ТЧ используется для телефонной связи Рис. 7.
Очевидно, использование канала ТЧ для получения одной телеграфной связи не рационально поэтому при разработке аппаратуры ТТ возникает задача правильного размещения максимального числа ТЛГ каналов в эффективно передаваемой полосе ТЛФ канала. Наиболее простое решение этой задачи состоит в определении ширины полосы частот телеграфного канала с последующим делением полосы пропускания ТЛФ канала на участки, равные
F>k>=f>n>+f>з>
где: f>n> – эффективно передаваемая полоса ТЛГ канала ЧТ;
f>з> – ширина полосы защиты.
Теоретические и экспериментальные исследования показывают, что необходимая ширина полосы частот пропускания сигналов ТЛГ канала ЧТ может быть определена по формуле
f>n>=(1,31,5) m * В , где
m - индекс модуляции.
Выбор величины индекса модуляции имеет очень важное значение с точки зрения спектра получения необходимых энергетических соотношений. В аппаратуре ТТ обычно выбирают индекс модуляции в пределах 1<m2.
Ширина полосы защиты f>з> ограничивается возможностями приемных полосовых фильтров каналов, которые должны обеспечить защищенность по соседнему каналу порядка 4-5 Нп. В этом случае величина краевых искажений от воздействия помех не превышает 2-3%. При таком требовании наиболее целесообразно с точки зрения экономичности изготовления фильтров выбирать f>3> не менее 40Гц. Таким образом при скорости телеграфирования (передачи) В=50 Бод и m=1,8. f>n>=135 Гц. С запасом берем f>n> 140 Гц, тогда
F>n>=(140 +40)=180 Гц.
Это означает, что в полосе частот стандартного канала тональной частоты (0,33,4) кГц. F=3100 Гц, можно разместить не более N=3100/180=17 телеграфных каналов.
В военной телеграфной связи находит применение аппаратура ТТ:
одноканальная – П-314М(П-317)
многоканальная – П-318 (до 16 каналов)
– П-327 (до 12 каналов)

Совокупность АТТ и системы передачи при подключении к которым оконечных телеграфных устройств (ТГА, спецаппаратуры) обеспечивается обмен посылками постоянного тока называется каналом тонального телеграфирования.
5. СТРУКТУРА КАНАЛА ТОНАЛЬНОГО ТЕЛЕГРАФИРОВАНИЯ
Общая схема КТТ представлена на рис.8.

В образовании КТТ участвует оборудование КТЧ, АТТ и переходные устройства станций А и Б.
Для АТТ различают две стороны:
- линейную (ЛИН), которой АТТ подключается к КТЧ;
-телеграфную (ТГ), на которой находятся входы и выходы каналов ТТ.
На входы АТТ всегда должны подаваться двухполюсные посылки постоянного тока, (за исключением АТТ старого парка типа П-314,П-317 в которых предусмотрена работа однополярными посылками) соответственно на ТГ выходах АТТ формируются также двухполярные импульсы. Как уже отмечалось, современные войсковые ТГА работают однополярными посылками постоянного тока. Для преобразования однополярных посылок, поступающих с выхода ТГА, в двухполярные, необходимые для нормальной работы АТТ, в тракте передачи и обратного преобразования в тракте приема используют специальное устройство, которое называется переходное устройство (ПУ). На ПУ также различают две стороны:
-канальную (КАН), со стороны которой входы ПУ соединяются с АТТ;
-аппаратную (АПП), со стороны которой подключаются телеграфные аппараты.
Рассмотрим, какие преобразования претерпевает сигнал, проходя от передающего ТГА к приемному, см.рис.8.
Однополярные посылки постоянного тока с выхода ТГА поступают на АПП - вход ПУ, в котором они преобразуются в двухполярные импульсы. Эти импульсы подаются на ТГ - вход АТТ и преобразуются в тональные посылки. Частотно-манипулированный сигнал передается по КТЧ и на ст. Б с выхода КТЧ поступает на ЛИН - вход АТТ, на выходе которой формируются двухполярные посылки постоянного тока. Затем в ПУ осуществляется их преобразование в однополярные импульсы, которые и поступают в «приемник» ТГА. В обратном направлении (от ст. Б к А) преобразование сигналов аналогичное. Следует отметить, что на выходе некоторых оконечных телеграфных устройств, например, телеграфная аппаратура, формируются двухполярные посылки постоянного тока. В этом случае необходимость в переходном устройстве отпадает и сигналы от оконечного телеграфного устройства подаются (снимаются) на (с) вход (выхода) АТТ, минуя ПУ. Упрощенная схема ПУ, поясняющая принцип его действия, представлена на рис.9. в зависимости от положения якоря, управление которым осуществляет ключ К ТГА, на ТГ - вход АТТ подается «+» или «-» источника питания МБ.

Цепь постоянного тока, состоящая из ключа К телеграфного аппарата, обмотки реле Р и источника питания ЛБ, называется линейной или телеграфной.
На полевых узлах связи телеграфные аппараты размещаются в телеграфных машинах, называемых телеграфными станциями(ТГС), например, П-236, П-237, П-222МЭ. Аппаратура тонального телеграфирования совместно с переходными устройствами находятся в другой аппаратной машине - аппаратной тонального телеграфирования (АпТТ), например П-254. Аппаратные ТГС и АпТТ могут находится на достаточно большом удалении друг от друга (до 0,5 км.). Источники питания линейных цепей называемые линейной батареей (ЛБ), имеются как в ТГС, так и в АпТТ. В зависимости от режимов работы КТТ, которые будут рассмотрены далее, ЛБ может быть включена в телеграфную цепь на ТГС и АпТТ, а при значительном удалении ТГС от АпТТ и на ТГС и в АпТТ одновременно. В связи с этим говорят, что питание телеграфных цепей может осуществляться от аппарата, (значит от ЛБ находящейся в ТГС), или от аппаратуры (ЛБ включена в АпТТ), или и от аппарата и аппаратуры одновременно.
1.6.режимы работы канала тонального телеграфирования.
в зависимости от типа оконечного телеграфного устройства, которое будет включено в канал ТТ, этот канал должен быть установлен в один из трех режимов работы.
I.«Первый» режим (ранее назывался «БОДО») обозначается - «I». Этот режим используется при подключении к каналу ТТ телеграфной спецаппаратуры и организации транзита телеграфных каналов. В данном случае телеграфный канал имеет четырехпроводное окончание, которое работает только с двухполярными посылками постоянного тока. Переходное устройство не применяется.
II.«Второй режим » (ранее назывался «СТ. ДУПЛЕКС») обозначается «II». Режим используется для подключения к каналу по два телеграфных аппарата на передающей и приемной сторонах, т.е. получения дуплексной буквопечатающей связи. Канал имеет четырехпроводное окончание, работающее только однополярными посылками постоянного тока. В данном случае обязательно применение переходного устройства.
III.«Третий» режим (ранее назывался «СТ. симплекс ») обозначается «III». Режим используется для подключения к каналу по одному телеграфному аппарату на передающей и приемной сторонах, т.е. получения симплексной буквопечатающей связи. Канал имеет двухпроводное окончание (вход и выход канала в гнезде «ПЕР»), работающее только однополярными посылками постоянного тока. В этом режиме также обязательно применение переходного устройства.
В «I» режиме телеграфная цепь передачи получает питание от «аппарата», цепь приема «от аппаратуры». Номинальные значения линейных токов, протекающих в цепях передачи и приема составляют
i >л> =(205)mA. Во «II» и «III» режимах телеграфные цепи могут получать питание от «аппарата» или от «аппаратуры», или от линейных батарей «аппарата» и «аппаратуры» одновременно, i >л> =(5010)mA.
1.7.общая структура аппаратуры тонального телеграфирования
В настоящее время на вооружении войск связи состоит комплект АТТ типа П-327. В тоже время, еще достаточно широко используется комплект АТТ, предшествовавший вышеназванному, который именуется П-318М. Эти комплексы имеют конструктивные, схемные и технические отличия. Однако любая аппаратура ТТ советского или зарубежного производства, устаревшего или новейшего образцов, военная или министерства связи имеет единую структуру, которая может быть представлена в виде, изображенном на рис.10. Таким образом, аппаратура ТТ состоит из трактов передачи и приема. Каждый тракт, в свою очередь, содержит индивидуальное и линейное оборудование. Сторона аппаратуры, которой она включается в канал ТЧ называется линейной , входы и выходы N каналов ТТ располагаются на стороне, называемой телеграфной. К каждому телеграфному каналу, предназначенному для эксплуатации во «II» или в «III» режимах, подключается переходное устройство, общая структура которого представлена на рис.11. Переходное устройство также состоит из оборудования передачи и приема. Сторона ПУ, которым она подключается к АТТ, называется канальной. Телеграфные аппараты подключаются к аппаратной стороне ПУ.


РАЗДЕЛ II КОМПЛЕКСЫ АППАРАТУРЫ ТОНАЛЬНОГО ТЕЛЕГРАФИРОВАНИЯ.
2.1 АППАРАТУРА ТОНАЛЬНОГО
ТЕЛЕГРАФИРОВАНИЯ П-314М (П-317)
2.1.1 Тактико-технические характеристики
аппаратуры П-314М (П-317)
Одноканальная аппаратура тонального телеграфирования П-314М предназначена для получения одной телеграфной связи по телефонному высокочастотному или радиорелейному каналу с сохранением телефонной связи по этому каналу.
Уплотняемый телефонный канал должен иметь эффективно-передаваемую полосу частот до 2,7 или до 3,4 кГц.
Аппаратура рассчитана на включение как телеграфных устройств, работающих током двух направлений, так и телеграфных аппаратов, работающих током одного направления.
Телеграфные устройства, работающие током двух направлений, могут включаться только с разделенными цепями передачи и приема. Аппараты, работающие током одного направления, могут включаться как с разделенными, так и с неразделенными цепями передачи и приема.
Телеграфные цепи аппаратуры позволяют подключать телеграфные аппараты по симметричной и по несимметричной (провод-земля) схемам.
Телеграфные аппараты устанавливаются около П-314М или на удалении от нее. Наибольшее удаление определяется электрическими данными соединительных линий и напряжением источника питания линейных цепей. Например, при включении СТ-2М и напряжении 120 В с неразделенными цепями передачи и приема по средней точке стальной трехмиллиметровой цепи возможен вынос его на расстояние до 70 км от аппаратуры П-314М. Дальность действия аппаратуры П-314М определяется дальностью действия уплотняемого телефонного канала и при необходимости может быть увеличена путем организации телеграфных переприемов.
Телефонный канал на уплотняемом аппаратурой П-314М участке может иметь только четырехпроводные переприемы с трансляцией тонального вызова. При уплотнении аппаратурой П-314М телефонного канала, содержащего переприемы другого вида (двух-проводный или четырехпроводный с трансляцией индукторного вызова), в пункте переприема телефонного канала организуется телеграфный переприем.
Для питания аппаратуры П-314М могут использоваться:
источники переменного тока напряжением 127 или 220 В;
источники постоянного тока напряжением 24 В.
Режимы работы аппаратуры:
режим I - для включения телеграфных аппаратов работающих двухполюсными посылками с разделенными цепями передачи и приема;
режим II - для включения телеграфных аппаратов, работающих однополюсными посылками с разделенными цепями передачи и приема;
режим III - для включения телеграфных аппаратов, работающих однополюсными посылками с неразделенными цепями передачи и приема.
Питание телеграфных цепей осуществляется:
при подключении телеграфных устройств, работающих на токе двух направлений: цепь передачи — со стороны телеграфной станции, цепь приема—со стороны аппаратуры П-314М номинальное значение линейных токов 20 ± 5 мА;
при подключении телеграфной аппаратуры, работающей на токе одного направления с разделенными и неразделенными цепями передачи и приема, линейные цепи могут питаться как со стороны телеграфной станции, так и со стороны аппаратуры П-314М (напряжение 60 В). Номинальное значение тока 50±10 мА (для СТА-2М).
Мощность, потребляемая аппаратурой, не превышает:
при питании от источников переменного тока 27 Вт;
при питании от источника постоянного тока 15 Вт.
Габариты упаковки П-314М: ширина 644 мм, глубина 335 мм, высота 183 мм. Такие же габариты имеет упаковка разделительных фильтров. Предусмотрена возможность выноса блока разделительных фильтров в отдельную упаковку. В такой упаковке может быть размещено до пяти блоков разделительных фильтров.
Минимально необходимое количество запасных и съемных деталей размещено в крышке аппаратуры.
Вес аппаратуры с комплектом запасного и съемного имущества 25 кг. Вес упаковки разделительных фильтров с комплектом запасного и съемного имущества 19 кг. Вес одного блока выносных разделительных фильтров 3,2 кг.
Аппаратура может устанавливаться для работы на подвижных, полустационарных и стационарных узлах связи.
Нормальная работа П-314М обеспечивается при температуре окружающего воздуха от —10 до +50° С и при относительной влажности до 95% (при температуре до +25° С).
Спектр сигналов аппаратуры П-314М занимает в телефонном канале полосу частот от 2500 до 2700 Гц.
Дополнительное затухание, вносимое в тракт передачи телефонного канала аппаратурой П-314М, на частоте 800 Гц составляет ±0,05 Нп и не превышает 0,1 Нп на частотах 300 и 3400 Гц и 0,4 Нп на частотах 2400 и 2800 Гц. Затухание, вносимое аппаратурой П-314М в тракт приема телефонного канала, не превышает 0,15 Нп на частоте 800 Гц, 0,25 Нп на частотах 300 и 3400 Гц и 0,4 Нп на частотах 2400 и 2800 Гц.
Средняя частота телеграфного канала 2610 Гц, девиация частоты 55 Гц; при этом индекс модуляции для средней скорости телеграфирования (50 бод) равен 2,2.
Плюсовой посылке в режиме работы на токе двух направлений или токовой посылке в режиме работы на токе одного направления соответствует нижняя рабочая частота (2555 Гц), а минусовой или бестоковой посылке—верхняя рабочая частота (2665 Гц).Предусмотрена возможность изменения этого соотношения на обратное.
Аппаратура рассчитана на работу со скоростью до 75 бод.
Номинальное значение абсолютного уровня передачи сигналов тонального телеграфирования в точках присоединения к передающему тракту телефонного канала составляет —2,5 Нп, с возможностью понижения до —3 Нп, номинальное значение уровня приема —0,5 Нп (—1,0 Нп).
Регулировка преобладания обеспечивает компенсацию преобладания при смещении рабочих частот до 20 Гц. Диапазон регулировки преобладания не менее ±30%.
Защищенность уплотняемого телефонного канала от сигналов аппаратуры П-314М не менее 5,5 Нп.
Конструктивно аппаратура выполнена в одной упаковке в которой установлено пять отдельных блоков. (рис.46)
блок передатчика (ПЕР.) (1);
блок разделительных фильтров (РФ) (2);
блок приемника (ПР) (3);
блок контроля и коммутации, (БКК) (4);
блок писания (ПИТ.) (5).
Блок передатчика предназначен для преобразования посылок постоянного тока, поступающих с передающего аппарата, в частотно-модулированные колебания тональной частоты, которые подаются в тракт передачи телефонного канала через блок разделительных фильтров.
Блок разделительных фильтров предназначен для разделения спектров частот телефонного и телеграфного каналов.
Блок приемника предназначен для преобразования частотно-модулированных сигналов, поступающих из канала ТЧ, в посылки постоянного тока, которые подаются на приемный телеграфный аппарат.
Блок контроля и коммутации служит для образования телеграфных цепей в режимах I, II или III, измерения напряжений и токов в основных цепях, переключения режимов питания передающего и приемного аппаратов, для регулировки канала "на себя" и с соседней станцией.
Блок питания обеспечивает питание аппаратуры от сети переменного тока напряжением 127/220В и автоматический переход на аварийное питание от источников постоянного тока напряжением 24В при пропадании напряжения в сети или при перегорании, предохранителя СЕТЬ.
2.1.2 Структурная схема аппаратуры П-314М (П-317)
Тракт передачи
Частотный модулятор (ЧМ) - предназначен для изменения частоты колебаний, вырабатываемых тональным генератором в соответствии с передаваемыми посылками постоянного тока.
Генератор (Ген.) - вырабатывает несущую частоту ТЛГ сигнала, равную 2610 Гц.
Поляризованное телеграфное реле К>1> (Р.Пер.) – предназначено для управления работой частотного модулятора. Оно имеет постоянное магнитное поле, благодаря чему направление перемещения якоря зависит от направления тока, протекающего по обмоткам реле. Поляризованное реле имеет несколько изолированных друг от друга обмоток.
Если ток проходит по рабочей обмотке реле условно в направлении по часовой стрелке, якорь перебрасывается к правому контакту. При прохождении тока условно в направлении против часовой стрелки, якорь перебрасывается к левому контакту.
Если по обмоткам проходят одинаковые по величине, но противоположные по направлению токи, якорь остается у того контакта, у которого находился. Если токи противоположны по направлению и не одинаковы по величине, перемещение якоря определяется направлением тока большей величины.
Полосовой фильтр передачи предназначен для подавления составляющих спектра телеграфной передачи, попадающих в область частот телефонной передачи (0,3-2,5 кГц) и выше 2,7 кГц.
Заграждающий фильтр передачи служит для ограничения телефонного спектра с тем, чтобы составляющие телефонного спектра в полосе (2,5-2,7 кГц) не создавали помех телеграфной передаче.
Таким образом, полосовой и заграждающий фильтры служат для разделения телефонного и телеграфного каналов.
На входе ЗФ передачи установлен амплитудный ограничитель уровня в ТЛФ канале. Он предназначен для устранения влияния ТЛФ каналов на ТЛГ канал за счет перегрузки устройств канала ТЧ при сравнительно больших мгновенных значениях уровня разговорного сигнала.
Тракт приема
Разделение ТЛГ и ТЛФ каналов в цепях приема осуществляется с помощью полосового фильтра (ТЛГ) с полосой пропускания (2,5-2,7) кГц и заграждающего (ТЛФ) с полосой задерживания (2,5-2,7) кГц.
Полосовой фильтр приема предназначен для предотвращения проникновения телефонного спектра сигнала в тракт приема аппаратуры П-314М. Он конструктивно разбит на две части, из которых одна ПФ.ПР.1 находится в блоке фильтров, а вторая ПФ.ПР II в блоке приемника.
Заграждающий фильтр приема предотвращает проникновение в телефонный канал частот телеграфного канала.
После полосового фильтра приема в гнездах "Ф-ТГ" необходимо иметь уровень 0 Нп для работы по соединительной линии. Поэтому после ПФ.ПРМ в тракт приема включен линейный усилитель.
Для улучшения согласования между выходом ПФ ПРМ-1 и входом линейного усилителя включен согласующий удлинитель с затуханием 0,5 Неп.
Удлинители предназначены для регулировки уровня принимаемых сигналов.
Усилитель-ограничитель предназначен для усиления и последующего ограничения по амплитуде принимаемых сигналов в целях устранения амплитудной модуляции.
Частотный демодулятор (ЧД) предназначен для преобразования ЧМ сигнала, поступающего из канала ТЧ телефонирования в импульсы постоянного тока.
Усилитель мощности обеспечивает номинальный уровень сигнала на входе ЧД.
Усилитель постоянного тока УПТ служит для усиления посылок постоянного тока поступающих с ЧД до уровня достаточного для уверенного срабатывания реле приема К>2>
Реле приема К>2> служит для управления работой оконечных телеграфных устройств.
Контрольно-коммутационное устройство
Контрольно-коммутационное устройство предназначено для установки режима работы, проведения измерений и испытаний, необходимых при проверке исправности аппаратуры и настройке образуемого ею канала.
Контрольно-коммутационное устройство включает датчик двухполюсных посылок, измерительный прибор и коммутационную схему.
Точкодаватель (ТЧКД) - предназначен для регулировки телеграфных каналов и реле. Он состоит из двух основных частей: мультивибратора и триггера.
Мультивибратор вырабатывает одинаковые по продолжительности двухполюсные импульсы, называемые "точки" или сигнал вида 1:1. Частота прохождения импульсов 37,5 Гц или 75 Бод.
Триггер точкодавателя предназначен для усиления импульсов, вырабатываемых мультивибратором и придания им строго прямоугольной формы. Цепи питания точкодавателя замыкаются ключом ТЧК- ТЧК/ЗМ.
ККУ также позволяет производить следующие виды измерений и испытаний :
проверку нейтральности работы датчика точек;
контроль величины выпрямленных напряжений 24В, -МБ; +МБ; ЛБ1; ЛБ2;
контроль уровня передачи и приема;
измерение и регулировку токов в линейных телеграфных цепях передачи;
измерение тока в линейных телеграфных цепях приема;
подачу в канал ТТ, образованный аппаратурой и прием с канала сигналов "плюс" и "минус";
подача в канал ТТ и прием с канала сигнала вида 1:1 ("точек");
проверку нейтральности работы реле передачи и приема;
измерение и регулировку тока подмагничивания;
проверку аппаратуры " на себя".
Перечисленные операции выполняются путем установки в соответствующее положение переключателя прибора и других органов контроля и коммутации. Результаты проверки, контроля и регулировок фиксируются на измерительном приборе аппаратуры.
Прохождение телеграфных сигналов в режимах I,II,III по структурной схеме при передаче и приеме
Режим I
В качестве оконечных телеграфных устройств применяются телеграфные аппараты (аппаратура) работающие двухполюсными посылками. Подключение оконечных устройств производится с разделенными цепями передачи и приема. Для установки этого режима переключатель режимов ставится в положение I/РЕГ.КАН. При этом питание телеграфных цепей передачи обеспечивается со стороны телеграфной станции, а цепи приема от выпрямителей ЛБ1 и ЛБ2, размещенных в блоке питания аппаратуры ТТ. Цепи питания телеграфных цепей создаются контактами переключателя режимов, независимо от положения тумблеров от АПП-от КАН, расположенных внутри блока БКК.
Передача
Двухполюсные (положительные и отрицательные) посылки от передающего телеграфного устройства поступают по соединительной линии через зажимы ТГ.АПП.ПЕР, контакты переключателя режимов в рабочую обмотку реле передачи K>1>. Амплитуда поступающих посылок (величина тока передачи) регулируется переменным резистором ТОК ПЕР. При передаче положительной посылки ток через рабочую обмотку реле передачи K>1> протекает в направлении по часовой стрелке. Подвижный контакт (якорь) реле K>1> перебрасывается к правому неподвижному контакту этого реле. При передаче отрицательной посылки ток через рабочую обмотку реле передачи K>1> протекает в направлении против часовой стрелки. Подвижный контакт (якорь) реле K>1> перебрасывается к левому неподвижному контакту этого реле. Якорь реле передачи K>1> соединяет вход ЧМ через правый и левый контакты соответственно с плюсом и минусом выпрямителя МБ+60В, размещенного в блоке питания аппаратуры ТТ.
Средняя точка выпрямителя постоянно соединена со второй входной точкой ЧМ.
Т.о. при работе передающего телеграфного устройства с контактной системы реле передачи K>1> на вход ЧМ поступают двухполюсные посылки, причем их амплитуда не зависит от амплитуды посылок поступающих на вход реле передачи.
ЧМ предназначен для управления работой генератора несущего колебания ГНК. Суть управления заключается в том, что ЧМ в соответствии с полярностью поступающих посылок, осуществляет коммутацию элементов контура ГНК, вследствие чего изменяется частота генерируемого им несущего колебания, т.е. осуществляется частотная модуляция. При поступлении на вход ЧМ положительной посылки ГНК вырабатывает колебания с частотой 2555 Гц, при поступлении отрицательной посылки - колебания с частотой 2665 Гц. С выхода ГНК ЧМ колебания поступают на вход тракта передачи канала ТЧ через УС.ПЕР, контакты тумблера РАБОТА - НА СЕБЯ, УДЛ.ПЕР, телеграфный фильтр передачи ТГФ.ПЕР, гнезда ПЕРЕДАЧА - ФЛВЧ и соединительный кабель. Одновременно с ЧМ сигналами ТТ на вход аппаратуры ВЧ телефонирования поступают речевые сигналы из спектра которых исключается полоса частот (2,5-2,7) кГц с помощью РФ .ПЕР.
Прием
ЧМ сигналы ТТ с выхода тракта приема аппаратуры ВЧ телефонирования вместе с телефонными сигналами по соединительному кабелю через гнезда ПРИЕМ поступают на вилку фильтров ТГФ.ПР1 с полосой пропускания (2,5-2,7)кГц и РФ ПР с полосой задерживания (2,5-2,7) кГц. С выхода ПФ.ПР I ЧМ сигналы поступают на ЧД, ЛУС, контакты тумблера РАБОТА- НА СЕБЯ, ПФ ПР.2, УС ОГР,УМ.
ЧД преобразует принимаемые ЧМ колебания в двухполюсные посылки постоянного тока, которые усиливаются усилителем постоянного тока и затем поступают в рабочие обмотки телеграфного реле приема К2.
Под воздействием этих посылок якорь реле приема перебрасывается к правому контакту при протекании тока через рабочую обмотку реле приема по часовой стрелке и к левому контакту при протекании тока против часовой стрелки. Якорь реле приема соединен с одним из зажимов подключения приемного телеграфного устройства ТГ.АПП. ПРИЕМ. Неподвижные контакты реле приема соединены: левый - с минусом ЛБ1, правый - с плюсом ЛБ2. Вторые полюса этих батарей подключены к средней точке, которая соединена со вторым зажимом ТГ АПП.ПРИЕМ.
Т.о. при работе аппаратуры П-314М (П-317) на прием с контактной системы реле приема на приемное телеграфное устройство через контакты переключателя режимов, контакты перемычек АПП-КАН, зажимы ТГ.АПП. ПРИЕМ и соединительную линию поступают двухполюсные посылки, которые управляют работой приемника.
Режим II
В качестве оконечных телеграфных устройств применяются стартстопные аппараты, работающие однополюсными посылками. Подключение производится с разделенными цепями передачи и приема. Для установки этого режима переключатель режимов ставится в положение II.
Питание телеграфных цепей передачи и приема в этом режиме можно обеспечивать как со стороны телеграфной станции, так и от выпрямителей блока питания аппаратуры ТТ путем переключения тумблера от АПП -от КАН в положения от АПП или от КАН, расположенного внутри блока БКК.
Передача
Ко второй обмотке реле передачи, называемой обмоткой подмагничивания подключается местный источник питания напряжением 24В, в результате чего по этой обмотке постоянно протекает ток. Он по величине в несколько раз меньше тока в рабочей обмотке и направлен противоположно ему.
При работе передающего телеграфного аппарата в рабочую обмотку реле передачи поступают однополюсные посылки (токовые и бестоковые). Величина токовой посылки регулируется переменным резистором ТОК.ПЕР.
При токовой посылке якорь реле передачи перебрасывается к правому контакту. При бестоковой посылке под действием тока подмагничивания якорь реле передачи перебрасывается к левому контакту.
В результате с контактной системы реле передачи K>1> на вход ЧМ подаются двухполюсные посылки.
Далее элементы тракта передачи аппаратуры ТТ вырабатывают ЧМ сигналы тональной частоты аналогично как в режиме I.
Прием
При приеме, как и в режиме I, двухполюсные посылки с выхода тракта приема аппаратуры ТТ поступают в рабочие обмотки реле приема. Под действием этих посылок якорь реле приема перебрасывается к правому или левому контакту, замыкая или размыкая цепь приемного телеграфного аппарата.
Если цепь замкнута на приемный телеграфный аппарат поступает токовая посылка, если цепь разомкнута - бестоковая посылка.
Режим III
В качестве оконечного телеграфного устройства применяется один стартстопный телеграфный аппарат, который используется как приемо-передающий и работает поочередно на передачу или прием.
Подключение производится без разделения цепей передачи и приема к зажимам ТГ.АПП.ПЕР. Для установки этого режима переключатель режимов ставится в положение III.
Питание телеграфных цепей передачи и приема осуществляется аналогично как в режиме II.
Передача
Телеграфные цепи передачи и приема объединяются в одну, проходящую через обмотку реле передачи, якорь и правый контакт реле приема. При работе телеграфного аппарата на передачу якорь реле приема должен находится у правого контакта, т.е. от противоположной станции должна поступать токовая посылка (на противоположной станции телеграфный аппарат должен стоять "на стопе").
Телеграфная цепь передачи размыкается и замыкается контактами передатчика. В результате с контактной системы реле передачи K>1> на вход ЧМ подаются двухполюсные посылки. Далее элементы тракта передачи аппаратуры ТТ вырабатывают ЧМ сигналы тональной частоты аналогично как в режиме I.
Прием
При приеме контакты передатчика телеграфного аппарата должны быть замкнуты. Телеграфная цепь приема замыкается и размыкается якорем реле приема. В остальном схема работает также, как и в режиме II.
2.1.3 Особенности аппаратуры тонального телеграфирования П-317
Одноканальная аппаратура тонального телеграфирования П-317, как и П-314М, предназначена для получения одной телеграфной связи по телефонному высокочастотному или радиорелейному каналу с сохранением телефонной связи по этому каналу. В отличие от П-314М аппаратура П-317 может быть включена только в канал с эффективной полосой частот до 3,4 кГц. При этом сохраняется телефонный канал более высокого качества.
По принципу действия, блок-схеме, конструкции и правилам эксплуатации аппаратура П-317, по существу, не отличается от аппаратуры П-314М.
Отличие П-317 от П-314М обусловлено только тем, что она занимает в телефонном канале иную, по сравнению с П-314М полосу частот от 3050 до 3250 Гц.
Дополнительное затухание, вносимое в тракт передачи телефонного канала блоком разделительных фильтров аппаратуры П-317, на частоте 800 Гц составляет ±0,05 Нп и не превышает 0,1 Нп на частотах 300—2700 Гц и 0,4 Нп на частоте 2900 Гц
Затухание, вносимое аппаратурой П-317 в тракт приема телефонного канала, не превышает 0,15 Нп на частоте 800 Гц, 0,25 Нп на частотах 300—2700 Гц и 0,4 Нп на частоте 2900 Гц.
Средняя частота телеграфного канала 3150 Гц, девиация частоты 55 Гц.
Плюсовой посылке в режиме работы токами двух направлений или токовой посылке в режиме работы током одного направления соответствует верхняя рабочая частота (3205 Гц), а минусовой или бестоковой посылке—нижняя рабочая частота (3095 Гц).
Предусмотрена возможность изменения этого соотношения на обратное.
2.2.КОМПЛЕКС АППАРАТУРЫ ТОНАЛЬНОГО ТЕЛЕГРАФИРОВНАИЯ П-318М.
2.2.1 Тактико-технические характеристики.
Назначение. Военно-полевая аппаратура тонального телеграфирования П-318М предназначена для образования 4х, 6ти,10ти, 12ти или 16ти телеграфных каналов при работе по каналам ТЧ, образованным проводными, радиорелейными, тропосферными или космическими средствами связи.
Характеристика. Аппаратура П-318М является многоканальной системой тонального телеграфирования с частотной модуляцией несущих колебаний.
В состав комплекса аппаратуры П-318М входят :
а) аппаратура тонального телеграфирования П-318М-6;
б) аппаратура тонального телеграфирования П-318М-4;
в) переходное устройство П-318М-ПУ;
г) устройство телефонно-телеграфного переговора П-318М-УТТП
А также комплект ЗИП, чехлы и эксплуатационная документация.
Электрические характеристики.
Средняя частота любого канала определяется, исходя из следующей зависимости :F>ср>=270+180 n где F>ср> средняя частота, определяемого канала n номер канала.
Девиация частоты для всех каналов одинакова и составляет ± 50 Гц.
Во всех каналах аппаратуры передаче положительной или токовой посылке соответствует верхняя характеристическая частота (F>ср> + 50Гц), отрицательной или бестоковой - нижняя (F>ср> - 50Гц) (рис. 12)

Ширина полосы каждого канала 140 Гц, плюс по 20 Гц с каждой стороны на расфильтровку - итого 180 Гц (рис. 13)

Номинальная скорость телеграфирования 75 бод. Аппаратура допускает повышение скорости телеграфирования до 100 бод с небольшим увеличением краевых искажений телеграфных посылок.
Уровень сигнала на выходе тракта передачи и на входе тракта приема по каждому телеграфному каналу при работе 16-ю каналами -20 дб (-2,3 Нп), а при работе 6,10 или 12-ю каналами– 24,3 дб (-2,8 Нп)
Аппаратура П-318М может подключаться к каналу ТЧ в точках с уровнем - 13 дб (-1,5 Нп) для тракта передачи и 4,34 дб (+0.5 Нп) для тракта приема или в точках с уровнем –3.5 дб (-0,4 НП) для тракта приема и передачи.
Дальность связи определяется дальностью действия каналообразующей аппаратуры. При необходимости дальность связи может быть увеличена путем организации переприемов, максимальное число которых должно быть не более 3-х. Каналообразующая аппаратура, каналы которой уплотняются аппаратурой П-318М, должна работать в режиме 4 пр ТВ (4 пр ТР).
При работе П-318М-4 по физической линии аппаратура перекрывает затухание 22 дБ (2,5 Нп), что соответствует, учитывая километрическое затухание дальности, по кабелю П-274(α = 0,13 Нп/км) до 15,20 км.
Боевое применение. Система тонального телеграфирования П-318М-6 устанавливается на стационарных узлах связи, а также входит в состав комплекта аппаратных ПУС типа П-254,Р-454 ОПМ и др.
Питание аппаратуры осуществляется от сети переменного тока напряжением 127 или 220 в.
Боевые возможности.
Аппаратура П-318М-6 позволяет образовать 6 телеграфных каналов в полосе частот 380-1420Гц или 1460-2500Гц. (рис.14)

Аппаратура П-318М-4 позволяет образовать 4 телеграфных канала в полосе частот 1640-2320Гц или 2540-3220Гц и рассчитана на работу как по 4-х проводному телефонному каналу, так и по двухпроводной физической цепи.
Упаковки П-318М-6 и П-318М-4 являются основными и могут работать одна независимо от другой, обеспечивая получение соответственно 6-ти или 4-х каналов.
При необходимости упаковки П-318М-4 и П-318М-6 могут работать встречно, т.е. могут быть включены на разных концах телефонного канала, обеспечивая при этом получение 4-х телеграфных каналов в полосе частот 1640-2320Гц. (рис.15)

Для получения 10,12,16 телеграфных каналов в одном телефонном канале упаковки П-318М-6 и П-318М-4 соединяются в рабочий комплект в соответствующем количестве.
Кроме того, при образовании 10,6 и 4-х телеграфных каналов, есть возможность образовать телефонную служебную связь в спектре частот
300-1300Гц. (рис.16)
Входы и выходы телеграфных каналов аппаратуры П-318М-6, П-318М-4 двухполюсные.
Переходное устройство П-318М-ПУ предназначено для согласования двухполюсных входов и выходов аппаратуры тонального телеграфирования с оконечными аппаратами, работающими током одного направления.
Один комплект П-318М-ПУ обеспечивает работу 3-х телеграфных каналов при подключении к ним телеграфных аппаратов типа СТ, обеспечивая при этом работу П-318М дуплексом(режим II) или симплексом(режим III).
Устройство телефонно-телеграфного переговора П-318М-УТТП предназначено для обеспечения служебного телеграфного переговора по телеграфным каналам аппаратуры П-318М-6 или П-318М-4 и для обеспечения служебного телефонного переговора в неиспользуемой для телеграфных связей полосе частот телефонного канала 300-1300Гц.
Устройство П-318М-УТТП рассчитано на совместную работу с аппаратурой П-318М-6 и П-318М-4. Аппаратура П-318М может выпускаться в пяти видах комплектации (табл.1).
Таблица 1.
|
№ п/п |
Наименование комплекта |
Кол-во Кан. |
Состав комплекта |
|||
|
П-318М-6: П-318М-4: П-318М-ПУ: П-318М-УТТП |
||||||
|
I. |
П-318М-А |
12 |
2 |
- |
2 |
1 |
|
2. |
П-318М-В |
16 |
2 |
1 |
3 |
1 |
|
3. |
П-318М-Б |
6 |
I |
- |
1 |
1 |
|
4. |
П-318М-Г |
10 |
I |
1 |
2 |
1 |
|
5. |
П-318М-Д |
4 |
- |
1 |
1 |
1 |
|
6. |
Вес |
75 |
75 |
25 |
27 |
|
|
7. |
Потребл. Мощн. |
100 |
100 |
45 |
50 |
2.2.2 Принцип формирования линейного спектра
аппаратуры П-318М
Принцип формирования линейного спектра рассмотрим на примере образования его в 16-ти канальном комплекте П-318М т.к. он наиболее полно отражает картину всех преобразований. В основу формирования линейного спектра аппаратуры П-318М положен принцип образования стандартной (исходной) 6-ти канальной группы, занимающей спектр 1460-2500 Гц. Основная стандартная 6-ти канальная группа составлена из спектров частот 7-12 каналов, каждый из которых образуется путем модуляции несущих колебаний с частотой 1530, 1710,1890, 2070, 2250, 2430 Гц. соответственно для 7,8,9, 10,11 и 12 каналов.
Спектр частот сигналов основной группы каналов поступает на вход канала ТЧ без преобразований (Реж.- Б).
Спектр частот 1-6 каналов образуется при установке аппаратуры в режим А путем модуляции несущего колебания 2880 Гц. спектром основной группы и выделением нижней боковой полосы на выходе группового преобразователя. (Рис.17)

Полученный спектр занимает полосу от 380 Гц. до 1420Гц. Для образования 12 каналов нужно две упаковки П-318М-6.
Спектр 13-16 каналов получается путем модуляции несущего колебания с частотой 4860Гц. спектром 4-х каналов (8,9,10,11) основной группы (1640-2320Гц) и выделением нижней боковой полосы на выходе преобразователя (рис.18)

Полученный спектр размещается в полосе частот 2540 Гц – 3220 Гц. Для образования 13-16 каналов необходимо иметь упаковку П-318М-4 (Реж. Б)
Таким образом полный спектр, занимаемый всеми 16-ю каналами размещается в полосе частот 380 – 3220 Гц. (Рис. 19)
Структурная схема включения комплектов аппаратуры П-318М для организации 16 телеграфных каналов и режимы их работ показаны на рис. 20.

2.2.3 Режимы работы аппаратуры П-318М
Наличие группового оборудования позволяет включать аппаратуру
П-318М-6 в четырех режимах.
Режим А - передача и прием с преобразованием.
Режим Б - передача и прием без преобразования
Режим
-
передача с преобразованием, прием без
преобразования.
Режим
-
передача без преобразования, прием с
преобразованием.
Установка режимов осуществляется 24-контактными коммутационными колодками на блоке переключения режимов. Выбор режимов работы определяется условиями эксплуатации.
Режим - А. Обе упаковки П-318М-6 на противоположных концах телефонного канала, устанавливаются в режим А.
Передача и прием всех 6-ти телеграфных каналов будет осуществляться в полосе частот 380-1420Гц. (рис.21 )

Режим - Б. обе упаковки П-318М-6 на противоположных концах телефонного канала, устанавливаются в режим Б.
Передача и прием всех 6-ти телеграфных каналов будет осуществляться в полосе частот 1460-2500Гц. (рис. 22 )
Режим Б

При организации 12 каналов по одному телефонному каналу на каждой оконечной станции устанавливается комплект П-318М-А, имеющий в своем составе 2 упаковки П-318М-6, одна из упаковок работает в режиме "А", а вторая - в режиме "Б". (рис. 23)

Упаковки П-318-6 на одной оконечной станции соединяются между собой двумя шнурами, гнезда "Пер." П-318М-6, на правой боковой стенке, одной упаковки соединяются с аналогичными гнездами другой упаковки, также шнуром соединяются и гнезда "прием".
Упаковка, непосредственно подключаемая к каналу ТЧ, называется «ведущей». Упаковка, подключаемая к «ведущей», называется «ведомой». Переключатель на блоке линейного оборудования "6; 12/16; ведом" "ведущей" упаковки ставится в положение "12/16", при этом линейное оборудование этой упаковки участвует в формировании общего сигнала. Выходной сигнал 12-и телеграфных каналов снимается на линейном щитке "ведущей" упаковки, на клеммах "ТЛФ КАН", "ПЕР", "ПР". Переключатель на блоке линейного оборудования “ведомой” упаковки "6, 12/16; ведом" ставится в положение "ведом". В качестве ведущей может быть выбрана любая из упаковок.

Структурная схема включения "ведущей" и "ведомой" у паковок, аппаратуры П-318М в канал связи образованный аппаратурой П-303 показана на рис.20
Режим
или
.
Смешанный режим
или
выбирается, в основном, при работе
аппаратуры по 4-проводной кабельной
линии с целью уменьшения возможного
влияния переходных токов с передачи на
свой прием.

При этом,
если упаковка, например, на ближнем
конце линии ставится в режим
,
то упаковка на дальнем конце линии
ставится в режим
(рис.24)
В смешанном режиме можно обеспечить по
телефонному каналу работу только
шестью каналами.
Такие же режимы работы обеспечиваются в аппаратуре П-318М-4.
2.2.4 Общее устройство П-318М-6
Аппаратура П-318М-6 выполнена в одной упаковке со съемной передней крышкой. Запасные и съемные части, необходимые для развертывания и настройки аппаратуры, располагаются внутри крышки и в ящике ЗИП.
На правой боковой стенке упаковки расположены 4-х контактные колодки для соединения ее со второй 6-ти канальной упаковкой или 4-х канальной упаковкой и 30 контактные колодки для соединения П-318М-6 с ПУ. Конструктивно все узлы П-318М-6 смонтированы в 25 отдельных блоках (рис. 25):
- шесть блоков передатчиков (Пер) .
- шесть блоков приемников (Пр)
- шесть блоков коммутации каналов (БКК)
- блок питания (Пит)
- блок группового оборудования передачи (Гр. пер-1)
- блок группового оборудования приема (Гр. пр-1)
- блок генератора несущей частоты (Ген. нес.2880)
- блок линейного оборудования (Лин. об)
- блок переключения режимов (Реж)
измерительный блок (Изм).
|
П ПР. |
ПР. |
ПР. |
ПР. |
ПР. |
ПР. |
|
П-318М-6 ГРПер. |
ГР Пер. |
Ген. нес 2880 |
ИЗМ |
Реж |
|
|
БКК |
БКК |
БКК |
БКК |
БКК |
БКК |
|
ПИТ |
ЛИН ОБ |
||||
|
Пер. |
пер. |
Пер. |
Пер. |
Пер. |
пер. |
|
П-318М-4 ПР. |
ПР. |
ПР. |
ПР. |
ДК-2,5 |
|
ГР Пер. |
ГР пер. |
Ген. нес. 4850 |
ИЗМ |
|
|
БКК |
БКК |
БКК |
БКК |
Реж |
|
ПИТ |
Лин 0,5 |
|||
|
Пер. |
Пер. |
Пер. |
Пер. |
ДК-1,4 |
Рис. 25
2.2.5 Структурная схема аппаратуры П-318М-6
На представленной структурной схеме аппаратуры П-318М-6 (рис.50) показано индивидуальное, групповое, линейное оборудование, генератор на 2880 Гц. и вспомогательные устройства (датчик точек, измерительный прибор).
Индивидуальное оборудование всех каналов П-318М-6 имеет одинаковые структурные схемы, поэтому на данной схеме оно изображено лишь для одного канала. Групповое оборудование является общим для всех каналов. Часть группового оборудования, которая не зависит от режима работы аппаратуры называется линейным оборудованием.
1) Состав и назначение элементов индивидуального оборудования
Индивидуальное оборудование аппаратуры П-318М-6 состоит из индивидуального оборудования шести каналов. Индивидуальное оборудование каждого канала имеет блок передатчика, блок приемника и блок коммутации канала.
Тракт передачи предназначен для преобразования двухполюсных посылок постоянного тока в частотно-модулированные колебания. Он включает в себя телеграфную цепь передачи, частотный модулятор, генератор, усилитель передачи и полосовой фильтр передачи. Эти элементы расположены в блоке ПЕР канала. В блоке БКК расположены элементы ТГ цепи.

Двухполюсные посылки постоянного тока от передатчика ТГ устройства или от переходного устройства П-318М-ПУ через гнезда ПЕР, АПП-КАН. и контакты переключателя рода работы канала в положении РБТ поступают на вход частотного модулятора. Величину тока в телеграфной цепи передачи можно регулировать потенциометром ТОК ПЕР.
Частотный модулятор изменяет частоту генератора в соответствии с поступающими посылками постоянного тока.
Генератор канала генерирует колебания с частотой F>ncp>+50 Гц при положительной посылке или F>ncp>-50 Гц при отрицательной посылке. При отсутствии тока в телеграфной цепи генератор генерирует колебания средней частоты канала, чем устраняется возможность появления преобладаний, неизбежных в двухчастотном генераторе.
Усилитель передачи усиливает частотно-модулированные колебания и устраняет влияние последующих элементов схемы на частоту генератора.
Полосовой фильтр передачи предотвращает влияние неиспользуемых составляющих спектра ЧМ сигнала данного канала на соседние каналы, подавляя их. Выходы полосовых фильтров всех каналов соединены параллельно. Каждый из полосовых фильтров рассчитан на пропускание спектра частот только своего канала.
Тракт приема предназначен для преобразования ЧМ колебаний в двухполюсные посылки постоянного тока. Он включает в себя полосовой фильтр приема ПФ.ПР., усилитель-ограничитель УС-ОГР., частотный детектор, электронное реле приема и телеграфную цепь приема. В блоке приемника канала расположены все элементы индивидуального оборудования тракта приема, за исключением элементов телеграфной цепи и электронного реле, которые расположены в блоке БКК.
Полосовой фильтр приема необходим для выделения из общего спектра частот составляющих, соответствующих данному каналу.

Усилитель-ограничитель обеспечивает необходимую мощность сигналов на входе частотного детектора. Благодаря глубокому ограничению амплитуд достигается постоянство этой мощности и устраняется паразитная амплитудная модуляция, вызванная действием помех.
Частотный детектор преобразует частотно-модулированные колебания в импульсы постоянного тока.
Потенциометр РЕГ.КАН., который находится в блоке ПР. канала, позволяет устранять преобладания телеграфных импульсов, вносимых каналом тонального телеграфирования.
Реле приема в соответствии с принимаемыми телеграфными импульсами коммутирует выход выпрямителя ± 60 в аппаратуры П-318М-6 в линейную цепь приема.
2) Состав и назначение элементов группового оборудования
Групповое оборудование аппаратуры П-318М-6 состоит из тракта передачи, тракта приема и генератора несущей частоты 2880 Гц., общего для передающего и приемного тракта.
Элементы группового оборудования тракта передачи расположены в блоке ГР.ПЕР-1, тракта приема в блоке ГР. ПР-1 и генератора 2880 Гц в блоке ГЕН.НЕС.2880. Групповое оборудование передачи и приема может работать как в режиме с преобразованием (режим А), так и в режиме без преобразования (режим Б).
Групповое оборудование тракта передачи режима А содержит групповой преобразователь передачи ГР.ПР.ПЕР., групповой фильтр передачи ГФНЧ, групповой усилитель передачи ГР.УС.ПЕР. Групповой преобразователь передачи совместно с групповым фильтром обеспечивает преобразование спектра исходной группы каналов (712) 1,484 2,48 кГц в спектр производной группы каналов (16) 0,41,4кГц. Несущая частота группового преобразования 2880 Гц.
Групповой усилитель передачи обеспечивает необходимый уровень передачи сигналов на выходе группового оборудования в режиме А.
Групповое оборудование тракта передачи режима Б состоит лишь из удлинителя передачи ГР.У.ДЛ. ПЕР., который обеспечивает установку такого же уровня сигналов на входе линейного оборудования, как и при работе аппаратуры П-318М-6 в режиме А.
Групповое оборудование тракта приема режима А состоит из группового фильтра приема первой группы каналов 1 6 (ГФ.НЧ.ПР.), первого группового усилителя приема (ГР, УС.ПР-1), группового преобразователя приема (ГР.ПР.ПР.), фильтра нижних частот (ФНЧ) и второго группового усилителя приема (ГР.УС.ПР-2).
Групповой фильтр приема первой группы каналов 16 пропускает сигналы в полосе 0,31,42 кГц и подавляет сигналы основной группы 712 (1,462,5 кГц) и третьей 1316 (2,54З,22 кГц) групп.
Первый групповой усилитель приема обеспечивает необходимую величину уровня сигналов, подаваемых на вход преобразователя.
Групповой преобразователь приема предназначен для преобразования спектра частот первой группы каналов 16 в спектр частот основной группы каналов 712 . Групповая несущая частота 2880Гц.
Фильтр нижних частот, включенный на выходе группового преобразователя, подавляет неиспользуемую верхнюю боковую
полосу частот, предотвращая этим перегрузку второго группового усилителя приема.
Второй групповой усилитель приема является общим для режимов А и Б и обеспечивает необходимое усиление сигналов в спектре (1,462,5кГц).
Групповое оборудование тракта приема режима Б состоит из группового фильтра приема второй группы каналов 712 (1,482,48 кГц) (ГФ ПР-2) и второго группового усилителя приема (ГР.УС. ПР-2)
Групповой фильтр приема второй группы каналов 712 пропускает сигналы в полосе 1,462,5 кГц и подавляет спектры первой 16 и третьей 1316 групп каналов.
При работе аппаратуры в режиме А ПЕР/Б ПР в тракте передачи используется групповое оборудование режима А, а в тракте приема - режима Б. Для режима Б ПЕР/А ПР, наоборот в тракте передачи включается групповое оборудование режима Б, а в тракте приема - режима А.
3) Состав и назначение элементов линейного оборудования
Элементы линейного оборудования расположены в блоке ЛИН.ОБ.
Линейное оборудование состоит из тракта передачи и тракта приема.
Линейное оборудование тракта передачи включает дифференциальный трансформатор ДТ, удлинитель У, переменный удлинитель передачи У.ПЕР., линейный трансформатор передачи ЛТ. ПЕР., переключатель "6-12/16-ВЕДОМ".
Дифференциальный трансформатор предназначен для исключения взаимного влияния совместно работающих упаковок и согласованного их включения с последующими узлами аппаратуры.
Удлинитель У снижает уровень передачи на 0,5 Нп (4,3 дБ) при работе в 10,12 или 16 канальном режиме.
Переменный удлинитель передачи обеспечивает установку номинального уровня сигналов на входе тракта передачи канала ТЧ при различных затуханиях соединительной линии. Затухание этого удлинителя изменяется от 0 до 1,6 Нп ступенями через 0,2 Нп.
Линейный трансформатор передачи обеспечивает согласование тракта передачи аппаратуры П-318М-6 с входом канала ТЧ.
В линейное оборудование тракта приема входит линейный трансформатор приема ЛТ.ПР, переменный удлинитель приема У .ПР, удлинитель У, дифференциальный трансформатор ДТ., переключатель "6-12/16-ВЕДОМ".
Линейный трансформатор приема обеспечивает согласование выхода канала ТЧ с трактом приема аппаратуры П-318М-6.
Переменный удлинитель приема обеспечивает возможность установки номинального уровня сигнала на входе тракта приема аппаратуры П-318М-6 при подключении в тракт приема канала ТЧ, как в точки с уровнем - 0,4Нп (-3,4дБ), так и в точки с уровнем + 0,5Нп (+4,3 дБ ). Затухание удлинителя изменяется от 0 до 1, 6 Нп ступенями через 0,2 Нп.
Удлинитель "У" выключается из тракта приема при работе в 10,12 и 16 канальном режимах. Этим сохраняется постоянство внутренней диаграммы уровней тракта приема аппаратуры не зависимо от количества каналов тонального телеграфирования,
Дифференциальный трансформатор приема предназначен также как в тракте передачи для согласованного включения упаковок и для исключения взаимного влияния при их совместной работе.
Линейное оборудование шестиканальной упаковки используется только в случаях когда она работает самостоятельно или является ведущей. Переключатель "6-12/16-ВЕДОМ" устанавливается в положение 6 и 12/16 соответственно. При этом упаковка подключается непосредственно к каналу ТЧ. При работе упаковки в качестве ведомой переключатель "6-12/16-ВЕДОМ" - "ВЕДОМ" ее линейное оборудование отключается. В этом случае ведомая упаковка подключается к ведущей четырехпроводными шнурами к гнездам ПЕР.,ПР на блоке аппаратуры.
4) Вспомогательные устройства.
К вспомогательным устройствам шестиканальной упаковки относятся:
-датчик двухполюсных посылок;
- измерительный прибор;
- сигнализатор понижения уровня.
Вспомогательные устройства обеспечивают возможность настройки ТГ каналов, проверки исправности индивидуального оборудования каждого канала в отдельности и аппаратуры в целом, и постоянного контроля за исправностью канала ТТ.
Для настройки ТГ каналов и проверки исправности в упаковке предусмотрены датчик двухполюсных посылок -датчик точек, измерительный прибор и контрольные гнезда в тракте передачи и приема.
Контроль за исправностью канала ТТ производится сигнализатором, обеспечивающим световую и звуковую сигнализацию при понижении уровня сигнала больше чем на 2Нп. Кнопка отключения звуковой сигнализации расположена на блоке ЛИН.ОБ.
Прохождение телеграфных сигналов в тракте передачи и приема в различных режимах работы аппаратуры
1) Передача телеграфных сигналов.
К
каналам аппаратуры П-318М-6 непосредственно
подключаются телеграфные устройства
работающие двухполюсными посылками
постоянного тока. При необходимости
подключения к аппаратуре стартстопных
телеграфных аппаратов (СТА-2М) последние
включаются через блоки переходных
устройств упаковки
П-318М ПУ.
Таким образом, во всех случаях на вход трактов передачи каналов поступают двухполюсные посылки постоянного тока. Эти посылки через гнезда ПЕРЕДАЧА АПП-КАН и контакты переключателя рода работы канала поступают на частотный модулятор.
Частотный модулятор управляет работой генератора. Под воздействием телеграфных посылок положительной и отрицательной полярности средняя частота генератора изменяется до значения верхней или нижней характеристической частоты соответственно, частотно-модулированные колебания поступают на усилитель, усиливаются и через полосовой фильтр передачи, тумблер "РБТ-"НА СЕБЯ" в положении РБТ поступают в групповой тракт передачи.
Выходы всех шести фильтров соединены параллельно, каждый из полосовых фильтров рассчитан на пропускание характеристических частот только своего канала.
В режиме А сигналы исходной группы 7-12 телеграфных каналов с выхода индивидуального оборудования поступают на групповой модулятор. На второй вход модулятора подается несущая частота 2880Гц. В результате работы группового преобразователя на его выходе образуется две боковые полосы. НБП (380-1420)Гц и ВБП (436О-5360)Гц.
Верхняя боковая полоса подавляется групповым фильтром передачи нижних частот. Колебания НБП поступают на усилитель передачи и усиливаются до номинального уровня, затем через контакты переключателя "6-12/16-ВЕДОМ" поступают в тракт передачи линейного оборудования.
В режиме Б сигналы исходной группы 712 каналов (1,462,5) кГц с индивидуального оборудования поступают в линейное оборудование без преобразования через удлинитель. Затухание удлинителя подбирается таким, чтобы уровень сигналов на входе линейного оборудования был номинальным как в режиме А.
При нахождении переключателя режима линейного оборудования в положении 6 частотно-модулированные колебания поступают на дифференциальный трансформатор ДТ и через переменный удлинитель передачи "У" линейный трансформатор ЛТ поступают в тракт передачи канала тональной частоты. С помощью переменного удлинителя передачи "У" устанавливается номинальный уровень сигналов на входе тракта передачи канала ТЧ.
При установке переключателя режима работы линейного оборудования в положение "ВЕДОМ" линейное оборудование отключается и частотно-модулированные колебания через гнездо ПЕР-1. с помощью соединительных шнуров подаются на линейное оборудование второй (ведущей) упаковки П-318М-6.Переключатель режима линейного оборудования "ведущей" аппаратуры П-318М-6 устанавливается в положение 12/16. При этом сигналы от группового оборудования "ведомой" аппаратуры через соединительные шнуры и гнезда ПЕР-1 поступают на вход линейного оборудования (трансформатор ДТ) "ведущей" упаковки. Суммарные сигналы двух упаковок через линейное оборудование ведущей" аппаратуры, переключатель режима линейного оборудования в положении 12/16, поступают в тракт передачи канала ТЧ. При этом дополнительно в цепь передачи включается удлинитель У который снижает уровень на 0,5 НП при работе в 10,12 или 16 канальное режиме с целью исключить перегрузку канала ТЧ.
2) Прием телеграфных сигналов.
С тракта приема канала тональной частоты через зажимы линейного щитка «Телеф.Канал.Пр», разделительные гнезда "РБТ-НА СЕБЯ" соединенные в положении РБТ частотно-модулированные телеграфные сигналы поступают на вход тракта приема линейного оборудования - линейный трансформатор (ЛТ), который согласует выход канала ТЧ с входом аппаратуры П-318М-6. Со вторичной обмотки линейного трансформатора сигналы поступают на регулируемый удлинитель "УДЛ.ПР" и через удлинитель У (0,5 Нп) на дифференциальный трансформатор ДТ. Удлинитель У выключается, если аппаратура работает в режиме 12/16 как "ведущая", и через ее линейное оборудование проходят сигналы групп каналов других "ведомых" упаковок (П-318М-6) (П-318М-4). Этим достигается постоянство уровня принимаемых сигналов на входе группового оборудования приемного тракта при переходе от режима работы "6" к режиму 12/16. С дифференциального трансформатора сигналы поступают на вход группового оборудования приема через переключатель "6-12/16-ВЕДОМ" в положении 6, 12/16. В положении переключателя "ВЕДОМ" (линейное оборудование отключено) сигналы подаются на вход группового оборудования с линейного оборудования (гнездо ПР-1) "ведущей упаковки" по шнурам, соединяющим "ведущую" и "ведомую" аппаратуры.
В зависимости от режима работы на входе группового оборудования сигналы могут разветвляться но двум направлениям. В режиме А сигналы шести телеграфных каналов, имеющих полосу частот 380-1420 Гц поступают через групповой фильтр с полосой пропускания до 1420 Гц на вход предварительного группового усилителя. Усиленные сигналы поступают на демодулятор. На демодулятор также подаются колебания несущей частоты 2880Гц. На выходе демодулятора будут преобразованные сигналы НБП 1460-2500 Гц и ВБП 3280-4280 Гц. Фильтр нижних частот пропускает колебания НБП и подавляет колебания ВБП и остаток несущей. Так происходит восстановление поло-

сы частот исходной группы 7-12 каналов 1460-2500 Гц. Далее сигналы поступают на групповой усилитель ГУС ПР-2 и усиливаются до номинальной величины.
В режиме Б сигналы, имеющие полосу 1460-2500 Гц поступают на второй групповой усилитель ГУС ПР-2 без преобразования через групповой полосовой фильтр.

На входе индивидуального оборудования параллельно включены канальные полосовые фильтры, которые пропускают колебания в полосе частот только своего канала, исключая влияние сигналов соседних каналов.
С канальных фильтров сигналы поступают на усилители-ограничители. Усилитель-ограничитель каждого канала усиливает сигналы до номинального уровня и устраняет паразитную амплитудную модуляцию. С усилителя-ограничителя частотно-модулированные колебания поступают на частотный детектор, который преобразует их в двухполюсные посылки постоянного тока. Эти посылки соответствуют посылкам постоянного тока при передаче на противоположной станции, однако, мощность их недостаточна для управления приемником телеграфного устройства. Поэтому эти посылки подаются на приемное реле, которое коммутирует выход выпрямителя 60 в на линейную цепь приемного ТГ устройства. На приемное телеграфное устройство или ПУ(318М-ПУ) будут поступать двухполюсные посылки постоянного тока.
2.3. КОМПЛЕКС АППАРАТУРЫ ТОНАЛЬНОГО ТЕЛЕГРАФИРОВАНИЯ П-327
2.3.1.Возможности комплекса аппаратуры тонального телеграфирования п-327
Комплекс аппаратуры тонального телеграфирования П-327 предназначен для образования телеграфных каналов и низкоскоростных каналов передачи данных на сетях и линях прямых связей различных звеньев управления.
В состав комплекса входят:
аппаратура П-327 -12;
аппаратура П-327 -3;
аппаратура П-327 -2;
аппаратура П-327 -ПУ6;
аппаратура П-327 -ПУ1;
аппаратура П-327 -ТПУ;
Комплекс П-327 принят вооружение взамен аппаратуры тонального телеграфирования П-318М. Благодаря применению современной цифровой элементной базы и новых технических решений удалось повысить качество телеграфной связи, упростить процесс эксплуатации аппаратуры, снизить массогабаритные показатели.
В аппаратуре комплекса используется кварцевый задающий генератор, цифровой метод деления частоты, автоматическая компенсация преобладаний. Вместо традиционного безобрывного частотного модулятора в П-318М, в котором модуляция осуществляется за счет изменения параметров резонансного контура генератора, в П-327 применен частотный модулятор, в котором частотно-модулированные колебания получают методом коммутации частот. Двухконтурный частотный детектор в комплексе заменен на цифровой частотный детектор. Многие блоки различных изделий комплекса максимально унифицированы и взаимозаменяемы. Достижению широкой унификации способствовало применение базового принципа построения аппаратуры, при котором индивидуальное оборудование для всех каналов полностью одинаково. Кроме индивидуального оборудования в комплексе унифицировано генераторное и линейное оборудование электропитания. В телеграфных цепях аппаратуры комплекса полностью исключены электромеханические реле.
2.3.2.Тактико - технические характеристики комплекса аппаратуры П-327
Аппаратура П-327 -12 обеспечивает получение 12-ти 100-бодных каналов ТТ в одном типовом канале тональной частоты или по 6 каналов ТТ в двух типовых каналах ТЧ. В шестиканальном режиме обеспечивается возможность подключения к каждому полукомплекту аппаратуры П-327-12 телефонного переговорного устройства П-327-ТПУ.
Аппаратура П-327 -12 может работать с аппаратурой П-318М-6.
Аппаратура П-327 -3 позволяет образовать 3 200-бодных канала ТТ в типовом канале ТЧ. Предусмотрена возможность работы по одному каналу ТЧ двух комплектов П-327-3. При этом образуется 6 200-бодных каналов ТТ.
Аппаратура П-327 -2 дает возможность получить 2 100-бодных канала ТТ в одном типовом канале ТЧ при работе с однотипной аппаратурой или 1-75-бодный канал при работе с аппаратурой П-314М или П-317. Во всех вышеперечисленных режимах обеспечивается получение в канале ТЧ кроме каналов ТТ одного телефонного канала. Эффективно передаваемая полоса частот (ЭППЧ) этого канала при работе с однотипной аппаратурой и аппаратурой П-317М равна 0,3-2,5 кГц, а при работе с аппаратурой П-314М - 0,3-2,5кГц. При работе с аппаратурой П-314М возможно использование не только типового канала ТЧ, но и канала ТЧ с эффективно передаваемой полосой частот 0,3-2,7 кГц.
Аппаратура П-327-2 может работать непосредственно по двухпроводной физической цепи, обеспечивая образование 1-го 100-бодного канала ТТ с сохранением телефонного канала. Телефонный канал при этом получается двухпроводным, имеет ЭППЧ до 2,7 кГц и может использоваться в телефонных сетях МБ, ЦБ, АТС.
Каналы тонального телеграфирования комплекса П-327 рассчитаны на подключение телеграфных устройств и аппаратуры передачи данных, работающих токами двух направлений с разделенными цепями передачи и приема. (Режим I). Для подключения телеграфных аппаратов, работающих током одного направления, как с разделенными (Режим II), так и с неразделенными цепями передачи и приема (Режим III) используются переходные устройства (ПУ), размещенные в аппаратуре П-327-ПУ1 (одно переходное устройство) и в П-327-ПУ6 (шесть переходных устройств). Кроме того, имеется одно ПУ в комплекте аппаратуры П-327-2, которое обеспечивает возможность работы однополюсных телеграфных аппаратов по одному (второму) каналу этой аппаратуры.
Каналы ТТ комплекса П-327 являются асинхронными, т.е. скорость передачи по ним может быть любой в интервале 0-100 или 200 Бод.
Аппаратура П-327-ТПУ включает в себя 6 телефонных переговорных устройств (ТПУ) и предназначена для получения 6 служебных телефонных каналов по шести каналам ТЧ. Каждое ТПУ занимает в канале ТЧ полосу частот 0,3 -1,6 кГц и может работать совместно с П-327-12, установленной в шестиканальный режим, или с П-327-3.
В состав каждого комплекта П-327-12, П-327-3, П-327-2 кроме основной аппаратуры, входят одиночный ЗИП, съемные детали в ящике и эксплутационная документация.
Дальность связи по каналам ТТ комплекса определяется дальностью действия используемого канала ТЧ. При необходимости она может быть увеличена путем организации телеграфных переприемов, число которых не должно превышать трех.
Дальность связи для аппаратуры П-327-2, работающей по физической цепи, определяется затуханием соединительной линии, которое не должно превышать 8дБ. Такое затухание имеет : кабель П-274М длинной 4 км, П-268М длиной 8 км и ПТРК длиной 3 км.
Соединительные линии для аппаратуры П-327 к телеграфной аппаратуре могут быть как двухпроводными, так и однопроводными(провод - земля), максимальная длина этих линий может быть до 6 км по кабелю П—274М и 11 км по кабелю ПТРК.
Электропитание аппаратуры осуществляется:
- от сети переменного тока частотой 50Гц и напряжением 220В;
- от сети переменного тока частотой 400Гц и напряжением 115В.
Аппаратура П-327 и П-327-2, кроме того, может питаться от источника постоянного тока с напряжением 27В.
Мощность, потребляемая аппаратурой и масса приведены в таблице 2.
Таблица 2
|
Аппаратура |
Потребляемая мощность |
Масса аппаратуры, кг. |
|
|
От источника переменного тока ВА |
От источника постоянного тока ВТ |
||
|
П-327-12 |
100 |
- |
55 |
|
П-327-3 |
40 |
25 |
25 |
|
П-327-12 |
60 |
60 |
25 |
|
П-327-ТПУ |
30 |
- |
20,5 |
|
П-327-ПУ6 |
165 |
- |
25 |
|
П-327-ПУ1 |
35 |
- |
7,5 |
Питание телеграфных цепей передачи в I режиме осуществляется со стороны телеграфной станции. Телеграфные цепи приема питаются со стороны аппаратуры П-327. При использовании переходного устройства (II, III режимы) цепи передачи и приема питаются от переходного устройства.
2.3.3 Электрические характеристики
Режимы работы аппаратуры
Аппаратура П-327 является аппаратурой тонального телеграфирования с частотной модуляций. В зависимости от того, какой спектр частот занимает аппаратура тонального телеграфирования в канале ТЧ, каждый тип аппаратуры П-327 имеет соответствующие режимы работы, которые принято называть «режимами работы аппаратуры» .
Аппаратура П-327-12 имеет четыре режима работы:
1ТЧ - для работы с аналогичной аппаратурой по одному каналу ТЧ;
2ТЧ - для работы с аналогичной аппаратурой по двум каналам ТЧ;
I ТЧ (П-318М) - для работы с аппаратурой старого парка П-318М по одному каналу ТЧ;
2 ТЧ (П-318М) - для работы с аппаратурой старого парка П-318М по двум каналам ТЧ.
Режим работы 1ТЧ используется при работе по одному каналу тональной частоты (см. рис 33а). При этом обеспечивается получение 12 телеграфных каналов в полосе частот 0,3-3,4 кГц.
Полоса частот каждого телеграфного канала равна 160Гц. Характеристические (верхние и нижние)частоты в канале определяются формулами :
f>нn> = 180 + 240n (1)
f>вn> = 300 + 240n (2)
где f>нn > и f>вn> нижняя и верхняя характеристические частоты n - го канала.
Режим работы 2ТЧ предназначен для работы аппаратуры П-327-12 по двум каналам ТЧ. При этом аппаратура схемно разделяется на две независимые части, каждая из которых работает по отдельному каналу ТЧ, образуя в нем 6 телеграфных каналов в полосе частот 1,8-3,4кГц (рис. 33в). Полоса частот 0,3-1,6кГц может быть использована для образования служебной телефонной связи с помощью аппаратуры П-327-ТПУ.
Характеристические частоты каналов остаются такими же, как и в режиме 1ТЧ.
Режим работы 1ТЧ (П-318М) используется при работе аппаратуры П-327-12 по одному каналу ТЧ с аппаратурой старого парка П-318М. Число телеграфных каналов равно 12 (см.рис.33б.). Ширина полосы частот, занимаемой одним телеграфным каналом, равна 140 Гц. Характеристические частоты определяются формулами:
f>нn> = 330 + 180n
f>вn> = 210 + 180n где n – номер канала.
Режим работы 2ТЧ (П-318М) предназначен для работы аппаратуры П-327-12 по двум каналам ТЧ с аппаратурой старого парка П-318М. Число телеграфных каналов равно шести. (см.рис.33.2).
Характеристические частоты каналов и девиация остаются такими же как и в режиме 1ТЧ (П-318).
Аппаратура П-327-3 имеет три режима работы:
Б;
Б (ВД);
А(ВМ);
План частот аппаратуры П-327-3 в различных режимах работы представлен на рис. 34
Режим «Б» предназначен для работы аппаратуры по одному каналу ТЧ с образованием трех телеграфных каналов в полосе частот 1,8-3,4кГц. (рис.34а).
Режим Б (ВД) - (ВД - ведущая) используется для образования трех телеграфных каналов в полосе частот 1,8 - 3,4 кГц с возможностью совместного включения двух комплектов аппаратуры П-327-3 (режим Б(ВД) и А(ВМ)) или П-327-ТПУ (рис.34б). Совместное включение двух комплектов П-327-3 применяется с целью образования 6 телеграфных каналов.
Режим А (ВМ) - (ВМ - ведомая) предназначен для подключения второго комплекта П-327-3 к аппаратуре, работающей в режиме Б (ВД), с целью образования в одном канале ТЧ 6 телеграфных каналов. (см.рис.34.в.). Самостоятельно в режиме А (ВМ) аппаратура П-327-3 работать не может.
Полоса частот каждого телеграфного канала во всех режимах работы аппаратуры равна 320Гц.
Характеристические частоты определяются формулами:
f>вn> = 180n, Гц
f>нn> = 210 + 480n, Гц где n – номер канала.
Аппаратура П-327-2 имеет пять режимов работы:
2Б
1А
1Б
А
Б
План частот аппаратуры П-327-2 в различных режимах работы представлен на рис. 35
Режим 2Б обеспечивает получение двух телеграфных каналов (рис.35.а). Режимы 1А и 1Б предназначены для работы с аппаратурой старого парка П-314М (рис.35.) и П-317 (рис.35.) соответственно с образованием одного телеграфного канала. Характеристические частоты равны f>в>= 2550 Гц, f>н>=2670 Гц, при работе в режиме 1А и f>в>= 2090 Гц, f>н>=3210 Гц в режиме 1Б.
Режимы А и Б предназначены для работы аппаратуры по двухпроводной физической цепи. В этих режимах аппаратура работает по двухполосной схеме: в режиме А на передачу используется верхняя, а не прием нижняя полоса частот (см.рис.35г.), в режиме Б наоборот (см.рис.35д.). Характеристические частоты каналов равны f>в1>= 3060 Гц, f>н1>=2940 Гц, f>в2>= 3360 Гц, f>н2>=3180 Гц.
Во всех режимах работы ширина полосы частот каждого канала ТТ равна 160Гц.
Незадействованная часть спектра (0,3 - 2,7 кГц, 0,3 -2,5кГц) может быть использована для телефонной связи, образованной подключением к аппаратуре П-327-2 телефонного переговорного устройства П-327-ТПУ(рис.35.е).
В комплекте П-327 сигналам положительной полярности на входе телеграфного канала соответствует нижняя характеристическая частота, а сигналам отрицательной полярности - верхняя. В случае отсутствия тока на входе телеграфного канала передается верхняя характеристическая частота.
При работе с аппаратурой П-318М в аппаратуре П-327-12 передаче сигналов положительной полярности соответствует верхняя характеристическая частота, а сигналов отрицательной полярности - нижняя.
Характеристики линейных выходов аппаратуры, требования к каналам ТЧ.
Номинальные уровни средней мощности сигналов каждого канала ТТ на линейном выходе аппаратуры определяются по формуле:
р>к>=р>общ>+р>отн>-10lgN, дБ (36)
где р>общ >- уровень средней мощности сигналов всех каналов ТТ, приведенный к точкам с нулевым относительным уровнем;
р>отн> - относительный уровень канала ТЧ в точках подключения аппаратуры П-327;
N - число каналов аппаратуры П-327 (для П-327-12 N=12, для П-327-3 N=3, для П-327-2 N=2).
Номинальные уровни сигналов канала на передаче р>к пер> и на приеме р>к пр> , а также общий уровень передачи на линейном выходе аппаратуры р>обш. пер,> приведенный к точке с относительным уровнем -1,5 Нп, даны в таблице3
Таблица 3.
|
Тип аппаратуры |
Ркпер |
Ркпр |
Робш.пер. |
|||
|
дБ |
Нп |
дБ |
Нп |
дБ |
Нп |
|
|
П-327-12 |
-32,5 |
-3,75 |
-15,5 |
-1,73 |
-21,7 |
-2,5 |
|
П-327-3 |
-29,5 |
-3,4 |
-12,5 |
-1,4 |
-21,7 |
-2,5 |
|
П-327-2 (двухканальная) |
-29 |
-3,35 |
-12 |
-1,38 |
-26,1 |
-3,0 |
|
П-327-2 (одноканальная) |
-26 |
-3 |
-9 |
-1 |
-26,1 |
-3,0 |
|
П-327-2(физич. цепь) |
-13 |
-1,5 |
-21 |
-2,4 |
-13 |
-1,5 |
Уровни передачи в канале ТЧ не должны отличаться от номинальных значений более чем на 2дБ, а разность уровней характеристических частот одного канала на должны превышать 2дБ.
Входное и выходное сопротивление аппаратуры П-327 со стороны подключения к каналу ТЧ равны 600 Ом. Допустимое отклонение сопротивления не более 210 Ом.
Аппаратура комплекса П-327 подключается к каналу ТЧ проводных, радиорелейных и тропосферных линий по четырехпроводной схеме в точках с относительными уровнями - 13дБ (-1,5 Нп) в тракте передачи, + 4дБ (+0,5Нп) - в тракте приема. Электрические параметры канала ТЧ должны соответствовать нормам. Канал ТЧ может иметь транзиты, выполненные только по четырехпроводной схеме.
Затухание, вносимое аппаратурой П-327-3 в тракт передачи и приема телефонного канала на частоте 800Гц при номинальном относительном уровне, не превышает 1дБ при работе по каналу ТЧ и 5дБ при работе по двухпроводной линии.
Характеристика выходов телеграфных каналов.
Скорость телеграфирования : Каналы аппаратуры П-327-12 и П327-2 рассчитаны на скорость телеграфирования до 100 Бод, а аппаратура П-327-3 до 200 Бод. Возможно превышение скорости до 150 и 300 Бод соответственно за счет увеличения краевых искажений телеграфных сигналов.
Исправляющая способность телеграфных каналов.
В каналах ТТ имеется возможность компенсации преобладания сигналов не менее, чем на 20% в аппаратуре П-327-12 и П-327-3 и на 30% в аппаратуре П-372-2.
Режимы работы телеграфных каналов.
Каналы ТТ аппаратуры П-327-12 рассчитаны на работу в I режиме, а при использовании переходных устройств во II и III режимах. Питание телеграфных цепей передачи в I режиме осуществляется со стороны оконечной телеграфной аппаратуры, приемных - со стороны П-327. Напряжение питания U= 20В, ток питания I = 20мА. Во втором и третьем режимах питание линейных цепей оконечной телеграфной аппаратуры осуществляется со стороны переходных устройств аппаратуры П-327 током I = 45-50мА. Допускается включение дополнительного внешнего источника питания с напряжением 60В.
Входное сопротивление телеграфных цепей передачи постоянному току составляет 1000 100Ом, а цепей приема - 510 Ом.
2.3.4.Обобщенная структурная схема и принцип работы аппаратуры П-327
Обобщенная структурная схема аппаратуры комплекса П-327 приведена на рис.36. На схеме приведены основные устройства, обеспечивающие необходимые преобразования в трактах передачи и приема двух, трех и двенадцатиканальной аппаратуры комплекса П-327. Каждая станция комплекса содержит:
- индивидуальное оборудование (ИО) в составе N телеграфных блоков ТГ и N блоков К100, обеспечивающие преобразование прямоугольных телеграфных сигналов в частотно-модулированный сигнал с частотами fн (нижняя) и fв (верхняя) на передаче и обратное преобразование ни приеме;
- линейное оборудование (ЛО), предназначенное для объединения частотно-модулированных канальных сигналов в групповой сигнал и для согласования с каналом ТЧ;
- генераторное оборудование, обеспечивающее элементы станции требуемыми частотами;
- устройство компенсации преобладаний (КП), предназначенное для автоматического устранения преобладаний в телеграфных каналах;
- питающее оборудование и устройства сигнализации;
- переходные устройства (ПУ), обеспечивающие согласование оконечных стартстопных телеграфных аппаратов с ТГ - каналом;
Канал ТЧ подключается к аппаратуре со стороны линейного оборудования, а оконечная ТГ аппаратура подключается либо к ПУ, либо к блоку ТГ индивидуального оборудования.
В аппаратуре комплекса используется базовый принцип формирования линейного спектра каналов ТТ. Под воздействием телеграфных посылок в модуляторе каждого канала (блок К100) формируются частотно-модулированные колебания. Характеристические частоты этих колебаний на выходах модуляторов всех каналов одинаковы. Эти частоты называются базовыми характеристическими частотами. Частоты, кратные базовым характеристическим частотам, называются кратными базовыми характеристическими частотами. Выбор одинаковых базовых частот каналов обеспечивает унификацию индивидуального оборудования каналов.
Для формирования линейного спектра в каждом канале ТТ аппаратуры применяются индивидуальные преобразователи частоты, обеспечивающие перенос сигналов с базовыми характеристическими частотами в отведенную для каждого канала ТТ полосу.
2.3.5. Структурная схема аппаратуры П-327-2
Структурная схема аппаратуры П-327-2 включает в себя:
оборудование телеграфных каналов
оборудование телефонного канала
оборудование переходного устройства
устройство электропитания
ОБОРУДОВАНИЕ ТЕЛЕГРАФНЫХ КАНАЛОВ
Оборудование телеграфных каналов содержит индивидуальное, линейное и генераторное оборудование, а также измерительные и контрольные устройства.
Индивидуальное оборудование
Индивидуальное оборудование размещено в блоках ТГ и К. Оно состоит из индивидуального оборудования передачи и приема.
Индивидуальное оборудование передачи включает в себя: ТГ цепь передачи, входное устройство ВХ,. частотный модулятор ЧМ, делитель частоты ДЧ, усилитель передачи УС ПЕР, фильтр передачи Ф ПЕР и преобразователь передачи П ПЕР.
Двухполюсные посылки от передающего ТГ устройства или от переходного устройства П-327-ПУ по телеграфной цепи передачи через контакты тумблера РБТ — ИЗМ поступают на входное устройство.
Входное устройство улучшает форму ТГ посылок, приближая ее к прямоугольной, осуществляет гальваническую развязку между телеграфной цепью и частотным модулятором, что необходимо для защиты последнего от больших напряжений, могущих возникнуть в ТГ цепи, обеспечивает нормальную работу аппаратуры при напряжениях в телеграфной цепи 20 В и 60 В, стабилизирует значение входного тока при изменении входного напряжения от 5 до 30 В. Кроме того, при отсутствии тока в телеграфной цепи оно формирует сигнал, соответствующий поступлению на вход отрицательной посылки. Светодиоды входного устройства сигнализируют о полярности поступающих посылок.
Частотный модулятор обеспечивает получение частотно-модулированных колебаний. На один вход частотного модулятора подаются телеграфные посылки, а на второй и третий входы — колебания кратных базовых характеристических частот. Нижняя частота равна 503,04 кГц, а верхняя — 518.4кГц.
Работа частотного модулятора заключается в том, что при поступлении на его вход положительной ТГ посылки он создает цепь для прохождения тока верхней, а при поступлении отрицательной посылки и отсутствии тока в ТГ цепи передачи—нижней кратной базовой характеристической частоты. В сформированных таким образом частотно-модулированных колебаниях в моменты перехода от одной частоты к другой происходит скачок фазы, величина которого случайна и лежит в пределах от 0 до ± π радиан. Скачок фазы приводит к краевым искажениям ТГ сигналов. Для уменьшения этого скачка частотно-модулированные колебания формируются в области достаточно высоких частот, а затем эти частоты понижают до характеристических с помощью делителя частоты с коэффициентом деления 128. На выходе делителя максимальная величина скачка фазы будет π /128 (φ ≈1,4°), т . е. колебания практически превращаются в безобрывные.
На выходе делителя получаются базовые характеристические частоты: нижняя 3930Гц и верхняя 4050 Гц.
С выхода делителя сигналы в виде последовательности импульсов прямоугольной формы поступают на усилитель передачи УС ПЕР.
Усилитель передачи обеспечивает номинальную нагрузку полосового фильтра со стороны входа и номинальный уровень сигналов на выходе аппаратуры.
Фильтр передачи Ф ПЕР служит для ограничения спектра сформированных делителем частотно-модулированных колебаний, предотвращая этим влияние неиспользуемых составляющих спектра данного канала на соседние каналы.
С выхода, фильтра сигналы поступают на преобразователь передачи П ПЕР, который обеспечивает перенос базовых сигналов в отведенную для данного канала ТТ полосу частот. Частоты несущих колебаний (частоты преобразования) для каналов выбраны такими, при которых нижняя боковая полоса частот на выходе преобразователя соответствует полосе частот данного канала ТТ. Верхние боковые полосы частот во всех каналах ТТ и большинство других побочных продуктов преобразования лежат выше эффективно передаваемой полосы канала ТЧ и отфильтровываются одним фильтром, установленным в линейном оборудовании аппаратуры. Этим и обусловлен выбор номинальных значений несущих частот и базовых характеристических частот. Номинальные значения несущих частот, подаваемых к преобразователям передачи и приема, показаны в табл. 4.
Таблица 4
|
Режим |
Несущие частоты, Гц |
||
|
Работы аппаратуры |
Номера канала |
Передача |
Прием |
|
2Б |
1 |
6990 |
6990 |
|
2Б |
2 |
7230 |
7230 |
|
1А |
2 |
6600 |
6600 |
|
1Б |
2 |
7140 |
7140 |
|
А |
2 |
7230 |
6990 |
|
Б |
2 |
6990 |
7230 |
С выходов преобразователей сигналы подаются к линейному оборудованию передачи.
К индивидуальному оборудованию приема относятся преобразователь частоты приема П ПР, первый фильтр приема Ф ПР1, усилитель-ограничитель УС-ОГР, частотный детектор ЧД, второй фильтр приема Ф ПР2, пороговое устройство с регулятором преобладания ПРЕОБЛ, выходное устройство ВЫХ и телеграфная цепь приема.
Преобразователь частоты приема служит для преобразования спектра принимаемых частотно-модулированных колебаний канала ТТ в базовый спектр, одинаковый для обоих каналов. Несущие колебания, подаваемые на преобразователи приема, для каждого канала имеют такую же частоту, как и колебания, подаваемые на преобразователи передачи того же канала. С выхода преобразователя сигналы поступают на первый фильтр приема Ф ПР1.
Первый фильтр приема представляет собой полосовой фильтр и служит для выделения из общего преобразованного спектра всех каналов спектра данного канала, который после преобразования занимает нижнюю боковую полосу частот и является базовым спектром.
Усилитель-ограничитель УС-ОГР обеспечивает необходимую мощность сигналов на входе частотного детектора. Благодаря глубокому ограничению амплитуд достигается постоянство этой мощности и устраняется паразитная амплитудная модуляция, вызванная действием помех.
Частотный детектор ЧД вместе со вторым фильтром приема Ф ПР 2 предназначен для преобразования частотно-модулированных сигналов в импульсы постоянного тока, соответствующие телеграфным посылкам. Для работы частотных детекторов используются колебания с частотой 2748,7 кГц.
Пороговое устройство улучшает форму ТГ посылок приближая ее к прямоугольной. Имеющийся в пороговом устройстве регулятор преобладаний ПРЕОБЛ позволяет устранять преобладания в ТГ посылках, вносимые каналом тонального телеграфирования.
Выходное устройство ВЫХ в соответствии с принимаемыми телеграфными посылками коммутирует линейные телеграфные напряжения ±31 В на ТГ цепь приема. При этом обеспечивается гальваническая развязка между телеграфной цепью приема и предшествующими ее узлами тракта приема аппаратуры.
Линейное оборудование
Линейное оборудование телеграфных каналов включает оборудование передачи и оборудование приема.
Линейное оборудование передачи содержит сумматор СМ, линейный фильтр передачи ЛФ ПЕР, первый линейный усилитель передачи ЛУС ПЕР1, удлинитель передачи У ПЕР, второй линейный усилитель передачи ЛУС ПЕР2, дифференциальную систему ДС, телеграфный фильтр передачи ТГ Ф ПЕР, линейный трансформатор передачи ЛТ ПЕР.
С выходов индивидуальных преобразователей передачи каналов ТТ частотно-модулированные сигналы поступают на вход сумматора. Суммирование сигналов двух каналов производится только в режиме 2Б. В режимах 1А, 1Б, А и Б на вход сумматора подаются сигналы только второго канала. Сумматор имеет низкоомное входное сопротивление, чем обеспечиваётся малое взаимное влияние каналов друг на друга. Кроме того, сумматор обеспечивает необходимое усиление сигналов и активную нагрузку для преобразователя и линейного фильтра. После суммирования групповой частотно-модулированный сигнал поступает на линейный фильтр передачи ЛФ ПЕР..
Линейный фильтр передачи подавляет сигналы в верхней боковой полосе частот и другие побочные продукты преобразования, имеющиеся на выходе индивидуальных преобразователей каналов и усиленные сумматором вместе с полезными сигналами. На выходе фильтра оказывается окончательно сформированным линейный спектр аппаратуры в зависимости от номинального значения несущих частот, подаваемых на индивидуальные преобразователи передачи каналов ТТ.
Первый линейный усилитель передачи ЛУС ПЕР1 обеспечивает необходимый уровень сигналов на выходе линейного оборудования.
Удлинитель У ПЕР позволяет регулировать перепайками уровень сигналов на выходе тракта передачи, обеспечивая номинальную загрузку канала ТЧ. Затухание удлинителя может быть изменено от 0 до 16 дБ.
Второй усилитель передачи и дифференциальная система используются только при работе аппаратуры по двухпроводным линиям (режимы А и Б).
Усилитель ЛУС ПЕР2 обеспечивает необходимый уровень сигналов ТТ на выходе в линию.
Дифференциальная система ДС служит для объединения трактов передачи и приема сигналов ТТ при переходе на двухпроводную линию.
Телеграфный фильтр передачи ТГ Ф ПЕР предназначен для подавления составляющих спектра сигналов ТТ, лежащих в полосе частот телефонного канала.
Линейный трансформатор передачи ЛТ ПЕР предназначен для обеспечения симметричного выхода аппаратуры.
Линейное оборудование приема состоит из линейного трансформатора ЛТ ПР, удлинителя У ПР, телеграфного фильтра приема ТГ Ф ПР, дифференциальной системы ДС, второго линейного усилителя приема ЛУС ПР2 и первого линейного усилителя приема ЛУС ПР1.
Линейный трансформатор приема обеспечивает переход от симметричного входа аппаратуры к несимметричной схеме тракта приема аппаратуры П-327-2.
Удлинитель У ПР обеспечивает возможность установки номинальной внутренней диаграммы уровней тракта приема аппаратуры.
Телеграфный фильтр приема обеспечивает отделение сигналов ТТ от спектра сигналов телефонного канала. Дифференциальная система, как уже было указано, служит для развязки трактов передачи и приема.
Усилитель ЛУС ПР2 обеспечивает сохранение внутренней диаграммы уровней при работе аппаратуры в режимах А и Б.
Первый линейный усилитель приема ЛУС ПР1 обеспечивает необходимую величину сигналов, подаваемых к индивидуальным преобразователям приема.
К выходу ЛУС ПР1 в режиме 2Б подключено индивидуальное оборудование приема обоих каналов, а в режимах 1А, 1Б, А и Б — только второго канала.
В линейном оборудовании аппаратуры П-327-2 в режимах 2Б,. 1А и 1Б предусмотрена возможность соединения тракта передачи сигналов ТТ с трактом приема с помощью тумблера РБТ—НА СЕБЯ.
Генераторное оборудование
Генераторное оборудование аппаратуры обеспечивает получение колебаний всех частот, необходимых для ее работы.
Для работы аппаратуры П-327-2 необходимы следующие частоты.
— кратные базовые характеристические частоты 503,04 и 518,4 кГц, используемые в частотных модуляторах каналов;
— несущие частоты передачи и приема (табл. 4);
— опорная частота детектирования в каналах ТТ 2748,7 кГц;
— кратная измерительная частота 9,6 кГц для работы датчика точек
Генераторное оборудование аппаратуры П 327-2 включает задающий генератор, синтезатор частот, делители частоты, усилители частот преобразования, устройство коммутации частот и генератор опорной частоты детектирования.
Задающий генератор ЗГ стабилизирован кварцем и создает последовательность прямоугольных импульсов с частотой следования 1966,08 кГц.
Устройство коммутации несущих частот обеспечивает подачу на преобразователи передачи и приема индивидуального оборудования каналов несущих частот в зависимости от режима работы аппаратуры.
Измерительные устройства
Измерительные устройства аппаратуры предназначены для проверки ее исправности и настройки каналов ТТ.
К измерительным устройствам относятся датчик двухполюсных сигналов (датчик точек) и индикатор преобладаний.
Датчик точек обеспечивает получение двухполюсных посылок со скоростью следования 50, 100 или 200 Бод. Датчик состоит из делителя частоты ДТ и выходного устройства ВЫХ ДТ. На вход датчика от синтезатора частот подаются колебания с частотой 9600 Гц. Делитель датчика имеет общий коэффициент деления 384. На выходе делителя выводятся импульсные последовательности со скоростью 200, 100 и 50 Бод. Выбор скорости датчика осуществляется перепайкой перемычки внутри блока. В аппаратуре П-327-2 перемычка установлена на скорость 100 Бод (общий коэффициент деления делителя 192). Выходное устройство делителя преобразует однополюсные сигналы делителя в двухполюсные сигналы с напряжением ± 6 В.
Индикатор преобладании предназначен для оценки величины преобладании в каналах ТТ. Индикатор содержит устройство оценки преобладании У ОП и индикаторные светодиоды.
Устройство оценки преобладании представляет собой пороговую схему, которая сравнивает значение измеряемой величины с допустимыми ее значениями. Преобладания, не превышающие ±3%, считаются нормальными, при этом загорается светодиод "Н"(норма). Преобладания свыше 3% оцениваются как недопустимые, при этом загорается светодиод “+” или “—” в зависимости от знака преобладании.
При проверке исправности аппаратуры и настройке ее каналов подключение датчика и индикатора к каналу ТТ производится установкой тумблера РБТ—ИЗМ соответствующего канала в положение ИЗМ и нажатием кнопки ПРЕОБЛ.
При нажатии кнопки КОНТР выход, датчика непосредственно подключается на вход индикатора, что обеспечивает возможность проверки их работоспособности.
Устройства контроля
В аппаратуре П-327-2 имеются устройства контроля уровней передачи и приема, напряжений электропитания и наличия частот генераторного оборудования.
Устройства контроля уровней УК ПЕР и УК ПР обеспечивают оптическую сигнализацию о пропадании уровней передачи, а также о снижении уровней приема более чем на 17,4 дБ.
Устройство контроля питающих напряжений УК НП обеспечивает оптическую сигнализацию о пропадании напряжений электропитания +5 В, +6 В, —6 В и +12 В.
Устройство контроля наличия частот УК Ч обеспечивает оптическую сигнализацию о пропадании несущих частот и частоты, подаваемой к частотным детекторам каналов.
Выход контролируемых величин за пределы допусков сигнализируется свечением светодиодов на передней панели аппаратуры, снабженных гравировками УР ПЕР, УР ПР, ПИТ и Ч . Срабатывание любой из сигнальных цепей воздействует на устройство внешней сигнализации УВС и в результате этого отмечается так же общестанционной (внешней) сигнализацией. Предусмотрена возможность отключения общестанционной акустической сигнализации после ее срабатывания нажатием кнопки ВЫКЛ. С.
Оборудование переходного устройства.
Переходное устройство (ПУ) предназначено для подключения к ТГ каналу стартстопных телеграфных аппаратов. Такое согласование обеспечивается за счет преобразования двухполярных сигналов на выходе (входе) канала в однополярные. ПУ аппаратуры П-327-2 унифицировано с переходными устройствами аппаратуры П-327ПУ6, П-327-ПУ1. Различия связаны лишь с точками подключения ПУ к ТГ каналу. ПУ П-327ПУ6 и П-327ПУ1 подключаются ко входу блока ТГ. Блок ПУ аппаратуры П-327-2 устанавливается взамен блока ТГ второго канала и подключается непосредственно ко входу блока К-100 этого канала.
В состав блока ПУ входят следующие элементы:
входные устройства (ВУ) передачи и приема;
электронное реле (РЭ) передачи и усилитель приема (Ус.Пр.);
согласующие устройства (СУ) передачи и приема
Входное устройство содержит стабилизатор тока, оптоэлектронный ключ и элементы индикации – светодиоды. Стабилизатор тока обеспечивает постоянство тока на входе ПУ при изменении параметров соединительных линий. Оптоэлектронный ключ обеспечивает гальваническую развязку цепи телеграфного аппарата и электрических цепей аппаратуры. Наличие тока в телеграфных цепях контролируется светодиодами (раздельно для передающей и приемной цепей ТА ПЕР и ТА ПР соответственно).
Формирование фронтов прямоугольных импульсов производиться в электронном реле, установленном в тракте передачи. В тракте приема вместо РЭ установлен усилитель приема.
Для согласования по полярности и уровню сигналов блока ПУ с блоком К-100 используются согласующие устройства СУ ПЕР и СУ ПР.
Блок ПУ может включаться только вместо блока ТГ второго канала аппаратуры П-327-2. ЗИП аппаратуры комплектуется одним блоком ПУ. Следовательно, в аппаратуре П-237-2 возможен перевод во второй режим только одного канала (второго) канала ТТ. Для перевода во второй режим первого канала необходимо использовать дополнительное оборудование: П-327-ПУ6 или П-327-ПУ1.
ОБОРУДОВАНИЕ ТЕЛЕФОННОГО КАНАЛА
Аппаратура П-327-2 наряду с получением двух или одного дуплексных телеграфных каналов обеспечивает сохранение полосы частот для телефонной связи при работе по четырехпроводным каналам ТЧ, а также по коммутируемым и некоммутируемым двухпроводным физическим цепям во всех трех перечисленных вариантах можно получить либо только телефонный канал (режим ТЛФ), либо телефонный и телеграфный каналы одновременно (режим ТГ ТЛФ) Переход от одного режима работы к другому производится переключателем ТЛФ —ТГ ТЛФ. Для разделения телефонного и телеграфного сигналов используются разделительные фильтры.
Работа по каналу ТЧ
При работе аппаратуры П-327-2 по каналу ТЧ получаемый телефонный канал имеет четырехпроводный выход и, следовательно, телефонный аппарат или другое телефонное устройство, подключаемое к телефонному каналу, должно быть четырехпроводным.
В положении ТЛФ переключателя ТЛФ—ТГ ТЛФ или при выключенном питании аппаратуры П-327-2 сигналы от передатчика оконечного телефонного аппарата поступают на зажимы ТЛФ ПЕР и через контакты реле К2 проходят на выход линейного оборудования тракта передачи аппаратуры П-327-2 и далее попадают на вход канала ТЧ. Принимаемые телефонные сигналы поступают на вход линейного оборудования приема аппаратуры, проходят линейный трансформатор приема ЛТ ПР, удлинитель У ПР, телефонный фильтр приема ТФ Ф ПР и далее через удлинитель У ПР ТФ, усилитель УС ПР ТФ и трансформатор ЛТ ПР ТФ попадают на вход приемника оконечного устройства.
При одновременном получении телефонного и одного или двух телеграфных каналов переключатель ТЛФ—ТГ ТЛФ устанавливается в положение ТГ ТЛФ. В этом случае телефонные сигналы со входа канала (контакты ТЛФ ПЕР) проходят через контакты реле К2, линейный трансформатор передачи ЛТ ПЕР ТФ, удлинитель У ПЕР ТФ, усилитель-ограничитель УС-ОГР ТФ, разделительный телефонный фильтр передачи и вместе с сигналами ТТ через линейный трансформатор тракта передачи аппаратуры ЛТ ПЕР поступают в канал ТЧ.
Усилитель-ограничитель передачи компенсирует затухание, вносимое телефонным трактом аппаратуры, и не допускает перегрузки канала ТЧ при больших мгновенных значениях мощности телефонных сигналов, предотвращая тем самым взаимные влияния телефонного и телеграфных каналов.
Телефонный фильтр передачи ограничивает телефонные сигналы по спектру, освобождая тем самым участок эффективно-передаваемой полосы частот канала ТЧ для телеграфных каналов.
Принимаемые телефонные сигналы при совместном получении телефонного и телеграфных каналов проходят на выход телефонного канала по тем же цепям, что и в режиме получения только телефонного канала.
Заметим в заключение, что при работе аппаратуры П-327-2 по каналу ТЧ полоса частот телефонного канала как в режиме ТЛФ, так и в режиме ТГ ТЛФ ограничена разделительными телефонными фильтрами: в режиме ТЛФ—фильтром приема, а в режиме ТГ ТЛФ—фильтрами передачи и приема. Ширина полосы частот этого канала равна 0,3—2,7 кГц при работе аппаратуры в режимах 2Б, 1Б, А и Б и 0,3—2,3 кГц при работе в режиме 1А.
Работа по некоммутируемой двухпроводной цепи
При работе аппаратуры П-327-2 по двухпроводной физической цепи телефонный аппарат системы МБ подключается к зажимам ТЛФ ПЕР.
В режиме ТЛФ выход телефонного аппарата через контакты реле К2 соединяется с физической цепью, подключаемой к зажимам ТЧ ПЕР.
В режиме ТГ ТЛФ передаваемые сигналы проходят через контакты реле К2, линейный трансформатор передачи ЛТ ПЕР ТФ, телефонный фильтр передачи ТФ Ф ПЕР, линейный трансформатор передачи ЛТ ПЕР аппаратуры и контакты реле К1.
Принимаемые сигналы проходят по этой же цепи
Работа по коммутируемой двухпроводной цепи
Телефонный канал при работе аппаратуры по двухпроводной коммутируемой цепи является также двухпроводным. Телефонный аппарат системы ЦБ — АТС подключается к зажимам ТЛФ ПЕР. Телефонные цепи в этом режиме обеспечивают соединение с любым абонентом АТС и установление с ним телеграфной связи при сохранении телефонной.
Для перевода аппаратуры П-327-2 в режим работы по коммутируемым линиям необходимо установить дополнительные перемычки, обеспечивающие включение согласующего устройства СУ ЦБ для работы со станцией системы ЦБ.
Вызов абонента производится в режиме ТЛФ с помощью номеронабирателя телефонного аппарата. После установления телефонной связи и выбора абонентами режимов работы аппаратуры П-327-2 (один абонент в режиме А, другой в режиме Б) переключатель ТЛФ —ТГ ТЛФ переводится в положение ТГ ТЛФ.
Цепи передачи и приема телефонных сигналов остаются такими же как при работе по двухпроводной цепи, но в них дополнительно включается согласующее устройство для работы со станцией ЦБ (СУ ЦБ). С помощью этого устройства при переводе переключателя в положение ТГ ТЛФ обеспечивается удержание соединения на АТС, питание микрофона телефонного аппарата и разделение разговорной цепи и цепи постоянного тока.
2.3.6. КОНСТРУКЦИЯ АППАРАТУРЫ
Аппаратура П-327-2 собрана в одном корпусе. С лицевой стороны аппаратура закрывается съемной крышкой.
На левой боковой стенке корпуса расположены 30-контактная колодка КОНТРОЛЬ и шильдик в виде таблицы с обозначением контролируемых точек схемы аппаратуры. На правой боковой стенке размещен помехоподавляющий фильтр На крышке фильтра расположены 10-контактная колодка ТЧ—ТЛФ и 30-контактная колодка ВВОД, обеспечивающие подключение аппаратуры к коммутационному оборудованию аппаратной или к линейному щитку.
Для крепления на рабочем месте и для переноса аппаратуры в корпусе имеются боковые планки с отверстиями.
Аппаратура смонтирована в 14 блоках. В каждом блоке размещены узлы аппаратуры, которые представляют собой законченную функциональную часть схемы. Электрическое соединение между блоками осуществляется с помощью жгутов. Основой конструкции блоков являются печатная плата с разъемом и лицевая панель, скрепленные между собой с помощью держателя. Для удобного доступа к деталям, расположенным внутри блоков, предусмотрена возможность развертывания печатных плат. Для контроля и отыскания неисправностей на печатных платах блока установлены контрольные штыри. Блок крепится в корпусе с помощью невыпадающих винтов.
На лицевых панелях блоков имеются две прорези для установки съемной ручки при извлечении блока из корпуса
Органы управления и сигнализации, расположенные на лицевых панелях блоков
Блок ПИТ:
— лампа СЕТЬ для сигнализации о наличии напряжения питания на блоке;
— тумблер СЕТЬ—ОТКЛ для включения питания;
три предохранителя для защиты цепей питания;
Блок С:
— светодиод УР ПР для сигнализации о снижении уровня приема более чем на 17,4 дБ;
— светодиод УР ПЕР для сигнализации о пропадании уровня передачи;
— светодиод Ч для сигнализации о пропадании несущих частот и опорной частоты детектирования;
— светодиод ПИТ для сигнализации о пропадании напряжений электропитания на выходе блока СН;
— светодиод ВЫКЛ С для сигнализации об отключении общестанционной акустической сигнализации;
Блок И:
— светодиод ПРЕОБЛ + для сигнализации о превышении длительности положительных посылок над длительностью отрицательных на выходе канала ТТ более чем на 3%;
— светодиод ПРЕОБЛ Н (норма) для сигнализации об отсутствии преобладании;
— светодиод ПРЕОБЛ — для сигнализации о превышении длительности отрицательных посылок более чем на 3%;
кнопка КОНТР для контроля работоспособности блока И.
Блок К100:
потенциометр ПРЕОБЛ для устранения преобладания в канале.
Таблица 5
|
Наименование блоков |
Обозначение блоков |
Количество блоков |
|
I. Блок питания от сети переменного тока |
ПИТ 220 |
1 |
|
2. Блок стабилизаторов напряжения |
СН |
1 |
|
3. Блок сигнализаций |
С |
1 |
|
4. Блок измерений |
И |
1 |
|
5. Блок канала |
К100 |
2 |
|
6. Блок телеграфных устройств |
тг |
2 |
|
7. Блок синтезатора частот |
ч |
1 |
|
8 Блок коммутации |
к |
1 |
|
9 Блок согласующих устройств 10. Блок разделительных фильтров 11. Блок линейного оборудования 12. Блок помехоподавляющих фильтров |
СУ ДК2.8 ЛО |
1 1 1 1 |
Блок ТГ:
— светодиоды ПР + и ПР — для сигнализации о поступлении положительной или отрицательной посылки на выход тракта приема;
— кнопка ПРЕОБЛ для подключения выхода приемного тракта блока ТГ к индикатору преобладании;
— тумблер РБТ—ИЗМ для подключения выхода датчика точек к проверяемому блоку;
— светодиоды ПЕР — и ПЕР + для сигнализации о поступлении отрицательной или положительной посылки от телеграфных устройств
Блок Ч:
три тумблера 2Б, А, Б— 1А, 1Б для переключения режимов работы аппаратуры.
Блок К:
— пять ламп 2Б, 1А, 1Б, А, Б для сигнализации о режиме работы аппаратуры;
сдвоенный тумблер А—Б для установки режимов А и Б
Блок СУ:
тумблер ТГ ТЛФ — ТЛФ для получения телефонного и телеграфного каналов либо только телефонного.
Блок ЛО:
— тумблер РБТ — НА СЕБЯ для соединения тракта передачи с трактом приема в блоке ЛО
В составе укладочных ящиков с ЗИП и съемными деталями имеются блок питания аппаратуры от источника постоянного тока ПИТ-27, соединительная плата, устройство проверки блока канала, линейный щиток, соединительные кабели. Соединительная плата позволяет производить проверку блока в подключенном состоянии. Плата устанавливается в гнездо взамен вынутого блока, а блок подключается к ней. Вместо платы может использоваться соединительный кабель. Устройство проверки блока канала устанавливается взамен проверяемого блока, а последний подключается к устройству. Линейный щиток обеспечивает возможность развертывания и работы аппаратуры при отсутствии коммутационного оборудования. К линейному щитку подключаются кабели от аппаратуры П-327-2, соединительные линии от каналов ТЧ, телеграфной и телефонной станций, источников питания и от внешних сигнальных устройств.
РАЗДЕЛ III Проверка и настройка ТЕЛЕГРАФНЫХ КАНАЛОВ и аппаратуры
3.1. Искажения в телеграфных каналах, нормы на них.
Дискретные сигналы, передаваемые по цепям и каналам связи, подвергаются искажениям и воздействию различного рода помех, в результате чего принятые импульсы могут отличаться от переданных, формой, длительностью и полярностью.
Форму принятого импульса нетрудно восстановить с помощью, например, реле, триггера и им подобных элементов. Однако процесс восстановления формы может сопровождаться дополнительным изменением длительности принятого импульса, так как указанные элементы обладают конечной чувствительностью (порогом срабатывания).
При правильном пороге срабатывания ln релейного элемента импульсы регистрируются без искажений и лишь смещаются относительно переданных на время (рис. 37а). Смещение порога срабатывания приводит к изменению длительности регистрируемого импульса. Увеличение порога влечет за собой укорочение токовых импульсов (рис.37б), а уменьшение порога - к их удлинению (рис.37в).
Изменение длительности принимаемых импульсов принято называть краевыми искажениями, которые проявляются в удлинении или укорочении данного импульса за счет соответствующего укорочения или удлинения соседних посылок.

Укорочение посылки может достигнуть такой величины (заштрихованная часть), при которой она не будет зафиксирована регистрирующим элементом, и вместо, например, токовой и следующей за ней бестоковыми посылками длительностью каждая tд, будет зафиксирована одна токовая посылка длительностью 2tд. Так, может возникнуть ошибка при приеме импульса, которую называют ошибкой по импульсу. Последняя может привести к ошибке по знаку, когда вместо переданной комбинации одного знака сообщения будет регистрироваться другой знак (так, на рисунке вместо комбинация IOII фиксируется IIII).
Возникновение ошибки возможно и другим путем (рис.38), например, при воздействии на посылку сильной помехи достаточной длительности и противоположной полярности. Искажения, называемые искажениями дробления, возникают если длительность такой помехи tдр<<tд. При больших tдр может возникнуть ошибка в приеме импульса и знака.
Таким образом, ошибки в приеме и искажения импульсов обусловлены различными проявлениями одних и тех же мешающих причин, имеющихся в канале.
В процессе эксплуатации основными параметрами, подлежащими контролю, являются достоверность и краевые искажения.
Достоверность количественно оценивается через коэффициенты ошибок по единичным элементам и алфавитным знакам. Она является обобщенным параметром, характеризующим качество передаваемой информации. Допустимые нормы на коэффициент ошибок установлены в зависимости от скорости передачи.
Косвенно достоверность определяется краевыми искажениями. Хотя между краевыми искажениями и ошибкой (неправильно принятым символом) нет однозначного соответствия, однако с большой степенью вероятности можно утверждать, что при величинах краевых искажений, превышающих допустимую норму, появятся ошибки.

П
о
своим свойствам краевые искажения
принято подразделять на три группы:
искажения преобладания ( n
), характеристические (x
) и случайные (c
) искажения. При этом не учитываются
искажения, вносимые передающими и
приемными устройствами оконечной
аппаратуры.
- Особенностью искажений преобладания является постоянство во времени их величины и знака. Они устраняются с помощью соответствующих регулировок приемного устройства при настройке канала. Особенностью характеристических искажений является зависимость их величины от характера передаваемой последовательности импульсов. Эти искажения определяются переходными процессами в каналах и цепях связи.
Величина случайных искажений, вызываемых обычно помехами, является случайной и меняется во времени по различным законам. При этом следует отметить, что в строгом смысле характеристические искажения преобладания возникают тоже случайно. Однако их всегда можно устранить с помощью соответствующих регулировок.
В дискретном канале нормируется относительная степень собственных изохронных (синхронных) и стартстопных искажений. В зависимости от числа простых каналов на номинальной скорости передачи искажения не должны превышать значений, указанных в таблице 6.
Для коммутируемых каналов следует руководствоваться допустимой нормой на один простой канал, а для некоммутируемых каналов - нормой на семь простых каналов.
Таблица 6.
|
Количество простых каналов |
Допустимая относительная степень краевых искажений |
|
|
Изохронный (синхронный) |
стартстопный |
|
|
1 |
9 |
7 |
|
2 |
15 |
11 |
|
3 |
20 |
14 |
|
4 |
24 |
17 |
|
5 |
28 |
20 |
|
6 |
32 |
23 |
|
7 |
35 |
25 |
При передаче дискретных сигналов на скоростях 200, 600, 1200 Бод по каналам ТЧ относительные индивидуальные искажения не должны превышать 20, 30, 35 % соответственно для коммутируемых и не некоммутируемых каналов.
Искажения, вносимые приборами коммутационных устройств, не должны превышать 2%, а передатчиком телеграфного аппарата при ручной и автоматической работе - 5% при настройке аппарата и 8% в процессе эксплуатации.
3.2. проверка и настройка телеграфных каналов и аппаратуры
Для устранения искажений на различных этапах функционирования системы телеграфной связи проводятся проверочные и регулировочные работы.
На этапе развертывания и подготовки к работе осуществляется проверка работоспособности и регулировка аппаратуры.
В основу проверки работоспособности аппаратуры заложен принцип проверки «на себя». При этом выход тракта передачи аппаратуры соединяется со входом тракта приема. На вход проверяемого ТГ канала аппаратуры подаются испытательные сигналы, которые проходят по тракту передачи, а затем по тракту приема поступают на выход канала. По наличию и степени искажения этих сигналов на выходе канала судят о работоспособности аппаратуры. Таким образом, проверяется работоспособность всех блоков аппаратуры, датчика точек и устройств контроля.
Регулировка аппаратуры производиться по встроенным приборам, при этом осуществляется:
регулировка тока в телеграфных цепях на передаче и приеме каждого канала;
регулировка каналов на нейтральную работу
После этого производиться включение телеграфной аппаратуры в канал ТЧ и настройка телеграфных каналов с корреспондентом. При этом канал ТЧ, выделяемый для уплотнения аппаратурой ТТ должен быть проверен по остаточному затуханию и установлены необходимые уровни приема и передачи. При неустойчивом прохождении связей следует проверить телефонный канал по амплитудной характеристике и частотной характеристике затухания. В отдельных случаях могут проводиться измерения величины нелинейных искажений.
Способы проверки и настройки каналов ТЧ рассматриваются в курсе «военно – полевые многоканальные системы передачи».
Настройка каналов ТТ производиться одновременно в обе стороны. Каналы регулируются на нейтральную работу по испытательным сигналам посылаемым в канал с противоположной станции. По другим каналам, не занятым под передачу информации, передается испытательный сигнал вида 1:1 («точки»).
Для полной проверки канала в прямом и обратном направлении на противоположной станции ставиться шлейф по постоянному току путем соединения приемных и передающих гнезд проверяемого канала.
Проверку шлейфом всех телеграфных каналов можно производить путем соединения выхода телефонного канала с его входом на противоположной станции.
Отрегулированный канал сдается в эксплуатацию в телеграфную аппаратную на оконечные телеграфные устройства (телеграфные аппараты). При этом ОТУ к этому времени должны быть проверены и настроены.
Механики проверяют и при необходимости регулируют величину напряжения тока в ТГ цепях передачи и приема, правильность их подключения.
После вхождения в связь механиками ТГ станций проверяется правильность прохождения контрольного текста.
В ходе эксплуатации осуществляется визуальный контроль за оптической сигнализацией, а также периодическое измерение напряжений токов и уровней в контрольных точках.
Для более полной регулировки телеграфных каналов и аппаратуры с определением величины искажения используется измерители искажений ТГ сигналов, например, ЭТИ-69, ЭТИ-64, ИК-ЗУ-1, ИК-1У. В состав этих приборов входят датчик испытательных сигналов, измеритель краевых искажений ИКИ.
3.3. Тактико-технические характеристики ЭТИ-69
Назначение:
Прибор ЭТИ-69 предназначен для измерения искажений телеграфных посылок, испытания телеграфных каналов, аппаратуры и реле.
Прибор обеспечивает измерение искажений телеграфных посылок в стартстопном режиме на фиксированных скоростях 50, 75, 100, 150, 203 бод.
Прибор предусматривает измерение искажений телеграфных посылок в стартстопном режиме с плавной подстройкой скорости.
Прибор позволяет измерять искажения телеграфных посылок в синхронном режиме, а также в режиме измерения длительности в плавном диапазоне скоростей от 44 до 112 Бод и с возможностью плавной подстройки скоростей 150, 200, 300 Бод в пределах от +12 до —12%.
Отклонение номиналов фиксированных скоростей в стартстопном режиме не превышает ±0,2% при нормальной температуре, ±0,5% при крайних значениях рабочих температур.
В приборе используется дискретный метод отсчета измеряемой величины краевых искажений через 2% в пределах всей элементарной посылки на всех скоростях и через 1 % — в пределах половины элементарной посылки. Отсчет величины искажений производится по высвечиваемым цифрам от 0 до ± 25% с возможностью увеличения цены деления и предела измерений в 2 раза.
Погрешность измерительной части при измерении искажений от собственного датчика на скоростях до 200 Бод при отсчете через 2% не превышает ±2%, при отсчете через 1% — ±1% ; на скоростях 200 и 300 Бод эта погрешность составляет ± 3% при отсчете через 2% и ±2% —при отсчете через 1%.
Эксплуатационная погрешность прибора в синхронном режиме при приеме от датчика другого прибора в течение сеанса измерений, соответствующего передаче 1000 элементарных посылок, на скорости телеграфирования 50 бод при отсчете через 2% не превышает ±3%, а при отсчете через 1% — ±2%.
Прибор регистрирует величину общих или стартстопных искажений либо максимальную их величину за сеанс измерений.
Прибор обеспечивает измерение искажений фронтов каждой из посылок стартстопного цикла.
Прибор позволяет разделить искажения на случайные, характеристические и преобладания с определением их знака.
Входное устройство прибора обеспечивает прием на скоростях до 100 Бод прямоугольных и скругленных посылок в однополюсном режиме и прием двухполюсных посылок на всех скоростях. Минимальный ток входного устройства в двухполюсном режиме 2 мА, в однополюсном режиме 5 мА.
Входное устройство прибора—симметричное и обеспечивает возможность параллельного и последовательного подключения к измеряемой цепи при следующих градациях входного сопротивления: 25, 10, 3, 1 и 0,1 к0м. Входное устройство рассчитано на применение линейных напряжений в испытуемых цепях до 130В в однополюсном режиме и до ±80 В — в двухполюсном режиме.
Датчик испытательных сигналов прибора выдает сигналы следующих видов:
— нажатие «+»;
— нажатие «—»;
— «1:1» (точки);
— «6:1»;
— «1:6»;
— текст «РЫ» по международному коду № 2, а также комбинации «Р» и «Ы» в отдельности;
автоматически чередующиеся комбинации «5:1»
Погрешность выдаваемых прибором двухполюсных посылок не превышает 1 %.
Датчик выдает однополюсные посылки напряжением 120 ±30 В и двухполюсные посылки ±60±15 В при токе нагрузки от 0 до 50 мА, а также однополюсные и двухполюсные посылки напряжением 20+6>-8> В при токе нагрузки от 0 до 25 мА. Выходное сопротивление прибора не более 200 Ом.
Датчик
прибора работает также в режиме
прерывателя при подключении к выходным
клеммам прибора нагрузки с внешним
источником линейного напряжения до 130
В.
Датчик прибора имеет защиту от перегрузки, сигнализацию при коротких замыканиях и защиту от изменения полярности линейных источников питания.
Прибор обеспечивает возможность внесения искажений в сигналы собственного датчика до 95%, а также постороннего датчика в пределах до 92% — ступенями через 10 и 1%.
Вносимые искажения являются искажениями типа преобладания с установкой вручную любого их знака, а также с автоматической сменой знака преобладании до ±89% в пределах длительности стартстопного цикла до ±50%.
Прибор обеспечивает проверку работоспособности в режиме «НА СЕБЯ».
Прибор с блоком испытания реле позволяет производить проверку и регулировку нейтральности, отдачи и дребезга телеграфных реле типа РП-3
Проверка нейтральности и отдачи реле производится прямоугольными посылками в рабочем, испытательном и динамическом режимах.
Питание прибора осуществляется от сети переменного тока 127+13>-25> В или 220+22->44>В, частотой 50 Гц.
Потребляемая прибором мощность при номинальном напряжении сети не превышает 100 ВА.
Габаритные размеры прибора 220Х335Х420 мм. Масса не более 21 кг.
Габаритные размеры блока БИР 225Х130Х125 мм. Масса 1,6 кг.
Диапазон рабочих температур прибора от —10 до +50°С.
Состав изделия
В состав изделия входят:
прибор ЭТИ-69;
блок испытания реле;
соединительные шнуры;
комплект запасных частей;
чехол прибора ЭТИ-69;
эксплуатационная документация
укладочный ящик.
Схема включения прибора ЭТИ при проведении различных измерений





3.4. Методика измерения искажений в телеграфных каналах
Измерение проводится в четырехпроводном дувхполюсном режиме телеграфных выходов при линейном напряжении 20В, входном сопротивлении 1кОм, режиме КАНАЛ. Исказитель прибора в режиме канал включен в приемную часть, его регулятор должен быть установлен в положение 0. Измерительный прибор подключается к коммутационным гнездам, на которые выведены входы (выходы) телеграфных каналов. Оконечная телеграфная аппаратура отключается. От датчика измерителя искажений подается в телеграфный канал сигнал нажатия «+», затем «-». При смене полярности токов необходимо убедиться, что стрелка милиаперметра измерителя искажений отклоняется в соответствующую сторону и примерно на одинаковую величину. Получив от противоположной станции нажатия «+» и «-» и убедившись таким образом в наличии канала телеграфной связи, следует отрегулировать телеграфный канал на минимум преобладаний. Для этого переключатели измерителя искажений поставить в положение КАНАЛ 1:1, номинальная для данного канала скорость, ДЛИТ, без запоминания.
При наличии в канале постоянного преобладания значения будут значения высвечиваемых цифр на правой и левой частях шкалы будут существенно отличаться. Для устранения этого преобладания необходимо регулировкой потенциометра РЕГ.КАНАЛ. телеграфного канала свести разницу величин искажений на правой и левой частях шкалы к минимуму. Определить величину искажений в течение 10 секунд.
Степень синхронных искажений определяется как сумма величин на правой и левой частях прибора.
Переключить датчик прибора в режим РЫ и также определить величину искажений. Различий между переменными в режимах 1:1 и РЫ практически не должно быть. Различия в результатах измерений свидетельствуют о повышенных характеристических искажениях в данном канале.
Величина измеренных в телеграфном канале искажений не должна превышать нормативных значений.
Аппаратура П-318М-6
1
– зажимы «ПЕР.»;
2 - зажимы «ПР.»;
4 - зажимы «ТЕЛЕФ.КАНАЛ.ПЕР.»;
5 - зажимы «~127/220»;
6 - зажимы «ТЕЛЕФ.КАНАЛ.ПР.»;
7 – 30-ти контактная колодка «1/12, 2/11, 3/10»;
8 – 30-ти контактная колодка «4/9, 5/8, 6/7»;
10 – зажим «земля»;
19 – измерительный прибор;
20 – кнопка «ЧУВСТВ»;
21 – тумблер «ТЧКД ВКЛ. – ОТКЛ.»;
22 – тумблер «ТЧК 50 Бод – 75 Бод»;
23 – гнездо «600 Ом»;
24 – гнездо «ПРОВ.РЕЛЕ»;
25 – гнездо «ИЗМ. ПРИБОР»;
26 – кнопка «ПРОВ.ТЧКД»;
27 – гнездный разъем под реле РПС-11/3;
28 – колодка переключения режимов;
30 – 30-ти контактная колодка «4/9, 5/8, 6/7 »;
31 – 30-контактная колодка «1/12, 2/11, 3/10»;
32 – гнезда приема «к П-318-4»;
33 – гнезда передачи «к П-318-4»;
34 – гнезда приема «к П-318-6»;
35 – гнезда передачи «к П-318-6»;
36 – тумблер «КАН-НА СЕБЯ»;
37 – гнезда «РБТ-НА СЕБЯ» приема;
38 – гнезда «РБТ-НА СЕБЯ» передачи;
39 – зажим «земля»;
40 – переключатель «УДЛ.ПР.»;
44 – гнездо «ИЗМ.УР.ПР.»;
45 – переключатель «УДЛ.ПЕР.»;
46 – кнопка «ЗВ.ОТКЛ.»;
47 – переключатель «6-12/16 - ВЕДОМ»;
48 – гнездо «-12В СТ.»;
50 – гнездо «-27В»;
51 – гнездо «ЛБ»;
52 – гнездо «СЕТЬ»;
53 – гнездо «ВЫХОД»;
54 – тумблер «СЕТЬ ОТКЛ»;
55 – переключатель рода работы;
56 – потенциометр «ТОК ПЕР.»;
57 – гнездо «ТОК» приема;
58 – гнездо «ТОК» передачи;
59 – гнезда «ПЕРЕДАЧА»;
60 – гнезда «ПРИЕМ»;
61 – тумблер «РБТ-НА СЕБЯ»;
62 – гнездо «ВХ.РЕЛЕ»;
63 – гнездо «ВХ.ОГР.»;
64 – потенциометр «РЕГ.КАН».