Исследование метеорологических условий на рабочих местах
Исследование метеорологических условий на рабочих местах
Министерство Образования Республики Молдова
Технический Университет Молдовы
Кафедра КПЭА
Отчёт по лабораторным работам
Кишинёв 2001
Цель работы: ознакомление с приборами и методами контроля метеорологических условий.
Максимальная влажность (точка росы) – характеризуется максимальным количеством влаги (упругость или вес водяных паров), которая может находиться в воздухе (1м3) при данной температуре.
Абсолютная влажность – фактическая упругость, Па (мм рт.ст.) или весовое количество водяного пара, находящееся в 1м3 воздуха в момент измерений, выраженное в граммах.
Относительная влажность – отношение (в процентах) абсолютной влажности к максимальной влажности при данных температурных условиях.
Таблица 1
|
№ опыта |
Нач. отс. По Анемометр, деления |
Конеч. Отсч. |
Разность Показаний |
Продолжительность зам. |
Кол. Дел В сек Дел/сек |
Среднее |
Скорость движ. Воз. М/с |
|
1 |
2 |
3 |
4 |
5 |
6 |
7 |
8 |
|
1 |
9577 |
9601 |
24 |
30 |
0,8 |
0,833 |
1,05 |
|
2 |
9601 |
9629 |
28 |
30 |
0,83 |
||
|
3 |
9629 |
9652 |
23 |
30 |
0,77 |
(1)
Р>в> – максимальная влажность воздуха (упругость водяных паров) при температуре влажного термометра (табл. 3)
t>c> и t>b> – показания сухого и влажного термометров соответственно, С
В – барометрическое давление, Па (мм рт.ст.) (берётся по барометру, установленному на вертикальной панели лабораторного стенда).
Зная абсолютную влажность, определяем относительную влажность, Г.

R – абсолютная влажность, ч/м3 или мм рт.ст.
Р>с> – максимальная влажность воздуха (упругость водяных паров при температуре сухого термометра (табл. 3)).
Таблица 2
|
№ опыта |
Пок сух. Тер,С |
Пок вл тер, С |
Скор. Движ. м/с |
Бар давл. Па |
Упр паров по вл терм Па |
Упр паров по сух терм Па |
Абс влажность Па |
Отн влажность, % |
Отн влаж по графику |
Отн влаж по табл2 % |
Рез ты несовпадения, % |
|
1 |
2 |
3 |
4 |
5 |
6 |
7 |
8 |
9 |
10 |
11 |
12 |
|
1 |
17 |
13,5 |
2 |
748 |
11,535 |
14,421 |
9,82 |
68 |
59 |
65 |
3 |
Таблица 3
|
Темп. В исследуемом месте, С |
Относительная влажность % |
Скорость движения воздуха, м/с |
Эффективная температура, С |
Эквив-эффективная темп., С |
Оптим усл по ГОСТ 12.1.005-76 |
||
|
Темп в исс месте С |
Скорость движения м/с |
Относит влажность |
|||||
|
1 |
2 |
3 |
4 |
5 |
6 |
7 |
8 |
|
17 |
68 |
1,05 |
16 |
13,3 |
2123 |
0,1 |
4060 |


Вывод: В соответствии с полученными результатами можно сделать вывод, что при таких условиях микроклимат не соответствует норме по ГОСТ 12.1.005 - 76.
Лабораторная работа №4
Исследование производственного шума
Цель работы: Ознакомление с методикой исследования производственного шума, принципом нормирования прибором и методом измерения, и средствами защиты от шума.
Таблица результатов измерений нормируемых параметров шума
|
Уровень звука dBA |
Октавные уровни звукового давления |
||||||||
|
63 |
125 |
250 |
500 |
1000 |
2000 |
4000 |
8000 |
||
|
Без ср-ва защиты от ш. L |
84 |
91 |
99 |
71 |
65 |
72 |
71 |
72 |
75 |
|
Допустимые знач L>доп> |
80 |
94 |
87 |
82 |
78 |
75 |
73 |
72 |
70 |
|
Треб. Сниж. Шума, L>TP> |
4 |
-3 |
12 |
-11 |
-13 |
-3 |
-2 |
0 |
5 |
|
Со ср-ми защ. L>кож> |
76 |
81 |
86 |
65 |
68 |
68 |
63 |
63 |
55 |
|
Факич сниж шума L-L>кож> |
8 |
10 |
13 |
6 |
-3 |
4 |
8 |
9 |
20 |
|
Треб звукоиз от шума (L-L>доп>)+5 |
9 |
2 |
17 |
-6 |
-8 |
2 |
3 |
5 |
10 |
Г
рафик
спектра шумов
L1 – L>доп>; L2 – L>без ср защиты>; L3 – L>со ср защиты>
Вывод: После проведённых измерений производственного шума без средств защиты, получили превышение допустимого уровня шума на частотах 125 и 8000 Гц. Для того, чтобы снизить уровень шумов ниже допустимого, применили средства защиты, что привело к снижению шума до нормальных значений.
Лабораторная работа №6
Средства защиты человека от поражения электрическим током
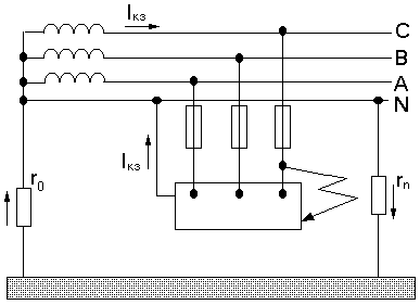
Цель работы: Ознакомление со средствами и способами защиты человека от поражения электрическим током; с требованиями, предъявляемыми защитному заземлению, изоляции токоведущих частей; с проведением контроля защитного заземления, зануления и изоляции токоведущих частей.
С
хема
защитного заземления
С
хема
защитного зануления
С
хема
подключения омметра при измерении
сопротивления заземляющего устройства
Таблица 1
|
Допустимое сопротивление заземлителя , Ом |
Измеренное сопротивление заземлителя, Ом |
Выводы |
|
|
Верхний |
4 |
2,4 |
норма, соотв технической безопасности |
|
Средний |
16 |
4,8 |
|
|
Нижний |
12 |
7 |
Таблица 2
|
r>ф>, Ом |
r>o>, Ом |
I>кз,> А |
К>з> I>отс>, А |
U>0,> В |
Выводы |
|
1,1 |
2 |
68,75 |
62,72 |
137,5 |
Норма |



Вывод: Во всех полученных результатах измеренное сопротивление изоляции выше допустимого равного 0,5 делаем вывод, что работать можно, кроме одного случая В-С, где измеренное сопротивление равно 0,2 говорим, что работать невозможно.
Лабораторная работа №8
Исследование освещённости на рабочих местах
Цель работы: Ознакомление с основными понятиями и нормированием производственного освещения; привить навыки работы с приборами для определения освещённости на рабочих местах; научиться пользоваться нормативными материалами и измерять освещённость на рабочих местах.
Основные светотехнические понятия :
Световой поток – количество лучистой энергии, распространяющейся через площадку S в единицу времени и оцениваемой по зрительному ощущению человека:
(1),где
W – количество лучистой энергии, проходящей через площадку S, Вт
- время, с
За единицу светового потока принимается люмен (лм), поток, излучаемый при равномерном освещении эталонной накаливания в одну международную свечу (канделлу) внутрь телесного угла, равного одному стерадиану.
Сила света – величина светового потока Ф, приходящая на единицу телесного угла:
(2)
Ф – световой поток, лм
W – телесный угол, стерадиан
За единицу света принята канделла (кд), которая определяется как сила света точечного источника, дающего световой поток I>лм> внутри телесного угла в 1 стерадиан.
Яркостью поверхности в данном направлении называется отношение силы света, излучаемой поверхностью в этом направлении, к проекции светящейся поверхности на плоскость, перпендикулярную данному направлению:
,
НТ – единица яркости
I>> - сила света, излучаемого поверхностью в направлении под углом
Контраст объекта с фоном К характеризуется соотношением яркостей рассматриваемого объекта (точка, линия, знак, пятно, трещина, риска, раковина или другие элементы, которые требуется различить в процессе работы) и фона. Определяются по формуле:

L>ф> и L>0> – яркости соответственного фона и объекта.
Контраст объекта различия с фоном – считается:
большим – при значении К>0,5 (объект и фон резко отличаются по яркости)
средним – при значении 0,2 К 0,5 (объект и фон заметно отличаются по яркости)
малым – при значении К < 0,2 мало отличаются по яркости
Таблица 1
|
Хар-ка зрительной работы |
Размер объекта различения |
Разряд зрительной работы |
К.Е.О. замеренный |
|
Заключение |
|
1 |
2 |
3 |
4 |
5 |
6 |
|
выс точн |
0,30,5 |
3 |
7,38 |
1,26 |
СниП |
Таблица 2
|
Место замера |
вид освещен |
разряд по СниП |
Конт объекта различен с фоном |
характеристика фона |
фактич освещённость лк |
нормир освещённость лк |
заключение |
|
1 |
2 |
3 |
4 |
5 |
6 |
7 |
8 |
|
лаб |
естес |
3 и Г |
средний |
светлый |
450 |
200 |
норма |

-
значение К.Е.О., принимаются по таблицам
1 и 2 СниП II-4-79
m – коэффициент светового климата, по таблице 4 СниП II-4-79, в зависимости от района расположения здания на территории СНГ (для RM – 0,9)
с – коэффициент солнечности климата, RM – располагается в IV световом поясе
Коэффициент естественной освещённости:

Вывод: Проделав испытания можно сказать, что все результаты в основном приемлемы для того, чтобы люди могли работать, но в менее освещённых случаях необходимо добавить искусственное освещение.
Лабораторная работа №2
Определение содержания токсичных и взрываемых паро-газообразных веществ в воздухе рабочей зоны.
Цель работы: Изучение некоторых методов и средств инструментальных измерений вредных газов и паров в воздухе рабочей зоны.
Полученную концентрацию вредности приведём к н.у. (Р=760 мм рт.ст., t=0С) по формуле:
,мг/м3
х – концентрация вредности, приведённая к н.у.
а – измеренная концентрация вредности по прибору УГ-2,мг/м3
t – замеренная температура воздуха в помещении, С
P>t> – атмосферное давление во время замера, мм рт.ст.
мг/м3
|
№ п/п |
Исс газ |
объём просас воздуха за одно просас |
время анализа мин |
кол просасываний |
объём за все просасывания |
температура воздуха |
атмосферное давление |
концен воздуха мг/м3 |
ПДК мл/м3 |
класс опасности |
|
1 |
2 |
3 |
4 |
5 |
6 |
7 |
8 |
9 |
10 |
11 |
|
1 |
ацетон |
300 |
7 |
1 |
1*300 |
17 |
754 |
428,2 |
200 |
4 |
Вывод: Так как реальная концентрация превышает допустимую в 2 раза, значит необходимы меры по устранению.
Lucrarea de laborator №5
Tema Studierea vibraţiilor de producţie
Scopul lucrării : A lua cunoştinţă de aparatele pentru măsurarea parametrelor vibraţiilor, a însuşi metodica efectuării măsurărilor şi calculelor, a aprecia eficacitatea mijloacelor de vibrozolare.
Noţiuni generale
Vibraţia prezintă prin sine oscilaţii mecanice ale corpurilor solide percepute de om ca trepidaţii. Cel mai simplu tip de oscilaţii sunt cele armonice.
Parametrii de bază ai oscilaţiilor sinusoidale sunt: fregvenţa (f) –Hz; amplitudinea (A) - m; viteza (v) – m/s; acceleraţia (a) – m/s2. Pentru oscilaţiile sinusoidale viteza (v) şi acceleraţie (a) se determină după formulele:

Drept nivel de prag iniţial al vibrovitezei este luată valoarea 510-8 m/s, iar pentru vibroacceleraţie 310-4 m/s care corespund pragului standard al presiunei sonare egală cu 210-5 N/m2. Valorile relative ale vitezei şi acceleraţie vibraţiei se exprimă în decibeli şi determină după formulele:

Tabela 1
|
Ordinea efectuării măsurărilor |
Felul şi categoriile vibraţiei |
Caracteristicii vibraţiei |
Valorile admisibile conform GOST 12.1.012-78 |
|||||||||||
|
măsurate |
calculate |
|||||||||||||
|
V,mm/s |
A,m |
f,Hz |
L,dB |
|||||||||||
|
X |
Y |
Z |
X |
Y |
Z |
X |
Y |
Z |
X |
Y |
Z |
|||
|
1. Fără mijloace de vibroprot. |
5 |
4 |
13 |
45 |
50 |
110 |
18 |
13 |
19 |
100 |
98 |
108 |
||
|
2- Cu mijloace de vibroprot- |
0,5 |
0,6 |
1,7 |
5 |
5,5 |
18 |
16 |
17 |
15 |
80 |
82 |
91 |
V>adm>=2
m/s; L>adm>=92 dB
Concluzie : Из проделанной работы видно, что при применении средств виброзащиты происходит значительное изменение результатов в лучшую сторону. Делаем вывод, что такие средства просто необходимы в производстве.
нормированный