Электроснабжение горно-обогатительного комбината

Электроснабжение горно-обогатительного комбината

Курсовой проект разработал: Казаковцев Н. Ю.

Министерство образования Российской Федерации

Нижнетагильский горно-металлургический колледж имени Е.А. и М.Е. Черепановых

20.04.2003 г.

Расчет эл.нагрузок. Выбор схемы эл.снабжения. Компенсация реактивной мощности. Выбор силовых трансформаторов. Расчет токов короткого замыкания . Расчет и выбор питающей линии. Выбор оборудования.

Введение

Цель курсового проекта: научится работать со справочной литературой, произвести расчет схемы электроснабжения горно-обогатительного комбината.

Наиболее крупные энергосберегающие мероприятия в горно-обогатительной промышленности реализуются на базе использования попутных продуктов и отходов производства. Так же предусматривается обеспечить энергосбережение за счет разработки и внедрения, прогрессивных особо малоотходных разработок.

Роль электроэнергии, надежного энергоснабжения для работы промышленного предприятия? Наличие достаточного количества энергии и ее видов, решение проблем ее рационального использования определяют в конечном итоге экономический рост, ее национальную безопасность. В этих условиях необходим постоянный пересмотр отношения к потреблению топлива и энергии с особым акцентом на энергосбережение – систему знаний, через которую за счет улучшения эффективности использования энергии достигается сокращение расходной части энергетического баланса.

1.Расчет электрических нагрузок

Строим суточный график активной нагрузки:

Определяем полную максимальную мощность:

S= (1.1)

Где P - максимальная нагрузка; cos - коэффициент мощности

S= 16.2/0.83 =19518 кВ*А

Определяем максимальную реактивную мощность:

Q=S* sin (1.2)

24часа

Где S - полная максимальная мощность

sin= (1.3)

sin= =0,56

Q= 19518*0,56=10930 квар

1.4 Определяем расход активной энергии за сутки по площади графика активной нагрузки:

W=*t (1.4)

Где *t –произведение значений активной мощности за сутки

W=14.7*7+16.2*4+14.2*4+15.2*3+14.9*2+13.2*4=352.7 МВт*час

1.5 Определяем среднюю активную мощность за сутки:

P= (1.5)

Где W - расход активной энергии за сутки

P= 352,7/ 24 = 14,7 мВт

1.6 Определяем коэффициент заполнения графика:

K= (1.6)

Где P - средняя активная мощность за сутки; P - максимальная нагрузка

K=14,7/16,2= 0,9

1.7 Определяем расход активной энергии за год:

W= W* 365 (1,7)

W=352,7*365=128735,5мВт*час

1.8 Определяем время использования максимума:

T= (1.8)

T=128735.5/16.2=7946.6 час

1.9 Определяем время потерь при T=7946,6 час, cos=0,83

= 7250 час – согласно графика для определения потерь

1.10 Строим годовой график расхода эл. энергии:


8760 часов в год

2.Выбор схемы эл.снабжения

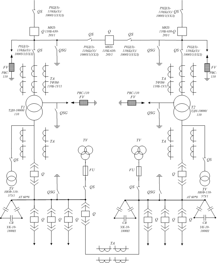
Для питания горно-обогатительного комбината с максимальной нагрузкой 19.5 МВ*А принимаем глубокий ввод – это подвод эл.энергии высокого напряжения как можно ближе к потребителю при этом достигается экономия капитальных вложений до 20% и снижается потеря эл.энергии до 10%, уменьшаются токи короткого замыкания и повышается надежность эл.снабжения. Для питания ввода выбираем две воздушные линии электропередач, так как они дешевле кабельных линий, удобны для осмотра и ремонта. Система шин РУ вторичного напряжения 10 кВ одинарная, секционированная по числу силовых трансформаторов. Для обеспечения надежности схемы эл.снабжения принимаем схему с двумя трансформаторами, так как в случае аварии или ремонта на одном из трансформаторов потребители будут получать питание от оставшегося в работе трансформатора. Так же для обеспечения надежности схемы электроснабжения принимаем схему с выключателями на стороне высшего напряжения с двумя перемычками. Перемычки обеспечивают гибкость и надежность схемы электроснабжения. В случае аварии на одной из Л.Э.П. ее отключают с двух сторон, замыкают соответствующие перемычки и тогда трансформаторы получают питание по оставшейся в работе Л.Э.П. В результате включения перемычек потребители бесперебойно получают электроэнергию. Мощность трансформаторов и сечение проводов выбирают так, чтобы в нормальном режиме работы они были загружены на 80 - 90%, а при возможном отключении одной из линии или трансформатора, оставшиеся в работе, хотя и с допустимой перегрузкой обеспечивали бесперебойную работу предприятия. На вводе установлены: разьеденитель, выключатель, вентильные разрядники, заземляющие разьеденители и выключатели перемычек. Режим работы линии и трансформаторов раздельный и соответственно характер резерва будет неявный. Согласно произведенному выбору схемы электроснабжения строим данную схему.

Схема ГПП представлена на рисунке 2.1.

Для повышения cosгорно-обогатительного комбината с cos =0,83 до cos=0,95 необходимо выбрать компенсирующее устройство.

3.1 Определяем мощность компенсирующего устройства:

Q=P*(tg- tg) (3.1)

tg= 0,6 при cos =0,83

tg = 0,3 при cos=0,95 – требуемый cos.

Q= 16200* (0,6-0,3) = 4860 квар

Где Q- мощность компенсирующего устройства

3.2 Принимаем конденсаторную батарею типа УК-10Н-1800П в количестве трех штук мощность батареи 1800 квар и суммарной мощностью 5400 квар.

3. Компенсация реактивной мощности

3.3 Рассчитываем значение полной мощности, после установки компенсирующего устройства (конденсаторной батареи):

S’ = (3.2)

S’ = =17118 кВ*А

Рис.2.1 Принципиальная схема ГПП

3.4 Определяем cos после установки батареи конденсаторов:

cos= (3.3)

cos= 16200/17118 = 0,95

Мощность конденсаторов в одном элементе составляет 25-100 квар. Обычно включаются в сеть трехфазного тока по схеме треугольника.

Достоинства:

- малые потери активной мощности (0,0025-0,005 кВт/квар);

- простота эксплуатации (нет вращающихся частей);

- простота производства монтажных работ (малая масса, не требуется фундамент);

- для установки конденсаторов можно использовать любое сухое помещение.

Недостатки:

- мощность батареи пропорциональна квадрату напряжения. Эта зависимость неблагоприятна, так как при понижении напряжения в сети потребность в реактивной мощности увеличивается, что отрицательно сказывается на устойчивости энергосистемы;

- чувствительность к искажениям питающего напряжения;

- недостаточная прочность, особенно при К.З. и перенапряжениях;

- пожароопасность, наличие остаточного заряда

4.Выбор силовых трансформаторов

Количество трансформаторов на подстанции и их мощность должны удовлетворять условию надежности электроснабжения, минимальным капитальным затратам и наиболее экономичному режиму загрузки трансформатора. Для потребителей первой и второй категории наибольшее распространение получили двухтрансформаторные подстанции с неявным резервом и раздельной работой трансформаторов.

Мощность трансформаторов выбирается так, чтобы в нормальном режиме трансформаторы имели загрузку, при которой потери минимальны. При этом капитальные затраты должны быть минимальными, а при выходе одного из трансформаторов из строя второй обеспечил бы нормальную работу потребителей при условии перегрузки его в пределах, допускаемых ПУЭ. При неравномерном графике нагрузки допускается перегрузка трансформаторов в часы максимума, но не более величины, определяемой по “Кривым кратностей допустимых перегрузок силовых трансформаторов“ ([7], рис.3, стр.9). В послеаварийном периоде допускается перегрузка трансформатора на 40% на время максимумов общей суточной продолжительностью не более 6 часов в сутки в течение не более 5 суток. При этом коэффициент заполнения суточного графика нагрузки трансформатора в условиях его перегрузки должен быть не более 0,75.

4.1 С учетом категории потребителей намечаем ГПП горно-обогатительного комбината с двумя трансформаторами.

4.2 При К= 0,9 n =4 часа определяем коэффициент допустимой систематической перегрузки трансформаторов по «Кривым кратностей допустимых перегрузок силовых трансформаторов» ([7], рис.3, стр.9):

К= 1,04

Где К- коэффициент заполнения графика, n – продолжительность работы с максимальной нагрузкой в сутки, К - коэффициент допустимой перегрузки трансформатора.

4.3 Намечаем два возможных варианта мощности трансформаторов:

Вариант 1: Два трансформатора мощностью по 10 МВ*А

4.3.1 Находим коэффициент загрузки трансформатора в часы максимума:

К= (4.1)

К=17.1/2*10=0.85

Где - номинальная мощность трансформатора, - значение полной мощности, после установки компенсирующего устройства.

Вариант 2: Два трансформатора мощностью по 16 МВ*А

4.3.2 Находим коэффициент загрузки трансформатора в часы максимума:

К=17,1/2*16=0,53

4.4 Оба варианта приемлемы при максимальной загрузке трансформаторов так как:

Вариант 1: К=0,85 1,04= К

Вариант 2: К=0,53 1,04= К

4.5 Определяем допустимую перегрузку в послеаварийном режиме работы:

Вариант 1: 1,4*10=14 МВ*А 0,1*17,1=1,71 МВ*А

Вариант 2: 1,4*16=22,4 МВ*А 0,1*17,1=1,71 МВ*А

Оба варианта обеспечивают надежное электроснабжение, как в нормальном так и в послеаварийном режимах работы. табл.4.1

Вар.

тип

U

кВ

U

кВ

I

%

U

%

Цена

руб.

1

ТДН 10000/110

115

11

15

58

0,75

10,5

36500

2

ТДН 16000/110

115

11

19

85

0,7

10,5

42000

4.6 Определяем капитальные затраты:

Вариант 1: 36500*2=73000 руб.

Вариант 2: 42000*2=84000 руб.

4.7 Определяем стоимость потерь электрической энергии в год:

С*n(+K)T+ С*n* К(+ K)* (4.2)

Вариант 1:

С=2,05*10*4(15+0,08)8760+2,05*10*0,85(58+0,08)* 7250=26,31 тыс. руб.

Вариант 2:

С=2,05*10*4(19+0,08)8760+2,05*10*0,53(58+0,08)* 7250=28,17 тыс. руб.

4.8 Определяем амортизационные отчисления:

C=0.063*K (4.3)

Где K – капитальные затраты на трансформатор,

0,063 - амортизационные отчисления на оборудование подстанций (6,3%)

Вариант 1: C=0.063*73=4.6 тыс. руб.

Вариант 2: C=0.063*84=5,3 тыс. руб.

4.9 Определяем общие эксплутационные расходы:

С= С+ C (4.4)

Где C- амортизационные отчисления, С- стоимость потерь электрической энергии в год.

Вариант 1: С=26,31+4,6=30,9 тыс. руб.

Вариант 2: С=28,17+5,3=33,5 тыс. руб.

табл.4.2

вариант

мощность

МВ*А

капитальные затраты тыс. руб.

эксплутационные расходы тыс. руб.

1

2*10

73

30,9

2

2*16

84

33,5

Очевидно преимущество Варианта 1 так как его стоимость меньше и эксплутационные расходы тоже меньше чем у Варианта 2. Исходя из этого, принимаем Вариант 1 – ТДН-10000/110 – трансформатор трехфазный, принудительной циркуляции воздуха, естественной циркуляции масла, номинальной мощностью 10000 кВ*А, номинальным напряжением обмотки высшего напряжения 110 кВ.

5.Расчет токов короткого замыкания

5.1 Составляем схему согласно задания для расчета токов короткого замыкания:

115 кВ

L=8.3 км

X=0.4 Ом/км

115 кВ

S= S=10МВ*А

U= 10.5%

10.5 кВ

5.2 Составляем схему замещения, линии и трансформаторы работают раздельно:

5.3 Принимаем: S = 100 МВ*А; U= 115 кВ; U= 10.5 кВ.

5.4 Определяем базисные токи:

I= (5.1)

I= =0,5 кА

I=

I= =5,5 кА

5.5 Определяем относительные базисные сопротивления элементов схемы:

системы X= (5.2)

X==0.09

линии X= (5.3)

X==0,03

трансформатора X= (5.4)

X==1,05

5.6 Определяем результирующее сопротивление:

X= X+ X (5.5)

X=0,09+0,03=0,12

X = X+ X (5.6)

X =0,12+1,05=1,17

5.7 Определяем токи и мощность короткого замыкания для точки К:

I= (5.7)

I==4.2 кА

i=2.55* I (5.8)

i=2.55*4.2=10.7 кА

S=* U* I (5.9)

S=*115*4,2=836 МВ*А

5.8 Определяем токи и мощность короткого замыкания для точки К:

I= (5.10)

I==4.7 кА

i=2.55*4.7=12 кА

S=* U* I (5.11)

S=*10,5*4,7=86 МВ*А

5.9 Полученные данные расчетов сводим в таблицу:

табл.5.1

расч. точка

X

I кА

i кА

SМВ*А

К1

0,12

4,2

10,7

836

К2

1,17

4,7

12

86

6.Расчет и выбор питающей линии

6.1 Выбираем провод марки АС. Определяем ток линии в нормальном режиме при максимальной нагрузке:

I= (6.1)

I==45 А

6.2 Определяем экономически наивыгоднейшее сечение:

S = (6.2)

Где = 1.0 – по справочнику

S==45 мм

6.3 Выбираем провод АС-16. По условию нагрева длительным током провод АС-16 удовлетворяет, так как I=105 A > 2*45А.

Условию минимальных потерь на корону провод АС-16 не удовлетворяет, так как минимально допустимое сечение проводов воздушных линий по условиям коронирования 70мм.

Согласно условиям коронирования принимаем провод марки АС-70.

6.4 Определяем продольную составляющую падения напряжения:

= (6.3)

Где X=X*L – индуктивное сопротивление линии (Ом); R=r*L – активное сопротивление линии (Ом).

Q=Q - Q (6.4)

Q=10900-4860=6040 квар

==732 В

6.5 Определяем поперечную составляющую падения напряжения:

(6.5)

=284 В

6.6 Определяем падение напряжения:

(6.6)

=785.2 В – что составляет = 0.7%

Выбранное сечение удовлетворяет условию =0,7% < =5% , даже при аварийном режиме.

7.Выбор оборудования

7.1 Выбираем выключатель типа МКП-110Б-630-20У1 – масляный, камерный, подстанционный, категория изоляции Б, на номинальное напряжение 110 кВ, на 630 А, ток отключения 20 кА, для умеренного климата.

7.2 Составляем сравнительную таблицу расчетных и каталожных данных, которые должны быть выше соответствующих расчетных данных.

табл.7.1

Расчетные данные

Каталожные данные

I= 45 А

I= 630 А

U= 110 кВ

U= 110 кВ

I= 4.2 кА

I= 20 кА

S= 836 МВ*А

S= 3979 МВ*А

i = 10.7 кА

i= 52 кА

I= 1.028 кА

I= 20 кА

S= (7.1)

S== 3976 МВ*А

I=I (7.2)

Где t=0.1 сек, tb = 0.08 сек.

I=4,2=1,028 кА

Принимаем выбранный выключатель, так как расчетные данные не превышают каталожных.

7.3 Выбираем разьеденитель марки РНД(3)-110(Б)(У)/1000 У1(УХЛ) – наружной установки, двухколонковый с заземляющими ножами, с усиленной изоляцией, с механической блокировкой главных и заземляющих ножей. Устанавливается на U=110 кВ и номинальный ток 1000 А в районах с умеренным климатом на открытом воздухе.

7.4 Составляем сравнительную таблицу расчетных и каталожных данных:

табл.7.2

Расчетные данные

Каталожные данные

I= 45 А

I= 1000 А

U= 110 кВ

U= 110 кВ

i= 10.7 кА

i= 80 кА

I=1.028 кА

I= 31,5 кА

Принимаем выбранный разъединитель, так как расчетные данные не превышают каталожных.

7.5 Выбираем трансформатор тока типа ТФЗМ-110Б-1У11 – с фарфоровой изоляцией и звеньевой обмоткой, маслонаполненный, на 110 кВ с изоляцией категории Б. Для районов с умеренным климатом, для работы на открытом воздухе.

7.6 Составляем сравнительную таблицу расчетных и каталожных данных:

табл.7.3

Расчетные данные

Каталожные данные

U= 110 кВ

U= 110 кВ

I= 45 А

I= 100 А

К=76

К=149

К=30

К=57

К= (7.3)

К= (7.4)

К==30

расчетные данные.

К==76

К==57

каталожные данные.

К==149

Принимаем выбранный трансформатор тока, так как расчетные данные не превышают каталожных.

7.7 Трансформатор напряжения выбираем по номинальному напряжению U= 110 кВ. Принимаем трансформатор напряжения типа НКФ-110-57У1 – каскадный, в фарфоровой покрышке на напряжение 110 кВ для работы в районах с умеренным климатом 1957 года разработки.

7.8 Вентильный разрядник выбирается по номинальному напряжению, принимаем разрядник вентильный станционный на номинальное напряжение 110 кВ марки РВС-110.

8.Выбор шин

8.1 Определяем расчетный ток при максимальной нагрузке в послеаварийном режиме работы:

I= (8.1)

I==988.4 А

8.2 По справочнику выбираем алюминиевые шины марки АТ с размером полосы 60*8 мм, сечением 480 мм, с допустимым током 1025 А. Полоса установлена на ребро, расстояние между опорными изоляторами L=900 мм, расстояние между фазами a=260 мм.

рис.8.1 расположение полос на изоляторах.

8.3 Проверяем шины на динамическую устойчивость к действию токов короткого замыкания:

8.3.1 Находим усилие действующее между фазами, при трехфазном коротком замыкании:

F = 1.76*i (8.2)

F = 1.76*12= 87.7 Н

8.3.2 Определяем механическое напряжение в шинах:

= (8.3)

Где W – момент сопротивления шин

W=0.17*b*h (8.4)

W = 1.76*0.8*6=0.65 см

==9.5 мПа

Шины сечением 60*8 удовлетворяют условию динамической устойчивости, так как

=9,5 мПа < = 65 мПа = 65 мПа

8.4 Проверяем шины на термическую устойчивость при протекании по ним токов короткого замыкания:

S=b*h (8.5)

S=8*60=480 мм2

Sмин= (8.6)

Где С =91 А*с – по табл. 36

Sмин==24,3 мм2

Выбранные шины удовлетворяют условию термической устойчивости к токам короткого замыкания исходя из:

Sмин = 24,3 мм2 < Sрасч = 480 мм2

8.5 Принимаем выбранные шины марки АТ 60*8, сечением 480 мм2 и Iдоп= 1025 А.

9.Релейная защита

Проектируемое предприятие содержит 15% потребителей первой категории, поэтому принимаем в качестве источника оперативного тока переменный ток.

Релейная защита трансформаторов устанавливается от следующих видов повреждений и ненормальных режимов работы: междуфазные короткие замыкания в обмотках и на выводах, внутренних повреждений, замыканий на землю, перегрузок.

Защита от перегрузок выполняется действующей на сигнал посредством токового реле. Токовое реле устанавливают в одной фазе, поскольку перегрузка трансформатора возникает одновременно во всех трех фазах. Газовая защита применяется в качестве весьма чувствительной защиты от внутренних повреждений трансформатора. Повреждения трансформатора, возникающие внутри его, сопровождаются электрической дугой или нагревом деталей, что приводит к разложению масла и изоляционных материалов и образованию летучих газов. Эти признаки используются для выполнения специальной защиты, при помощи газового реле, реагирующего на появление газов и движение масла. Схема соединения трансформаторов тока и реле максимальной защиты обеспечивает защиту от всех видов короткого замыкания.

Пользуясь справочником ( [2] стр. 376 – 382 ) принимаем схему защиты на переменном оперативном токе с реле прямого действия для трансформаторов 110/10 кВ. Схема защиты приведена на рис.9.1

Данная схема содержит: (1) – отделитель, (2) – короткозамыкатель с пружинным приводом, (3) – выключатель на стороне низшего напряжения с дистанционным приводом, (4) – встроенный трансформатор тока на стороне высшего напряжения (для надежности работы реле прямого действия трансформаторы тока соединены по два на фазу); (5) – трансформаторы тока, (6) – реле типа ИТ (защита от перегрузки), (7) – реле газовое, (8) – реле промежуточное типа РП, (9,10) – реле типа ЭС, (11) – переключающее устройство типа НКР; (7 – 11) – газовая защита, выполненная с самоудерживанием выходного промежуточного реле для обеспечения надежного отключения трансформатора при кратковременном замыкании контактов газового реле, снятие самоудерживания осуществляется блок – контактами короткозамыкателя; (12 – 15) реле типа РТВ; (12,13) – максимальная токовая защита со стороны низшего напряжения; (16,17) – катушка отключения, (18) – добавочное сопротивление.

Токовая отсечка из-за ограничения числа реле прямого действия, встроенных в привод, для трансформатора не предусмотрена: для быстрого отключения повреждений в трансформаторе предусматривается газовая защита.

Рис.9.1. Схема релейной защиты.

10. Автоматика электроснабжения

Рассмотрим на примере автоматического включения межсекционного выключателя с низкой стороны силовых трансформаторов двухтрансформаторной ГПП.

Под резервным источником питания подразумевают один из силовых трансформаторов двухтрансформаторной подстанции оставшийся в работе после неисправности на другом трансформаторе. Важно при срабатывании схемы автоматики предусмотреть следующую очередность:

- вначале отключают выключатели с низкой стороны силового трансформатора, соединяющий его с секцией шин;

- затем включают межсекционный выключатель.

Если очередность будет нарушена, то создается обходная цепочка через межсекционный выключатель и защита может отключить оба, питающих ГПП, трансформатора.

Описание работы схемы:

Допустим на трансформаторе Т1 произошло К.З. Первая секция шин остается без напряжения, значит измерительный трансформатор напряжения ТV1, получающий питание от первой секции шин, также остается без напряжения. При этом реле напряжения KV1, потеряв питание, отпускает подвижный сердечник, контакт KV1 замкнется по цепочке: фаза А трансформатора TV2, контакт KV1, катушка КТ1; фаза В трансформатора TV2, реле времени получит питание. Отсчитав заданную выдержку времени замкнется контакт КТ1 по цепи:

фаза А трансформатора TV2, контакт КТ1, электромагнит отключится: выключаются YAT Q1, блок – контакт выключателя Q1, фаза В трансформатора TV2. Выключатель Q1 отключается, при этом блок – контакты выключателя Q1 в цепи электромагнита включения межсекционного выключателя Q3 замыкаются, тогда по цепи: фаза А трансформатора TV2, блок – контакты Q1; фаза В трансформатора TV2. Выключатель Q3 включится и первая секция шин получит питание. При этом нужно иметь в виду, что потребители третьей и частично второй категории должны быть отключены.

Схема автоматики электроснабжения изображена на рис.10.1

11.Заземление

Для защиты людей от поражения электрическим током при повреждении изоляции применяются следующие меры безопасности: заземление, зануление, защитное отключение, разделительный трансформатор, двойная изоляция, малое напряжение.

Заземление – это преднамеренное электрическое соединение с землей или ее эквивалентом металлических не токоведущих частей, которые могут оказаться под напряжением.

Различают следующие виды заземления:

- защитное заземление – предназначено для защиты обслуживающего персонала от опасных напряжений.

рабочее заземление – заземление, предназначенное для создания нормальных условий работы аппарата. К рабочему заземлению относится заземление нейтралей трансформаторов, генераторов, дугогасительных катушек. Без рабочего заземления аппарат не может выполнять свои функции или нарушается режим работы электрической установки.

Рис.10.1. Схема автоматики электроснабжения.

При заземлении электроустановок особое внимание необходимо обращать на заземление металлических корпусов передвижных и переносных электроприемников, передвижных установок и механизмов. Это связано с тем, что опасность поражения электрическим током при заземлении на корпус значительно выше, чем в станционных установках. Заземление установок должно выполняться в соответствии с требованиями ПУЭ. В электроустановках с напряжением выше 1 кВ с большими токами короткого замыкания на землю, пробой фазы на корпус и последующее замыкание на землю является однофазным коротким замыканием, от тока которого срабатывает максимальная токовая защита, отключая поврежденный участок. Заземление выполняется при помощи заземлителей, т.е. металлическими проводниками или группой проводников, находящихся в непосредственном соприкосновении с землей. Заземлители делятся на естественные и искусственные. Под естественными заземлителями подразумевают любые, имеющие достаточную и постоянную поверхность соприкосновения с землей металлические предметы, попутное использование которых для целей заземления не вызывает нарушения их нормальной работы. В качестве искусственных заземлителей обычно применяют вертикально забитые в землю отрезки угловой стали длинной 2,5 – 3 м и горизонтально проложенные стальные полосы, которые служат для связи вертикальных заземлителей. В последнее время стали применяется углубленные прутковые заземлители из круглой стали диаметром 12 – 14 мм и длинной до 5 м, ввертываемые в грунт посредством специального приспособления – электрифицированного ручного заглубления. Благодаря проникновению в глубокие слои грунта с повышенной влажностью снижается удельное сопротивление. Использование углубленных прутковых заземлителей снижают расход металла и затраты труда на работу по устройству заземления.

Список литературы

Липкин Б. Ю. ”Электроснабжение промышленных предприятий и установок”. Высшая школа . 1981 г.

“ Справочник по электроснабжению промышленных предприятий”. Под общей редакцией А. А. Федорова и Г. В. Сербинского. Книга вторая. “Проектно – расчетные сведенья об оборудовании”. Энергия. 1973 г.

Дорошев К. И. “Комплектные распределительные устройства напряжением 6 – 10 кВ”. Энергоиздательство. 1982 г.

“Правила устройств электроустановок”. Издание 6 – е. Энергоатомоиздат.1986 г.

“Справочник по электроснабжению промышленных предприятий ”. Под общей редакцией А. А. Федорова и Г. В. Сербинского. Книга первая. “Проектно – расчетные сведенья об оборудовании”. Энергия. 1973 г.

Коновалов Л. Л. , Рожкова Л. Д. “ Электроснабжение промышленных предприятий и установок ”. Энергоатомоиздат. 1989 г.

“Справочник по электроснабжению и электрооборудованию”. Под общей редакцией А. А. Федорова. Том первый. “Электроснабжение”, “Энергоатомоиздат”. 1986 г.

“Справочник по электроснабжению и электрооборудованию”. Под общей редакцией А. А. Федорова. Том второй. “Электрооборудование”, “Энергоатомоиздат”. 1987 г.