По организации и проведению учебной
|
ДГСА |
МИНИСТЕРСТВО ОБРАЗОВАНИЯ И НАУКИ УКРАИНЫ ДОНБАССКАЯ ГОСУДАРСТВЕННАЯ АКАДЕМИЯ СТРОИТЕЛЬСТВА И АРХИТЕКТУРЫ КАФЕДРА ИНЖЕНЕРНОЙ ГЕОДЕЗИИ |
МЕТОДИЧЕСКИЕ РЕКОМДАЦИИ
По организации и проведению учебной
геодезической практики по специальности
1202-ПГС (спецкурс)
|
Утверждено На заседании кафедры Протокол № ______________ от «_______»______________200 г. |
Макеевка ДГАСА
2000
УДК 528.425
Методические рекомендации по организации и проведению геодезической практики по специальности ПГС-1202 (спецкурс). Лобов М.И., Ламбин Н.Е., Соловей П.И. ДГАСА,2000. –
В рекомендациях приведены общие вопросы организации практики , виды работ и количество часов, отведенных на их выполнение. Даны краткие описания и методики выполнения указанных в методичке работ.
Рекомендации рассчитаны на студентов , усвоивших теоретический курс и выполнивших лабораторные работы по программе бакалавра и по спецкурсу , а так же прошедших геодезическую практику по программе бакалавра.
Составители: М.И. Лобов
Н.Е. Ламбин
П.И. Соловьй
ВВЕДЕНИЕ
Учебная полевая практика по инженерной геодезии имеет целью углубить и закрепить теоретические знания, полученные при изучении спецкурса. Студенты на практике должны освоить геодезические приборы настолько, чтобы самостоятельно выполнять необходимые проверки и юстировки, научиться решать основные геодезические задачи на строительной площадке и в процессе инженерной подготовки проекта.
Общее руководство практикой осуществляется заведующим кафедрой инженерной геодезии ДГАСА, руководство академическими группами – преподавателями кафедры.
Сроки проведения практики утверждаются учебным отделом академии.
Для прохождения практики учебные группы разбиваются на бригады по 5-6 человек, которые выбирают бригадира. Бригадир отвечает за учебную дисциплину бригады, своевременный выход в поле и организует камеральные работы. Бригадир ведет табель посещаемости и дневник работ, которые содержит общую характеристику проделанной работы, с указанием выполненной конкретной работы каждым студентом. Дневник проверяется преподавателем и прилагается к общему отчету по практике при сдаче зачета.
Бригадир получает приборы от ст. лаборанта кафедры, следит за их исправным состоянием. Бригада полностью несет материальную ответственность при их утрате.
Студенты, выбывшие из бригады или пропустившие занятия, к зачету по практике не допускаются. Переход их одной бригады в другую не разрешается. Руководитель практики ежедневно ведет учет посещаемости студентов.
Программа учебной геодезической практики
Программа учебной геодезической практики включает :
Первый день
|
|
Вводный инструктаж по ТБ и сдача экзамена - |
1,0 ч |
|
|
Разбивка группы на бригады и избрание бригадира - |
0,5 ч |
|
|
Получение геодезических инструментов, материалов, бланков, методичек - |
1,5 ч |
|
|
Проверка и юстировка геодезических приборов - |
2,0 ч |
|
|
Выполнение пробных измерений углов, линий, превышений - |
1,0 ч |
Второй день
|
1. |
Построение на местности проектного угла |
3,0 ч |
|
2. |
Вынос точки с проектной отметкой |
2,0 ч |
|
3. |
Вычислительная и графические работы по оформлению выполненных задач |
1,0 ч |
Третий день
|
1. |
Изучение выданных преподавателем данных для выноса проекта в натуру |
0,5 ч |
|
2. |
Рекогносцировка участка |
0,5 ч |
|
3. |
Вынос в натуру и закрепление осей зданий по полученному разбивочному чертежу |
4,0 ч |
|
4. |
Графические работы по оформлению выполненного задания |
Четвертый день
|
1. |
Детальная разбивка осей в плане и по высоте |
2,0 ч |
|
2. |
Построение единичной плоскости |
0,5 ч |
|
3. |
Вынос и закрепление осей на обноске |
2,5 ч |
|
4. |
Графические работы по оформлению выполненного задания и составление отчета |
1,0 ч |
Пятый день
|
1. |
Определение плоскости широты в плане и по высоте и методом бытового нивелирования |
3,0 ч |
|
2. |
Определение вертикальности сооружения по методике разработанной кафедре инженерной геодезии ДГАСА |
2,0 ч |
|
3. |
Вычислительные и графические работы по оформлению выполненных задач |
1,0 ч |
Шестой день
|
1. |
Оформление бригадного отчета по практике и получение зачета |
6,0 ч |
ПОСТРОЕНИЕ НА МЕСТНОСТИ ПРОЕКТНОГО УГЛА
При построении на местности проектного угла должна быть закреплена вершина О и начальное направление ОА (см. рис. 1 а). Требуемый штрих закрепить на местности точку В, чтобы угол АОВ имел проектное значение .
На точке А устанавливают вешку, в точке О – теодолит и приводят его в рабочее положение. При закрепленном лимбе берут по горизонтальному кругу отсчет а >L> на точку А при КЛ. по формуле b >L> = а >L> + вычисляют проектный отсчет и поворотом алидады устанавливают его на горизонтальном круге. По вертикальной нити зрительной трубы на местности закрепляют точку В> L>. Анологичные действия выполняют при КП, берут отсчет а >R> , вычисляют проектный отсчет b >К> = Q >R> + и получают на местности точку В> R>. Отрезок В>L>В>R> делят пополам и находят определенную точку В.
При построении угла с повышенной точностью сначала строят его при одном положении вертикального круга и фиксируют точку В> L>. Затем отложенный угол измеряют несколькими приемами вычисляют среднее его значение. Взяв разность между заданным углом и измеренным, получают поправку . зная по проекту расстояние ОВ, вычисляют линейную поправку Х.
Х = (ОВ * )/
Отложив на местности точки перпендикулярно линии ОВ>L> величину Х, фиксируют точку В. Угол АОВ и будет равен заданному углу .
|
О |
|
|
Фактические |
Проектные |
|
а >L >= 3 23 |
b >L> = 5553 |
|
а >R >= 183 24 |
b >R >= 233 54 |
Рис. 1. Схемы построен ия проектного угла
При строительстве часто возникает необходимость в построении прямого угла с небольшими сторонами и несколькими требованиями к точности построения. Для этих целей используют рулетку. При построении (рис 1 б) рулетку укладывают в створ линии ВС, совмещают штрих 10 м с вершиной угла Д и по штрихам 0 и 20 м отмечают положение точек В и С. Раствором рулетки 20 м из этих точек делают засечки и получают положение точки А.
Построение прямого угла в стесненных условиях выполняют с использованием свойств «египетского» треугольника с отношением сторон 3:4:5 . Для этого от вершины Д (рис.1 в) по линии ДС откладывают отрезок кратный 4, например 8 м. Затем прикладывают нулевой штрих рулетки к точке Д и закрепляют его, а штрих, кратный сумме 3+5=8, в нашем случае 16 м, прикладывают и удерживают у точки С. После этого натягивают рулетку за штрих кратный 3, т.е. за штрих 6 м, и в месте прогиба отмечают точку А. при этом линия АД будет перпендикулярна линии ДС.
Вертикальный углы, как правило, строятся одним полуприемом. Для этого вычисляют отсчет, соответствующий значению заданного угла , по формулам:
КП = МО -, КЛ = + МО
Приведя уровня при вертикальном круге в изм-пункт, устанавливают вычисляют отсчет на лимбе. После чего фиксируют проекцию средней горизонтальной нити на местности. Для повышения точности построения угла может быть выполнен полный прием, при этом расстояние между двумя фиксировнными проекциями горизонтальной нити делится поплам.
ВЫНОС ТОЧКИ С ПРОЕКТНОЙ ОТМЕТКОЙ.
Вынос точки с проектной отметкой производится нивелиром . вынести проектную отметку – значит отметить в натуре точку В, высота которой НВ над уровнем моря или над условным горизонтом равна заданной.
Установив нивелир примерно по середине между репером А с известной отметкой НА и местом вынесения точки, берут отсчет по рейке а по черной строчке, установленной в точке А. горизонт инструмента вычисляют по формуле ГИ= НА + а и отняв от него значение проектной отметки Н В , находят отсчет b . После этого рейку, установливают в месте вынесения точки , перемещают по вертикали до тех пор , пока горизонтальная нить сетки нитей не совпадет с отсчетом «b» . В этот момент реечник фиксирует точку В по рейки. Для контроля высоты точки В определяют при другом горизонте инструмента или по красным сторонам реек.
Если разность отметок точек НА и НВ большая и с общей установки вынести проектную отметку нельзя, то производят вынос с двух или более станций. Последовательность действий в этом случае видна из рис.2.

b
= [H >Rp1>
+ a + (c -b)] – H >пр>
Рис. 2 Вынос в натуру проектной отметки
ИЗУЧЕНИЕ ТЕХНИКИ БЕЗОПАСНОСТИ, ПОЛУЧЕНИЕ ИНСТРУМЕНТОВ, ПРОВЕРКИ И ЮСТИРОВКИ ПРИБОРОВ
Геодезические работы на учебной практике должны выполнятся студентами в полном соответствии с требованиями Методических указаний по каждому виду работ, при обязательном выполнении правил техники безопасности и пожарной охраны и при строгой трудовой дисциплине.
Перед началом работ каждый студент изучает правила техники безопасности и сдает экзамен преподавателю – руководителю практики.
После этого бригада получает необходимые инструменты и оборудование:
Теодолит со штативом, буссолью, шпилькой и отвесом.
Мерную ленту со шестью шпильками.
Рулетку 10-30 метровую.
Вешки.
Топор.
Нивелир со штативом.
Нивелирные рейки.
Колышки длиной 20-30 см (заготавливаются силами студентов).
Для записей результатов полевых измерений и камеральных работ бригада получает необходимые журналы и бланки.
Перед работой необходимо прокомпарировать мерную ленту и сделать проверки теодолита и нивелира. Результаты проверок и компарирования оформляются в специальной тетради проверок приборов.
РЕКОГНОСЦИРОВКА УЧАСТКА. ИЗУЧЕНИЕ ВЫДАННЫХ ПРЕПОДАВАТЕЛЕЙ ДАННЫХ ДЛЯ ВЫНОСА ПРОЕКТА В НАТУРУ. ВЫНОС В НАТУРУ И ЗАКРЕПЛЕНИЕ ОСИ ЗДАНИЯ ПО ПОЛУЧЕННОМУ ЧЕРТЕЖУ.
На строительной площадке к разбивочным относится вынос в красных линий или осей улиц (проездов), главных, основных и вспомогательных осей зданий, сооружений или геодезической строительной сетки, а так же главных осей подземных инженерных сетей.
В основу работы по выносу в натуру основных геометрических элементов входит разработка ППГР.
Перед выносом проекта в натуру устанавливается для этого точность, определяемая техническими условиями разбивки. Например, при выносе красных линий застройки допускается ошибка от + 3 до + 5см, оси бетонных фундаментов выносятся в плане + 10 мм, по высоте 5 мм. Смещение оси колонны относительно разбивочных осей (в нижнем сечении) + 5 мм, это значит, что пролет между двумя колоннами не должен содержать ошибку более + 5=7 мм. Тогда при шаге колонн 12 м относительная ошибка должна быть не более
7 1
-------- --------
12000 1700
Для обеспечения необходимой точности в установке конструкции разбивочные работы следует производить не грубее mr= 0.2, где - предельное отклонение конструкции. Следовательно, для разбираемого случая измерение линий потребуется выполнять с относительной ошибкой 1: 3500 – 1: 4000. Этого можно достигнуть при разбивке створа теодолитом или хорошо натянутой стальной проволокой с последующим замером стальной рулеткой.
Само собой разумеется, что работа по выносу проекта в натуру независимо от ее точности, должна быть всегда организована так, а для этого необходим полноценный контроль всех вычислительных и измерительных действий.
Из требований точности подбираются необходимые инструменты и приборы:
Теодолит.
Рулетка стальная.
Колышки деревянные – 5-6 шт.
Мерная лента со шпильками.
Вехи – 3 шт.
Гвозди 5-7 мм – 5-6 шт.
Проволоки 1-2 мм 25 и 60 метровые.
Инвентарная обноска.
Состав работы
Объяснение задания.
Аналитический расчет выносимых в натуру элементов.
Рекогносцировка участка.
Разбивка основной оси.
Объяснение задания.
На планах по указанию руководителя практики запроектировать красную линию (ось улицы) и жилой дом, габариты которого взять из альбома типового проекта.
Р
4 КЖ
ис.
3
Красными линиями называют проектные линии, по которых будут вестись новая застройка. Красные линии могут совпадать с линиями существующей застройки улицы, если улица имеет достаточную ширину и не предусмотрено её расширение.
Если проектом планировки предусмотрено расширение улицы или пробивки новой улицы, красные линии не совпадают с линией существующей застройки (обычно подлежащей под снос). На уровне земли подземные детали не должны выступать за красную линию в сторону улицы, поэтому при разбивке с красной линией совмещают цоколь здания.
А
– А и Д – Д - продольные или фасадные
оси фундамента;
1 –1 и 10 – 10 – поперечные или торцовые оси фундамента.
Рис. 4
Аналитический расчет выносимых в натуру элементов.
План красных линий и проектируемых зданий и сооружений разрабатывается на топографических планах масштабов 1:2000 – 1: 500 и является документом, на основе которого рассчитывается и красные линии и положении проектируемых сооружений.
Аналитический расчет состоит в установлении аналитической связи между определяемыми (проектными) точками и существующими на местности точками геодезической основы.
Аналитические расчеты (геодезическая подготовка) для разбивочных работ осуществимы следующими способами: аналитическим, графическим и графоаналитическим. Подробно об этих способах см. «Методические указания к изучению курса инженерной геодезии в строительстве. Автор Лобов М.И. » или Практикум по инженерной геодезии. Б.С. Хейфиц, Б.Б. Данилевич, 1973, § 80 и др.
Рекогносцировка участка.
По завершению аналитических расчетов и составления схемы выноса проекта в натуру приступают к полевым работам по разбивке выносимых элементов. Для этого на местности находят пункты геодезической сети. Устанавливают ориентированные линии и направления выносимых элементов. Все это вместе взятое составляет изучение площадки, на которой будут производится разбивочные работы и называется рекогносцировкой. При этом необходимо следить за тем , что бы не ошибиться в ориентировке здания на 180 , то есть не повернуть его зеркально.
Разбивка основной оси.
Наиболее распространенными методами построения проектной точки на местности является: полярных, прямоугольных координат, засечек и т.д.
При разбивке зданий и сооружений работу начинают с выноса в натуру двух крайних точек , определяющих положение наиболее длинной продольной оси. Точки привязывают к ближайшим пунктам геодезической основы.
С
пособ
полярных координат
Рис.5
Средняя квадратическая погрешность выноса в натуру проектной точки вычисляется по формуле:
m c = m2 исх + ( S2 / 2 )* m 2>> + m 2ф =
= (m 2>> / 2 ) * S + (m>s >/ S)* S2 + m 2ф
при m 2>> = 30" , m>s >/ S = 1 / 2000 , mф = 1 мм , s = 100 м
m c = (30 2 * 100000 2 )/ 206265 2 + (1 * 100000 2 )/ 2000 2 + 1 2 = 53 мм
при m 2>> = 5" , m>s >/ S = 1 / 5000 , mф = 1 мм , mс = 20,2 мм
Способ прямоугольных координат
Р
ис.
6
m c = (m>s > / S)2 * (S 1 + S 2 )2 +(m ">> / " ) 2* S)2 + m 2ф
Пример. При выносе в натуру точки способом прямоугольных координат перпендикулярно строим теодолитом Т-30 одним полным приемом. Проектные отрезки S1 и S2 строим на ровной горизантальной плоскости . точки закрепляем колышками, на верней части которых прочерчивали карандашем линии. Вычислить погрешность выноса в натуру точки А , если расстояние S1= Y1 и S 2 = X2 , S1= S 2 = 20 м.
При m>> = 30" , m>s >/ S = 1/9000 , и mф = 1 мм
m c = (1/ 9000)2 (20000 + 20000)2 +(30/206265) 2 *20000 2 + 1 2 = 5,4 мм
Способ угловой засечки
Р
ис.
5
mА = (m>1>2 / "2 )* S12 + (m>2>2 / "2 )* S22 + m2ф + m2ц. ст
При m>>>1> = m>>>2> - формула имеет вид
mА = (2m2/ "2 )* S2 + m2ф + m2ц. ст
Если углы прямой угловой засечки строили полным приемом, теодолитом Т-30. Точку на местности закрепляли металлическим штырем
m2ц. ст – выноса в натуру точки с центрального столика ( если эта операция выполнялась)
При S>1> = S>2> = 25 м, m>> = 30" , mф = 1,5 мм и m ц.ст = 2,5 мм, тогда
mА = (2 * 30 2 / 2062652 )* 250002 + 1,52ф + 2,52= 17 мм
5. Детальная разбивка осей в плане и по высоте. Закрепление осей на обноске и створными знаками.
Детальная разбивка выполняется от перенесенных в натуру основных осей. Допустим, имеется здание, ось фундамента которого А/1 – А/10 разбита в натуре. От этой оси разбивают оси внешнего контура здания 1-1, Д-Д, и 10-10, для чего теодолитом и мерной лентой (рулеткой) строят прямоугольник А/1 – Д/1 + Д/10 – А/10. Принимая во внимание то, что торцевые оси имеют, как правило, не большие длины, то прямые углы достаточно построить теодолитом Т-30 при двух положениях круга.
Контролем построения может служить равенство диагоналей, величину которых находят из теоремы Пифагора. Из-за ошибок угловых и линейных измерений расхождения диагоналей между собой и в сравнении с вычисленной не должны отличатся более чем на 2-3 см. вершины прямоугольника закрепляют кольями, в верхние срезы которых забивают гвозди.
После разбивки прямоугольника на расстояние 4-5 м параллельно сторонам его провешивают линии. По этим линиям через 2,5 – 3 м устанавливают столбы диаметром 12-14 см и высотой 1,5 –3,0 м. Столбы не должны попадать на оси здания . С внешней стороны к столбам прибиваются обрезные доски толщиной 25-40 мм так, чтобы верхние кромки их располагались горизонтально. Это достигается при помощи нивелира. Построенное таким образом ограждение называется обноской.
Иногда обноски делают не сплошные , а в виде отдельных скамеек , расположенных в необходимых местах, т.е. по углам здания на створах продольных и поперечных осей.
Для вынесения главных осей на обноску с теодолитом становятся в одну из вершин прямоугольника, например в точку А/1 (рис. 8), центрируют инструмент, устанавливают алидаду на отсчет 0 по лимбу, трубу наводят на точку А/10 и лимб закрепляют.
Р
ис.
8
Поднимают зрительную трубу до верха доски обноски и в визирной плоскости забивают гвоздь а >2> . Затем установить на лимбе отчет 180, таким же путем намечают на обноске точку и забивают в нее гвоздь.
Повернув алидаду , наводят трубу на точку Д/1 и забивают гвозди на обноске в точках m >1> и m >2> , при этом отсчеты на лимбе должны соответствовать 90 и 270, таким образом оси А-А и 1-1 будут вынесены на обноску
Затем устанавливают теодолит в точке Д/10 и анологичным путем выносят две другие оси (Д-Д и 10-10) .
Основные разбивочные работы завершают закреплением осей за пределами будущего котлована, так как при его разработке все габаритные точки будут уничтожены. Для этого в створе основных осей закладывают специальные осевые знаки 1 и теодолитом, установленным в точках А/1 и Д/10 или а/10 и д/1, передают основные оси на знаки, где их фиксируют на металлической пластине крестообразной насечкой. Знаки закладываются в местах, где будет обеспечена их сохранность (конструкция знаков приведена в СниПе 3.01.03-84).
Оси закрепляют по обе стороны от габаритов сооружения не менее, чем двумя знаками (рис.9). Знаки привязывают промерами к местным предметам.
Рис.9
Детальная разбивка по высоте осуществляется от главной высотной основы, составляющей знаки , абсолютные высоты которых определяют проложением нивелирных ходов ІІс , ІІІс и ІVс классов. От этой основы на строительную площадку передают в виде нивелирного хода трех высотных реперов. Проектные в район строящегося здания передаются от указанных выше реперов как ранее рассмотренная задача «Вынос точки с заданной отметкой». Величину выносимой отметки задает преподаватель.
4.КОНТРОЛЬ ГЕОМЕТРИЧЕСКИХ ПАРАМЕТРОВ
КОНСТРУКЦИЙ.
Выполняется при изготовлении конструкции при поступлении их на строителый объект с целью установления их фактических размеров и имеющих место отклонений. Для измерений используются металлические рулетки, линейки, угольники , теодолит, нивелир, нивелирная рейка.
При контроле геометрических параметров плоских железобетонных конструкций –панелeй, измеряют длину l , ширину(высоту) h , толщину p, длины диагоналий d. При размерах конструкции не привышающих 2 х 6 м плоскостность конструкции определяется относительно вертикальной и горизонтальной плоскостей в 5 точках. В первом случае с помощью теодолита методом бокового нивелирования , во втором с помощью нивелира – геометрическим нивелированием. Определение изгибов проводится предварительно намеченных карандашом точках (рис. 10).
Рис. 10
а) определение изгибов конструкций , установленных вертикально (или с небольшим наклоном).
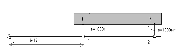
Производится на стенде, монтажной площадке или после монтажа. Вдоль конструкции разбивается линия параллельная боковой грани в нижней части. Для этого неперпендикулярно низу конструкции в точках 1 и 2 (рис. 11) с помощью нивелирной рейки откладываются и закрепляются на колышках гвоздями отрезки равные b=500 или 1000 мм.
Р
ис.
11
На расстоянии 6-12 метров от точки 1 (или 2) в створе линии устанавливает теодолит и центрируется над продолжением данной линии. Продолжение линии от точки Т разбивается с помощью теодолита, установленного над точкой 2 и ориентированного натянутой на точку 1 или с помощью струны, натянутой от точки 2 через точку 1 и закрепленной в точке Т. после закрепления створа в точке Т устанавливают теодолит, последовательно центрируют и приводят в рабочее положение (способ приближений). Наводят пересечение сетки на точку 2. Изменяя фокусировку трубы проверяют, что бы пересечение сетки находилось на точке 1. Если теодолит центрирован в точке Т с ошибкой , то смещение точки 1 и створа составит /2. Допускается нестворность не более 1 мм. Если это условие выполняется, устанавливаем рейку перпендикулярно створу (поверхность плиты) в точках 1, 2, 3, 4, 5 и последовательно берем отсчеты пол методике бокового нивелирования ( а >і> ).
Для контроля отсчеты берут при КЛ и КП теодолита. За окончательное принимают среднее значение из двух отсчетов. Затем вычисляют полусуммы (а >4> + а >5> )/2 и (а >2> + а >4> )/2. Если изгиб отсутствует должно соблюдатся равенство
(а >4> + а >5> )/2 = (а >2> + а >4> )/2 = а >3>
Допускается неравенство в пределах 2 мм (за счет ошибок измерений).
При больших расхождениях вычисляют величины изгибов по формулам а >і> - а >3> . данные контроля показывают на исполнительном чертеже (схеме) в масштабе 1:100 (рис. 12) .
Рис. 12
б) определение изгибов конструкции относительно горизонтальной
Маркировка точек производится аналогично ранее рассмотренному способу или в виде сетки квадратов (прямоугольников) со сторонами 1 м, если это предусмотрено проектом. Нивелирование точек производится верным способом (как при нивелировании поверхности по квадратам): а >1, >а >2> , а >3> , а >4> , а >5>, …
Для контроля отсчеты берут дважды ( с измерением горизонта инструмента) . допускает расхождение +2 , за окончательное значение принимают среднее из двух отсчетов. Кривизна (изгиб) вычисляется относительно центра тяжести:
(а >1> - а >3> ); (а >2> - а >3> ); (а >4> - а >3> ); (а >5> - а >3> ).
Если (а >1> + а >5> ) - (а >2> + а >4> ) 0 имеется изгиб конструкции , при величине более 10 мм конструкция бракуется.
Для повышения точности взятия отсчетов по рейке рекомендуется использовать закрепленную рейке металлическую линейку с миллиметровыми делениями, середина которой должна находится на пересечении сетки нитей. Крепление осуществляется клеющей лентой.
ГЕОДЕЗИЧЕСКИЙ КОНТРОЛЬ ПОЛОЖЕНИЯ ВЕРТИКАЛЬНОЙ ОСИ ДЫМОВЫХ ТРУБ В СЛОЖНЫХ УСЛОВИЯХ НАБЛЮДЕНИЙ.
Цель задания: изучить методику геодезического контроля пложения вертикальной оси дымовой трубы в сложных условиях строительства и эксплуатации.
Приборы и принадлежности: теодолит Т5 (Т2), штатив, рейка, буссоль, микрокалькулятор, рабочая тетрадь, журнал измерений.
Геодезический контроль положения вертикальной оси высотных сооружений башенного типа ( дымовые трубы, телебашни, мачты, копры и др.) выполняют из опорных пунктов геодезической сети, создаваемой на строительной площадке. Очень часто опорные пункты оказываются уничтоженными, а создать новую сеть бывает затруднительно, в таких условиях предлагается следующая методика І 1 І геодезического контроля положения вертикальной оси на примере конической дымовой трубы высотой Н=90 метров. (Для учебных целей дается с некоторыми упрощениями).
Методика наблюдений.
Пусть точка N – центр нижнего сечения сооружения, точка V – центр верхнего, контролируемого сечения (рис. 13). Требуется определить отклонение Q=NV и азимут отклонения Q. Отклонения вызванные наклоном фундамента, называют креном.
Для выполнения поставленной задачи вокруг дымовой трубы закрепляют два опорных пункта 1 и 2 на расстоянии от центра N не ближе высоты сооружения. Места закладки опорных пунктов необходимо выбирать не ближе 3-х метров от металлических предметов. Угол засечки выбранными направлениями N 1 и N2 должен быть не менее 30 и не более 150 . наблюдение следует выполнять в безветренную погоду, в пасмурные дни или утром – до 10 часов.
В пункте 1 устанавливают теодолит и приводят в рабочее положение. Визируют на правую (точка П>N> ) и левую (точка >N> ) образующие сооружение в нижнем сечении и берут отсчеты (1) = 9 24,0 и (2) = 3 25,7 , которые записывают в журнал измерений (таблица 1).
Рис. 13 Схема геодезического контроля положения вертикальной оси дымовой трубы.
Таблица 1.
Журнал измерений отклонений дымовой трубы высотой 90 метров.
|
Дата: 3.07.98 г. |
Погода : пасмурно, сухо. |
|||||||||||
|
Наблюдал: Павлов В.И. |
Теодолит: 2Т5К, № 17033 |
|||||||||||
|
Номер пункта |
Номер сечения |
R, L |
ОТСЧЕТЫ |
Средний отсчет П+Л 2 |
Углы і R, і L |
Средние углы, і |
Рост, Si, мм |
Составл. q i, мм |
Ази-мут, і |
Отклон. а, мм |
Азимут >Q>,град |
|
|
Правая об-разующая П |
Левая об-разующая Л |
|||||||||||
|
1 |
2 |
3 |
4 |
5 |
6 |
7 |
8 |
9 |
10 |
11 |
12 |
13 |
|
1 |
N |
R |
9 24.0 (1) |
3 25,7 (2) |
6 24,85 (10) |
0 |
59500 |
-187 |
339 05 |
314 |
195 5 |
|
|
V |
8 04.,2 (3) |
4 23,8 (4) |
6 14,00 (11) |
-10,85 |
||||||||
|
1 |
N |
L |
189 24,2 (5) |
183 25,9 (6) |
186 25,05 (12) |
0 |
||||||
|
V |
188 04,4 (7) |
184 24,0 (8) |
186 14,20 (13) |
-10,85 (15) |
||||||||
|
Cевер |
- |
- |
207 20 (9) |
|||||||||
|
2 |
N |
R |
62 15,0 (1) |
58 36,0 (2) |
60 25,5 (10) |
0 |
95800 |
-308 |
274 04 |
|||
|
V |
61 21,6 (3) |
59 07,0 (4) |
60 14,3 (11) |
|||||||||
|
2 |
N |
L |
242 15,0 (5) |
238 36,1 (6) |
240 25,55 (12) |
|||||||
|
V |
241 21,7 (7) |
239 07,2 (8) |
240 14,45 (13) |
|||||||||
|
Север |
- |
- |
326 22 (9) |
Рабочие формулы:
|
q x = |
q>1>Cos>2>–q>1>Cos >1 > |
= |
-187 Cos274 - (-308) Cos339 |
= |
- 303 мм |
|
|
Sin (>1>> >- >2>) |
Sin(274 - 339) |
|||||
|
q у = |
q>1>Sin>2>–q>1>Sin >1 > |
= |
-187 Sin 274 - (-308) Sin 339 |
= |
- 84 мм |
|
|
sin (>1>> >- >2>) |
Sin(274 - 339) |
Q = q2 x q2 у = 314 мм;
r>Q> =arctg qy/>q>>x> = 15,5;
>Q>= 180 + r>Q> = 180 + 15.5 = 195,5
После этого, не сбивая горизонтальный круг, визируют на правую точку (точка Пv) и левую (точка Лv) образующие в верхнем, контролируемом сечении и берут отсчеты (3)=804 2, и (4)=423,8 . Переведя трубу теодолита через зенит наблюдения выполняют при втором круге, и получают отсчеты (5) (8). Затем с помощью буссоли ориентируют трубу по северному направлению и берут отсчет (9) = 20720 . После этого устанавливают нивелирную рейку в точке ПN или N и лпределяют по нитяному дальномеру расстояние S1 =IN= 59,5 м, которое записывают в столбец 9 журнала измерений.
Анологичные наблюдения выполняют из опорного пункта 2 (Примечание: нумерацию опорных пунктов на рис. 1 следует выполнять против часовой стрелки).
Обработка результатов измерений.
Вычисляют средний отсчет (10)= [ (1) + (2) ] / 2 = 6 24, 85,
соответствующий направлению IN, а так же отсчет (11)=[(3)+(4)]/2 = 614,0, соответствующий направлению IV.
Вычисляют параллактические углы >1>R (круг право) и >1>L (круг
лево) между направлениями IV и IN по формулам:
>1>R
= (11) – (10) = - 10,85
>1>L = (13) – (12) = - 10,85 (столбец 7).
Вычисляют среднее значение угла >1> по формуле :
>1> = [>1>R + >1>L ] / 2 = - 10,85 . (столбец 8).
Вычисляют линейную составляющую отклонения :
q>1> = [S>1> >1> ]/ = [59500 (-10,85)] 3438 = - 187 мм. (столбец 10)
Вычисляют магнитный азимут >1> направления IN :
>1> = (12) - (9) 33905 . (столбец 11)
Аналогично обрабатывают результаты наблюдений из опорного
пункта 2 и определяют параметры >2> = - 11,05 , S>2> = 95,8 м, >1> = 274,
q>1> = -308 мм.
7. Вычисляют проекции q>X> и q>Y> отклонения Q на координатные оси (см.рис. 11) по формулам:
|
q x = |
q>1>Cos>2>–q>1>Cos >1 > |
= |
-187 Cos274 - (-308) Cos339 |
= |
- 303 мм |
|
|
Sin (>1>> >- >2>) |
Sin(274 - 339) |
|||||
|
q у = |
q>1>Sin>2>–q>1>Sin >1 > |
= |
-187 Sin 274 - (-308) Sin 339 |
= |
- 84 мм |
|
|
sin (>1>> >- >2>) |
Sin(274 - 339) |
8. Вычисляют отклонение Q по формуле:
Q = q2 x q2 у = 314 мм;
9. Вычисляют румб r>Q> отклонения по формуле:
r>Q> =arctg qy/>q>>x> = 15,5;
10. Учитывая знаки проекций q>X> и q>Y> вычисляют азимут :
>Q>= 180 + r>Q> = 180 + 15.5 = 195,5
11. Выполняют оценку точности измерения отклонения Q по формуле, в которой m = 5 - средняя квадратическая погрешность измерения горизонтальных углов; Smax = 95,8 м – максимальное расстояние от опрных пунктов до сооружения:
= 206265 - радианная мера; Q = 314 мм; q>1> = - 187 мм; q>2> = - 308 мм; >1>=339, >2>=274 (взяты из таблицы 1).
mQ = (3 m * Smax ) >*> 2 Q2 - (q12 + q12 ) =
Q Sin (/2 - 1)
= (3 5 * 95800) >*> 2 3142 - (1872 + 3082 ) = 6,3 мм
206265 314 * Sin 65
Согласно ГОСТ-24846-81 предельная погрешность измерения отклонений не должна превышать mпред = 0,0005 H = 45 мм.
Таким образом полученная предельная погрешность (6,3 мм) значительно меньше регламентируемой (45 мм).
12. Измеренное отклонение изображают в прямоугольной системе координат, где указывают величину отклонения и азимут его направления >Q> (рис. 14).

Рис.
14 Плановое положение вертикальной оси
дымовой трубы
на высоте 90 метров
Анализ результатов измерений.
Допускаемое отклонение вертикальной оси дымовых труб высотой меньше 100 м, находящихся в условиях эксплуатации , регламентируется СниП 2.02.01-83 (Нормы проектирования. Основа зданий и сооружений.) и не должно превышать 0,005 Н= 0,005 * 90000 мм = 450 мм. Зафиксированное на высоте 90 метров отклонение составило 314 мм, что меньше допустимого, но близко к нему. Поэтому за дымовой трубой необходимо провести систематическое наблюдение с определением отклонений на разных высотах что бы выявить динамику отклонений и причину из возникновения.
ОФОРМЛЕНИЕ БРИГАДНОГО ОТЧЕТА ПО ПРАКТИКЕ И СДАЧЕ ЗАЧЕТА
После выполнения всех полевых и камеральных работ каждая бригада составляет по практике.
Все полевые и камеральные документы должны быть надлежащим образом оформлены и подшиты в папке –скоросшивателе в следующей последовательности:
1.
2.Табель посещаемости.
Тетрадь проверок.
Пояснительная записка (перечень предлагаемых вопросов необходимых для освещения в записке смотри ниже)
Полевые и камеральные материалы по видам работ с подписями: кто оформил, составил или вычислял. Основные чертежи вычерчивать тушью соответствующего цвета. Каждый полевой документ должен быть пронумерован и в конце подписан бригадиром с указанием сколько всего страниц в журнале и сколько из них заполнено и др.
Примерный перечень вопросов подлежащих освещению в пояснительной записке:
Место и время практики и кто проводит практику.
Виды и объемы работ и время отведенное на их по плану и фактически.
Применявшиеся инструменты.
Методы работ и распределение обязанностей между членами бригады.
Результаты работ (их точность и сравнение с допусками).
Положительные и отрицательные стороны практики.
