Контроль качества геофизического исследования скважин
Кафедра общей и прикладной геофизики
Курсовая работа
по геофизическим исследованиям скважин
на тему:
Контроль качества ГИС
Дубна, 2005
Содержание
I. ВВЕДЕНИЕ
II. АНАЛИЗ СТРУКТУРНОЙ СХЕМЫ АППАРАТУРЫ
1. ПРОСТРАНСТВЕННАЯ КОМПОНОВКА ЭЛЕМЕНТОВ ЗОНДОВОГО УСТРОЙСТВА
2. СТРУКТУРНАЯ СХЕМА АППАРАТУРЫ
III. ПОДГОТОВКА АППАРАТУРЫ К ПРОВЕДЕНИЮ ГИС (НАСТРОЙКА, ПОВЕРКА, ГРАДУИРОВКА)
IV. ТЕХНОЛОГИЯ ПРОВЕДЕНИЯ ИССЛЕДОВАНИЯ СКВАЖИНЫ
V. СТРУКТУРА СИСТЕМЫ КОНТРОЛЯ КАЧЕСТВА РЕЗУЛЬТАТОВ ГИС
VI. ДЕСТАБИЛИЗИРУЮЩИЕ ФАКТОРЫ И МЕТОДЫ СТАБИЛИЗАЦИИ
1. ТЕМПЕРАТУРНЫЕ ВЛИЯНИЯ
2. КВАРЦЕВАЯ СТАБИЛИЗАЦИЯ ЧАСТОТЫ
3. МЕХАНИЧЕСКИЕ ДЕФОРМАЦИИ ДЕТАЛЕЙ
4. НЕПОСТОЯНСТВО НАПРЯЖЕНИЙ ИСТОЧНИКА ПИТАНИЯ
5. ИЗМЕНЕНИЕ ВЛАЖНОСТИ И АТМОСФЕРНОГО ДАВЛЕНИЯ
6. СМЕНА ИЗНОШЕННЫХ ЧАСТЕЙ ГЕНЕРАТОРА
7. ВЛИЯНИЕ ПОСТОРОННИХ ПРЕДМЕТОВ
VII. ЗАКЛЮЧЕНИЕ
VIII. СПИСОК ИСПОЛЬЗОВАННОЙ ЛИТЕРАТУРЫ
I. Введение
Одной из важнейших задач нефтепромысловой геофизики является повышение точности и достоверности количественной интерпретации промыслово-геофизических данных. Решение этой задачи возможно лишь при высокой точности скважинных измерений и воспроизводимости оценок параметров разреза, получаемых всем арсеналом технических средств. В настоящее время на геофизических предприятиях, осуществляющих промыслово-геофизические исследования в бурящихся нефтяных и газовых скважинах, в эксплуатационных находится большое количество разнотипных средств измерений (СИ). В силу многих причин – изготовления аппаратуры на предприятиях различных ведомств с разным техническим уровнем, отсутствия для отдельных типов аппаратуры необходимых средств метрологического контроля, нарушения правил эксплуатации аппаратуры и др. – качество геофизических измерений не всегда удовлетворяет требованиям нефтепромысловой геофизики. Для достижения единства и регламентированной точности скважинных измерений необходимо дальнейшее совершенствование технико-методических основ количественных приёмов оценки и контроля качества геофизических измерений.
Стандартизация результатов геофизических измерений в скважинах может осуществляться несколькими путями. Один из них – традиционный путь метрологического обеспечения СИ с привлечением методом физического моделирования, сосредоточения физических моделей в испытательных центрах и передачи мер эталона образцовым и поверочным устройствам, являющимся средствами метрологического контроля геофизической аппаратуры в производственных условиях. В последние годы интенсивно развивались методологические основы другого приёма стандартизации промыслово-геофизической аппаратуры – с использованием разрезов специально обустроенных контрольных скважин. При этом подходе геофизические информационно-измерительные системы (ИИС) поверяются в динамическом режиме, т.е. в котором осуществляются реальные скважинные измерения.
Предлагаемая работа посвящена исследованию контроля качества такого метода, как высокочастотное индукционное каротажное изопараметрическое зондирование (ВИКИЗ), базирующегося на измерении относительных фазовых характеристик. Результаты интерпретации диаграмм ВИКИЗ в комплексе с данными других методов ГИС и петрофизической информацией позволяют определять коэффициент нефтегазонасыщения, литологию терригенного разреза, оценивать неоднородность коллекторских свойств на интервалах пористо-проницаемых пластов, выделять интервалы уплотнённых песчаников с карбонатным или силикатным цементов и др.
II. Анализ структурной схемы аппаратуры
Аппаратура ВИКИЗ обеспечивает измерение разностей фаз между ЭДС, наведёнными в измерительных катушках пяти электродинамически подобных трёхкатушечных зондов, и потенциала самопроизвольной поляризации ПС. Благоприятные условия – скважины, заполненные пресной промывочной жидкостью и промывочной жидкостью на нефтяной основе. Исследования не проводят в скважинах, заполненных сильно минерализованной промывочной жидкостью, удельное сопротивление которой менее 0,02 Омм. Метод может быть применён также в скважинах, обсаженных диэлектрическими трубами. Диапазон измерения удельных сопротивлений пород от 1 до 200 Омм.
1. Пространственная компоновка элементов зондового устройства
В аппаратуре ВИКИЗ используется набор из пяти трёхкатушечных зондов. Конструктивно зондовое устройство выполнено на едином стержне и все катушки размещены соосно. Геометрические характеристики зондов представлены в таблице:
|
Схема зонда |
Длина, м |
База, м |
Точка записи, м |
Частота, МГц |
|
|
И6 0,40 И5 1,60 Г5 |
2,00 |
0,40 |
3,28 |
0,875 |
|
|
И5 0,28 И4 1,13 Г4 |
1,41 |
0,28 |
2,88 |
1,750 |
|
|
И4 0,20 И3 0,80 Г3 |
1,00 |
0,20 |
2,60 |
3,500 |
|
|
И3 0,14 И2 0,57 Г2 |
0,71 |
0,14 |
2,40 |
7,000 |
|
|
И2 0,10 И1 0,40 Г1 |
0,50 |
0,10 |
2,26 |
14,000 |
|
|
ПС |
3,72 |
Все генераторные и измерительные катушки зондов меньшей длины размещены между катушками двухметрового зонда.
На рис. 2.1 показана схема размещения катушек на зондовом устройстве. Здесь принятые следующие обозначения: Г>1>, Г>2>, Г>3>, Г>4>, Г>5> – генераторные катушки; И>1>, И>2>, И>3>, И>4>, И>5>, И>6> – измерительные катушки.

Рис. 2.1. Пятизондовая система.
2. Структурная схема аппаратуры
Структурная схема скважинного прибора представлена на рис. 2.2. Блок электроники обеспечивает поочерёдную работу зондов. Первой включается генераторная катушка Г>1> и измеряется разность фаз между ЭДС, наведёнными в измерительных катушках И>1>, И>2>. Второй включается катушка Г>2> и измеряется разность фаз между ЭДС, наведёнными в измерительных катушках И>2>, И>3>. Далее поочерёдно включаются генераторные катушки остальных зондов.

Рис. 2.2. Структурная схема скважинного прибора.
Электронная схема содержит: усилители мощности – 1-5; смесители – 6-11; аналоговый коммутатор – 12; перестраиваемый гетеродин – 13; устройство управления скважинным прибором – 14; усилители промежуточной частоты – 15, 16; опорный кварцевый генератор – 17; широкополосный фазометр – 18; передатчик телесистемы – 19; выходное устройство – 20; блок питания – 21.
Смесители расположены в зондовом устройстве рядом с измерительными катушками. Там же установлен аналоговый коммутатор. Остальные элементы схемы расположены в блоке электроники.
Скважинный прибор подключается к наземной панели с помощью трёхжильного кабеля. При регистрации на компьютеризированную каротажную станцию функции наземной панели может выполнять соответствующая программа.
Наземная панель – автономная микропроцессорная система, которая выполняет следующие основные функции:
- обеспечивает питание скважинного прибора;
- принимает цифровые сигналы от скважинного прибора;
- учитывает сигналы «нули воздуха» (фазовые сдвиги в непроводящей среде);
- трансформирует принятые сигналы в значения нормированной разности фаз;
- преобразует результаты обработки в аналоговые сигналы (если используются аналоговые регистраторы);
- передаёт результаты обработки по стандартному последовательному интерфейсу RS-232;
- отображает на светодиодном индикаторе коды текущих режимов и результаты измерений.
Наземная панель состоит из следующих блоков (рис. 2.3):
- микроконтроллера;
- формирователя входного сигнала;
- 5-канального ЦАПа;
- интерфейса RS-232;
- энергонезависимого ОЗУ;
- светодиодного индикатора;
- блока управления;
- фильтра сигнала ПС (ФПС);
- сетевого источника питания;
- источника питания для скважинного прибора.
Микроконтроллер обеспечивает общее управление панелью.
Формирователь сигнала отделяет информационный сигнал от напряжения питания зонда (они передаются по одной жиле кабеля), а также преобразует его в последовательность прямоугольных импульсов с уровнями транзисторно-транзисторной логики.

Рис. 2.3. Структурная схема наземной панели.
Для аналоговых регистраторов 5-канальный ЦАП формирует напряжения постоянного тока, пропорциональные измеренным значениям разности фаз.
Интерфейс RS-232 предназначен для передачи измеренных значений в цифровом коде.
Энергонезависимое ОЗУ обеспечивает хранение значений «нулей воздуха» скважинного прибора, которые учитываются при каждом измерении.
Индикаторный светодиодный модуль отображает результаты измерений, а также коды текущих режимов работы.
Фильтр сигнала ПС осуществляет низкочастотную фильтрацию.
Сетевой источник питания преобразует сетевое напряжение в ряд постоянных напряжений +5 В, +24 В, и -12 В, которые используются для питания собственно элементов панели.
Источник питания скважинного прибора преобразует выходное напряжение сетевого источника (+24 В) в напряжение постоянного тока (+140 В).
III. Подготовка аппаратуры к проведению ГИС (настройка, поверка, градуировка)
Самыми точными средствами воспроизведения и хранения единиц измерений являются эталоны. Эталон единицы – это средство измерений (СИ), обеспечивающее воспроизведение и хранение единиц с целью передачи их размера нижестоящим по поверочной схеме СИ, выполненное по особой спецификации и официально утверждённое в установленном порядке в качестве эталона. Первичные эталоны утверждаются в качестве государственных. Они воспроизводят единицу измерения с наивысшей точностью. В метрологической практике широко используются вторичные эталоны, значения которых устанавливаются по первичным. Для передачи размеров единиц рабочим средствам измерений применяются образцовые СИ. В зависимости от точности их подразделяют на разряды. Образцовые СИ 1-го разряда подлежат поверке непосредственно по эталонам, а 2-го, 3-го и последующих разрядов – по образцовым СИ более высоких разрядов.
Порядок передачи размеров единиц измерения регламентируется поверочными схемами. Поверочная схема представляет собой исходный документ, устанавливающий метрологическое соподчинение эталонов, образцовых СИ и порядок передачи размера единицы образцовым и рабочим СИ. В поверочных схемах указывают также метод поверки и применяемые для этого средства сравнения и измерения. Поверочные схемы подразделяют на государственные, ведомственные и локальные. Государственные поверочные схемы служат основанием для составления ведомственных и локальных поверочных схем и для разработки государственных стандартов на методы и средства поверки образцовых и рабочих средств измерений. Ведомственная поверочная схема представляет собой нормативно-технический документ ведомства, а локальная – нормативно-технический документ предприятия. Структура поверочной схемы и количество ступеней передачи единицы измерений от исходного до рабочих СИ определяются, с одной стороны, требуемой точностью рабочих СИ, их общим количеством и степенью рассредоточения по территории страны, с другой – точностными характеристиками существующих методик передачи единицы от уровня к уровню, которые зависят, в свою очередь, от погрешностей образцовых СИ и методик передачи единиц.
Особенности передачи единиц геофизических величин состоят в том, что, с одной стороны, практически отсутствуют государственные эталоны, воспроизводящие единицу измерения, а с другой – предъявляются высокие требования к точности рабочих СИ. Данные обстоятельства делают необходимым создание специальных калибровочных схем, имеющих в своей основе исходные образцовые СИ, аттестованные методом косвенных измерений, что диктуется необходимостью обеспечения требуемой достоверности и точности ГИС. В общем случае максимальная точность передачи размера единицы рабочим СИ была достигнута при непосредственной их поверке по исходному образцовому СИ. Однако подобная технология передачи размера единицы неприемлема, так как рабочие СИ ГИС эксплуатируются во многих предприятиях, территориально удалённых друг от друга и от места базирования исходного образцового СИ. Поэтому в поверочную схема вводят промежуточную ступень передачи размера единицы – образцовые СИ, размещаемые в крупных производственных предприятиях. При этом метрологические характеристики образцовых средств должны быть установлены таким образом, чтобы выполнялись соотношения:
Δ>О СИ >= Δ>ИО СИ> +Δ>1>, Δ>Р СИ >= Δ>О СИ> + Δ>2>,
где Δ>О СИ>, Δ>ИО СИ>, Δ>Р СИ> – пределы основной погрешности соответственно исходного образцового, образцовых и рабочего СИ; Δ>1>, Δ>2> – погрешности передачи размера единицы первой и второй ступени поверочной схемы.
Учитывая, что для большинства геофизических параметров соотношение между пределами основной погрешности исходного образцового СИ и допустимой погрешностью рабочих СИ невелико,
Δ>Р СИ> / Δ>ИО СИ >= (4 – 3),
требования к методикам передачи размера должны быть достаточно жёсткими.

Рис. 3.1. Типовая поверочная схема скважинных средств измерений.
Типовая калибровочная схема для скважинных геофизических параметров приведена на рис. 3.1. В качестве исходных образцовых средств, как правило, используются стандартные образцы состава и свойств горных пород в виде моделей пластов, пересечённых скважиной, либо калибровочные установки.
Градуировкой средства измерений называется процедура определения градуировочной характеристики. Различают два типа градуировочных характеристик: типовые и индивидуальные. Типовые определяются для группы средств, выпускаемых серийно. Индивидуальные градуировочные характеристики определяются непосредственно для конкретного экземпляра. При построении градуировочных характеристик выполняют совместные измерения на входе и выходе СИ. Обычно измеряют несколько входных величин (x>1>, x>2> … x>m>) и соответствующие выходные величины (y>1>, y>2> … y>m>). По этим экспериментальным данным строят градуировочную характеристику.
Поверкой средств измерений называют совокупность действий, выполняемых для определения и оценки погрешностей средств измерений с целью выяснения соответствия их точностных характеристик регламентированным значениям и пригодности средства измерения к применению. Определение метрологического параметра поверяемого СИ сводится, как правило, к определению характеристик основной погрешности и при необходимости функций влияния условий измерений на погрешность СИ. Для получения оценки среднего квадратичного отклонения случайной составляющей погрешности проводят многократные измерения (не менее 10) при двух значениях измеряемого параметра, соответствующих приблизительно (10±10) и (90±10)% нормированного диапазона измерений.
Под калибровкой понимают установление и контроль стабильности функции преобразования измерительного канала ГИС и масштабирование выходного сигнала в единицах измеряемого параметра. Необходимость калибровки измерительного канала ГИС вызвана технологическими особенностями его функционирования, важнейшие из которых – необходимость транспортировки информационно-измерительной системы (ИИС) на скважину в разобранном виде с последующей сборкой и настройкой перед проведением измерений, сложность структуры измерительного канала, состоящего из ряда самостоятельных структурных элементов, имеющих собственные нормируемые метрологические характеристики.
Одним из способов контроля является использование физической модели, имитирующей сигналы, как в однородной среде. Современный математический аппарат индукционного метода позволяет рассчитывать кажущиеся значения удельной электрической проводимости, регистрируемой зондом индукционного метода известной конструкции как в однородной среде с проводимостью σ>0>, так и в непроводящей среде в присутствии тонкого кольца с заданными геометрическими и электрическими параметрами. Сравнение выражений для ЭДС, возникающих в измерительных катушках зонда в этих двух случаях, является основой организации градуировки, поверки, а также калибровки аппаратуры с помощью имитаторов (тест-колец): сопоставляют выходные сигналы аппаратуры и рассчитанные дискретные значения проводимости σ>к> текст-кольца. Кольцо представляет собой замкнутый одновитковый контур, состоящий из последовательно включённых индуктивности L, сопротивления R и ёмкости конденсатора C. Схема расположения кольца приведена на рис. 3.2.

Рис. 3.2. Схема положения кольца.
Здесь L1 и L2 – расстояния от имитирующих катушек И1 и И2 до генераторной катушки Г, b – радиус кольца, z – расстояние от плоскости кольца до измерительной катушки И1, ток в генераторной катушке изменяется по закону J = J>0>∙eiωt. Рабочая частота зонда ƒ = ω/2π. Комплексное сопротивление цепи кольца на рабочей частоте R + iX. Активное сопротивление R складывается из потерь в высокоомном проводе и в конденсаторе, включённом в разрыв цепи. Реактивное сопротивление X = 1/ωC – ωL. В этом случае ЭДС, наводимая в j-ой измерительной катушке, равна:

, где N = J∙S∙n – момент генераторной катушки; S, n – её площадь и число витков; k = ω/c – волновое число; с = 3∙108 м/с – электродинамическая постоянная; μ>0>> >= 4π∙10-7 Гн/м – магнитная проницаемость воздуха. Остальные геометрические обозначения даны на рис. 4.4. Расчёт ЭДС для многовитковых генераторной и измерительных катушек выполняется на основе принципа суперпозиции.
Рассчитывается разность фаз Δφ между ЭДС ε>1> и ε>2>, наведёнными в измерительных катушках И>1> и И>2>.
Методика метрологической аттестации основана на зависимости величины Δφ от электрических параметров R и X тонкого кольца, его радиуса b и положения z относительно катушек. При изменении z от 0 до L>1>, величина Δφ имеет два максимума и один минимум. При выполнении условия b < L>1>L>2>/(L>1>+L>2>) величина Δφ в точке минимума отрицательна и, следовательно, существуют две точки с нулевой разностью фаз. Выбрав одну из этих точек (ближнюю к катушке И>1>) как начало отсчёта и передвигая кольцо в сторону катушки И>1>, можно получить последовательность возрастающих от нулевого до максимального значений Δφ. Величина реактивного сопротивления X, зависящая от радиуса кольца b выбрана так, чтобы значения Δφ были максимальными. Для получения значения Δφ, равного верхнему пределу диапазона измерения, подбирают значение активного сопротивления R. Учитывая, что величина R определяется в основном потерями в кольце, выбирают диаметр провода так, чтобы его сопротивление на рабочей частоте было немного меньше значения R. После этого рассчитывают индуктивность кольца на рабочей частоте. По значениям индуктивности кольца и реактивного сопротивления X рассчитывают необходимую ёмкость конденсатора.
На этой основе разработан имитатор УЭС горных пород ИМ. Устройство имитатора показано на рис. 3.3.

Рис. 3.3. Устройство имитатора.
Собственно имитатор образован кольцом 7, выполненным из манганинового провода и закреплённым на электроизоляционном диске 4. Кольцо имеет два разрыва. В одном вставлен конденсатор 8, в другом – коаксиальный измерительный разъём 6. В рабочем состоянии этот разъём закорочен дисковым замыкателем с пренебрежимо малой остаточной индуктивностью (менее 10-10 Гн). При помощи болтов 5 диск с кольцом может быть соединён с фланцем 3, который укреплён на втулке 2 подвижным резьбовым соединением. Втулка 2 крепится на корпусе прибора 1 болтами 5. Для точной установки имитатора вдоль оси зонда вращают диск 4. При этом вращении фланец 3 и диск 4 с закреплённым на нём кольцом 7 будут перемещаться по резьбе вдоль закреплённой на корпусе втулки 2.
Для уменьшения искажения электромагнитного поля все детали имитатора, за исключением провода кольца и измерительного разъёма, выполнены из электроизоляционных материалов. Для расчёта ЭДС в измерительных катушках зонда в присутствии имитатора необходимо достаточно точно знать его параметры и местоположение. Конструкция имитатора обеспечивает его относительное перемещение с погрешностью не более 0,05 мм. Начальное положение z>0>, в котором Δφ=0, также определяется с погрешностью не более 0,05 мм. Погрешность определения радиуса кольца обусловлена технологией изготовления имитатора и не превышает 0,1 мм. Значения сопротивлений R и X определяют на эталонной установке MCR-1372 (СНИИМ, Новосибирск).
IV. Технология проведения исследования скважины
Аппаратура ВИКИЗ состоит из скважинного прибора и наземной панели. Скважинный прибор содержит зондовый комплекс и электронно-измерительную систему.
В состав комплекса входят пять электромагнитных зондов различной глубинности исследования и электрод ПС. Каждый зонд содержит одну генераторную и две измерительные катушки. Измеряемым параметром является разность фаз между ЭДС, наведенными в измерительных катушках. Эта разность фаз однозначно связана с УЭС горных пород, окружающих скважину. Электрод ПС предназначен для записи потенциалов самопроизвольной поляризации скважины.
Электронно-измерительная система обеспечивает: возбуждение электромагнитных полей в околоскважинном пространстве; преобразование сигналов от измерительных катушек; изменение разности фаз и потенциала ПС; передачу информации по каротажному кабелю в наземную панель.
Обработка и интерпретация результатов ВИКИЗ осуществляется с помощью программного комплекса, например, “Викиз-плюс”. Программы комплекса обеспечивают по данным пяти зондов восстановление радиального распределения УЭС в рамках многослойной модели среды с цилиндрическими границами раздела (скважина - зона проникновения - окаймляющая зона - пласт).
В "Викиз-плюс" предусмотрены следующие функции: просмотр и редактирование кривых каротажа; фильтрация импульсных помех; отбивка границ пластов; количественная интерпретация на автоматически выбранных и заданных интервалах.
V. Структура системы контроля качества результатов ГИС
Информационно-измерительная система ГИС выполняет своё назначение только при наличии методов и технических средств контроля параметров геофизической аппаратуры и оценки качества результатов измерений. Система контроля и оценки качества должна учитывать технологический процесс подготовки и проведения геофизических измерений. На основе получаемой при этом информации должны вырабатываться решения, позволяющие управлять всем процессом ГИС с целью обеспечения получения требуемых результатов с гарантированной точностью и достоверностью при минимальных затратах времени и средств. Представляется, что система контроля и оценки качества результатов ГИС должна содержать этапы, соответствующие системе организации и проведения геофизических исследований.
Условно выделено десять этапов системы контроля и оценки качества результатов ГИС (рис. 5.1). Для каждого этапа определены его целевая функция, программа исследований, техническое обеспечение и содержание управляющего решении по завершении этапа.

Рис. 5.1. Поэтапная схема контроля результатов ГИС.
Этап 1 – первичная поверка аппаратуры.
Осуществляется при спуске аппаратуры на заводе-изготовителе и входном контроле её в условиях геофизического предприятия. В метрологическом отношении целью этапа является стандартизация рабочих средств измерения, в том числе и после их ремонта, затронувшего метрологические параметры аппаратуры.
Содержание работ.
1. Установление работоспособности аппаратуры по полной программе, в соответствии с техническими условиями на аппаратуру.
2. Проверка эксплуатационных характеристик: баростойкости, теплостойкости, вибростойкости.
3. Проверка стандартности по всей совокупности метрологических параметров, как основных, так и дополнительных (устанавливается соответствие поверяемой аппаратуры её эталонному образцу).
4. Установление уровня статистических и динамических составляющих погрешностей измерений.
Техническое оснащение.
Универсальный стенд для определения работоспособности и эксплуатационных характеристик аппаратуры. Многозначные образцовые меры измерений (стандартные образцы состава и свойств горных пород, поверочные установки, имитаторы), воспроизводящие несколько значений измеряемых физических величин в рабочем диапазоне их измерения. Контрольно-поверочная скважина, максимально удовлетворяющая требованиям оценки сходимости и воспроизводимости результатов измерений для всей измерительной системы (скважинный прибор, кабель, наземная измерительная панель, устройство для регистрации результатов измерений).
Управленческие решения.
1. Аппаратура удовлетворяет по всей совокупности эксплуатационных и метрологических параметров нормативно-технической документации (НТД) и условиям её применения и передаётся для производственного использования.
2. Аппаратура не удовлетворяет требованиям НТД по отдельным частным параметрам. Она передаётся в ремонт в условиях геофизического предприятия, эксплуатирующего аппаратуру.
3. По большинству параметров, как эксплуатационных, так и метрологических, аппаратура не удовлетворяет требованиям НТД и возвращается на завод-изготовитель.
Этап 2 – периодическая поверка.
Осуществляется в стационарных условиях геофизического предприятия, эксплуатирующего аппаратуру с периодичностью, регламентированной НТД на методы и средства поверки. Цель этапа – установление соответствия метрологических параметров аппаратуры их номинальным значениям.
Содержание работ.
1. Проверка эксплуатационных характеристик аппаратуры по ограниченной программе.
2. Проверка стабильности и соответствия номиналу основных нормируемых метрологических параметров.
3. Установление уровня статистических и динамических составляющих погрешности измерений.
Техническое оснащение.
Испытательный стенд с менее широким, чем на этапе 1, набором воспроизводимых условий для оценки работоспособности аппаратуры. Целесообразно предусмотреть испытания на термостабильность и вибростойкость. Образцовые средства измерений (поверочные установки, имитаторы), воспроизводящие как минимум крайние значения измеряемых параметров. Контрольно-поверочная скважина, удовлетворяющая требованиям, приведённым в этапе 1.
Управленческие решения.
1. Аппаратура имеет номинальные метрологические параметры и пригодна к эксплуатации.
2. Поверяемые параметры аппаратуры отличаются от номинальных значений. Рекомендуется ремонт в условиях геофизического предприятия.
3. Степень нестандартности аппаратуры значительная. Необходима поверка аппаратуры по полной программе в соответствии с содержанием работ этапа 1.
Этап 3 – поверка на базе перед выездом на скважину.
Цель этого этапа – оперативный контроль работоспособности и устойчивости основных метрологических параметров аппаратуры.
Содержание работ.
1. Поверка по одному значению измеряемого параметра или его аналогу одной из метрологических характеристик аппаратуры, например, коэффициента преобразования.
2. Проверка линейности измерительной системы.
3. Проверка работы встроенных (или автономных) калибраторов-имитаторов.
4. Получение исходных данных для масштабирования диаграмм.
Техническое оснащение.
Образцовые средства измерений (однозначные поверочные установки, меры, калибраторы-имитаторы). Измерения выполняются в целом для всей измерительной системы, включающей скважинный прибор, кабель, наземную измерительную панель, устройства для регистрации и визуализации данных каротажа.
Управленческие решения.
1. Результаты поверки положительные, разрешается выезд на скважину.
2. Аппаратура нуждается в незначительном ремонте.
3. Поверяемых комплекс аппаратуры неработоспособен либо имеет искажённые метрологические параметры. Неисправная аппаратура заменяется на экземпляр, прошедший периодическую поверку и удовлетворяющий требованиям этапа 3. Неисправная аппаратура возвращается на базу для проведения периодической поверки.
Этап 4 – первичная калибровка на скважине.
Цель этапа – оперативный контроль пригодности аппаратуры для проведения исследования в скважине.
Содержание работ.
1. Проверка работоспособности всей измерительной системы, в том числе и встроенных калибраторов (стандарт-сигнала).
2. Поверка чувствительности (коэффициента преобразования) системы от внешнего источника информационного сигнала; проверка цены условной единицы.
3. Масштабирование диаграмм.
Техническое оснащение.
Полевые калибраторы (имитаторы), встроенные источники стандарт-сигнала.
Управленческие решения.
1. Аппаратура исправна, стандартна и стабильна. Можно проводить каротаж.
2. Изменился один из параметров аппаратуры. Неисправность не устраняется настройкой. Производится замена аппаратуры на дубликат.
3. Измерительная система неисправна. Необходимо возвращение на базу.
Этап 5 – контроль параметров аппаратуры при спуске.
Цель этапа – контроль параметров измерительной системы, в том числе элементов управления и диагностики в динамическом режиме работы аппаратуры.
Содержание работ.
1. Проверка работы встроенных калибраторов-имитаторов и источников стандарт-сигнала.
2. Контроль параметров (режимов) измерений.
3. Контроль устойчивости работы измерительной системы (отсутствие искрений, выбросов, перерывов в записи).
Техническое оснащение.
Встроенные калибраторы-имитаторы, источники стандарт-сигнала, устройства диагностики и управления.
Управленческие решения.
1. Режимы измерений соответствуют допускам, можно проводить рабочие измерения.
2. Необходима повторная настройка аппаратуры.
3. Необходима замена аппаратуры на дубликат.
Этап 6 – контроль и оценка качества в процессе каротажа.
Цель этапа – текущий контроль параметров аппаратуры и оценка результатов измерений.
Содержание работ.
1. Периодическое или непрерывное измерение уровня стандарт-сигнала.
2. Наблюдение за показателем, характеризующим работу аппаратуры, и использованием бортовой ЭВМ, вычислителя или визуализирующего устройства.
3. Контрольные измерения: дискретные измерения в фиксированных точках разреза, повторные записи в пределах фиксированных интервалов.
4. Запись диаграммы качества: визуализация, индикация функционалов оценки качества.
Техническое оснащение.
Встроенные калибраторы, генераторы стандарт-сигнала, электронный осциллограф, дисплей.
Управленческие решения.
1. Результаты измерений соответствуют требованиям, предъявляемым к режимам измерений.
2. Измерения необходимо повторить.
Этап 7 – повторная калибровка на скважине.
Цель этапа – контроль стабильности параметров аппаратуры в процессе каротажа.
Содержание работ.
1. Проверка масштаба записи.
2. Проверка чувствительности измерительной системы.
3. Оперативная оценка качества измерений с выявлением, оцениванием аппаратурных погрешностей.
Управленческие решения.
1. Результаты измерений отвечают требованиям качества, измерения на скважине завершены.
2. Необходимо проведение повторного каротажа.
Этап 8 – входной контроль на базе.
Выполняются работы по программе этапа 7 специалистами ОТК или интерпретационной службы, оценивается техническое качество результатов измерений и устанавливается пригодность их для последующей интерпретации.
Этап 9 – полный контроль качества измерений.
Контроль качества результатов измерений, выполняемых интерпретационной службой, с элементами обработки, сравнительных сопоставлений с данными других измерений и оценкой пригодности для комплексной интерпретации.
VI. Дестабилизирующие факторы и методы стабилизации
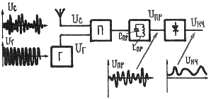
Одна из важнейших функций зонда – приём и обработка сигнала. Главная идея приёма и обработки сигнала: сигнал, независимо от его частоты, сначала преобразовывается в сигнал с другой частотой, постоянной для данного типа приёмника, а затем уже на этой, как её называют, промежуточной частоте производится усиление.

Рис. 6.1. Схема приёма сигнала.
На антенну поступает сигнал U>С>, источник второго напряжения U>Г> – маломощный генератор, так называемый гетеродин, его частота ƒ>Г >(рис. 6.1). Оба сигнала поступают на вход нелинейного элемента (смесителя) – на выходе получаем сигнал на промежуточной частоте. Эта промежуточная частота численно равна ƒ>ПР> = ƒ>Г> – ƒ>С>, если частота гетеродина выше частоты принимаемого сигнала, или будет равна ƒ>ПР> = ƒ>С> – ƒ>Г>, если частота гетеродина ниже частоты принимаемого сигнала. На выходе смесителя включён колебательный контур L>ПР>C>ПР>, настроенный на промежуточную частоту ƒ>ПР>. Далее, при прохождении сигнала через детектор, получаем искомую низкочастотную составляющую (рис. 6.2).

Рис. 6.2. Схема преобразования сигнала.
Схемы автогенераторов зависят от их назначения и особенностей частотного диапазона. К характеристикам генераторов относятся: частота генерации, максимально допустимая временнàя нестабильность основных параметров генератора, пределы регулировки. Технологический процесс регулировки автогенератора состоит из проверки монтажа, режимов питания, работоспособности схемы, наличия генерации по всему диапазону и отсутствия паразитной модуляции, а также проверки градуировки шкалы. Для настройки и подбора режима автогенератора измеряют его параметры. Для измерения высокочастотных напряжений автогенератора пользуются электронными вольтметрами, для измерения колебательного тока в цепи колебательного контура – высокочастотными миллиамперметрами, а для измерения частоты колебаний – гетеродинным волномером.
При настройке и регулировке автогенератора изменяют коэффициент обратной связи K, эквивалентное сопротивление нагрузки и элементы автоматического смещения. Положительная обратная связь между выходной и входной цепями усилительного прибора автогенератора должна обеспечивать надёжное самовозбуждение автогенератора и устанавливать необходимые амплитуды генерируемых колебаний (рис. 6.3).

Рис. 6.3. Схема автогенератора с трансформаторной обратной связью.
Критический коэффициент обратной связи - при котором возможна генерация колебаний, K>О. КР> = R>i>> >+ R>Э >/(μR>Э>) = 1/(SR>Э> + D), где R>Э> – резонансное сопротивление контура, S и D – крутизна и проницаемость усилительного контура. Увеличение или уменьшение обратной связи по сравнению с критической приводит к исчезновению автоколебаний (скачкообразному – при жёстком режиме генерации и плавному – при мягком режиме). По отклонению стрелки прибора, включённого в цепь сетки лампового генератора (или базы транзисторного), можно судить о наличии в схеме автоколебаний, а по постоянным слагающим анодного (коллекторного) и остаточного (базового) токов, колебательным напряжением на аноде и сетке и мощности генерируемых колебаний – режиме автогенератора. Плавную перестройку частоты автогенератора в заданном диапазоне осуществляют конденсатором переменной ёмкости.
Шкалу частотного диапазона градуируют частотометром на крайних частотах и в середине диапазона в режиме непрерывной генерации. Частоту автоколебаний измеряют дважды: непосредственно после прогрева и через промежуток времени, указанный в техническом описании на автогенератор. Относительная нестабильность частоты δ>t> (%) определяется по формуле δ>t> = [(ƒ>01>- ƒ>0>>t>)/ ƒ>01>]∙100%, где ƒ>01> и ƒ>0>>t> – частота колебания генератора после прогрева и в период времени, указанный в описании автогенератора.
Всё, что происходит внутри генератора и вокруг него, в той или иной степени влияет на его частоту. Для обеспечения высокой стабильности частоты гетеродина необходимо, чтобы его колебательная система обладала максимальной фиксирующей способностью и высокой эталонностью. Под фиксирующей способностью будем понимать свойство колебательной системы гетеродина препятствовать уходам частоты при нарушении условия баланса фаз. Чем выше добротность колебательной системы, тем кручё её фазочастотная характеристика и тем выше фиксирующая способность. Отсюда вытекает необходимость применения в контурах гетеродина деталей с высокой добротностью. Требования к фиксирующей способности относятся не только к колебательной системе, но и к другим цепям, влияющим на условия баланса фаз, например к цепи обратной связи. Способность колебательной системы сохранять неизменной собственную частоту называется эталонностью. Очевидно, эталонность тем выше, чем стабильнее параметры контуров. Однако на эти параметры действуют различные дестабилизирующие факторы.
1. Температурные влияния
Изменение температуры приводят к значительному изменению частоты генератора. Основной показатель устойчивости частоты гетеродина – температурный коэффициент частоты (ТКЧ):

Для передатчиков связных радиостанций температурный коэффициент частоты колеблется в пределах от 5∙10-6 до 5∙10-5. Частота с изменением температуры вследствие тепловой инерции изменяется более медленно, чем при механических упругих деформациях. Изменение температуры приводит к изменению геометрических размеров отдельных деталей генератора, вследствие чего изменяются индуктивность и ёмкость колебательного контура, и, кроме того, изменяется диэлектрическая постоянная изоляторов, применение которых в генераторе неизбежно. Изменение диэлектрической постоянной изоляторов приводит к изменению ёмкости отдельных деталей, ёмкости монтажа и, следовательно, опять-таки к изменению ёмкости контура. При увеличении температуры размеры деталей и диэлектрическая проницаемость увеличиваются – что приводит к уменьшению собственной частоты контура.
Следует различать две причины, вызывающие изменение температуры деталей генератора: изменение температуры внешней среды и изменение температуры за счёт токов, которые обтекаются детали. Температура контурных деталей в основном определяется внешней температурой.
Прямые методы стабилизации главным образом сводятся к применению термостатов. Генератор помещается в термостат, и следовательно, его детали находятся под постоянной температурой. Более широкое применение находят косвенные методы, которые сводятся к компенсации температурных влияний. С этой целью применяют специальные компенсированные детали. Конденсаторы, или катушки индуктивности проектируются таким образом, что изменение температуры не оказывает влияния на их параметры. Например, конденсатор можно спроектировать так, что с изменением температуры будут одновременно изменяться размеры его пластин или расстояние между ними. Увеличение пластин конденсатора приводит к увеличению его ёмкости, а увеличение расстояния – к её уменьшению:

Можно так подобрать отдельные материалы при изготовлении, что в результате изменения температуры ёмкость конденсатора не будет изменяться. Следует отметить, что такую компенсацию удаётся получить в сравнительно узком диапазоне изменения температуры.
Для термокомпенсации также широко применяются конденсаторы с отрицательным температурным коэффициентом. Собственная частота контура, как указывалось, с увеличением температуры уменьшается, и следовательно, включение специального конденсатора с отрицательным температурным коэффициентом будет в некоторой степени компенсировать изменение частоты. Для термокомпенсации применяются биметаллические (композит материалов с разными коэффициентами теплового расширения) и керамические конденсаторы. В последнее время биметаллические конденсаторы почти полностью вытеснены керамическими конденсаторами. Чаще всего применяются тикондовые конденсаторы, т.е. конденсаторы, в которых диэлектриком служит тиконд. Его диэлектрическая постоянная имеет отрицательный температурный коэффициент, вследствие чего ёмкость такого конденсатора с увеличением температуры уменьшается.
При схемной термокомпенсации положительные температурные коэффициенты индуктивности и ёмкости контура компенсируют включением в контур конденсаторов небольшой ёмкости, но с большим отрицательным температурным коэффициентом. В результате общий температурный коэффициент всей ёмкости контура становится отрицательным и равным по абсолютному значению положительному температурному коэффициенту индуктивности, т.е. +α>L> = | -α>C>> >|.
В простой параллельной схеме термокомпенсационного контура, работающего в диапазоне частот (рис. 6.4), можно получить полную компенсацию только в одной точке диапазона.

Рис. 6.4. Примеры параллельной схемной термокомпенсации.
На этой схеме: C>~>
- переменная часть ёмкости конденсатора
настройки С>МАКС>
– С>МИН >;
С>0>
= С>МИН>
+ С>М>
+ С>L>;
С>К>
– ёмкость конденсатора термокомпенсации.
При большом коэффициенте перекрытия
диапазона, когда
,
рационально точку полной компенсации
выбрать при f>МАКС>.
Тогда в схеме рис. 8-13, б полагается C>~>
= 0 и расчёт производится по формулам:

, где C
= C>0>
+ C>К>
– заданная суммарная ёмкость контура;
α>L>
– положительный ТКИ (должен быть измерен
или взят приблизительно 20÷50∙10-6);
α>C>
– отрицательный ТКЕ. В результате такой
компенсации получается, что в диапазоне
частот контур будет иметь ТКЧ от α
= 0 при f>МАКС>
до
при f>МИН>.
Т.е. во всех точках диапазона, кроме
f>МАКС>,
будет иметь место недокомпенсация
(отрицательный ТКЧ).
Если k>Д> < 1,5, то значительно лучшие результаты по термокомпенсации в диапазоне частот можно получить, если принять так называемую “оптимальную термокомпенсацию”, сущность которой заключается в том, что при f>МАКС> делают перекомпенсацию (ТКЧ положительный), а при f>МИН> – недокомпенсацию (ТКЧ отрицательный), причём абсолютные значения ТКС при f>МАКС> и f>МИН> должны быть равны (рис. 6.5).

Рис. 6.5. Подбор ёмкости.
В результате точка полной компенсации α = 0 будет лежать в промежутке между f>МИН> и f>МАКС>, а ТКЧ на концах диапазона будет найден из выражения:
.
Для получения оптимальной компенсации в схеме рис. 6.4 необходимо, чтобы температурный коэффициент всей минимальной ёмкости контура C>МИН> = С>К> + C>0> был:
.
Рассмотренные меры стабилизации частоты не позволяют, однако, получить нестабильность лучше, чем Δf>Г> / f>Г> ≈ 10-4. При необходимости получения более высокой стабильности вместо контуров LC в гетеродине используются кварцевые резонаторы. Кварцевые резонаторы наиболее полно отвечают требованиям стабилизации частоты гетеродина. Они обладают высокой фиксирующей способностью из-за весьма больших добротностей. Их добротность в сотни тысяч раз может превышать добротность контуров LC. При уменьшении температурной нестабильности кварца путём выбора среза, вида и вакуумной герметизации можно получить хорошую эталонность.
Применение таких резонаторов позволяет довести нестабильность частоты до Δf>Г> / f>Г> = (1÷5)∙10-6÷10-7.
Заключение гетеродина в термостат (современные термостаты обеспечивают поддержание температуры внутри своего объёма с точностью до десятых долей градуса) и другие меры стабилизации обеспечивают нестабильность кварцевых гетеродинов в интервале 10-7-10-8.
2. Кварцевая стабилизация частоты
Наиболее эффективной мерой повышения устойчивости частоты автогенераторов является кварцевая стабилизация - используют пьезоэлектрический резонатор, представляющий собой кварцевую пластину с нанесёнными на её поверхность электродами. Если кварцевую пластинку сжать или растянуть, то на её противоположных гранях появляются равные по величине, но разные по знаку электрические заряды. Величина их пропорциональна давлению, а знаки зависят от направления силы давления. Это явление носит название прямого пьезоэлектрического эффекта. Если же к граням пластинки кварца приложить электрическое напряжение, то пластинка будет сжиматься или растягиваться в зависимости от полярности приложенного напряжения. Это явление называется обратным пьезоэлектрическим эффектом. Ценным свойством кварца является очень высокая стабильность частоты механических колебаний, которая определяется геометрическими размерами кварцевой пластинки и направлением деформации.
Для возбуждения механических
колебаний к электродам резонатора
подводят переменное напряжение.
Пьезоэлемент начинает колебаться
синхронно с приложенным напряжением.
При совпадении частоты подводимого
напряжения с собственной частотой
колебания пьезоэлемента возникает
механический резонанс. Кварцевый
резонатор становится эквивалентен
последовательному колебательному
контуру с собственной частотой кварца:
,
где L>КВ>
– эквивалентная индуктивность кварца
(от десятых долей до десятков миллигенри),
C>КВ>
– эквивалентная ёмкость кварца (десятые
или сотые доли пикофарады). Собственная
частота колебаний кварца зависит от
среза и геометрических размеров пластины.
Для различных срезов значение собственной
частоты ƒ>КВ>>
>кварца (МГц) колеблется
от 1,6/δ до
3,6/δ, где δ
– толщина пластины, мм. Добротность
резонатора определяется как отношение
энергии, запасённой колебательной
системой, к энергии потерь за период
колебаний. Добротность серийных
резонаторов на основной частоте несколько
десятков тысяч, а прецизионных –
несколько миллионов.
Для кварцевых резонаторов характерен эффект старения, т.е. необратимого изменения частоты в течение нескольких первых месяцев работы. Поэтому основным параметром, характеризующим работу кварцевого автогенератора, является стабильность частоты колебаний. Кроме того, на стабильность частоты влияют ударные и вибрационные нагрузки, влажность, температура, изменение напряжения питания и непостоянство нагрузки. Поэтому современный кварцевый автогенератор помимо активного элемента (транзистора, туннельного диода), кварцевого резонатора и элементов схемы автогенератора должен содержать: буферный каскад с высоким R>ВХ>, обеспечивающий слабую связь автогенератора с нагрузкой и исключающий влияние нагрузки на его работу; систему амортизации для ослабления вибрационных и ударных нагрузок; устройство защиты от воздействия влаги; стабилизированный источник питания; систему термостатирования или термокомпенсации, стабилизирующую влияние частотно-температурных характеристик кварцевых резонаторов. В настоящее время применяют автогенераторы, в которых кварц используют как резистор либо как последовательный контур.

Рис. 6.6. Эквивалентная схема автогенератора с кварцем в цепи обратной связи.
Рассмотрим схему автогенератора, в которой кварцевый резонатор используют в качестве последовательного контура. Транзисторный автогенератор с кварцевым резонатором собран по трёхточечной схеме (рис. 6.6). В цепь обратной связи включён делитель, состоящий из кварцевого резонатора с полным сопротивлением ZQ1 и резонатора R1. Колебательная система выполнена из двух контуров: нагрузки коллектора Z1, Z2 и Z3 и цепи обратной связи R1, ZQ1 и Z2. Работа схемы основана на том, что сопротивление резонатора ZQ1 минимально на частоте последовательного резонанса ωКВ и резко увеличивается при отклонении от неё. В результате этого самовозбуждение возможно только в узкой области частот. При правильном выборе параметров добротность контура цепи обратной связи близка добротности кварцевого резонатора и значительно выше добротности коллекторного контура. Добротность колебательного контура - характеристика резонансных свойств системы, показывающая, во сколько раз амплитуда вынужденных колебаний при резонансе превышает амплитуду при его отсутствии. Чем выше добротность колебательной системы, тем меньше потери энергии в ней за период. Добротность колебательного контура:
, где L — индуктивность, C — емкость, R — сопротивление контура. Поэтому частота колебаний определяется контуром цепи обратной связи и близка частоте последовательного резонанса кварца, на которой коэффициент передачи делителя, состоящий из резистора R1 и контура ZQ1, имеет максимальное значение.
3. Механические деформации деталей
Механические деформации отдельных деталей генератора с самовозбуждением, как правило, приводят к изменению индуктивности и ёмкости его колебательного контура, а следовательно, и к изменению генерируемой частоты. Наиболее сильное влияние на частоту генератора оказывают деформации, происходящие в его контурных деталях – в конденсаторах и катушках индуктивности. Кроме того, частота в сильной степени зависит от деформаций, происходящих в экранах генератора. Деформация экранов, окружающих контурные детали, приводит к изменению реактивных сопротивлений, вносимых экранами в эти детали, а следовательно, и к изменению частоты генератора. Наконец, на частоту генератора оказывает также сильное влияние взаимное расположение монтажных проводов. Изменение места расположения этих проводов приводит к изменению их ёмкости по отношению к земле. Эта ёмкость, как известно, входит в колебательный контур генератора.
Различают остаточные и упругие механические деформации. Остаточные деформации могут происходить за счёт механических сотрясений, вибраций и вследствие коробления (искривления) деталей, которые являются результатом их старения. Влажность окружающей среды также иногда приводит к короблению отдельных деталей генератора. Остаточные деформации приводят к смещению градуировки передатчика. Упругие деформации обычно появляются в результате механического сотрясения передатчика, вследствие чего происходит вибрация отдельных деталей, что и приводит к периодическому изменению частоты генератора.
Прямые методы стабилизации частоты в рассматриваемом случае сводятся к правильному размещению передатчика, которое должно обеспечивать минимальное механическое сотрясение. К этим же методам стабилизации частоты относится применение амортизации как всего передатчика в целом, так и отдельных его частей. Косвенные методы стабилизации частоты сводятся к рациональному конструированию отдельных деталей генератора и к их монтажу. С этой точки зрения детали генератора должны обладать высокой механической прочностью. При конструировании катушек индуктивности необходимо следить прежде всего за тем, чтобы в результате тех или иных механических сотрясений не смещались отдельные витки. С этой целью весьма часто применяют так называемую горячую намотку катушек. Через провод пропускают большой ток и намотку производят под этим током. В качестве изолятора, на который наматывается катушка, выбирается материал, который не подвергался бы короблению в результате действия тех или иных внешний условий. Наиболее целесообразным для этого оказывается применение специальной высокочастотной керамики.
При конструировании контурных конденсаторов необходимо следить за тем, чтоб их пластины не вибрировали при механических сотрясениях. Элементарный расчёт показывает, что при высоких нормах стабильности (10-4) недопустимы даже такие маленькие смещения витков катушек индуктивности и пластин конденсаторов, как сотые доли миллиметра.
Экраны генератора должны быть спроектированы так, чтобы не было их смещения, прогибов. Для этого часто применяют литые экраны, механическая прочность которых исключительно велика. Монтаж генератора должен быть жёстким. Применение для монтажа гибких проводов не допускается. Для больше жёсткости монтажа в генераторе с самовозбуждением часто применяют медные трубки, которые обладают высокой механической прочностью. Отметим также, что чем короче волна передатчика, тем в большей степени механические деформации влияют на частоту генератора.
4. Непостоянство напряжений источника питания
В большинстве практических случаев частота генератора за счёт непостоянства питающих напряжений изменяется значительно быстрее, чем за счёт температурных влияний, и в ряде случаев даже быстрее, чем при механических упругих деформациях. Непостоянство напряжений источника питания приводит к целому ряду явлений, которые сопровождаются изменением частоты генератора. Отклонение напряжений от номинальных значений приводит, прежде всего, к изменению режима генератора, следовательно, к изменению токов, что приводит к изменению фазовых углов коэффициента обратной связи, а следовательно и к изменению частоты генератора. Изменение режима генератора приводит к колебаниям амплитуд высших гармоник, вследствие чего изменяется фазовый угол средней крутизны и, следовательно, частоты генератора. Далее непостоянство питающих напряжений приводит к изменению ёмкости переходов транзисторов. Кроме того, это приводит к изменению теплового режима отдельных деталей генератора. Если источники питания недостаточно хорошо заблокированы, то на частоту генераторы будут влиять провода, идущие к источникам питания. Перемещение этих проводов будет вызывать изменение частоты генератора.
Прямые методы заключаются в устранении непостоянства напряжений источников питания. Для этой цели при питании генератора от источника постоянного тока следует применять буферные батареи – аккумуляторы, подключённые параллельно источнику питания.
5. Изменение влажности и атмосферного давления
Диэлектрическая постоянная воздуха является функцией его влажности и атмосферного давления. С изменением диэлектрической постоянной изменяется ёмкость воздушных конденсаторов, что приводит к изменению частоты генератора. При значительных колебаниях влажности и атмосферного давления это изменение частоты может повлиять существенным образом на стабильность частоты генератора и, безусловно, должно учитываться при проектировании стабильных генераторов.
Следует также иметь в виду, что с увеличением глубины повышается температура, а как указывалось выше, с повышением температуры увеличивается ёмкость контура и частота повышается. При изменении влажности, помимо изменения диэлектрической проницаемости, изменяется также поверхностная проводимость всех материалов, что приводит к изменению добротности. В задающих генераторах не рекомендуется применять гигроскопические материалы – дерево, бумагу, прессшпан, пластмассы и т.д. Влияние влажности на частоту генератора в сильной степени снижается при использовании герметизированных деталей. Также целесообразно применение специальных поглотителей влаги.
6. Смена изношенных частей генератора
В случае смены основных контурных деталей – катушек индуктивности и конденсаторов – частота генератора, как правило, изменяется настолько сильно, что требуется новая градуировка передатчика. Смена других деталей генератора – блокировочных конденсаторов, переключателей – также вызывает значительное изменение частоты генератора. Ёмкости указанных деталей, по отношению к земле и по отношению к другим деталям контура генератора, обычно входят в ёмкость контура. Эти ёмкости при смене деталей, а также при изменении их монтажа изменяются, следовательно, изменяется частота генератора. В правильно спроектированном генератора при хорошем монтаже и хороших деталях изменение частоты за счёт смены деталей не должно быть значительным, не должно требовать новой градуировки передатчика. В большинстве случаев оказывается достаточной корректировка частоты посредством специального корректирующего конденсатора, помещённого в контур задающего генератора.
7. Влияние посторонних предметов
Если в результате изменения места расположения окружающих предметов изменяются электрические и магнитные поля генератора, что равносильно изменению ёмкостей и индуктивностей, то неизбежно изменяется частота генератора. Радикальным и единственным методом борьбы с такого рода нестабильностью частоты является тщательное экранирование всего генератора.
VII. Заключение
Проблема обеспечения высокого качества или достоверности промыслово-геофизических данных является одной из актуальнейших задач нефтепромысловой геофизики. Тенденция расширения круга решаемых задач, постоянного усложнения геолого-технических условий производства ГИС, дальнейшая интенсификация производства ставит перед геофизическими предприятиями новые задачи, успешное решение которых может быть обеспечено лишь при постоянном совершенствовании всей технико-методической основы геофизического производства. Обеспечение единства геофизических измерений, достигаемое стандартизацией технических средств измерений и методик обработки геофизических данных, является одним из эффективных направлений решения этой проблемы.
Практика нефтепромысловой геофизики показывает, что стандартизация геофизических СИ является достаточно сложным технологическим процессом, требующим привлечения самых разнообразных средств и методических приёмов. Стандартные образцы веществ, модели пластов и разрезы контрольных скважин представляют собой единую систему физических моделей, использование которых позволяет обеспечить единство геофизических измерений.
Каждый из этих элементов незаменим в иерархии поверочных схем геофизической аппаратуры. Фундаментальные многомерные модели пластов и стандартные образцы состава и свойств горных пород высших порядков, которыми будут оснащаться метрологические центры и крупнейшие геофизические предприятия, позволяют воспроизводить калибровочные значения физических параметров с наивысшей точностью. Однако проектирование и строительство этих сооружений сопряжено с большими затратами средств и времени, кроме того они обладают рядом ограничений – небольшим выбором калибровочных значений параметров, ограниченной возможностью воссоздания различных литофациальных разностей пород, отсутствием возможности имитации реальных геолого-технических условий производства ГИС, которые не позволяют поверять геофизические информационно-измерительные системы в динамическом режиме – том режиме, в котором осуществляются скважинные измерения.
Включение в поверочные схемы геофизических СИ контрольных скважин позволяет устранить некоторую часть указанных ограничений стандартных образцов и моделей пластов. Диапазон изменения физических параметров в разрезах контрольных скважин практически охватывает весь динамический диапазон работы геофизических СИ, в необходимых случаях он может быть значительно расширен за счёт применения имитаторов физических величин. Контрольные скважины являются как бы сосредоточением большого числа моделей пластов различного вещественного состава. В опорных пластах контрольных скважин могут одновременно регистрироваться параметры всех используемых в геофизической практике физических полей. На контрольную скважину можно возлагать и дополнительные задачи: входной и оперативный контроль работоспособности аппаратуры, исследование динамических свойств геофизических измерительных систем, тренаж операторского состава и т.д.
Более сложной задачей является задача обеспечения единства методик обработки геофизических данных. Методология оценки и контроля погрешностей на этом этапе геофизического производства в настоящее время ещё не разработана. Приведённые данные иллюстрируют возможность решения этой проблемы современным системным методом исследования функционирования сложных информационно-измерительных систем методом математического моделирования. С использованием приёмов имитационного математического моделирования можно определить чувствительность геофизических методов к искомым параметрам геологического разреза и найти граничные условия, при которых эти характеристики ИИС превышают влияние искажающих факторов; исследовать зависимость точностных характеристик оценок искомых параметров нефтегазопоисковых объектов от геолого-технических условий производства ГИС, полноты геофизических комплексов, уровня инструментальных или методических погрешностей, наличия априорных данных о скважине и пласте и т.п.; оценить, с учётом нормированных или реальных погрешностей геофизических ИИС, точность определения параметров нефтегазопоисковых объектов и определить условия функционирования этих систем, обеспечивающие оценку искомых с минимальными погрешностями и материальными затратами.
Однако при реализации этого подхода исследователь должен помнить о том, что успешность его работы во многом будет определяться полнотой или достоверностью формализации единого технологического процесса получения и обработки геофизических данных и адекватностью инструментальных и методических погрешностей производства, накладываемых на интерпретационные модели ГИС. Реализация этого подхода сопряжена также с необходимостью выполнения больших объёмов достаточно сложных аналитических работ. Перспективы снятия этих ограничений в значительной степени определяются совершенствованием методик интерпретации геофизических данных и развитием методов обработки данных ГИС на ЭВМ.
VIII. Список использованной литературы
В. Н. Широков, Е. М. Митюшин, В. Д. Неретин, Э. Е. Лукьянов, Д. В. Белоконь, 1996, Скважинные геофизические информационно-измерительные системы. М.: “Недра”.
В. М. Городилин, В. В. Городилин, 1992, Регулировка радиоаппаратуры. М.: “Высшая школа”.
А. М. Блюменцев, Г. А. Калистратов, В. М. Лобанков, В. П. Цирульников, 1991, Метрологическое обеспечение ГИС. М.: “Недра”.
Рудольф Сворень, 1991, Электроника шаг за шагом. М.: “Детская литература”.
Б. С. Гершунский, 1989, Основы электроники и микроэлектроники. Киев: “Выща школа”.
Г. Б. Толкачёв, В. Н. Ковалёв, 1983, Радиоэлектроника. М.: “Высшая школа”.
В. Д. Горшелев, З. Г. Красноцветова, Б. Ф. Фёдоровцов, 1977, Основы проектирования радиоприёмников. Ленинград: “Энергия”.
С. А. Дробов, 1951, Радиопередающие устройства. М.:”Военное издательство военного министерства СССР”.