Проходка разведочной канавы
РАСЧЁТНАЯ РАБОТА
по тему:
«Проходка разведочной канавы»
Исходные данные
|
Параметры |
Единицы измерения |
Значение |
|
Глубина
канавы ( |
м |
3,2 |
|
Длина
канавы ( |
м |
50 |
|
Угол
откоса бортов канавы ( |
градус |
55 |
|
Коэффициент крепости пород |
7 |
|
|
Трещиноватость |
нет |
|
|
Обводнённость |
да |
Выбираем буровое оборудование и приводим его техническую характеристику.
Так как коэффициент
крепости породы по Протодьякову равен
7 (
,
то для бурения шпуров в канаве можно
применить переносной перфоратор на
пневмоподдержках или распорных
устройствах. Мы выбираем марку бурильной
машины ПП-36 В2. Завод-изготовитель –
«Пневматика» г. Санкт-Петербург.
Техническая характеристика перфоратора
ПП-36 В2
Глубина бурения, м………………………………………………...до 2 метров
Диаметр шпуров, мм………………………………………………...32 – 40
Коэффициент крепости..…………………………………………... ≤12
Масса………………………………………………………………….24
В качестве
породоразрушающего инструмента при
бурении шпуров перфораторами в породах
крепостью
,
используем крестовые коронки марки
КДП-36-22, армированные твёрдосплавными
пластинками из сплава ВК-15.
Техническая характеристика коронки
КДП-36-22
Рабочий диаметр коронки, мм……………………………….36
Марка твёрдого сплава………………………………………..ВК15 или ВК11В
Масса коронки, кг…………………………………………….0,38
В качестве буровых штанг применяем шестигранные штанги с осевым отверстием для промывки БШ25 – 2500.
Диаметр штанги,
мм…………………………………………………
Длина штанги, мм……………………………………………………2500
Длина хвостовика, мм………………………………………………..108±1
Масса штанги, кг…………………………………………………….9,9
Выбираем тип ВВ и приводим его техническую характеристику.
Для проведения взрывных работ в породах крепостью меньше 12 и в условиях, что есть обводнённость, согласно имеющимся рекомендациям целесообразно применить патронированное Аммонит 6-ЖВ в полиэтиленовых патронах.
Техническая характеристика ВВ Аммонит 6-ЖВ
Диаметр патрона, мм…………………………………………………………..32
Масса патрона, г……………………………………………………………...200
Длина патрона, мм……………………………………………………………..250
Плотность, г/см3…………………………………………………….…...360÷380
Плотность в патроне……………………………..…………………..1 ÷1,2 г/см3
Коэффициент работоспособности……………………………..………….....1,0
Бризантность………………………………………………………..……...14÷16
Скорость детонации, км/с…………………………………………..….…3,6÷4,8
Расстояние перед детонацией между патронами, см………………….…..5÷9
Определяется коэффициент крепости пород с поправкой А.И. Барона на их разрушаемость взрывом.

Определяется удельный расчётный расход эталонного ВВ на заряд нормального выброса.

Расход эталонного ВВ на рыхление будет равен.

Вычисляется коэффициент относительной работоспособности принятого ВВ.
, где
- работоспособность
эталонного ВВ;
- работоспособность
принятого ВВ.
Удельный расчётный расход нашего ВВ на дробление породы.

Определяется эффективный диаметр шпура.
При использовании патронированных ВВ диаметр шпура принимается на 3-5 мм больше диаметра патрона при электрическом способе взрывания. Мы принимаем диаметр шпура 36 мм и коронки КДП-36-22 с маркой твёрдого сплава ВК-15 исходя из того, что диаметр шпура будет на 4 мм больше чем диаметр патрона.
Определяется вместимость шпура.
При использовании патронированных ВВ:
, где
- масса
одного патрона ВВ, кг;
- длина
одного патрона ВВ, м.
Определяется глубина эффективного рыхления пород шпурами принятого диаметра.

Если
,
то порода в
контурах проектируемой канавы рыхлится
взрывом на полную глубину. Если же
окажется, что
,
то канаву
целесообразно сооружать послойно:
сначала взрывом рыхлится верхний слой породы, после её уборки бурятся шпуры и рыхлится следующий слой и т.д. Обычно количество слоёв не превышает двух и мощности слоёв принимаются одинаковыми:


В нашем случае
,
поэтому
канаву целесообразно сооружать послойно.
Определяется величина перебура шпуров.

Требуемая глубина шпуров будет равна.

Масса заряда ВВ в каждом шпуре.

Принимаем

Длина заряда равна.
Длина заряда при использовании патронированных ВВ определяется по количеству патронов, помещаемых в каждый шпур и длине патрона ВВ.

Фактический коэффициент заполнения шпуров составит.

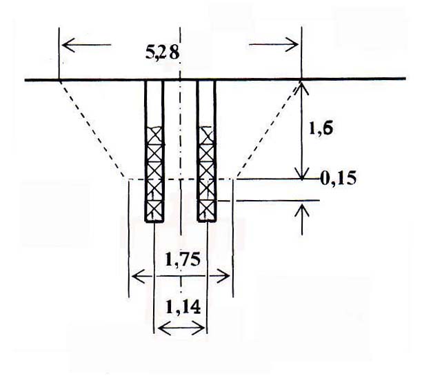
14. Выбирается способ взрывания, средства взрывания и приводится конструкция шпурового заряда.
|
|
1 – забойка 2 – ОШП 3 – КД 4 – патрон-боевик
|
15. Вычисляется ширина элементарной площадки рыхления пород одним зарядом.

Определяем количество рядов шпуров по каждому слою.
Рассчитаем ширину верхнего слоя:

Так как

Рассчитаем количество рядов шпуров для верхнего слоя:
, где
;

- проектная
ширина слоя.
Принимаем 3 ряда.

Принимается расстояние между шпурами в ряду
и определяется
количество шпуров в каждом слое.


Определяем суммарный расход ВВ на
зарядов, удельный фактический расход
ВВ.

Определяем суммарную длину
шпуров.

Определяем удельный фактический расход ВВ.
, где


Определяем удельный объём бурения.

1-ый слой

2-ой слой

Технико-экономические показатели БВР при проходке разведочной канавы взрывом на рыхление
|
№№ пп |
Показатели |
Единицы измерения |
Количество |
|
1. |
Длина канавы |
м |
50 |
|
2. |
Глубина канавы |
м |
3,2 |
|
3. |
Угол откоса бортов канавы |
град |
55 |
|
4. |
Количество шпуров: - 1 слой - 2 слой Итого: |
шт. шт. шт. |
131 43 174 |
|
5. |
Глубина шпура |
м |
1,75 |
|
6. |
Диаметр шпура |
м |
36 |
|
7. |
Расстояние между шпурами в ряду |
м |
1,14 |
|
8. |
Расстояние между рядами шпуров |
м |
1,01 |
|
9. |
Масса шпурового заряда |
кг |
1,0 |
|
10. |
Длина шпурового заряда |
м |
1,25 |
|
11. |
Длина забойки в шпуре |
м |
0,55 |
|
12. |
Суммарный расход аммонита 6ЖВ |
кг |
139,2 |
|
13. |
Удельный расход Аммонита 6ЖВ |
кг/м3 |
0,286 |
|
14. |
Удельный объём бурения |
м/м3 |
0,626 |
)
)
)