Проектирование рецептур буровых растворов по интервалам бурения для Приобского месторождения
Министерство образования Российской Федерации
Кафедра бурения нефтяных и газовых скважин
Курсовая работа
по дисциплине “ Буровые промывочные растворы”
Содержание
Введение
1 Исходные данные для курсового проекта
1.1 Литолого-стратиграфическая характеристика разреза
1.2 Водонсность
1.3 Осложнения
1.4 Конструкция скважины
1.5 Применяемое оборудование в циркуляционной системе
1.6 Нормы расхода буровых растворов по интервалам бурения (расчетные)
2 Выбор растворов по интервалам бурения скважин
2.1 Анализ используемых в УБР буровых растворов
2.2 Обоснование выбора типа растворов по интервалам бурения
2.3 Обоснование параметров бурового раствора
2.4 Обоснование рецептур буровых растворов
3 Уточнение рецептур буровых растворов
3.1 Постановка задачи.
3.2 Показатели качества БПР.
3.3 Методика экспериментов
3.2 Результаты опытов и их обработка
4 Приготовление буровых растворов
4.1 Технология приготовления буровых растворов
4.2 Выбор оборудования для приготовления буровых растворов
4.3 Технология и средства очистки буровых растворов
5 Мероприятия по экологической безопасности применения буровых растворов
5.1 Охрана окружающей среды и недр
5.2 Охрана труда
Список литературы
Введение
Данный проект выполнен на строительство наклонно-направленной скважины для геологических условий Приобского месторождения расположенного в районе ХМАО. Данное месторождение находится в районе деятельности ЗАО “Сибирская Сервисная Компания”.
Где бы ни происходило бурение скважины, везде необходимо соблюдать основные требование по проводке ствола скважины. Желаемое условие бурения – это бурение с постоянной депрессией на пласт. И даже когда процесс бурения приостановлен, необходимо соблюдать это условие. Основополагающей причиной данного явления служит буровой раствор, качественно приготовленный и подобранный для конкретных условий.
Целью данного курсового проекта является проектирование рецептур буровых растворов по интервалам бурения для Приобского месторождения. А также определения потребного количества хим. реагентов по интервалам бурения. Кроме того, необходимо усвоить управление свойствами буровых растворов в процессе бурения.
Качественно приготовленный и хорошо подобранный раствор – это пятьдесят процентов успешного бурения без осложнений и аварий.
1.1 Литолго – стратиграфическая характеристика разреза
Стратиграфический разрез скважины Таблица1
|
Глубина залегания, м |
Стратиграфическое подразделение |
Элементы залегания (падения ) пластов по подошве |
Коэффициент кавернозности интервала |
|||
|
От (верх) |
До (низ) |
свита |
индекс |
Угол, град. |
Азимут, град |
|
|
1 |
2 |
3 |
4 |
5 |
6 |
7 |
|
0 |
40 |
Четвертичные отложения |
Q |
0 |
- |
1.3 |
|
40 |
170 |
Новомихайловская |
P3 nk |
0 |
- |
1.3 |
|
170 |
260 |
Атлымская |
P2-3 at |
0 |
- |
1.3 |
|
260 |
430 |
Чеганская |
P1-2 chg |
0 |
- |
1.3 |
|
430 |
680 |
Люлинворская |
P2 ll |
0 |
- |
1.25 |
|
680 |
850 |
Талицкая |
P1 tl |
0 |
- |
1.25 |
|
850 |
930 |
Ганькинская |
K2 gn |
0 |
- |
1.25 |
|
930 |
1050 |
Березовская |
K2 br |
0 |
- |
1.25 |
|
1050 |
1120 |
Кузнецовская |
K2 kz |
0 |
- |
1.25 |
|
1120 |
1450 |
Уватская |
K1-2 uv |
0.5 |
- |
1.25 |
|
1450 |
1650 |
Х-Мансийская |
K1 hm |
0.5 |
- |
1.25 |
|
1650 |
1950 |
Викуловская |
K1 vk |
0.5 |
- |
1.25 |
|
2060 |
2150 |
Алымская |
K1 al |
0.5 |
- |
1.25 |
|
2150 |
2700 |
Черкашинская |
K1 chn |
1.5 |
- |
1.25 |
Литологическая характеристика разреза Таблица2
|
Глубина залегания, м |
Индекс стратиграфического подразделе ния |
Горная порода |
Стандартное описание горной породы: Полное название, характерные признаки(структура, текстура, минеральный состав и т.п.) |
||
|
От (верх) |
До (низ) |
Краткое название |
% в интервале |
||
|
1 |
2 |
3 |
4 |
6 |
7 |
|
0 |
40 |
Q |
Пески, супеси, суглинки, глины |
50 50 |
Почвенно-растительный слой, пески и супеси желтые, разнозернистые, полимиктовые; |
|
40 |
170 |
P3 nk |
Глины, пески |
60 40 |
Глины оливково-зеленые, жирные, пластичные, тонкослоистые, кварцевые, кварц-полевошпатовые. |
|
170 |
260 |
P2-3 at |
Глины, алевриты, пески |
60 20 10 |
Глины темно-серые, с прослоями слабосцементировнных алевролитов и песков полимиктовых |
|
260 |
430 |
P1-2 chg |
Глины, алевролиты |
70 30 |
Глины светло-серые, до темных. Зеленовато-серые, мелко-крупнозернистые. |
|
430 |
680 |
P2 ll |
Глины опоковидные, алевролиты |
90 10 |
Глины светло-серые, плотные. Алевролиты разнозернистые, |
|
680 |
830 |
P1 tl |
Глины опоковидные |
100 |
Глины темно-серые, серые алевритистые, плотные. |
|
830 |
900 |
K2 gn |
Глины, алевролиты, пески |
70 20 10 |
Глины темно-зеленые, серые, опоковидные, плотн. Алевролиты песчанистые, темно-серые. Пески серые, мелкозернистые. |
|
900 |
1060 |
K2 br |
Глины |
100 |
Глины темно-серые |
|
1060 |
1110 |
K2 kz |
Алевролиты, глины, песчаники, аргиллиты, песчаники |
37 25 16 12 10 |
Алевролиты песчанистые, тонкозернистые, серые Глины алевритистые, плотные. Песчаники серые, слюдистые, слабосцементирован. Аргиллиты серые, темно-серые, плитчатые. Песчаники глинистые, среднесцементированные. |
|
1110 |
1550 |
K1-2 uv |
Аргиллиты, песчаники, алевролиты |
60 35 5 |
Аргиллиты темно-серые слоистые, плитчатые Песчаники светло-серые, разнозернистые. Алевролиты серые, темно-серые, разнозернистые. |
|
1550 |
1750 |
K1 hm |
Аргиллиты, алевролиты, песчаники |
70 15 15 |
Аргиллиты пестро-цветные, плотные, комковатые. Алевролиты песчанистые, буровато-серые, слоист. Песчаники светло-серые, плотные. |
|
1750 |
2060 |
K1 vk |
Песчаники, аргиллиты, алевролиты |
55 40 5 |
Песчаники серые, светло-серые, мелкозернистые. Аргиллиты серые, темно-серые, слоистые. Крупнозернистые, массивные. |
|
2060 |
2260 |
K1 al |
Аргиллиты, песчаники, алевролиты, Известняки |
70 20 8 2 |
Темно-серые, плотные, крепкие. Серые, темно-серые, мелкозернистые, массивные. Серые, известковые. Глинистые, крепкие. |
|
2260 |
2700 |
K1 chn |
аргиллиты |
100 |
Битуминозные, коричневато-серые, плотные |
1.2 Водоносность
Таблица3
|
Индекс стратиграфического подразделения |
Индекс пласта |
Интервал, м |
Тип коллектора |
Свободный дебит, м3/сут |
Химический состава воды % эквивалентной форме |
Степень минерализации, г/л |
Тип воды по Сулину |
Является источником питьевого снабжения |
||||||
|
анионы |
катионы |
|||||||||||||
|
от (верх) |
до (низ) |
Cl– |
SO>4>– |
HCO>3>– |
Na |
Mg |
Ca |
|||||||
|
1 |
2 |
3 |
4 |
5 |
6 |
7 |
8 |
9 |
10 |
11 |
12 |
13 |
14 |
|
|
К1 – 2 |
1130 |
1740 |
поровый |
1 |
99 |
- |
1.0 |
90 |
2.7 |
4 |
16 - 20 |
ХЛН |
нет |
|
|
К1 |
АС 10 |
2470 |
2490 |
поровый |
200 |
98 |
- |
1.9 |
94 |
2 |
4 |
10.5-20 |
ХЛН |
нет |
|
К1 |
АС 11 |
2520 |
2535 |
поровый |
3 |
87 |
- |
13 |
97 |
- |
3 |
18 |
ХЛМ |
нет |
|
К1 |
АС 12 |
2590 |
2650 |
поровый |
12 |
87 |
- |
13 |
96 |
3 |
1 |
17 |
ХЛН |
нет |
1.3 Осложнения
Поглощение бурового раствора
Таблица 4
|
Индекс стр. подразделения |
Интервал, м |
Максимальная интенсивность поглощения, м3/ч |
Имеется ли потеря циркуляции |
Условия возникновения |
|
|
от (верх) |
до (низ) |
||||
|
Q-P2-3 |
0 |
450 |
5 |
нет |
Увеличение проектной плотности промывочной жидкости |
|
K1-2 pk |
930 |
1500 |
2 |
нет |
Газонефтевододопроявления
Таблица 5
|
Индекс стр. подразделения |
Интервал, м |
Вид проявляемого флюида |
Условия возникновения |
Характер проявления |
|
|
от (верх) |
до (низ) |
||||
|
1 |
2 |
3 |
4 |
5 |
6 |
|
K1-2 pk |
930 |
1720 |
Вода |
Снижение противодавл на пласт |
Увелич. водоотдачи |
|
K1 |
1750 |
2650 |
Вода |
Несобл. Параметров Раствора |
Увелич. водоотдачи |
|
J3 vs |
2690 |
2725 |
Нефть |
Несобл. Параметров Раствора |
Перелив на устье |
|
J3 vs |
2725 |
2730 |
вода |
Несобл. Параметров Раствора |
Перелив на устье |
Прихватоопасные зоны
Таблица 6
|
Индекс стр. подразделения |
Интервал, м |
Вид прихвата |
Наличие ограничений на оставление ин-та без движения или промывки |
Условия возникновения |
|
|
от (верх) |
до (низ) |
||||
|
Р2 |
0 |
400 |
От обвала неустойчивых пород и заклинки инструмента |
да |
Несаблюдение режима промывки, недостаточная очистка скважины от выбуренной породы, несоблюдение параметров раствора |
|
K2 br |
790 |
910 |
От разбухания опоковидных глин, обвала стенок скважины, заклинки бурового инструмента |
да |
Разбухание опоковидных глин, обвал стенок скважины |
|
K1 |
930 |
2250 |
От сальнико- образования, желобообразования |
да |
Несоблюдение параметров раствора |
|
K1 |
1720 |
2650 |
От перепада давления в системе |
да |
Несоблюдение режимов промывки параметров бурового раствора |
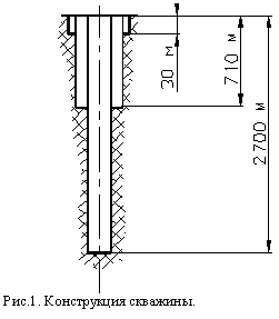
1.4 Конструкция скважины
Таблица 7
Конструкция скважины
|
N колонны в порядке спуска |
Название колонны |
Интервал по вертикали, м |
Номинальный диаметр ствола скважины (долота), в интервале, мм |
|
|
от (верх) |
до (низ) |
|||
|
1 |
направление |
0 |
30 |
490,0 |
|
2 |
кондуктор |
0 |
710 |
295,3 |
|
3 |
эксплуатационная |
0 |
2700 |
215,9 |
Таблица 8
Применяемые промывочные растворы по интервалам (по ГТН)
|
Вид |
Интервал,м |
Плотность, г/см3 |
ПФ,см/30мин |
УВ,сек |
|
Глинистый |
0-700 |
1,16 – 1,18 |
8 - 6 |
30 – 35 |
|
Глинистый |
700-1100 |
1,05 – 1,08 |
8 - 10 |
18 – 20 |
|
Глинистый |
1100-2050 |
1,08 – 1,12 |
6 - 8 |
20 – 23 |
|
Глинистый |
2050-2250 |
1,12 – 1,14 |
6 - 4 |
23 – 25 |
|
Глинистый |
2250-2700 |
1,12 |
4 |
24 – 25 |

Применяемое оборудование в циркуляционной системе
На данном предприятии используется типовая схема очитки бурового раствора. В нее входят:
две емкости по 100 м3, запасная и основная;
глиномешалка, для внедрения реагентов в буровой раствор в процессе бурения;
два вибросита со сменными сетками;
илоотделители и пескоотделители;
лопастные перемешиватели, применяемые для предупреждения осаждения на дно емкости дисперсной фазы.
1.6 Нормы расхода буровых растворов по интервалам бурения (расчетные)
Таблица 9
Расход бурового раствора по интервалам бурения
|
Интервал, м Расход, м3/с |
0-30 |
30-710 |
710-2700 |
|
Для выноса шлама |
0,037 |
0,0146 |
0,0146 |
|
Для нормальной работы ЗД |
0,036 |
0,036 |
0,0143 |
|
Для очистки забоя |
0,024 |
0,0168 |
0,0128 |
|
Выбранный |
0,037 |
0,036 |
0,0146 |
2 Выбор растворов по интервалам бурения скважин
2.1 Анализ используемых в УБР буровых растворов
Для бурения скважин предусмотрено использование экологически малоопасных рецептур бурового раствора на основе отечественных реагентов КМЦ-600, САЙПАН, ГИПАН, НТФ, ТПФН, КССБ. Химические реагенты и их приготовление для обработки бурового раствора.
КМЦ применяется для регулирования фильтрационных свойств бурового раствора.
Приготовление водного раствора КМЦ на буровой производится в глиномешалках или гидромешалках. Глиномешалка МГ2-4 заполняется на 2/3 водой, загружается расчетное количество реагента, перемешивается в течении 10 мин. Приготовление раствора КМЦ осуществляется из расчета не более 200 кг на глиномешалку.
КССБ принимается для снижения вязкости пресных растворов, вызывает пенообразование. При использовании КССБ необходимо применять пеногаситель.
Гипан применяется для снижения показателя фильтрации пресных и слабоминерализованных буровых растворов, вызывает раннее загустевание пресных растворов.
Гипан не требует специального приготовления, но для более равномерной обработки бурового раствора рекомендуется производить двадцатикратное разбавление водой товарного гипана.
НТФ- применяется для снижения вязкости, структурных характеристик глинистого раствора в процессе бурения, регулирования фильтрационных свойств. Не требует специального приготовления, может добавляться в сухом виде под перемешиватели.
Бентонит, модифицированный метасом и кальцинированной содой, применяется для заготовки и обновления объема глинистых буровых растворов при снижении удельного веса.
Кальцинированная сода применяется для обработки раствора после разбуривания цементного стакана в башмаке кондуктора, а также в качестве понизителя вязкости.
Графит серебристый применяется как профилактическая смазочная добавка к буровому раствору.
ФК-2000- смазывающая добавка многофункционального действия, экологически чистая. Состоит из ПАВ на основе растительных масел. Совместима со всеми химическими реагентами. Оптимальная добавка от 0,1 до 0,5%.
2.2 Обоснование выбора типа растворов
Тип бурового раствора выбирается в первую очередь из условия обеспечения устойчивости стенок скважины, определяемой физико-химическими свойствами слагающих горных пород и содержащихся в них флюидов, пластовым и горным давлениями, а так же забойной температурой. При этом следует руководствоваться накопленным опытом бурения в проектном районе с промывкой различными буровыми растворами. Критерием оптимальности применяемого типа бурового раствора являются затраты времени и средства на борьбу с осложнениями, связанными с типом бурового раствора. Если затраты времени на борьбу с подобными осложнениями отсутствуют, то применяемый тип бурового раствора следует считать оптимальным.
Необходимо помнить, что тип бурового раствора определяет не только осложнения при бурении, но и в большей мере эффективность разрушение долотом. Чем быстрее бурится скважина, тем меньше, как правило, наблюдается осложнений. Поэтому при решении этого вопроса следует анализировать и учитывать отечественный и зарубежный опыт бурения скважин в аналогичных разрезах. При прочих равных условиях всегда следует отдавать предпочтение буровым растворам с минимальным содержанием твердой фазы.
Отдельно решается вопрос выбора бурового раствора для вскрытия продуктивных горизонтов. Буровой раствор выбирается так, чтобы предупредить ухудшение коллекторских свойств продуктивных пластов вследствие возникновения капиллярного эффекта при вытеснении из приствольной зоны продуктивного пласта фильтрата бурового раствора.
2.3 Обоснование параметров буровых растворов
При проектировании параметров буровых растворов всегда нужно стремиться к тому, чтобы достигались высокие скорости бурения, высококачественное вскрытие продуктивных пластов, предупреждались всевозможные осложнения.
Плотность раствора влияет на гидростатическое давление, на забой и стенки скважины. При наличии в разрезе водо-, газо-, нефтепроявляющих пластов обычно давление бурового раствора поддерживают несколько большим пластового с тем, чтобы предотвратить или резко уменьшить интенсивность поступления флюидов в скважину. Иногда плотность увеличивают для предупреждения обвалообразований. Плотность раствора уменьшают при поглощении, для снижения гидравлических потерь в циркуляционной системе и дифференциального давления на забое, повышения буримости горных пород и т.д.
Плотность бурового раствора рассчитывается для каждого интервала совместимых условий бурения по горизонту с максимальным градиентом пластового давления по формуле
(2.1)
где К>п> – коэффициент превышения гидростатического давления бурового раствора над пластовым;
P>пл> – пластовое давление, Па;
g – ускорение свободного падения;
Н – глубина залегания кровли горизонта с максимальным градиентом пластового давления.
Рекомендуется принимать К>п> = 1,1-1,15 при Н<1200 м (Р1,5 МПа); К>п> = 1,05-1,1 при Н=1200-2500 м (Р2,5 МПа); К>п> = 1,04-1,07 при Н>2500 м (Р3,5 МПа).
Для качественного вхождения в продуктивный пласт, необходимо произвести очистку бурового раствора от шлама, также произвести химическую обработку раствора до указанного ПФ.
С ростом фильтрации, особенно при промывке раствором на водной основе, часто ухудшается качество вскрытия продуктивных пластов, повышается интенсивность обвалообразоваиия в глинах, аргиллитах, сланцах, увеличивается толщина фильтрационной корки, что сопровождается сальникообразованиями, затяжками и повышает вероятность прихвата бурильной колонны и приборов в скважине. Поэтому в практике бурения фильтрацию следует снижать, лишь когда это безусловно необходимо, и до такого уровня, который технологически допустим и не вызывает осложнения.
2.4 Обоснование рецептур буровых растворов
Бурение под направление начинается на глинистом свежеприготовленном растворе. При бурении под направление для снижения ПФ и увеличении вязкости глинистый раствор обрабатывается реагентами КМЦ и каустической содой.
При бурении под кондуктор проходят сквозь слой, рыхлых песчаников и неустойчивых глинистых отложений. В связи с этим требуется решать следующие основные проблемы: укрепление стенок скважины, увеличение выносной способности бурового раствора. Данные проблемы решаются с использованием высокоэффективных полимеров - структурообразователей, поддержание низкой температуры, образование прочной фильтрационной корки, создание высокой скорости потока раствора. Для бурения под кондуктор проектом предусматривается буровой раствор, приготовленный из бентонитового глинопорошка, обработанный химическими реагентами. При бурении под кондуктор для обработки бурового раствора применяют КМЦ, ФК-2000, графит, каустическую соду, НТФ, КМЦ, КССБ, ФК-2000, СМАД.
При бурении под эксплуатационную колонну основные проблемы, которые требуется решать, следующие: предупреждение поглощения раствора и водопроявлений, предупреждение прихвата бурильного инструмента при прохождении через проницаемые пласты и главная проблема- это сохранение коллекторских свойств продуктивного пласта. При бурении под эксплуатационную колонну, для снижения вязкости буровой раствор во всех интервалах бурения, кроме продуктивных, при необходимости обрабатывается НТФ. Для поддержания необходимых значений показателя фильтрации буровой раствор обрабатывается КМЦ и КССБ. Поскольку свойства раствора улучшаются при рН=8-9, в буровой раствор при бурении под кондуктор и эксплуатационную колонну добавляется каустическая сода или гидроксид калия для поддержания указанных регламентных рН.
3 Уточнение рецептур буровых растворов
3.1 Постановка задачи
Необходимость уточнения рецептуры бурового раствора связано с отсутствием данных по показателям качества компонентов на период его приготовления. Связь между регулируемым параметром раствора и содержанием реагента анализируется с помощью вероятностных методов, т.к. зависимость конкретных значений выходного показателя от переменой величины Х (содержание реагента) имеет случайный вероятностный характер. По существу, задача сводится к установлению влияния химических реагентов на основные параметры выбранной модели бурового раствора.
Планирование эксперимента предполагает создание линейной модели оптимального планового эксперимента и включает следующие основные этапы:
разработка матрицы планирования эксперимента;
выполнение экспериментов;
обработка результатов опытов.
Требуется уточнить рецептуру бурового раствора для наиболее ответственного интервала бурения - для продуктивного пласта. Для этого исследуем влияние трех химических реагентов:DUO VIS, KEM PAS,Формиат
3.2 Показатели качества БПР
При использовании степенной жидкости характер её течения, профиль скоростей, поведение при различных скважинных условиях, стабильность меняются. Для получения модели БПР для конкретных условий бурения мы применяли совокупность следующих показателей.
Фильтрационные свойства. С ростом фильтрации, особенно при промывке раствором на водной основе, часто ухудшается качество вскрытия продуктивных пластов, повышается интенсивность обвалообразоваиия в глинах, аргиллитах, сланцах, увеличивается толщина фильтрационной корки, что сопровождается сальникообразованиями, затяжками и повышает вероятность прихвата бурильной колонны и приборов в скважине. Поэтому в практике бурения фильтрацию следует снижать, лишь когда это безусловно необходимо, и до такого уровня, который технологически допустим и не вызывает осложнения.
Скорость набухания, Vнаб. При промывке глинистым раствором на водной основе и бурении в интервалах неустойчивых глиносодержащих пород имеет место набухание глинистых частиц. Это ведет к появлению в составе раствора коллоидной дисперсной фазы, которая меняет свойства раствора.
Требуется снижать набухание, в частности, скорость набухания глин путём добавления в глинистый раствор ингибирующих добавок.
При постановке условий эксперимента, нам необходимо использовать добавки для уменьшения набухания. В качестве оценки набухания мы используем показатель скорости набухания Vнаб.
3.3 Методика экспериментов
Для достижения поставленной цели и получения модели БПР с заданными параметрами мы приготовили 4 раствора в соответствии с матрицой планирования, которая представлена в таблице 10.
Таблица 10
Матрица планирования.
|
Номерраствора |
DUO VIS % мас. |
KEM PAS % масс. |
Формиат % масс. |
|
№1 |
0,6 |
0,45 |
1 |
|
№2 |
0,2 |
0,45 |
1 |
|
№3 |
0,4 |
0,3 |
3 |
|
№4 |
0,4 |
0,6 |
3 |
Для каждой рецептуры раствора было проведено 3 эксперимента – на набухание, на определение показателя фильтрации и на определение реологических параметров бурового раствора.
Измерение скорости набухания производится на приборе Жигача-Ярова. Внутрь прибора помещается 10 грамм высушенной и просеянной глины. Затем добавляется определенное количество раствора и производится замер результатов в течении 24 часов. Итогом эксперимента является зависимость высоты пробы от времени.
Измерение скоростей набухания отображены на рисунках 1,2, где в графической форме представлены характеристические кривые скоростей набухания от времени для каждого раствора, которые имеют модели следующего вида:
Y=a*ln(x)
b
где a*ln(х)-зависимость скорости набухания от времени. Для того получить точную информацию о скорости набухания необходимо отсечь тот момент, когда идет капиллярная пропитки (процесс набухания включает в себя: капиллярную пропитку и само набухание) Для этого строятся кривые изменения высоты пробы от времени в логарифмических координатах (рис. 2). Затем осекаются те участки, где идет капиллярная пропитка (не прямолинейные участки) и с учетом этого строятся модели скорости набухания (рис. 1).
Для определения показателя фильтрации был использован прибор ВМ-6. На дне прибора находится решетка, на которую кладется фильтровальная бумага, смоченная водой. Затем в прибор заливается 100 мл. раствора, сверху навинчивается цилиндр с игольчатым клапаном. В него заливается масло, и вставляется шток с мерной шкалой, который создает перепад давления в 1 атмосферу. Выпуская масло игольчатым, клапаном устанавливаем шток на нуль. Затем открываем нижний клапан, включаем секундомер и делаем замеры через 1,2,5,9,15 минут. Обработка результатов позволяет определить показатель фильтрации для каждого раствора.
3.4 Результаты опытов и их анализ
В ходе работ были проведены испытания для определения следующих показателей:
1) скорости набухания (рис.1;2),где отображены логарифмические зависимости скорости набухания глинистой корки от времени;
2) показателя фильтрации (табл.11, рис.3) где отображены зависимости показателя фильтрации от времени;
Обработка результатов эксперимента дала следующие модели :
Cскорость набухания глинистой корки:
VНАБ=55+54*DUO-60.67*KEM +2.2*form
Показатель фильтрации:
ПФ=21,175+5,75*DUO +8*KEM -4,225*form
Для удобства анализа этих моделей составим таблицу 12, с указанием степени влияния каждого компонента раствора на определенные показатели.
Таблица 12
Влияние компонентов на скорость набухания и показателя несущей способности
|
Параметры |
Состав компонента |
||
|
DUO VIS |
KEM PAS |
Формиат натрия |
|
|
ПФ |
+5,75 |
+8 |
-5,225 |
|
VНАБ |
+54,00 |
-60,67 |
+2,20 |
По таблице 12 можно представить конкретную степень влияния компонентов на определенные показатели:
1) на увеличение показателя фильтрации влияет DUO VIS и KEM PAS, а на уменьшение - формиат натрия.
2) на увеличение скорости набухания значительно влияет DUO VIS, незначительно - формиата натрия, а на уменьшение скорости набухания значительно влияние KEM PAS.
Решив эту систему уравнений (концентрацию DUO VIS берем минимальной = 0,2), мы получаем следующие результаты:
DUO VIS=0,2
KEM PAS= 0,496
формиата натрия=1,96
Полученные значения представлены в процентах от общей массы раствора.
4 Приготовление буровых растворов
4.1 Технология приготовления бурового раствора
При приготовлении буровых растворов требуется обеспечить с помощью специальных устройств хорошее диспергирование твердой фазы и перемешивание её с жидкостью. В качестве такого устройства для приготовления раствора из бентонитового глинопорошка использовалась глиномешалка типа МГ-2-4. Исходный раствор готовился по требуемой плотности дисперсионной среды и дисперсной фазы-смеси воды и бентонитового глинопорошка.
В процессе бурения приходится обрабатывать буровой раствор химическими реагентами для обеспечения требуемых параметров стабильности и тиксотропии. Реагенты для обработки бурового растворы подробно рассмотрены в пункте 2.1.1. на с. 10.
4.2 Выбор оборудования для приготовления растворов
В современных условиях бурения для приготовления буровых растворов используется следующее оборудование:
блок приготовления раствора БПР-70 или БПР-40 с выносными гидроэжекторными смесителями и загрузочными воронками;
емкости циркуляционной системы с гидравлическими и механическими перемешивателями;
диспергатор;
насосы.
При выборе оборудования для приготовления растворов необходимо учитывать комплектование и состав циркуляционных систем буровых установок различных типов.
4.3 Технология и средства очистки буровых растворов
Эффективная очистка буровых растворов от выбуренной породы, является важнейшим фактором снижения затрат материалов на регулирование параметров буровых растворов, повышения технико-экономических показателей бурения скважин, улучшения качества вскрытия продуктивных пластов.
Очистка бурового раствора от выбуренной породы и газа должна осуществляться комплексом средств, предусмотренных проектом на строительство скважины, в последовательности:
скважина-блок грубой очистки (вибросито) - дегазатор - блок тонкой очистки (песко- и илоотделитель, ) - блок регулирования твердой фазы (гидроциклонные глиноотделители, центрифуга). Широко применяется импортная система очистки американской фирмы DERRIC. В частности на скважине №1142 были установлены вибросита и центрифуга этой фирмы. Вибросита просты в обслуживании имеют две сетки, что обеспечивает более эффективную очистку.
Так как бурение скважины требует качественной очистки бурового раствора от выбуренной породы. Поэтому прежде чем приступить к забуриванию, следует убедиться в наличии сеток на вибросите с различными диаметрами ячеек в зависимости от интервала бурения и буримости породы, состояния оборудования для приготовления и очистки.
На всем протяжении бурения была организована четырехступенчатая очистка бурового раствора.

Рис. 2. Принципиальная схема блока приготовления и очистки бурового раствора:
1-скважина; 2-вибросита DERRIC; 3-пескоотделитель; 4-ЦСГО; 5-илоотделитель; 6-центрифуга DERRIC; 7-емкости для раствора; 8-буровые насосы; 9-мерная емкость V=10 м3.
Мероприятия по экологической безопасности применения растворов
Задача охраны природы при разработке нефтяных и газовых залежей состоит в предотвращении потерь природного газа, нефти и выполнении специальных мероприятий по защите окружающей среды - воздушного бассейна, водоемов и земной поверхности от вредного воздействия отходов производства, а также защиты земель от эрозии, особенно опасной в зоне распространения многолетнем мерзлых грунтов. Для исключения или сведения к минимуму вредного воздействия на окружающую среду при различных видах работ на лицензионном участке предусмотрен комплекс специальных мероприятий.
Природоохранная деятельность на месторождениях будет проводиться инженерно-геологической службой ЦБР г.Стрежевой. Контроль мероприятий по охране окружающей среды будет проводиться местными и ведомственными природоохранными органами и супервайзерскими службами ООО НК «Юкос».
Строительство разведочной скважины возможно с использованием традиционных технологий и материалов. Однако требуется применять эффективную систему очистки бурового раствора и утилизации отходов бурения, исключающих попадания их на рельеф местности. Применяемые химические реагенты и материалы должны быть малоопасными с экологической точки зрения и должны иметь установленные значения ПДК для водоемов санитарно-бытового и рыбохозяйственого назначения. При отсутствии ПДК и методов анализов веществ в буровых сточных водах, использование их для приготовления (обработки) бурового и тампонажного растворов запрещается.
Физико-географические условия работы строительства скважин по рабочему проекту предъявляют ряд требований комплексу природоохранных мероприятий по защите почв и водных объектов при строительстве скважины. Общее руководство организаций работ по выполнению природоохранных мероприятий и по контролю в соответствии с требованиями законодательных актов и нормативных документов осуществляет руководитель предприятия или главный инженер.
Бурение скважины при определенных условиях может сопровождаться:
химическим загрязнением почв, грунтов, горизонтов подземных вод, поверхностных водоёмов, атмосферного воздуха веществами и химическими реагентами, используемыми при проводке скважины, а также пластовым флюидом;
физическим нарушением почвенно-растительного покрова, грунтов зоны аэрации, природных ландшафтов на буровых площадках и по трассам линейных сооружений;
изъятием водных ресурсов и т.д.;
Возможные основные источники и виды негативного воздействия на окружающую природную среду при строительстве скважины следующее:
автодорожный транспорт, строительная техника;
буровые растворы, материалы и реагенты для их приготовления и обработки;
отходы бурения;
тампонажные растворы, материалы и реагенты для их приготовления и обработки;
горюче-смазочные материалы;
продукты сгорания топлива;
хозяйственно-бытовые отходы вывозятся на свалку ближайшего населенного пункта;
перетоки пластовых флюидов по затрубному пространству скважины из-за некачественного цементирования колонн;
продукты аварийных выбросов скважины.
5.1 Природоохранные мероприятия при строительстве
К природоохранным мероприятиям при строительстве скважин относится:
профилактические (технические и технологические) мероприятия, направленные на предотвращения (максимальное снижение) загрязнения и техногенного нарушения природной среды (безамбарное бурение);
сбор, очистка, обезвреживание, утилизация и захоронение отходов строительства скважин;
предупреждение (снижение) загрязнения - атмосферного воздуха, почв (грунтов), поверхностных и подземных вод недр;
рекультивация земель,
5.2 Сбор, очистка, обезвреживание отходов бурения
С целью предупреждения попадания в почву, поверхностные и подземные воды, отходов бурения и испытания скважин, хозбытовых стоков, загрязненных дождевых стоков с площадки буровой, до начала бурения скважин организуется система сбора, накопления и учета отходов бурения, включающая:
обваловку ограждающую отведенный участок от попадания на него склонового поверхностного стока;
установку ёмкостей, обеспечивающих сбор отходов бурения;
размеры ёмкостей определяются объёмами образующихся отходов бурения;
дно и стенки амбара должны гидроизолироваться цементно - глинисто-полимерными композициями, цементо - глинистой пастой. Кроме того, гидроизоляция дна может осуществляться буровым раствором толщиной не менее 10 см. По согласованию с местными органами СЭС и охраны природы могут быть использованы, кроме указанных материалов (композиций), и другие составы, которые способны формировать надежные гидроизоляционные покрытия на проницаемом грунте. На данный момент буровые установки оснащены оборудованием позволяющим бурить безамбарным способом;
выбор направления утилизации или сбора очищенных вод производится в каждом конкретном случае в соответствии с почвенно-ландшафтными, горно-геологическими и природно-климатическими условиями строительства скважины.
Список литературы
Конесев Г. В., Матюшин П. Н. и др. Курсовая работа по буровым растворам: учебно-методическое пособие по дисциплине «Буровые промывочные жидкости». – Уфа: УГНТУ, 2000. 46 с.
Булатов А. И., Аветисов А. Г. Справочник инженера по бурению: В 3 т.: 2-е изд., перераб. и доп.-М.: Недра, 1993-1995. Т 1-3.
Иогансен К. В. Спутник буровика: Справочник.-3-е изд., перераб. и доп. - М.: Недра, 1990.-303 с.: ил.
Булатов А. И., Пеньков А. И., Проселков Ю. М. Справочник по промывке скважин. – М.: Недра, 1984. 317 с.
Материалы практики с бурового предприятия.