Оцінка інженерно-геологічних умов ділянки
Размещено на http://www.
З
міст
Вступ
1. Оцінка інженерно-геологічних умов ділянки (ДСТУ БВ.2.12-96 Ґрунти. Класифікація)
2. Збір вертикальних навантажень на фундамент
3. Прив’язка будівлі до рельєфу місцевості
4. Проектування окремо стоячого фундаменту на природній основі
5.Розрахунок фундаменту із забивних паль
6.Розрахунок фундаменту у пробитих свердловинах
7. Техніко-економічне порівняння розрахованих фундаментів
8. Розрахунок окремо стоячого фундаменту на природній основі за перерізом ІІ-ІІ
9. Технологія влаштування монолітного фундаменту на природній основі
10. Визначення підтоплення майданчика чи території
Список використаних джерел
Вступ
Пояснювальну записку складемо для обгрунтування проекту з основ і фундаментів промислової будівлі в м. Первомайськ.
Основою для складання проекту є:
Завдання до виконання курсового проекту виданий кафедрою НПГ;
Промислова будівля зводиться в місті Первомайськ.
Відомості про інженерно-геологічні умови ділянки проектування (додаток №19);
Геологічний розріз місцевості складено за допомогою трьох свердловин. Зверху залягає рослинно-грунтовий шар невеликої потужності (0,3-0,35 м). Під рослинно-грунтовим шаром розташовується лесовий суглинок потужністю 6-6,25 м. Під лесовим суглинком залягає пісок середньої крупності.
Призначення будівлі і відомості про її особливості (додаток №12).
Необхідно запроектувати одноповерхову промислову будівлю. Будівля двопролітна з металевим каркасом. Загальні розміри в осях 72х48 м. У поздовжньому напрямку колони розташовано через кожні 12 м. У поперечному напрямку – через 24 м. Необхідно також запроектувати фундамент під фахверкові колони, котрі розміщуються через кожні 6 м. При розрахунку фундаментів необхідно врахувати наявність кранів вантажопідйомністю 30т.
фундамент навантаження рельєф свердловина
1. Оцінка інженерно-геологічних умов ділянки (ДСТУ БВ.2.12-96 Ґрунти. Класифікація)
Запишемо спочатку фізико-механічні характеристики ґрунтів.
Таблиця I
|
№ |
Найменування шару |
Товщина шару, м |
|
|
|
|
|
|
|
|
k>f>, м/добу |
||
|
Свер.1 |
Свер.2 |
Свер.3 |
|||||||||||
|
1 |
Гр.–росл. шар |
0,30 |
0,30 |
0,35 |
1,72 |
||||||||
|
2 |
Суглинок лесоподібний |
6,05 |
6,25 |
6,00 |
2,68 |
1,81 |
0,28 |
0,32 |
0,24 |
17 |
12 |
8,0 |
2,0 |
|
3 |
Пісок сер. крупності (пройд) |
7,00 |
6,70 |
6,60 |
2,66 |
2,08 |
0,20 |
39 |
2,5 |
41,0 |
18 |
Оцінку проводимо згідно ДСТУ Б.В.2.1-2-96 “Грунти.Класифікація”.
Перший шар ґрунту –грунтово-рослинний шар – не може служити в якості основи фундаменту, тому повинен бути пройдений тілом фундаменту.
Таблиця II
|
№ |
Найменування характеристик |
Розрахункова формула |
Шар 2 |
Шар 3 |
|
1 |
Число пластичності |
|
0,32-0,24=0,08=8% (суглинок) |
- |
|
2 |
Показник текучості |
|
0,5 |
- |
|
3 |
Щільність сухого ґрунту |
|
1,41 |
1,73 |
|
4 |
Коефіцієнт пористості |
|
0,90 |
0,53 |
|
5 |
Коефіцієнт водонасичення |
|
0,83 |
1,00 |
Висновок:
Шар 2 суглинок лесоподібний. Органічних речовин не містить, відомостей про засоленість грунту немає. Грунт може бути використаний в якості природної основи фундаментів.
Шар 3 - пісок середньої крупності, щільний.Грунт може бути використаний в якості природної основи фундаментів.
2. Збір вертикальних навантажень на фундамент
Таблиця III
|
№ |
Найменування навантажень |
Перерізи фундаментів |
|||
|
І-І |
ІІ -ІІ |
||||
|
Постійні |
|||||
|
1 |
Вага покриття |
864 |
1036,8 |
432 |
518,4 |
|
2 |
Вага ферм |
44 |
48,4 |
22 |
24,2 |
|
3 |
Крайня колона |
- |
- |
18 |
19,8 |
|
4 |
Середня колона |
34 |
16,4 |
- |
- |
|
5 |
Підкранова балка |
64,2 |
70,62 |
32,1 |
35,3 |
|
6 |
Стінові панелі |
- |
- |
172,8 |
190,08 |
|
7 |
Осклянення віконного блоку |
- |
- |
6 |
7,2 |
|
|
1006,2 |
1172,22 |
682,9 |
794,99 |
|
|
Тимчасові |
|||||
|
8 |
Тиск коліс крану |
1342,3 |
1744,99 |
814,9 |
1059,37 |
|
9 |
Снігове навантаження |
288 |
374,4 |
144 |
187,2 |
|
|
1630,3 |
2119,39 |
958,9 |
1246,57 |
|
|
Усього |
|||||
|
|
2636,5 |
3291,61 |
1641,8 |
2041,56 |
Розрахунок
виконуємо для фундаментів переріз 1-1.
Для цього перерізу загальне вертикальне
навантаження складає
.
Тоді отримаємо, що горизонтальне
навантаження становить:

Момент на рівні обрізу фундаменту становить:

Розрахунок
виконуємо для фундаментів переріз 2-2.
Для цього перерізу загальне вертикальне
навантаження складає
.
Тоді отримаємо, що горизонтальне
навантаження становить:

Момент на рівні обрізу фундаменту становить:

3. Прив’язка будівлі до рельєфу місцевості
Визначаємо позначки кутів будівлі шляхом інтерполяції. Наносимо їх на рисунок.

Знаходимо
значення ухилів на розглядаємій ділянці.
Ухили повинні знаходитись у межах
інакше буде проходити ерозія грунту
або стоятиме вода:
(в
межах)
(в
межах)
(
в межах)
(в
межах)
Позначку
підлоги приймаємо:
4. Проектування окремо стоячого фундаменту на природній основі
Вибір глибини закладання фундаменту на природній основі.
З умов промерзання:
Знаходимо розрахункову глибину сезонного промерзання ґрунту:
,
де
Позначка підошви фундаменту, виходячи з умов промерзання грунту повинна бути не менше 43,40 м.
З конструктивних умов:
44,00-1-0,7=42,30 м
З ґрунтових умов:
44,00-0,35-0,3=43,35 м
Поруч з будівлею що проектується сусідніх будівель і споруд немає, комунікацій немає, рівень ґрунтових вод нижче 44 м. Приймаємо позначку фундаменту42,30 м.
Позначку підошви фундаменту приймаємо з конструктивних умов. Мінімальна глибина закладання фундаменту складає:
d>min>=44.00-42,30=1.7м.
Максимальна глибина закладання фундаменту складає:
d>max>=44.41-42.30=2.11м.
Визначення геометричних розмірів фундаменту на природній основі.
При
розрахунку деформацій основи з
використанням розрахункових схем,
середній тиск під підошвою фундаменту
не повинен перевищувати розрахункового
опору грунта основи
,
,
який визначається за формулою:

,
де
коефіцієнти
умови роботи, які приймаємо за ([1], стр.86,
додаток Е таблиця Е7). Вони становлять:


коефіцієнти,
які приймаємо

ширина
підошви фундаменту,

коефіцієнти,
які приймаємо за ([1], стр.87, додаток Е
таблиця Е8).
Вони
становлять (при
):



розрахункове
значення умовного зчеплення.

середнє
розрахункове значення умовної ваги
грунтів, які залягають нижче підошви
фундамента. Приймаємо
.
Визначаємо
при
за формулою
:

Визначаємо
:

Визначаємо
:

Визначаємо
:


Визначаємо
:

Визначаємо
різницю між
і
:

Остаточно
приймаємо:

Визначаємо ексцентриситет рівнодійної для позацентрово завантаженого фундаменту при дії загального згинаючого моменту на рівні підошви фундаменту:

Визначаємо тиск на ґрунт у краю підошви позацентрово-завантаженого фундаменту:


Згідно
норм, максимальний тиск на ґрунт не
повинен перевищувати
,
а мінімальний тиск повинен бути додатнім.
Друга умова виконується очевидно
Перевіряємо першу вимогу:

Перша умова не виконується, отже збільшимоl на 0,3 м.
W=12,15 м3


Отже всі умови задовольняються.
Остаточно приймаємо:

Розрахунок осідання фундаменту на природній основі методом пошарового підсумування
Визначаємо тиск від власної ваги ґрунту природної вологості на рівні підошви грунтово-рослинного шару:

>ї>
Визначення осідання фундаменту методом пошарового підсумовування
|
м |
кПа |
|
|
|
кПа |
кПа |
м |
кПа |
см |
|
1 |
2 |
3 |
4 |
5 |
6 |
7 |
8 |
9 |
10 |
|
0 |
30,46 |
0 |
0,8 |
1 |
177,91 |
162,79 |
144 |
8000 |
2,34 |
|
1,44 |
56,52 |
0,8 |
0,8 |
0,83 |
147,67 |
||||
|
118,39 |
144 |
8000 |
1,70 |
||||||
|
2,88 |
82,58 |
1,6 |
0,8 |
0,50 |
89,11 |
||||
|
71,20 |
144 |
8000 |
1,03 |
||||||
|
4,32 |
108,65 |
2,4 |
0,8 |
0,30 |
53,28 |
||||
|
43,65 |
144 |
33438 |
0,15 |
||||||
|
5,76 |
137,71 |
3,2 |
0,8 |
0,19 |
34,03 |
||||
|
28,68 |
144 |
41000 |
0,08 |
||||||
|
7,2 |
167,66 |
4 |
0,8 |
0,13 |
23,33 |
||||
|
|
5,31 |
Схема розрахунку осідання фундаменту методом пошарового підсумовування

Згідно
з ([1], стр. 94, додаток И, таблиця И.1) гранична
деформація складає
.
Згідно з розрахунком, отримано
,
що не перевищує граничну деформацію.
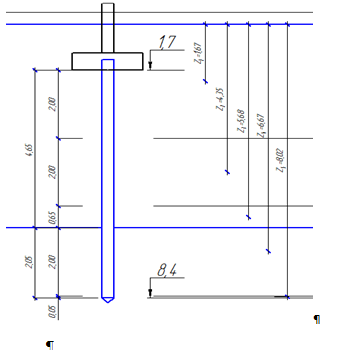
5. Розрахунок фундаменту із забивних призматичних паль
Розрахунок фундаменту за першим граничним станом
1. Вибір розмірів паль згідно інженерно-геологічних умов ділянки, діючих навантажень, конструктивних особливостей споруди.
Приймаємо
палю
.
2.
Глибину закладання ростверку встановлюємо
з конструктивних міркувань. Мінімальна
висота ростверку під колону одноповерхової
промислової будівлі складає:
.
3. Визначаємо довжину палі у ґрунті. При жорсткому спряженні палі з ростверком довжина її в ґрунті складає:

4. Для визначення несучої здатності палі при наступних значеннях:






Визначимо
за ([2], стр.7, табл.1)
.
Несучу здатність палі визначаємо за
формулою:
До схеми розрахунку пальового фундаменту
|
h, м |
Z, м |
f>i ,>кН |
|
2 |
1,67 |
39,7 |
|
2 |
4,35 |
54,1 |
|
0,65 |
5,68 |
57,4 |
|
2 |
6,67 |
59,3 |
|
0,05 |
8,02 |
62,0 |

Розрахункове навантаження, яке допустиме на палю становить:

Визначення кількості паль фундаменту.
Кількість паль у кущі знаходимо за формулою:

Приймаємо
остаточно
паль.
Конструювання ростверку.
Конструювання
ростверку виконуємо виходячи з мінімальної
відстані між палями, тобто
.
Визначення фактичного розрахункового навантаження на палю.
Розрахунок виконуємо за формулою:

Умова розрахунку за першим граничним станом задовольняється.
Визначаємо розміри умовного фундаменту на рівні вістря палі:

Визначаємо об’єм і вагу умовного фундаменту “паля ростверк ґрунт”:

Визначаємо середній тиск по підошві умовного фундаменту:

Визначаємо опір ґрунту основи на рівні підошви умовного фундаменту:

коефіцієнти
умови роботи, які приймаємо за ([1], стр.8,
таблиця №3). Вони становлять:
;
;
коефіцієнти,
які приймаємо

ширина
підошви умовного фундаменту,

коефіцієнти,
які приймаємо за ([1], стр.9, таблиця №4).
Вони
становлять (при
):
;
;

середнє
розрахункове значення умовної ваги
грунтів, які залягають нижче підошви
умовного фундамента. Приймаємо
.
теж
саме, які залягають вище підошви
фундамента. Приймаємо
:

Тоді отримаємо:

Виконуємо перевірку попередньої умови при розрахунку основи по деформаціям:
Попередні умови розрахунку основи за деформаціями виконується:
.
Визначаємо потужність стиснутої товщі основи.
Потужність стиснутої товщі під підошвою умовного фундаменту складає:
,
де
при
відношенні
за ([3], стр. 19, табл. 2.3) становить:
.
Визначаємо середньозважене значення модуля деформації в межах стиснутої товщі основи.
Середньозважене значення модуля деформації становить:

Визначаємо осідання основи за формулою:

Перевіряємо
умову розрахунку основи за деформаціями
:
.([1],
стр. 94, додаток И, таблиця И.1)
Отже умова виконується.
6. Розрахунок фундаментів у пробитих свердловинах
Приймаємо
один фундамент діаметром
,
об’єм втрамбованого щебеню складає
.
Глибину
закладання ростверку приймаємо з
конструктивних міркувань рівною
.
Висоту
фундаменту приймаємо
.
Схема прийнятого фундаменту зображена
на рисунку.
Визначаємо параметри розширення:
Форма
розширення приймається у вигляді
еліпсоїда обертання з відношенням
піввісей
.
Геометричні характеристики розширення:
-
радіус розширення
де V>cr>=1.5м3 – об’єм щебню;
- співвідношення осей еліпсоїда обертання


-
коефіцієнт ущільнення щебню розширення
-
висота розширення
-
площа поперечного перерізу розширення.
Радіус ущільненої зони грунту


м
- діаметр розширення
-
коефіцієнт активної пористості


м.
Товщину ущільненої зони нижче розширення приймаємо за формулою
м.
Площа поперечного перерізу ущільненої зони дорівнює:
м2
Визначаємо несучу здатність основи, яке допустиме на фундамент, за несучою здатністю жорсткого матеріалу:

м2
Визначаємо несучу здатність основи, яка допускається на фундамент, за несучою здатністю ущільненого шару при:



Так як поверхня умовного конусу не перетинає стовбур фундаменту, то опір грунту за бічною поверхнею не враховуємо.

Тоді отримаємо:


Визначаємо несучу здатність основи, яка допускається на фундамент, за грунтом природного складу, який підстеляє ущільнену зону:














Отже отримаємо:

Тоді отримаємо:


Загальна розрахункове вертикальне навантаження на фундамент складає:

Приймаємо
допустиме навантаження на фундамент
.
Тоді кількість паль у кущі буде становити:

Приймаємо 2 палі.
Визначаємо
осадку умовного фундаменту циліндричної
форми, якщо діаметр розширення
,
висота
.
Тоді вага умовного фундаменту:
.
Середній тиск по підошві умовного фундаменту:
.
Розрахунковий
опір ґрунту основи складає

Попередня умова розрахунку основи за деформаціями виконана:

Визначаємо потужність стиснутої товщі основи.
Потужність стиснутої товщі під підошвою умовного фундаменту складає:
,
де
при
відношенні
за ([3], стр. 19, табл. 2.3) становить:
.
Визначаємо середньозважене значення модуля деформації в межах стиснутої товщі основи.
Середньозважене значення модуля деформації становить:

Визначаємо осідання основи за формулою:

Перевіряємо
умову розрахунку основи за деформаціями
:
.([1],
стр. 94, додаток И, таблиця И.1)
Отже умоварозрахунку за феформаціями виконується.
7. Техніко-економічне порівняння розрахованих фундаментів
Окремо стоячий фундамент на природній основі
Розрахунок витрат на фундамент на природній основі
|
№ |
Найменування затрат |
Од. виміру |
Обєм |
Вартість |
|
1 |
Земляні роботи, |
м3 |
8,64 |
31-08 |
|
2 |
Улаштування фундаменту |
м3 |
3,02 |
93-62 |
|
|
124-71 |
Фундамент на забивних призматичних палях
Розрахунок витрат на фундамент на забивних призматичних палях
|
№ |
Найменування затрат |
Од. виміру |
Обєм |
Вартість |
|
1 |
Земляні роботи, |
м3 |
7,73 |
27-82 |
|
2 |
З/б призматичні палі |
м3 |
2,16 |
190-94 |
|
3 |
Монолітний з/б роствірок |
м3 |
1,94 |
60-26 |
|
|
279-03 |
Фундамент у пробитих свердловинах
Розрахунок витрат на фундамент у пробитих свердловинах
|
№ |
Найменування затрат |
Од. виміру |
Обєм |
Вартість |
|
1 |
Земляні роботи, |
м3 |
6,3 |
22-68 |
|
2 |
Влаштовування фундаментів в пробитій свердловині |
м3 |
1,08 |
71-28 |
|
3 |
Монолітний з/б роствірок |
м3 |
1,13 |
35-15 |
|
|
129-11 |
Отже за затратами варіант улаштування окремо стоячого фундаменту на природній основі виявився найкращим.
8. Розрахунок окремо стоячого фундаменту на природній основі за перерізом ІІ-ІІ
Визначення геометричних розмірів фундаменту
При
розрахунку деформацій основи з
використанням розрахункових схем,
середній тиск під підошвою фундаменту
не
повинен перевищувати розрахункового
опору грунта основи
,
,
який визначається за формулою:

,
де
коефіцієнти
умови роботи, які приймаємо за ([1], стр.86,
додаток Е таблиця Е7). Вони становлять:


коефіцієнти,
які приймаємо

ширина
підошви фундаменту,

коефіцієнти,
які приймаємо за ([1], стр.87, додаток Е
таблиця Е8).Вони становлять (при
):



розрахункове
значення умовного зчеплення.

середнє
розрахункове значення умовної ваги
грунтів, які залягають нижче підошви
фундамента. Приймаємо
.

Визначаємо
при
за формулою
:

Визначаємо
:

Визначаємо
:

Визначаємо
:


Визначаємо
:

Визначаємо
різницю між
і
:

Остаточно приймаємо:

Визначаємо ексцентриситет рівнодійної для позацентрово завантаженого фундаменту при дії загального згинаючого моменту на рівні підошви фундаменту:

Визначаємо тиск на ґрунт у краю підошви позацентрово-завантаженого фундаменту:


Згідно
норм, максимальний тиск на ґрунт не
повинен перевищувати
,
а мінімальний тиск повинен бути додатнім.
Друга умова виконується очевидно
Перевіряємо першу вимогу:

Отже всі умови задовольняються.
Остаточно приймаємо:

Визначення деформацій основи фундаменту
Визначаємо потужність стиснутої товщі основи.
Потужність стиснутої товщі під підошвою умовного фундаменту складає:
,
де
при
відношенні
за ([3], стр. 19, табл. 2.3) становить:
.
Визначаємо середньозважене значення модуля деформації в межах стиснутої товщі основи.
Середньозважене значення модуля деформації становить:

Визначаємо осідання основи за формулою:

Перевіряємо
умову розрахунку основи за деформаціями
:
.
Отже умова розрахунку за феформаціями виконується.
9. Технологія влаштування монолітного фундаменту на природній основі
Процес влаштування фундаментів із монолітного залізобетону включає розбивку осей фундаментів, влаштування опалубки, встановлення арматури і бетонування фундаменту.
Вибір технології влаштування монолітного залізобетону залежить від конструктивних рішень фундаментів і будівель, а також від того, яке технологічне обладнання і механізми є в наявності.
Трудомісткість і вартість влаштування монолітних фундаментів, що виконуються в опалубці, в значній мірі залежать від модуля поверхні фундаменту. Із збільшенням модуля поверхні збільшується трудомісткість всіх процесів, особливо опалубочних робіт.
Вибір типу опалубки залежить від виду конструкцій, що бетонуються, а також їх повторюваності і виконується на основі техніко-економічних розрахунків по можливих варіантах.
В даному випадку можливо використати опалубку із невеликих щитів на зшивних планках. Щити опалубки кріплять до ребер цвяхами і болтами або планками і штирями. Для сприйняття бічного тиску бетонної суміші щити кріплять проволочними скрутками або болтами. Зібраний блок опалубки подають краном до місця встановлення. Після вивірення опалубку закріплюють.
Окремо стоячі фундаменти армують арматурою класу А-І, А-ІІ, А-ІІІ, Вр-І діаметром 8-22мм.
Монтаж арматури виконують укрупненими елементами у вигляді сіток і просторових каркасів, які подають до місця встановлення самохідними кранами за допомогою спеціальних траверс.
Нижню арматурну сітку фундаменту встановлюють до монтажу опалубки. Окремі стержні сіток і каркасів на місці їх встановлення повинні бути з’єднані електрошлаковою або ванною зваркою.
Перед укладанням бетонної суміші необхідно ретельно підготувати ґрунтовий покрив. Пухкі, органічні або мулисті грунти повинні бути видалені. Перебори грунту слід заповнювати ущільненим піском або щебенем. Підлягають видаленню також продукти вивітрювання скельних основ.
Бетонну суміш укладають горизонтальними шарами товщиною 20-50см. Кожний наступний шар бетонної суміші укладають після ущільнення попереднього і, як правило, до початку його охвачування. Для отримання однорідного ступеня ущільнення необхідно дотримуватись відстані між кожним встановленням вібратора, яка не повинна перевищувати 1,5 радіуса дії вібратора.
Бетонна суміш в опалубку може подаватись кранами або бетононасосами.
Доставка бетонної суміші до місця укладки здійснюється автобетоновозами і автобетонозмішувачами.
10. Визначення підтоплення майданчика чи території
Оцінка потенціальної підтоплюваності території виконується на основі використання критерія потенціальної підтоплюваності:
([8],
ст.61, ф-ла (9)),
де
– рівень підземних вод до початку
підтоплення, визначається по даним
інженерних вишукувань :
;
– величина
можливого підйому підземних вод,
визначається по табл. 33 [8]:
;
–
критичний
підтоплюючий рівень підземних вод
(відлік ведеться від поверхні землі):
.

Так
як
,
отже територія являється потенційно
непідтоплюваною.
Список використаних джерел
ДБН В 2.1-10-2009 “Основи та фундаменти споруд”
СНиП 2.02.03-85 “Свайныефундаменты“
Винников Ю.Л. Методичний довідник до виконання курсових та дипломних проектів. 1995.
ДСТУ Б В.2.1-2-96(ГОСТ 25100-95) Грунти. Класифікація.
Н.Л. Зоценко, А.В. Яковлєв “Примеры расчета оснований и фундаментов сельских зданий и сооружений”. Київ. 1992
ДБН В.1.2-2:2006. СНББ. Навантаження і впливи. Норми проектування
Пособие по проектированию оснований зданий и сооружений (к СниП 2.02.01-83). М.: Стройиздат, 1986.
,
т/м3
,
т/м3


,
,
кПа
,
МПа




,
,


,
,
,
,