Телеметрические системы в процессе бурения
Содержание
Введение
Геологическое строение участка
1.1 Литолого-стратиграфический разрез
1.2 Доюрские образования
Нефтеносность
Азбука телеметрических систем
Каналы связи
4.1 Электропроводной канал связи (ЭКС)
4.2 Гидравлический канал связи (ГКС)
4.3 Электромагнитный канал связи (ЭМКС)
По пути усложнения
Комплекс оборудования для бурения горизонтальных и наклонно-направленных нефтяных и газовых скважин
Заключение
Литература
Введение
Первую производственную практику я проходил в должности геофизика ООО «Техгеосервис». Партия производила работы на Вать-Еганском месторождении куст 187, скв. №82, расположенном в Сургутском районе Ханты-Мансийского автономного округа Тюменской области (Западная Сибирь). Цель работ: Инженерно-технологическое и телеметрическое сопровождение строительства наклонно-направленной скважины.
Отчет содержит информацию, полученную мной во время работы с забойными телеметрическими системами, поэтому тема отчета: «Телеметрические системы в процессе бурения».
Практика бурения на нефть и газ имеет международный характер и получила широкое распространение в самых различных регионах мира. Еще в недавнем прошлом, в 50-60-х годах прошлого столетия нефть и газ добывались из несложных и легкодоступных месторождений, что слабо стимулировало развитие и внедрение совершенных технологий бурения. Только в 60-х годах оптимизация процесса бурения скважин, особенно в США, начала приносить прибыли. Следует отметить качественные сдвиги в современном бурении в части, касающейся траектории скважин. Все большая часть скважин по своим траекторным параметрам относится к скважинам со сложными траекториями (ССТ), включая наклонно-направленные, наклонно-горизонтальные, а также многоствольные скважины. Строительство ССТ обусловлено, в свою очередь, такими объективными причинами, как истощение основных нефтяных месторождений, что приводит к необходимости освоения труднодоступных залежей (шельфовые месторождения, извлечение сырья из тонких пластов, уплотнение сетки скважин при кустовом бурении и др.). Применение в данном случае телеметрических систем позволяет существенно сократить сроки бурения и затраты. Кроме того, создаются весомые предпосылки для значительного повышения нефтегазоотдачи разбуриваемого месторождения.
Телеметрические системы в процессе бурения горизонтальных и наклонно-направленных скважин позволяют получать на поверхности в реальном масштабе времени текущие измерения по зенитному углу, азимуту и по положению отклонителя относительно ствола скважины. А программное обеспечение позволяет строить фактическую и прогнозировать дальнейшую траекторию скважины.
1. Геологическое строение участка
1.1 Литолого-стратиграфический разрез
Геологический разрез Северо – Когалымского лицензионного участка сложен мощной (3000м) толщей осадочных терригеных пород, подстилаемых эффузивами девонско – каменноугольного возраста. Объектом детального изучения являются осадочные мезозойско – кайназойские отложения, поскольку с ними связана промышленная нефтегазаносность. Максимальный вскрытый разрез в пределах участка отмечен в скважине 80 – 3055 м. В пределах Сургутского свода, где расположен изучаемый район, разрез, в целом, однотипен.
1.2 Доюрские образования
Доюрские образования в разрезе участка бурением не вскрыты. По данным бурения Тевлинской скважины № 114, отложения кристаллического фундамента палеозойского возраста (девон – карбон) представлены диабазовыми порфиритами, среднекристаллическими, зеленовато-серыми, метаморфизованными, базальтами зеленовато-серыми, миндалекаменными, хлоритизированными, а также туфами и туфо-базальтами зеленовато- серыми, с мелкозернистой, скрытокристаллической и массивной структурой с прожилками и линзами кварца и холцедона. Кора выветривания (пермь-триас ) вскрыта скважиной на глубине 3146м., представлена светло серыми, коричневато-серыми, зеленовато-серыми переотложенными глинистыми отложениями, косослоистыми, с вкраплениями, гнездами и прожилками гипергенного кварца.
2. Нефтеность
В разрезе Северо - Когалымского лицензионного участка выявленная нефтеносность связана с ачимовским и вернеюрским нефтегазоносными комплексами. Установлены залежи нефти пластов: БС >18> – Северо - Когалымского месторождения, Ватьеганское месторождение; БС >19>, БС >20>, Ю >1>- северной оконечности Западно-Тевлинской площади Тевлинско – Русскинского месторождения.
Пласт БС >18> вскрыт тремя скважинами (501, 502, 504, 60). Запасы нефти по категории С >1> – 69 тыс. т, по категории С >2> – 1599 тыс. т.
Пласт БС >19> вскрыт скв. 80. Эффективная толщина - 10,4 м, нефте-насыщенная – 2,8 м. При испытании интервала 2835 – 2840 м. получен приток нефти с водой дебитом 27 м3/сут., дебит нефти – 8,5 м 3/сут. Принятые запасы по категории С >1> - 112 тыс. т, С >2> -171 тыс. т.
Пласт БС>20> вскрыт скв. 80 и 40. В скважине 40 эффективная и нефтенасыщенная толщины составляют 20,2 м., т.е. пласт полностью нефтеносен. Дебет нефти – 6,5 м 3/сут. В скважине 80 эффективные толщины – 16,8 м., нефтенасыщенные – 2,8 м. Получен приток нефти с водой дебитом 22,3 м 3/сут, дебет нефти 0,18 м 3/сут. Общие запасы: по категории С>1> - 1156 тыс. т, категории С>2> - 1775 тыс. т.
Пласт Ю>1> вскрыт скважиной 83 и 80. Нефтенасыщенные толщины пласта от 3,2 до 5,2 м. В скв. 80 дебет нефти 6,6 м3 /сут. в скважине 83 2,6 м3 /сут. Общие запасы: по категории С>1> - 889 тыс. т, категории С>2> -2767 тыс. т.
3. Азбука телеметрических систем
В общем случае телеметрические системы осуществляют измерение первичной скважинной информации, ее передачу по каналу связи забой — устье, прием наземным устройством, обработку и представление оператору результатов обработки. Существующие телесистемы включают следующие основные части:
-забойную аппаратуру;
-наземную аппаратуру;
-канал связи;
-технологическую оснастку (для электропроводной линии связи);
-антенну и принадлежности к ней (для электромагнитной линии связи);
-немагнитную УБТ (для телесистем с первичными преобразователями азимута с использованием магнитометров);
-забойный источник электрической энергии (для телесистем с беспроводной линией связи).
Забойная часть телесистемы включает первичные преобразователи измеряемых параметров, таких как:
-первичные преобразователи (ПП) направления бурения;
-ПП геофизических параметров приствольной зоны скважины;
-ПП технологических параметров бурения.
К первичным преобразователям направления бурения относятся:
-ПП зенитного угла в точке измерения (α);
-ПП азимута скважины (j);
-ПП направления отклонителя (γ).
К первичным преобразователям геофизических параметров (данных каротажа) можно отнести геофизические зонды, измеряющие:
-КС — кажущееся сопротивление горных пород;
-ПС — самопроизвольную поляризацию;
-гамма-каротаж (гамма естественного излучения горных пород);
-электромагнитный каротаж.
К первичным преобразователям технологических параметров бурения можно отнести датчики, измеряющие параметры процесса бурения: осевую нагрузку на долото (G); момент (М) реактивный или активный; частоту вращения (n) долота; давление внутри и снаружи бурильной колонны; другие, по желанию заказчика, а также в зависимости от аппаратурных возможностей телесистемы.
Данные от первичных преобразователей через коммутатор поступают на аналого-цифровой преобразователь (АЦП), затем через кодирующее устройство (КУ), усилитель-передатчик поступают в канал связи. На поверхности закодированная различными способами информация расшифровывается в обратном порядке и поступает на системы отображения и обработки для принятия решений по технологическому режиму.
4. Каналы связи
На протяжении многих лет основным препятствием для практического использования измерений в процессе бурения был канал связи. Он является основным и решающим фактором, так как именно от него зависит конструкция телесистем, компоновка, информативность, надежность, удобство работы, а также условия прохождения сигналов. Диапазон существующих в настоящее время каналов весьма широк, и представлен гидравлическим, электромагнитным, акустическим, электропроводным и многими другими типами каналов связи (рисунок №1):

В результате многолетних исследований и практического использования в реальных условиях бурения широкое применение нашли три канала связи:
-электропроводный;
-гидравлический;
-электромагнитный.
У каждого из этих каналов связи имеются свои преимущества и недостатки. Разнообразие условий бурения, а также экономическая целесообразность определяют каждому каналу связи свою область применения. Остановимся подробнее на преимуществах и недостатках каждого из рассматриваемых каналов связи.
4.1 Электропроводной канал связи (ЭКС)
ЭКС в России в силу многих причин нашел значительное, но недостаточное применение. Этот канал обладает преимуществом перед всеми известными каналами связи — это максимально возможная информативность, быстродействие, многоканальность, помехоустойчивость, надежность связи; отсутствие забойного источника электрической энергии и мощного передатчика; возможность двусторонней связи; не требует затрат гидравлической энергии; может быть использован при работе с продувкой воздухом и с использованием аэрированной промывочной жидкости.
К недостаткам электропроводного канала связи относятся наличие кабеля в бурильной колонне и за ней, что создает трудности при бурении; затраты времени на его прокладку; необходимость защиты кабеля от механических повреждений; невозможность вращения колонны (неактуально при применении токосъемника, устанавливаемого под вертлюгом); невозможность закрытия превентора при нахождении кабеля за колонной бурильных труб; необходимость доставки (продавки) забойного модуля или контактной муфты до места стыковки (посадки) при зенитных углах более 60° с помощью продавочного устройства (имеются варианты приложения кабеля внутри труб через вертлюг).
4.2 Гидравлический канал связи (ГКС)
Телесистемы с ГКС отличаются от других наличием в них устройства, создающего в потоке бурового раствора импульсы давления. Для генерирования импульсов давления в буровом растворе используются несколько различных по типу устройств. Сигнал, создаваемый ими, подразделяется на три вида: положительный импульс, отрицательный импульс или непрерывная волна.
Положительные импульсы генерируются путем создания кратковременного частичного перекрытия нисходящего потока бурового раствора. Отрицательные — путем кратковременных перепусков части жидкости в затрубное пространство через боковой клапан. Гидравлические сигналы, близкие к гармоническим, создаются с помощью электродвигателя, который вращает клапан пульсатора.
Гидравлические импульсы со скоростью около 1250 м/с поступают по столбу бурового раствора на поверхность, где закодированная различными способами информация декодируется и отображается в виде, приемлемом для восприятия оператором.
Предпочтение в применении телесистем с ГКС базируется как на относительной простоте осуществления связи по сравнению с другими каналами связи, так и на том, что этот канал не нарушает (по сравнению с ЭКС) технологические операции при бурении и не зависит от геологического разреза (по сравнению с ЭМКС). Недостатки данного канала связи — низкая информативность из-за относительно низкой скорости передачи, низкая помехоустойчивость, последовательность в передаче информации, необходимость в источнике электрической энергии (батарея, турбогенератор), отбор гидравлической энергии для работы передатчика и турбогенератора, невозможность работы с продувкой воздухом и аэрированными жидкостями.
4.3 Электромагнитный канал связи (ЭМКС)
Системы с ЭМКС используют электромагнитные волны (токи растекания) между изолированным участком колонны бурильных труб и породой. На поверхности земли сигнал принимается как разность потенциалов от растекания тока по горной породе между бурильной колонной и приемной антенной, устанавливаемой в грунт на определенном расстоянии от буровой установки

Рисунок №2. 1 – верх буровой колонны; 2 – низ буровой колонны; 3 – прибор скважинный; 4 – диэлектрическая вставка; 5 – место подключения УПМ; 6 – антенна.
К преимуществам ЭМКС относится несколько более высокая информативность по сравнению с гидравлическим каналом связи. К недостаткам
— дальность связи, зависящая от проводимости и перемежаемости горных пород, слабая помехоустойчивость, сложность установки антенны в труднодоступных местах.
Учитывая недостатки применяемых каналов связи, необходимо их совершенствовать, а также разрабатывать новые каналы, так как разнообразные горно-геологические условия, различные технико-технологические аспекты проводки скважин и экономические факторы предъявляют более высокие требования к информативности процесса бурения. Представляет интерес возможность использования комбинированного канала связи. Суть этого вида связи заключается в использовании нескольких каналов связи одновременно — как вариант, это могут быть гидравлический, электромагнитный, механический и частично электропроводный, например, как ретранслятор. Для реализации этого вида связи в телеметрической системе устанавливаются гидравлический пульсатор и электромагнитный передатчик. Информация принимается на поверхности обычным способом для этих каналов связи. По механическому каналу связи принимается информация по вибрации долота. Электропроводной канал может быть использован для частичного погружения в колонну бурильных труб или за трубами для приема и ретрансляции ослабленных информационных сигналов от телеметрической системы при больших глубинах. Применение комбинированного канала связи позволит частично решить многолетние споры о перспективности дальнейшего использования того или иного канала связи забой — устье.
5. По пути усложнения
бурение геологическое скважина нефтяная
Одним из важных достижений в области совершенствования телеметрических систем являются модульные системы. Рассчитанные на максимальную эффективность и гибкость, эти системы более дешевы и экономичны по сравнению с любыми другими. Все оборудование такой системы имеет модульную конструкцию с полной совместимостью модулей, что дает возможность приобретать его в любом наборе, в виде отдельных секций или полным комплектом. Использование подобных систем помимо контроля навигационных и технологических параметров позволяет частично проводить комплекс геофизических исследований без остановки процесса бурения (технология logging while drilling (LWD) — геофизические исследования в процессе бурения). В частности, с помощью систем подобного типа можно осуществлять контроль за следующими параметрами:
-естественное гамма излучение разбуриваемых горных пород;
-кажущееся сопротивление горных пород КС;
-сопротивление поляризации ПС;
-электромагнитный каротаж;
-гамма-гамма каротаж;
-нейтронно-нейронный каротаж;
-акустический каротаж;
-кавернометрия;
-виброметрия.
Однако при современном уровне развития техники и технологий бурения информация о характеристиках пласта, получаемая в процессе бурения, является недостаточной. Необходимо иметь данные о кровле и подошве пласта, информацию о разрезе впереди долота, а также информацию о приближении к соседним скважинам, что особенно важно при разбуривании морских месторождений, где количество скважин, построенных относительно близко друг от друга, достигает нескольких десятков. Усложнение процесса бурения стимулирует дальнейшее развитие разработок телеметрических систем.
6. Комплекс оборудования для бурения горизонтальных и наклонно-направленных нефтяных и газовых скважин
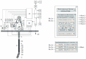
Задачу автоматизации процесса бурения успешно решает информационно-технологический геонавигационный комплекс, который включает в себя как наземные, так и датчики приближенные, с помощью телеметрической системы к забою скважины. В него входят также устройства сбора информации ее преобразования, передачи и программной обработки для принятия оперативного решения и вывода технологических рекомендаций на пульт бурильщика, а в автоматическом режиме для вывода управляющих воздействий на приводы исполнительных устройств. Аппаратура геонавигационного комплекса (Схема1) для обеспечения мобильности монтируется на базе передвижной геофизической лаборатории.
Геонавигационный комплекс содержит установленную в колонне бурильных труб 1 над забойным двигателем 2 забойную телеметрическую систему 3 с источником питания 4, насос 5. с приводом насоса 6. Насос 5 соединен с приемной емкостью 7, в которой установлен датчик уровня бурового раствора 8. В нагнетательной линии 9 насоса 5 установлены датчики давления 10, расхода И, плотности 12. наличия газовых включений 13. В нагнетательной линии 8 также установлен управляющий клапан 14. К антенне 15 подключено приемное устройство 16, выход из которого подключен к входу в компьютер 17. Ко второму входу в компьютер I7 подключен преобразовательный комплекс 18. Лебедка 19 содержит привод лебедки 20. На лебедке 19 установлен датчик длины колонны бурильных труб 21. Индикатор веса на крюке 22 установлен на тросе 23. Колонна бурильных труб 1 проходит через ротор 24, содержащий привод ротора 25, для ориентации отклоняющей компоновки 26. В верхней части колонны бурильных труб 1 установлен превентор 2". привод превентора 28. В затрубном пространстве колонны бурильных труб 1 установлен газоанализатор 29.
Датчик осевой нагрузки 30, датчик крутящего момента 31, датчик оборотов гидротурбины 32, блок инклинометрии 34 и передающий модуль 33 установлены в корпусе забойной телеметрической системы 3. Возможна установка над источником питания 4 съемного модуля пульсатора 43 для передачи информации по гидравлическому каналу связи.
К выходам компьютера 17 подключены монитор 35, принтер 36, а через блок сопряжения 37 - пульт бурильщика 38, модем 39. Модем 39 соединен по линии телефонной связи через модем удаленного компьютера 40 с удаленным компьютером 41. Выход компьютера 17 подключен к блоку управления 42. к которому, в свою очередь, могут быть подключены привод насоса 6, привод лебедки 20, привод ротора 25. привод превентора 28 и управляемый клапан 14.
Компьютер 17 содержит программное обеспечение информационно-технологического геонавигационного комплекса 45, которое включает: операционную систему 46, программу обработки информации от технологических датчиков 47, базу знаний по всем вопросам, связанным с бурением скважин, проектные данные конкретной скважины (индивидуальные или групповой проект), экспертную систему, программу выработки технических решений 48, а также программу управления 49.
Преобразовательный комплекс 18 содержит по числу датчиков аналого-цифровые преобразователи АЦП 50..ЛЦП 58, контроллер 59, модем комплекса 60 и блок питания 61.
Комплекс работает следующим образом. При бурении работает насос 5, который по нагнетательной линии 7 подает буровой раствор к трубопроводу 3 и приводит его в действие. Инклинометрические параметры с блока инклинометрии 34 и забойные параметры с датчиков осевой нагрузки 30 и крутящего момента 31, и оборотов гидротурбины 32 при помощи передающего модуля 33 в виде электромагнитного сигнала подаются на антенну 15 и далее в приемное устройство 16 и в компьютер 17. Сигналы с наземных технологических датчиков 8, 10, 11. 12. 13. 19 и 29 подаются на вход в преобразовательный комплекс 18 и далее на вход в компьютер 17, где обрабатывается и передается одновременно на монитор 35 и пульт бурильщика 38 и при необходимости на принтер 36. На экране монитора 35 информация оперативно, качественно и наглядно доводится до исполнителя-геофизика (технолога), а на пульте бурильщика 38 часть этой информации представляется в цифровой и аналоговой форме, причем в аналоговой форме при помощи светодиодов, размещенных по окружности, представляются преимущественно инклинометрические данные.


Рисунок №3.Приемное устройство, пульсатор гидравлического канала связи, корпусные детали телеметрической системы электронная аппаратура, входящая в состав скважинного прибора ЗТС
Программа обработки информации от технологических датчиков 4 обрабатывает всю информацию, полученную с датчиков для представления первоначально в цифровом виде, затем для визуализации в форме таблиц, графиков и диаграмм на экране монитора 35 и, кроме того, рассчитывает и выдает данные, полученные путем математических преобразований с замеренными параметрами, например, отклонение от траектории. Экспертная программа и программа выработки технических решений 48 осуществляет более сложные логические и математические преобразования информации для выработки рекомендаций по управлению процессом бурения. Программа управления 49 непосредственно подает управляющие сигналы на исполнительные органы системы управления, к которым относятся привод насоса 6, привод лебедки 18, привод ротора 25 и привод превентора 28. Возможна выдача звуковых и световых предупреждающих сигналов при аварийной ситуации. Предложенный комплекс обеспечивает и полную автоматизацию процесса бурения путем воздействия на привод насоса 6, привод лебедки 18, привод ротора 25 и привод превентора 28. При этом каждое из этих управляющих воздействий может быть реализовано либо в отдельности, либо совместно в любом сочетании. Обратная связь между компьютером 17 и забойной телеметрической системой 3 осуществляется путем воздействия на управляющий клапан 14 и посылки управляющего импульса по гидравлическому каналу. Такая связь может быть использована, например, для включения или выключения источника питания 4, изменения режима работы забойного измерительного комплекса, изменения частоты и формата передачи.
Если установлен пульсатор 43, создающий гидравлические импульсы бурового раствора, то информация об инклинометрических параметрах и с забойных технологических датчиков может быть передана по гидравлическому каналу связи на датчик давления 10 и далее, к преобразовательному комплексу 18 и в компьютер 17. По информации с датчиков расхода 11, плотности 12 и датчика наличия газовой фазы 13, поступающей также через преобразовательный комплекс 18, подается в компьютер 17.
Производится коррекция данных, полученных с забоя по гидравлическому каналу связи на датчик давления 10. Это необходимо, чтобы учесть влияние характеристик бурового раствора на скорость распространения гидравлической волны в буровом растворе для избежания искажения результата. Кроме того, комплекс обеспечивает передачу всей информации на удаленный компьютер 41, для осуществления контроля за бурением не только на одной буровой, но и в масштабах куста или месторождения.

Схема 1: Информационно-технологический геонавигационный комплекс
Телеметрическая система, входящая в состав информационно-технологического геонавигационного комплекса, предназначена для определения пространственной ориентации компоновки низа бурильной колонны, а также забойных параметров, необходимых для оптимизации процесса бурения. Телеметрическая система работает следующим образом. Поток промывочной жидкости приводит в действие турбину электрогенератора, вырабатывается электроэнергия, питающая электронный блок скважинного прибора. Информация от датчиков преобразуется в кодовую последовательность, которая передается в зависимости от условий бурения и наличия соответствующих модулей по электромагнитному или гидравлическому каналам связи. На поверхности сигнал принимается антенной, удаленной на ЗО...5О метров от буровой или датчиком-преобразователем, установленным в нагнетательную линию насосов. В приемном устройстве принятый сигнал декодируется и вводится в компьютер для обработки. Приемное устройство питается от сети переменного тока частотой 50-1 Гц, напряжением 180-240 В. Потребляемая мощность не более 20Вт. Чувствительность не менее ЮмкВ. Приемное устройство соединяется с компьютером по интерфейсу RS232. Программное обеспечение телеметрической системы, установленное на компьютере, обеспечивает обмен информацией между ПЭВМ и УСО обработку информации.
Скважинная часть телеметрической системы имеет модульную конструкцию и производится с наружным диаметром 108, 172, 195 мм. Корпусные детали телеметрической системы выполнены из немагнитной специальной стали с высокими механическими свойствами.

Рисунок №4.
Скважинная часть забойной системы состоит из немагнитного корпуса-переводника, имеющего на обоих концах стандартные резьбы бурового инструмента. Как правило, это 6-10 метровая труба из сплава Д16Т (ЛБТ), либо из титана марки ВТ-4 или сплава 12Х18Т, в которой размещены генератор переменного тока на постоянных магнитах, приводимый во вращение гидротурбиной, и аппаратурный контейнер, внутри которого размещены инклинометрические датчики, блок управления процессом записи, устройство управления коммутацией канала связи. Там же размещены коммутатор канала связи, устройство управления работой системы и источник питания. Для электрического разобщения глубинного прибора и колонны труб, необходимого для ввода сигналов передачи в канал связи, предусмотрена изолирующая вставка из стеклопластика, пропитанного эпоксидной смолой.
Функциональные возможности телеметрической системы зависят от состава входящих в нее модулей, которые, в свою очередь, определяются технологической необходимостью. Базовые комплектации скважинного прибора обеспечивают ориентацию отклонителя на забое, а также непрерывную передачу и индикацию на поверхности азимута, зенитного угла скважины в процессе турбинного бурения в геологических средах, не имеющих магнитных аномалий. Телеметрические системы используют для передачи электромагнитный или гидравлический канал связи. Передача информации по гидравлическому каналу связи обеспечивает работоспособность системы в породах с высокой проводимостью, но имеет меньшую скорость передачи информации. Измерение угловых параметров также возможно без циркуляции бурового раствора в «статике», при этом используется батарейное питание электронных компонентов ЗТС. Технические характеристики забойной телеметрической системы приведены в таблице №1:
Технические характеристики
|
Наименование параметра |
Рабочий диапазон |
|
зенитный угол, град |
О...130±0,1 |
|
азимут, град |
О...360±1,0 |
|
отклонитель. Град |
0...360+1,0 |
|
кажущееся сопротивление горных пород (КС), ом м |
0...200 |
|
частота вращения забойного двигателя, об/мин |
0...500 |
|
частота вращения генератора питания ЗТС, об/мин |
0...3000 |
|
температура на забое. С |
0...125 |
|
максимальная рабочая температура, С |
125 |
|
максимальное гидростатическое давление, МПа |
50 |
|
Расход промывочной жидкости, л/сек |
12...75 |
|
максимальные растягивающие и сжимающие нагрузки, кН |
500...1000 |
|
максимальный вращающий момент, кН/м |
20 ...50 |
|
минимальный радиус кривизны скважины, м |
50...80 |
|
Макс., достигнутая глубина работы комплекса по вертикали, м |
3400 |
|
содержание песка в растворе. % |
<3 |
|
наработка на отказ, не менее, час |
200 |
|
диаметр скважинного прибора телесистемы, мм |
108/172/195 |
|
длина телесистемы в сборе без диамагнитного удлинителя, м |
3,0...4,5 |
|
длина диамагнитного удлинителя, м |
2 |
|
масса телесистемы в сборе без диамагнитных удлинителей, кг |
120...260 |
|
присоединительные резьбы |
Замковые |

Рисунок №5. Генераторы питания скважинной аппаратуры
Генератор питания входит в состав забойной телеметрической системы и предназначен для питания скважинной аппаратуры электроэнергией.
Электрогенераторы SG069, SG072, SG076, маслонаполненные с температурными компенсаторами, предназначены для питания электроники скважинного прибора телеметрической системы. Их технические характеристики приведены на графиках №1 и в таблице №2.

График №1
Таблица №2: Технические характеристики генераторов
-
Генератор
SG 069
SG 072
SG 076
Диаметр ЗТС
108/172
172/195
172/195
Наружный диаметр турбины, мм
89/142
142
142
Диаметр корпуса генератора, мм
80
112
98
Длина, мм
577
570
548
Масса, кг
9,2
16,2
10,3
Заключение
Во время прохождения практики были изучены геолого-технические условия бурения нефтегазовых скважин Западной Сибири, условия и принцип работы телеметрических систем.
При написании данной работы я пришел к выводу, что за телеметрическими системами будущее, и их необходимо в дальнейшем разрабатывать и совершенствовать и не только в плане инклинометрии, но и в создании полного комплекса автоматического управления бурением скважины.
Основными направлениями совершенствования являются: увеличение количества измеряемых и передаваемых на поверхность параметров бурения, скорости передачи информации; создание в забойных устройствах автоматов, самостоятельно управляющих процессом проводки скважин (управляемый отклонитель, прибор корректирования нагрузки на долото и др. механизмы); использование двухсторонней связи забой — устье. Существенное повышение точности и качества проводки высокотехнологичных скважин невозможно без совершенствования наземного бурового комплекса, способного автономно
или при минимальном вмешательстве оператора осуществлять бурение в продуктивном пласте с учетом особенностей его фактического строения. Создание интеллектуально-автоматизированной буровой установки, которая будет контролировать и корректировать работу бурильщика, а в некоторых случаях —осуществлять бурение скважины или выполнение определенных операций в автоматическом режиме, является одним из приоритетных направлений зарубежных и отечественных производителей бурового оборудования.
Материалы, использованные при написании этого отчета в последующем предполагается положить в основу Дипломной работы с примерной темой: «Системы автоматизированного управления проводкой наклонно-направленных и горизонтальных скважин».
Литература
Аналитический Журнал «Нефтегазовая Вертикаль» № 1-28 2009г.
Аппаратура и оборудование для геофизических исследований нефтяных и газовых скважин: Справочник /А.А. Молчанов, В.В. Лаптев, В.Н. Моисеев, Р.С. Челокьян Н.В. – М.: Недра, 1987. – 263 с.
Беляков Н.В. Малогабаритная забойная телеметрическая система с комбинированным каналом связи. НТВ АИС "Каротажник", №30, 1997, с.60-67.
Вержбицкий В.В., Рапин В.А.,Чесноков В.А. Оценка влияния "электрорадиопрозрачного" контейнера на показания замеров ЭК и ИК. ИКВ АИС "Каротажник" №15, 1995, с. 74-76.
Вихров Е.В., Сорокин В.В., Фролов Д.П. Исследование осесимметричных колебаний кругового цилиндра, заполненного жидкостью. В кн.: Тр.4-й научно-технической конференции по информации и акустике. М., 1987, с.91-93.
Возможность разработки низкопродуктивных коллекторов системой горизонтальных скважин./А.Т. Горбунов, Д.П. Забродин, Г.А. Султанов и др./Нефтяное хозяйство, № 3, 1993.
«Современное машиностроение» журнал № 2-3 (8-9) 2009г.
http://geo.web.ru