Трехфазные цепи (работа 1)
ИССЛЕДОВАНИЕ ЭЛЕКТРООПАСНОСТИ ТРЕХФАЗНЫХ СЕТЕЙ
1. Цель работы
Изучить используемые в промышленности трехфазные схемы питания потребителей. Ознакомиться с возможными вариантами однофазных включении человека в электрическую сеть и методикой оценки опасности таких включений. Изучить критерии электробезопасности.
Расчетные выражения:
1.В сети с изолированной нейтралью в симметричном режиме, когда сопротивление изоляции и емкости всех трех фаз относительно земли
одинаковы.

а) Емкости проводов незначительны (Сф<>0 при малой длине проводов).

б) Сопротивление изоляции очень высокое

2. В сети с изолированной нейтралью в несимметричном режиме при прикосновении к фазе.

3. В сети с заземленной нейтралью


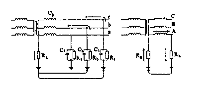
Схемы прохождения токов однофазного прикосновения в трехфазных сетях с изолированной (а) и заземленной (б) нейтралью источника питания.
В сети с заземленной нейтралью ток через человека протекает по цепи, создаваемой в основном сопротивлением рабочего заземлителя R0 рис б)
Rh=1kОм, Uф=200В, w=314,16с-1
-
Сф, мкФ
0
Rиз, кОм
1
2
5
10
400
Ih эксп, мA
65
45
40
50
51
Ih расч, мA
165
132
82,5
50,8
1,6
-
Rиз, кОм
Сф, мкФ
0
0,1
0,2
0,5
1
1,5
Ih эксп, мA
2
20
37
45
50
50
Ih расч, мA
0
20,7
41,5
103,5
206,4
307,9
-
Ra
Rb
Rc
Ih эксп, мA
Ih расч, мA
2
5
10
42
56
10
2
5
51
132,2
5
10
2
39
117,9
-
Rиз, кОм
1
2
5
10
400
Ih эксп, мA
65
45
35
32
0
Ih расч, мA
220
110
44
22
0,55




ИССЛЕДОВАНИЕ ЭФФЕКТИВНОСТИ ЗАЩИТНОГО ЗАЗЕМЛЕНИЯ
1. Цель работы
1.1. Исследовать напряжения прикосновения и токи, проходящие через тело человека, прикоснувшегося к заземленным нетоковедущим металлическим частям электроустановки, оказавшимся под напряжением в зависимости от:
а) сопротивления изоляции Re;
б) емкости фазных проводов Сф относительно земли;
г) сопротивления тела человека Rh.
1.2. Ознакомиться с методикой расчета защитного заземления, исполнением, нормативными материалами.
1.3. Оценить эффективность защитного заземления сравнением токов и напряжений прикосновения при наличии и отсутствии заземлителя.
Расчетные выражения:
1.

2.

3.


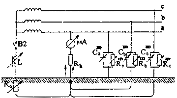
Схема прохождения токов однофазного замыкания на корпус Iз и однофазного прикосновения Ih в сети с изолированно нейтралью:
а) принципиальная;
б) схема замещения.
Rз=10Ом, Uф=220B
|
Без заземления |
С заземлением |
|||||||
|
Опыт №№ |
Rh, Ом |
С, мкФ |
Rиз, Ом |
Ih, мA |
Uпр, B |
Ih, мA |
Uпр, B |
|
|
изм. |
изм. |
изм. |
расч. |
изм. |
||||
|
1 |
1000 |
0,1 |
1 |
175 |
95 |
75 |
66,0 |
40 |
|
1000 |
0,1 |
2 |
135 |
70 |
45 |
33,0 |
25 |
|
|
1000 |
0,1 |
5 |
90 |
50 |
20 |
13,0 |
10 |
|
|
1000 |
0,1 |
10 |
70 |
40 |
10 |
6,0 |
7 |
|
|
1000 |
0,1 |
400 |
57 |
30 |
5 |
0,2 |
5 |
|
|
2 |
1000 |
0,1 |
|
57 |
30 |
5 |
0,2 |
3 |
|
1000 |
0,2 |
|
82 |
45 |
10 |
4,0 |
7 |
|
|
1000 |
0,6 |
|
137 |
72 |
25 |
1,0 |
15 |
|
|
1000 |
1 |
|
180 |
95 |
47 |
2,0 |
26 |
|
|
1000 |
1,6 |
|
200 |
110 |
75 |
3,0 |
40 |
|
|
3 |
1000 |
0 |
1 |
170 |
90 |
75 |
64,0 |
40 |
|
1000 |
0 |
2 |
135 |
70 |
42 |
32,0 |
22 |
|
|
1000 |
0 |
5 |
83 |
45 |
15 |
13,0 |
10 |
|
|
1000 |
0 |
10 |
52 |
30 |
5 |
6,0 |
2 |
|
|
1000 |
0 |
400 |
1 |
0 |
0 |
0,1 |
0 |









ИССЛЕДОВАНИЕ ЭФФЕКТИВНОСТИ КОМПЕНСАЦИИ ЕМКОСТНЫХ ТОКОВ
1. Цель работы
1.1. Исследовать трехфазные сети с изолированной нейтралью с преобладающей долей емкостной составляющей проводимости изоляции.
1.2. Оценить степень снижения тока через тело человека при использовании в таких сетях компенсирующих устройств.
1.3. Определить влияние параметров электрической сети на эффективность компенсации.
Расчетные выражения:
1.

2. Значение остаточного тока определяется выражением

3. Эффективность компенсации оценивается коэффициентом Кэ


|
Векторная диаграмма токов при однофазном прикосновении к сети с изолированной нейтралью |
Векторная диаграмма токов при однофазном прикосновении к сети с компенсирующим устройством |

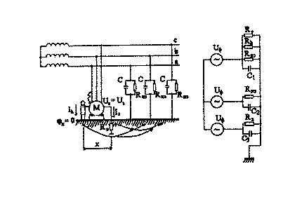
Принципиальная схема стенда лабораторной работы на лицевой панели которого изображена принципиальная схема и выведены органы управления.
Стенд моделирует трехфазную электрическую сеть с Uф=220В в двух режимах:
а) изолированной нейтрали
б) заземление нейтрали через компенсирующее устройство.
Rчел=1кОм, R>L>=15Oм, Uф=220B, R=50кОм, R0=4Ом
|
Исследуемый параметр |
Емкость фаз относительно земли, мкФ/ на фазу |
||||
|
0,1 |
0,5 |
0,75 |
1 |
1,25 |
|
|
Ток Ihкомп , измереный в опыте при наличии компенсации, mA |
11 |
16 |
22 |
30 |
36 |
|
Ток Ihкомп расчитаный по формуле, mA |
12,5 |
19,8 |
14,2 |
15,7 |
17,5 |
|
Ток Ihиз , измереный в опыте при отсутствии компенсации, mA |
10 |
23 |
31 |
50 |
53 |
|
Коэффициент Kэ |
0,31 |
1,75 |
1,77 |
1,66 |
1,61 |
C=0,75мкФ
|
Исследуемый параметр |
Активное сопротивление изоляции относительно земли, Rиз, кОм/ на фазу |
||||
|
10 |
15 |
25 |
50 |
100 |
|
|
Ток Ihкомп , измереный в опыте, mA |
24 |
22 |
18 |
16 |
15 |
|
Ток Ihкомп расчитаный по формуле, mA |
68 |
38 |
23 |
14 |
8 |
|
Ток Ihиз , измереный в опыте при отсутствии компенсации, mA |
38 |
40 |
40 |
42 |
43 |
|
Коэффициент Kэ |
1,58 |
1,81 |
2,22 |
2,62 |
3,31 |
Са=1мкФ, Сb=0,75мкФ, Сс=0,5мкФ, Rиз=100кОм
|
Исследуемый параметр |
Сопротивление заземления нейтрали источника, R0, Ом |
|||
|
4 |
10 |
25 |
50 |
|
|
Ток Ihкомп , измереный в опыте, mA |
50 |
18 |
17 |
17 |
|
Ток Ihкомп расчитаный по формуле, mA |
8,35 |
8,9 |
10,5 |
12,9 |
|
Исследуемый параметр |
Фазы |
||
|
1 |
0,75 |
0,5 |
|
|
Ток при отсутствии компенсации, mA |
52 |
45 |
35 |
|
Ток при наличии компенсации, mA |
16 |
23 |
9 |
|
Коэффициент Kэ |
3,25 |
1,95 |
3,88 |






