Проектирование защитного заземления электроустановок
Практическое задание №3
Проектирование защитного заземления электроустановок.
Вариант №16
Задание: Рассчитать совмещенное ЗУ для цеховой трансформаторной подстанции 6/0,4 кВ, подсоединенной к электросети с изолированной нейтралью. При этом принять: разомкнутый контур ЗУ, в качестве вертикального электрода - уголок шириной b>в> = 16 мм; в = 50 м, горизонтальный электрод - S>г>> >= 40 мм2; d>г> = 12 мм.
Исходные данные: Грунт каменистый, H>0>> >= 5 м, l>воз>= 15 км, l>каб>> >= 60 км, n>в>> >= 6 шт, l>в>> >= 2,5 м, а>в >= 5 м, R>е >= 15 Ом.
Расчет:
Расчетный ток замыкания на землю:

где U>л> - линейное напряжение сети, кВ; l>каб> - общая длина подключенных к сети кабельных линий, км; l>воз> - общая длина подключенных к сети ЛЭП, км.
Определение расчетного удельного сопротивления грунта:

где >табл.>=700 Ом м - измеренное удельное сопротивление грунта (из табл. 6.3 [2] для каменистого грунта); =1,3 - климатический коэффициент, принятый по табл. 6.4 [2] для каменистого грунта.
Определение необходимости искусственного заземлителя и вычисление его требуемого сопротивления.
Сопротивление ЗУ R>з>н выбирается из табл. 6.7 [2] в зависимости от U ЭУ и >расч> в месте сооружения ЗУ, а также режима нейтрали данной электросети:

R>е >> R>з>н, искусственный заземлитель необходим. Его требуемое заземление:

Определение длины горизонтальных электродов для разомкнутого контура ЗУ:

где а>в> - расстояние между вертикальными электродами n>в>.
Расчетное значение сопротивления вертикального электрода:

Расчетное значение сопротивления горизонтального электрода по (формуле г) :

Коэффициенты использования для вертикальных и горизонтальных электродов по данным табл. 6.9 [2] равны: >в >= 0,73, >г >= 0,48.
Расчетное сопротивление группового заземлителя:

R > R>и>, значит увеличиваем количество электродов
Принимаем n = 25.
l>г> = 125 м
R>г> = 17,2 Ом
По табл. 6.9 >в> = 0,63, >г> = 0,32
R = 15.84
R >R>u>
n>в> = 45
l>г> = 225 м
R>г> = 10,3 Ом
По табл. 6.9 >в> = 0,58, >г> = 0,29
R = 10,8 Ом
R>к> = R>е>R/(R>е>
+ R)
Rм>з>
R>л>>
>= 1510,8/(15+10,8) = 6,27
Ом
6,3 Ом
R>е> – естественное сопротивление, Ом;
R>и> – сопротивление искусственного заземлителя, Ом;
R>в> – сопротивление вертикального электрода, Ом;
R>г> – сопротивление горизонтального электрода, Ом;
R – сопротивление группового заземлителя, Ом;
R>к> – общее сопротивление комбинированного ЗУ, Ом;
>в>, >г> – коэффициент использования вертикального и горизонтального электродов;
а>в> – расстояние между электродами, м;
l>в> – длина электродов, м;
n>в> – количество вертикальных электродов.

Рис. 3.1. Вертикальный электрод

Рис. 3.2. План комбинированного ЗУ R>и>

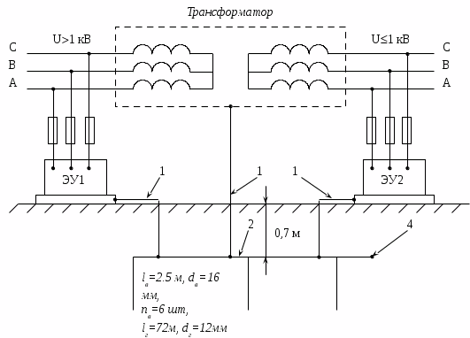
Рис. 3.3. Схема использования освещенного ЗУ в системе защитного ЭУ напряжением до и свыше 1 кВ
1 – заземляющий проводник;
2 – горизонтальный заземлитель;
3 – вертикальный заземлитель;
4 – естественный заземлитель (пруток) с R>е> = 15 Ом;
ЭУ1 – высоковольтная ЭУ;
ЭУ2 – низковольтная ЭУ.
Конструктивные решения:
присоединение корпусов электромашин, трансформаторов, аппаратов, светильников и т.п., металлических корпусов передвижных и переносных ЭУ и ЗУ при помощи заземляющего проводника сечением не менее 10 мм2.
расположение ЗУ, как правило, в непосредственной близости от ЭУ. Оно должно из естественных и искусственных заземлителей. При этом в качестве естественных заземлителей следует использовать проложенные в земле водопроводные и другие металлические трубопроводы (за исключением трубопроводов горючих жидкостей, горючих или взрывчатых газов и смесей), обсадные трубы скважин, металлические и железобетонные конструкции зданий и сооружений, находящиеся в соприкосновении с землей, и другие элементы. Для искусственных заземлителей следует применять только стальные заземлители.
Список использованной литературы:
Бережной С.А., Романов В.В., Седов Ю.И. Безопасность жизнедеятельности. –Тверь: ТГТУ, 1996.
Инструкция по устройству молниезащиты зданий и сооружений РД 34.21.122 – 871 Минэнерго СССР. – М.: Энергоатомиздат, 1989.
3. Практикум по безопасности жизнедеятельности под ред. Бережного С.А. – Тверь: ТГТУ, 1997.
Äèñöèïëèíà: Áåçîïàñíîñòü æèçíåäåÿòåëüíîñòè Àâòîð: Ðîìàí Ñèäîðîâ Ïðèñëàë: Ñåðãåé Ïîëÿêîâ (kosh_s@mail.ru) Íàçâàíèå ðàáîòû: Ïðîåêòèðîâàíèå çàùèòíîãî çàçåìëåíèÿ ýëåêòðîóñòàíîâîê Ðàñ÷åòíî-ãðàôè÷åñêàÿ ðàáîòà Ñäàâàëñÿ â 2000 ãîäó â Òâåðñêîì Ãîñóäàðñòâåííîì Òåõíè÷åñêîì Óíèâåðñèòåòå íà êàôåäðå áåçîïàñíîñòè æèçíåäåÿòåëüíîñòè è ýêîëîãèè ïðîôåññîðó Áåðåæíîìó À.Ñ.