Оздоровление воздушной среды и нормализация параметров микроклимата
Оздоровление воздушной среды и нормализация параметров микроклимата
Воздушная среда рабочей зоны.
Одним из необходимых условий здорового и высокопроизводительного труда является обеспечение чистоты воздуха и нормальных метеорологических условий в рабочей зоне помещений, т. е. пространстве высотой до 2 м над уровнем пола или площадки, где находятся рабочие места.
Причины и характер загрязнения воздуха рабочей зоны
Атмосферный воздух в своем составе содержит (% по объему): азота - 78,08; кислорода - 20,95; аргона, неона и других инертных газов - 0,93; углекислого газа - 0,03; прочих газов - 0,01. Воздух такого состава наиболее благоприятен для дыхания. Воздух рабочей зоны редко имеет приведенный выше химический состав, так как многие технологические процессы сопровождаются выделением в воздух производственных помещений вредных веществ - паров, газов, твердых и жидких частиц. Пары и газы образуют с воздухом смеси, а твердые и жидкие частицы вещества - дисперсные системы - аэрозоли, которые делятся на пыль (размер твердых частиц более 1 мкм), дым (менее 1 мкм) и туман (размер жидких частиц менее 10 мкм). Пыль бывает крупно- (размер частиц более 50 мкм), средне- (50 - 10 мкм) и мелкодисперсной (менее 10 мкм).
Поступление в воздух рабочей зоны того или иного вредного вещества зависит от технологического процесса, используемого сырья, а также от промежуточных и конечных продуктов. Так, пары выделяются в результате применении различных жидких веществ, например, растворителей, ряда кислот, бензина, ртути и т. д. а газы - чаще всего при проведении технологического процесса, например, при сварке, литье, термической обработке металлов.
Причины выделения пыли на предприятиях машиностроения могут быть самыми разнообразными. Пыль образуется при дроблении и размоле, транспортировании измельченного материала, механической обработке хрупких материалов, отделке поверхности (шлифовании, глянцевании), упаковке и расфасовке и т. п. Эти причины пылеобразования являются основными, или первичными. В условиях производства может возникать и вторичное пылеобразование, например, при уборке помещений, движении людей и т. п. Такое выделение пыли иногда бывает весьма нежелательным (в электровакуумной промышленности, приборостроении).
Дым возникает при сгорании топлива в печах и энергоустановках, а туман - при использовании смазочно-охлаждающих жидкостей, в гальванических и травильных цехах при обработке металлов. Например, в зарядных отделениях аккумуляторных образуется аэрозоль серной кислоты.
Вредные вещества проникают в организм человека главным образом через дыхательные пути, а также через кожу и с пищей. Большинство этих веществ относится к опасным и вредным производственным факторам, поскольку они оказывают токсическое действие на организм человека. Эти вещества, хорошо растворяясь в биологических средах, способны вступать с ними во взаимодействие, вызывая нарушение нормальной жизнедеятельности. В результате их действия у человека возникает болезненное состояние - отравление, опасность которого зависит от продолжительности воздействия, концентрации q (мг/м3) и вида вещества. По характеру воздействия на организм человека вредные вещества подразделяются на:
общетоксические - вызывающие отравление всего организма (окись углерода, цианистые соединения, свинец, ртуть, бензол, мышьяк и его соединения и др.);
раздражающие - вызывающие раздражение дыхательного тракта и слизистых оболочек (хлор, аммиак, сернистый газ, фтористый водород, окислы азота, озон, ацетон и др.);
сенсибилизирующие - действующие как аллергены (формальдегид, различные растворители и лаки на основе нитро - и нитрозосоединеннй и др.);
канцерогенные - вызывающие раковые заболевания (никель и его соединения, амины, окислы хрома, асбест и др.);
мутагенные - приводящие к изменению наследственной информации (свинец, марганец, радиоактивные вещества и др.);
влияющие на репродуктивную (детородную) функцию (ртуть, свинец, марганец, стирол, радиоактивные вещества и др.).
Нормирование содержания вредных веществ в воздухе рабочей зоны
По ГОСТ 12.1.005 - 76 установлены предельно допустимые концентрации вредных веществ qпдк (мг/м3) в воздухе рабочей зоны производственных помещений. Вредные вещества по степени воздействия на организм человека подразделяются на следующие классы: 1-й - чрезвычайно опасные, 2-й - высокоопасные, 3-я - умеренно опасные, 4-й - малоопасные. В качестве примера в табл. 1 приведены нормативные данные для ряда веществ (всего нормируется более 700 веществ).
Таблица 1.
Значения допустимых концентраций веществ.
|
Вещество |
Величина ПДК, мг/м3 |
Класс опасности |
Агрегатное состояние |
|
Бериллий и его соединения |
0,001 |
1 |
аэрозоль |
|
Свинец |
0,01 |
1 |
аэрозоль |
|
Марганец |
0,05 |
1 |
аэрозоль |
|
Озон |
0,1 |
1 |
пары и (или) газы |
|
Хлор |
1 |
2 |
пары и (или) газы |
|
Соляная кислота |
5 |
2 |
пары и (или) газы |
|
Кремнеземсодержащие пыли |
1 |
3 |
аэрозоль |
|
Окись железа |
4 - 6 |
4 |
аэрозоль |
|
Окись углерода, аммиак |
20 |
4 |
пары и (или) газы |
|
Топливный бензин |
100 |
4 |
пары и (или) газы |
|
Ацетон |
200 |
4 |
пары и (или) газы |
Метеорологические условия и их нормирование в производственных помещениях
Метеорологические условия, или микроклимат, в производственных условиях определяются следующими параметрами:
температурой воздуха t (°С);
относительной влажностью ( % );
скоростью движения воздуха на рабочем месте V(м/с).
Кроме этих параметров, являющихся основными, не следует забывать об атмосферном давлении Р, которое влияет на парциальное давление основных компонентов воздуха (кислорода и азота), а, следовательно, и на процесс дыхания.
Жизнедеятельность человека может проходить в довольно широком диапазоне давлений 734 - 1267 гПа (550 - 950 мм рт. ст.). Однако здесь необходимо учитывать, что для здоровья человека опасно быстрое изменение давления, а не сама величина этого давления. Например, быстрое снижение давления всего на несколько гектопаскалей по отношению к нормальной величине 1013 гПа (760 мм рт. ст.) вызывает болезненное ощущение.
Необходимость учета основных параметров микроклимата может быть объяснена на основании рассмотрения теплового баланса между организмом человека и окружающей средой производственных помещений.
Величина тепловыделения Q организмом человека зависит от степени физического напряжения в определенных метеорологических условиях и составляет от 85 (в состоянии покоя) до 500 Дж/с (тяжелая работа).
Отдача теплоты организмом человека в окружающую среду происходит в результате теплопроводности через одежду Qт, конвекции у тела Qк, излучения на окружающие поверхности Qи, испарения влаги с поверхности кожи Qисп. Часть теплоты расходуется на нагрев вдыхаемого воздуха Qв.
Нормальное тепловое самочувствие (комфортные условия), соответствующее данному виду работы, обеспечивается при соблюдении теплового баланса:
Q=Qт+Qк+Qи+Qисп+Qв,
поэтому температура внутренних органов человека остается постоянной (около 36,6° С). Эта способность человеческого организма поддерживать постоянной температуру при изменении параметров микроклимата и при выполнении различной по тяжести работы называется терморегуляцией.
При высокой температуре воздуха в помещении кровеносные сосуды кожи расширяются, при этом происходит повышенный приток крови к поверхности тела, и теплоотдача в окружающую среду значительно увеличивается. Однако при температурах окружающего воздуха и поверхностей оборудования и помещений 30 - 35° С отдача теплоты конвекцией и излучением в основном прекращается. При более высокой температуре воздуха большая часть теплоты отдается путем испарения с поверхности кожи. В этих условиях организм теряет определенное количество влаги, а вместе с ней и соли, играющие важную роль в жизнедеятельности организма. Поэтому в горячих цехах рабочим дают подсоленную воду.
При понижении температуры окружающего воздуха реакция человеческого организма иная: кровеносные сосуды кожи сужаются, приток крови к поверхности тела замедляется, и отдача теплоты конвекцией и излучением уменьшается. Таким образом, для теплового самочувствия человека важно определенное сочетание температуры, относительной влажности и скорости движения воздуха в рабочей зоне.
Влажность воздуха оказывает большое влияние на терморегуляцию организма. Повышенная влажность (φ>85%) затрудняет терморегуляцию из-за снижения испарения пота, а слишком низкая влажность (φ<20%) вызывает пересыхание слизистых оболочек дыхательных путей. Оптимальные величины относительной влажности составляют 40 - 60%.
Движение воздуха в помещениях является важным фактором, влияющим на тепловое самочувствие человека. В жарком помещении движение воздуха способствует увеличению отдачи теплоты организмом и улучшает его состояние, но оказывает неблагоприятное воздействие при низкой температуре воздуха в холодный период года.
Минимальная скорость движения воздуха, ощущаемая человеком, составляет 0,2 м/с. В зимнее время года скорость движения воздуха не должна превышать 0,2 - 0,5 м/с, а летом - 0,2 - 1,0 м/с. В горячих цехах допускается увеличение скорости обдува рабочих (воздушное душирование) до 3,5 м/с.
В соответствии с ГОСТ 12.1.005 - 76 устанавливаются оптимальные и допустимые метеорологические условия для рабочей зоны помещения, при выборе которых учитываются:
1) время года - холодный и переходный периоды со среднесуточной температурой наружного воздуха ниже +10° С; теплый период с температурой +10°С и выше;
2) категория работы; все работы по тяжести подразделяются на категории:
а) легкие физические работы с энергозатратами до 172 Дж/с (150 ккал/ч), к которым относятся, например, основные процессы точного приборостроения и машиностроения;
б) физические работы средней тяжести с энергозатратами 172 - 293 Дж/с (150 - 250 ккал/ч), например, в механосборочных, механизированных литейных, прокатных, термических цехах и т. п.;
в) тяжелые физические работы с энергозатратами более 293 Дж/с, к которым относятся работы, связанные с систематическим физическим напряжением и переносом значительных (более 10 кг) тяжестей; это - кузнечные цехи с ручной ковкой, литейные с ручной набивкой и заливкой опок и т. п.;
3) характеристика помещения по избыткам явной теплоты: все производственные помещения делятся на помещения с незначительными избытками явной теплоты, приходящимися на 1 м3 объема помещения, 23,2 Дж/(м3с) и менее, и со значительными избытками - более 23,2 Дж/(м3с).
Явная теплота - теплота, поступающая в рабочее помещение от оборудования, отопительных приборов, нагретых материалов, людей и других источников, в результате инсоляции и воздействующая на температуру воздуха в этом помещении.
Мероприятия по оздоровлению воздушной среды
Требуемое состояние воздуха рабочей зоны может быть обеспечено выполнением определенных мероприятий, к основным из которых относятся:
1. Механизация и автоматизация производственных процессов, дистанционное управление ими. Эти мероприятия имеют большое значение для защиты от воздействия вредных веществ, теплового излучения, особенно при выполнении тяжелых работ. Автоматизация процессов, сопровождающихся выделением вредных веществ, не только повышает производительность, но и улучшает условия труда, поскольку рабочие выводятся из опасной зоны. Например, внедрение автоматической сварки с дистанционным управлением вместо ручной дает возможность резко оздоровить условия труда сварщика, применение роботов-манипуляторов позволяет устранить тяжелый ручной труд.
2. Применение технологических процессов и оборудования, исключающих образование вредных веществ или попадание их в рабочую зону. При проектировании новых технологических процессов и оборудования необходимо добиваться исключения или резкого уменьшения выделения вредных веществ в воздух производственных помещений. Этого можно достичь, например, заменой токсичных веществ нетоксичными, переходом с твердого и жидкого топлива на газообразное, электрический высокочастотный нагрев; применением пылеподавления водой (увлажнение, мокрый помол) при измельчении и транспортировке материалов и т. д.
Большое значение для оздоровления воздушной среды имеет надежная герметизация, оборудования, в котором находятся вредные вещества, в частности, нагревательных печей, газопроводов, насосов, компрессоров, конвейеров и т. д. Через неплотности в соединениях, а также вследствие газопроницаемости материалов происходит истечение находящихся под давлением газов. Количество вытекающего газа зависит от его физических свойств, площади неплотностей и разницы давлений снаружи и внутри оборудования.
3. Защита от источников тепловых излучений. Это важно для снижения температуры воздуха в помещении и теплового облучения работающих.
4. Устройство вентиляции и отопления, что имеет большое значение для оздоровления воздушной среды в производственных помещениях.
5. Применение средств индивидуальной защиты.
Вентиляция как средство защиты воздушной среды производственных помещений
Задачей вентиляции является обеспечение чистоты воздуха и заданных метеорологических условий в производственных помещениях. Вентиляция достигается удалением загрязненного или нагретого воздуха из помещения и подачей в него свежего воздуха.
По способу перемещения воздуха вентиляция бывает с естественным побуждением (естественной) и с механическим (механической). Возможно также сочетание естественной и механической вентиляции (смешанная вентиляция).
Вентиляция бывает приточной, вытяжной или приточно-вытяжной в зависимости от того, для чего служит система вентиляции, для подачи (притока) или удаления воздуха из помещения или (и) для того и другого одновременно.
По месту действия вентиляция бывает общеобменной и местной.
Действие общеобменной вентиляции основано на разбавлении загрязненного, нагретого, влажного воздуха помещения свежим воздухом до предельно допустимых норм. Эту систему вентиляции наиболее часто применяют в случаях, когда вредные вещества, теплота, влага выделяются равномерно по всему помещению. При такой вентиляции обеспечивается поддержание необходимых параметров воздушной Среды во всем объеме помещения.
Воздухообмен в помещении можно значительно сократить, если улавливать вредные вещества в местах их выделения. С этой целью технологическое оборудование, являющееся источником выделения вредных веществ, снабжают специальными устройствами, от которых производится отсос загрязненного воздуха. Такая вентиляция называется местной вытяжкой.
Местная вентиляция по сравнению с общеобменной требует значительно меньших затрат на устройство и эксплуатацию.
В производственных помещениях, в которых возможно внезапное поступление в воздух рабочей зоны больших количеств вредных паров и газов, наряду с рабочей предусматривается устройство аварийной вентиляции.
На производстве часто устраивают комбинированные системы вентиляции (общеобменную с местной, общеобменную с аварийной и т.п.).
Для эффективной работы системы вентиляции важно, чтобы еще на стадии проектирования были выполнены следующие технические и санитарно-гигиенические требования.
1. Количество приточного воздуха должно соответствовать количеству удаляемого (вытяжки); разница между ними должна быть минимальной.
В ряде случаев необходимо так организовать воздухообмен, чтобы одно количество воздуха обязательно было больше другого. Например, при проектировании вентиляции двух смежных помещений, в одном из которых выделяются вредные вещества. Количество удаляемого воздуха из этого помещения должно быть больше количества приточного воздуха, в результате чего в помещении создается небольшое разрежение.
Возможны такие схемы воздухообмена, когда во всем помещении поддерживается избыточное по отношению к атмосферному давление. Например, в цехах электровакуумного производства, для которого особенно важно отсутствие пыли.
2. Приточные и вытяжные системы в помещении должны быть правильно размещены. Свежий воздух необходимо подавать в те части помещения, где количество вредных веществ минимально, а удалять, где выделения максимальны.
Приток воздуха должен производиться, как правило, в рабочую зону, а вытяжка из верхней зоны помещения.
3. Система вентиляции не должна вызывать переохлаждения или перегрева работающих.
4. Система вентиляции не должна создавать шум на рабочих местах, превышающий предельно допустимые уровни.
5. Система вентиляции должна быть электро-, пожаро- и взрывобезопасна, проста по устройству, надежна в эксплуатации и эффективна.
Естественная вентиляция
Воздухообмен при естественной вентиляции происходит вследствие разности температур воздуха в помещении и наружного воздуха, а также в результате действия ветра.
Естественная вентиляция может быть неорганизованной и организованной.
При неорганизованной вентиляции поступление и удаление воздуха происходит через неплотности и поры наружных ограждений (инфильтрация), через окна, форточки, специальные проемы (проветривание).
Организованная естественная вентиляция осуществляется аэрацией и дефлекторами, и поддается регулировке.
Аэрация. Осуществляется в холодных цехах за счет ветрового давления, а в горячих цехах за счет совместного и раздельного действия гравитационного и ветрового давлений. В летнее время свежий воздух поступает в помещение через нижние проемы, расположенные на небольшой высоте от пола (11,5 м), а удаляется через проемы в фонаре здания.
Поступление наружного воздуха в зимнее время осуществляется через проемы, расположенные на высоте 47 м от пола. Высота принимается с таким расчетом, чтобы холодный наружный воздух, опускаясь до рабочей зоны, успел достаточно нагреться за счет перемешивания с теплым воздухом помещения. Меняя положение створок, можно регулировать воздухообмен.
При обдувании зданий ветром с наветренной стороны создается повышенное давление воздуха, а на заветренной стороне разрежение.
Под напором воздуха с наветренной стороны наружный воздух будет поступать через нижние проемы и, распространяясь в нижней части здания, вытеснять более нагретый и загрязненный воздух через проемы в фонаре здания наружу. Таким образом, действие ветра усиливает воздухообмен, происходящий за счет гравитационного давления.
Преимуществом аэрации является то, что большие объемы воздуха подаются и удаляются без применения вентиляторов и воздуховодов. Система аэрации значительно дешевле механических систем вентиляции.
Недостатки: в летнее время эффективность аэрации снижается вследствие повышения температуры наружного воздуха; поступающий в помещение воздух не обрабатывается (не очищается, не охлаждается).
Вентиляция с помощью дефлекторов. Дефлекторы представляют собой специальные насадки, устанавливаемые на вытяжных воздуховодах и использующие энергию ветра. Дефлекторы применяют для удаления загрязненного или перегретого воздуха из помещений сравнительно небольшого объема, а также для местной вентиляции, например, для вытяжки горячих газов от кузнечных горнов, печей и т.д.
В
настоящее время наибольшее распространение
получил дефлектор ЦАГИ (рис.12).
Рис. 12. Дефлектор ЦАГИ.
1 - диффузор, 2 - цилиндрическая обечайка, 3 - колпак, 4 - конус, 5 - патрубок
Ветер, обдувая обечайку дефлектора, создает разрежение на большей части его окружности, вследствие чего воздух из помещения движется по воздуховоду и патрубку 5 и затем выходит наружу через две кольцевые щели между обечайкой 2 и краями колпака 3 и конуса 4. Эффективность работы дефлекторов зависит главным образом от скорости ветра, а также высоты установки их над коньком крыши.
Механическая вентиляция
В системах механической вентиляции движение воздуха осуществляется вентиляторами и в некоторых случаях эжекторами.
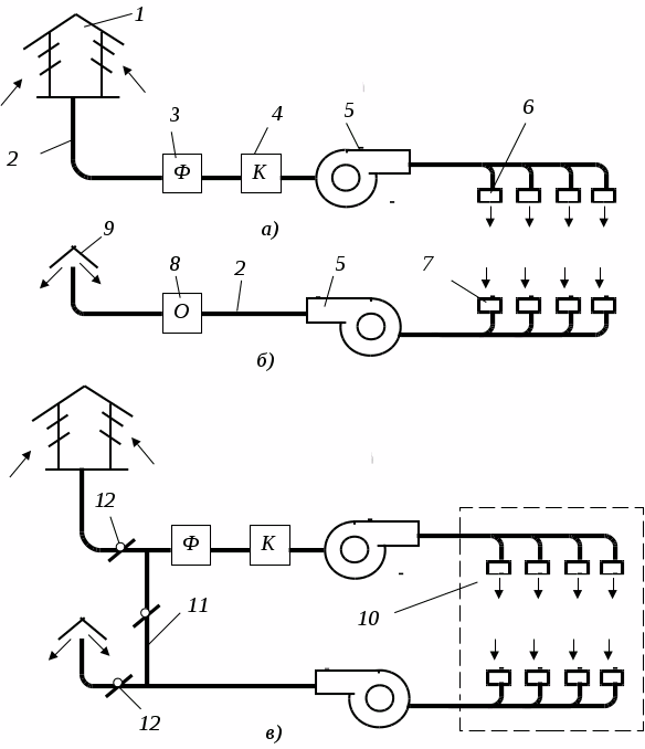
Приточная вентиляция. Установки приточной вентиляции обычно состоят из следующих элементов (рис. 13,а ): воздухозаборное устройство 1 для забора чистого воздуха; воздуховоды 2, по которым воздух подается в помещение; фильтры 3 для очистки воздуха от пыли; калориферы 4 для нагрева воздуха; вентилятор 5; приточные насадки 6; регулирующие устройства, которые устанавливаются в воздухоприемном устройстве и на ответвлениях воздуховодов.
Вытяжная вентиляция. Установки вытяжной вентиляции включают в себя (рис. 8,б ): вытяжные отверстия или насадки 7; вентилятор 5; воздуховоды 2; устройство для очистки воздуха от пыли и газов 8; устройство для выброса воздуха 9, которое должно быть расположено на 11,5 м выше конька крыши.
Р
ис.
13. Механическая вентиляция:
а) – приточная; б) – вытяжная; в) – приточно-вытяжная.
При работе вытяжной системы чистый воздух поступает в помещение через неплотности в ограждающих конструкциях. В ряде случаев это обстоятельство является серьезным недостатком данной системы вентиляции, так как неорганизованный приток холодного воздуха (сквозняки) может вызвать простудные заболевания.
Приточно-вытяжная вентиляция. В этой системе воздух подается в помещение приточной вентиляцией, а удаляется вытяжной вентиляцией (рис.13,а и б), работающими одновременно.
Приточно-вытяжная вентиляция с рециркуляцией (рис.13,в) характерна тем, что воздух, отсасываемый из помещения 10 вытяжной системой, частично повторно подают в это помещение через приточную систему, соединенную с вытяжной системой воздуховодом 11. Регулировка количества свежего, вторичного и выбрасываемого воздуха производится клапанами 12. В результате использования такой системы достигается экономия расходуемой теплоты на нагрев воздуха в холодное время года и на его очистку.
Для рециркуляции разрешается использовать воздух помещений, в которых отсутствуют выделения вредных веществ или выделяющиеся вещества относятся к 4-му классу опасности, причем концентрация этих веществ в подаваемом в помещение воздухе не превышает 0,3 концентрации ПДК.
Местная вентиляция
Местная вентиляция бывает приточной и вытяжной.
Местная приточная вентиляция служит для создания требуемых условий воздушной среды в ограниченной зоне производственного помещения. К установкам местной приточной вентиляции относятся: воздушные души и оазисы, воздушные и воздушно-тепловые завесы.
Воздушное душирование применяют в горячих цехах на рабочих местах под воздействием лучистого потока теплоты интенсивностью 350 Вт/м2 и более. Воздушный душ представляет собой направленный на рабочего поток воздуха. Скорость обдува составляет 13,5 м/с в зависимости от интенсивности облучения. Эффективность душирующих агрегатов повышается при распылении воды в струе воздуха.
Воздушные оазисы это часть производственной площади, которая отделяется со всех сторон легкими передвижными перегородками и заполняется воздухом более холодным и чистым, чем воздух помещения.
Воздушные и воздушно-тепловые завесы устраивают для защиты людей от охлаждения проникающим через ворота холодным воздухом, проникающим через ворота. Завесы бывают двух типов: воздушные с подачей воздуха без подогрева и воздушно-тепловые с подогревом подаваемого воздуха в калориферах.
Работа завес основана на том, что подаваемый воздух к воротам выходит через специальный воздуховод с щелью под определенным углом с большой скоростью (до 1015 м/с) навстречу входящему холодному потоку и смешивается с ним. Полученная смесь более теплого воздуха поступает на рабочие места или (при недостаточном нагреве) отклоняется в сторону от них. При работе завес создается дополнительное сопротивление проходу холодного воздуха через ворота.
Местная вытяжная вентиляция. Ее применение основано на улавливании и удалении вредных веществ непосредственно у источника их образования.
Устройства местной вытяжной вентиляции делают в виде укрытий или местных отсосов.
Укрытия с отсосом характерны тем, что источник вредных выделений находится внутри них. Они могут быть выполнены как укрытия-кожухи, полностью или частично заключающие оборудование (вытяжные шкафы, витринные укрытия, кабины и камеры). Внутри укрытий создается разрежение, в результате чего вредные вещества не могут попасть в воздух помещения. Такой способ предотвращения выделения вредных веществ в помещении называется аспирацией. Аспирационные системы обычно блокируют с пусковыми устройствами технологического оборудования с тем, чтобы отсос вредных веществ производился не только в месте их выделения, но и в момент образования.
Полное укрытие машин и механизмов, выделяющих вредные вещества, наиболее совершенный и эффективный способ предотвращения их попадания в воздух помещения. Важно еще на стадии проектирования разрабатывать технологическое оборудование таким образом, чтобы такие вентиляционные устройства органически входили бы в общую конструкцию, не мешая технологическому процессу и одновременно полностью решая санитарно-гигиенические задачи.
Защитно-обеспыливающие кожухи устанавливаются на станки, на которых обработка материалов сопровождается пылевыделением и отлетанием крупных части, которые могут нанести травму. Это шлифовальные, обдирочные, полировальные, заточные станки по металлу, деревообрабатывающие станки и др.
Вытяжные шкафы находят широкое применение при термической и гальванической обработке металлов, окраске, развеске и расфасовке сыпучих материалов, при различных операциях, связанных с выделением вредных газов и паров.
Кабины и камеры представляют собой емкости определенного объема, внутри которых производятся работы, связанные с выделением вредных веществ (пескоструйная и дробеметная обработка, окрасочные работы и т.д.).
Вытяжные зонты применяют для локализации вредных веществ, поднимающихся вверх, а именно при тепло- и влаговыделениях.
Всасывающие панели применяют в тех случаях, когда применение вытяжных зонтов недопустимо по условию попадания вредных веществ в органы дыхания работающих. Эффективным местным отсосом является панель Чернобережского, применяемая при таких операциях, как газовая сварка, пайка и т.п.
Пылегазоприемники, воронки применяются при проведения пайки и сварочных работ. Они располагаются в непосредственной близости от места пайки или сварки.
Бортовые отсосы. При травлении металлов и нанесении гальванопокрытий с открытой поверхности ванн выделяются пары кислот, щелочей, при цинковании, меднении, серебрении чрезвычайно вредный цианистый водород, при хромировании окись хрома и т.д. Для локализации этих вредных веществ используют бортовые отсосы, представляющие собой щелевидные воздуховоды шириной 40100 мм, устанавливаемые по периферии ванн.
Принцип действия бортового отсоса состоит в том, что затягиваемый в щель воздух, двигаясь над поверхностью жидкости, увлекает с собой вредные вещества, не давая им распространиться вверх по помещению.
Оборудование для вентиляционных систем.
Вентиляторы это воздуходувные машины, создающие определенное давление и служащие для перемещения воздуха при потерях давления в вентиляционной сети не более 12 кПа. Наиболее распространенными являются осевые и радиальные (центробежные) вентиляторы.
Осевой вентилятор представляет собой лопаточное колесо, расположенное в цилиндрическом кожухе. При вращении колеса воздух под действием лопаток перемещается в осевом направлении. Преимуществами осевых вентиляторов являются простота конструкции, возможность эффективного регулирования производительности посредством поворота лопаток, большая производительность, реверсивность работы. К недостаткам относятся относительно малая величина давления и повышенный шум.
Радиальный (центробежный) вентилятор состоит из спирального корпуса с размещенным внутри лопаточным колесом. При вращении колеса воздух поступает через входное отверстие в корпусе, попадает между лопатками и под действием центробежной силы перемещается по каналам между лопатками и выбрасывается через выпускное отверстие.
В зависимости от состава перемещаемого воздуха вентиляторы изготовляют из определенных материалов и различной конструкции:
1) обычного исполнения для перемещения чистого воздуха, изготавливаются из обычных сортов стали;
2) антикоррозионного исполнения для перемещения агрессивных сред, хромистые и хромоникелевые стали винипласт и т.д.;
3) искрозащитного исполнения для перемещения взрывоопасных смесей (содержащих водород, ацетилен и т.п.), основные детали изготавливаются из алюминия и дюралюминия, устанавливается сальниковое уплотнение на валу;
4) пылевые для перемещения пыльного воздуха, рабочие колеса изготавливают из материалов повышенной прочности, они имеют мало (48) лопаток.
Эжекторы применяют в вытяжных системах в тех случаях, когда необходимо удалить очень агрессивную среду, пыль, способную к взрыву не только от удара, но и от трения, или легко воспламеняющиеся взрывоопасные газы (ацетилен, эфир и т.д.).
Принцип действия эжектора следующий (рис.14). Воздух, нагнетаемый расположенным вне помещения компрессором, подводится по трубе 1 (рис. ) к соплу 2 и, выходя из него с большой скоростью, создает за счет эжекции разрежение в камере 3, куда подсасывается воздух из помещения. В конфузоре 4 и горловине 5 происходит перемешивание эжектируемого (из помещения) и эжектирующего воздуха. Диффузор 6 служит для преобразования динамического давления в статическое. Недостатком эжектора является низкий к.п.д, не превышающий 0,25.
Р
ис.14.
Эжектор.
Устройства очистки воздуха.
Очистка воздуха от пыли может быть грубой, средней и тонкой.
Для грубой и средней очистки применяют пылеуловители, действие которых основано на использовании сил тяжести или инерционных сил: пылеосадительные камеры, циклоны, вихревые, жалюзийные, камерные и ротационные пылеуловители (ротоклоны).
П
ылеосадительные
камеры (рис.15) применяют для осаждения
крупной и тяжелой пыли с размером частиц
более 100 мкм. Скорость воздуха в поперечном
сечении корпуса 2 не более 0,5 м/с.
Поэтому габариты камер получаются
довольно большими, что ограничивает их
применение.
Рис. 15. Пылеосадительная камера:
1 – входной патрубок; 2 – корпус; 3 – выходной патрубок; 4 – бункер.
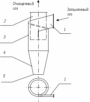
Циклоны применяют для очистки воздуха от сухой неволокнистой и неслипающейся пыли (рис.16).
Р
ис.
16. Схема циклона:
1 -входной патрубок; 2 - выхлопная труба; 3 - цилиндрическая часть; 4 - коническая часть; 5 - патрубок выхода пыли.
Для очистки приточного воздуха от пыли и тумана применяют электрофильтры. Работа электрофильтров основана на создании сильного электрического поля при помощи выпрямленного тока высокого напряжения (до 35 кВ), подводимого к коронирующим и осадительным электродам. При прохождении запыленного воздуха через зазор между электродами происходит ионизация молекул воздуха с образованием положительных и отрицательных ионов. Ионы, адсорбируясь на частицах пыли, заряжают их положительно или отрицательно. Пыль, получившая заряд отрицательного знака, стремится осесть на положительном электроде, а положительно заряженная пыль оседает на отрицательных электродах. Эти электроды периодически встряхиваются с помощью специального механизма, пыль собирается в бункере и периодически удаляется (рис.17).
Для средней и тонкой очистки воздуха широко используются фильтры, в которых запыленный воздух пропускается через пористые фильтрующие материалы. Если размер частиц пыли больше размера пор фильтрующего материала, то действует поверхностный (сеточный) эффект пылеулавливания. Если размер частиц пыли меньше размера пор, то пыль проникает в фильтрующий материал и оседает на частицах или волокнах, образующих этот материал. Такой процесс фильтрования называется глубинным.
В качестве фильтрующих материалов применяют ткани, войлоки, бумагу, сетки, набивки волокон, металлическую стружку, фарфоровые или металлические полые кольца, пористую керамику или пористые металлы.
Р
ис.17.
Двухзонные электрофильтры ФЭ и РИОН:
1 и 2 положительные и отрицательные электроды соответственно;
3, 4 осадительные электроды.
Список литературы
Для подготовки данной применялись материалы сети Интернет из общего доступа