Электробезопасность на строительной площадке
Реферат на тему:
«ЭЛЕКТРОБЕЗОПАСНОСТЬ НА СТРОИТЕЛЬНОЙ ПЛОЩАДКЕ»
ЭЛЕКТРОБЕЗОПАСНОСТЬ НА СТРОИТЕЛЬНОЙ ПЛОЩАДКЕ
Воздушные линии электропередачи. Обеспечение электроэнергией строительной площадки начинается с сооружения ЛЭП. Монтаж линий и все монтируемые электроустановки должны удовлетворять требованиям Правил устройства электроустановок (ПУЭ). На опорах воздушных линий нулевой провод должен располагаться ниже фазных проводов, а провода наружного освещения (если они необходимы) прокладываются под нулевым проводом. Расстояние от нижнего провода до земли, пола, настила при наибольшей стреле провеса должно быть не менее (м): 2,5 — над рабочими местами; 3,5 — над проходами; 6,0 — над проездами (ГОСТ 12.1.013—78).
Одним из опаснейших мест на строительной площадке является невысокая подвеска проводов временных электролиний в местах проезда машин. Опасность поражения может возникнуть при провозке грузов с большими габаритами, при движении по скользкой дороге, имеющей уклон, с поднятым кузовом при движении и работе автокранов.
Крючья и штыри изоляторов фазных проводов на железобетонных опорах должны быть заземлены через стальную арматуру опоры или через проложенные по опорам заземления в сетях с изолированной нейтралью, а в сетях с заземленной нейтралью арматура железобетонных опор должна быть соединена с нулевым заземленным проводом.
Минимальное сечение проводов из условия механической прочности должно быть не менее (мм2): 16 — для алюминиевых, однопроволочных; 5 — для оцинкованных стальных однопроволочных; 25 — для стальных многопроволочных проводов.
Периодический осмотр воздушной линии производится электромонтером один раз в месяц, а внеочередной - после аварий, ураганов, при морозе ниже 40°С, гололеде, пожаре вблизи линии.
Электродвигатели. Различные виды работ на строительной площадке выполняют с помощью электроустановок. При этом устройство электрических сетей осуществляется так, чтобы можно было отключать все электроустановки в пределах участков работ.
Электромонтажные работы (присоединение и отсоединение проводов, ремонт, наладка) выполняет персонал, имеющий квалификационную группу по технике безопасности, после снятия напряжения со всех токоведущих частей и их заземления. Зона производства работ ограждается сплошным или сетчатым ограждением. На производство работ выдается наряд-допуск, в котором указываются меры по электробезопасности. Перед допуском к работе с действующими электроустановками рабочих инструктируют на рабочем месте.
Рабочее напряжение на вновь смонтированную электроустановку может быть подано только по решению рабочей комиссии.
Выключатели, контакторы, магнитные пускатели, рубильники, пускорегулирующие устройства, предохранители должны иметь надписи, указывающие, к какому двигателю они относятся.
При производстве работ по регулировке выключателей и разъединителей, соединенных проводами, должны быть приняты меры по предупреждению непредвиденного включения. При кнопочном включении и отключении оборудования и механизмов кнопки должны быть заглублены на 3-5 мм за габариты пусковой коробки.
Для предупреждения несчастных случаев кнопки пуска (аппараты управления) следует располагать непосредственно у механизма и блокировать их со звуковой и световой сигнализацией. При перегрузке электродвигателей устанавливается аварийная защита на их отключение. Плавкие вставки предохранителей должны быть калиброваны с указанием на клейме завода-изготовителя номинального тока вставки Iст.
Выбор плавких вставок для защиты от многофазных замыканий электродвигателей механизмов с легкими условиями пуска определяется номинальным током вставки:
(3.4.39)
Для двигателей механизмов с
тяжелыми условиями пуска (частые пуски)
(3.4.40)
Для наблюдения за пуском и работой электродвигателей механизмов на пусковом щитке устанавливается амперметр, измеряющий ток в цепи статора электродвигателя.
Вибрация электродвигателя, измеренная в каждом подшипнике, не должна превышать значений, приведенных ниже.
Таблица 3.4.6
|
Синхронная частота вращения, об/мин |
3000 |
1500 |
1000 |
750 и ниже |
|
Допустимая амплитуда вибрации подшипника, мм |
0,05 |
0,10 |
0,13 |
0,16 |
Электродвигатели немедленно отключаются, если создается угроза несчастного случая, при появлении дыма, огня, вибрации выше допустимых норм, поломке приводимого механизма, перегреве подшипников и электродвигателя.
Распределительные устройства (щиты, пульты, щитки) должны соответствовать требованиям ПУЭ и закрываться сплошными ограждениями. Если распределительные устройства содержатся в помещениях, доступных для не электротехнического персонала, они должны находиться на высоте не менее 2,5 м.
Все щитки на строительной площадке должны быть снабжены надписями, указывающими номер щитка, назначение или номер, каждой отходящей линии, положения «Включено» и «Отключено». При монтаже и эксплуатации необходимо следить, чтобы расстояния между укрепленными голыми частями разной полярности, а также между ними и неизолированными металлическими частями были не менее 12 мм по воздуху, а плавкие калиброванные вставки соответствовали данному типу предохранителей.
Для предупреждения электротравматизма распределительные устройства подлежат осмотру и чистке не реже одного раза в три месяца, текущему ремонту не реже одного раза в год и капитальному ремонту не реже одного раза в три года.
Электроинструменты. На строительной площадке электроинструменты должны храниться в сухом помещении.
Контроль сохранности и исправности электроинструмента осуществляется специально назначенным лицом, имеющим квалификационную группу по технике безопасности не ниже III.
Исправность инструмента заключается: в быстром включении и отключении (но не самопроизвольно) от электросети, отсутствии доступных для случайного прикосновения токоведущих частей и проводов, отсутствии обрыва заземляющего провода электроинструмента. Один раз в месяц необходимо убедиться в отсутствии замыканий на корпус инструмента, осмотреть целостность изоляции проводов. Перед выдачей электроинструмента рабочему проверяется затяжка болтов, крепящих узлов, отдельных деталей, исправность редуктора вращением шпинделя рукой при отключенном электродвигателе, состояние щеток и коллектора, целостность изоляции, отсутствие оголенных проводов, исправность заземления. Выдавать рабочим инструмент, имеющий дефекты, категорически запрещается.
Эксплуатация электроинструмента и ручных
электрических машин
Согласно ГОСТ 12.2. 007.0-75* и ГОСТ 12.2.013-75*, электроинструмент и ручные электрические машины по способу защиты человека от поражения электрическим током делятся на три класса:
І класс - изделия с рабочей изоляцией всех деталей, находящихся под напряжением, и штепсельными вилками с заземляющим контактом;
ІІ класс - изделия, у которых все детали, находящиеся под напряжением имеют двойную или усиленную изоляцию. Эти изделия не имеют устройства для заземления;
ІІІ класс - изделия с номинальным напряжением не более 42В, у которых ни внутренние, ни внешние электрические цепи не находятся под другим напряжением тока.
В зависимости от степени защиты от влаги электроинструмент и ручные электрические машины изготовляют в следующих исполнениях: незащищенные, брызгозащищенные, водонепроницаемые.
При работе в помещениях без повышенной опасности напряжение электроинструмента должно быть не более 220В. При работе в помещениях с повышенной опасностью и вне помещений напряжение электроинструмента должно быть не более 36В.
При невозможности подать напряжение 36В разрешается работа электроинструмента напряжением до 220В при наличии защитного отключения или надежного заземления корпуса с использованием защитных средств (коврика, галош, диэлектрических перчаток). В данных условиях необходимо применять электрические машины II и III классов по ГОСТ 12.2.007.0-75.
При работе машин II класса необходимо применять средства индивидуальной защиты. В особо опасных помещениях разрешается работать электроинструментом на напряжение 36В с обязательным применением защитных средств. В данных условиях необходимо применять электрические машины III класса.
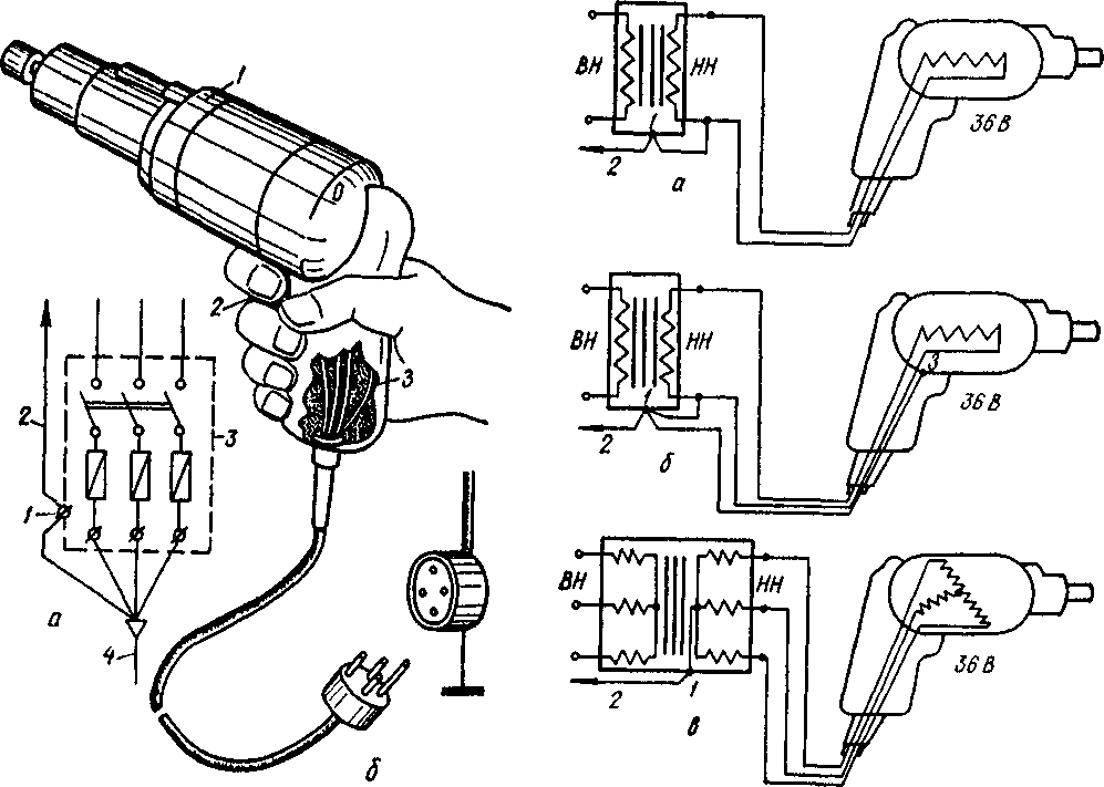
Корпус электроинструмента на напряжение более 36В должен иметь специальный зажим для присоединения заземляющего провода с отличительным знаком «З», или «Земля». Для присоединения электроинструмента к сети должен применяться кабель, а при применении гибкого многожильного провода (типа ПРГ) с изоляцией на напряжение не ниже 500В этот провод помещается в резиновый шланг (рис3..4.10).

Рис. 3.4.10 Подключение электроинструмента в сеть через понижающий трансформатор и его заземление: а, б -сеть однофазного тока, напряжение 36В и более; сеть трехфазного тока, напряжение 36В, 1-заземляющий зажим; 2-заземляющий провод; 3-крепление заземляющей жилы провода к корпусу электроинструмента; 4-шнур
К работе с электроинструментом и ручными электрическими машинами допускаются лица, имеющие 1 группу по электробезопасности, а к работе с инструментом и машиной класса 1 в помещениях с повышенной опасностью поражения током, особо опасных помещениях и вне помещений – с группой по электробезопасности не ниже 2.
Следует применять инструмент и машины только в соответствии с назначением, указанным в паспорте завода-изготовителя. Машины и инструмент должны иметь инвентарный номер.
И ручной электроинструмент, и вспомогательное оборудование подлежат периодической проверке не реже одного раза в 6 мес. В периодическую проверку входят: внешний осмотр; измерения сопротивления изоляции; контроль исправности цепи заземления; проверка работы на холостом ходу в течение не менее 5 мин.
Проверка исправности цепи заземления инструмента и машин класса 1, в соответствии с ГОСТ 12.2.013-75*, должна быть выполнена устройством на напряжении 12В с подключением к заземляющему контакту штепсельной вилки и к доступной для прикосновения металлической части инструмента и машины. Инструмент и машину считают неисправными, если устройство покажет наличие тока.
При организации рабочего места необходимо предусматривать подвеску проводов, кабелей так, чтобы они не соприкасались с металлическими, горячими, влажными, масляными поверхностями или предметами.
Во время перерыва в работе и прекращения подачи тока электроинструмент должен отключаться от сети.
Рабочим, которые получили электроинструменты, категорически запрещается: передавать инструмент другим лицам, разбирать и производить его ремонт, держаться за провод и касаться режущих и вращающихся частей, удалять стружки, опилки и пыль во время работы или до полной остановки, работать на высоте 2,5м с использованием приставных лестниц. При работе на улице в период грозы, тумана, дождя все работы должны быть прекращены.
Основное силовое электрооборудование (трансформаторы, магнитные станции, распределительные щиты) проверяется и испытывается непосредственно после установки на строительной площадке. Электронагреватели бункеров, самосвалов инвентарные щиты греющей опалубки проверяются систематически не реже одного раза в смену. Эта проверка заключается в визуальном осмотре и контроле сопротивления изоляции кабелей, проводов, потреблением тока, то есть - в проверке равномерности загрузки трансформатора по фазам и отсутствии перегрузки по контрольным амперметрам. Периодические испытания изоляции, заключающиеся в замерах сопротивления и электрической прочности изоляции, являются одной из основных мер предупреждения травматизма.
Сопротивление изоляции проводов в установках с напряжением до 1000В на отдельных участках (между предохранителями и токоприемником) должно быть не менее 0,5 МОм (500000 Ом). В сырых помещениях, где изоляция может поглощать влагу и терять свои защитные свойства, сопротивление изоляции проверяют один раз в год, а в особо сырых - не реже двух раз в год.
В тех случаях, когда силовые осветительные проводки имеют пониженное сопротивление, необходимо немедленно принимать меры по восстановлению изоляции или замене проводов. По нормам допускается нагрев проводов до 40°С сверх температуры окружающей среды 25° С. При нагреве проводов до 48°С время службы изоляции сократится наполовину, а при нагреве до 64° С — в 8 раз. Проведенные исследования показывают, что продолжительность службы изоляции класса А (хлопок, бумага, пропитанные или погруженные в изоляционный материал) в электродвигателях при температуре 105°С составляет 15—20 лет. При повышении температуры до 140°С срок эксплуатации сокращается до нескольких месяцев. Быстрое старение сопровождается уменьшением эластичности и механической прочности. Изоляция трескается, ломается и даже возможен ее пробой. В результате перегрева проводов, кроме травмирования рабочих, появляется возможность возникновения пожаров. Если мгновенно не отключить такой участок сети, неизбежно загорание изоляции проводов. Поэтому расстояние от сгораемых конструкций зданий до реостатов (всех исполнений), а также до электродвигателей и аппаратов (за исключением закрытых) должно быть не менее 1,5 м.
Следовательно, важно правильно выбирать сечение проводов, чтобы возрастание тока не привело к перегрузке, т. е. к длительному превышению допустимых значений тока. Это явление часто наблюдается в строительной практике, когда подключаются дополнительные потребители, не учтенные расчетом.
При обследовании электрических сетей, машин, аппаратов важно установить, наблюдаются ли перегрузки в сети. Для этого рабочий ток в сети измеряют амперметром, включенным в начале испытываемого участка. Однако такой способ измерений связан с разрывом электросети, что не всегда возможно. Поэтому ток удобнее измерять электроизмерительными клещами, когда электроцепь не разрывается и напряжение не снимается.
Кроме определения силы тока с помощью приборов ее можно установить, подсчитав общую мощность всех потребителей, включенных на данном участке электрической цепи. Величина рабочего, тока:
для двухпроводной сети
(3.4.41)
для трехпроводной
(3.4.42)
для четырехпроводной сети
(3.4.43)
для силовой сети трехфазного переменного тока
(3.4.44)
где Рн — номинальная мощность потребителя; Uл — линейное напряжение в сети; kс — коэффициент спроса, зависящий от количества электроприемников, степени их загрузки, одновременности работы; — коэффициент полезного действия; cos — номинальные токи электрических машин и аппаратов (указаны в паспортных табличках или заводских каталогах).
Перегрузку электросетей, машин и аппаратов устанавливают сравнением рабочего тока, замеренного одним из способов или рассчитанного по формулам, с допустимыми длительными токовыми нагрузками, опреляемыми по таблицам в зависимости от их марок и способа прокладки. Перегрузку электросетей, машин и аппаратов также можно определить, измерив их температуру и сравнив ее с максимально допустимой. Для этой цели используют термометры, термопары и различные термоиндикаторы. В качестве термоиндикаторов широко используются термокраски и термокарандаши, фиксирующие превышение температуры на поверхности двигателя путем изменения окраски.
Если установлено, что рабочий ток превышает допустимые длительные токовые нагрузки, то немедленно находят причины перегрузок и принимают меры по их устранению.
К факторам, повышающим безопасность работ (при напряжении менее 1000 В), относится окраска металлических частей, оборудования, приборов, которые могут оказаться под напряжением. Там, где окраска не повреждена, сопротивление находится в пределах l0…l08 Ом.