Расчет повторного заземления и кондиционирования
Расчет повторного заземления и кондиционирования
Индивидуальное задание на курсовую работу:
Производственное
помещение имеет размеры
м. Работает
человек. Потребляемая мощность
электрооборудования
кВт. Расстояние до подстанции
м. Сеть трехфазная четырехпроводная с
глухозаземленной нейтралью. Виды работ:
изготовление печатных плат.
Выполнить расчеты:
Анализ ОВПФ.
Составить систему Ч-М-С с выделением доминирующего фактора.
Выполнить расчеты:
расчет повторного заземления;
расчет кондиционирования.
Привести схему пожароэвакуации и оснастить помещение средствами пожаропредупреждения и пожаротушения.
1. АНАЛИЗ ОВПФ
Производственные факторы в зависимости от последствий, к которым может привести их действие, подразделяются на опасные и вредные. Опасный производственный фактор – производственный фактор, воздействие которого на работающего в определенных условиях приводит к травме или другому резкому ухудшению здоровья. Вредный производственный фактор – производственный фактор, воздействие которого на работающего в определенных условиях приводит к заболеванию или снижению работоспособности.
При изготовлении печатных плат рабочие сталкиваются с воздействием многих производственных вредных и опасных факторов согласно ГОСТ 12.0.003-74 ССБТ:
1) физические:
возможность механических травм;
повышенная запыленность и загазованность воздуха рабочей зоны;
повышенный уровень шума;
использование пожароопасных веществ;
повышенная или пониженная температура воздуха рабочей зоны;
отсутствие или недостаток естественного света;
недостаточная освещённость рабочей зоны;
2) химические:
использование вредных химических веществ, вызывающих отравление организма, поражение кожи (при химической очистке, в процессе химического меднения, травления при изготовлении печатных плат);
3) психофизиологические:
перенапряжение анализаторов;
монотонность труда;
эмоциональные и нервно – психические перегрузки.
2. СИСТЕМА Ч-М-С С ВЫДЕЛЕНИЕМ ДОМИНИРУЮЩЕГО ВРЕДНОГО ФАКТОРА
Анализ условий труда человека начинается с описания системы «человек – машина – среда» (Ч-М-С). В данном варианте задания систему Ч-М-С можно описать следующим образом:
«человек» – 5 работников;
«машина» – комплекс оборудования, необходимый для изготовления печатной платы;
«среда» – производственное помещение, включая микроклимат.
При построении Ч-М-С используют три типа связей между элементами системы: информационные связи; воздействия для выполнения поставленных целей; побочные влияния, которые имеют место вне связи с целями функционирования человека и техники.
Графически эти связи обозначают соответственно одинарной (), двойной (↠) и штриховой (⇢) стрелками.
Отметим, что при анализе связей между элементами системы Ч-М-С «человек», независимо от того, один ли это индивидуум или коллектив, функционально выступает в качестве нескольких элементов системы, каждый из которых участвует в своих связях и играет в системе свою роль.
Элемент «человек» делим на три части:
Ч1 – служит для управления «машиной» (выполнения основной задачи системы);
Ч2 – человек (коллектив) с точки зрения непосредственного влияния на окружающую среду (за счет тепол- и влаговыделения, потребления кислорода и т.д.);
Ч3 – человек (группа людей) с точки зрения его физиологического состояния под влиянием факторов, воздействующих на него в производственном процессе.
Элемент «машина» также делим на три части:
М1 – выполняет основную технологическую функцию;
М2 – функции аварийной защиты;
М3 – управление окружающей средой.
Р
исунок
1 – Структурная схема системы Ч-М-С
Направление и содержание связей, показанных на рис.1, сведены в таблицу 1.
Таблица 1
|
№ |
Направление связи |
Содержание связи |
|
|
1 |
Ч2-С |
Влияние человека как биологического объекта на среду. |
|
|
2.1 |
С-Ч1 |
Влияние окружающей среды на качество работы человека. |
|
|
2.2 |
С-Ч3 |
Влияние среды на состояние организма человека. |
|
|
3.1 |
С-Ч1 |
Информация о состоянии среды, обрабатываемая человеком. |
|
|
3.2.1 |
М1-Ч1 |
Информация о состоянии машины, обрабатываемая человеком. |
|
|
3.2.2 |
М2-Ч1 |
||
|
3.2.3 |
М3-Ч1 |
||
|
4.1 |
Ч1-М1 |
Влияние человека на машину. |
|
|
4.2 |
Ч1-М2 |
||
|
4.3 |
Ч1-М3 |
||
|
5 |
ВСУ-Ч1 |
Управляющая информация о технологическом процессе из внешней системы управления. |
|
|
6.1 |
С-М1 |
Влияние среды на работу машины. |
|
|
6.2 |
С-М2 |
||
|
6.3 |
С-М3 |
||
|
7 |
М1-С |
Влияние машины на среду. |
|
|
8 |
М3-С |
Целенаправленное воздействие машины на среду. |
|
|
9 |
Ч3-Ч1 |
Влияние состояния организма человека на качество его работы. |
|
|
10 |
Ч3-Ч2 |
Влияние физиологического состояния на степень интенсивности обмена веществ между организмом и средой. |
|
|
11 |
М2-М1 |
Аварийные управляющие воздействия. |
|
|
12 |
М1-М2 |
Информация, необходимая для выработки аварийных управляющих воздействий. |
Из общего объема информации человек получает через зрительный канал около 80%. Качество поступающей информации во многом зависит от освещения: неудовлетворительное количественно или качественно оно не только утомляет зрение, но и вызывает утомление организма в целом. Нерациональное освещение может, кроме того, стать причиной травматизма: плохо освещенные опасные зоны, слепящие источники света или блики от них, резкие тени уменьшают видимость на столько, что вызывают полную потерю ориентировки работающих. Естественное освещение положительно влияет не только на зрение, но также тонизирует организм человека в целом и оказывает благоприятное психологическое воздействие. В связи с этим все помещения в соответствии с санитарными нормами и правилами должны иметь естественное освещение. Искусственное освещение применяется при работе в темное время суток и днем, когда по условиям технологии, организации производства или климата в месте строительства требуется объемно-планировочные решения, которые не позволяют обеспечить нормированные значения коэффициента естественного освещения.
В процессе изготовления печатных плат в воздух производственных помещений выделяется множество вредных веществ в виде газов и пыли. Воздействие пыли на организм человека зависит не только от ее химического состава, но и от дисперсности и формы частиц. Класс опасности вредных веществ устанавливают по предельно допустимой концентрации их в воздухе рабочей зоны. Зачастую вредные вещества, содержащиеся в воздухе рабочей зоны, приводят к отравлениям и профессиональным заболеваниям.
Кроме этого, при изготовлении печатных плат, рабочие часто применяют пожароопасные и вредные для здоровья химические вещества. Вредное вещество при контакте с организмом человека в случае нарушения требований безопасности может вызвать производственные травмы, профзаболевания и отклонения в состоянии здоровья.
Доминирующим вредным фактором является повышенное содержание вредных химических веществ, вызывающих отравление организма человека.
3. РАСЧЕТЫ
3.1. Расчет повторного заземления.
Повторное заземление нулевого защитного проводника уменьшает опасность поражения людей током, которая возникает при обрыве этого проводника и замыкании фазы на корпус за местом обрыва. На открытой местности повторные заземления делают через каждые 200 –250 м, т.е. каждый шестой столб заземлен. Для закрытых помещений нулевая шина заземляется через каждые 5 – 6 м.
Расчет заземляющего устройства осуществляют исходя из его максимально допустимого сопротивления, установленного для соответствующего оборудования.
При 380/220 В
каждое повторное заземление должно
иметь сопротивление не больше 30 Ом,
суммарное сопротивление всех повторных
заземлений должно быть не больше 10 Ом,
т.е
Ом (согласно ПУЭ).
Так как
естественный заземлитель отсутствует
(не предусмотрен заданием), то
предусматривается искусственный
заземлитель, сопротивление которого
Ом.
Определим
расчетное удельное сопротивление
,
где
– удельное сопротивление грунта, Ом*м,
– климатический коэффициент (выбирается
из справочника в соответствии с
климатическими условиями отдельных
зон). Выбираем тип грунта – глина с
сопротивлением
Ом*м, а климатический коэффициент в
соответствии с нашей зоной
.
Тогда расчетное удельное сопротивление:
Ом*м.
Выберем тип заземлителя и его размеры.
Искусственный заземлитель относится
к типу трубчатый или стержневой длиной
м и диаметром
м. Расстояние от заземлителя до поверхности
земли в расчетах примем равным
м.
Расчитаем сопротивление растекания одиночного трубчатого заземлителя:
,
где
(м) – расстояние от поверхности земли
до средины заземлителя.
Используя выше приведенные данные, получим:
(Ом).
Количество параллельно соединенных одиночных заземлителей, необходимых для получения допустимого значения сопротивления заземления, без учета сопротивления полосы соединения, будет составлять:
,
где
- коэффициент использования группового
заземлителя. Согласно справочным данным,
количество параллельно соединенных
одиночных заземлителей должно быть не
меньше двух, поэтому возьмем
.
Тогда
.
Длина полосы соединения определяется как:
,
где
м – расстояние между вертикальными
заземлителями.
Соответственно
м. Рассчитаем сопротивление
полосы соединения, используя формулу:
,
где
- эквивалентный диаметр соединительной
полосы шириной
.
В расчетах примем
при
см.
Тогда
(Ом).
Исходя из найденных значений, можно расчитать сопротивление всего заземляющего устройства с учетом соединительной полосы:
,
где
- коэффициент использования соединительной
полосы, выбирается из справочника в
соответствии с заданными условиями
.
(Ом).
Получили, что суммарное сопротивление всех повторных заземлений меньше заданного (10 Ом), что повышает безопасность.
3.2 Расчет кондиционирования.
Кондиционирование воздуха – это создание и автоматическое поддержание в помещениях независимо от наружных условий постоянных или изменяющихся по определенной программе температуры, влажности, чистоты и скорости движения воздуха, наиболее благоприятных для людей или требуемых для нормального протекания технологического процесса. На промышленных предприятиях кондиционирование воздуха применяется либо для обеспечения комфортных (оптимальных) санитарно-гигиенических условий, создание которых обычной вентиляцией невозможно, либо как составная часть технологического процесса.
Расчет
кондиционирования проведем используя
формулу для нахождения кратности
воздухообмена
:
,
где
– количество воздуха, подаваемого (+)
или удаляемого (–) из помещения, м3/ч;
– объем помещения, м3.
По
этой формуле определим необходимый
объем удаляемого воздуха, выдрав
кратность из справочника
(должно быть не менее 3).
Выразим
;
где
м2.
Следовательно
(м3/ч).
Теперь используя формулу

где
– количество воздуха, удаляемого в
течении часа вытяжным шкафом или зонтом
(колпаком);
– средняя скорость всасывания воздуха
в открытый проем шкафа (зонта) м/с (0.5 –
1.7 м/с в зависимости от токсичности и
летучести газов и паров);
– площадь открытого проема, м2.
Следовательно, выразив

и
положив
м/с, найдем площадь открытого проема
(м2)
В результате этого расчета получили, что количество воздуха, удаляемого в течении часа вытяжным шкафом, для нашего помещения должно быть 360 м3/ч, а площадь открытого проема – 0.125 м2.
4. СХЕМА ПОЖАРОЭВАКУАЦИИ И ОСНАЩЕНИЕ ПОМЕЩЕНИЯ СРЕДСТВАМИ ПОЖАРОПРЕДУПРЕЖДЕНИЯ И ПОЖАРОТУШЕНИЯ
При изготовлении печатных плат производится пайка, обслуживание припоем, применение ЛВЖ (изопропиловый спирт, ацетон). Электрические паяльники обеспечиваются специальными термостойкими диэлектрическими подставками. ЛВЖ хранится в посуде с герметическими крышками (пробками).
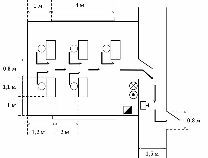
Схема пожароэвакуации представлена на рис.2.
Помещение оснащено:
Автоматический комбинированный извещатель типа КИ-1, реагирует как на возникновение дыма, так и на повышение температуры. Располагается в помещении и коридоре.
Ручной углекислотный огнетушитель типа ОУ-5 емкостью 5 л, предназначен для тушения радиоэлектронного оборудования. Время действия огнетушителя 30 – 40 с, дальность струи 2 м.
Пожарный кран, предназначен для тушения пожара водой, устанавливается на высоте 1,35 м от пола, оборудован пожарным рукавом 10 – 20 м и пожарным стволом.
Ящик с песком объемом 1% от общего объема помещения; в нашем случае объем ящика с песком составляет 1,2 м3.
Рисунок 2. – Схема пожароэвакуации из помещения оснащенного средствами пожаропредупреждения и пожаротушения.

ВЫВОДЫ
Выполняя курсовую работу, проанализировали ОВПФ для вида работ: изготовление печатных плат, составили схему Ч-М-С. Доминирующим вредным фактором является повышенное содержание вредных химических веществ, вызывающих отравление организма человека, т.к. при изготовлении печатных плат рабочие для промывки, химической очистки, химического меднения, травления применяют химические вещества вредные для здоровья, кроме того, эти вещества являются пожароопасными. Кроме этого, существует и ряд других вредных факторов.
Проведен расчет повторного заземления и кондиционирования.
В результате расчета повторного заземления нашли значение сопротивления растекания одиночного трубчатого заземлителя, которое не превысило допустимое значение 30 Ом, и нашли значение сопротивление всего заземляющего устройства, не превысившее допустимого значения 10 Ом.
В результате расчета кондиционирования нашли значение количества воздуха, которое необходимо удалять из помещения в течении часа, и площадь открытого проема, необходимую для удаления этого количества воздуха.
Составили схему пожароэвакуации, на которой указано расположение рабочих мест в помещении, средств необходимых для предупреждения и тушения пожара, показан путь эвакуации людей при пожаре.
СПИСОК ИСПОЛЬЗОВАННОЙ ЛИТЕРАТУРЫ
С.П. Павлов: Охрана труда в радио- и электронной промышленности. – М.: Высшая школа, 2006.
Охрана труда в электроустановках: Учебник для вузов / Под ред. Б.А.Князевского. – М.: Энергоатомиздат, 2003.
Охрана труда в вычислительных центрах, – М.: Машиностроение, 1990.
Н.И. Баклашов, Н.Ж. Китаева, Б.Д. Терехов: Охрана труда на предприятиях связи и охрана окружающей среды. – М.: Радио и связь, 2000.
Методические указания к выполнению раздела «Охрана труда» в дипломных проектах, Харьков, ХНУРЭ, 2000.
П.А. Долин: Справочник по технике безопасности. – М.: Энергоиздат, 1999.