Расчет заземления и кондиционирования
МИНИСТЕРСТВО ОБРАЗОВАНИЯ И НАУКИ УКРАИНЫ
ХАРЬКОВСКИЙ НАЦИОНАЛЬНЫЙ УНИВЕРСИТЕТ РАДИОЭЛЕКТРОНИКИ
Кафедра охраны труда
КОНТРОЛЬНАЯ РАБОТА
«Расчет заземления и кондиционирования»
Харьков 2009
Индивидуальное задание
Производственное
помещение имеет размеры
м. Работает
человек. Потребляемая мощность
электрооборудования
кВт. Расстояние до подстанции
м. Сеть трехфазная четырехпроводная с
глухозаземленной нейтралью. Виды работ
– изготовление печатной платы.
Выполнить расчеты:
Анализ опасных и вредных производственных факторов.
Составить систему ЧМС с выделением доминирующего фактора.
Выполнить расчеты:
Расчет повторного заземления;
Расчет кондиционирования.
Привести схему пожароэвакуации и оснастить помещение средствами пожаропредупреждения и пожаротушения.
1. АНАЛИЗ ОПАСНЫХ И ВРЕДНЫХ ФАКТОРОВ
Производственные факторы подразделяются на опасные и вредные.
Производственный фактор, воздействие которого на работающего в определенных условиях приводит к травме или другому резкому ухудшению здоровья, называется опасным производственным фактором. Производственный фактор, воздействие которого на работающего в определенных условиях приводит к заболеванию или снижению работоспособности, называется вредным производственным фактором.
Согласно ГОСТ 12.0.003-74 ССБТ специалисты по изготовления печатных плат сталкиваются с воздействием производственных вредных и опасных факторов. Специфические для производственного помещения, где изготавливаются печатные платы, вредные и опасные факторы:
а) Физические:
повышенная запыленность и загазованность воздуха рабочей зоны;
повышенная или пониженная температура воздуха рабочей зоны;
отсутствие или недостаток естественного света;
недостаточная освещённость рабочей зоны;
повышенный уровень шума (от систем вентиляции);
острые кромки, заусенцы, шероховатости механических покрытий.
б) Химические:
воздействие вредных химических веществ на организм человека (хронические поражения кожи). При очистке плат используются растворы : фосфатов, натриевая сода, натриевые щелочи и др.;
использование пожароопасных и вредных для здоровья веществ (изопропиловый спирт, ацетон для промывки плат).
в) Психофизиологические:
монотонность труда;
эмоциональные и нервно – психические перегрузки.
2. СИСТЕМА ЧМС С ВЫДЕЛЕНИЕМ ДОМИНИРУЮЩЕГО ВРЕДНОГО ФАКТОРА
Процесс взаимодействия человека, машины и окружающей их среды, объединяются в систему «Человек – Машина – Среда». При анализе условий труда проводится исследование данной системы с целью разработки мероприятий, обеспечивающих безопасные условия труда.
Элементами системы «Человек – Машина – Среда» являются:
«Человек» – коллектив состоящий из 5 работников, работающих в производственном помещении;
«Машина» – комплекс оборудования, необходимый для изготовления печатной платы;
«Среда» - зона производственного помещения, включающая микроклимат.
На рисунке 2.1 представлена структурная схема системы «Человек – Машина – Среда»- процесс взаимодействия между элементами системы «Человек – Машина – Среда».
Рисунок 1 – Структурная схема системы «Человек – Машина – Среда»
Описание связи взаимодействия элементов системы представим в таблице 2.1
Ч1 – человек совершающий целенаправленные действия;
Ч2 – человек влияющий на среду;
Ч3 – человек рассматриваемый с точки зрения его психофизиологического состояния.
Таблица 2.1
|
Номер связи |
Направление связи |
Содержание связи |
|
1 |
Ч1 – М |
Выполнение функций работниками изготовляющими печатные платы. |
|
2 |
Ч1 – Ч3 |
Воздействие человека изготавливающего печатные платы на свое физиологическое состояние (умственное и эмоциональное перенапряжение, ухудшение зрения); влияние состояния организма человека на качество его работы. |
|
3 |
Ч2 – С |
Воздействие человека как биологического объекта на среду (потребление кислорода, тепловыделение, влаговыделение). |
|
4 |
С – Ч3 |
Воздействие среды на человека (недостаток освещения, температура, влажность, концентрация воздуха). |
|
5 |
М – С |
Воздействие машины на среду (выделение тепла). |
|
6 |
С – М |
Воздействие среды на машину (повышенная влажность, температура). |
|
7 |
М – Ч3 |
Воздействие оборудования на человека (перенапряжение зрительных анализаторов; профессиональные заболевания вследствие загрязнения воздуха; нанесение травм различной степени тяжести; эмоциональные и нервно – психические перегрузки). |
В процессе очистки плат на производственных помещениях, где изготавливаются печатные платы, в воздух рабочей зоны выделяется множество вредных веществ в виде газов и пыли. Воздействие пыли на организм человека зависит не только от ее химического состава, но и от дисперсности и формы частиц. Класс опасности вредных веществ устанавливают по предельно допустимой концентрации их в воздухе рабочей зоны. Вредные вещества, содержащиеся в воздухе рабочей зоны, приводят к поражениям кожи, отравлениям и профессиональным заболеваниям.
Таким образом, проанализировав систему «Человек – Машина – Среда», можно сказать, что доминирующим (при очистке плат применяется растворы: фосфатов, натриевая сода, натриевые щелочи и др., при промывки – изопропиловый спирт, ацетон) вредными факторам является: повышенное содержание токсических веществ, вызывающих поражение кожи и отравление организма.
3. РАСЧЕТЫ
Расчет повторного заземления.
Расчет повторного заземления производится для предотвращения электрических травм, которые могут быть вызваны при касании металлических конструкций или корпусов электрооборудования, оказавшихся под напряжением вследствие повреждения изоляции.
Расчет заземляющего устройства осуществляют исходя из его максимально допустимого сопротивления, установленного для соответствующего оборудования.
В электроустановках напряжением выше
1000 В в сети с заземленной нейтралью
сопротивление заземляющего устройства
должно быть не более 30 Ом в любое время
года, то есть
Ом (согласно ПУЭ).
Так как естественный заземлитель
отсутствует (не предусмотрен заданием),
то предусматривается искусственный
заземлитель, сопротивление которого
Ом.
Определим расчетное удельное сопротивление
,
где
- удельное сопротивление грунта, Ом*м,
- климатический коэффициент (выбирается
из справочника в соответствии с
климатическими условиями отдельных
зон).
Выбираем тип грунта – суглинок с
сопротивлением
Ом*м, а климатический коэффициент в
соответствии с нашей зоной
.
Тогда расчетное удельное сопротивление
будет определено:
Ом*м.
Выберем тип заземлителя и его размеры.
Искусственный заземлитель относится
к типу трубчатый или стержневой длиной
м и диаметром
м. Расстояние от заземлителя до поверхности
земли в расчетах примем равным
м.
Расчитаем сопротивление растекания одиночного трубчатого заземлителя:
,
где
(м) – расстояние от поверхности земли
до средины заземлителя.
Используя выше приведенные данные, получим:
(Ом).
Количество параллельно соединенных повторных заземлителей, необходимых для получения допустимого значения сопротивления заземления, без учета сопротивления полосы соединения, будет составлять:
,
где
- коэффициент использования группового
заземлителя. Из справочных таблиц
выбираем
.
Тогда
.
Длина полосы соединения определяется как:
,
где
м – расстояние между вертикальными
заземлителями.
Соответственно
м. Рассчитаем сопротивление
полосы соединения, используя формулу:
,
где
- эквивалентный диаметр соединительной
полосы шириной
.
В расчетах примем
при
см.
Тогда
(Ом).
Исходя из найденных значений, можно рассчитать сопротивление всего заземляющего устройства с учетом соединительной полосы:
,
где
- коэффициент использования соединительной
полосы, выбирается из справочника и в
соответствии с заданными условиями
имеет значение
.
(Ом).
Таким образом, сопротивление растекания группового искусственного заземлителя намного меньше заданного (30 Ом), что повышает безопасность.
Расчет кондиционирования.
Кондиционеры применяются в помещениях, воздух которых загрязнен вредными парами, газами или пылью.
Когда количество выделяемых вредных веществ велико или трудно определимо, расчет воздухообмена может быть произведен по кратности воздухообмена k, т. е. по отношению объема воздуха, подаваемого за 1ч в помещение или удаляемого из него, к объему помещения.

По этой формуле можно определить необходимый объем подаваемого воздуха, выбрав кратность из справочника k=3

где
- количество воздуха, подаваемого (+) или
удаляемого (-) из помещения, м3/ч;
- объем помещения.
Далее рассчитаем площадь проймы в кондиционере необходимой для нашего производственного помещения
м2
где
м/с

4. СХЕМА ПОЖАРОЭВАКУАЦИИ И ОСНАЩЕНИЕ ПОМЕЩЕНИЯ СРЕДСТВАМИ ПОЖАРОПРЕДУПРЕЖДЕНИЯ И ПОЖАРОТУШЕНИЯ
При изготовлении печатных плат производится промывка печатных плат изопропиловым спиртом и ацетоном. Поэтому данные работы являются пожароопасными.
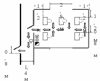
Схема пожароэвакуации представлена на рисунке 2.
Помещение оснащено:
Автоматический комбинированный извещатель типа КИ-1, реагирует как на возникновение дыма, так и на повышение температуры. Располагается в помещении и коридоре.
Ручной углекислотный огнетушитель типа ОУ-5 емкостью 5 л, предназначен для тушения радиоэлектронного оборудования. Время действия огнетушителя до 60 с, дальность струи 2 м.
Пожарный кран, предназначен для тушения пожара водой, устанавливается на высоте 1,35 м от пола, оборудован пожарным рукавом 10 – 20 м и пожарным стволом.
Ящик с песком объемом 1% от общего объема помещения

Рисунок 2. – схема пожароэвакуации и оснастка помещения средствами пожаропредупреждения и пожаротушения.
Выводы
В данном расчетном задании были проанализированы опасные и вредные производственные факторы. Специалисты по изготовлению печатных плат сталкиваются с воздействием производственных вредных и опасных факторов, которые негативно влияют на здоровье людей, в данной ситуации их много. Так же была построена схема ЧМС и проанализировав ее был выделен доминирующий (при очистке плат применяется растворы: фосфатов, натриевая сода, натриевые щелочи и др., при промывки – изопропиловый спирт, ацетон) вредный фактор – повышенное содержание токсических веществ, вызывающих поражение кожи и отравление организма.
Были выполнены расчет повторного заземления в результате чего можно сделать вывод: сопротивление растекания группового искусственного заземлителя намного меньше заданного (30 Ом), что повышает безопасность.
В
помещении, где изготавливаются печатные
платы воздух загрязнен пылью и токсическими
веществами, для очистки воздуха в
помещении устанавливается один
кондиционер, который будет подавать и
удалять воздух в таком количестве
м3/ч, при этом отверстие будет
равно
м2.
Далее приведена схема пожароэвакуации и оснащена средствами пожаропредупреждения и прожаротушения.
СПИСОК ИСПОЛЬЗОВАННОЙ ЛИТЕРАТУРЫ
С.П. Павлов, З.И. Губонина «Охрана труда в приборостроении», Москва, «Высшая школа», 2006.
«Охрана труда в вычислительных центрах», Москва, «Машиностроение», 1990.
Н.И. Баклашов, Н.Ж. Китаева, Б.Д. Терехов, «Охрана труда на предприятиях связи и охрана окружающей среды», Москва, «Радио и связь», 1989.
Методические указания к выполнению раздела «Охрана труда» в дипломных проектах, Харьков, ХНУРЭ, 1998.
П.А. Долин, Справочник по технике безопасности, Москва, «Энергоиздат», 1982.
«Правила техники безопасности при электромонтажных и наладочных работах», Москва, «Энергоатомиздат», 1992.