Расчет защитного заземления и искусственного освещения
МИНИСТЕРСТВО ОБРАЗОВАНИЯ И НАУКИ УКРАИНЫ
ХАРЬКОВСКИЙ НАЦИОНАЛЬНЫЙ УНИВЕРСИТЕТ РАДИОЭЛЕКТРОНИКИ
Кафедра охраны труда
КОНТРОЛЬНАЯ РАБОТА
"Расчет защитного заземления и искусственного освещения"
Выполнила:
Принял:
Ст. гр. ЗИОД - 09 - 1
Доц. каф. ОТ
Гриценко В.А.
Анпилогов Е.М.
Харьков 2009
Содержание1
1. Анализ опасных и вредных факторов
2. Система ЧМС с выделением доминирующего вредного фактора
3. Расчеты
3.1 Расчет одиночного заземления
3.2 Расчет искусственного освещения
4. Схема пожароэвакуации и оснащение помещения средствами пожаропредупреждения и пожаротушения
Список использованной литературы
Индивидуальное задание
Производственное помещение
имеет размеры
м. Работает
человек. Потребляемая мощность
электрооборудования
кВт. Расстояние до подстанции
м. Сеть трехфазная четырехпроводная с
глухозаземленной нейтралью. Виды работ
- радиомонтаж.
Выполнить расчеты:
Анализ опасных и вредных факторов.
Составить систему ЧМС с выделением доминирующего фактора.
Выполнить расчеты:
Расчет одиночного заземления;
Расчет искусственного освещения.
Привести схему пожароэвакуации и оснастить помещение средствами пожаропредупреждения и пожаротушения.
Из описанных выше параметров
помещения следует, что помещение
радиомонтажа соответствует нормам по
площади (не менее
м2) и объёму пространства (не менее
м3) на одного работающего.
1. Анализ опасных и вредных факторов
Производственные факторы в зависимости от последствий, к которым может привести их действие, подразделяются на опасные и вредные. Фактор, воздействие которого на работающего в определенных условиях приводит к травме или другому резкому ухудшению здоровья, называется опасным производственным фактором. Фактор, воздействие которого на работающего в определенных условиях приводит к заболеванию или снижению работоспособности, называется вредным производственным фактором.
Специалисты по радиомонтажу сталкиваются с воздействием многих производственных вредных и опасных факторов согласно ГОСТ 12.0.003-74 ССБТ. К вредным и опасным факторам следует отнести следующие специфические для радиомонтажного производственного помещения факторы:
а) Физические:
повышенное значение напряжения в электрической цепи, замыкание которой может произойти через тело человека. При радиомонтаже применяются такие электроинструменты, как электродрель, электропаяльник, работающие при напряжении 220 В; при неисправности этих приборов рабочие подвергаются опасности поражения электрическим током.
повышенная запыленность и загазованность воздуха рабочей зоны. При пайке радиосхем применяется припой, содержащий свинец, который, испаряясь, загрязняет воздух рабочей зоны.
повышенная или пониженная температура воздуха рабочей зоны;
отсутствие или недостаток естественного света;
недостаточная освещённость рабочей зоны;
повышенный уровень шума (от систем вентиляции);
б) Химические:
повышенное содержание токсических веществ, вызывающих отравление организма. Мелкие частицы свинца при пайке, попадая в воздух рабочей зоны, загрязняют одежду и открытые части тела работающего, а также попадают в организм через органы дыхания, что приводит к отравлению и вызывает изменения в нервной системе, крови и сосудах.
в) Психофизиологические:
перенапряжение анализаторов;
монотонность труда;
эмоциональные и нервно - психические перегрузки.
2. Система ЧМС с выделением доминирующего вредного фактора
ТРУД ЧЕЛОВЕКА В СОВРЕМЕННОМ производстве представляет собой процесс взаимодействия человека, машины и окружающей их среды, которые объединяются в систему "Человек - Машина - Среда".
При анализе условий труда проводится исследование данной системы с целью разработки мероприятий, обеспечивающих безопасные условия труда.
Элементами системы "Человек - Машина - Среда" являются:
"Человек" - коллектив людей, работающих в производственном помещении радиомонтажа;
"Машина" - электрооборудование, используемое при радиомонтаже;
"Среда" - зона производственного помещения, в котором осуществляется радиомонтаж.
Рассмотрим более подробно процесс взаимодействия между элементами системы "Человек - Машина - Среда". На рисунке 2.1 представлена структурная схема системы "Человек - Машина - Среда".
Рисунок 1 - Структурная схема системы "Человек - Машина - Среда"
Расшифровка связей взаимодействия между элементами системы "Человек - Машина - Среда" представлена в таблице 2.1
Таблица 2.1 - Описание связи взаимодействия между элементами системы "Человек - Машина - Среда"
|
Номер связи |
Направление связи |
Содержание связи |
|
1 |
Ч - М |
Выполнение функций работниками радиомонтажного помещения (сборка и пайка радиодеталей). |
|
2 |
М - Ч |
Воздействие электрооборудования на человека (перенапряжение зрительных анализаторов; профессиональные заболевания вследствие загрязнения воздуха в процессе пайки; нанесение травм различной степени тяжести; эмоциональные и нервно - психические перегрузки). |
|
3 |
Ч - С |
Воздействие человека как биологического объекта на среду (потребление кислорода, тепловыделение, влаговыделение). |
|
4 |
С - Ч |
Воздействие среды на человека (недостаток освещения, температура, влажность, концентрация воздуха). |
|
5 |
М - С |
Воздействие машины на среду (выделение тепла). |
|
6 |
С - М |
Воздействие среды на машину (повышенная влажность, температура). |
|
7 |
Ч - Ч |
Воздействие человека - монтажника на свое физиологическое состояние (умственное и эмоциональное перенапряжение, ухудшение зрения); влияние состояния организма человека на качество его работы. |
Большинство информации, воспринимаемой человеком, поступает через зрительный канал (около 80%). Качество поступающей информации во многом зависит от освещения: неудовлетворительное количественно или качественно не только утомляет зрение, но и вызывает утомление организма в целом. Нерациональное освещение может стать причиной травматизма, уменьшить работоспособность человека. Естественное освещение положительно влияет не только на зрение, но также тонизирует организм человека в целом и оказывает благоприятное психологическое воздействие. В связи с этим все помещения в соответствии с санитарными нормами и правилами должны иметь естественное освещение. Искусственное освещение применяется при работе в темное время суток и днем, когда по условиям технологии, организации производства или климата в месте строительства требуется объемно-планировочные решения, которые не позволяют обеспечить нормированные значения коэффициента естественного освещения.
В процессе спайки радиодеталей на производственных помещениях радиомонтажа в воздух рабочей зоны выделяется множество вредных веществ в виде газов и пыли. Воздействие пыли на организм человека зависит не только от ее химического состава, но и от дисперсности и формы частиц. Класс опасности вредных веществ устанавливают по предельно допустимой концентрации их в воздухе рабочей зоны. Зачастую вредные вещества, содержащиеся в воздухе рабочей зоны, приводят к отравлениям и профессиональным заболеваниям.
Таким образом, проанализировав систему "Человек - Машина - Среда", можно сказать, что вредными факторами являются: недостаток естественного освещения и недостаточная освещенность рабочей зоны, а также повышенное содержание токсических веществ, вызывающих отравление организма.
Доминирующим вредным фактором является повышенное содержание токсических веществ (при пайке радиосхем применяется припой, содержащий свинец, который, испаряясь, загрязняет воздух), вызывающих отравление организма человека.
3. Расчеты
3.1 Расчет одиночного заземления
Для предотвращения электрических травм, которые могут быть вызваны при касании металлических конструкций или корпусов электрооборудования, оказавшихся под напряжением вследствие повреждения изоляции, а также для защиты аппаратуры устраиваются защитные заземления, представляющие собой преднамеренное соединение с землей или ее эквивалентом металлических частей электроустановок, нормально не находящихся под напряжением.
Расчет заземляющего устройства осуществляют исходя из его максимально допустимого сопротивления, установленного для соответствующего оборудования.
В электроустановках напряжением
выше 1000 В в сети с заземленной нейтралью
сопротивление заземляющего устройства
должно быть не более 0,5 Ом в любое время
года, то есть
Ом (согласно ПУЭ).
Так как естественный заземлитель
отсутствует (не предусмотрен заданием),
то предусматривается искусственный
заземлитель, сопротивление которого
Ом.
Определим расчетное удельное
сопротивление
,
где
- удельное сопротивление грунта, Ом*м,
- климатический коэффициент (выбирается
из справочника в соответствии с
климатическими условиями отдельных
зон). Выбираем тип грунта - суглинок с
сопротивлением
Ом*м, а климатический коэффициент в
соответствии с нашей зоной
.
Тогда расчетное удельное сопротивление
будет определено:
Ом*м.
Выберем
тип заземлителя и его размеры. Искусственный
заземлитель относится к типу трубчатый
или стержневой длиной
м и диаметром
м. Расстояние от заземлителя до поверхности
земли в расчетах примем равным
м.
Рассчитаем сопротивление растекания одиночного трубчатого заземлителя:
,
где
(м) - расстояние от поверхности земли до
средины заземлителя.
Используя выше приведенные данные, получим:
(Ом)
Количество параллельно соединенных одиночных заземлителей, необходимых для получения допустимого значения сопротивления заземления, без учета сопротивления полосы соединения, будет составлять:
,
где
- коэффициент использования группового
заземлителя. Согласно справочным данным,
количество параллельно соединенных
одиночных заземлителей должно быть не
меньше двух. Так как мы рассчитываем
одиночное заземление, то из справочных
таблиц выбираем
.
Тогда
.
Длина полосы соединения определяется как:
,
где
м - расстояние между вертикальными
заземлителями.
Соответственно
м. Рассчитаем сопротивление
полосы соединения, используя формулу:
,
где
- эквивалентный диаметр соединительной
полосы шириной
.
В расчетах примем
при
см.
Тогда
(Ом).
Исходя из найденных значений, можно рассчитать сопротивление всего заземляющего устройства с учетом соединительной полосы:
,
где
- коэффициент использования соединительной
полосы, выбирается из справочника и в
соответствии с заданными условиями
имеет значение
.
(Ом).
Таким образом, сопротивление растекания группового искусственного заземлителя несколько меньше заданного (0,5 Ом), что повышает безопасность.
3.2 Расчет искусственного освещения
Искусственное освещение применяется при недостаточном естественном освещении или при отсутствии его (в темное время суток). По назначению искусственное освещение разделяется на: рабочее, аварийное, эвакуационное, охранное и дежурное.
Расчет искусственного освещения будем выполнять методом коэффициента использования светового потока, который предназначен для расчета равномерного освещения горизонтальных поверхностей.
Для освещения здания по радиомонтажным работам выберем потолочные светильники типа УСП 35 с двумя люминисцентными лампами типа ЛБ - 40.
Расчетное уравнение метода имеет вид:
,
(1)
где
- нормируемая минимальная освещенность.
Для радиомонтажных работ составляет
300 лк.
- коэффициент запаса, учитывающий
запыленность светильников и износ
источников света в процессе эксплуатации;
для радиомонтажных работ составляет
1,8 (из справочника).
- освещаемая площадь,
;
площадь освещаемого помещения составляет
.
- коэффициент неравномерности освещения.
Принимается
.
- число рядов светильников, определяемое
из условия наиболее выгодного соотношения
,
- расстояние между рядами светильников.
Обычно принимают
.
- световой поток заданной лампы.
- коэффициент использования излучаемыми
светильниками светового потока на
расчетной плоскости; принимается равным
.
- коэффициент затенения, вводится для
помещений с фиксированным положением
рабочих и принимается равным
.
Так как светильник использует
2 лампы типа ЛБ-40 со значением светового
потока одной лампы, равным 3120 лм, то
световой поток, излучаемый светильником,
составит:
лм.
Для радиомонтажных зданий
уровень рабочей поверхности над полом
составляет 0,8 м. Тогда
м. У светильников УСП 35 наивыгоднейшее
отношение
.
Отсюда расстояние между
рядами светильников
м. Располагаем светильники вдоль длинной
стороны помещения. Расстояние между
стенами и крайними рядами светильников
принимаем равным
м. При ширине радиомонтажного здания
м имеем число рядов светильников
.
Найденные значения подставим в формулу (1):
шт.
Таким образом, для искусственного освещения здания радиомонтажа необходимо использовать 1 ряд светильников типа УСП 35 с двумя лампами типа ЛБ-40. Количество светильников в этом ряду равно 3.
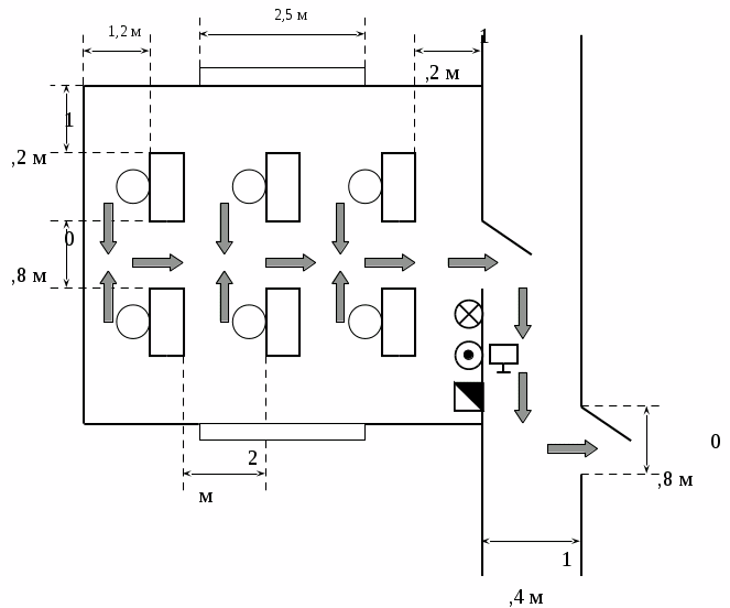
4. Схема пожароэвакуации и оснащение помещения средствами пожаропредупреждения и пожаротушения
При ведении радиомонтажных работ производится пайка, обслуживание припоем, применение ЛВЖ (этиловый спирт, скипидар). Поэтому данные работы являются пожароопасными. Электрические паяльники обеспечиваются специальными термостойкими диэлектрическими подставками. ЛВЖ хранится в посуде с герметическими крышками (пробками).
Схема пожароэвакуации представлена на рисунке 2.
Помещение оснащено:
Автоматический комбинированный извещатель типа КИ-1, реагирует как на возникновение дыма, так и на повышение температуры. Располагается в помещении и коридоре.
Ручной углекислотный огнетушитель типа ОУ-5 емкостью 5 л, предназначен для тушения радиоэлектронного оборудования. Время действия огнетушителя до 60 с, дальность струи 2 м.
Пожарный кран, предназначен для тушения пожара водой, устанавливается на высоте 1,35 м от пола, оборудован пожарным рукавом 10 - 20 м и пожарным стволом.
Ящик с песком объемом 1% от общего объема помещения; в нашем случае объем ящика с песком составляет 1,2 м3.
Р
исунок
2. - схема пожароэвакуации и оснастка
помещения средствами пожаропредупреждения
и пожаротушения.
Список использованной литературы
С.П. Павлов, З.И. Губонина "Охрана труда в приборостроении", Москва, "Высшая школа", 2006.
"Охрана труда в вычислительных центрах", Москва, "Машиностроение", 2000.
Н.И. Баклашов, Н.Ж. Китаева, Б.Д. Терехов, "Охрана труда на предприятиях связи и охрана окружающей среды", Москва, "Радио и связь", 1989.
Методические указания к выполнению раздела "Охрана труда" в дипломных проектах, Харьков, ХНУРЭ, 1998.
П.А. Долин, Справочник по технике безопасности, Москва, "Энергоиздат", 1982.
"Правила техники безопасности при электромонтажных и наладочных работах", Москва, "Энергоатомиздат", 1992.