Автоматизированные системы обработки информации и управления
Государственный комитет российской федерации
по высшему образованию
Нижегородский технический колледж
Лаборатория современного технического офисного оборудования
Учебное пособие
По специальности 2202
дисциплина
“Технические средства обработки информации”
Автоматизированные системы обработки информации и управления
Разработал: Шишанов Ю.А.
Утверждено на заседании
предметной комиссии
протокол №___ от ________19___г.
Председатель комиссии
_______________________________
г. Н. Новгород 2000г.
Содержание
1. Введение 5
1.1. Понятие: информация и информатика. Воздействие средств информации на органы чувств. Виды компьютерной информации 5
2. Средства копирования и размножения 12
2.1. Электрографическое копирование 12
2.1.1. Основные принципы электрографического копирования. 12
2.1.2. Принципы работы современных аналоговых копировальных аппаратов 14
2.1.3. Плоскостной электрографический аппарат ЭП-12 Р2 (ЭРА-12РМ) 21
2.1.4. Портативная настольная копировальная машина "Canon" FC-2. 22
3. Настольная электронная типография. ПЭВМ, периферийное оборудование и программное обеспечение 32
3.1. Устройства ввода 32
3.1.1. Клавиатура, мышь. Назначение, устройство и принцип работы 32
3.1.2. Джойстик, световое перо, дигитайзер. Назначение, устройство и принцип работы 35
3.1.3. Сканеры, типы сканеров и их технические характеристики. Назначение, состав и принцип работы 37
3.2. Устройства вывода 45
3.2.1. Мониторы и их характеристики. Назначение, состав и принцип работы. 45
3.2.2. Принтеры ударного действия. 55
3.2.3. Принтеры не ударного действия 59
3.2.4. Термический принтер 64
3.2.5. Плоттеры 65
4. Методы и средства мультимедиа 67
4.1. Методы и средства мультимедиа 67
4.1.1. Понятие мультимедиа, мультимедийный РС 67
4.1.2. Звуковая карта. Назначение, состав и принцип работы 70
4.1.3. Аналого-цифровое преобразование 71
4.1.4. Кодирование звуковых данных. Характеристики модулей записи и воспроизведения. 72
4.1.5. Модуль синтезатора. Синтез звука на основе частотной модуляции, таблицы волн, физического моделирования и их характеристики. 73
4.1.6. Объем памяти 79
4.1.7. Видео карта. Назначение, состав, и принцип работы по функциональной схеме. 84
4.1.8. Мультимедиа-ускорители 90
5. Офисное оборудование 92
5.1. Телевидение 92
5.1.1. Телевизионные стандарты 92
5.1.2. Упрощенная функциональная схема передатчик звука 98
5.1.3. Цветной кинескоп 104
5.1.4. Система телетекста 107
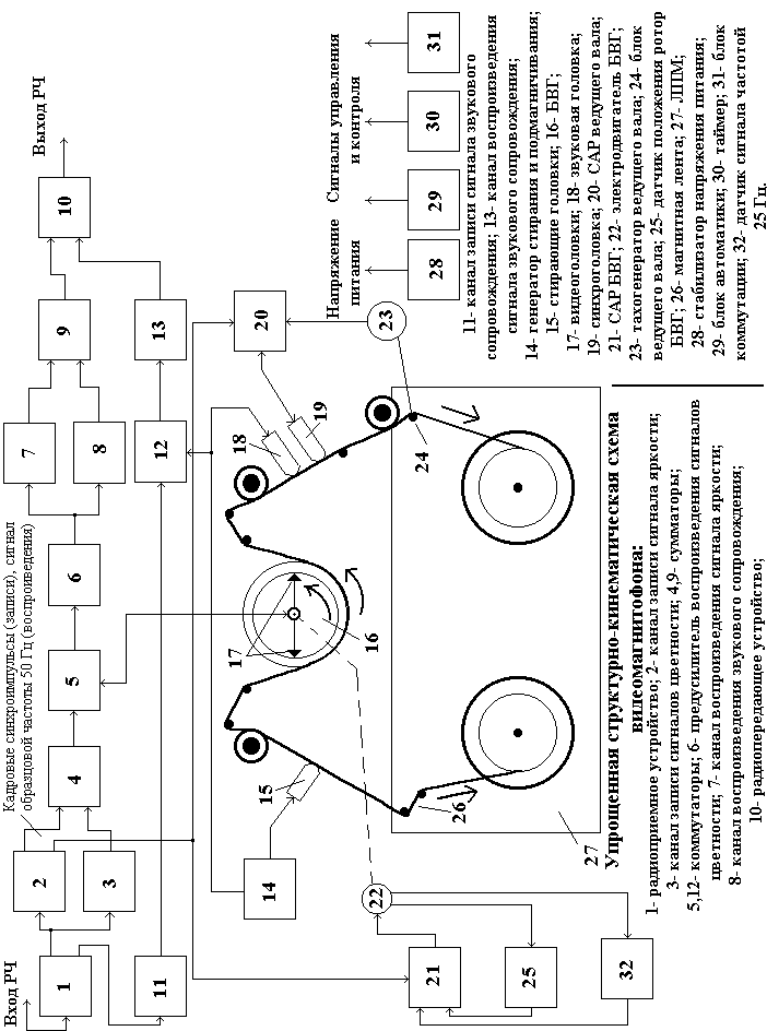
6. Кассетные видеомагнитофоны 115
6.1. Кассетные видеомагнитофоны “Электроника ВМ-12” 115
6.1.1. Лентопротяжный механизм 123
7. Телекоммуникационные средства связи 128
7.1. Факсимильная связь 128
7.1.1. Основные принципы факсимильной связи 128
Занятие 1. Принцип работы современного факсимильного аппарата 131
7.2. Сотовые телефоны 137
7.2.1. Принципы построения сотовой сети 137
7.2.2. Сотовые телефоны 145
7.2.3. Организация сотовой сети связи 152
8. Пейджинговая связь 155
8.1. "История пейджинга" 155
8.2. "Характеристики радиосигнала" 156
8.2.1. 16K0F1D 156
8.2.2. "Основные протоколы пейджинговой связи" 156
8.2.3. Протокол POCSAG 157
8.2.4. Протокол FLEX 157
8.2.5. Протокол ERMES 158
8.3. "Условное распространение радиоволн" 159
8.4. "Радиопейджинг в России" 160
8.5. "Будущее пейджинговой связи" 161
9. Телекоммуникационные средства связи 166
9.1. Локальные и глобальные вычислительные сети 166
9.1.1. Понятие: локальные и глобальные ВС 166
9.2. Топология сети 169
9.2.1. Топология «звезда» 169
9.2.2. Кольцевая топология 170
9.2.3. Шинная топология 171
9.3. Компоненты локальной сети 172
Литература:
О. Колесниченко, И. Шишигин “Аппаратные средства РС” Дюссельдорф, Киев, Москва, С. Петербург.
Справочник пользователя. “Модемы”. Лань С. Петербург 1997 г
Бэрри Нанс. “Компьютерные сети” Бипом Москва 1996 г.
Г. Вачнадзе. “Всемирное телевидение” Тбилиси изд. “Ганатлеба” 1989 г.
В. Фигурнов “IBM PC для пользователя”. С. Петербург 1994 г.
А. Коцубинский, С. Грошев. “Современный самоучитель работы в сети Интернет” Изд. Триумф. Москва 1997 г.
Берри Пресс “Ремонт и модернизация ПК” Библия пользователя. Изд. Диалектика. Москва. С. Петербург, Киев. 1999 г.
А. Бобров “Копировальная техника”, Сервис «Ремонт и обслуживание», Выпуск 9, Изд. ДМК, Москва 1999г.
В. Поляков. “Посвящение в радиоэлектронику”. Изд. Радио и связь. Москва 1988г.
В. Джакония, А. Гоголь, Я. Друзин и др. Телевидение: учебник для вузов. – М.: Радио и связь, 1997.
В. Виноградов Уроки телемастера. Изд. 2. – С.-Пб.: ЛАНЬ, КОРОНА-ПРИНТ, 1997.
1.Введение
1.1.Понятие: информация и информатика. Воздействие средств информации на органы чувств. Виды компьютерной информации
Понятие: информация и информатика
Информация - (от латинского слова Informatio разъяснение, изложение). Первоначальные – сведения, передаваемые одними людьми другим людям устным, письменным или каким-либо другим способом (например, с помощью условных сигналов, с использованием технических средств и т. д.), а также сам процесс передачи или получения этих сведений.
Информатика, дисциплина, изучающая структуру и общие свойства научной информации, а также закономерности её создания, преобразования, передачи и использования в различных сферах человеческой деятельности.
Благодаря наличию у человека пяти органов чувств, информация об окружающей среде поступает к человеку постоянно. Больше всего информации дает зрение. Если глаза открыты, то через них поступает огромное количество информации о форме и цвете предметов, о том, где они находятся, и даже о том, как они двигаются.
Вывод:
Вся информация, поступающая к человеку, состоит из сигналов.
Человек эти сигналы получает, обрабатывает и либо исполняет, либо запоминает.
Воздействие средств информации на органы чувств.
Человек так устроен, что он защищается от ненужной, непонятной и неприятной информации. Она проходит мимо него. В этом случае человек не обрабатывает её, а значит, не может запомнить и превратить в знание.
Та информация, которая не может быть понята и усвоена, называется - информационным шумом.
Вывод:
1. Человеку трудно потреблять информацию. Он может делать это только очень маленькими порциями. Любая перегрузка превращается в информационный шум, и. она становиться бесполезной, то есть не превращается в знания.
2. Человеку трудно обработать информацию. От этого он устает.
3. Человек можем, ошибиться. Из-за информационного шума он можем неправильно обработать информацию и превратить её ложное знание.
4. Человек необъективен (т.е. воспринимает информацию не такой, какой она есть, а такой, какой она ему кажется). Если информация совпадает с его личным мнением, он принимает, обрабатывает и усваиваем её очень легко. Если информация ему неприятна, он усваивает ее с большим трудом и многое остается без внимания.
5. Человек не может долго хранить информацию. Если не закреплять знания постоянными упражнениями, информация очень быстро забывается.
Что же такое компьютер?
Компьютер - это электронная машина, которая может:
Принимать информацию;
Обрабатывать информацию;
Хранить информацию;
Выдавать информацию.
Как было ранее сказано, этими функциями обладает и человек. Однако делает он это медленно, иногда с ошибками и не всегда охотно. Компьютер освобождает нас от необходимости обрабатывать горы информации, но делает он быстро, безотказно, выдает в том виде, в котором удобно человеку, и хранит сколь угодно долго.
Выполнения всех выше изложенных функций рассмотрим на примере компьютерной игры:
Загрузка программы игры в память - функция хранения:
Диалог компьютерной программы с человеком побуждающей к нажатию клавиши клавиатуры, джойстика или мыши - функция приема информации:
Анализ положения курсора относительно объекта на картинке монитора и принятие решения к действию - функция обработки информации
Вывод события на экран монитора - функция выдача информации
Вывод:
С точки зрения компьютера нет никакой разницы, чем заниматься. Он может составлять расписание школьных занятий, или расписания движения поездов. Может управлять работой большого цеха, а может управлять движением какого либо объекта в игре. Во всех случаях компьютер - это машина, которая делает одно и то же дело: получает, обрабатывает, сохраняет и выдает информацию.
Виды компьютерной информации
Как ранее было сказано, человек имеет дело со многими видами информации. Рассмотрим, какую информацию компьютер, по сравнения с человеком, не может принять, поэтому, обработать, хранить и выдавать.
- Так, ввести в компьютер запах розы, вкус яблока или мягкость плюшевой игрушки - нельзя никак.
Ранее говорилось, что компьютер это электронная машина, а значит, он работает с сигналами. Поэтому компьютер может работать только с той информацией, которую можно представить в виде сигнала. Если бы можно было представить вкус, запах в виде сигнала, то компьютер ног бы работать и с такой информацией, но делать этого пока не научились.
Надо отметить, что хорошо превращается в сигналы то, что мы видим. Для этой цели используют специальные электронные устройства: видеокамеры, цифровые фотоаппараты, сканеры.
Давно научились превращать в сигналы то, что мы слышим. Делают это с помощью микрофона.
Очень трудно превращать в сигналы то, что человек чувствует с помощью обоняния, осязания и вкуса. Ученые ещё не нашли таких способов. Значит, компьютеры с такой информацией работать, пока, не могут.
Вывод:
Компьютер может, работать только с той информацией, которую мы видим и слышим.
Пять видов компьютерной информации
Современные компьютеры могут работать с пятью видами информации:
Числовой информацией (числа);
Текстовой информацией (буквы, слова, предложения, тексты);
Графической информацией (картинки, рисунки, чертежи);
Звуковой информацией (музыка, речь, звуки);
Видеоинформацией (видеофильмы, мультфильмы, кинофильмы).
Все эти пять видов информации вместе называют одним словом: - мультимедиа.
Если компьютер может работать со всеми этими пятью видами информации, то его называют мультимедийным.
Если компьютерная программа использует все эти виды информации, то её называют мультимедийной.
Числовая информация
Для передачи информации на большое расстояние по проводам сто лет начал человек изобрел телеграф. Нашелся способ превращения чисел и букв в сигналы - специальная телеграфная азбука (Азбука Морзе). Короткий сигнал «точка». Длинный сигнал - «тире».
Для компьютеров азбука Морзе не пригодна, так как очень неудобно разбираться с тем, какой сигнал длинный, а какой короткий. Придумали более простые сигналы: если есть сигнал, то это единица. Если нет - нолик. Осталось научиться представлять числа в виде единиц и ноликов. Компьютер делает гак:
0 – 0 (ноль)
1 – 1 (один)
2 – 10 (ноль - один)
3 – 11 (один - один)
4 – 100 (один - ноль - ноль)
5 – 101 (один - ноль - один)
6 – 110 (один - один - ноль)
7 – 111 (один - один - один)
8 – 1000 (один - ноль - ноль - ноль)
9 – 1001 (один - ноль - ноль - один)
10 – 1010 (один - ноль - один - ноль)
Если необходимо перевести число 1999 в сигналы (двоичный код) то компьютер сам способен перевести его.
1998-11111001110
1999-11111001111
2000- 11111010000
Минимальное число представления информации - (ноль и один) – называют битами. Группа из восьми битов - байтами. Их четырех - полубайт.
В один байт можно записать число от 0 до 255. Для записи числа 1998 необходимо воспользоваться вторым байтом.
В двух байтах можно записать число - от 0 до 65535.
В трех - от 0 до 16 миллионов.
Текстовая информация
Каждой букве присваивается числовой номер. Например - букве «А» число 1, а букве «Б» - 2. Надо сказать, что прописные и заглавные буквы имеют разное число. В том числе, русский алфавит и латинский имеют свою кодировку. Для того чтобы различные компьютеры понимали друг - друга ученые выработали единый стандарт представления букв числами и назвали его «Кодировкой символов» «КОИ» (Рис. 1.1.1).

Рис. 1.1.1. Кодировка символов
Превратив буквы в числа, компьютер превращает числа в сигналы, и записывает их битами, из которых собираются байты:
А - 192- 11000000
Б - 193 - 11000001
В - 194- 11000010
Г- 195- 11000011
Д - 196 – 11000100 и так далее.
Графическая информация
Компьютеры могут работать с графической информацией. Это могут быть рисунки или фотографии. Для того чтобы картинка могла храниться и обрабатываться в компьютере, ей превращают в сигналы. Такое превращение называют оцифровкой (Рис. 1.1.2).
Для оцифровки графической информации служат специальные цифровые фотокамеры или специальные устройства – сканеры.

Рис. 1.1.2 Пример оцифровки рисунка
Цифровая камера работает, как обычный фотоаппарат, только изображение не попадает на фотопленку, а «запоминается» в электронной памяти такого «фотоаппарата». Потом такой аппарат подключают к компьютеру и по проводу передают сигналы, которыми зашифровано изображение.
Если картинка сделана на бумаге, то для того, чтобы превратить её в сигналы, используют сканеры. Картинку кладут в сканер. Сканер просматривает каждую точку этой картинки и передает в компьютер числа (байты), которыми зашифрован цвет каждой точки. Например:
Черная точка: 0, 0, 0;
Белая точка: 255, 255, 255;
Коричневая точка:153, 102, 51;
Светло-серая точка: 160, 160, 160;
Темно-серая точка: 80, 80, 80.
У каждого цвета свой шифр (его называют цветовым кодом).
Если каждый цвет передавать тремя байтами, то можно зашифровать более 16 миллионов цветов. Это гораздо больше, чем может различить человеческий глаз, но для компьютера это не предел.
Звуковая информация
Звук, музыка и человеческая речь поступает в компьютер в виде сигналов и тоже оцифровывается (Рис. 1.1.3. Рис. 1.1.4.), то есть превращается в числа, а потом - в байты и биты. Компьютер их хранит, обрабатывает и может воспроизвести (проиграть музыку или произнести слово).

Рис. 1.1.3
Для того чтобы ввести звуковую информацию в компьютер, к нему подключают микрофон или соединяют с другими электронными музыкальными устройствами, например, с магнитофоном или проигрывателем. Если в компьютере есть специальная, звуковая плата, то он может обрабатывать звуковую информации и воспроизводить человеческую речь, музыку и звуки.

Рис. 1.1.4
Видеоинформация
Современные компьютеры могут работать с видеоинформацией. Они могут записывать и воспроизводить видеофильмы, мультфильмы и кинофильмы. Как и все прочие виды информации, видеоинформация тоже превращается в сигналы и записывается в виде битов и байтов. Происходит это точно так же, как и с картинками - разница лишь в том, что таких «картинок» надо обрабатывать очень много.
Фильмы состоят из кадров. Каждый кадр - эго как бы отдельная картинка. Чтобы изображение на экране, выглядело «живой» и двигалось, кадры должны сменять друг друга с большой скоростью - 25 кадров в секунду. Если компьютер мощный и быстрый, то он может 25 раз в секунду обрабатывать в своей памяти новую картинку и показывать её на экране.
Сигналы для записи видеоизображений компьютер получает от видеокамеры. Как и все другие виды информации, он преобразует эти сигналы в биты и байты и записывает их в свою память.
Выводится видеоизображение на экран компьютерного монитора. При этом вместе с изображением может выводиться и звук.
Вопросы для повторения
Понятие: информация и информатика.
Воздействие средств информации на органы чувств человека.
Виды компьютерной информации. Дать их понятие и способы представления в ПК.
2.Средства копирования и размножения
2.1.Электрографическое копирование
2.1.1.Основные принципы электрографического копирования.
Введение
Ксерография, это наиболее распространенный процесс копирования документов (в том числе увеличенных копий с микрофильмов), основанный на использовании эффекта фотопроводимости некоторых полупроводниковых материалов, нанесенных на специальную бумажную, металлическую или другую основу, и их способности удерживать частицы красящего вещества с помощью электростатических сил. Принцип электрографического копирования запатентован в США в 1938; первые аппараты для электрографии созданы в 1950 году. Широкое распространение метода электрографии обусловлено высоким качеством копий, возможностью получения копий практически с любых оригиналов, высокой производительностью (св. 7000 копий в 1 час), а также возможностью изготовления печатных форм для офсетных машин. В 79-х гг. разработаны способы электрографического копирования, позволяющие получать многоцветные копии с тоновых оригиналов.
Различают электрографическое копирование непосредственное (прямое, непереносное) и косвенное (или переносное). В первом случае копии получают непосредственно на электрофотополупроводниковой бумаге; во втором – с использованием промежуточного носителя информации – “посредника”, которым служат полированный металлический лист (обычно алюминиевый), цилиндр или гибкая лента, покрытые слоем фотополупроводника (например, аморфным селеном, селенидом или сульфидом кадмия).
Рис. 2.1.1. Фотокамеры
Первые электрографические аппараты использовали принцип фотокамеры Рис. 1.1.1.
На Рис. 2.1.2. показана схема процесса непосредственного электрографического копирования. Фотополупроводниковый слой бумаги (носителя копии) в темноте заряжают (например, с помощью коронного электрического разряда) до потенциала несколько сотен вольт. На заряженный таким образом фотополупроводниковый слой проецируют изображение оригинала:
С освещенных (пробельных) участков слоя заряды стекают на проводящую основу;
Участки оказавшиеся неэкспонированными (соответствующие тёмным линиям оригинала), сохраняют заряд.
В результате в фотополупроводниковом слое возникает скрытое изображение оригинала в виде “потенциального рельефа”
Проявляют обычно с помощью красящего порошка (тонера), частицам которого сообщается заряд, по знаку обратный заряду потенциального рельефа.
Частицы тонера притягиваются к заряженным участкам потенциального рельефа, образуя видимое изображение (Рис. 2.1.2), которое затем закрепляется.
Закрепление может быть осуществлено методом нагревания до температуры плавления порошка. Таким образом, расплавленные частицы порошка склеиваются с бумажной основой.
При косвенном электрографическом копировании скрытое изображение оригинала образуется в светочувствительном слое “посредника”. Проявленное с помощью наэлектризованного красящего порошка, оно затем переносится на обычную бумагу, кальку или иной носитель копии. Процесс закрепления изображения такой же, как при непосредственном электрографическом копировании.

Рис. 2.1.2. Схема непосредственного электрофотополупроводникового копирования:
а – электрофотопроводниковая бумага – носитель копии
(1 – фотополупроводниковый слой, 2 – электропроводная основа);
б – распределение зарядов в носителе копии;
в – экспонирование фотополупроводникового слоя (стрелками обозначены световые лучи);
г – носитель копии после экспонирования;
д – проявление скрытого изображения (черными кружками обозначены частицы красящего порошка);
е – носитель копии с закрепленным изображением (чёрными прямоугольниками обозначены расплавленные частицы порошка, прилипшие к основе носителя).
Электрографическое копирование осуществляется в электрофотографических аппаратах с применением промежуточных носителей информации и получения копий на обычных бумагах и в аппаратах с получением копий на электрофотополупроводниковой бумаге.
Аппараты электрографического копирования различают:
По способам экспонирования;
По способам проявления (“мокрое” и “сухое”) и закрепления изображения;
По форматам оригинала и копии;
По степени автоматизации и т.д.
Экспонирование в аппаратах переносного копирования с “посредником” в виде пластины производится статическим способом – отдельными кадрами; в аппаратах с “посредником” в виде цилиндра или ленты применяют динамические способы (при котором оригинал, оптическая система и поверхность “посредника” непрерывно перемещаются относительно друг друга). Продолжительность экспонирования зависит от освещенности оригинала, светочувствительности фотополупроводника, качества оптической системы.
2.1.2.Принципы работы современных аналоговых копировальных аппаратов
Процесс сухого электростатического копирования, ставший фактическим стандартом для офисной копировальной техники, состоит из следующих этапов:
Предварительная зарядка отрицательным потенциалом фоточувствительного барабана.
Проецирование изображения на барабан таким образом, чтобы лучи, отраженные от светлых участков оригинала, нейтрализовали соответствующие области фоторецептора, оставляя отрицательно заряженными лишь те части барабана, на которые в дальнейшем будет накладываться тонер для переноса на бумагу.
Перенос частиц тонера с магнитного вала узла проявки на отрицательно заряженные участки поверхности фотобарабана.
Перенос тонера с барабана на бумагу.
Отделение бумаги от барабана.
Термическое закрепление копии.
Сердцем копировального аппарата является фотобарабан, называемый также просто барабаном или драмом. Часто фотобарабан рассматривается целиком - как неразделимый узел, включающий в себя:
несущие крепления
ракель для счистки отработанного тонера
бункер, куда этот тонер попадает после снятия с барабана
коротрон переноса
лампы предварительной засветки и бланкирования
специальные печатные платы барабана и т. п.
В таких случаях он называется узлом барабана, драм - картриджем или драм - юнитом. Основная функциональная часть фотобарабана светочувствительный слой, в котором при попадании фотонов света формируется скрытое электростатическое поле, представляющее собой точную проекцию оригинала, первоначально отразившего этот свет.
Примечание:
В отдельных моделях копировальных аппаратов встречаются некоторые модификации подобной конструкции. В Ricoh M-50, к примеру, барабан заменен на светочувствительную мастер - пленку, которая не имеет ничего общего с называемой так же и трафаретной пленкой, стоящей на припортах и ризографах, и тоже представляет собой фоточувствительный слои, но только нанесенный не на алюминиевый барабан, а на гибкую синтетическую основу (подобно тому, как вместо тефлоновых валов иногда используются тефлоновые термопленки).
Кроме узлов, непосредственно участвующих в процессе электростатического копирования, в копировальных аппаратах имеются узлы, предназначенные для транспортировки бумаги. В небольших портативных аппаратах транспортировку осуществляют всего несколько роликов подачи и соленоидов, но на более серьезной технике эту функцию выполняют следующие устройства:
поддоны (кассеты) с механизмом определения формата находящейся в них бумаги;
дуплексы, которые существенно упрощают производство двусторонних копий, поскольку накапливают в себе копии, отпечатанные на одной стороне бумаги, чтобы затем повторно подать их для копирования с другой стороны, когда оригинал на стекле экспозиции будет, перевернут вручную или автоматически;
автоподатчики (обозначающиеся ADF/SADF/RADF в зависимости от своего типа) - обычно на них можно поместить сразу стопку оригиналов, из которой они смогут самостоятельно забирать по одному листу;
сортеры, выполняющие разделение тиража по отдельным стопкам в различных режимах, задаваемых оператором;
финишеры, которые отличаются от сортеров тем, что вместо обоймы пластин используют для разделения тиража всего один подвижный лоток;
степлеры, часто входящие в состав сортеров и автоматически прошивающие стопки готовых копий скрепками.
Кроме того, высокопроизводительные копировальные аппараты могут комплектоваться такими узлами, как кабинет (простая металлическая тумба на колесиках, на которой удобно размещать большие копиры), счетчиками пользовательских карточек (дают возможность руководителю иметь четкое представление о числе копии, сделанных на аппарате каждым из сотрудников), контактными планшетами (позволяют выполнять примитивное редактирование изображения) и прочими усовершенствованиями.
Если при проектировании портативных моделей в качестве приоритетов выступают дешевизна, относительная простота устройства и компактность узлов, то в высокопроизводительных копировальных аппаратах конструкторы могут позволить себе применить сложную электронику и последние достижения техники, например вакуумную подачу бумаги. Тем не менее, основные принципы копировального процесса одинаковы для одного из первых портативных копиров Canon FC-2, уже достаточно давно снятого с производства, и для современного крупнотиражного агрегата Sharp SD-2275, использующего графический дисплей и прочие передовые технологии.
Оптическая система
В копировальных аппаратах используется как подвижный экспозиционный стол, так и неподвижную оптическую систему с зеркалами и тросовой передачей. Подвижный стол устроен элементарно, но не очень удобен в эксплуатации и не позволяет масштабировать изображение. Его обычно применяют в не слишком дорогих «персональных» копировальных аппаратах, рассчитанных на производство 50 копий в день и стоящих до 1000 долларов. Из моделей, описанных в настоящем руководстве, используют:
подвижный стол:
Canon PC-310/330/336;
Canon FC-310/330/336;
Canon PC-300/320/325/400/420/430;
Canon FC-210/230/200/220;
неподвижный:
Canon PC-720/740/750/770/780;
Canon NP-6012/6112/6212/6312
Оптическая система предназначена для плавного перемещения узкого направленного луча света сканирующей лампы по оригиналу, чтобы отраженный от поверхности оригинала пучок фотонов падал на синхронно - вращающуюся поверхность барабана и под его воздействием в слое фоторецептора возникало статическое поле, соответствующее изображению на оригинале. Более подробно существенные особенности оптической системы отдельных моделей описываются в специальной литературе.
Система подачи и транспортировки бумаги
Современные копировальные аппараты в большинстве своем работают с обычной офисной бумагой. Лишь немногие экзотические модели, например ризографы (Riso) и припорты (Ricoh), требуют бумагу со специальным покрытием или очень чувствительны к ее капиллярным свойствам.
Примечание:
У многих моделей есть возможность копировать на прозрачную пластиковую пленку для проекторов (ОНР transparent sheets). В последнем случае часто рекомендуется к листу пленки, подаваемому с ручного лотка, прикреплять снизу лист обычной бумаги таким образом, чтобы его передняя кромка выступала за переднюю кромку прозрачного листа в среднем на 1 см. Такая мера призвана облегчить прохождение пластиковой пленки через копировальный тракт. Следует обязательно иметь в виду, что речь здесь идет исключительно о термостойкой пленке, предназначенной специально для использования в офисной технике, в которой предусмотрено температурное закрепление. Любые попытки провести через нагретый до рабочей температуры фьюзер обычную полиэтиленовую пленку закончатся тем, что пленка расплавится и налипнет на детали.
Обычно требования к плотности бумаги лежат в диапазоне от 40 до 200 г/м2, но для каждой конкретной модели могут быть свои особенности.
Внимание:
Если бумага имеет недостаточную плотность то готовые копии, подвергающиеся термическому воздействию при закреплении, могут загибаться кверху, упираться в грубо сформованную корпусную деталь и сминаться.
Рекомендуется выбирать бумагу по возможности более высокого качества так как, использование бумаги низкого качества приводит к сильному износу рабочих узлов аппарата, и в первую очередь фоторецептора и уменьшается его срок службы в несколько раз.
Примечание:
У дешевой бумаги есть два очевидных технических недостатка. Стараясь сэкономить на качестве целлюлозы, производители формируют недостаточно однородную массу, что приводит к значительному повышению абразивного воздействия бумаги на фоторецептор. Кроме того, поскольку листы фасуются поштучно (в среднем по 500 листов на пачку), производители, выпуская менее плотные листы, экономят на массе бумаги. Бумага с недостаточной плотностью гораздо легче заминается на тракте подачи, чаще рвется при попытках извлечь ее.
Общие рекомендации по выбору бумаги таковы:
Предпочтительно брать бумагу с самым высоким коэффициентом белизны и плотностью не менее 80 г/м2.
Хранить бумагу надо в сухом помещении при комнатной температуре, располагая пачки горизонтально. В условиях повышенной влажности воздуха бумага может покоробиться, и ее свойства ухудшаются
Не рекомендуется сразу же начинать копирование на бумаге, долгое время находившейся в холодном помещении. Лучше выждать от получаса до суток, в зависимости от перепада температур и общего количества бумаги.
Размеры и ориентация подаваемых для копирования листов могут быть различными. Максимальный размер определяется размерами экспозиционного стекла и шириной тракта подачи конкретной модели, а минимальный - лишь характеристиками тракта подачи и в среднем колеблется от размера визитной карточки до размера почтовой открытки. Бумага для производства копий может подаваться либо с ручного лотка, либо с поддона. В некоторых моделях листы автоматически забираются по одному из пачки, помещенной в лоток ручной подачи. Модели, в которых закладывается всего по одному листу, несколько проще по конструкции. С бокового лотка бумага подается напрямую, не изгибаясь, как при подаче с поддона, поэтому требования к бумаге, поступающей в копировальный аппарат таким способом, значительно ниже. Именно так - с ручного лотка - следует подавать картон, пластиковую пленку, визитные карточки и почтовые открытки для надпечатки. Поддоны, рассчитанные на хранение большого количества листов с автоматической подачей их по мере надобности, имеют механические ограничители, выставляемые оператором в соответствии с форматом бумаги, которую он собирается загружать. Начиная от копировальных аппаратов среднего класса, поддоны оснащены датчиками формата, позволяющими процессору выбрать нужный процент увеличения/уменьшения оригинала для автоматического масштабирования, а также самостоятельно подать бумагу из подходящего по формату поддона. Бумага, поступающая с ручного лотка или с поддона, останавливается для синхронизации перед барабаном, и как только на валик (шторку) синхронизации приходит сигнал от процессора, копирование начинается. Бумага проходит под фотобарабаном, на нее переносится тонер, далее она отделяется от поверхности барабана коротроном отделения (для этих целей также используются пальцы отделения и рассчитанная кривизна листа, когда бумага отходит от барабана под действием собственного веса). После этого бумага транспортируется - как правило, с помощью одного или нескольких резиновых ремней - в термоблок, где лежащий на ее поверхности тонер расплавляется и впрессовывается, образуя готовую копию.
Узел проявки
Скрытое электростатическое изображение, сформированное в слое фоторецептора падающими на него лучами света, отраженными от сканируемого оригинала, необходимо сделать видимым, нанеся на заряженные участки барабана равномерный тонкий слой тонера. Для выполнения этой задачи фоторецептор перед экспонированием заряжается отрицательно. Затем области, которые на копии должны получиться светлыми, разряжаются светом из узла сканирования, и на фоторецепторе остаются отрицательно заряженными лишь те участки, на которые должен быть нанесен тонер. Тонер содержится в специальном блоке проявки, соседствующем в аппарате с фотобарабаном, а иногда и составляющем с ним один узел. Частицы тонера заряжены положительно и, будучи помещенными в непосредственной близости от фоторецептора, легко переносятся на его отрицательно заряженные области. Обеспечить необходимое расположение и добиться равномерного притока тонера для переноса его на барабан позволяет конструкция узла проявки, на примыкающем к фотобарабану крае которого имеется вращающийся магнитный вал, притягивающий к себе тонер из бункера. Существует два типа тонера:
однокомпонентный (его красящие частицы сами по себе обладают магнитными свойствами)
двухкомпонентный (его красящие частицы, предназначенные для переноса на фотобарабан, не могут самостоятельно удерживаться на магнитном валу узла проявки, но прилипают к находящимся в бункере частицам специального магнитного порошка, называемого девелопером или носителем, и попадают вместе с ними на магнитный вал).
Примечание:
Тонер формирует на магнитном валу блока проявки так называемую магнитную кисть, то есть нарастает, подобно металлической стружке, на магнит. В зависимости от модели аппарата и свойств тонера, девелопера и магнитного вала эта «кисть» может быть либо вполне различимой для человеческого глаза, либо представлять собой тонкий полупрозрачный слой частиц тонера, равномерно распределенных по металлической поверхности магнитного вала. В случае однокомпонентной системы сила притяжения частиц тонера к девелоперу или магнитному валу подобрана таким образом, чтобы она была меньше электростатического притяжения к заряженной поверхности барабана и соответственно не препятствовала переносу частиц на него. В двухкомпонентной системе девелопер остается на магнитном валу узла проявки и продолжает служить дальше. Итак, в процессе проявки на поверхность фотобарабана наносится зеркальное позитивное изображение в виде тончайшего слоя тонера.
Перенос изображения на бумагу и ее отделение от фотобарабана
Скрытое и затем проявленное изображение на фотобарабане представляет собой зеркальное отображение оригинала и потому может быть перенесено на проходящую под барабаном бумагу простым совмещением поверхностей, при котором выполнится обратная зеркальная трансформация и получится точная копия. Ввиду низкой адгезии тонера и обычной офисной бумаги простой механический контакт поверхности листа с фоторецептором не обеспечит должного переноса красящего порошка. Поэтому приходится использовать более сильное, чем сформированное на барабане, статическое поле, перетягивающее положительно заряженные частицы тонера на бумагу. Для этого служит коротрон переноса, размещенный под проходящим через аппарат листом бумаги. В результате такого расположения все притягиваемые его отрицательным зарядом частицы тонера отрываются от фоторецептора и попадают на поверхность бумаги, создавая там копию оригинала. Коротрон переноса может быть как проволочным, представляющим собой туго натянутую тонкую (около 70 мкм в диаметре) металлическую нить со специальным напылением, так и игольчатым в виде металлической пластины с частыми острыми зубцами, или губчатым - в форме обтянутого специальным пенистым полимером металлического вала, находящегося под напряжением, который вплотную прижимается к барабану и выполняет таким образом еще и функцию дополнительного ролика подачи.
Нить коротрона часто обрывается из-за неграмотного вмешательства. Кроме того, находясь под высоким напряжением, она производит значительное количество озона, что существенно влияет на здоровье, поскольку воздействие озона в больших дозах на организм человека в любом случае неблагоприятно.
Эмиссия озона от игольчатых, а особенно губчатых коротронов гораздо ниже, чем от проволочных. Кроме того, они в целом более надежны, поскольку их труднее повредить механически. Тем не менее и у таких видов коротронов встречаются собственные неисправности в виде пробоя напряжения на корпус, возникающего в результате загрязнения. Могут также отойти или засориться контакты, появиться механические дефекты.
Часть тонера, оставшаяся на фоторецепторе после переноса, счищается с него специальным резиновым лезвием, ракелем, и попадает в бункер для отработанного тонера, предусмотренный конструкцией аппарата.
Чтобы исключить прилипание статически заряженного листа бумаги к барабану, используется специальная техника его отделения. Преимущественно это отделение по кривизне: конструкция рассчитывается так, чтобы дать листу отделиться под действием собственного веса и жесткости. В сочетании с такой техникой часто применяется специальный коротрон отделения, воздействующий на проходящую за барабан бумагу положительным зарядом и нейтрализующим ее статическим полем. Этот метод очень полезен в случаях, когда копии изготовляются на слишком тонкой бумаге, не обладающей достаточным весом и жесткостью, чтобы отделиться «по кривизне».
Кроме того, на некоторых моделях копиров рядом с барабаном установлены специальные отделительные лапки.
После отделения от барабана незакрепленная копия подается в термоблок, где проходит заключительная стадия процесса копирования - закрепление.
Узел закрепления
Аппараты, копирующие изображение методом электростатического переноса, используют не жидкую краску, а сухой красящий порошок, который необходимо каким-то образом фиксировать после нанесения на бумагу. Это достигается путем нагрева под определенным давлением. Часть аппарата, отвечающая за этот процесс, называется узлом закрепления, термоблоком, фьюзером (от английского слова fuse- плавка, плавить) или попросту печкой.
В узел термозакрепления входят:
нагревательный элемент;
резиновый прижимной вал;
направляющие подачи, обеспечивающие правильное попадание еще не закрепленной копии в термоблок;
отделительные лапки, предотвращающие наматывание закрепленной копии на валы термоблока;
температурные датчики, контролирующие температуру нагревательного элемента;
термостат (термопредохранитель), обрывающий питание нагревательного элемента в случае, если температура превысит критическое значение.
Примечание. В первых моделях электростатических копировальных аппаратов, использовавшихся в 60-х годах, не было подобных механизмов защиты, поэтому они часто возгорались.
В термоблоке может располагаться также:
чистящий фетровый вал, собирающий на себя большую часть грязи с резинового и тефлонового валов
щетка, снимающая статический заряд с бумаги
датчик, призванный сообщать процессору о том, что копия проходит через термоблок.
В большинстве узлов закрепления в качестве нагревательного элемента используются лампы накаливания, обеспечивающие специальному валу, изготовленному из алюминия и покрытому тефлоном (этот вал принято называть тефлоновым).
Примечание:
Некоторые копиры систему быстрого поверхностного нагрева, в которой место нагревательной лампы и тефлонового вала занимают керамический термоэлемент и тефлоновая пленка.
При такой схеме, когда источник тепловой энергии входит в почти непосредственный контакт с копией, энергия расходуется более эффективно и практически не требуется времени на предварительный прогрев копировального аппарата для приведения его в рабочее состояние.
2.1.3.Плоскостной электрографический аппарат ЭП-12 Р2 (ЭРА-12РМ)
Назначение, состав и принцип работы
Плоскостной электрографический аппарат ЭП-12 Р2 (ЭРА-12РМ) предназначен для получения копий с оригинала масштаба 1:2 или 2:1.
Технические характеристики
1. Наибольший размер оригинала: мм 597 х 441
2. Масштаб копирования 2:1 или 1:2
3. Вид проявления сухое, каскадное
4. Скорость копирования, кол/ч 60
Состав: (плакат)
Оригиналодержатель;
Осветитель;
Объектив;
Камера;
Процессор с кассетой;
Рама.
Принцип работы:
Оригинал устанавливается и укрепляется в оригиналодержатель;
Включается освещение, открывается затвор объектива;
В процессор вместо кассеты вставляется матовое стекло;
При помощи регулировочных винтов на матовом стекле добиваются сфокусированного изображения;
Выключают освещение, закрывается затвор объектива;
При помощи зарядного устройства заряжают фотополупроводниковую пластину;
Заряженную пластину вставляют в процессор;
Снимают крышку с кассеты;
На фотоэкспонометре выставляют время выдержки;
Реле фотоэкспонометра включает осветитель и открывает затвор объектива;
Экспонированную кассету вынимают из процессора и помещают в устройство с красящим порошком;
Полученное таким образом изображение оригинала на пластине, методом непосредственного соприкосновения, переносят на бумагу;
Полученный отпечаток изображения закрепляют в парах ацетона или пропускают через разогретые ролики.
2.1.4.Портативная настольная копировальная машина "Canon" FC-2.
Назначение, состав и принцип работы.
Назначение
Копировальная машина “CANON” FC-2 предназначена для получения копий оригинала размером 210 Х 297 см. и меньше (Рис. 2.1.3.).
Технические данные.
Табл. 2.1.1.
|
Тип |
Портативная настольная машина |
|
Система копирования |
Сухой электростатический перенос |
|
Оригиналы |
Листы, переплетённые оригиналы |
|
Размер оригинала |
Максимум А4 |
|
Размер копии |
6,35 х 8,89 см (визитные карточки) - А4 |
|
Скорость копирования |
5 копий / мин |
|
Непрерывное копирование |
Задаваемое количество 1-9. Режим С для непрерывного копирования - до 20 |
|
Выход 1-й копии |
Примерно 18 секунд |
|
Время прогрева |
Примерно 20 секунд |
|
Масштаб копий |
1:1 |
|
Система экспонирования |
Щель экспонирования с подвижным стеклом оригинала |
|
Подача бумаги |
Автоматическая подача бумаги для копий |
|
Система закрепления |
Нагревательные ролики |
|
Система проявления |
Проявление по методу магнитной щетки |
|
Источник света |
Флуоресцентная лампа |
|
Фоторецептор |
Барабан ОРС |
|
Источник питания |
Переменный ток 220/240 В, 50 Гц |
|
Расход энергии |
0,93 кВт |
|
Масса |
11,6 кг |
|
Размер машины |
381 мм ширина х 415 мм глубина х 137 мм высота |
Устройство

Рис. 2.1.3.
Состав:
Крышка оригинала;
Стекло оригинала;
Выходной лоток;
Лоток для бумаги;
Направляющие бумаги;
Панель управления;
Отклоняющее зеркало;
Фотобарабан;
Ролики очистки;
Резервуар с тонером;
Барабан девелопер;
Провод разряда;
Коронирующий провод;
Фиксирующий цилиндр.
Принцип работы (Рис. 2.1.4)

Рис. 2.1.4. Функциональная схема ксерокса
Важнейшим конструктивным элементом ксерокса является вращающийся барабан, с помощью которого производится перенос изображение на бумагу.
Барабан представляет собой металлический цилиндр, покрытый тонкой пленкой светопроводящего полупроводника (оксида цинка).
На поверхности барабана равномерно распределяется статический заряд. Для этого служит тонкая проволока, называемая коронирующим проводом.
На этот провод подается высокое напряжение, вызывающее вокруг него светящуюся ионизированную область называемой короной.
Отраженное изображение от оригинала проходит через щель, отклоняющее зеркало и попадает на вращающийся барабан. Под действием лучей света полупроводниковый слой барабана изменяет электрический заряд. Таким образом, на барабане возникает скрытая копия изображения.
На следующем рабочем шаге, на фото-барабан наносится тонер (мельчайшая красящая пыль). Под действием статического заряда эти мелкие частицы легко притягиваются к поверхности барабана в точках, подвергнувшихся экспозиции, и формируется видимое изображение.
Бумага втягивается из подающего лотка и с помощью системы валиков перемещается к барабану. Перед барабаном бумаге сообщается статический заряд. Бумага под действием заряда соприкасается с барабаном и притягивает, благодаря заряду, частицы тонера от барабана.
Для фиксации тонера, бумага пропускается между двумя нагретыми до температуры около 180 0 С роликами.
После процесса печати барабан полностью разряжается и очищается от прилипших частиц.
Панель управления
Панель управления предназначена для управления процессом копирования и изменения режимов работы копировальной машины (Рис. 2.1.5.).

Рис. 2.1.5.
Регулятор экспонирования: - служит для изменения времени экспонирования в ручном режиме (Индикатор ручного/автомат экспонирования не светится);
Индикатор ручного/автомат экспонирования;
Кнопка ручного/автомат экспонирования (индикатор светится – автоматическое экспонирование, индикатор не светится – ручное экспонирование);
Индикатор замены картриджа (индикатор мигает – необходимо заменить картридж);
Индикатор застревания бумаги (индикатор светится при аварийной ситуации);
Сервисный индикатор (индикатор светится если количестве полученных копий превышает 20000 экземпляров и требует замены фоточувствительного барабана);
Дисплей количества копий и кодов состояния – отображает необходимое количество получаемых копий 1-9, и высвечивает коды состояния при аварийных ситуациях;
Коды состояния:
E0 - за определенное время термодатчик на термоэлементе не разогрелся до нужной температуры (1800); причины:
сгорел термоэлемент, вероятность 80%;
нет контакта в разъемах на термоэлементе или термодатчике, 10%;
неисправен термодатчик, 5%;
другое, 5%.
Е1 - проблема с термопленкой. Менять термопленку лучше человеку с опытом.
Иногда причиной бывают неполадки с термоэлементом, термистором, платой постоянного тока.
E2 - неполадки каретки.
E6 - неисправность лампа экспозиции.
Клавиша количества – задает количество копий 1-9;
Клавиша стоп/отмена – установка количества заданных копий и отмена выполняемой операции;
Клавиша старт – включает режим копирования.
Хранение бумаги.
Для надежной работы машины и хорошего качества копий фирма Рэнк Ксерокс рекомендует, чтобы бумага хранилась:
На плоской поверхности
В закрытом шкафу
В помещении с малой влажностью
При частичном использовании пачки - плотно обернутой в упаковочную бумагу
Тип бумаги, которая может использоваться.
ПРИМЕЧАНИЕ: Для наилучшего качества копий использовать только листы бумаги имеющих марку Ксерокс.
Табл. 2.1.2.
|
Материал для копирования |
Лоток для бумаги |
|
Размеры бумаги |
6,35 х 8,89 см (визитные карточки) - А4 |
|
Плотности бумаги |
Оптимальная 75 г/кв.м Диапазон 60-90 г/кв.м |
|
Вместимость (74 г/кв.м) |
40 листов |
|
Бланки с шапками |
Да |
|
Бумага с перфорацией |
Да |
|
Листы с наклейками |
Да (максимум 1 за один раз) |
|
Прозрачные листы |
Да (максимум 1 за один раз) |
Порядок изготовления копий и обслуживания
После установки машины и завершения цикла её прогрева машина готова к изготовлению копий.
Открыть крышку оригинала.
Поместить оригинал изображением вниз в верхнем правом углу стекла оригинала и закрыть крышку.
Примечание: Текст расположенный очень близко к краю оригинала, может не скопироваться (стирание края). Полезно перевернуть оригинал на стекле.
Настроить направляющую бумаги на лотке на ширину бумаги и поместить бумагу в лоток.
Проследить, чтобы загрузка бумаги не превышала метки МАХ (40 листов) на лотке для бумаги.
Специальная или плотная бумага должна подаваться по 1-му листу.
Задать требуемое количество копий.
Нажать на клавишу СТОП/С для отмены индикации количества.
Режим задания количества
Нажать на клавишу Количества до появления индикации нужного числа копий (1-9).
Непрерывный режим
Нажать на клавишу количества до появления на дисплее буквы С. Машина теперь может изготовить до 20 копий. Если в лотке меньше 20 листов бумаги, машина продолжает изготовление копий до опустошения лотка, после чего на дисплее количества выдается мигающее Р.
Регулятор автоэкспонирование настраивает копируемый фон.
Нажать на клавишу СТАРТ.
Для остановки копирования нажать на кнопку СТОП.
2- стороннее копирование.
Поместить первый оригинал на стекло ИЗОБРАЖЕНИЕМ ВНИЗ и ВЕРХОМ оригинала СПРАВА и закрыть крышку.
Задать требуемое количество и нажать на СТАРТ для изготовления копий.
Удалить первый оригинал и поместить второй оригинал на стекло с той же ориентацией, что и первый оригинал. Закрыть крышку.
Извлечь копии из выходного лотка, перевернуть их и вставить каждую копию ИЗОБРАЖЕНИЕМ ВНИЗ в лоток для бумаги.
Задать требуемое количество и нажать на СТАРТ для копирования второго оригинала.
Застревание бумаги
Мигание на дисплее буквы “Р” количества копий, когда лоток для бумаги пустой или когда бумага застряла при подаче из лотка.
Буква “Р” выдается также, если лоток для бумаги не установлен правильно.
Проверить наличие бумаги в лотке.
Если лоток пустой, загрузить бумагу и нажать на СТАРТ для продолжения.
Дисплей количества выдает остающееся число копий. Если машина находится в непрерывном режиме, выдается индикация “С”.
При истечении более 90 секунд до нажатия на СТАРТ количество должно быть задано снова.
При застревании бумаги осторожно удалить её и нажать на СТАРТ.
Может потребоваться снять лоток для удаления застрявшегося листа.
Не использовать застрявший лист.
Дисплей количества покажет остающееся число копий. Если машина в непрерывном режиме выдается индикация “С”.
Участок выхода
Мигание индикатора
(застревание) и остановка машины означает
застревание бумаги в зоне выхода или
на внутреннем пути бумаги.
Соблюдать осторожность, чтобы не повредить фоторецептор или коротрон во время устранения застревания. Не касаться фьюзера.
Выключить машину для очистки индикатора застревания.
Проверить участок выхода на застрявшую бумагу и удалить её.
Проверить бумагу внутри участка выхода. Этот тип застревания обычно вызывается превышением вместимости выходного лотка (40 листов).
Удалить любые остающиеся копии из лотка.
Вставить очиститель коротрона/объектива в выходное отверстие для удаления бумаги внутри участка выхода.
Включить машину.
ВНИМАНИЕ
Не касаться блестящей поверхности фоторецептора. Царапины или мазки приводят к ухудшению качества копий и к возможному укорачиванию срока службы машины.
Не оставлять фоторецептор на свету в течение продолжительного времени (свыше 10 минут). Это приводит к его повреждению и ухудшению качества копий.
Замена картриджа тонера
Индикатор
замена картриджа тонера мигает, когда
картридж пустой. Машина останавливается,
когда текущая работа будет закончена.
Сдвинуть стекло оригинала влево.
Нажать на кнопку для открывания передней крышки.
Взяться за рукоятку и за запорный рычаг и вытянуть картридж тонера наружу.
Извлечь новый картридж тонера из мешка.
Энергично встряхнуть картридж для освобождения слежавшегося тонера. Активное встряхивание картриджа позволяет получить максимальное количество копий с одного картриджа.
Вдвинуть новый картридж тонера плотно в машину так, чтобы он защелкнулся на месте.
Снять защитное уплотнение со щели над рукояткой.
Закрыть переднюю крышку и вернуть крышку оригинала в её исходное положение.
Отдача от картриджа тонера

Рис. 2.1.6.
Главным фактором, влияющим на отдачу от картриджа тонера, является плотность изображения на оригинале. На (Рис. 2.1.6) показан пример того, как количество копий от картриджа уменьшается с увеличением плотности изображения.
Другие факторы, которые могут влиять на отдачу от картриджа:
Размер копируемого оригинала;
Темный тон;
Оставление крышки оригинала открытой;
Количество включений и выключений машины.
Высокая влажность.
Для получения максимальной отдачи от картриджа тонера:
Всегда вести копирование при закрытой крышке оригинала;
Оставлять машину включенной в течение дня. Выключать машину в конце рабочего дня;
Вести копирование при регуляторе экспонирования, настроенном на Авто экспонирование, если только требуется регулировка на фон вашего оригинала;
Когда это возможно, устанавливать машину в сухом помещении.
Сервисный индикатор
Сервисный индикатор
загорается после изготовления примерно
20 тысяч копий для того, чтобы указать,
что пришло время заменять фоторецептор
и сборник отработанного тонера. Эта
замена не входит в гарантийные
обязательства.
Обслуживание копировальной машины
Если копии имеют полосы или пятна, коротрон и объектив требуют очистки.
Выключить машину;
Сдвинуть стекло оригинала вправо и открыть крышку оригинала;
Снять очиститель коротрона/объектива в верхнем правом углу крышки оригинала.
Для очистки коротрона поместить относящиеся к коротрону конец очистителя, выровнять стрелки, помеченные 1;
Сдвинуть очиститель по кромке стекла два-три раза;
Для очистки объектива поместить относящийся к объективу конец очистителя, выровнять стрелки, помеченные 2;
Поместить очиститель коротрона/объектива на крышку оригинала.
Включить машину.
Характерные неисправности и методы их устранение
Табл. 2.1.3.
|
Состояние машины |
Предлагаемое решение |
|
Машина не работает |
Включена ли машина в розетку? Включен ли выключатель питания? Установлен ли картридж тонера? |
|
Машина включена, но копии не изготовляются |
Горит ли какой-либо из индикаторов? Есть ли бумага в лотке? |
|
Пустые копии |
Помещен ли оригинал изображением вниз на стекле? |
|
Светлые или темные копии |
Настроен ли правильно регулятор экспонирования? |
|
Копии имеют полоски или линии или копии плохого качества |
Не загрязнилось ли стекло или крышка оригинала? Не требует ли очистки коротрон или объектив? |
|
Частое застревание бумаги для копий |
Не влажная ли бумага? Применяется ли спец. материал? |
|
Изображение легко стирается с копии |
Не слишком ли плотная бумага? Не влажная ли бумага? |
|
Машина прогревается дольше, чем обычно, и издает щелкающий звук |
Возможен низкий запас тонера. Встряхнуть картридж тонера. Не касаться открытого тонера на левой стороне картриджа. Проверить наличность в запасе нового картриджа. |
|
Отдача от картриджа ниже ожидаемой, и индикатор тонера включен |
Тонер мог слежаться в картридже. Встряхнуть картридж, стараясь не касаться открытого тонера на левой стороне картриджа. |
|
Получение меньшего числа копий от картриджа тонера, чем ожидалось |
Убедиться, что оригинал не имеют рисунков, участков сплошного изображения или толстых линий. Избегать применять оригиналы, требующие более высокого расхода тонера - бланки, газеты, книги и т.д. Не допускать частого включения и выключения машины. Не оставлять крышку оригинала открытой во время копирования. |
Вопросы для контроля:
Принцип электрографического копирования. Схема процесса непосредственного элетрофотополупроводникового копирование.
Плоский электрографический аппарат ЭП-12 Р2 (ЭРА-12 РМ). Назначение, состав и принцип работы (по плакату).
Копировальная машина “CANON” FC-2. Назначение, состав и принцип работы по функциональной схеме.
Панель управления настольной, копировальной машины “CANON” FC-2. Назначение органов управления.
Порядок изготовления копий. 1-стороннее и 2 – стороннее копирование. Копирование в автоматическом и ручном экспонировании.
Основные неисправности настольной копировальной машины “CANON” FC-2, методы их устранения. Замена картриджа тонера.
Обслуживание копировальной машины.
3.Настольная электронная типография. ПЭВМ, периферийное оборудование и программное обеспечение
3.1. Устройства ввода
3.1.1.Клавиатура, мышь. Назначение, устройство и принцип работы
Введение
Из основы классической схемы вычислительной системы следует, что для ввода информации широко использовалась клавиатура. Однако и другие устройства ввода, например, сканеры, которые несколько лет назад были ещё недоступны, больше не относятся к экзотическим устройствам ввода. В отличие от видео карт и мониторов устройства ввода, как и устройства вывода, гораздо более стандартизированы.
Клавиатура
В настоящее время клавиатура является основным устройством ввода информации в РС, несмотря на сильную конкуренцию со стороны мыши. Это положение не изменится до тех пор, пока не будет создана надежная и не дорогая система распознавания человеческой речи.
Принцип действия
Принцип действия клавиатуры представлен на Рис. 3.1.1. сигнал при нажатии клавиши регистрируется контроллером клавиатуры и передается в виде так называемого СКЭН-КОДА на материнскую плату.

Рис. 3.1.1. Принцип действия клавиатуры
СКЭН-КОД - это однобайтовое число, младшие 7 бит которого представляют идентификационный номер, присвоенный каждой клавише. На материнской плате РС для подключения клавиатуры используется специальный контроллер. Для РС типа АТ обычно применяется микросхема универсального периферийного интерфейса. СКЭН-КОД поступает в контролер, процессор прекращает свою работу и выполняет процедуру, анализирующую СКЭН-КОД. Данное прерывание обслуживается специальной программой, входящей в состав ROM BIOS. Затем введённый код помещается в буфер клавиатуры, представляющий собой область памяти, способную запомнить до 15 вводимых символов, пока прикладная программа не может их обработать. Буфер организован по принципу FIFO (первый пришел - первый вышел). Каждая клавиша генерирует два типа СКЭН-КОДА: код нажатия, когда клавиша нажимается, и код освобождения, когда клавиша отпускается.
Конструктивное исполнение
Для изготовления простой клавиатуры используется пластмасса и резина. При нажатии клавиши штемпель (резина) соприкасается с контактной площадкой, благодаря чему замыкается цепь, что фиксируется контроллером клавиатуры.
Более надежные и дорогие по стоимости клавиатуры используют микропереключатели, герконовые и сенсорные кнопки.
Мышь

Рис. 3.1.2. Принцип действия оптико-механической мыши
Наряду с клавиатурой мышь является важнейшим средством ввода. Широкое распространение мыши явилось разработка удобного графического интерфейса пользователя.
Принцип работы
При перемещении мыши по коврику «тяжелый» шарик приходит в движение и вращает соприкасающиеся с ним валики. Ось одного валика вращается горизонтально, а другого - вертикально. На этих осях установлены диски с растровыми отверстиями, которые вращаются между двумя пластмассовыми цоколями. На первом цоколе находится источник света, а на другом - фоточувствительный элемент (фотодиод, фоторезистор или фототранзистор). Этот фотосенсор определяет, где находится источник света; перед отверстием или за пластмассовой перегородкой диска. Поскольку таких перегородок два, то порядок освещения фоточувствительных элементов определяет направление перемещения мыши, а частота приходящих импульсов - скорость.
Импульсы при помощи микроконтроллера превращаются в совместимые с РС данные и передаются через интерфейс RS232 на материнскую плату.
Драйвер мыши
В качестве стандарта в мире РС выступает так называемая Microsoft-совместимая мышь (MS-Mouse). С помощью драйверов для этой мыши можно управлять всеми совместимыми мышами.
Если сомнение в совместимости мыши с MS-Mouse, на корпусе имеется переключатель, который обозначен как MS или PC, необходимо установить мышь в режим совместимости с MS-Mouse. В некоторых старых моделях такой переключатель отсутствует. Для инициализации такой мыши надо какое-то время держать нажатой её левую клавишу, что вызовет переключение в режим MS-Mouse.
Подключение драйвера мыши подобно подключению драйвера клавиатуры. Для автоматической инициализации он должен быть включен в один из стартовых файлов AUTOEXEC.BAT или CONFIG.SYS.
Для стартового файла AUTOEXEC.BAT нужно включить команду:
C:\Windows\Mouse
Для стартового файла CONFIG.SYS – команду:
Device = C:\Windows\Mouse
Типы мыши
Оптическая мышь работает по принципам, схожим с работой оптико-механической мыши, только перемещение мыши регистрируется не механическими валиками. Оптическая мышь посылает луч на специальный коврик. Этот луч после отражения от коврика поступает в мышь и анализируется электроникой, которая в зависимости от типа полученного сигнала определяет направление движения мыши, основываясь либо на углах падения света, либо на специальной подсветке.
Инфракрасная мышь. Движение мыши регистрируется при помощи уже известной механики и преобразуется в инфракрасный сигнал, который затем передается на приемник.
Радио-мышь. Передача информация от мыши осуществляется посредством радиосигналов.
Трекбол. Можно сравнить с мышью, которая лежит на спине шарообразным брюхом вверх. Принцип действия трекбола такой же, как и мыши.
3.1.2.Джойстик, световое перо, дигитайзер. Назначение, устройство и принцип работы
Джойстик
Джойстик - это устройство ввода, которое заняло прочную позицию, прежде всего, в области компьютерных игр. Они подразделяются на цифровые и аналоговые. Цифровые джойстики, как правило, применяются в игровых приставках и игровых компьютерах. Аналоговый джойстик имеет существенное преимущество перед цифровыми, так как цифровые реагирует, в основном, на положение управляющей ручки (влево, вправо, вверх, вниз) и статус кнопки «огонь». Аналоговые джойстики регистрируют минимальные движения ручки управления, что обеспечивает более точное управление игрой.
Световое перо
Световое перо применяется довольно редко, что существенно ограничивает его применение. Оно представляет собой вид шариковой ручки, в которую вместо пишущего шарика вмонтирован фотоэлемент. Вместо стержня находится электронная составная часть, которая оценивает сигналы. Световое перо функционирует только совместно с монитором. При прикосновении стержнем к поверхности экрана электронное излучение регистрируется фотосесором светового пера. Так как экран монитора состоит из множества точек (пикселов), то полученный сигнал можно передать на графическую карту, которая вычислит координаты электронного луча по времени его регистрации. Таким образом, теоретически световое перо может заменить мышь, однако это сомнительная альтернатива, так как если для управления крупными объектами световое перо еще надежно в применении, при выборе мелких объектов оно не удобно.
Дигитайзер
Дигитайзер (со световым пером) является профессиональным стандартным устройством для графических работ, так как он позволяет с помощью соответствующих программ преобразовать в векторный формат изображение, полученное в результате передвижения руки оператора.
Первоначально дигитайзер был разработан только для систем автоматизированного проектирования (CAD) требующие задание точного значения координат большого количества точек. Выполнить это требование при использовании обычных устройств ввода (клавиатуры) трудно, а при помощи мыши практически невозможно.
Состав:
Графический планшет;
Устройство указания (курсор или световое перо).
Принцип действия: - основан на регистрации местоположения устройства указания с помощью интегрированной в планшет сетки, состоящий из проводников. Расстояние между соседними проводниками может быть 3-6 мм.
В зависимости от механизма определения местоположения устройства указания, дигитайзеры подразделяются: - электростатические и электромагнитные.
В первом случае: – определение местоположения устройства осуществляется путем регистрации локального изменения электрического потенциала сетки под курсором.
Во втором случае: - курсор является передатчиком, а сетка – приемником.
Характеристики дигитайзера:
разрешение – характеризует шаг считывания информации в ячейке сетки и измеряется количеством линий на 1мм. (линий/мм).
Погрешность в определении координат, которая возникает вследствие погрешностей регистрирующей сетки, влияние температуры, помех и т.д. И составляет 0,1 – 0,7мм.
В среднем погрешность электромагнитных дигитайзеров меньше чем электростатических.
Графический планшет
Графический планшет бывает на твердой (планшетный дигитайзер) или гибкой (гибкий дигитайзер) основе. Размер рабочего поля дигитайзера как формат бумаги (например, А4, А3).
Курсор, перо
В качестве устройства указания в дигитайзерах может использоваться курсор или перо.
Среди пользователей приложений САПР (CAD) наиболее популярен курсор. Он может быть: 4-, 8-, 12- или 16 кнопочный. Одним из лучших признан 4-кнопочный курсор. Перья имеют одну, две или три кнопки. Существуют перья, чувствительные к нажатию, имеющие до 256 градаций степени нажима. От нажатия зависит либо толщина линии, либо оттенок цвета. Перо имитирует кисть при рисовании акварелью, масляными красками, и т.д.
Для реализации возможностей дигитайзера необходимо специальное программное обеспечение (Adobe PhotoShop Fractal Designer).
Питание дигитайзера
Питание для дигитайзера подается со встроенного или внешнего блока питания. Для некоторых моделей - от последовательного порта.
3.1.3.Сканеры, типы сканеров и их технические характеристики. Назначение, состав и принцип работы
Назначение и классификация сканеров
Сканером называется устройство, позволяющее вводить в компьютер в графическом виде текст, рисунки, слайды, фотографии и др. Сканеры можно классифицировать по следующим признакам:
по способу форматированию (кодированию) изображения;
по типу кинематического механизма (способу перемещения преобразователя свет-сигнал и оригинала относительно друг друга);
по типу вводимого изображения;
степени прозрачности оригинала;
особенностям аппаратного и программного обеспечения.
Способ форматирования изображения
Линейный
Матричный
Кинематический механизм
Ручной
Настольный
Комбинированный
Тип сканируемого изображения
Черно-белый
Полутоновый
Цветной
Прозрачность оригинала
Отражающий
Прозрачный
Аппаратный интерфейс
Специализированный
Стандартный
Программный интерфейс
Специализированный
TWAIN - совместимый
Способ формирования изображения
Технология считывания данных в современных устройствах оцифровывания изображений реализуется на основе использования светочувствительных датчиков двух типов: приборов с зарядовой связью (ПЗС) или фотоэлектронных умножителей (ФЭУ).
Кинематический механизм
Определяющим фактором для данного критерия является способ перемещения считывающей головки сканера и бумаги относительно друг друга. Поэтому параметру сканеры подразделяются на две группы: - ручные и настольные.
Во всех сканерах имеются:
источники света;
механизм перемещения датчика (или система отклоняющих зеркал) вдоль оригинала, либо перемещение оригинала относительно датчика;
электронное устройство (для преобразования считанной информации в цифровую форму).
Ручной сканер
Сканирование осуществляется вручную последовательным перемещением сканера относительно оригинала.
В корпусе шириной не более 10-12см. размещаются лишь датчики и источник света.
Преимущество:
низкая стоимость;
небольшой размер;
широкие возможности выбора оригинала.
Недостатки:
не постоянство скорости перемещения сканера относительно оригинала вызывает искажение сканированного образа.
Ограниченные возможности использования совместно с программами распознавания.
Настольные сканеры
К категории настольных сканеров относятся: - планшетные, роликовые, барабанные и проецируемые сканеры.
Планшетные сканеры
Основной отличительный признак планшетного сканера – сканирующая головка перемещается относительно бумаги с помощью шагового двигателя.
Преимущества: - простота и удобство в эксплуатации.
Недостаток: - большие габариты.
Роликовые сканеры (листовой сканер)
Оригинал пропускается через ролики механизма подачи бумаги и попадает в поле зрения линейки датчиков.
Режимы работы сканера:
режим сканирования;
режим факсимильной передачи.
Преимущества:
компактность;
возможность автоматического функционирования;
низкая стоимость.
Недостатки:
сложность выравнивания оригиналов;
ограниченный диапазон типов оригинала;
неудобство работы с листами разного размера;
возможность повреждения оригинала.
Барабанные сканеры
Оригинал закрепляется на поверхность прозрачного цилиндра из органического стекла (барабан) укрепленного на массивном основании. Барабан вращается с большой скоростью (от 300-1350 об/мин). Находящиеся рядом сканирующие датчики через маленькую апертуры, считывают изображение с высокой точностью.
Преимущества:
сканирование с наиболее высоким разрешением;
широкий диапазон типов оригиналов.
Недостатки:
большой размер;
невозможность непосредственного сканирования книг и журналов;
высокая стоимость этих устройств.
Проекционные сканеры
Проекционные сканеры напоминают фотоувеличитель или проекционный аппарат. Оригинал располагается изображением вверх на подсветке под сканирующей головкой на расстоянии около 30 см. Внутренний источник света не требуется, естественного освещения оказывается достаточным. Механизм поворота внутри головки датчика направляет «глаз» сканера на каждую линию оригинала.
Преимущества:
удобство выравнивания оригинала;
небольшая занимаемая площадь;
разнообразие сканируемых оригиналов (в том числе трехмерных);
возможность комбинирования плоских и трехмерных оригиналов.
Недостатки:
зависимость от источника внешнего освещения;
ограничения на размер оригинала;
трудность расположения нестандартных оригиналов (например: - книги в развернутом виде).
Матричные сканеры
В слайдовых сканерах, цифровых фото и кинокамерах ПЗС – датчики имеют форму прямоугольной матрицы, что позволяет формировать образ оригинала целиком, а не построчно.
К матричным сканерам относятся:
цифровые камеры;
устройства захвата видео - изображений.
Цифровые камеры
Цифровая камера больше похожа на компьютер (как носитель мультимедийной информации). При помощи цифровой камеры можно не только фиксировать изображение, но и записывать звук, параметры съемки и т.п.
Возможности цифровых камер:
возможна запись, как отдельных кадров, так и их последовательность;
имеют жесткий съемный диск объемом 100-170 Мб;
обеспечивают 24-36 – битовых представлений цвета;
обладают разрешением 30-70 линий на дюйм.
имеют жидкокристаллический экран, позволяющий просматривать и отбирать кадры.
Цифровые камеры подразделяются: - студийные, вне студийные и бытовые.
В бытовых камерах изображение с разрешением приемлемым для просмотра на мониторах или экранах TV, но не достаточно для печати.
Студийные и вне студийные цифровые камеры: - реализуют технологию трех - кадровой или однокадровой цветной съемки, используют матрицу ПЗС большого размера.
Видео-сканеры: (фрейм - грабберы, видеобластеры)
К видео-сканерам относятся устройства, которые представляют собой плату расширения, установленную в слот РС и имеющие входы для подключения видеокамеры, телевизора, видеомагнитофона.
Достоинство:
информация считывается не построчно, а целиком что избавляет от многих движущихся частей, присущих традиционным сканерам.
Обеспечивают высокую скорость сканирования.
Недостатки:
низкая разрешающая способность сканирования (определяется телевизионным стандартом).
Монитор компьютера не способен отображать видеосигналы непосредственно. Поэтому в комплект поставки некоторых видеокамер входит специальный интерфейс для подключения видеомонитора, с помощью которого можно просмотреть запись и выбрать кадр.
Принцип работы сканера
Неотъемлемой частью любого сканера являются аналого-цифровые преобразователи (АЦП). Они предназначены для преобразования непрерывно изменяющихся значений напряжений, получаемых с помощью ПЗС или ФЭУ, в числа, соответствующие оттенкам цвета или градаций серого. Качество сканированного изображения напрямую связано с разрядностью используемого в сканере АЦП. В черно-белых (двухуровневых) сканерах аналогичное преобразование выполняет компаратор, сравнивая зафиксированное значение напряжения с опорным напряжением.
Блок – схема черно-белого сканера
Рис. 3.1.3. Блок – схема черно-белого сканера
ПЗС - это твердотельный электронный компонент, состоящий из множества датчиков, которые преобразуют интенсивность падающего на них света в пропорциональный ей электрический заряд. В основу ПЗС положена чувствительность проводимости p-n - перехода обыкновенного проводникового диода к степени его освещенности. На p-n переходе создается заряд, который уменьшается со скоростью, зависящей от освещенности. Чем меньше заряд, тем больше ток, проходящий через диод.
Блок – схема цветного сканера с вращающимся RGB - фильтром

Рис. 3.1.4. Блок – схема цветного сканера с вращающимся RGB - фильтром
Блок – схема цветного сканера с dichroic - фильтром
Р
ис.
3.1.5. Блок – схема
цветного сканера с dichroic
- фильтром
В зависимости от типа сканера ПЗС могут иметь различную конфигурацию. При линейном способе считывания информации микродатчики ПЗС размещаются на кристалле в одну линию (для проходного сканирования). Такая конфигурация позволяет устройству производить выборку всей ширины исходного аналогового изображения и записывать его как полную строку. Данный способ формирования изображения (Рис. 3.1.6.) обычно используется в доступных широкому кругу пользователей ручных, планшетных и проекционных сканерах.

Рис. 3.1.6. Способ формирования изображения в планшетных сканерах
Барабанные сканеры
В барабанных сканерах (Рис. 3.1.7) в качестве светочувствительных приборов применяются фотоэлектронные умножители. В качестве источника света в этих сканерах используется ксеноновая или вольфрамо-галогенная лампа, излучение которых с помощью конденсаторных линз и волоконной оптики фокусируется на небольшой области оригинала. Отраженный от оригинала луч попадает через объектив на фотоэлектронный умножитель. Свет выбивает из него электроны, которые, проходя через пластины динодов, вызывают вторичную электронную эмиссию. Напряжение, пропорциональное освещенности катода ФЭУ, снимается с анода и затем преобразуется в цифровой код.

Рис. 3.1.7. Способ формирования изображения в барабанных сканерах
Характеристики сканеров
Оптическое разрешение - определяется размером элементарного ПЗС датчика и характеризует плотность, с которой сканирующее устройство производит выборку информации в заданной области оригинала. Разрешающая способность сканера измеряется в пикселях на дюйм.
Максимальное разрешение сканера приводится с учетом интерполяционных возможностей устройства.
Область сканирования определяется самого большого оригинала, который может быть сканирован устройством.
Оптический диапазон, который характеризует способность сканирующего устройства воспроизводить плавные тоновые изменения и выражает различие между самыми светлыми и самыми темными тонами, которые могут быть зафиксированы с помощью сканера.
Разрядность битового представления в качестве показателя степени с основанием 2 определяет максимальное число цветов или градаций серого, которые может воспроизводить сканер.
Метод сканирования при описании моделей цветных сканеров определяет одно - или трехпроходовый способ считывания информации о яркости оригинального изображения в трех основных цветах системы RGB.
Скорость сканирования - показатель быстродействия сканера, который равен времени, затраченному на обработку одной строки оригинального изображения. Измеряется в миллисекундах (мс). На практике под скоростью сканирования понимают количество страниц черно-белого оригинала, сканируемых в минуту с максимальным оптическим разрешением.
Технология сканирования определяется типом и параметрами используемого светочувствительного датчика (ПЗС или ФЭУ).
Тип и цвет источника света. В зависимости от этого возможны различные варианты сканирования цветных оригиналов. Например, применение цветных светофильтров для удаления не желательных пятен или оттенков определенных цветов.
Поддерживаемые компьютерные платформы - характеристика совместимости сканера с различными компьютерными системами и всеми применяемыми в них периферийными устройствами и программными приложениями.
Дополнительные возможности сканера. Например - дополнительные возможности обработки прозрачных оригиналов, автоматическая подача листов и факсимильная передача сканируемых изображений.
Интерфейс - следует понимать варианты аппаратного подключения устройства к компьютеру.
Вопросы для повторения
Клавиатура. Принцип действия по структурной схеме. Понятие СКЭН-КОДА. Конструктивное исполнение. Драйвер клавиатуры, и способы его инициализации.
Мышь. Назначение, состав и принцип работы опто-механической мыши по структурной схеме. Способы подключения и инициализации драйвера мыши.
Типы мыши. Их отличия и конструктивные особенности.
Джойстик. Назначение, преимущества и их конструктивные особенности.
Световое перо. Назначение, преимущества и недостатки. Конструктивные особенности.
Дигитайзер. Назначение, состав, область применения и отличия, в зависимости от механизма определения местоположения устройства (электростатические, электромагнитные). Графический планшет. Курсор и перо.
Назначение сканера. Классификация сканеров.
Способы формирования изображения на основе приборов с зарядовой связью и фотоэлектронных умножителей.
Принцип работы черно-белого сканера по блок схеме.
Принцип работы цветного сканера по блок схеме с вращающимся RGB- фильтром.
Принцип работы по блок схеме цветного сканера с dichroic - фильтром.
Планшетные сканеры. Назначение, состав и способ формирования изображения.
Барабанные сканеры. Назначение, состав и способ формирования изображения.
Общие характеристики сканеров.
3.2.Устройства вывода
3.2.1.Мониторы и их характеристики. Назначение, состав и принцип работы.
Введение
Из сведений о ПК известно, что монитор относится к устройству вывода. Персональный компьютер может без особых проблем работать и без принтера, то использование РС без монитора даже трудно себе представить. Поэтому устройства вывода за исключением монитора обозначают как вторичные.
Мониторы
Монитор (дисплей) компьютера IBM PC предназначен для вывода на экран текстовой и графической информации. Мониторы бывают цветные и монохромные. Они могут работать в одном из двух режимов: текстовом или графическом.
Текстовый режим. В текстовом режиме экран монитора условно разбивается на отдельные участки - знакоместа, чаще всего на 25 строк по 80 символов (знакомест). В каждое знакоместо может быть выведен один из 256 заранее заданных символов. В число этих символов входят большие и малые латинские буквы, цифры, символы:
~ ! @ # $ % ^ & * ( ) _ + { } [ ] ; : ’ ” < > / ? , .
а также псевдографические символы, используемые для вывода на экран таблиц и диаграмм, построения рамок вокруг участков экрана и т.д.
В число символов, изображенных на экране в текстовом режиме, могут входить и символы кириллицы (буквы русского алфавита).
Графический режим. Графический режим монитора предназначен для вывода на экран графиков, рисунков и т.д. Разумеется, что в этом режиме также можно выводить на экран и текстовую информацию в виде различных надписей, причем эти надписи могут иметь произвольный шрифт, размер букв и т.д.
│┌┬├┼┤┘┴═║╒╓╔╕╖╗╘╙╚╛╜╝╞╟╠╡╢╣╤╥╦╧╨╩╪╫╬▀▄█▌▐░▒▓
В графическом режиме экран монитора состоит из точек, каждая из которых может быть светлой или темной на монохромных мониторах или одного из нескольких цветов - на цветных. Количество точек по горизонтали и вертикали называется разрешающей способностью монитора в данном режиме. Например, выражение “разрешающая способность монитора 640х480” означает, что монитор в данном режиме выводит 640 точек по горизонтали и 480 - по вертикали. Следует заметить, что размер экрана монитора не влияет на разрешающую способность, равно как и большой и маленький телевизоры имеют на экране 625 строк развертки изображения.
Часто используемые мониторы.
Наиболее широкое распространение в компьютере IBM PC получили мониторы типов MDA, CGA, Hercules, EGA и VGA. Их характеристики приведены в Табл. 3.2.1..
Табл. 3.2.1.
|
Монитор |
Цвет/моно |
Текстовый режим |
Графический режим |
|
MDA |
Монохромный |
80х25, 2 цвета |
640х200, 2 цвета |
|
CGA |
Цветной |
80х25, 16 цветов |
640х200, 2 цвета 320х200, 4 цвета |
|
Hercules |
Монохромный |
80х25, 2 цвета |
720х348, 2 цвета |
|
EGA |
Цветной |
80х25, 16 цветов 80х43, 16 цветов |
640х350, 16 цветов |
|
VGA |
Цветной |
80х25, 16 цветов 80х50, 16 цветов |
640х480, 16 цветов 640х350, 16 цветов 320х200, 256 цветов |
В настоящее время мониторы MDA, CGA, EGA и Hercules практически не используются, так как они не обладают надлежащей разрешающей способностью, что приводит к быстрому утомлению глаз. Большинство компьютеров выпускаемых в настоящее время используют мониторы типа VGA, которые обеспечивают достаточное качество изображения в текстовом и графическом режимах. Для многих программ, использующих графический интерфейс, требуется лучшее качество, чем у мониторов VGA. В таких случаях используют мониторы Super VGA(SVGA) c разрешающей способностью 800х600, 1024х768 и 1560х1024.
Скорость работы.
Важной характеристикой адаптера монитора является скорость работы. В тестовом режиме все адаптеры работают достаточно быстро, но при выводе графических изображений с высоким разрешением скорость работы довольно существенна. В данном случае может оказаться необходимым использование видеоускорителя.
Видеопамять.
Монитор по отношению к процессору выступает в той же роли, что телевизор по отношению к телецентру: он показывает изображение, формируемое процессором.
В графическом режиме монитора в видеопамяти для каждой точки экрана должен быть записан тот цвет, которым она выводится. Так что чем больше разрешающая способность и чем больше может одновременно изображаться цветов на экране, тем больше должен быть объем видеопамяти. Для режима 800х600х256 и 1024х768х16 требуется видеопамять размером 512Кбайт, а для 1024х768х256 - 1Мбайт.
Размер точки (зерна) экрана.
На качество изображения на экране существенно влияет размер точки (пикселя) на экране. Чем меньше размер точки, тем четче изображение. На мониторах стандартного размера (14’’) при максимальном разрешении 640х480 удовлетворительное изображение получается при размере зерна 0,39мм, а хорошее - при 0,31мм, а для режима 1024х768 - 0,25 - 0,28 мм.
Качество изображения.
Если на компьютере приходится работать не 10-15 мин в день, а часами или даже весь день, то следует особое внимание обратить на качество изображения: не мерцает ли экран, нет ли на нем цветных пятен и т.д. Нежелательно, если справа от ярких или темных полос появляется их тень. Мониторы с дефектным изображением приводят к быстрому утомлению людей, которые с ними работают - такие мониторы покупать не следует.
Экранные фильтры.
Для защиты от бликов на поверхности экрана, а также для уменьшения излучений, исходящих от экрана, используют экранные фильтры. Наилучшую защиту от бликов дают стеклянные поляризационные фильтры.
Принцип работы монитора
Принцип действия монитора на базе электронно-лучевой трубки мало отличается от принципа обычного телевизора и заключается в том, что созданный катодом (электронной пушкой) пучок электронов, попадая на экран, покрытой люминофором, вызывает его свечение. На пути пучка электронов обычно находится дополнительные электроды: модулятор, регулирующий интенсивность пучка электронов и связанную с ней яркость изображения, и отклоняющая система, позволяющая изменить направления пучка.
Любое текстовое или графическое изображение на экране монитора компьютера (так же, как и телевизора) состоит из множества дискретных точек люминофора, представляющий собой минимальный элемент изображения (растра) и называемых пикселями. Такие мониторы называются растровыми. Электронный луч в этом случае периодически сканирует весь экран, образуя на нём близко расположенные строки развёртки. По мере движения луча по строкам видеосигнал, подаваемый на модулятор, изменяет яркость светового пятна и образует видимое на экране изображение. Разрешающая способность монитора определяется числом элементов изображения, которые он способен воспроизводить по горизонтали и вертикали, например, 640х480 или 1024х768 пикселов.
Для формирования растра (Рис. 3.2.1.) в мониторе используются специальные сигналы. В цикле сканирования луч движется по зигзагообразной траектории от левого верхнего угла до правого нижнего. Прямой ход луча по горизонтали осуществляется сигналами строчной (горизонтальной - H.Sync) развертки, а по вертикали - кадровой (вертикальной - V.Sync) развертки. Перевод луча из крайней правой точки строки в крайнюю левую точку следующей строки (обратный ход луча по горизонтали) и из крайней правой позиции последней строки экрана, а крайнюю левую позицию первой строки (обратный ход луча по вертикали) осуществляется специальными сигналами обратного хода.

Рис. 3.2.1.Формирование растра на экране монитора
Таким образом, наиболее важными для монитора являются следующие параметры: частота вертикальной (кадровой) развертки, частота горизонтальной (строчной) развертки и полоса пропускания видеосигнала.
Описанный выше способ формирования изображения применяется и в телевизионной технике. Частота обновления изображения (частота кадров) составляет 25 Гц. С первого взгляда кажется, что это очень низкая частота. Однако в телевидении для сужения полосы частот спектра телевизионного сигнала применяется чересстрочная развертка, т.е. полный растр получается за два приема. Сначала за время, равное 1/50 с, передается (воспроизводятся) только нечетные строки: 1, 3, 5 и т.д. эта часть растра называется полем нечетных строк или нечетным полукадром. Затем развертывающий электронный луч быстро переводится от нижнего края экрана вверх и попадает в начало 2-й (четной) строки. Далее луч прорисовывает все четные строки: 2, 4, 6, т.д. так формируется поле четных строк или четный полукадр. Если наложить оба полукадра друг на друга, то получится полный растр изображения.
Данный способ формирования изображения, как в мониторе, так и в телевизорах оказался возможным благодаря двум свойствам, а точнее, недостаткам, нашего зрения:
Инерционность восприятия световых раздражений, т.е. возникновение и прекращение фотохимических реакций в сетчатки глаза после начала и окончания воздействия импульса света происходит не мгновенно, а с задержкой, характеризующей эту инерционность (приблизительно 0,1 с). Время сохранения светового возбуждения сетчатки глаза составляет 0,4-1,0 с после окончания действия светового раздражения. Благодаря такому свойству зрения оказалось возможным производить поэлементную развертку изображения от строки к строке и от одного полукадра к другому (при чересстрочном способе формирования изображения), т.е. изображение представляется в виде быстро сменяющейся последовательности строк и кадров
Ограниченная разрешающая способность по перемещению. Это свойство учитывается при отображении движущихся предметов на экране монитора или телевизора. Для того чтобы движения казались плавными, каждое изменение положения предметов должно быть передано небольшими порциями. Глаз человека воспринимает изображение как непрерывное, если смена кадров происходит с частотой 20-25 Гц. Частотой смены кадров определяется устойчивость изображения. Чем выше устойчивость, тем меньше утомляемость глаз от мерцания экрана. Поэтому с использованием построчного формирования изображения, частоту кадров мониторов PC стараются повышать. У хороших мониторов кадровая частота достигает 70-80 Гц.
Формирование цветного изображения
Принцип Формирования растра цветного монитора такой же, как и у монохромного, однако, в основу формирования цветного изображения положены другие свойства цветового зрения.
Трехкомпонентность цветового восприятия
Это означает, что все цвета могут быть получены путем сложения трех основных цветов (синий, зеленый, красный), что позволило в цветных мониторах использовать метод аддитивного смешения цветов (Рис. 3.2.2.).

Рис. 3.2.2. Модель смешения цветов
Пространственное усреднение цвета.
Если на изображении имеются близко расположенные цветные детали, то с большого расстояния мы не различим цвета отдельных деталей. Учитывая это свойство зрения, в электронно-лучевой трубке монитора формируется цвет одного элемента изображения из трех цветов люминофорных зерен, расположенных рядом. В соответствии с особенностями человеческого зрения в электронно-лучевой трубке цветного монитора имеются три лучевые пушки с отдельными схемами управления, а на внутреннюю поверхность экрана нанесен люминофор трех основных цветов (RGB) (Рис. 3.2.3.).

Рис. 3.2.3. Полная модель образования цветов на экране монитора
Таким образом, каждая пушка стреляет по своим пятнам люминофора. Для этого в каждом кинескопе имеются апертурная решетка или теневая маска. Она служит для того, чтобы каждая пушка попадала только в точки люминофора соответствующего цвета. Теневая маска представляет собой пластину из спец. металла - инвара, с очень низким коэффициентом линейного расширения. На нее наносят систему отверстий, соответствующих точкам люминофора на внутренней поверхности кинескопа. Апертурная решетка образована системой щелей с аналогичными функциями.
Среднее расстояние между пикселями называется зерном и составляет 0,25-0,41мм.
Люминофорное покрытие экрана
При изготовлении дешевых мониторов экран покрывается люминофором, частицы которого светятся при попадании на них электронного пучка, но имеют короткий период послесвечения. Высвеченные пиксели экрана должны продолжать светиться в течение времени, которое необходимо электронному лучу, чтобы просканировать весь экран и вернуться для активизации данного пикселя уже при прорисовке следующего кадра. Следовательно, минимальное время послесвечения должно быть не меньше периода смены кадров - 20мс. Если это не выполняется, происходит мерцание изображения. При использовании высококачественных дорогих материалов такой эффект не наблюдается. Каждая точка светится в течение всего времени, которое необходимо лучу для сканирования всего экрана. Изображения на экранах, покрытых высококачественными люминофорами, кажется контрастным, абсолютно чистым и немерцающим.
Типы мониторов и их характеристики
Аналоговые мониторы.
В данном случае речь пойдет о мониторах, которые работают с адаптерами VGA, SVGA и др. Они способны поддерживать разрешение 640х480 и более. В названии аналоговый отражаются не возможности разрешения (в отличие от TTL-мониторов), а способ передачи информации о цветах от видеокарты к монитору.
Аналоговый сигнал передается путем изменения амплитуды напряжения. VGA мониторы могут работать не только в цветном, но и монохромном режиме. В монохромном режиме цвета заменяются оттенками серого цвета. В аналоговом монохромном мониторе для отображения информации используется только видеосигнал зеленого. Сигналы красного и синего при этом не передаются.
Мультичастотные мониторы.
Все современные мониторы можно разделить на 3 большие группы:
С фиксированной частотой
С несколькими фиксированными частотами
Многочастотные (их также называют мультичастотные)
Мониторы с фиксированной частотой воспринимают синхросигналы какой-либо одной частоты, например, для кадровой развертки 60 Hz, а для строчной - 31,5 kHz. Мониторы с несколькими фиксированными частотами менее критичны к значениям частот синхроимпульсов и могут работать с набором из 2 или более сочетаний частот синхроимпульсов кадровой и строчной развертки. Мультичастотные мониторы называемые иногда Multisync, обладают способностью настраиваться на произвольные значения частот синхросигналов из некоторого определенного диапазона, например, 30-64 kHz - для строчной и 50-100 Hz - для кадровой.
Диагональ монитора.
Диагональю монитора, как и телевизора, называется расстояние между левым нижним и правым верхним углами экрана. Это расстояние измеряется в дюймах. В качестве стандарта для ПК выделились мониторы с диагональю 14’’ и 15’’. Для оптимальной работы в Windows 9x c более высоким разрешением следует установить монитор с диагональю 17 дюймов. А для профессиональной с работы с настольными издательскими системами и системами автоматического проектирования (САПР) рекомендуется монитор с диагональю 20, 21 дюйм (разумеется, не стоит забывать и об upgrade видеокарты).
Маска экрана.
Качество изображения зависит в значительной степени от типа и характеристик используемой теневой маски. Расстояние между отверстиями маски измеряется в мм.
Remarks:
Расстояние между отверстиями теневой маски часто отождествляют с размером зерна монитора, что вполне оправдано, поскольку оба параметра должны быть равны. Однако это условие выполняется не всегда, а в зависимости от технологии производства электронно-лучевой трубки и ее качества. Кроме того, расстояние между отверстиями теневой маски по сравнению с зерном, которое можно увидеть под лупой прямо на экране, является менее наглядной характеристикой.
Все мониторы с зерном более 0,28 мм считаются “дешевыми” и “грубыми”. Лучшие мониторы имеют зерно 0,26 мм, а у самого качественного известного монитора зерно - 0,19 мм.
Разрешение.
Аналоговые мониторы обеспечивают разрешение не ниже 1024х768, а мультичастотные имеют разрешение 1280х1024 и более.
Кинескоп.
Существенное значение имеет тип ЭЛТ (кинескопа). Предпочтительны такие типы кинескопов, как Black Trinitron, Black Matrix or Black Planar. Люминофорное покрытие экрана мониторов этих типов состоит из специального вещества, которое имеет существенный недостаток - слишком восприимчиво к свету. Если монитор с подобным кинескопом длительное время находится под действием света, это значительно сокращает срок его службы.
Излучение и защитные экраны
Медицинские исследования показали, что излучение, сопровождающее работу монитора, может отрицательно сказываться на здоровье человека.
Спектр этого излучения достаточно широк – это и рентгеновское излучение, и инфракрасное, и радиоизлучение, а также электростатические поля. Именно поэтому, приобретая монитор, не следует забывать о защитном экране.
Фильтры бывают сеточные, пленочные и стеклянные. Их защитные свойства и, соответственно, цена возрастают в порядке перечисления- Фильтры могут крепиться к передней стенке монитора, навешиваться на верхний край, вставляться в специальный желобок вокруг экрана или надеваться на монитор.
Сеточные фильтры практически не защищают от электромагнитного излучения и статического электричества. Кроме того, они несколько ухудшают контрастность изображения. Однако эти фильтры ослабляют блики от внешнего освещения, что при интенсивной работе за компьютером является немаловажным фактором.
Пленочные фильтры также не защищают от статического электричества, но значительно повышают контрастность изображения, практически полностью поглощают ультрафиолетовое излучение и снижают уровень рентгеновского излучения. Обычные пленочные фильтры стоимостью 3–7 USD плохо защищают от бликов внешнего излучения, однако существуют также поляризационные пленочные фильтры, например фирмы Polaroid, которые способны обеспечивать поляризацию отраженного света и подавлять возникновение бликов. Поляризационные фильтры, как правило, стоят дороже обычных фильтров.
Стеклянные фильтры выпускаются в нескольких различных модификациях. Простые стеклянные фильтры стоимостью 3–10 USD снимают статический заряд, ослабляют низкочастотные электромагнитные поля, снижают интенсивность ультрафиолетового излучения и повышают контрастность изображения.
Выпускаются также стеклянные фильтры категории полная защита. Они обладают наиболее полной совокупностью защитных свойств; практически не дают бликов (доля отраженного света менее 1%), повышают контрастность изображения в полтора-два раза, устраняют электростатическое поле и ультрафиолетовое излучение, значительно снижают низкочастотное магнитное (менее 1000 Гц) и рентгеновское излучение. Эти фильтры изготавливаются из стекла специального сорта, легированного атомами тяжелых металлов, и имеют многослойное покрытие. Стоят такие фильтры недешево – свыше 150 USD.
В первую очередь, такие мониторы имеют более чувствительный люминофор, который обеспечивает ту же яркость свечения при менее интенсивной электронной бомбардировке. В результате удается значительно снизить величину ускоряющего анодного напряжения, а вместе с ним – интенсивность рентгеновского излучения. Кроме того, меньшая скорость соударения снижает температуру разогрева люминофора, в результате чего уменьшается интенсивность инфракрасного и ультрафиолетового излучений.
В мониторах класса low radiation применяется специальное стекло, которое поглощает все эти виды излучений. Это стекло обладает свойствами, аналогичными свойствам защитных экранов, которые используются совместно с обычными мониторами. Экран монитора low radiation имеет характерную матовую поверхность, которая устраняет блики.
Снижение электростатического потенциала достигается использованием специальных экранирующих материалов, соединенных с заземляющим проводом.
В результате принятия указанных мер нет необходимости использовать специальные защитные экраны, которые считались непременным атрибутом для первых мониторов.
Мониторы Plug & Play
Любой современный PC поддерживает технологию Plug&Play, обеспечивающую автоматическое конфигурирование подключаемого оборудования.
В целях реализации данной технологии для мониторов ассоциация VESA разработала спецификацию DDC (Display Data Channel), которая предусматривает обмен информацией между монитором и PC по обычному кабелю, т. е. через стандартный VGA-разъем. Существует несколько версий этого протокола:
DDC1 – односторонняя передача данных от монитора к PC
DDC2 (DDC2A, DDC2B, DDC2AB) – двухсторонний обмен данными между PC и монитором
Мониторы Plug&Play позволяют системе установить оптимальные для конкретной модели характеристики вывода изображения (частоту кадровой и сточной развертки, цветовую модель и др.).
Срок службы
Относительно надежный критерий для оценки продолжительности работы монитора – это количество выделяемого им тепла. Если монитор очень сильно нагревается, то можно ожидать, что срок его службы будет невелик. Если же монитор в течение долгого времени остается только теплым, – это указывает на небольшие потери энергии и предполагаемый длительный срок службы. Монитор, на корпусе которого имеется много вентиляционных отверстий, хорошо охлаждается, что не позволяет монитору быстро выйти из строя.
При покупке монитора следует провести тепловой тест: если его корпус кажется только теплым – это хороший монитор.
Жидкокристаллические дисплеи (LCD)
В конце 80-х годов были представлены первые модели PC типа laptop. Такие PC имеют малый вес, в первую очередь, за счет того, что в них применяются жидкокристаллические дисплеи {Liquid Crystal Display, LCD}. Подобный экран состоит из двух стеклянных пластин, между которыми находятся жидкие кристаллы, которые могут изменять свою оптическую структуру и свойства в зависимости от электрического заряда, т. е. кристаллы под воздействием электрического поля изменяют свою ориентацию и тем самым по-разному отражают свет. Поскольку сопротивление относительно велико, кристаллы могут двигаться только с определенной скоростью.
Это свойство проявлялось при перемещении курсора мыши по LCD-экрану первых дисплеев: при быстром перемещении курсор просто исчезал. Жидкие кристаллы получали электрический импульс, но не успевали среагировать, когда курсор уже переместился.
Время реакции первых цветных дисплеев составляло примерно 500 мс. Для уменьшения «смазанности» и увеличения контрастности изображения были разработаны жидкокристаллические дисплеи, выполненные по технологии DSTN (Dual-scan Super-Twisted Nemattc). Благодаря использованию специальных жидких кристаллов и двойного сканирования, время реакции сократилось до 150 мс.
Фирма Toshiba разработала жидкокристаллический дисплей с активной матрицей на тонкопленочных транзисторах (так называемая технология Thin Film Transistor– 777). Стоимость подобных дисплеев на 700–900 USD выше, чем стоимость дисплеев DSTN. Однако эти затраты вполне оправданы, поскольку TFT-дисплеи практически не уступают своим электронно-лучевым собратьям.
Разновидностью DSTN-технологи и явилась технология MLA (Multiline Addressing). Благодаря многолинейной адресации время реакции панели уменьшилось до 50–75 не.
Размер экрана жидкокристаллического дисплея составляет от 10,2" до 13,3" по диагонали, а разрешение – 800х600 и 1024х768.
Один из недостатков таких дисплеев может быть вам знаком по наручным часам, калькуляторам и т. п., которые работают с LCD-индикаторами, Если посмотреть на экран под углом, то можно увидеть только серебристую поверхность. Восприятие изображения на LCD-экранах зависит от угла наблюдения. Хорошее качество изображения достигается при угле наблюдения 90° к экрану.
Жидкие кристаллы сами не светятся, поэтому подобные мониторы нуждаются в подсветке {Backlight} или во внешнем освещении. Дальнейшее развитие LCD-дисплеев направлено на представление цвета, то есть на изменение отдельными кристаллами своей окраски под воздействием электрических импульсов, а также на "активные" LCD-дисплеи, излучающие свет,
Интересной особенностью некоторых моделей LCD-дисплеев является то, что их можно поворачивать на 180°, что весьма удобно при работе с текстовыми документами.
Газо-плазменные мониторы
Для газо-плазменных мониторов нет таких ограничений, как для LCD-дисплеев. Они также имеют две стеклянные пластины, между которыми находятся не кристаллы, а газовая смесь, которая высвечивается в соответствующих местах под действием электрических импульсов. Недостаток таких мониторов – их нельзя использовать в переносных компьютерах с аккумуляторным и батарейным питанием из-за того, что они потребляют много тока.
3.2.2.Принтеры ударного действия.
Интерфейс
В противоположности другим периферийным устройствам принтер практически всегда подсоединяется к РС через параллельный интерфейс. Для старых моделей имеется возможность подключения через последовательный интерфейс. Однако надо иметь в виду, что передача информации на принтер через последовательный интерфейс значительно замедляет его работу, особенно при печати в графическом режиме.
Последние модели лазерных принтеров для повышения быстродействия снабжены высокоскоростным портом с расширенными возможностями ECP для быстрой печати. Длина кабеля может составлять до 10 м, а не 3м при более ранних разработках интерфейса.
Некоторые модели принтеров различных фирм оборудованы инфракрасными передатчиками, что позволяет передавать файлы с помощью инфракрасного излучения, делая ненужным кабельное соединение.
По принципу нанесения изображения на бумагу принтеры подразделяются:
Принтеры ударного действия;
Принтеры не ударного (безударного) действия (Рис. 3.2.4.).

Рис. 3.2.4. Классификация принтеров
Принтеры ударного действия
Принтеры ударного действия, основанные на создании изображения шрифта механически «выколачивания» красителя ленты прямо на бумагу. В качестве ударного механизма могут быть использованы шаблоны символов или иголки.
Типовые принтеры (ударные) аналогичны электрическим пишущим машинкам.
Достоинства
Типовой принтер дает очень чистое изображение букв, конечно при условии, что красящая лента достаточно черная и неизношенная.
Недостатки
Низкая скорость печати от 30 до 40 знаков в секунд;
Недостаточная универсальность типовых принтеров, которая препятствует их широкому распространению. Принтеры такого типа располагают одним шрифтом и не нельзя выделить отдельные места документа курсивом или жирным начертанием;
Невозможность печати графического изображения.
Область применения
Принтеры могут применяться только в машинописном бюро, где для оформления документа, кроме чистоты, ничего не требуется. По стоимости они сравнимы с игольчатыми принтерами.
Игольчатые принтеры
Игольчатый принтер долгое время являлся стандартным устройством вывода для РС по отношению к струйным и лазерным принтерам. Достоинством игольчатых принтеров определяются, в первую очередь, скоростью печати и их универсальностью, которая заключается в способности работать с любой бумагой, а также низкой стоимостью.
Принцип действия
Принцип, которым игольчатый принтер печатает знаки на бумаге, очень прост. В отличие от других принтеров, игольчатый принтер формирует знаки несколькими иголками, расположенными в головке принтера.
Механизм подачи бумаги аналогичен с пишущей машинкой. Бумага втягивается с помощью вала, а между бумагой и головкой принтера располагается красящая лента. При ударе иголке по этой ленте на бумаге остается закрашенный след.
Иголки, расположенные внутри головки, обычно активизируются электромагнитным методом. Головка движется по горизонтальной направляющей и управляется шаговым двигателем (Рис. 3.2.5.).

Рис. 3.2.5. Расположение иголок на 9-игольчатой головке (в один и два ряда)
Благодаря горизонтальному движению головки принтера и активизации отдельных иголок напечатанный знак образует как бы матрицу, причем отдельные буквы, цифры и знаки «заложены» внутри принтера в виде бинарных кодов. По этой причине головка принтера «знает», какие иголки и в каких позициях необходимо активизировать, чтобы, например, создать за 10 шагов головки букву «К» (Рис. 3.2.6.).

Рис. 3.2.6. Матрицы для буквы «К», зависящей от количества иголок в головке
Хотя наличие девяти иголок в головке принтера обеспечивает высокую скорость печати, однако, хорошего качества достичь не удается. Это заметно сказывается на отпечатке шрифта принтера, когда на бумаге виден отпечаток каждой из иголок, а в связи с износом красящей ленты качество еще больше ухудшается.
Для улучшения качества каждую строку пропечатывают два раза, при этом отдельные точки, составляющие знаки, несколько смещаются при втором проходе печати. Такой метод хотя и улучшает качество изображения, но увеличивает время процесса печати.
Дальнейшим развитием 9 игольчатого принтера стал 18-игольчатый принтер, а позднее 24-игольчатый. Он имел расположение иголок в головке в два ряда по 9 иголок.
24-игольчатый принтер
Иголки расположены в два ряда по 12 штук. Кроме этого имеется возможность перемещения головки дважды по одной и той же строке, чтобы знаки пропечатывались еще раз с небольшим смещением.
Строчный принтер
У строчного принтера головка отсутствует, но имеется печатающая планка. Таким образом, при печати изображение матрицы, соответствующей строке, полностью переносится на бумагу. Так как головка не подвижна, а строка печатается целиком за один раз, это дает преимущество в скорости печати.
Особенности работы игольчатого принтера:
Возможность печатать несколько копий;
Является более универсальным при работе с бумагой, чем лазерный или струйный принтеры, для которых отсутствует возможность использовать бумагу в рулоне.
Игольчатые принтеры характеризуются скоростью печати (числом знаков, которое принтер переносит на бумагу за 1 сек);
Одним из недостатков работы игольчатого принтера можно отнести сопровождение шумом;
Для игольчатых принтеров разрешение играет роль только тогда, когда печатается в графическом режиме, где должно точно рассчитывается положение каждой отдельной точки на бумаге.
Цветная печать, реализуется только с помощью многоцветной красящей ленты;
Шрифты в игольчатых принтерах реализуются наличием встроенных шрифтов или возможностью записи их в RAM принтеров.
3.2.3.Принтеры не ударного действия
Принтеры не ударного действия работают по другому принципу. Выводимое изображение создается с помощью применения тепла, чернил или других ксерографических методов.
Струйные принтеры
Основной принцип работы струйных принтеров чем-то напоминает работу игольчатых принтеров, только вместо иголок применяются тонкие как волос, сопло, которые находятся в головке принтера. В головке установлен резервуар с жидкими чернилами, которые через сопла, как микрочастицы, переносятся на материал носителя. Число сопел (от 6 до 64) и зависит от модели принтера и изготовителя. Последние разработки принтеров такого типа имеют от 300 для черных чернил и до 416 сопел для цветных.
Для хранения чернил используются два метода:
головка принтера объединена с резервуаром для чернил; замена резервуара с чернилами одновременно связана с заменой головки;
используется отдельный резервуар, который через систему капилляров обеспечивает чернилами головку принтера.
Принцип действия
Современные модели струйных принтеров используют следующие методы печати;
Пьезоэлектрический метод;
Метод газовых пузырей;
Метод drop-on-demand.
Пьезоэлектрический метод
Для реализации этого метода в каждое сопло установлен плоский пьезокристалл, связанной диафрагмой. Под воздействием электрического поля происходит деформация пьезоэлемента. При печати, находящиеся в трубке пьезоэлементы, сжимая и разжимая трубку, наполняют капиллярную систему чернилами. Чернила, которые отжимаются назад, перетекают обратно в резервуар. Чернила, которые «выдавливаются» наружу, оставляют на бумаге точку (Рис. 3.2.7.).

Рис. 3.2.7. Принцип действия струйного принтера с пьезоэлементами
Метод газовых пузырей
Этот способ является термическим и больше известен под названием «инжектируемые пузырьки». Каждое сопло оборудовано нагревательным элементом, который при пропускании через него тока за несколько микросекунд нагревается до температуры около 5000. Возникающие при резком нагревании газовые пузыри стараются вытолкнуть через выходное отверстие сопла необходимую каплю жидких чернил, которая переносится на бумагу (Рис. 3.2.8.). При отключении тока нагревательный элемент остывает, паровой пузырь уменьшается и через входное отверстие поступает новая порция чернил.

Рис. 3.2.8. Принцип работы принтера по методу газовых пузырей
Метод Drop-on-demand
Также как и в методе газовых пузырей, метод drop-on-demand для подачи чернил из резервуара на бумагу используется нагревательный элемент. Однако для подачи чернил используется специальный механизм (Рис. 3.2.9.).

Рис. 3.2.9. Принцип работы принтера по методу Drop-on-demand.
Благодаря тому, что в механизмах печати, реализованных с использованием метода газовых пузырей, меньше конструктивных элементов, такие принтеры надежней в работе и срок их эксплуатации значительно дольше. Кроме того, позволяет добиться высокой разрешающей способности принтеров.
Цветной струйный принтер
Обычно цветное изображение формируется при печати наложением друг на друга трех основных цветов: циан, пурпурный и желтый. Теоретически наложение этих трех цветов должно в итоге давать черный цвет, на практике получается серый или коричневый, и поэтому в качестве четвертого основного цвета добавляют черный. На основании этого такую цветную модель называют CMYK (по названию основных цветов). Таким образом, принтеры применяют не три, а четыре цвета, включая черный дополнительный патрон.
Особенности работы струйного принтера
Низкий уровень шума;
Скорость, как и игольчатый принтер, зависит от качества печати (от 3-4 страниц в минуту до 8-9 страниц);
Качество печати зависит от типа применяемой бумаги и её качества. Хорошо зарекомендовала себя бумага для ксерокса (80 г/м2);
Нельзя использовать бумагу в рулоне.
Лазерный принтер
Несмотря на сильную конкуренцию со стороны струйных принтеров, с помощью лазерных принтеров на настоящий момент можно получить более высокое качество печати. Его качество приближает к качеству фотографии.
Принцип действия
Большинство изготовителей лазерных принтеров используют механизм печати, который применяется в ксероксах, например механизм печати ксероксов фирмы CANON (Рис. 3.2.10.).

Рис. 3.2.10. Функциональная схема лазерного принтера
Важнейшим, конструктивным элементом лазерного принтера является вращающийся барабан, с помощью которого производится перенос изображение на бумагу. Барабан представляет собой металлический цилиндр, покрытый тонкой пленкой светопроводящего полупроводника.
Обычно в качестве такого полупроводника используется оксид цинка. По поверхности барабана равномерно распределяется статический заряд. Для этого служит тонкая проволока или сетка, называемая коронирующим проводом. На этот провод подается высокое напряжение, вызывающее возникновение вокруг него светящееся ионизированной области, называемой короной.
Лазер, управляемый микроконтроллером, генерирует тонкий световой луч, отражается от вращающегося зеркала. Этот луч, попадая на барабан, изменяет его электрический заряд в точке прикосновения. Величина заряда барабана уменьшается от 200 до 900 вольт. Таким образом, на барабане возникает скрытая копия изображения.
На следующем рабочем шаге на фотонаборный барабан наносится тонер – мельчайшая красящая паль. Под действием статического заряда эти мелкие частицы легко притягиваются к поверхности барабана в точках, подвергшихся экспозиции, формируют изображение.
Бумага втягивается из подающего лотка и с помощью системы валиков перемещается к барабану. Перед самым барабаном бумаге сообщается статический заряд. Затем бумага соприкасается с барабаном и притягивает, благодаря своему заряду, частички тонера от барабана.
Для фиксации тонера, бумага вновь заряжается и пропускается между двумя роликами с температурой около 1800С. После процесса печати, барабан полностью разряжается, очищается от прилипших лишних частиц и готов для нового процесса печати.
Альтернативой лазерному принтеру может служить светодиодный принтер. Вместо лазерного луча, управляемого с помощью механизма зеркал, барабан освещает неподвижная диодная строка, состоящая из 2500 светодиодов, которая описывает не каждую точку, а целую строку.
В цветном лазерном принтере изображение формируется на светочувствительной фотоприемной ленте последовательно для каждого цвета. Лист печатается за четыре прохода, что сказывается на скорости печати. Имеется четыре емкости для тонера и от двух до четырех узлов проявления. Принтеры такого класса оборудованы большим объемом памяти, процессором и, как правило, собственным винчестером.
Технологический процесс цветной печати на лазерном принтере осуществляется очень сложно, поэтому и цены на такие принтеры высокие.
Особенности работы лазерного принтера
Скорость печати – определяется двумя факторами.
механической протяжкой бумаги;
скоростью обработки данных.
Обычно лазерный принтер оборудован собственным процессором. Как правило, для черно-белых лазерных принтеров используется микропроцессор Motorola 68000. В высоко производительных принтерах, например HP, используются процессор Intel 80960, имеющий тактовую частоту 33 МГц и сокращенный набор команд.
Так как лазерный принтер является страничным принтеров (т.е. он формирует для печати полную страницу), скорость печати измеряется в страницах в минуту.
Средний лазерный принтер печатает 4, в лучшем случае 8 страниц в минуту. Высокоскоростные принтеры, которые, как правило, используются в компьютерных сетях, могут до 20 и более страниц в минуту.
Разрешение
Разрешение лазерного принтера по горизонтали и по вертикали определяется различными факторами:
Вертикальное разрешение соответствует шагу барабана. Для большинства принтеров разрешение составляет 1/600 дюйма (для более дешевых - 1/3–дюйма);
Горизонтальное разрешение определяется числом точек в одной строке и ограничено точностью наведения лазерного луча.
Память
Лазерные принтеры обрабатывают целые страницы, что связано с большим количеством вычислений. При разрешении 300х300 dpi на странице формата А4 насчитывается почти 9 млн. точек, а при разрешении 1200х1200 более 140 млн. Объем необходимых вычислений резко возрастает. Скорость печати определяется не только процессором, но и существенно зависит от объема памяти, которой оборудован принтер.
Величина памяти лазерного принтера 1 Мб является нижней границей, более ощутима емкость памяти от 2 до 4 Мб. Цветные принтеры имеют еще большую память. Принтер, который функционирует в сети, часто имеет еще и внешнюю память (винчестер).
Лазерный принтер может оснащаться дополнительной памятью, и устанавливаются специальные карты с DRAM или SIMM - модулями.
Работа с бумагой
Как правило, большинство лазерных принтеров могут печатать на бумаге формата А4 и меньше, правда, в последнее время появились принтеры, способные печатать на листах формата А3.
3.2.4.Термический принтер
Цветные лазерные принтеры пока не идеальны. Для получения цветного изображения с качеством близким к фотографии или изготовления допечатных цветных проб используют термические принтеры или, как их еще называют, цветные принтеры высокого класса.
В настоящее время распространение получили три технологии цветной термопечати:
Струйный перенос расплавленного красителя (термопластиковая печать);
Контактный перенос расплавленного красителя (термовосковая печать);
Термоперенос красителя (сублимационная печать).
Общим для последних двух технологий является нагрев красителя и перенос его на бумагу (пленку) в жидкой или газообразной фазе. Многоцветный краситель нанесен на тонкую лавсановую пленку (толщиной 5 мкм). Пленка перемещается с помощью лентопротяжного механизма, который, конструктивно схож с аналогичным узлом игольчатого принтера. Матрица нагревательных элементов за 3-4 прохода формирует цветное изображение.
Термовосковые принтеры переносят краситель, растворенный в воске, на бумагу, нагревая ленту с цветным воском. Как правило, для подобных принтеров необходима бумага со специальным покрытием. Термовосковые принтеры обычно используют там, где требуется высокое качество цветной печати.
Для печати изображений, почти не отличающегося от фотографии, и изготовления допечатных проб лучше всего использовать сублимационные принтеры. По принципу работы они аналогичны термовосковым, но переносят с ленты на бумагу только краситель (не имеющей войсковой основы).
Принтеры, использующие струйный перенос расплавленного красителя, называют еще восковыми принтерами с твердым красителем. При печати блоки цветного воска расплавляются и выбрызгиваются на носитель, создавая яркие насыщенные цвета на любой поверхности. Полученные таким образом «фотографии» выглядят слегка зернистыми, но удовлетворяют всем критериям фотографического качества. Этот принтер нельзя использовать для изготовления диапозитивов, поскольку капли воска после высыхания имеют полусферическую форму и создают сферический эффект.
Имеются термические принтеры, которые совмещают в себе технологию сублимационной и термической печати. Такие принтеры позволяют печатать на одном устройстве как черновые, так и чистовые оттиски.
Скорость печати термических принтеров вследствие инерционности тепловых процессов невысокая. Для сублимационных принтеров от 0,1 до 0,8 страниц в минуту, а для термовосковых – 0,5 – 2 страницы в минуту.
3.2.5.Плоттеры
Плоттеры является устройством вывода, которое применяется только в специальных областях. Они обычно используются совместно с программами САПР. Результат работы практически любой такой программы – это комплект конструкторской и/или технологической документации, в которой значительную часть составляют графические материалы. Таким образом, основой плоттера являются чертежи, схемы, графики, диаграммы и т.д. Для этого плоттер оборудован специальными вспомогательными средствами.
Все современные плоттеры можно отнести к двум большим классам:
Планшетные для формата А3-А2 (реже А1-А0) с фиксацией листа электрическим, реже магнитным или механическим способом, и пишущим узлом. Таким образом, если, например, необходимо провести линию, то печатающий узел перемещается в её начальную точку, опускается штифт с пером, соответствующим толщине и цвету проводимой линии, и затем перо перемещается до конечной точки линии;
Барабанные (рулонные) плоттеры с шириной бумаги формата А1 или А0, роликовой подачей листа, механическим и/или вакуумным прижимом и с пишущим узлом.
Барабанные плоттеры используют рулоны бумаги длиной до нескольких десятков метров и позволяют создавать длинные рисунки и чертежи.
Большинство плоттеров имеют пишущий узел перьевого типа. Используются специальные фломастеры с возможностью их автоматической замена (по сигналу программы) из доступного набора. Кроме фломастеров, применяются чернильные, шариковые пишущие узлы, рапидографы, кабирафы и многие другие устройства, обеспечивающие различную ширину линий, насыщенность, цветовую палитру и т.д.
Режущие плоттеры
В последнее время на базе перьевых плоттеров были созданы режущие плоттеры. Пишущий узел в таких плоттерах заменяется на резак. Изображение переносится на бумагу, а, например, на самоклеющуюся пленку или аналогичный носитель. Буквы или знаки, полученные с помощью режущего плоттера, можно увидеть на витринах, вывесках, указателях и т.п.
Струйные плоттеры
Дальнейшим развитием семейства плоттеров по пути их продвижения на рынок художественной, графической и рекламной продукции стало создание группы устройств с пишущими узлами струйного типа. По сути, эта группа устройств создана на базе механизмов стандартных плоттеров и оснащена современной головкой, обеспечивающей до 4 цветов с разрешением 75 –720 dpi.
Большинство струйных плоттеров обеспечивают как печать чертежей, карт и схем в форматах, применяемых в САПР.
Скорость печати на струйном плоттере зависит от сложности рисунка и разрешения и в среднем составляет 30-60 минут на 1 м2 изображения. Печать, как правило, осуществляется на специальную бумагу или полимерную пленку.
Электрический плоттер
Электрические плоттеры напоминают ксероксы или лазерные принтеры. Принцип работы этих устройств заключается в электризации отдельных точек (областей) специальной бумаги (пленки) с дальнейшей подачей её к кювету с красителем. Закрепление красителя происходит аналогично процедуре ксерокопирования. Монохромная печать обеспечивается за 1 проход, цветная (в 4 основных цвета) требует 4 прогонов. Разрешение составляет 400 dpi. Обеспечивается печать рисунков в формате А0-А1 со скоростью 10-30 мм/с.
Фотонаборный аппарат
Фотонаборный аппарат можно увидеть только в солидной полиграфической фирме. Он отличается своим высоким разрешением. Для обработки информации фотонаборный аппарат оборудуется процессором растрового изображения RIP, который функционирует как интерпретатор PostScript в растровое изображение. В отличие от лазерного принтера в фотонаборном аппарате лазерным лучом освещается не барабан, а фотобумага или фотопластинка (фотопленка).
Вопросы для повторения
Монитор. Назначение, состав, режимы и принцип работы монитора.
Классификация принтеров по принципу нанесения изображения на бумагу.
Принтеры ударного действия. Типовые, игольчатые принтеры. Их назначение, достоинства, недостатки, конструктивные особенности и область применения.
Игольчатые принтеры. Расположение головок. Принцип работы игольчатого принтера в режиме вывода текстовой и графической информации. Способы улучшения качества выводимой информации.
Строчный принтер. Его конструктивная особенность.
Общие особенности игольчатых принтеров. Преимущества и недостатки.
Принтеры не ударного действия. Принцип вывода информации.
Струйные принтеры. Общий принцип работы струйных принтеров. Число применяемых сопел в черно-белых и цветных принтера. Методы хранения чернил.
Методы, используемые в струйных принтерах при своей работе.
Принцип работы принтера с пьезоэлементами (рисунок поясняющий принцип работы метода).
Принцип работы принтера по методу газовых пузырей (рисунок, поясняющий принцип работы метода).
4.Методы и средства мультимедиа
4.1.Методы и средства мультимедиа
4.1.1.Понятие мультимедиа, мультимедийный РС
Мультимедиа
Часто термин Мультимедиа понимают упрощенно. Например, установив на своем компьютере звуковую карту и подключив к ней акустические системы, некоторые пользователи считают, что их компьютер оснащен мультимедиа. Это далеко не так. Понятие мультимедиа достаточно емкое и означает совокупность визуальных и аудиоэффектов, управляемых с помощью интерактивных программ. В связи с этим аппаратное обеспечение мультимедиа должно включать, кроме звуковой карты, и другие устройства и предлагать значительно большие возможности, которые не могут обеспечить стандартные средства РС и телевизионной техники.
Мультимедиа представляет большие возможности для создания виртуальной реальности, интерактивного режима, когда пользователь становится не пассивным наблюдателем событий, а их активным участником. Это касается не только компьютерных игр, но и другого специального программного обеспечения. Кроме того, на РС, оборудованных средствами мультимедиа, можно создавать и обрабатывать динамические изображения в реальном масштабе времени. Мультимедийный продукт должен обеспечивать:
Акустические эффекты качества Hi-Fi;
Визуальные динамические и 3D- эффекты;
Взаимодействие с пользователем таким образом, чтобы акустические и визуальные эффекты комбинировались друг с другом по его желанию.
Для реализации этих возможностей необходимы специальные аппаратные средства.
Мультимедийный РС
Чтобы можно было характеризовать РС как мультимедийный необходимо:
иметь привод CD-ROM, наличие которого обязательно для считывания графических и звуковых файлов;
РС должен иметь соответствующую производительность.
Однако этого еще не достаточно он должен удовлетворять ещё ряду требований;
Стандарт МРС.
Созданный стандарт МРС создан для совместимости мультимедийных компонентов, изготовленных различными фирмами. Кроме перечня обязательных мультимедиа-компонентов и их характеристик, он содержит набор рекомендаций, определяющих дальнейшего развития не только аппаратных средств, но и мультимедиа-приложений. Таким образом, разработчики программного обеспечения получили возможность ориентироваться на определенный (минимальный) набор аппаратных средств, с которым должна работать мультимедиа - программа.
В соответствии со стандартом МРС мультимедийный РС должен иметь пять основных компонентов:
Базовую конфигурацию системы (совокупность стандартных устройств и систем обычного РС);
Привод CD-ROM;
Звуковую карту;
ОС Microsoft Windows 3.1(Windows 95|98);
Акустическую систему или головные телефоны;
Новая версия стандарта МРС декларирует следующую минимальную конфигурацию системы:
Процессор 80486SX с тактовой частотой не менее 25 МГц;
4 Мб RAM (1 Мб стандартной памяти и 3 Мб XMS);
Винчестер емкостью не менее 160 Мб;
Клавиатура 101/102 с разъемом стандарта DIN;
Мышь, совместимая с Microsoft Mouse;
Графическая карта VGA с разрешением не ниже 640х480 пикселов, поддерживающая 65536 цветов;
По крайней мере, 1 последовательный и 1 параллельный порт;
Привод CD-ROM, обеспечивающий скорость передачи данных не менее 300 Кб/с, время доступа не менее 400 мс, поддержку стандарта CD-AD, CD-ROM, Multisession и т.п.;
Звуковая карта с разрядностью 8 или 16 бит и частотой дискретизации 11,22 или 44 Кгц.
Аналоговый порт ввода/вывода MIDI;
Совместимость с Microsoft Windows Multimedia Extension.
Вывод: для обеспечения высокой производительности системы такой конфигурации нужен более быстродействующий процессор и винчестер большой емкостью:
Процессор класса не ниже Celeron 266;
Не менее 32 Мб RAM;
Винчестер емкостью не менее 2 Гб;
Графическая карта с 3D-ускорителем и видеопамятью не менее 4 Мб.
Аудио
С появлением в 1989 г. звуковой карты перед пользователями открылись новые возможности РС. Появилась новая (звуковая) подсистема РС - комплекс программно-аппаратных средств, предназначенных для:
Записи звуковых сигналов, поступающих от внешних источников, например, микрофона или магнитофона. В процессе записи входной аналоговые звуковые сигналы преобразуются в цифровые и далее могут быть сохранены на винчестере;
Воспроизведение записанных ранее звуковых данных с помощью внешней системы или головных телефонов (наушников) (звуковой сигнал считывается с винчестера, преобразуется из цифрового в аналоговый и направляется к акустической системы);
Микширование (смешивание) при записи или воспроизведении сигналов от нескольких источников;
Одновременной записи и воспроизведение звуковых сигналов;
Обработка звуковых сигналов: редактирование, объединение или разделение фрагментов сигналов, фильтрация его уровня и т.п.
Управление панорамой стереофонического звукового сигнала;
Обработка звукового сигнала в соответствии с алгоритмами объемного (трехмерного - 3D Sound) звучания, что позволяет получить объемное звуковое поле даже при использовании обычной стереофонической акустической системы.
Генерация с помощью синтезатора звучание музыкальных инструментов (мелодичных и ударных), а также человеческой речи и любых других звуков;
Управление работой внешних электронных музыкальных инструментов (ЭМИ) через специальный интерфейс MIDI;
Воспроизведение звуковых компакт-дисков;

Рис. 4.1.1. Звуковая система РС
В классическую звуковую систему (Рис. 4.1.1.) входят;
Модуль записи и воспроизведения звука;
Модуль синтезатора;
Модуль интерфейсов;
Модуль микшера;
Акустическая система.
Каждый из модулей может выполняться в виде отдельной микросхемы или входит в состав многофункциональной микросхемы.
4.1.2.Звуковая карта. Назначение, состав и принцип работы
Модуль записи и воспроизведения
Звук, с точки зрения акустики, представляет собой продольные волны сжатия и разряжения, свободно распространяющихся в воздухе или иной среде, поэтому звуковое давление (звуковой сигнал) непрерывно изменяется во времени и в пространстве.
Запись звука - это сохранение информации о колебаниях звукового давления в момент записи. В настоящее время для записи и передачи информации о звуке используются аналоговые и цифровые сигналы. Другими словами, звуковой сигнал может быть представлен в аналоговой или цифровой форме.
Чтобы получить звуковой сигнал в аналоговой форме, достаточно воспользоваться микрофоном (Рис. 4.1.2.).

Рис. 4.1.2
Напомним, что амплитуда звуковой волны определяет громкость звука, а её частота - высоту звукового тона, поэтому для сохранения достоверной информации о звуке амплитуда электрического напряжения должна быть пропорциональна амплитуде звукового сигнала, а его частота должна точно соответствовать частоте колебаний звукового давления.
Чтобы получить звуковой сигнал в цифровой форме, необходимо в дискретные моменты времени измерять значения звукового давления, причем чтобы правильно передать форму сигнала, эти измерения надо проводить достаточно часто - не менее нескольких раз за период самой высокочастотной составляющей звукового сигнала.
В настоящее время на вход звуковой карты РС в большинстве случаев звуковой сигнал подается в аналоговой форме. А поскольку РС оперирует только цифровыми сигналами, исходный аналоговый сигнал перед использованием должен быть преобразован в цифровой. В свою очередь, акустическая система воспринимает только аналоговые электрические сигналы, поэтому на выход звуковой карты РС должен выдать звуковой сигнал в аналоговой форме.
Таким образом, модуль записи и воспроизведения звуковой системы как раз и осуществляет аналого-цифровой и цифро-аналоговое преобразование в режиме программной передачи звуковых данных или передачи их по каналам DMA.
Аналого-цифровые и цифро-аналоговые преобразователи.
4.1.3.Аналого-цифровое преобразование
Преобразование звукового сигнала из аналогового в цифровой происходит в несколько этапов (Рис. 4.1.3.):

Рис. 4.1.3. Схема преобразования звукового сигнала из аналогового в цифровой
Сначала аналоговый звуковой сигнал источника подается на аналоговый фильтр, который ограничивает полосу частот сигнала;
Далее осуществляется дискретизация, т.е. выборка отсчетов аналогового сигнала с заданной периодичностью. Периодичность отсчетов определяется частотой дискретизации. В свою очередь, частота дискретизации должна быть не менее удвоенной частоты наивысшей гармоники исходного звукового сигнала. В противном случае оцифрованный звуковой сигнал нельзя преобразовать в аналоговый, точно соответствующий исходному сигналу.
Так как человек способен слышать звуки, частота которых находится в диапазоне от 20 Гц до 20 кГц, следовательно, максимальная частота дискретизации исходного звукового сигнала должна составлять не менее 40 кГц., т.е. отсчеты требуется проводить 40000 раз в секунду. В большинстве современных звуковых подсистем РС максимальная частота дискретизации звукового сигнала составляет 44,1 или 48 кГц.
Одновременно с дискретизацией осуществляется квантование отсчетов по амплитуде - мгновенные значения амплитуды измеряются и преобразуются в цифровой код. При этом точность измерения зависит от количества разрядов кодового слова. Таким образом, чем выше разрядность, тем ближе к реальному.
Аналого-цифровое преобразование осуществляется специальным электронным устройством - аналого-цифровым преобразователем (АЦП), в котором дискретные отсчеты преобразуются в последовательность чисел, причем поток цифровых данных, представляющий сигнал, включает как полезный, так и нежелательные высокочастотные компоненты и помехи. Для фильтрации высокочастотных помех, полученные цифровые данные пропускаются через цифровой фильтр с высокой крутизной амплитудно-частотной характеристики и малыми фазовыми искажениями.
Цифро-аналоговое преобразование (ЦАП)
Цифро-аналоговое преобразование в общем случае происходит в два этапа (Рис. 4.1.4.).

Рис. 4.1.4. Схема цифро-аналогового преобразования
На первом этапе из потока данных с помощью ЦАП выделяют отсчеты сигнала, следующие с частотой дискретизации. На втором этапе из дискретных отсчетов путем сглаживания (интерполяции) формируется непрерывный аналоговый сигнал. Это делает фильтр низкой частоты, который подавляет периодические составляющие спектра дискретного сигнала.
4.1.4.Кодирование звуковых данных. Характеристики модулей записи и воспроизведения.
Кодирование звуковых данных
Чем выше требования к качеству записываемого звука, тем больше должна емкость носителя. Например, стереофонический звуковой сигнал длительностью 60 с, оцифрованный с частотой дискретизации 44,1 кГц, при 16-разрядном квантовании для хранения потребует на винчестере около 10 Мб. Кроме этого повышается требования к производительность (пропускной способности) канала звукозаписи. Таким образом, все это требует существенно снизить объем цифровых данных, необходимых для представления звукового сигнала с заданным качеством, можно с помощью компрессии, т.е. путем уменьшения количества отсчетов и уровня квантования или числа бит, приходящих на один отсчет.
Выбор метода кодирования при записи звукового фрагмента зависит от набора программ сжатия, установленных в операционной системе РС. Программы аудиосжатия поставляются вместе с программным обеспечением звуковой карты или могут входить в состав операционной системы. Программы аудиосжатия реализуют, например, следующие методы:
Импульсно-кодовая модуляция;
Дельта - импульсно-кодовая модуляция;
Адаптивно разностная дельта-модуляция.
Способ кодирования задается непосредственно перед записью.
Характеристики модуля записи и воспроизведения
Основными характеристиками модуля записи и воспроизведения являются:
Частота дискретизации;
Тип и разрядность АЦП и ЦАП;
Способ кодирования аудиоданных;
Возможность работы в режиме Full Duplex (возможность осуществлять одновременно запись и воспроизведение звукового сигнала).
4.1.5.Модуль синтезатора. Синтез звука на основе частотной модуляции, таблицы волн, физического моделирования и их характеристики.
Модуль синтезатора
Электромузыкальный цифровой синтезатор (далее - синтезатор) звуковой подсистемы позволяет генерировать практически любые звуки, в том числе и звучание реальных музыкальных инструментов.
Принцип синтезирования заключается в воссоздании структуры музыкального тона (ноты) созданный с помощью музыкального инструмента звуковой сигнал, как правило, имеет несколько временных фаз: атака, поддержка и затухание (Рис. 4.1.5.).
Форма амплитудной огибающей зависит от типа музыкального инструмента. Однако, выделенные фазы характерны для звуков практически всех музыкальных инструментов (за исключением ударных).

Рис. 4.1.5. Фазы звукового сигнала
В общем случае технология создания звука (голоса инструмента) в современных синтезаторах заключается примерно в следующем (Рис. 4.1.6.).

Рис. 4.1.6. Создание голоса инструмента в современных синтезаторах
В настоящее время на звуковых картах устанавливаются синтезаторы, генерирующие звук с использованием:
Частотной модуляции - FM- синтеза;
Таблицы волн - WT- синтеза;
Физического моделирования.
Синтез звука на основе частотной модуляции
Высота звука зависит от частоты основного тона. Обертоны, даже если их сила велика, на ощущение высоты звука влияют мало, но придают ему своеобразную окраску. Способность человеческого уха разложить сложный звук на гармонические составляющие (основной тон и обертоны) позволяет различать звуки, например, отличить ноту до, взятую на кларнете, от той же ноты, взятой на рояле.
Таким образом, если синтезировать сигналы основного тона и обертонов, присущих звучанию конкретного инструмента, можно имитировать звук практически любой ноты этого инструмент.
Как уже отмечалось, высота созданного с помощью музыкального инструмента звукового сигнала характеризуется частотой и формой амплитудной огибающей. От формы амплитудной огибающей зависит также и спектральный состав обертонов. Обычно в фазе атаки количество высокочастотных составляющих максимально и постепенно уменьшается на стадиях поддержки и затухания. Особенно это свойственно звуку смычковых и клавишных инструментов. Следовательно, в простейшем случае для генерации голоса музыкального инструмента достаточно двух генераторов сигналов сложной формы: генератора несущей частоты и модулирующего генератора (Рис. 4.1.7.).

Рис. 4.1.7. Синтез звука на основе частотной модуляции
Генератор несущей частоты формирует сигнал основного тона, частотно-модулированный сигналом обертонов. Модулирующий генератор (генератор огибающей) управляет индексом модуляции сигнала основного тона и амплитудой результирующего сигнала. Управление генераторами (настройка частоты, выбор формы амплитудной огибающей, режим работы и т. п.) осуществляется путем подачи на его вход цифрового кода. Эти генераторы называются операторами.
Такой способ не позволяет подучить много спектральных составляющих звукового сигнала, поэтому в реальных FM-синтезаторах используется не два, а шесть и более операторов, модулирующих друг друга. При этом создание новых звуков осуществляется на основе эмпирических методов путем выбора определенных соотношений частот и схем соединения операторов. Варианты соединения операторов называют FM-алгоритмами. В первых звуковых картах использовался двухоператорный синтез, т. е. в создании голоса одного инструмента (тембра) участвовало только два генератора. FM-синте-заторы современных звуковых карт могут работать в двух-, четырех- и т. д. операторных режимах.
Каждый оператор может формировать сигнал одной из определенных форм (waveform). В соответствии с FM-алгоритмом операторы могут соединяться по-разному. Например, выходные сигналы операторов могут суммироваться (аддитивный синтез). При последовательном соединении с петлей обратной связи второй оператор будет задавать основной тон сигнала (являться генератором несущей), а первый – определять обертона (является модулятором). В этом случае сигнал с выхода первого оператора поступает на вход второго, а с выхода второго – на вход первого.
Звуковые карты с FM-синтезаторами обеспечивают повторяемость тембров, Например, партия скрипки, записанная с использованием FM-синтезатора одной модели, будет звучать практически без искажений на FM-синтезаторах других моделей. К настоящему времени накоплено большое количество FM-алгоритмов синтеза оригинальных звучаний (тембров).
Однако, поскольку процесс синтеза во времени совмещен с процессом исполнения музыки, значительно возрастают требования к суммарной производительности PC и собственно FM-синтезатора. Действительно, чем выше требования к точности воспроизведения звучания музыкального инструмента, тем большее количество генераторов должно быть задействовано. При этом алгоритм управления генераторами окажется достаточно сложным – ведь необходимо учитывать малейшие оттенки звучания, присущие конкретному инструменту. Для уменьшения объема вычислений в звуковых картах используются упрощенные алгоритмы, при этом голос инструмента формируется минимальным количеством генераторов. Это приводит к тому, что звуковые карты с FM-синтезом формируют мало благозвучных тембров. Вследствие этого имитация звучания реальных музыкальных инструментов оказывается очень грубой.
Синтез звука на основе таблицы волн
При использовании синтеза звука на основе таблицы волн (WТ- синтез) можно получить более реалистичное и качественное звучание, чем при использовании FM- синтеза. В WT- синтезаторе используются предварительно оцифрованные образы звучания реальных музыкальных инструментов, и других звуков. Каждый образ звучания, называемый патчем, или инструмент, включает в себя один или несколько сэмплов, организованных определенным образом. Сэмпл – это оцифрованный фрагмент реального звука, определенный тон музыкального инструмента или, например, звук выстрела.
Как известно, с помощью специальных алгоритмов даже по одному тону музыкального инструмента можно воспроизвести все остальные и таким образом полностью восстановить звучание инструмента во всем рабочем диапазоне частот (Рис. 4.1.8).

Рис. 4.1.8. Синтез звука с помощью WT - синтезатора
Например, если сэмпл, оцифрованный с частотой 44,1 кГц, воспроизвести с удвоенной частотой 88,2 кГц (вдвое быстрее), то высота звука возрастет на октаву. Если же воспроизводить сигнал с пониженной частотой, то высота звука уменьшится. Таким образом, путем воспроизведения сэмпла с разной скоростью, в принципе, можно получить звук любой высоты.
Такой принцип генерации звука реализован в так называемых сэмплерах – прообразах WT-синтезаторов. Сэмплер представляет собой устройство, с помощью которого можно записывать звуки реального инструмента с микрофона и затем воспроизводить с разной скоростью. Однако при генерации звука таким способом одновременно с изменением скорости воспроизведения и, соответственно, высоты звука будет изменяться длительность атаки и затухания сигнала, что приведет к искажению тембра синтезируемого инструмента.
Поэтому в WT-синтезаторах применяется другой способ изменения высоты звука. Оцифровке подвергаются несколько разных по высоте звуков реального музыкального инструмента, перекрывающих весь его рабочий частотный диапазон. Шаг по частоте должен быть достаточно мал, чтобы изменения тембра не были слышны. Для недорогих WT-синтезаторов достаточной считается оцифровка звучания музыкального инструмента с интервалом пол-октавы.
После оцифровки все сэмплы (или их часть) объединяются в патч, т. е. набор фрагментов звучания реального инструмента во всем рабочем диапазоне частот. Именно поэтому термины патч и инструмент являются синонимами.
При генерации звука определенной высоты WT-синтезатор определяет, в каком частотном диапазоне находится звук, выбирает сэмплы, частота которых наиболее близка к частоте генерируемого звука, и изменяет частоту основного тона этих сэмплов на конкретную величину.
Кроме того, звучание некоторых музыкальных инструментов становится более реалистичным и выразительным при одновременном воспроизведении нескольких сэмплов, т. е. звучание инструмента (голос) может формироваться путем наложения нескольких сэмплов.
В свою очередь, инструменты объединяются в банки. Банки с инструментами обычно хранятся в специальной ROM, выполненной в виде отдельной микросхемы памяти или интегрированной в микросхему WT-синтезатора. Кроме того, банки инструментов могут храниться на винчестере PC и перед работой загружаться в оперативную память (обычно располагается на звуковой карте) WT-синтезатора или RAM PC (технология Downloadable Sample, DLS).
Поскольку качество звука, синтезируемого WT- синтезатором звуковой карты, непосредственно зависит от качества патчей, желательно иметь сэмплы высокого качества (с высоким разрешением записи), что в свою очередь приводит к росту объема банка инструментов. Однако WT-синтезаторы обычных звуковых карт имеют небольшой объем памяти. Это достигается путем увеличения шага по частоте основного тона при оцифровке звука, уменьшения длительности сэмплов и, наконец, за счет компрессии сэмплов.
Минимальный набор банка инструментов для WT-синтезатора в соответствии со спецификацией General MIDI включает 128 инструментов.
Синтез звука на основе физического моделирования
В отличие от синтеза звука на основе таблицы волн, где источником сигнала является оцифрованные образы звуков реальных музыкальных инструментов, хранящихся в памяти синтезатора, физическое моделирование предусматривает использование математических моделей звукообразования реальных музыкальных инструментов для генерации в цифровом виде соответствующих волновым форм, которые затем преобразуются в звуковой сигнал при помощи ЦАП.
Рассмотрим принцип синтеза звука путем физического моделирования на примере синтеза звука саксофона. Допустим, существует точное математическое описание явлений, происходящих в саксофоне. В качестве источника колебаний выступает трость. Звук усиливается и окрашивается в резонаторе, в качестве которого выступает изогнутая металлическая труба. Синтезатор рассчитывает изменения колебаний воздуха, которые возникают под влиянием движения трости саксофона. На основе полученных данных создается цифровой образ этих колебаний. Затем рассчитываются все изменения, происходящие со звуком в резонаторе и, в соответствии с результатами расчетов формируется цифровая модель звукового сигнала саксофона. Смоделированный цифровой звуковой сигнал преобразуется в электрические колебания с помощью ЦАП звуковой карты.
Фирма Yamaha (пионер в области физического моделирования) производит в настоящее время синтезаторы, имитирующие звучание духовых и струнных инструментов. С помощью этих синтезаторов можно экспериментировать в области формирования звука, комбинируя различные источники колебаний с различными резонаторами и обрабатывая получившийся звук все возможными фильтрами.
По принципу физического моделирования звука работают так называемые программные (виртуальные) синтезаторы. Необходимые расчеты звучания инструментов вместо аппаратного синтезатора звуковой карты выполняет CPU PC. Результат математического моделирования, т. е. поток цифровых данных – от виртуального синтезатора направляется в ЦАП звуковой карты.
Звуковые карты, использующие синтез звука на основе физического моделирования, пока не получили широкого распространения, поскольку для их работы требуется мощный PC.
Характеристики модуля синтезатора
Основными характеристиками модуля синтезатора звуковой системы являются:
Метод синтеза звука;
Объем памяти для хранения пат чей;
Возможность аппаратной обработки сигнала для создания звуковых эффектов;
Полифония - максимальное количество одновременно воспроизводимых элементарных звуков.
Примечание:
Полифония определяется числом генераторов синтезатора (реальных или виртуальных).
Метод синтеза
Метод синтеза, использующийся в звуковой системе PC, определяет не только качество звука, но и ее элементный состав. Заметим, что звуковая система PC может содержать несколько синтезаторов.
FM-синтезатор используется практически во всех недорогих звуковых картах. Качество звука при использовании FM - синтезатора получается достаточно приемлемым и в большинстве случаев способно удовлетворить запросы неискушенных пользователей. Для карт с FM-синтезаторами полифония обычно составляет 20 голосов. Звуковые эффекты не реализуются.
В случае WT-синтеза звук генерируется с высоким качеством. При этом звуковая подсистема должна содержать специальный WT-синтезатор.
4.1.6.Объем памяти
На звуковых картах с WT-синтезатором устанавливаются элементы памяти (ROM) для хранения банков с инструментами. Объем памяти WT-синтеза-тора может быть изменен за счет установки дополнительных модулей памяти (Рис. 4.1.9). Тип и количество элементов памяти (RAM или ROM) зависит от конкретной модели звуковой карты.

Рис. 4.1.9. Дополнительные модули памяти на звуковой карте с WT- синтезатором
Увеличив объем памяти, звуковой карты, вы можете загружать дополнительные банки инструментов, использовать более качественные патчи (большего объема), а также редактировать существующие или создавать новые. Большинство игр для PC используют набор стандартных инструментов (General MIDI) поэтому увеличение объема памяти отразится на качестве звукового сопровождения игры только в том случае, если эта игра использует собственные инструменты. А вот звучание MIDI-фаилов после загрузки нового банка инструментов может измениться кардинально – как в лучшую, так и в худшую сторону.
Звуковые эффекты
Для большинства карт с WT-синтезом эффекты реверберации и хоруса стали стандартными. При использовании временной задержки фазы или амплитуды сигнала можно получить и другие звуковые эффекты. Обработка исходного сигнала для создания эффекта в большинстве случаев осуществляется специальным эффект - процессором, который может являться самостоятельным элементом (микросхемой) или интегрироваться в состав WT-синте - затора.
В зависимости от уровня сложности обработки сигнала эффект-процессор по-разному создает звуковые эффекты: в одном случае применяется эффект с заранее заданными фиксированными параметрами, в другом – появляется возможность управлять параметрами эффекта, влияющими на тембровую окраску звука.
Различают общие, поканальные и поголосовые эффект - процессоры. Первые обрабатывают звук всех каналов синтезатора одновременно, вторые – звучание отдельных MIDI-каналов, третьи – звучание отдельных голосов синтезатора. Количество и типы эффектов, которые могут быть одновременно применены к различным каналам (голосам), зависит от мощности процессора. Сложные эффекты обычно не могут накладываться на несколько каналов одновременно. Многосекционные процессоры допускают разделение секций между каналами, позволяя задавать либо простые эффекты для многих каналов, либо сложные – для одного-двух. Эффект-процессор может также иметь отдельные секции для каждого голоса. В этом случае возможна регулировка глубины и параметров звукового эффекта каждого голоса отдельно.
Как правило, звуковые данные обрабатываются специализированными методами, требующими большого количества вычислений, что ведет к значительной загрузке CPU и снижению производительности PC в целом. Поэтому, часто для ускорения процессов обработки аудиоданных в состав звуковой системы может дополнительно входить цифровой сигнальный процессор (Digital Signal Processor, DSP). Ведущими производителями DSP являются такие известные фирмы, как Analog Devices (AD), Texas Instruments (TI), Motorola.
DSP – это специализированный быстродействующий RISC-процессор, используемый для сложной обработки сигналов (звука в том числе) в реальном времени. Он обрабатывает звуковые данные в сотни раз быстрее, чем процессоры общего назначения, поэтому для него не составляет никакого тру да, например, разложить поступающий звук на спектральные компоненты, "вырезать" мелодию нужного музыкального инструмента из фонограммы оркестра, выступить в роли эквалайзера, и т. п.
Так, анализируя спектр по ступающих моно фонических звуковых сигналов, DSP способен выделить звуки, характерные для какого-либо инструмента или группы инструментов, и разместить каждый инструмент в пространстве, тем самым, создавая на стоящий стереоэффект. Эффект-процессор может обрабатывать аудиотреки и MIDI-партии, причем и то и другое с поканальным управлением.
Главное достоинство современных DSP – возможность выполнять функции нескольких устройство звуковой системы одновременно, что позволяет отказаться от ее классической архитектуры. В настоящее время в продаже появились звуковые карты, WT-синтезатор, эффект-процессор и модуль оцифровки которых реализованы программно на базе мощного DSP.
Новая архитектура, прежде всего, увеличивает гибкость системы. Изменяя программу (операционную систему синтезатора), можно изменять структуру синтеза и возможности эффект - процессора. Если возникнет необходимость что-то модифицировать в синтезаторе, устранить ошибку или добавить новую функцию, достаточно переработать программу DSP, а при использовании классической архитектуры пришлось бы заменять микросхему или целиком звуковую карту.
Модуль микшера
Модуль микшера звуковой карты производит:
Коммутацию (подключение/отключение) источников и приемников звуковых сигналов
Регулирование уровня входных и выходных звуковых сигналов
Микширование (смешивание) нескольких звуковых сигналов и регулирование уровня результирующего сигнала
Источники и приемники звукового сигнала соединяются с модулем микшера через внешние или внутренние разъемы. Внешние разъемы (Рис. 4.1.10) звуковой системы обычно находятся на задней панели корпуса системного блока:
Joy stick/MIDI – для подключения джойстика или MIDI-адаптера
Mic in – для подключения микрофона
Line In – линейный вход, для подключения любых источников звуковых сигналов
Line Out – линейный выход, для подключения любых приемников звуковых сигналов
Speaker – для подключения головных телефонов (наушников) или пассивной акустической системы
В канале воспроизведения звуковой системы может находиться выходной усилитель мощности, на вход которого поступает сигнал от микшера. Мощность усилителя обычно не превышает 4 Вт на каждый стереоканал. Выход усилителя мощности подключен к внешнему разъему Speaker.

Рис. 4.1.10. Внешние разъемы звуковой системы
На некоторых недорогих звуковых картах на один и тот же внешний разъем может выводиться либо сигнал линейного выхода, либо сигнал от усилителя, а выбор режима работы выхода (Line Out или Speaker) в этом случае осуществляется джамперами на звуковой карте.
Внешние устройства, подключаемые к звуковой карте, изображены на (Рис. 4.1.11).

Рис. 4.1.11. Подключение внешних устройств к звуковой карте
Внешние разъемы звуковой системы Line In, Line Out, Mic In, Speaker представляют собой гнезда (розетки) для стандартного штекерного концентрического соединителя {jack} диаметром 3,5 мм. Штекер может исполняться в двух вариантах: для монофонического (микрофон) или стереофонического (линейный вход и выход) сигнала.
В высококачественных звуковых системах могут использоваться широко распространенные в видеотехнике разъемы типа RCA. Этот разъем, иногда называемый "колокольчиком", представляет собой концентрический соединитель с диаметром центрального контакта 3,2 мм. Для передачи стереофонического сигнала используются два гнезда RCA.
Внутри системного блока звуковая система может быть оборудована дополнительными разъемами для подключения:
Дочерних плат (Wave Table Connector)
Цифровых звуковых устройств (S/PDIF)
Привода CD-ROM
Звукового выхода привода CD-ROM (CD Audio)
С помощью специального кабеля внутренний выход привода CD-ROM можно соединить со звуковой подсистемой PC (Рис. 4.1.12). В этом случае CD-ROM будет выступать в роли источника аналоговых звуковых сигналов и подключен к модулю микшера. Разъем CD Audio конструктивно может быть выполнен в одном из трех вариантов: Panasonic, Mitsumi, Sony. Назначение контактов разъема различается для каждого варианта исполнения, по этому при подключении кабеля следует проявить максимум внимания.

Рис. 4.1.12. Подключение привода CD-ROM к звуковой карте
Основные характеристики модуля микшера:
Количество микшируемых сигналов в канале записи;
Количество микшируемых сигналов в канале воспроизведения;
Возможность регулирования уровня сигнала в каждом микшируемом канале;
Возможность регулирования уровня суммарного сигнала;
Выходная мощность усилителя;
Наличие разъемов для подключения внешних и внутренних источников приемников звуковых сигналов;
Управление микшером осуществляется программно средствами Windows или с помощью программы-микшера, входящей в комплект программного обеспечения звуковой карты.
4.1.7.Видео карта. Назначение, состав, и принцип работы по функциональной схеме.
Видео
Мультимедиа не ограничивается только аудио. В области видео развитие техники идет значительно быстрее по сравнению с развитием средств цифровой обработки звука. Сделать обзор существующих методов и средств цифровой обработки видеоизображений гораздо труднее поскольку нет не только стандартов но и каких-либо окончательно сформированных норм.
Упорядочить состояние дел в этой сфере трудно еще и потому, что видеосигналы, используемые в качестве источника для дискретизации, имеют различные системы кодирования цвета и различные параметры сигналов синхронизации. Общим является лишь то, что в качестве источника видео - сигнала всегда выступает аналоговое устройство – телевизионный тюнер, видеомагнитофон, видеокамера и т. п.
Цифровое видео – новой вид искусства. Но чтобы им заниматься на PC, необходимы специальные аппаратные средства. Видеозапись до сих пор ос тается аналоговой, поэтому перед тем, как вы сможете сделать хоть что-нибудь с видеофрагментом, вы должны его оцифровать.
Для этого нужны карты ввода/вывода, принимающие входящий аналоговый видеосигнал и оцифровывающие его в реальном времени, затем эти данные надо сохранить на жестком диске. Для этого необходимы накопители, обеспечивающие скорость чтения 3–9 Мбит/с, как правило, с интерфейсом SCSI.
Как только видео оцифровано и сохранено, можно приступать к редактированию и наложению эффектов, но огромный объем данных означает, что процесс создания окончательной версии видеофрагмента высокого качества будет очень медленным.
Работа с цифровым видео сродни работе с цифровыми изображениями или звуком: оригиналы могут быть многократно использованы, клипы в электронном виде могут храниться длительное время в отличие от аналогового видео на магнитной ленте или кинопленке. А главное, целый ряд дополни тельных возможностей становится доступным, как только данные попадают в компьютер.
В настоящее время применяются два способа формирования изображения на экране монитора: построчная и чересстрочная развертки. В телевизионной технике используется чересстрочный способ, когда за первый цикл сканирования электронным лучом экрана формируется изображение нечетных строк, а за второй – четных. В результате чего полный кадр изображения формируется из двух полукадров (полей), т. е. 625 строк развертываются за 1/25 с (при частоте полей 50 Гц для систем PAL и SECAM). Применение такого способа формирования телевизионного изображения обусловлено необходимостью сужения спектра телевизионного сигнала. Однако чересстрочность развертки приводит к заметному мерцанию изображения, даже несмотря на инерционные свойства человеческого глаза и относительно высокую частоту полей (50/60 Гц).
Разрешение графических карт стандарта VGA: 640х480, 800жб00, 1024х600 и 1024х768 точек. В телевидении существуют свои стандарты. Задумывались ли вы, почему при демонстрации американских фильмов по европейскому телевидению изображение заполняет не весь экран по вертикали, а сверху и снизу видны темные полосы. Это связано с тем, что американская система цветного телевидения NTSC (National Ю System Commile) предусматривает только 525 строк и кадровую частоту 60 Гц, а в Европе принята система PAL (Phase Alternation Line) 625 строк и частота кадров 50 Гц. Телевидение будущего – HDTV (High Definition Television) – использовать совсем другое раз решение. Здесь размер изображения имеет соотношение ширины к высоте 4:3, кратное киноформату – 16:9.
Как вы уже заметили, разрешение телевизионного изображения и графического изображения PC значительно отличаются друг от друга.
Перевод видеоданных в цифровую форму
Перевод видеоданных в цифровую форму можно выполнить с помощью специальных устройств ввода видеосигналов и программ Media Player и Video for Windows.
Прежде всего необходимы программные продукты. Видеоданные, обработанные с помощью выше упомянутых программных средств, могут быть отображены только в окне определенного размера – 160х120 точек изображения. На стандартном мониторе с кинескопом размером 14" такое окно занимает всего лишь 1/16 его полной величины. Хотя имеется возможность увеличивать размер изображения, но при этом автоматически включается драйвер Windows Desktop и выбирается более низкое разрешение. Этого может быть вполне достаточно для того, чтобы составить общее представление о мультимедиа. Для серьезной же работы все эти средства не пригодны.
В принципе, видеоклип всегда может быть воспроизведен с качеством, с которым он был записан. Цифровая обработка делает возможной технику увеличения размера окна (без потери качества), для чего необходимы только соответствующие графические возможности системы.
Для создания окон более крупных форматов, например, размером 320х240 или 480х360 пикселов, необходимо несколько большее количество информации. Карты типа Overlay, такие как Video Blaster Pro, miroMovie Pro, ScreenMachine и т. п., обрабатывают входные видеосигналы от аналоговых источников так, что эти сигналы могут преобразовываться в изображение на экране монитора с помощью обычной графической карты PC.
Таким образом, большинство карт типа Overlay работает совместно с обычной картой стандарта VGA, не подменяя ее. Обе карты связываются через разъем Feature Connector VGA-карты или/и через внешние разъемы обеих карт. Иногда электронные схемы, обеспечивающие функцию Overlay, интегрируются непосредственно на карту VGA.
Устройства захвата видеосигнала
С момента появления первого видеобластера (Video Blaster) сингапурской фирмы Creative Labs, ознаменовавшего начало эры массового распространения устройств ввода телевизионных сигналов в PC. Подобные устройства должны обеспечивать:
Прием низкочастотного видеосигнала (от видеокамеры, магнитофона или телевизионного тюнера) на один из выбираемых программно видеовходов (не менее трех)
Отображение принимаемого видео в реальном времени в масштабируемом окне среды Windows (VGA-монитор можно использовать вместо телевизора)
Замораживание кадра оцифрованного видео
Сохранение захваченного кадра на винчестере или другом доступном устройстве хранения информации в виде файла в одном из принятых графических стандартов (TIP, TGA, PCX, GIF и др.)
Эти видеоплаты называются захватчиками изображений, устройствами ввода видео, ТВ-грабберами (grab – захватывать), имидж - кепчерами (image capture – захват изображения), просто видеобластерами.
Обобщенная структурная схема этих устройств состоит из четырех базовых элементов, реализованным соответствующими наборами микросхем (Рис. 4.1.13).

Рис. 4.1.13. Обобщенная структурная схема видеобластера
Первым из них является видеодекодер, обеспечивающий прием сигнала с одного из входов, его оцифровку, цифровое декодирование согласно телевизионному стандарту и передачу полученных YUV-данных видеоконтроллеру.
Видеоконтроллер выполняет ключевую роль в организации потоков оцифрованных данных между элементами видеоплаты. Он осуществляет необходимые цифровые преобразования данных (например, YUV в RGB, масштабирование), организует их хранение в буфере собственной памяти – третьем элементе видеоплаты, пересылку данных по шине компьютера при сохранении на винчестере, а также их передачу цифро-аналоговому преобразователю (ЦАП) с VGA-выходом. Последний совместно с видеоконтроллером участвует в формировании "живого" ТВ - окна на экране монитора VGA. Он выполняет обратное аналоговое преобразование цифрового захваченного изображения и в соответствии с ключевым сигналом, вырабатываемым видеоконтроллером, осуществляет передачу VGA-сигнала от VGA-адаптера, либо RGB-сигнала из буфера памяти на монитор,
Рассмотрим работу этих элементов более подробно. Наиболее важными характеристиками видеобластера являются:
Формат принимаемых низкочастотных видеосигналов
Поддерживаемые телевизионные стандарты
Частота и глубина оцифровки
Возможность регулировки оцифрованного сигнала
Представление телевизионного сигнала
Как уже отмечалось, низкочастотный телевизионный видеосигнал является композитным, то есть представляет собой результат сложения яркостного сигнала Y, двух цветовых поднесущих, модулированных цветоразностными сигналами U и V, которые образуют сигнал цветности С {Chroninance}, а также синхроимпульсов. Причем, благодаря дискретной структуре спектра сигнала яркости и определенному выбору частоты поднесущей, сигналы цветности передаются в полосе частот сигнала яркости, обеспечивается так называемое частотное перемещение спектров. Это делается с целью обеспечения совместимости систем цветного и черно-белого телевидения, а также для уплотнения спектра телевизионного сигнала. Эта мера приводит к необходимости разделения сигналов яркости и цветности на приемной стороне и, как следствие качества этого разделения, появлению перекрестных искажений на изображении, вызванных взаимным влиянием этих сигналов друг на друга.
Эффективное разделение этих сигналов возможно с помощью специальных гребенчатых фильтров. Однако подобные фильтры весьма сложны и дороги, а потому, в основном, используются в профессиональной аппаратуре высокого разрешения,
В бытовых устройствах ограничиваются более простыми и дешевыми полосовыми фильтрами, заметно снижающими четкость изображения. Так, видеомагнитофоны и камеры форматов VHS {Video Home System} и Video-8 работают только с композитными видеосигналами, при этом разрешение составляет не более 240 телевизионных линий (твл). Кроме того, даже полный учет всех различий сигналов все равно не позволяет идеально разделить их.
Более эффективным оказывается использование не единого композитного сигнала, а двух (Y/C): Y – сигнал яркости с синхроимпульсами, а С– сигнал цветности. Такой сигнал называют S-Video, он применяется при записи/воспроизведении на аппаратуре форматов S-VHS и Hi-8. При этом обеспечивается разрешение около 400 твл.
Следующим шагом к повышению качества является переход к компонент ному сигналу YUV, составляющие которого передаются раздельно. Он используется в профессиональной аппаратуре формата Betacam и обеспечивает разрешение до 500 твл. И наконец, последним в этой череде является RGB - представление, при котором отсутствуют какие-либо кодирование и модуляция, обеспечивается наиболее простая и точная передача цвета. Тем не менее, достигаемое здесь повышение качества изображения становится уже визуально неощутимо. Поэтому подобное представление реально используется только в высокоточной научной измерительной аппаратуре.
Входы видеобластеров
Ранние модели видеобластеров были основаны на декодере Philips SAA9051 и имели три композитных входа, в то время как в современных видеоплатах нормой считается наличие одного S-Video и двух композитных входов, поддерживаемых, например, декодером Philips SAA7110. Для S-Video он обеспечивает параллельную оцифровку Y- и С - сигналов. Если SAA9051 "понимает" сигналы только стандартов PAL/NTSC, то SAA7110 позволяет декодировать и SECAM. Более того, он имеет встроенную схему автоматического распознавания системы кодирования сигналов цветности.
Полезной особенностью декодера является возможность регулировки принимаемого видеосигнала по яркости, насыщенности, контрастности. Это позволяет учитывать конкретные условия съемки и в определенных рамках компенсировать недостатки изображения до его сохранения. При этом визуальный контроль процесса настройки можно осуществлять по формируемому видеоизображению в окне VGA-монитора.
Организация хранения элементов изображения
Хранение элементов изображения организовано в виде матрицы, например, 512х512, 1024х512 или 1024х1024, В зависимости от конкретного способа кодировки размер буфера памяти может меняться от 256 Кб до 2 Мб (Таблица 4.1.1), и в то же время при одном и том же размере буфера эффективность использования памяти может быть различной. Таким образом, даже если декодер и обеспечивает оцифровку входного видеосигнала без ухудшения качества, но объем памяти недостаточен, результирующее изображение окажется некачественным (размытые детали, цветовые пятна и т. д.). Обратное также верно. Например, если память организована как 1024х512 и достаточна для размещения в ней 768 элементов строки, но частота оцифровки 13,5 МГц, то результирующий размер изображения не может быть более 702х512. Впрочем, качество видеосигнала многих бытовых видеокамер столь невысоко, что возлагать вину за плохое качество захваченного изображения только на видеобластер было бы несправедливым.
Таблица 4.1.1. Зависимость размера буфера памяти от способа кодировки
|
Размер буфера памяти |
Кодировка |
Байт/элемент изображения |
Число цветов |
Организация памяти |
Размер кадра |
|
256Кб |
RGB 5:6:5 |
2 |
64 тыс. |
512х256 |
512х256 |
|
512Кб |
RGB 5:6:5 |
2 |
64 тыс. |
512х512 |
512х512 |
|
768Кб |
RGB 8:8:8 |
3 |
16 млн. |
512х512 |
512х512 |
|
1 Мб |
RGB 5:6:5 |
2 |
64 тыс. |
1024х512 |
768х512 |
|
1 Мб |
YUV4:2:2 |
2 |
16 млн. |
1024х512 |
768х512 |
|
1.5Мб |
RGB 8:8:8 |
3 |
16 млн. |
1024х512 |
768х512 |
|
2 Мб |
YUV4:2:2 |
2 |
16 млн. |
1024х1024 |
768х576 |
Выбор видеобластера
При выборе видеобластера в первую очередь следует обращать внимание на:
Число поддерживаемых телевизионных стандартов (рекомендуется PAL/SECAM, 1 вход композитный, 1 S-Video)
Точность оцифровки входного сигнала (рекомендуется YUV 4:2:2)
Физическое разрешение изображения (рекомендуется 768х576х1б млн. цветов)
Размер буфера памяти и ее организация (не менее 1 Мб при YUV 4:2:2;
1,5 Мб при RGB 8:8:8)
Возможность подстройки входного сигнала
Наличие ограничений на размер RAM компьютера, способ связи с видеоадаптером (требование разъема Feature Connector)
Поддерживаемое разрешение Windows (рекомендуется не хуже 800х600, 64 тыс. цветовых оттенков)
Визуальное качество оцифрованного изображения
4.1.8.Мультимедиа-ускорители
Под мультимедиа-ускорителями понимают совокупность программно-аппаратных средств, которые объединяют базовые возможности графических ускорителей с одной или несколькими функциями мультимедиа, требующими обычно установки в PC дополнительных устройств. Например, к мультимедиа-функциям относятся:
Цифровая фильтрация и масштабирование видеоизображений (далее – видео)
Аппаратная цифровая компрессия и декомпрессия видео
Ускорение графических операций, связанных с ЗD-гpaфикoй
Поддержка видео в реальном масштабе времени на экране монитора
Формирование полного цветового видеосигнала для передачи его во внешние устройства (видеомагнитофон, телевизор)
Вывод телевизионного сигнала на монитор
В настоящее время большинство хороших графических карт-ускорителей в состоянии выполнять ряд мультимедийных функций. В частности, сигнал изображения из пространства RGB может преобразовываться в пространство YUV, над ним могут выполняться такие операции, как сжатие, билинейное масштабирование, линейная интерполяция, фильтрация и растрирование (dithering). Многие современные видеопроцессоры ускоряют процессы декомпрессии стандартных кодеков, включая, например, Indeo, Cinepak и MPEG-1.
Мультимедиа-ускорители, как правило, представляют собой 32- и 64-разрядные графические контроллеры с чередованием блоков памяти. Кроме того, эти карты оснащаются объемом видеопамяти 2 Мб и более и характеризуются поддержкой повышенных частот обновления изображения (100 Гц и более), новых стандартов DPMS, DDC и DCI, поддержкой воспроизведения цифрового видео и ускорением трехмерных (3D) графических операций.
Ускорители трехмерной графики
В настоящее время возникла необходимость в решении таких задач, когда уровень развития существующих видеоадаптеров, даже "монстров" с объемом видеопамяти 8 Мб и стоимостью свыше 1000 USD, уже не в состоянии с ними справиться. Для решения этих задач требуются еще большие скорости по генерированию многоугольников и просчету в реальном масштабе времени трехмерных объектов. Это новейшие разработки в области виртуальной реальности, профессиональные 2D- и ЗD - приложения CAD, компьютерное моделирование, обработка трехмерных изображений и т. п. Кроме того, появление программ ЗD - анимации и аппаратно-ориентированных игровых приставок типа 3DO, Sony Plantation или Sega Saturn еще более стимулировало развитие индустрии в области видео.
Среди передовых технологий, которые могут значительно ускорить процесс внедрения 3D в мир PC, первой следует назвать Intel MMX (Multimedia Extension).
Любая трехмерная операция в принципе может быть запрограммирована обычными средствами без применения аппаратного ускорения или только при помощи "двухмерных" функций. Однако даже современные высокопроизводительные CPU Pentium и качественные программы далеко не всегда позволяют достичь удовлетворительного соотношения между реалистичностью изображения и частотой кадровой развертки монитора. При мощностях со временных процессоров любое усложнение изображения или увеличение разрешения неизбежно потребует либо применения аппаратного ускорения трехмерной графики, либо снижения частоты кадров до неприемлемого уровня.
Все вышесказанное и послужило причиной появления аппаратных 3D-ycкoрителей, или, как их еще называют, 3D-блacтеров, 3D-акселераторов.
3D-aкceлepaторы – это аппаратные средства, способные самостоятельно, без участия процессора, рассчитывать взаимное расположение фигур в трех мерном пространстве и в реальном масштабе времени отображать требуемую двухмерную проекцию на мониторе PC.
Функции 3D-акселераторов
Для создания наиболее реалистичного изображения используются различные методы.
Закраска Гуро выглядит реалистичнее простой плоской закраски, получаемой при интерполяции значений цветов вдоль поверхностей многоугольников. Отображение текстуры подразумевает наложение шаблонов, представляемых битовыми картами на поверхности объектов с учетом эффектов перспективы.
Функция сглаживания интерполирует цвета смежных пикселов для устранения ступенчатости на границах объектов. Другие специальные приемы, та кие как дымка, альфа-смешение цветов и пространственное упорядочение, помогают улучшить правдоподобность изображения.
Функция Z-буферизации использует информацию о пространственном положении каждого пиксела, чтобы определить, нужно ли выводить данный пиксел или он закрыт более близким объектом,
Двойная буферизация обеспечивает более плавную анимацию путем формирования следующего кадра во внутреннем буфере одновременно с выводом на экран текущего кадра. Двойная и Z-буферизация иногда дополняются механизмами быстрого вывода на экран и пространственного удаления. Шаблоны, маски и информация об отсечении частей объекта или целых объектов, невидимых в зависимости от ракурса, используются для определения атрибутов каждого пиксела и сужения пространства графического вывода, а также дополняют основные приемы визуализации.
5.Офисное оборудование
5.1.Телевидение
5.1.1.Телевизионные стандарты
Введение
Начало развития телевидения обычно относят к 1875–1877 гг., когда были сформулированы основные принципы получения и передачи сигналов изображения движущихся объектов. Это – разбивка его на отдельные элементы и поочередно-последовательная их передача и воспроизведение. Они сохранились до наших дней. Сам термин "телевидение" впервые был использован русским инженером-электриком К. Д. Перским в 1900 г. в докладе "Электрическое телевидение" на Международном конгрессе в Париже.
Неизменной сохраняется и структура тракта передачи: преобразователь оптических изображений в электрические сигналы, каналы передачи сигналов изображения и звукового сопровождения, устройства их приема и воспроизведение изображения и звука у потребителя. Параметры сигналов и звеньев тракта, а также используемые технические решения непрерывно совершенствовались.
На первом этапе все технические решения в мире основывались на оптико-механических способах малострочного разложения и обратного синтеза изображения.
Первые массовые передачи относят в Англии, США и СССР к 1925 – 1926 гг., а регулярное вещание – к 1928 – 1931 гг.
Телевизионные стандарты
С точки зрения телевизионных стандартов, можно сказать, мир «раскололся» на 11 групп. В телевизионном стандарте оговорены основные параметры вещания – телевизионные системы, частотные каналы, система цветного телевидения.
Параметры телевизионных систем полностью определяют содержание видеосигнала, число строк разложения изображения, ширину канала, виды модуляции поднесущих частот изображения и звука и др.
Существуют три основные системы цветного телевидения – SECAM (СЕКАМ), PAL (ПАЛ), NTSC (НТСЦ).
Различные комбинации составляющих телевизионного стандарта и составили действующие в мире 11 групп стандартов.
Для удобства обозначений их в краткой форме была введена буквенная, условная индексация. Расшифровка основных параметров телевизионных систем, соответствующих буквенным индексам, приведена в таблице (см. Табл. 5.1.1)
Полное условное наименование телевизионного стандарта составляется из индекса телевизионной системы и наименования системы кодирования (сигнала цветности), например:
B/PAL, D/SECAM, M/NTSC (в некоторых случаях возможно написание PAL-B, SECAM-D. NTSC-M).
Таким образом, аппарат с условным обозначением B/PAL характеризуется:
возможностью работы по стандарту (см. Табл. 5.1.1);
с числом строк – 625;
частотой полей – 50;
разносом между несущими изображения и звука–5,5 МГц (эта частота в телевизионном приемнике используется для демодуляции сигналов звукового сопровождения);
система кодирования (декодирования) цветового сигнала – PAL метровый диапазон.
В нашей стране применен телевизионный стандарт, соответствующий обозначениям D/SECAM (в диапазоне MB), K/SECAM (в диапазоне ДМВ).
Табл. 5.1.1
|
Телевизионного стандарта |
Условный индекс телевизионного стандарта |
|||||||
|
М |
N |
В, О* |
Н |
I |
D, К* |
KI |
L |
|
|
Число строк за кадр |
525 |
625 |
625 |
625 |
625 |
625 |
625 |
625 |
|
Частота полей, Гц |
60 |
50 |
50 |
50 |
50 |
50 |
50 |
50 |
|
Частота строк, Гц |
15750 |
15625 |
15625 |
15625 |
15625 |
15625 |
15625 |
15625 |
|
Ширина полосы радиоканала, МГц |
6 |
6 |
В-7 G-8 |
8 |
8 |
8 |
8 |
8 |
|
Ширина основной боковой полосы сигнала ид обряжения, МГц |
4,2 |
4,2 |
5 |
5 |
5,5 |
6 |
6 |
6 |
|
Ширина частично подавленной боковой полосы сигнала изображения, МГц |
0,75 |
0,75 |
0,75 |
1,25 |
1,25 |
0,75 |
1,25 |
1,25 |
|
Частотный разнос между несущими изображения и звука, МГц |
4,5 |
4,5 |
5,5 |
5,5 |
6 |
6,5 |
6,5 |
6,5 |
|
Полярность модуляции несущей изображения |
Негатив |
Негатив |
Негатив |
Негатив |
Негатив |
Негатив |
Негатив |
Позитив |
|
Вид модуляции несущей звука |
ЧМ |
ЧМ |
ЧМ |
ЧМ |
ЧМ |
ЧМ |
ЧМ |
AM |
|
Девиация частоты несущей звука, кГц |
±25 |
±25 |
±50 |
±50 |
±50 |
±50 |
±50 |
|
|
Стандарты: В и G, D и К различаются значениями частот телевизионных каналов |
Телевизионные передатчики
Когда передающая телевизионная студия сформирует полный телевизионный сигнал, его можно передать в эфир. Первые передачи электронного телевидения с высокой четкостью (625 строк разложения) велись на метровых волнах УКВ диапазона. Выделенные каналы сохранились до настоящего времени. Это каналы I-V на частотах 48,5...100 Мгц (6,2...3м).
По мере строительства телецентров во всех крупных городах этих каналов оказалось недостаточно, ведь расположенные рядом телецентры должны работать на разных каналах, иначе на границе областей обслуживания возможны сильные помехи. Выделили еще семь каналов в диапазоне частот 174...230 МГц (1,7…1,3 м). К настоящему времени и этого оказалось недостаточно, и к 12 каналам на метровых волнах добавили еще два десятка каналов на ДМВ в диапазоне 470...630 МГц (64...47 см).
Телевизионный диапазон частот
Телевизионное вещание осуществлялось в основном на 12 каналах МВ Табл. 5.1.2. Ширина каждого канала 8 МГц. Разнос между несущими частотами изображения и звука 6,5 Мгц. В настоящее время освоено еще 19 каналов Табл. 5.1.2. Они размещаются в области от 480 до 622 Мгц. В связи с тем, что длина волны любого канала менее 1 м, их принято называть телевизионными каналами дециметрового диапазона ДМВ.
Табл. 5.1.2
|
Номера канала |
Полоса частот МГц |
Несущая частота изображения |
Несущая частота звука |
|||
|
От |
До |
f, МГц |
, м |
f, МГц |
, м |
|
|
1 |
48,5 |
56,5 |
49,75 |
6,03 |
56,25 |
5.33 |
|
2 |
58,0 |
66,0 |
59,25 |
5,06 |
65,75 |
4,56 |
|
3 |
76,0 |
84,0 |
77,25 |
3,88 |
83,75 |
3.58 |
|
4 |
84,0 |
92,0 |
85,25 |
3,52 |
91.75 |
3,27 |
|
5 |
92.0 |
100,0 |
93.25 |
3,22 |
99,75 |
3,01 |
|
6 |
174.4 |
182,0 |
175,25 |
1,71 |
181,75 |
1,65 |
|
7 |
182,0 |
190,0 |
183,25 |
1,64 |
189,75 |
1,58 |
|
8 |
190,0 |
198,0 |
191,25 |
1,57 |
197,75 |
1,52 |
|
9 |
198.0 |
206,0 |
199,25 |
1,51 |
205,75 |
1,46 |
|
10 |
206;t) |
214,0 |
207,25 |
1,45 |
213,75 |
1,41 |
|
11 |
214,0 |
222,0 |
215.25 |
1,40 |
221,75 |
1,36 |
|
12 |
222,0 |
230,0 |
223,25 |
1,35 |
229,75 |
1,31 |
Табл. 5.1.3
|
Номер канала |
Полоса частот, МГц |
Несущая частота изображения, МГц |
Длина волны изображения, дм |
Несущая частота звука, МГц |
Длина волны звука, дм |
|
|
От |
До |
|||||
|
21 |
470 |
478 |
471,25 |
6,36 |
477,75 |
6,27 |
|
22 |
478 |
486 |
479,25 |
6,26 |
485,75 |
6,16 |
|
23 |
486 |
494 |
487.25 |
6,15 |
493,75 |
6,07 |
|
24 |
494 |
502 |
495.25 |
6,05 |
501,75 |
5,97 |
|
25 |
502 |
510 |
503,25 |
5,96 |
509,75 |
5,88 |
|
26 |
510 |
518 |
511,25 |
5,86 |
517,75 |
5,79 |
|
27 |
518 |
526 |
519,25 |
5,77 |
525,75 |
5,70 |
|
28 |
526 |
534 |
527,25 |
5,69 |
533,75 |
5,62 |
|
29 |
534 |
542 |
535,25 |
5,60 |
541,75 |
5,53 |
|
30 |
542 |
550 |
543,25 |
5,52 |
549,75 |
5,50 |
|
31 |
550 |
558 |
551,25 |
5.44 |
557.75 |
5,37 |
|
32 |
558 |
566 |
559,25 |
5,36 |
565,75 |
5,35 |
|
33 |
566 |
574 |
567,25 |
5,28 |
573,75 |
5,22 |
|
34 |
574 |
582 |
575,25 |
5,21 |
581,75 |
5,15 |
|
35 |
582 |
590 |
583,25 |
5,14 |
589,75 |
5,08 |
|
36 |
590 |
598 |
591,25 |
5,07 |
597,75 |
5,01 |
|
37 |
598 |
606 |
599,25 |
5,00 |
605,75 |
4,95 |
|
38 |
606 |
614 |
607,25 |
4,94 |
613,75 |
4,88 |
|
39 |
614 |
622 |
615,25 |
4,87 |
621,75 |
4,82 |
Табл. 5.1.4
ОРТ 2 м диапазон - 1 канал
НТР 4 м диапазон - 2 канал
ВОЛГА 7 м диапазон - 3 канал
НТВ 9 м диапазон - 4 канал
РТР 10 м диапазон - 5 канал
СЕТИ НН 12 м диапазон - 6 канал
ТНТ 23 дм в диапазон - 7 канал
СТС 31 дм в диапазон - 8 канал
Диалог 44 дм в диапазон - 9 канал
Стрежень 49 дм в диапазон - 10 канал
Спектр видеосигнала

Рис. 5.1.1. Спектр видеосигнала

Рис. 5.1.2. Совмещенные спектры сигналов яркости и цветности
Упрощенная функциональная схема передатчик изображения

Рис. 5.1.3. Упрощенная функциональная схема передатчика изображения
Телевизионный передатчик изображения (Рис. 5.1.3.) предназначен для формирования полного телевизионного радиосигнала и излучения его в эфир на стандартных частотных каналах.
Состав:
Задающий генератор;
Модулятор;
Усилитель мощности;
Принцип работы
Усиленный и сформированный видео сигнал по кабелю поступает на модулятор. Одновременно на модулятор поступает высокочастотный сигнал от задающего генератора, где и происходит амплитудная модуляция видеоизображения. Сформированный таким образом высокочастотный радио сигнал, поступает на усилитель мощности и по антенно-фидерному тракту – к излучающей антенне.
5.1.2.Упрощенная функциональная схема передатчик звука
Телевизионный передатчик звука (Рис. 5.1.4.) предназначен для формирования звукового радиосигнала и излучения его в эфир одновременно с передаваемым видеоизображением на соответствующих радиочастотных каналах.
Состав:
УЗЧ - усилитель звуковой частоты;
ЗГ - задающий генератор;
x n - умножитель частоты.
Усилитель мощности.
Принцип работы
Звуковой сигнал от микрофона по кабелю поступает на усилитель звуковой частоты, где происходит его усиление достаточного для управления задающим генератором высокой частоты. Частота генератора изменяется в зависимости от звукового сигнала и далее поступает трехкаскадный умножитель, а после на усилитель мощности. Усиленный по мощности высокочастотный радиосигнал по высокочастотному кабелю поступает на антенну для излучения.

Рис. 5.1.4. Упрощенная функциональная схема передатчик звука
Полный телевизионный сигнал
Прежде чем знакомиться с отдельными узлами телевизора, необходимо ясно представить себе полный телевизионный сигнал, форма которого показана на (Рис. 5.1.5.).

Рис. 5.1.5. Полный телевизионный сигнал черно-белого изображения:
а) – четный, полукадровый импульс; б) – нечетный полукадровый импульс; 1 – уровень черного; 2 – уровень белого; 3 – уравнивающие импульсы; 4 – кадровый синхронизирующий импульс: 5 – строчные синхронизирующие импульсы; 6 – сигнал изображения; 7 – кадровый гасящий импульс; 5 – строчный гасящий импульс.
Полный телевизионный сигнал черно-белого изображения состоит из видеосигналов, строчных и кадровых гасящих импульсов, уравнивающих импульсов и импульсов синхронизации. Вершины строчных гасящих импульсов передаются на уровне черного и запирают кинескоп на время обратного хода луча по строке.
Строчные синхронизирующие импульсы передаются во время обратного хода луча кинескопа. Они управляют работой генератора строчной развертки и служат для того, чтобы время начала каждой строки в телевизионном приемнике строго совпадало со временем начала строки в передающей камере.
Кадровые импульсы по структуре гораздо сложнее строчных импульсов, так как при чересстрочной развертке полный кадр передается двумя полями: сначала передаются все нечетные строки– 1, 3, 5, 7 и т. д., а затем луч возвращается к началу кадра, и передаются все четные строки – 2, 4, 6, 8 и т. д.
Кадровые синхроимпульсы управляют работой генератора кадровой развертки и служат для того, чтобы время начала каждого кадра в телевизионном приемнике строго совпадало со временем начала кадра в передающей камере.
Структурная схема черно-белого телевизионного приемника
Телевизионный сигнал, переданный от телевизионной станции, принимается приемной антенной. Чаще всего для этого служит коллективная телевизионная антенна, от которой проведен кабель и к вашему телевизору. Телевизионных антенн разработано великое множество, но основным типом остается знакомый нам полуволновый диполь - вибратор. Для того чтобы он лучше принимал сигнал от телецентра и ослаблял приходящие помехи, радом с вибратором устанавливают другие, пассивные вибраторы, формирующие желаемую диаграмму направленности.
Первый блок на структурной схеме (Рис. 5.1.6) – ПТК (переключатель телевизионных каналов). В ПТК входит усилитель радиочастоты, смеситель и гетеродин - элементы, имеющиеся в каждом супергетеродинном приемнике. На каждый канал имеется набор катушек, все они закреплены на общем барабане. Поворачивая барабан ручкой переключения каналов, мы можем включать определенный комплект катушек, соответствующий выбранному каналу. Переключатель телевизионных каналов с барабанными переключателями теперь используется все реже. Им на смену пришли ПТК с электронной настройкой, малогабаритные и более надежные. Для перестройки резонансной частоты контуров в них установлены специальные полупроводниковые диоды - варикапы. На варикап подается запирающее напряжение смещения, при этом р-п переход не пропускает электрический ток. Его емкость изменяется при изменениях напряжения смещения. Необходимое для настройки на каждый канал напряжение устанавливается заранее с помощью потенциометров, а включение канала производится нажатием кнопки или сенсорного контакта. После преобразования частоты сигнала приводятся к единой для всех каналов полосе. Промежуточная частота несущей частоты изображения по существующему стандарту равна. 38 МГц, звука - 31,5 МГц.
Далее следует УПЧИ - усилитель промежуточной частоты изображения. (Он содержит три - четыре ламповых каскада усиления, или - несколько транзисторных каскадов).

Рис. 5.1.6. Структурная схема телевизионного приемника
Состав:
ПТК - Переключатель телевизионных каналов
УПЧИ – Усилитель промежуточной частоты изображения
УПЗЧ – Усилитель промежуточной звуковой частоты
ЧД – Частотный дискриминатор
УЗЧ – Усилитель звуковой частоты
ГР - Громкоговоритель (динамик)
ССИ – селектор синхроимпульсов
ГКР – Генератор кадровой развертки
ГСР – Генератор строчной развертки
ВВ – Высоковольтный выпрямитель
Между каскадами установлены колебательные контуры и фильтры, выделяющие только нужный спектр частот. Они определяют селективность приемника. Усиленный сигнал подается на детектор, а продетектированный видеосигнал через видеоусилитель - на управляющий электрод кинескопа для управления током луча, а, следовательно, и яркостью элементов изображения в соответствии с передаваемым сюжетом. Сигнал звуковой частоты выделяется после видеодетектора и дополнительно усиливается в УПЧЗ - усилителе промежуточной частоты звука. Сигнал ПЧЗ промодулирован по амплитуде видеосигналом и по частоте звуковым сопровождением. Амплитудную модуляцию можно исключить ограничителем. В результате на выходе ЧД выделяется звуковой сигнал, подаваемый через усилитель звуковой частоты (УЗЧ) на громкоговоритель.
Следующий блок, подключенный к выходу видеоусилителя, селектор синхроимпульсов (ССИ). Он отделяет синхроимпульсы от видеосигнала и подает их на генератор кадровой развертки (ГКР) и строчной развертки (ГСР). Генераторы вырабатывают ток пилообразной формы, питающий отклоняющие катушки, для получения растра на экране кинескопа. Последний элемент структурной схемы - высоковольтный выпрямитель (ВВ), питающий кинескоп высоким напряжением, ускоряющим электроны. Выпрямитель присоединен к генератору строчной развертки. Так устроено питание кинескопа во всех современных телевизорах. Если вышел из строя генератор кадровой развертки, на экране видна одна горизонтальная ярко светящаяся линия: все строки сливаются в одну. Если же отказал генератор строчной развертки, на экране ничего не видно: вместе со строчной разверткой прекратилось и питание кинескопа высоким напряжением.
Требования, предъявляемые при разработке к цветному телевидению
К вещательным системам цветного телевидения предъявляются следующие основные требования:
1) Высокое качество цветного изображения, определяемое как точностью воспроизведения яркостей любых двух соседних точек передаваемого объекта, так и точностью воспроизведения цветности деталей объекта;
2) Совместимость с вещательной системой черно-белого телевидения. (Под совместимостью понимается возможность принимать на черно-белых телевизионных приемниках цветную программу в черно-белом виде и на цветных – черно-белую программу в черно-белом виде, без какой бы то ни было перестройки приемников.) В связи с широким развитием сети черно-белого телевизионного вещания и наличием у населения большого числа черно-белых телевизионных приемников это требование имеет важное значение;
3) Относительная простота цветного телевизионного приемника при его надежности и доступной для населения стоимости;
4) Передача цветного изображения в стандартной (8,0 МГц) полосе частот, отведенной для черно-белого телевидения (это требование обусловлено широким развитием сети телевизионного вещания и возникшей в связи с этим «теснотой» в эфире);
5) Перспективность вещательной цветной системы с точки зрения ее дальнейшего развития;
6) Возможность обмена программами с другими странами.
При построении вещательной системы цветного телевидения во всех странах мира за основу была принята одновременная система, в которой учтены все новейшие достижения в области статистических методов связи и особенности зрительного восприятия мелких цветных деталей.
Примечание:
В одновременной цветной телевизионной системе вся цветовая информация передается одновременно в отличие от последовательной, в которой информация о каждом цвете (красном, синем и зеленом) передается последовательно.
Для получения на приемной стороне цветного изображения в общем случае необходимо по каналу связи передать четыре сигнала: яркостный (У), полностью совместимый с сигналом черно-белого телевидения, и три сигнала (красный, синий, зеленый), несущие информацию о цвете объекта.
Однако за счет рационального преобразования этих сигналов передают, по каналу связи вместо четырех три информации (яркостный и два сигнала цветности), получая недостающую информацию о третьем (зеленом) цвете на месте приема путем обратного преобразования сигналов.
Основной проблемой при внедрении цветного телевидения являлось создание надежного и достаточно простого в управлении цветного телевизионного приемника доступной стоимости, обеспечивающего изображение с высоким качеством цветопередачи. Поэтому выбор типа системы цветного телевидения для вещания имел большое значение.
В шестидесятые годы в СССР и Европе велись работы по сравнению нескольких систем цветного телевидения. Выбор производился в основном между одновременно совместимыми системами цветного телевидения: американской с квадратурной модуляцией NTSC (National Television System Committee – Национальный комитет телевизионных систем), французской SECAM (Seguentiel a memare – последовательная с памятью) и немецкой PAL (Phase Alternation Line – со строчно-переменной фазой).
Во всех этих системах используется широкополосный монохромный (яркостный) сигнал, а добавочная цветная информация передается на поднесущей (поднесущих), расположенный в спектре монохромного сигнала. Различия заключается в способах модуляции поднесущих (квадратурная или частотная).
Структурная схема цветного телевизионного приемника
Любой цвет можно получить комбинацией трех основных цветов - красный, зеленый и синий. В телевидении их обозначают начальными буквами соответствующих английских слов. R (red), G (green), В (blue). Желтый - например, получается при смешении красного и зеленого (аналогично монитору Рис. 5.1.7) . Таким образом, самая простая система цветного телевидения должна предусматривать передачу одновременно трех изображений: красного, зеленого и синего.
Для передачи цветовых сигналов воспользовались принципом кино, т.е. передача красного, зеленого и голубого изображения поочередно. Такая система цветного телевидения была разработана и даже испытывалась в 50-х годах. Перед телекамерой и перед экраном черно - белого кинескопа устанавливали вращающиеся диски с прозрачными цветными секторами - светофильтрами. Диски вращались синхронно, и для стабилизации их вращения служила специальная система.
Недостатки: - Картинки получались мелкими;
Создавался шум быстро вращающегося диска;
Высокая запыленность.
Во всем мире начались поиски и разработки новых - совместимых систем цветного телевидения.
Таких систем сейчас используется три: NTSC (НТСЦ), PAL (ПАЛ), SECAM (СЕКАМ). Она полностью совместима, т. е. цветная телепередача принимается черно-белым телевизионным приемником как черно-белая, а черно-белую передачу можно смотреть и с помощью цветного телевизора, но без цвета.
В системе SECAM сигналы, передаются не три основных цвета, а их комбинации:
Яркостный сигнал - EY. Он является суммой цветовых сигналов красного, ER, зеленого EG и синего EB;
Цветоразностные сигналы R-Y, G-Y, и B-Y. Они несут информацию только о цвете передаваемого изображения.
Передавать все четыре сигнала (яркости и три цветоразностных) нет необходимости, поскольку третий сигнал цветности EG-Y можно сформировать в телевизоре из сигналов ER-Y и EB-Y. Это делается в так называемом матричном устройстве, в котором в определенной пропорции складываются принятые сигналы ER-Y и EB-Y. В результате получается сигнал – EG-Y, у которого остается лишь инвертировать полярность, чтобы получить третий цветоразностный сигнал EG-Y. Затем из имеющихся трех сигналов вычитается яркостный сигнал EY, и образуются исходные цветовые сигналы ER, EG, EB. Они и подаются на управляющие электроды кинескопа.

Рис. 5.1.7. Система цветного телевидения SECAM (приемная часть):
1 - приемник; 2 - фильтр сигнала; 3 - линия задержки; 4 - фильтр цветоразностных сигналов; 5-фильтр R-Y и B-Y; 6-линия задержки; 7 - электронный коммутатор; 8 - амплитудный селектор; 9-частотный детектор сигнала R-Y; 10 - частотный детектор сигнала B-Y; 11, 12 - корректирующий блок; 13-матрица; 14-кинескоп
Три цветоразностных сигнала подают на управляющие электроды трех электронных “пушек” кинескопа, а яркостный сигнал - на его общий катод.
Таким образом, необходимо передавать кроме яркостного лишь два сигнала цветности.
Итак, в цветном телевизоре нужен новый блок-блок цветности. В этом блоке выделяются цветовые поднесущие, детектируются, а из продетектированных сигналов получаются с помощью матричной схемы сигналы цветности ER, EG, EB. Сигналы цветности передают через строку: в течение одной строки сигнал ER-Y, а в течение другой EB-Y. Для компенсации запаздывания цветоразностного сигнала вводят специальную линию задержки на время, равное времени передачи одной строки - 64 мкс.
Однако, время задержки сигнала в цепях телевизионного приемника обратно пропорционально полосе пропускания. Следовательно, широкополосный сигнал яркостного канала проходит через цепи приемника быстрее, чем сравнительно узкополосные сигналы яркости. Если задержку сигналов яркости не скомпенсировать, то на экране цветного телевизора можно увидеть довольно любопытные эпизоды.
Например:
Ярко-рыжий лев прыгнул из одного угла экрана в другой, но прыгнул черно-белым, а его ярко-рыжая шевелюра прыгнула вслед за ним с некоторым опозданием. Иначе, “смазывание” цветов на движущемся изображении будет заметным. Для компенсации этого явления в канал яркости цветного телевизора вводят еще одну линию задержки.
5.1.3.Цветной кинескоп
Одно из самых главных элементов телевизора является устройство цветного кинескопа, поскольку именно он окончательно формирует цветное изображение. Цветной кинескоп имеет три катода и соответственно три электронных прожектора. Сфокусированные ими три электронных луча направляются на экран под некоторым углом друг к другу и попадают на маску.

Рис. 5.1.8. Устройство цветного кинескопа
Маска (Рис. 5.1.8, Рис. 5.1.9) представляет собой тонкий металлический лист, установленный перед самым экраном. В маске имеются отверстия диаметром 0,25 мм. Число их огромно: 550000.

Рис. 5.1.9. Масочный кинескоп
Люминофор цветного кинескопа выполнен в виде мозаики из более чем полутора миллионов зернышек люминофоров красного, зеленого и синего свечения (R, G, B), причем расположены эти зернышки в строгом порядке позади отверстий маски.
Три луча от трех “прожекторов” направлены под некоторым углом друг к другу. Пройдя сквозь отверстие в маске, они попадают на три зернышка люминофора. То же повторяется, когда лучи при развертке переместятся к соседнему отверстию. И так далее. В результате каждый из лучей вызывает свечение экрана только своим, определенным цветом. Сигнал яркостного канала из приемника подается на все три катода кинескопа и модулирует яркость всех трех лучей. Так формируется черно-белое изображение. А сигналы цветности из блока цветности подаются на управляющие электроды (сетки) трех электронных прожекторов и как бы “раскрашивают” изображение.
Недостатки масочного цветной кинескопа:
Недостаточная яркость и сочность цветов изображения, так как площадь отверстий маски мала по сравнению с площадью всего экрана.
Требует более мощного источника питания.
Были разработаны планарные кинескопы. В них три электронных прожектора расположены в один ряд. Маска заменена системой тонких проволок, расположенных перед экраном и своим электрическим полем, “распределяющим” лучи по цветным вертикальным полоскам люминофора. Яркость экрана такого кинескопа получается выше, а энергопотребление меньше. Но тонкие проволоки цветоделительной сетки можно закрепить лишь в натянутом состоянии: следовательно, экран должен быть плоским. В небольших по размерам кинескопах это еще возможно, но в больших кинескопах экран должен быть выпуклым, чтобы противостоять давлению окружающего воздуха, ведь внутри кинескопа вакуум. Сила атмосферного давления на экран домашнего телевизора достигает двух-трех тонн. Около выпуклого экрана размещают теневую маску с удлиненными отверстиями, площадь которых составляет значительную часть общей площади маски. За каждым щелевидным отверстием в маске расположены три полоски люминофоров красного, зеленого и синего свечения на экране. Вся триада образует один элемент изображения. Благодаря штриховой структуре экрана неточность установки лучей по вертикали мало влияет на качество изображения,

Рис. 5.1.10. Планарный кинескоп
Большой проблемой в цветных кинескопах является сведение лучей. Если первоначальной регулировкой удалось добиться точного попадания трех лучей в одно отверстие маски в центре экрана, то вряд ли это получится на его краях. Для сведения лучей на всей площади экрана устанавливают дополнительные электромагниты динамического сведения, питаемые током специально подобранной формы. В современных планарных кинескопах (Рис. 5.1.10) используют самосведение лучей, осуществляемое специально сконструированной отклоняющей системой с неравномерным (астигматическим) магнитным полем. В новейших конструкциях и постоянный магнит статического сведения расположен в колбе трубки. Он намагничивается лишь однажды, при заводской регулировке кинескопа. Все эти меры заметно упрощают телевизионный приемник и повышают качество цветного изображения. Телевизоры нового поколения с планарным кинескопом совсем не имеют электронных ламп. Они собраны только на полупроводниковых приборах. А нельзя ли вообще избавиться и от последнего электровакуумного прибора-кинескопа?
5.1.4.Система телетекста
Телетекст – это информационная система для массового пользователя, обеспечивающая передачу владельцам телевизоров самой различной информации дополнительно к обычным телевизионным программам.
Разработка принципов работы таких систем, формирования и передачи сигналов в них, конструкций передающих и приемных устройств началась еще в 60-х годах почти одновременно в Англии, Франции и ФРГ. Наиболее рациональным оказался вариант, предложенный английской корпорацией ВВС, и он в настоящее время используется в качестве общемирового стандарта WST (World System Teletext – всемирная система телетекста). Французская система Antiope нашла лишь ограниченное применение.
Алгоритм получения информации в системе ТХТ
Информация, передаваемая по стандарту WST, может быть текстовой или графической. Она формируется на телецентре в виде страниц, пронумерованных от 100-й по 899-ю и сгруппированных в так называемые журналы. Каждый из них посвящен определенной теме, например, спорту, экономике или др. В нем – около ста страниц. Первая страница содержит оглавление (перечень разделов журнала). Как правило, раздел, например расписание поездов, состоит из нескольких страниц.
Для получения информации из системы телетекста (ТХТ) владелец телевизора должен настроить его на программу, ведущую такую передачу, и, переключившись на прием сигналов ТХТ, вызвать страницу 100 с перечнем журналов. Затем, выбрав и вызвав нужный журнал, просмотреть его оглавление и вызвать желаемый раздел на экран телевизора для просмотра. Таков общий алгоритм получения информации в системе ТХТ.
Варианты реализации ТХТ
Существует несколько вариантов реализации ТХТ:
Режим LIST, требующий выполнения всех указанных шагов
Режим FAST, с упрощенной процедурой:
Режим FLOF, (быстрый, удобный телетекст),– одна функция для всех уровней, что в переводе означает – (вызов всех страниц одной кнопкой)
Режим TOP (Table of Pages – список страниц)
В некоторых регионах используют мало распространенные системы Antiope, Safari, Spanish Teletext.
Основные различия между этими режимами состоят в характере связи между страницами и в способе их поиска.
В режимах LIST и ТОР такой связи нет, страницы самостоятельны и вызываются по их номерам. Правда, если вызвана одна из страниц многостраничного раздела, вместе с ней выводится на экран сообщение о наличии продолжения и числе страниц.
Разница между режимами LIST и ТОР состоит в том, что в режиме LIST для вызова страницы нужно набрать ее номер на пульте ДУ, а в режиме ТОР используется меню (перечень страниц на экране), на котором устанавливают курсор (управляется с ПДУ) напротив строки с названием нужного журнала, раздела.
В режиме FLOF вся информация сгруппирована по четырем темам, а ПДУ имеет четыре цветные кнопки для их вызова. При нажатии одной из них на экран последовательно выводятся одна за другой все страницы темы. Смену страниц можно приостановить для анализа, а затем продолжить ее или прекратить.
В режиме FAST перебор страниц организован иначе. На первой странице каждого журнала, кроме списка разделов и номеров страниц, имеются четыре цветных поля с номерами страниц. Каждому полю соответствует кнопка такого же цвета на ПДУ. При ее нажатии вызывается (без набора номера) страница, номер которой был указан на выбранном поле. На этой странице также имеются поля, но с другими номерами. Действуя, таким образом, можно за несколько шагов выйти в нужный раздел и на нужную страницу.
Вместе с тем в любом режиме каждая страница может быть выбрана способом, примененным в режиме LIST, – набором ее номера.
Несмотря на обилие режимов реализации процесса поиска информации, каждый телецентр может использовать только два способа:
LIST и один из быстрых режимов (FAST, FLOF, TOP).
В то же время на приемной стороне должна быть обеспечена возможность многорежимной работы для приема сообщений от любого телецентра.
Стандарт WST
Страница ТХТ стандарта WST состоит из 25 строк по 40 символов в строке. Первая строка – заголовок страницы. В строках 2–25 размещена информация ТХТ, а в режимах FAST и FLOF строка 25 служит строкой статуса.
Заголовок содержит номер страницы N, выведенной владельцем телевизора на экран; номер и наименование страницы W, передаваемой телецентром в текущий момент; дату и время передачи; число и номера полустраниц. В строке статуса отображаются цветные поля с названиями тем (режим FLOF) или номерами страниц (режим FAST).
Любая строка передается серией из 45 байтов. Байты 1–3 – синхронизирующие. Байты 4, 5 представляют собой адрес строки: номер журнала и номер строки в странице.
Байты 6–45 заголовка используют следующим образом: в 6, 7 записан номер страницы N; в 8–11 – дата и время; в 12–45 – номер и название страницы W, а также символьная информация, выводимая в заголовке (день недели и т. п.). Эти же байты в других строках содержат символьную информацию передаваемого текста. Для повышения помехоустойчивости восьмому биту каждого байта придается значение, обеспечивающее нечетное число единиц в байте. Адрес строки защищен по - битно.
Информация ТХТ, подготовленная специальной службой телецентра к передаче, в цифровой форме хранится в банке данных, из которого она циклически извлекается и постранично вводится в телевизионный видеосигнал (ПЦТВ). Передача страниц происходит во время кадровых гасящих импульсов (КГИ).
Напомним, что КГИ первого полукадра (поля) ПЦТВ занимает интервал с 623-й строки предыдущего поля по 23-ю строку первого поля, а второго поля –- с 311 -и по 335-ю строки. Часть из них уже занята уравнивающими строчными импульсами, сигналами цветовой синхронизации системы SECAM и телевизионными испытательными сигналами. Свободны в каждом кадре лишь 12 строк с номерами 6, 16-18, 22, 23, 318, 319, 329-332. В них-то и размещают сигналы ТХТ.
Осциллограмма ПЦТВ при передаче КГИ
На Рис. 5.1.11. показана осциллограмма ПЦТВ при передаче КГИ и положение в нем сигналов ТХТ. Отечественное вещание ведется с использованием негативной модуляции, нулевые значения на этих осях расположены на разных уровнях, а оси направлены в разные стороны.
Строку ТХТ передают в интервале между двумя строчными гасящими импульсами. Этот интервал равен 52 мкс, и за это время должно быть передано 45 байт (360 бит) информации. Следовательно, скорость их передачи должна быть не ниже 6,923 Мбит/с. В стандарте WST принято, что серия битов строки ТХТ передается сигналами прямоугольной формы с длительностью импульсов и пауз 0,144144 мкс. Биту со значением 1 соответствует сигнал с уровнем 80 % яркости ПЦТВ, а биту 0 – 30 % яркости. Эти сигналы занимают полосу частот 4...10 МГц, что выходит за пределы спектра ПЦТВ, ограниченного в разных системах вещания частотой 5...6 МГц. Чтобы ввести их в спектр ПЦТВ, поднесущую сигналов телетекста сдвигают на частоту 3,46875 МГц (гармоника 222 строчной частоты), причем верхнюю боковую полосу подавляют.

Рис. 5.1.11. Осциллограмма ПЦТВ при передаче КГИ
При использовании одной телевизионной строки в каждом полукадре для передачи сигналов ТХТ пропускная способность по стандарту WST равна двум строкам ТХТ за кадр или 0,5 с на страницу.
Таковы структура и порядок кодирования строк страниц ТХТ в принятой у нас системе вещания SECAM-D/K. В системе PAL нет специальных сигналов цветовой синхронизации, и передача страниц может идти быстрее за счет использования большего числа телевизионных строк. В системе NTSC применена другая система размещения сигналов ТХТ в ПЦТВ, а в некоторых странах использовано и другое число строк в странице и знаков в строке.
В нашей стране передачи ТХТ ведутся по программам ОРТ, ТВ - центр, НТВ, ТВ-6 и по каналам спутникового телевидения. Каждая из них формирует свой пакет журналов и по-своему определяет их содержание.
Так, ОРТ передает пакет с названием "Российская служба телетекста на 1 ТВ канале TELEINF" из пяти журналов: новости и спорт, экономика и финансы, товары и услуги, досуг, калейдоскоп. Пакет содержит страницы с номерами от 100-й до 512-й. На странице 100 дано оглавление пакета: наименования журналов и номера их первых страниц. На странице 101 указана периодичность обновления информации в пакете: новости – два раза в день; погода, финансы, спорт, программы ТВ – ежедневно;
остальные сведения – два-три раза в неделю.
Пакет организован в режиме FAST, но цветные поля имеются только на первых страницах разделов. Перебор подстраниц в некоторых разделах происходит автоматически, в других полстраницы нужно вызывать набором номера. Время ожидания очередной страницы не превышает 45с.
Телетекст на программе ТВ - центр организован в режиме LIST. Пакет из страниц с номерами 100–497 построен так, что первые страницы журналов и страницы с наиболее важной информацией передаются по несколько раз в каждом цикле. Это заметно сокращает время ожидания такой страницы, хотя для остальных оно такое же, как в пакете ОРТ.
Программа НТВ передает "Журнал деловых людей БЛИЦТЕКСТ", состоящий из страниц 100–777, также в режиме LIST. В таком же режиме передается и пакет "ТВ-6 текст" на канале ТВ-6. Он состоит из трех журналов. Его особенность в том, что перебор страниц при их поиске обеспечивается только в пределах нумерации страниц вызванного журнала. Это означает, что в каждом полукадре ПЦТВ одновременно передается по одной строке из каждого журнала. Время ожидания страницы не превышает 5...8 с, что гораздо лучше этого показателя в любой другой программе.
Прием сигналов ТХТ
Для приема сигналов ТХТ телевизор должен иметь специальное устройство – декодер ТХТ, а для управления его работой – систему дистанционного управления с микроконтроллерной обработкой команд и соответствующим программным обеспечением. Рассмотрение их начнем с декодера ТХТ.
Существует большое количество типов декодеров, которые различаются по способам управления их работой, объему памяти страниц и схемному построению.
По способу управления декодеры делятся на простые и с расширенными возможностями. Простым декодером управляет микроконтроллер (CCU-TV) системы управления телевизора. Он работает только в режиме LIST. Декодер с расширенными возможностями обеспечивает работу как в режиме LIST, так и в быстрых режимах (FAST, FLOF, TOP). Для этого он должен иметь собственный микроконтроллер (CCU-TXT). Напомним, что микроконтроллер – это восьмиразрядный микропроцессор, в корпус которого введен набор интерфейсных устройств, преобразующих машинные коды микропроцессора в аналоговые или другой формы сигналы для управления внешними устройствами, включая цифровую шину.
По объему памяти декодеры делятся:
на одностраничные (UNITEXT)
четырехстраничные
семи - восьмистраничные (EUROTEXT)
десяти
и более страничные (имеется в виду число страниц, одновременно запоминаемых при наборе какого-нибудь номера страницы).
Будущее телевидения
Это будущее очень близко. Одна из японских фирм уже рекламировала телевизор, смонтированный в корпусе наручных часов. В нем нет, разумеется, никакого кинескопа, а экран выполнен на жидких кристаллах, примерно так же, как и циферблат обычных электронных часов. Четкость изображения, безусловно, невысока, да и контрастность черно-белого изображения оставляет желать лучшего. Заманчиво другое, не сделать ли экран в виде матрицы светодиодов? Сейчас уже разработаны и выпускаются светодиоды зеленого, красного и синего свечения. Как устроен светодиод? Довольно просто: миниатюрный кристаллик полупроводника закреплен на металлической подложке. Сверху напылён практически совсем прозрачный, настолько он тонок, металлический контакт. И все. Когда через светодиод проходит электрический ток, атомы полупроводника возбуждаются ударами носителей заряда, а, возвращаясь в равновесное состояние, отдают накопленную энергию в виде квантов света.
Казалось бы, столь простое устройство можно было бы создать давным-давно, но этого не случилось. Нужна была совершенная технология производства полупроводников, надо было подобрать соответствующие материалы - арсенид галлия, фосфид галлия и некоторые другие. Хотя, - первые светодиоды были изготовлены в кустарных условиях более полувека назад в Нижегородской радиолаборатории молодым сотрудником О.В. Лосевым. Фанатик радио, дни и ночи проводил он в лаборатории, экспериментируя с различными кристаллами для детекторных приемников. Свечение возникало в том случае, если к детектору (диоду) подводилось определенное напряжение от внешней батареи. О практическом применении светодиода в то время не могло быть и речи (да и названия такого - “светодиод” - еще не придумали), но явление-то было обнаружено. И еще одно замечательное открытие сделал О. В. Лосев, экспериментируя с диодами, на которые подавалось внешнее напряжение смещения. Оказалось, что диод может генерировать.
Все эти полупроводниковые приборы имеют вольт - амперную характеристику с “падающим” участком, т.е. участком отрицательного сопротивления. Если рабочую точку диода вывести внешним напряжением смещения на этот участок, диод будет генерировать, причем на очень высоких частотах. Во всяком случае, вполне вероятно, что будущие телевизионные приемники, работающие в диапазонах ДМВ и сантиметровых волн (СМВ) будут иметь гетеродин, собранный на “генерирующем диоде.
Но вернемся к матричному телевизионному экрану. Полтора миллиона цветных фотодиодов разместить на экране - задача вполне посильная современной микроэлектронике. Труднее другое - диоды надо “зажигать” по очереди, в соответствии с разверткой телевизионного растра. В принципе это тоже можно сделать с помощью сверхбольшой интегральной микросхемы (СБИС). И еще - яркостью свечения диодов надо управлять принятым телевизионным сигналом. Сделать все это пока достаточно трудно, но если сделать... телевизор можно будет повесить на стену, как картину. Четкость изображения получится необычно высокой, отпадут проблемы “сведения лучей”, регулировки “чистоты цвета”, характерные для современных телевизоров с кинескопами. А уж об энергопотреблении и говорить нечего - можно будет питать весь телевизор от батарейки карманного фонаря, ведь светодиоды потребляют ток всего несколько миллиампер при напряжении 2...3 В.
В настоящее время широкое распространение получило так называемое спутниковое телевидение. Собственно, передача телепрограмм через спутники - ретрансляторы началась уже с 60-х годов. Только приемные устройства или, скорее, приемные центры нужны достаточно большие, оснащенные крупногабаритными антеннами и высокочувствительными приемниками. В России действует несколько таких систем: “Орбита”, “Москва”, “Экран”, обслуживающие телевизионным вещанием самые отдаленные уголки страны.
Ближе всех к непосредственному телевизионному вещанию система “Экран”. Приемная станция этой системы может быть установлена и на полевом стане, и на базе геологической экспедиции.
Новый качественный скачок в развитии телевидения может быть сделан с развитием сети кабельной связи и больших ЭВМ. Рассмотрим так называемое “диалоговое” телевидение. Сейчас телезритель смотрит только то, что ему показывают, и никак не может повлиять на программу передач, разве что напишет письмо в телевизионную редакцию. А теперь представьте ситуацию. Читая сложный научный труд или детектив, вы встретили незнакомое слово. Включили телевизор. Набрали на клавиатуре заказ в библиотеку. Не прошло и двух минут, как на экране вашего телевизора - дисплея появилось изображение страницы из Большой Советской Энциклопедии с объяснением данного слова.
В общем - то ничего сверхъестественного в нарисованной ситуации нет. Просто к телевизору должна быть присоединена небольшая буферная ЭВМ с достаточно большой памятью, подключенная широкополосной кабельной или световолоконной линией к общенациональной сети компьютерной связи. Ваш заказ вызовет из памяти большой ЭВМ (которая может находиться на очень большом расстоянии) соответствующую информацию. Последняя будет передана вашей персональной ЭВМ, обработана и воспроизведена на экране телевизора.
Опыты по передаче текстовой информации через существующие телепередатчики уже проводятся. Ведь телевизионный сигнал по своей природе не непрерывен - около 20% времени передачи отводится на обратный ход луча между строками и кадрами. В это время и можно передавать цифровую информацию, соответствующую нужному тексту. Телевизор оснащается дополнительным устройством для выделения и запоминания этой информации. С таким устройством телезритель получает возможность вызывать на экран субтитры к передаваемому фильму, узнавать расписание движения поездов и самолетов, сводку погоды и многое другое. Подобные системы уже эксплуатируются в ряде стран.
Следующим шагом в развитии телевидения будет внедрение систем телевидения высокой четкости. К единому мнению разработчики пока не пришли, но ожидается увеличение числа строк в кадре до 1000... 1500 при соответствующем расширении полосы частот телевизионного сигнала- По этой причине передачи телевидения высокой четкости будут вестись в диапазонах ДМВ и СМВ. Ожидается и внедрение стереозвука в телевидение.
Вопросы для повторения
Понятие о телевизионных стандартах. Телевизионный стандарт, применяемый в нашей стране. Его характеристика.
Телевизионный диапазон частот. Вещательные станции Нижнего Новгорода.
Спектр видеосигнала.
Упрощенная функциональная схема передатчика изображения. Назначение, состав и принцип работы.
Упрощенная функциональная схема передатчика звука. Назначение, состав и принцип работы.
Характеристика полного телевизионного сигнала.
Структурная схема черно-белого телевизионного приемника. Назначение, состав, принцип работы по функциональной схеме.
Структурная схема цветного телевизионного приемника. Назначение, состав, принцип работы.
Совмещенные спектры сигналов яркости и цветности.
Принципы передачи цветных сигналов. Достоинство и недостатки. Смешение цветов.
Система цветного телевидения SECAM (приемная часть). Назначение, состав и принцип работы по функциональной схеме.
Устройство цветного кинескопа. Недостатки масочного (дельтовидного) кинескопа. Планарный кинескоп. Конструктивные особенности кинескопа.
Перспектива развития современного телевидения.
6.Кассетные видеомагнитофоны
6.1. Кассетные видеомагнитофоны “Электроника ВМ-12”
Назначение
Кассетный видеомагнитофон ВМ-12 разработан в соответствии с международным стандартом VHS (Video Home System). Он обеспечивает запись телевизионных программ цветного (систем СЕКАМ и ПАЛ) и черно-белого изображения, принимаемых антенной в диапазоне метровых волн (каналы с 1-го по 12-й), и последующее их воспроизведение через любой телевизор, включенный на прием в шестом или седьмом канале.
Принцип действия
Кассетный видеомагнитофон “Электроника ВМ-12” разработан в соответствии с международным стандартом VHS (Video Home System).Он обеспечивает запись телевизионных программ цветного (систем СЕКАМ и ПАЛ)и черно-белого изображения, принимаемых антенной в диапазоне метровых волн (каналы с 1-го по 12-ый), и последующее их воспроизведение через любой телевизор, включенный на прием в 6-ом или 7-ом канале. Сигналы записываются на хромо-оксидную магнитную ленту шириной 12,7 мм. Воспроизведение программ может быть как ускоренным, так и замедленным. Звуковое сопровождение можно прослушивать на головных телефонах.
Видеомагнитофон допускает кратковременную остановку магнитной ленты во время записи и воспроизведения, а также ее ускоренную перемотку в обоих направлениях. В нем предусмотрена установка текущего времени и его индикация, а для записи выбранной телевизионной передачи - одноразовое включение и выключение аппарата в заданно время в течение 14 суток. С целью облегчения настройки селектора телевизора и самого видеомагнитофона на свободный (шестой или седьмой) телевизионный канал в видеомагнитофоне формируется тест- сигнал, подаваемый на его высокочастотный выход.
Технические характеристики
Скорость движения магнитной ленты, см./с -2,339±0,5%
Разрешающая способность по яркостному каналу, линий, не менее -240
Относительный уровень помех в каналах яркости и звукового сопровождения при воспроизведении собственной записи, дБ, не более -40
Время записи или воспроизведения, мин, не менее, видеокассеты:
ВК-180 -180
ВК-120 -120
ВК-30 -30
Время перемотки ленты, мин, не более -7
Размах входного полностью цветового сигнала положительной полярности на нагрузке 75 Ом, В -0,7 - 1,4
Размах цветовой поднесу щей во входном сигнале, мВ -80 - 215
Эффективное напряжение входного сигнала звукового сопровождения, В -0,1 - 0,5
Отношение сигнала синхронизации к полному входному цветовому сигналу, % -25 - 35
Размах выходного полного цветового сигнала положительной полярности на нагрузке 75 Ом, В -0,9 - 1,1
Эффективное напряжение выходного сигнала звукового сопровождения, В -0,1 - 0,3
Полоса воспроизводимых частот сигнала звукового сопровождения, Гц 100 - 8000
Отношение сигнала синхронизации к выходному полному цветовому сигналу, % -20 -35
Потребляемая мощность, Вт, не более -43
Размеры, мм -480367136
Масса, кг, не более -10
Видеомагнитофон питается от сети переменного тока напряжением -220±22 В.
Упрощенная структурно- кинематическая схема аппарата представлена на Рис. 6.1.1. Прежде чем рассказывать о принципе его работы, поясним назначение изображенных на схеме узлов

Рис. 6.1.1
Радиоприемное устройство 1 (Рис. 6.1.1) выделяет и усиливает принимаемые антенной РЧ сигналы, преобразует их в колебания ПЧ изображения и звукового сопровождения и детектирует последние с целью получения напряжений видео- и звуковой частот телевизионного вещания. В этом устройстве формируются также управляющие напряжения для работы систем автоматической подстройки частоты гетеродина (АПЧГ) и регулировки усиления (АРУ). Далее сигналы изображения и звукового сопровождения обрабатываются в отдельных каналах.
В канале записи сигнала яркости 2 из полного цветового изображения выделяются яркостные колебания, а также восстанавливается их постоянная составляющая. Система АРУ поддерживает постоянный уровень телевизионного сигнала при изменении напряжения на входе устройства.
В этом же канале формируется частотно - модулированный (ЧМ) яркостный телевизионный сигнал и вводятся необходимые частотные предискажения, чем обеспечивается постоянство тока записи в интервале девиации частоты.
Канал записи сигналов цветности 3 из полного цветового телевизионного сигнала отфильтровывает напряжение цветности (его уровень поддерживается постоянным системой АРУ) и автоматически распознает сигналы цветных и черно-белых телевизионных передач. В нем осуществляется также перенос спектра сигналов цветности в область частот 0,3 - 1,1 МГц.
ЧМ сигналы яркости и цветности складываются в сумматоре 4, усиливаются и поступают на коммутатор 5, который, в зависимости от режима работы видеомагнитофона, подключает видеоголовки 17 к началу записи или воспроизведения.
Предусилитель 6 канала воспроизведения усиливает считываемый видеоголовками с магнитной ленты 26 ЧМ сигнал и обеспечивает его частотную коррекцию. В канале воспроизведения сигнала яркости 7 выделяются (после ограничения и детектирования) исходные яркостные колебания, “выпавшие” сигналы строк замещаются сигналами, задержанными на длительность строки (64 мкс), и понижается уровень шумов. Канал воспроизведения сигналов цветности 8 выделяет колебания цветности из воспроизводимого видеоголовками напряжения и переносит их спектр обратно в область частот 3,9 - 4,7 МГц.
В сумматоре 9 сигналы яркости и цветности складываются, образуя полный цветовой телевизионный сигнал.
Канал записи сигналов звукового сопровождения 11 обеспечивает усиление, необходимые частотные предискажения колебаний и поддержание (с помощью системы АРУ) постоянного тока записи в магнитной головке 18, канал воспроизведения 13 усиливает снимаемое с нее напряжение и блокирует его во время паузы, ускоренного и замедленного воспроизведения записи программ. Коммутатор 12 подключает головку к каналу записи или воспроизведения в зависимости от режима работы видеомагнитофона. Токи стирания (в головках 15) и подмагничивания (в головке 18) создает генератор 14. Блок вращающихся головок (БВГ) 16 записывает на ленту и воспроизводит с нее вращающимися видеоголовками 17 сигналы новой видеоинформации.
Радиопередающее устройство 10 преобразует поступающие на него видео- и звуковые сигналы в колебаниях РЧ шестого или седьмого канала.
Система автоматического регулирования (САР) 20 поддерживает необходимые частоту и фазу вращения ведущего вала, а, следовательно, и скорость движения магнитной ленты в режимах записи и воспроизведения в зависимости от частоты и фазы образцовых колебаний. Ими служат кадровые синхроимпульсы, выделяемые при записи из принимаемого сигнала и записываемые синхроголовкой 19 или считываемые ею при воспроизведении. Информация о частоте и фазе вращения ведущего вала снимается с тахогенератора 23, механически связанного с блоком ведущего вала 24. Блок ведущего вала обеспечивает нормальное, ускоренное и замедленное движение магнитной ленты при подаче соответствующих команд с блока коммутации 31.
САР БВГ 21 регулируют частоту вращения видеоголовок в определенной фазе с образцовыми колебаниями - кадровыми синхроимпульсами принимаемого сигнала в режиме записи и напряжением кварцевого генератора канала записи сигнала яркости 2 в режиме воспроизведения. Информация о работе электродвигателя 22, вращающего блок видеоголовок 16, снимается с датчика положением ротора 25 и датчика 32 сигнала частотой 25 Гц.
Лентопротяжный механизм (ЛПМ) 27 обеспечивает автоматическую заправку магнитной ленты 26, ее транспортирование и коммутацию режимов работы видеомагнитофона.
Стабилизатор напряжений питания 28 преобразует поступающие с сетевого трансформатора переменные напряжения в стабилизированные постоянные напряжения.
Блок автоматики 29 управляет переключением режимов работы видеомагнитофона по командам блока коммутации 31 и контролирует их выполнение по сигналам датчиков. Таймер 30 автоматически включает и выключает аппарат в заданное время и индицирует текущее время на вакуумном люминесцентном индикаторе. Блок коммутации 31 включает видеомагнитофон в необходимый режим работы и индицирует его.
Принцип работы аппарата основан на наклонно-строчной записи видеоинформации двумя вращающимися видеоголовками 17. Расположены они в диаметрально противоположных частях вращающегося барабана диаметром 62 мм (угол между осевыми линиями рабочих зазоров видеоголовок - 180). Период его вращения (по направлению движения магнитной ленты) равен периоду полного кадра телевизионного сигнала (частота вращения - 1500 мин -1). Барабан с видеоголовками размещен над неподвижной частью БВГ 16, на наружной стороне которой выточен уступ (направляющая) для магнитной ленты 26. Видеоголовки контактируют с нею через прорези в барабане. Подвижные направляющие стойки механизма заправки и натяжения ленты обеспечивают охват ею барабана по дуге около 186, а положение БВГ и его направляющая – такое движение ленты, при котором ее базовый край и траектория перемещения зазоров магнитных головок образуют угол около 6 (точнее –558).
При движении ленты в ЛПМ 27 видеоголовки последовательно, одна за другой, оставляют на ней наклонные намагниченные строки (видеодорожки). Каждая видеоголовка соприкасается с лентой по дуге более 180, поэтому, кроме одного полукадра телевизионного сигнала, она записывает или воспроизводит еще и часть следующего.
Одновременно с видеоинформацией блоком магнитных головок 18 и 19 на ленту записываются сигналы звукового сопровождения и управления. Способ записи сигналов звукового сопровождения - обычный (продольный), звуковые дорожки располагаются у верхнего края магнитной лены. На отдельной дорожке у нижнего (базового) края ленты записываются импульсы управления с частотой следования 25 Гц, “привязанные” к кадровым синхроимпульсам принимаемого телевизионного сигнала. При воспроизведении эти импульсы управляют работой САР ведущего вала, обеспечивая совпадение траектории вращения видеоголовок с записанными наклонными видеодорожками.

Рис. 6.1.2. Видеофонограмма, используемая в “Электронике ВМ - 12” формата VHS.
Размеры, указанные на нем общепринятыми буквенными символами, имеют следующие значения (в миллиметрах): A=12,65±0,01; B=10,6; W=10,07; L=6,2; P=0,049; T=0,049; C=0,75±0,1; R=1±0,1; D=0,35±0,05; E=0,35±0,05; F=11,65±0,05; h=0,3±0,05; X=79,244. Угол наклона рабочего зазора магнитной видеоголовки относительно перпендикуляра к видеодорожке составляет =6.
Основное достоинство видеомагнитофона–высокая плотность записи: при относительно низкой скорости движения магнитной ленты (2,339 см/с) ширина видеодорожек равна 49 мкм. Защитные полосы между ними отсутствуют, а так как длина рабочего зазора видеоголовок несколько превышает ширину видеодорожек, то при записи каждая из них перекрывает край предыдущей. Для устранения взаимного влияния сигналов соседних строк при воспроизведении рабочий зазор одной видеоголовки повернут относительно перпендикуляра к видеодорожке на угол =+6, а другой – на угол =-6. В результате при записи соседние строки имеют различные направления намагничивания, а при воспроизведении каждая видеоголовка считывает сигналы той видеодорожки, которая соответствует ориентации ее рабочего зазора, сигналы же другой строки оказываются очень слабыми из-за больших потерь.
Примененные в магнитофоне видеоголовки при ширине рабочего зазора 0,4 мкм и скорости их движения относительно ленты 4,84 м/с (скорость записи–воспроизведения) обеспечивают запись сигналов с максимальной частотой 5МГц. Однако присущие магнитной записи искажения не позволяют перенести непосредственно на магнитную ленту широкий спектр частот телевизионного сигнала, показанный на рисунке 3,а. Поэтому при записи использована частотная модуляция. С целью сужения полосы частот ЧМ колебаний несущая частота (3,8МГц) выбрана близкой к верхней модулирующей частоте. Яркостный сигнал модулирует несущую частоту так, что вершинам синхроимпульсов соответствует частота 3,8 МГц, уровню белого–4,8 МГц. Быстрым изменениям яркостного напряжения соответствуют боковые полосы ЧМ сигнала. Верхняя боковая полоса вследствие спада АЧХ пары видеоголовка - лента почти полностью подавляется, а нижняя занимает интервал частот от 1,2 МГц до несущей. Так записывают на магнитную ленту телевизионные сигналы частотой до 2,8 МГц.

Рис. 6.1.3. Спектральные диаграммы преобразования видеосигнала для записи на магнитную ленту
Как видно, бытовой видеомагнитофон – относительно узкополосное устройство, и на нем невозможно записать и воспроизвести полный цветовой телевизионный сигнал без предварительной обработки. Последняя заключается в том, что полоса частот ЧМ сигналов цветности сужается до 0,8 МГц, для чего они выделяются фильтром из полного телевизионного сигнала (Рис. 6.1.3, а) только в интервале 3,9 - 4,7 МГц (Рис. 6.1.3, б) и частотным преобразованием (частота гетеродина f>г>=5,06 МГц) переносятся в интервал 0,3 - 1,1 МГц (Рис. 6.1.3, в). Одновременно спектр яркостного сигнала ограничивается частотой около 3 МГц (Рис. 6.1.3, б) и используется затем для частотной модуляции несущей. Наконец яркостный ЧМ сигнал складывается с ЧМ сигналами цветности (Рис. 6.1.3, г), и оба они записываются на магнитную ленту (это возможно благодаря тому, что в яркостном ЧМ сигнале интервал частот от 0 до 1,2 МГц оказывается свободным).
При воспроизведении сигналы, записанные на магнитную ленту, считываются видеоголовками, усиливаются и разделяются фильтрами на яркостный ЧМ сигнал и преобразованные сигналы цветности. Первый из них ограничивается и детектируется, в результате чего выделяется яркостное напряжение. Если считываемое видеоголовками напряжение по какой - либо причине (например, из - за дефектов магнитной ленты) уменьшается в 12 раз по сравнению с номинальным уровнем, в нем обеспечивается замещение четырех - пяти телевизионных строк задержанным сигналом.
Усиленные сигналы цветности частотным преобразованием переносятся в интервал 3,9 - 4,7 МГц, после чего складываются с яркостным сигналом, образуя полный цветовой телевизионный сигнал. Параллельно с этим в канале звука воспроизводится сигнал звукового сопровождения.
Качество записи и воспроизведения видеоинформации во многом определяется работой САР БВГ и ведущего вала, обеспечивающих синхронизированное вращение БВГ, транспортирование магнитной ленты и постоянство их скоростей.
САР БВГ 21 (Рис. 6.1.1.) регулирует частоту вращения головок в определенной фазе с образцовым сигналом. В режиме записи, как уже указывалось, им служат кадровые синхроимпульсы принимаемого видеосигнала, которые записываются головкой 19 на магнитную ленту, в режиме воспроизведения - колебания частотой 50 Гц, вырабатываемые кварцевым генератором канала записи яркостного сигнала 2. САР регулирует по двум каналам - частотному и фазовому. В первом из них пропорциональный частоте вращения бесконтактного электродвигателя 22 период следования импульсов (вырабатываемых датчиком положения ротора БВГ 25) сравнивается с длительностью образцового сигнала. Получаемое напряжение рассогласования воздействует на регулятор частоты вращения электродвигателя 22, устанавливая ее необходимое значение. В качестве датчика положение ротора БВГ 25 применены малогабаритные трансформаторы, в первичную обмотку которых поступает синусоидальный сигнал частотой 65 кГц.
Фазовый канал имеет отдельный датчик 32 сигнала частотой 25 Гц. Этот же сигнал после преобразования в напряжение частотой 50 Гц используется для работы коммутатора видеоголовок 17.
САР ведущего вала 20 регулирует скорость движения магнитной ленты. Для точного считывания сигнала с магнитной ленты в ней предусмотрена ручная коррекция фазы. Эта САР также содержит два канала регулирования - частотный и фазовый, построены аналогично САР БВГ. Для работы частотного канала видеомагнитофон снабжен специальным тахогенератором 23, с которого снимаются необходимые импульсы. Фазовый канал не имеет отдельного датчика, сигнал для его работы получается делением частоты следования импульсов, вырабатываемых тахогенератором.
Блок автоматики и управления 29, в который входят САР БВГ и ведущего вала, содержит также систему управления, которая обеспечивает порядок коммутации и контроль работы видеомагнитофона во всех режимах в соответствии с командами органов управления, расположенных на передней панели, а также по сигналам датчиков, установленных в аппаратуре. Ее основа–микроконтроллер, гарантирующий прохождение команд в случае правильной последовательности операций и запрещающий их выполнение при нарушении нужной очередности, а также обеспечивающий приоритетное исполнение команд с датчиков при нарушении нормальной работы видеомагнитофона.
Следует отметить, что качество работы видеомагнитофона зависит от условий окружающей среды, особенно от влажности (она влияет на состояние магнитной ленты), для контроля которой предусмотрен специальный датчик. При повышенной влажности (светится соответствующий индикатор) видеомагнитофон ни в один режим не переводится. В таком случае нужно дождаться, пока не погаснет индикатор. После этого аппарат готов к работе.
6.1.1.Лентопротяжный механизм
Лентопротяжный механизм (ЛПМ) кассетного видеомагнитофона "Электроника ВМ-12" представляет собой его механическую часть, собранную узловым способом. Основное назначение ЛПМ – перемещение магнитной ленты с постоянной скоростью около магнитных головок в процессе записи или воспроизведения. Кроме этой основной функции, называемой рабочим ходом, ЛПМ обеспечивает перемотку ленты вперед при поиске нужного участка записи, режим паузы при записи или воспроизведении, замедленное или ускоренное в пять раз транспортирование ленты при воспроизведении и обратную перемотку ленты для возвращения ее в исходное положение после записи или воспроизведения.
ЛПМ выполнен по схеме с открытой петлей магнитной ленты и тянущим ведущим валом, расположенным по ходу движения ленты за магнитными головками. Основные узлы тракта движения магнитной ленты показаны, а виды ЛПМ сверху и снизу – на (Рис. 6.1.5, Рис. 6.1.6) соответственно.
Блок вращающихся головок (БВГ) 8 на Рис. 6.1.1. он обеспечивает запись и воспроизведение видеоинформации вращающимися магнитными головками на магнитную ленту 6 (Рис. 6.1.1) наклонно - строчным способом. БВГ снабжен электронной системой автоматического регулирования частоты и коррекции фазы их вращения.
Блок электродвигателей состоит из двигателей ведущего вала 14 и заправки ленты, закрепленных на кронштейне. Двигатель ведущего вала транспортирует магнитную ленту с заданной скоростью. Он также снабжен электронной системой автоматического регулирования скорости движения ленты. Двигатель заправки служит для перемещения программного механизма и перевода ЛПМ, а также всего магнитофона в требуемый режим работы.
Подающий узел, на который устанавливается подающая катушка 1 (Рис. 6.1.1) кассеты, передает ей подтормаживающие моменты от регулятора натяжения и вспомогательного тормоза в режимах записи, воспроизведения видеосигнала и прямом перемотки, а также вращение этой катушке в режиме обратной перемотки. Приемный узел, на который устанавливается приемная катушка 15 (рис. 1.) кассеты, передает ей вращение от двигателя ведущего вала в режимах воспроизведения и записи видеосигнала и обеспечивает подмотку ленты и ее натяжение на участие между узлом ведущего вала и катушкой. Для предохранения магнитной ленты от деформации и передачи на приемную катушку необходимого момента подмотки приемный узел выполнен в виде фрикционной пары. Она передает вращение приемной катушке кассеты в режиме прямой перемотки и служит приводом счетчика метраже ленты.
Регулятор обеспечивает требуемое натяжение ленты в режимах воспроизведения и записи видеосигнала. Он выполнен в виде рычага с ленточным тормозом.
Механизм заправки вытягивает магнитную ленту из кассеты в рабочий тракт ее движения. Он состоит из плиты заправки. В (рис. 2) с двумя направляющими пазами, в которых перемещаются колодки с закрепленными на них обводными стойками. Колодки приводятся в движение двумя двухзвенными рычагами, соединенными со своими зубчатыми колесами посредством пружин. Эти зубчатые колеса сцеплены между собой, а одно из них – с шестерней программного механизма.
Программный механизм служит для переключения ЛПМ, а, следовательно, и всего магнитофона в нужный режим работы. Он состоит из программной шестерни 12 (Рис. 6.1.6.), кинематически связанной с программной пластиной 5, которая обеспечивает управление стоповыми тормозами 2 и 5 (Рис. 6.1.5.), узлом перемотки 3, вспомогательным тормозом, рычагом с прижимным роликом 15 (Рис. 6.1.5), узлом подмотки 17 и блокировку узла перемотки в режимах записи и воспроизведения видеосигнала. Программная пластина связана с движком программного переключателя режимов работы 6 (Рис. 6.1.6), блокировочными пластинами замка контейнера 1, а также с блокировочной пластиной 4, которая обеспечивает управление стоповыми тормозами и узлом перемотки в обоих режимах его работы. Программная шестерня через зубчатый сектор на промежуточную шестерню связана со шкивом механизма заправки.
Узел перемотки магнитной ленты служит для передачи вращения от ведущего двигателя к подкатушным узлам. Он содержит пластину с направляющим пазом, в котором перемещается направляющий ролик, закрепленный на одной оси с промежуточным шкивом. Последний сцепляется с приемным или подающим узлом в зависимости от направления вращения муфты перемотки 2 (Рис. 6.1.6).
Замок контейнера обеспечивает фиксацию контейнера с видеокассетой в опущенном рабочем положении. Он состоит из крюка, планки фиксации открытого положения, планки управления и блокировочных пластин, которые предохраняют замок от случайного открывания в рабочих режимах магнитофоне.
В режиме воспроизведения, когда кассета находится в контейнере, и он опущен, напряжение питания поступает на двигатель заправки. Через ремни заправки (10 и 11 на Рис. 6.1.6), систему зубчатых колес и программную шестерню он обеспечивает притягивание магнитной ленты к БВГ. При этом обводные стойки колодок в плите заправки захватывают магнитную ленту в видеокассете, колодки движутся в пазах плиты в направлении БВГ и фиксируются в упорах.
Рассмотрим более подробно этот процесс. От двигателя заправки через шкив начинает вращаться программная шестерня, которая перемещает программную пластину. Она, в свою очередь, разворачивает стоповые тормоза и освобождает подкатушные узлы, отводит кронштейн, блокирующий узел подмотки, блокирует замок контейнера, исключая возможность его поднятия и заминания ленты, приводит ленточный тормоз в рабочее положение, подводит прижимной ролик к ведущему валу, отводит рычаг стопового тормоза 5 (Рис. 6.1.5) от подающего узла и перемещает движок переключателя режимов работы до момента выключения, когда весь цикл заправки ленты полностью закончен.
Одновременно с двигателем заправки включаются двигатели ведущего вала и БВГ. Через плоский ремень 8 (Рис. 6.1.6) двигатель ведущего вала вращает маховик 7, и в момент, когда процесс заправки полностью заканчивается, прижимной ролик, контактируя через магнитную ленту с валом маховика, начинает протягивать ее по тракту, в узел подмотки наматывать ленту на приемную катушку кассеты. К окончанию процесса заправки двигатель БВГ достигает расчетной угловой скорости, которая стабилизируется, обеспечивая возможность считывания видеоинформации.
При необходимости возврата ЛПМ в исходное состояние нажимают кнопку “Стоп”. В этом случае двигатели ведущего вала и БВГ выключаются и останавливаются, на двигатель заправки поступает напряжение обратной полярности и начинается процесс расправки. Колодки с обводными стойками в плите заправки возвращаются в исходное положение и одновременно узел выбора петли магнитной ленты (снизу от подающего узла 4 на Рис. 6.1.5), связанный непосредственно с программной шестерней и с подающим узлом, устраняет петлю. Замок контейнера разблокируется, обеспечивая возможность поднятия контейнера при нажатии на клавишу выброса.
На режимы прямой и обратной перемотки можно перейти только после нажатия кнопки “Стоп” и окончания процесса расправки магнитной ленты. При включении одного из них работает двигатель ведущего вала, а на двигатель заправки поступает такое же напряжение, что и при расправке. Через систему зубчатых колес начинает вращаться программная шестерня, которая перемещает программную пластину в направлении от переключателя режимов работы к замку контейнера. Блокировочная пластина, жестко связанная при этом с программной, также перемещается и обеспечивает фрикционное сцепление узла перемотки с его муфтой. Вращаясь через ремни 3, 8 (Рис. 6.1.6) и маховик от двигателя ведущего вала, муфта 2 вращает через ролик узла перемотки 3 (Рис. 6.1.5) подающий или приемный узел.
При выключении режима перемотки двигатель заправки, вращая через шкив программную шестерню, разъединяет программную и блокировочную пластины, и под действием пружины последняя быстро возвращается в исходное положение (слышится характерный щелчок). Ролик узла перемотки мгновенно расцепляется с его муфтой, и процесс перемотки магнитной ленты прекращается. Двигатель заправки приводит все узлы и элементы магнитофона в исходное положение.
В режим паузы при воспроизведении магнитофон переключается при нажатии на соответствующую кнопку. При этом магнитная лента не транспортируется из-за остановки двигателя ведущего вала, а ЛПМ остается в состоянии воспроизведения. При повторном нажатии той же кнопки перемещение магнитной ленты возобновляется.
Режим паузы при записи выполняется той же кнопкой. В этом случае транспортирование магнитной ленты прекращается из-за удаления прижимного ролика от ведущего вала (его двигатель не выключается). Ее транспортирование ускоряется в 5 раз в режиме воспроизведения при нажатии кнопки “Быстро/Медленно” и замедляется тоже в 5 раз, если нажать сначала кнопку “Пауза”, а затем кнопку “Быстро/Медленно”. В обоих случаях скорость изменяется в результате соответствующего изменения числа оборотов двигателя ведущего вала. 12 – блок магнитных головок;

Рис. 6.1.4. Тракт движения магнитной ленты
1 – подающая катушка; 2 – стойка механизма натяжения ленты; 3, 11 – демпфирующие ролики; 4 – стирающая головка; 5, 10 – обводные ролики; 6 – магнитная лента; 7. 9 – наклонные стойки; 8 – БВГ; 12 – блок магнитных головок; 13 – стойка; 14 – ведущий вал с прижимным роликом; 15 – приемная катушка.

Рис. 6.1.5. Вид лентопротяжного механизма сверху
1 – шасси; 2, 5 – стоповые тормоза; 3 – узел перемотки; 4 – подающий узел; 6 – узел натяжения магнитной ленты; 7 – кронштейн с ленточным тормозом; 8 – плита заправки; 9, 11 – демпфирующие ролики; 10 – БВГ; 12 – двигатель заправки ленты; 13 – двигатель ведущего вала; 14 – блок магнитных головок; 15 – прижимной ролик; 16 – узел ведущего вала; 17 – узел подмотки; 18 – приемный узел

Рис. 6.1.6. Вид лентопротяжного механизма снизу
1 – замок контейнера; 2 – Муфта перемотки; 3 – ремень перемотки; 4 – блокировочная пластина; 5 – программная пластина; 6 – программный переключатель; 7 – Маховик; 8 – ремень ведущего вала; 9 – опорная планка; 10, 11 – ремни заправки; 12 – программная шестерня
7.Телекоммуникационные средства связи
7.1.Факсимильная связь
7.1.1.Основные принципы факсимильной связи
Введение
Фототелеграфная связь (фототелеграф) - передача на расстояние плоских неподвижных изображений (графических иллюстративных и буквенно-цифровых) с воспроизведением их в пункте приема, осуществляемая сигналами, распространяющимися по проводам, или радиосигналами.
Факсимильная связь характеризуется большим разнообразием передаваемой документальной информации и более высокой помехоустойчивостью.
Впервые передачу на расстояние неподвижного изображения осуществил итальянский физик Дж. Казелли в 1855.
Факсимильная связь необходима для передачи изображений по обычной телефонной линии связи текста (на любом языке), написанном от руки, документов, чертежей, деловых писем, фотографии и т. п.
Название «факсимильная связь» получила от латинского слова «facio - similis» – воспроизвести подобное.
Основная особенность метода состоит в том, что он обеспечивает наиболее полное соответствие передаваемого изображения оригиналу.
Факсимильный аппарат
Рассмотрим принципы передачи неподвижного графического изображения по каналам связи. Они схожи с принципами используемые в телевидении (разложение изображения на элементарные участки и передача их на расстояние). Разница лишь в том, что средствами телевидения передаются движущиеся изображения (кадры 25 раз в секунду сменяют друг друга). При факсимильной связи скорость передачи изображения определяется техническими возможностями передачи единственного кадра.
Факсимильный аппарат, комплекс механических, оптических и электронных устройств, предназначенный для передачи и приема изображений неподвижных плоских объектов (оригиналов) по электрическим каналам связи. Факсимильные аппараты подразделяется: передающие и приёмо-передающие.
Передающий факсимильный аппарат
Передающий факсимильный аппарат содержит (Рис. 7.1.1):
Анализирующую систему. Она служит для преобразования изображения оригинала в видеосигнал;
Электронный узел, предназначенного для преобразования видеосигнала в форму, удобную для передачи по каналу связи.
Анализирующая система включает:
Светооптическое устройство, формирующее узкий световой пучок, который образует на поверхности оригинала “точечное” световое пятно;
Развертывающее устройство, которое направляет световой пучок поочередно (в заданной последовательности) на все элементарные площадки, в результате чего от поверхности отражается световой поток, модулируемый по интенсивности с отражающей способностью площадок;
Фотоэлектрический преобразователь, преобразующий отражённый световой поток в пропорциональный ему электрический ток (видеосигнал).

Рис. 7.1.1. Передача и прием факсимильной информации
(структурная схема)
Модуляция колебаний может быть:
Позитивная амплитудная модуляция (при которой макс. уровень колебаний с несущей частотой соответствует чёрному полю передаваемого изображения);
Негативная амплитудная модуляция (максимальный уровень колебаний соответствует белому полю изображения);
Позитивная частотная модуляция (более высокая частота соответствует белому полю);
Негативная частотная модуляция (более высокая частота соответствует чёрному полю).
Приёмный факсимильный аппарат
Приёмный факсимильный аппарат содержит:
Электронный узел выделения видеосигнала, предназначенный для демодуляции принимаемых модулированных колебаний;
Синтезирующую систему, формирующую копию передаваемого изображения;
Синтезирующая система состоит из развертывающего и записывающего устройства.
В качестве носителя записи используется фотобумага, фотопленка, электрография, электрохимия, электротермия (может использоваться обычная писчая бумага).
Развертывающие устройства приёмного и передающего факсимильного аппарата часто аналогичны. Конструктивно они подразделяются на механические и электронные. Наибольшее распространение получили факсимильные аппараты с механической разверткой барабанного, плоскостного и дугового типа.
В факсимильном аппарате с барабанной разверткой оригинал (или носитель записи) закрепляется на поверхности цилиндра. Развертка осуществляется в результате вращения цилиндра и его поступательного перемещения вдоль оси при неподвижном развертывающем элементе (световом пятне) либо в результате вращения цилиндра и одновременного перемещения развертывающего элемента вдоль образующей цилиндра.
Факсимильный аппарат с плоскостной разверткой оригинал укрепляется между протягивающими валиками. Развертка по строкам осуществляется развертывающим элементом, перемещаемым по оригиналу при помощи качающегося зеркала, а по кадру (переход развертывающего элемента на следующую строку) - перемещением самого оригинала.
В факсимильный аппарат с дуговой разверткой оригинал (или носитель записи) размещается внутри цилиндрической камеры. Развертка осуществляется в результате вращения оптической системы и перемещения камеры – на один шаг за каждый оборот оптической системы.
Синхронизация развертывающих устройств передающего и приемного факсимильного аппарата осуществляется либо автономно. В этом случае электродвигатели развертывающих устройств питаются от высокостабильных по частоте камертонных или кварцевых генераторов независимо друг от друга. Либо принудительно по сигналам синхронизирующей частоты, поступающим от передающего факсимильного аппарата на приёмный аппарат. Или посредством включения синхронных двигателей в единую электроэнергетическую систему. Фазирование развертывающих устройств осуществляется в приёмном факсимильном аппарате автоматически, полуавтоматически или вручную.
Принцип работы современного факсимильного аппарата
В передающей части факсимильного аппарата световой луч просматривает (сканирует) неподвижное изображение и образует на светочувствительном приемнике его электрическую копию (Рис. 7.1.2).

Рис. 7.1.2. Процесс факсимильной передачи и приема
Каждой точке (ячейке) изображения оригинала соответствует электрический сигнал. В процессе считывания он превращается в последовательность «0» и «1» – цифровую кодовую комбинацию. Цифровые комбинации преобразуются далее в аналоговые сигналы – в последовательность импульсов, которые и поступают в канал связи. На приемной стороне процесс происходит в обратном порядке. Аналоговые сигналы де модулируются и преобразуются в оцифрованное изображение, которое распечатывается на бумаге.
Перечисленные операции в том или ином виде реализованы в факсимильном аппарате любой системы и постоянно совершенствуются с появлением новых технических решений.
Современный факсимильный аппарат является по существу специализированным компьютером для передачи изображений по - обычным телефонным каналам.
Факсимильный аппарат CANON PBX-230
Структурная схема факсимильного аппарата (например, CANON PBX-230) приведена на Рис. 7.1.3.

Рис. 7.1.3. Обобщенная блок – схема факсимильного аппарата
Она весьма напоминает структуру микрокомпьютера. «Сердцем» аппарата является микроконтроллер, который управляет работой периферийных устройств, – считывателя изображения, устройства термопечати, пульта управления и модема. Каждый элемент аппарата построен на основе наиболее надежной и дешевой электронной технологии, реализующей данную функцию. Устройство позволяет передавать на тысячи километров изображение формата обычного листа бумаги А4 (210Х297 мм) с разрешением 1728Х1160 точек. В среднем, разрешение обычного факсимильного аппарата – 8 точек на 1 мм. Этого достаточно, чтобы точно воспроизводить рукописные тексты и рисунки.
Считыватель изображения построен на основе устройства с зарядовой связью. Подобная технология использована, на пример, в динамических ОЗУ и ПЗУ. В отличие от обычного оперативного запоминающего устройства, кристалл кремния с нанесенной на него регулярной структурой светочувствительных ячеек памяти открыт для восприятия изображений. С помощью оптической системы оно «построчно» переносится на кристалл. Микроконтроллер синхронизирует перемещение оригинала и построечное считывание изображения на светочувствительный элемент. Освещенные и затемненные участки оригинала формируют в соответствующих ячейках кристалла значения «0» и «1». Таким образом, изображение «оцифровывается» как это показано на Ошибка! Источник ссылки не найден.. Оцифрованное изображение переносится в оперативную память микроконтроллера. Для обеспечения высокого качества изображения, зашиты от помех и уплотнения считанные в память цифровые коды обрабатываются микроконтроллером.
Из оперативной памяти обработанный цифровой код поступает в модем–модулятор/демодулятор электрических сигналов. Модем преобразует цифровой код изображения в низкочастотный сигнал, передаваемый далее по обычной телефонной линии. Встроенный в факсимильный аппарат модем построен на основе цифровых процессоров сигналов, формирующих и обрабатывающих электрические сигналы. От способа модуляции (протокола), используемого в модеме, зависит скорость передачи изображения. Данные протоколы в соответствии с рекомендациями Международного консультативного комитета по телефонии и телеграфии (МККТТ) классифицируются по четырем группам.
В современных факсимильных аппаратах используют протоколы третьей и четвертой групп МККТТ (G3 и G4). Они позволяют передавать по телефонным каналам оцифрованные изображения. Время передачи изображения формата А4 составляет менее одной минуты при использовании скорости передачи по телефонной линии 9600 Вод. Протоколы G3 приведены в Табл. 7.2.2.
Протоколы группы G3
Таблица 7.1.1
|
Скорость передачи бит/сек |
Способ модуляции |
Скорость модуляции, Вод |
Частота несу щей, Гц |
Протокол МККТТ |
|
9600 |
Шестнадцатимет-ричная QAM |
2400 |
1700 |
V.29 |
|
7200 |
Восьмиричная AM |
2400 |
1700 |
V.29 |
|
4800 |
8-фаз PSK |
Д600 |
1800 |
V.27 |
|
2400 |
4-фаз PSK |
1200 |
1800 |
V.27 |
|
300 |
FSK |
300 |
1650/1850 |
V.21 |
Наименьшую скорость передачи характеризует наиболее простой протокол V21 с частотной модуляцией (FSK). Большие скорости передачи достигаются при применения более сложных протоколов V.27 и V.29, использующих фазовую модуляцию (PSK) и ее модификацию – квадратурную амплитудную модуляцию (QAM).
Важным элементом протоколов является кодирование (сжатие данных) оцифрованных факсимильных изображений.
Оно не только приводит к сокращению объема передаваемой информации и экономит время передачи изображений, но и обеспечивает совместимость протоколов этой группы. Поэтому способы кодирования, как и способы модуляции, входят в область стандартизации МККТТ.
Способы кодирование сигнала
Рекомендация этого комитета – Т.4 для факсимильной аппаратуры третьей группы – устанавливает так называемую одномерную схему кодирования, в которой кодируются длины белых и черных серий элементов изображений с помощью кода Хаффмена, Строка развертки содержит 1728 белых или черных элементов, каждый из которых отображается в оцифрованном изображении «0» или «1». Таким образом, строчная развертка отображается в виде массива строк двоичных цифр, которые образуют случайную последовательность. Код Хаффмена учитывает статистические свойства черно-белых изображений и представляет собой код длин серий «0» и «1», в котором длина кодовой комбинации связана с вероятностью появления кодируемой серии в оцифрованном массиве данного изображения. Чем больше вероятность (частота) появления серии, тем меньше длина кодовой комбинации для такой серии. Для кодовых комбинаций составляется специальная таблица, позволяющая восстановить оригинальное содержание оцифрованного массива.
В общем случае полное кодовое описание строки изображения состоит из трех частей:
«данные», «заполнение», «конец строки» (Рис. 7.1.4).

Рис. 7.1.4. Кодовое описание строки
«Данные» – это последовательность кодовых комбинаций «черных» и «белых» серий одной строки изображения, расположенная в последовательности развертки строки. Код «конец строки» сопровождает комбинацию каждой строки, а также предшествует первой строке развертки. Последовательность «заполнение» (последовательность «0…0») передается между последовательностями «данные» и «конец строки» для того, чтобы время передачи строки было не менее установленного стандартом процедуры передачи. Окончание передачи страницы документа обозначается серией из шести последовательностей «конец строки».
Использование кодирования Хаффмена позволяет сократить объем передаваемой информации от 3 до 5 раз, что значительно повышает эффективность систем факсимильной передачи.
При приеме изображения модем демодулирует электрические сигналы, поступающие по телефонному каналу. Микроконтроллер восстанавливает из сжатого цифрового кода оригинальный код оцифрованного изображения, а затем принятая факсимильная копия оригинального изображения распечатывается на бумаге.
В факсимильном аппарате используются, как правило, недорогие и простые устройства термопечати, обеспечивающие достаточно высокое разрешение.
Для выбора режимов управления факсимильным аппаратом (Рис. 7.1.5.) и ввода команд служит специальная клавиатура, похожая на клавиатуру телефонного аппарата с кнопочным управлением. Пользуясь ею, можно ввести в память аппарата телефонные номера корреспондентов, извлекать из памяти номера для соединения по телефону, производить набор телефонного номера, переключить аппарат на режим обычного телефонного разговора.

Рис. 7.1.5. Факсимильный аппарат
Всем этим управляет микроконтроллер аппарата. Кроме того, он осуществляет и дополнительный сервис, полезный при оценке общего времени работы аппарата, суммы оплаты телефонных счетов. В памяти аппарата ведется и по команде с клавиатуры распечатывается на бумаге журнал работы аппарата. В нем регистрируются, как правило, время всех сеансов приема и передачи изображений, номера телефонов вызывавших или вызванных корреспондентов, протокол сеанса, суммарная длительность сеанса передачи.
В настоящее время в мире эксплуатируются миллионы факсимильных аппаратов, постепенно заменяющих в учреждениях телекс и телетайп. Это объясняется важным преимуществом факсимильной связи по сравнению со средствами буквопечатания. Для нее не требуется специальной сети для связи с корреспондентами, используется обычная телефонная линия, причем наряду с обычным телефоном. Факсимильный аппарат (как и обычный телефон) постоянно подключен к сети и готов для приема или передачи документов.
Перспектива развития факсимильной связи
В последнее время факсимильная связь все шире внедряется в средства передачи информации, построенные на основе персональных компьютеров и систем электронной почты. Так как современный персональный компьютер часто оснащается совершенными средствами для ввода/вывода графических изображений. Естественно использовать подобные устройства и сам компьютер для обмена изображениями, используя факсимильные протоколы.
Например, современный лазерный принтер имеет разрешение порядка 12 точек на 1 мм, что даже больше, чем при воспроизведении факсимильных изображений. Подобное же разрешение имеют и сканеры – что делает возможным их использование для считывания изображений. Компьютер лишь дополняется специальным факсимильным модемом, реализующим стандартные протоколы передачи оцифрованных и закодированных изображений. Факсимильный модем часто позволяет не только передавать изображения, но и обычную информацию с помощью протоколов V.22 или V.22 BIS, а также пользоваться информационными системами и электронной почтой.
Практически все системы электронной почты имеют возможность передачи сообщений (писем) на факсимильные аппараты. Для этого в сеть электронной почты включаются факсимильные серверы, которые устанавливаются в различных регионах страны. Это специальные компьютеры, оснащенные факсимильными модемами и подключенными как к сети электронной почты, так и к местной (региональной) телефонной сети. При необходимости передать сообщение на факсимильный аппарат корреспондента информация сначала отправляется на ближайший к корреспонденту факсимильный сервер, там коды текстового сообщения преобразуются в графическое изображение текста, которое и передает по местной телефонной линии на факсимильный аппарат. Таким образом, текстовое сообщение, введенное в компьютер, скажем, в Москве, как на удаленном принтере распечатывается на факсимильном аппарате, установленном, например, во Владивостоке. В большинстве случаев доставка сообщения средствами электронной почты через удаленный факсимильный сервер более надежна и выгодна, чем по междугородному или международному телефону.
7.2.Сотовые телефоны
Принятые сокращения
AT&T - американской компании AT&T
ГУН - генератор управляющего напряжения
ДПКД - делитель с переменным коэффициентом деления
ЖКИ - жидкокристаллический индикатор
ИС - интегральная микросхема
МП - микропроцессор
ОАТС - общенациональная автоматическая телефонная сеть
ПБ - переносная батарея
ПЧ - промежуточная частота
РЧ - радиочастота
СБ - стационарная батарея
ФАПЧ - фазовая автоподстройка частоты
ФКС - федеральная комиссия связи
7.2.1.Принципы построения сотовой сети
Введение
Возможность беседовать по телефону "на ходу" для большинства людей всегда считалась недостижимой роскошью. Но согласитесь, что мобильная связь – это удобно, а иногда и жизненно необходимо – можно позвонить из любого места в любое время. Для многих абонентов именно последнее качество оказывается определяющим – возможность позвонить в экстремальных ситуациях.
Мобильная связь с помощью переносных радиостанций существует уже почти шестьдесят лет. Любительские и служебные системы радиосвязи хорошо известны и широко используются. Однако они не обеспечивают непосредственного доступа к Общенациональной автоматической телефонной сети (ОАТС). Некоторые радиолюбительские радиостанции могут подключаться к ОАТС, но процедура вхождения в телефонную сеть весьма сложна и длительна, а, кроме того, в каждый конкретный момент ею может воспользоваться только один оператор и только на короткое время.
Некоторое время назад было разработано такое радиотелефонное оборудование, которое позволяет подключаться к ОАТС с помощью установленной на автомобиле радиостанции. Такое построение сети позволяет вести переговоры сразу многим абонентам одновременно – связь осуществляется на различных частотах (каналах). Вся сеть подключается к ОАТС на центральной станции системы.
Возможности радиотелефонной связи ограничены двумя факторами:
Во-первых, в частотном диапазоне, выделенном для радиотелефонии Федеральной комиссией связи (ФКС), можно разместить лишь ограниченное количество каналов. Всего их может быть около 2000. На первый взгляд это довольно много, но такого количества явно недостаточно, чтобы обеспечить всех желающих, – очередь на установку радиотелефонов огромная.
Во-вторых, радиотелефонная сеть обязана быть централизованной, – поэтому вас обслуживает одна-единственная компания. Территория, где вы можете пользоваться радиотелефоном, ограничивается зоной действия ее приемопередатчиков.
Система сотовой телефонной связи разрабатывалась с расчетом на массового потребителя, поэтому охватываемые ею территории постоянно расширяются, а стоимость услуг весьма невысока. В этой главе рассматриваются принципы сотовой связи, и описывается устройство типичного сотового телефона (Рис. 7.2.1).

Рис. 7.2.1. Карманный сотовый телефон.
В традиционных радиотелефонных системах для расширения зоны обслуживания и увеличения числа абонентов использовался чисто силовой подход. Региональные станции увеличивали число радиоканалов и мощности передатчиков до максимумов, которые еще допускала ФКС. Это привело к тому, что зоны обслуживания располагались небольшими островкам, отделенными друг от друга существенными расстояниями, поскольку в противном случае, из-за использования одних и тех же частотных каналов, между соседними зонами могли возникнуть недопустимые помехи. Увеличение мощности станций и выделение ФКС более широкой полосы частот не решало проблемы. Поэтому пришлось переосмыслить заново сам подход к мобильной телефонной связи.
Компания AT&T стала первой, кто занялся реконструкцией радиотелефонной связи, и разработала новую систему AMPS (Advanced Mobile Phone Service), известную сегодня просто как сотовая связь.
Истории развития сотовой связи
Первые радиотелефоны использовали обычные фиксированные каналы, и если один из них был занят, абонент вручную переключался на другой. В 1946 г, в городе Сант-Луис (США) впервые заработала подобная система радиотелефонной связи.
С развитием техники системы радиотелефонии совершенствовались:
уменьшались габариты устройств
осваивались новые частотные диапазоны
улучшалось базовое и коммутационное оборудование
появилась функция автоматического выбора свободного канала.
Оставалась главная проблема: - ограниченность частотного ресурса при огромной потребности в предоставлении услуг.
В середине 40-х годов исследовательский центр Bell Laboratories американской компании AT&T предложил идею разбиения территории на небольшие участки (Рис. 7.2.2), называемые сотами (от английского слова cell – ячейка, сота). В основу был положен следующий принципы:
Каждая из ячеек обслуживается передатчиком с ограниченным радиусом действия и числом каналов. Это без помех позволило бы повторно использовать те же самые частоты в другой ячейке.
Теоретически их можно использовать в соседней ячейке. Но на практике зоны обслуживания сот могут перекрываться из-за различных факторов, например, изменения условий распространения радиоволн. В результате появляются взаимные помехи, что недопустимо. Поэтому в соседних ячейках используются отличные от первой частоты. Группа ячеек с различными наборами частот называется кластером. На (Рис. 7.2.2) размерность кластера равна трем, но на практике это число может достигать пятнадцати.

Рис. 7.2.2.
Этот принцип организации связи был реализован в 70 годы.
В Америке в 1983 году вступила в коммерческую эксплуатацию сеть стандарта AMPS (Advanced Mobile Phone Service).
В 1981 г., началась эксплуатация первых систем сотовой связи стандарта NMT-450 (Nordic Mobile Telephone) диапазона 450 МГц.
Несколько позже, в 1985 г., на базе NMT-450 был разработан стандарт NMT диапазона 900 МГц, позволивший значительно увеличить емкость системы за счет использования большего, частотного ресурса и расширить ее функциональные возможности.
В 1985 г. Великобритания приняла в качестве национального стандарт TACS (Total Access Communications System), разработанный на основе AMPS.
Все названные здесь стандарты являются аналоговыми и относятся к первому поколению систем сотовой связи. Их основные характеристики приведены в (Табл. 7.2.1.).
Аналоговые стандарты сотовой связи
Табл. 7.2.1
|
Характеристики системы |
AMPS (США) |
NMT-450 (Скандинавские страны) |
NMT-900 (Скандинавские страны) |
TACS (Великобритания) |
Radiocom-2000 (Франция) |
|
Год ввода в эксплуатацию |
1983 |
1981 |
1986 |
1985 |
1985 |
|
Полосы частот на передачу, МГц - базовая станция -подвижная станция |
870-890 825-845 |
463-467,5 453-457,5 |
935-960 890-915 |
935-950 (917-933 ETACS) 890-905 (872-888 ETACS) |
424,8-427,9 418,8-421,9 |
|
Разнос речевых каналов, кГц |
30 |
25 |
25/12,5 |
25 |
12,5 |
|
Общее число каналов |
666 |
180 |
1000/1999 |
600 (640 ETACS) |
256 |
|
Характеристики телефонного сигнала: - тип модуляции – пиковая девиация, кГц |
ФМ +/- 12 |
ФМ +/-5 |
ФМ +/- 5 |
ФМ +/- 9,5 |
ФМ +/-2.5 |
|
Тип модуляции сигналов управления |
FSK |
FFSK |
FFSK |
FSK |
FFSK |
|
Типичный радиус ячейки, км |
2-20 |
2-45 |
0,5-20 |
2-20 |
5-20 |
|
Время переключения на границе ячеек, мс |
250 |
1250 |
270 |
290 |
- |
Примечание:
* AMPS - Advanced Mobile Phone Service (Передовые Услуга Подвижной Связи)
* CDMA - Code Division Multiple Access (Много - станционный Доступ с Кодовым Разделением каналов)
* СЕРТ - Conference of European Postal and Telecommunications Administrations (Европейская Конференция Администраций Почт и Электросвязи)
* DQPSK - Differential Quadrature Phase Shift Keying (Дифференциальная квадратурная Фазовая Манипуляция)
* FSK - Frequency Shift Keying (Частотная Манипуляция)
* FFSK • Fast Frequency Shift Keying (Частотная Манипуляция с минимальным сдвигом)
* GMSK - Gaussian Minimum Shift Keying (Гауссовская Манипуляция с Минимальным Сдвигом)
* GSM - Global System for Mobile Communications (Глобальная Система Подвижной Связи)
* IS - Interim Standard (Внутренний Стандарт)
* JDC - Japan Digital Cellular (Цифровая Сотовая Связь Японии)
* NMT - Nordic Mobile Telephone (Скандинавский Сотовый Телефон)
* QPSK - Quadrature Phase Shift Keying (Квадратурная Фазовая Манипуляция)
* TACS - Total Access Communications System (Система Связи Общего Доступа)
* ПА - Telecommunications Industry Association (Промышленная Ассоциация в области Связи)
Недостатки аналогового способа передачи информации
Аналоговый способ передачи информации с помощью обычной угловой модуляции (ЧМ или ФМ), кроме простоты, имеет ряд существенных недостатков:
возможность прослушивания разговоров;
отсутствие эффективных методов борьбы с замираниями сигналов под влиянием окружающего ландшафта и зданий или при движении абонентов.
Использование различных стандартов сотовой связи существенно мешало ее широкому применению.
Увеличивать число абонентов можно было лишь двумя способами:
Расширением частотного ресурса
Переходом к рациональному частотному планированию, позволяющему гораздо чаще использовать одни и те же частоты.
К концу прошлого десятилетия сотовая связь подошла к новому этапу своего развития – созданию систем второго поколения на основе цифровых методов обработки сигнала.
В 1982 г. была создала специальная группа Groupe Special Mobile с целью разработки единого европейского стандарта цифровой сотовой связи для выделенного в этих целях диапазона 900 МГц. Ее аббревиатура GSM и дала название новому стандарту.
Первые технические требования к GSM были опубликованы в 1990 г. В 1992 г. в Германии вступила в коммерческую эксплуатацию. Позже, в связи с широким распространением стандарта во всем мире, GSM стали расшифровывать как Global System for Mobile Communications.
В GSM использовались самые современные разработки. К ним относятся:
Применение временного разделения каналов
Шифрование сообщений и защита данных пользователя
Использование блочного и сверточного кодирования
Новый вид модуляции – GMSK (Gaussian Minimum Shift Keying) и ряд других.
Примечание:
Самая первая система сотовой связи стандарта NMT-450 вступила в эксплуатацию в Саудовской Аравии, на месяц раньше, чем у себя на родине в Скандинавии.
Цифровые стандарты сотовой связи
В 1991 г. он был утвержден цифровой стандарт сотовой связи. Табл. 7.2.2.
Табл. 7.2.2
|
Характеристики Стандарта |
GSM (Западная Европа) |
ADC (США) |
JDC (Япония) |
CDMA (США) |
|
Год ввода в эксплуатацию |
1992 |
1992 |
1991 |
1994 |
|
Рабочий диапазон частот, МГц |
935-965 890-915 |
824-840 869-894 |
810-826 910-956 |
824-840 869-894 |
|
Метод доступа |
Временное разделение каналов |
Временное разделение каналов |
Временное разделение каналов |
Кодовое разделение каналов |
|
Разнос каналов, кГц |
200 |
30 |
25 |
1250 |
|
Количество речевых каналов на несущую |
8 |
3 |
3(6) |
32 |
|
Эквивалентная полоса на речевой канал, Гц |
25 |
10 |
8,3 (4,15) |
|
|
Вид модуляции |
GMSK |
тс /4 DQPSK |
тс/4 DQPSK |
QPSK |
|
Возможный радиус соты, км |
0,5-35 |
0,5-20 |
0,5-20 |
0,5-25 |
Структура сотовой системы
Сотовая связь коренным образом отличается от традиционной радиосвязи (Рис. 7.2.3.). В ней не предусматривается создание отдельных, требующих больших затрат энергии, каналов связи между каждой парой абонентов. Вместо этого обслуживаемая территория делится на относительно небольшие ячейки (соты). Станции, расположенные в каждой ячейке, имеют небольшую мощность, полностью автоматизированы, и каждая из них соединена с центральной сотовой станцией. Абоненты связываются не непосредственно с центральной, а только с ближайшей станцией. Таким образом, на большом пространстве может быть создана сеть из множества взаимосвязанных радиостанций.

Рис. 7.2.3. Структура сотовой сети.
Принципиальным является то, что ячейки делаются небольшими: – радиус действия каждой станции не превышает нескольких километров. В условиях ограниченного диапазона частот тот же самый частотный канал можно использовать снова, но, правда, не в соседней ячейке. Таким способом можно, не расширяя полосу занимаемых частот, обеспечить сотовой связью весь земной шар. Небольшая мощность передатчиков позволяет делать аппаратуру весьма компактной и недорогой.
В Соединенных Штатах для сотовой связи выделен диапазон частот, в котором можно разместить 666 телефонных каналов. Оборудование каждой ячейки обеспечивает 45 двусторонних телефонных разговоров одновременно. Каждая дуплексная связь ведется на двух частотах, следовательно, в каждой ячейке используются 90 из 666 выделенных каналов. В соседних ячейках используются другие каналы. В более удаленных ячейках, те же самые каналы могут использоваться снова.

Рис. 7.2.4. Распределение каналов между ячейками.
Предположим (Рис. 7.2.4.), что в центральной ячейке области 1 используются каналы с 1 по 90. Ни в одной из соседних с ней ячеек на этих каналах вести переговоры уже нельзя из-за возможных взаимных помех, поэтому в соседних ячейках будут использоваться другие из 666 частотных каналов. Часть ячеек области 2 уже достаточно удалена, поэтому в них снова можно использовать те же частоты, что и в области 1. Центральная сотовая станция принимает сигналы от каждой из ячеек своей области и направляет их в ОАТС.
Когда абонент сотовой связи "снимает трубку" своего телефона, ближайшая станция принимает передаваемые телефоном сигналы и выделяет два свободных канала, по которым и осуществляется связь. Выбор каналов полностью автоматизирован, – абонент не имеет отношения к этой процедуре. После установки дуплексной связи центральная сотовая станция передает обработку вызова обычной телефонной станции. После подключения к телефонной линии вы услышите сигнал готовности.
Поскольку мобильный телефон перемещается в пространстве, уровень принимаемого сигнала постоянно изменяется. Когда абонент приближается к границе ячейки, центральная сотовая станция определяет, какая из соседних ячеек оказывается в "лучшем положении". После этого связь с абонентом передается аппаратуре следующей ячейки; такая процедура называется перебросом вызова. Процесс переброса незаметен для абонента, его разговор не прерывается.
У сотовой системы есть еще одно преимущество. Если различные территории обслуживаются разными компаниями, они могут вступить в соглашение и создать единую сеть. Многие компании так и поступили, договорившись о взаимном обслуживании клиентов. Всякий раз, когда вы выезжаете за пределы "своего" района, другая сотовая сеть автоматически примет переброс вызова и продолжит вас обслуживать. Там, где две местности, обслуживаемые различными компаниями, соседствуют одна с другой, сотовая сеть может быть непрерывной.
Сотовая сеть расширяема как вширь, так и "вглубь". Можно не только добавить новые ячейки к существующей сети, но и разделить существующие на более мелкие, что позволит обслуживать большее количество абонентов.
7.2.2.Сотовые телефоны
Несомненно, сотовый телефон является наиболее совершенным и эффективным из доступных для рядового потребителя средством связи. Условно схему сотового телефона можно разделить на три модуля (Рис. 7.2.5.): радиочастотный модуль, низкочастотный модуль и модуль управления.
Радиочастотный модуль
Радиочастотный модуль, показанный на Рис. 7.2.6, обрабатывает все радиосигналы, принимаемые или передаваемые сотовым телефоном. Антенна подключается к входному устройству (обычно это ферритовый вентиль, дополненный селективными фильтрами), которое предотвращает попадание сигналов передатчика на вход приемной схемы. Эффективность его такова, что вход приемника не перегружается даже при мощности передатчика сотового телефона в несколько ватт – это необходимо для обеспечения дуплексной связи.

Рис. 7.2.5. Устройство сотового телефона.
Принимаемые сигналы РЧ фильтруются и преобразуются в ПЧ схемой приемника. Выходной сигнал ПЧ с радиочастотного модуля поступает на низкочастотный модуль. Однако если в обыкновенных радиоприемниках используется ручная настройка для установки частоты приема, то в сотовом телефоне используется синтезатор частот, с помощью которого можно выбрать любой из 666 выделенных каналов сотовой связи. Частоты канала, выбранного в каждый конкретный момент времени, определяются модулем управления. Когда сотовый телефон перемещается в пространстве от ячейки к ячейке, частоты приема и передачи переключаются таким образом, чтобы соответствовать доступным каналам связи в новой ячейке. Инструкции, предписывающие, на какую частоту переключиться, поступают на телефон вместе с другими сигналами управления со станции сотовой связи и декодируются модемом, входящим в состав модуля управления телефона.

Рис. 7.2.6. Радиочастотный модуль сотового телефона.
Речевые сигналы и служебные коды с низкочастотного модуля поступают на схему передатчика, где ими модулируется несущая частота. Усиленный модулированный РЧ сигнал подается на антенну. Несущая частота передатчика устанавливается синтезатором и определяется управляющим кодом, переданным на телефон приемопередатчиком той ячейки, в которой вы находитесь.
Синтезатор частот обычно строится на основе систем фазовой автоподстройки частоты (ФАПЧ) и включает в себя опорные генераторы (обычно два), частоты которых стабилизируются кварцевыми резонаторами, и два генератора, управляемых напряжением (ГУН), вырабатывающих сигнал гетеродина приемника и несущую передатчика. Сигналы обоих ГУН смешиваются в отдельных смесителях с сигналом одного из опорных генераторов, в результате чего на выходах смесителей выделяются сигналы разностных частот (между опорной частоты и частотами ГУН). Частота сигнала второго опорного генератора делится в определенное число раз двумя – один для несущей, другой для гетеродина – делителями с переменными коэффициентами деления (ДПКД). Коэффициент деления каждого ДПКД определяется управляющим кодом, передаваемым сотовой станцией. Схема ФАПЧ сравнивает разностные частоты на выходах смесителей с частотами на выходах ДПКД и подстраивает оба ГУН таким образом, чтобы вышеуказанные частоты оказались равны. Таким образом, частоты сигналов гетеродина и генератора несущей определяются, с одной стороны, образцовыми частотами двух опорных генераторов, а с другой – управляющими кодами сотовой станции, что гарантирует их высокую стабильность.

Рис. 7.2.7. Низкочастотный модуль сотового телефона.
Низкочастотный модуль
В низкочастотном модуле (Рис. 7.2.7.) происходит преобразование сигналов ПЧ, поступающих с радиочастотного модуля, в звуковые сигналы, которые можно услышать в громкоговорителе сотового телефона. Довольно часто в сотовых телефонах устанавливается второй звукоизлучатель, он используется для подачи сигнала "звонка". Тональные DTMF-сигналы набора и речевой сигнал от микрофона проходят через фильтры, усилители, суммируются и подаются на радиочастотный модуль (вместе с сигналами из модуля управления), где ими модулируется несущая частота передатчика. Часть передаваемого речевого сигнала возвращается в громкоговоритель для получения местного эффекта. Работа приемника и передатчика звуковых сигналов координируется модулем управления.
Модуль управления
Модуль управления (Рис. 7.2.8.) координирует работу всех узлов сотового телефона. По своей архитектуре он похож персональный компьютер. Функционирование микропроцессора (МП) осуществляется на основе инструкций (программ), хранящихся в постоянном запоминающем устройстве (ПЗУ). Оперативное запоминающее устройство (ОЗУ) используется для временного хранения данных, например, номера текущего канала связи, установленной мощности передатчика и т.д., а также результатов логических или математических операций, которые производятся при выполнении программы.

Рис. 7.2.8. Модуль управления сотового телефона.
В ре-программируемом постоянном запоминающем устройстве (РПЗУ) хранится информация, специфическая для каждого конкретного телефона: например, назначенный сотовый телефонный номер. Радиочастотный и низкочастотный модули и DTMF-генератор управляются сигналами, поступающими непосредственно с МП.
Поскольку сотовые телефоны являются активными элементами сети, они должны находиться с ней в постоянном контакте. Помимо речевых сигналов и тональных DTMF-сигналов набора номера, сотовые телефоны должны передавать и принимать данные от приемопередатчика текущей ячейки (т.е., в конечном счете, от центральной сотовой станции). Для "подмешивания" данных в передаваемый телефоном радиосигнал, а также для выделения и декодирования команд и данных, получаемых из сети, используется ИС модема.
МП управляет работой контроллера сотового телефона, который представляет специализированную ИС, через которую осуществляется взаимодействие с клавиатурой и индикатором сотового телефона. Он используется также при установке необходимых частот синтезатора в радиочастотном модуле.
В сотовом телефоне обычно устанавливается дисплей, на котором индицируется набираемый номер и режим работы сети и телефона (например, "Выбор", "Включен", "В работе", "Поиск", "Занято" и т.д.). Для снижения потребляемой мощности и увеличения срока службы в качестве дисплея обычно используется жидкокристаллический индикатор (ЖКИ).
Недостатки сотовой связи
Как и беспроводные, сотовые телефоны имеют ряд недостатков, о которых вам необходимо знать. Они не связаны с неисправностями или изъянами конструкции сотового телефона, а являются следствием самих принципов радиотелефонии. Наиболее слабым местом считается радиочастотный канал связи между телефоном и приемопередатчиком ячейки. Проблемы, возникающие при пользовании сотовой связью, можно разделить на четыре основные группы: замирания сигнала, мертвые зоны, источники питания и конфиденциальность.
Замирания сигнала
Отличительной особенностью радиоволн в диапазоне от 800 до 900 МГц (диапазон сотовой связи) является то, что они излучаются (и принимаются) только в определенных направлениях относительно антенны, т.е. ее диаграмма
направленности имеет явно выраженные минимумы и максимумы. Кроме того, сигналы этих частот сильно поглощаются во влажной атмосфере, отражаются от стен и прочих поверхностей (например, от воды), а крупное препятствие, например, высотное здание или холм, и вовсе не позволит им распространиться дальше.
При перемещении вашего сотового телефона уровень принимаемого сигнала может иногда снижаться настолько, что это будет приводить к кратковременной потере слышимости. Может прерываться и сигнал вашего телефона, передаваемый на сотовую станцию. В зависимости от обстоятельств, эти паузы могут быть эпизодическими, а могу следовать одна за другой, совершенно расстраивая разговор.
Другой причиной замираний сигнала может быть приближение к периферии обслуживаемой территории, где нет других ячеек, на которые можно перебросить ваш вызов. Снижение уровня сигнала приведет к появлению кратковременных прерываний, частота которых будет быстро увеличиваться до тех пор, пока вас полностью не отсоединят.
Оборудование сотового центра обычно конструируется таким образом, что не реагирует на кратковременные замирания и не разъединяет ваш разговор. Однако слишком частые или длительные замирания могут привести к тому, что сотовый центр вас отсоединит. Пользуясь сотовым телефоном, вы довольно скоро выясните, где в вашем районе находятся зоны с плохой связью.
Мертвые зоны
В принципе, мертвые зоны возникают по тем же причинам, что и замирания сигнала, только такие участки занимают намного большее пространство. Перерывы в прохождении сигналов могут быть настолько длительными, что сотовый центр воспринимает потерю сигнала как отбой, и освобождает занятые каналы, переключая их на обслуживание других вызовов.
Мертвые зоны часто возникают из-за поглощения и отражений сигналов в холмистой или гористой местности, в районах с плотной городской застройкой. От мертвых зон иногда можно избавиться, изменив расположение приемопередатчика сотовой ячейки или добавив новые ячейки для обслуживания "неудобной" территории.
Источники питания
В качестве источников питания в сотовых телефонах используются никель-кадмиевые аккумуляторы, которые имеют ряд достоинств и недостатки.
Аккумуляторы ПБ не заряжаются. Ток заряда поступает в ПБ через специальную пару контактов. Когда выключенный ПБ находится в предназначенном для него гнезде, контакты СБ соприкасаются с соответствующими контактами ПБ. Для того чтобы судить о наличии зарядного тока, на СБ. часто устанавливается светодиодный индикатор.
В качестве аккумуляторов используют никель-кадмиевые аккумуляторы, которые имеют ограниченный срок службы.
Конфиденциальность
Все сказанное в предыдущей главе о конфиденциальности беспроводных телефонов, относится и к сотовой связи. С одной стороны, в данном случае ситуация для абонента усугубляется тем, что радиус действия сотовых телефонов составляет несколько километров, поэтому подслушивающий находится в более выгодном положении. С другой стороны, поскольку ваш телефон находится в движении, сотовая система переключает каналы при перебросах между ячейками. Подслушивающий должен следовать за вами и иметь возможность подключаться к каждому из 666 каналов, доступных для вашего сотового телефона, что даже для самого опытного профессионала – довольно непростая задача. Для борьбы с радио-подслушиванием в новых моделях беспроводных телефонов используется цифровое кодирование передаваемых сигналов. В состав СБ и ПБ включаются взаимно совместимые шифраторы-дешифраторы с одинаковой (но уникальной) таблицей кодов (их называют по-английски скремблеры). Любой приемник, в котором не установлен соответствующий декодер, будет воспроизводить полную какофонию. Применение практически полностью решает все проблемы с секретностью.
Поиск неисправностей сотовых телефонов
Несмотря на свои маленькие размеры, сотовые телефоны – весьма сложные устройства, объединяющие в себе телефон, радиостанцию и компьютер. Все это "упаковано" в прибор, умещающийся на ладони. В рамках одной главы невозможно даже конспективно изложить методику ремонта сотовых телефонов. Многие методы поиска неисправностей основаны на принципах радиотехники и компьютерной технологии, описание которых выходит за рамки этой книги.
Если вы решили попытаться отремонтировать сотовый телефон, вы обязательно должны раздобыть руководство по техническому обслуживанию вашей конкретной модели и соответствующую измерительную аппаратуру. В руководстве по обслуживанию обычно указываются возможные замены для микросхем (хотя многие из них являются уникальными для данного изделия) и других компонентов. К руководству обычно прилагается полный комплект принципиальных схем, без которых связываться с прибором такой сложности, как сотовый телефон, не имеет смысла.
7.2.3.Организация сотовой сети связи
Сотовая радиосеть
(Рис. 7.2.9. Рис. 7.2.10).

Рис. 7.2.9

Рис. 7.2.10.Сотовая радиосеть:
УС – узловая; БС – базовая; ЦС – центральная станции;
АС – абонентская; НС – носимая, станции; гатс– городская АТС;
МТС– междугородная АТС; НП – носимый приемник
Территория страны разбивается на ячейки, подобные сотам в ульях. В центре каждой ячейки – базовая станция (БС) с радиусом действия 0,5…40 км.
Сеть базовых станций сотовой системы через узловые станции (УС) соединена с общегосударственной телефонной сетью ОАТС. Узловая и несколько базовых станций образуют зону обслуживания. Некоторые БС одной зоны обслуживания объединяются в зону вызова подвижного абонента.
В пределах самостоятельных административно - хозяйственных образований (республики, области, края), районах нефти и газодобычи, где 90 % населения сосредоточено на 5... 10% территории, связь будут обеспечивать зоновые системы, состоящие из региональной сети и местных подсетей (Рис. 7.2.11.).

Рис. 7.2.11. Зоновая система радиосвязи:
ГЦС – главная центральная станция; МСЛ– междугородная телефонная линия; ЗЦС – зоновая центральная станция; ЦКС ЗКС – центральная и зоновая коммутационные станции; ВС, AC – базовая и автомобильная станции; РТсф, ТА – радиотелефон и телефон; РАТС, РУТЛ, АРТК – радиоудлинительные станции
«Зоны» - промежуточная ступень между сотовой и радиальной системами. Они не обеспечивают непрерывную связь при переезде из зоны действия одной базовой станции в другую, что упрощает и удешевляет обслуживание абонентов. Несколько видов радиосвязи могут благополучно сосуществовать в одном городе или регионе, так как работают в разных диапазонах. Так, для радиально - зоновых сетей выделена частота 330 МГц, для сотовых – 450 МГц, для устройств первоначального вызова, передающих «блуждающим» объектам используются закодированные сигналы – 160 МГц.
В настоящий момент основной путь телефонизации удаленных мест – является радиоудлинители телефонных линий (Рис. 7.2.12.).

Рис. 7.2.12. Радиоудлинитель телефонной линии
Вопросы для повторения
История развития сотовой связи. Принцип разбиения на несколько участков (сот).
Аналоговые стандарты сотовой связи.
Недостатки аналогового способа передачи информации.
Цифровые стандарты сотовой связи.
Принцип функционирования сотовой связи.
Сотовая радиосвязь.
Перспективы развития сотовой связи.
8.Пейджинговая связь
Введение
Пейджер - малогабаритное электронное устройство, предназначенное для принятия сообщений. Обычно содержит жидкокристаллический алфавитно-цифровой или только цифровой дисплей, на котором и отображается пришедшее сообщение. Помимо основного предназначения - приема сообщений, пейджеры могут иметь дополнительные - это будильник, записная книжка, расчет биоритмов и другие.
Пейджинг - самый старый из видов мобильной связи. Многое из того, что было разработано для пейджинга, потом было применено в сотовых сетях.
Во всем мире пейджинг остается наиболее быстро развивающейся отраслью телекоммуникаций.
8.1."История пейджинга"
Появление радиопоиска можно отнести к 1921 году, когда принцип оповещения по радио был впервые использован полицией Детройта. Уже в 30-е годы подобные системы в США широко использовались правительством, полицией и вооруженными силами. Правда, был он тогда отнюдь не персональным и служил для передачи голосовых сообщений через диспетчера. Персональный радиовызов, или пейджинг, стал первым действительно персональным средством радиосвязи в середине 50-х годов, а в 1963 г. Системы пейджинга получили достаточно широкое распространение в городах Европы и США. Таким образом, история развития пейджинга насчитывает уже около сорока лет.
Первые пейджеры были простыми приемниками частотно-модулированного сигнала. Они содержали несколько настроенных контуров, отслеживающих характерную последовательность низкочастотных сигналов (тонов). При получении этих тонов устройство подавало звуковые сигналы. Поэтому такие пейджеры и называют тональными. Наибольшее распространение получили двух- и пяти-тональные пейджеры.
В двух - тональных пейджерах использовалось только два контура, что сильно ограничивало число адресов в системе: ширины полосы пропускания радиоканала хватало лишь для нескольких тысяч комбинаций частот. Следовательно, таким же было максимальное число пользователей сети персонального радиовызова (СПРВ). Переход к пяти-тональным системам позволил увеличить число адресов (следовательно, и пользователей) до 100 тыс.
Существенным недостатком описанных пейджеров был небольшой срок службы элементов питания (они порой разряжались в течение дня). Эту проблему пытались решить добавлением к пяти тонам шестого. Продление срока службы элементов питания достигалось за счет включения и выключения питания при воздействии определенного сигнала.
Тем не менее, переход к цифровым системам был неизбежен.
Во-первых, с повышением популярности пейджинговой связи адресов опять стало не хватать.
Во-вторых, тональное кодирование не обеспечивало пересылку избыточной информации для детектирования (или исправления) возникающих во время передачи искажений.
В-третьих, тональное кодирование не подходило для передачи сложных сообщений, скажем, буквенно-цифровых.
8.2."Характеристики радиосигнала"
Известно, что в пейджинговых системах используется частотная модуляция, обеспечивающая лучшую помехоустойчивость и более высокие энергетические характеристики, чем амплитудная модуляция, однако для этого ей требуется большая необходимая полоса частот.
Необходимая ширина полосы радиочастот - это минимальная ширина полосы частот для денного класса изучения, достаточная для обеспечения передачи сигнала с требуемой скоростью и качеством, которые определяются при проектировании передатчика в соответствии с его функциональным назначением.
В СПРВ применяются радиосигналы двух классов излучения 16K0F1D (каналы передачи кодированной информации) и 16K0F3E (телефония - для организации сервисных функций в составе СПРВ). Поясним расшифровку этих обозначений.
8.2.1.16K0F1D
16K0 -- необходимая ширина полосы частот. Выражается тремя цифрами и одной буквой. Буква является десятичной запятой и отражает размерность значащих цифр (доли герц и герцы обозначаются буквой H, килогерцы - K, мегагерцы - M, гигагерцы - G). В рассматриваемом случае 16К0 - 16.0 кГц
F - тип модуляции основной несущей (F - частотная модуляция).
1 - характер сигнала (сигналов), модулирующего основную несущую (1 - один канал, содержащий квантованную или цифровую информацию без использования модулирующей поднесущей, 3 - один канал с аналоговой информацией).
D - тип передаваемой информации (D - передача данных, телеметрия, телеуправление, Е - телефония).
8.2.2."Основные протоколы пейджинговой связи"
Протокол пейджинговой связи - как нервная система организма, по которой сигналы передаются в мозг. Это своеобразный язык, набор правил, который позволяет сообщению, не искажаясь и оставаясь понятным, перемещатся по телефонным проводам, а затем по радиоканалу поступать на пейджер. Этот язык определяет пропускную способность, время задержки и скорость передачи, целостность передаваемых данных и срок службы батареек пейджера.
Передача адресной информации и сообщений в цифровых системах (в том числе и пейджинговых) осуществляется в определенном формате (протоколе) кодирования. История создания и развития протоколов пейджинговой связи насчитывает более полутора десятков различных форматов связи.
8.2.3.Протокол POCSAG
Одним из самых распространенных на сегодняшний день форматов пейджинговой передачи является протокол POCSAG, разработанный Британским почтовым ведомством. Он предусматривает скорость передачи информации 512, 1200 и 2400 бит/сек. Сообщения передаются в асинхронном режиме: пакет сообщения может стартовать в любой момент времени и длина его не определена.
Основное отличие протокола POCSAG от других протоколов пейджинговой передачи заключается в способе приема содержащегося в начале каждого пейджингого сообщения физического адреса пейджера.
В протоколе POCSAG не оговаривается, какие физические значения сигнала принимаются за 0, а какие за 1. Поэтому различные пейджеры (или режимы приема пейджера) воспринимают эту кодировку с точностью до наоборот. Отсюда появилось понятие инверсной кодировки POCSAG. Инверсная кодировка POCSAG полностью совпадает с описанной выше, за исключением того, что нулевые биты, заменяются единичными, а единичные биты - нулевыми.
Увеличение скорости передачи сообщений ведет к увеличению пропускной способности системы, однако, при этом снижается устойчивость к помехам, а главное - снижается чувствительность радиоприема, т.е. фактически - радиус рабочей зоны приема сообщений.
8.2.4.Протокол FLEX
Протокол пейджинговой связи FLEX (и сопровождающее его семейство ReFLEX, InFLEXion), разработанный компанией MOTOROLA, и ERMES, разработанный Международным Союзом Электросвязи. Основным достоинством этого протокола является высокая скорость передачи данных - 1600, 3200 и 6400 бит/сек а, следовательно, высокая пропускная способность. Так, если в стандарте POCSAG ресурс частоты составляет 10-15 тысяч абонентов, то во FLEX-системах ресурс частотного канала лежит в пределах 20-80 тысяч абонентов. В отличие от протокола POCSAG протокол FLEX использует синхронную передачу данных, т.е. синхронизация передатчика и приемника производится по абсолютному значению времени.
Каждый пейджер, работающий с протоколом FLEX, может принимать сообщения на любой из допустимых скоростей передачи данных. Одним из важных следствий синхронного протокола является то, что сообщения для каждого конкретного пейджера можно помещать в кадр с определенным номером. Это позволяет пейджеру избирательно принимать один или несколько кадров из всего четырех минутного цикла протокола FLEX, в которые помещаются сообщения на его адрес. Если пейджер не обнаруживает своего адреса в своем кадре, он прекращает прием. Такая организация связи позволяет резко повысить срок службы батареек пейджера.
Еще одной важной отличительной особенностью протокола FLEX является возможность работы совместно с другими протоколами связи. Для этого в цикле выделяются определенные кадры для работы по протоколу FLEX, а промежутки между ними отдаются для работы по другим протоколам, например, POCSAG. Это позволяет компании - оператору не создавая новой инфраструктуры, постепенно перейти от работы в протоколе POCSAG на работу в протоколе FLEX.
К достоинствам протокола FLEX следует отнести:
Повышенную скорость передачи данных, а, следовательно, повышенную пропускную способность на один частотный канал;
Возможность поддержания большого количества адресов (до 5 млрд.);
Улучшенные характеристики помехоустойчивости канала передачи;
Обеспечение энерго-экономичного режима работы пейджеров;
Возможность совместной работы с другими протоколами.
8.2.5.Протокол ERMES
Протокол ERMES был разработан как общеевропейский протокол пейджинговой связи (см. Табл. 8.2.1). Он включает в себя, кроме собственно протокола передачи данных, ряд организационных положений и технических решений в рамках Меморандума о взаимопонимании, подписанного руководителями организаций 16 стран Европы в январе 1990 года с целью координации усилий по созданию общеевропейской СПРВ. К достоинствам протокола ERMES следует отнести следующее:
Повышенную скорость передачи данных, а, следовательно, повышенную пропускную способность на один канал;
Обеспечение энерго-экономичного режима работы пейджеров;
Возможность передачи произвольного набора данных объемом до 64 Кбит;
Возможность удобной организации роуминга (роуминг - возможность получать сообщение на свой пейджер, находясь в другом городе) во всех регионах, охваченных сетью ERMES.
Для функционирования СПРВ по протоколу связи ERMES выделяется единый диапазон частот (или его часть) 169,4 - 169,8 МГц, в котором организуется 16 частотных каналов с разносом частот в 25 Кгц. Для приема сигнала используются сканирующие по частоте абонентские приемники (пейджеры). Скорость передачи данных составляет 6,25 Кбит/сек.
Системы персонального радиовызова на базе протокола ERMES обеспечивают следующие услуги:
Передачу цифровых сообщений длинной до 1600 знаков;
Передачу буквенно-цифровых сообщений длинной до 9000 символов;
Передачу произвольного набора данных объемом до 64 Кбит;
Возможность приема вызова и сообщений одним унифицированным приемником (пейджером) во всех странах, входящих в объединенную СПРВ ERMES.
Табл. 8.2.1. Протоколы пейджинговой связи.
|
Наименование протокола |
Используемые частоты, МГц |
Скорость передачи, бит/сек |
Требуемая полоса частотного канала, кГц |
Наличие нумерации сообщений |
Возможность роуминга |
|
POCSAG |
Любые пейджинговые |
512, 1200, 2400 |
25 |
Есть |
Есть |
|
ERMES |
169.425-169.800 |
6250 |
25 |
Есть |
Есть |
|
FLEX |
Любые пейджинговые |
1600, 3200, 6400 |
25 |
Есть |
Есть |
|
ReFLEX25-передача на пейджеры - прием с пейджеров |
929-931, 940-941, 901-902 |
1600, 3200, 6400 |
25 или 50 |
Есть |
Есть |
|
ReFLEX50-передача на пейджеры - прием с пейджеров |
930-931, 940-941, 901-902 |
До 25600 |
50 |
Есть |
Есть |
|
InFLEXion-передача на пейджеры - прием с пейджеров |
930-931, 940-941, 901-902 |
Цифровая компрессия звука |
50 |
Есть |
Есть |
Приемники персонального вызова (пейджеры) в системе ERMES работают следующим образом: находясь в зоне приема "своей" базовой станции пейджер принимает сообщения на ее частоте. При попадании в другой регион пейджер, не "слыша" сигнал на своей частоте, переходит в режим сканирования по каналам ERMES и, обнаружив сигнал, начинает принимать информацию на частоте базовой станции данного региона.
8.3."Условное распространение радиоволн"
Для передачи сообщений в СПРВ используется ультракоротковолновый (УКВ) диапазон частот сигнала от 80 МГц до 930 МГц (длина волны от 3.75 м до 0.32 м).
Главная особенность распространения радиоволн УКВ - диапазона состоит в том, что основная часть энергии, излучаемая антенной, распространяется в пределах прямой оптической видимости, так называемой зоны дифракционного поля.
Особенности волн УКВ - диапазона:
Не отражаются регулярной ионосферой;
Очень сильно поглощаются почвой и местными предметами;
Обладают малой дифракционной способностью;
Не отражаются от сухой земли;
Радиус действия поверхностного луча не зависит от времени года и суток, но сильно зависит от рельефа местности;
Не восприимчивы к атмосферным помехам, источниками которых являются грозовые разряды;
В лесу сильно поглощаются (радиоволны горизонтальной поляризации), из-за чего связь может быть не стабильной;
Отражаются от зданий, металлоконструкций и других крупногабаритных препятствий, что позволяет СПРВ довольно уверенно работать в городских условиях, принимать сообщения в зданиях, а при достаточной мощности передатчика и в подвалах. Следует отметить, что возникающая при городских условиях многолучевость распространения (и как следствие - замирание) сигнала компенсируется при приеме пейджинговыми кодами;
Повышенная дальность распространения над грунтами с высокой проводимостью и высокой диэлектрической проницаемостью, например, над болотистыми торфяниками и водной поверхностью.
При общих свойствах радиоволны УКВ - диапазона имеют ряд особенностей распространения в метровом и дециметровом диапазонах.
Радиоволны дециметрового диапазона испытывают большее затухание (например, для частоты 450 МГц по сравнению с частотой 150 МГц - на 10 дБ) и в меньшей степени подвержены рефракции, поэтому обладают меньшей дальностью распространения. По этой причине, с точки зрения экономичного распространения СПРВ (с необходимой меньшей мощностью базовой станции и меньшим количеством ретрансляторов) при выборе рабочей частоты предпочтение отдают метровому диапазону частот. В тоже время радиоволны дециметрового диапазона обладают большей проницаемостью внутрь помещений и подвалов, средств автотранспорта.
8.4."Радиопейджинг в России"
История пейджинга в России (тогда еще СССР) началась в конце 60-х. Системы персонального радиовызова широко использовались отдельными государственными структурами. В 1980 во время московской Олимпиады также широко использовался пейджинг. Тогда это были простейшие тоновые модели и предназначались они, прежде всего для "скорой помощи" и службы безопасности олимпиады. С окончанием олимпиады пейджеры использовать перестали и на много лет этот вид связи был забыт. Новейшая история пейджинга началась в 1993 г. Именно тогда в стране начали появляться первые пейджинговые операторы, и с тех пор пейджинг в России стремительно развивается.
Более 70% российского рынка пейджинговой связи сосредоточено в крупнейших российских центрах. Наибольшее развитие этот рынок получил в Москве, где пользователями пейджеров является 1,1% населения, и в Санкт-Петербурге (0,6% городского населения). В целом по России пейджинговой связью охвачено до 100 городов, главным образом областные и промышленные центры. Если первая волна распространения пейджинговой связи в России захватила Москву и Санкт-Петербург, то следующая захватит крупные промышленно-развитые российские регионы: Урал, Поволжье, Западную Сибирь, юг Восточной Сибири, Алтай, Дальний восток. По прогнозам, наиболее интенсивно пейджинговая связь в ближайшие четыре, пять лет будет развиваться в таких городах, как Екатеринбург, Нижний Новгород, Новосибирск, Омск, Самара, Уфа, Челябинск, Пермь, Казань, Волгоград, Ростов - на - Дону. Сейчас около 30-35% российских операторов объединено в единые межрегиональные пейджинговые сети. Клиенты могут пользоваться услугами пейджинговой связи в любом городе, охваченном сетью роуминга. В ближайшие два-три года ожидается сетевой бум и число городов, охваченных сетями пейджинговой связи, будет расти.
Лидирующее положение среди производителей на рынке пейджеров занимает компания Motorola (68%), NEC (20%), Philips (9%), Oi Electric (2%). Среди моделей бестселлером по-прежнему остается Motorola Advisor, далее по популярности следуют NEC 21A, Philips 2310, Scriptor LX2, NEC 26B и Oi Electric. Проведенные маркетинговые исследования показали, что почти 80% пейджеров у российских абонентов - четырех строчные, двух строчные пейджеры занимают 10% рынка, чуть меньше (8%) занимают модели с большим дисплеем.
Постепенно меняется отношение к пейдженгу. Еще некоторое время назад пейджер воспринимался исключительно как атрибут "новых русских" и "младший брат" сотового телефона. Сейчас среди потенциальных пользователей пейджинга происходит постепенная трансформация отношения к этому виду связи. Фактически пейджер на поясе все чаще воспринимается не как символ престижа, а как удобное и доступное средство мобильной связи.
8.5."Будущее пейджинговой связи"
Во всем мире пейджинг остается наиболее быстро развивающейся отраслью телекоммуникаций. Наглядно это демонстрирует ситуация, сложившаяся в Америке и странах Юго-Восточной Азии: количество абонентов пейджинговых сетей увеличиваются там каждый год более чем на треть. В том же Китае к концу тысячелетия прогнозируется увеличение количества владельцев пейджеров до 100 миллионов человек.
В Западной Европе ситуация развивается не столь стремительно, однако даже по самым пессимистическим оценкам, к 2000 году число владельцев пейджеров в европейских странах превысит 20 миллионов.
Уже сейчас очевидно, что пейджер постепенно становится не только оперативным средством личной коммуникации, но и средством массовой информации, персональным информаторов. Речь идет не только об информационных каналах. Находит все более широкое применение другой вариант этой услуги - получение информации по запросу. К примеру, абоненту пейджинговой компании необходимо срочно узнать время вылетов всех самолетов в определенный город. В таком случае, он может просто позвонить оператору, и через минуту на дисплее появится нужная информация, которую к тому же можно будет при желании сохранить в памяти аппарата. О том, что в ближайшее время пейджинговая связь будет развиваться именно в этом направлении, говорит и тот факт, что в Америке и некоторых странах Европы уже существуют компании, предоставляющие своим абонентам подобные услуги. Данная услуга нашла спрос и на Российском рынке операторов связи. При этом спрос на такой сервис постоянно растет. По прогнозам аналитиков, именно эта сфера услуг в ближайшие годы станет основной для российских пейджинговых компаний.
Отдельного внимания заслуживает тема организации федеральных сетей - предлагается считать, что только те интегрированные сети могут претендовать на статус федеральной F-сети, если они действуют на территории не менее чем 50% субъектов Российской Федерации.
С каждым днем все большее количество компаний объединяется в сети, которые в свою очередь присоединяются к более крупным с целью создания сети покрывающей всю территорию России.
В данный момент к этому близится "Единая Пейджинговая Система России", где отдельным операторам региональных сетей удалось согласовать использование одного номинала частоты на всей территории России и некоторых странах СНГ (Грузия, Казахстан), на сегодняшний день более 80 городов, что позволило им перейти к организации сетей, охватывающих многие регионы России.
Создание таких сетей позволит перейти на протокол федерального уровня FLEX.
"Выводы"
За период с 1980 года по 1993 год возникли и стали бурно развиваться другие виды персональной связи, реализующие в отличие от пейджеров двунаправленную передачу сообщений. Например, сотовая связь. Многие, быть может, удивятся, почему двунаправленные системы связи, обладающие богатыми функциональными возможностями, не вытеснили пейджинг с рынка. Однако популярность пейджинга не только не уменьшается, но даже растет. В чем же кроются причины успеха пейджинговой связи? Во-первых, пейджеры очень компактны и мало весят. Во-вторых, стоимость услуг пейджинга невысока. В-третьих, частотные ресурсы очень эффективно используются данными системами. Это означает, что один радиоканал с полосой, скажем 25 Кгц, может обслуживать большое число абонентов. И, наконец, пейджеры - очень комфортное средство персональной связи: вы можете получать сообщения во время деловой встречи или, находясь за рулем автомобиля, и они не оторвут вас от выполнения текущих дел. У вас всегда будет время обдумать полученный вызов или сообщение и только затем реагировать на него.
Складывающаяся в европейских странах ситуация показывает, что даже при значительном удешевлении услуг сотовой связи, мобильный телефон не вытесняет пейджер. Более того, проведенные опросы (в том числе и среди российских пользователей), показывают, что 72% респондентов воспринимают рынки сотовой и пейджинговой связи не как конкурентные, а как взаимодополняющие.

Рис. 8.5.1. Блок-схема приемника персонального радиовызова (пейджера).
Приложение
ИНСТРУКЦИЯ ПО ЭКСПЛУАТАЦИИ АЛФАВИТНО-ЦИФРОВОГО ПЕЙДЖЕРА "BUMERANG"
Дисплей – 2 стоки по16 символов.
Приветствие до 32 символов.
Количество личных сообщений - 65.
Максимальная длина личного сообщения -550 знаков
Количество информационных каналов -12.
Информационные каналы могут вмещать до 100 сообщений.
15 уровней регулировки контрастности.
Календарь.
Часы.
Будильник
Удаление личных сообщений избирательно и полностью.
Защита личных сообщений от удаления (до 35 сообщений).
Индикатор повторного сообщения и индикатор помех при приеме.
Индикатор времени поступления сообщения.
Оповещение о непрочитанном сообщении
Индикатор отсутствия сообщений.
Два типа сигнала оповещения: звук и вибрация.
Индикатор о нахождении вне зоны обслуживания.
Подсветка дисплея.
Оповещение о разрядке батарейки.
10 мелодий.
Ручное включение/выключение питания.
Функция быстрого чтения сообщений.
Звуковое напоминание о не прочтенных сообщениях.
При смене батарейки данные не теряются.
Индикатор автоматического включения/выключения питания.
Индикатор переполнения памяти и защиты сообщения.
Срок работы батарейки – 800 часов без отключения.
Размер – 75х51х18 мм.
Вес – 65 г. с батарейкой.
9.Телекоммуникационные средства связи
9.1.Локальные и глобальные вычислительные сети
9.1.1.Понятие: локальные и глобальные ВС
Локальная сеть (Local Area Network, LAN) представляет собой соединение нескольких РС с помощью соответствующего аппаратного и программного обеспечения. Слово “локальная” в этом названии означает, что все соединённые РС находятся, как правило, в одном здании или в соседних зданиях. Кроме LAN, существуют и другие сети:
MAN (Metropolitan Area Network). В этой сети основой является соединение систем в пределах города. В качестве области её применения можно представить компьютеризированную главную управляющую систему или управление информацией о жителях большого города.
WAN (Wide Area Network). В данном случае речь идёт о сети, которая может соединять несколько стран.
GAN обозначает сеть, которая соединяет континенты, и происходит от английского термина Global Area Network.
Естественно, РС может работать в любой из этих сетей. Однако типичной областью его применения является именно локальная сеть. Благодаря открытой архитектуре сети компьютер имеет возможности для подключения в сеть.
Преимущество, предоставляемое при использовании локальной сети:
Распределение данных. Данные в сети хранятся на центральном РС и могут быть доступны для любого РС, подключенного к сети. Таким образом, не надо на каждом рабочем месте иметь накопители для хранения одной и той же информации.
Распределение ресурсов. Периферийные (часто всего дорогие) устройства могут быть доступны для всех пользователей сети, например, факс или лазерный принтер;
Распределение программ. Все пользователи сети могут иметь доступ к программе, которые были один раз централизованно установлены. При этом должна работать сетевая версия соответствующих программ.
Электронная почта. Все пользователи сети могут предавать или принимать сообщения.
На предприятии, имеющею сет, включающей несколько сотен рабочих мест, должен быть специалист, который отвечает функционирование всей сети. Такого специалиста называют сетевым администратором или супервизором.
Для защиты информации в первую очередь необходимы устройства на случай выхода из строя промышленной электрической сети. Для этой цели используют аппаратные средства, например устройство непрерывного питания компьютера (UPS).
В качестве другой меры необходимо иметь в распоряжении дополнительный компьютер, который может заменить вышедший из строя сервер или рабочую станцию.
Так как в сети циркулирует большое количество данных, то необходимо тщательно и планомерно заботиться о защите информации. Например, могут быть установлены дополнительные винчестеры (зеркальные), на которых дублируется информация, или накопители большой емкости (стримеры), с помощью которых обеспечивается планомерное копирование (архивирование) данных.
Кроме того, в сети каждый пользователь может иметь доступ ко всей информации, то есть прочитать и изменить любые данные. Обычно это нежелательно, и не только из соображения безопасности.
Соответствующие действия пользователей сети регулируются определенными правилами доступа, которые устанавливают, какому пользователю разрешено читать или записывать определенные данные. Для разграничения доступа, распределения ресурсов сети и обеспечения сохранности данных необходимо сетевое администрирование.
Способ соединения компьютеров в сети называется топологией. Поэтому прежде чем говорить об отдельных компонентах, необходимо рассмотреть важнейшие топологии сетей.
Прежде всего, следует запомнить, что файловый сервер (или просто сервер) - это центральный компьютер всей локальной чети, с которым тем или иным способом связаны рабочие станции - клиенты.
РС - РС (псевдосеть)

Рис. 9.1.1. Связанные между собой РС
Речь идет не о сети (псевдосеть), а лишь о связи между двумя РС (Рис. 9.1.1.). однако и в этом случае имеется возможность обмена данными.
Обмен информацией осуществляется через разъемы последовательного интерфейса обоих компьютеров с помощью специального кабеля нуль - модема. В этом случае для осуществления передачи данных необходимо лишь соответствующее терминальное программное обеспечение.
Наиболее распространение получила программа LapLink. В этой программе также существует опция передачи данных не только через последовательный, но и через параллельный порт ввода/вывода. Однако надо отметить, что в этом случае повышается скорость обмена информацией между обоими РС, но длина кабеля ограничена. Если используется последовательная передача данных, то кабель может быть значительно длиннее.
Предлагаются также и другие утилиты, так в стандартную поставку операционной системы MS-DOS (начиная с версии 6.0) входит программа Interlink, которая не очень удобна в применении.
При соединении типа РС-РС говорить о сети не очень правильно. Такое соединение, в основном, служит для передачи и быстрого копирования информации с одного компьютера на другой. Во время передачи данных оба процессора блокируются и не могут выполнять другие задачи.
Одноранговая сеть

Рис. 9.1.2. Принцип одноранговой сети
Одно-ранговая сеть (Рис. 9.1.2.) не имеет центрального компьютера и работает без резервирования файлов. Некоторые аппаратные средства (винчестеры, приводы CD-ROM) и, прежде всего, дорогие периферийные устройства (сканеры, принтеры и др.), подключенные к отдельным РС, используются совместно на всех рабочих местах.
Каждый пользователь одно-ранговой сети может определить права доступа другим пользователям к информации на своем РС
Чтобы установить такую сеть, необходимо несколько больше аппаратных средств, чем в случае с псевдосетью. Каждый РС сети должен быть оснащен сетевой картой, а все рабочие места должны соединяться друг с другом кабелями.
Если количество пользователей одноранговой сети превышает 10, её работа замедляется. В этом случае нужно использовать более мощные РС.
Сеть типа клиент-сервер
Под сетью типа клиент-сервер понимают сеть, в центре которой находится мощный РС (называемый сервером или файловым сервером), соединенный с отдельными рабочими станциями (клиентами). Такое соединение компьютеров называют сетью типа клиент-сервер.
Отдельные рабочие станции используют ресурсы сервера, поэтому могут быть оснащены более скромно. Управление сетью, а также контроль за периферийными устройствами сети, такими как модемы, факсы и т.д., осуществляется специальным мощным сетевым программным обеспечением. Топологи таких сетей может быть различной.
9.2.Топология сети
9.2.1.Топологий «звезда»

Рис. 9.2.1. Топология «звезда»
В сети с топологией «звезда» файловый сервер находится в центре (Рис. 9.2.1.).
Сеть такого типа имеет свои достоинства:
Повреждение кабеля является проблемой для одного конкретного компьютера и в целом не сказывается на работе сети;
Просто выполняется подключение, так как рабочая станция должна соединяться только с сервером;
Надежный механизм защиты от несанкционированного доступа;
Высокая скорость передачи данных от рабочей станции к серверу.
Недостатки:
Если географически сервер находится не в центре сети, то подключение к нему отдельных удаленных рабочих станций может быть затруднительным и дорогим;
В то время как передача данных от рабочей станции к серверу (и обратно)
происходит быстро, скорость передачи данных между отдельными рабочими станциями мала;
Мощность всей сети зависит от возможностей сервера. Если он недостаточно оснащен или плохо сконфигурирован, то будет являться тормозом для всей системы;
Невозможна коммутация между отдельными рабочими станциями без сервера.
9.2.2.Кольцевая топология
В этом случае все рабочие станции и сервер соединены друг с другом по кольцу, по которому посылаются данные и адрес получателя. Рабочие станции получают соответствующие данные, анализируя адрес посланного сообщения. Топология такой сети показана на Рис. 9.2.2.
Достоинства:
Так как информация постоянно циркулирует по кругу между последовательно соединенными РС, то существенно сокращается время доступа к этим данным;
Нет ограничений на длину всей сети, то есть имеет значение только расстояние между отдельными компьютерами.
Недостатки:
Время передачи данных увеличивается пропорционально числу соединенных в кольцо компьютеров;
Каждая рабочая станция причастна к передаче данных. Выход из строя одной станции может парализовать всю сеть, если не используются специальные переходные соединения;
При подключении новых рабочих станций, сеть должна быть кратковременно выключена.

Рис. 9.2.2. кольцевая топология
9.2.3.Шинная топология
Такая сеть похожа на центральную линию, к которой подключены сервер и отдельные рабочие станции. Такое соединение получило широкое распространение, что, прежде всего, можно объяснить небольшими потребностями в кабеле и высокой скоростью передачи данных.
Для исключения затухания электрического информационного сигнала вследствие переотражений в линии связи такой сети на концах линии устанавливаются специальные заглушки, называемые терминаторами (Рис. 9.2.3.).
Достоинства:
Небольшие затраты на кабели;
Рабочая станция в любой момент времени могут быть установлены или отключены без прерывания работы всей сети;
Рабочие станции могут коммутироваться друг с другом без помощи сервера.
Недостатки:
При обрыве кабеля выходит из строя участок сети от места разрыва;
Возможность несанкционированного подключения к сети, поскольку для увеличения числа рабочих станций нет необходимости в прерывании работы сети.

Рис. 9.2.3. Шинная топология
9.3.Компоненты локальной сети
Основой для организации локальной сети являются обычные РС, подключенные в сеть с помощью карты расширения. Сеть устанавливается относительно легко, но должны еще конфигурироваться сетевые карты. В больших сетях для решения специальных задач могут выделяться отдельные РС, например, сервер печати для управления принтером или коммуникационный сервер для связи с модемами и т.п. К тому же необходимо пользователям или группам пользователей назначить соответствующие права доступа к ресурсам сети.
Файловый сервер
Файловому серверу в сети принадлежит центральная роль. Следовательно, в качестве него должен использоваться достаточно мощный РС с развитой периферией в зависимости от числа подключенных рабочий станций. Можно встретить информацию, что в качестве сервера достаточно использовать РС с процессором 80486DX, 16 Мб RAM и винчестером емкостью 600 Мб. Однако сеть с таким сервером уже при малых нагрузках будет работать медленно. Поэтому при планировании сети в качестве сервера всегда следует выбирать РС с PCU не ниже Pentium 200 МГц. Компьютер с шиной EISA или PIA гарантирует более быструю передачу данных, чем обычная 16-разрядная шина ISA. При этом необходимо как минимум 46 Мб RAM, а лучше 0 128 Мб. Особое внимание следует обратить на емкость винчестера. При его емкости 2 Гб можно использовать сетевой файловый менеджер, но в зависимости от запросов рабочих станций при увеличении их количества до 10 потребуется емкость винчестера уже не менее 3 Гб.
Надо отметить, что надо отказаться от использования на сервере высококачественной видео карты или суперкачественной клавиатуры, т.к. работа на сервере ограничена. При этом не нужен монитор, оснащенный графической картой, поддерживающей 16,7 млн. цветов.
Рабочая станция
Оснащение отдельных рабочих станций внутри сети зависит от оснащения сервера. Если файловому серверу выделена центральная роль, то в к качестве рабочих станций могут использоваться не менее мощные РС: достаточно материнской платы с процессором 89486 DX с 16 Мб RAM.
По-другому выглядит одноранговая сеть, в которой осуществляется файловый сервер. Здесь чем лучше отдельные станции, тем лучше распределение ресурсов внутри всей сети. Дорогие периферийные устройства, такие как сканер, модем, жесткие сменные диски и т.п., необходимо устанавливать лишь на одной рабочей станции, так как в сети эти ресурсы доступны всем пользователям.
Сетевые карты
РС, как правило, подключаются в сеть с помощью сетевой карты. Исключение составляет псевдосеть, где РС соединяются с помощью кабеля нуль - модема. Сетевая карта устанавливается в один из свободных слотов материнской платы. При этом сервер не обязательно должен иметь лучшую карту, чем рабочие станции, однако для обеспечения оптимальной эффективности, следует оснащать рабочие станции 16 - разрядными, а по возможности 32 - разрядными сетевыми картами. Сетевые карты являются посредниками между РС и сетью и передают данные по сети шин с CPU и RAM сервера или рабочей станции. Сетевая карта оборудована собственным процессором и памятью, обычно имеющий объем 8-16 Кб.
Вопросы для повторения
Понятие: Локальные и глобальные средства связи. Определение, область применения, достоинство и недостатки.
Топология сети типа РС-РС (псевдосеть). Связь РС между собой. Особенности, достоинство и недостатки.
Одно-ранговая сеть. Топология. Организация одно-ранговой сети. Достоинство и недостатки
Сеть типа клиент-сервер. Топология, недостатки и достоинства.
Топология «звезда». Организация, достоинство и недостатки.
Кольцевая топология. Достоинство и недостатки.
Шинная топология. Достоинство и недостатки.
Компоненты локальной сети. Файловый сервер. Рабочая станция. Назначение, состав, системные ресурсы.
Сетевые карты. Назначение. Сетевые программные средства.