Микропроцессор AonZ80
Министерство образования Российской федерации
Алтайский государственный технический университет им. И.И. Ползунова
Кафедра информационных технологий
МИКРОПРОЦЕССОР Z80
Описание и принцип действия телефонного сервера на Z80
|
Выполнил: |
Колесников Андрей Викторович |
|
Группа: |
9ИИТ-61 |
|
проверил: |
|
2001
содержание
введение 3
AOH HA Z80 4
1. СТРУКТУРНАЯ СХЕМА АОН 4
Цифровая часть: 4
Аналоговая часть: 4
2. РАБОТА УЗЛОВ ПО ПРИНЦИПИАЛЬНОЙ СХЕМЕ 6
Микропроцессор Z80A 6
Постоянная память 9
Временная память 10
Таймер 11
Порт ввода-вывода 12
Узел сброса 13
Задающий генератор 14
Узел выборки ОЗУ 14
Узел индикации и опроса клавиатуры 16
Узел определения положения трубки 17
Узел охранного устройства 17
Узел управления магнитофоном 17
Компаратор 18
Схема анализа вызова из линии 18
Ключ подключения к линии 18
Узел выдачи сигналов в телефонную линию 19
Узел формирования звука 19
Выпрямитель 20
Разговорная схема 20
заключение 22
литература 23
приложение 24
введение
Первые упоминания о системах, производящих автоматическое определение номера звонящего абонента, в "полулегальной" радиолюбительской литературе появились в 1990 году. К этому времени в крупных городах закончилось оснащение районных АТС аппаратурой АОН. Эта аппаратура предназначается для работы с автоматической междугородной телефонной станцией (АМТС). Она выдает по запросу последней номер абонента, осуществившего запрос услуг АМТС. Это необходимо для автоматического учета услуг, оказываемых АМТС, а также автоматического выписывания счета абоненту, который при этом избавляется от трудоемкого набора собственного номера при работе с АМТС. Поскольку работа данной аппаратуры осуществляется непосредственно по физическим соединительным линиям в общепринятых и известных кодах, то негласно доступ к ней получили и широкие круги радиолюбителей. Это, а также ослабление многолетних запретов, существовавших в этой области, обусловило всплеск активности радиолюбителей, который не спадает уже на протяжении большого периода времени.
Коротко расскажем об истории АОН. Отметим, что разработки подобных систем могут вестись по двум направлениям:
— с использованием аналоговых фильтров;
— с использованием цифровых методов обработки.
Первые конструкции использовали ряд узкополосных фильтров и их "обвязку" на дискретных элементах. Они являлись упрощенными копиями профессиональных систем. Данные системы при правильном исполнении и тщательной регулировке обеспечивали высокую вероятность определения номера, достигающую 100 %. Однако использование в первых конструкциях неперспективной элементной базы не позволило реализовать сколько-нибудь приемлемый уровень сервиса. Поэтому данные системы не получили широкого распространения. В последнее время, однако, возрождается интерес к данному направлению ввиду его главного достоинства — высокой вероятности определения номера. Дальнейшее развитие этого направления связано с трансформацией элементов схемы в единую БИС.
Первым представителем второго направления, получившим широкое распространение, явился АОН на ИС КР580ВМ80А. Недостатки АОН большое потребление энергии, использование 3-х источников питания, низкое быстродействие МП, низкая вероятность определения трудности с формированием сигналов фиксированных частот, сложность в настройке, стирание информации при пропадании напряжения в электросети определялись типом используемого процессора.
На данной конструкции были опробованы основные принципы телефонного сервера, и затем она была вытеснена следующей конструкцией АОН на Z-80A.
Конструкция АОН на Z-80A оказалась настолько удачной, что выпускается целым рядом государственных, частных и "нелегальных" фирм в практически неизменном виде с 1992 года. По статистике более 50 % индивидуальных АОН выполнены по этой схеме.
За это время появилось большое количество доработок и усовершенствований, носящих не принципиальный характер - как удачных, так и неудачных.
A
OH
HA Z80
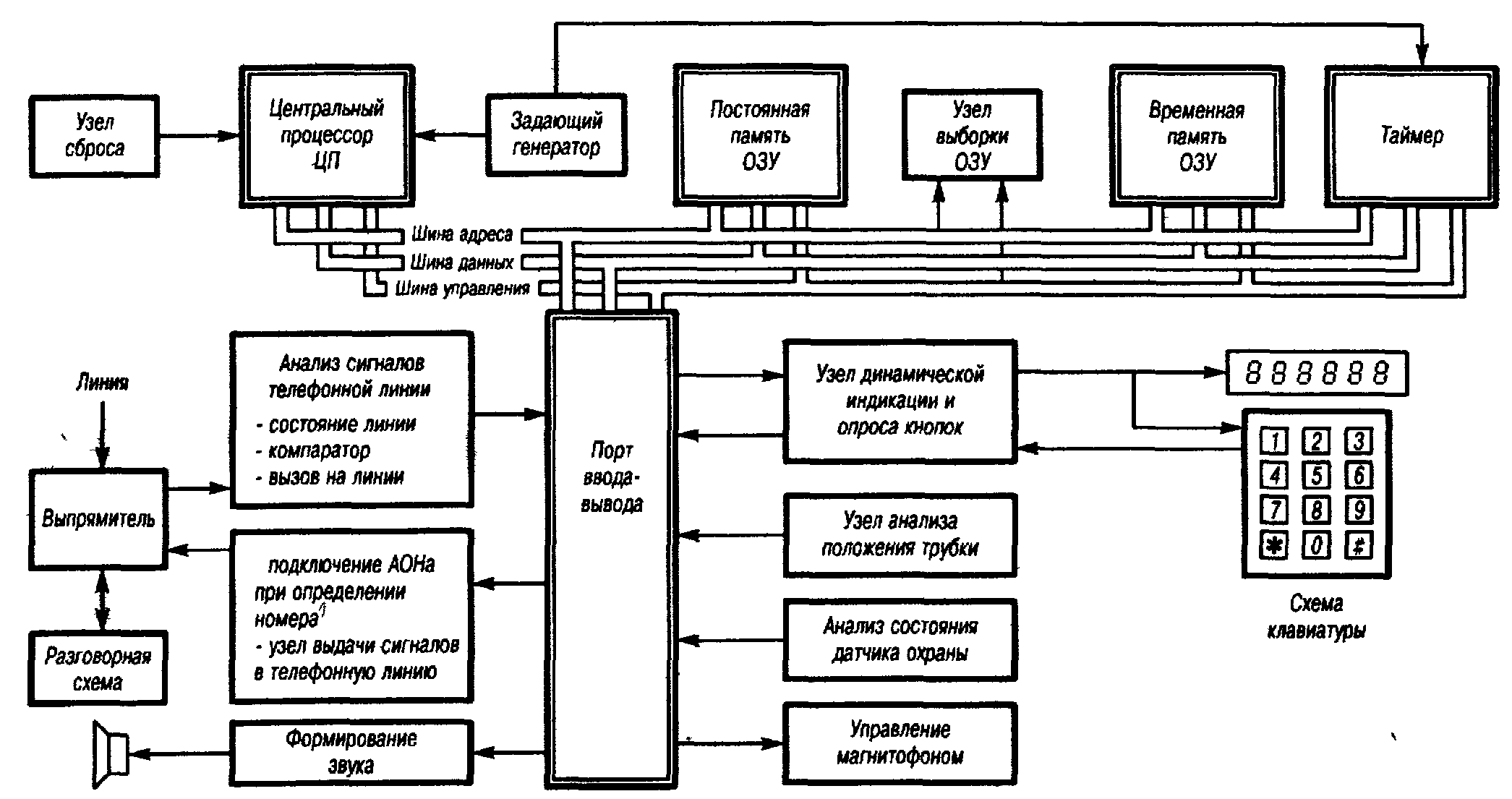
1. СТРУКТУРНАЯ СХЕМА АОН
На рисунке приведена структурная схема АОНа. Он состоит из цифровой и аналоговой частей.
Цифровая часть:
1. ЦП - центральный процессор
2. ПЗУ - постоянная память
3. ОЗУ - временная память
4. Таймер - счетчик времени
5. Порт В.-В. - порт ввода-вывода
Аналоговая часть:
6. Узел сброса
7. Задающий генератор
8. Узел выборки ОЗУ
9. Узел индикации и опроса кнопок
10. Узел определения положения трубки
11. Узел охранного устройства
12 Схема управления магнитофоном
13. Схема анализа состояния линии
14. Компаратор
15. Схема анализа вызова из линии при определении номера
16. Узел подключения к линии (ключа)
17 Узел выдачи сигналов в телефонную линию
18. Узел формирования звука
19. Выпрямитель
20. Разговорная схема
Рассмотрим назначение вышеупомянутых блоков и узлов.
ЦП (Центральный процессор)
Основа функционирования всего телефона Он формирует необходимые адреса, данные, устанавливая необходимые сигналы управления. Это настоящий диспетчер в этом «муравейнике». Он организовывает передачу данных между всеми микросхемами, подключенными к микропроцессорным магистралям адреса, данных, управления
ПЗУ (Постоянная память)
Содержит программы управления работой ЦП (соответствующую версию) Реализована на микросхеме, информация в которую заносится заранее В процессе эксплуатации информацию можно многократно стирать ультрафиолетовым излучателем и запрограммировать новую, т о ЦП будет выполнять новую последовательность команд
ОЗУ (Временная память)
Служит для хранения показаний часов, будильников, календаря. В ней размещена память телефонов и номера Вашей электронной записной книжки. Она участвует в процессе определения номера, так как содержит результаты анализа двухчастотных посылок.
Таймер
Управляется ЦП и служит для формирования звуковых сигналов и временных интервалов:
— формирование музыкальной заставки при включении питания;
— озвучивание клавиш при их нажатии;
— формирование вызывного сигнала;
— сигнал будильника;
— организация отображения информации;
— другие функции.
Порт В.-В. (Порт ввода-вывода)
Содержит 24 триггера, которые доступны для анализа ЦП. Причем 8 из 24 ориентированы им на прием информации из различных узлов телефона, а остальные 16 триггеров настроены ЦП на вывод информации, управляя аналоговой частью телефона.
Узел сброса
Служит для приведения ЦП в исходное состояние и восстановление работы устройства при начальном включении телефона, при пропадании питания в сети, а также для предотвращения от «зависания».
Узел задающего генератора
Обеспечивает тактовыми сигналами ЦП (4MHz) и работу таймера (1 MHz).
Узел выборки ОЗУ
В соответствии с логикой работы обеспечивает доступ к ОЗУ, а также сохранность информации в ней при пропадании напряжения питания.
Узел индикации и опроса кнопок
Поразрядно отображает информацию на короткие промежутки времени и определяет код нажатой клавиши. При большой скорости смены отображения очередного разряда создается картина, будто все разряды засвечены одновременно. С помощью этого метода достигается уменьшение количества элементов для отображения и понижения энергопотребления.
Узел определения положения трубки
При поднятии и опускании телефонной трубки срабатывает датчик положения телефонной трубки и ЦП становится известно об этом факте. Далее ЦП, в соответствии с программой, решает: подключить телефон и его разговорную схему к линии или выполнить другое действие.
Узел охранного устройства
Во многих последних версиях АОНа реализована возможность работы с датчиком охраны. При замыкании/размыкании (в разных версиях программы по-разному) датчика охранной сигнализации этот узел формирует для ЦП сигнал, который в соответствии с заложенным алгоритмом осуществляет подачу тревожных сигналов.
Узел управления магнитофоном
Позволяет в одном из режимов работы управлять включением магнитофона для записи сообщения из телефонной линии.
Узел анализа состояния линии
Выдает ЦП сигналы о подключении к телефонной сети и о снятии трубки на параллельном телефоне. Сигналы этого узла используются также для организации режима автодозвона.
Компаратор
Высокочувствительный элемент, преобразующий аналоговые сигналы телефонной линии в последовательность импульсов различной длительности, которые в дальнейшем обрабатываются ЦП.
Узел вызова из линии
По сигналам индукторного вызова от АТС формирует сигнал «вызов» для сообщения через порт ввода-вывода ЦП.
Узел подключения к телефонной линии при определении номера
Коммутирует необходимую нагрузку для обеспечения необходимого уровня сигнала во время приема кодированной последовательности двухчастотных посылок от АТС с номером звонящего
абонента.
Узел выдачи сигналов в телефонную линию
Передает в линию формируемые в АОНе сигналы: гудки, запрос на работу системы АОН, импульсы набора номера, голосовое сообщение.
Узел формирования звука
Объединяет сигналы от различных источников в общий сигнал, усиливая до необходимой мощности для подачи на встроенный громкоговоритель.
Выпрямитель
Позволяет подключаться к телефонной линии, независимо от полярности сигналов.
Разговорная схема
Обеспечивает абоненту возможность подключения к телефонной линии для ведения беседы.
2. РАБОТА УЗЛОВ ПО ПРИНЦИПИАЛЬНОЙ СХЕМЕ
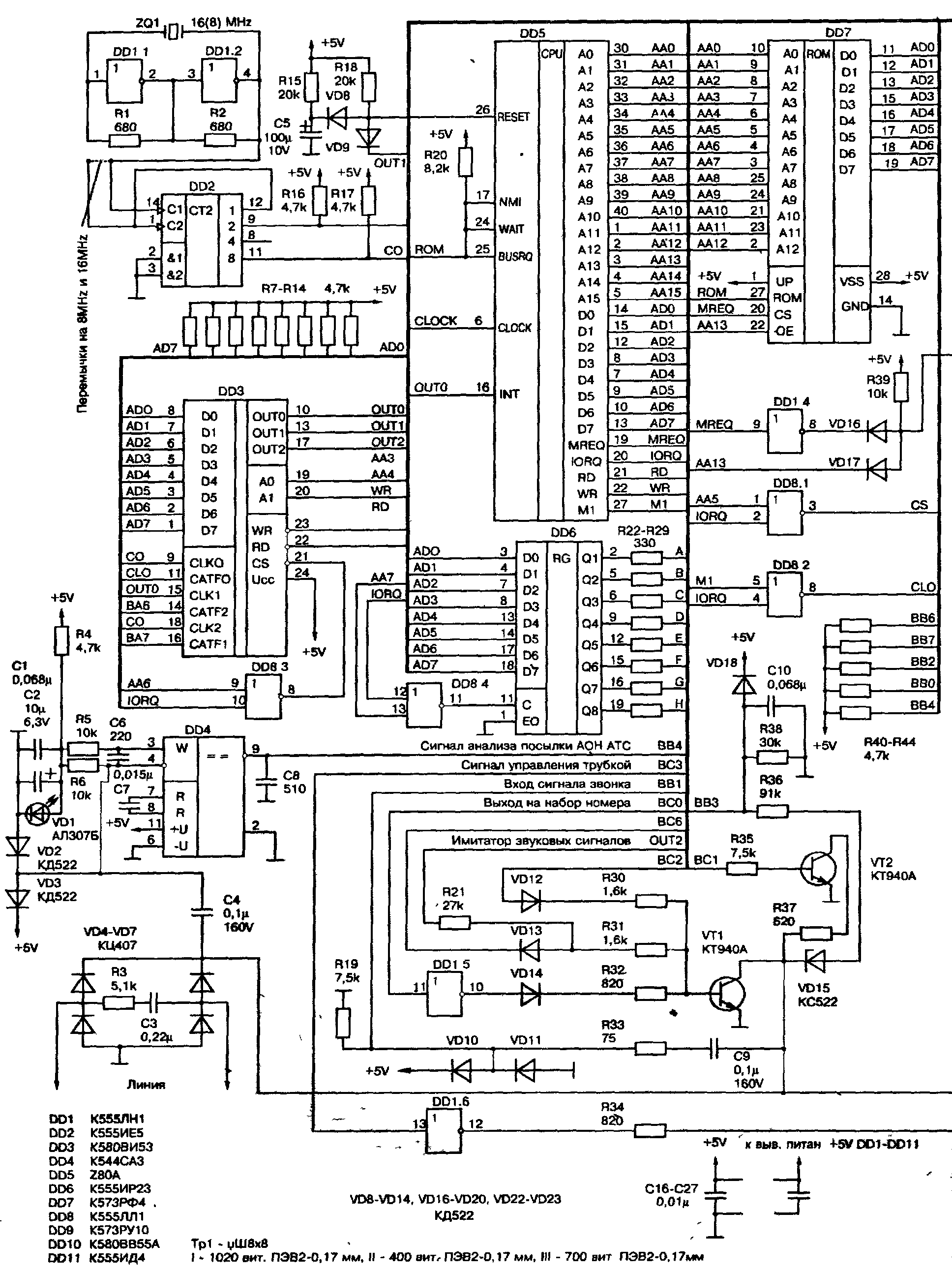
Микропроцессор Z80A
Данная БИС выполнена по n-канальной МОП-технологии с кремниевыми затворами и работает от одного источника питания +5V. Все входы и выходы TTL-совместимы. ЦП Z80A позволяет работать с памятью общим объемом до 64К. Память имеет байтовую структуру. Возможна прямая адресация в памяти любого байта. При обращении к памяти используется шестнадцатиразрядный адрес. Набор команд Z80A является расширенным набором команд 18080, поэтому Z80A может выполнять программы, написанные для 18080.
|
Тип |
F>т> |
I>пот> |
|
Z80 |
2,5 MHz |
— |
|
Z80A |
4MHz |
— |
|
Z80B |
6MHz |
— |
|
Z80H |
8 MHz |
— |
|
Z80L |
— |
— |
|
Z8300-1 |
1 MHz |
15mA |
|
Z8300-3 |
2,5 MHz |
25mA |
|
KR1858BM1 |
аналог Z80A |
Микросхема Z80A выпускается в стандартном 40-выводном корпусе типа DIP.
Назначение выводов:
АО-А15 Adress Bus — Адресная шина
Выход с тремя состояниями. Активный уровень - высокий. АО-А15 образуют 16-разрядную адресную шину, которая выдает адреса для обмена с памятью (64К максимум) и с устройствами ввода-вывода (65536 каналов максимум). АО является самым младшим адресным битом.
D0-D7 Data Bas - Шина данных
Трехстабильный вход-выход. Активный уровень - высокий; DO-D7 образует 8-разрядную двунаправленную шину данных, по которой осуществляется обмен между ЦП и памятью, либо между ЦП и устройствами ввода-вывода. Для увеличения нагрузочной способности шина данных выполнена по схеме с открытым коллектором. Поэтому необходимо каждый из 8 выходов шины данных подключить через резистор 2,2-6,8 Ком к потенциалу U>cc> =+5V.
M1 Machine Cycle 1 - Машинный цикл 1
Трехстабильный
выход. Активный уровень - низкий.
указывает, что в текущем машинном цикле
происходит чтение кода операции из
памяти. При считывании кода операции
вида CB, ED,
DD, FD
вырабатывается еще один
для считывания второго байта кода
операции, т.е. сигнал
активизируется дважды.
также активизируется вместе с
сигналом
в цикле подтверждения прерывания.
MREQ Memory Reguest-Запрос памяти
Трехстабильный выход. Активный уровень - низкий. Сигнал запроса памяти указывает системе, что на адресной шине установлен адрес для операции чтения памяти или записи в память.
IOREQ Input/Output Reguest-Запрос ввода-вывода
Трехстабильный
выход. Активный уровень - низкий. Сигнал
указывает, что шина адреса содержит
адрес внешнего устройства для операции
ввода или вывода. Кроме того, сигнал
генерируется также совместно с сигналом
Ml в цикле подтверждения
прерывания. Тем самым устройству,
запросившему прерывание, указывается,
что вектор прерывания может быть помещен
на шину данных.
RD Read-Чтение
Трехстабильный
выход. Активный уровень - низкий. Сигнал
указывает, что ЦП выполняет цикл чтения
данных из памяти или устройства
ввода-вывода. Адресованное устройство
ввода-вывода или память должны использовать
этот сигнал для стробирования подачи
данных на шину данных (ШД).
WR Write - Запись
Трехстабильный
выход. Активный уровень - низкий. Сигнал
указывает, что процессор выдает на ШД
данные, предназначенные для записи в
адресованную ячейку памяти или устройство
вывода.
RFSH Refresh - Регенерация
Выход. Активный
уровень - низкий. Сигнал
указывает, что младшие 7 разрядов шины
адреса содержат адрес регенерации для
динамической памяти и текущий сигнал
может использоваться для восстановления
информации. В данной схеме этот сигнал
не используется.
HALT Halt State - Состояние останова
Выход. Активный
уровень - низкий. Сигнал
указывает, что ЦП выполняет команду
останова программы и ожидает маскируемое
либо немаскируемое прерывание, чтобы
завершить эту команду и начать обработку
подпрограммы прерывания. В состоянии
останова ЦП выполняет холостые команды
для обеспечения процесса регенерации
памяти. В данной схеме этот сигнал не
используется.
WAIT Wait - Запрос ожидания
Вход. Активный
уровень - низкий. Сигнал
указывает ЦП, что адресованная ячейка
памяти или устройство ввода-вывода еще
не готово к передаче данных. ЦП генерирует
состояние ожидания (холостые такты, в
которых не происходит никаких изменений
с ЦП) до тех пор, пока активен этот сигнал.
С помощью этого сигнала с ЦП могут
синхронизироваться ЗУ и устройства
ввода-вывода практически любого
быстродействия.
также может использоваться при отладке
для реализации пошагового режима. В
данной схеме этот сигнал не используется.
С помощью резистора R20 на
нем задается постоянно высокий уровень
(лог. 1).
INT Interrupt Request — Запрос прерывания __
Вход. Активный
уровень - низкий. Сигнал
,
формируемый устройством ввода-вывода,
анализируется в конце выполнения текущей
команды. Запрос учитывается, если триггер
прерываний (IFF1), управляемый
программно, установлен в состояние
«разрешить прерывание», и не активен
сигнал
.
NMI Non Maskable Interrupt - Немаскируемый запрос прерывания
Вход, запускаемый
отрицательным фронтом. Фронт запуска
активизирует внутренний триггер
.
Линия
имеет более высокий приоритет, чем
и всегда распознается в конце выполнения
текущей команды, независимо от состояния
триггера разрешения прерываний.
автоматически производит перезапуск
(рестарт) ЦП с адреса 66Н. Содержание
счетчика команд (адрес возврата)
автоматически сохраняется во внешнем
стеке. Таким образом, пользователь может
возвратиться к прерванной программе.
В данной схеме этот сигнал не используется. С помощью резистора R20 задается постоянно высокий уровень (лог. 1).
RESET Reset - Сброс
Вход.
Активный уровень - низкий. Сигнал
имеет самый высокий приоритет и приводит
ЦП в начальное состояние:
— сброс счетчика команд PC = 0000Н;
— очистка регистров I и R;
— установка режима прерываний IMO.
Для корректного
сброса сигнал
должен быть активен не менее 3-х периодов
тактовой частоты. В это время адресная
шина и шина данных находятся в
высокоимпедансном состоянии, а все
выходы сигналов управления неактивны.
BUSRQ Bus Request — Запрос доступа к шине
Вход. Активный
уровень - низкий. Сигнал
имеет более высокий приоритет, чем
и анализируется в конце - каждого
машинного цикла. Он делает запрос ЦП на
перевод всех его шин в высокоимпедансное
состояние для того, чтобы другие
устройства смогли управлять этими
шинами (например, при прямом доступе к
памяти). Если активизирован сигнал
,
то ЦП переводит шины в высокоимпедансное
состояние, как только завершен текущий
машинный цикл. В данной схеме этот сигнал
не используется. С помощью резистора
R20 на нем задана лог. 1.
BUSAK Bas Acknowledge — Предоставление доступа к шине
Выход Активный
уровень - низкий. Если был активизирован
сигнал
,
то ЦП переводит свои шины в высокоимпедансное
состояние, как только завершен текущий
машинный цикл. После этого ЦП активизирует
сигнал
,
который сообщает запрашивающему
устройству, что шины адреса и данных, а
также трехстабильные сигналы управления
находятся в высокоимпедансном состоянии,
и внешнее устройство может ими управлять.
В данной схеме этот сигнал не используется.
С Clock — Такт
Вход для однофазной
тактовой синхронизации. При управлении
от TTL-схемы, вход
дополнительно подключается к линии +5V
через внешнее сопротивление 330 Ом.
U>cc>- «плюс» источника питания;
GND - потенциал «земли».
Постоянная память
ПЗУ - постоянное запоминающее устройство. На практике существует большое количество версий и их модификаций. Все они в соответствии с занимаемым объемом используют следующие ПЗУ:
2764 (аналог К573РФ4, К573РФ6) - 8 кБайт
27128 - 16 кБайт
27256 (аналог К573РФ7) - 32 кБайт
27512 - 64 кБайт
Постоянное ЗУ - ROM (Read Only Memory) предназначено для хранения последовательности команд и данных, необходимых для работы ЦП. Микропроцессор формирует адрес текущей команды, обращаясь к ПЗУ по шинам адреса и управления. Код считанной команды по шинам данных поступает в МП, затем дешифруется им, автоматически определяется длина команды (количество дополнительных считываний из ПЗУ и записи в ЦП). По полученным данным рассчитывается адрес следующей команды, по которому ЦП будет обращаться после выполнения текущей команды. Цикл работы ЦП повторяется, из ПЗУ считываются все новые и новые команды, ЦП выполняет циклы и ветвления, реализуя сложный алгоритм работы АОНа, часто называемый на практике версией.
Информация в ПЗУ записывается на специальном оборудовании — программаторе. ПЗУ допускают многократную запись в них новой информации, предварительно удалив старую с помощью ультрафиолетового потока лучей, направленного через окно в корпусе ИМС на полупроводниковый кристалл. Элементом памяти в таких микросхемах является полевой транзистор с плавающим затвором. Эти транзисторы под воздействием программирующего напряжения способны записать электрический заряд под затвором и сохранять его там много тысяч часов без напряжения питания.
Все они имеют 28 контактов, но по мере увеличения информационной емкости в микросхеме добавляются новые адресные входы. Поэтому эти микросхемы, хотя и повторяют друг друга, все же не являются аналогами. Отличие между всеми типами ПЗУ состоят в функциональном использовании 26 и 27 выводов. Большинство печатных плат традиционно разведены под I2764, в то время как основные версии рассчитаны на I2756 и I27512. При установке такого ПЗУ необходимо установить связи в соответствии с приведенными схемами.
|
Вывод |
Назначение |
|
А0-А14 |
Адресные входы |
|
D0-D7 |
Входы-выходы данных |
|
CS |
Выбор кристалла |
|
ОE |
Разрешение по выходу |
|
Upr |
Напряжение программирования |
|
Ucc |
Напряжение питания |
|
GND |
Общий |
Обращение к ПЗУ в схеме АОНа происходит при следующих значениях управляющих сигналов:
|
Процессор |
ПЗУ |
|
|
CS (выбор кристалла) |
|
А13=«0» |
ОЕ (разрешение чтения) |
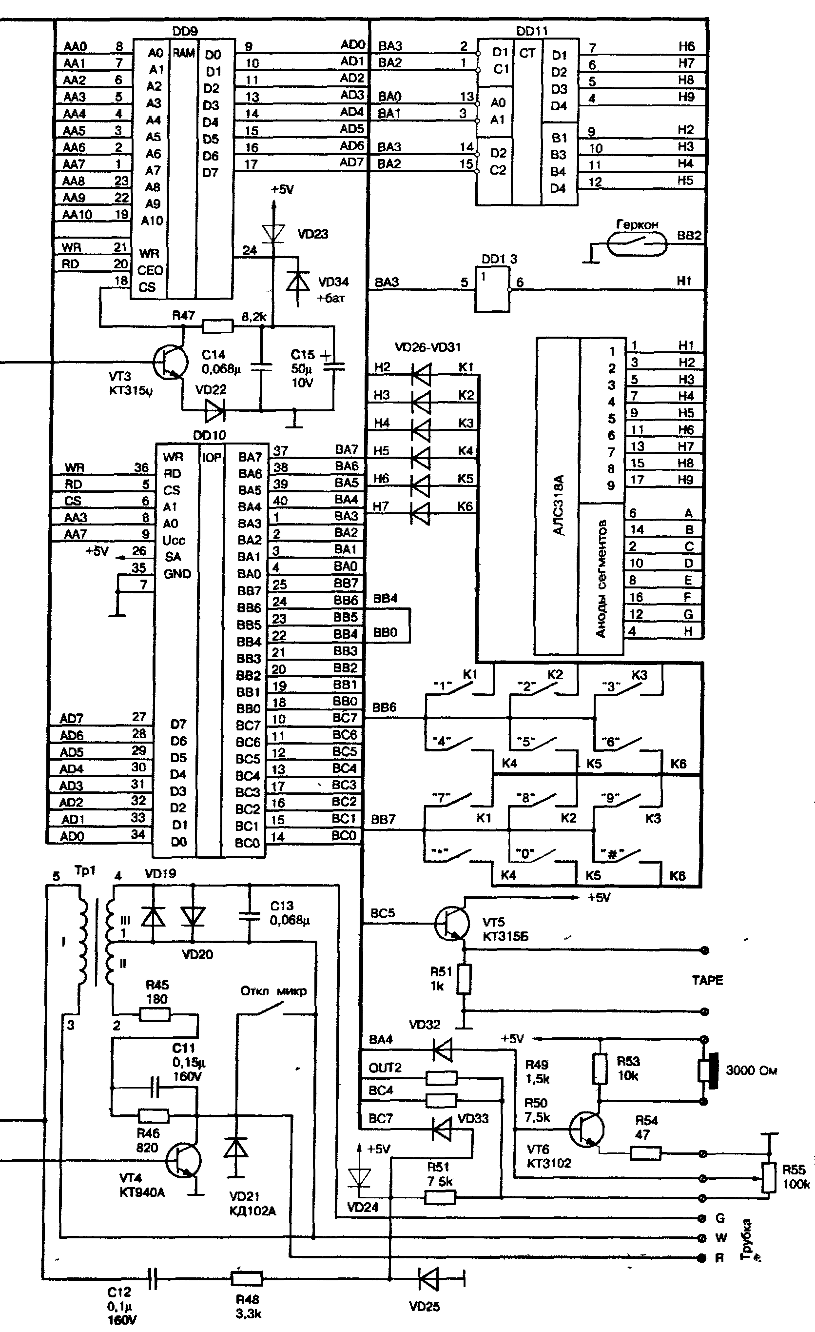
Временная память
ОЗУ - оперативное запоминающее устройство (RAM - Random Acces Memory).
Реализована на ИМС КМОП-структуры типа К537РУ10 (I6216) или К537РУ17 (I6264).
Служит для временного хранения данных и констант. Показания часов, будильников, номера звонивших абонентов. Ваша записная книжка, изображение на индикаторе, программные счетчики, флаги, точки прерывания работы МП - вот неполный список информации, которая заносится в ОЗУ в процессе работы.
|
Вывод |
Назначение |
|
А0-А10 |
Адресные входы |
|
D0-D7 |
Входы-выходы данных |
|
CS |
Выбор кристалла |
|
ОE |
Разрешение по выходу |
|
WR/RD |
Сигнал записи-считывания |
|
Ucc |
Напряжение питания |
|
GND |
Общий |
|
К537РУ10 |
|
Вывод |
Назначение |
|
A0-A12 |
Адресные входы |
|
D0-D7 |
Входы-выходы данных |
|
CS1, CS2 |
Выбор кристалла |
|
OE |
Разрешение по выходу |
|
WR/RD |
Сигнал записи-считывания |
|
Ucc |
Напряжение питания |
|
GND |
Общий |
|
К537РУ17 |
Таймер
Таймер реализован на БИС типа КР580ВИ53, управление его работой осуществляется на микросхеме К555ЛЛ1 (элементы D8.2, D8.3).
КР580ВИ53 содержит три независимых 16-разрядных канала формирования сигнала с общей схемой управления. Каждый канал может работать в шести режимах. Программирование режимов осуществляется индивидуально и в произвольном порядке путем ввода управляющих слов в регистры режимов каналов, а в счетчик запрограммированного числа байтов. Управляющее слово определяет режим работы канала, тип счета (двоичный или двоично-десятичный), формат чисел (одно- или двухбайтовый). Обмен информацией с микропроцессором осуществляется по двунаправленной шине данных.
|
Вывод |
Назначение |
|
А0-А12 |
Адресные входы выбора каналов |
|
D0-D7 |
Входы-выходы данных |
|
CS |
Выбор кристалла |
|
RD |
Чтение (вход) |
|
WR |
Запись (вход) |
|
CO,.C1,C2 |
Сигналы синхронизации 0, 1, 2 канала соответственно |
|
CEO, CE1, CE2 |
Сигналы разрешения работы 0, 1, 2 канала соответственно |
|
DUTO, DUT1, DUT2 |
Выходы 0, 1, 2 соответственно |
|
Ucc |
Напряжение питания |
|
GND |
Общий |
|
Таблица истинности микросхемы КР580ВИ53 |
|||||
|
Сигналы на входах |
Назначение и вид информации |
||||
|
WR |
RD |
A1 |
A0 |
CS |
|
|
0 |
1 |
1 |
1 |
0 |
Шина данных - Таймер (занесение управляющего слова в канал 0,1 или 2) |
|
1 |
1 |
|
|
0 |
Нет операций. Канал данных Таймера в высокоомном состоянии |
|
0 |
1 |
0 |
0 |
0 |
Канал данных - Таймер (загрузка счетчика канала 0) |
|
0 |
1 |
0 |
1 |
0 |
Канал данных - Таймер (загрузка счетчика канала 1) |
|
0 |
1 |
1 |
0 |
0 |
Канал данных - Таймер (загрузка счетчика канала 2) |
Необходимо помнить, что для таймера КР580ВИ53А тактовая частота процессора - 4 MHz, с которой он обращается к подключенным к шинам микросхемам, является сверхкритической. Надежнее работает аналог этой микросхемы - КР1810ВИ54. Для тех, кто все-таки решил использовать КР580ВИ53А для надежного запуска и точного хода часов, рекомендуем установить в разрыв цепи питания таймера диод КД102А, а сигнал RD таймера, отключив от цепи, подсоединить через резистор 10к0м на шину питания
Порт ввода-вывода
Реализована на БИС КР580ВВ55А (D10), управление выборкой БИС - на К555ЛЛ1 (элемент D8.4).
Микросхема КР580ВВ55А - программируемое устройство ввода/вывода параллельной информации, позволяющее сопрягать различные типы внешних устройств (индикаторы, клавиатуры, датчики, формирователи и др.) с шиной данных АОНа.
|
Вывод |
Назначение |
|
АО, А1 |
Адресные входы выбора каналов |
|
DO-D7 |
Входы-выходы данных |
|
CS |
Выбор кристалла |
|
RD |
Чтение (вход) |
|
WR |
Запись (вход) |
|
BА0-ВА7 |
Информационный канал A |
|
ВВ0-ВВ7 |
Информационный канал B |
|
ВС0-ВС7 |
Информационный канал C |
|
RESET |
Сброс |
|
U>cc> |
Напряжение питания |
|
GND |
Общий |
Таким образом, БИС обеспечивает возможность построения современных систем цифровой обработки аналоговых сигналов.
Обмен информации с микропроцессором осуществляется по 8-разрядной двунаправленной шине данных. Для связи с периферийными устройствами используется 24 линии ввода/вывода, сгруппированные в три 8-разрядных канала A, B, C, направление передачи информации и режимы работ которых определяются программным способом. Выбор соответствующего канала и направление передачи информации через канал определяются сигналами АО, Al, RD, WR, CS в соответствии с таблицей истинности.
При подаче сигнала RESET рычаг управления устанавливается в состояние, при котором все каналы настраиваются на работу в режиме ввода.
|
Сигналы на входах БИС |
Направление передачи информация |
||||
|
A1 |
A0 |
RD |
WR |
CS |
|
|
Операции ввода (чтение) |
|||||
|
0 |
0 |
0 |
1 |
0 |
BB - Шина данных |
|
0 |
1 |
0 |
1 |
0 |
ВС - Шина данных |
|
1 |
0 |
0 |
1 |
0 |
ВС - Шина данных |
|
Операции ввода (запись) |
|||||
|
0 |
0 |
1 |
0 |
0 |
Шина данных – ВА |
|
0 |
1 |
1 |
0 |
0 |
Шина данных – BB |
|
1 |
0 |
1 |
0 |
0 |
Шина данных – ВС |
|
1 |
1 |
1 |
0 |
0 |
Шина данных – Рг. управления |
|
Операции блокировки |
|||||
|
X |
X |
X |
X |
1 |
Шина данных - третье состояние |
|
1 |
1 |
0 |
1 |
0 |
Запрещенная комбинация |
Узел сброса
Формирует сигнал сброса на ЦП, заставляя его начать выполнение программы с адреса 0000Н. Узел сброса состоит из следующих элементов:
R15, R18, С15, VD8, VD9 (рис. 3.16).
Сигнал сброса - RESET: активен низким («0») состоянием.
Сигнал формируется в двух случаях:
1. Аппаратный сброс - при включении питания. Ток, протекая от источника питания через R15, заряжает конденсатор С15. Время заряда определяет продолжительность нахождения ЦП в нерабочем состоянии: вся магистраль данных находится в высокоомном состоянии, шины адреса — 0000Н, управляющие сигналы не вырабатываются. Задержка в работе ЦП необходима для окончания всех переходных процессов в элементах и узлах схемы, что способствует уверенному запуску всей системы. В связи с этим, продолжительность импульса сброса не должна быть менее 1 мс, а верхняя граница - превышать нескольких десятков мс, чтобы при кратковременном пропадании напряжения не осложнялся повторный запуск и восстановление работоспособности ЦП. При этом С15=10-100 mf, R15=l-30 кОм (20 кОм).
2. Программный сброс - каждые 3 минуты в процессе работы, как защита от возможного «зависания». Источником этого сигнала является выход 1-го канала (OUT 1) таймера. Сигнал активен низким («0») потенциалом.
При формировании программного сброса, ток протекает от источника питания через R18-VD9 на OUT1. R18 и VD9 образуют делитель напряжения, поэтому для надежной работы номинал R18 должен быть гораздо больше сопротивления прямого перехода VD9 -100 Ом.
R18 = 100 Ом * 100 = 10 кОм (с запасом - 20 кОм)
Диод VD8 служит для блокировки разряда конденсатора С15 (начала формирования аппаратного сброса) при выполнении программного сброса.
Условия формирования сигнала сброса ЦП (RESET) объединены в монтажное «или», логика работы которого приведена ниже:
|
Аппаратный сброс |
Программный сброс |
Reset |
|
+ |
+ |
+ |
|
+ |
- |
+ |
|
- |
+ |
+ |
|
- |
- |
- |
«-» - сигнал
отсутствует.
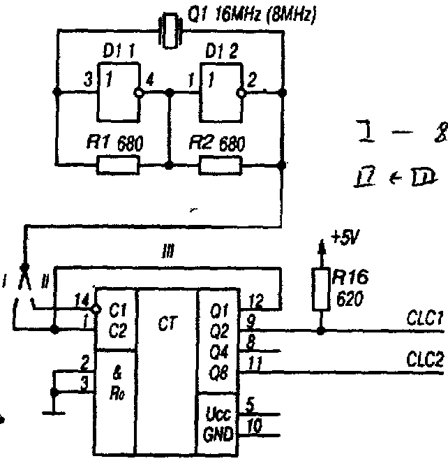
Задающий генератор
Задающий генератор (ЗГ) предназначен для формирования сигналов синхронизации:
CLC1 - частотой 4 MHz для работы ЦП;
CLC2 - частотой I MHz для обеспечения работы таймера.
Схема состоит из тактового генератора на элементах Dl.l, D1.2, кварцевом резонаторе Q1, резисторах Rl, R2 и делителе частоты, на счетчике D2 и резисторе R16 (рис 3.17).
Схема тактового генератора - классическая, собрана на двух инверторах, работающих в аналоговом режиме, и на кварцевом резонаторе (для обеспечения наибольшей стабильности по частоте сигналов синхронизации)
Делитель частоты позволяет получить из сигнала задающего генератора необходимые сигналы синхронизации - CLC1 и CLC2. На рис.3.17 приведены две основные схемы. Они отличаются лишь используемой ИМС. К555ИЕ5 - в одном случае, К555ИЕ7 - в другом. Соответственно различны и схемы подключения. Функции, которые выполняют обе эти микросхемы, полностью идентичны. Параметры получаемых на выходе сигналов, по большому счету, никак не зависят от типа используемой ИМС. Микросхема К555ИЕ7, на момент создания этого варианта, была более доступна широкому кругу радиолюбителей.
Обратите внимание на то, что в задающем генераторе могут использоваться различные кварцевые резонаторы - на 16 MHz и на 8 MHz, поэтому для правильного функционирования необходимо установить (перерезать) указанные перемычки.
Узел выборки ОЗУ
Выборка ИМС со стороны ЦП осуществляется сигналом CS, который формируется этим узлом из сигналов управления.
|
A13 |
MREQ |
CS |
Действие |
|
0 |
0 |
1 |
|
|
0 |
0 |
1 |
Нет выбора |
|
1 |
1 |
1 |
ОЗУ |
|
1 |
0 |
0 |
Выбор ОЗУ |
Реализован на элементах: D1.4, VD22, VD23, R39, VT3, VD34, R47, С14, C15, VD4, VD3 GB1.
Этот узел собран на дискретных элементах и относится к одному из самых «узких» мест в конструкции АОНа.
На этот узел возлагаются три основные функции:
/. Формирует сигнал CS по заданным сигналам управления.
2. Обеспечивает сохранность информации.
При отключении источника питания заряженный по цепи I конденсатор С 15 начинает разряжаться (II) на ОЗУ, тем самым поддерживая необходимый потенциал (min 2,5V) для хранения информации (рис. 3.18):
При использовании конденсаторов с малыми токами утечки или большой емкости время хранения информации может составлять от нескольких часов до нескольких суток. Батарея питания позволяет полностью исключить возможность пропадания информации ОЗУ, поддерживая потенциал питания ИМС ОЗУ при пропадании питающего напряжения. Следует отметить, что каскад батарей должен обеспечивать напряжение не менее 2,5V Обычно устанавливают 2 батареи по 1,5V, соединяя их последовательно.
3. Предотвращает выход из строя ОЗУ. Микросхема ОЗУ К537РУ10 обладает одним плохим свойством, если на входе CS продолжительное время присутствует логический «0» при поданном напряжении питания (т.е. ИМС выбрана), то ОЗУ быстро выходит из строя. Поэтому, подключение дополнительного источника к коллектору VT5 через резистор R7 исключает возможность выхода из строя ИМС (внешнее проявление - сильный разогрев корпуса). Без этого технического решения не удавалось обеспечить удовлетворительную надежность работы ИМС ОЗУ в схеме АОНа.
Остановимся более подробно на работе отдельных элементов этого узла.
-
1 случай
MREQ = «0»
A13 = «0»
Работа каскада формирования выборки ОЗУ определяется протеканием тока по цепи II: Ucc-R39-VD17-A13. На выходе инвертора - высокий потенциал, поэтому ток I не оказывает влияния на работу узла. Потенциал на базе VT3, определяемый II составляет 0,5-0.7 V в зависимости от типа диода (германиевые - 0,5-0,6; кремниевые - 0,6-0,7). При использовании диода в эмиттерной цепи VT3 (как правило, кремниевого) потенциала между базой и эмиттером VT3 (0-0,2 V) недостаточно, чтобы ток I открыл транзистор VT3, следовательно, транзистор закрыт, на его коллекторе протеканием тока. И устанавливается потенциал логической «1». Выбора ОЗУ не происходит (CS = «1»). Рекомендуем в базу VT3 устанавливать германиевые диоды (типа Д9) - VD16 и VD17 (при их использовании диод в эмиттерной цепи VT3 может и не понадобиться), в случае установки кремниевых диодов - установка кремниевого диода типа КД521 (КД522) VD22 – обязательна. Суть рекомендации в том, что диод VD22 обеспечивает надежное запирание транзистора VT3. К этому необходимо прибегать, учитывая, что используемые кремниевые диоды в цепи базы имеют большое сопротивление прямого р-n перехода и создаваемое за счет этого большое падение напряжения при отсутствии VD22 становится достаточным для открывания VT3 и ложного формирования сигнала выборки ОЗУ Считанные данные накладываются на данные, которые в настоящее время считываются из других источников - происходит сбой.
-
2 случай
MREQ = «1»
A13 = «0»
Основной ток, определяющий потенциал базы VT3, содержит две составляющие: ток, протекающий по цепи I (Ucc-R39-VDl6 - выход инвертора D1-4) и ток, протекающий по цепи II (Ucc-R39-VD17-A13). Суммарный ток задает потенциал базы VT3 0,5-0,7V (разность потенциалов б-э VT3 недостаточна для открывания транзистора). На коллекторе VT3 - напряжение близкое к Ucc, поэтому сигнал «Выборка ОЗУ» не формируется (CS = «1»).
-
3 случай
MREQ = «1»
A13 = «1»
Основной ток будет протекать по I: Ucc-R39-VD16-выход инвертора D1.4, задавая потенциал базы VT3 0,5-0.7 V (разность потенциалов б-э VT3 недостаточна для открывания транзистора) - на коллекторе VT3 напряжение близкое к Ucc - сигнал «Выборка ОЗУ» не формируется (CS = «1»).
-
4 случай
MREQ = «0»
A13 = «1»
MREQ («0») после инверсии на элементе D1.4 - «1». A13 также «1». Следовательно, высокий потенциал будет и на базе VT3 (в общей точке соединения диодов VD16 и VD17 собрана монтажная схема «И»), который сформирует ток V (Ucc-R6-6-э VT3 - VD22 - «земля»), открывая транзисторный ключ на VT3. Протекающий через него транзисторный ток I (Ucc-к-э VTЗ-VD22-«земля») сформирует низкий потенциал на коллекторе VT3 (около 0,5V). CS=0 - это означает, что происходит выбор ОЗУ.
Узел индикации и опроса клавиатуры
Работа этого узла организована следующим образом: ЦП в ОЗУ формирует в определенной области буфер отображения, состоящий из 9 байт, которые последовательно один за другим выводятся на 9-разрядный индикатор.
Таймер с определенной частотой (50 Hz), вырабатывает импульсы прерывания ЦП. Обработка прерываний ЦП заключается в следующем: при поступлении сигнала прерывания на вход INT (если не было программной блокировки в программе ЦП) заканчивается выполнение текущей команды, в ОЗУ запоминается адрес следующей команды и состояние внутренних регистров ЦП, в регистр адреса загружается - 0038Н и начинается выполнение стандартного набора подпрограмм. По окончании из ОЗУ извлекается адрес прерванной команды, загружаются регистры ЦП и вновь продолжается выполнение последовательности команд. Стандартный набор подпрограмм представляет собой, опрос состояния телефонной линии, поступление вызова, опрос состояния датчика охраны, опрос положение трубки, модифицируются часы и календарь, из ОЗУ считывается для последующего отображения очередной разряд (за одно прерывание отображается - 1 разряд индикатора!), проверяется нажатие клавиш. При достаточной частоте прерываний становится незаметным поочередное отображение каждого разряда индикатора. Этот принцип отображения называется динамической индикацией.
Теперь более подробно по схеме: загрузка в регистр D10 новых данных происходит по положительному фронту на входе С, который формируется элементом D7.1 из адресного сигнала А7 и управляющего сигнала ЦП - IORQ. При этом данные с ШД защелкиваются в регистр и находятся на его выходе до следующего изменения.
ЦП управляет выбором разряда через программный счетчик, который находится в ОЗУ, переписывая его при обработке прерывания в 0, 1, 2, 3 разряды порта A(D6), которые дешифрируются в D9, D1.3 и выдаются на индикатор.
Опрос состояния кнопок
Дешифратор D9, формируя последовательно сигналы 2-7 разрядов индикации, позволяет также сканировать клавиатуру, определяя нажатие кнопок. При всех отжатых клавишах, потенциалы на BB6, BB7 будут высокими, что определяется установкой резисторов R36, R37. При нажатии на клавишу «0» с дешифратора разрядов поступит на соответствующий вход микросхемы ЦП, анализируя состояние порта ввода/вывода, во время обработки прерывания, получает сигнал о том, что нажата кнопка в соответствующей группе клавиш:
1, 2, 3, 4, 5, 6 - BB6
7, 8, 9, *, 0, - BB7
По записанному коду из ОЗУ в программный счетчик выбора разряда: в порте A(D6) определяется код нажатой клавиши. Следует отметить, что если было нажато одновременно несколько клавиш, то ЦП при сканировании определит первую, попавшуюся из числа нажатых кнопок.
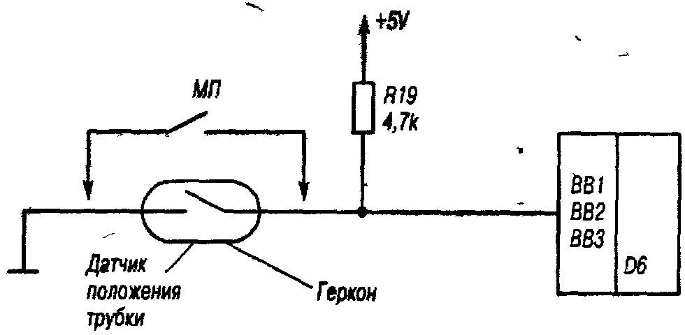
Узел определения положения трубки
ЦП, опрашивая состояние порта ввода/вывода по входу триггера BB2, определяет положение телефонной трубки:
1. Протекание тока при положенной трубке (контакты переключателя разомкнуты, на BB2 - логическая «1»).
2. При поднятии телефонной трубки контакты переключателя замыкаются, и протекает ток:
Ucc - R19 - замкнутый контакт - GND, создавая на ВВ2 потенциал логического «0».
Узел охранного устройства
ЦП, опрашивая состояние порта ввода/вывода (по входу триггера ВВ5), определяет срабатывание датчика охранной сигнализации, аналогично предыдущему случаю.
В различных версиях программ используется различное исходное состояние датчика охраны, в одних - замкнутое, в других - разомкнутое.
Узел управления магнитофоном
Узел реализован на элементах: триггер ВС5 (D6), VT5, R38.
Многие АОНы имеют программную поддержку для работы с магнитофоном. Он используется в качестве записывающего устройства при работе АОНа в режиме автоответчика. При поступлении вызова от АТС телефон, подключаясь к линии, определяет номер звонящего абонента, произносит короткую фразу, после чего подается сигнал на включение магнитофона
Сигнал на включение магнитофона (логическая «1») выдается от ЦП через порт ввода/вывода D6 - ВС5 на эмиттерный повторитель VT5.
Схема анализа состояния линии
Узел реализован на элементах: VD18, R21, R22, VD19, С10.
Это одно из узких мест в работе АОНа. Назначение этого узла состоит в том, чтобы при понижении напряжения в телефонной сети ниже некоторого уровня сформировать на выходе узла перепад логических сигналов «1» - «0». Исходя из этого, необходимо тщательно подобрать параметры элементов VD18, R21, R22. Особенностью является то, что схема должна потреблять минимум энергии из телефонной линии в режиме ожидания вызова - до 1mA. Однако при этом токе для большинства стабилитронов не достигается надежная стабилизация
VD18, R21, R22 - компрессор входного сигнала. Предназначен для понижения напряжения сигнала телефонной сети и задания уровня напряжения в линии, относительно которого будет формироваться перепад логических сигналов
VD19 - амплитудный однофазный ограничитель предназначен для преобразования аналогового в TTL-уровень для дальнейшей обработки ЦП
С10 - фильтр помех.
Рекомендации по выбору элементов:
|
Элементы |
1вариант |
2 вариант |
3 вариант |
|
VD18 |
Д814Д |
КС522 |
КС211Ж |
|
R21 |
47к |
100к |
75к |
|
R22 |
47к |
100к |
75к |
|
VD19 |
любой |
||
|
С10 |
33-150nF |
Компаратор
Двухчастотная посылка, передаваемая от АТС, содержащая номер телефона звонящего абонента, имеет различную форму и зависит от складываемых частот (fl и f2) и от момента времени (фаз сигналов).
Принцип работы компаратора основан на формировании высокого потенциала там, где уровень входного сигнала выше порога срабатывания компаратора, и формирование низкого («0») - где ниже.
Здесь важно отметить, что при сложении сигналов бывают участки, когда фазы сигналов различны, а амплитуды близки к равенству (участок А). Поэтому суммарный сигнал будет иметь небольшую амплитуду, порой соизмеримую с собственными шумами компаратора (шумами по питанию и т.д.). Следовательно, необходимо повысить на небольшую величину порог срабатывания компаратора для того, чтобы отстроиться от ложного срабатывания компаратора. Но вместе с тем, загрубляя компаратор, необходимо отразить реальные длительности сигналов.
Вся практическая работа в настройке этого узла заключается в правильном подборе этой разницы, так как в подпрограмме определения номера заложены фиксированные величины для различных частот и несоответствие их приводит к понижению вероятности определения.
Наши рекомендации по подбору элементов:
|
C11 |
100-220 nF * 160V |
Должен пропускать сигнал частотой 200-3200Hz без понижения амплитуды |
|
R23 |
3,6-5,6 к0м |
- |
|
R24, R25 |
5,1-15 к0м |
- |
|
C20 |
560 pF |
- |
|
С12 |
0,1 mF |
- |
|
С13 |
10.0 * 16V |
- |
|
VD21, 22 |
- |
любые |
|
R26 |
3,3-6,8 к0м |
- |
При проверке или настройке этого узла необходимо учесть, что постоянная составляющая на выводах 3,4 Dll - 1,95V. Устанавливается подбором элементов R23, R24, R25.
Схема анализа вызова из линии
Реализована на элементах С14, R27, VD23, VD24, R28, ВВ5 порта ввода-вывода D6 (рис.3.25).
Вызов из линии - поступление от АТС прерывистого сигнала амплитудой 50-110V с частотой 25Hz. Исходя из этого и рассчитаны номиналы элементов этого узла. При отсутствии сигнала вызова на входе BB1 порта ввода/вывода D6 - лог. «0». При поступлении вызова из телефонной сети ток протекает: C14-R27-VD23-Ucc Конденсатор С14 пропускает сигнал вызова без искажений, далее делитель R27, R28, который понижает мощность сигнала. VD23 и VD24 - представляет собой амплитудный ограничитель сигнала, который обеспечивает размах импульсов вызова от АТС в пределах 0,5 -5,5V. Этот преобразованный сигнал и подается на BB1.
Ключ подключения к линии
Ключ подключения к линии при определении номера коммутирует нагрузку на линии, что обеспечивает необходимое понижение напряжения на аппарате, установление соединения и прием кодированной последовательности двухчастотных посылок от АТС с номером звонящего абонента.
При реализации алгоритма определения номера на выходе ВСЗ (D6) формируется лог. «1». Высокий потенциал обуславливает протекание тока через ограничительный резистор R8-переход база-эмиттер VT5. Таким образом, открытый транзистор VT5 подключает телефонную линию через нагрузочный резистор R5 к земляной шине, задавая тем самым необходимый уровень для приема кодированной посылки с номером звонящего абонента.
Узел реализован на элементах: R8,R9,VT2, где R8 - ограничитель тока базы VT2 (1-1,6КОм), VT2 - ключевой элемент (осуществляет подключение к телефонной линии нагрузки R9), обеспечивающий необходимый для реализации алгоритма определения номера потенциал линии VT2 - транзистор КТ940А или любой с U>кэ>-150V;
R9 — нагрузочное сопротивление, определяет уровень понижения потенциала в линии - (510-620 Ом).
Узел выдачи сигналов в телефонную линию
Узел предназначен для сопряжения цифровой части с телефонной линией при формировании импульсов набора номера, голосовых сообщений, запроса работы АОН, сигнала - имитирующего длинные гудки (контроль посылки вызова). Узел состоит из трех каскадов формирования импульсов в телефонную линию и коммутирующего элемента. Узел реализован на элементах: VD8, VD9, VD10, R10, R11, R12, R13, D1.6(D1.5), VT3.
I каскад: - формирует сигнал запроса работы АОН, голосовое сообщение автоответчика.
Назначение и работа элементов:
VD8 - предназначен для исключения влияния этого каскада во время работы другого каскада формирования сигналов в телефонную линию (может быть любым).
R10 - ограничительное сопротивление тока базы коммутатора VT3 (820-1200 Ом).
II каскад - формирует посылку, имитирующую сигнал «контроль посылки вызова» (длинные гудки).
Назначение и работа элементов: При автоматическом определении номера (без поднятия трубки), АОН подключаясь к телефонной линии, имитирует сигнал «контроль посылки вызова», который призван замаскировать работу АОНа. Частоту, соответствующую этому сигналу, вырабатывает таймер на выходе OUT2, и через резисторы R11, R12 он поступает на коммутирующий элемент VT3. Так как сигнал должен быть прерывистым - 1 с звучит, 4 с отсутствует, а таймер генерирует частоту постоянно, то сигналом с триггера BC6=0 (D6) через VD9 периодически осуществляется блокировка сигнала таймера.
VD9 - для надежной блокировки рекомендуется применять германиевые диоды типа Д9;
R11, R12 - по 20КОм - в случае различной громкости звучания имитирующего и реального сигналов, необходимо подобрать номиналы этих резисторов
III каскад - формирует сигнал номеронабирателя.
Особенностей не имеет. Состоит из:
D1.6(D1.5) - буферный усилитель,
VD10 - предназначен для исключения влияния этого каскада во время работы другого каскада;
R13 - ограничительное сопротивление тока базы коммутатора VT3 (270-330 Ом).
Узел формирования звука
В АОНе имеется 3 источника формирования звуковых сигналов:
1. Таймер (сигнал OUT2) программно-управляемая БИС (D5) для формирования стабильного по частоте звукового сигнала независимо от работы ЦП.
2. Порт ввода/вывода (сигнал ВС4) - второй канал формирования звука, который непосредственно управляется от ЦП.
3. Телефонная линия.
Сигналы, от этих источников проходя через ограничительные сопротивления R30-R32, складываются в один сигнал, который подается на регулятор громкости на переменном резисторе R33. Далее сигнал поступает на усилитель, выполненный на транзисторе VT6. Здесь необходимо отметить роль диода VD28. Он реализует функцию программной блокировки звука. При подаче на выход порта ВА4 уровня лог. 1 ток базы транзистора VT6 шунтируется черезVD28, при этом сигнал на усилитель не подается и звук не формируется.
При ВА4 = 0, ток протекает через базу VT6, обеспечивая его работу в режиме усиления. Усиленный сигнал снимается с коллектора VT6, куда и подключается динамическая головка. R34, R35 задают необходимый режим работы VT6 по постоянному току. VD28 - германиевый диод типа Д9 с любым буквенным обозначением. Это требование объясняется тем, что необходимо надежно зашунтировать VT6, а как известно, именно германиевые диоды обладают наименьшим сопротивлением прямого p-n перехода.
Отдельно рассмотрим цепь формирователя звука из телефонной линии.
C15 - служит для фильтрации переменной составляющей сигналов телефонной линии
R29 - ограничитель тока VD25
VD25, VD26 - амплитудный ограничитель
VD27 - выполняет функцию блокировки звука
Ток из телефонной линии протекает на усилитель по цепи C15-R29-R30. Ho схемотехническое решение АОНа таково, что поступая от других источников, звуковые сигналы могут ответвляться в телефонную линию, что искажает алгоритм работы АОНа по формированию только необходимых сигналов. Для блокировки этого явления используется VD27. Подавая на ВС7 лог. 1 в необходимое время, мы шунтируем этот сигнал. Как и все шунтирующие диоды, в качестве VD27 предпочтительно использовать германиевый (Д9). Величина утечки и искажений полностью зависят от правильности подбора параметров применяемых резисторов и диодов.
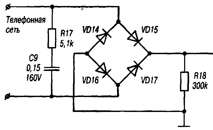
Выпрямитель
Предназначен для создания необходимой нагрузки для телефонной линии (R17,C9). Это позволяет несколько снизить высокочастотный шум в линии и обеспечивает универсальность подключения (VD14-VD17) к клеммам, независимо от полярности.
Узел реализован на элементах: R17,C9,VD14-VD17, R18.
R17 - 4,3-6,8 кОм;
С9 - 0,15мкф - должен быть рассчитан на работу с напряжением до 160V;
VD14-VD17 - диодный мост или отдельные диоды, рассчитанные на Upa6-l60V.
R18 - 200-ЗОО кОм - нагрузка для схемы формирования звука. При его отсутствии в режиме «прослушивание разговора» становится возможным только при поднятой трубке, тогда как его наличие - в любом: поднятом или опущенном состоянии трубки любого из подключенных к телефонной сети аппаратов.
Разговорная схема
Разговорная схема функционально состоит из собственно противоместной разговорной схемы и согласующего каскада.
Разговорная схема
Определители монтируют в различные телефонные корпуса и, как правило, используют уже существующие разговорные схемы, многие из которых приводились ранее. Поэтому коротко покажем только два наиболее характерных типа:
I. Аппараты, использующие трансформаторную согласующую схему (см. общую схему ТА на Z80).
II. Аппараты, использующие электронные схемы согласования.
Согласующий каскад
Схема АОНа предусматривает подключение его к телефонной линии только под управлением микропроцессора. При снятии абонентом телефонной трубки ЦП, опрашивая состояние узла «Определение положения трубки» через порт ввода/вывода D6 (ВВ2), определяет во время обработки прерывания, что трубка телефона снята, и подключает разговорную схему выдачей на порт ввода/вывода D6 (ВСЗ) сигнала лог. 1.
Разговорная схема является высоковольтным (до 120V) аналоговым элементом схемы АОНа, в то время как микропроцессор с портами ввода/вывода - низковольтным (до 5V). Поэтому для совместной работы используется согласующий каскад на инвертирующем элементе D1.4 (D1.6), ключевом каскаде - VT4, R14, VD11, C5 (выполняет роль защиты от ВЧ помех).
заключение
В данной работе был рассмотрен принцип действия основных узлов телефонного сервера на Z80. А именно центральный процессор, постоянная память, временная память, таймер, порт ввода-вывода, задающий генератор, компаратор.
Использование процессора Z80 позволило упростить схемное решение благодаря целому ряду положительных качеств. А именно:
— достаточно низкое потребление энергии;
— один источник питания;
— высокое быстродействие;
— легкость программирования.
Данная БИС выполнена по n-канальной МОП-технологии с кремниевыми затворами и работает от одного источника питания +5V. Все входы и выходы TTL-совместимы. ЦП Z80A позволяет работать с памятью общим объемом до 64К. Память имеет байтовую структуру. Возможна прямая адресация в памяти любого байта. При обращении к памяти используется шестнадцатиразрядный адрес. Набор команд Z80A является расширенным набором команд 18080, поэтому Z80A может выполнять программы, написанные для 18080.
Также использование процессора Z80 во многом определяет надежность этого устройства. В данном случае использование в схеме аппаратного и программного сброса предотвращает потерю информации при падении напряжения питания, что предотвращает неконтролируемую работу микропроцессора при переходных процессах.
К данной работе прилагается принципиальная схема, схемы конкретных узлов, осциллограммы процессора Z80 (ПЗУ не установлена), осциллограммы в характерных точках схемы.
литература
Справочник: Интегральные микросхемы, Микросхемы для телефонии М.:ДОДЕКА, 1994г.
Бунцев Н.И. Серия. Автоматический определитель номера М.: Центр СКС, 1993-95гг.
Журнал "Радио" 1993-95гг.
Журнал "Радиолюбитель" 1991-95гг.
приложение

схема принципиальная АОН на Z80
приложение

схема принципиальная АОН на Z80
приложение

Микропроцессор Z80A

К573РФ4А (К537РФ6А, I2764)
I27128

К573РФ8А (I27256)

К537РУ10

К537РУ17
КР580ВИ53
КР580ВВ55А

Функциональное назначение каналов КР580ВВ55А

Узел сброса


Схемы задающего генератора

Функциональная схема формирования выборки ОЗУ

Схема узла выборки

Принципиальная схема узла индикации и опроса клавиатуры

Принципиальная схема узла определения положения трубки

Схема анализа состояния линии

Схема компаратора

Схема анализа вызова из линии

Ключ подключения к линии

Узел выдачи сигналов в ТЛ

Узел формирования звука

Выпрямитель

Осциллограммы процессора Z80 (ПЗУ не установлена)

Осциллограммы в характерных точках схемы