Оптоволоконные линии связи (работа 2)
Обзор существующих методов передачи на волоконно-оптических системах передачи городских телефонных сетей.
1.1.Принципы построения и основные особенности ВОСП на ГТС
Особенностью соединительных линий (С.Л) является относительно небольшая их длина за счет глубокого районирования сетей. Статистика распределения протяженности С.Л городской телефонной сети в крупнейших городах России свидетельствует, что С.Л протяженностью до 6 км составляют 65% от всего числа СЛ. Значительные расстояния между регенерационными пунктами ВОСП дают возможность отказаться от оборудования регенераторов в колодцах телефонной канализации, а также от организации дистанционного питания (рис1.1).
РАТС РАТС
РАТС РАТС
РАТС РАТС
В наиболее общем виде принцип передачи информации в волоконно-оптических системах связи можно пояснить с помощью рис.1.2. На передающей стороне на излучатель, в качестве которого в ВОСП используется светодиод или полупроводниковый лазер, поступает электрический сигнал, предназначенный для передачи по линии связи. Этот сигнал модулирует оптическое излучение, в результате чего электрический сигнал преобразуется в оптический. На приемной стороне оптический сигнал из О.В. вводится в фотодетектор (Ф.Д). В современных ВОСП в качестве Ф.Д. используют p-i-n или лавинный фото диод (ЛФД).
Фотодетектор преобразует падающее на него оптическое излучение в исходный электрический сигнал. Затем электрический сигнал поступает на усилитель (регенератор) и отправляется получателю сообщения.
Внедрение ВОСП на местных сетях началось в 1986 г. вводом в эксплуатацию на ГТС вторичной цифровой волоконно-оптической системы передачи на базе аппаратуры «Соната-2». С её использованием во многих городах сооружены линии связи. Аппаратура «Соната-2» сопрягается со стандартным канало - и группо-образующим оборудованием типов ИКМ-30 и ИКМ-120. В 1990 г. начат промышленный выпуск оборудования вторичной цифровой системы передачи (ЦСП) для городских сетей ИКМ-120-5, предназначенной для передачи по градиентному оптическому кабелю (О.К.) линейного тракта, работающего на длинах волн 0,85 или 1,3 мкм. Разработана ВОСП «Сопка-Г», предназначенная для организации оптического линейного тракта со скоростью передачи 34,368 Мбит/с по одномодовому и градиентному оптическому кабелю, с рабочей длиной волны 1,3 мкм. Аппаратура «Сопка-Г» выполнена в конструкции ИКМ-30-4, ИКМ-120-5 и аналогична им по системе технического обслуживания, то есть является продолжением единого семейства ЦСП для городской сети.
Выбор элементной базы при реализации ВОСП и параметры её линейного тракта зависят от скорости передачи символов цифрового сигнала. МККТТ установлены правила объединения цифровых сигналов и определена иерархия аппаратуры временного объединения цифровых сигналов электросвязи. Сущность иерархии состоит в ступенчатом расположении указанной аппаратуры, при котором на каждой ступени объединяется определённое число цифровых сигналов, имеющих одинаковую скорость передачи символов, соответствующую предыдущей ступени. Цифровые сигналы во вторичной, третичной, и т.д. системах получаются объединением сигналов предыдущих иерархических систем. Для европейских стран установлены следующие стандартные скорости передачи для различных ступеней иерархии (соответственно ёмкости в телефонных каналах): первая ступень-2.048 Мбит/с (30 каналов), вторая-8.448 Мбит/с (120 каналов), третья-34.368 Мбит/с (480 каналов), четвертая-139.264 Мбит/с (1920 каналов). В соответствии с приведенными скоростями можно говорить о первичной, вторичной, третичной и четвертичной группах цифровых сигналов электрической связи (в этом же порядке присвоены названия системам ИКМ).
Аппаратура, в которой выполняется объединение этих сигналов, называется аппаратурой временного объединения цифровых сигналов. На выходе этой аппаратуры цифровой сигнал скремблируется скремблером, то есть преобразуется по структуре без изменения скорости передачи символов для того, чтобы приблизить его свойства к свойствам случайного сигнала (рис.1.3). Это позволяет достигнуть устойчивой работы линии связи вне зависимости от статистических свойств источника информации. Скремблированный сигнал может подаваться на вход любой цифровой системы передачи, что осуществляется при помощи аппаратуры электрического стыка.

Для каждой иерархической скорости МККТТ рекомендует свои коды стыка, например для вторичной – код HDB-3, для четверичной – код CMI и т.д. Операцию преобразования бинарного сигнала, поступающего от аппаратуры временного объединения в код стыка, выполняет преобразователь кода стыка. Код стыка может отличаться от кода принятого в оптическом линейном тракте. Операцию преобразования кода стыка в код цифровой ВОСП выполняет преобразователь кода линейного тракта, на выходе которого получается цифровой электрический сигнал, модулирующий ток излучателя передающего оптического модуля. Таким образом, волоконно-оптические системы передачи строятся на базе стандартных систем ИКМ заменой аппаратуры электрического линейного тракта на аппаратуру оптического линейного тракта.
1.1.1.Линейные коды ВОСП на ГТС
Оптическое волокно, как среда передачи, а также оптоэлектронные компоненты фотоприёмника и оптического передатчика накладывают ограничивающие требования на свойства цифрового сигнала, поступающего в линейный тракт. По этому между оборудованием стыка и линейным трактом ВОСП помещают преобразователь кода. Выбор кода оптической системы передачи сложная и важная задача. На выбор кода влияет, во первых, нелинейность модуляционной характеристики и температурная зависимость излучаемой оптической мощности лазера, которые приводят к необходимости использования двухуровневых кодов.
Во вторых, вид энергетического спектра, который должен иметь минимальное содержание низкочастотных (НЧ) и высокочастотных (ВЧ) компонент. Энергетический спектр содержит непрерывную и дискретную части. Непрерывная часть энергетического спектра цифрового сигнала зависит от информационного сигнала и типа кода. Для того, чтобы цифровой сигнал не искажался в усилителе переменного тока фотоприёмника желательно иметь низкочастотную составляющую непрерывной части энергетического спектра подавленной, в противном случае для реализации оптимального приёма перед решающим устройством регенератора требуется введение дополнительного устройства, предназначенного для восстановления НЧ составляющей, что усложняет оборудование линейного тракта. Существует ещё одна причина для уменьшения низкочастотной составляющей сигнала. Дело в том, что оптическая мощность, излучаемая полупроводниковым лазером, зависит от окружающей температуры и может быть легко стабилизирована посредством отрицательной обратной связи (ООС) по среднему значению излучаемой мощности только в том случае, когда отсутствует НЧ часть спектра, изменяющаяся во времени. Иначе в цепь ООС придется вводить специальные устройства, компенсирующие эти изменения.
В третьих, для выбора кода существенно высокое содержание информации о тактовом синхросигнале в линейном сигнале. В приёмнике эта информация используется для восстановления фазы и частоты хронирующего колебания, необходимого для управления принятием решения в пороговом устройстве. Осуществить синхронизацию тем проще, чем больше число переходов уровня в цифровом сигнале, то есть чем больше переходов вида 0-1 или 1-0. Лучшим с точки зрения восстановления тактовой частоты и простоты реализации схемы выделения хронирующей информации, является сигнал, имеющий в энергетическом спектре дискретную составляющую на тактовой частоте.
В четвертых, код не должен каких-либо ограничений на передаваемое сообщение и обеспечивать однозначную передачу любой последовательности нулей и единиц.
В пятых, код должен обеспечивать возможность обнаружения и исправления ошибок. Основной величиной, характеризующей качество связи, является частость появления ошибок или коэффициент ошибок, определяемый отношением среднего количества неправильно принятых посылок к их общему числу. Контроль качества связи необходимо производить, не прерывая работу линии. Это требование предполагает использование кода, обладающего избыточностью, тогда достаточно фиксировать нарушение правил формирования кода, чтобы контролировать качество связи.
Кроме вышеперечисленных требований на выбор кода оказывает влияние простота реализации, низкое потребление энергии и малая стоимость оборудования линейного тракта.
В современных оптоволоконных системах связи для городской телефонной сети ИКМ-120-4/5 и ИКМ-480-5 для передачи в качестве линейного кода используется код CMI, отвечающий большинству вышеперечисленных требований. Особенностью данного кода является сочетание простоты кодирования и возможности выделения тактовой частоты заданной фазы с помощью узкополосного фильтра. Код строится на основе кода HDB-3 (принцип построения представлен на рис.1.4). Здесь символ +1 преобразуется в кодовое слово 11, символ –1 –в кодовое слово 00, символ 0 -в 01. Из рисунка 4 видно, что для CMI характерно значительное число переходов, что свидетельствует о возможности выделения последовательности тактовых импульсов. Текущие цифровые суммы кодов имеют ограниченное значение. Это позволяет контролировать величину ошибки достаточно простыми средствами. Число одноименных следующих друг за другом символов не превышает двух – трех. Избыточность кода CMI можно использовать для передачи служебных сигналов. Применяя для этой цели запрещенный в обычном режиме блок 10, а также нарушение чередований 11 и 00.

1.1.2.Источники излучения ВОСП
Источники излучения волоконно-оптических систем передачи должны обладать большой выходной мощностью, допускать возможность разнообразных типов модуляции излучения, иметь малые габариты и стоимость, большой срок службы, КПД и обеспечить возможность ввода излучения в оптическое волокно с максимальной эффективностью. Для ВОСП потенциально пригодны твердотельные лазеры, в которых активным материалом служит иттрий-алюминиевый гранат, активированный ионами ниодима с оптической накачкой (например СИД), у которого основной лазерный переход сопровождается излучением с длиной волны 1,064 мкм. Узкая диаграмма направленности и способность работать в одномодовом режиме с низким уровнем шума являются плюсами данного типа источников. Однако большие габариты, малый КПД, потребность во внешнем устройстве накачки являются основными причинами, по которым этот источник не используется в современных ВОСП. Практически во всех волоконно-оптических системах передачи, рассчитанных на широкое применение, в качестве источников излучения сейчас используются полупроводниковые светоизлучающие диоды и лазеры. Для них характерны в первую очередь малые габариты, что позволяет выполнять передающие оптические модули в интегральном исполнении. Кроме того, для полупроводниковых источников излучения характерны невысокая стоимость и простота обеспечения модуляции.
Первое поколение передатчиков сигналов по оптическому волокну было внедрено в 1975 году. Основу передатчика составлял светоизлучающий диод, работающий на длине волны 0.85 мкм в многомодовом режиме. В течение последующих трех лет появилось второе поколение - одномодовые передатчики, работающие на длине волны 1.3 мкм. В 1982 году родилось третье поколение передатчиков - диодные лазеры, работающие на длине волны 1.55 мкм. Исследования продолжались, и вот появилось четвертое поколение оптических передатчиков, давшее начало когерентным системам связи - то есть системам, в которых информация передается модуляцией частоты или фазы излучения. Такие системы связи обеспечивают гораздо большую дальность распространения сигналов по оптическому волокну. Специалисты фирмы NTT построили безрегенераторную когерентную ВОЛС STM-16 на скорость передачи 2.48832 Гбит/с протяженностью в 300 км, а в лабораториях NTT в начале 1990 года ученые впервые создали систему связи с применением оптических усилителей на скорость 2.5 Гбит/с на расстояние 2223 км.
1.1.3.Детекторы ВОСП
Функция детектора волоконно-оптических систем передачи сводится к преобразованию входного оптического сигнала, который затем, как правило, подвергается усилению и обработке схемами фотоприемника. Предназначенный для этой цели фотодетектор должен воспроизводить форму принимаемого оптического сигнала, не внося дополнительного шума, то есть обладать требуемой широкополосностью, динамическим диапазоном и чувствительностью. Кроме того, Ф.Д. должен иметь малые размеры (но достаточные для надежного соединения с оптическим волокном), большой срок службы и быть не чувствительным к изменениям параметров внешней среды. Существующие фотодетекторы далеко не полно удовлетворяют перечисленным требованиям. Наиболее подходящими среди них для применения в волоконно-оптических системах передачи являются полупроводниковые p-i-n фотодиоды и лавинные фотодиоды (ЛФД). Они имеют малые размеры и достаточно хорошо стыкуются с оптическими волокнами. Достоинством ЛФД является высокая чувствительность (может в 100 раз превышать чувствительность p-i-n фотодиода), что позволяет использовать их в детекторах слабых оптических сигналов. Однако, при использовании лавинных фотодиодов нужна жесткая стабилизация напряжения источника питания и температурная стабилизация, поскольку коэффициент лавинного умножения, а следовательно фототок и чувствительность ЛФД, сильно зависит от напряжения и температуры. Тем не менее, лавинные фотодиоды успешно применяются в ряде современных ВОСП, таких как ИКМ-120/5, ИКМ-480/5, «Соната».
1.1.4.Оптические кабели ВОСП
Оптический кабель (ОК) предназначен для передачи информации, содержащейся в модулированных электромагнитных колебаниях оптического диапазона. В настоящее время используется диапазон длин волн от 0.8 до 1.6 мкм, соответствующий ближним инфракрасным волнам. В будущем возможно расширение рабочего диапазона в область дальних инфракрасных волн с длинами волн от 5 до 10 мкм. Оптический кабель содержит один или несколько оптических волокон. Оптическое волокно (ОВ) – это направляющая система для электромагнитных волн оптического диапазона. Практическое значение имеют только оптоволокна, изготовленные из высоко прозрачного диэлектрика: стекла или полимера. Для концентрации поля волны вблизи оси оптоволокна используется явление преломления и полного отражения в волокне с показателем преломления, уменьшающимся от оси к периферии плавно либо скачками. Оптическое волокно (ОВ) изготавливается обычно с внешним диаметром 100 – 150 мкм. Конструкция ОВ показана на рис.1.5. Оптическое волокно состоит из сердечника с показателем преломления n1 и оболочки с показателем преломления n2, причем n1>n2. Спецификой ОВ является их высокая чувствительность к внешним механическим воздействиям. Кварцевое оптическое имеет малый температурный коэффициент расширения, высокий модуль упругости и низкий предел упругого растяжения; при относительном удлинении 0.5 – 1.5% оно ломается. Обрыв волокна происходит в сечении, наиболее ослабленном микротрещинами, возникающими на его поверхности. Микротрещины развиваются при попадании на поверхность влаги, поэтому прочность непокрытого волокна быстро уменьшается, особенно во влажной атмосфере. Механические характеристики оптического волокна, поступающего на кабельное производство, столь же важны и подлежат такой же тщательной проверке, как и оптические его параметры.

Передача излучения по любому ОВ может осуществляться в двух режимах: одномодовом и многомодовом. Одномодовым называется такой режим, при котором распространяется только одна основная мода
Если неравенство (1.1) не удовлетворено, то в ОВ устанавливается многомодовый режим. Очевидно, что тип модового режима зависит от характеристик оптического волокна (а именно радиуса сердцевины и величины показателей преломления) и длины волны передаваемого излучения. Оптические волокна, предназначенные для работы в одномодовом режиме, называют одномодовыми оптическими волокнами. Соответственно ОВ для многомодового режима называют многомодовыми.
,где - длина волны передаваемого излучения, n1 и n2 – показатели преломления материалов ОВ.
Различают оптические волокна со ступенчатым профилем, у которых показатель преломления сердцевины n1 одинаков по всему поперечному сечению, и градиентные - с плавным профилем, у которых n1 уменьшается от центра к периферии (рис.1.6).
Фазовая и групповая скорости каждой моды в ОВ зависят от частоты, то есть оптоволокно является дисперсной системой. Вызванная этим волноводная дисперсия является одной из причин искажения передаваемого сигнала. Различие групповых скоростей различных мод в многомодовом режиме называется модовой дисперсией. Она является весьма существенной причиной искажения сигнала, поскольку он переносится по частям многими модами. В одномодовом режиме отсутствует модовая дисперсия, и сигнал искажается значительно меньше, чем в многомодовом, однако в многомодовое ОВ можно ввести большую мощность.

Оптические волокна имеют очень малое (по сравнению с другими средами) затухание сигнала в волокне. Лучшие образцы российского волокна имеют затухание 0.22 дБ/км на длине волны 1.55 мкм, что позволяет строить линии связи длиной до 100 км без регенерации сигналов. Для сравнения, лучшее волокно Sumitomo на длине волны 1.55 мкм имеет затухание 0.154 дБ/км. В оптических лабораториях США разрабатываются еще более "прозрачные", так называемые фтороцирконатные волокна с теоретическим пределом порядка 0,02 дБ/км на длине волны 2.5 мкм. Лабораторные исследования показали, что на основе таких волокон могут быть созданы линии связи с регенерационными участками через 4600 км при скорости передачи порядка 1 Гбит/с.
На сегодняшний день для городской телефонной сети отечественной промышленностью выпускаются кабели марки ОК имеющие четыре и восемь волокон. Конструкция ОК-8 приведена на рис.1. 7. Оптические волокна 1 (многомодовые, ступенчатые) свободно располагаются в полимерных трубках 2. Скрутка оптических волокон – повивная, концентрическая. В центре – силовой элемент 3 из высокопрочных полимерных нитей в пластмассовой трубке 4. Снаружи – полиэтиленовая лента 5 и оболочка 6. Кабель ОК-4 имеет принципиально те же конструкцию и размеры, но четыре ОВ в нем заменены пластмассовыми стержнями.
Недостатки волоконно-оптической технологии:
А.Необходимы также оптические коннекторы (соединители) с малыми оптическими потерями и большим ресурсом на подключение-отключение. Точность изготовления таких элементов линии связи должна соответствовать длине волны излучения, то есть погрешности должны быть порядка доли микрона. Поэтому производство таких компонентов оптических линий связи очень дорогостоящее.
Б.Другой недостаток заключается в том, что для монтажа оптических волокон требуется прецизионное, а потому дорогое, технологическое оборудование.
В.Как следствие, при аварии (обрыве) оптического кабеля затраты на восстановление выше, чем при работе с медными кабелями
Тем не менее, преимущества от применения волоконно-оптических линий связи (ВОЛС) настолько значительны, что, несмотря на перечисленные недостатки оптического волокна, эти линии связи все шире используются для передачи информации.

2.Одноволоконные оптические системы передачи.
Широкое применение на городской телефонной сети волоконно-оптических систем передачи для организации межузловых соединительных линий позволяет в принципе решить проблему увеличения пропускной способности сетей. В ближайшие годы потребность в увеличении числа каналов будет продолжать быстро расти. Наиболее доступным способом увеличения пропускной способности ВОСП в два раза является передача по одному оптическому волокну двух сигналов в противоположных направлениях. Анализ опубликованных материалов и завершенных исследований и разработок одноволоконных оптических (ОВОСП) систем передачи позволяет определить принципы построения таких систем.
Наиболее распространенные и хорошо изученные ОВОСП, работающие на одной оптической несущей, кроме оптического передатчика и приемника содержат пассивные оптические разветвители. Замена оптических разветвителей н оптические циркуляторы позволяет уменьшить потери в линии 6 дБ, а длину линии – соответственно увеличить. При использовании разных оптических несущих и устройств спектрального разделения каналов можно в несколько раз повысить пропускную способность и соответственно снизить стоимость в расчете на один канало - километр.
Увеличить развязку между противонаправленными оптическими сигналами, снизить требования к оптическим разветвителям, а следовательно, уровень помех и увеличить длину линии можно путем специального кодирования, при котором передача сигналов одного направления осуществляется в паузах передачи другого направления. Кодирование сводится к уменьшению длительности оптических импульсов и образованию длительных пауз, необходимых для развязки сигналов различных направлений. В ВОСП, построенных подобным образом, могут быть использованы эрбиевые волоконно-оптические усилители.
Развязку между оптическими сигналами можно увеличить, не прибегая к обужению импульсов, если для передачи в одном направлении когерентное оптическое излучение и соответствующие методы модуляции, а в другом – модуляцию сигнала по интенсивности. При этом существенно уменьшается влияние как оптических разветвителей, так и обратного рассеяния оптического волокна.
Если позволяет энергетический потенциал аппаратуры, на относительно коротких линиях может быть использован только один оптический источник излучения на одном конце линии. На другом конце вместо модулируемого оптического источника применяется модулятор отраженного излучения. Такой метод дуплексной связи по одному ОВ обеспечивает высокую
надежность оборудования и применение волоконно-оптических систем передачи в экстремальных условиях эксплуатации.
При нынешнем высоком уровне развития волоконно-оптической техники появилась возможность передавать оптически сигналы на различных модах ОВ с достаточной для ВОСП развязкой, при этом дуплексная связь по одному ОВ организовывается на двух разных модах, распространяющихся в разных направлениях, с использованием модовых фильтров и формирователей мод излучения.
Каждая одноволоконная ВОСП рассмотренных типов имеет достоинства и недостатки. В таблице 1.1 показаны достоинства (знаком «+») систем, их возможности в отношении достижения наилучших параметров.
2.1.Волноводные оптические системы спектрального мультиплексирования/демультиплексирования
С появлением волоконных световодов (ВС) и интегральной оптики (ИО), основанной на волноводном распространении света в тонких пленках, проблема освоения и использования огромного оптического диапазона в интересах связи приобрела практическое значение. Этому также способствовали успехи в развитии волоконно-оптических линий связи (ВОЛС), планарных оптических волноводов, интегральных полупроводниковых лазеров и других приборов ИО. Толчком к существенному продвижению в решении данной проблемы стало предложение и разработка волноводных спектральных мультиплексоров/ демультиплексоров (ВСМ/Д), позволяющих уплотнять/разуплотнять каналы связи во всем оптическом диапазоне и сравнительно просто выполнять канализацию отдельных "узких" оптических каналов. При этом широкое использование оптических систем волноводного спектрального
Таблица 1.1 - Сравнительная характеристика принципов построения одноволконных ВОСП
|
Тип ВОСП |
Минимальное затухание, максимальная длина РУ |
Защище-нность сигналов |
Большой объем передаваемой информации |
Относите-льно низкая стоимость |
Высокая надежность и стойкость к внешним воздействиям |
|
С оптическими разветвителями |
+ |
||||
|
С оптическими циркуляторами |
+ |
||||
|
Со спектральным разделением |
+ |
+ |
|||
|
С разделением по времени с использованием оптических переключателей |
+ |
||||
|
С разделением по времени с использованием оптических усилителей |
+ |
+ |
|||
|
С когерентным излучением в одном направлении и модуляцией интенсивности в другом |
+ |
+ |
|||
|
С одним источником излучения |
+ |
+ |
|||
|
С модовым разделением |
+ |
||||
|
С когерентным излучением для обоих направлений с разными видами модуляции |
+ |
+ |
+ |
мультиплексирования/демультиплексирования позволяет не только решать задачи оконечных устройств волоконной связи на дальние расстояния (материк - материк, город - город), но и перейти к решению задач внутригородской связи, вплоть до связи типа дом - дом. Кроме того, достоинством ВСМ/Д является возможность их реализации с помощью известных, хорошо разработанных технологических методов микроэлектроники и интегральной оптики, дающих возможность на одном кристалле объединить оптические и электронные схемы, а также обеспечить соединение с ВС. При этом научная и технологическая база для коммерческого использования ВСМ/Д в основном подготовлена.
2.1.1.Принципиальные схемы и основные характеристики ВСМ/Д.
В основе ВСМ/Д лежит известный объемный анализатор спектра типа эшелона Майкельсона, представляющий собой фазовую решетку со сравнительно небольшим числом интерферирующих лучей и большой постоянной разностью фаз между соседними лучами. Его волноводное воплощение получило ряд названий (ВСМ/Д, волноводный спектральный анализатор (ВСА), спектральный мультиплексор на основе матрицы сфазированных волноводов (фазар) и др.). По сути, все названия относятся к одному и тому же устройству.
рис.2.1
Основные характеристики ВСМ/Д и ВСА в связи с принципом обратимости хода лучей, практически одинаковы, а вывод формул можно провести по аналогии с выводом для объемного эшелона Майкельсона, с учетом тою, что лучи света распространяются по планарным (канальным) волноводам или волоконным световодам. На рис.2.1 приведены схемы диспергирующих систем ВСА прозрачного типа (а), ВСМ/Д на основе канальных волноводов (б) и ВСА на основе волоконных световодов (в). Формулы, определяющие основные характеристики ВСМ/Д и ВСА, выполненных из одномодовых волноводов, имеют вид (рис. 2.1.а):
D>>h/x>0>b, Nh/b hb
x>0>, Nhb, Nx>0>
b=dd
>>>>, К=h,
где D>>-угловая дисперсия; - разрешающая способность; - спектральная область дисперсии; - угловой интервал между соседними порядками спектра; и - минимальный интервал и минимальный угол между двумя разрешенными по Рэлею линиями; b - дисперсионный множитель; h - постоянная разность длины пути между соседними ступенями (волноводами); x>0 >- ширина ступеней (каналов); >>и >>- эффективные показатели преломления ступенчатой структуры и несущего волновода; - длина волны в вакууме; N - число интерферирующих лучей (каналов); К -порядок спектра. Для волноводных мультиплексоров на основе канальных волноводов и волоконных световодов (рис. 2.1.б и 2.1.в) разность в приведенных формулах должна быть заменена на значение эффективного показателя преломления соответствующих волноводов. При этом для ВСА отражательного типа необходимо учесть удвоение оптического пути в диспергирующей структуре, т. е. должна быть заменена на 2. Во всех перечисленных случаях дисперсионный множитель оказывается более сложным, чем для объемного эшелона Майкельсона, ввиду волноводного распространения излучения. Для ВСА (рис.2.1.а) он может быть представлен в виде:
b=>j>n>j>n>j>
где n>j> - показатели преломления сред, образующих волноводы. Второй и третий члены, входящие в (1.3), определяются волноводной дисперсией и материальной дисперсией сред, образующих волноводы, с учетом доли мощности излучения, распространяющейся в каждой среде, в соответствии с соотношением >>n>j> = (n>j>/>>)(P>j>/P>>), где P>j> -мощность излучения, распространяющаяся в j-й среде, a P>>- общая мощность излучения в волноводе, которая, в свою очередь, определяется его параметрами. Анализ зависимости дисперсионного множителя от >>>>и показал, что определяющие его члены могут иметь как отрицательные, так и положительные значения, а величина этого множителя может в несколько раз превышать значение .
Схемы, приведенные на рис. 1. могут быть выполнены и гибридном или волноводном варианте. В первом случае ввод оптических сигналов (>>>n>) в несущий волновод и далее в диспергирующую систему осуществляется с помощью линзы и призмы связи или непосредственно от ВС с помощью волноводной линзы. На выходе диспергирующей системы в фокальной плоскости выходной линзы наблюдается спектр принимаемых сигналов. На основе теоретических исследований были изготовлены соответствующие макеты с заданными расчетными параметрами и получены согласующиеся результаты. В частности, на волоконном спектроанализаторе (рис.2.1.в) с разрешением 106 было продемонстрировано разрешение продольных мод He-Ne лазера, отстоящих друг от друга на 0,08А.
Перспективным направлением в развитии ВСМ является объединение дисперсионного и фокусирующего элементов. Впервые такое объединение было предложено и осуществлено путем создания квадратичного фазового распределения на выходе диспергирующей системы, получаемого в результате небольшого изменения длин оптических каналов диспергирующей системы. Фокусировка наблюдалась в планарном волноводе в фокальной плоскости фокусирующей системы. Сейчас описанная схема с незначительными изменениями используется в большинстве работ, посвященных ВСМ/Д. В подобной схеме вход и выход диспергирующей системы связаны с помощью двух звездных соединителей и волноведущих пластин, выполняющих роль фокусирующих элементов (рис. 2.2). Оптические сигналы на фиксированных
рис2.2
длинах волн (>>>n>) поступают с волоконного световода на вход одного из звездных соединителей, проходят по планарному волноводу и возбуждают канальные волноводы диспергирующей системы. Последние имеют постоянную разность оптического пути между соседними каналами. Во втором звездном соединителе оптические сигналы разделяются пространственно по длинам волн (>>>n>) и фокусируются на торцы выходных ВС. Таким образом, происходит демультиплексирование входных оптических сигналов. При обратном ходе лучей схема работает как мультиплексор.
В приведенных выше схемах предполагалось использование одномодовых волноводов и, соответственно, одномодового режима работы, для которого выполняется условие фазового согласования при длине волны h/K (или >>h/K для канальных волноводов). Так как эффективные показатели преломления для ТЕ и ТМ мод в волноводах различаются из-за обычно имеющего место двулучепреломления, то условие фазового согласования для них также будет различаться. Для компенсации различия эффективных показателей преломления был предложен ряд методов. Наиболее обещающим для ВСМ/Д представляется метод полуволновой пластинки, которая вставляется в канавку в середине волноводной матрицы (см. рис.2.2). Чтобы изменить направление поляризации от ТЕ к ТМ моде и наоборот, ее главная ось устанавливается под углом 45° к поверхности волновода. Длины волн падающих ТЕ и ТМ мод будут скорректированы в соответствии с равенствами:
>TE>L>TM>LK -
для падающей ТE моды,
>TM>L>TE>LK -
для падающей ТM моды,
где >TE >и >TM> - эффективные показатели преломления волноводов для ТЕ и ТМ мод соответственно. Как видим, зависимость от поляризации полностью компенсируется с помощью этого метода. Данный метод отличается тем, что для исключения зависимости от поляризации нет необходимости в уменьшении двулучепреломления волноводов. В случае ВСМ/Д на основе волноводов из SiO>2>/Si используется кварцевая пластина, так как ее показатель преломления близок к показателям преломления волноводов.
Следует отметить также метод исключения поляризационной зависимости с помощью осаждения аморфной кварцевой пленки на волновод. Пленка имеет остаточную деформацию и компенсирует волноводное двулучепреломление. Преимущество этого метода состоит в том, что при его использовании избыточные потери вследствие введения пленочной волноводной вставки могут быть уменьшены до 0.4 дБ. Таким образом, предлагаемые методы могут обеспечить практическую реализацию ВСМ/Д с поляризационной независимостью и низкими вводимыми потерями.
2.1.2.Реализация ВСМ/Д.
Исходя из перспектив использования ВСМ применительно к связи особую значимость приобретают такие характеристики, как затухание оптических сигналов в процессе прохождения через мультиплексор, максимальное количество каналов, плоскость амплитудно-частотной характеристики мультиплексора по каналам во всей полосе длин волн (частот) мультиплексора и в пределах отдельного канала, перекрестные помехи, независимость от поляризации и, наконец, стоимость устройства. Рассмотрим некоторые варианты реализации ВСМ.
Волноводные спектральные мультиплексоры/демультиплексоры (ВСМ/Д) на SiO>2>. Важное значение для использования мультиплексоров имеют потери в устройствах, которые включают потери в прямолинейных волноводах, на изгибах, в звездных соединителях, при стыковке планарных волноводов с канальными волноводами и с волоконными световодами. Объединяя все потери, принято иметь в виду потери "на кристалле", т.е. в волноводной схеме, и потери при передаче волокно-волокно. В последнем случае включаются потери на стыковку входного ВС с планарным волноводом звездного соединителя и потери при вводе излучения из второго звездного соединителя в выходные ВС (см. рис. 2.2).
Потери в волноводах и при изгибе канальных волноводов можно свести к минимуму путем выбора соответствующих материалов волноводов, их параметров и достаточно большого радиуса кривизны. Потери при соединении канальных волноводов с планарными волноводами звездных соединителей могут быть значительными. Для их уменьшения предложено использовать рупоры, сужающиеся волноводы, изменять расстояния между выходными концами канальных волноводов и т. п. Для волноводной системы SiO>2>/Si потери при передаче волокно - волокно составили 2,3 ... 2,8 дБ. При этом потери на кристалле соответствуют 1,7 дБ.
Систематическое изучение потерь в ВСМ было проведено с помощью программы, учитывающей распространение излучения в трехмерном
п

















h
w
a
t
Рис. 2.3
ространстве. В частности, было изучено влияние различных параметров
канальных волноводов (толщина пластины, ширина волновода, высота гребня и др.) на потери при передаче мощности из канальных волноводов в область звездного соединителя. Область перехода канальных волноводов к звездному соединителю и их поперечное сечение показаны на рис. 2.3, 2.4.
Поля в этих волноводах могут быть связаны с полем на другой стороне звездного соединителя с помощью преобразования Фурье. Поскольку все каналы фокусируются в точке на другой стороне звездного соединителя и поскольку каналы образуют периодическую матрицу, нужно только смоделировать поле, исходящее из отдельного канала. Поля, которые образуются в результате возбуждения другими каналами, получаются путем суперпозиции. При вычислении полей рассматривается распространение света от одиночного волноводного канала до конца матрицы, затем вычисляется перекрытие полей с модами волноведущей пластины, чтобы определить поля, принимаемые с помощью звездного соединителя, и после этого производится быстрое преобразование Фурье. В результате получается поле на другом конце звездного соединителя.
Изучение потерь показало, что для получения максимального коэффициента передачи через звездный соединитель следует использовать толстые волноводные слои, малую разность показателей преломления волноводного слоя и подложки, короткие гребневые волноводы и большие факторы заполнения (w/a). Для ВСМ (WGR -Waveguide Grating Router), показанного на рис. 2.4 и имеющего оптимальные параметры волноводов (толщина волноведущей пластины t = 0,5 мкм, высота h и ширина w гребня равны соответственно 4 и 7 мкм, расстояние между центрами каналов а = 9 мкм, относительная разность показателей преломления n/n = 0,67 % при n>подл> = 1,4457), потери на кристалле могут быть меньше 0,2 дБ.
Уменьшение потерь при распространении сигналов в значительной степени зависит от правильного выбора формы траекторий оптических каналов. Путь решения проблемы минимизации потерь состоит в использовании семейства полиномиальных Р- и WP-кривых (рис.2.5),
рис2.5
обеспечивающих соединение заданных начальных и конечных точек кривыми с непрерывно изменяющейся кривизной, и оптимизируют прохождение излучения по траекториям с минимальными потерями. Таким образом, минимальные размеры устройства определяются заданным уровнем потерь. Расчеты выполняются с помощью простого алгоритма на компьютере типа PC. С помощью предложенной методики был рассчитан и реализован мультиплексор на основе волноводного слоя Si0>2>, нанесенного путем эпитаксиального осаждения из газовой фазы на кремниевую подложку. Параметры изготовленного мультиплексора приведены ниже:
Рабочая длина волны 1,55 мкм
Показатель преломления подложки 1,469
Разность показателей преломления 1,5 х 10-2
Размеры канала (ширина, полная высота,
протравленная высота) 6,5 х 4,5 х 2,5 мкм3
Число входных/выходных каналов 16/16
Спектральное разрешение 1,6 им (200 ГГц)
Спектральная область 25,6 нм
Число каналов 60
Длина дисперсионного элемента 6.1 мм
Расстояние между каналами
на входе звездного соединителя 20 мкм
Порядок интерференции 60
Разность длин оптического пути
двух соседних каналов 63.1 мкм
Площадь устройства 4,2 х 1,7 см2
Измеренные потери при передаче волокно - волокно составили 5±2 дБ, средний спектральный интервал между каналами - 199.5 ГГц, средняя ширина полосы каналов по уровню половины интенсивности - 44 ГГц. В пределах ширины полосы канала перекрестные помехи соответствовали 35 дБ.
В результате взаимного влияния каналов возникают аберрации. Для их уменьшения может быть использована корректирующая схема, которая оптимизирует положения фокусов звездных соединителей и длины каналов диспергирующей системы так, чтобы обеспечить более точное выполнение преобразования Фурье в звездных соединителях. Такой в мультиплексор может работать как N х N переключатель. Если к входам мультиплексора подсоединить N лазеров, каждый из которых перестраивается в пределах N длин волн, то любой из лазеров может быть соединен с любым выходным каналом.
Наряду с гребенчатыми волноводами в мультиплексорах используются заращенные или закрытые покровным слоем волноводы. В этих случаях применяются волноводы с сердцевиной, повышенный показатель преломления которой обеспечивается путем введения легирующих примесей, использования композиционных волноводов и др. Сердцевина канальных волноводов обычно имеет площадь 25...50 мкм2 и разность показателей преломления доли процента от n. Это обеспечивает малые потери при распространении излучения по волноводам (0,05...0,1 дБ/см) и при стыковке волноводов с волоконными световодами (~0,1 дБ).
Таблица 2.1 Экспериментальные и теоретические характеристики мультиплексоров
|
Параметры |
Экспериментальные и теоретические* результаты |
|||
|
Центральная длина волны >> (заданная величина ), мкм |
1,5476 (1,548) |
1,5521 (1,552) |
1,5498 (1,550) |
1,5496 (1,550) |
|
Спектральное разделение каналов , нм |
15 |
2 |
0,8 (100 гГц) |
0,4 (50 гГц) |
|
Число каналов |
8 |
16 |
32 |
64 |
|
Разность длины пути L, мкм |
12,8 |
50,3 |
63 |
63 |
|
Фокус звездного соединителя f, мм |
2.38 |
5,68 |
11,35 |
24.2 |
|
Порядок дифракции m |
12 |
47 |
59 |
59 |
|
Число каналов диспергирующей системы |
30 |
60 |
100 |
160 |
|
Потери на кристалле при >>, дБ |
2,4 |
2,3 |
2,1 |
3,1 |
|
Ширина полосы на уровне 3 дБ |
6,3 нм (6,3 нм) |
0,74 нм (0,75 нм) |
40 ГГц (37 ГГц) |
19 ГГц (21 ГГц) |
|
Перекрестные помехи, дБ |
<-28 |
<-29 |
<-28 |
<-27 |
|
* Теоретические результаты даны в скобках . |
В таблице 2.1 приведены экспериментальные и теоретические характеристики мультиплексоров, изготовленных на основе канальных волноводов, размер сердцевины которых и разность показателей преломления составляют соответственно 7х7 мкм2 и 0,75 %.
Сравнение теоретических и экспериментальных результатов для различных видов мультиплексоров показывает, что такие характеристики, как центральная длина волны, число каналов, спектральный интервал между каналами и ширина полосы частот по уровню половинной мощности могут быть достаточно точно предсказаны с помощью метода лучевого распространения. Таким образом, волноводные спектральные мультиплексоры на основе SiO>2>/Si позволяют реализовать малые потери при передаче волокно - волокно и дают возможность объединять оптические схемы с электронными на основе Si.
Достижения в области создания волноводов на SiO>2>/Si с малыми потерями и ВСМ/Д на их основе сделали возможным изготовление надежных и экономичных модулей мультиплексоров для систем со спектральным уплотнением. Модули мультиплексоров 1х8 на основе SiO>2>/Si доведены до уровня коммерческой эксплуатации.
При работе мультиплексоров чрезвычайно важна стабилизация центральной длины волны, для чего требуется температурный контроль, который невозможен без знания температурной зависимости сдвига центральной длины волны. Поэтому для указанных модулей были проведены соответствующие испытания, причем наибольший интерес представляли такие параметры мультиплексора, как сдвиг центральной длины волны при изменении температуры, а также тепловая деградация. Испытания проводились как для устройств на открытых кристаллах, так и для модулей, заключенных в пластмассовый корпус. Модули были снабжены специальными нагревателями и температурными датчиками (термисторами). Протестированные модули имели следующие рабочие характеристики: вносимые потери < 10 дБ, интервал между каналами - 200 ГГц (1,6 нм), поляризационная чувствительность < ±0,05 нм, зависимость потерь от поляризации <1 дБ при комнатной температуре. Потребляемая мощность составляла 5 Вт, размеры корпуса -100х55х17 мм3
Результаты испытаний модулей, заключенных в корпус, показали относительно малое изменение вносимых потерь (< ±0,5 дБ ) после 950 часов работы при температуре 85°С, а сдвиг центральной длины волны в течение тестирования оказался меньше 0,01 нм. Следовательно, данные модули могут надежно и стабильно использоваться даже в условиях высоких температур.
Волноводные спектральные
мультиплексоры/демультиплексоры на
InP. До недавнего времени
ВСМ (фазары) на SiO>2>/Si
демонстрировали лучшие эксплуатационные
характеристики и казались наиболее
подходящими для практического
применения. Однако в последние время
наблюдается значительный прогресс в
области создания волноводных устройств
на основе полупроводниковых соединений.
Последние дают возможность интегрировать
как пассивные, так и активные устройства
на единой подложке. Так были изготовлены
мультиплексоры на основе глубокой
гребневой волноводной
Рис.2.7
структуры, показанной на рис.2.6. Их структура состоит из четверного слоя InGaAsP толщиной 1мкм и верхнего слоя InP толщиной 1мкм, выращенных методом молекулярно-лучевой эпитаксии из газовых источников. Для удаления полимера с боковых сторон гребня и получения вертикальных боковых стенок волновод толщиной 2,5 мкм глубоко стравливался ниже несущего слоя (примерно на 0,6 мкм) путем многоступенчатого реактивного ионного травления. Параметры структуры были рассчитаны для получения одинаковых постоянных распространения ТЕ- и ТМ-поляризаций. Преимущество структуры с глубоким травлением состоит в том, что двулучепреломление не зависит от глубины травления, а определяется только толщиной волноводного слоя и шириной волновода. Другим ее преимуществом является очень высокая степень ограничения света, что дает возможность использовать изгибы с малым радиусом кривизны (R ~70 мкм) без значительного увеличения потерь. Это позволяет создавать мультиплексоры чрезвычайно малых размеров.
Характеристики двух поляризационно независимых фазаров с 4 и 16 каналами в области длин волн 1,55 мкм и размерами 0,5х0,5 и 1,0х0,9 мм2 соответственно имеют следующие значения: интервал между соседними каналами -3,2 и 2,03 нм, перекрестные помехи - 28 и 20 дБ, вносимые потери - 11 и 13 дБ. Данные результаты свидетельствуют о пригодности этих мультиплексоров к монолитной интеграции с активными устройствами: полупроводниковыми лазерами, усилителями, детекторами и т. п.
2.1.3.Интеграция оптических устройств.
Перспективы использования ВСМ/Д на оконечных станциях ВОЛС непосредственно связаны с возможностями их интеграции с источниками излучения, приемниками, усилителями и др.
Интегральные источники излучения. На передающих станциях излучение от матрицы лазеров, работающих на длинах волн >>>n>. должно быть объединено в один канал для ввода в волоконный световод оптической линии связи. Это может быть осуществлено путем использования матрицы из Y-соединителей. путем соединения излучения лазеров с помощью ВСМ. объединения усилителей и ВСМ в единый интегральный блок с одним выходным каналом, а также другими способами.
Объединители на основе InP были интегрированы с решеткой из четырех лазеров с распределенной обратной связью (РОС) с длинами волн излучения в области 1,55 мкм и спектральным интервалом между отдельными излучателями 2 нм, выполненными на единой подложке. При этом вносимые потери составляли значительную величину. В дальнейшем потери были несколько уменьшены. На рис.2.7 приведена интегральная схема модуля из четырех РОС лазеров, состыкованных с мощностным полимерным (1х4) объединителем, так же выполненным на подложке из InР. Поперечное сечение заращенной полимерной структуры показано на рис.2.8.
Рис.2.8
Изготовление модуля проводилось в два этапа. На первом методом молекулярной эпитаксии и травления реактивным ионным пучком была изготовлена лазерная структура с заращенными гребневыми волноводами. Переход от активной области к пассивной достигался с помощью вертикального травления, вплоть до подложки с использованием СН>4>/Н>2>/Аr. На втором этапе на основе волновода из полисульфона в качестве волноводного слоя и ПММА в качестве обрамляющих слоев был создан пассивный объединитель. Сначала на подложку из InP с помощью центрифуги наносились полимерные слои, а затем путем фотолитографии и реактивного ионного травления формировались полосковые волноводы объединителя.
Аналогичные модули были реализованы с использованием матрицы из лазеров с распределенными брэгговскими отражателями (РБО) (рис.2.9).
Рис.2.9
В отличие от РОС лазеров, работающих на фиксированной длине волны, определяемой периодом брэгговской структуры, РБО лазеры позволяют более гибко подстраивать длину волны путем изменения тока в пассивной секции брэгговского отражателя. Так, изменение тока от 0 до 30 мА приводило к изменению длины волны лазера на 4,5 нм. Четыре РБО лазера работали в области длин волн 1,55 мкм со спектральным интервалом между ними 4 нм. Длина активной секции лазеров составляла примерно 900 мкм, а секция брэгговского отражателя -500 мкм. Изменение тока на брэгговском отражателе позволяло производить подстройку длины волны генерации с точностью лучшей, чем ±0,2 нм. Устройство было реализовано в три стадии роста с помощью мсталлорганичсской эпитаксии из газовой фазы (MOVPE). Вначале изготавливался активный слой из четырех InGaAsP напряженных потенциальных ям с оптическим ограничением. Активные лазерные области подвергались сухому травлению, а пассивный слой с шириной запрещенной зоны 1.3 мкм был получен в процессе селективного эпитаксиального роста при использовании маски из нитрида кремния. В результате была реализована структура, состоящая из активных и пассивных областей, соединенных в торец. Для точного подбора толщины решетки на верхней части пассивного слоя выращивалась структура, состоящая из четырехкомпонентного тонкого слоя, помещенного между слоями InP. Затем с помощью одномерной голографической литографии изготавливались четыре решетки с разными периодами. Период первой решетки составлял 240 нм, периоды других отличались на 0,625 нм и обеспечивали таким образом спектральный интервал между длинами волн излучения лазеров, равный 4 нм. Гребенчатые волноводы Y-разветвителей объединителя и лазерные волноводы были изготовлены за один процесс литографии. Мощность каждого лазера составляла 0,2 мВт, размеры готового устройства были равны 3х1 мм2.
Д
ля
построения оптических сетей с ВСМ/Д
перспективно использовать источники
излучения, которые генерируют одновременно
ряд частот со стабильными строго
контролируемыми спектральными
интервалами между ними. Такими источниками
являются многочастотные лазеры (МЧЛ),
Рис. 2.10
представляющие собой усилители со сколотыми зеркальными гранями и вместе с одиночным выходным портом образующие оптический резонатор (рис. 2.10). Если усилители обеспечивают достаточное усиление, чтобы скомпенсировать все потери резонатора, то происходит генерация лазера на длине волны, определяемой фильтром соответствующего канала. Каждый из К усилителей в портах от 1 до N будет, таким образом, генерировать оптическую длину волны >t>. Интервалы между оптическими каналами обусловлены внутренним резонатором и определяются с большой точностью. Одновременное действие на всех длинах волн достигается простым запуском всех усилителей. Конкретная информация на каждом оптическом >t> канале задается путем непосредственной модуляции тока смещения соответствующего усилителя. Была продемонстрирована работа МЧЛ, состоящего из 16 каналов. Устройство может обеспечивать мощность 13 дБм на канал при вводе в одномодовое волокно при одновременной работе всех каналов. Каждый канал мог быть модулирован со скоростью 622 Мб/с, демонстрируя общую битовую скорость 10 Гб/с (16х622 Мб/с). Средний интервал между каналами составлял 200 ГГц. Прямая скорость модуляции ограничивалась в результате запаздывания, связанного со временем одного прохода резонатора, и составляла 2,5 ГГц. Уменьшение размеров устройства позволит получить более высокую скорость модуляции.
Сравнение МЧЛ и матрицы РОС лазеров позволило оценить преимущества и недостатки каждого из них. Так, каждый отдельный РОС лазер может модулироваться с очень высокой скоростью, так как имеет короткий резонатор. Кроме того, размеры кристалла РОС лазера значительно меньше размеров МЧЛ, так как в этом случае отсутствуют и фокусирующая решетка, и волноводная матричная решетка. Однако преимущество МЧЛ состоит в том, что они позволяют получать спектральное расположение оптических каналов с высокой точностью, обусловленной использованием независимого фильтра для каждой генерируемой длины волны. В отличие от МЧЛ индивидуальные длины волн, матрицы РОС лазеров могут дрейфовать друг относительно друга в результате старения. В дополнение к недостаткам матрицы РОС лазеров можно отнести и то, что ее внутренние потери пропорциональны числу каналов, вследствие чего их увеличение затруднительно. На основе проведенного сравнения можно сделать следующие выводы.
Если необходимо малое число каналов, предпочтительней оказываются РОС лазеры ввиду их компактности. Однако когда число каналов с различными длинами волн увеличивается, свойственный МЧЛ контроль за расположением оптических каналов по спектральным интервалам может способствовать значительному увеличению недостатков, связанных с его размерами. Следовательно, МЧЛ может найти широкое применение в системах с волноводным спектральным уплотнением, требующих большого числа каналов с различными длинами волн, но с умеренной скоростью передачи данных в одном канале.
Интеграция ВСМ и фотоприемников. Четырехканальный демультиплексор с малыми потерями был монолитно интегрирован с фотодетекторами. Демультиплексор состоял из диспергирующей волноводной системы, соединенной с планарными фокусирующими областями (рис. 2.11).
Рис.
2.11
В устройстве использовались гребневые волноводы с поперечной разностью показателей преломления 0,037 и n>эфф>=3,29 (для ТЕ-поляризации). Ширина и высота гребня составляли соответственно 2 и 0,35 мкм. Свет из выходных волноводов поступал на фотодетекторы с помощью устройства связи, использующего проникающее поле. Для увеличения поглощения в фотодетекторе слоистая структура была оптимизирована. Эта структура выращивалась на подложке из n+InP методом MOVPE и имела нелегированный буферный слой InP толщиной 1,5 мкм, нелегированный волноводный слой InGaAs (2=1,3 мкм) - толщиной 0,6 мкм, нелегированный верхний обрамляющий слой волновода - 0,3 мкм, поглощающий слой n-InGaAs (1 х 1017 см -3) - 0,27 мкм, слой p-InP (1 х 1018 см-3) - 0.5 мкм и неволноводный контактный слой р-InGaAs (2x 1018 см -3) – 0,1 мкм. Размеры фотодетектора - 150 х 80 мкм2. Внутренний квантовый выход был лучше 90 %. Вне фотодетектора выращивалась слоистая структура, содержащая тонкие волноводные слои.
Измерение характеристик демультиплексора проводилось с помощью перестраиваемого лазерного источника. Измеренный интервал между каналами составил 1,8 нм. Полная ширина полосы канала по уровню 0.5 была равна 0,7 нм. Демультиплексор, монолитно интегрированный с фотодетекторами имел потери для ТЕ-поляризации 3-4 дБ, для ТМ-поляризации на 0,5 дБ больше. Внешняя чувствительность фотодетектора составляла 0,12 А/Вт. Полные внешние потери, включая потери на связь фотодетектора с волноводом, составляли 10 дБ, перекрестные помехи – 12 ... 21 дБ. Устройство, включая фотодетекторы и входные полосковые волноводы, имело размеры 3,0 х 2,3 мм2.
2.1.4.Оптические мультиплексоры с добавлением и отводом каналов.
Оптический мультиплексор с добавлением и отводом каналов (МД/О) является устройством, предоставляющим одновременный доступ ко всем каналам на соответствующих длинах волн в системах связи с ВСМ/Д. В англоязычной литературе используется терминология Add/ Drop Multiplexer (A/DM). На рис. 2.12 приведена конфигурация такого волноводного 16-ти канального оптического мультиплексора. Его устройство состоит из четырех ВСМ/Д и 16-ти двухпозиционных термооптических (ТО) переключателей.

Рис. 2.12
Четыре ВСМ/Д с одинаковыми параметрами расположены в месте пересечения их планарных фокальных областей. В диапазоне 1.55 мкм спектральные интервалы между каналами и область дисперсии составляли 100 и 3300 ГГц (26,4 нм) соответственно. Сигналы, поступающие с мультиплексора (>>>>>>) с равными спектральными интервалами между ними, поступают на главные входные порты (добавленные порты). Разделившиеся с помощью ВСМ/Д1 (ВСМ/Д2) 16 сигналов вводятся в левые плечи (правые плечи) ТО переключателей. Любой оптический сигнал, введенный в двухпозиционный ТО переключатель, проходит через кросс-порт одного из четырех итерферометров Маха-Цендера, прежде чем достичь выходного порта. С другой стороны, любой сигнал с определенной длиной волны может быть удален из главного выходного порта и приведен к отводящему порту после изменения соответствующего условия в переключателе. Сигнал с той же самой длиной волны, что и отведенный, может быть добавлен в главный выходной порт, если будет поступать на добавленный порт (рис. 12). Например, если ТО переключатели SW>2>, SW>4>, SW>6>, SW>7>, SW>9>,SW>12>, SW>13> и SW>15> находятся в положении "Вкл.", выделенные сигналы 2, 4, 6,7, 9, 12, 13 и 15 выводятся из главного выходного порта (сплошная линия) и присоединяются к отводящему порту (пунктирная линия), как показано на рис. 2.13.

Рис. 2.13
Перекрестные помехи для положений "Вкл. - Выкл." оказались меньше 28,4 дБ при потерях на кристалл 8...10 дБ. Как видим, МД/О весьма привлекательны для всех систем связи с ВСМ/Д и позволяют оптической сети быть прозрачной для сигналов с большими битовыми скоростями и форматами.
Перспективы широкого практического применения МД/О привлекли исследователей к разработке средств проектирования сложных фотонных интегральных цепей. Для четырехканального МД/О был предложен метод инициирования проекта на символическом уровне, а также моделирование (начиная с этого уровня) и создание маски макета. Использованная система автоматического проектирования базировалась на известной специализированной системе проектирования для СВЧ-диапазона.
Моделирование фазара выполнялось в два этапа: сначала создавалась геометрия фазара с желаемой спецификацией, в которую включалось определенное число входных и выходных портов, центральная длина волны и спектральный интервал между каналами, затем моделировалось распространение волн через фазар.
Проект геометрии фазара имел два звездных соединителя, связанных матрицей прямолинейных и изогнутых волноводов. Фазар с N входными и М выходными волноводами описан с помощью (N +M) х (N + M) S-матрицы. Элементы матрицы S>iJ> вычислялись следующим образом. Сначала определялось поле, излучаемое из порта i, и коэффициенты связи с каждым волноводом матрицы. Затем вычислялось распространение волн в каждом волноводе с учетом потерь на переходах и излучение в изогнутых волноводах. Наконец, с помощью того же метода, что и для входных портов, определялись коэффициенты связи между каждым волноводом матрицы и выходным волноводом j.
Пример символического представления матрицы фазара 6 х 6 вместе с маской схемы показан на рис. 2.14.
Рис.
2.14
На следующей стадии проектировалась модель МД/О, состоящего из фазара 6 х 6 и обратных волноводных петель. В траектории петель включены переключатели типа интерферометров Маха-Цандера, которые открывают и закрывают петли. Символическое представление МД/О приведено на рис 2.15.
Четырехканальный МД/О с конструкцией, идентичной рассчитанному проекту, был реализован на основе InP. Сравнение результатов моделирования и измерений показало сдвиг максимума полосы пропускания отдельного

Рис. 2.15
канала на 9 нм. Главным образом это было следствием различия между спроектированной и изготовленной волноводными структурами. Потери составили 7 … 9 дБ, остаточный сигнал в полосе соседнего сигнала оказался примерно па 30 дБ ниже исходного сигнала. Эти значения находятся в хорошем согласии с рассчитанными.
2.2.Выводы.
Волноводные спектральные мультиплексоры/демультиплексоры являются ключом к решению проблемы использования всей чрезвычайно широкой полосы пропускания волоконных световодов. Наибольшее развитие получили ВСМ/Д, выполненные на основе SiО>2>/Si и на InP. Первые обладают меньшими потерями на кристалл, в то время как полупроводниковые пассивные оптические интегральные схемы могут быть непосредственно интегрированы с источниками излучения, усилителями, фотодетекторами и др. При этом на одной подложке могут быть объединены оптические и электронные компоненты. Изготовление оптических волноводных спектральных мультиплексоров выполняется методами стандартной (высококачественной) литографии. Соединение оптических планарных интегральных цепей с волоконными световодами достаточно разработаны и не вносят существенных потерь. Размеры приборов (без корпусов) не превышают 1 - 2 см. Такие характеристики предвещают быстрое развитие производства дешевых, коммерчески приемлемых приборов нового поколения не только для дальней связи, но и для местной широкополосной связи типа дом - дом.
3.Применение оптических циркуляторов в волоконно-оптических системах передачи
Эволюция развития волоконно-оптических систем передачи (ВОСП) от простых линий передачи к более совершенным системам с оптической обработкой сигнала стимулирует создание новых оптических устройств, обладающих невзаимными свойствами, - оптических изоляторов (ОИ) и
оптических циркуляторов (ОЦ). В свою очередь применение таких устройств в аппаратуре ВОСП позволяет расширить функциональные возможности и улучшить характеристики ВОСП.
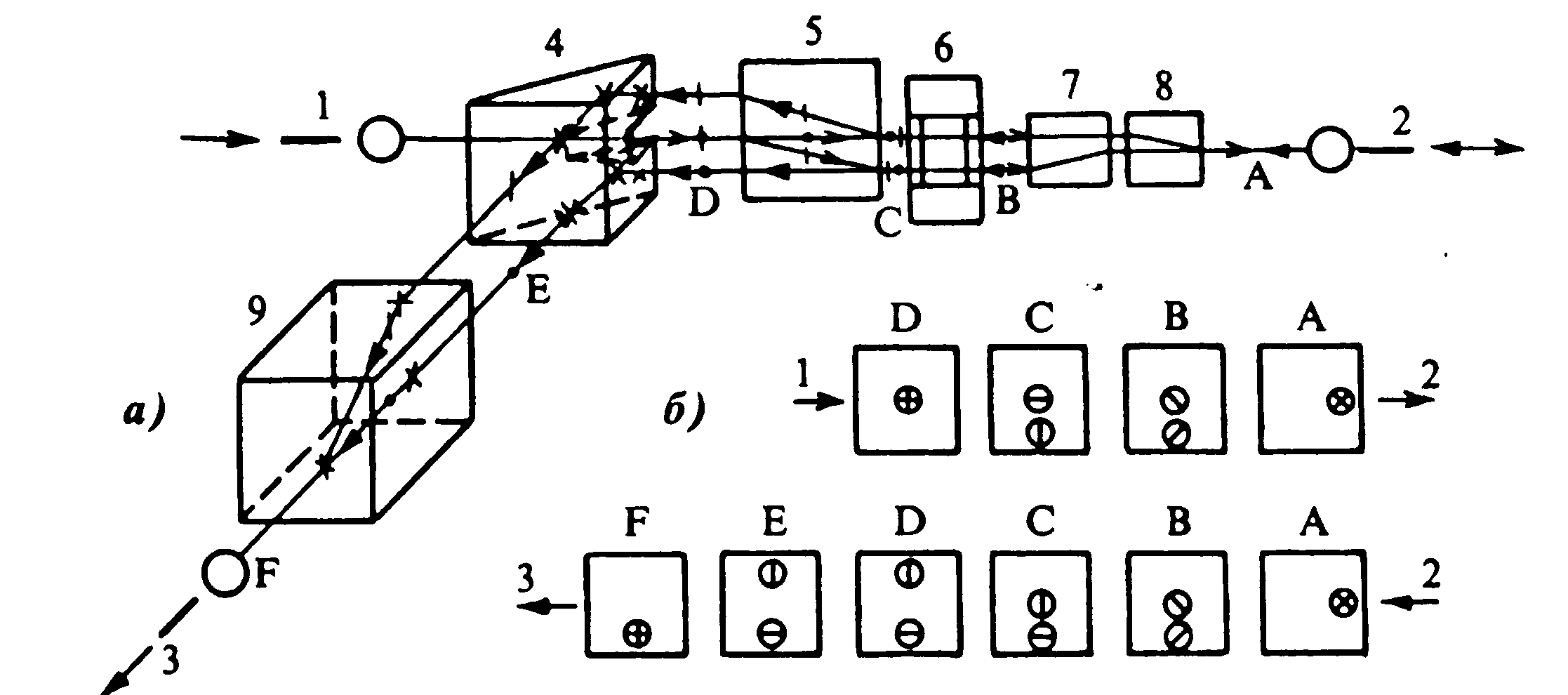
Оптический циркулятор представляет собой пассивное трех- или четырехпортовое оптическое устройство, которое благодаря своим невзаимным свойствам может распределять поступающее оптическое излучение в различные порты в зависимости от направления распространения излучения. Невзаимность свойств ОЦ (так же, как и ОИ) обусловлена эффектом невзаимного поворота плоскости поляризации (Эффект Фарадея) в магнитоупорядоченных кристаллах, в частности, в кристаллах ферритов-гранатов.
Рис.3.1
Схема работы простого трехпортового ОЦ (Y-типа) показана на рис.3.1.а. Оптическое излучение, которое поступает через порт 1, выходит через порт 2. Однако излучение, поступающее в обратном направлении через порт 2, направляется в порт 3, а не в порт 1. Поэтому при использовании двух соседних портов ОЦ функционирует как обычный ОИ, а при использовании всех трех портов может осуществляться двунаправленная передача по одному волокну.
В общем случае ОЦ (Х-типа) имеет четыре порта (рис.3.1.б). Аналогично предыдущему оптический пучок, входящий через порт 3, выходит через порт 4, а входящий через порт 4, выходит через порт 1. Для большинства применений ОЦ достаточно использование первых трех портов.
3.1.Структура и принцип работы оптического циркулятора.
В настоящее время известно несколько схем построения ОЦ. ГП "Дальняя связь" разработана и выпускается модифицированная схема ОЦ со специальной призмой, имеющей щель.

Рис.3.2
Структура устройства и положение поляризационных компонентов показаны на рис. 3.2, где 1, 2, 3 - волоконные коллиматоры; 4 - специальная поворотная призма со щелью; 5, 7, 8, 9 - двулучепреломляющие элементы из кристалла рутила; 6 - 45-градусный фарадеевский вращатель из кристалла иттрий-железного граната. Принцип работы ОЦ заключается в следующем.
Прямой канал 1-2 фактически является одноступенчатым изолятором, работающим в прямом направлении. Поступающее в ОЦ через порт 1 оптическое излучение с произвольной поляризацией коллимируется линзой 1 и попадает на первый двулучепреломляющий элемент 5 из кристалла рутила. При прохождении через этот элемент входной пучок разделяется на два луча с ортогональной поляризацией - обыкновенный (о-луч) и необыкновенный (е-луч), при этом е-луч отклонятся от первоначального направления и на выходе элемента оказывается смещенным относительно о-луча (позиция "С" на рис. 3.2.б). Далее эти лучи проходят через фарадеевский вращатель поляризации 6, выполненный на основе кристалла иттрий-железного граната. Здесь плоскости поляризации обоих лучей поворачиваются на 45° (позиция "В" на рис.3.2). Затем лучи проходят через второй 7 и третий 8 двулучепреломляющие элементы, где также происходит отклонение лучей.
Поскольку длина и ориентация второго и третьего рутиловых элементов относительно первого выбраны соответствующим образом, два ортогональных поляризованных луча объединяются в один луч (позиция "А" рис.3.2.б), который выходит из ОЦ через порт 2. Таким образом, оптический сигнал с произвольной поляризацией передается из порта 1 в порт 2 с малыми потерями. И поскольку входной сигнал поступает из порта 1 через щель в призме, то порт 3 оказывается полностью "развязанным" от порта 1.
При работе в обратном направлении, когда входной сигнал поступает в порт 2, он проходит те же функциональные элементы, но в обратном направлении. Однако в результате невзаимного поворота плоскости поляризации в фарадеевском вращателе 6 два луча, распространяющиеся в обратном направлении, будут поляризованы ортогонально по сравнению с прямым направлением (позиция "С" рис.3.2.б). Поэтому после прохождения через первый рутиловый элемент 5 эти лучи не сходятся в один, а расходятся на удвоенное расстояние (позиция "D" рис.3.2.б) и не попадают в порт 1 через щель в призме. Следовательно, в этом случае имеет место изоляция порта 1 от порта 2, как в обычном оптическом изоляторе. Пучки, симметрично смещенные относительно щели, отклоняются призмой под углом 90° и направляются в отраженный канал (порт 3), где установлен двулучепреломляющий рутиловый элемент 9. Длина и ориентация этого элемента выбраны таким образом, чтобы поступающие лучи объединились в один луч, выходящий через порт 3. Таким образом, оптический сигнал передается из порта 2 в порт 3 при изоляции порта 1.
3.1.1.Характеристики оптических циркуляторов.
Из принципа работы ОЦ следует, что вносимые в прямой канал потери, заданные выражением А>1>>2> = -10 lg P>2>/P>1> (где P>1> - мощность на входе 1, Р>2> - мощность на выходе 2), определяются суммарным значением потерь коллимирующей системы (включая аберрационные потери линз), потерь в оптических элементах (поглощение, рассеяние и френелевское отражение), отклонением угла фарадеевского вращения от 45° и потерь, связанных с неточностью установки элементов. В зависимости от качества элементов и точности юстировки величина вносимых потерь в прямом канале может составлять А>12> ~ 0,8...1,6 дБ. Потери в отраженном канале А>2>>3> = -10 lg P>3>/P>2> практически лежат в том же интервале, поскольку поворотная призма 4 и дополнительный рутиловый элемент 9 обладают малыми потерями.
Величина изоляции порта 1 от порта 2, т. е. потери А>2>>1> = -10 lg P>1>/P>2> так же как и в случае оптического изолятора, определяются степенью разведения поляризованных лучей в двулучепреломляющих элементах, угловой ошибкой при взаимной ориентации этих элементов, отражением и рассеянием излучения в фарадеевском вращателе, а также ошибками при юстировке элементов. Экспериментально установлено, что рассеяние на различных дефектах в кристаллах рутила и граната ограничивает максимальную величину изоляции на уровне 40...45 дБ.
Как уже отмечалось, в рассматриваемой структуре отсутствует непосредственная связь между портами 1 и 3. Поэтому величина перекрестной помехи на ближнем конце А>1>>3> = -10 lg P>3>/P>1> определяется только френелевскими отражениями от торцов первого рутилового элемента и фарадеевского вращателя и может быть снижена до уровня менее - 50 дБ.
Обратные отражения А>11>, А>22>, А>33> также определяются величиной коэффициента отражения от горцев волокон и от граней элементов. Наклон торцов волокон примерно на 70 и граней элементов примерно на 1 приводит к снижению обратных отражений до уровня 55...-60 дБ.
На основе предложенной структуры (см. рис. 3.2) изготавливаются и предлагаются потребителям одномодовые поляризационно-независимые ОЦ для диапазонов длин волн 1,3 и 1,55 мкм.
3.1.2.Возможные варианты применения оптических циркуляторов в оборудовании волоконно-оптических линий связи.
Первоначально ОЦ разрабатывался для применения в качестве одного из элементов оптического усилителя, позволяющего улучшить характеристики усилителя путем замены простых оптических ответвителей на ОЦ. Кроме того, использование ОЦ позволяет реализовать схему оптического усилителя, работающую в режиме "на отражение".

Рис.3.3
Схема волоконно-оптического усилителя отражательного типа, в котором используется оптический циркулятор, показана на рис.3.3. При такой схеме эффективность действия накачки в активном эрбиевом волокне увеличивается в два раза.
Применение ОЦ перспективно в измерительных системах, в частности, в рефлектометрах. Так, замена традиционного трехдецибельного направленного ответвителя на ОЦ в выпускаемых ГП "Дальняя связь" оптических рефлектометрах ОР-2-1 позволяет увеличить динамический диапазон примерно на 6 дБ, т. е. увеличить дальность действия прибора на 10-15 км в диапазоне 1,55 мкм. Однако более широкое применение ОЦ найдут в качестве элементов волоконно-оптического тракта. В частности, будучи включенными в волоконно-оптический тракт, они обеспечивают одновременную двунаправленную передачу по одному оптическому волокну.

Рис.3.4
Схема испытаний двух образцов ОЦ в составе комплектов аппаратуры ОТГ-32Е при двунаправленной передаче по одному оптическому волокну показана на рис.3.4 (длина волны А =1,55 мкм, скорость передачи В = 34 Мбит/с, ПОМ - передающий оптический модуль, ПРОМ - приемный оптический модуль, ОС - одномодовый оптический соединитель, Атт. - регулируемый одномодовый оптический аттенюатор, ОЦ - оптический циркулятор). Испытания, проведенные при одновременной встречной работе двух комплектов аппаратуры ОТГ-32Е, работающей со скоростью 34 Мбит/с, по одному волокну с включенными двумя ОЦ, показали, что при исходном энергетическом потенциале 32 дБ снижение последнего благодаря использованию ОЦ не превышает 4 дБ. Величина остающегося потенциала достаточна для обеспечения значительной дальности связи при двунаправленной передаче по одному волокну.
Необходимо отметить, что физические принципы работы ОЦ никак не ограничивают скорость передачи информации в создаваемом одноволоконном тракте. Такое техническое решение дает возможность отказаться в обоснованных случаях от прокладки дополнительных оптических кабелей при расширении сети или сохранить работоспособную сеть в условиях выхода из строя нескольких оптических волокон.
3.2.Выводы
Этот же принцип использования ОЦ позволяет достаточно просто решить ряд возникающих у операторов связи задач и дает возможность:
- организовать эффективное уплотнение волоконно-оптического кабеля при ограниченном числе свободных волокон;
- осуществлять контроль целостности волоконно-оптического тракта без перерыва связи с помощью измерения в обратном направлении уровня мощности оптического излучения от какого-либо источника излучения;
- создавать обратный управляющий канал в интерактивных системах кабельного телевидения в условиях, когда до абонента прокладывается лишь одно волокно;
- маскировать полезный оптический сигнал в оптическом волокне путем подачи в обратном направлении более мощного зашумляющего сигнала;
- передавать в обратном направлении сигнал от систем телеконтроля и сигнализации, что обеспечивает полную независимость работы таких систем от основного телекоммуникационного оборудования. Это может представлять особый интерес для операторов ведомственных сетей связи;
- передавать сигналы телевидения без дополнительного уплотнения и занятия групп телефонных каналов.
В заключение следует отметить, что организация одноволоконного тракта с помощью ОЦ существенно упрощает производство и эксплуатацию разъемов для полевых оптических кабелей.
4.Построение передающих и приемных устройств ВОСП ГТС.
4.1.1.Виды модуляции оптических колебаний.
Для передачи информации по оптическому волокну необходимо изменение параметров оптической несущей в зависимости от изменений исходного сигнала. Этот процесс называется модуляцией.
Существует три вида оптической модуляции:
Прямая модуляция. При этом модулирующий сигнал управляет интенсивностью (мощностью) оптической несущей. В результате мощность излучения изменяется по закону изменения модулирующего сигнала (рис.4.2).
Внешняя модуляция. В этом случае для изменения параметров несущей используют модуляторы, выполненные из материалов, показатель преломления которых зависит от воздействия либо электрического, либо магнитного, либо акустического полей. Изменяя исходными сигналами параметры этих полей, можно модулировать параметры оптической несущей (рис.4.1).
Внутренняя модуляция. В этом случае исходный сигнал управляет параметрами модулятора, введённого в резонатор лазера (рис.4.4).
Для внешней модуляции электрооптические (ЭОМ) и акустооптические (АОМ) модуляторы.
Принцип действия ЭОМ основан на электрооптическом эффекте – изменении показателя преломления ряда материалов под действием электрического поля. Эффект, когда показатель преломления линейно зависит от напряженности поля, называется эффектом Поккельса. Когда величина показателя преломления не линейно зависит от напряженности электрического поля, то это эффект Керра. Эффект Поккельса наблюдается в некоторых анизотропных кристаллах, когда эффект Керра в ряде жидкостей (нитроглицерине, сероуглероде).
Акустооптические модуляторы основаны на акустооптическом ЭФФЕКТЕ – изменении показателя преломления вещества под воздействием ультразвуковых волн. Ультразвуковые волны возбуждаются в веществе с помощью пъезокристалла, на который подается сигнал от генератора с малым выходным сопротивлением и большой акустической мощностью.
Наиболее простым с точки зрения реализации видом модуляции является прямая модуляция оптической несущей по интенсивности на основе полупроводникового источника излучения. На рис.4.3 представлена схема простейшего прямого модулятора. Здесь исходный сигнал через усилитель подаётся на базу транзистора V1, в коллектор которого включен излучатель V2. Устройство смещения позволяет выбрать рабочую точку на ватт-амперной характеристике излучателя. Именно прямая модуляция используется на городской телефонной сети в системах «Соната-2» и ИКМ-120.



4.1.2.Оптический передатчик
На рис.4.6 представлена структурная схема оптического передатчика (ОП) с прямой модуляцией несущей. Преобразователь кода ПК преобразует стыковой код, в код, используемый в линии, после чего сигнал поступает на модулятор. Схема оптического модулятора исполняется в виде передающего оптического модуля (ПОМ), который помимо модулятора содержит схемы стабилизации мощности и частоты излучения полупроводникового лазера или светоизлучающего диода. Здесь модулирующий сигнал через дифференциальный усилитель УС-1 поступает в прямой модулятор с излучателем (МОД). Модулированный оптический сигнал излучается в основное волокно ОВ-1. Для контроля мощности излучаемого оптического сигнала используется фотодиод (ФД), на который через вспомогательное волокно ОВ-2 подается часть излучаемого оптического сигнала. Напряжение на выходе фотодиода, отображающее все изменения оптической мощности излучателя, усиливается усилителем УС-2 и подается на инвертирующий вход усилителя УС-1. Таким образом, создается петля отрицательной обратной связи, охватывающая излучатель. Благодаря введению ООС обеспечивается стабилизация рабочей точки излучателя. При повышении температуры энергетическая характеристика лазерного диода смещается (рис.4.5), и при отключенных цепях стабилизации мощности уровень оптической мощности при передаче «0» (Р0) и при передаче «1» (Р1) уменьшаются, разность тока смещения Iб и порогового тока Iп увеличивается, а разность Р1-Р0 уменьшается. После времени установления переходных процессов в цепях стабилизации устанавливаются новые значения Iб и Iп и восстанавливаются прежние значения Р1-Р0 и Рср. Для уменьшения температурной зависимости порогового тока в передающем оптическом модуле имеется схема термокомпенсации (СТК), поддерживающая внутри ПОМ постоянную температуру с заданным отклонением от номинального значения. Современные микрохолодильники позволяют получать отклонения не более тысячных долей градуса.
4.1.3.Оптический приемник.
Структурная схема оптического приемника (ОПр) показана на рис.4.7. Приемник содержит фотодетектор (ФД) для преобразования оптического сигнала в электрический. Малошумящий усилитель (УС) для усиления полученного электрического сигнала до номинального уровня. Усиленный сигнал через фильтр (Ф), формирующий частотную характеристику приемника, обеспечивающую квазиоптимальный прием, поступает в устройство линейной коррекции (ЛК). В ЛК компенсируются частотные искажения электрической цепи на стыке фотодиода и первого транзистора усилителя. После преобразований сигнал поступает на вход решающего устройства (РУ), где под действием тактовых импульсов, поступающих от устройства выделения тактовой частоты (ВТЧ), принимается решение о принятом символе. На выходе оптического приёмника имеется преобразователь кода (ПК), преобразующий код линейный в стыковой код.



4.2.Выводы.
В главе рассмотрены основополагающие принципы построения волоконно-оптических систем передачи на городской телефонной сети.
На ГТС ВОСП используются для уплотнения соединительных линий, для которых характерна небольшая длина, что позволяет отказаться от оборудования регенераторов в колодцах телефонной канализации. Волоконно-оптические системы передачи ГТС строятся на базе стандартного каналообразующего оборудования ИКМ, что позволяет легко модернизировать существующие соединительные линии для работы по оптическому кабелю.
В качестве линейного кода ВОСП ГТС используется код CMI, который позволяет выделять последовательность тактовых импульсов, контролировать величину ошибки. Число одноименных следующих друг за другом символов не превышает двух – трех, что положительно сказывается на устойчивости работы ВОСП.
Практически во всех волоконно-оптических системах передачи, рассчитанных на широкое применение, в качестве источников излучения сейчас используются полупроводниковые светоизлучающие диоды и лазеры. Для них характерны в первую очередь малые габариты, что позволяет выполнять передающие оптические модули в интегральном исполнении. Кроме того, для полупроводниковых источников излучения характерны невысокая стоимость и простота обеспечения модуляции.
В качестве приемников излучения в волоконно-оптических систем передачи на ГТС применяются лавинные фотодиоды, достоинством которых является высокая чувствительность. Однако, при использовании лавинных фотодиодов нужна жесткая стабилизация напряжения источника питания и температурная стабилизация, поскольку коэффициент лавинного умножения, а следовательно фототок и чувствительность ЛФД, сильно зависит от напряжения и температуры.
Передача оптических сигналов в ВОСП на ГТС осуществляется в многомодовом режиме, поскольку соединительные линии относительно коротки и дисперсионные процессы в оптических волокнах незначительны. На сегодняшний день для городской телефонной сети используются кабели марки ОК имеющие четыре или восемь ступенчатых многомодовых волокон.
В ближайшие годы потребность в увеличении числа каналов будет расти. Наиболее доступным способом увеличения пропускной способности ВОСП в два раза является передача по одному оптическому волокну двух сигналов в противоположных направлениях. Сегодня на городских сетях связи находят применение одноволконные ВОСП с оптическими разветвителями и со спектральным разделением.
Принимая материалы обзора существующих методов передачи на волоконно-оптических системах передачи городских телефонных сетей за основу переходим к рассмотрению следующей главы.
5.Выбор и обоснование структурной схемы передатчика
5.1.Возможные методы построения структурных схем одноволоконных ВОСП.
Как упоминалось в предыдущей главе, на сетях связи находят широкое применение волоконнооптические системы передачи со спектральным разделением. Кроме того, на низких скоростях передачи до 140 Мбит\с, где наблюдается взаимодействие между противонаправленными сигналами из-за обратного рассеяния, могут быть эффективно использованы системы с разделением по времени.
Рассмотрим несколько методов и схем построения одноволоконных ВОСП различных типов и различного назначения.
5.1.1.ВОСП, на основе различных способов разветвления оптических сигналов.
Данная группа схем включает в себя овдноволоконные ВОСП с оптическими разветвителями, с оптическими циркуляторами, устройствами спектрального разделения, а также фильтрами разделения мод оптического излучения. На рисунке 5.2 показана схема оптической системы передачи с модуляцией сигнала по интенсивности, содержащая блоки оптического передатчика (ОП), оптического приемника (ОП) устройства соединения станционного и линейного кабеля (УССЛК), разъемные соединители (РС), устройства объединения и разветвления оптических сигналов (УОРС).
Оптический передатчик (ОП) содержит преобразователь кода (ПК), преобразующий стыковой код в код, используемый в линии; усилитель (УC), усиливающий электрический сигнал до уровня, необходимого для модуляции полупроводникового лазера (ПЛ); лазерный генератор (ЛГ), включающий в себя устройство термостабилизации и прямой модулятор; согласующие устройства (С) полупроводникового лазера с оптическим волокном.
Оптический приёмник (ОПр) содержит согласующие устройства (С) оптического волокна с фотодиодом; фотодетектор (ФД); малошумящий транзисторный усилитель (У); фильтр (Ф), формирующий частотную характеристику приёмника, обеспечивающую квазиоптимальный приём сигнала; устройство линейной коррекции (ЛК), компенсирующее частотные искажения электрической цепи на стыке фотодиода и первого транзистора усилителя; решающее устройство (РУ), устройство выделения тактовой частоты (ВТЧ) и преобразователь кода (ПК), преобразующий код линии в стыковой код.
УОРС, в зависимости от типа одноволоконной ВОСП, может представлять собой: оптический разветвитель или циркулятор при работе на одной оптической частоте в обоих направлениях; устройство спектрального разделения при работе на разных оптических частотах; модовый фильтр при работе на разных модах излучения оптического волокна.
С целью оценки основных характеристик одноволоконной ВОСП можно использовать приближенные соотношения для расчета длины регенерационного участка (РУ).
Максимальная длина РУ волоконноптической системы передачи данного типа определяется соотношением:
,
где
Эми – энергетический потенциал
одноволоконной ВОСП, дБ;
ов – затухание сигнала на одном километре оптического волокна, дБ/км;
уорс- то же, в устройстве объединения и разветвления сигналов, дБ;
усслк – то же, в УССЛК, дБ;
рс, нс – то же, в разъемных и неразъемных соединителях, дБ;
l
с
– строительная длина оптического
кабеля, км. При этом:
,где Эми’ – энергетический потенциал, дБ, ВОСП при отсутствии шума обратного рассеяния излучения в ОВ;
Ршор/Рш – доля шума обратного рассеяния в полном шуме на входе решающего устройства.
Р
ассчитаем
длину регенерационного участка
одноволоконной ВОСП первого типа при
следующих исходных данных: Эми=35 дБ,
Зэ=6 дБ, ов=1
дБ, нс=усслк=0.1
дБ, рс=1
дБ, lс=2
км. Так по формуле (2), при
использовании оптических разветвителей
с уорс=4дБ:
5.1.2.ВОСП, основанная на использовании разделения разнонаправленных сигналов по времени.
Во второй группе схем для разделения разнонаправленных сигналов по времени используются оптические разветвители, переключатели и оптические усилители (ОУ). В схеме одноволоконной ВОСП сигнала с модуляцией по интенсивности, в отличие от первой группы схем, вместо УОРС использованы устройства оптического переключения УОП (рисунок 5.1).
Будем рассматривать устройства оптического переключения двух вариантов – оптические переключатели (П) и соединение оптического разветвителя ОР с оптическим усилителем ОУ. Управляющий сигнал поступает в первом случае на управляющий вход переключателя, во втором – по цепи управления направлением оптической волны накачки ОУ.
Максимальная длина регенерационного участка для второй группы схем определяется соотношением:
,
где
уоп
– затухание сигнала в УОП, дБ;
Эми” – энергетический потенциал одноволоконной ВОСП, определяемый соотношениями:
Эми”=Эми’ при использовании оптических переключателей (Эми’–энергетический потенциал обычной ВОСП с учётом специального кодирования).
Эми”=Эми’-10lg(1+Ршоу/РШ) при использовании ОР с ОУ, где Ршор и Рш – мощности эквивалентного шума на входе оптического приемника и шума ОУ на его выходе, дБ.
Затухание сигнала в устройстве оптического переключения определяется соотношениями:
уоп=п при использовании оптического переключателя, где п – затухание сигнала в оптическом переключателе;
уоп=ор-Коу при использовании оптического разветвителя с оптическим усилителем, где Коу – коэффициент усиления ОУ, дБ.
Длина регенерационного участка l2 для приведённых выше значений параметров аппаратуры и использовании оптических переключателей (уоп=3.5дБ), согласно формуле (2.3), составляет:
Н
а
стоимость одноволоконной ВОСП второй
группы существенно влияет выбор типа
устройства оптического переключения,
особенно в случае использования
оптических усилителей. Надежность ВОСП
этой группы, в отличие от рассмотренной
выше, существенно зависит от надежности
УОП в случае применения оптического
усилителя, так как для накачки таких
усилителей применяются полупроводниковые
лазеры.
5.1.3.ВОСП на основе использования различных видов модуляции.
Третья группа схем одноволоконных ВОСП основана на использовании разных видов модуляции оптических и электрических сигналов и соответствующих методов обработки сигналов с целью устранения взаимного влияния разнонаправленных сигналов.
В схеме этой группы (рисунок 5.3) применены когерентные методы передачи и приема оптического сигнала, амплитудная (для одного направления передачи) и частотная (для другого направления) модуляция сигнала. В отличие от ВОСП первой группы (рисунок 5.1), оптические передатчики – когерентные (КОП) и содержат системы стабилизации оптической частоты и формирования узкой линии излучения (СЧУЛ) и блоки, обеспечивающие обработку сигналов с заданной модуляцией.

В когерентных оптических приемниках (КОПр) используется местный лазерный генератор (МЛГ) с узкой линией излучения и устройство автоматической подстройки его частоты (АПЧ), оптический сумматор (ОС), усилитель промежуточной частоты (УПЧ), а также демодулятор (ДМ), амплитудный или частотный, в зависимости от вида модуляции принимаемого сигнала. В такой схеме достигается максимальная длина регенерационного участка.
Кроме того возможна другая схема одноволоконной ВОСП третьей группы, в которой в одном направлении передачи использована модуляция по интенсивности, а в другом – когерентная модуляция (КОИ-АМ или КОИ-ЧМ) оптического сигнала.
На рисунке 5.4 приведена схема, в которой использована модуляция по интенсивности оптических сигналов электрическими сигналами, описываемыми ортогональными (на тактовом интервале) функциями. В отличие от ВОСП первой группы (рисунок 5.2), оптические передатчики таких систем содержат генераторы ортогональных сигналов (ГОС1 и ГОС2), а в оптических приёмниках использованы корреляционные демодуляторы (КДМ). Для подстройки генератора ГОС2 используется выделитель ортогонального сигнала (ВОС) и компаратор (КОМ).
Для передачи информационного сигнала может быть использована поднесущая частота, расположенная выше диапазона частот, где несущественно влияние обратного рассеяния в оптическом волокне на характеристики одноволоконной ВОСП (выше 200 Мгц). Таким образом, устраняется шум обратного рассеяния и тем самым повышается энергетический потенциал. В отличие от ВОСП первой группы, в данной системе используются генераторы поднесущей частоты, полосовые фильтры и устройства восстановления поднесущей частоты.
Максимальная длина регенерационного участка одноволоконной ВОСП третьей группы определяется выражением:
,

где:
n=11;22;33;
Э11’=Экои-ам, Э22’=Экои-чм, Э33’=Эми’ – энергетический потенциал когерентных ВОСП с амплитудной и частотной модуляцией и ВОСП с модуляцией по интенсивности.
В отличие от рассмотренных выше одноволоконных ВОСП первой и второй групп, системы данной группы могут быть несимметричными, а максимальные длины регенерационных участков для передачи в разных направлениях – различными. В частности Э11’больше Э33’ на 10..15 дБ, а Э22’ больше Э11’ на 3 дБ.
Длина регенерационного участка для направления передачи, где используется КОИ-АМ (Э11’=45дБ) и аппаратура, имеющая приведенные в пункте 2.1.1 параметры, составляет:
С
тоимость
когерентных полупроводниковых лазеров
и систем стабилизации частоты лазеров,
используемых в ВОСП третьей группы,
пока ещё высока, что в значительной
степени ограничивает область применения
одноволоконных ВОСП с использованием
когерентных методов передачи и обработки
сигнала. Показатели надежности
определяются главным образом надежностью
работы полупроводниковых лазеров и
систем стабилизации их частоты.
5.1.4.ВОСП с одним источником излучения.
В особых условиях эксплуатации могут быть использованы методы построения одноволоконных ВОСП по схеме на рисунке 5.5. В оптическом передатчике на одном конце линии вместо полупроводникового лазера используется модулятор отраженного излучения (МОИ), устройство снятия модуляции (УСМ) и оптический разветвитель с большим отношением мощности на выходах 1 и 2. Большая мощность поступает в МОИ, а меньшая – в оптический приёмник. В оптическом передатчике примятый сигнал подвергается модуляции вторым информационным сигналом и через УОРС поступает в оптический кабель и далее в оптический приёмник на другом конце линии.
Такие ВОСП могут быть использованы в экстремальных условиях эксплуатации на одном конце линии, так как полупроводниковые лазеры чрезвычайно чувствительны к нестабильности условий эксплуатации.
М
аксимальная
длина регенерационного участка
рассматриваемой одноволоконной ВОСП
значительно меньше, чем у систем,
описанных выше, и определяется
соотношением:
Где ор1, мои – соответственно затухание сигнала в ОР на выходе 1 и в МОИ, дБ.
Длина l4 для ор1=1 дБ, мои=3 дБ и приведенных в пункте 5.1.1 значений других параметров аппаратуры согласно формуле (2.6) составляет:
П
оказатели
надежности одноволоконной ВОСП в данном
случае определяются главным образом
надежностью оптоэлектронных элементов
оборудования, находящегося в экстремальных
условиях экплуатации.
5.2.Окончательный выбор структурной схемы передатчика.
5.2.1.Выбор способа организации одноволоконого оптического тракта.
При проектировании одноволоконных оптических систем передачи с оптимальными характеристиками выбор структурной схемы системы и используемых технических средств определяется критериями оптимальности. Если критерием является минимальная стоимость, то в оптимальной системе должны использоваться оптические разветвители. Максимальная длина регенерационного участка требует применения оптических циркуляторов, переключателей, оптических усилителей, когерентных методов передачи сигнала. Требования высокой надежности и стойкости к внешним воздействиям определяют выбор системы с оптическим источником на одном конце линии, а требование максимального объема передаваемой информации – системы со спектральным разделением или с когерентными методами передачи.
С учётом того, что проектируемый оптический передатчик предназначен для использования на соединительных линиях ГТС, для него характерны следующие критерии оптимальности:
Минимальная стоимость и простота реализации;
Длина регенерационного участка не менее 8 км;
Наилучшим вариантом реализации одноволоконной ВОСП, с точки зрения приведённых критериев оптимальности, является схема волоконооптической системы связи с модуляцией по интенсивности, с применением оптических циркуляторов. Данная схема отличается простотой реализации оптического передатчика и приемника, невысокой стоимостью устройств объединения и разветвления оптических сигналов (оптических циркуляторов). Схема обеспечивает длину регенерационного участка до 18 км, что удовлетворяет вышеприведённым критериям оптимальности.
5.2.2.Структурная схема оптического передатчика.
С
труктурная
схема оптического передатчика представлена
на рисунке 5.6. Сигнал в коде HDB
от цифровой системы разделения каналов
поступает на преобразователь кода (ПК),
в котором код HDB преобразуется
в линейный код оптической системы
передачи CMI. Полученный
электрический сигнал поступает на
усилитель (УС), состоящий из двух каскадов:
предварительного каскада усиления
(ПКУ) и оконечного каскада усиления
(ОКУ), где усиливается до уровня,
необходимого для модуляции оптической
несущей. Усиленный сигнал поступает на
прямой модулятор (МОД), состоящий из
устройства смещения (УСМ), служащего
для задания рабочей точки на ватт -
амперной характеристике излучателя
и, собственно, самого прямого модулятора,
собранного по классической схеме из
полупроводникового оптического
излучателя V1 и транзистора
V2. Для обеспечения
стабильности работы излучателя, в схему
лазерного генератора (ЛГ) введены
устройство обратной связи (УОС) и система
термостабилизации (СТС). С выхода
модулятора оптический сигнал,
промодулированный по интенсивности
цифровым электрическим сигналом в коде
CMI, поступает на устройство
согласования полупроводникового
излучателя с оптическим волокном (СУ).
5.3.Выводы
В данной главе производится выбор способа организации одноволоконного оптического тракта на основе критериев оптимальности и разработка структурной схемы оптического передатчика для выбранного способа построения ВОСП.
В главе приведены четыре группы схем построения одноволоконных ВОСП:
ВОСП, на основе различных способов разветвления оптических сигналов;
ВОСП, основанная на использовании разделения разнонаправленных сигналов по времени;
ВОСП, на основе использования различных видов модуляции;
ВОСП с одним источником излучения;
Наилучшим вариантом реализации одноволоконной ВОСП для соединительной сети ГТС является схема волоконооптической системы связи с модуляцией по интенсивности, с применением оптических разветвителей (рисунок 2.1). Данная схема отличается простотой реализации оптического передатчика и приемника, невысокой стоимостью устройств объединения и разветвления оптических сигналов (оптических разветвителей). Схема обеспечивает длину регенерационного участка до 18 км. Данная схема наилучшим образом удовлетворяет требованиям, предъявляемым к проектируемому оптическому передатчику:
Минимальная стоимость и простота реализации;
Длина регенерационного участка не менее 8 км;
На рис. 3.6 приведена соответствующая структурная схема оптического передатчика. В следующей главе, на основании структурной схемы передатчика, будет разрабатываться его принципиальная схема и электрический расчет основных узлов.
6.Составление и расчёт принципиальной схемы
6.1.Общие соображения по расчёту принципиальной схемы устройства
Первым этапом при проектировании принципиальной схемы передающего устройства ВОСП является выбор типа и марки оптического излучателя исходя из предъявляемых к его техническим характеристикам требований. К основным техническим характеристикам излучателей относятся:
мощность излучения;
длина волны излучения;
ширина спектра излучения;
частота модуляции;
ток накачки;
пороговый ток.
Для правильного выбора оптического излучателя в первую очередь следует задаться верным значением мощности излучения. Для этого необходимо определить требуемую оптическую мощность на выходе оптического передающего устройства. Окончательное решение о выборе той или иной марки излучателя принимается на основании соответствия технических характеристик прибора требуемой длине волны излучения, ширине спектра излучения и времени нарастания мощности оптического сигнала.
Вторым этапом является выбор транзистора V2 в схеме прямого модулятора (МОД) и расчёт модулятора (Рисунок 6.1). Транзистор вбирают исходя из характеристик определённого на предыдущем этапе оптического излучателя, а именно тока накачки и порогового тока. При этом необходимо учитывать максимально допустимую мощность транзистора и его граничную частоту. Затем задаётся рабочая точка и производится расчёт элементов схемы модулятора.
На третьем этапе необходимо рассчитать согласующий усилитель(СУС). Здесь представляется целесообразным использование быстродействующего операционного усилителя, включенного по схеме преобразователя напряжение – ток (рисунок 6.1). Требуется правильно выбрать тип операционного усилителя в соответствии с требуемой верхней частотой и рассеиваемой мощностью, а также рассчитать элементы схемы преобразователя напряжение – ток.
Ч
етвёртый
этап – организация устройства
автоматической регулировки уровня
оптического сигнала на выходе передающего
устройства (АРУ). Для этого будет
использоваться фотодиод V3,
подключенный к одному из полюсов
направленного оптического ответвителя
ОР и детектор АРУ, выполненный на
интегральной схеме К175ДА1 (рисунок 6.1).
6.2.Расчёт мощности излучения передатчика и выбор типа излучателя
З
начение
разности мощности на выходе оптического
излучателя и на входе оптического
приёмника должно превышать максимальное
затухание, вносимое станционными и
линейными сооружениями на участке
передатчик – приёмник. Существующие в
настоящее время приёмные оптические
модули обеспечивают достаточно низкий
уровень приёма. Приёмное устройство
системы «Соната 2» обеспечивает уровень
приёма 10‾²мкВт
(-50дБ), в дальнейшем, для расчётов,
будем использовать это значение как
типовое.
Для проектируемой одноволоконной системы связи затухание участка составит:
,где l=8 км - длина участка;
ов=5 дБ/км - затухание сигнала на одном километре оптического волокна;
уорс=2 дБ - то же, в устройстве объединения и разветвления сигналов;
усслк=1 дБ - то же, в устройстве УССЛК;
рс=1 дБ, нс=0.5 дБ - то же, в разъемных и неразъемных соединителях;
l
с=1
км - строительная длина оптического
кабеля.
Т
огда
минимальный уровень мощности:
И
ли:
,где Pпр=-50 дБ – уровень оптического сигнала на приёме.
То есть мощность излучения на выходе передающего модуля должна быть не менее 1.5 мвт. Кроме того, источник излучения должен работать на длине волны 1.3 и 1.55 мкм и обеспечивать частоту модуляции не менее 8.5 МГц. Принимая во внимание вышесказанное, остановимся на выборе полупроводникового лазерного излучателя ИДЛ 5С-1300, структуры MOCVD выпускаемого НИИ «Полюс». Его технические характеристики:
Длина волны 1270 – 1300 Нм
Мощность излучения Р: 5 мВт
Ток накачки Iн: 50 мА
Рабочее напряжение Uр: 1,5 В
Пороговый ток In : 30 мА
Расходимость пучка: 200 - 350
Ширина спектра: 3 нм
Диапазон рабочих температур: -400 - +600 С.
6.3.Выбор транзистора и расчёт сопротивлений в схеме прямого модулятора
При выборе транзистора будем руководствоваться следующими требованиями к его техническим характеристикам:
Постоянный ток коллектора не менее 120 мА;
Частота среза не менее 8.5 МГц;
Приведённым требованиям удовлетворяет кремниевый n-p-n транзистор КТ660Б. Данный транзистор предназначен для применения в переключающих и импульсных устройствах, в цепях вычислительных машин, в генераторах электрических колебаний и имеет следующие электрические параметры:
Статический коэффициент передачи h21э тока в схеме ОЭ при Uкб=10 В, Iэ=2 мА: h21эмин = 200, h21эмакс = 450;
Напряжение насыщения коллектор – эмиттер Uкэнас при Iк=500 мА, Iб=50 мА, не более: 0.5 В;
Напряжение насыщения коллектор – эмиттер Uкэнас’ при Iк=10 мА, Iб=1 мА, не более: 0.035 В;
Напряжение насыщения база – эмиттер Uбэнас при Iк=500 мА, Iб=50 мА, не более: 1.2 В;
Ёмкость коллекторного перехода Ск при Uкб=10 В, не более: 10 пФ;
Обратный ток коллектора Uкобр при Uкб=10 В, не более: 1 мкА;
Обратный ток эмиттера Uэобр при Uбэ=4 В, не более: 0.5 мкА;
Предельные эксплуатационные данные:
Постоянное напряжение коллектор – база Uкбmax: 30 В;
Постоянное напряжение коллектор – эмиттер Uкэmax при Rбэ<1 кОм: 30 В;
Постоянное напряжение коллектор–эмиттер Uкэmax при Iэ10мА: 25 В
Постоянное напряжение база–эмиттер Uбэmax: 5 В;
Постоянный ток коллектора Iкmax: 800 мА;
Постоянная рассеиваемая мощность коллектора Pmax: 0.5 Вт.
Далее зададим режим работы транзистора (рабочую точку). Для выбора режима используется семейство выходных характеристик транзистора для схемы с общим эмиттером, параметром которых является ток базы. При этом должно выполняться следующее условие для напряжения покоя коллектора: Uкэо 0.45Uкmax. Пусть (с учётом приведённого условия) Uкэо=6 В. Поскольку для модуляции полупроводникового лазера необходим пороговый ток 40 мА, то Iко=40 мА, тогда ток покоя базы Iбо=0.135 мА. Поскольку максимальный ток накачки лазера 120 мА, то максимальный ток коллектора составит Iкм=120 мА, тогда Uкэм=1.7 В и Iбм=0.47 мА. По входным характеристикам транзистора определим напряжение базы покоя Uбо=0.71 В и Амплитудное значение Uбм=0.74 В.
Таким образом, режим работы транзистора определяется следующими параметрами:
напряжение покоя коллектора: Uкэо=6 В;
ток покоя коллектора: Iко=40 мА;
ток покоя базы: Iбо=0.135 мА;
напряжение покоя базы: Uбо=0.71 В;
Амплитуда тока базы: Iбм=0.47 мА;
Амплитуда напряжения на коллекторе: Uкэм=1.7 В;
Амплитуда тока коллектора: Iкм=120 мА;
Амплитуда напряжения на базе: Uбм=0.74 В.
Задав режим работы транзистора, переходим к расчету элементов схемы модулятора (рисунок 6.4). Здесь транзистор включен по схеме с общим эмиттером, а полупроводниковый лазер находится в цепи коллектора.

П
адение
напряжения в эмиттерной цепи должно
удовлетворять условию:
где Еп – напряжение питания модулятора.
Зададимся стандартным напряжением питания Еп=12 В, тогда:
Сопротивление Rэ рассчитывается по формуле:
Т
ок
делителя Iд должен не
менее, чем в шесть раз превосходить ток
покоя базы Iбо:
Соотношение между напряжением на эмиттерном сопротивлении и сопротивлении фильтра можно распределить по-разному. Для обеспечения более глубокой стабилизациирежима лучше взять URэ ≥ Uф.
П
усть:
Т
огда
сопротивление фильтра определяется
следующим образом:
П
адение
напряжения на сопротивлении делителя
Rб’’ равно
сумме падения напряжения на сопротивлении
в цепи эмиттера и напряжении смещения
на базе транзистора:
Тогда сопротивление делителя Rб’’:
Аналогично найдём сопротивление Rб’:
Д
ля
схемы с эмиттерной стабилизацией
напряжение питания распределяется
между тремя резисторами выходной цепи
(Rэ, Rк, Rф),
лазерным излучателем и транзистором:
,где Uд = 2 В – падение напряжения на полупроводниковом лазере;
URф – падение напряжения на сопротивлении в цепи коллектора.
О
сюда:
Тогда сопротивление в цепи коллектора равно:
6.4.Расчет согласующего усилителя
Здесь в качестве усилительного элемента предполагается использовать быстродействующий операционный усилитель, включенный по схеме преобразователя напряжение – ток (известной так же в качестве усилителя с комплексной крутизной передачи). Схема согласующего усилителя представлена на рисунке 6.1 (функциональная группа СУС). Резистор R5, отбирающий ток, предназначен для обеспечения обратной связи на положительный входной зажим.
З
начение
сопротивления R5, определяется
исходя из следующего условия:
,где Rн – сопротивление нагрузки усилителя.
Сопротивлением нагрузки усилителя
является входное сопротивление прямого
модулятора и равно параллельному
соединению сопротивлений делителя Rд
(из двух параллельно соединённых
сопротивлений в цепи базы R
б’
и Rб’’) и
входного сопротивления транзистора
Rвхэ.
С
опротивление
входа транзистора определяется следующим
соотношением:

Сопротивление
делителя:
Т
огда
сопротивление нагрузки усилителя равно:
Т
аким
образом, сопротивление R5:
А
мплитудное
значение падения напряжения на
сопротивлении R5:
Требуемый от схемы коэффициент усиления равен отношению амплитуды выходного напряжения (напряжение ΔUR5) к амплитуде входного напряжения. Поскольку на вход согласующего усилителя сигнал поступает с преобразователя кода, собранного на микросхемах серии ТТЛ с уровнями логического нуля и единицы соответственно 0.7 и 5 В, то амплитуда входного сигнала составит ΔUвх=5-0.7=4.3 В.
Т
огда
коэффициент усиления схемы сотавит:
Обычно номиналы резисторов R1, R3 и R4 выбираются одинаковыми, при этом каждый из них должен превышать сопротивление R5 не менее чем в 20 раз.
П
римем
в соответствии с этим условием следующие
значения сопротивлений:
С
опротивление
R2 задаёт коэффициент
усиления схемы и определяется следующим
образом:
В настоящее время создан ряд быстродействующих операционных усилителей (ОУ). Наилучшими качествами с точки зрения автора обладает операционный усилитель КР140УД11. Данный прибор выполнен по планарно-эпитаксиальной технологии с изолированным p-n переходом, имеет скорость нарастания выходного напряжения 50 В/мкс и частоту единичного усиления 15 МГц. Кроме того, за счёт оригинальной схемы ОУ отличается высокой стабильностью параметров во всём диапазоне питающих напряжений от ±5 до ±16 В.
Быстродействующие усилители менее устойчивы по сравнению с универсальными ОУ, поэтому для предотвращения генерации с схеме необходимо уменьшить паразитную ёмкость между выходом ОУ и его инвертирующим входом. Для уменьшения указанной ёмкости применяют внешние цепи коррекции, состав которых зависит от задачи, которую решает операционный усилитель. В нашем случае будем использовать стандартную схему частотной коррекции, предназначенную для увеличения скорости нарастания выходного напряжения.
6.5.Расчет устройства автоматической регулировки уровня оптического сигнала
Устройство автоматической регулировки уровня оптического сигнала на выходе передающего устройства должно обеспечивать стабилизацию средней мощности лазерного излучения. Устройство АРУ включает в себя следующие основные элементы (функциональная группа АРУ на рис.6.1):
Фотодиод для преобразования оптического излучения, поступающего с выхода лазерного излучателя, в электрический ток.
Детектор автоматической регулировки уровня и усилитель постоянного тока, выполненный на интегральной микросхеме.
Следует обратить внимание на то, что чувствительность фотодиода в данном случае роли не играет, по этому при выборе типа фотодиода будем руководствоваться такими параметрами как надёжность и низкая стоимость. В соответствии с приведёнными требованиями в схеме АРУ предполагается использование p-i-n фотодиода, поскольку данный тип фотодиодов обладает наивысшей температурной стабильностью, невысокой стоимостью и требует низкого напряжения питания. Поскольку фотодиод отечественного производства ФД-227 обладает относительно невысокими качественными показателями, следовательно, имеет меньшую стоимость, то имеет смысл для построения устройства АРУ использовать именно данный фотодиод.

Рассчитаем
среднее значение напряжения, поступающего
на вход детектора АРУ. Для этого определим
среднюю оптическую мощность, попадающую
на фотодиод:
,где Рпер = 2,43 дБ – средняя мощность оптического сигнала на выходе излучателя;
уорс = 2 дБ – затухание оптического разветвителя.
Т
огда
фототок, протекающий в цепи ФД под
действием Р>фд>:
,где S = 0.3 А/Вт – монохроматическая токовая чувствительность используемого фотодиода.
С
реднее
значение напряжения на входе микросхемы
равно среднему значению падения
напряжения на сопротивлении Rфд
в цепи фотодиода:
,где R>ару> = 200 Ом.
В качестве детектора АРУ и усилителя постоянного тока предполагается использование интегральной схемы К175ДА1. Её основные характеристики:
Напряжение питания: Uп = 6 В;
Коэффициент передачи АРУ: Кару = 20
Верхняя граничная частота: Fв = 65 МГц.
З
начение
напряжения на выходе микросхемы:
Д
алее
рассчитаем сопротивление в цепи эмиттера
Rэ’’, служащее для введения
напряжения обратной связи, поступающего
с устройства АРУ. Для этого зададимся
глубиной обратной связи 10 дБ (Fос
= 3), и определим сквозную крутизну
эмиттерного тока S>э>:
,где
- среднее значение статического
коэффициента передачи транзистора.
Тогда сопротивление в цепи эмиттера:

С
ледовательно:
П
усть
падение напряжения на сопротивлении
фильтра URф1 = 1.2 В, тогда
значение напряжения АРУ Uару
на сопротивлении Rэ’’:
Д

ля
сохранения ранее рассчитанного режима
работы транзистора при введении АРУ
необходимо уменьшить величину
сопротивления Rэ’’:
Тогда:
С
опротивление
фильтра Rф1 равно:
6.6.Расчёт ёмкостей в схеме оптического передающего устройства
6.6.1.Расчёт эмиттерной ёмкости
Ёмкость эмиттера Сэ определяется значением сквозной крутизны эмиттерного тока и периодом повторения импульсов в информационном сигнале. Поскольку скорость передачи проектируемого устройства 8.5Мбит/с, то частота HDB сигнала на входе преобразователя кода FHDB=8.5МГц. Поскольку в линейном коде СМI длительность импульсов в два раза короче, чем в HDB сигнале, то частота модулирующего сигнала FCMI=8.52=17 МГц.
Отсюда
период следования импульсов:
.
Т
огда
ёмкость эмиттера:
6.6.2.Расчёт разделительной ёмкости
Разделительная ёмкость Ср должна
вносить минимальные искажения во фронт
импульсов. Для этого постоянная времени
цепи должна удовлетворять условию [2]:

,где и = T = 59 нс – длительность импульса (для сигнала CMI равна периоду сигнала).
Т
огда
значение разделительной ёмкости:
,где Rн – сопротивление нагрузки согласующего усилителя (входное сопротивление прямого модулятора).
R
выхсус
– выходное сопротивление согласующего
усилителя:
,где Rвыхоу = 300 Ом – выходное сопротивление операционного усилителя.
6.6.3.Расчёт ёмкостей фильтров
Ё
мкость
фильтра в цепи модулятора Сф определим
по формуле:
,где ф = 10% - подъём плоской вершины импульса.
З
начение
ёмкости фильтра в цепи АРУ найдем по
следующей формуле:
,где Fн = FCMI/10000 = 850 Гц – частота среза фильтра.
6.7.Выводы
Далее номиналы резисторов и конденсаторов схемы определяются в соответствии с существующими стандартными номиналами, выпускаемыми промышленностью.
Таким образом, в схеме модулятора имеем следующие номиналы резисторов:
Rб’ = 5.6 КОм;
Rб” = 1.8 КОм;
Rэ’ = 33 Ом;
Rэ’’ = 10 Ом;
Rк = 33 Ом;
Rф = 22 Ом.
В схеме согласующего усилителя:
R1 = R3 = R4 = 180 Ком;
R2 = 120 Ом;
R5 = 10 Ом.
В схеме устройства АРУ:
Rфд = 220 Ом;
Rф1 = 22 Ом;
Номиналы конденсаторов:
Сэ = 0.068 мкФ;
Ср = 10 пФ;
Сф = 0.022 мкФ;
Сф1 = 100 мкФ.
Окончательный вариант принципиальной схемы оптического передающего устройства приведён на рисунке 3.5.
В схеме применён лазерный излучатель ИДЛ 5С-1300, работающий на длине волны 1270 - 1300 нм и имеющий выходную оптическую мощность излучения 5 мВт. В схеме прямого модулятора применён кремниевый n-p-n транзистор КТ660Б, предназначенный для применения в переключающих и импульсных устройствах. Для согласования выхода преобразователя кода и входа модулятора введён согласующий усилитель на быстродействующем операционном усилителе КР140УД11. Для стабилизации средней мощности лазерного излучения введено устройство автоматической регулировки уровня оптического сигнала, включающее в себя p-i-n фотодиод ФД-227 и интегральную схему К175ДА1, используемую в качестве детектора АРУ и усилителя постоянного тока.
Разработанное передающее устройство рассчитано на работу в составе цифровых многоканальных систем передачи, работающих со скоростью 8 Мбит/с и предназначенных для работы на соединительных линиях ГТС.
7.Организация и этапы проектирования ВОЛП
Под волоконно-оптической линией передачи (ВОЛП) понимается совокупность физических цепей, линейных трактов однотипных или разнотипных систем передачи, имеющих общие среду распространения (ОК), линейные сооружения и устройства их технического обслуживания. Документом, на основании которого ведутся проектные работы, является техническое задание (ТЗ) на проектирование, разрабатываемое заказчиком (организацией, ведомством, министерством, заинтересованными в создании ВОЛП) и предоставляемое соответствующей проектной организации (подрядчиком).
Содержание ТЗ включает в себя:
-основание для проектирования и назначение ВОЛП ее место в общегосударственной сети связи (местные, внутризоновые, магистральные);
-перспективы развития;
-описание оконечных и промежуточных пунктов, которые связываются различными каналами связи, а также пунктов, где рассматриваются выделение и ввод каналов связи различного назначения;
-предварительное распределение числа каналов, предназначенных для передачи различного вида сообщений: телефонных, телеграфных, передачи данных, вещания, телевидения и другие рекомендации по использованию типового каналообразующего, оборудования, системы передачи, типа кабеля и источника их поставки;
-информацию о существующих сооружениях связи на вероятной трассе и возможностях их использования для проектируемой ВОЛП;
-информацию об организациях, ведомствах и министерствах, заинтересованных в строительстве проектируемой ВОЛП;
-описание условий эксплуатации будущих сооружений ВОЛП, требований к показателям надежности;
-указания о сроках и очередности строительства и возможных путях финансирования;
-стадийность проектирования, состав, содержание и число экземпляров проектно-сметной документации (ПСД).
Для технологического процесса проектирования и установлены некоторые общие положения:
Последовательность проектирования, реализующая принцип «от общего к частному». Сначала решаются вопросы экономической целесообразности проектирования, производственно-хозяйственной и социальной его необходимости, научно-технической возможности. Далее принимаются основные объемно-планировочные, технологические, конструктивные и другие решения с их детализацией в конкретных разделах ПСД.
Вариантность (оптимизация) проектирования - сравнение и оптимизация технико-экономических показателей нескольких вариантов и выбор варианта, обеспечивающего максимальный эффект при минимуме затрат.
Использование типовых проектов, обеспечивающее максимальное использование типовых решений с привязкой их к конкретному проектируемому сооружению с целью снижения затрат и трудоемкости проектирования, повышения качества проектных работ т.е. технико-экономических показателей, по сравнению с индивидуальными проектами.
Комплексность проектирования, т.е. учет самых различных факторов и одновременное, взаимоувязанное принятие проектных решений по всем объектам будущего строительства Комплексность достигается системным подходом к проектированию.
Решение о целесообразности и возможности сооружений ВОЛП принимается на основе технике экономического обоснования (ТЭО). Основанием для разработки ТЭО является ТЗ. Решения, принятые на этапе ТЭО, оформляются в виде пояснительной записки, которая имеет следующие разделы:
Введение, где отражены цели и задачи строительства, основные положения ТЗ на разработку ТЭО.
Исходные данные, анализ состояния и перспективы развития связи в районе строительства ВОЛП.
Обоснование выбора типа систем передачи, их числа на основе определения числа каналов для передачи различного вида сообщений.
Разработка схемы организации связи, включающей в себя анализ вариантов прохождения трассы и ее выбор, выбор мест размещения ОРП и НРП, сетевых узлов связи, обеспечение связью населенных пунктов, расположенных по трассе.
Основные технологические решения, где отражены ситуационная схема трассы, ее географические, метеорологические и геологические особенности, наличие ЛЭП и электрифицированных железных дорог, внешних коммуникаций и инженерных сетей; дается анализ условий эксплуатации оборудования ВОЛП и др.
Основные строительные решения, где указываются объемы и типы станционных сооружений, вспомогательных технических зданий, возможности использования типовых проектов.
Организация строительства, включающая в себя состав, объем и содержание проектной документации, сроки поставки оборудования, рекомендации по очередности ввода пусковых объектов.
Себестоимость строительства, с указанием намечаемых размеров капиталовложений по различным альтернативным вариантам и основных технико-экономических показателей, определяемых по укрупненным показателям.
Выводы и предложения - сравнительная оценка вариантов, рекомендации по стадийности проектирования, основные требования по выполнению изыскательских, опытно-конструкторских и исследовательских работ. После разработки ТЭО подвергается экспертизе и утверждается соответствующими организациями.
Проектирование сооружений связи осуществляется в одну стадию (одностадийное проектирование) в случае наличия типовых или повторно применяемых проектов и технически несложных объектов. Для других объектов используется двухстадийное проектирование. Стадийность разработки ПСД устанавливается заказчиком в задании на проектирование. Основными элементами ПСД при одностадийном проектировании являются технорабочий проект, включающий в себя основные разделы ТЭО, рабочие чертежи и сводный сметный расчет. При двухстадийном проектировании на первой стадии разрабатывается технический проект, содержащий ряд обязательных разделов, аналогичных ТЭО, и сводный сметный расчет стоимости строительства. После утверждения технического проекта на второй стадии разрабатывается рабочая документация, содержащая рабочие чертежи и сметы.
Разработка ПСД требует проведения комплекса изыскательских работ, которые подразделяются на экономические и технические (инженерные). Экономические изыскания проводятся с целью изучения экономики района будущего строительства, получения информации о действующих сооружениях связи, их развитии, о материально-техническом обеспечении намечаемого строительства. Технические инженерные изыскания проводятся для изучения топографических, геологических и других природных условий в районе предполагаемого строительства.
Учитывая непрерывное совершенствование элементной базы ВОСП, их практически полное обновление через каждые 5 лет, сложность и большие затраты при реконструкции ВОЛП, принята следующая последовательность проектных работ:
/ этап. Согласно определенному в ТЗ числу каналов для передачи различных видов сообщений, требований к качеству передачи и анализа существующей и разрабатываемой элементной базы ВОСП осуществляются выборы каналообразующего оборудования, типа волоконно-оптического кабеля, источника оптического излучения, вида модуляции, приемника оптического излучения.
// этап. В соответствии с ТЗ разрабатывается схема организации связи, основным элементом которой является анализ топологии построения региональной сети на основе проектируемой ВОСП; осуществляется выбор вариантов трасс.
/// этап. На основе технических данных компонентов ВОСП, выбранных на первом этапе определяются параметры линейных трактов ВОСП: ширина полосы пропускания, или широкополосность, число ретрансляторов, длина ретрансляционного участка, а также исследуется возможность передачи различных сигналов по различным световодам. На этом этапе обязательна многовариантность в выборе компонентов ВОСП на основе технико-экономического сравнения.
IV этап. Анализ реакции системы на отклонения параметров ее структурных элементов. В результате устанавливается предпочтительный диапазон технических характеристик элементов ВОСП, удовлетворяющих эксплуатационным требованиям в рамках достижимой технологии и заданной стоимости.
V этап. Анализ системных требований, связанных с условиями прокладки, монтажа и эксплуатации ВОСП, на основании которого производится выбор конструкций ОК, передающего и приемного оптических модулей и других элементов системы, способа электропитания, различного вида служебных связей, систем телеконтроля, телесигнализации и телемеханики.
VI этап. Расчет технико-экономических показателей различных вариантов, их сравнение и выбор оптимального по конкретным критериям.
Необходимо отметить, что разделение технологического процесса проектирования на этапы условно и возможно частичное или полное объединение работ на различных этапах в один, особенно когда речь идет об оптимизации тех или иных проектных решений.
По характеру и степени участия человека, применения вычислительной техники при разработке ПСД различают следующие режимы проектирования:
-автоматический, при котором проектирование ведется по формальным алгоритмам на ЭВМ без вмешательства человека;
-автоматизированный, при котором проектирование частично выполняется автоматически, а частично—с использованием ЭВМ;
-диалоговый, более совершенный режим, когда все процедуры проектирования выполняются с помощью ЭВМ, а участие человека заключается в оперативной оценке результатов проектирования и их коррекции;
-автоматизированный совместно с диалоговым. Это более совершенный режим проектирования.
8.Перспективы развития волоконно-оптической связи
Основные достоинства ВОЛС и некоторые области их использования перечислены на рис. 8.1.
Для систем связи существенными являются показатели 1—5, для автоматизированных систем управления и ЭВМ—показатели 1—3. Мобильные подвижные системы требуют в первую очередь обеспечения показателей 1,2,6.
О
бласть
возможных применений ВОЛС весьма широка
— от линий внутригородской связи и
бортовых комплексов до систем связи на
большие расстояния с высокой информационной
емкостью. На основе оптической
волоконной связи могут быть созданы
принципиально новые системы передачи
информации, а также существенно
улучшены и удешевлены существующие
системы.
Рис 8.1. Основные достоинства и
главные области применения ВОЛС
Весьма перспективно применение оптических систем в кабельном телевидении, которое обеспечивает высокое качество изображения и существенно расширяет возможности информационного обслуживания индивидуальных абонентов. В этом случае обеспечивается заказная система приема и предоставляется возможность абонентам получать на экранах своих телевизоров изображения газетных полос, журнальных страниц и справочных данных из библиотек, учебных центров, специальных центров хранения информации. Развитие получит видеотелефонная связь, при которой абоненты смогут не только слышать, но и видеть друг друга. Перспективной областью применения ВОЛС является высокоскоростная связь внутри мощных ЭВМ, между ЭВМ и терминалами, а также между отдельными ЭВМ на расстоянии от нескольких метров до десятка километров.
Представляет интерес применение ВОЛС в системах управления производственными процессами в условиях повышенной опасности для здоровья человека (например, на атомных электростанциях, химических предприятиях), а также в условиях сильных электромагнитных помех, возникающих при включении и выключении силовых кабелей, сильноточных реле и т. д.
Высокая помехозащищенность, скрытность передачи, малая масса и небольшие габаритные размеры особенно важны при использовании ВОЛС в бортовой радиоэлектронной аппаратуре самолетов, танков, кораблей и подводных лодок.
Первые ВОЛС использовали длину волны 0,8...0,9 мкм и были разработаны на многомодовых волокнах. В настоящее время получили развитие более длинные волны 1,3...1,6 мкм и одномодовые волокна. Потери в оптических волокнах при этом снижаются до 0,2... 0,5 дБ/км, что позволяет увеличить длину регенерационного участка в линии связи до 50…80 км. Это дает возможность использовать ОК в междугородней связи, так как исключается потребность в дистанционном электропитании линейных регенераторов и упрощается конструкция кабеля (не нужны медные жилы для дистанционного питания НУП).
За последнее время появилось новое направление в развитии волоконно-оптической техники — использование среднего инфракрасного диапазона волн 2 ... 10 мкм. Ожидается, что потери в этом диапазоне не будут превышать 0,2 дБ/км. Это позволит осуществить связь на большие расстояния с участками регенерации до 100 км. Исследование фтористых и халькогенидных стекол с добавками циркония, бария, а также других соединений, обладающих сверхпрозрачностью в инфракрасном диапазоне волн, позволит еще больше увеличить длину регенерационного участка.
Следует отметить, что если раньше в основном применялись ступенчатые многомодовые волокна, то сейчас развитие идет по пути внедрения градиентных и одномодовых волокон. Изготовление последних сложнее (диаметр сердечника 6... 8 мм), однако они обладают широкой информационно-пропускной способностью и дальностью передачи. Оптические кабели с одномодовыми волокнами получили развитие на междугородных линиях связи большой протяженности и на подводных магистралях.
9.Контрольно-измерительная аппаратура, применяемая при строительстве ВОСП
В соответствии с нормативными материалами по проектированию НП. 132-4-91 для линейно-кабельных сооружений связи на базе ВОЛС предусматривается перечень измерительных приборов (табл. 9.2) для оснащения кабельных участков (КУ) и линейно-технических цехов (ЛТЦ).
К основным средствам измерения ВОЛС следует отнести источники оптического излучения, ваттметры оптической поглощаемой мощности, комплекты для измерения затухания оптических сигналов и оптические рефлектометры.
В качестве образцовых для поверки и аттестации средств измерений ВОЛС используются следующие приборы:
1. Ваттметр оптический образцовый ОМЗ-100, предназначенный для поверки средств измерений средней мощности оптического излучения. Основные технические характеристики прибора:
Диапазон измерения мощности, Вт, на длине волны, мкм:
0,6 … 1 10-9 … 10-2
1 … 1,6 10-8 … 10-2
Погрешность измерения, %:
относительных уровней мощности 1,5
средней мощности на длине волны калибровки 4
во всем спектральном диапазоне 9
2. Образцовый оптический преобразователь 2901, отличающийся высоким быстродействием, малыми размерами и массой. Его основные технические характеристики:
Диапазон длин волн, мкм 1 … 1,6
Чувствительность, А/Вт, на длине волны 1,3 мкм 0,5
Время нарастания переходной характеристики, нс, не более 0,05
Напряжение питания от батареи, Вт 1 5
3. Образцовое средство измерений средней мощности малых уровней (ОСИ СМ-М), предназначенное для поверки и высокоточных измерений средней мощности оптического излучения в ВОСП. Содержит два фотоприемных блока соответственно с кремниевым (=0,85 мкм) и германиевым (==1,3 мкм) фотодиодами, а также блок регистрации и представления информации. Его основные технические характеристики:
Длина волны излучения, мкм 0,85; 1,3
Диапазон средней мощности, Вт 10-8 … 10-1
Основная погрешность, %:
на длине волны калибровки 5
в диапазоне длин волн 8
измерений относительных уровней мощности 2
4. Оптический эхогенератор предназначен для поверки и аттестации оптических рефлектометров, работающих методом обратного рассеяния. Вырабатывает в ответ на зондирующий импульс поверяемого рефлектометра пару «эталонных» импульсов с задаваемыми с высокой точностью временными интервалами и перепадами амплитуд между ними, что позволяет моделировать прохождение излучения по световоду.
Его технические характеристики:
Длина волны излучения, мкм 0,85; 1,3
Длительность генерируемых парных импульсов, нс,
в режиме:
временных интервалов 10, 25, 50, 100
ослабления мощности 4000
Диапазон воспроизводимых временных интервалов, с 10-7 … 10-3
Погрешность воспроизведения
временных интервалов, нс 1
Динамический диапазон
воспроизведения ослаблений, дБ 0,5..30
Погрешность воспроизведения ослабления, дБ 0,1... 0,2
К вспомогательным средствам для производства измерений в первую очередь следует отнести устройства для подключения 0В к средствам измерения. С этой целью используются разъемные оптические соединители. Основные характеристики наиболее широко используемых соединителей приведены в табл. 9.1.
Для подключения неоконцованных 0В используются адаптеры, в том числе адаптеры-вилки быстрого оконцевания, совместимые со стандартными разъемными оптическими соединителями «Лист-1-Булава», «Лист-Х», FS (“Левша”), SMA.
Таблица 9.1
|
Наименование |
Диаметр наконечника, мм |
Тип 0В |
Резьба присоединительной гайки |
Вносимые потери, дБм |
|
«Лист-1-Булава» «Лист-Х» SMA 905 FS («Левша») |
2,5 2,5 (1/8)" 2,5 |
MM « « ММ/ОМ |
М8Х0,5 М8ХО,75 (1/4)"-36UNS М8Х0,75 |
0.2 ... 2 0,2 ... 2 0,2 ... 2 0,2 ... 2 |
Таблица 9.2 Перечень измерительных приборов для строительства ВОЛС
|
Наименование прибора |
Тип, марка |
Число |
|
Приборы для измерения параметров кабелей связи и определения мест повреждений |
||
|
Прибор кабельный переносной |
ПКП-5 |
2 |
|
Мост кабельный высоковольтный |
Р-41270 |
1 |
|
Источник напряжения постоянного тока |
П-4110 |
1 |
|
Измеритель неоднородностей линии |
Р5-10/1 |
2 |
|
Поисковое устройство для определения места электрического пробоя кабеля |
УПП |
1 |
|
Измеритель оптических кабелей: с градиентным 0В (1,3 мкм) с одномодовым OB (=l,3 мкм) |
||
|
ОД-1-20 или ОД-1-20/2 ОД-1-20/3 |
1 1 |
|
|
Тестер оптический |
ОМКЗ-76Б |
1 |
|
Оптический рефлектометр |
«Горизонталь» |
1 |
|
Оптический рефлектометр |
«Горизонт-П» |
1 |
|
Измеритель затухания (переходных влияний) для кабелей с ЦСП: ИКМ-120А, ИКМ-120У ИКМ-480С |
||
|
ИЗКЛ-120А |
1 |
|
|
ИЗКЛ-С |
1 |
|
|
Измеритель затухания кабельных линий для ЦСП ИКМ-480С |
ИЗКЛ-4 |
1 |
|
Приборы для измерения параметров защиты кабелей от коррозии, ударов молнии и внешних источников электромагнитных влияний |
||
|
Сигнализатор горючих газов |
СТГ-1 |
1 |
|
Монометр для точных измерений |
МТИ, модель 1218 |
1 |
|
Прибор электроизмерительный комбинированный |
Ц-4342-м1 |
1 |
|
Измеритель сопротивления заземлений |
М-416/1 |
1 |
|
Полевая нагнетательно-осушительная установка |
ПНОУ-3 |
1 |
|
Мультиметр цифровой специализированный |
Ц-34132 |
2 |
|
Трассопоисковые приборы |
||
|
Искатель скрытых коммуникаций |
ИКС-1 |
2 |
|
Комплект трассопоисковых приборов в составе: генератор и блок сетевого питания универсальный приемник поисковое устройство для определения трассы кабеля поисковое устройство для уточнения мест повреждения шлангового покрова кабеля комплект вспомогательных устройств (клещи для индуктивного возбуждения кабеля, штыри, заземления, контактные штыри для акустического зондирования, коловорот и др.) |
||
|
КТП-2Г КТП-2БП |
1 1 |
|
|
КТП-2П |
1 |
|
|
УПТ |
1 |
|
|
УПИ |
1 |
|
|
1 |
||
|
Комплект устройства для фиксации местоположения соединительных муфт кабельной линии связи |
УФСМ |
По согласованию с заказчиком |
Примечание. Средства измерения 1-5, 10-12, 14-17, 19 и 20 необходимы только в случае исп-я ОК с металл. элементами.
9.1.Электрические проверки основных стоек и блоков аппаратуры ВОСП
Работы по электрическим проверкам аппаратуры ВОСП включают подготовку станционного оборудования к настройке и проверку стоечной сигнализации, работы СОЛТ, СТМСС и стоек ДП.
Подготовку станционного оборудования к настройке начинают после монтажа оборудования с установки всех необходимых заглушек на стойках. К соответствующим клеммам согласно технической документации подключают телефонные аппараты. По окончании подготовительных работ проверяют состояния заводского и станционного монтажей, наличие входящих комплексов и панелей блоков. После этого устанавливают соответствующий режим работы СОЛТ — оконечный пункт, оконечный регенерационный пункт без ответвления или с ответвлением. В стоечной сигнализации проверке подлежат вторичные источники питания и цепи индикации стоек, которая осуществляется созданием искусственных неисправностей согласно регламенту. При возникновении всех типов неисправностей должна сработать сигнализация. Типичные неисправности аппаратуры ВОСП следующие: отсутствие сигнала от аппаратуры группообразования; авария преобразователя кода приема; авария преобразователя кода передачи; отсутствие сигнала в сторону аппаратуры группообразования; авария преобразователя линейного кода передачи; авария преобразователя линейного кода приема; авария платы передачи; неисправность источников вторичного электропитания; аварийное состояние излучателя; отсутствие сигнала в линию большое число ошибок; отсутствие входного сигнала.
Проверка стойки СОЛТ заключается в измерениях уровня средней оптической мощности на ее выходе и коэффициента ошибок К>ош> платы приемника (рис.9.1). Уровень мощности и К>ош> контролируют в течение интервала времени, предусмотренного Регламентом на заданный тип аппаратуры ВОСП, в каждом линейном тракте. Результаты должны соответствовать паспортным данным аппаратуры.
На СТМСС проверяют сигнализацию при пропадании напряжения вторичных источников питания, работу телемеханики, частоты и уровни сигналов телемеханики и служебной связи, набора номера, занятия и приоритета в канале.
В стойке ДП проверяют питающие напряжения и токи в рабочем режиме и режиме «Резерв», срабатывание сигнализации при отклонениях входного и выходного токов от номинальных значений, превышающих допустимые для данного типа аппаратуры, а также срабатывание сигнализации при +5 и +10%-ных изменениях входного тока. Выходной ток должен быть номинальным.

Рис. 9.1. Схема измерения коэффициента ошибок:
ДО—дешифратор ошибок; ГК—генератор кода; УРЗ—устройство регулируемого затухания; ОТ — оптический тестер
9.2.Проверка оборудования в режиме «На магистраль»
Проверка оборудования в режиме «На магистраль» включает в себя: подготовку оборудования линейного тракта; проверку системы служебной связи; измерение диаграммы уровней канала постанционной участковой служебной связи (ПУСС). В программу измерения диаграммы уровней входит проверка восьми уровней: уровня передачи от абонента 1 по каналу ПУСС-А; то же, по каналу ПУСС-Б; уровня передачи на выходе ответвления; уровня передачи от абонента 2 по каналу ПУСС-А; то же, по каналу ПУСС-Б; уровня приема на телефон абонента 1; то же, абонента 2; уровня сигнала при приеме с ответвлением. Номинальные значения уровней и их отклонения должны соответствовать паспортным данным.
Работы по измерению ЛЧХ канала ПУСС, проверкам посылки вызова в А (Б) по каналам ПУСС и прохождения разговора между абонентами, а также работы стоек при приеме сигнала «Приоритет» и организации шлейфа с близлежащим ОРП производятся согласно Регламенту на аппаратуру ВОСП.
10. Технико-экономическое обоснование волоконно-оптической линии связи городской телефонной станции.
Если на ранних стадиях развития новой технологии для ее становления и развития достаточной движущей силой может служить простая любознательность, то после того как четко определится ее уровень развития и области применения, стимулирующим фактором развития этой технологии может стать только ее существенное экономическое преимущество. В случае оптических волокон такое экономическое преимущество может проявляться по-разному в различных областях применения и для убедительного доказательства целесообразности разработки системы передачи данных с применением оптических волокон или без них требуется комплексная оценка этой системы.
Например, в случае связи на большие расстояния сравнение затрат характеризуется большей стоимостью оптического волокна по сравнению со стоимостью электрического кабеля данной информационной пропускной способности. Однако по стоимости преимущество будет на стороне оптического волокна, за счет того, что оно дает возможность устанавливать ретрансляторы на большие расстояния друг от друга, причем это преимущество становится значительным, если ретрансляторы можно расположить и подвести к ним питание внутри существующих станций, благодаря чему исключается необходимость станций с дистанционным питанием.
При связи на короткие расстояния важной становится стоимость оконечного оборудования, включая электрические устройства питания источника излучения и оптического устройства приемника, а также устройства модуляции и детектирования сигнала. Разумеется, нет четкой границы между длинными и короткими линиями связи, но считают, что она находится где-то в области 1 … 10 км.
Комплексную оценку всей системы можно дать, взяв в качестве примера систему передачи данных, предназначенную для использования на современных военных самолетах. Простая замена существующих электрических систем передачи данных оптическим волокном даст очень малую экономию, если вообще даст, а стоимость оконечного оборудования значительно возрастет. Однако за время всего 20 – летнего срока службы самолета будет иметь место значительная экономия расхода топлива за счет снижения массы волоконно-оптических систем передачи данных. Если самолет находится в стадии проектирования и можно изменить его конструкцию, то экономия топлива увеличится еще больше за счет того, что меньшие масса и размеры ВОСП позволяют уменьшить размеры и массу самолета. Кроме того, можно проложить ВОСП в местах с высокими электромагнитными помехами или на участках, где находятся взрывчатые вещества, которые пришлось бы обойти при прокладке традиционных электрических линий передачи. В результате этих мероприятий возможно уменьшение массы самолета ~ на 1 т.
Исследования такого рода обычно проводятся специалистами и заказчиком. Для многих применений ВОЛС важнейшим качеством их является невосприимчивость к внешним электромагнитным полям. Это качество трудно переоценить. Проблема борьбы с электромагнитными помехами самой различной природы, включая взаимные помехи многочисленных средств связи, является в современных условиях едва ли не самой острой. Обычные системы связи предусматривают весьма сложные и дорогие средства защиты от помех, создаваемых транспортом на электрической тяге, разнообразными энергетическими, технологическими и другими электроустановками. Особенно тяжелой становится проблема, названная электромагнитной совместимостью, в ситуации, когда в относительно небольшом пространстве приходится размещать и энергетические установки, и системы автоматики и телеуправления, и разветвленную сеть связи с многочисленными абонентскими устройствами. Такая ситуация возникает на многих промышленных предприятиях, в различных центрах управления, на транспортных средствах – кораблях, самолетах и др.
Использование ВОЛС радикально решает проблему электромагнитной совместимости. Заметим, что здесь вовсе не обязательно речь идет о больших скоростях передачи и, тем более, о больших дальностях связи. Таким образом, ВОЛС становится буквально незаменимой и вследствие того, что она свободна от внешних помех, в том числе и от помех со стороны соседних ВОЛС.
В качестве следующего достоинства укажем на малые габаритные размеры и массу оптических кабелей. Неизмеримо упрощается прокладка магистральных и зоновых линий связи. Отпадает необходимость использования тяжелой машинной техники, необходимой для земляных и строительных работ при подготовке трасс, для транспортировки и укладки тяжелых кабелей. Появляется новое качество – возможность оперативного развертывания кабельных линий с большой пропускной способностью, в том числе в труднодоступной местности, с преодолением водных и иных преград.
Очень важен выигрыш в массогабаритных показателях на транспортных средствах, особенно на летательных аппаратах. Кроме того, при работе персонала с действующими кабелями не возникает опасности поражения электрическими разрядами. Можно добавить, что и для оконечной аппаратуры не возникает аварийных режимов, которые нередко наблюдаются при коротких замыканиях и обрывах в аппаратуре традиционной электросвязи.
В заключение перечня положительных качеств ВОЛС необходимо подчеркнуть, что волоконные световоды изготавливаются из диэлектрических материалов – кварца, многокомпонентных стекол, полимеров. На их изготовление не расходуются дефицитные цветные металлы. В современных условиях, когда уже сказывается ограниченность мировых запасов меди и свинца, переход на недефицитное сырье становится важнейшим фактором для развития техники кабельной связи, т. к. кабельная промышленность потребляет до 50 % меди и 25 % свинца общих ресурсов.
Такого рода анализ затрат всегда сложен. Тем не менее, очевидно, что наибольшую экономическую выгоду можно получить, применяя оптическое волокно в составе телефонной системы с высокой информационной пропускной способностью. Это вытекает из относительной дешевизны пары медных проводов. Если добавить стоимость ретранслятора, то стоимость двусторонней двухпроводной линии связи будет ~ 200$ за 1 км. (1 пара) и даже самое дешевое волокно в линиях без ретрансляторов, в которых используются простейшие передатчики и приемники (световоды и p-i-n – фотодиоды) не только не будут конкурентоспособными с ней, но затраты могут даже существенно увеличится.
Очевидно, что на более высоких уровнях иерархии (скоростях передачи) дополнительные затраты на волокно по сравнению с коаксиальным кабелем будут более чем компенсированными за счет экономии на ретрансляторах. Коаксиальные линии связи требуют установки ретрансляторов через каждые 1…2 км., а волоконно-оптические только через 10…20 км. Экономия выражается в затратах не только на капиталовложения, но и на монтаж и обслуживание. Она возрастает еще больше, если полностью исключить ретрансляторы с источниками питания.
Можно сделать вывод, что волокна имеют очевидные преимущества перед коаксиальными кабелями на более высоких уровнях иерархии систем связи. Однако проблема заключается в том, что на высших уровнях требуется гораздо меньше волокна, чем на низших. Если сконцентрироваться исключительно на этом, будет трудно создать массовое производство оптического волокна такого объема, который требуется для реализации экономических преимуществ крупносерийного производства. Поэтому на ВОЛС применяются различные системы передачи с пропускной способностью 2, 8, 34 Мбит/с и выше. Усилия фирмы British Telecom направлены на создание систем с пропускной способностью 140 Мбит/с для междугородних линий и 8 Мбит/с для межстанционных.
Таблица 10.1 - Сравнительный анализ и области применения электрических и оптических кабелей
|
Система передачи |
Скорость передачи |
Электрический кабель |
Оптический кабель |
Область применения |
||
|
Тип кабеля |
Длина усилитель-ного участка, км. |
Длина волны, км. |
Длина регенера-ционного участка, км. |
|||
|
ИКМ - 30 |
2 |
Симметри-чный |
1,5 - 4,5 |
0,85 |
15 |
ГТС |
|
ИКМ - 120 |
8,5 |
Коаксиаль-ный: 0,7/2,9 1,2/4,4 |
4 8 |
0,85 1,3 |
14 17 |
ГТС, зоновая связь |
|
ИКМ - 480 |
34 |
Коаксиаль-ный: 0,7/2,9 1,2/4,4 2,6/9,5 |
2 4,1 9,3 |
- 0,85 1,3 |
- 12 39 |
Зоновая и магистральная связь |
|
ИКМ-1920 |
140 |
Коаксиаль-ный: 1,2/4,4 2,6/9,5 |
2 4,6 |
0,85 1,3 |
10 20 |
Магистральная связь |
Из таблицы 10.1 видна высокая технико-экономическая эффективность оптических кабелей. Во-первых, достигается большая экономия цветных металлов, во-вторых, обеспечивается существенно меньшее затухание. Так при работе системы ИКМ по электрическому кабелю длина усилительного участка составляет 9,3 км, а по ОК – 12 км на волне 0,85 мкм и 39 км на волне 1,3 мкм.
На рис. 10.1 приведены кривые относительной стоимости 1 канал-км для цифровых ВОЛС (кривая 2). На этом же рисунке представлена зависимость средней стоимости 1 канал-км при работе связи по электрическим кабелям (кривая 2).
Рис. 10.1 - Кривые зависимости средней стоимости 1 канал-км при работе связи по электрическим кабелям (1) и оптическим кабелям (2)

Из рисунка видно, что стоимость связи по ОК падает с ростом числа каналов в более резкой зависимости. Имея в виду, что основные потребности нашей страны в каналах на обозримую перспективу находятся в пределах эффективного применения коаксиальных кабелей (от 500 до 10000), они получили широкое развитие на магистральных сетях связи. Однако, учитывая достоинства ОК, им уже сейчас отдается предпочтение в новом строительстве как магистральных, так и городских и зоновых сетей связи.
Ч
исло
каналов
Рис. 10.2 - Эффективность
различных направляющих систем
ВЛ – воздушная линия;
СК – симметричный кабель;
КК – коаксиальный кабель;
ОК – оптический кабель;
В – волновод.
Сравнивая приведенные НС в целом, можно признать, что в сумме показателей наилучшими являются коаксиальный и оптический кабели. Хорошим средством передачи широкополосной информации является также цилиндрический волновод при использовании волны Н01. Такой волновод позволяет получить большое число телефонных и телевизионных каналов. Существенным недостатком волноводов является громоздкость конструкции и малые строительные длины.
Симметричные цепи (воздушные линии и симметричные кабели) широко используются для устройства междугородних и местных связей в ограниченном диапазоне частот (как правило, до 1 МГц). Этим цепям свойственны все недостатки открытых систем – большие потери энергии и плохая защищенность от взаимных и внешних помех.
Сверхпроводящие кабельные линии связи являются перспективным средством передачи современной различной информации на большие расстояния. Однако технико-экономическая эффективность их в настоящее время невелика. Сверхпроводящие кабели позволяют организовать многоканальную связь на огромные расстояния без электронных усилительных устройств. Но для поддержания низких температур необходимо иметь через каждые 10…20 км криогенные станции, стоимость которых довольно высока. Поэтому затраты на сооружение сверхпроводящей магистрали пока еще значительно превышают затраты на обычную кабельную магистраль. В настоящее время сверхпроводящие коаксиальные кабели получили применение в антенно-фидерных устройствах и различных установках радиоэлектроники.
Из рис. 10.2 видна вполне обоснованная закономерность снижения стоимости 1 канал-км линии связи с увеличением числа каналов. Стоимость канала обратно пропорциональна 1/^N, где N – число каналов. В этом плане имеется прямая связь между экономичностью системы и ее широкополосностью. Как видно из рисунка, самой дешевой является связь по световоду и волноводу, затем идет коаксиальный кабель, и, наконец, самой дорогой является связь по воздушным линиям.
10.1.Спектральное уплотнение каналов.
При создании магистральных линий связи на большое число каналов следует учитывать возможности, открываемые спектральным уплотнением (мультиплексированием) оптических каналов. Сущность последнего состоит в том, что в волоконный световод вводится одновременно излучение от нескольких источников, работающих на разных длинах волн, а на приемном конце с помощью оптических фильтров происходит разделение сигналов. Спектральное уплотнение позволяет существенно увеличить пропускную способность оптических кабелей и организовать двустороннюю связь по одному волокну. При этом достигается значительный экономический эффект за счет сокращения стоимости используемого волокна в линейном кабеле. Например, на линиях зоновой сети спектральное уплотнение четырех каналов дает экономию 500…750 тыс. руб. в расчете на один регенерационный участок длиной 20…30 км (при стоимости 1 м. ОК ~ 3…4 руб.). Кроме того, этот метод позволяет обеспечивать развитие сети без проведения дополнительных строительных работ, а также создавать разветвленные сети древовидной или кольцевой конфигурации с пассивными элементами спектрального уплотнения в местах разделения или выделения потоков. При этом расширяются возможности передачи сигналов с различными скоростями и типами модуляции – цифровой и аналоговой: телефон, телевидение, телеметрия, сигналы управления ЭВМ, что обеспечивает создание экономических многофункциональных систем связи. Одним из важных преимуществ данного метода является наиболее полное использование сверхширокой спектральной полосы пропускания ОВ. В настоящее время уже освоен диапазон 0,8…1,8 мкм. Если принять, что ширина спектрального канала составляет 10 нм, что уже достигнуто, то в указанном диапазоне можно разместить до 100 спектральных каналов. Например, по данным на 16.03.2000, в диапазоне волн 1,55 мкм при десяти спектральных каналах удалось создать ВОСП с информационной емкостью 3,2 Тбит/с, что эквивалентно 727273 телефонным каналам.
На основании проведенного выше сравнительного анализа существующих линий связи с волоконно-оптическими можно сделать вывод, что применение ОК в линиях связи существенно повышает технико-экономические показатели предоставляемых услуг связи и является перспективным направлением в области дальнейшего развития последних.
10.2.Технико-экономические показатели разработки. Расчет себестоимости проектируемого устройства. Определение оптовой цены.
Расчет себестоимости изготовления и оптовой цены проектируемого устройства передачи сигналов по ВОСП произведен по отдельным статьям затрат методом калькуляции, которые включают в себя:
Основные и вспомогательные материалы;
Покупные комплектующие изделия;
Топливо и энергия на технологические нужды;
Основная заработная плата производственных рабочих;
Дополнительная заработная плата производственных рабочих;
Отчисления на социальное страхование;
Расходы по содержанию и эксплуатации оборудования;
Цеховые расходы;
Общезаводские расходы;
Внепроизводственные расходы.
Оптовая цена на каждый вид материала, покупные комплектующие изделия и полуфабрикаты принимаются по рыночным ценам на 1.11.99г.
10.3.Расчет себестоимости изготовления устройства.
10.3.1.Расчет затрат на основные и вспомогательные материалы. К>тзр>=0.35
Таблица 10.2 - Затраты на основные и вспомогательные материалы.
|
№ |
Наименование материала |
Норма расхода на изделие (ед.) |
Цена за единицу, (руб.) |
Общая сумма затрат, (руб.) |
|
1 |
Стеклотекстолит |
7.9986Е-002 |
30 |
2.4 |
|
2 |
Полистирол |
0.2 |
5 |
1 |
|
3 |
Краска маркировочная |
1.9999Е-002 |
5 |
0.1 |
|
4 |
Лак УР-231 |
3.9999Е-002 |
8 |
0.32 |
|
5 |
Канифоль |
0.15 |
4 |
0.6 |
|
6 |
Припой ПОС-61 |
0.2 |
10 |
2 |
|
7 |
Провод монтажный |
0.6 |
0.3 |
0.18 |
|
8 |
Провод медный |
4.5 |
1 |
4.5 |
Затраты на основные материалы: 11.10 руб.
Возвратные отходы: 0.00 руб.
Затраты на основные и вспомогательные материалы
составляют ИТОГО: 14.99 руб.
10.3.2.Расчет затрат на покупные комплектующие изделия и полуфабрикаты. К>тзр>=0.35
Таблица 10.3 - Затраты на покупные комплектующие изделия и полуфабрикаты.
|
№ |
Наименование материала |
Количество |
Цена за ед., (руб.) |
Общая сумма затрат (руб.) |
|
1 |
Излучатель |
1 |
5200 |
5200 |
|
2 |
Резистор МЛТ |
15 |
0.6 |
9 |
|
3 |
Транзистор КТ660Б |
1 |
1.5 |
1.5 |
|
4 |
Фотодиод ФД 227 |
1 |
4 |
4 |
|
5 |
Конденсатор КМ-6 |
5 |
0.5 |
2.5 |
|
6 |
Конденсатор 73-11 |
5 |
0.5 |
2.5 |
|
7 |
Микросхема К140УД11 |
1 |
5 |
5 |
|
8 |
Микросхема К175ДА1 |
1 |
6 |
6 |
|
9 |
Вентиль |
1 |
15600 |
15600 |
|
10 |
Циркулятор |
1 |
20800 |
20800 |
Затраты на покупные комплектующие изделия и полуфабрикаты
ИТОГО: 41631 руб.
10.3.3.Расчет затрат на топливо.
Затраты на топливо будут включены в цеховые расходы.
10.3.4.Расчет затрат на электроэнергию.
Затраты на электроэнергию будут включены в цеховые расходы.
10.3.5.Расчет основной заработной платы на изготовление прибора.
Таблица 10.4 – Основная заработная плата на изготовление прибора.
|
№ |
Наименование операции |
Разряд работы |
Часовая тарифная ставка (руб./час) |
Норма времени (час.) |
Заработная плата (руб.) |
|
1 |
Заготовительные |
2 |
4 |
0.1 |
0.4 |
|
2 |
Разметка |
4 |
4.2 |
0.2 |
0.84 |
|
3 |
Сверлильные |
4 |
4 |
0.2 |
0.8 |
|
4 |
Слесарно-сборочные |
5 |
4 |
0.1 |
0.4 |
|
5 |
Изготовление печатных плат |
4 |
5 |
0.5 |
2.5 |
|
6 |
Монтаж навесных элементов |
5 |
4 |
0.6 |
2.4 |
Основная заработная плата на изготовление прибора составляет: 7.34 руб.
10.3.6.Расчет дополнительной заработной платы.
Дополнительная заработная плата принята в размере 15% от основной и составляет: 1.1 руб.
10.3.7.Начисления на заработную плату.
Начисления на заработную плату составляют: 3.29 руб.
10.3.8.Расчет расходов по содержанию и эксплуатации оборудования.
Расходы по содержанию и эксплуатации оборудования приняты в размере 12% и составляют: 12 руб.
10.3.9.Расчет цеховых расходов.
Цеховые расходы принимаются равными 200% от основной заработной платы и составляют: 14.68 руб.
Цеховая себестоимость прибора составляет: 14.68 руб.
10.3.10.Расчет общезаводских расходов.
Общезаводские расходы составляют: 40560 руб.
Заводская себестоимость: 83262 руб.
10.4.Определение оптовой цены прибора.
10.4.1.Расчет внепроизводственных расходов.
Внепроизводственные расходы составляют: 6.77 руб.
10.4.2.Расчет полной себестоимости прибора.
Полная себестоимость прибора составляет: 83270 руб.
Расчет оптовой цены прибора.
Оптовая цена прибора составляет: 85283 руб.
Таблица 10.5.– Себестоимость и оптовая цена проектируемого прибора.
|
№ |
Наименование статей затрат |
Сумма (руб.) |
Процент от полной себестоимости |
|
1 |
Основные и вспомогательные материалы |
14.99 |
0.35 |
|
2 |
Покупные изделия и полуфабрикаты |
41631 |
49.9 |
|
3 |
Топливо и энергия на технологические нужды |
Учтены на цеховых расходах |
|
|
4 |
Основная заработная плата производственных рабочих |
7,34 |
0.17 |
|
5 |
Дополнительная заработная плата производственных рабочих |
1.1 |
0.02 |
|
6 |
Начисления на заработную плату |
3.29 |
0.07 |
|
7 |
Расходы по содержанию и эксплуатации оборудования |
12 |
0.3 |
|
8 |
Общецеховые расходы |
14.68 |
0.34 |
|
Заводская себестоимость |
83262 |
98.89 |
|
|
Общезаводские расходы |
40560 |
49.5 |
|
|
Внепроизводственные расходы |
6.77 |
0.1 |
|
|
Полная себестоимость |
83270 |
||
|
Оптовая цена |
85283 |
11.Охрана труда
В данном дипломном проекте требуется разработать передающее устройство одноволоконной ВОСП, рассчитанной на работу с длиной волны 1.55 мкм, которая относится к ближнему инфракрасному диапазону излучения.
Поскольку передающее устройство рассчитано на работу в составе многоканальных систем связи на соединительных линиях ГТС, то в главе освещены вопросы организации охраны труда на предприятиях связи нормирования рабочего дня, а так же методы обеспечения лазерной безопасности на предприятиях связи.
11.1.Организация труда на предприятии связи
На предприятиях связи организует работу и контроль за выполнением мероприятий по охране труда, а также несет ответственность за соблюдение охраны труда и техники безопасности непосредственный руководитель предприятия. Контроль за соблюдением правил техники безопасности и выполнением соответствующих мероприятий осуществляет главный инженер и инженер по технике безопасности.
В структурных подразделениях предприятия ( цехах, участках, лабораториях ) ответственность несет руководитель данного структурного подразделения. Государственными органами надзора и контроля являются: инспекция энергонадзора, пожарнадзора, санэпидемстанция, технический инспектор обкома профсоюза. На предприятиях связи должны производиться следующие мероприятия по охране труда:
1. Составление ежегодных планов мероприятий по охране труда.
2. Составление санитарно - технических паспортов на производственные помещения.
3. Аттестация рабочих мест, переоборудованного или вновь установленного оборудования.
4. Расследование и учет несчастных случаев.
5. Проведение периодических ( один раз в два года ) медосмотров работников, связанных с обслуживанием электрооборудования.
6. Обучение и проверка по технике безопасности ( ежегодно ).
7. Утверждение списка лиц, не связанных с обслуживанием оборудования, т.е. не подлежащих проверке по технике безопасности, утверждение профессий и должностей, с которыми не проводится первичный инструктаж на рабочем месте.
8. Организация проверок электрозащитных средств, защитного заземления, сопротивления изоляции питающих проводов, первичных средств пожаротушения и т.д.
9. Проведение смотровых конкурсов по охране труда.
10.Проведение трехступенчатого контроля.
Первая ступень проводится ежедневно мастером или бригадиром. Проверяется состояние рабочих мест, исправность оборудования и защитных средств. При обнаружении недостатков немедленно принимаются меры по их устранению, если устранить неисправность своими силами не представляется возможным, то выявленные нарушения записываются в журнал трехступенчатого контроля.
Вторая ступень проводится еженедельно. Начальник цеха проводит детальную проверку состояния охраны труда в цехе, принимает решения по замечаниям, сделанным мастером, контролирует выполнение мероприятий по устранению недостатков, выявленных при предыдущих проверках. Результаты проверки начальник цеха записывает в журнал второй ступени.
Третья ступень ежеквартальная. Главный инженер и инженер по технике безопасности проверяют состояние охраны труда в целом по предприятию, контролируют устранение недостатков, выявленных на первой и второй ступенях проверки. Результаты оформляются, составляется акт и, если имеется грубое нарушение, издается приказ по предприятию.
11. Составление отчета по производственному травматизму.
12. Составление актов классификации помещений по степени электробезопасности ( проводится приказом по предприятию ).
13. Финансирование и планирование мероприятий по охране труда и внедрение стандартов безопасности труда.
Для уменьшения случаев производственного травматизма на предприятиях связи проводятся инструктажи. Существуют следующие виды инструктажей:
- вводный инструктаж - проводится при поступлении на работу инженером по технике безопасности по программе, утвержденной руководителем предприятия. Оформляется в контрольном листе, который хранится в личном деле работника.
- первичный инструктаж на рабочем месте - проводится также при поступлении на работу и оформляется в контрольном листе.
Для связанных с электрооборудованием в течение 10 - 12 смен проводится стажировка на рабочем месте.
- повторный инструктаж проводится раз в полгода и в строительных организациях раз в три месяца;
- внеплановый инструктаж проводится в случае если изменилось оборудование, произошел несчастный случай или работник отсутствовал на своем рабочем месте более трех месяцев;
- целевой инструктаж проводится при выполнении разовых работ, работ с повышенной опасностью или особо опасных.
Кроме того, проводится анализ несчастных случаев, произошедших на предприятии. Особое внимание администрация предприятия должна сосредоточить на тех участках предприятия, где произошло наибольшее число несчастных случаев. По результатам анализов несчастных случаев намечаются пути их предупреждения.
Основные пути предупреждения несчастных случаев:
- автоматизация и комплексная механизация производственных процессов;
- рационализация технологических процессов, модернизация оборудования и инструментов;
- применение дистанционного управления;
- применение дополнительных ограждающих и предохранительных устройств;
- внедрение светозвуковой сигнализации;
- применение световых приборов;
- применение усовершенствованных средств защиты;
- устранение или уменьшение воздействия шума, вибраций, электромагнитного излучения;
- улучшение освещения и метеоусловий на рабочих местах;
разумное сочетание режимов труда и отдыха.
11.2.Режим труда и отдыха
В процессе труда работоспособность, т.е. способность человека к трудовой деятельности определенного рода, а соответственно, и функциональное состояние организма подвергаются изменениям. Поддержание работоспособности на оптимальном уровне - основная цель рационального режима труда и отдыха.
Режим труда и отдыха - это устанавливаемые для каждого вида работ порядок чередования периодов работы и отдыха и их продолжительность. Рациональный режим - такое соотношение и содержание периодов работы и отдыха, при которых высокая производительность труда сочетается с высокой и устойчивой работоспособностью человека без признаков чрезмерного утомления в течение длительного времени. Такое чередование периодов труда и отдыха соблюдается в различные отрезки времени: в течение рабочей смены, суток, недели, года в соответствии с режимом работы предприятия. Установление общественно необходимой продолжительности рабочего времени и распределение его по календарным периодам на предприятии достигаются при разработке правил, в которых предусматривается порядок чередования и продолжительность периода работы и отдыха. Этот порядок принято называть режимом труда и отдыха.
Один из основных вопросов установления рациональных режимов труда и отдыха - это выявление принципов их разработки. Таких принципов три:
- удовлетворение потребности производства;
- обеспечение наибольшей работоспособности человека;
- сочетание общественных и личных интересов.
Первый принцип заключается в том, что при выборе оптимального режима труда и отдыха требуется определить такие параметры, которые способствуют лучшему использованию производственных фондов и обеспечивают наибольшую эффективность производства. Режимы труда и отдыха строятся применительно к наиболее рациональному производственному режиму, с тем, чтобы обеспечить нормальное течение технологического процесса, выполнение заданных объемов производства, качественное и своевременное проведение планово-профилактического ремонта и осмотра оборудования при сокращении его простоев в рабочее время.
Второй принцип гласит, что нельзя строить режимы труда и отдыха без учета работоспособности человека и объективной потребности организма в отдыхе в отдельные периоды его трудовой деятельности. В целях учета физиологических возможностей человека (в рамках установленных законом предписаний по охране труда и продолжительности рабочего времени) следует разрабатывать такой порядок чередования времени труда и отдыха, определять такую их длительность, которые обеспечивали бы наибольшую работоспособность и производительность труда.
Третий принцип предполагает, что режим труда и отдыха должен быть ориентирован на учет и обеспечение в определенной степени удовлетворения личных интересов трудящихся и отдельные категорий работников (женщин, молодежи, учащихся и т.д.).
Таким образом, при выборе оптимального режима труда и отдыха нужен комплексный социально-экономический подход. Целью подобного подхода является полная и всесторонняя оценка его оптимизации с точки зрения учета личных и общественных интересов, интересов производства и физиологических возможностей человека. В связи с этим следует отметить, что научно обоснованным режимом труда и отдыха на предприятиях является такой режим, который наилучшим образом обеспечивает одновременное сочетание повышения работоспособности и производительности труда, сохранение здоровья трудящихся, создания благоприятных условий для всестороннего развития человека.
Сегодня на предприятиях связи применяют четырехсменный режим труда, что в полной мере соответствует вышеприведенным требованиям.
11.3.Лазерная безопасность
11.3.1.Воздействие лазерного излучения на органы зрения
Основной элемент зрительного аппарата человека - сетчатка глаза - может быть поражена лишь излучением видимого ( от 0.4 мкм ) и ближнего ИК-диапазонов ( до 1.4 мкм ), что объясняется спектральными характеристиками человеческого глаза. При этом хрусталик и глазное яблоко, действуя как дополнительная фокусирующая оптика, существенно повышают концентрацию энергии на сетчатке, что, в свою очередь, на несколько порядков понижает максимально допустимый уровень ( МДУ ) облученности зрачка.
11.3.2.Технико-гигиеническая оценка лазерных изделий в России
В нашей стране на базе проведенных комплексных исследований и современных представлений о влиянии лазерного излучения на организм человека разработан и утвержден ряд нормативных документов, обеспечивающих безопасную эксплуатацию лазерных изделий. Эти документы устанавливают единую систему обеспечения лазерной безопасности. В такую систему входят: технические средства снижения опасных и вредных производственных факторов, организационные мероприятия, контроль условий труда на лазерных установках. В современной отечественной научно-технической и нормативной литературе дано несколько вариантов классификации лазерных изделий. С позиции обеспечения лазерной безопасности их классифицируют по основным физико-техническим параметрам и степени опасности генерируемого излучения.
В зависимости от конструкции лазера и конкретных условий его эксплуатации обслуживающий его персонал может быть подвержен воздействию опасных и вредных производственных факторов, перечень которых приведен в ГОСТ 12.1.040-83. Уровни опасных и вредных производственных факторов на рабочем месте не должны превышать значений, установленных по электробезопасности, взрывоопасности, шуму, уровням ионизирующего излучения, концентрации токсических веществ и др.
11.3.3.Классы опасности лазерного излучения по СНиП 5804-91
Степень воздействия лазерного излучения на оператора зависит от физико-технических характеристик лазера — плотности мощности (энергии излучения), длины волны, времени облучения, длительности и периодичности импульсов, площади облучаемой поверхности. Биологический эффект лазерного облучения зависит как от вида воздействия излучения на ткани организма (тепловое, фотохимическое), так и от биологических и физико-химических особенностей самих тканей и органов.
Наиболее опасно лазерное излучение с длиной волны:
3801400 нм — для сетчатки глаза,
180380 нм и свыше 1400 нм — для передних сред глаза,
180105 нм (т.е. во всем рассматриваемом диапазоне) — для кожи.
Гигиенистами выдвинуты требования, в соответствии с которыми, в основу проектирования, разработки и эксплуатации лазерной техники должен быть положен принцип исключения воздействия на человека (кроме лечебных целей) лазерного излучения, как прямого, так и зеркально или диффузно отраженного.
В соответствии со СНиП 5804-91 лазерные изделия по степени опасности генерируемого излучения подразделяют на 4 класса. При этом класс опасности лазерного изделия определяется классом опасности используемого в нем лазера. Классификацию лазеров с точки зрения безопасности проводит предприятие-изготовитель путем сравнения выходных характеристик излучения с предельно допустимыми уровнями (ПДУ) при однократном воздействии. Определяя принадлежность лазерного изделия к тому или иному классу по степени опасности лазерного излучения, необходимо учитывать воздействие прямого или отраженного лазерного пучка на глаза и кожу человека и пространственные характеристики лазерного излучения (при этом различают коллимированное излучение, то есть заключенное в ограниченном телесном угле, и неколлимированное, то есть рассеянное или диффузно отраженное). Использование дополнительных оптических систем не входит в понятие "коллимация", а оговаривается отдельно. Лазерные изделия с точки зрения техники безопасности классифицируют в основном по степени опасности генерируемого излучения. Установлены следующие 4 класса лазеров:
к нему относят полностью безопасные лазеры, выходное излучение которых не представляет опасности для глаз и кожи человека;
к нему относят лазеры, выходное излучение которых представляет опасность при облучении кожи или глаз человека коллимированным пучком. В то же время диффузно отраженное излучение лазеров этого класса безопасно как для кожи, так и для глаз;
к нему относят лазерные устройства, работающие в видимой области спектра и выходное излучение которых представляет опасность при облучении как глаз (коллимированным и диффузно отраженным излучением на расстоянии менее 10 см от отражающей поверхности), так и кожи (только коллимированным пучком);
наиболее опасный — к нему относят лазерные устройства, даже диффузно отраженное излучение которых представляет опасность для глаз и кожи на расстоянии менее 10 см.
При определении класса опасности лазерного излучения учитываются три спектральных диапазона.
Таблица 11.1 – Диапазоны лазерного излучения
Класс |
|||
|
Опасности |
180380 нм |
3801400 нм |
1400105 нм |
|
Лазерного |
Диапазон |
||
|
Излучения |
I |
II |
III |
|
1 |
+ |
+ |
+ |
|
2 |
+ |
+ |
+ |
|
3 |
— |
+ |
— |
|
4 |
+ |
+ |
+ |
11.3.4.Гигиеническое нормирование лазерного излучения
В соответствии со СНиП 5804-91 регламентируют ПДУ для каждого режима работы лазера и его спектрального диапазона. Нормируемыми параметрами с точки зрения опасности лазерного излучения являются энергия W и мощность P излучения, прошедшего ограничивающую апертуру диаметрами d>а>=1.1 мм (в спектральных диапазонах I и II) и d>а>=7 мм (в диапазоне II); энергетическая экспозиция H и облученность E, усредненные по ограничивающей апертуре:
H=W/S>a>; E=P/S>a> , (3.1)
где S>a> — площадь ограничивающей апертуры.
Таблица 11.2 - Предельные дозы при однократном воздействии на глаза коллимированного лазерного излучения
|
Длина волны , нм |
Длительность воздействия t, с |
W>ПДУ>, Дж |
|
380600 |
t2.310-11 |
> > |
|
2.310-11t510-5 |
810-8 |
|
|
510-5t1 |
> > |
|
|
600750 |
t6.510-11 |
> > |
|
6.510-11t510-5 |
1.610-7 |
|
|
510-5t1 |
> > |
|
|
7501000 |
t2.510-10 |
> > |
|
2.510-10t510-5 |
410-7 |
|
|
510-5t1 |
> > |
|
|
10001400 |
t10-9 |
> > |
|
10-9t510-5 |
10-6 |
|
|
510-5t1 |
> > |
Примечания: 1. Длительность воздействия меньше 1 с.
2. Ограничивающая апертура = 710-3 м.
ПДУ лазерного излучения устанавливают для двух условий - однократного и хронического облучения. Под хроническим понимают "систематически повторяющееся воздействие, которому подвергаются люди, профессионально связанные с лазерным излучением".
ПДУ при этом определяют как:
уровни лазерного излучения, при которых "существует незначительная вероятность возникновения обратимых отклонений в организме" человека;
уровни излучения, которые "при работе установленной продолжительности в течение всего трудового стажа не приводят к травме (повреждению), заболеванию или отклонению в состоянии здоровья как самого работающего, так и последующих его поколений".
ПДУ хронического воздействия рассчитывают путем уменьшения в 510 раз ПДУ однократного воздействия.
11.4.Требования безопасности при эксплуатации лазерных изделий
11.4.1.Требования к размещению лазерных изделий
Размещение лазерных изделий в каждом конкретном случае производится с учётом класса опасности изделий, условий и режима труда персонала, особенностей технологического процесса, подводка коммуникаций.
Требования для класса 3Б:
Расстояние между лазерными изделиями должно обеспечивать безопасные условия труда и удобство эксплуатации, ремонта и обслуживания. Рекомендуется для класса 3Б:
- Со стороны органов управления: при однорядном расположении–1,5 м;
- при двухрядном не менее - 2,0 м.
- С других сторон не менее – 1,0 м.
- Траектория прохождения лазерного пучка должна быть заключена в оболочку из несгораемого материала или иметь ограждение, снижающие уровень лазерного излучения до ДПИ и исключающие попадание лазерного пучка на зеркальную поверхность. Открытые траектории в зоне возможного нахождения человека должны располагаться значительно выше уровня глаз. Минимальная высота траектории 2,2 м.
- Рабочее место должно быть организовано таким образом, чтобы исключать возможность воздействия на персонал лазерного излучения или чтобы его величина не превышала ДПИ для первого класса.
- Рабочее место обслуживающего персонала, взаимное расположение всех элементов (органов управления, средств отображения информации и другое.)должна обеспечивать рациональность рабочих движений и максимально учитывать энергетические, скоростные, силовые и психофизические возможности человека.
- Следует предусматривать наличие мест для размещения съемных деталей, переносной измерительной аппаратуры, хранения заготовок, готовых изделий.
11.4.2.Классификация условий и характера труда
По степени зашиты персонала от воздействия лазерного излучения условия и характер труда при эксплуатации лазерных изделий независимо от класса изделия подразделяются:
А) оптимальные – исключающие воздействие на персонал лазерного излучения;
Б) допустимые – уровень лазерного излучения, воздействующего на персонал, меньше ПДУ установленного СанПиН 5804;
В) вредные и опасные – уровень лазерного излучения, воздействующего на персонал, превышает ПДУ.
11.4.3.Требования безопасности при эксплуатации и обслуживании лазерных изделий
Выполнение следующих требований безопасности должно обеспечивать исключение или максимальное уменьшение возможности облучения персонала лазерным излучением, а также воздействия на него других опасных факторов:
- К ремонту, наладке и испытаниям лазерных изделий допускаются лица, имеющие соответствующую квалификацию и прошедшие инструктаж по технике безопасности в установленном порядке.
- К работе с лазерными изделиями допускаются лица, достигшие восемнадцати лет, не имеющие медицинских противопоказаний, прошедшие курс специального обучения в соответствии с ГОСТ 12.0.004, обучение в установленном порядке работе с конкретными лазерными изделиями и аттестацию на группу по охране труда при работе на электроустановках с соответствующим напряжением.
- При эксплуатации изделий выше класса 2 должно назначаться лицо, ответственное за охрану труда при их эксплуатации.
Лазерные изделия, находящиеся в эксплуатации, должны подвергаться регулярной профилактической проверке. При проведении профилактической проверки следует обращать особое внимание на безотказность работы всех защитных устройств, надёжность заземления.
11.5.Выводы по главе
В главе рассмотрены следующие вопросы:
организация охраны труда на предприятиях связи и мероприятия по охране труда;
организация рабочего дня;
вопросы нормирования лазерного излучения и меры защиты от вредного воздействия лазерного излучения на человека.
Лазеры, применяемые в современных системах связи, относятся к классу опасности 3Б. Полупроводниковый лазер, используемый в проектируемом передающем устройстве, рассчитан на работу во втором спектральном диапазоне (3801400) и имеет выходную оптическую мощность не более 3.5 мвт, что соответствует гигиеническим нормам для данного класса.
12.Заключение
В дипломном проекте дан обзор существующих методов организации волоконно-оптических систем передачи, а также освещены возможные способы построения одноволоконных ВОСП. Приведена сравнительная характеристика принципов построения одноволоконных ВОСП, оптических систем спектрального мультиплексирования/демультиплексирования с применением оптических циркуляторов, в результате чего сделан вывод, что наиболее приемлемым вариантом организации одноволоконной ВОСП на ГТС является ВОСП с модуляцией оптического сигнала по интенсивности и применением оптических циркуляторов.
В ходе работы осуществлена разработка структурной схемы передающего устройства, кроме того, приведены варианты структурных схем возможных способов построения одноволоконных ВОСП.
Разработана принципиальная схема оптического передающего устройства и рассчитаны её основные узлы. В качестве оптического излучателя выбран лазерный излучатель ИДЛ 5С-1300. В схеме применены полупроводниковые интегральные схемы отечественного производства, что отвечает современным требованиям проектирования аппаратуры связи.
Даны примерная организация и этапы проектирования ВОЛП, электроизмерительная аппаратура, применяемая при строительстве ВОЛП. Приведены требования по охране труда на предприятиях, занимающихся изготовлением устройств с лазерными излучателями.
Сделано технико-экономическое обоснование разработки с расчетом основных показателей
Разработанное передающее устройство рассчитано на работу в составе цифровых многоканальных систем передачи, работающих со скоростью 8 Мбит/с и предназначенных для работы на соединительных линиях ГТС.
13.Библиография
Полупроводниковые приборы. Транзисторы средней и большой мощности. Справочник. Миркин А.А. -М.: Коллектив авторов, 1995. – 640с.
Мурадян А.Г. Усилительные устройства. –М.: Связь, 1976. -280с.
Брискер А.С., Гусев Ю.М., Ильин В.В. и другие. Спектральное уплотнение волоконно-оптических линий ГТС//Электросвязь, 1990, №1, с41-42.
Брискер А.С., Быстров В.В., Ильин В.В.. Способы увеличения пропускной способности волоконно-оптических линий ГТС//Электросвязь, 1991, №4, с28-29.
Рудов Ю.К., Зингеренко Ю.А., Оробинский С.П., Миронов С.А.. Применение оптических циркуляторов в волоконно-оптических системах передачи//Электросвязь, 1999, №6, с36-37.
Черемискин И.В., Чехлова Т.К.. Волноводные оптические системы спектрального мультиплексирования / демультиплексирования //Электросвязь, 2000, №2, с23-29.
М.М. Бутусов, С.М. Верник, С.Л. Балкин и другие. Волоконно-оптические системы передачи. -М.: Радио и связь, 1992 –416с.
Заславский К.Е..Учебное пособие. Волоконно-оптические системы передачи. Часть 3.-Н.:СибГАТИ, 1997 –61с.
Лазерная безопасность.Общие требования безопасности при разработке и эксплуатации лазерных изделий. -М.:Издательство стандартов, 1995 –20с.
Гроднев И. И., Волоконно-оптические линии связи. –М.: Радио и связь, 1990.
Оптические системы передачи: Учебник для ВУЗов. Под ред. В.И. Иванова. –М.: Радио и связь, 1994.
Строительство и техническая эксплуатация волоконно-оптических линий связи. Под ред. Б.В. Попова. –М.: Радио и связь, 1995.
Д. Гауэр. Оптические системы связи. –М.: Радио и связь, 1989.
14.Оглавление
1. Обзор существующих методов передачи на волоконно-оптических системах передачи городских телефонных сетей. 3
1.1. Принципы построения и основные особенности ВОСП на ГТС 3
1.1.1. Линейные коды ВОСП на ГТС 7
1.1.2. Источники излучения ВОСП 9
1.1.3. Детекторы ВОСП 11
1.1.4. Оптические кабели ВОСП 12
2. Одноволоконные оптические системы передачи. 16
2.1. Волноводные оптические системы спектрального мультиплексирования/демультиплексирования 18
2.1.1. Принципиальные схемы и основные характеристики ВСМ/Д. 20
2.1.2. Реализация ВСМ/Д. 25
2.1.3. Интеграция оптических устройств. 33
2.1.4. Оптические мультиплексоры с добавлением и отводом каналов. 39
2.2. Выводы. 43
3. Применение оптических циркуляторов в волоконно-оптических системах передачи 43
3.1. Структура и принцип работы оптического циркулятора. 45
3.1.1. Характеристики оптических циркуляторов. 47
3.1.2. Возможные варианты применения оптических циркуляторов в оборудовании волоконно-оптических линий связи. 48
3.2. Выводы 50
4. Построение передающих и приемных устройств ВОСП ГТС. 51
4.1.1. Виды модуляции оптических колебаний. 51
4.1.2. Оптический передатчик 54
4.1.3. Оптический приемник. 55
4.2. Выводы. 56
5. Выбор и обоснование структурной схемы передатчика 58
5.1. Возможные методы построения структурных схем одноволоконных ВОСП. 58
5.1.1. ВОСП, на основе различных способов разветвления оптических сигналов. 58
5.1.2. ВОСП, основанная на использовании разделения разнонаправленных сигналов по времени. 61
5.1.3. ВОСП на основе использования различных видов модуляции. 63
5.1.4. ВОСП с одним источником излучения. 66
5.2. Окончательный выбор структурной схемы передатчика. 68
5.2.1. Выбор способа организации одноволоконого оптического тракта. 68
5.2.2. Структурная схема оптического передатчика. 69
5.3. Выводы 70
6. Составление и расчёт принципиальной схемы 71
6.1. Общие соображения по расчёту принципиальной схемы устройства 71
6.2. Расчёт мощности излучения передатчика и выбор типа излучателя 73
6.3. Выбор транзистора и расчёт сопротивлений в схеме прямого модулятора 74
6.4. Расчет согласующего усилителя 78
6.5. Расчет устройства автоматической регулировки уровня оптического сигнала 81
6.6. Расчёт ёмкостей в схеме оптического передающего устройства 83
6.6.1. Расчёт эмиттерной ёмкости 83
6.6.2. Расчёт разделительной ёмкости 84
6.6.3. Расчёт ёмкостей фильтров 84
6.7. Выводы 85
7. Организация и этапы проектирования ВОЛП 86
8. Перспективы развития волоконно-оптической связи 92
9. Контрольно-измерительная аппаратура, применяемая при строительстве ВОСП 94
9.1. Электрические проверки основных стоек и блоков аппаратуры ВОСП 97
9.2. Проверка оборудования в режиме «На магистраль» 99
10. Технико-экономическое обоснование волоконно-оптической линии связи городской телефонной станции. 101
10.1. Спектральное уплотнение каналов. 108
10.2. Технико-экономические показатели разработки. Расчет себестоимости проектируемого устройства. Определение оптовой цены. 110
10.3. Расчет себестоимости изготовления устройства. 111
10.3.1. Расчет затрат на основные и вспомогательные материалы. К>тзр>=0.35 111
10.3.2. Расчет затрат на покупные комплектующие изделия и полуфабрикаты. К>тзр>=0.35 111
10.3.3. Расчет затрат на топливо. 112
10.3.4. Расчет затрат на электроэнергию. 112
10.3.5. Расчет основной заработной платы на изготовление прибора. 112
10.3.6. Расчет дополнительной заработной платы. 112
10.3.7. Начисления на заработную плату. 112
10.3.8. Расчет расходов по содержанию и эксплуатации оборудования. 112
10.3.9. Расчет цеховых расходов. 113
10.3.10. Расчет общезаводских расходов. 113
10.4. Определение оптовой цены прибора. 113
10.4.1. Расчет внепроизводственных расходов. 113
10.4.2. Расчет полной себестоимости прибора. 113
11. Охрана труда 115
11.1. Организация труда на предприятии связи 115
11.2. Режим труда и отдыха 118
11.3. Лазерная безопасность 120
11.3.1. Воздействие лазерного излучения на органы зрения 120
11.3.2. Технико-гигиеническая оценка лазерных изделий в России 121
11.3.3. Классы опасности лазерного излучения по СНиП 5804-91 122
11.3.4. Гигиеническое нормирование лазерного излучения 124
11.4. Требования безопасности при эксплуатации лазерных изделий 125
11.4.1. Требования к размещению лазерных изделий 125
11.4.2. Классификация условий и характера труда 126
11.4.3. Требования безопасности при эксплуатации и обслуживании лазерных изделий 127
11.5. Выводы по главе 128
12. Заключение 129
13. Библиография 130
14. Оглавление 131
3
Âûïîëíåí íà îñíîâå âñåì èçâåñòíîé ðàáîòû. Ñïàñèáî àâòîðó, ê âåëèêîìó ñîæàëåíèþ, íå çíàþ åãî èìåíè. Åãî ðàáîòó ìíå äðóã ñêà÷àë. Çàùèùåí 30.06.2000 ã. â ÑÇÏÈ (ÑÏá). Áóäó ðàä ëþáûì îòçûâàì â îòíîøåíèè äàííîãî ïðîèçâåäåíèÿ íà alexp@onego.ru Óäà÷è âñåì! ____________ Alex
