Занятия по пожарно-тактической подготовке. Средства защиты кожи изолирующего типа
1. Начертить схему узла, описать назначение, устройство, работу, проверку исправности и регулировку сигнального устройства АСВ-6.

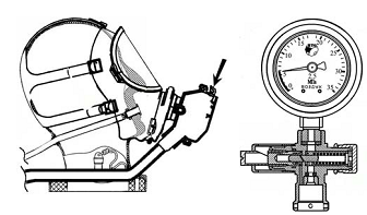
Сигнальное устройство предназначено для предупреждения о снижении давления в баллоне до опасного значения.
Сигнальное устройство АСВ-6 состоит из корпуса, свистка, штока, винта, гайки (2 шт.), втулки, пружины и уплотнительных колец (2 шт.).
Проверка величины срабатывания сигнального устройства:
– закрыть вентиль баллона;
– рычагом легочного автомата плавно стравить давление из воздуховодной системы аппарата до срабатывания звукового сигнала
– зафиксировать показания манометра.
Исправное сигнальное устройство срабатывает при давлении 5 +/ – 0,5 МПа (50 +/- 5 кгс/кв. см).
Регулировку срабатывания сигнального устройства проводят с помощью регулировочного винта, совершая те же манипуляции, что и при проверке величины срабатывания.
2. Методика подготовки и проведения занятий с личным составом ГДЗС. Требования к тренировочным комплексам ГДЗС
При подготовке к проведению тренировочного занятия руководитель составляет методическую разработку, в которой указывается тема, время, цели, место и метод проведения занятия, материальное обеспечение, используемые методические пособия, литература, руководящие документы. Исходя из уровня физической и тактической подготовки газодымозащитников, а также с учетом реальных условий работы (высота подъема и спуска, масса грузов и т.п.) подбираются упражнения для отработки на свежем воздухе, указываются нормативы и задачи, выполняемые в теплодымокамере. Подбор комплексов упражнений, нормативов и задач необходимо осуществлять с таким расчетом, чтобы все рекомендуемые упражнения, нормативы и задачи были отработаны в течение года. Отдельные упражнения могут включаться по несколько раз в различные комплексы.
При подготовке к занятию по пожарно-тактической подготовке, на которой планируется работа звеньев ГДЗС, руководитель занятия, кроме разработки замысла пожарно-тактической задачи, определяет способы имитации задымления, место включения в СИЗОД и расположение поста безопасности, подбирает упражнения, подлежащие отработке в противогазе.
По продолжительности каждое тренировочное занятие на свежем воздухе должно быть не менее 2-х часов со следующим примерным распределением времени:
– постановка цели, решаемых задач, инструктаж по охране труда- 5 минут;
– разминка – 10 минут;
– боевая проверка и включение – 5 минут;
– выполнение упражнений, нормативов и задач в СИЗОД -30–60 мин;
– выключение и отдых – 5 минут;
– разбор занятий – 5 минут.
Чистка, сушка и проверка №2 производится после занятий в течение 45 минут.
Время, отводимое на работу звеньев ГДЗС при решении ПТЗ, может быть уменьшено до 25–30 минут. Время, отводимое на выполнение упражнений, нормативов и задач, может быть сокращено в зависимости от времени защитного действия СИЗОД, но не менее чем до 30 минут.
Тренировка в теплодымокамере предназначена для выработки поддержания у газодымозащитников тепловой адаптации, способствующей сохранению необходимого уровня работоспособности в условиях высокой температуры и влажности.
Обязательное условие тренировки – строгое соблюдение периодичности и последовательности выполнения упражнений. Это позволяет быстрее достичь необходимого уровня тепловой адаптации газодымозащитников. а также поддерживать их заинтересованность в проведении занятий в теплокамерах.
Тепловая тренировка газодымозащитников проводится в следующей последовательности:
1-й этап – при первоначальной подготовке в учебных заведениях;
2-й этап – при боевой подготовке в подразделениях.
Тепловая тренировка газодымозащитников в процессе первоначальной подготовки состоит из трех тренировок в тепловой камере с интервалом в один день по следующей схеме:
1-е занятие: температура 30° С, время – 30 минут;
2-е занятие: температура 40° С, время – 25 минут;
3-е занятие: температура 50° С, время -15 минут.
Тепловая тренировка газодымозащитников в процессе боевой подготовки включает в себя:
– отработку физических упражнений на снарядах и тренажерах;
– тренировку в парильной или сауне.
Время, отводимое на тренировку в теплокамере, рекомендуется распределять следующим образом:
– постановка задачи, инструктаж – 5 минут;
– разминка – 10 минут;
– боевая проверка и включение – 5 минут;
– тренировка на воздухе – до 20 минут;
– отдых – 5 минут;
– определение индекса степ-теста – 15 минут;
– тренировка в теплокамере – 25 минут;
– выключение и отдых – 10 минут.
Перед тренировкой в теплокамере выполняется разминка без включения в СИЗОД в течение 10 минут: из них до 3-х минут – разминочный бег и до 7 минут – общеразвивающие физические упражнения.
Дальнейшая тренировка в течение 20 минут на воздухе проводится с включением в СИЗОД и включает в себя выполнение упражнений и отработку нормативов. После выполнения упражнений и нормативов на воздухе газодымозащитники отдыхают в предкамере 5 минут.
К дальнейшей тренировке в теплокамере допускаются лица, у которых частота сердечных сокращений не превышает 100 ударов в минуту. Тренировка в теплокамере начинается с выполнения газодымозащитниками ступенчатого степ-теста для определения его индекса под руководством медицинского работника и проводится в предкамере, при этом заполняется вкладыш к личной карточке газодымозащитника. Затем тренировка в теплокамере осуществляется на различных типах тренажеров (беговой дорожке, вертикальном эргометре, велоэргометре, тренажере «Темп» и др.) по методу круговой тренировки. Переход от одного тренажера к другому разрешается после отдыха в течение 3–5 минут и восстановления частоты сердечных сокращений до исходного значения, но не более 100 удар/мин. Если за время отдыха пульс до указанной частоты не восстановился, то к дальнейшей тренировке газодымозащитники в дымокамере не допускаются.
Руководитель занятий, с учетом оснащенности дымокамеры средствами имитации, создает в ней обстановку, которая должна быть неизвестной для тренирующихся. Изменение обстановки достигается расстановкой модулей, препятствий, трансформирующихся перегородок, последовательностью включения звуковых и световых эффектов и т.д.
В ходе выполнения поставленной задачи командир звена ГДЗС постоянно передает информацию на пост безопасности об обстановке и своих действиях.
С учетом поступающей информации руководитель занятия с пульта управления, при необходимости, корректирует ход выполнения упражнения.
Тренировки в тепло- и дымокамере можно объединять в зависимости от сложности и объема выполняемых упражнений.
Время, отводимое на тренировку в теплодымокамере, рекомендуется распределять следующим образом:
– постановка задачи и инструктаж – 5 минут;
– определение РWS>170> – 10 минут;
– разминка – 10 минут;
– боевая проверка и включение – 5 минут;
– тренировка на свежем воздухе – до 20 минут;
– отдых – 5 мин;
– тренировка в теплокамере (с выключением) – до 25 минут;
– отдых – 5 минут;
– тренировка в дымокамере – до 20 минут;
– выключение и отдых – 10 минут;
– разбор занятий – 5 минут;
– проведение проверки №2 СИЗОД (после занятий).
В соответствии с [2] тренировочный комплекс по подготовке газодымозащитников включает в себя:
– здание теплодымокамеры;
– площадку с набором спортивных снарядов и тренажеров для проведения тренировок газодымозащитников на чистом воздухе;
– учебный класс;
Оборудование и оснащение теплодымокамеры должны позволять создавать обстановку, максимально приближенную к реальной при тушении пожаров (ликвидации ЧС), обеспечивать безопасность газодымозащитников при проведении занятий.
Учебный класс размещается, как правило, в здании теплодымокамеры (допускается размещать его и в других зданиях тренировочного комплекса). Учебный класс должен быть оборудован столами на 20 – 30 посадочных мест, стендами и наглядными пособиями по порядку работы в изолирующих противогазах и порядку проверки (всех видов и типов изолирующих противогазов гарнизона).
Здание теплодымокамеры включает в себя следующие помещения: теплокамеру, дымокамеру, контрольный пост ГДЗС, душевую, комнаты для медицинского осмотра, включения (выключения) в изолирующие противогазы газодымозащитников в зимнее время, дымообразующих установок, аппаратную (пульт управления) для управления приборами и контроля за работой газодымозащитников.
Теплокамера оборудуется тренажерами, грузами различной массы и эргометрами для создания физических нагрузок, приборами контроля температуры в помещении и за функциональными медицинскими показаниями газодымозащитников.
Для осуществления визуального контроля за нахождением газодымозащитников в теплокамере целесообразно располагать ее рядом с аппаратной управления, а в стене (перегородке) устраивать оконный проем из такого расчета, чтобы был обеспечен обзор всей площади теплокамеры;
Теплодымокамера оборудуется электроосвещением, громкой связью, трансформируемыми перегородками для изменения планировки, тренажерами, позволяющими повышать физическую и психологическую нагрузку при проведении тренировок, устройствами и приборами для создания и контроля за температурным режимом. В теплодымокамере в обязательном порядке оборудуется система аварийного освещения, принудительной вытяжной вентиляции и контроля за местонахождением газодымозащитников.
Требования к тепловой камере:
Тепловая камера должна состоять из предкамеры и камеры, соединяющихся между собой тамбуром. В стене между ними необходимо устраивать смотровое окно (предкамера может быть общей для дымовой и тепловой камер).
Подогрев воздуха в камере должен осуществляться от электронагревательных печей или калориферов. Управление их работой должно быть автоматическое.
Относительная влажность воздуха в камере должна контролироваться с помощью психрометра.
Стены, потолок и полотнища дверей камеры должны иметь необходимую теплоизоляцию.
Требования к дымокамере:
Площадь зала для тренировок должна быть рассчитана на одновременную тренировку двух звеньев (из расчета не менее 10 кв. м на одного газодымозащитника), высота помещений дымокамеры не менее 2,5 м.
Зал для тренировок оборудуется двумя и более выходами. Над выходами с внутренней стороны устанавливаются световые указатели с надписью: «Выход», включаемые с пульта управления.
Перед помещениями для задымления следует устраивать незадымляемые тамбуры для исключения проникновения дыма в другие помещения дымокамеры.
Пол в дымокамере должен быть ровным, нескользким (бетон, асфальт и тому подобное) с уклоном в сторону трапов для стока воды в канализацию. Стены и потолок выполняются из материалов, допускающих их мойку водой.
При проведении занятий в теплодымокамере должны соблюдаться следующие условия:
в теплокамере:
температура воздуха – 60 +/- 2 град. C;
относительная влажность – 25 – 30%;
концентрация углекислого газа – не более 5%;
концентрация окиси углерода (CO) – не более 0,024%;
освещенность – 150 – 200 лк;
в дымокамере:
температура воздуха – не более 30 град. C;
относительная влажность – до 100%.
Аварийная принудительная вентиляция должна обеспечивать содержание в помещении дымокамеры по истечении 5 минут с момента ее включения углекислого газа не более 5%, а окиси углерода – не более 0,024%.
3. Современные средства защиты кожи изолирующего типа
Изолирующие средства защиты кожи предназначены для предохранения людей от воздействия агрессивных химических, отравляющих, радиоактивных веществ и бактериальных средств.
Средства защиты кожи изолирующего типа подразделяются на легкие и повышенной стойкости. К легким относятся КИХ-4, КИХ-5, КИХ-6, Auer Plastiklos Overall, Tuvek Protec Plus F, Drager ChemTuff, Drager Chemrell, Drager WorkStar и др. К костюмам повышенной степени защиты – изолирующие вентилируемые костюмы Trellborg (Trellchem Light, Trellchem Butil, Trellchem Super), костюмы WorkMaster и TeamMaster фирмы Drager, костюмы Vantex Elite, Vantex SL, Vantex3 фирмы Auer и др.
Костюмы КИХ-4, КИХ-5, КИХ-6 – предназначены для защиты работников при выполнении аварийных, ремонтных и других неотложных работ в условиях высоких концентраций газообразных АХОВ. Время защитного действия по газообразному аммиаку – не менее 60 мин; по жидкому – не менее 2 мин.
Костюм изолирующий химический (КИХ) состоит из защитного костюма, резиновых и хлопчатобумажных перчаток. Костюм представляет собой герметичный комбинезон с капюшоном, в лицевую часть которого вклеено панорамное стекло (рис. 1). Брюки комбинезона оканчиваются чулками из прорезиненного материала, поверх которых надеваются резиновые сапоги. Для надевания и снятия костюма на спине комбинезона имеется лаз. Его герметизация проводится путем скручивания костюмной ткани. Комплект КИХ-4 используется в сочетании с одной из дыхательных систем типа АСВ, КИП-8, которая размещается в подкостюмном пространстве.
Комплекты КИХ-5 (6) используются с изолирующим противогазом ИП-4МК, размещаемом внутри костюма.
Выдыхаемый воздух попадает под костюм и через клапан сброса избыточного давления, расположенный на затылочной части капюшона, выбрасывается в атмосферу.
Комплект можно использовать для работы в широком диапазоне температур: от -40° до +40 °С.
К


их-4
Ких-5 Ких-6
Одними из наиболее эффективных современных средств индивидуальной защиты кожи являются газонепроницаемые костюмы химической и газовой защиты «Trellchem». Они специально разработаны для работы в особо опасных условиях и являются костюмами полной защиты против сильных заражающих компонентов и агрессивных веществ.
Все костюмы изготавливаются в виде 2-х модификаций:
1. костюм со встроенным смотровым стеклом, полностью капсулированный – дыхательный аппарат внутри (модель TE).
2. некапсулированный костюм, который предназначен для ношения дыхательного аппарата снаружи (модель T).



Super 162–02 Light TE Light T
Рис. 2. Средства индивидуальной защиты кожи «Trellchem»
Данные защитные костюмы удобны в ношении благодаря эргономическому исполнению, возможности выбора различных размеров, малой массы (около 8 кг) и эластичности материала.
Существует также европейская система классификации костюмов химической защиты. По ней все костюмы делятся на 6 типов:
1 тип – газонепроницаемые;
2 тип – газопроницаемые;
3 тип – проницаемые для жидкости;
4 тип – проницаемые для аэрозолей;
5 тип – непроницаемые для твердых мелких частиц;
6 тип – брызгозащитные, с ограниченной областью применения.
Первой и второй можно отнести к изолирующим костюмам повышенной стойкости, третий и четвертый – к легким костюмам, 5 и 6 – к вспомогательным.
Костюмы первого и второго типа применяются при ведении химической разведки, когда концентрации и вид АХОВ неизвестны, при высоких концентрациях агрессивных АХОВ (кислоты, щелочи, органические окислители), при ликвидации аварий с опасными летучими соединениями.
Костюмы третьего и четвертого типа применяются при низких концентрация АХОВ, при работе с неагрессивными АХОВ, а также при работе с агрессивными АХОВ, но после разбавления (нейтрализации) до безопасных для данного вида АХОВ концентраций.
Костюмы пятого и шестого типа (подручные средства) применяются в условиях низких концентраций неагрессивных веществ, при приготовлении дегазирующих и дезактивирующих растворов, при проведении специальной и санитарной обработки.
Литература
1. Стешин А.Е. и др. Аварийно-спасательная техника и связь. Учебно-методическое пособие. – Мн.: КИИ, 2004.
2 Постановление МЧС Республики Беларусь от 29.12.2003 №42 (в ред. от 06.01.2006) «Об утверждении правил организации деятельности газодымозащитной службы в органах и подразделениях по чрезвычайным ситуациям Республики Беларусь»
3. Ефимчик М.К. Технические средства электронных систем. Вводный курс: Учеб. пособие. – Мн.: Тесей, 2000.