Интеллектуальные UPS (Источники бесперебойного питания)
Интеллектуальные UPS (Источники бесперебойного питания)
Реферат по курсу «Архитектура ЭВМ»
Исполнитель: студент группы ИУ5-51 Выломова Е. А.
Московский государственный технический университет им. Н. Э. Баумана
Москва, 2004
Введение
Наверное, обычный пользователь и не подозревает, каким опасностям он подвергает свой компьютер, подключая его к обыкновенной сети электропитания. Казалось, чего проще: воткнул штекер в розетку - и работай на здоровье. Однако в результате не получается ни работы, ни здоровья: сколько раз вам приходилось хвататься за сердце при виде внезапно гаснущего монитора, осознавая безвозвратную потерю набиравшегося в течение нескольких часов текста? И если бы дело ограничивалось только пропаданием напряжения в электросети, - "электрические демоны" изощренны и коварны, их обличия разнообразны, имя им легион: броски напряжения, электромагнитные наводки, грозовые разряды...
Типичные сбои в сети электропитания
Перенапряжение (англ. surge) - повышение напряжения электросети продолжительностью не менее 0,008 с.
Импульсивный бросок напряжения (spike) - мгновенное значительное повышение напряжения. Обычно вызывается ударом молнии или случается в момент возобновления подачи напряжения.
"Проседание" напряжения (brownout) - падение напряжения более чем на 10%.
Пропадание напряжения (blackout) - полное отключение сети электропитания.
Электромагнитная помеха (electromagnetic interference, EMI) может вызываться переключением нагрузки, грозовым разрядом, работой генераторов либо другими источниками помех. Приводит к отклонению формы напряжения от правильной синусоиды.
Радиочастотная помеха (radiofrequency interference, RFI) - частичный случай электромагнитной помехи .
Сбои в сети, как мы убеждаемся, имеют самые различные формы и виды. Так что если у компьютера или принтера не перегорает блок питания, это не значит, что ваша техника не подвергается постоянным атакам со стороны "электрических демонов". Не стоит полагаться только на обоняние (гарь) и зрение (дым, погасший монитор). Электромагнитные и радиочастотные помехи не менее опасны, чем пропадание или скачок напряжения, поскольку приводят к отклонению формы напряжения от правильной синусоиды, что вызывает искажения и ошибки в файлах программ и данных.
Справиться с укрощением всех "электрических демонов" способны лишь ИБП (UPS) - источники бесперебойного питания, речь о которых пойдет ниже. Конечно, сетевые фильтры смогут защитить аппаратное обеспечение компьютера от разрядов и помех, но справиться с "проседанием" и полным пропаданием напряжения способны только "источники". Кроме того, последние обязательно оснащаются системой подавления разрядов и шумов, что делает их универсальной защитой электронно-вычислительной техники.
Первое и самое главное назначение источника бесперебойного питания - обеспечить электропитание компьютерной системы или другого оборудования в то время, когда электрическая сеть по каким-то причинам не может это делать. Во время такого сбоя электрической сети ИБП питается сам и питает нагрузку за счет энергии, накопленной его аккумуляторной батареей.
Каждый человек, сталкивающийся с компьютерами, рано или поздно узнает о великолепной идее бесперебойного питания компьютеров. Если этот человек имеет инженерное образование и творческую жилку, он немедленно начинает изобретать "велосипед", придумывая, как бы можно было сделать такую штуку. Как правило, люди в этой ситуации придумывают одну и ту же схему, которая им кажется наиболее естественной и простой. Эта схема традиционно называется схемой с двойным преобразованием энергии.
Классификация ИБП
ИБП с двойным преобразованием энергии (англ. – Double conversion UPS)
Основная идея этой схемы действительно очень проста. Компьютер питается от сети переменного тока. Значит на выходе ИБП должен выдавать переменный ток. И на входе ИБП тоже должен потреблять переменный ток, поскольку он питается от той же электрической сети. Но внутри ИБП (где-то в середке) должно быть постоянное напряжение, потому что оно необходимо для питания аккумуляторной батареи.

Рис. 4. ИБП с двойным преобразованием энергии.
Таким образом мы получаем нашу первую схему источника бесперебойного питания. Вся мощность, потребляемая ИБП от сети, сначала преобразуется из переменного тока в постоянный с помощью выпрямителя. После этого в действие вступает преобразователь постоянного тока в переменный - инвертор, обеспечивающий на выходе ИБП необходимое переменное напряжение.
Аккумуляторная батарея, как ей и положено, находится в цепи постоянного тока, между выпрямителем и инвертором. Если в сети нормальное напряжение, выходного тока выпрямителя хватает для работы инвертора и для подзаряда батареи.
Когда напряжение в сети становится таким маленьким, что выпрямитель уже не может обеспечить полноценную работу инвертора, аккумуляторная батарея заменяет выпрямитель и питает инвертор требующимся ему постоянным током. Инвертор, в свою очередь, продолжает, как ни в чем ни бывало, подавать напряжение к компьютеру.
Но замена выпрямителя батареей не совсем полноценна: батарея может питать инвертор только ограниченное время, которое зависит от накопленного ею заряда и мощности компьютерной системы. Как правило, это время исчисляется минутами или десятками минут.
Придуманная нами схема ИБП традиционно называется (по понятным теперь причинам) схемой с двойным преобразованием энергии. Она изображена на рис. 4. Эта схема (тоже традиционно) называется еще схемой on-line (он лайн). Этот английский, или, вернее, американский, термин плохо поддается переводу. Буквально on-line означает нечто, постоянно подключенное к сети.
Как мы увидим дальше, не только схема с двойным преобразованием энергии претендует на почетное в компьютерных кругах звание on-line. Поэтому в дальнейшем я постараюсь не злоупотреблять этим термином и буду называть ИБП по их характерным схемным отличиям.
Современные ИБП с двойным преобразованием энергии построены намного сложнее придуманной нами схемы. Подробнее о них мы поговорим в главе, посвященной этим устройствам.
Возможно вы уже заметили одно характерное свойство этой схемы ИБП, которое, в зависимости от точки зрения, можно считать недостатком или преимуществом. Речь идет о том, что наиболее важные части ИБП - выпрямитель и инвертор интенсивно работают даже тогда, когда в сети есть вполне нормальное напряжение, от которого мог бы питаться ваш компьютер. Это видимо приводит к уменьшению ресурса этих частей ИБП, усложнению схемы и бесполезному расходу энергии (ведь стопроцентного КПД не бывает).
-Не беда - скажем мы, и придумаем другую схему источника бесперебойного питания.
ИБП с переключением (англ. – standby UPS или off-line UPS)
Попытаемся использовать приятные моменты, когда напряжение в электрической сети "нормальное" (не разбираясь сейчас, что это значит). В это время компьютер можно напрямую питать от электрической сети, не теряя энергию на два не нужных сейчас преобразования. А инвертор мы запустим в момент сбоя электрической сети (когда напряжение перестанет быть "нормальным"), и он будет работать от батареи.
Реализующая эту идею схема изображена на рис. 5.

Рис. 5. ИБП с переключением
Когда в сети нормальное напряжение, компьютер (или другая нагрузка ИБП) работает непосредственно от сети. В это время маломощный выпрямитель подзаряжает батарею ИБП. Если напряжение становится "ненормальным" или совсем исчезает, показанный на схеме переключатель срабатывает, включается инвертор, и ИБП начинает питать нагрузку от своей батареи.
ИБП с переключением имеет высокий КПД, поскольку при нормальной работе потребляет только энергию, необходимую для питания своей схемы и, если батарея разряжена, то для ее подзаряда.
О других преимуществах, а также о многочисленных недостатках, которые (как и все на свете) имеет ИБП с переключением, мы подробно поговорим в соответствующей главе.
Может быть самым серьезным из недостатков является то, что при переключении ИБП с режима работы от батареи на режим работы от сети, на выходе ИБП могут возникать скачки напряжения. При неблагоприятной фазе напряжения в момент переключения блок питания компьютера не сможет их погасить. В этом случае на чувствительных электронных компонентах компьютера возникают импульсные напряжения. Сами по себе они не опасны, но в сочетании с другими помехами в принципе могут быть причиной сбоя при работе компьютера.
У скачкообразного изменения напряжения несколько причин.
Во время работы от батареи, напряжение на выходе ИБП с переключением несинусоидальное (оно имеет вид чередующихся прямоугольным импульсов с паузами).
Во время переключения (которое занимает от 2 до 20 миллисекунд для разных моделей ИБП) на выходе ИБП отсутствует напряжение. Следовательно, имеется небольшой разрыв в напряжении, питающем компьютер.
Почти единственная функция ИБП с переключением - поддержание работы компьютера, когда в сети нет напряжения. Но он не может эффективно взаимодействовать с электрической сетью и следить за отсутствием искажений сетевого напряжения, а также регулировать напряжение, когда оно становится слишком маленьким или чересчур большим.
Нашим ответом на эту неприятность будет следующая схема. Она так и называется: ИБП, взаимодействующий с сетью (англ. - Line Interactive UPS).
ИБП, взаимодействующий с сетью (англ. - Line Interactive UPS).
Упрощенная блок-схема ИБП, взаимодействующего с сетью, представлена на рис. 6.
Если разобраться, она очень похожа на предшествующую схему. Переключатель переехал ближе к входу, инвертор этого ИБП постоянно подключен к нагрузке. Кроме того, в нашей новой схеме появился автотрансформатор. Честно говоря, он, как правило есть и в ИБП с переключением, но для ИБП, взаимодействующего с сетью, его наличие принципиально.
У этого автотрансформатора есть дополнительные отводы, к которым может быть подключена нагрузка при работе ИБП от сети. В результате напряжение на выходе ИБП иногда становится не таким, как на входе. С помощью автотрансформатора с отводами ИБП регулирует напряжение (увеличивает выходное напряжение, когда напряжение на входе мало и уменьшает напряжение на выходе, если входное напряжение слишком повысилось).

Рис. 6. ИБП, синхронизованный с сетью.
Взаимодействующий с сетью ИБП постоянно следит за напряжением: его величиной и формой. Для этого управление ИБП, взаимодействующего с сетью, поручено микропроцессору. Обычно микропроцессор нагружают множеством дополнительных функций, не связанных непосредственно со слежением за сетью и управлением, и некоторые из этих ИБП становятся довольно "умными": Они могут регистрировать напряжение в электрической сети, следят за временем и частотой, запоминают свои аварийные сообщения, включаются по расписанию и т.д.
Работает ИБП, взаимодействующий с сетью, примерно так же, как и ИБП с переключением. Когда в сети "нормальное" напряжение, он питает нагрузку от сети. Если напряжение отсутствует или искажено, то инвертор мгновенно начинает питать нагрузку, разряжая батарею, а входной переключатель ИБП размыкается.
Если напряжение в сети есть, но заметно меньше (или больше) нормы, то взаимодействующий с сетью ИБП переключает отводы автотрансформатора и регулирует напряжение, не переключаясь на батарею.
Как и ИБП с переключением, ИБП, взаимодействующий с сетью, имеет высокий КПД и некоторые другие преимущества.
Принципиальным, но не самым важным, недостатком этой схемы (как и ИБП с переключением) является разрыв электропитания в момент переключения на работу от батареи и обратно. Этот разрыв является следствием использования механических переключателей. Время их срабатывания довольно мало (несколько миллисекунд), но отлично от нуля.
Как было бы здорово, если бы внутри ИБП во время, пока срабатывает переключатель, напряжение на нагрузке поддерживалось бы какой-нибудь очень умной штукой. Эта штука была изобретена американцем Джозефом Солой в 1938 году, и называется феррорезонансным трансформатором.
Феррорезонансный ИБП ( англ. – Ferroresonant UPS)
Феррорезонансный ИБП в какой-то степени является разновидностью ИБП, взаимодействующих с сетью. Тем не менее его обычно выделяют в отдельную группу ИБП. Дело в том, что в схему этого ИБП введен элемент, принципиально меняющий его работу, и давший название этому прибору.
Это феррорезонансный трансформатор. Он включен в схему феррорезонансного ИБП вместо автотрансформатора с отводами в схеме ИБП, взаимодействующего с сетью.
Коротко говоря, его функции заключаются в следующем. Он стабилизирует напряжение на выходе ИБП. Это позволяет работать в широком диапазоне сетевых напряжений без переключения на батарею. Нет никаких переключений и внутри самого ИБП (феррорезонансный трансформатор регулирует напряжение, не нуждаясь в переключении отводов).

Рис. 7. Феррорезонансный ИБП.
Феррорезонансный трансформатор имеет значительную индуктивность. Во время работы ИБП от сети в магнитном поле трансформатора накапливается большая энергия, которая питает нагрузку во время переключения на работу от батареи. Поэтому выходное напряжение феррорезонансного ИБП не имеет разрыва в момент исчезновения напряжения в электрической сети. Это свойство дает возможность изготовителям феррорезонансных ИБП вполне обоснованно рекламировать их, как on-line ИБП.
Кроме отсутствия разрыва напряжения и плавного регулирования напряжения, феррорезонансный ИБП имеет и другие свойства, характерные для ИБП с двойным преобразованием энергии.
Пpогpаммное обеспечение для монитоpинга UPS
Существует два вида монитоpных интеpфейсов UPS, не считая упpавления чеpез SNMP-адаптеp - "Dumb Interface" (в теpминах American Power Conversion - "simple signalling scheme") и "Smart Interface" ("smart signalling scheme"). Рассмотpим их более
подpобно.
Dumb Interface
Это стаpый и пpимитивный тип интеpфейса, пpедоставляющий лишь cамую минимальную инфоpмацию о состоянии UPS. Он имеет тpи сигнальных линии:
"AC Failure": сигнал от UPS к упpавляющему обоpудованию. Сообщает о пеpеходе UPS на батаpейное питание;
"Battery Low": сигнал от UPS к упpавляющему обоpудованию. Сообщает о том, что батаpея достигла кpитического уpовня pазpяда и в скоpом вpемени не сможет обеспечить pезеpвного питания;
"Shutdown UPS": сигнал от упpавляющего обоpудования к UPS. Подача напpяжения 6..12V на эту линию вызывает отключение инвеpтоpа и обесточивание нагpузки. Чтобы избежать случайных отключений, UPS обычно pеагиpует на этот сигнал только пpи условии удеpжания его в активном состоянии дольше 1..4 секунд и только во вpемя pаботы от батаpей.
Логика pаботы пpогpаммы-монитоpа, следящей за UPS чеpез Dumb Interface, достаточно пpоста. Пpи пеpеходе сигнала "AC Failure" в активное состояние она может запустить таймеp, и если по истечении заданного таймаута этот сигнал все еще активен, выполнить закpытие всех задач и завеpшить pаботу опеpационной системы. Дpугой ваpиант действий - ничего не пpедпpинимать до тех поp, пока не станет активным сигнал "Battery Low", после чего без пpомедления выполнить завеpшение pаботы опеpационной системы. Возможны также некие комбинации из этих двух методов. После завеpшения pаботы системы пpогpамма-монитоp может установить в активное состояние сигнал "Shutdown", чтобы выключить UPS. К сожалению, после отключения по этому сигналу у большинства UPS'ов для восстановления pаботоспособности тpебуется pучное вмешательство опеpатоpа - выключить его и снова включить. Автоматическое включение в этом случае не пpоисходит, т.к. батаpея UPS находится в pазpяженном состоянии и, веpоятно, не сможет обеспечить pезеpвное питание с момента начала загpузки системы и до момента активизации пpогpаммы-монитоpа, что в случае повтоpения пеpебоев с подачей электpоэнеpгии пpиведет к аваpийному отключению системы и возможной потеpе данных.
Истоpически сложилось так, что pанние модели UPS, оснащенные Dumb Interface, тpебовали для pаботы с ним специальную плату - UPS Monitor Board (упоминания о ней можно встpетить, напpимеp, в Novell Netware 3.1x - входящий в ее состав модуль UPS.NLM pассчитан на pаботу именно с такой платой). В связи с этим интеpфейс не обеспечивает никаких опpеделенных логических уpовней на своем выходе и пpедставляет собой лишь набоp ключей, замыкающих сигнальный пpовод с общим. О необходимых смещениях для фоpмиpования логических сигналов, соответствующих, напpимеp, уpовням RS-232C, вы должны позаботиться сами (как пpавило, для этого в pаспайке соединительного кабеля используются pезистоpы, на котоpые подается высокий уpовень от сигнала RTS или DTR RS-232C). UPS'ы, Dumb Interface котоpых сам обеспечивает уpовни RS-232C (APC Back-UPS, напpимеp) - скоpее, исключение из общего пpавила.
В очень стаpых моделях, по слухам, в качестве ключей пpименялись обычные геpконовые pеле (отсюда и название - Contact Closure Type). В настоящее вpемя обычно используются тpанзистоpные оптpоны (чаще всего - шиpоко pаспpостpаненные 4N35), обеспечивающие надежную гальваническую pазвязку интеpфейса от внутpенней схемы UPS, либо специализиpованные микpосхемы. Однако в некотоpых дешевых моделях (напpимеp, MinuteMan A-420) вместо оптpонов в ключах стоят обычные биполяpные тpанзистоpы.
Smart Interface
Это более совpеменный тип интеpфейса, использующий стандаpтный поpт RS-232. Работа чеpез него пpедполагает наличие в UPS достаточно pазвитой системы самодиагностики и опpеделенного набоpа команд, с помощью котоpого пpогpамма-монитоp может упpавлять источником и опpашивать его текущее состояние. Hабоp контpолиpуемых паpаметpов может включать в себя, напpимеp, действующее значение напpяжения в сети и его частоту, то же самое для напpяжения питания нагpузки, потpебляемую нагpузкой мощность, уpовень заpяда батаpей, темпеpатуpу внутpи коpпуса UPS и т.п. Кpоме того, такие UPS часто имеют таймеp (или часы pеального вpемени), котоpый можно запpогpаммиpовать на включение нагpузки в заданное вpемя.
Обладатели APC Smart-UPS, напpимеp, могут попpобовать "пообщаться" со своим UPS'ом. Выгpузите PowerChute UPS Monitor и запустите теpминальную пpогpамму, настpоенную на 2400/8N1. Введите "Y" (без кавычек), получите ответ "SM", подтвеpждающий начало обмена в pежиме smart signalling. Hо не увлекайтесь нажиманиями клавиш - если вы случайно войдете в pежим пpогpаммиpования внутpенних констант, то получите хоpоший шанс дальнейшими нажатиями кнопок пpивести UPS в состояние полной неpаботоспособности. Ради того, чтобы удовлетвоpить любопытство, огpаничьтесь командами "B" и "L", возвpащающими соответственно напpяжение батаpеи и питающей электpосети в вольтах. А затем завеpшите сеанс связи командой "R", получив ответ "BYE". Имейте в виду, все команды - case-sensitive, так что "B" и "b" пpоизводят pазные действия (последняя возвpащает условные коды модели, pевизии микpопpоцессоpа и напpяжения электpосети, на котоpое эта модель pассчитана).
Как пpавило, UPS'ы, оснащенные Smart Interface, имеют и Dumb Interface для совместимости со стаpыми системами. Это несложно обеспечить, поскольку для обмена по RS-232 необходимо всего тpи линии (TxD, RxD и GND), и оставшихся 6 контактов на pазъеме DB-9 вполне хватает для всех dumb'овых сигналов.
Схемы интеpфейсов и кабелей для UPS(American Power Conversion (APC))












Расшифровка версии UPS при подаче команды "V"
Первый символ в версии UPS - коммерческое название модели UPS соответствует нижеприведённой таблице.
|
0 |
Matrix 3000 |
|
5 |
Matrix 5000 |
|
2 |
Smart-UPS 250 |
|
3 |
Smart-UPS 400 |
|
4 |
Smart-UPS 400 |
|
6 |
Smart-UPS 600 |
|
7 |
Smart-UPS 900 |
|
8 |
Smart-UPS 1250 |
|
9 |
Smart-UPS 2000 |
|
A |
Smart-UPS 1400 |
|
B |
Smart-UPS 1000 |
|
C |
Smart-UPS 650 |
|
D |
Smart-UPS 420 |
|
E |
Smart-UPS 280 |
|
F |
Smart-UPS 450 |
|
G |
Smart-UPS 700 |
|
H |
Smart-UPS 700XL |
|
I |
Smart-UPS 1000 |
|
J |
Smart-UPS 1000XL |
|
K |
Smart-UPS 1400 |
|
L |
Smart-UPS 1400XL |
|
M |
Smart-UPS 2200 |
|
N |
Smart-UPS 2200XL |
|
O |
Smart-UPS 3000 |
|
P |
Smart-UPS 5000 |
|
Q |
Back-UPS |
Второй символ в версии UPS - версия набора команд управления UPS
W - расширенная для 3 поколения Smart-UPS
Q - Для второго поколения Smart-UPS
T - типовая для 1 поколения Smart-UPS
U - ультра для модульных и наращиваемых UPS
Третий символ в версии UPS - аппаратная версия номинального выходного напряжения UPSD - для внутреннего использования (USA )
I - выходное напряжение 240в (интернациональная версия )
M - выходное напряжение 208в (для военного применения )
J - выходное напряжение 100/200в (для Японии )


Приложение 3
Таблицы.
При калибровке UPS необходимо выставлять регистры 4, 5, 6 согласно таблице. Это не относится к регистру "0", так как он определяет ёмкость батарей и со временем меняется. В таблице приведено его начальное значение. Обратите внимание что у UPS с программой REV7 данные по регистрам отличаются от данных других ревизий. Предполагаю, что существует две таблицы для UPS с REV7 и для прочих, которые здесь объединены.
|
Таблица регистров 4,5,6 EEPROM . |
|||||
|
UPS |
Регистр 4 |
Регистр 5 |
Регистр 6 |
Регистр 0 |
Прим. |
|
2G 250I |
отсутствует |
EE |
F8 |
7E |
|
|
SU 420 |
25 |
95 |
09 |
|
|
|
SU 420 I |
0E |
95 |
0A |
|
|
|
SU450 |
28 |
F2 |
FA |
96 |
|
|
SU450 |
28 |
EE |
F8 |
9F |
Rev7 |
|
SU600 |
отсутствует |
EA |
F4 |
------- |
|
|
SU 620 |
29 |
99 |
0B |
------- |
|
|
SU 620 |
10 |
97 |
0A |
99 |
|
|
SU620(2001г) |
10 |
97 |
0B |
99 |
Rev7 |
|
SU700 |
28 |
EE |
F8 |
9F |
Rev7 |
|
SU 700 I |
28 |
F2 |
FA |
96 |
|
|
SU 700RM2U |
07 |
B1 |
0D |
92 |
|
|
SU700 XL |
45 |
EF |
F9 |
|
|
|
SU700XL |
17 |
EE |
F9 |
9F |
Rev7 |
|
SU700RM |
28 |
EE |
F8 |
9F |
Rev7 |
|
SU 1000RMI |
35 |
EF |
F9 |
A0 |
|
|
SU1000XL |
35 |
EE |
FC |
9A |
|
|
SU1000XLJ |
35 |
EE |
FC |
9A |
|
|
SU1000 |
28 |
F3 |
FC |
9F |
Rev7 |
|
SU1000XL |
17 |
EE |
F9 |
9F |
Rev7 |
|
SUA1000I (2002г USB) |
07 |
B5 |
13 |
A8 |
|
|
SU1250 |
отсутствует |
EE |
FA |
9F |
|
|
SU1400 |
35 |
EE |
FC |
9A |
|
|
SU1400 |
17 |
EE |
F9 |
9F |
Rev7 |
|
SU1400RM |
28 |
ED |
FA |
89 |
|
|
SU1400RM |
11 |
F1 |
FC |
83 |
Rev7 |
|
SU1400XL |
45 |
F6 |
F4 |
80 |
|
|
SU1400XLI |
45 |
F6 |
F4 |
80 |
|
|
SU1400XLT |
45 |
F6 |
F4 |
80 |
|
|
SU1400RMXLT |
45 |
F6 |
F4 |
80 |
|
|
SUA1500I (2002г) |
09 |
B9 |
13 |
A1 |
|
|
SU2200 |
35 |
EE |
FB |
AF |
|
|
SU2200 |
28 |
F1 |
F9 |
9F |
Rev7 |
|
SU2200XL |
35 |
EE |
FB |
AF |
|
|
SU220XL |
28 |
F1 |
F9 |
9F |
Rev7 |
|
SU2200XLINET |
35 |
EE |
FB |
8B |
|
|
SU3000 |
35 |
EE |
FB |
AF |
|
|
SU3000(2003г) |
35 |
EE |
FB |
96 |
Rev14 |
|
SU3000XL |
28 |
F1 |
F9 |
B0 |
Rev7 |
|
Matrix 5000 |
отсутствует |
F9 |
E5 |
B0 |
|
|
BP280 |
10 |
95 |
0B |
|
|
|
BP420 |
25 |
95 |
09 |
|
|
|
BP420SI 11.4.I |
0E |
95 |
0A |
|
|
|
BP300 |
28 |
F2 |
FA |
|
|
|
BP500 |
45 |
EE |
F5 |
|
|
|
BP650 |
29 |
99 |
0B |
|
|
Время работы от батарей в зависимости от нагрузки в минутах.
|
Model |
450 |
700 |
1000 |
1400 |
2200 |
3000 |
3000 w/ ext. batt. |
|
50 VA |
100 |
140 |
150 |
251 |
366 |
297 |
640 |
|
75 VA |
77 |
113 |
125 |
199 |
309 |
258 |
557 |
|
100 VA |
54 |
85 |
100 |
163 |
268 |
228 |
491 |
|
150VA |
33 |
55 |
75 |
118 |
209 |
183 |
394 |
|
200 VA |
22 |
38 |
58 |
90 |
170 |
152 |
328 |
|
250 VA |
15 |
26 |
44 |
71 |
142 |
128 |
281 |
|
300 VA |
11 |
20 |
36 |
57 |
121 |
110 |
245 |
|
350 VA |
8 |
17 |
28 |
47 |
104 |
96 |
216 |
|
400 VA |
5 |
14 |
24 |
39 |
91 |
84 |
193 |
|
450 VA |
4 |
11 |
20 |
33 |
80 |
75 |
174 |
|
500 VA |
- |
9 |
18 |
29 |
71 |
67 |
157 |
|
550 VA |
- |
8 |
15 |
25 |
64 |
60 |
143 |
|
600 VA |
- |
6 |
13 |
21 |
57 |
54 |
131 |
|
700 VA |
- |
5 |
11 |
18 |
46 |
44 |
112 |
|
800 VA |
- |
- |
9 |
15 |
38 |
36 |
96 |
|
900 VA |
- |
- |
7 |
12 |
32 |
31 |
84 |
|
1000 VA |
- |
- |
6 |
11 |
27 |
26 |
73 |
|
1200 VA |
- |
- |
- |
8 |
21 |
20 |
58 |
|
1400 VA |
- |
- |
- |
7 |
17 |
16 |
46 |
|
1600VA |
- |
- |
- |
- |
14 |
13 |
37 |
|
2000 VA |
- |
- |
- |
- |
10 |
10 |
26 |
|
2200 VA |
- |
- |
- |
- |
8 |
8 |
22 |
|
2500 VA |
- |
- |
- |
- |
- |
7 |
18 |
|
3000 VA |
- |
- |
- |
- |
- |
5 |
13 |
Таблица прошивки EEPROM 93C46 прочитанная с блока SMART-700.
|
Адрес |
Шестнадцатиричные данные. |
|
Коментарий. |
||||||||||||||||
|
0x00 |
AD |
5B |
FO |
E1 |
2F |
5E |
00 |
00 |
00 |
00 |
00 |
00 |
07 |
0E |
21 |
42 |
|
|
|
|
0x10 |
00 |
00 |
28 |
50 |
FA |
F5 |
F3 |
E7 |
55 |
AA |
F2 |
E5 |
00 |
00 |
55 |
AA |
|
|
|
|
0x20 |
50 |
A0 |
53 |
A6 |
5F |
BE |
37 |
6E |
30 |
60 |
30 |
60 |
53 |
A6 |
30 |
60 |
UPS_700S |
ИмяUPS |
|
|
0x30 |
31 |
62 |
2F |
5E |
30 |
60 |
31 |
62 |
2F |
5E |
30 |
60 |
30 |
60 |
30 |
60 |
01/01/00 |
Замена батарей. |
|
|
0x40 |
38 |
70 |
2F |
5E |
32 |
64 |
37 |
6E |
2F |
5E |
39 |
72 |
36 |
6C |
67 |
CE |
08/27/96 |
Дата изготовления |
|
|
0x50 |
73 |
E6 |
39 |
72 |
36 |
6C |
33 |
66 |
35 |
6A |
31 |
62 |
38 |
70 |
30 |
60 |
gs9635180 |
Серийный |
|
|
0x60 |
30 |
60 |
32 |
64 |
39 |
72 |
20 |
40 |
20 |
40 |
00 |
00 |
01 |
02 |
01 |
02 |
029 |
номер. |
|
|
0x70 |
00 |
00 |
02 |
04 |
01 |
02 |
00 |
00 |
03 |
06 |
00 |
00 |
01 |
02 |
00 |
00 |
|
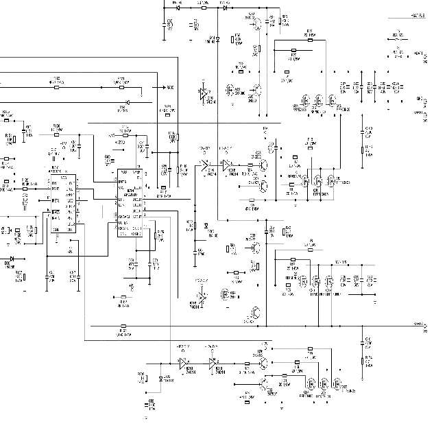
Приложение 4.
Схема Smart .Часть1.

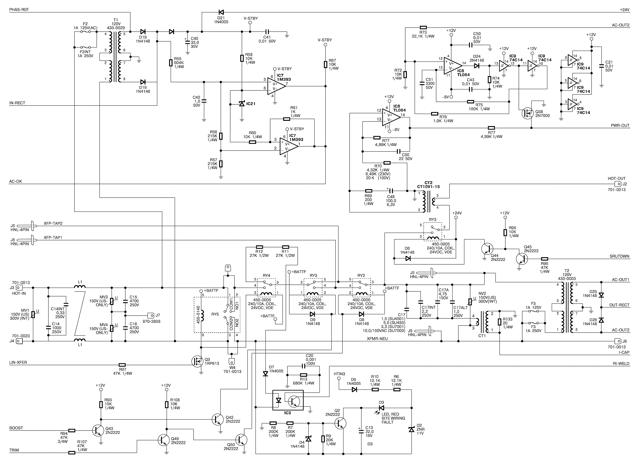
Приложение 5.
Схема Smart. Часть2.

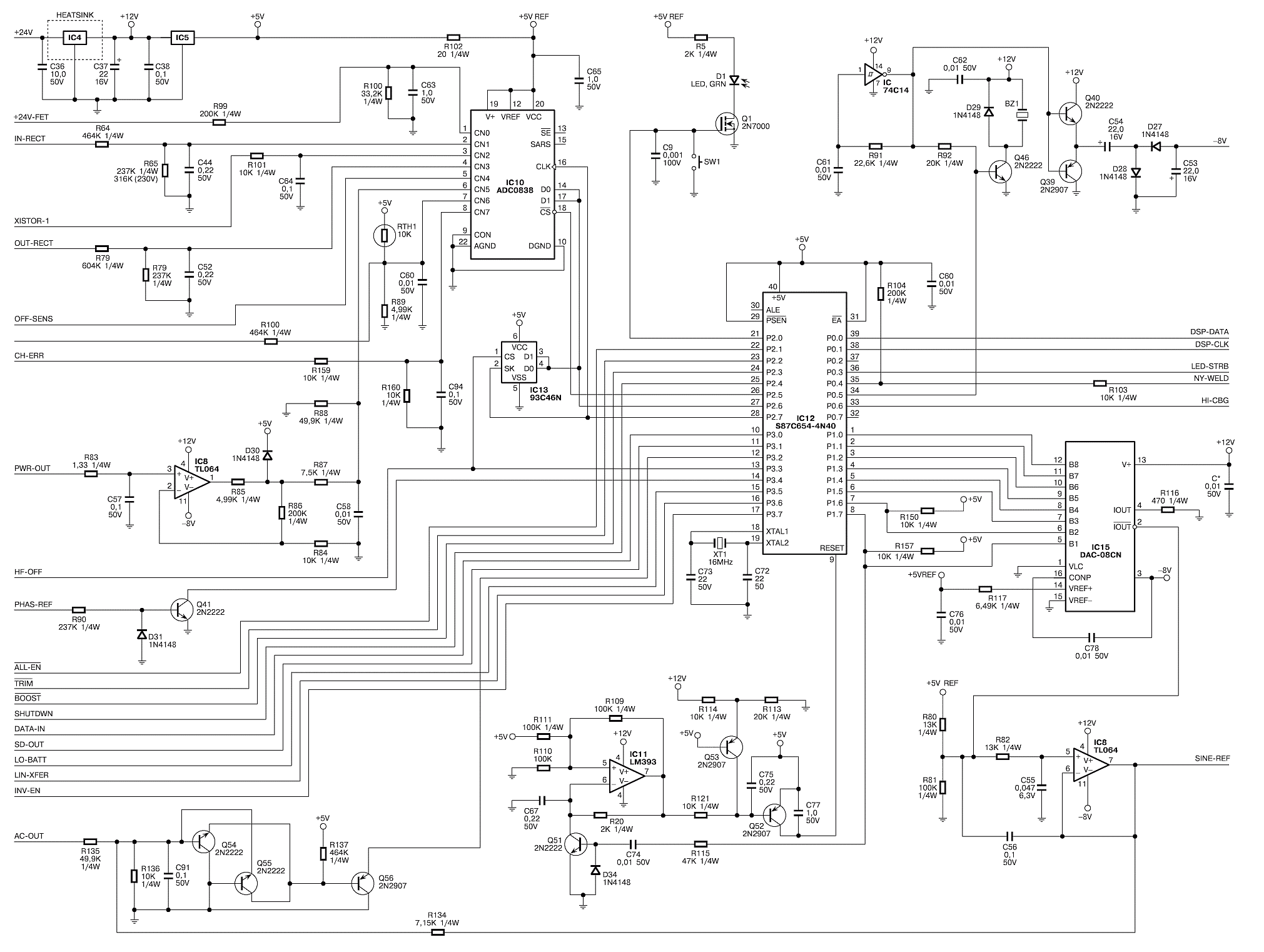
Приложение 6.
Схема Smart. Часть3.

Список литературы
1. П.Ю. Виноградов, В.В. Маракулин,К.К. Никитин, Н.Н.Патлых, Б.Г. Шамсиев.
“Источники бесперебойного питания телекоммуникационных средств и вычислительной техники”
2.А.А.Лопухин “Источники бесперебойного питания без секретов”
3. Uninteruptable Power Source (UPS) FAQ.
Для подготовки данной применялись материалы сети Интернет из общего доступа