Усилитель кабельных систем связи (работа 1)
Министерство образования Российской Федерации
ТОМСКИЙ ГОСУДАРСТВЕННЫЙ УНИВЕРСИТЕТ
СИСТЕМ УПРАВЛЕНИЯ РАДИОЭЛЕКТРОНИКИ (ТУСУР)
Кафедра радиоэлектроники и защиты информации (РЗИ)
УСИЛИТЕЛЬ КАБЕЛЬНЫХ
СИСТЕМ СВЯЗИ
Пояснительная записка к курсовому проекту по дисциплине
Схемотехника и АЭУ
Студент гр. 148-3
__________Булдыгин А.Н.
24.04.2001
Руководитель
Доцент кафедры РЗИ
_____________Титов А.А.
_____________
2001
Реферат
Курсовой проект 19 с., 11 рис., 1 табл.
КОЭФФИЦИЕНТ УСИЛЕНИЯ (Кu), АМПЛИТУДНОЧАСТОТНЫЕ ХАРАКТЕРИСТИКИ (АЧХ), ТЕРМОСТАБИЛИЗАЦИЯ, РАЗДЕЛИТЕЛЬНЫЕ ЁМКОСТИ, ДРОССЕЛИ, ПЕРЕКРЁСТНЫЕ ОБРАТНЫЕ СВЯЗИ.
Объектом проектирования является усилитель кабельных систем связи.
Цель работы – приобретение навыков аналитического расчёта усилителя по заданным к нему требованиям.
В процессе работы производился аналитический расчёт усилителя и вариантов его исполнения, при этом был произведён анализ различных схем термостабилизации, рассчитаны эквивалентные модели транзистора, рассмотрены варианты коллекторной цепи транзистора.
В результате расчета был разработан магистральный усилитель с заданными требованиями. Полученный усилитель может быть использован для компенсации потерь мощности, устанавливаемый между многокилометровыми отрезками кабелей.
Курсовая работа выполнена в текстовом редакторе Microsoft Word 7.0.
Рисунки выполнены в графическом редакторе Actrix Technical.
ТЕХНИЧЕСКОЕ ЗАДАНИЕ
на курсовое проектирование по курсу “Аналоговые электронные устройства”
студент гр. 148-3 Булдыгин А.Н.
Тема проекта: Усилитель кабельных систем связи.
Исходные данные для проектирования аналогового устройства.
1. Диапазон частот от 40 МГц до 230 МГц.
2. Допустимые частотные искажения Мн 3 dB, МВ 3 dB.
3. Коэффициент усиления 30 dB.
4. Сопротивление источника сигнала 50 Ом.
5. Амплитуда напряжения на выходе 2 В.
6. Характер и величина нагрузки 50 Ом.
7. Условия эксплуатации (+10 +60)ºС.
8. Дополнительные требования: согласование усилителя по входу и выходу.
Содержание
1 Введение ------------------------------------------ ----------------------------- 5
2 Основная часть ---------------------------------------------------------------- 6
2.1 Анализ исходных данных -------------------------------------------------- 6
2.2 Расчёт оконечного каскада ----------------------------------------------- 6
2.2.1 Расчёт рабочей точки ---------------------------------------------------- 6
2.2.2 Выбор транзистора и расчёт эквивалентных схем замещения---- 8
2.2.2.1 Расчёт параметров схемы Джиаколетто -------------------------- 8
2.2.2.2 Расчёт однонаправленной модели транзистора ------------------ 9
2.2.3 Расчёт и выбор схемы термостабилизации -------------------------- 9
2.2.3.1 Эмитерная термостабилизация -------------------------------------- 9
2.2.3.2 Пассивная коллекторная ---------------------------------------------- 11
2.2.3.3 Активная коллекторная ----------------------------------------------- 11
2.3 Расчёт усилителя ----------------------------------------------------------- 12
2.4 Расчёт ёмкостей и дросселей --------------------------------------------- 15
Схема электрическая принципиальная ------------------------------------- 16
Спецификация ------------------------------------------------------------------- 17
3 Заключение -------------------------------------------------------------------- 18
4 Список используемой литературы ----------------------------------------- 19
1 Введение
Цель работы – приобретение навыков аналитического расчёта магистрального усилителя по заданным к нему требованиям.
Кабельные системы связи являются одной из важных составляющих глобальных и локальных мировых систем телекоммуникаций. Для компенсации потерь мощности сигнала, в таких системах, используются широкополосные усилители, устанавливаемые между многокилометровыми отрезками кабелей.
Указанные усилители относятся к необслуживаемым устройствам и должны обладать следующими достоинствами: хорошее согласование по входу и выходу, исключающее возможность переотражения сигналов в кабельных сетях; неизменность параметров усилителя во времени, в диапазоне температур, и при старении активных элементов схемы; хорошая повторяемость характеристик усилителей при их производстве, без необходимости подстройки;
Всеми перечисленными выше свойствами обладают усилители с отрицательными перекрестными обратными связями [1], что достигается благодаря совместному использованию последовательной местной и общей параллельной обратной связи по току в промежуточных каскадах и параллельной обратной связи по напряжению в выходном каскаде.
2 Основная часть
2.1 Анализ исходных данных
Средне
статистический транзистор даёт усиление
в 20 dB,
по заданию у нас 30 dB,
отсюда получим, что наш усилитель будет
иметь как минимум >
>2
каскада.
Реализуем
усилитель на 2-х активных элементах.
Уровень допустимых искажений АЧХ, по
заданию, 3 dB,
тогда на каждый каскад приходится по
1,5 dB.
Вследствие того, что у нас будут перекрёстные обратные связи рис.(2.3.1), которые нам дадут хорошее согласование по входу и выходу, в них будет теряться 1/3 выходного напряжения, то возьмём Uвых в 1,5 раза больше заданного, т.е. 3В.
2.2 Расчёт оконечного каскада
2.2.1 Расчёт рабочей точки
По заданному напряжению на выходе усилителя рассчитаем напряжение коллектор эмитер и ток коллектора (рабочую точку) [2].
Uвых=1,5Uвых(заданного)=3 (В)
Iвых=>
>=>
>=0,06
(А)
Рассмотрим два варианта реализации схемы питания транзисторного усилителя [2]: первая схема реостатный каскад, вторая схема дроссельный каскад.
Реостатный каскад:

Rк=50
(Ом),
Rн=50
(Ом), Rн~=25
(Ом) рис(2.2.1.1).

Рисунок
2.2.1.1-Схема реостатного Рисунок
2.2.1.2- Нагрузочные прямые.
каскада по переменному току.
Iвых=>
>=>
>=0,12
(А)
Uкэ0=Uвых+Uост, где (2.2.1)
Uкэ0-напряжение рабочей точки или постоянное напряжение на переходе коллектор эмитер. Uвых-напряжение на выходе усилителя.
Uост-остаточное напряжение на транзисторе.
Iк0=Iвых+0,1Iвых, где (2.2.2)
Iк0-постоянная составляющая тока коллектора.
Iвых-ток на выходе усилителя.
Uкэ0=5 (В)
Iк0=0,132 (А)
Выходная мощность усилителя равна:
Pвых=>
>=>
>=0,09
(Вт)
Напряжение источника питания равно:
Eп=Uкэ0+URк=Uкэ0+ Iк0×Rк=11,6 (В)
Мощность рассеиваемая на коллекторе транзистора:
Pрасс=Uкэ0×Iк0=0,66 (Вт)

Мощность
потребляемая от источника питания:
Рпотр= Eп×Iк0=1,5312 (Вт)
Iвых=>
>
=>
>=0,06
(А)
Дроссельный каскад рис(2.2.1.3).

Рисунок
2.2.1.3-Схема дроссельного Рисунок
2.2.1.4- Нагрузочные прямые.
каскада по переменному току.
По формулам (2.2.1) и (2.2.2) рассчитаем рабочую точку.
Uкэ0=5 (В)
Iк0=0,066 (А)
Pвых=>
>=>
>=0,09
(Вт)
Eп=Uкэ0=5 (В)
Рк расс=Uкэ0×Iк0=0,33 (Вт)
Рпотр= Eп×Iк0=0,33 (Вт)
Таблица 2.2.1.1- Характеристики вариантов схем коллекторной цепи.
|
Еп,(В) |
Ррасс,(Вт) |
Рпотр,(Вт) |
Iк0,(А) |
|
|
С Rк |
11,6 |
0,66 |
1,5312 |
0,132 |
|
С Lк |
5 |
0,33 |
0,33 |
0,066 |
Из рассмотренных вариантов схем питания усилителя видно, что целесообразнее использовать дроссельный каскад.
2.2.2 Выбор транзистора и расчёт эквивалентных схем замещения.
На основании следующих неравенств: Uкэ0(допустимое)>Uкэ0*1,2; Iк0(доп)>Iк0*1.2; Рк расс> Рк расс(доп)*1,2; fт>(3¸10)*fв>2300 МГц выберем транзистор, которым будет являться 2Т996А [5]. Его параметры необходимые при расчете приведены ниже:
tс=4,6 пс- постоянная цепи обратной связи,
Ск=1,6 пФ- ёмкость коллектора при Uкэ=10 В,
b0=55- статический коэффициент передачи тока в схеме с общим эмитером,
Uкэ0(доп)=20 В, Iк0(доп)=200 мА- соответственно паспортные значения допустимого напряжения на коллекторе и постоянной составляющей тока коллектора,
Рк
расс(доп)=2,5
Вт-допустимая мощность
рассеиваемая на коллекторе транзистора,
fт=5000
МГц- значение граничной частоты
транзистора при которой >
>=1,
Lб=1 нГн, Lэ=0,183 нГн- индуктивности базового и эмитерного выводов соответственно.
.
2.2.2.1Расчёт параметров схемы Джиаколетто.
Рисунок 2.2.2.1.1- Эквивалентная схема биполярного
транзистора (схема Джиаколетто).
Расчёт основан на [2].
Ск(треб)=Ск(пасп)*>
>=1,6×>
>=2,26
(пФ), где
Ск(треб)-ёмкость коллекторного перехода при заданном Uкэ0,
Ск(пасп)-справочное значение ёмкости коллектора при Uкэ(пасп).
rб=
>
>=2,875
(Ом); gб=>
>=0,347
(Cм),
где
rб-сопротивление базы,
>
>-справочное
значение постоянной цепи обратной
связи.
rэ=>
>
=>
>=0,763
(Ом), где
Iк0 в мА,
rэ-сопротивление эмитера.
gбэ=>
>=>
>=0,023,
где
gбэ-проводимость база-эмитер,
>
>-справочное
значение статического коэффициента
передачи тока в схеме с общим эмитером.
Cэ=>
>=>
>=41,7
(пФ),
где
Cэ-ёмкость эмитера,
fт-справочное
значение граничной частоты транзистора
при которой >
>=1
Ri=
>
>=100
(Ом),
где
Ri-выходное сопротивление транзистора,
Uкэ0(доп), Iк0(доп)-соответственно паспортные значения допустимого напряжения на коллекторе и постоянной составляющей тока коллектора.
gi=0.01(См).
2.2.2.2Расчёт однонаправленной модели транзистора.

Данная
модель применяется в области высоких
частот [4].
Рисунок 2.2.2.2.1- Однонаправленная модель транзистора.
Lвх= Lб+Lэ=1+0,183=1,183 (нГн), где
Lб,Lэ-справочные значения индуктивностей базового и эмитерного выводов соответственно,
Lвх-индуктивность входа транзистора.
Rвх=rб=2,875 (Ом), где
Rвх-входное сопротивление транзистора.
Rвых=Ri=100 (Ом), где
Rвых-выходное сопротивление транзистора.
Свых=Ск(треб)=2,26 (пФ), где
Свых-выходная ёмкость транзистора.
fmax=fт=5 (ГГц), где
fmax-граничная частота транзистора.
2.2.3 Расчёт и выбор схемы термостабилизации.
2.2.3.1 Эмитерная термостабилизация.
Эмитерная термостабилизация широко используется в маломощных каскадах, так как потери мощности в ней при этом не значительны и её простота исполнения вполне их компенсирует, а также она хорошо стабилизирует ток коллектора в широком диапазоне температур при напряжении на эмиттере более 3В [3
Рисунок 2.2.3.1.1-Схема каскада с эмитерной термостабилизацией.
Рассчитаем параметры элементов данной схемы.
Возьмём напряжение на эмиттере равным Uэ=4 (В);
Eп=Uкэ0+Uэ=9 (В);
Сопротивление в цепи эмитера будет равно:
Rэ=>
>
=>
>=66
(Ом);
Rб1=>
>,
Iд=10×Iб,
Iб=>
>,
Iд=10×>
>
=10×>
>=0,012
(А),
где
Rб1-сопротивление базового делителя,
Iд-ток базового делителя,
Iб-ток базы.
Rб1=>
>=416,7
(Ом);
Rб2=>
>
=391,6 (Ом).
Наряду с эмитерной термостабилизацией используются пассивная и активная коллекторная термостабилизации.

2.2.3.2
Пассивная коллекторная:
Рисунок 2.2.3.2.1- Схема пассивной коллекторной термостабилизации.
С использованием [3].
Rк=50 (Ом);
URк=Iк0×Rк=3,3 (В), где
URк-падение напряжения на Rк.
Eп=Uкэ0+URк=8,3 (В);
Iд=0,012 (А);
Rб=>
>
=360 (Ом).
Ток базы определяется Rб. При увеличении тока коллектора напряжение в точке А падает и следовательно уменьшается ток базы, а это не даёт увеличиваться дальше току коллектора. Но чтобы стал изменяться ток базы, напряжение в точке А должно измениться на 10-20%, то есть Rк должно быть очень велико, что оправдывается только в маломощных каскадах. Но в силу того, что мы будем применять перекрёстные обратные связи, данная схема нам не подходит.
2.2.3.3 Активная коллекторная термостабилизация.
Можно сделать чтобы Rб зависило от напряжения в точке А см. рис.(2.2.3.2.1). Получим что при незначительном уменьшении (увеличении) тока коллектора значительно увеличится (уменьшится) ток базы. И вместо большого Rк можно поставить меньшее на котором бы падало порядка 1В [3] см. рис.(2.2.3.3.1).
Статический коэффициент передачи по току второго транзистора b2=50;
Rк=>
>=>
>=15,15
(Ом);
Eп=Uкэ0+URк=5+1=6 (В);
Напряжение на базе второго транзистора будет равно:
UБ2=Uкэ0-0,7=5-0,7=4,3 (В);
Ток коллектора второго транзистора будет равен:
Iк2=Iд1=0,012 (А);
Iд2=10×Iб2=10×>
>=>
>=0.0024
(A), где
Iд2,Iб2-токи базового делителя и базы второго транзистора соответственно.
R3=>
>=>
>=708,3
(Ом);
R1=>
>=>
>=1,792
(кОм);
Напряжение
в рабочей точке второго транзистора
будет равно >
>;
R2=>
>=>
>=1500
(Ом).
Рисунок
2.2.3.3.1- Активная коллекторная
термостабилизация.
Данная схема требует значительное количество дополнительных элементов, в том числе и активных. Если Сф утратит свои свойства, то каскад самовозбудится и будет не усиливать, а генерировать, т.е. данный вариант не желателен, поскольку параметры усилителя должны как можно меньше зависеть от изменения параметров его элементов, по заданию. Основываясь на проведённом выше анализе схем термостабилизации выберем эмитерную.
2.3 Расчёт усилителя.
Поскольку
мы будем использовать перекрёстные
обратные [1],[3],
то все соответствующие элементы схемы
будут одинаковы, т.е. по сути дела расчёт
всего усилителя сводится к расчёту двух
каскадов рис.(2.3.1). Достоинством данной
схемы является то, что при выполнении
условия >
>
схема оказывается согласван-ной по
входу и выходу с КСВН не более 1,3 в
диапазоне частот, где выполняется
условие >
>³0,7.
Поэтому практически отсутствует взаимное
влияние каскадов друг на друга при их
каскадировании Количество каскадов
будет зависеть от требуемого Кu
и полосы пропускания, которые можно
определить как:
Кu(общ)=>
>,
где
(2.3.1)
К0-коэффициент усиления двух каскадов,
n-число каскадов.
К=>
>
(2.3.2)
>
>,
где
(2.3.3)
fв-верхняя граничная частота усилителя на n каскадах.
Выберем К=0.2, и произведём расчёт усилителя на двух каскадах см. рис.(2.3.1).
К0=>
>=18.7;
b1=>
>=6.18;
b2=>
>=14.9
По формуле (2.3.2) R'э=10 (Ом), тогда R''э=Rэ-R'э=60.61-10=50.61 (Ом).
Полное согласование по входу и выходу обеспечивается при выполнении условия
>
>,
отсюда RОС=250
Ом.
>
>,
где
(2.3.4)
fв-верхняя граничная частота усилителя на двух каскадах,
>
>=0,145
(нс),
Сэ,rэ-ёмкость и сопротивление эмитера рассчитанные по схеме Джиаколетто.
>
>;
>
>,
где
Yв-искажения в области верхних частот вносимые одним каскадом,
fв-верхняя граничная частота по заданию.
>
>
(нс);
>
>;
>
>;
>
>
(МГц);
Кu(общ)=>
>,
Кu(общ)=>
>
(раз);

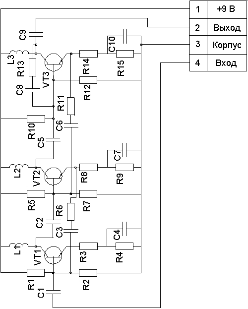
Рисунок 2.3.1-Схема магистрального усилитель на двух каскадах.
Как видно из расчёта мы имеем запас по полосе пропускания, но не достаточный коэффициент усиления. Поэтому возьмём три каскада см. рис.(2.3.2), тогда по формулам (2.3.1) и (2.3.4) соответственно получим:
Кu(общ)=>
>
(раз), что соответствует 39,4 dB;
>
>,
>
>
(МГц);
Рисунок 2.3.2- Магистральный усилитель на трёх каскадах.
2.4 Расчёт ёмкостей и дросселей.
Проводимый ниже расчёт основан на [2].
>
>-нижняя
граничная частота по заданию.
>
>>
>
(пФ);
>
>>
>
(мкГн);
На нижних частотах неравномерность АЧХ обусловлена ёмкостями Ср и Сэ, поэтому пусть 1,5 dB вносят Ср и столько же Сэ.
>
>
,
где
(2.4.1)
R1 и R2 сопротивления соответственно слева и справа от Ср
Yн допустимые искажения вносимые одной ёмкостью.
>
>
(dB),
>
>
(раз), для Ср1 и >
>
(раз), для Сэ.
R1=Rвых(каскада), R2=Rвх(каскада)=Rн=50 (Ом), для Ср1 (межкаскадной),
R1=Rг=Rвых(3-го каскада)=50 (Ом), R2=Rвх(каскада)=Rн=50 (Ом), для Ср2,
>
>,
>
>,
>
>,
где
>
>-параметры
элементов схемы Джиаколетто,
S0-крутизна транзистора.
>
>,
>
>
(Ом),
По формуле (2.4.1) рассчитаем Ср.
>
>
(пФ),
>
>
(пФ),
>
>,
>
>,
>
>
(нс),
>
>
(нФ).
|
|
|
РТФ КП 468730.001 ПЗ |
||||||||
|
УСИЛИТЕЛЬ |
Лит |
Масса |
Масштаб |
|
Из |
Лист |
Nдокум. |
Подп. |
Дата |
КАБЕЛЬНЫХ СИСТЕМ СВЯЗИ |
|||||
|
Выполнил |
Булдыгин |
СХЕМА ЭЛЕКТРИЧЕСКАЯ ПРИНЦИПИАЛЬНАЯ |
||||||||
|
Проверил |
Титов |
ПРИНЦИПИАЛЬНАЯ |
||||||||
|
Лист |
Листов |
|||||||||
|
ТУСУР РТФ |
||||||||||
|
Кафедра РЗИ |
||||||||||
|
гр. 148-3 |
|
КД-2-130 пФ±5% |
2 |
|||||||||
|
С2,С5 |
КД-2-49 пФ±5% |
2 |
|||||||||
|
С4,С7 С10 |
КД-2-1 нФ±5 |
3 |
|||||||||
|
С3,С6 С8 |
КД-2-39 пФ±5% |
3 |
|||||||||
|
Катушки индуктивности |
|||||||||||
|
L1.L2 L3 |
Индуктивность 10 мкГн±10% |
3 |
|||||||||
|
Резисторы ГОСТ 7113-77 |
|||||||||||
|
R1,R5 R10 |
МЛТ–0,125-430 Ом±10% |
3 |
|||||||||
|
R2,R7 R12 |
МЛТ–0,125-390 Ом±10% |
3 |
|||||||||
|
R3,R8 R14 |
МЛТ–0,5-10 Ом±10% |
3 |
|||||||||
|
R4,R9 R15 |
МЛТ–0,5-51 Ом±10% |
3 |
|||||||||
|
R6, R11, R13 |
МЛТ–0,25-240 Ом±10% |
3 |
|||||||||
|
Транзисторы |
|||||||||||
|
VT1, VT2, VT3 |
2Т996А |
3 |
|
РТФ КП 468730.001 ПЗ |
||||||||
|
Лит |
Масса |
Масштаб |
|
Из |
Лист |
Nдокум. |
Подп. |
Дата |
УСИЛИТЕЛЬ |
|||||
|
Выполнил |
Булдыгин |
КАБЕЛЬНЫХ СИСТЕМ СВЯЗИ |
||||||||
|
Проверил |
Титов |
|||||||||
|
Лист |
Листов |
|||||||||
|
ТУСУР РТФ |
||||||||||
|
Перечень элементов |
Кафедра РЗИ |
|||||||||
|
гр. 148-3 |
3 Заключение
В данном курсовом проекте разработан усилитель кабельных систем связи с использованием транзисторов КТ996А и перекрестных обратных связей, имеет следующие технические характеристики: полоса рабочих частот (40-240) МГц; коэффициент усиления 39 дБ; неравномерность амплитудно-частотной характеристики + 1,5 дБ; максимальное значение выходного напряжения 2 В; сопротивление генератора и нагрузки 50 Ом; напряжение питания 9 В.
Литература
Титов А.А. Упрощенный расчет широкополосного усилителя.//Радиотехника. 1979. № 6.
Мамонкин И.П. Усилительные устройства: Учебное пособие для вузов.-М.: Связь, 1977.
Титов А.А. Расчёт корректирующих цепей широкополосных усилитель-ных каскадов на биполярных транзисторах http://www/referat.ru./download/2674.zip
А.А. Титов, Л.И. Бабак, М.В. Черкашин. Расчёт межкаскадной согласующей цепи транзисторного полосового усилителя мощности.//Электронная техника. Сер. СВЧ-техника. Вып. 1(475),2000.
Полупроводниковые приборы. Транзисторы средней и большой мощности: Справочник/ А.А. Зайцев, А.И. Миркин, В.В. Мокряков и др. Под редакцией А.В. Голомедова.-М.: Радио и Связь, 1989.-640с.: ил.
