Обработка данных в средах MathCAD и LabVIEW
Обработка данных в средах MathCAD и LabVIEW
Введение
Цель данного курсового проекта заключается в реализации предлагаемых алгоритмов и методов обработки массивов данных (цифровых изображений) с помощью сред MathCAD и LabVIEW, а так же сравнительный анализ двух рассматриваемых приложений, указав их преимущества и недостатки, по отношению друг к другу. Следует отметить среды MathCAD и LabVIEW являются наиболее наглядными и часто используемыми для решения различных инженерных вычислительных задач и исследовательских проблем.
Обработка цифровых изображений является достаточно ярким и наглядным примером преобразования и анализа измерительных данных. Цифровое преобразование изображений широко используют в промышленных системах машинного зрения, измерительных видеосистемах, прикладных телевизионных системах, вещательном телевидении и так далее.
Назначение цифрового преобразования изображений состоит в создании условий для улучшения восприятия изображения (например, в рентгено- или ультразвуковой медицинской диагностике), формировании определенного художественного образа (в телевидении), выделении информативных признаков (в системах распознавания изображений, измерительных системах, системах мониторинга) и так далее.
В данном курсовом проекте будут использованы такие цифровые преобразования как, импортирование данных из полученного файла в массив; инверсия изображения; линейное контрастирование исходного изображения; построение линейной и кумулятивной исходного и контрастированного изображения; бинаризация полученного изображения после линейного контрастирования с различными порогами бинаризации; двукратное увеличение контрастированного изображения, используя экстраполяцию нулевого порядка и интерполяцию первого порядка для восстановления промежуточных пикселей изображения; экспортирование контрастированного и восстановленных изображений в bmp файлы.
Следует различать обработку изображений, предназначенных для зрительного восприятия, и обработку в устройствах автоматического анализа, где на первый план выходят задачи выделения признаков, определения точных текущих координат объекта и формирования данных о количественных характеристиках.
Исследуемые изображения отражают закономерности взаимодействия светового и другого электромагнитного излучения с отдельными участками изучаемой сцены. Модуляция лучистого потока происходит как по величине энергии, так и по спектральному распределению и осуществляется в результате взаимодействия излучения с исследуемым веществом вследствие явлений поглощения, отражения, рассеяния, преломления, поляризации или интерференции. Именно на этих свойствах, как правило, основано использование обработки изображений в системах автоматического анализа с целью извлечения количественной информации об исследуемых объектах.
Подготовка исходного изображения
Создание исходного цифрового изображение путем цифровой фотосъемки и дальнейшей обработки в редакторе Abode Photoshop. Сохранение полученного изображения в формате bmp, размером 300х300 пикселей (Рис п. 1).
Обработка изображений путем поэлементных преобразований
Результат обработки в любой точке кадра зависит только от значения входного изображения в этой же точке. Очевидным достоинством таких процедур является их предельная простота. Вместе с тем, многие из них приводят к очевидному субъективному улучшению визуального качества. Этим определяется внимание, которое уделяется поэлементным процедурам. Не преувеличивая их роли, отметим, что очень часто поэлементная обработка применяется как заключительный этап при решении более сложной задачи обработки изображения. Часто бывает полезным подчеркнуть, усилить какие-то черты, особенности, нюансы наблюдаемого изображения с целью улучшения ее субъективного восприятия.
Представление полученного изображения в матричном виде
MathCAD

Рис 1а
LabVIEW

Рис 1б
Инверсия изображения
Под инверсией изображения понимается получение негатива из исходного изображения и наоборот (Рис 2а, б). При использовании восьми битового формата изображения градации серого уровень яркости кодируется 256 уровнями (от 0 до 255). Фактически осуществляется преобразование белого в черный, учитывая все 256 уровней кодирования (Рис п. 2).
MathCAD

Рис 2а
LabVIEW

Рис 2б
Линейное контрастирование изображения
Задача контрастирования связана с улучшением согласования динамического диапазона изображения и экрана, на котором выполняется визуализация. В рассматриваемом случае формата градаций серого на кодирование каждого отсчета изображения отводится 1 байт (8 бит) запоминающего устройства, поэтому уровни могут принимать одно из 256 значений. Обычно в качестве рабочего используется диапазон 0...255; при этом значение 0 соответствует при визуализации уровню черного, а значение 255 – уровню белого. Предположим, что минимальная и максимальная яркости исходного изображения равны и соответственно. Если эти параметры или один из них существенно отличаются от граничных значений яркостного диапазона, то визуализированная картина выглядит как ненасыщенная, неудобная, утомляющая при наблюдении.
Получим ненасыщенное изображение (Рис п. 3), а потом, с помощью линейного контрастирования, улучшим его качество (Рис 3а, б, Рис п. 4).
MathCAD

Рис 3а
LabVIEW

Рис 3б
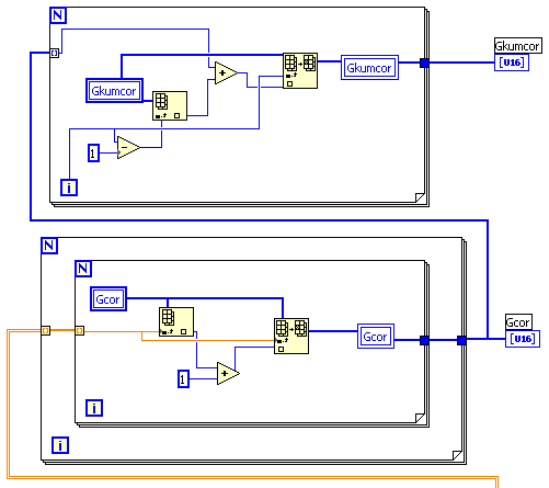
Построение линейной и кумулятивной гистограмм изображения
Для цифрового изображения формата градации серого, шкала яркостей которого принадлежит целочисленному диапазону 0...255, гистограмма представляет собой таблицу из 256 чисел. Каждое из них показывает количество точек в кадре, имеющих данную яркость.
Линейная гистограмма определяет полный перебор матрицы изображения. Значение элементов матрицы в свою очередь являются индексами массива гистограммы. При выборе какого-либо элемента матрицы к соответствующему элементу массива гистограммы добавляется единица. В итоге, после полного перебора матрицы каждый элемент массива отражает общее число элементов матрицы с соответствующим уровнем яркости (Рис 4а, 5а, Рис п. 5а, б).
У кумулятивной гистограммы любое значение элемента массива равно сумме всех предыдущих (Рис 4б, 5б, Рис п. 6а, б).
MathCAD

Рис 4а

Рис 4б
LabVIEW


Рис 5а


Рис 5б
Бинаризация изображения
Преобразование с пороговой характеристикой превращает полутоновое изображение, содержащее все уровни яркости, в бинарное, точки которого имеют яркости 0 или 255.
Такая операция, называемая иногда бинаризацией или бинарным квантованием, может быть полезной, когда для наблюдателя важны очертания объектов, присутствующих на изображении, а детали, содержащиеся внутри объектов или внутри фона, не представляют интереса (Рис 6а, б).
MathCAD

Рис 6а
LabVIEW

Рис 6б
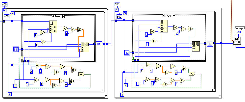
Двукратное увеличение изображений
Масштабирование изображений является весьма важной задачей при анализе изображений. Эта задача неразрывно связанна с проблемой восстановления данных, так как при увеличении физических размеров изображения всегда возникают промежуточные пиксели, значение которых не известно. Определение уровней яркости новых пикселей и есть основная решаемая задача. Однако оба предлагаемых метода хорошо применимы только для одномерных массивов, поэтому сначала необходимо произвести операцию восстановления данных построчно, игнорируя строки только с новыми пикселями (всеми нулевыми значениями), а затем проделать ту же операцию для столбцов полученной матрицы.
Экстраполяция нулевого порядка
Экстраполяция нулевого порядка заключается в приравнивании новому пикселю значения текущего (Рис 7а, б, Рис п. 7).
MathCAD

Рис 7а
LabVIEW


Рис 7б
Интерполяция первого порядка
Интерполяция первого порядка заключается в приравнивании новому пикселю среднего значения двух соседних оригинальных пикселей (Рис 8а, б, Рис п. 8).
MathCAD

Рис 8а
LabVIEW


Рис 8б
Вывод
В данной курсовой работе были рассмотрены две программные среды - MathCAD и LabVIEW. В качестве объекта исследования было использовано восьмибитное изображение размером 300х300 пикселей. В ходе исследования было выяснено, что качество конечных и промежуточных результатов, полученных с помощью обеих сред, оказалось идентичным. Одним из достоинств среды LabVIEW является наглядность алгоритма выполнения и интуитивный понятный интерфейс, что является существенным преимуществом по сравнению с программой MathCAD. Однако, если сравнивать затрачиваемые ресурсы ПК, необходимые для выполнения поставленных задач, то видно, что для одних и тех же алгоритмов LabVIEW необходима гораздо мощная «машина». Это отчетливо видно в разделах «интерполяция» и «экстраполяция». По моему мнению, спектр решаемых задач в среде LabVIEW шире, чем у среды MathCAD. Но в рамках данной курсовой работы это увидеть нельзя. Поэтому можно сделать вывод, что MathCAD является оптимальной программой для реализации поставленной задачи.
Список литературы
1. Руководство к курсовому проектированию: Обработка данных в средах MathCAD и LabVIEW, Таганрог 2007 г.
Приложение

Рис п. 1

Рис п. 2

Рис п. 3

Рис п. 4

Рис п. 5а

Рис п. 5б

Рис п. 6а

Рис п. 6б

Рис п. 7

Рис п. 8
Для подготовки данной работы были использованы материалы с сайта http://referat.ru