Квантовые компьютеры на ионах в многозонных ловушках
Квантовые компьютеры на ионах в многозонных ловушках
Введение
Возможность осуществлений базовых требований для квантового компьютера и квантовых вычислений (одно- и многокубитовые элементы, большие времена декогеренции и т.д.) были продемонстрированы в ходе многочисленных отдельных экспериментов для ионов в ловушках. Конструирование полноценного процессора потребует синтез этих элементов и применение высокоточных операций с использованием большого количества кубитов.
В 1995 году Игнатио Цирак и Питер Золлер описали, каким образом ансамбль ионов в ловушках может быть использован для создания квантовых информационных процессов. Несколько экспериментальных групп по всему миру последовало за этой идеей, и хотя полностью работоспособный образец так и не был создан, никто не сомневается, что рано или поздно это произойдет.
Теоретически схемы на ионных ловушках полностью удовлетворяет критериям ДиВинченцо:
Система должна состоять из точного известного числа кубитов
Должна существовать возможность приведения системы в точно известное начальное состояние.
Большие времена декогеренции
Реализация системы контролируемых кубитов
Возможность считывания конечного состояния кубита
В данной работе мы рассмотрим примеры схем для большого числа кубитов, реализуемых ионами в ловушках.
Архитектура
Один из методов для построения квантового компьютера на ловушках для ионов состоит в связывании ионов общим движением. Цепочка ионов электрически подвешена между двумя рядами электродов. Благодаря тому, что ионы заряжены положительно и отталкиваются друг от друга, любое движение, переданное одному иону лазером, распространяется на всю цепочку. Также лазеры могут изменять пространственную ориентацию ионов, в которой закодированы данные: например, поворачивая ион «вверх», мы передаем ему значение «1», вращая его «вниз», мы передаем «0» (рис.1)

Рис.1
Если положение крайнего иона «вверх», лазер «переключает» его и приводит в движение всю цепочку.
Другой лазер переключает ион на другом конце цепочки только в том случае, если он находится в движении.
Затем другой лазер переключает первый ион (и останавливает движение), если он (ион) двигается.
Ионы на обоих концах цепочки связаны и могут образовать логический элемент в квантовых вычислениях.
Однако увеличение систем до большего числа ионов, чем 15-20, представляется довольно сложным. Чем длиннее цепочка ионов, тем более сложно ее контролировать, поскольку коллективные моды колебаний интерферируют, цепочки «сворачиваются» и т.д. Поэтому было предложено модифицировать систему таким образом, чтобы в ней было лишь несколько довольно коротких цепочек, взаимодействующих друг с другом, например, их части или отдельные ионы могли перемещаться, например, из «процессора» в «память». (Рис. 2)

Рис. 3
Рассмотрим данную схему подробнее.
Для построения квантового компьютера с большим количеством кубитов используется схема «квантового ПЗС», архитектура включает большое число пересекающихся ионных зон. Изменяя напряжение в зоне, можно передвигать по ней несколько ионов.
На рис.3 показана диаграмма подобного устройства.

Рис. 3
Ионы в ловушках, несущие квантовую информацию, удерживаются в зоне памяти. Для выполнения логического элемента передвигаем выбранные ионы в зону пересечения путем подачи определенного напряжения на электродные сегменты. В зоне пересечения ионы группируются. Лазеры фокусируются сквозь зону для управления получившимся элементом. Затем ионы двигаются вновь для выполнения следующей операции.
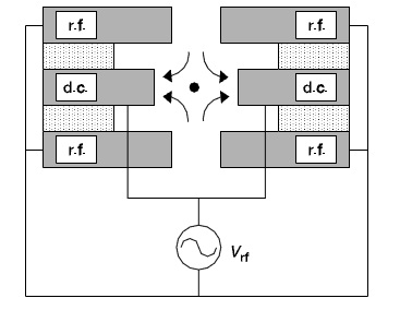
Ловушки и транспортные потенциалы можно организовать комбинированием радиочастотных и квазистатических электрических полей. Рис. 3 показывает только электроды, которые поддерживают квазистатические поля. Варьируя напряжения на этих электродах, мы отправляем ионы в определенный регион или транспортируем их вдоль зоны. Два других слоя электродов располагаются под и над первыми электродами. Применение радиочастотных электродов создает квадрупольное поле. (Рис. 4)

Рис. 4
Такая геометрия позволяет сделать транспорт ионов стабильным и позволяет создавать комплексные, сложные многозонные структуры.
Управление
Цель рассматриваемой архитектуры кроме всего прочего – минимизировать требования к управлению лазерным лучом, переключениям так сильно, как это возможно, используя контроль над потенциалами, применяемыми к ионам в многотизонной ловушке.
В данной архитектуре логические операции можно разделить на два простых шага:
А) Ионы-носители квантовой информации располагаются в определенной пространственной комбинации в ловушках, пока лазерные лучи выключены.
B) Все лазеры включаются одновременно, затем отдельные кубиты или их пары транспортируются сквозь лазерные лучи для осуществления однокубитовых вращений, двухкубитовых элементов и измерений. Наконец, лазерные лучи одновременно выключаются.
Шаги A) и B) выполняются, чередуясь, до тех пор, пока вычисления не будут закончены. (Рис. 5)

Рис. 5
Практика
За несколько прошедших лет группы исследователей продемонстрировали первые работающие схемы на ионах в мультизонных ловушках. Группа из Университета Мичигана изготовила двузонную ловушку с GaAs-ми электродами и ионами Cd. Исследователи из NIST реализовали новую схему, в которой ионы располагаются над плоской поверхностью с электродами. На таких схемах были построены модели с ионами Sr и Mg.
Типичные зонные расстояния в опытах были таковы, что удаленность от ионов до ближайшего электрода составляла 150 мкм, а среднее время выполнения операции составляло 200 мкс (для минимального нагрева). В дальнейшем следует искать схемы и материалы для реализации минимального нагрева при уменьшении пространственных размеров образцов. Опыт показал, что уменьшение размеров системы ведет к нагреву ионов от стохастического электродного шума. Пока механизм такого эффекта до конца не выявлен.
Список литературы
D.J. Wineland, D. Leibfried, J.C. Bergquist, R.B. Blakestad, Trapped atomic ions and quantuminformation processing, 2006
C.R. Monroe, D.J. Wineland, Quantum computing with ions, Scientific American, 2008
S. Seidelin, J. Chiaverini, R.Reichle, J.J. Bollinger, Microfabricated surface-electrodeion trap for scalable quantum information processing, 2006
D. Leibfried, E.Knill, C. Ospelkaus, D.J. Wineland, Transport quantum logic gates for trapped ions, Physical Review, A 76, 2007
D. Kielinski, C. Monroe, D.J. Wineland, Architecture for large-scale ion-trap, Nature, 2008
Для подготовки данной применялись материалы сети Интернет из общего доступа