Анализ одноконтурной САУ четвёртого порядка
Томский государственный университет
систем управления и радиоэлектроники (ТУСУР)
Высший колледж информатики, электроники
и менеджмента (ВКИЭМ)
ПОЯСНИТЕЛЬНАЯ ЗАПИСКА К КУРСОВОМУ ПРОЕКТУ ПО ТАУ
Система автоматического управления
Выполнил студент гр.
.
«____» ______ 200 г.
Проверил преподаватель каф.
.
«____» ______ 200 г.
г. Томск
200 г.
Содержание
1.Введение
2.Краткий анализ технического задания
3.Расчетная часть
3.1.Исходные данные
3.2.Расчёт передаточной функции W>1>(p)
3.3.Определение передаточных функций САУ
3.4.Анализ устойчивости САУ
3.5.Граничное значение коэффициента передачи (К) разомкнутой цепи САУ
3.6.Определение нового коэффициента передачи k>2ГР >и К>ГР>
3.7.Внешняя характеристика САУ
3.8.Регулировочная характеристика САУ
3.9.Расчёт логарифмических частотных характеристик САУ
3.10.Расчёт частотных характеристик замкнутой САУ
3.11.Показатели качества регулирования
3.12.Расчёт переходных характеристик замкнутой САУ
3.13.Новые показатели качества регулирования
3.14. Синтез последовательного корректирующего устройства
3.15.Переходные характеристики скорректированной САУ
3.16.Показатели качества регулирования скорректированной САУ
3.17.Моделирование скорректированной САУ
4.Заключение
5.Список литературы
1. Введение
Теория автоматического управления (ТАУ) является одной из наиболее важных общетехнических дисциплин. Основная задача курсового проекта - научиться на конкретных примерах и задачах практическому применению приёмов и методов, применяемых при анализе и синтезе систем автоматического управления. Курсовой проект посвящён анализу одноконтурной САУ четвёртого порядка. В ходе выполнения курсового проекта требуется получить передаточные функции звеньев которые заданы в виде пассивных четырёхполюсников или схем на операционных усилителях. Кроме того, на заключительном этапе выполнения курсового проекта необходимо произвести настройку исходной САУ на минимальное время переходного процесса.
Краткий анализ технического задания
В курсовом проекте необходимо произвести анализ одноконтурной САУ четвёртого порядка. В ходе выполнения курсового проекта требуется получить передаточные функции звеньев которые заданы в виде пассивных четырёхполюсников или схем на операционных усилителях. Кроме того, на заключительном этапе выполнения курсового проекта необходимо произвести настройку исходной САУ на минимальное время переходного процесса, путём настройки системы на технический оптимум.
Расчетная часть
3.1. Исходные данные

Рис. 1.1. Структурная схема САУ
Передаточные функции звеньев:



|
k>2> |
k>3> |
k>ос> |
Т>2>,с |
Т>ос>,с |
g,В |
f,В |
G,дБ |
Варьируемые параметры |
|
|
x>1> |
x>2> |
||||||||
|
2 |
10 |
0.3 |
0.01 |
0.02 |
60 |
20 |
10 |
Т>2> |
k>2> |
Табл. 1.1. Исходные данные для расчета

Рис. 1.2. Схема звена с передаточной функцией W1(p)
|
R>1>,Ом |
R>2>,Ом |
R>3>,Ом |
R>4>,Ом |
C>1>,Ф |
C>2>,Ф |
|
10*103 |
30*103 |
20*103 |
100*103 |
10*10-6 |
10-6 |
Табл. 1.2. Параметры схемы с передаточной функцией W>1>(P)
3.2. Расчёт передаточной функции W>1>(p)





|
k>1> |
T>11> |
T>12> |
T>13> |
|
|
Выражение |
|
|
|
|
|
Значение |
3 |
0.2 |
0.5 |
0.1 |
Табл. 3.2.1. Коэффициенты передачи и постоянные времени для W>1>(P)

3.3. Определение передаточных функций САУ




Передаточная функция разомкнутой САУ по задающему воздействию:

2. Передаточная функция разомкнутой САУ по возмущающему воздействию:

3. Передаточная функция разомкнутой цепи САУ

4. Передаточная функция замкнутой САУ по задающему воздействию



5. Передаточная функция замкнутой САУ по возмущающему воздействию



3.4. Анализ устойчивости САУ
Характеристический полином системы:

- коэффициент передачи разомкнутой
цепи САУ

Коэффициенты характкристического полинома:





Вычислим угловой минор определителя Гурвица:
>0
,значит САУ устойчива
3.5. Граничное значение коэффициента передачи (К) разомкнутой цепи САУ.
Согласно критерию Гурвица, на границе устойчивости угловой минор главного определителя Гурвица равен нулю, то есть требуется решить уравнение:










>k>>1>> не подходит, так как по условию устойчивости >>K>>ГР>> > 0. >
>Значит >>K>>ГР>> = 34,087>

3.6. Определение нового коэффициента передачи k>2ГР >и К>ГР>
Заданный запас устойчивости:
дБ
Коэффициент k>2ГР >для заданного запаса устойчивости:

Коэффициент К>ГР >для заданного запаса устойчивости:

3.7. Внешняя характеристика САУ




>
>

Рис. 3.7.1. Зависимость выходного сигнала от возмущающего воздействия
3.8. Регулировочная характеристика САУ




Рис. 3.8.1. Зависимость выходного сигнала от задающего воздействия
3.9. Расчёт логарифмических частотных характеристик САУ
Новые значения коэффициентов передачи:


>Передаточные функции:>




Уравнение точной ЛАЧХ САУ

Уравнение точной ЛФЧХ САУ


Рис. 3.9.1. Точная ЛАЧХ САУ

Рис. 3.9.2. Точная ЛФЧХ САУ
3.10. Расчёт частотных характеристик замкнутой САУ
Передаточная функция для замкнутой САУ по задающему воздействию:


АЧХ и ВЧХ замкнутой САУ по задающему воздействию



Рис. 3.10.1. АЧХ и ВЧХ замкнутой САУ по задающему воздействию
3.11. Показатели качества регулирования
Частота собственных колебаний
>
>
>
>
>
>
>
>
>
Гц>
Перерегулирование



3.12. Расчёт переходных характеристик замкнутой САУ

Характеристический полином и его коэффициенты






Производная по параметру p от характеристического полинома:

Ч
ислитель
передаточной функции замкнутой САУ по
задающему воздействию:
Ч
ислитель
передаточной функции замкнутой САУ по
возмущающему воздействию:
Определение корней характеристического полинома:
>
>
>
>

Уравнение переходной характеристики по задающему воздействию:
>Установившаяся составляющая >
>
>
>
>
Переходная составляющая



Рис. 3.12.1. Переходная характеристика по задающему воздействию
Уравнение переходной характеристики по возмущающму воздействю при t=t0
>
с>
>Установившаяся составляющая:>

Переходная составляющая:



Рис. 3.12.2. Переходная характеристика по возмущающему воздействию
3.13. Показатели качества регулирования
Максимальное значение выходной величины

Время переходного процесса при подаче задающего воздействия
>
>
>
>
>
>
>
>
>с>
Расчёт периода и частоты собственных колебаний
>
>
>
>
>
>
>
>
>
с>
>
>
>
>
>
>
>
>
>
с>
Период и частота собственных колебаний


Перерегулирование

Время переходного процесса при подаче возмущающего воздейтвия
>
>
>
>
>
>


>с>

3.14. Синтез последовательного корректирующего устройства
Передаточные функции:




Минимальная постоянная времени САУ равна T>2>=0.01 с


Отсюда находим передаточную функцию корректирующего звена:

Полученное корректирующее устройство представляет собой последовательное соединение: инерционно форсирующего звена (T>12>>T>11>) и форсирующего звена.

Инерционно форсирующее звено:


>Рис 3.13.1. Инерционно – форсирующее звено>
|
>C>>1, >>Ф> |
>R>>1>>, >>Ом> |
>R>>2>>, >>Ом> |
>R>>3>>, >>Ом> |
|
|
>Формула> |
|
|
|
|
|
>Значение> |
>10*10>-6 |
>3*10>4 |
>2*10>4 |
>1.392*10>4 |
>Табл. 3.13.1. Параметры инерционно – форсирующего звена>
Форсирующее звено:


>Рис 3.13.2. Форсирующее звено>
|
>C>>2, >>Ф> |
>R>>4>>, >>Ом> |
>R>>5>>, >>Ом> |
|
|
>Формула> |
|
|
|
|
>Значение> |
>10*10>-6 |
>2*10>3 |
>2*10>3 |
>Табл. 3.13.2. Параметры форсирующего звена>
3.14. Переходные характеристики скорректированной САУ

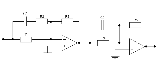
Рис. 3.14.1. Корректирующее звено
Передаточные функции разомкнутой и замкнутой скорректированной САУ по задающему воздействию


Характеристический полином и его производная


Где:



Числитель передаточной функции скорректированной замкнутой САУ:

Корни характеристического полинома
>
>
>
>

Переходные характеристики скорректированной САУ



Рис. 3.14.1. Переходная характеристика скорректированной САУ
3.15. Показатели качества регулирования скорректированной САУ
Время, соответствующее максимуму переходной характеристики.
>
>
>
>
>
>
>
>
>
>

Время переходного процесса при подаче задающего воздействия.
>
>
>
>
>
>
>
>

Перерегулирование

3.16. Моделирование скорректированной САУ.
Передаточная функция замкнутой скорректированной САУ

Характеристический полином

Корни характеристического полинома

То есть замкнутая САУ эквивалентна последовательно соединённым колебательному и форсирующему звеньям. Параметры колебательного звена находим с использованием теоремы Виетта:



Постоянная времени форсирующего звена:

Общий коэффициент передачи САУ по задающему воздействию равен:

Форсирующее
звено:

Рис. 3.16.1. Форсирующее звено
|
>C>>1, >>Ф> |
>R>>1>>, >>Ом> |
>R>>2>>, >>Ом> |
|
|
>Формула> |
|
|
|
|
>Значение> |
>1*10>-6 |
>2*10>4 |
>6,667*10>4 |
Колебательное
звено:


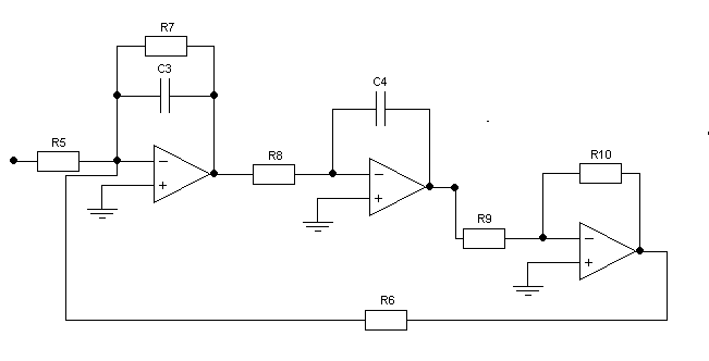
Рис. 3.16.2. Колебательное звено
|
R>5>, Ом |
R>6>, Ом |
R>7>, Ом |
R>8>, Ом |
R>9>, Ом |
R>10>, Ом |
С>3>, Ф |
С>4>, Ф |
|
|
|
|
|
|
|||||
|
Значение |
1*103 |
1*103 |
1*103 |
2*103 |
1*103 |
1*103 |
10*10-6 |
10*10-6 |
Табл. 3.16.2. Колебательное звено
Схема смооделированной скорректированной САУ с подключённым источником питания и осцилографом.

Рис. 3.16.3. Схема смоделированной скорректированной САУ

Рис. 3.16.4. Диаграмма нвпряжения на выходе
Вертикальные линии показывают время переходного процесса.
Размерность по времени: 1 клетка - 0.01 секунды
Размерность по амплитуде: 1 клетка - 5 вольт
Откуда находим:
Время переходного процесса 6.457E-2
Перерегулирование: 17.32%
Выводы: некоторые несовпадения теоретических расчётов с моделированием в пакете Electronical Workbench связаны с неточностью интегрирования дифференциальных уравнений составленных пакетом.
Заключение.
В данном курсовом проекте произведён анализ одноконтурной САУ четвёртого порядка. В ходе выполнения курсового проекта получены передаточные функции звеньев которые заданы в виде схем на операционных усилителях. Кроме того, на заключительном этапе выполнения курсового проекта произведена настройка исходной САУ на минимальное время переходного процесса, путём её настройки на технический оптимум.
В ходе выполнения курсового проекта мы научиться на конкретных примерах и задачах практическому применению приёмов и методов, применяемых при анализе и синтезе систем автоматического управления.
Список литературы
Лебедев Ю.М. Теория автоматического управления. Учебное методическое пособие. Изд. третье. Томск; ТУСУР, 2000 – 141 с.
Фельбаум А.А., Бутковский А.Г., Методы теории автоматического управления. Главная редакция физико-математической литературы изд-ва «Наука», М., 1971, 744 стр.
Кориков А.М. Основы теории управления: Учебное пособие. 2-е изд. – Томск: Изд-во НТЛ, 2002. – 392 с.
Коновалов Б.И. Теория автоматического управления. Конспект лекций для студентов специальности «Промышленная электроника», Томск; ТУСУР, 1997 г.













