Аналого-цифровое и цифро-аналоговое преобразование сигналов
Курс: Теория информации и кодирования
Тема: АНАЛОГО-ЦИФРОВОЕ И ЦИФРО-АНАЛОГОВОЕ
ПРЕОБРАЗОВАНИЕ СИГНАЛОВ
СОДЕРЖАНИЕ
ВВЕДЕНИЕ
ХАРАКТЕРИСТИКИ ПРЕОБРАЗОВАТЕЛЕЙ
ЦИФРОАНАЛОГОВЫЕ ПРЕОБРАЗОВАТЕЛИ
АНАЛОГОЦИФРОВЫЕ ПРЕОБРАЗОВАТЕЛИ
Список Литературы
ВВЕДЕНИЕ
Современный этап в развитии телефонии, радиовещания, телевидения, записи и воспроизведения звука характеризуется тенденцией к переходу на цифровую форму представления информации. Большинство первичных сигналов (ток, напряжение, скорость, давление и т. д.) представляются в аналоговой форме, и для обработки их с помощью ЭВМ они преобразуются в цифровой n-разрядный код.
Для управления изменением аналоговых величин по результатам их обработки в ЭВМ необходимо осуществлять обратное преобразование цифровой информации, в аналоговую.
Преобразование осуществляется с помощью преобразователей цифро-аналоговых (ЦАП) и аналого-цифровых (АЦП). Существуют различные методы цифроаналогового и аналого-цифрового преобразования, реализующие различные алгоритмы функционирования и соответствующие структуры технической реализации.
Практическая реализация схем ЦАП и АЦП может быть выполнена на основе одной или нескольких микросхем в зависимости от используемой серии микросхемы и характеристик преобразователя (разрядности, быстродействия и т. д.).
1. ХАРАКТЕРИСТИКИ ПРЕОБРАЗОВАТЕЛЕЙ
Основными характеристиками преобразователей являются:
1. Динамический диапазон это диапазон изменения входных и выходных величин, который определяется отношением максимального значения входной- X или выходной -Y величин, к минимальным
(1)
2. Временные характеристики: период квантования - t; частота квантования f>к> =1/ t -выбирается в зависимости от спектра сигнала.
- Время преобразования - Т>пр> - интервал времени от начала преобразования до появления выходного сигнала с заданной точностью. Чем выше точность, тем больше время преобразования. Время преобразования характеризует быстродействие.
3. Точность преобразования, которая зависит от погрешностей: квантования, инструментальной и погрешности аппаратуры (чувствительности датчика, шага квантования, разрядности преобразователя, точности обработки ЭВМ и т. д.).
4. Надежность, достоверность, помехозащищенность, сбои и отказы.
2. ЦИФРОАНАЛОГОВЫЕ ПРЕОБРАЗОВАТЕЛИ
Цифро-аналоговый преобразователь (код-аналог) предназначен для преобразования входного сигнала, заданного в цифровом коде в аналоговый выходной сигнал.
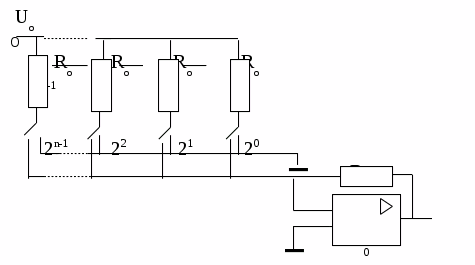
Существует ряд методов цифро-аналогового преобразования. Наиболее распространенным является метод суммирования на одну нагрузку токов или напряжений с весами 2n с помощью ключей, управляемых входным цифровым кодом (рис. 1).

Рис. 1. Схема ЦАП
Широко используются ЦАП, выполненные на основе резистивной матрицы, схема которого приведена на рис. 2.
U>o >R U>o>/2 R U>o>/4 R U>o>/8
O
2R 2R 2R 2R 2R
23 22 21 20
R>oc >
> >
> >U>вых>
> >О 0
Рис.2. Схема ЦАП на основе резистивной матрицы
Наиболее общие типы электронных ЦАП:
широтно-импульсный модулятор — простейший тип ЦАП. Стабильный источник тока или напряжения периодически включается на время, пропорциональное преобразуемому цифровому коду, далее полученная импульсная последовательность фильтруется аналоговым фильтром низких частот. Такой способ часто используется для управления скоростью электромоторов, а также становится популярным в Hi-Fi (класс аппаратуры) аудиотехнике;
ЦАП передискретизации, такие как дельта-сигма ЦАП, основаны на изменяемой плотности импульсов. Передискретизация позволяет использовать ЦАП с меньшей разрядностью для достижения большей разрядности итогового преобразования; часто дельта-сигма ЦАП строится на основе простейшего однобитного ЦАП, который является практически линейным. На ЦАП малой разрядности поступает импульсный сигнал с модулированной плотностью импульсов (c постоянной длительностью импульса, но с изменяемой скважностью), создаваемый с использованием отрицательной обратной связи. Отрицательная обратная связь выступает в роли фильтра высоких частот для шума квантования. Большинство ЦАП большой разрядности (более 16 бит) построены на этом принципе вследствие его высокой линейности и низкой стоимости. Быстродействие дельта-сигма ЦАП достигает сотни тысяч отсчетов в секунду, разрядность — до 24 бит. Для генерации сигнала с модулированной плотностью импульсов может быть использован простой дельта-сигма модулятор первого порядка или более высокого порядка как MASH (англ. Multi stage noise SHaping). С увеличением частоты передискретизации смягчаются требования, предъявляемые к выходному фильтру низких частот и улучшается подавление шума квантования;
взвешивающий ЦАП, в котором каждому биту преобразуемого двоичного кода соответствует резистор или источник тока, подключенный на общую точку суммирования. Сила тока источника (проводимость резистора) пропорциональна весу бита, которому он соответствует. Таким образом, все ненулевые биты кода суммируются с весом. Взвешивающий метод один из самых быстрых, но ему свойственна низкая точность из-за необходимости наличия набора множества различных прецизионных источников или резисторов. По этой причине взвешивающие ЦАП имеют разрядность не более восьми бит;
цепная R-2R схема является вариацией взвешивающего ЦАП. В R-2R ЦАП взвешенные значения создаются в специальной схеме, состоящей из резисторов с сопротивлениями R и 2R. Это позволяет существенно улучшить точность по сравнению с обычным взвешивающим ЦАП, т.к. сравнительно просто изготовить набор прецизионных элементов с одинаковыми параметрами. Недостатком метода является более низкая скорость вследствие паразитной емкости;
сегментный ЦАП содержит по одному источнку тока или резистору на каждое возможное значение выходного сигнала. Так, например, восьмибитный ЦАП этого типа содержит 255 сегментов, а 16-битный — 65535. Теоретически, сегментные ЦАП имеют самое высокое быстродействие, т.к. для преобразования достаточно замкнуть один ключ, соответствующий входному коду;
гибридные ЦАП используют комбинацию перечисленных выше способов. Большинство микросхем ЦАП относится к этому типу; выбор конкретного набора способов является компромиссом между быстродействием, точностью и стоимостью ЦАП.
3. АНАЛОГОЦИФРОВЫЕ ПРЕОБРАЗОВАТЕЛИ
Аналого-цифровой преобразователь (аналог - код) предназначен для преобразования аналоговой величины в цифровой код. Схема АЦП зависит от метода преобразования и способа его реализации. Ряд схем АЦП содержит в своем составе ЦАП.
Существует ряд методов аналого-цифрового преобразования: последовательного счета; поразрядного уравновешивания; двойного интегрирования; с преобразованием напряжения в частоту; параллельного преобразования.
Наиболее часто используется метод поразрядного уравновешивания (последовательного преобразования), при этом последовательно формируются коды, начиная с цифры старшего разряда 2n-1 и завершая младшим (первым). Эти коды поступают на ЦАП, выход которого, сравнивается со входным сигналом.
Р
ис.
3. Схема ЦАП
В схеме приняты следующие условные обозначения: РПП - регистр последовательных преобразований; ГТИ - генератор тактовых импульсов.
При нажатии кнопки пуск ГТИ заносит в старший разряд РПП единицу, при этом код преобразуется в аналоговый сигнал и сравнивается с входным сигналом - Uвх. В зависимости от выхода компаратора ГТИ записывает “1” в следующий разряд, а предыдущий разряд, либо оставляется без изменения, либо обнуляется.
В Фибоначчевых АЦП для поразрядного уравновешивания используются 1-числа Фибоначчи (1, 1, 2, 3, 5, 8, . . .).
Достоинство Фибоначчевых АЦП: избыточность кода Фибоначчи позволяет обнаруживать и исправлять ошибки при наличии помех.
Пример 1. В результате квантования по уровню значение сигнала выдается в двоичном коде с ценой младшего разряда равного шагу квантования. Определить необходимое число двоичных разрядов и количество уровней квантования при условии, что приведенная среднеквадратическая ошибка квантования не превышает 0,3%.
Решение: При заданном способе квантования погрешность квантования отрицательная и может принимать значения от 0 до x. Где x шаг квантования.
Среднеквадратическая ошибка квантования равна:

Приведенная среднеквадратическая ошибка квантования равна:

Если N - количество интервалов разбиения динамического диапазона изменения входного сигнала, то количество уровней квантования- m равно
.
Количество двоичных разрядов двоичного кода
.
Принимаем n = 7, т. е. для кодирования квантованного сигнала в двоичном коде, с ценой младшего разряда равного шагу квантования и точностью не ниже 0,3% , необходим семиразрядный двоичный код.
Пример 2. Случайный процесс с корреляционной функцией R() квантуется с шагом t. Найти погрешность представления такого процесса рядом Котельникова в зависимости от параметров и t если

Решение: Спектральная плотность этого процесса равна

Определим погрешность, связанную с усечением спектра сигнала по формуле:

Найдем значения спектральных плотностей

При этом выражение для погрешности усечения случайного сигнала имеет вид

Подставив значение F = 1/2t, определяемое в соответствии с теоремой Котельникова, найдем
.
Если задана величина погрешности, можно определить шаг квантования.
Список Литературы
Быстродействующие интегральные микросхемы ЦАП и АЦП и измерение их параметров. Под редакцией Марцинкявючеса. М.: Радио и связь. 1988 –224с.
Валах В.В., Григорьев В.Ф., Быстродействующие АЦП для измерения формы случайных сигналов М.: Приборы и техника эксперемента. 1987. №4 с.86-90
Жан М. Рабаи, Ананта Чандракасан, Боривож Николич Цифровые интегральные схемы. Методология проектирования = Digital Integrated Circuits. — 2-ое изд. — М.: «Вильямс», 2007. — С. 912.
Угрюмов Е.П. Цифровая схемотехника.: Учебное пособие для вузов:-2-е издание, переработанное и дополненное-СПб: БХВ - петербург, 2005. - 800с.
Федерков Б.Г., Телец В.А., Микросхемы ЦАП и АЦП: функционирование, параметры, применение. М.: Энергоиздат, 1990. –320с.
Хоровиц П., Хилл У. Искусство схемотехники. В 3-х томах: Т. 2. Пер. с англ. — 4-е изд., перераб. и доп.— М.: Мир, 1993. — 371 с.
1