Использование сетей Петри в математическом моделировании
Курсовая работа на тему:
Использование сетей Петри в математическом моделировании
Оглавление
Введение
§1. О сетях Петри
§2. Сетевое планирование
§3. Математические модели с использованием сетей Петри
§4. Построение динамической модели на основе сети Петри
§5. Применение сетевых моделей для описания параллельных процессов
§6. Моделирование процесса обучения с помощью вложенных сетей Петри
Заключение
Список используемой литературы
Введение
Развитие ЭВМ и программного обеспечения приводит к ускорению и облегчению выполнения каждого шага моделирования. Увеличение быстродействия ЭВМ и развитие графического интерфейса позволяет получать и отображать результаты в графическом виде в темпе решения. При системном подходе к моделированию должен рассматриваться весь комплекс вопросов: планирование, проведение и обработка результатов вычислительного эксперимента.
Важной задачей является обработка результатов вычислений. На этом этапе используются методы, хорошо зарекомендовавшие себя при экспериментах с реальными объектами.
Современные пакеты подготовки печатной продукции включают средства оформления текста, подготовки математических формул, графиков, схем, таблиц. Современные технологии позволяют подготовить документ, включающий как объекты документы других типов или гиперссылки на другие документы и программы обработки.
Возникает проблема: рассмотреть некоторые математические модели с использованием сетей Петри, сетевое планирование. В данной курсовой работе опишем применение и возможности некоторых математических моделей, самых используемых и известных на наш взгляд, посмотреть, как возможности компьютера применимы к теории по данной теме, и посмотреть несколько примеров.
В связи с этим выдвигаем гипотезу: в математическом моделировании можно применить модели сетей Петри для описания параллельных, детерминированных процессов.
Объект работы - сети Петри.
Предмет - математическое моделирование с использованием сетей Петри.
Нами поставлены следующие задачи:
изучить литературу по теме;
изучить сетевое планирование;
рассмотреть применение сетевых моделей;
рассмотреть математические модели с использованием сетей Петри;
рассмотреть построение динамической модели на основе сети Петри.
§1. О сетях Петри
Сети Петри - математический аппарат для моделирования динамических дискретных систем. Впервые описаны Карлом Петри в 1962 году.
Сеть Петри представляет собой двудольный ориентированный граф, состоящий из вершин двух типов - позиций и переходов, соединённых между собой дугами, вершины одного типа не могут быть соединены непосредственно. В позициях могут размещаться метки (маркеры), способные перемещаться по сети. [2]
Сеть Петри - инструмент для моделирования динамических систем. Теория сетей Петри делает возможным моделирование системы математическим представлением ее в виде сети Петри, анализ которой помогает получить важную информацию о структуре и динамическом поведении моделируемой системы.
Возможно несколько путей практического применения сетей Петри при проектировании и анализе систем. В одном из подходов сети Петри рассматриваются как вспомогательный инструмент анализа. Здесь для построения системы используются общепринятые методы проектирования, затем построенная система моделируется сетью Петри, и построенная модель анализируется.
В другом подходе весь процесс проектирования и определения характеристик проводится в терминах сетей Петри. В этом случае задача заключается в преобразовании представления сети Петри в реальную информационную систему. [1]
Несомненным достоинством сетей Петри является математически строгое описание модели. Это позволяет проводить их анализ с помощью современной вычислительной техники (в том числе с массово-параллельной архитектурой). [2]
В работе приведены результаты исследований, направленных на разработку программно-аппаратного комплекса моделирования сетей Петри, который:
позволяет моделировать простые и цветные (CPN) сети Петри;
позволяет моделировать сети Петри со сложной структурой (включением подсетей-блоков в основную сеть) и большим количеством мест и переходов;
позволяет исследовать сети Петри на ограниченность (безопасность), наличие тупиков и достижимость разметок;
предоставляет удобный интерфейс пользователю.
Ни один из существующих программных комплексов моделирования сетей Петри не удовлетворяет этим требованиям.
Разработана система имитационного моделирования сетей Петри в трехуровневой архитектуре клиент-сервер. В основу системы было положено объектно-ориентированное описание сетей Петри в UML-нотации (Unified Modeling Language). Система реализована с помощью CASE-технологии DoomXL, разработанной в ЦОС и ВТ МФТИ. Применение современной промышленной СУБД Informix US в качестве серверной части системы позволяет:
хранить большие массивы данных по структуре сетей Петри;
осуществлять моделирование динамики сетей Петри с помощью механизма транзакций, что обеспечивает высокую надежность системы.
Кроме того, примененный объектно-ориентированный подход позволяет реализовать модели сетей Петри со сложной структурой.
Сети Петри по существу являются одной из форм имитации дискретных процессов. Они были в большой моде лет 20 назад, когда с их помощью надеялись рассчитывать упомянутые процессы (без имитации). В подавляющем большинстве применений от обычных имитационных моделей они отличаются лишь большим наукообразием и специфической терминологией. [4]
Сети Петри - инструмент исследования систем. В настоящее время сети Петри применяются в основном в моделировании. Во многих областях исследований явление изучается не непосредственно, а косвенно, через модель. Модель - это представление, как правило, в математических терминах того, что считается наиболее характерным в изучаемом объекте или системе. Манипулируя моделью системы, можно получить новые знания о ней, избегая опасности, дороговизну или неудобства анализа самой реальной системы. Обычно модели имеют математическую основу.
Развитие теории сетей Петри проводилось по двум направлениям. Формальная теория сетей Петри занимается разработкой основных средств, методов и понятий, необходимых для применения сетей Петри. Прикладная теория сетей Петри связана главным образом с применением сетей Петри к моделированию систем, их анализу и получающимся в результате этого глубоким проникновением в моделируемые системы.
Моделирование в сетях Петри осуществляется на событийном уровне. Определяются, какие действия происходят в системе, какие состояние предшествовали этим действиям и какие состояния примет система после выполнения действия. Выполнения событийной модели в сетях Петри описывает поведение системы. Анализ результатов выполнения может сказать о том, в каких состояниях пребывала или не пребывала система, какие состояния в принципе не достижимы. Однако, такой анализ не дает числовых характеристик, определяющих состояние системы. Развитие теории сетей Петри привело к появлению, так называемых, “цветных” сетей Петри. Понятие цветности в них тесно связано с понятиями переменных, типов данных, условий и других конструкций, более приближенных к языкам программирования. Несмотря на некоторые сходства между цветными сетями Петри и программами, они еще не применялись в качестве языка программирования.
Не смотря на описанные выше достоинства сетей Петри, неудобства применения сетей Петри в качестве языка программирования заключены в процессе их выполнения в вычислительной системе. В сетях Петри нет строго понятия процесса, который можно было бы выполнять на указанном процессоре. Нет также однозначной последовательности исполнения сети Петри, так как исходная теория представляет нам язык для описания параллельных процессов. [3]
§2. Сетевое планирование
Сетевое планирование - метод управления, основанный на использовании математического аппарата теории графов и системного подхода для отображения и алгоритмизации комплексов взаимосвязанных работ, действий или мероприятий для достижения четко поставленной цели. Разработаны в начале 50-х г. ХХ в.
Наиболее известны практически одновременно и независимо разработанные метод критического пути - МКП и метод оценки и пересмотра планов - PERT.
Применяются для оптимизации планирования и управления сложными разветвленными комплексами работ, требующими участия большого числа исполнителей и затрат ограниченных ресурсов.
Основная цель сетевого планирования - сокращение до минимума продолжительности проекта.
Задача сетевого планирования состоит в том, чтобы графически, наглядно и системно отобразить и оптимизировать последовательность и взаимозависимость работ, действий или мероприятий, обеспечивающих своевременное и планомерное достижение конечных целей. Для отображения и алгоритмизации тех или иных действий или ситуаций используются экономико-математические модели, которые принято называть сетевыми моделями, простейшие из них - сетевые графики. С помощью сетевой модели руководитель работ или операции имеет возможность системно и масштабно представлять весь ход работ или оперативных мероприятий, управлять процессом их осуществления, а также маневрировать ресурсами.
Наиболее распространенными направлениями применения сетевого планирования являются:
целевые научно-исследовательские и проектно-конструкторские разработки сложных объектов, машин и установок, в создании которых принимают участие многие предприятия и организации;
планирование и управление основной деятельностью разрабатывающих организаций;
планирование комплекса работ по подготовке и освоению производства новых видов промышленной продукции;
строительство и монтаж объектов промышленного, культурно-бытового и жилищного назначения;
реконструкция и ремонт действующих промышленных и других объектов;
планирование подготовки и переподготовки кадров, проверка исполнения принятых решений, организация комплексной проверки деятельности предприятий, объединений, строительно-монтажных организаций и учреждений. [7]
Использование методов сетевого планирования способствует сокращению сроков создания новых объектов на 15-20%, обеспечению рационального использования трудовых ресурсов и техники.
Сетевое планирование - совокупность методов, использующих сетевую модель как основную форму представления информации об управляемом комплексе работ. Использование сетевого планирования позволяет повысить качество планирования и управления при реализации комплекса работ, например, дает возможность четко координировать деятельность всех сторон (организаций), участвующих в реализации, выделять наиболее важные задачи, определять сроки реализации, а также координировать план его реализации.
Сетевая модель - информационная модель реализации некоторого комплекса взаимосвязанных работ, рассматриваемая как ориентированный граф без контуров, отображающий естественный порядок выполнения этих работ во времени; может содержать некоторые дополнительные характеристики (например, время, стоимость, ресурсы), относящиеся к отдельным работам и (или) к комплексу в целом. [5]
Наибольшее распространение получило графическое представление сетевой модели на плоскости, называемое сетевым графиком.
Для быстрого "погружения" в постановку и решение задач сетевого планирования рассмотрим простейший пример, заимствованный нами из монографий.
Предположим, что шеф-повар получил заказ приготовить яичницу из одного яйца. Вся процедура ее приготовления может быть разбита на ряд отдельных подзадач:
Взять яйцо - ---> Разбить яйцо - ---> Взять жир - --->
--> Положить жир на сковороду - ---> Растопить жир - --->
--> Вылить яйцо на сковороду - --->
--> Ждать, пока яичница не изжарится - ---> Снять яичницу
Некоторые из этих подзадач должны предшествовать другим (например, задача "взять яйцо" должна предшествовать задаче "разбить яйцо"). Ряд подзадач может выполняться параллельно (например, задачи "взять яйцо" и "растопить жир"). Шеф-повар хотел бы выполнить заказ как можно быстрее, при этом предполагается, что число его помощников не ограничено.
Необходимо распределить работу среди помощников так, чтобы заказ был выполнен за минимально возможное время.
Хотя этот пример может показаться легкомысленным, подобная задача возникает во многих ситуациях, связанных с планированием реальных действий. В больших вычислительных системах осуществляется планирование заданий с целью обеспечения минимального времени нахождения задания в системе, технолог на заводе может планировать организацию работы конвейера, минимизирующую время производства продукции, и т.п. Все проблемы подобного рода тесно связаны между собой и могут быть решены с использованием графов.
Давайте представим исходную задачу в виде графа. Каждая вершина графа представляет собой подзадачу, а каждая дуга (x,y) представляет требование, что задача y не может выполняться до тех пор, пока не завершено выполнение задачи x. Граф задачи показан на рисунке:
Рис.1. Граф задачи
Заметим, что в изображенном графе узлы 1 и 6 не имеют предшественников, и, следовательно, подзадачи, которые они представляют, могут выполняться сразу же и параллельно без ожидания завершения других подзадач. Все остальные подзадачи должны ждать завершения по крайней мере одной из этих подзадач. Как только эти первые две подзадачи завершены, соответствующие вершины и инцидентные дуги могут быть удалены из графа. Отметим, что получающийся в результате граф не содержит контуров, поскольку вершины и дуги удалялись из графа без циклов. Стало быть, новый граф также должен содержать по крайней мере один узел, не имеющий предшественников. В нашем примере существуют два таких узла - 2 и 7. Значит, подзадачи 2 и 7 могут выполняться параллельно во второй период времени.
Продолжив построение далее, мы найдем, что минимальное время, за которое может быть поджарена яичница, - шесть временных периодов (предполагая, что каждая подзадача требует ровно один период времени), а максимальное требующееся число помощников - два:
Период времени Помощник 1 Помощник 2
1. Взять яйцо Взять жир
2. Разбить яйцо Положить жир на сковороду
3. Растопить жир
4. Вылить яйцо на сковороду
5. Ждать, пока яичница не изжарится
6. Снять яичницу
Автоматизируем процесс построения решения задачи, модифицируя алгоритм топологической сортировки, проиллюстрированный программой, следующим образом: while (Граф не пуст)
{Определить вершины, не имеющие предшественников.
Распечатать эту группу узлов с указанием, что эти подзадачи
могут быть выполнены параллельно в следующий момент времени.
Удалить из графа данные вершины и инцидентные дуги}
Программа. Применение топологической сортировки для решения простейших задач сетевого планирования.
#include <iostream. h>
typedef struct Leader *Lref; // Тип: указатель на заголовочный узел.
typedef struct Trailer *Tref; // Тип: указатель на дуговой узел.
// Описание типа заголовочного узла.
typedef struct Leader
{
int Key; // Информационное поле.
int Count; // Количество предшественников.
Tref Trail;
Lref Next;
};
// Описание типа дугового узла.
typedef struct Trailer
{
Lref Id;
Tref Next;
};
class Spisok {
private:
Lref Head; // Указатель на список заголовочных узлов.
Lref Tail; // Указатель на фиктивный элемент
// в конце списка заголовочных узлов.
int z; // Количество узлов, не имеющих предшественников.
public:
Spisok () { // Инициализация списка заголовочных узлов.
Head = Tail = new (Leader); z = 0; };
Lref L (int);
void Poisk ();
void Vyvod ();
};
void Spisok:: Poisk ()
{
Lref p,q; // Рабочие указатели.
p = Head; Head = NULL;
while (p! =Tail)
{
q = p; p = p->Next;
if (q->Count==0)
{ q->Next = Head; Head = q; }
}
}
Lref Spisok:: L (int w)
// Функция возвращает указатель на ведущего с ключом w.
{
Lref h = Head;
Tail->Key = w;
while (h->Key! =w) h = h->Next;
if (h==Tail)
// В списке нет элемента с ключом w.
{
Tail = new (Leader); z++;
h->Count = 0; h->Trail = NULL; h->Next = Tail;
}
return h;
}
void Spisok:: Vyvod ()
{
Lref p,q; // Рабочие указатели.
Lref S,U; // Рабочие указатели.
Tref t;
cout << endl;
cout << "Результат... \n";
q = Head;
while (q! =NULL)
// Вывод всех элементов с нулевым количеством предшественников.
{
S = q; cout << " (";
while (S! =NULL)
{ cout << S->Key << " "; z--; S = S->Next; }
cout << ")";
// - ------------------------------------------------ -
U = NULL; // Указатель на очередной список элементов
// с нулевым количеством предшественников.
while (q! =NULL)
{
t = q->Trail;
while (t! =NULL)
{
p = t->Id; p->Count--;
if (p->Count==0) // Включение (*p) в список ведущих.
{ p->Next = U; U = p; }
t = t->Next;
}
q = q->Next;
}
q = U;
}
if (z! =0)
cout << "\nМножество не является частично упорядоченным! \n";
}
void main ()
{
Spisok A;
Lref p,q; // Рабочие указатели.
Tref t;
int x,y; // Рабочие переменные.
// Фаза ввода.
cout << "Задайте отношение частичного порядка... \n";
cout << "Элемент ";
cin >> x;
cout << " предшествует элементу ";
while (x! =0)
{
cin >> y;
p = A. L (x); q = A. L (y);
t = new (Trailer); t->Id = q; t->Next = p->Trail;
p->Trail = t; q->Count += 1;
cout << "Элемент ";
cin >> x;
cout << " предшествует элементу ";
}
// Поиск ведущих с нулевым количеством предшественников.
A. Poisk ();
// Фаза вывода.
A. Vyvod ();
} [11]
§3. Математические модели с использованием сетей Петри
Сети Петри являются эффективным инструментом дискретных процессов, в частности, функционирования станочных систем. Их особенность заключается в возможности отображения параллелизма, асинхронности и иерархичности.
На рис.2
приводится пример сети
Петри, где Р - конечное
непустое множество позиций (состояний);
Т - конечное непустое
множество переходов (событий), причем
p
P
и t>i>
T;
F: Р x Т - {0, 1, 2,... }; Н: Т x Р
{0,
1, 2,... } - функции входных и выходных
инциденций; μ>0>:
Р
{0,
1, 2,... } - начальная маркировка. Вершины
сети p
P
изображены кружками, а вершины t>i>
T
- черточками (баркерами). Дуги соответствуют
функциям инцидентности позиций и
переходов. Точки в кружочках означают
заданную начальную маркировку. Число
маркеров в позиции равно значению
функции μ: Р
{0,
1, 2,... }. Переход от одной маркировки
к другой осуществляется срабатыванием
переходов. Переход t
может сработать при маркировке μ,
если он является возбужденным:
(1)

Рис.2. Сеть Петри
Данное условие показывает, что в каждой входной позиции перехода t число маркеров не меньше веса дуги, соединяющей эту позицию с переходом. В результате срабатывания перехода t, удовлетворяющего условию (1), маркировку μ заменяют маркировкой μ' по следующему правилу:
(2)
По этому правилу в результате срабатывания из всех входных позиций перехода t изымается F (p,t) маркеров и в каждую выходную позицию добавляется H (t,p) маркеров. Это означает, что маркировка μ' непосредственно достижима из маркировки μ. Функционирование сети Петри - последовательная смена маркировок в результате срабатывания возбужденных переходов.
Состояние
сети в данный момент времени определяется
ее текущей маркировкой. Важная
характеристика сети Петри
- граф достижимости, с помощью которого
описываются возможные варианты
функционирования сети. Такой граф имеет
вершины, которые являются возможными
маркировками. Маркировки μ
и μ' соединяются в
направлении t дугой,
помеченной символами перехода t
T
или μt
μ'.
Маркировка μ' такая
последовательность переходов: τ
= t>1>,
t>2>,...,
t>k> является
достижимой из маркировки μ,
если существует, что μt1
μ't2
...
μ tk
μ.
N = (Р, Т, F, Н, μ>0>), где Р = {Р>1>, Р>2>, Р>3>, Р>4>, Р>5>},
T = {t>1>, t>2>, t>3>, t>4>, t>5>}, μ>0> = (1, 1, 0, 0, 0).
Функции F и Н заданы матрицами
|
P>1> |
P>2> |
P>3> |
P>4> |
P>5> |
||
|
H = |
t>1> |
0 |
0 |
1 |
2 |
0 |
|
t>2> |
1 |
0 |
0 |
0 |
1 |
|
|
t>3> |
1 |
1 |
0 |
0 |
0 |
|
|
t>4> |
0 |
0 |
0 |
1 |
0 |
|
|
t>1> |
t>2> |
t>3> |
t>4> |
|||
|
F = |
P>1> |
1 |
0 |
0 |
0 |
|
|
P>2> |
1 |
0 |
0 |
0 |
||
|
P>3> |
0 |
1 |
0 |
0 |
||
|
P>4> |
0 |
0 |
1 |
0 |
||
|
P>5> |
0 |
0 |
0 |
1 |
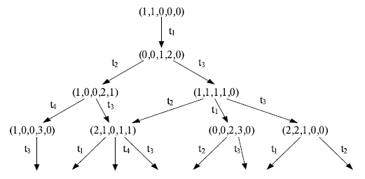
Фрагмент графа достижимости для сети Петри приведен на рис3.
[6]
рис. 3
§4. Построение динамической модели на основе сети Петри
1. Проверка синтаксиса функциональной модели и вывод динамической модели.
Динамическая модель строится на основании функциональной модели и синтезируется пакетом Design/IDEF автоматически во время проверки синтаксиса функциональной модели. Для того, чтобы проверка стала возможной, необходимо разрешить эмуляцию CPN-моделей. Это делается путем установки метки CPN в окне Edit-Set Options-Methodology-Simulations. После установки метки в строке меню главного окна появляется новое меню CPN.
Для проверки синтаксиса необходимо вызвать команду "Check CPN Syntax" в данном меню и в появившемся окне указать параметры проверки. По окончании проверки появляется окно с отчетом, где указываются ошибки (если есть), а на функциональной модели появляются элементы сети Петри.
2. Краткие теоретические сведения о сетях Петри.
Сети Петри являются мощным инструментом исследования моделируемых систем благодаря их возможности описания многих классов дискретных, асинхронных, параллельных, распределенных, недетерминированных систем, благодаря наглядности представления их работы, развитому математическому и программному аппарату анализа.
Она представляет собой разновидность ориентированного графа, включающего в себя вершины двух типов: позиции и переходы. Позиции символизируют состояния и обозначаются как pi, а переходы обозначают собой действия (переходы из одного состояния в другое) и обозначаются как tj. Позиции и переходы соединены направленными дугами fk, каждая из которых имеет свой вес wk. Дуги также можно разделить на два типа: дуги, направленные от позиции к переходам, (p-t) и дуги, направленные от переходов к позициям (t-p). Исходя из этого, сеть Петри может быть формально представлена как совокупность множеств:
N = (P, T, F, W),
где P = {p1, p2… pn} - множество всех позиций (n - количество позиций),
T = {t1, t2… tm} - множество переходов (m - количество переходов),
F = (Fp-t, Ft-p) - множество дуг сети:
Fp-t = (pґt), Ft-p = (tґp) - множества дуг, ведущих соответственно от переходов к по-зициям и от позиций к переходам.
W = {w1, w2… wk} - множество весов дуг (k - количество дуг).
Каждая позиция может быть маркирована, т.е. содержать некоторое число фишек. Если обозначить числа фишек, находящихся в i-й позиции pi, как mi, то маркировка всей сети: M = {m1, m2… mn}. Тогда полное определение сети Петри, включая данные о началь-ной маркировке, можно записать в виде:
PN = (N, M0), где М0 - начальная маркировка сети.
3. Отладка динамической модели.
Если в результате проверки синтаксиса функциональной модели были обнаружены ошибки, то их список будет выведен в окне отчета. В процессе устранения ошибок удобно переходить от одной ошибки к другой с помощью команды "Next Reference"/"Previous Ref-erence" меню Select. Все ошибки показываются выделением.
4. Надписывание позиций.
Для надписывания какой-либо позиции сети Петри необходимо сначала создать метку (команда Create Label), затем ее выделить и вызвать команду "Place Name" меню CPN. После этого достаточно указать надписываемый объект.
5. Надписывание переходов.
Роль переходов сети Петри играют функциональные блоки. По умолчанию в качестве имени перехода используется название блока. Однако, имеется возможность дать ему другое имя. Надписывание перехода производится так же, как и надписывание позиции.
После того, как переход подписан в левом нижнем углу блока появляется квадрат, который подтверждает, что блок подписан.
Аналогичным образом устанавливаются для перехода защита, кодовый сегмент и задержка.
Защита запрещает переход в соответствии с условиями на переменные, указанные в выражениях смежных дуг. Для ее установки требуется создать метку, содержащую выражение для защиты, затем командой "Guard" меню CPN она привязывается к переходу.
Кодовый сегмент определяет сегмент в коде Standard ML, который выполняется в эмуляторе Design/CPN всякий раз, когда будет срабатывать переход.
Задержка определяет время, которое характеризует продолжительность срабатывания перехода.
6. Надписывание дуг.
Каждая дуга может иметь свое имя и выражение, которые задаются как присоединяемые метки.
Для указания имени дуги необходимо создать новую метку, затем вызвать команду "Place Name" меню CPN и указать на маленький невидимый квадратик, принадлежащий функциональному блоку и расположенный в месте соединения блока и дуги.
Выражение дуги характеризует мультинабор фишек, которые двигаются по дуге при любом срабатывании перехода, являющегося входным для дуги. Присоединение осуществляется аналогично вызовом пункта "Arc Expression" меню CPN.
7. Удаление и скрытие динамической модели.
Для скрытия элементов динамической модели используется команда "Hide CPN De-tail" меню CPN. Чтобы сделать элементы снова видимыми требуется команда "Show CPN Detail". Чтобы полностью удалить позиции сети Петри используется команда "Discard CPN Places". [9]
§5. Применение сетевых моделей для описания параллельных процессов
При анализе сети Петри основное внимание уделяется, как правило, трем направлениям.
Проблема достижимости. В сети Петри с начальной разметкой М0 требуется определить, достижима ли принципиально некоторая разметка М' из М0. С точки зрения исследования моделируемой системы, эта проблема интерпретируется как проблема достижимости (реализуемости) некоторого состояния системы.
Оценка живости переходов сети. Под живостью перехода понимают возможность его срабатывания в данной сети при начальной разметке М0. Анализ модели на свойство живости позволяет выявить невозможные состояния в моделируемой системе (например, неисполняемые ветви в программе).
Оценка безопасности сети. Безопасной является такая сеть Петри, в которой ни при каких условиях не может появиться более одной метки в каждой из позиций. Для исследуемой системы это означает возможность функционирования ее в стационарном режиме. На основе анализа данного свойства могут быть определены требования к буферным накопителям в системе.
Итак, достоинства сетей Петри заключаются в следующем:
позволяют моделировать ПП всех возможных типов с учетом возможных конфликтов между ними;
обладают наглядностью и обеспечивают возможность автоматизированного анализа;
позволяют переходить от одного уровня детализации описания системы к другому (за счет раскрытия/закрытия переходов).
Вместе с тем, сети Петри имеют ряд недостатков, ограничивающих их возможности. Основной из них - время срабатывания перехода считается равным нулю, что не позволяет исследовать с помощью сетей Петри временные характеристики моделируемых систем. [8]
Е - сети. В результате развития аппарата сетей Петри был разработан ряд расширений. Одно из наиболее мощных - так называемые Е-сети (evaluation - "вычисления", "оценка") - "оценочные сети". В отличие от сетей Петри, в Е-сетях:
имеются несколько типов вершин-позиций: простые позиции, позиции-очереди, разрешающие позиции;
фишки (метки) могут снабжаться набором признаков (атрибутов);
с каждым переходом может быть связана ненулевая задержка и функция преобразования атрибутов фишек;
введены дополнительные виды вершин-переходов;
в любую позицию может входить не более одной дуги и выходить также не более одной.
В связи с этим любой переход может быть описан тройкой параметров:
dj= (S,t (dj),p (dj)).
Здесь S - тип перехода, t (dj) - функция задержки, отражающая длительность срабатывания перехода, р (dj) - функция преобразования атрибутов меток. Еще одно важное отличие Е-сетей от сетей Петри состоит в том, что метки интерпретируются как транзакты, перемещающиеся по сети, а вершины-переходы трактуются как устройства, выполняющие ту или иную обработку транзактов. Следствием такого подхода является требование: ни одна вершина-позиция Е-сети не может содержать более одной метки (то есть, любая Е-сеть изначально является безопасной). Базовые переходы Е-сети описаны ниже.
Т-переход ("исполнение", "простой переход"). Его графическое представление аналогично представлению вершины-перехода сети Петри (рис.4, слева). Переход срабатывает при наличии метки во входной позиции и отсутствии ее в выходной позиции. Формально это можно записать так:
(1; 0) | - (0;1).
Т-переход позволяет отразить в модели занятость некоторого устройства (подсистемы) в течение некоторого времени, определяемого параметром t (d). F-nepexod ("разветвление"). Графическое представление приведено на рис.4 в центре. Срабатывает при тех же условиях, что и Т-переход:
С содержательной точки зрения, F-переход отображает разветвление потока информации (транзактов) в системе.
Рис.4. Графическое представление переходов Е-сети - Т-переход (слева), F-переход (в центре), J-переход (справа) J-переход ("объединение"). Графическое обозначение показано на рис.4 справа. Переход срабатывает при наличии меток в обеих входных позициях и отсутствии метки в выходной позиции: (1,1; 0) | - (0,0;1)
Он моделирует объединение потоков или наличие нескольких условий, определяющих некоторое событие.
Х-переход ("переключатель"). По сравнению с тремя предыдущими типами переходов, он содержит дополнительную управляющую ("разрешающую") позицию, которая графически обозначается обычно либо квадратиком, либо шестиугольником (рис.5, слева). Рис.5. Графическое представление переходов Е-сети, имеющих разрешающую позицию - Х-переход.
Рис.5. Графическое представление переходов Е-сети, имеющих разрешающую позицию - Х-переход (слева), Y-переход (справа)
Логика его срабатывания задается следующими соотношениями:

Х-переход изменяет направление потока информации (транзактов). В общем случае разрешающая процедура может быть сколь угодно сложной, но сущность ее работы заключается в проверке выполнения условий разветвления потока (с точки зрения программиста, разрешающая позиция аналогична условной инструкции типа if).
Y-переход ("выбор", "приоритетный выбор"). Этот переход также содержит разрешающую позицию (рис.5, справа). Логика срабатывания Y-перехода:
Y-переход отражает приоритетность одних потоков информации (транзактов) по сравнению с другими. При этом разрешающая процедура может быть определена различным образом: как операция сравнения фиксированных приоритетов меток; как функция от атрибутов меток (например, чем меньше время обслуживания, тем выше приоритет). В некотором смысле он работает аналогично инструкции выбора типа case. [12]
Еще раз подчеркнем, что в Е-сети все переходы обладают свойством безопасности. Это означает, что в выходных позициях (которые, в свою очередь, могут быть входными для следующего перехода) никогда не может быть более одной метки. Вместе с тем, в Е-сетях существуют понятия макроперехода и макропозиции, которые позволяют отображать в модели процессы накопления обслуживаемых транзактов в тех или иных узлах системы, а также расширить логические возможности Е-сетей.
Рассмотрим некоторые из них.
Макропозиция очередь представляет собой линейную композицию Т-переходов; суммарное количество выходных вершин-позиций определяет "емкость" очереди. Макропозиция генератор позволяет представлять в сети источник меток (транзактов).
Если необходимо задать закон формирования меток, то "генератор" может быть дополнен разрешающей позицией.
Поскольку в Е-сети нельзя "накапливать" метки, то вводится макропозиция поглощения (или аккумулятор).
В целях повышения компактности и наглядности Е-сети для обозначения макропозиций используют специальные символы:
Q-очередь;
G - генератор;
А - аккумулятор.
Аналогичным образом, путем композиции N однотипных переходов могут быть получены макропереходы всех типов: XN, YN, JN.
Рассмотренные особенности Е-сетей существенно расширяют их возможности для моделирования дискретных систем вообще и параллельных процессов в частности. Ниже приведен пример описания в виде Е-сети мультипрограммной вычислительной системы (Рис.6). Обработка поступающих заданий организована в ней по принципу квантования времени: каждому заданию выделяется равный отрезок (квант) процессорного времени; если задание выполнено, то оно покидает систему, если же времени оказалось недостаточно, то задание встает в очередь и ждет повторного выделения кванта времени.
Рис.6. Пример описания вычислительной системы в виде Е-сети
На рисунке использованы следующие обозначения:
d1 - постановка задания в очередь;
d2 - выполнение задания в течение одного кванта времени;
d3 - анализ степени завершенности задания.
Помимо очевидных достоинств Е-сетей, проявленное к ним внимание объясняется еще и тем, что технология моделирования систем в виде Е-сетей весьма эффективно реализуется с помощью инструмента S1MULINK, входящего в состав пакета MATLAB. [10]
§6. Моделирование процесса обучения с помощью вложенных сетей Петри
Вложенные сети Петри (Nested Petri Nets - NPN) - один из современных инструментов моделирования и исследования параллельно работающих систем, обладающих определенной независимостью и собственной активностью. Эти черты делают привлекательным их использование при моделировании учебного процесса, проводимого группой обучаемых как в традиционном учебном процессе, так и при интерактивном компьютерном обучении. В данной работе впервые предлагается двухуровневая модель обучения, состоящая из центральной системы и набора систем-сателлитов, моделирующих индивидуальное поведение учащихся.
Интерактивное, т.е. в значительной мере самостоятельное обучение с использованием современных информационных технологий одно из важнейших направлений совершенствования системы образования, в том числе я в России. Быстрое развитие телекоммуникаций, и в особенности сети Интернет создало технологическую основу для обмена информацией между организациями и отдельными лицами, вне зависимости от их социального статуса, государственной принадлежности, географического положения, и явилось мощным стимулом развития дистанционного образования.
В настоящее время, несмотря на значительные успехи интерактивного обучения, существует немало нерешенных проблем. К ним мы в первую очередь относим разработку инженерных методов создания систем компьютерного обучения как своеобразных информационных систем с использованием современных методологий и технологий разработки, в частности, САSЕ - технологий. Кроме того, актуально создание методов априорной оценки дидактических и эксплуатационных характеристик разрабатываемых обучающих систем. Решение указанных проблем предполагает наличие моделей, адекватно описывающих все стороны процесса обучения - функциональных, информационных, динамических. Для описания динамики процесса обучения были предложены модели, основанные на формализме сетей Петри и на тесно связанной с ним теории цепей Маркова. Однако предложенные ранее модели описывали только взаимодействие отдельного учащегося с обучающей системой. В то же время в современном образовании важную роль играет умение учащихся работать в коллективе, взаимодействовать при выполнении проектов. Один из возможных путей к моделированию процессов коллективной работы учащихся связан, на наш взгляд, с применением сравнительно нового класса сетевых моделей - вложенных сетей Петри.
Данная работа посвящена изложению основных принципов моделирования распределенных систем с помощью указанного формализма. В первой части работы приведены краткие сведения по теории таких сетей. Во второй части предложена простая модель взаимодействия учащегося с обучающей системой и другими учащимися.
Вложенные сети Петри.
Рассмотрим расширение сетей Петри, которое оказывается полезным при моделирования учебного процесса. Речь идет о так называемых вложенных сетях Петри (Nested Petri Nets - NPN).
Появление указанной разновидности сетей Петри связано с желанием исследователей иметь инструмент для адекватного и удобного представления систем со сложной иерархической и мультиагентной структурой.
Вложенные сети Петри представляют собой расширение стандартного формализма сетей Петри, в котором фишки, представляющие локальные ресурсы в позициях системной сети, сами могут быть сложными объектами с сетевой структурой и моделироваться сетями Петри нижнего уровня - их мы будем называть сателлитными сетями.
Структурно такая сеть состоит из системной сети SN и набором сетей-фишек (сателлитов) ЕN>i>, i= 1,…, n. При этом между некоторыми переходами системной сети, и переходами сетей-фишек может быть установлена связь, разрешающая только их совместное срабатывание. Такие переходы называются помеченными.
Функционирование сетей, входящих в NPN, в значительной мере совпадает с функционированием традиционных сетей Петри. Отличие составляют механизмы синхронизации работы сетей Петри различного уровня. В связи с этим в NPN различают следующие четыре вида шагов срабатывания.
Системно-автономный шаг, который соответствует срабатыванию непомеченного перехода в системной сети;
Сателлитно-автономный шаг, который соответствует срабатыванию непомеченного перехода в сети - фишке ЕN>i>;
Шаг горизонтальной синхронизации, при котором одновременно срабатывают переходы в сетях - фишках ЕN>i>, помеченные одинаковыми метками;
Шаг вертикальной синхронизации, при котором одновременно срабатывают переходы в системной сети SN и сетях - фишках ЕN>i>, имеющие одинаковые метки.
Разумеется, при этом предполагается, что во всех сетях все участвующие в работе переходы являются активными, т.е. в их входных позициях имеются необходимые для срабатывания ресурсы.
Пример вложенной сети Петри рассмотрен ниже.
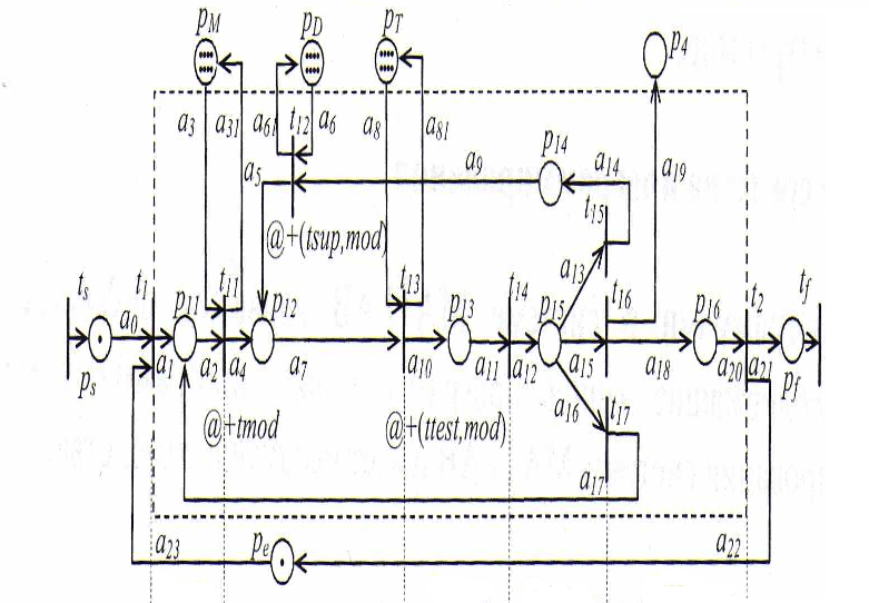
Модель процесса интерактивного обучения с использованием вложенных сетей Петра.
Проиллюстрируем возможности вложенных сетей Петри для получения модели процесса обучения с подсистемами различного уровня. Рассмотрим модель процесса интерактивного обучения показанная на рис.7. В этой модели каждый обучаемый моделируется одной фишкой, обозначаемой переменной var s: STUDENT, которая соответствует целочисленному коду обучаемого. При этом информация об истории прохождении курса конкретным студентом теряется после того, как процесс обучения завершен. Кроме того, в модели на рис.7 отсутствует возможность дифференцированного оценивания успешности обучения. Также не предусмотрена возможность неудачного завершения курса, поскольку число попыток изучения материала и тестирования не ограничено. И, наконец, нет возможности моделировать взаимодействие учащихся.

Подготовка Обучение Тестирование Оценивание Принятие решения
Рис.7. Системная сеть SN - раскрашенная сеть Петри с временным и вероятностным механизмами, моделирующая прохождение учебного курса
Функциональность системы можно повысить, если моделировать поведение каждого обучаемого с помощью отдельной сети Петри. Тогда фишка, обозначаемая переменной s, станет сетью ЕN>s>, где s - код обучаемого, как принято на рис.7.
При этом получится вложенная сеть Петри, которая состоит из системной сети SN (она изображена на рис.7) и набора сателлитных сетей ЕN>s>, (s=1,2,. .). Один из возможных вариантов сети ЕN>s> представлен на рис.8.
Кратко поясним работу вложенной сети. На рис.8 позиции обозначены буквами q>i>, i = 1,…,10. Смысл позиций q>1>,…,q>6> совпадает со смыслом позиций p>11>,…,p>16> на рис.7, остальные позиции относятся к оценке успешности обучения. Переходы t>1>,t>11>,…,t>17 >на обоих рисунках имеют один и тот же смысл. При этом черта над обозначением перехода на рис.8 означает наличие вертикальной синхронизации: одноименные переходы могут сработать только одновременно. Это означает синхронизацию следующих действий:
приход обучаемого в систему (срабатывание перехода t>1>), создание в системной сети SN сателлитной сети ЕN>s>, в виде фишки s; в свою очередь, в сателлитной сети переменная s относится к цветовому множеству STUDENT;
выбор учебного модуля и начало процесса обучения срабатывание переходов t>11>;
завершение процесса обучения и выбор тестов срабатывание переходов t>13>;
завершение процесса тестирования и переход к оцениванию - срабатывание переходов t>14>;
принятие решения по результатам тестирования - срабатывание переходов: t>15> - изучение дополнительного материала, t>16> - завершение изучения модуля, t>17> - повторное изучение всего материала.
Кроме описанных событий сеть ЕN>s>, позволяет оценить количество баллов, набранных учащимся в процессе изучения модуля. Для этого введены дополнительные ресурсы, задаваемые цветовыми множествами:
Color BALL = integer;
Color FAILURE = Вооlеаn;
и соответствующие переменные:
var β: BALL, var γ: FAILURE.

Рис.8. Вложенная сеть Е>s>
Переменная β означает количество баллов, набранных учащимся при выполнении модуля. Первоначально в позиции q>9> находится 100 баллов, а затем при каждой неудаче маркировка этой позиции уменьшается: при необходимости изучения дополнительного материала - на b>1> баллов, а при необходимости повторного изучения всего курса - на b>2> баллов. При успешном завершении процесса обучения срабатывает переход t>5>, и в позицию с передается набранное учащимся количество баллов - число b.
Минимальное число баллов, при котором возможна положительная оценка, составляет b>0> баллов. Если текущее значение величины β окажется меньше b>0>, то процесс обучения признается неудачным, и переменная γ принимает значение true, которое передается в позицию q>10> при срабатывании перехода t>5>. Все остальные переходы при этом оказываются заблокированными.
В рассмотренном примере показана только вертикальная синхронизация, которая заключается в требовании одновременного срабатывания переходов в сетях SN и Е>s>. Возможно предусмотреть и горизонтальную синхронизацию между сетями Е>s>, что позволило бы моделировать совместную работу учащихся, например при выполнении коллективного проекта.
Итак, мы видим, что использование вложенных сетей Петри расширяет возможность моделирования обучающих систем и позволяет проводить ранее недоступные исследования.
Разумеется, практическое использование предложенной модели возможно только при наличии соответствующего программного обеспечения, которое в настоящий момент разрабатывается. [13]
Заключение
Итогом курсовой работы стали математические модели с использованием сетей Петри, построение динамических моделей на основе сетей Петри, применение сетевых моделей с использованием сетей Петри. Сети Петри являются эффективным инструментом дискретных процессов, в частности, функционирования станочных систем. Разработаны теории моделирования с помощью сетей Петри. В данной работе приведены примеры моделей, программа. Было рассмотрено сетевое планирование как метод управления, основанный на использовании математического аппарата теории графов и системного подхода для отображения и алгоритмизации комплексов взаимосвязанных работ, действий или мероприятий для достижения четко поставленной цели. Информацию по теме можно использовать из Интернета, а информацию по "математической части" в пособиях и учебниках по данной теме.
В ходе курсовой работы была изучена литература по теме (Интернет - источники). Было установлено, что некоторые виды сетей можно реализовать с помощью пакета MATLAB.
Список используемой литературы
<http://mathmod. narod.ru/> (октябрь, 2008);
<http://matlab. exponenta.ru/ml/book1/matlab/index_book. php> (октябрь, 2008);
<http://www.rgc. su/material/998/0/index. shtml > (декабрь, 2008);
<http://www.vismat.ru/osnovy-tehnologii-imitacionnogo-modelirovaniya/primenenie-setevyh-modeley-dlya-opisaniya-paralle> (ноябрь, 2008);
<http://revolution. /mathematics/00003923_0.html> (ноябрь, 2008);
<http://orion.netlab. cctpu.edu.ru/TPU/soft/10. htm> (декабрь, 2008);
<http://www.miracle.ru/pub/512/512. htm> (декабрь, 2008);
<http://orion.netlab. cctpu.edu.ru/TPU/soft/10. htm> (октябрь, 2008);
<http://www.netspetri. H27.ru/theor.html> (октябрь, 2008);
10) <http://ru. wikipedia.org/wiki/%D0%A1%D0%B5%D1%82%D0%B8_%D0%9F%D0%B5%D1%82%D1%80%D0%B8> (декабрь, 2008);
11) <http://www.gpss.ru/paper/ryzhikov1/9.html> (октябрь, 2008);
<http://www.mipt.ru/nauka/f_228ed/a_3l9ed.html> (декабрь, 2008);
<http://lib. krasu.ru/resources. php3? menu1=socvest&menu2=2006-4> (декабрь, 2008).