Опасность включения человека в однофазную двухпроводную сеть
Контрольная работа
по БЖД
Тема: Опасность включения человека в однофазную двухпроводную сеть
Задание
Однофазная двухпроводная сеть с изолированным от земли контактом.
Нормальный режим:
Человек прикоснулся к проводу 1 (рис.1,2). Определить UПР и ток через тело человека при:
1) r =1,10,20,40 кОм, RH = 1 кОм, U = 380В.
2) при: а) r1 = 100кОм и r2 = 20кОм
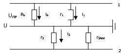
б) r1 = 20кОм и r2 = 100кОм Схема замещения

Рис.1

Рис.2
Решение
1)Ток через тело человека при r1=r2=r равен:
Ih=
Ih=UПР/Rh
Отсюда напряжение прикосновения UПР:
UПР= Ih* Rh
При r =1кОм:
Ih=380/(2*1+1)=126,67мА UПР=126,67*1=126,67В
При r=10кОм
Ih=380/(2*1+10)=31,67мА UПР=31,67*1=31,67В
При r =20кОм:
Ih=380/(2*1+20)=17,27мА UПР=17,27*1=17,27В
При r =40кОм:
Ih=380/(2*1+40)=9,05мА UПР=9,05*1=9,05В
2)Напряжение прикосновения UПР:
UПР=U*(
),
А ток через тело человека:
Ih=UПР/Rh
а) r1 = 100кОм и r2 = 20кОм
UПР=380*(
)=17,92В
Ih=17,92/1=17,92мА
б) r1 = 20кОм и r2 = 100кОм
UПР=380*(
)=3,58В
Ih=3,58/1=3,58мА
Аварийный режим
Человек прикоснулся к проводу 1 в аварийном режиме (рис.3,4). Определить UПР и ток через тело человека при r1 = 40кОм и r2 = 100кОм, rЗАМ=25Ом, Rh = 1000Ом, U=380В
Схема замещения

Рис.3

Рис.4
Решение:
По Рис.4
rЭ = r1II
r2 =

rЭ=
=0,025кОм=25Ом
0
Тогда
Ih = U/Rh
и
UПР=U
Ih = 380/1=380мА
UПР=380В
Однофазная двухпроводная сеть с заземлённым проводом.
Нормальный режим:
Человек прикоснулся к проводу 2 (рис.5). Определить UПР и ток через тело человека при U=380В, Rh=1кОм, r0 = 4 Ом, rПОЛА=40кОм, r ОБУВИ=10кОм:
а) без учёта сопротивления основания б) с учётом сопротивления основания

Рис.5
Решение:
Ток через тело человека Ih в аварийном режиме:
Ih=U/(Rh+r0) UПР= Ih*Rh
а)Ih=380/(1+0,004)=378,5мА UПР=378,5*1=378,5В
б) RH2= Rh+ rПОЛА + rОБУВИ
RH2= 1+40+10=51кОм
Ih=380/(51+0,004)=7,45мА
UПР=7,45*51=380В